Главная // Актуальные документы // ГОСТ (Государственный стандарт)СПРАВКА
Источник публикации
М.: Стандартинформ, 2020
Примечание к документу
Документ
введен в действие с 01.06.2021.
Название документа
"ГОСТ 34695.21-1-2020 (IEC 61851-21-1:2017). Межгосударственный стандарт. Система зарядки электрических транспортных средств проводная. Часть 21-1. Требования электромагнитной совместимости для проводного подключения бортового зарядного устройства к источнику переменного/постоянного тока"
(введен в действие Приказом Росстандарта от 30.10.2020 N 1015-ст)
"ГОСТ 34695.21-1-2020 (IEC 61851-21-1:2017). Межгосударственный стандарт. Система зарядки электрических транспортных средств проводная. Часть 21-1. Требования электромагнитной совместимости для проводного подключения бортового зарядного устройства к источнику переменного/постоянного тока"
(введен в действие Приказом Росстандарта от 30.10.2020 N 1015-ст)
Приказом Федерального агентства
по техническому регулированию
и метрологии
от 30 октября 2020 г. N 1015-ст
МЕЖГОСУДАРСТВЕННЫЙ СТАНДАРТ
СИСТЕМА ЗАРЯДКИ ЭЛЕКТРИЧЕСКИХ ТРАНСПОРТНЫХ СРЕДСТВ ПРОВОДНАЯ
ЧАСТЬ 21-1
ТРЕБОВАНИЯ ЭЛЕКТРОМАГНИТНОЙ СОВМЕСТИМОСТИ ДЛЯ ПРОВОДНОГО
ПОДКЛЮЧЕНИЯ БОРТОВОГО ЗАРЯДНОГО УСТРОЙСТВА К ИСТОЧНИКУ
ПЕРЕМЕННОГО/ПОСТОЯННОГО ТОКА
Electric vehicle charging system wired. Part 21-1. Electric
vehicle on-board charger EMC requirements for conductive
connection to AC/DC supply
(IEC 61851-21-1:2017, Electric vehicle conductive charging
system - Part 21-1: Electric vehicle on-board charger EMC
requirements for conductive connection to AC/DC supply, MOD)
ГОСТ 34695.21-1-2020
(IEC 61851-21-1:2017)
Дата введения
1 июня 2021 года
Цели, основные принципы и общие правила проведения работ по межгосударственной стандартизации установлены
ГОСТ 1.0 "Межгосударственная система стандартизации. Основные положения" и
ГОСТ 1.2 "Межгосударственная система стандартизации. Стандарты межгосударственные, правила и рекомендации по межгосударственной стандартизации. Правила разработки, принятия, обновления и отмены"
1 ПОДГОТОВЛЕН Федеральным государственным унитарным предприятием "Центральный ордена Трудового Красного Знамени научно-исследовательский автомобильный и автомоторный институт "НАМИ" (ФГУП "НАМИ") и Акционерным обществом "Концерн радиоэлектронной технологии" (АО "КРЭТ") на основе собственного перевода на русский язык англоязычной версии стандарта, указанного в
пункте 5
2 ВНЕСЕН Межгосударственным техническим комитетом по стандартизации МТК 56 "Дорожный транспорт"
3 ПРИНЯТ Межгосударственным советом по стандартизации, метрологии и сертификации (протокол от 30 октября 2020 г. N 134-П)
За принятие проголосовали:
Краткое наименование страны по МК (ИСО 3166) 004-97 | Код страны по МК (ИСО 3166) 004-97 | Сокращенное наименование национального органа по стандартизации |
Армения | AM | ЗАО "Национальный орган по стандартизации и метрологии" Республики Армения |
Беларусь | BY | Госстандарт Республики Беларусь |
Казахстан | KZ | Госстандарт Республики Казахстан |
Киргизия | KG | Кыргызстандарт |
Россия | RU | Росстандарт |
Украина | UA | Минэкономразвития Украины |
4 Приказом Федерального агентства по техническому регулированию и метрологии от 30 октября 2020 г. N 1015-ст межгосударственный стандарт ГОСТ 34695.21-1-2020 (IEC 61851-21-1:2017) введен в действие в качестве национального стандарта Российской Федерации с 1 июня 2021 г.
5 Настоящий стандарт является модифицированным по отношению к международному стандарту IEC 61851-21-1:2017 "Автомобильные транспортные средства. Электромобили и автомобили с комбинированными установками. Система проводной зарядки. Часть 21-1. Требования электромагнитной совместимости к проводным соединениям с питанием переменным или постоянным током напряжения для бортовых зарядных устройств" (IEC 61851-21-1:2017 "Electric vehicle conductive charging system - Part 21-1: Electric vehicle on-board charger EMC requirements for conductive connection to AC/DC supply, MOD") путем изменения отдельных слов, ссылок, которые выделены в тексте курсивом.
Наименование настоящего стандарта изменено относительно наименования указанного международного стандарта для приведения в соответствие с ГОСТ 1.5
(подраздел 3.6) и для увязки с наименованиями, принятыми в существующем комплексе межгосударственных стандартов.
Сведения о соответствии ссылочных межгосударственных стандартов международным стандартам приведены в дополнительном
приложении ДА
6 ВВЕДЕН ВПЕРВЫЕ
Информация о введении в действие (прекращении действия) настоящего стандарта и изменений к нему на территории указанных выше государств публикуется в указателях национальных стандартов, издаваемых в этих государствах, а также в сети Интернет на сайтах соответствующих национальных органов по стандартизации.
В случае пересмотра, изменения или отмены настоящего стандарта соответствующая информация будет опубликована на официальном интернет-сайте Межгосударственного совета по стандартизации, метрологии и сертификации в каталоге "Межгосударственные стандарты"
Введение к IEC 61851-21-1
Международная электротехническая комиссия (IEC) является всемирной организацией по стандартизации, в которую входят все национальные электротехнические комитеты (национальные комитеты (IEC)). Основная цель IEC - содействие международному сотрудничеству по всем вопросам стандартизации в области электротехники и электроники. С этой целью IEC, помимо прочего, издает международные стандарты, технические спецификации, технические отчеты, общедоступные технические условия (ОТУ) и методические пособия (далее - документы IEC). Их подготовка возлагается на технические комитеты. При этом в подготовке вправе участвовать любой национальный комитет IEC, заинтересованный в рассматриваемом вопросе. Также в подготовке принимают участие международные, правительственные и неправительственные организации, взаимодействующие с IEC. IEC тесно сотрудничает с Международной организацией по стандартизации (ИСО) в соответствии с условиями, определенными соглашением между двумя организациями.
Официальные решения или соглашения IEC по техническим вопросам с максимально возможной точностью отражают единое международное мнение по соответствующим вопросам, так как в составе каждого технического комитета присутствуют представители всех заинтересованных национальных комитетов IEC.
Документы IEC имеют форму международных рекомендаций и в таком качестве признаются национальными комитетами IEC. Несмотря на все соответствующие меры по обеспечению точности технического содержания документов IEC, IEC не несет ответственности за порядок их применения или неверное толкование любым конечным потребителем.
В рамках обеспечения международного единообразия все национальные комитеты IEC принимают на себя обязательство динамично применять документы IEC в своих национальных и региональных документах. Любые расхождения между документом IEC и соответствующим национальным или региональным документом должны быть четко отражены в последнем.
Сама IEC какую-либо аттестацию соответствия не проводит. Услуги оценки соответствия, а также, в ряде регионов, присвоения знака соответствия IEC, оказываются независимыми органами по сертификации. IEC не несет ответственности за любые услуги, предоставляемые независимыми органами по сертификации.
Все пользователи должны самостоятельно обеспечить себя актуальной редакцией международного стандарта.
IEC, ее руководители, сотрудники, служащие или представители, включая индивидуальных экспертов и членов технических комитетов, а также национальных комитетов IEC, не несут ответственности за травмы, прямой или косвенный имущественный и иной ущерб любого рода, а также затраты (включая судебные издержки) и расходы, возникающие в связи с изданием, применением или зависимостью от международного стандарта IEC или любых иных документов IEC.
Приведенные в настоящем стандарте нормативные ссылочные документы имеют важное значение. Их применение является обязательным условием надлежащего применения настоящего стандарта.
Следует учитывать, что ряд элементов настоящего международного стандарта IEC может быть защищен патентными правами. IEC не обязана указывать на наличие каких-либо патентных прав.
Международный стандарт IEC 61851-21-1 подготовлен подкомитетом 69 "Автотранспортные средства и промышленные грузовые автомобили на электрической тяге".
Настоящее первое издание в совокупности со стандартом IEC 61851-21-2 отменяет и заменяет стандарт IEC 61851-21:2001. Настоящее издание содержит технические изменения указанного стандарта.
Настоящее издание содержит следующие важные технические изменения стандарта IEC 61851-21:2001:
a) IEC 61851-21-1:2017 применим только к испытаниям на соответствие требованиям электромагнитной совместимости, а не ко всем электроиспытаниям;
b) в IEC 61851-21-1:2017 приведено более точное описание установок для проведения испытаний;
c) добавлено
приложение А "Эквиваленты сетей, эквиваленты асимметричных сетей и интегрирование зарядных станций в установку для проведения испытаний".
В основу текста международного стандарта положены следующие документы:
FDIS (финальный проект Международного стандарта) | Отчет о голосовании |
69/507/FDIS | 69/516/RVD |
Полная информация о голосовании за утверждение настоящего международного стандарта содержится в отчете о голосовании, указанном в
таблице выше.
IEC 61851-21-1 разработан в соответствии с правилами, содержащимися в директивах ISO/IEC, часть 2.
Перечень всех частей стандартов серии IEC 61851 приведен на сайте IEC под общим заголовком "Проводные системы зарядки автотранспортных средств на электрической тяге".
Комитетом принято решение не вносить в IEC 61851-21-1 изменения до даты, указанной на сайте IEC http://webstore.iec.ch в составе данных для данного стандарта. На указанную дату документ будет:
- подтвержден;
- отозван;
- заменен на пересмотренную редакцию или изменен.
После указанной даты может быть выпущено двуязычное издание международного стандарта.
Настоящий стандарт в комплекте с ГОСТ IEC 61851-1 устанавливает требования для проводного подключения к источникам питания переменного и постоянного тока электромобилей и автомобильных транспортных средств с комбинированными энергоустановками, имеющих возможность внешней зарядки (далее - электромобили, ЭМ). Стандарт применим только к бортовым зарядным устройствам ЭМ, испытываемым на комплектном транспортном средстве или на уровне компонентов систем зарядки (электронных подсистем).
Настоящий стандарт устанавливает требования к электромагнитной совместимости (ЭМС) электромобилей в любом режиме заряда при подключении к источнику питания.
Настоящий стандарт не распространяется на троллейбусы, рельсовые транспортные средства, промышленные грузовые автомобили и транспортные средства, используемые преимущественно во внедорожных условиях, например, лесохозяйственные и строительные машины.
Примечания
1 Специальные требования техники безопасности, применимые к оборудованию автомобильного транспортного средства в процессе зарядки, устанавливаются стандартами, указанными в настоящем стандарте.
2 В настоящем стандарте к электромобилям относятся электромобили и автомобильные транспортные средства с комбинированной энергоустановкой последовательного типа.
В настоящем стандарте использованы нормативные ссылки на следующие межгосударственные стандарты:
ГОСТ 29322 (IEC 60038:2009) Напряжения стандартные
ГОСТ 30804.3.11 (IEC 61000-3-11:2000) Совместимость технических средств электромагнитная. Колебания напряжения и фликер, вызываемые техническими средствами с потребляемым током не более 75 А (в одной фазе), подключаемыми к низковольтным системам электроснабжения при определенных условиях. Нормы и методы испытаний
ГОСТ 30805.22-2013 (CISPR 22:2006) Совместимость технических средств электромагнитная. Оборудование информационных технологий. Радиопомехи индустриальные. Нормы и методы измерений
ГОСТ IEC 61000-3-2 Электромагнитная совместимость (ЭМС). Часть 3-2. Нормы. Нормы эмиссии гармонических составляющих тока (оборудование с входным током не более 16 А в одной фазе)
ГОСТ IEC 61000-3-3 Электромагнитная совместимость (ЭМС). Часть 3-3. Нормы. Ограничение изменений напряжения, колебаний напряжения и фликера в общественных низковольтных системах электроснабжения для оборудования с номинальным током не более 16 А (в одной фазе), подключаемого к сети электропитания без особых условий
ГОСТ IEC 61000-3-12 Электромагнитная совместимость (ЭМС). Часть 3-12. Нормы. Нормы гармонических составляющих тока, создаваемых оборудованием, подключаемым к общественным низковольтным системам, с входным током более 16 А, но не более 75 А в одной фазе
ГОСТ IEC 61000-4-4 Электромагнитная совместимость (ЭМС). Часть 4-4. Методы испытаний и измерений. Испытание на устойчивость к электрическим быстрым переходным процессам (пачкам)
ГОСТ IEC 61000-4-5 Электромагнитная совместимость (ЭМС). Часть 4-5. Методы испытаний и измерений. Испытание на устойчивость к выбросу напряжения
ГОСТ IEC 61000-6-3 Электромагнитная совместимость (ЭМС). Часть 6-3. Общие стандарты. Стандарт электромагнитной эмиссии для жилых, коммерческих и легких промышленных обстановок
ГОСТ IEC 61851-1-2017 Система зарядки электрических транспортных средств проводная. Часть 1. Общие требования
ГОСТ CISPR 16-1-2-2016 Требования к аппаратуре для измерения радиопомех и помехоустойчивости и методы измерения. Часть 1-2. Аппаратура для измерения радиопомех и помехоустойчивости. Устройства связи для измерений кондуктивных помех
| | ИС МЕГАНОРМ: примечание. В официальном тексте документа, видимо, допущена опечатка: стандарт имеет номер ГОСТ CISPR 16-1-4-2013, а не CISPR 16-1-4. | |
CISPR 16-1-4 Совместимость технических средств электромагнитная. Требования к аппаратуре для измерения параметров индустриальных радиопомех и помехоустойчивости и методы измерений. Часть 1-4. Аппаратура для измерения радиопомех и помехоустойчивости. Антенны и испытательные площадки для измерения излучаемых помех
ГОСТ CISPR 16-2-1 Требования к аппаратуре для измерения радиопомех и помехоустойчивости и методы измерения. Часть 2-1. Методы измерения помех и помехоустойчивости. Измерения кондуктивных помех
Примечание - При пользовании настоящим стандартом целесообразно проверить действие ссылочных стандартов и классификаторов на официальном интернет-сайте Межгосударственного совета по стандартизации, метрологии и сертификации (www.easc.by) или по указателям национальных стандартов, издаваемым в государствах, указанных в
предисловии, или на официальных сайтах соответствующих национальных органов по стандартизации. Если на документ дана недатированная ссылка, то следует использовать документ, действующий на текущий момент, с учетом всех внесенных в него изменений. Если заменен ссылочный стандарт, на который дана датированная ссылка, то следует использовать указанную версию этого документа. Если после принятия настоящего стандарта в ссылочный документ, на который дана датированная ссылка, внесено изменение, затрагивающее положение, на которое дана ссылка, то это положение применяется без учета данного изменения. Если ссылочный документ отменен без замены, то положение, в котором дана ссылка на него, применяется в части, не затрагивающей эту ссылку.
В настоящем стандарте применены термины и определения, приведенные в ГОСТ IEC 61851-1, а также следующие термины с соответствующими определениями <1>:
--------------------------------
3.1 перезаряжаемая система хранения электрической энергии; ПСХЭЭ: Перезаряжаемая система хранения электроэнергии, питающая систему электротяги транспортного средства электрической энергией.
3.2 бортовое зарядное устройство: Комплект оборудования, предназначенный для зарядки системы хранения и накопления электроэнергии от сети переменного тока.
Примечание - В состав системы входят штепсель и кабель (при наличии несъемного кабеля, который не может быть демонтирован без применения инструмента - это случай А, установленный в ГОСТ IEC 61851-1).
3.3 электрическая/электронная подсистема, ЭП: Электрическое и/или электронное устройство или комплект(ы) устройств, являющиеся вместе с соответствующими разъемами и проводкой частью ЭМ и предназначенные для выполнения одной и более специальных функций.
3.4 низкое напряжение; НН: Рабочее постоянное напряжение менее 60 В.
Пример - Номинальные напряжения, равные 12, 24 и 48 В.
3.5 жгут низкого напряжения: Низковольтный жгут с рабочим напряжением менее 60 В.
3.6 высокое напряжение; ВН: Рабочее напряжение от 60 до 1000 В.
Примечания
1 Обозначения ВН+ и ВН- используются для положительной и отрицательной линий, подключенных к соответствующим клеммам.
2 Определение ВН дано в соответствии с
[2],
[3] и
[4].
3.7 электромобиль; ЭМ: Автомобильное транспортное средство, приводимое в движение исключительно электромеханическим преобразователем энергии, имеющее собственную перезаряжаемую автономную ПСХЭЭ, заряжаемую с помощью внешнего источника электроэнергии, а также автомобильное транспортное средство с комбинированной энергоустановкой, где двигатель внутреннего сгорания используется в составе генераторной установки и не имеет механической связи с трансмиссией.
4 Общие условия проведения испытаний
4.1 Системы ЭМ должны работать корректно в пределах от 10% до минус 15% от стандартного номинала напряжения. При этом учитывают изменения, вызванные работой электроустановок, в соответствии с
ГОСТ 29322. Номинальная частота тока должна составлять 50 Гц +/- 1% или 60 Гц +/- 1%.
Примечание -
ГОСТ 29322 устанавливает значение напряжения в точке подачи электроэнергии.
4.2 Методы испытаний применимы только к системам зарядки ЭМ в конфигурации "ПСХЭЭ в режиме зарядки, подключенная к электрической сети". Испытания проводят на отдельных образцах или на ЭМ в целом по запросу производителя ЭМ согласно плану испытаний.
4.3 В ЭМ не должен находиться груз, за исключением оборудования, необходимого для проведения испытаний.
Должна быть обеспечена неподвижность ЭМ, выключен ДВС и включен режим зарядки.
Должно быть выключено все прочее оборудование, которое может быть надолго включено водителем или пассажиром.
4.4 Испытание проводят на испытуемом оборудовании или любой его подвижной части, помещенной в наиболее неблагоприятное положение, как это определено в плане испытаний.
Если не оговорено иное, испытания проводят в защищенном от воздушных потоков месте при температуре окружающей среды (23 +/- 5) °C (см.
[3] и
[4]).
5 Требования и методы испытаний
Испытания проводят с использованием зарядного кабеля, указанного или предоставленного производителем источника питания ЭМ (ИПЭМ) или производителем ЭМ, в соответствии с подробной информацией, представленной в плане испытаний, например, информацией о длине кабеля.
Если зарядный кабель предоставлен производителем ЭМ, его ненужную длину изгибают "гармошкой" шириной 0,5 м.
Эквиваленты сетей (ЭС), эквиваленты сетей электропитания для силовых линий (ЭСЭ) и асимметричные эквиваленты сетей (ЭАС) для осуществления зарядных соединений, предназначенные для проведения данных испытаний, описаны в
приложении А.
При проведении испытаний отсоединенных ЭП бортовых зарядных устройств для моделирования высоковольтных клеммных устройств ЭМ используют соответствующую нагрузку, например, высоковольтную батарею. При необходимости использования нагрузочных сопротивлений в плане испытаний приводят их описание.
На ЭМ и/или ЭП, предназначенные для использования в конфигурации "ПСХЭЭ в режиме зарядки, подключенная к электрической сети" с зарядной станцией постоянного напряжения, подключенной при помощи сетевого кабеля постоянного напряжения длиной менее 30 м, не распространяются требования в части устойчивости к кондуктивным помехам, выбросу напряжения и единичным импульсам электрических переходных процессов/наносекундным импульсным помехам при проведении испытаний как на ЭМ, так и на уровне ЭП.
В этом случае производитель заявляет, что ЭМ и/или ЭП предназначены для использования в конфигурации "ПСХЭЭ в режиме зарядки, подключенная к электрической сети" только с кабелями длиной менее 30 м. Данная информация размещается в открытом доступе после официального утверждения типа.
На ЭМ и/или ЭП, предназначенные для использования в конфигурации "ПСХЭЭ в режиме зарядки, подключенная к электрической сети" с местной/частной зарядной станцией постоянного напряжения в отсутствие иных пользователей не распространяются требования в части устойчивости к кондуктивным помехам, выбросам напряжения и единичным импульсам электрических быстрых переходных процессов при проведении испытаний как на ЭМ, так и на уровне ЭП.
В этом случае производитель заявляет, что ЭМ и/или ЭП предназначены для использования в конфигурации "ПСХЭЭ в режиме зарядки, подключенная к электрической сети" только с местной/частной зарядной станцией постоянного напряжения в отсутствие иных пользователей. Данную информацию размещают в открытом доступе после официального утверждения типа.
Испытания проводят как последовательность единичных испытаний. Испытания могут выполнять в произвольном порядке.
Как правило, испытуемое устройство проверяют в конфигурации "ПСХЭЭ в режиме зарядки, подключенная к электрической сети".
При наличии возможности регулирования потребляемого тока задают ток не менее 20% от номинального.
При отсутствии возможности регулирования потребляемого тока на протяжении всего времени выполнения измерений поддерживают уровень зарядки ПСХЭЭ от 20% до 80% от максимального.
Примечание - При этом измерение может разделяться на разные временные окна/поддиапазоны с необходимостью разряда ПСХЭЭ ЭМ перед началом следующего временного окна/поддиапазона.
Испытуемое оборудование должно быть включено и использовано согласно плану испытаний.
Методика испытаний, соответствующие генераторы и методы испытаний, а также установка для проведения испытаний описаны в основополагающих стандартах, ссылки на которые даны в
таблице 1.
Таблица 1
Испытания на помехоустойчивость
Явление электромагнитной обстановки | Степень жесткости | Единица измерения | Основополагающий стандарт | Примечание | Критерий качества функционирования |
1 | Электромагнитное поле радиочастотного диапазона с модулированной амплитудой | | МГц | | Испытание ЭМ. Вертикальная поляризация поля E <a>, <b>, <d> | |
30 | В/м (среднеквадратичное значение) |
80 | % ЭС (1 кГц) |
| Электромагнитное поле радиочастотного диапазона с импульсной модуляцией | От 800 до 2000 | МГц | | Испытание ЭМ. Вертикальная поляризация поля E <a>, <b> | |
30 | В/м (среднеквадратичное значение) |
tON: 577 | мкс |
T: 4600 | мкс |
| Единичные импульсы электрических переходных процессов (силовые линии переменного и постоянного напряжения) | +/- 2 | кВ (напряжение испытания на холостом ходу) | | Испытание ЭМ или ЭП. Для частных линий ввода/вывода типа управления используют внутреннее емкостное соединение зарядного кабеля <c> | |
5/50 | Tr/Th нс |
5 | Частота повторения импульсов, кГц |
4 | Выбросы напряжения (силовые линии переменного напряжения) между фазой и землей | 1,2/50 (8/20) | Tr/Th мкс | | Испытание ЭМ или ЭП. Каждый выброс напряжения прикладывают пятикратно с интервалами в 1 мин (или менее, минимальный интервал составляет 10 с) с каждым из приведенных фазных углов: 0°, 90°, 180° и 270° | |
+/- 2 | кВ (напряжение испытания на холостом ходу) |
между фазами | кВ (напряжение испытания на холостом ходу) |
5 | Выбросы напряжения (силовые линии постоянного напряжения) между фазой и землей | 1,2/50 (8/20) | Tr/Th мкс | | Испытание ЭМ или ЭП. Каждый выброс напряжения прикладывают пятикратно с интервалами в 1 мин (или менее, минимальный интервал составляет 10 с), <e>, <f> | |
+/- 0,5 | кВ (напряжение испытания на холостом ходу) |
между фазами | +/- 0,5 | кВ (напряжение испытания на холостом ходу) |
6 | Инжекция объемного тока (ИОТ) с модулированной амплитудой | От 20 до 200 | МГц | | | |
60 | мА (среднеквадратичное значение) |
80 | % ЭС (1 кГц) |
7 | Электромагнитное поле радиочастотного диапазона с модулированной амплитудой | От 200 до 800 | МГц | | ЭП Вертикальная поляризация поля E <a>, <b>, <d> | |
30 | В/м (среднеквадратичное значение) |
80 | % ЭС (1 кГц) |
8 | Электромагнитное поле радиочастотного диапазона с импульсной модуляцией | От 800 до 2000 | МГц | | ЭП Вертикальная поляризация поля E <a>, <b> | |
30 | В/м (среднеквадратичное значение) |
tON: 577 | мкс |
T: 4600 | мкс |
| Устойчивость к импульсам питающего напряжения | III | Номера импульса 1 и 2b | | ЭП | |
III | Номера импульса 2a и 4 | |
III | Номер импульса 3a/3b | |
<a> Измерения выполняют при среднеквадратичном значении напряженности поля 30 В/м в более чем 90% диапазона частот от 20 до 2000 МГц. Минимальное значение напряженности поля должно составлять 25 В/м во всем диапазоне частот от 20 до 2000 МГц. <b> ЭСЭ, предназначенные для проведения данных испытаний, описаны в приложении А. <c> При отсутствии возможности применения устройства связи-развязки в силовых линиях переменного напряжения допускается использование емкостных клещей связи в соответствии с ГОСТ IEC 61000-4-4. <d> ЭС является сохранением пика в соответствии с [3], [4]. <e> Указанные требования не распространяются на ЭМ и/или ЭП, предназначенные для использования в конфигурации "ПСХЭЭ в режиме зарядки, подключенная к электрической сети" с зарядной станцией постоянного напряжения, подключенной при помощи сетевого кабеля постоянного напряжения длиной менее 30 м. <f> Указанные требования не распространяются на ЭМ и/или ЭП, предназначенные для использования в конфигурации "ПСХЭЭ в режиме зарядки, подключенная к электрической сети" с местной/частной зарядной станцией постоянного напряжения в отсутствие иных пользователей. <g> Если в испытуемом оборудовании реализованы защитные устройства и/или функции защиты, критерий эффективности может быть понижен до уровня C. |
Для контроля ЭМ или ЭП применяют оборудование, не создающее помех. Проверяют внешние поверхности и салон ЭМ, а также ЭП на соответствие установленным требованиям (например, при испытаниях ЭМ как единого целого - при помощи видеокамер, микрофонов и др.).
Проведение испытаний, определенных в настоящем стандарте, не должно приводить к опасному или ненадежному состоянию ЭМ.
5.2.2 Критерии качества функционирования
Настоящий пункт определяет ожидаемые заданные характеристики функционирования ЭМ, проверяемые в процессе проведения испытаний. Далее перечислены критерии эффективности функций ЭМ (ожидаемое поведение функций, наблюдаемое в процессе проведения испытаний).
Примечание - Данный пункт применим ко всем единичным индивидуальным функциям испытуемого оборудования и описывает рабочее состояние определенной функции в процессе проведения испытания и по его окончании.
Критерий эффективности A: ЭМ не должен приводиться в движение. Функция зарядки должна продолжать быть активной, как полагается в процессе проведения испытания и по его окончании. Не допускается ухудшение эксплуатационных показателей или потеря работоспособности.
Критерий эффективности B: ЭМ не должен приводиться в движение. Функция зарядки должна продолжать быть активной, как полагается по окончании испытания. Не допускается ухудшение эксплуатационных показателей или потеря работоспособности по окончании испытания. В процессе проведения испытания допускается временная потеря работоспособности функции зарядки при условии ее автоматического восстановления без вмешательства пользователя.
Критерий эффективности C: ЭМ не должен приводиться в движение. Допускается временная потеря работоспособности функции при условии ее восстановления посредством выполнения простых операций с органами управления пользователем оборудования или оператором дистанционно, не прибегая к использованию инструмента.
5.2.3 Степень жесткости испытаний
В настоящем пункте установлены требования к степени жесткости испытаний применительно к важным параметрам сигналов. Под степенью жесткости испытаний понимают уровень напряжения, приложенного к испытуемому оборудованию, для любого конкретного метода испытаний. Степень жесткости зависит от требуемых рабочих характеристик функции. Степени жесткости представлены в
таблице 1.
5.2.4 Устойчивость электромобиля к единичным импульсам электрических переходных процессов в силовых линиях переменного и постоянного напряжения
5.2.4.1 Общие положения
Зарядное устройство ЭМ, подключенное напрямую к силовым линиям переменного и постоянного напряжения, должно быть устойчивым к кондуктивным помехам общего вида с уровнями, приведенными в
таблице 1, вызванным переключением малых индуктивных нагрузок, колебанием релейных контактов и переключением высоковольтных коммутационных аппаратов.
5.2.4.2 Испытания зарядных устройств электромобилей
Целью данных испытаний является проверка помехоустойчивости электронных систем ЭМ на соответствие требованиям
ГОСТ IEC 61000-4-4. Зарядное устройство ЭМ должно быть подвергнуто воздействию единичных импульсов электрических переходных процессов в силовых линиях переменного и постоянного напряжения ЭМ, как описано в
5.2.5.2. В процессе работы осуществляют мониторинг состояния ЭМ.
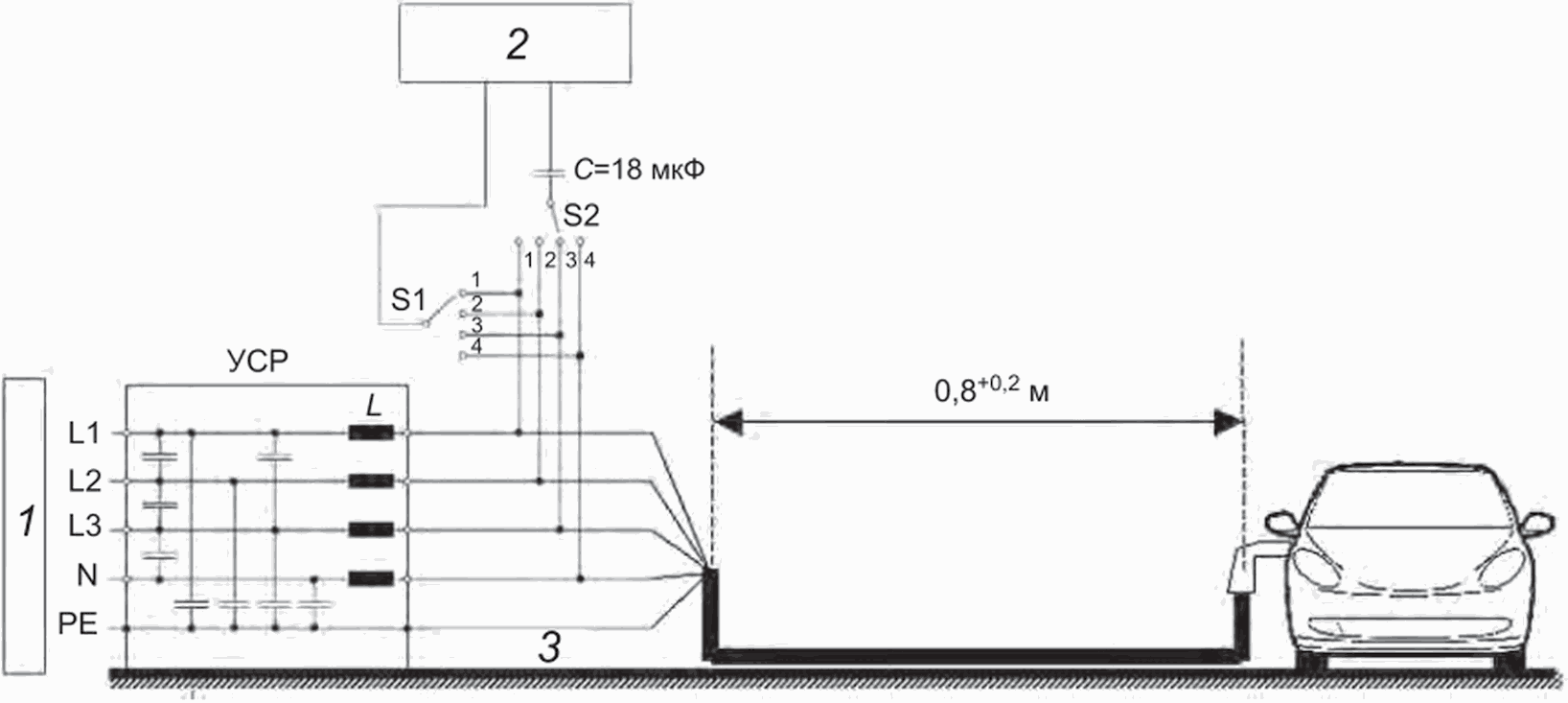
Установка для проведения испытаний представлена на
рисунке 1.
1 - генератор единичных импульсов электрических переходных
процессов/наносекундных импульсных помех; 2 - сеть
переменного/постоянного напряжения; 3 - фильтр
Рисунок 1 - Установка для испытаний ЭМ на устойчивость
к единичным импульсам электрических переходных
процессов/наносекундным импульсным помехам
ЭМ должен быть размещен на заземленной поверхности. Кабель длиной более 1 м изгибают "гармошкой" шириной менее 0,5 м, размещают на высоте (0,1 +/- 0,025) м от заземленной поверхности и на расстоянии не менее 0,1 м от кузова ЭМ.
5.2.4.3 Электрическая подсистема, испытания отсоединенных бортовых зарядных устройств
Для проведения испытаний отсоединенных бортовых зарядных устройств применяют метод в соответствии с
ГОСТ IEC 61000-4-4.
Корпус ЭП не должен быть напрямую связан с заземлением.
5.2.5 Устойчивость электромобиля к выбросам напряжения в силовых линиях переменного и постоянного напряжения
5.2.5.1 Общие положения
Бортовое зарядное устройство ЭМ, подключенное напрямую к сети питания переменного напряжения, должно быть устойчивым к выбросам напряжения, вызванным в общем случае переключениями в электрической сети, короткими замыканиями и разрядами молнии (непрямыми разрядами), как описано в
таблице 1.
Оборудование для проведения испытаний включает: заземленную поверхность (наличие экранированного помещения необязательно), генератор импульсного напряжения и устройство связи-развязки (УСР).
5.2.5.2 Испытания зарядных устройств электромобилей
Целью данных испытаний является проверка устойчивости электронных систем ЭМ на соответствие требованиям
ГОСТ IEC 61000-4-5.
Зарядные устройства ЭМ подвергают воздействию выбросов напряжения в силовых линиях переменного и постоянного напряжения ЭМ. В процессе работы осуществляют мониторинг ЭМ.
Примечание - Возможна ситуация, когда передатчики, необходимые для авторизации и проведения платежей, в процессе зарядки не могут быть отключены. В этом случае применяют стандарты для конкретных передатчиков (например, 3G, 4G, радиочастотная идентификация).
ЭМ размещают на земле. Выброс напряжения прикладывают к силовым линиям переменного и постоянного напряжения ЭМ между каждой из линий и землей и между отдельными линиями при помощи УСР, как показано на
рисунках 2 -
5.
1 - генератор импульсного напряжения; 2 - сеть
переменного/постоянного напряжения; 3 - фильтр
Рисунок 2 - ЭМ в конфигурации "ПСХЭЭ в режиме зарядки,
подключенная к электрической сети" - сопряжение однофазной
линии переменного напряжения и линии постоянного напряжения
1 - генератор импульсного напряжения; 2 - сеть
переменного/постоянного напряжения; 3 - фильтр
Рисунок 3 - ЭМ в конфигурации "ПСХЭЭ в режиме зарядки,
подключенная к электрической сети" - сопряжение каждой фазы
и земли в однофазной линии переменного напряжения и линии
постоянного напряжения
1 - генератор импульсного напряжения; 2 - сеть переменного
напряжения; 3 - фильтр
Рисунок 4 - ЭМ в конфигурации "ПСХЭЭ в режиме зарядки,
подключенная к электрической сети" - сопряжение фаз
в трехфазной линии переменного напряжения
1 - генератор импульсного напряжения; 2 - сеть переменного
напряжения; 3 - фильтр
Рисунок 5 - ЭМ в конфигурации "ПСХЭЭ в режиме зарядки,
подключенная к электрической сети" - сопряжение каждой фазы
и земли в трехфазной линии переменного напряжения
Кабель длиной более 1,0 м изгибают "гармошкой" шириной менее 0,5 м, размещают на высоте (0,1 +/- 0,025) м над уровнем земли и на расстоянии не менее 0,1 м от кузова ЭМ.
5.2.5.3 Электронная подсистема, испытания отсоединенных бортовых зарядных устройств
Для проведения испытаний отсоединенных бортовых зарядных устройств применяют методику, установленную стандартом
ГОСТ IEC 61000-4-5. Корпус ЭП необязательно размещать непосредственно на плоскости заземления.
5.2.6 Устойчивость к радиочастотным электромагнитным полям
5.2.6.1 Общие положения
Зарядная система ЭМ должна быть устойчива к радиочастотным электромагнитным помехам (см.
[5]).
5.2.6.2 Испытания зарядных устройств электромобилей
Точку заземления выбирают в середине кузова ЭМ (смотря на переднюю часть кузова) на расстоянии 0,2 м позади передней оси.
Если зарядный кабель предоставлен производителем ЭМ, его ненужную длину изгибают "гармошкой" шириной менее 0,5 м. Кабель длиной более 1,0 м изгибают "гармошкой" шириной менее 0,5 м, размещают на высоте (0,1 +/- 0,025) м от плоскости заземления и на расстоянии не менее 0,1 м от кузова ЭМ.
ЭМ в конфигурации "ПСХЭЭ в режиме зарядки, подключенная к электрической сети" должен соответствовать требованиям к результатам испытаний, проводимых в полубезэховой камере (см.
[5]) на усмотрение производителя. Измерения выполняют в диапазоне частот от 20 до 2000 МГц на ступенях частот, указанных в
[3].
ЭМ в конфигурации "ПСХЭЭ в режиме зарядки, подключенная к электрической сети" подвергают воздействию электромагнитного излучения, описанному в части
показателей 2 и
3 таблицы 1.
Для ЭМ со штепселем зарядного устройства, расположенным на боковине кузова, ЭС/ЭСЭ размещают на одной линии со штепселем зарядного устройства и зарядным кабелем ЭМ.
Для ЭМ со штепселем, расположенным на передней/задней части кузова или со штепселем зарядного устройства, расположенным на передней/задней части кузова, ЭС/ЭСЭ размещают перпендикулярно к штепселю зарядного устройства и на одной линии с зарядным кабелем ЭМ.
На
рисунках 6 -
9 показаны конфигурации ЭМ в режиме зарядки с установлением соединения и без установления соединения.
а) Вид спереди
б) Вид сверху
1 - испытуемый ЭМ; 2 - изолированное основание; 3 - зарядный
кабель с ненужной длиной, загнутый "гармошкой";
4 - заземленный(е) ЭС; 5 - разъем сети питания переменного
напряжения или внешнее зарядное устройство
переменного/постоянного напряжения (пунктирной линией
показано произвольное расположение); 6 - ориентир
Рисунок 6 - Пример установки для испытаний ЭМ с боковым
расположением розетки (зарядка переменным/постоянным током
без установления связи)
а) Вид спереди
б) Вид сверху
1 - испытуемый ЭМ; 2 - изолированное основание; 3 - зарядный
кабель с ненужной длиной, загнутый "гармошкой";
4 - заземленный(е) ЭС; 5 - разъем сети питания переменного
напряжения или внешнее зарядное устройство
переменного/постоянного напряжения (пунктирной линией
показано произвольное расположение); 6 - ориентир
Рисунок 7 - Пример установки для испытаний ЭМ
с передним/задним расположением розетки (зарядка
переменным/постоянным током без установления связи)
а) Вид спереди
б) Вид сверху
1 - испытуемый ЭМ; 2 - изолированное основание; 3 - зарядный
кабель с ненужной длиной, загнутый "гармошкой";
4 - заземленный(е) ЭС; 5 - разъем сети питания переменного
напряжения или внешнее зарядное устройство
переменного/постоянного напряжения (пунктирной линией
показано произвольное расположение); 6 - заземленная(ые)
схема(ы) стабилизации импеданса; 7 - ориентир
Рисунок 8 - Пример установки для испытаний ЭМ с боковым
расположением розетки (зарядка переменным/постоянным током
с установлением связи)
а) Вид спереди
б) Вид сверху
1 - испытуемый ЭМ; 2 - изолированное основание; 3 - зарядный
кабель с ненужной длиной, загнутый "гармошкой";
4 - заземленный(е) ЭС; 5 - разъем сети питания переменного
напряжения или внешнее зарядное устройство
переменного/постоянного напряжения (пунктирной линией
показано произвольное расположение); 6 - заземленный(е)
эквивалент(ы) асимметричных сетей; 7 - ориентир
Рисунок 9 - Пример установки для испытаний ЭМ
с передним/задним расположением розетки (зарядка
переменным/постоянным током с установлением связи)
5.2.6.3 Электрическая/электронная подсистема, испытания отсоединенных бортовых зарядных устройств
ЭП в конфигурации "ПСХЭЭ в режиме зарядки, подключенная к электрической сети" должна соответствовать требованиям к результатам комбинации испытаний, проводимых в полубезэховой камере, (см.
[6]), и испытаний с инжекцией объемного тока, проводимых на усмотрение производителя (см.
[7]). Измерения выполняют в диапазоне частот от 20 до 2000 МГц на ступенях частот, указанных в
[4].
Корпус ЭП не должен быть напрямую связан с заземлением.
ЭП в конфигурации "ПСХЭЭ в режиме зарядки, подключенная к электрической сети" должна подвергаться воздействию электромагнитного излучения, определенного в части
показателя 9 таблицы 1.
5.2.7 Устойчивость к импульсам питающего напряжения
Испытания на устойчивость типового образца ЭП проводят с применением методов, описанных в
[8], на линиях питания, а также для всех других подключений ЭП, которые в процессе эксплуатации могут подключаться к линиям питания.
Корпус ЭП не должен быть напрямую связан с заземлением. Уровни и типы контрольных импульсов представлены в части
показателя 9 таблицы 1.
5.2.8 Обзор испытаний на устойчивость и степени жесткости
В
таблице 1 обобщены требования к испытаниям на помехоустойчивость.
5.3 Электромагнитная эмиссия
5.3.1 Условия проведения испытаний
5.3.1.1 Общие положения
При отсутствии возможности регулирования потребляемого тока на протяжении всего времени выполнения измерений поддерживают уровень зарядки ПСХЭЭ от 20% до 80% от максимального (при этом измерение может разделяться на разные временные окна/поддиапазоны с необходимостью разряда ПСХЭЭ ЭМ перед началом следующего временного окна/поддиапазона). При наличии возможности регулирования потребляемого тока задают ток не менее 80% от номинального.
5.3.1.2 Исключения для телекоммуникационных линий
При отсутствии непосредственного подключения к телекоммуникационной сети общего пользования, которое включает предоставление телекоммуникационных услуг в дополнение к услуге зарядного соединения, не применимы методы испытаний на устойчивость к радиочастотным наведенным помехам в сетях и телекоммуникационных каналах, вызываемым ЭМ или ЭП (в обоих случаях (см.
[9]).
При использовании в сетях и телекоммуникационных каналах ЭМ передачи электроэнергии по силовым линиям переменного и постоянного напряжения не применимы методы испытаний на устойчивость к радиочастотным помехам в сетях и телекоммуникационных каналах, вызываемым ЭМ.
Примечания
1 Линия управления не является телекоммуникационной линией в соответствии с
[9].
2 Для европейских стран (членов Европейского комитета по электротехнической стандартизации, CENELEC) нормы для линий передачи электроэнергии, намеренно подключенных к сети в целях осуществления соединения, установлены
[9].
5.3.2 Эмиссия гармоник в силовых линиях переменного напряжения
5.3.2.1 Общие положения
Измерения четных и нечетных гармоник тока выполняют до 40-й гармоники (см.
таблицу 2).
Таблица 2
Предельно допустимые гармоники (входной ток <= 16 А на фазу)
Номер гармоники n | Максимально допустимый ток гармоники, А |
Нечетные гармоники |
3 | 2,3 |
5 | 1,14 |
7 | 0,77 |
9 | 0,40 |
11 | 0,33 |
13 | 0,21 |
15 <= n <= 39 | 0,15·15/n |
Четные гармоники |
2 | 1,08 |
4 | 0,43 |
6 | 0,30 |
8 <= n <= 40 | 0,23·8/n |
Время наблюдения при проведении измерений берут максимально близким к времени наблюдения для квазистационарного оборудования, определенному в
ГОСТ IEC 61000-3-2.
Нормы эмиссии гармонических составляющих входного переменного тока систем зарядки ЭМ (для номинального тока менее 16 А на фазу) установлены в
ГОСТ IEC 61000-3-2, определяющем общие условия проведения испытаний. В этом случае соответствие проверяют по
ГОСТ IEC 61000-3-2.
Нормы эмиссии гармонических составляющих входного переменного тока (
Ii) систем зарядки ЭМ (для номинального тока более 16 А и менее 75 А на фазу) установлены в
ГОСТ IEC 61000-3-12, определяющем общие условия проведения испытаний. В этом случае соответствие проверяют согласно
ГОСТ IEC 61000-3-12 с
Rsce = 33 (см.
таблицу 3).
Таблица 3
Допустимые гармоники для
Rsce = 33 (16
А <
Ii <= 75
А)
Допустимый ток отдельных гармоник, In/I1, % | Максимальное отношение токов гармоник, % |
I3 | I5 | I7 | I9 | I11 | I13 | Суммарный коэффициент нелинейных искажений | Частичный взвешенный коэффициент нелинейных искажений |
21,6 | 10,7 | 7,2 | 3,8 | 3,1 | 2 | 23 | 23 |
Относительные значения четных гармоник с номерами менее или равными 12 должны быть менее 16/n %. Четные гармоники с номерами выше 12 учитываются в суммарном коэффициенте нелинейных искажений и частичном взвешенном коэффициенте нелинейных искажений таким же образом, как и нечетные.
Оборудование, предназначенное для эксплуатации в диапазоне мощности, установленном в
ГОСТ IEC 61000-3-2 и
ГОСТ IEC 61000-3-12, должно соответствовать требованиям каждого из этих стандартов в соответствующем диапазоне тока.
Испытания оборудования с номинальным током <= 16 А проводят согласно
ГОСТ IEC 61000-3-2. Испытания оборудования с номинальным током, равным, например, 20 А, проводят согласно
ГОСТ IEC 61000-3-2 и
ГОСТ IEC 61000-3-12, регламентирующим проведение испытаний при токе, не превышающем 16 А.
5.3.2.2 Испытания зарядных устройств электромобилей
Установка для проведения испытаний однофазного зарядного устройства ЭМ в конфигурации "ПСХЭЭ в режиме зарядки, подключенная к электрической сети" показана на
рисунке 10.
1 - электрическая сеть с внутренним импедансом ZG
и напряжением холостого хода G; 2 - измерительный прибор
с входным импедансом ZM
Рисунок 10 - ЭМ в конфигурации "ПСХЭЭ в режиме зарядки,
подключенная к электрической сети". Установка для испытаний
однофазного зарядного устройства
Если зарядный кабель предоставлен производителем ЭМ, его загибают "гармошкой" шириной менее 0,5 м при длине кабеля более 1 м. Кабель размещают на высоте (0,1 +/- 0,025) мм от плоскости заземления и на расстоянии не менее 0,1 м от кузова ЭМ.
Установка для проведения испытаний трехфазного зарядного устройства ЭМ в конфигурации "ПСХЭЭ в режиме зарядки, подключенная к электрической сети" показана на
рисунке 11.
1 - электрическая сеть с внутренним импедансом ZG
и напряжением холостого хода G; 2 - измерительный прибор
с входным импедансом ZM
Рисунок 11 - ЭМ в конфигурации "ПСХЭЭ в режиме зарядки,
подключенная к электрической сети". Установка для испытаний
трехфазного зарядного устройства
Кабель длиной более 1 м изгибают "гармошкой" шириной менее 0,5 м, размещают на высоте (0,1 +/- 0,025) м от плоскости заземления и на расстоянии не менее 0,1 м от кузова ЭМ.
5.3.2.3 Электрическая/электронная подсистема, испытания отсоединенных бортовых зарядных устройств
Для проведения испытаний отсоединенных бортовых зарядных устройств (для номинального тока менее 16 А на фазу) применяют метод в соответствии с
ГОСТ IEC 61000-3-2.
Для проведения испытаний отсоединенных бортовых зарядных устройств (для номинального тока более 16 А и менее 75 А на фазу) применяют методику, установленную в
ГОСТ IEC 61000-3-12.
5.3.3 Эмиссия, обусловленная изменениями напряжения, пульсациями напряжения и фликером в силовых линиях переменного напряжения
5.3.3.1 Общие положения
Предельные значения эмиссии для номинального тока (для номинального тока менее 16 А на фазу) при отсутствии подключения при определенных условиях установлены в
ГОСТ IEC 61000-3-3.
Предельные значения излучений для номинального тока (для номинального тока более 16 А и менее 75 А на фазу) при подключении при определенных условиях установлены в
ГОСТ 30804.3.11.
Оборудование, предназначенное для эксплуатации в диапазоне мощности, установленном в
ГОСТ IEC 61000-3-3 и
ГОСТ 30804.3.11, должно удовлетворять требованиям каждого из этих стандартов в соответствующем диапазоне тока.
Испытания оборудования с номинальным током <= 16 А проводят согласно
ГОСТ IEC 61000-3-3. Испытания оборудования с номинальным током, равным, например, 20 А, проводят согласно
ГОСТ IEC 61000-3-3 и
ГОСТ 30804.3.11, регламентирующим проведение испытаний при токе, не превышающем 16 А.
К параметрам, подлежащим определению во временной области, относятся значение кратковременного фликер-шума, значение продолжительного фликер-шума и относительное изменение напряжения.
5.3.3.2 Испытания зарядных устройств электромобилей
Установка для проведения испытаний ЭМ в конфигурации "ПСХЭЭ в режиме зарядки, подключенная к электрической сети" показана на
рисунке 12. Кабель длиной более 1,0 м изгибают "гармошкой" шириной менее 0,5 м, размещают на высоте (0,1 +/- 0,025) м от плоскости заземления и на расстоянии не менее 0,1 м от кузова ЭМ.
1 - электрическая сеть с напряжением холостого хода G
и внутренним импедансом (RP + jXP); 2 - измерительный прибор
Рисунок 12 - ЭМ в конфигурации "ПСХЭЭ в режиме зарядки,
подключенная к электрической сети"
5.3.3.3 Электрическая/электронная подсистема, испытания отсоединенных бортовых зарядных устройств
Для проведения испытаний отсоединенных бортовых зарядных устройств (для номинального тока менее 16 А) на низкочастотных гармониках применяют методику, установленную
ГОСТ IEC 61000-3-3, определяющим общие условия проведения испытаний.
Для проведения испытаний отсоединенных бортовых зарядных устройств (для номинального тока более 16 А и менее 75 А) применяют методику, установленную
ГОСТ 30804.3.11, определяющим общие условия проведения испытаний.
5.3.4 Высокочастотные кондуктивные помехи в силовых линиях переменного и постоянного напряжения
5.3.4.1 Общие положения
Целью данных испытаний является измерение уровня радиочастотных кондуктивные помех, вызванных ЭМ/ЭП в конфигурации "ПСХЭЭ в режиме зарядки, подключенная к электрической сети", в его/ее силовых линиях переменного и постоянного напряжения для проверки соответствия ЭМ/ЭП нормам помехоустойчивости для жилых, коммерческих и легких промышленных расположений.
Измерения проводят при помощи анализатора спектра или сканирующего радиоприемника. Используемые при этом параметры определены в
[2] (см. пункт 4.4.1 таблицы 1 и пункт 4.4.2 таблицы 2).
Измерения проводят с использованием усредняющего детектора и квазипикового или пикового детектора. При использовании пиковых детекторов применяют поправочный коэффициент (см.
[10] и
[11]).
Нормы для силовых линий переменного напряжения установлены в
ГОСТ IEC 61000-6-3. Предельно допустимые радиочастотные индуктивные помехи в силовых линиях переменного напряжения приведены в
таблице 4.
Таблица 4
Предельно допустимые радиочастотные наведенные помехи
в силовых линиях переменного напряжения
Частота, МГц | Норма и тип детектора |
От 0,15 до 0,5 | От 66 до 56 дБ (мкВ) (квазипиковый) От 56 до 46 дБ (мкВ) (усредняющий) (линейно снижается с ростом логарифма частоты) |
От 0,5 до 5 | 56 дБ (мкВ) (квазипиковый) 46 дБ (мкВ) (усредняющий) |
От 5 до 30 | 60 дБ (мкВ) (квазипиковый) 50 дБ (мкВ) (усредняющий) |
Нормы для силовых линий постоянного напряжения установлены в
ГОСТ IEC 61000-6-3. Предельно допустимые радиочастотные индуктивные помехи в силовых линиях постоянного напряжения приведены в
таблице 5.
Таблица 5
Предельно допустимые радиочастотные наведенные помехи
в силовых линиях постоянного напряжения
Частота (МГц) | Норма и тип детектора |
От 0,15 до 0,5 | 79 дБ (мкВ) (квазипиковый) 66 дБ (мкВ) (усредняющий) |
От 0,5 до 30 | 73 дБ (мкВ) (квазипиковый) 60 дБ (мкВ) (усредняющий) |
Указанные нормы применимы во всем диапазоне частот от 0,15 до 30 МГц для измерений, выполненных в полубезэховой камере или на открытой испытательной площадке.
5.3.4.2 Испытания зарядных устройств электромобилей
Установка для проведения испытаний ЭМ в конфигурации "ПСХЭЭ в режиме зарядки, подключенная к электрической сети" показана на
рисунке 13.
а) Вид спереди
б) Вид сверху
1 - испытуемый ЭМ; 2 - изолированное основание; 3 - зарядный
кабель; 4 - заземленный эквивалент сети; 5 - разъем сети
питания переменного напряжения или внешнее зарядное
устройство переменного/постоянного напряжения (пунктирной
линией показано произвольное расположение);
6 - измерительный приемник
Рисунок 13 - ЭМ в конфигурации "ПСХЭЭ в режиме зарядки,
подключенная к электрической сети"
Конфигурацию кабеля (отдельные линии связи или часть зарядного кабеля) определяют в плане испытаний. Кабель длиной более 1,0 м изгибают "гармошкой" шириной менее 0,5 м, размещают на высоте (0,1 +/- 0,025) м от плоскости заземления и на расстоянии не менее 0,1 м от кузова ЭМ.
5.3.4.3 Электрическая/электронная подсистема, испытания отсоединенных бортовых зарядных устройств
Применяют методику, установленную
ГОСТ CISPR 16-2-1, определяющим общие условия проведения испытаний.
Электрическое подключение корпуса ЭП и ЭС к плоскости заземления выполняют согласно условиям проведения испытаний ЭМ, а в плане испытаний определяют конфигурацию системы заземления.
5.3.5 Высокочастотные кондуктивные помехи в сетях и телекоммуникационных каналах
5.3.5.1 Общие положения
Установка для проведения испытаний должна соответствовать требованиям
ГОСТ 30805.22-2013 (раздел 5) для кондуктивных помех.
Измерения проводят при помощи анализатора спектра или сканирующего радиоприемника. Используемые при этом параметры определены в
[2] (см. пункт 4.4.1 таблицы 1 и пункт 4.4.2 таблицы 2).
Измерения проводят с использованием усредняющего детектора и квазипикового или пикового детектора. При использовании пиковых детекторов применяют поправочный коэффициент (см.
[10] и
[11]).
Нормы для сетей и телекоммуникационных каналов установлены в
ГОСТ IEC 61000-6-3. Предельно допустимые радиочастотные кондуктивные помехи в сетях и телекоммуникационных каналах приведены в
таблице 6.
Таблица 6
Предельно допустимые радиочастотные кондуктивные помехи
в сетях и телекоммуникационных каналах
Частота, МГц | Норма и тип детектора |
От 0,15 до 0,5 | От 84 до 74 дБ (мкВ) (квазипиковый) | От 40 до 30 дБ (мкА) (квазипиковый) |
От 74 до 64 дБ (мкВ) (усредняющий) (линейно снижается с ростом логарифма частоты) | От 30 до 20 дБ (мкА) (усредняющий) (линейно снижается с ростом логарифма частоты) |
От 0,5 до 30,0 | 74 дБ (мкВ) (квазипиковый) | 30 дБ (мкА) (квазипиковый) |
64 дБ (мкВ) (усредняющий) | 20 дБ (мкА) (усредняющий) |
Указанные нормы применимы во всем диапазоне частот от 0,15 до 30,0 МГц для измерений, выполненных в полубезэховой камере или на открытой испытательной площадке.
5.3.5.2 Испытания зарядных устройств электромобилей
Установка для проведения испытаний ЭМ в конфигурации "ПСХЭЭ в режиме зарядки, подключенная к электрической сети" показана на
рисунке 14.
а) Вид спереди
б) Вид сверху
1 - испытуемый ЭМ; 2 - изолированное основание; 3 - зарядный
кабель; 4 - заземленный(е) эквивалент(ы) сетей; 5 - разъем
сети питания переменного напряжения или внешнее зарядное
устройство переменного/постоянного напряжения (пунктирной
линией показано произвольное расположение);
6 - заземленный(е) ЭАС; 7 - измерительный приемник
Рисунок 14 - ЭМ в конфигурации "ПСХЭЭ в режиме зарядки,
подключенная к электрической сети"
Конфигурацию кабеля (отдельные линии связи или часть зарядного кабеля) определяют в плане испытаний. Кабель длиной более 1,0 м изгибают "гармошкой" шириной менее 0,5 м, размещают на высоте (0,1 +/- 0,025) м от плоскости заземления и на расстоянии не менее 0,1 м от кузова ЭМ.
5.3.5.3 Электрическая/электронная подсистема, испытания отсоединенных бортовых зарядных устройств
Методика и общие условия проведения испытаний приведены в
[9] (см. раздел 5).
Электрическое подключение корпуса ЭП и ЭС к плоскости заземления выполняют согласно условиям проведения испытаний ЭМ, а в плане испытаний определяют конфигурацию системы заземления.
5.3.6 Высокочастотные излучаемые помехи
5.3.6.1 Цель испытаний
Целью данных испытаний является измерение уровня радиочастотных излучаемых помех, вызванных ЭМ в конфигурации "ПСХЭЭ в режиме зарядки, подключенная к электрической сети", для проверки соответствия ЭМ нормам помехоустойчивости для жилых, коммерческих и легких промышленных сред.
Требования к установке для проведения испытаний приведены в
[10] и
[11].
5.3.6.2 Общие положения
Установка для проведения испытаний ЭМ в конфигурации "ПСХЭЭ в режиме зарядки, подключенная к электрической сети" показана на
рисунке 15.
Вид сверху
1 - испытуемый ЭМ; 2 - изолированное основание; 3 - зарядный
кабель; 4 - заземленный(е) эквивалент(ы) сетей; 5 - разъем
сети питания переменного напряжения или зарядное устройство
переменного/постоянного напряжения (пунктирной линией
показано произвольное расположение); 6 - высота антенны: 1,8
м для расстояния до точки заземления (3,0 +/- 0,05) м
и 3,0 м для расстояния до точки заземления (10,0 +/- 0,05) м
Рисунок 15 - Пример ЭМ в конфигурации "ПСХЭЭ в режиме
зарядки, подключенная к электрической сети"
ЭС/ЭСЭ для силовых линий и ЭАС для осуществления зарядных соединений, предназначенные для проведения данных испытаний, описаны в
приложении А.
5.3.6.3 Испытания зарядных устройств электромобилей
Измерения проводят при помощи анализатора спектра или сканирующего радиоприемника. Используемые при этом параметры определены в
[2] (см. пункт 4.4.1 таблицы 1 и пункт 4.4.2 таблицы 2).
Измерения проводят с использованием квазипикового или пикового детектора. При использовании пиковых детекторов применяют поправочный множитель (см.
[10] и
[11]).
Нормы, приведенные в
таблице 7, применимы во всем диапазоне частот от 30 до 1000 МГц для измерений, выполненных в полубезэховой камере или на открытой испытательной площадке.
Таблица 7
Предельно допустимые высокочастотные излучаемые помехи от ЭМ
Частота, МГц | Норма и тип детектора. Расстояние от электромобиля до антенны (10,0 +/- 0,2) м | Норма и тип детектора. Расстояние от электромобиля до антенны (3,0 +/- 0,05) м |
От 30 до 75 | 32 дБ (мкВ/м) (квазипиковый) | 42 дБ (мкВ/м) (квазипиковый) |
От 75 до 400 | От 32 до 43 дБ (мкВ/м) (квазипиковый) (линейно возрастает с ростом логарифма частоты) | От 42 до 53 дБ (мкВ/м) (квазипиковый) (линейно возрастает с ростом логарифма частоты) |
От 400 до 1000 | 43 дБ (мкВ/м) (квазипиковый) | 53 дБ (мкВ/м) (квазипиковый) |
При установлении корреляции между результатами испытаний, проведенных в закрытом помещении и на открытой испытательной площадке, испытания могут проводить в закрытом помещении. На закрытое помещение для проведения испытаний не распространяются требования относительно размеров, налагаемые на открытую испытательную площадку, за исключением требования к расстоянию от антенны до ЭМ и к высоте антенны.
За характерное значение измеренной величины при частоте проведения измерений принимают наибольшее значение измеренной величины по отношению к предельным значениям (измеренным при горизонтальной и вертикальной поляризациях и положении антенны слева и справа от ЭМ).
Пример установки для проведения испытаний ЭМ в конфигурации "ПСХЭЭ в режиме зарядки, подключенная к электрической сети" показан на
рисунке 15. На
рисунках 6 и
9 показаны другие конфигурации ЭМ в режиме зарядки с установлением соединения и без установления соединения.
Если зарядный кабель предоставлен производителем ЭМ и имеет длину более 1,0 м, его ненужную длину изгибают "гармошкой" шириной менее 0,5 м, размещают на высоте (0,1 +/- 0,025) м от плоскости заземления и на расстоянии не менее 0,1 м от кузова ЭМ.
Для ЭМ со штепселем зарядного устройства, расположенным на боковине кузова, ЭС/ЭСЭ размещают на одной линии со штепселем зарядного устройства и зарядным кабелем ЭМ.
Для ЭМ со штепселем зарядного устройства, расположенным на передней/задней части кузова, ЭС/ЭСЭ размещают перпендикулярно к штепселю зарядного устройства и на одной линии с зарядным кабелем ЭМ.
5.3.6.4 Электрическая/электронная подсистема испытания отсоединенных бортовых зарядных устройств
Испытательный комплект
Установка для проведения испытаний ЭП в конфигурации "ПСХЭЭ в режиме зарядки, подключенная к электрической сети" показана на
рисунке 16.
1 - ЭП; 2 - диагностический жгут НН; 3 - имитатор нагрузки
НН (расположение и подключение к заземлению (см.
[2],
6.4.2.5); 4 - источник электропитания (произвольное
расположение); 5 - ЭС НН; 6 - плоскость заземления
(подключена к экранированному корпусу); 7 - основание
с низкой относительной диэлектрической проницаемостью;
8 - рупорная антенна; 9 - кабель высокого качества,
например, с двойным экранированием; 10 - соединитель,
смонтированный в вырезе панели; 11 - измерительный прибор;
12 - радиопоглощающий материал; 13 - система моделирования
и мониторинга; 14 - жгут ВН; 15 - имитатор нагрузки ВН;
16 - ЭС ВН; 17 - источник электропитания ВН; 18 - проходной
фильтр ВН; 19 - жгут зарядного устройства
переменного/постоянного напряжения; 20 - имитатор нагрузки
переменного/постоянного напряжения; 21 - ЭСЭ индуктивностью
50 мГн (переменного напряжения) или ЭС ВН (постоянного
напряжения); 22 - источник электропитания
переменного/постоянного напряжения; 23 - проходной фильтр
постоянного напряжения
Рисунок 16 - Схема испытаний ЭП, задействованных в режиме
зарядки ПСХЭЭ, подключенной к электрической сети
(на примере рупорной антенны)
Электрическое подключение корпуса ЭП и ЭС к плоскости заземления выполняют согласно условиям проведения испытаний ЭМ, а в плане испытаний определяют конфигурацию системы заземления.
Конфигурация системы экранирования должна следовать конфигурации, принятой для данной серии ЭМ. Все экранированные высоковольтные части (например, ЭС, кабели, разъемы) заземляют посредством низкоимпедансного соединения. ЭП и нагрузки должны быть заземлены. Внешние источники электропитания ВН подключают через проходной фильтр.
Если не оговорено иное, длина жгутов НН и ВН составляет 1700
+300 мм. Расстояние от длинной части диагностического жгута линий ВН до диагностического жгута линий НН должно составлять 100
+100 мм (см.
рисунок 16). Если планом испытаний не оговорено иное, испытаниям также подвергают конфигурацию с длинной частью диагностического жгута линий ВН, расположенной на расстоянии (100 +/- 10) мм от края, и диагностическим жгутом линий НН, расположенным на расстоянии 100
+100 мм от линий ВН.
Жгуты располагают на непроводящем материале с низкой относительной диэлектрической проницаемостью

на высоте (50 +/- 5) мм над плоскостью заземления.
Экранированные силовые линии для фаз ВН+ и ВН- и трех фаз переменного напряжения могут быть выполнены при помощи коаксиальных кабелей или с общим экраном в зависимости от типа используемого высоковольтного разъема. Допускается использовать также оригинальный штатный жгут ВН ЭМ.
Если не оговорено иное, корпус ЭП подключают к плоскости заземления напрямую или через схему с определенным импедансом.
Силовые линии переменного и постоянного напряжения для бортовых зарядных устройств располагают на наибольшем расстоянии от антенны (позади жгутов НН и ВН). Расстояние от силовых линий переменного и постоянного напряжения до ближайшего жгута (НН или ВН) должно составлять 100+100 мм.
Помимо экранированной камеры с поглощающим покрытием (ЭКПП) допускается проводить испытания на открытой испытательной площадке (ОИП), удовлетворяющей требованиям, установленным в
ГОСТ CISPR 16-1-4.
Измерения проводят с использованием квазипикового или пикового детектора. При использовании пиковых детекторов применяют поправочный множитель (см.
[10] и
[11]).
Нормы, приведенные в
таблице 8, применимы во всем диапазоне частот от 30 до 1000 МГц для измерений, выполненных в полубезэховой камере или на открытой испытательной площадке.
Таблица 8
Предельно допустимые высокочастотные излучаемые помехи от ЭП
Частота, МГц | Норма и тип детектора. Расстояние от электромобиля до антенны 1 м |
От 30 до 75 включ. | От 62 до 52 дБ (мкВ/м) (квазипиковый) (линейно снижается с ростом логарифма частоты) |
От 75 до 400 включ. | От 52 до 63 дБ (мкВ/м) (квазипиковый) (линейно возрастает с ростом логарифма частоты) |
От 400 до 1000 включ. | 63 дБ (мкВ/м) (квазипиковый) |
Фазовый центр антенны располагают на одной линии с центром продольной части жгута проводки.
5.3.7 Излучаемые помехи в линиях питания
Испытания на устойчивость типового представителя ЭП проводят с применением методов, описанных в
[8], на линиях питания, а также для всех других подключений ЭП, которые в процессе эксплуатации могут подключаться к линиям питания.
Максимальные допустимые уровни помех представлены в
таблице 9.
Таблица 9
Предельно допустимые излучаемые помехи от ЭП
в линиях питания
Полярность амплитуды импульса | Электромобили с электрооборудованием напряжением 12 В | Электромобили с электрооборудованием напряжением 24 В |
Положительный полюс | + 75 В | + 150 В |
Отрицательный полюс | - 100 В | - 450 В |
(обязательное)
ЭКВИВАЛЕНТЫ СЕТЕЙ, АСИММЕТРИЧНЫЕ ЭКВИВАЛЕНТЫ СЕТЕЙ
И ИНТЕГРИРОВАНИЕ ЗАРЯДНЫХ СТАНЦИЙ В УСТАНОВКУ
ДЛЯ ПРОВЕДЕНИЯ ИСПЫТАНИЙ
А.1 Краткая информация
В настоящем приложении описаны ЭС/ЭСЭ, предназначенные для подключения к силовым линиям переменного и постоянного напряжения. Используют сети с определенным импедансом нагрузки, которые отключают компонент от сети питания:
- ЭС - только для силовых линий постоянного напряжения;
- ЭСЭ - только для силовых линий переменного напряжения.
В настоящем приложении также описаны ЭАС для клеммного подключения и сопряжения линий зарядки для симметричных линий связи и асимметричных линий связи.
Кроме того, приложение содержит инструкции по подключению установки для проведения испытаний к электрической сети.
А.2 Внешнее зарядное устройство и подключение к силовой линии
Внешнее зарядное устройство размещают на месте проведения испытаний или за его пределами.
В обоих случаях силовые и коммуникационные разъемы должны соответствовать следующим требованиям:
- разъемы размещают непосредственно на плоскости заземления;
- обеспечивают как можно меньшую длину жгута между разъемами и соответствующими ЭС/ЭАС;
- жгут между разъемами и ЭС/ЭАС размещают непосредственно на плоскости заземления.
Если внешнее зарядное устройство размещено на месте проведения испытаний, кабели свешивают вертикально со стороны внешнего зарядного устройства к земле, а ненужную длину кабеля размещают непосредственно на плоскости заземления (при необходимости изгибая ее "гармошкой").
Если внешнее зарядное устройство размещено на месте проведения испытаний, избегают ее расположения в зоне прямой видимости от измерительной антенны до ЭМ.
Если внешнее зарядное устройство размещено за пределами места проведения испытаний, обеспечивают фильтрацию на силовых и коммуникационных разъемах.
При наличии возможности имитирования коммуникации между ЭМ и внешним зарядным устройством допускается заменять последнее имитацией коммуникации и непосредственной подачей электропитания от электрической сети.
А.3 Эквиваленты сетей
А.3.1 Общие положения
Для низковольтных (НН) и/или высоковольтных (ВН) компонентов применяют различные типы источников питания и силовых кабелей.
А.3.2 Низковольтные компоненты
Для низковольтных компонентов используют ЭС индуктивностью 5 мкГн и сопротивлением 50 Ом (см.
[2], приложение E), показанные на
рисунке А.1.
1 - порт для подключения испытуемого устройства; 2 - порт
для подключения источника питания; 3 - измерительный порт
Рисунок А.1 - Пример схемы ЭС индуктивностью 5 мкГн
ЭС размещают непосредственно на плоскости заземления. Корпус ЭС соединяют с плоскостью заземления. Сопротивление постоянному току между землей измерительного порта ЭС и плоскостью заземления не должно превышать 2,5 мОм.
Измерительные порты ЭС замыкают на нагрузку сопротивлением 50 Ом.
Импеданс ЭС
ZPB (с допуском +/- 20%) в диапазоне частот измерения от 0,1 до 100 МГц показан на
рисунке А.2. Его измеряют между клеммами P и B при индуктивности и сопротивлении нагрузки на измерительном порте 50 Ом с закороченными клеммами A и B (см.
рисунок А.1).
Рисунок А.2 - Характеристики импеданса ЭС
А.3.3 Высоковольтный компонент
Для высоковольтных компонентов используют ЭС индуктивностью 5 мкГн и сопротивлением 50 Ом в соответствии с
рисунком А.3.
1 - порт для подключения испытуемого устройства; 2 - порт
для подключения источника питания; 3 - измерительный порт;
L1 = 5 мкГн; C1 = 0,1 мкФ; C2 = 0,1 мкФ; R1 = 1 кОм;
R2 = 1 МОм (разряд C2 до постоянного
напряжения < 50 В в течение 60 с)
Рисунок А.3 - Пример схемы ЭС ВН индуктивностью 5 мкГн
ЭС размещают непосредственно на плоскости заземления. Корпус ЭС соединяют с плоскостью заземления. Сопротивление постоянному току между землей измерительного порта ЭС и плоскостью заземления не должно превышать 2,5 мОм.
Измерительные порты ЭС замыкают на нагрузку сопротивлением 50 Ом.
Импеданс ЭС Z
PB (с допуском +/- 20%) в диапазоне частот измерения от 0,1 до 100 МГц показан на
рисунке А.4. Его измеряют между клеммами P и B при индуктивности при сопротивлении нагрузки на измерительном порте 50 Ом с закороченными клеммами A и B (см.
рисунок А.3).
Рисунок А.4 - Характеристики импеданса ЭС ВН
При использовании неэкранированных ЭС ВН в шкафу с одинарным экранированием между ЭС ВН предусматривают внутренний экран, как показано на
рисунке А.5.
Рисунок А.5 - Пример схемы высоковольтного ЭС индуктивностью
5 мкГн в комбинации со шкафом с одинарным экранированием
Для имитации импеданса синфазного/дифференциального режима испытуемого устройства, подключенного к источнику питания ВН, допускается использование альтернативной согласующей схемы (см.
рисунок А.6). Параметры альтернативной согласующей схемы определяют в плане испытаний.
Рисунок А.6 - Согласующая схема, включенная
между высоковольтными ЭС и испытуемым оборудованием
А.3.4 Компоненты, задействованные в режиме заряда при подключении к источнику питания постоянного напряжения
Для компонентов, задействованных в режиме заряда (например, зарядных устройств), подключенных к источнику питания постоянного напряжения, используют ЭС индуктивностью 5 мкГн и сопротивлением 50 Ом в соответствии с А.3.
А.4 Эквиваленты сетей электропитания
Для компонентов, задействованных в режиме заряда (например, зарядных устройств), подключенных к источнику питания переменного напряжения, используют ЭСЭ индуктивностью 50 мкГн и сопротивлением 50 Ом в соответствии с ГОСТ CISPR 16-1-2-2016
(подраздел 4.3).
ЭСЭ размещают непосредственно на плоскости заземления. Корпус ЭСЭ соединяют с плоскостью заземления. Сопротивление постоянному току между землей измерительного порта ЭСЭ и плоскостью заземления не должно превышать 2,5 мОм.
Измерительные порты ЭСЭ замыкают на нагрузку сопротивлением 50 Ом.
А.5 Асимметричные эквиваленты сетей
А.5.1 Общие положения
Для осуществления коммуникации между зарядными станциями и ЭМ применяют различные типы систем коммуникации и коммуникационных кабелей. Это требует разграничения некоторых отдельных типов кабелей/операций.
ЭАС размещают непосредственно на плоскости заземления. Контакт заземления ЭАС соединяют с плоскостью заземления посредством соединения с низкой индуктивностью.
Незадействованные измерительные порты ЭАС замыкают на соответствующую нагрузку (сопротивление 50 Ом для коаксиального выхода с импедансом IS на
рисунке А.7).
C = 4,7 мкФ; R = 200 Ом; L1 = 2 x 38 мГн; L2 = 2 x 38 мГн
Рисунок А.7 - Пример схемы стабилизации импеданса
для симметричных линий передачи данных
А.5.2 Симметричные линии передачи данных (например, CAN)
ЭАС включают между ЭМ и зарядной станцией. Требования к имитации коммуникации установлены в
[9] (см. пример на
рисунке А.6). IS имеет импеданс синфазного режима, равный 150 Ом. Импеданс
Z регулирует симметрию кабельной проводки и подключенных периферийных устройств, обычно выражаемую в потерях разбалансировки (ПР). Значение ПР предварительно определяется путем проведения измерений или задается производителем внешнего зарядного устройства/зарядного кабеля. Выбранное значение ПР и метод его определения указывают в отчете о проведении испытаний.
А.5.3 Связь по линиям электропередачи в силовых линиях
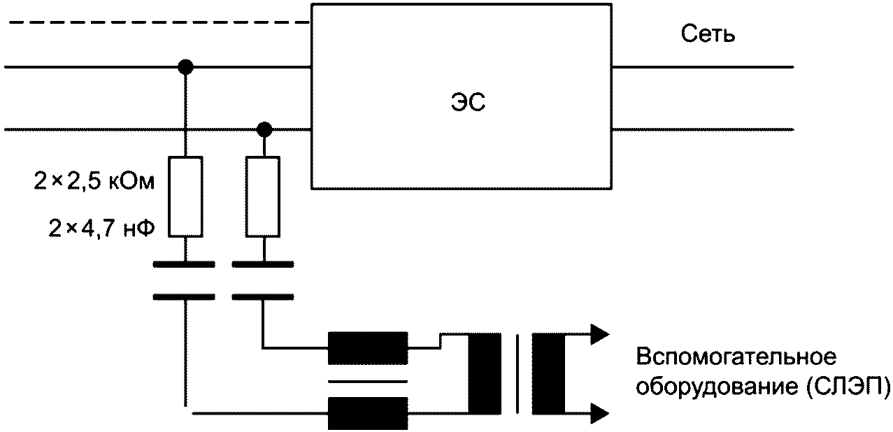
В настоящее время отсутствуют нормативные документы, устанавливающие исчерпывающие требования к ЭМС для систем связи по линиям электропередачи (систем СЛЭП). Показанные на
рисунках А.8 и
А.9 цепи могут быть использованы по крайней мере для измерения уровня помех от внеполосного излучения и проведения испытаний на помехоустойчивость. При измерении уровня помех от внутриполостного излучения могут быть проведены измерения тока помехи (синфазный режим) в зарядном кабеле в соответствии с
ГОСТ CISPR 16-2-1. При измерении уровня помех от внутриполостного излучения ток помехи должен удовлетворять требованиям к токам индуктивных помех в сетях и телекоммуникационных каналах.
Показанная на
рисунке А.8 цепь обеспечивает замыкание на ЭС в синфазном режиме. При определении уровня помех измеряют только помехи, создаваемые СЛЭП-модемом испытуемого устройства. При невозможности задания уровней сигналов вспомогательного оборудования программным способом (см.
[12]) для определения уровня помех в цепь между силовой линией и СЛЭП-модемом со стороны вспомогательного оборудования включают подавитель помех. Подавитель помех состоит из двух резисторов в комбинации с входным/выходным импедансом СЛЭП-модема. Номинал резисторов определяется проектным импедансом СЛЭП-модема и допустимым затуханием в системе СЛЭП.
Примечание - Номинал резисторов определяется допустимым затуханием и проектным импедансом СЛЭП-модема (в данном случае затухание составляет 40 дБ, а проектный импеданс - 100 Ом).
Рисунок А.8 - Пример схемы для испытаний СЛЭП на излучение
в силовых линиях переменного и постоянного напряжения
Включенный между двумя СЛЭП-модемами подавитель помех снижает отношение сигнал/шум в линии, что может привести к нереалистичным результатам испытаний на помехоустойчивость, поэтому испытания на помехоустойчивость следует проводить без подавителя помех (см.
рисунок А.9).
Рисунок А.9 - Пример схемы для испытаний СЛЭП
на помехоустойчивость в силовых линиях
переменного и постоянного напряжения
А.5.4 СЛЭП (технология) в линии контрольного управления
В некоторых системах связи применяют линию контрольного управления (в противоположность защитному заземлению) с наложенной (высокочастотной) коммуникацией. Для этой цели используют технологию, разработанную для СЛЭП. С одной стороны, линии связи работают несимметрично; с другой стороны, две разные системы связи работают на одной линии. Следовательно, необходимо использовать специальную сеть. Сеть, показанная на
рисунке А.10, обеспечивает синфазное сопротивление (150 +/- 20) Ом в диапазоне от 150 кГц до 30 МГц на линии контрольного управления (при условии, что проектный импеданс модема составляет 100 Ом). Оба типа связи (контрольное управление, СЛЭП) разделены сетью. Поэтому обычно симуляция связи проходит в сочетании с этой сетью. Подавитель помех, образованный резисторами и проектным импедансом СЛЭП-модема, гарантирует, что в сигнале зарядного кабеля преобладают сигналы связи испытуемого устройства (ИУ), а не СЛЭП-модема ВО.

Примечание - Номинал трех резисторов определяется проектным импедансом СЛЭП-модема, подключенного к ВО. Значения, приведенные на схеме, действительны для проектного импеданса 100 Ом.
Рисунок А.10 - Пример схемы для испытаний СЛЭП
на излучение в цепи контрольного управления
Также, чтобы гарантировать, что в сигнале преобладает сигнал связи ИУ, мощность передачи СЛЭП-модема ВО должна быть менее мощности передатчика ИУ.
Включенный между двумя СЛЭП-модемами подавитель помех снижает отношение сигнал/шум в линии, что может привести к нереалистичным результатам испытаний на помехоустойчивость. Поэтому испытания на помехоустойчивость следует проводить без подавителя помех (см.
рисунок А.11).
Рисунок А.11 - Пример схемы для испытаний СЛЭП
на помехоустойчивость в цепи контрольного управления
(справочное)
СВЕДЕНИЯ О СООТВЕТСТВИИ ССЫЛОЧНЫХ МЕЖГОСУДАРСТВЕННЫХ
СТАНДАРТОВ МЕЖДУНАРОДНЫМ СТАНДАРТАМ, ИСПОЛЬЗОВАННЫМ
В КАЧЕСТВЕ ССЫЛОЧНЫХ В ПРИМЕНЕННОМ МЕЖДУНАРОДНОМ СТАНДАРТЕ
Таблица ДА.1
Обозначение ссылочного межгосударственного стандарта | Степень соответствия | Обозначение и наименование ссылочного международного стандарта |
| MOD | IEC 60038:2009 "Напряжения стандартные по МЭК" |
| MOD | IEC 61000-3-11:2000 <1> "Электромагнитная совместимость. Часть 3-11. Пределы. Ограничение изменений напряжения, флуктуаций напряжения и мигания в низковольтных системах энергоснабжения общего пользования. Оборудование с номинальным током, меньшим или равным 75 А, и обусловленным соединением" |
| IDT | IEC 61000-3-2:2014 <2> "Электромагнитная совместимость (ЭМС). Часть 3-2. Нормы. Нормы эмиссий гармонического тока (оборудование с потребляемым током не более 16 А в одной фазе)" |
| IDT | IEC 61000-3-3:2013 "Электромагнитная совместимость (ЭМС). Часть 3-3. Нормы. Ограничение изменений напряжения, колебаний напряжения и фликера в общественных низковольтных системах электроснабжения для оборудования с номинальным током не более 16 А (в одной фазе), подключаемого к сети электропитания без особых условий" |
| MOD | CISPR 22:2006 "Совместимость технических средств электромагнитная. Оборудование информационных технологий. Радиопомехи индустриальные. Нормы и методы измерений" |
| IDT | IEC 61000-3-12:2011 "Электромагнитная совместимость. Часть 3. Пределы. Раздел 12. Пределы. Пределы для гармоничных токов, генерируемых оборудованием, связанным с бытовыми низковольтными системами с входным током 16 А и меньше или равным 75 А на фазу" |
| IDT | IEC 61000-4-4:2012 "Электромагнитная совместимость (ЭМС). Часть 4-4. Методы испытаний и измерений. Испытание на невосприимчивость к быстрым переходным процессам и всплескам" |
| IDT | IEC 61000-4-5:2014 "Электромагнитная совместимость (ЭМС). Часть 4-5. Методы испытаний и измерений. Испытание на устойчивость к выбросу напряжения" |
| IDT | IEC 61000-6-3:2006 <3> "Электромагнитная совместимость. Часть 6-3. Общие стандарты. Стандарт на излучение для жилых районов, районов с коммерческими предприятиями и районов с предприятиями легкой промышленности" |
ГОСТ IEC 61851-1-2017 | IDT | IEC 61851-1:2017 "Система токопроводящей зарядки электромобилей. Часть 1. Общие требования" |
| IDT | CISPR 16-1-2:2014 "Требования к аппаратуре для измерения радиопомех и помехоустойчивости и методы измерения. Часть 1-2. Аппаратура для измерения радиопомех и помехоустойчивости. Устройства связи для измерений кондуктивных помех" |
| IDT | CISPR 16-1-4:2010 "Требования к аппаратуре для измерения параметров радиопомех и помехоустойчивости и методы измерений. Часть 1-4. Аппаратура для измерения радиопомех и помехоустойчивости. Антенны и испытательные площадки для измерения излучаемых помех" |
| IDT | CISPR 16-2-1:2014 "Требования к аппаратуре для измерения радиопомех и помехоустойчивости и методы измерения. Часть 2-1. Методы измерения помех и помехоустойчивости. Измерения кондуктивных помех" |
Примечание - В настоящей таблице использованы следующие условные обозначения степени соответствия стандартов: - IDT - идентичные стандарты; - MOD - модифицированные стандарты. |
--------------------------------
<1> Заменен на IEC 61000-3-11:2017.
<2> Заменен на IEC 61000-3-2:2020.
<3> Заменен на IEC 61000-6-3:2020.
| ИСО/TR 8713:2019 | ISO/TR 8713:2019, Electrically propelled road vehicles - Vocabulary (Электромобили. Словарь) |
| CISPR 25:2016 | Vehicles, boats and internal combustion engines - Radio disturbance characteristics - Limits and methods of measurement for the protection of on-board receivers (Транспортные средства, моторные лодки и устройства с двигателями внутреннего сгорания. Характеристики индустриальных радиопомех. Нормы и методы измерений для защиты радиоприемных устройств, размещенных на подвижных средствах) |
| ISO 11451-1:2015 | Road vehicles - Vehicle test methods for electrical disturbances from narrowband radiated electromagnetic energy - Part 1: General principles and terminology (Транспорт дорожный. Методы испытаний транспортных средств на электрические помехи, создаваемые излучаемой в узкополосном диапазоне электромагнитной энергией. Часть 1. Общие принципы и терминология) |
| ISO 11452-1:2015 | Road vehicles - Component test methods for electrical disturbances from narrowband radiated electromagnetic energy - Part 1: General principles and terminology (Транспорт дорожный. Методы испытаний деталей на электрические помехи, создаваемые излучаемой в узкополосном диапазоне электромагнитной энергией. Часть 1. Общие принципы и терминология) |
| ISO 11451-2:2015 | Road vehicles - Vehicle test methods for electrical disturbances from narrowband radiated electromagnetic energy - Part 2: Off-vehicle radiation sources (Транспорт дорожный. Методы испытаний на электрические помехи, создаваемые излучаемой в узкополосном диапазоне электромагнитной энергией. Часть 2. Источники излучения, находящиеся вне транспортного средства) |
| ISO 11452-4:2011 | Road vehicles - Component test methods for electrical disturbances from narrowband radiated electromagnetic energy - Part 4: Harness excitation methods (Транспорт дорожный. Методы испытаний деталей на электрические помехи, создаваемые излучаемой в узкополосном диапазоне электромагнитной энергией. Часть 4. Методы возбуждения электропроводки) |
| ISO 11452-2:2019 | Road vehicles - Component test methods for electrical disturbances from narrowband radiated electromagnetic energy - Part 2: Absorber-lined shielded enclosure (Транспорт дорожный. Методы испытаний деталей на электрические помехи, создаваемые излучаемой в узкополосном диапазоне электромагнитной энергией. Часть 2. Экранированная камера с поглощающим покрытием) |
| ISO 7637-2:2011 | Road vehicles - Electrical disturbances from conduction and coupling - Part 2: Electrical transient conduction along supply lines only (Транспорт дорожный. Электрические помехи, вызываемые проводимостью и взаимодействием. Часть 2. Нестационарная электропроводимость только по линиям электропитания) |
| EN 50561-1-2014 | Power line communication apparatus used in low-voltage installations. Radio disturbance characteristics. Limits and methods of measurement - Part 1: Apparatus for in-home use (Устройства связи по линии электросети, применяемые в низковольтных установках. Характеристики радиопомех. Пределы и методы измерения. Часть 1. Устройства для использования в домашних условиях) |
| CISPR 12:2007 | Vehicles, boats and internal combustion engines - Radio disturbance characteristics - Limits and methods of measurement for the protection of off-board receivers (Транспортные средства, моторные лодки и устройства, работающие от двигателей внутреннего сгорания. Характеристики радиопомех. Предельные значения и методы измерения для защиты внебортовых приемников) |
| CISPR 12:2007/AMD1:2009 | Vehicles, boats and internal combustion engines - Radio disturbance characteristics - Limits and methods of measurement for the protection of off-board receivers. Amendment 1 (Транспортные средства, моторные лодки и устройства, работающие от двигателей внутреннего сгорания. Характеристики радиопомех. Предельные значения и методы измерения для защиты внебортовых приемников. Изменение 1) |
| ISO 15118-3:2015 | Road vehicles - Vehicle to grid communication interface - Part 3: Physical and data link layer requirements (Транспорт дорожный. Интерфейс связи автомобиль-электрическая сеть. Часть 3. Требования к физическому уровню и уровню канала данных) |
УДК 629.341:006.354 | |
Ключевые слова: бортовые зарядные устройства, электромагнитная совместимость, источники питания переменного и постоянного тока |