Главная // Актуальные документы // ГОСТ (Государственный стандарт)СПРАВКА
Источник публикации
М.: ФГБУ "РСТ", 2022
Примечание к документу
Документ
введен в действие с 01.02.2023.
Название документа
"ГОСТ EN 15503-2020. Межгосударственный стандарт. Оборудование садовое. Садовые воздуходувки, пылесосы и пылесосы-воздуходувки. Требования безопасности"
(введен в действие Приказом Росстандарта от 02.09.2022 N 866-ст)
"ГОСТ EN 15503-2020. Межгосударственный стандарт. Оборудование садовое. Садовые воздуходувки, пылесосы и пылесосы-воздуходувки. Требования безопасности"
(введен в действие Приказом Росстандарта от 02.09.2022 N 866-ст)
Приказом Федерального
агентства по техническому
регулированию и метрологии
от 2 сентября 2022 г. N 866-ст
МЕЖГОСУДАРСТВЕННЫЙ СТАНДАРТ
ОБОРУДОВАНИЕ САДОВОЕ
САДОВЫЕ ВОЗДУХОДУВКИ, ПЫЛЕСОСЫ И ПЫЛЕСОСЫ-ВОЗДУХОДУВКИ
ТРЕБОВАНИЯ БЕЗОПАСНОСТИ
Garden equipment. Garden blowers, vacuums
and blower/vacuums. Safety requirements
(EN 15503:2009+A2:2015, IDT)
ГОСТ EN 15503-2020
Дата введения
1 февраля 2023 года
Цели, основные принципы и общие правила проведения работ по межгосударственной стандартизации установлены
ГОСТ 1.0 "Межгосударственная система стандартизации. Основные положения" и
ГОСТ 1.2 "Межгосударственная система стандартизации. Стандарты межгосударственные, правила и рекомендации по межгосударственной стандартизации. Правила разработки, принятия, обновления и отмены"
1 ПОДГОТОВЛЕН Научно-производственным республиканским унитарным предприятием "Белорусский государственный институт стандартизации и сертификации" (БелГИСС) на основе собственного перевода на русский язык англоязычной версии стандарта, указанного в
пункте 5
2 ВНЕСЕН Государственным комитетом по стандартизации Республики Беларусь
3 ПРИНЯТ Межгосударственным советом по стандартизации, метрологии и сертификации по результатам голосования в АИС МГС (протокол от 30 октября 2020 г. N 134-П)
За принятие проголосовали:
Краткое наименование страны по МК (ИСО 3166) 004-97 | Код страны по МК (ИСО 3166) 004-97 | Сокращенное наименование национального органа по стандартизации |
Армения | AM | ЗАО "Национальный орган по стандартизации и метрологии" Республики Армения |
Беларусь | BY | Госстандарт Республики Беларусь |
Киргизия | KG | Кыргызстандарт |
Россия | RU | Росстандарт |
Таджикистан | TJ | Таджикстандарт |
Узбекистан | UZ | Узстандарт |
4 Приказом Федерального агентства по техническому регулированию и метрологии от 2 сентября 2022 г. N 866-ст межгосударственный стандарт ГОСТ EN 15503-2020 введен в действие в качестве национального стандарта Российской Федерации с 1 февраля 2023 г.
5 Настоящий стандарт идентичен европейскому стандарту EN 15503:2009+A2:2015 "Оборудование садовое. Садовые воздуходувки, пылесосы и пылесосы-воздуходувки. Безопасность" ("Garden equipment - Garden blowers, vacuums and blower/vacuums - Safety", IDT).
Европейский стандарт разработан Техническим комитетом по стандартизации CEN/TC 144 "Тракторы и машины для сельскохозяйственных работ и лесоводства" Европейского комитета по стандартизации (CEN).
При применении настоящего стандарта рекомендуется использовать вместо ссылочных европейских и международных стандартов соответствующие им межгосударственные стандарты, сведения о которых приведены в дополнительном
приложении ДА
6 ВВЕДЕН ВПЕРВЫЕ
Информация о введении в действие (прекращении действия) настоящего стандарта и изменений к нему на территории указанных выше государств публикуется в указателях национальных стандартов, издаваемых в этих государствах, а также в сети Интернет на сайтах соответствующих национальных органов по стандартизации.
В случае пересмотра, изменения или отмены настоящего стандарта соответствующая информация будет опубликована на официальном интернет-сайте Межгосударственного совета по стандартизации, метрологии и сертификации в каталоге "Межгосударственные стандарты"
Европейский стандарт реализует существенные требования безопасности
Директивы 2006/42/EC, приведенные в
приложении ZА.
Существует следующая иерархическая структура стандартов, устанавливающих требования безопасности в области машиностроения:
а) стандарты типа A (основополагающие стандарты безопасности), содержащие основные концепции, принципы конструирования и общие аспекты, которые могут быть применены к машинам;
б) стандарты типа B (общие стандарты безопасности), рассматривающие один (или более) аспект безопасности или один (или более) тип устройств безопасности, применяющихся для широкого диапазона машин:
- стандарты типа B1 распространяются на специальные аспекты безопасности (например, безопасное расстояние, температура поверхности, шум);
- стандарты типа B2 распространяются на устройства безопасности (например, двуручные устройства управления, блокирующие устройства, регуляторы давления);
в) стандарты типа C (стандарты безопасности на машины), устанавливающие детальные требования безопасности для конкретных машин или групп машин в соответствии с областью применения стандарта.
Настоящий стандарт представляет собой стандарт типа C по EN ISO 12100:2010.
Соответствующие машины и связанные с ними опасности, опасные ситуации и события, рассматриваемые в настоящем стандарте, приведены в области применения.
В случае если положения настоящего стандарта типа C отличаются от положений стандартов типа A или B, то положения настоящего стандарта типа C имеют преимущество над положениями других стандартов для машин, которые сконструированы и изготовлены в соответствии с требованиями настоящего стандарта типа C.
Настоящий стандарт устанавливает требования безопасности и методы их контроля при конструировании и изготовлении ручных и ранцевых садовых пылесосов и пылесосов-воздуходувок с двигателями внутреннего сгорания, оборудованных измельчителем и без него, а также садовых воздуходувок, сконструированных для использования только одним оператором. Также в настоящем стандарте установлены требования к информации по безопасной эксплуатации (включая остаточные риски), предоставляемой изготовителем.
В настоящем стандарте термин "машина" применяется для обозначения всех типов садовых воздуходувок и пылесосов, на которые распространяются требования настоящего стандарта.
В настоящем стандарте рассматриваются все опасности, опасные ситуации и события, связанные с машинами, применяемыми по назначению и в предусмотренных изготовителем условиях (см.
раздел 4), за исключением:
- вибрации ранцевых машин;
- прочности корпуса воздуходувок и пылесосов-воздуходувок;
- прочности ремней для переноски и ранцевых креплений (держателей).
Настоящий стандарт не распространяется на:
- машины, управляемые сзади идущим оператором, с ручным управлением (с опорными колесами) и самоходные машины с рабочим местом оператора на них;
- воздуходувки и пылесосы, работающие от электросети или аккумуляторных батарей или сочетающие эти источники питания.
Примечание - Требования безопасности к работающим от электросети воздуходувкам и пылесосам-воздуходувкам для бытового и промышленного применения установлены в EN 60335
[1] и IEC 60335-2-100
[2].
Требования настоящего стандарта распространяются на машины, технические задания на разработку которых утверждены после введения в действие настоящего стандарта.
В настоящем стандарте использованы нормативные ссылки на следующие стандарты [для датированных ссылок применяют только указанное издание ссылочного стандарта, для недатированных - последнее издание (включая все изменения)]:
EN 1088
<1>, Sicherheit von Maschinen - Verriegelungseinrichtungen in Verbindung mit trennenden Schutzeinrichtungen -

Gestaltung und Auswahl (Безопасность машин. Блокировочные устройства, связанные с защитными устройствами. Принципы конструирования и выбора) (Safety of machinery - Interlocking devices associated with guards - Principles for design and selection)
--------------------------------
<1> Действует EN ISO 14119:2013.
EN 14930:2007
<1>, Land- und forstwirtschaftliche Maschinen und

-

und handgehaltene Maschinen - Bestimmung der

von

(Машины для сельскохозяйственных работ и лесоводства и садовое оборудование. Машины, управляемые рядом идущим оператором, и ручные машины. Определение доступности рабочих поверхностей) (Agricultural and forestry machinery and gardening equipment - Pedestrian controlled and hand-held machines - Determination of accessibility of hot surfaces)
--------------------------------
<1> Заменен на EN 14930:2007+A1:2009. Однако для однозначного соблюдения требований настоящего стандарта, выраженного в датированной ссылке, рекомендуется использовать только указанное в этой ссылке издание.
EN ISO 3744:2009
<2>, Akustik - Bestimmung der Schallleistungspegel von

aus Schalldruckmessungen -

der Genauigkeitsklasse 2

ein im Wesentlichen freies Schallfeld

einer reflektierenden Ebene (Акустика. Определение уровней звуковой мощности и уровней звуковой энергии источников шума по звуковому давлению. Технические методы в условиях свободного звукового поля над отражающей поверхностью) (Acoustics - Determination of sound power levels and sound energy levels of noise sources using sound pressure - Engineering methods for an essentially free field over a reflecting plane) (ISO 3744:1994)
--------------------------------
<2> Заменен на EN ISO 3744:2010. Однако для однозначного соблюдения требований настоящего стандарта, выраженного в датированной ссылке, рекомендуется использовать только указанное в этой ссылке издание.
EN ISO 4871:2009, Akustik - Angabe und

von

von Maschinen und

(Акустика. Декларация и верификация значений шумовых характеристик машин и оборудования) (Acoustics - Declaration and verification of noise emission values of machinery and equipment) (ISO 4871:1996)
EN ISO 11201:2009
<3>, Akustik -

von Maschinen und

- Messung von Emissions-Schalldruckpegeln am Arbeitsplatz und an anderen festgelegten Orten - Verfahren der Genauigkeitsklasse 2

ein im Wesentlichen freies Schallfeld

einer reflektierenden Ebene (Акустика. Шум от машин и оборудования. Определение уровней звукового давления излучения на рабочем месте и в других установленных положениях в условиях свободного звукового поля над отражающей поверхностью с незначительными поправками на внешние воздействующие факторы) (Acoustics - Noise emitted by machinery and equipment - Measurement of emission sound pressure levels at a work station and at other specified positions - Engineering methods in an essentially free field over a reflecting plane) (ISO 11201:1995, including Cor 1:1997)
--------------------------------
<3> Заменен на EN ISO 11201:2009. Однако для однозначного соблюдения требований настоящего стандарта, выраженного в датированной ссылке, рекомендуется использовать только указанное в этой ссылке издание.
EN ISO 12100:2010, Sicherheit von Maschinen - Allgemeine

- Risikobeurteilung und Risikominderung (Безопасность машин. Общие принципы конструирования. Оценка рисков и снижение рисков) (Safety of machinery - General principles for design - Risk assessment and risk reduction) (ISO 12100:2010)
EN ISO 13849-1:2008
<4>, Sicherheit von Maschinen - Sicherheitsbezogene Teile von Steuerungen - Teil 1: Allgemeine

(Безопасность машин. Элементы систем управления, связанные с обеспечением безопасности. Часть 1. Общие принципы конструирования) (Safety of machinery - Safety-related parts of control systems - Part 1: General principles for design) (ISO 13849-1:2006)
--------------------------------
<4> Заменен на EN ISO 13849-1:2015. Однако для однозначного соблюдения требований настоящего стандарта, выраженного в датированной ссылке, рекомендуется использовать только указанное в этой ссылке издание.
EN ISO 13857:2008
<5>, Sicherheit von Maschinen -

gegen das Erreichen von

mit den oberen und unteren

(Безопасность машин. Безопасные расстояния, предохраняющие верхние и нижние конечности от попадания в опасные зоны) (Safety of machinery - Safety distances to prevent hazard zones being reached by upper and lower limbs) (ISO 13857:2008)
--------------------------------
<5> Заменен на EN ISO 13857:2019. Однако для однозначного соблюдения требований настоящего стандарта, выраженного в датированной ссылке, рекомендуется использовать только указанное в этой ссылке издание.
EN ISO 22867:2008
<6>, Forstwirtschaftliche Maschinen - Schwingungsmessnorm

handgehaltene Maschinen mit Verbrennungsmotor - Schwingungen an den Handgriffen (Машины для лесного хозяйства. Руководство по испытанию на вибрацию переносных ручных машин с двигателем внутреннего сгорания. Вибрация в области рукояток) (Forestry machinery - Vibration test code for portable hand-held machines with internal combustion engine - Vibration at the handles) (ISO 12867:2004, including Cor 1:2006)
--------------------------------
<6> Заменен на EN ISO 22867:2011. Однако для однозначного соблюдения требований настоящего стандарта, выраженного в датированной ссылке, рекомендуется использовать только указанное в этой ссылке издание.
EN ISO 22868:2008
<1>, Forstwirtschaftliche Maschinen -

handgehaltene Maschinen mit Verbrennungsmotor - Verfahren der Genauigkeitsklasse 2 (Машины для лесного хозяйства. Правила испытаний на шум, производимый переносными ручными машинами с двигателем внутреннего сгорания. Технический метод (Класс точности 2) (Forestry machinery - Noise test code for portable handheld machines with internal combustion engine - Engineering methods (Grade 2 accuracy) (ISO 22868:2005)
--------------------------------
<1> Заменен на EN ISO 22868:2011. Однако для однозначного соблюдения требований настоящего стандарта, выраженного в датированной ссылке, рекомендуется использовать только указанное в этой ссылке издание.
IEC 60068-2-75:1997
<2>, Environmental testing - Test methods - Test Eh: Hammer tests (Испытание на воздействие внешних факторов. Часть 2-75. Испытания. Испытание Eh. Испытание на удар молотком)
--------------------------------
<2> Заменен на IEC 60068-2-75:2014. Однако для однозначного соблюдения требований настоящего стандарта, выраженного в датированной ссылке, рекомендуется использовать только указанное в этой ссылке издание.
IEC 61032:1997, Protection of persons and equipment by enclosures - Probes for verification (Защита людей и оборудования, обеспечиваемая оболочками. Щупы испытательные)
В настоящем стандарте применены термины по EN ISO 12100:2010, а также следующие термины с соответствующими определениями:
3.1
садовая воздуходувка (garden blower
<*>;
<**>): Машина, которая перемещает мусор струей выдуваемого воздуха.
--------------------------------
Здесь и далее:
3.2
ранцевая воздуходувка с двигателем (back-pack powered blower
<*>;

motorgetriebenes
<**>): Садовая воздуходувка, сконструированная таким образом, что источник питания перенесен на спину оператора и удерживается там с помощью ранцевого крепления (держателя), состоящего из рамы и ремней.
3.3
ранцевый пылесос с двигателем (back-pack powered vacuum
<*>;

motorgetriebenes
<**>): Садовый пылесос, сконструированный таким образом, что источник питания и мусоросборник перенесены на спину оператора и удерживаются там с помощью ранцевого крепления (держателя).
3.4
мусор (debris
<*>;
<**>): Органический материал растительного происхождения, например листья и обрезки травы.
3.5
мусоросборник (debris collector
<*>; Fangsack
<**>): Часть или комбинация частей машины, сконструированная для сбора мусора.
3.6
корпус вентилятора (dirty fan construction
<*>; Schmutzventilatorkonstruktion
<**>): Конструкция, в которой собираемый мусор проходит через вентилятор.
3.7
садовый пылесос (garden vacuum
<*>;
<**>): Машина, которая посредством всасывания воздуха собирает мусор в мусоросборник.
3.8
защитное ограждение (guard
<*>; trennende Schutzeinrichtung
<**>): Физический барьер, сконструированный как часть машины для обеспечения защиты оператора.
3.9
рукоятка (handle
<*>; Handgriff
<**>): Часть машины, которая предназначена для поддержки или переноски машины при нормальной эксплуатации.
3.10
ручная садовая воздуходувка (hand-held garden blower
<*>; handgehaltenes
<**>): Садовая воздуходувка, сконструированная для удержания руками, с помощью ремней или без них.
3.11
ручной садовый пылесос (hand-held garden vacuum
<*>; handgehaltenes
<**>): Садовый пылесос, сконструированный для удержания руками, с помощью ремней или без них.
3.12
нормальная работа (normal operation
<*>; normaler Betrieb
<**>): Использование машины в соответствии с ее назначением, которое включает такие операции, как пуск, останов, заправка.
3.13
нормальная эксплуатация (normal use
<*>; normaler Gebrauch
<**>): Нормальная работа машины, включающая плановое техническое обслуживание, сервисное обслуживание, очистку, перемещение, присоединение или отсоединение вспомогательных приспособлений и обычную регулировку согласно указаниям изготовителя.
3.14
орган управления оператора (operator control
<*>; Benutzerstellteil
<**>): Любой орган управления, требующий от оператора действий для выполнения определенных функций.
3.15
измельчитель (shredding means
<*>; Zerkleinerungseinrichtung
<**>): Устройство, предназначенное для разрезания мусора на мелкие части.
3.16
устройство блокировки дроссельной заслонки (throttle locking device
<*>; Startgassperrvorrichtung
<**>): Устройство, предназначенное для временной блокировки дроссельной заслонки в частично открытом положении для облегчения пуска.
3.17
устройство регулировки дроссельной заслонки (throttle setting device
<*>; Gashebelarretierung
<**>): Удерживающее устройство, позволяющее как временно заблокировать, так и снять блокировку дроссельной заслонки в любом требуемом положении для облегчения работы машины в течение какого-либо периода времени.
3.18
затрудненный доступ (tortuous path
<*>;

Zugang
<**>): Принцип конструирования, который предотвращает доступ пальцев в опасную зону за счет того, что для достижения опасной зоны необходимо повернуть суставы пальцев, запястья и локтя под невозможным углом или придать им положение, выходящее за пределы их естественного диапазона движения.
4 Перечень существенных опасностей
В
таблице 1 для определенных опасных зон рассматриваются все существенные опасности, опасные ситуации и события, которые были определены на основании оценки рисков как значимые для этих типов машин и которые требуют определенных действий для их устранения или уменьшения.
Таблица 1
Перечень существенных опасностей, связанных с машинами
N | Опасности | Место возникновения опасности или опасной ситуации | Соответствующие подразделы, пункты, подпункты настоящего стандарта |
Опасности, опасные ситуации и опасные события |
1 | Механические опасности, связанные с: |
1.1 | Недостаточной механической прочностью | Выброс поглощенных элементов или разломавшихся частей через корпус вентилятора. Снижение прочности корпуса вентилятора из-за перегрева двигательного отсека | |
1.2 | Опасностью пореза, разрезания или дробления, запутывания или затягивания | Контакт с измельчителем или вентилятором | |
2 | Электрические опасности, обусловленные: |
2.1 | Контактом с токоведущими частями под высоким напряжением | Контакт с элементами системы зажигания | |
3 | Термические опасности, приводящие к: |
3.1 | Ожогам, ошпариванию и другим травмам, возможным из-за соприкосновения с предметами или материалами, имеющими экстремально высокую или низкую температуру, при воздействии, например, пламенем или взрывом, а также излучением источников тепла | Контакт с компонентами системы выпуска отработавших газов двигателя | |
4 | Опасности, создаваемые шумом, приводящие к: |
4.1 | Потере слуха (глухоте), другим физиологическим расстройствам (например, потере равновесия, уменьшению внимания); | Шум, излучаемый машиной | |
нарушению речи, коммуникации и восприятию предупреждающих сигналов | Оператор не осознает окружающую обстановку или не замечает важную информацию |
5 | Опасности, создаваемые вибрацией: |
5.1 | Использование машин с ручным управлением приводит к различным невралгическим и сосудистым нарушениям | Вибрации, передаваемые машиной | |
6 | Опасности, создаваемые материалами и веществами (и входящими в их состав элементами), обрабатываемыми или используемыми машиной: |
6.1 | Опасности контакта с вредными жидкостями, газами, аэрозолями, парами и пылью при их вдыхании | Контакт с топливом. Вдыхание отработавших газов двигателя | |
| | ИС МЕГАНОРМ: примечание. В официальном тексте документа, видимо, допущена опечатка: пункт 2.1 отсутствует. | |
|
6.2 | Опасность пожара или взрыва | Контакт топлива с горячими компонентами | |
7 | Опасности вследствие несоблюдения эргономических принципов при конструировании машины, которые приводят, например, к: |
7.1 | Нарушению осанки или излишним усилиям оператора | Тяжелые или крупногабаритные машины | |
7.2 | Отсутствию учета анатомических особенностей рук и ног человека | Управление машиной и расположение рукояток | |
7.3 | Неиспользованию персоналом средств индивидуальной защиты | Выброс предметов из разгрузочного отверстия машины. Горячие компоненты машины. Шум, излучаемый машиной | |
7.4 | Несоответствующей (анатомическим особенностям) конструкции, расположению или идентификации органов ручного управления | Рукоятки и устройство регулировки дроссельной заслонки | |
8 | Неожиданный пуск, неожиданная работа двигателя "вразнос"/превышение допустимой частоты вращения (или любая аналогичная неисправность) из-за: |
8.1 | Ошибок, совершенных оператором (вследствие несоответствия машины характеристикам и возможностям оператора) | Использование машины без ремней для переноски | |
9 | Поломки во время работы | Поломка вентилятора и/или измельчителя | |
10 | Выброс предметов или жидкостей | Выброшенные из выпускного (разгрузочного) отверстия машины предметы | |
Изготовитель несет ответственность за проверку применения требований безопасности, изложенных в настоящем стандарте, к каждой существенной опасности, в зависимости от особенностей машины и подтверждения правильности проведения оценки риска в отношении:
- использования машины по назначению, включая техническое обслуживание, настройку (регулировку) и очистку, и прогнозируемое неправильное применение;
- выявления всех существенных опасностей, связанных с машиной.
5 Требования безопасности и/или меры защиты
Машина должна соответствовать требованиям безопасности и/или мерам защиты, приведенным в настоящем разделе. Кроме того, машина должна быть сконструирована в соответствии с принципами EN ISO 12100 в отношении опасностей, не являющихся существенными и не рассматриваемых в настоящем стандарте (например, острые кромки на внешней стороне машины).
Примечание - В качестве руководства по снижению риска при конструировании применяется EN ISO 12100:2010 (подраздел 6.2), меры защиты - по EN ISO 12100:2010 (подраздел 6.3).
Элементы машины считаются стабилизированными, если они находились в месте проведения испытаний в течение 24 ч и температура окружающей среды поддерживалась на уровне не ниже 15 °C.
На машины должны быть нанесены маркировка в соответствии с
6.2 и предупреждения в соответствии с
6.3. Руководство по эксплуатации, поставляемое вместе с машиной, должно соответствовать
6.1.
5.2 Все машины
Загрузочные (впускные) и разгрузочные (выпускные) отверстия должны быть защищены, чтобы предотвратить контакт оператора с движущимися частями во время нормальной работы:
a) в случае прямого доступа должны выполняться требования EN ISO 13857:2008 (подпункты 4.2.4.1 и 4.2.4.3);
b) если для защиты предусмотрен затрудненный доступ, то отсутствие возможности контакта оператора с движущимися частями должно быть подтверждено результатами испытаний с использованием двух испытательных приспособлений, представленных на
рисунке D.1 (приложение D).
Должны использоваться защитные ограждения одного из трех типов:
a) неподвижные защитные ограждения, которые можно удалить только с использованием инструментов;
b) защитные ограждения с блокировкой, которые можно удалить без использования инструментов;
c) автоматически закрывающиеся защитные ограждения, которые могут автоматически удерживаться в закрытом положении и которые могут быть разблокированы только с использованием инструментов.
Защитное ограждение, которое должно быть снято при проведении очистки, настройки и технического обслуживания, выполняемых пользователем в соответствии с руководством по эксплуатации, должно в открытом положении оставаться присоединенным к машине (например, посредством шарниров) и/или другим ограждениям.
Связанные с обеспечением безопасности системы управления блокируемыми съемными защитными ограждениями должны соответствовать принципам, которые демонстрируют их пригодность и надежность для применения в целях обеспечения безопасности, и в их конструкции должны использоваться проверенные компоненты.
Проверенный компонент, применяемый в целях обеспечения безопасности, должен быть:
a) широко использован в прошлом для подобных целей и условий с успешными результатами; и
b) изготовлен и проверен с использованием принципов, которые демонстрируют его пригодность и надежность для применения в целях обеспечения безопасности.
Вновь разработанные компоненты могут рассматриваться как эквивалентные проверенным компонентам, если они удовлетворяют условию, указанному в
перечислении b).
Соответствие проверяют внешним осмотром и измерением.
5.3 Защитные ограждения горячих частей
Любые доступные во время нормальной работы части машины, которые имеют температуру поверхности свыше 94 °C для неметаллических материалов и свыше 80 °C для металлических материалов, рассматриваются как горячие поверхности.
Горячие поверхности должны быть ограждены или сконструированы таким образом, чтобы выполнение требований EN 14930 было подтверждено результатами соответствующих испытаний.
Методы контроля температуры поверхности и выполнения требований, приведенных выше, - по EN 14930.
Внутренняя часть и выпускной патрубок системы выпуска отработавших газов двигателя не считаются горячими частями и поэтому не должны проходить испытание по EN 14930.
5.4 Прочность и жесткость корпуса вентилятора
5.4.1 Общие требования
Корпус вентилятора, включая все съемные и подвижные защитные ограждения, должен иметь достаточную механическую прочность и быть сконструирован таким образом, чтобы выдерживать грубое обращение, предполагаемое при нормальной эксплуатации.
Соответствие проверяют испытаниями по
5.4.2.
5.4.2 Испытание на прочность и жесткость корпуса вентилятора ручных и ранцевых машин с двигателем внутреннего сгорания
Испытываемую машину надежно крепят и посредством пружинного молотка, соответствующего требованиям IEC 60068-2-75:1997, в каждую предположительно уязвимую точку корпуса вентилятора наносят три удара с энергией (1,0 +/- 0,05) Дж.
Для обеспечения надежного крепления испытываемой машины ее устанавливают вплотную к твердой стене из кирпича, бетона или другого подобного материала. В этом случае на стене необходимо надежно закрепить полиамидную пластину, при этом необходимо следить за тем, чтобы между пластиной и стеной не оставалось заметного зазора. Пластина должна иметь твердость по шкале Роквелла не менее 100 HRE, толщину не менее 8 мм и достаточную ширину, чтобы обеспечить поддержку всех частей испытываемой машины.
После испытания все части корпуса вентилятора, необходимые для соблюдения требований настоящего стандарта, не должны отсоединяться и должны отсутствовать любые видимые повреждения (трещины, изломы) этих частей. После завершения испытания машина может быть непригодна для использования, но если машина находится в рабочем состоянии, то ее работоспособность должна быть проверена в течение 30 с при максимальной частоте вращения двигателя, и после этого все элементы машины, необходимые для ее безопасной эксплуатации, также не должны отсоединяться и должны отсутствовать любые видимые повреждения этих частей.
Если имеются сомнения в том, что причиной появления дефекта стали предыдущие испытания на удар, этот дефект не учитывается, и испытаниям на удар в том же месте подвергают новый образец испытываемой машины, который должен успешно выдержать испытание.
Если внутренняя поверхность защищена декоративным покрытием, то испытание проводят со снятым декоративным покрытием.
Повреждения лакокрасочного покрытия, небольшие вмятины и сколы, которые не влияют на функционирование защитного ограждения, не учитывают.
Повреждения (трещины, изломы), которые не видны невооруженным глазом, не учитывают.
5.5 Прочность корпуса пылесоса
5.5.1 Общие требования
Машина должна иметь достаточную прочность корпуса, чтобы выдерживать усилия, возникающие во время нормальной работы и при поломке вентилятора.
Все части машины не должны отсоединяться и должны отсутствовать любые видимые отверстия, повреждения (трещины, изломы) в защитном ограждении движущихся частей или в мусоросборнике.
Соответствие проверяют испытаниями по
5.5.2.
5.5.2 Испытание корпуса пылесоса на прочность
Испытание на прочность корпуса проводят на всех пылесосах путем всасывания треугольных керамических призм высотой (6,5 +/- 0,8) мм и массой (0,4 +/- 0,02) г (см.
рисунок 1).
Рисунок 1 - Керамическая призма
Это испытание не применяется для машин, мощность всасывания которых недостаточна для всасывания образца призмы, используемого при испытаниях.
Если машина оснащена съемным измельчителем, то ее испытывают как с измельчителем, так и без него.
При испытаниях 1 кг керамических призм следует распределить плотно в один слой на гладкой, твердой и плоской поверхности. Машина должна работать на максимально достижимой рабочей частоте вращения двигателя. Загрузочное (впускное) отверстие должно быть расположено как можно ближе к призмам. Призмы необходимо всосать как можно быстрее в течение 30 с. Призмы должны быть собраны в мусоросборник.
После всасывания керамических призм машина должна продолжать работу еще в течение 30 с до выключения.
5.6 Рукоятки и органы управления
5.6.1.1 Все органы управления
На всех органах управления способом, обеспечивающим долговечность, должны быть нанесены соответствующая маркировка или символ, четко указывающие их функцию, направление перемещения и/или способ приведения в действие.
В руководстве по эксплуатации должны быть приведены подробные инструкции по обращению со всеми органами управления.
Соответствие проверяют внешним осмотром.
Примечание - Общая техническая информация по маркировке, идентификации и эргономике органов управления - по EN 60073
[3] и EN 894-1
[4].
5.6.1.2 Управление дроссельной заслонкой
Если предусмотрено управление дроссельной заслонкой оператором, то соответствующий орган управления должен быть встроен в рукоятку. Орган управления дроссельной заслонкой должен быть расположен таким образом, чтобы его можно было активировать и отключить, при этом удерживая рукоятку, в которую он встроен. При отсутствии управляющего воздействия этот орган управления должен автоматически возвращаться в положение "холостой ход", если не активировано устройство блокировки дроссельной заслонки или устройство регулировки дроссельной заслонки. Непреднамеренное приведение в действие дроссельной заслонки должно быть предотвращено путем ее встраивания в рукоятку. Соответствие проверяют внешним осмотром и функциональными испытаниями.
5.6.1.3 Блокировка дроссельной заслонки
Если предусмотрена блокировка дроссельной заслонки, то она должна активироваться вручную и автоматически отключаться при воздействии оператора на орган управления дроссельной заслонкой.
Соответствие проверяют функциональными испытаниями.
5.6.1.4 Устройство настройки дроссельной заслонки
Если предусмотрено устройство регулировки дроссельной заслонки, то соответствующий орган управления должен быть расположен таким образом, чтобы во время нормальной работы его можно было активировать и отключить, при этом удерживая рукоятку(и).
Соответствие проверяют функциональными испытаниями.
5.6.1.5 Устройство останова двигателя
Машины должны быть оснащены устройством останова двигателя, которое должно позволять оператору управлять им без отпускания захвата рукоятки(ок). Продолжение функционирования (активации) устройства управления не должно зависеть от непрерывного воздействия на него. Положение останова должно быть четко обозначено. Орган управления остановом двигателя должен быть контрастного цвета по отношению к фону.
Соответствие проверяют внешним осмотром и функциональными испытаниями.
Машины должны быть оборудованы хотя бы одной рукояткой.
В некоторых случаях часть рукоятки со встроенным приводом управления считается частью длины захвата рукоятки. Рукоятка с выемками для пальцев или другие предохранительные или защитные накладки не должны влиять на метод вычисления длины захвата.
В соответствии с требованиями настоящего стандарта длина захвата каждой рукоятки должна составлять не менее 100 мм.
Длина захватной части поперечной или замкнутой рукоятки может быть любой, такие рукоятки могут быть прямыми или изогнутой формы с радиусом изгиба более 100 мм (с учетом любого радиуса перехода), но не более 10 мм на одном или обоих концах захватной части.
В случае прямой рукоятки, устанавливаемой по центру (т.е. Т-образной рукоятки), длину рукоятки определяют следующим образом:
a) для рукояток с длиной внешней поверхности (без учета опоры) менее 80 мм длина захватной части является суммой двух частей рукоятки по обе стороны от опоры;
b) для рукояток с длиной внешней поверхности (без учета опоры) 80 мм и более длина захватной части является полной длиной рукоятки от одного конца до другого.
Соответствие проверяют внешним осмотром и измерениями.
5.6.3 Ремни для переноски машин, не оснащенных ранцевым креплением для двигателя
Машины, масса которых с пустым топливным баком составляет более 6 кг, должны оснащаться одноплечным ремнем для переноски. Двуплечным ремнем для переноски должны оснащаться все машины, масса которых с пустым топливным баком превышает 7,5 кг.
Одноплечные ремни должны быть сконструированы или оснащены быстрооткрывающимся приспособлением, позволяющим оператору быстро отсоединить машину в аварийной ситуации. Двуплечные ремни должны быть оснащены быстрооткрывающимся приспособлением. Быстрооткрывающееся приспособление может быть приведено в действие (открыто) только посредством преднамеренного воздействия оператора. Все ремни для переноски должны иметь возможность регулировки в соответствии с ростом оператора.
Машины, масса которых превышает 7,5 кг, должны быть оснащены подкладками в местах контакта машины с телом оператора.
Соответствие проверяют внешним осмотром и функциональными испытаниями.
5.7 Устройство пуска двигателя
Не допускается оснащать машины устройством пуска двигателя, приводимым в действие свободным тросом.
Соответствие проверяют внешним осмотром.
5.8.1 Снижение уровня шума на стадии конструирования и меры защиты
Машины должны быть сконструированы и изготовлены таким образом, чтобы риски, связанные с распространением воздушного шума, были сведены к минимальному уровню с учетом технического прогресса и наличия средств снижения шума, в частности у источника. Основными источниками шума машин являются:
- система забора воздуха;
- система охлаждения двигателя;
- вентилятор;
- вибрирующие поверхности;
- измельчитель.
Примечание - В EN ISO 11688-1
[5] приведена общая информация о технических правилах и методах, которые необходимо соблюдать при конструировании машин с низким уровнем шума.
5.8.2 Рекомендации по снижению уровня шума
Если после принятия возможных мер по снижению уровня шума на стадии конструирования изготовитель считает, что необходимо обеспечить дополнительную защиту оператора, то в руководстве по эксплуатации должна быть приведена соответствующая информация по остаточным рискам.
5.8.3 Измерение уровня шума
Определение уровня звуковой мощности и уровня звукового давления излучения на рабочем месте оператора следует проводить с использованием методов измерений, приведенных в
приложении A.
5.9.1 Снижение вибрации при конструировании и меры защиты
Машина должна быть сконструирована таким образом, чтобы создаваемый ею уровень вибрации был минимальным. Основные источники вибрации - вибрация двигателя, несбалансированные подвижные части вентилятора, биения в подшипниках и других механизмах, а также взаимодействие между оператором и машиной.
Примечание - В CR 1030-1
[6] приведена общая техническая информация о технических правилах и методах, которые необходимо соблюдать при конструировании машин с низким уровнем вибрации на органах управления.
5.9.2 Рекомендации по снижению уровня вибрации
Если после принятия возможных мер по снижению уровня вибрации на стадии конструирования изготовитель считает, что необходимо обеспечить дополнительную защиту оператора, то в руководстве по эксплуатации должна быть приведена соответствующая информация по остаточным рискам.
5.9.3 Измерение уровня вибрации
Для измерения и расчета вибрации, воздействующей на оператора, следует использовать методы, приведенные в
приложении B.
Примечание - На оператора может воздействовать значительная вибрация, передаваемая от источника питания посредством ремней ранцевого крепления (держателя). Такая вибрация не рассматривается в настоящем стандарте. В настоящее время отсутствует соответствующая методика измерения.
5.10 Защита от отработавших газов
Система выпуска отработавших газов должна быть сконструирована таким образом, чтобы струя отработавших газов была направлена вниз или в сторону от оператора, использующего машину, которая находится в нормальном рабочем положении. Нормальное рабочее положение машины должно быть описано в руководстве по эксплуатации.
Соответствие проверяют внешним осмотром.
5.11 Требования электробезопасности
5.11.1 Общие требования
Изолированные электрические кабели должны иметь защиту, если они проложены таким образом, что подвергаются возможному истиранию при контакте с металлическими поверхностями, а также они должны быть устойчивы к воздействию смазочных материалов и топлива или защищены от них.
Соответствие проверяют внешним осмотром.
5.11.2.1 Общие требования
Должны быть предусмотрены прерывание зажигания или короткое замыкание, и они должны быть установлены на стороне низкого напряжения.
Все высоковольтные части электрической цепи, включая соединительные клеммы свечей зажигания, должны иметь электрическую защиту на случай, если оператор случайно прикоснется к ним.
Соответствие проверяют внешним осмотром и испытаниями по
5.11.2.2.
Соответствие требованиям проверяют внешним осмотром и испытанием с использованием испытательного щупа B по IEC 61032:1997.
Критерий приемки: испытательный щуп не должен касаться высоковольтных частей электрической цепи, включая соединительные клеммы свечей зажигания.
5.12 Заправочная горловина топливного бака
Диаметр заправочной горловины топливного бака должен составлять не менее 20 мм, крышка бака должна быть оснащена фиксатором. Крышка должна быть сконструирована таким образом, чтобы полностью предотвращать потери топлива во время эксплуатации машины в любом рабочем положении и при транспортировании.
Заправочная горловина топливного бака должна быть расположена таким образом, чтобы другие конструктивные элементы не препятствовали наполнению бака при помощи воронки. Просачивание топлива из систем вентиляции топливного бака не считается утечкой.
Соответствие проверяют внешним осмотром и функциональными испытаниями.
5.13 Дополнительные требования к ранцевым креплениям (держателям) для двигателя
5.13.1 Захваты
Для того чтобы оператор мог поднять ранцевое крепление (держатель) с двигателем на спину и снять его со спины, часть ранцевого крепления (держателя) должна быть сконструирована как захват для руки оператора, либо ранцевое крепление (держатель) должно быть оборудовано специальным захватом.
Соответствие проверяют внешним осмотром и функциональными испытаниями.
5.13.2 Ранцевые крепления (держатели) и ремни для переноски
Ремень для переноски должен быть сконструирован так, чтобы он не скользил и регулировался таким образом, чтобы давление было равномерно распределено на спине и плечах оператора.
Ремни для переноски ранцевого крепления (держателя) должны быть оснащены быстрооткрывающимся приспособлением, позволяющим оператору быстро отсоединить ранцевое крепление (держатель) в аварийной ситуации. Быстрооткрывающееся приспособление может быть приведено в действие (открыто) только посредством преднамеренного воздействия оператора.
Соответствие проверяют внешним осмотром и функциональными испытаниями.
6 Информация для пользователя
6.1 Руководство по эксплуатации
Каждая машина должна поставляться с руководством по эксплуатации, в котором должны быть приведены подробные указания и сведения обо всех аспектах технического обслуживания и безопасного использования машины, включая предупреждения об опасностях при использовании машины. Руководство по эксплуатации должно соответствовать EN ISO 12100:2010 (пункт 6.4.5). На титульном листе руководства по эксплуатации должна быть приведена информация, указывающая пользователю, что перед использованием машины он должен внимательно прочесть руководство по эксплуатации.
Руководство по эксплуатации должно содержать описание всех рабочих процессов, которые должен выполнять пользователь (оператор). Руководство по эксплуатации должно быть достаточно простым и понятным, чтобы быть пригодным и для неопытных пользователей. Руководство по эксплуатации должно содержать:
- инструкции и при необходимости схемы для правильной сборки и разборки машины, если ее поставляют частично разобранной;
- инструкции и при необходимости схемы для правильного использования машины по назначению, включая информацию об ограничениях применения и прогнозируемом неправильном применении;
- инструкции и при необходимости схемы для указанных рабочих положений, а также для правильной и безопасной эксплуатации машины, например сдувание/всасывание посторонних предметов, транспортирование, безопасное обращение с топливом и снятие блокировок;
- инструкции и при необходимости схемы для правильной настройки и необходимого технического обслуживания машины пользователем, включая требования к периодичности технического обслуживания;
- инструкции по техническому обслуживанию, выполняемому в сервисных центрах (не пользователем), такие как рекомендуемая замена или ремонт или сервисное техническое обслуживание критически важных компонентов;
- предупреждение об опасности, связанной с вращающимися частями;
- предупреждение о том, что машина не предназначена для использования детьми;
- предупреждение о том, что присутствие детей и других людей, а также домашних животных возле машины во время ее работы недопустимо;
- предупреждение о том, что работать вблизи открытых окон запрещено и т.д.;
- пояснения ко всем символам безопасности, используемым на машине, и повторение всей информации о машине, за исключением серийного номера;
- для машин, оснащенных мусоросборником, инструкции по его установке и снятию;
- инструкции по использованию режимов работы с низким уровнем вибрации и/или ограничению времени работы для исключения причинения вреда оператору из-за вибрации и/или нарушения слуха;
- инструкции по выбору и использованию средств индивидуальной защиты (СИЗ);
- предупреждение о том, что при работе машины с высоким уровнем шума необходимо использовать средства защиты органов слуха;
- описание последовательности действий в случае аварии или неисправности, и если используется блокировка, то безопасный способ снятия блокировки;
- технические характеристики используемых запасных частей, если они влияют на здоровье и безопасность оператора;
- рекомендации по использованию машины только в установленное время - не рано утром или поздно вечером, когда работа машины может помешать другим людям;
- рекомендации по предварительному использованию граблей и метел для разрыхления мусора перед сдуванием/всасыванием;
- рекомендации по предварительному увлажнению поверхности в условиях сильной запыленности или использованию приспособлений - насадок для орошения;
- рекомендации по использованию удлиняющих насадок для воздуходувок, обеспечивающих работу воздушного потока вблизи земли.
Руководство по эксплуатации и техническая документация, описывающая машину, должны содержать следующую информацию:
- корректированный по
A уровень звукового давления на рабочем месте оператора, определенный в соответствии с
приложением A, если он превышает 70 дБ(А); если он ниже 70 дБ(А), то это также должно быть указано;
- корректированный по
A уровень звуковой мощности, определенный в соответствии с
приложением A, если корректированный по
A уровень звукового давления на рабочем месте оператора превышает 85 дБ(А);
- уровень звуковой мощности шума, излучаемого машиной, определенный в соответствии с
Директивой EC 2000/14/EC
[7];
- неопределенности измерений.
Примечание 1 - Информация о неопределенностях измерения приведена в
A.6;
- наибольшее суммарное значение вибрации, воздействующей на руки и все тело оператора, определенное в соответствии с
приложением B, если оно превышает 2,5 м/с
2; если это значение менее 2,5 м/с
2, то это также должно быть указано;
- неопределенности измерений.
Примечание 2 - Информация о неопределенностях измерения приведена в
B.6.
В руководстве по эксплуатации и технической документации указывают либо фактические значения уровня шума и вибрации, измеренные на данной машине, либо значения, полученные в результате измерений, проведенных на аналогичных машинах (одного типа), которые могут быть применимы для изготавливаемых машин.
Следует указывать режимы работы машины во время измерения и методы измерений, используемые в соответствии с
приложением A или
приложением B.
Примечание 3 - Рекламная литература, описывающая эксплуатационные характеристики машин, не должна противоречить информации об уровне шума и величине вибрации, которая приведена в руководстве по эксплуатации.
Соответствие проверяют внешним осмотром.
На все машины должна быть нанесена четкая и долговечная маркировка, содержащая следующую информацию:
- наименование и полный адрес изготовителя и, при необходимости, уполномоченного изготовителем лица;
- наименование (обозначение) машины;
- год изготовления, т.е. год, в котором процесс изготовления был завершен;
- обозначение серии или типа;
- порядковый (серийный) номер при наличии.
Органы управления должны быть четко идентифицируемы по назначению, направлению перемещения и/или способу приведения в действие.
Примечание - Используемые графические символы должны соответствовать приведенным в ISO 3767-1
[8], ISO 3767-3
[9], ISO 3767-4
[10] и ISO 3767-5
[11].
На все машины в виде текста или графических символов должны быть нанесены четкие и долговечные указания, в частности:
- предупреждения, приведенные на одном из официальных языков страны, в которой будет продаваться машина;
- разборчивые предупреждения в отношении опасностей, размещенные как можно ближе к опасному месту. В качестве альтернативы можно использовать контрастные цвета (например, черный на желтом, красном или оранжевом, если общий фон желтый; зеленый или синий цвета не используются). Если предупреждения изготовлены литьем, чеканкой или штамповкой, то использование цветов не требуется;
- предупреждения о характерной опасности в отношении использования защитных ограждений, открываемых оператором, которые остаются присоединенными к машине после открытия или снятия;
- предупреждение о необходимости ознакомления с руководством по эксплуатации;
- предупреждение о необходимости держаться на расстоянии от других людей;
- предупреждение о необходимости использовать средства индивидуальной защиты органов зрения и слуха.
Если используются графические символы, то в руководстве по эксплуатации должны быть приведены соответствующие пояснения к ним. Примеры символов безопасности приведены в
приложении C.
Соответствие проверяют внешним осмотром.
6.4 Долговечность маркировки и предупреждений
Маркировка, предназначенная для целей идентификации, а также указания или предупреждения должны:
- быть прочно закреплены на поверхности машины;
- быть водостойкими и устойчивыми к истиранию;
- не загибаться по краям;
- быть устойчивыми к воздействию топлива или смазочных жидкостей.
Соответствие следует проверять внешним осмотром и испытаниями, приведенными ниже.
Все маркировочные знаки, предусмотренные в
6.2 и
6.3, за исключением маркировки, изготовленной литьем, чеканкой или штамповкой, следует протирать вручную смоченной в воде тканью в течение 15 с, а затем еще в течение 15 с тканью, смоченной в бензине.
Для испытаний применяют бензин, являющийся алифатическим раствором гексана с максимальной объемной долей ароматических соединений 0,1%, с каури-бутаноловым показателем 29, температурой начала кипения 65 °C, температурой конца кипения 69 °C и плотностью примерно 0,66 кг/л.
После испытания маркировка должна быть легкочитаемой. Этикетки не должны легко отделяться от корпуса машины и иметь следы скручивания.
(обязательное)
ИСПЫТАНИЯ НА ШУМ. ТЕХНИЧЕСКИЙ МЕТОД (СТЕПЕНЬ ТОЧНОСТИ 2)
A.1 Общие положения
Вместе с требованиями настоящего приложения применяют требования EN ISO 22868:2008 (разделы 3 - 7).
A.2 Условия окружающей среды машины
Измерения проводят на новой, нормально функционирующей машине со стандартным сменным оборудованием, поставляемым изготовителем машины.
При необходимости перед испытаниями должна быть выполнена обкатка двигателя. Обкатка двигателя выполняется в соответствии с руководством по эксплуатации изготовителя.
Перед началом испытания должны быть выполнены пуск двигателя и его прогрев до достижения стабильных условий работы. Регулировка карбюратора и установка момента зажигания выполняются в соответствии с руководством по эксплуатации изготовителя.
Число оборотов двигателя при максимальной частоте вращения двигателя следует сохранять постоянным с точностью +/- 2,0 с-1 и на холостом ходу с точностью +/- 3,5 с-1.
После начала испытаний изменение начальных настроек не допускается.
A.3 Установка и ориентация машины
A.3.1 Установка и крепление машины
Для крепления машины в требуемом положении используют захваты, не отражающие звук.
Примечание - Для того чтобы избежать структурных резонансов, рекомендуется использовать эластичные крепления.
a) Машины с точкой подвеса:
Машину крепят в захватах так, чтобы точка подвеса находилась на высоте (775 +/- 10) мм над уровнем опорной поверхности. Нижний край насадки воздуходувки должен располагаться на высоте
H, составляющей (50 +/- 25) мм от уровня опорной поверхности (см.
рисунок A.1). Если точка подвеса регулируется, то ее положение следует выбрать так, чтобы размер
H находился в пределах требуемого диапазона.
b) Машины без точки подвеса:
Машину крепят в захватах так, чтобы центр рукоятки, в которую встроен орган управления дроссельной заслонкой, находился на высоте (775 +/- 10) мм от уровня опорной поверхности. Нижний край насадки воздуходувки должен располагаться на высоте
H, составляющей (50 +/- 25) мм от уровня опорной поверхности (см.
рисунок A.2).
c) Машина с ранцевым креплением (держателем):
Узел машины с насадкой воздуходувки крепят в захватах, как описано в
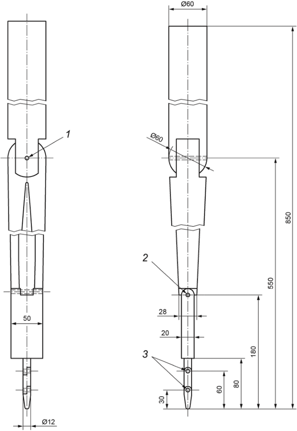
перечислении b). Ранцевое крепление с двигателем крепят в испытательном приспособлении, используя узлы крепления плечевых ремней так, чтобы нижняя кромка ранца располагалась на высоте (1030 +/- 25) мм от уровня опорной поверхности.
1 - боковое положение микрофона (по отношению к положению
оператора); 2 - испытательное приспособление для крепления
Рисунок A.1 - Схема для испытания машин с двигателем
внутреннего сгорания
1 - боковое положение микрофона (по отношению к положению
оператора); 2 - крепление для плечевых ремней; 3 - нижняя
кромка ранца; 4 - испытательное приспособление для крепления
| | ИС МЕГАНОРМ: примечание. В официальном тексте документа, видимо, допущена опечатка: рисунок имеет номер A.2, а не A.1. | |
Рисунок A.1 - Схема для испытания ранцевых машин
Ранцевое крепление с двигателем располагают так, чтобы рукоятка была расположена на расстоянии (300 +/- 25) мм справа от вертикальной оси ранца и на расстоянии (200 +/- 25) мм впереди вертикальной оси, проходящей через крепления плечевых ремней (см.
рисунок A.2).
A.3.2 Ориентация машины для измерения корректированного по A уровня звуковой мощности
Машину следует ориентировать так, чтобы насадка воздуходувки была направлена вдоль оси X и центр двигателя находился над центром полусферы.
A.3.3 Положение микрофона для измерения корректированного по A уровня звукового давления
a) Для машин с точкой подвеса микрофон должен располагаться вертикально на расстоянии (875 +/- 10) мм над точкой подвеса (см.
рисунок A.1).
b) Для машин без точки подвеса микрофон должен располагаться вертикально на расстоянии (875 +/- 10) мм над центром рукоятки, в которую встроен орган управления дроссельной заслонкой (см.
рисунок A.2).
A.4 Методика испытаний
A.4.1 Общие положения
Значения параметров излучения шума следует определять для двух различных режимов работы, для холостого хода и при максимальной частоте вращения двигателя.
Испытания проводят следующим образом:
a) следует выполнить не менее четырех отдельных измерений, каждый раз с коротким перерывом, за который частота вращения между измерениями существенно изменяется. Отделить каждое измерение, например, на холостом ходу коротким периодом разгона, и наоборот. После таких изменений необходимо достигнуть стабильных условий работы двигателя, прежде чем продолжить испытания;
b) данные об уровне шума должны быть получены не менее чем за четыре отдельных периода общей продолжительностью не менее 20 с, а также
c) продолжительность каждого используемого сигнала должна быть не менее 2 с, в течение которых число оборотов двигателя при максимальной частоте вращения двигателя должно находиться в пределах +/- 2,0 с-1, на холостом ходу - в пределах +/- 3,5 с-1.
Последовательность сбора данных для холостого хода и при максимальной частоте вращения двигателя не регламентируется.
Для достижения необходимой степени точности при измерении уровня звуковой мощности или уровня звукового давления на рабочем месте оператора проводимые испытания для каждого режима работы следует повторять до тех пор, пока четыре полученных друг за другом результата измерений по шкале A шумомера будут отличаться не более чем на 2 дБА. Среднее арифметическое этих четырех значений, определяемых для каждого положения микрофона, представляет собой измеренный корректированный по A уровень звукового давления машины.
Данную методику следует применять для всех перечисленных ниже режимов работы (
A.4.2 и
A.4.3) как при измерении корректированного по
A уровня звукового давления, так и при измерении корректированного по
A уровня звуковой мощности.
Корректированный по A уровень звуковой мощности в соответствии с данной методикой определяют по среднему уровню звукового давления в шести точках измерения (шесть положений микрофона).
Измерения следует проводить при скорости вращения двигателя на холостом ходу с незадействованным органом управления дроссельной заслонкой.
A.4.3 Максимальная частота вращения двигателя
Следует регулировать число оборотов двигателя положением дроссельной заслонки.
Измерения следует проводить с полностью открытой дроссельной заслонкой.
Если двигатель оборудован ограничителем частоты, то измерения проводят при максимальной допускаемой частоте вращения двигателя.
Если двигатель не позволяет обеспечить стабильную частоту, то испытания проводят при максимально возможной стабильной частоте вращения двигателя, но она не должна быть более чем на 8 с-1 ниже максимальной частоты, указанной на регуляторе частоты вращения двигателя. Эту информацию следует регистрировать.
A.5 Регистрируемая информация
A.5.1 Общие положения
Приведенную ниже информацию следует регистрировать при выполнении всех измерений в соответствии с требованиями настоящего стандарта.
А.5.2 Испытываемая машина
a) Описание машины, включая рабочий объем двигателя, тип, серийный номер и используемое оборудование: воздуходувка или пылесос;
b) режимы работы при измерении уровня шума, как указано в
таблицах A.1 и
A.2.
Таблица A.1
Определение корректированного по
A уровня звукового давления
излучения LpA. Таблица для регистрации в протоколе
измеренных, средних и излучаемых значений шума
Режим работы | Частота вращения двигателя, с-1 | Измеренные по шкале A уровни звукового давления  , дБ Испытание N | Среднеарифметическое значение , дБ | Коррекция на фоновый шум K1A, дБ | Корректированный уровень звукового давления LpAX, дБ |
1 | 2 | 3 | 4 | n |
Холостой ход Id | | | | | | | | | |
Максимальная частота вращения двигателя Ra | | | | | | | | | |
Примечание - Корректированный по A уровень звукового давления для соответствующего режима работы в условиях X рассчитывают по формуле где K1A - коррекция на фоновый шум в соответствии с EN ISO 11201. |
Таблица A.2
Таблица для регистрации в протоколе корректированного
по A уровня звуковой мощности
Испытание | Режим работы | Частота вращения двигателя, с-1 |  , дБ |  , дБ |  , дБ |  , дБ |  , дБ |  , дБ |  , дБ |
1 | Холостой ход Id | | | | | | | | |
Максимальная частота вращения двигателя Ra | | | | | | | | |
2 | Холостой ход Id | | | | | | | | |
Максимальная частота вращения двигателя Ra | | | | | | | | |
3 | Холостой ход Id | | | | | | | | |
Максимальная частота вращения двигателя Ra | | | | | | | | |
4 | Холостой ход Id | | | | | | | | |
Максимальная частота вращения двигателя Ra | | | | | | | | |
N | Холостой ход Id | | | | | | | | |
Максимальная частота вращения двигателя Ra | | | | | | | | |
Средний измеренный уровень звукового давления  | Холостой ход Id | |
Максимальная частота вращения двигателя Ra | |
- - измеренные эквивалентные уровни звукового давления в соответствующих точках измерения. - средний уровень звукового давления, определенный в соответствии с EN ISO 3744:2010 (подраздел 8.1, формула 4). - среднеарифметическое значение  для соответствующего режима работы. При необходимости в протокол заносят отдельные значения для  . Методика испытаний может предусматривать автоматическое усреднение значений. |
A.5.3 Акустическая среда
Описание условий окружающей среды при измерениях должно включать:
- если испытания проводят в полевых условиях, то приводят эскиз, отражающий расположение машины, включая описание характеристик внешних условий окружающей среды при измерениях. Следует описать характеристики измерительной площадки;
- если испытания проводят в лабораторных условиях, то приводят описание характеристик стен, потолка и пола, включая эскиз, отражающий расположение машины и других предметов в помещении;
- значение K2A.
A.5.4 Оборудование для измерений
a) Оборудование, используемое для измерений, включая его обозначение, тип, серийный номер и товарный знак/изготовителя;
b) метод калибровки измерительной системы;
c) место и дату последней калибровки акустического калибратора.
A.5.5 Измеренные значения уровня шума и другие данные
a) Корректированные по A уровни звукового давления фонового шума в местах установки микрофона;
c) замечания, касающиеся субъективного восприятия шума (слышимые тихие тона, импульсность, спектральное содержание, временные характеристики и т.д.);
d) температура воздуха и скорость ветра;
e) место и дата выполнения измерений.
Таблица A.3
Определение корректированного по
A уровня звуковой мощности.
Таблица для регистрации в протоколе уровня звуковой мощности
Режим работы | Средний уровень звукового давления  , дБ | Коррекция на фоновый шум K1A, дБ | Уровень звукового давления на поверхности  , дБ | Поправка на площадь измерительной поверхности LS, дБ | Уровень звуковой мощности LWA, дБ |
Холостой ход Id | | | | | |
Максимальная частота вращения двигателя Ra | | | | | |
Примечание 1 - - среднее арифметическое значение  для соответствующего режима работы по таблице A.2. Примечание 2 -  , где  следует заменять на  или .Примечание 3 - ,где  , выраженный в децибелах с S0 = 1 м2 и S - поверхность полусферы, м2. |
A.5.6 Расчет эквивалентных уровней шума для рабочих циклов
Эквивалентный корректированный по A уровень звукового давления излучения LpAeq, дБ, определяют по формуле

(1)
где LpAId - уровень звукового давления излучения для режима холостого хода;
LpARa - уровень звукового давления излучения для режима максимальной частоты вращения двигателя.
Эквивалентный корректированный по A уровень звуковой мощности LWAeq, дБ, определяют по формуле
LWAeq = LWARa, (2)
где LWARa - уровень звуковой мощности для режима максимальной частоты вращения двигателя.
A.6 Заявление значений шумовых характеристик
Заявление значений шумовых характеристик машины готовит изготовитель. Корректированный по A уровень звукового давления излучения на рабочем месте оператора и корректированный по A уровень звуковой мощности следует указывать как одночисловое значение в соответствии с EN ISO 4871. Значения излучения шума для холостого хода и максимальной частоты вращения двигателя следует указывать отдельно.
Заявление должно содержать ссылку на настоящий стандарт (методика измерения) и на примененный основополагающий стандарт на методы измерения шума (EN ISO 3744 и/или EN ISO 11201). Если имеются отступления от настоящего и/или основополагающего стандартов, то они должны быть указаны.
Связанные с измерениями неопределенности измерений следует учитывать при определении заявленных значений уровня излучаемого шума.
Примечание - Методология, используемая для учета неопределенностей измерения, должна основываться на использовании измеренных значений и неопределенностей измерений. Последние представляют собой неопределенность, связанную с процедурой измерения (которая определяется по степени точности используемого метода измерения) и функциональной неопределенностью (изменение уровня шума от одной машины к другой того же типа и того же изготовителя). Порядок расчета неопределенностей измерения приведен в EN ISO 4871.
(обязательное)
ИЗМЕРЕНИЕ ВИБРАЦИИ НА РУКОЯТКАХ
B.1 Общие положения
Вместе с требованиями настоящего приложения применяют требования EN ISO 22867:2008 (разделы 3 - 10).
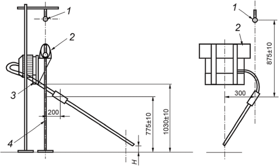
B.2 Направление и место измерения
Метод крепления и расположение акселерометров - в соответствии с
рисунками B.1 и
B.2, в зависимости от конструкции рукояток.
Рисунок B.1 - Крепление акселерометра на переносных ручных
воздуходувках и пылесосах
Рисунок B.2 - Крепление акселерометра на ранцевых
воздуходувках и пылесосах
Акселерометр устанавливают таким образом, чтобы рука оператора находилась близко к акселерометру, в пределах предполагаемого диапазона захвата, но не касалась его.
На рукоятке со встроенным органом управления дроссельной заслонкой акселерометр устанавливают на расстоянии (20 +/- 2) мм перед дроссельной заслонкой (см.
рисунки B.1 и
B.2). Если эта область для установки недоступна, то акселерометр размещают непосредственно перед зоной обхвата данной рукоятки.
На всех остальных рукоятках акселерометр устанавливают на расстоянии (20 +/- 2) мм перед зоной обхвата данной рукоятки или для рукояток в форме скобы акселерометр устанавливают на расстоянии (40 +/- 2) мм от центра рукоятки.
B.3 Регулировка машины перед испытанием
Измерения проводят на новой нормально функционирующей машине со стандартным сменным оборудованием, поставляемым изготовителем машины.
При необходимости перед испытаниями должна быть выполнена обкатка двигателя. Обкатка двигателя выполняется в соответствии с руководством по эксплуатации изготовителя.
Перед началом испытания должен быть выполнен пуск двигателя и его прогрев до достижения стабильных условий работы.
Регулировка карбюратора и установка момента зажигания выполняются в соответствии с руководством по эксплуатации изготовителя.
После начала испытаний изменение начальных настроек не допускается.
Машина должна находиться в вертикальном положении, которое поддерживается при помощи плечевых ремней для переноски в соответствии с конструкцией машины, и оператор должен удерживать машину таким образом, чтобы центр рукоятки, в которую встроен орган управления дроссельной заслонкой, находился на расстоянии (775 +/- 10) мм над уровнем опорной поверхности.
Для ранцевых машин ранцевое крепление (держатель) с двигателем размещают на спине оператора.
Нижний край насадки воздуходувки должен располагаться на высоте, составляющей (50 +/- 25) мм от уровня опорной поверхности.
Во время измерения оператор должен сжимать рукоятку(и) с усилием, соответствующим нормальным рабочим условиям.
Примечание - Усилия захвата рукояток влияют на измерения уровня вибрации.
B.4 Методика испытаний
B.4.1 Общие положения
Значение параметров вибрации следует определять для двух различных режимов работы: для холостого хода и при максимальной частоте вращения двигателя. Испытания для определения требуемых данных при установленных режимах работы должны включать:
- выполнение не менее четырех отдельных измерений, каждый раз с коротким перерывом, за который частота вращения между измерениями существенно изменяется. Отделить каждое измерение, например, на холостом ходу, коротким периодом разгона, и наоборот. После таких изменений необходимо достигнуть стабильных условий работы двигателя, прежде чем продолжить испытания;
- данные об уровне вибрации должны быть получены не менее чем за четыре отдельных периода общей продолжительностью не менее 20 с.
Продолжительность каждого используемого сигнала должна быть не менее 2 с, в течение которых число оборотов двигателя при максимальной частоте вращения двигателя должно находиться в пределах +/- 2,0 с-1, на холостом ходу - в пределах +/- 3,5 с-1. Последовательность сбора данных для холостого хода и при максимальной частоте вращения двигателя не регламентируется.
Измерения следует проводить при скорости вращения двигателя на холостом ходу с незадействованным органом управления дроссельной заслонкой.
B.4.3 Максимальная частота вращения двигателя
Измерения следует проводить с полностью открытой дроссельной заслонкой. Если двигатель оборудован ограничителем частоты, то измерения проводят при максимальной допускаемой частоте вращения двигателя.
Если двигатель не позволяет обеспечить стабильную частоту, то испытания проводят при максимально возможной стабильной частоте вращения двигателя, но она не должна быть более чем на 8 с-1 ниже максимальной частоты, указанной на регуляторе частоты вращения двигателя. Следует регулировать число оборотов двигателя положением дроссельной заслонки.
Примечание - Измерения с использованием режимов работы по
B.4.2 и
B.4.3 позволяют оценить уровень вибрации, воздействующей на оператора в течение обычного рабочего дня.
B.5 Регистрируемая информация
B.5.1 Общие положения
Приведенную ниже информацию следует регистрировать при выполнении всех измерений в соответствии с требованиями настоящего стандарта.
B.5.2 Общие положения
a) Описание машины, включая рабочий объем двигателя, тип, серийный номер и используемое оборудование: воздуходувка или пылесос;
b) режимы работы при измерении, как указано в
таблице B.1.
Таблица B.1
Таблица для регистрации в протоколе измерений вибрации
и расчета средних арифметических значений общей вибрации
Режимы работы | Величина и единица измерения | Частота вращения двигателя, с-1 | N испытания |
1 | 2 | 3 | 4 | 5 | 6 | n |
Холостой ход Id | ahv,Id (м/с2) | | | | | | | | |
ahv,Id (м/с2) | - | - | - | | | | |
Sn-1 (м/с2) | - | - | - | | | | |
Cv (-) | - | - | - | | | | |
Максимальная частота вращения двигателя Ra | ahv,Ra (м/с2) | | | | | | | | |
ahv,Ra (м/с2) | - | - | - | | | | |
Sn-1 (м/с2) | - | - | - | | | | |
Cv (-) | - | - | - | | | | |
Примечание 1 - Суммарные величины вибрации ahv определяют, регистрируют и рассчитывают их среднее значение  ; измерения повторяют до тех пор, пока коэффициент вариации C v или стандартное отклонение S n-1 не станут менее 0,4. Примечание 2 - Расчет среднего арифметического значения  проводят на основе не менее четырех отдельных измерений суммарной величины вибрации. Примечание 3 - Средние арифметические значения  ,  используют для расчета эквивалентных суммарных величин вибрации ahv,eq. |
B.5.3 Оборудование для измерений
a) Оборудование, используемое для измерений, включая его обозначение, тип, серийный номер и товарный знак/изготовителя;
b) способ крепления и установки акселерометров;
c) метод калибровки измерительной системы;
d) место и дата последней калибровки калибратора акселерометра.
B.5.4 Уровни вибрации и другие данные
a) Точки измерений, то есть места установки акселерометров (при необходимости можно прилагать схему установки);
b) измеряемые значения вибрации и средние значения согласно
таблице B.1;
c) заявленные вибрационные характеристики;
d) замечания при необходимости;
e) температура воздуха;
f) место и дата измерений.
B.5.5 Расчет эквивалентных суммарных величин вибрации
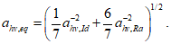
Эквивалентные суммарные величины вибрации ahv,eq основаны на рабочем цикле, состоящем из холостого хода и максимальной частоты вращения двигателя, продолжительностью 1/7 для холостого хода и 6/7 для максимальной частоты вращения двигателя.
Эквивалентную суммарную величину вибрации ahv,eq необходимо определять по формуле

(3)
B.6 Заявление и подтверждение вибрационных характеристик
Заявление значений вибрационных характеристик машины готовит изготовитель. Заявленные вибрационные характеристики машины указывают таким образом, чтобы впоследствии указанные значения можно было проверить.
Заявление вибрационных характеристик должно быть сделано со ссылкой на настоящий стандарт. Следует указывать любые отклонения. Любые отступления от настоящего стандарта должны быть указаны.
Рассчитанные эквивалентные суммарные величины вибрации следует указывать для отображения параметров виброизлучения. Также следует представлять информацию, касающуюся неопределенности измерений K.
Следует предоставлять усредненный уровень вибрации для применяемых режимов работы (холостой ход и максимальная частота вращения двигателя).
Неопределенность измерений
K, связанная с указанным(и) показателем(ями) излучаемой вибрации, основана на общем стандартном отклонении

, состоящем из стандартного отклонения воспроизводимости

и стандартного отклонения

при изготовлении. Руководство для определения

приведено в настоящем приложении. Определение

должен проводить изготовитель, основываясь на своем опыте производственного отклонения.
(справочное)
ПРИМЕРЫ ЗНАКОВ И СИМВОЛОВ БЕЗОПАСНОСТИ. ОБЩИЕ СИМВОЛЫ
В настоящем приложении приведены предупреждающие символы и пиктограммы для использования на машинах, на которые распространяются требования настоящего стандарта.
Рекомендуется в случае использования графических символов применять положения ISO 3767-1
[8], ISO 3767-3
[9], ISO 3767-4
[10], ISO 3767-5
[11] и EN ISO 3864-1
[12], а в случае использования знаков безопасности (предупреждающих символов) - положения ISO 11684
[13].
Примечание - Графический символ 1641 по ISO 7000:2004
[14] может применяться альтернативно к нижнему изображению вышеуказанного знака безопасности.
Рисунок C.1 - Ознакомьтесь с руководством по эксплуатации
Рисунок C.2 - Посторонним не приближаться
Рисунок C.3 - Используйте защитные очки
Рисунок C.4 - Используйте защитные наушники
(обязательное)
МЕТОД КОНТРОЛЯ ЗАТРУДНЕННОГО ДОСТУПА
D.1 Общие положения
Доступ от любой точки отверстия до опасных движущихся частей следует контролировать для того, чтобы убедиться, что до движущихся частей невозможно дотянуться пальцами.
D.2 Направление и место измерения
Оба испытательных приспособления, представленных на
рисунке D.1, не должны контактировать с опасными движущимися частями, если они вводятся в загрузочные и разгрузочные отверстия, при условиях, указанных ниже, до предела, ограниченного их длиной, формой и шарнирными соединениями. Все испытания с образцом должны начинаться с испытательного приспособления в прямом положении, для пальцев и локтей шарнирные соединения испытательного приспособления должны позволять вращение на угол 90°, а для запястья - на углы плюс 90° и минус 45°. Движения шарнирных соединений испытательного приспособления должны быть настолько свободны, чтобы они могли легко вращаться при введении испытательного приспособления в отверстие. Испытательные приспособления должны вводиться в отверстие с усилием, не превышающим 20 Н.
a) Испытательное приспособление, имитирующее руку подростка
Рисунок D.1, лист 1 - Испытательные приспособления,
применяемые при проверке принятых защитных мер, реализующих
затрудненный доступ
1 - ось вращения "локтевой сустав"; 2 - ось вращения
"запястье"; 3 - ось вращения "сустав пальца"
Примечание - Данный рисунок не точно соответствует реальным размерам испытательной модели.
b) Испытательное приспособление,
имитирующее руку подростка
Рисунок D.1, лист 2
Испытательные приспособления при приближении к опасным движущимся элементам следует поворачивать в любом допускаемом шарнирами направлении. При необходимости один или несколько элементов машины могут быть отделены для установки испытательного приспособления таким образом, чтобы оно могло проникнуть как можно дальше к опасным движущимся элементам. Если какой-то из элементов машины удален, то это не должно приводить к продвижению испытательного приспособления дальше, чем это было возможно без снятия этого элемента(ов) машины.
Испытание следует проводить как с установленным в свое рабочее положение мусоросборником, так и без него. Если удаление мусоросборника из-за конструктивных особенностей машины приводит к остановке работы воздуходувки и/или измельчителя (например, предусмотрена блокировка), то испытание следует проводить только с установленным мусоросборником.
D.3 Критерии приемки
Ни одно из двух испытательных приспособлений, имитирующих руки, не должно контактировать с опасными движущимися частями. Если проводят испытание с установленным мусоросборником, то не допускается вдавливание любой части мусоросборника в движущиеся элементы.
(справочное)
ВЗАИМОСВЯЗЬ МЕЖДУ ЕВРОПЕЙСКИМ СТАНДАРТОМ И СУЩЕСТВЕННЫМИ
ТРЕБОВАНИЯМИ ДИРЕКТИВЫ 2006/42/EC
Европейский стандарт был подготовлен в соответствии с мандатом, предоставленным CEN Европейской комиссией и Европейской ассоциацией свободной торговли (ЕАСТ), чтобы обеспечить средства соответствия основополагающим требованиям
Директивы Нового подхода 2006/42/EC Европейского парламента и Совета от 17 мая 2006 г., касающейся продукции машиностроения.
Поскольку этот стандарт приведен в Официальном журнале Европейского союза в качестве взаимосвязанного с вышеуказанной директивой и был внедрен в качестве национального стандарта по крайней мере одним государством-членом, соответствие требованиям настоящего стандарта является, в пределах области его применения, средством выполнения основных требований этой директивы, кроме основополагающих требований, изложенных в
1.2.1, третий параграф, второе перечисление в отношении воздуходувок и пылесосов,
1.3.2 - для плечевых ремней и ранцевых креплений,
1.5.9 - для ранцевых креплений (держателей) двигателей, и соответствующих регламентирующих документов ЕАСТ.
Внимание! На машины, которые входят в область применения настоящего стандарта, могут распространяться требования других директив EC.
(справочное)
СВЕДЕНИЯ О СООТВЕТСТВИИ ССЫЛОЧНЫХ ЕВРОПЕЙСКИХ
И МЕЖДУНАРОДНЫХ СТАНДАРТОВ МЕЖГОСУДАРСТВЕННЫМ СТАНДАРТАМ
Таблица ДА.1
Обозначение ссылочного европейского, международного стандарта | Степень соответствия | Обозначение и наименование соответствующего межгосударственного стандарта |
EN 1088 | - | |
EN 14930:2007 | - | |
EN ISO 3744:2010 (ISO 3744:1994) | - | |
EN ISO 4871:2009 (ISO 4871:1996) | MOD | ГОСТ 30691-2001 (ИСО 4871-96) "Шум машин. Заявление и контроль значений шумовых характеристик" |
EN ISO 11201:2009 (ISO 11201:1995, including Cor 1:1997) | - | ГОСТ ISO 11201-2016 "Шум машин. Определение уровней звукового давления излучения на рабочем месте и в других контрольных точках в существенно свободном звуковом поле над звукоотражающей плоскостью" (ISO 11201:2010, IDT) |
EN ISO 12100:2010 (ISO 12100:2010) | IDT | ГОСТ ISO 12100-2013 "Безопасность машин. Основные принципы конструирования. Оценки риска и снижения риска" |
EN ISO 13849-1:2008 (ISO 13849-1:2006) | IDT | ГОСТ ISO 13849-1-2014 "Безопасность оборудования. Элементы систем управления, связанные с безопасностью. Часть 1. Общие принципы конструирования" |
EN ISO 13857:2008 (ISO 13857:2008) | IDT | ГОСТ ISO 13857-2012 "Безопасность машин. Безопасные расстояния для предохранения верхних и нижних конечностей от попадания в опасную зону" |
EN ISO 22867:2008 (ISO 22867:2004, including Cor 1:2006) | - | ГОСТ ISO 22867-2014 "Вибрация. Определение параметров вибрационной характеристики ручных машин. Машины для лесного и садового хозяйства бензиномоторные" (ISO 22867:2011, IDT) |
EN ISO 22868:2008 (ISO 22868:2005) | - | |
IEC 60068-2-75:1997 | - | |
IEC 61032:1997 | - | |
<*> Соответствующий межгосударственный стандарт отсутствует. Примечание - В настоящей таблице использованы следующие условные обозначения степени соответствия стандартов: - IDT - идентичные стандарты; - MOD - модифицированный стандарт. |
| EN 60335-1:2002 | Sicherheit elektrischer  den Hausgebrauch und  Zwecke - Teil 1: Allgemeine Anforderungen (IEC 60335-1-2001, modifiziert) (Бытовые и аналогичные электрические приборы. Безопасность. Часть 1. Общие требования) |
| IEC 60355-2-100:2002 | Household and similar electrical appliances - Safety - Part 2-100: Particular requirements for hand-held mains-operated garden blowers, vacuums and blower vacuums (Бытовые и аналогичные электрические приборы. Безопасность. Часть 2-100. Дополнительные требования к ручным, работающим от сети садовым воздуходувкам, пылесосам и вентиляторным пылесосам) |
| EN 60073:2002 | Grund- und Sicherheitsregeln  die Mensch-Maschine-Schnittstelle, Kennzeichnung -  und Bedienteile (IEC 60073:2002) (Основные принципы и принципы безопасности для интерфейса человек-машина, маркировка и идентификация. Принципы кодирования индикаторов и силовых приводов) |
| EN ISO 894-1:1997 | Sicherheit von Maschinen - Ergonomische Anforderungen an die Gestaltung von Anzeigen und Stellteilen - Teil 1: Allgemeine  Benutzer-Interaktion mit Anzeigen und Stellteilen (Безопасность машин. Эргономические требования к оформлению индикаторов и органов управления. Часть 1. Общие принципы при взаимодействии оператора с индикаторами и органами управления) |
| EN ISO 11688-1:2009 | Akustik - Richtlinien  die Gestaltung  Maschinen und  - Teil 1: Planung (ISO/TR 11688-1:1995) (Акустика. Практические рекомендации для проектирования машин и оборудования с низким уровнем шума. Часть 1. Планирование) |
| CR 1030-1:1995 | Hand-arm vibration - Guidelines for vibration hazards reduction - Part 1: Engineering methods by design of machinery (Вибрация руки. Руководство по уменьшению опасностей, связанных с вибрацией. Часть 1. Технические методы проектирования машин) |
| |  Richtlinie 2000/14/EG des  Rates und Parlaments vom 8. Mai 2000 zur Angleichung der Rechtsvorschriften der Mitgliedstaaten  umweltbelastende  von zur Verwendung im Freien vorgesehenen  und Maschinen (Директива 2000/14/EC Европейского парламента и Совета от 8 мая 2000 г. относительно сближения законодательств государств-членов, касающихся уровня шума оборудования, используемого вне помещений) |
| ISO 3767-1:1998 | Tractors, machinery for agriculture and forestry, powered lawn and garden equipment - Symbols for operator controls and other displays - Part 1: Common symbols (Тракторы и машины для сельскохозяйственных работ и лесоводства, механизированное газонное и садовое оборудование. Символы для органов управления и другие обозначения. Часть 1. Общие символы) |
| ISO 3767-3:1995 | Tractors, machinery for agriculture and forestry, powered lawn and garden equipment - Symbols for operator controls and other displays - Part 3: Symbols for powered lawn and garden equipment (Тракторы, машины для сельскохозяйственных работ и лесоводства, механизированное газонное и садовое оборудование. Символы для органов управления и другие обозначения. Часть 3. Символы для механизированного газонного оборудования) |
| ISO 3767-4:1993 | Tractors, machinery for agriculture and forestry, powered lawn and garden equipment - Symbols for operator controls and other displays - Part 4: Symbols for forestry machinery (Тракторы, машины для сельскохозяйственных работ и лесоводства, механизированное газонное и садовое оборудование. Символы для органов управления и другие обозначения. Часть 4. Символы для машин для лесоводства) |
| ISO 3767-5:1992 | Tractors, machinery for agriculture and forestry, powered lawn and garden equipment - Symbols for operator controls and other displays - Part 5: Symbols for manual portable forestry machinery (Тракторы, машины для сельскохозяйственных работ и лесоводства, механизированное газонное и садовое оборудование. Символы для органов управления и другие обозначения. Часть 5. Символы для ручных переносных машин для лесоводства) |
| ISO 3864-1:2002 | Graphical symbols - Safety colours and safety signs - Part 1: Design principles for safety signs in workplaces and public areas (Обозначения условные графические. Цвета сигнальные и знаки безопасности. Часть 1. Принципы разработки знаков безопасности для производственных помещений и общественных мест) |
| ISO 11684:1995 | Tractors, machinery for agriculture and forestry, powered lawn and garden equipment - Safety signs and hazard pictorials - General principles (Тракторы и машины для сельскохозяйственных работ и лесоводства, механизированное газонное и садовое оборудование. Знаки безопасности и условные изображения опасности. Общие принципы) |
| ISO 7000:2004 | Graphical symbols for use on equipment - Index and synopsis (Обозначения условные графические, наносимые на оборудование. Перечень и сводная таблица) |
УДК 648.525-027.45(083.74)(476) | | IDT |
Ключевые слова: оборудование садовое, воздуходувки, пылесосы-воздуходувки, пылесосы, требования безопасности, шум, вибрация |