Краткое наименование страны по МК (ИСО 3166) 004-97 | Код страны по МК (ИСО 3166) 004-97 | Сокращенное наименование национального органа по стандартизации |
Армения | AM | ЗАО "Национальный орган по стандартизации и метрологии" Республики Армения |
Беларусь | BY | Госстандарт Республики Беларусь |
Киргизия | KG | Кыргызстандарт |
Россия | RU | Росстандарт |
Таджикистан | TJ | Таджикстандарт |
Узбекистан | UZ | Узстандарт |
Наименование испытания (проверки) | Номер пункта | Вид испытаний | ||
технических требований | метода контроля | приемо-сдаточные | периодические | |
Проверка размеров и предельных отклонений размеров | + | + | ||
Проверка химического состава | + | + | ||
Проверка качества рабочей поверхности | + | + | ||
Проверка качества нерабочей поверхности | + | + | ||
Проверка отклонения формы геометрической поверхности | + | + | ||
Проверка упаковки | + | + | ||
Проверка маркировки ящиков (контейнеров) | + | + | ||
Проверка массы партии | + | + | ||
Проверка массы брутто ящика (контейнера) | + | + | ||
Примечание - Знак "+" обозначает осуществление указанного в таблице вида испытания/проверки. | ||||
Объем партии | Объем выборки |
До 50 включ. | 2 |
Св. 50 до 500 включ. | 5 |
Св. 500 до 35000 включ. | 8 |
Св. 35000 | 20 |

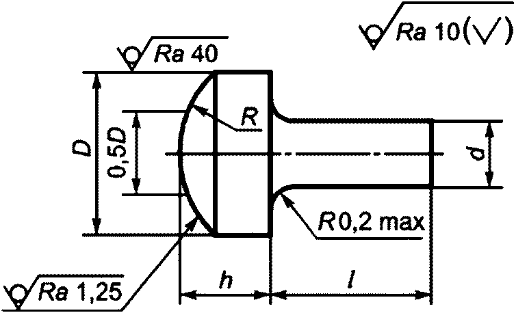
Обозначение контакт-детали | D | d | h | l | Масса 1000 шт. из серебра, г (справочно) |
ПГ 1201 | 1,2 | 0,6 | 0,4 | 1,0 | 7,71 |
ПГ 1503 | 1,5 | 0,5 | 0,8 | 11,64 | |
ПГ 1506 | 0,8 | 0,4 | 0,6 | 10,58 | |
ПГ 1508 | 0,5 | 0,4 | 11,39 | ||
ПГ 1509 | 0,6 | 12,44 | |||
ПГ 1510 | 0,8 | 13,50 | |||
ПГ 1511 | 1,0 | 14,55 | |||
ПГ 1512 | 1,5 | 17,19 | |||
ПГ 1513 | 1,8 | 18,77 | |||
ПГ 1514 | 2,0 | 19,38 | |||
ПГ 1516 | 3,0 | 25,20 | |||
ПГ 1517 | 1,0 | 0,4 | 1,0 | 15,67 | |
ПГ 1518 | 0,8 | 1,0 | 23,08 | ||
ПГ 1519 | 1,2 | 24,73 | |||
ПГ 1520 | 1,5 | 27,20 | |||
ПГ 2005 | 2,0 | 0,8 | 0,5 | 0,6 | 19,64 |
ПГ 2006 | 0,8 | 20,70 | |||
ПГ 2007 | 1,0 | 21,76 | |||
ПГ 2008 | 1,2 | 22,81 | |||
ПГ 2009 | 1,5 | 24,39 | |||
ПГ 2010 | 2,0 | 27,04 | |||
ПГ 2019 | 1,0 | 0,2 | 0,4 | 9,89 | |
ПГ 2023 | 0,5 | 0,6 | 21,43 | ||
ПГ 2024 | 0,8 | 23,08 | |||
ПГ 2025 | 1.0 | 24,73 | |||
ПГ 2026 | 1,2 | 26,37 | |||
ПГ 2027 | 1,5 | 28,85 | |||
ПГ 2028 | 1,8 | 31,32 | |||
ПГ 2029 | 2,0 | 32,97 | |||
ПГ 2030 | 2,5 | 37,09 | |||
ПГ 2030А | 2,8 | 39,56 | |||
ПГ 2031 | 3,0 | 41,21 | |||
ПГ 2033 | 0,8 | 0,4 | 29,67 | ||
ПГ 2034 | 0,6 | 31,32 | |||
ПГ 2035 | 0,8 | 32,97 | |||
ПГ 2036 | 1,0 | 34,62 | |||
ПГ 2037 | 1,2 | 36,27 | |||
ПГ 2038 | 1,5 | 38,74 | |||
ПГ 2039 | 1,8 | 41,21 | |||
ПГ 2040 | 2,0 | 42,87 | |||
ПГ 2042 | 1,0 | 0,4 | 36,27 | ||
ПГ 2043 | 0,6 | 37,92 | |||
ПГ 2044 | 0,8 | 39,56 | |||
ПГ 2045 | 1,0 | 41,21 | |||
ПГ 2046 | 1,2 | 42,87 | |||
ПГ 2047 | 1,5 | 45,33 | |||
ПГ 2048 | 2,0 | 49,45 | |||
ПГ 2049 | 2,5 | 53,57 | |||
ПГ 2055 | 1,2 | 0,8 | 1,0 | 38,25 | |
ПГ 2056 | 1,2 | 40,62 | |||
ПГ 2057 | 1,5 | 44,18 | |||
ПГ 2516 | 2,5 | 1,0 | 0,6 | 1,8 | 45,74 |
ПГ 2525 | 1,2 | 0,5 | 0,6 | 32,88 | |
ПГ 2526 | 0,8 | 25,25 | |||
ПГ 2527 | 1,0 | 37,63 | |||
ПГ 2528 | 1,2 | 40,00 | |||
ПГ 2529 | 1,5 | 43,56 | |||
ПГ 2530 | 1,8 | 47,12 | |||
ПГ 2531 | 2,0 | 49,49 | |||
ПГ 2532 | 2,5 | 55,46 | |||
ПГ 2534 | 0,8 | 0,8 | 50,71 | ||
ПГ 2535 | 1,0 | 53,08 | |||
ПГ 2536 | 1,2 | 55,46 | |||
ПГ 2537 | 1,5 | 59,02 | |||
ПГ 2538 | 1,8 | 62,57 | |||
ПГ 2539 | 2,0 | 64,95 | |||
ПГ 2543 | 1,0 | 0,6 | 58,64 | ||
ПГ 2544 | 1,0 | 63,39 | |||
ПГ 2545 | 1,2 | 65,76 | |||
ПГ 2546 | 1,5 | 69,32 | |||
ПГ 2547 | 2,5 | 81,18 | |||
ПГ 2549 | 1,5 | 0,4 | 1,2 | 42,86 | |
ПГ 2550 | 0,5 | 0,6 | 36,85 | ||
ПГ 2551 | 1,2 | 48,01 | |||
ПГ 2552 | 1,5 | 53,57 | |||
ПГ 2553 | 1,8 | 59,14 | |||
ПГ 2554 | 2,0 | 62,85 | |||
ПГ 2555 | 2,5 | 72,13 | |||
ПГ 2557 | 0,8 | 1,0 | 59,76 | ||
ПГ 2558 | 1,5 | 69,03 | |||
ПГ 2560 | 1,0 | 1,0 | 70,07 | ||
ПГ 2561 | 1,5 | 79,33 | |||
ПГ 2562 | 3,2 | 110,86 | |||
ПГ 2563 | 1,5 | 0,6 | 88,41 | ||
ПГ 2564 | 0,8 | 92,08 | |||
ПГ 2565 | 1,5 | 105,09 | |||
ПГ 2566 | 2,5 | 123,64 | |||
ПГ 2567 | 3,0 | 132,98 | |||
ПГ 3017 | 3,0 | 1,2 | 0,5 | 0,8 | 46,59 |
ПГ 3018 | 1,0 | 48,96 | |||
ПГ 3019 | 1,2 | 51,34 | |||
ПГ 3020 | 1,5 | 54,90 | |||
ПГ 3021 | 2,0 | 60,83 | |||
ПГ 3022 | 2,5 | 66,76 | |||
ПГ 3036 | 1,5 | 0,8 | 51,93 | ||
ПГ 3037 | 1,0 | 55,64 | |||
ПГ 3038 | 1,2 | 59,35 | |||
ПГ 3039 | 1,5 | 64,91 | |||
ПГ 3040 | 1,8 | 7,47 | |||
ПГ 3041 | 2,0 | 74,19 | |||
ПГ 3042 | 2,5 | 83,47 | |||
ПГ 3043 | 3,0 | 92,73 | |||
ПГ 3045 | 0,8 | 0,6 | 70,47 | ||
ПГ 3046 | 0,8 | 74,19 | |||
ПГ 3047 | 1,0 | 77,89 | |||
ПГ 3048 | 1,2 | 81,60 | |||
ПГ 3049 | 1,5 | 87,16 | |||
ПГ 3050 | 1,8 | 92,73 | |||
ПГ 3051 | 2,0 | 96,44 | |||
ПГ 3052 | 2,5 | 105,72 | |||
ПГ 3054 | 1,0 | 0,6 | 85,31 | ||
ПГ 3055 | 0,8 | 89,02 | |||
ПГ 3056 | 1,0 | 92,73 | |||
ПГ 3057 | 1,2 | 96,44 | |||
ПГ 3058 | 1,5 | 102,00 | |||
ПГ 3059 | 1,8 | 107,57 | |||
ПГ 3060 | 2,0 | 111,27 | |||
ПГ 3061 | 2,5 | 120,55 | |||
ПГ 3062 | 3,0 | 129,82 | |||
ПГ 3063 | 4,5 | 157,64 | |||
ПГ 3064 | 1,2 | 1,0 | 107,57 | ||
ПГ 3064А | 1,3 | 113,13 | |||
ПГ 3065 | 1,5 | 116,84 | |||
ПГ 3066 | 2,0 | 126,11 | |||
ПГ 3074 | 2,0 | 0,6 | 1,5 | 93,96 | |
ПГ 3075 | 2,0 | 110,45 | |||
ПГ 3076 | 0,8 | 1,0 | 92,36 | ||
ПГ 3077 | 1,8 | 118,69 | |||
ПГ 3079 | 1,0 | 1,2 | 113,76 | ||
ПГ 3080 | 1,5 | 123,64 | |||
ПГ 3081 | 2,0 | 140,12 | |||
ПГ 3082 | 2,5 | 156,60 | |||
ПГ 3083 | 5,0 | 239,17 | |||
ПГ 3512 | 3,5 | 1,5 | 1,2 | 1,0 | 139,71 |
ПГ 3513 | 1,2 | 143,42 | |||
ПГ 3514 | 1,5 | 148,99 | |||
ПГ 3516 | 2,0 | 1,0 | 4,5 | 249,33 | |
ПГ 4005 | 4,0 | 1,2 | 0,6 | 1,8 | 100,48 |
ПГ 4009 | 1,5 | 1,0 | 1,5 | 159,70 | |
ПГ 4010 | 1,8 | 165,26 | |||
ПГ 4011 | 2,0 | 169,05 | |||
ПГ 4017 | 1,5 | 1,5 | 225,62 | ||
ПГ 4018 | 2,0 | 234,90 | |||
ПГ 4025 | 2,0 | 0,5 | 0,6 | 85,72 | |
ПГ 4026 | 0,8 | 92,31 | |||
ПГ 4027 | 1,0 | 98,90 | |||
ПГ 4028 | 1,2 | 105,50 | |||
ПГ 4029 | 1,5 | 115,38 | |||
ПГ 4030 | 2,0 | 131,87 | |||
ПГ 4031 | 2,5 | 148,35 | |||
ПГ 4036 | 0,8 | 1,0 | 138,47 | ||
ПГ 4037 | 1,2 | 145,07 | |||
ПГ 4038 | 1,5 | 154,96 | |||
ПГ 4039 | 1,8 | 164,84 | |||
ПГ 4040 | 2,0 | 171,43 | |||
ПГ 4041 | 2,5 | 187,92 | |||
ПГ 4042 | 3,0 | 204,41 | |||
ПГ 4043 | 3,5 | 220,89 | |||
ПГ 4043А | 5,8 | 296,73 | |||
ПГ 4045 | 1,0 | 0,8 | 158,25 | ||
ПГ 4046 | 1,0 | 164,84 | |||
ПГ 4047 | 1,2 | 171,43 | |||
ПГ 4048 | 1,5 | 181,33 | |||
ПГ 4049 | 1,8 | 191,22 | |||
ПГ 4050 | 2,0 | 197,80 | |||
ПГ 4051 | 2,5 | 214,31 | |||
ПГ 4052 | 3,0 | 230,80 | |||
ПГ 4053 | 3,5 | 247,29 | |||
ПГ 4054 | 4,0 | 263,78 | |||
ПГ 4055 | 4,5 | 280,24 | |||
ПГ 4057 | 1,2 | 1,5 | 207,79 | ||
ПГ4057А | 2,0 | 224,20 | |||
ПГ 4057Б | 3,5 | 273,79 | |||
ПГ 4058 | 1,5 | 0,6 | 217,60 | ||
ПГ 4059 | 0,8 | 224,19 | |||
ПГ 4060 | 1,0 | 230,79 | |||
ПГ 4061 | 1,2 | 237,38 | |||
ПГ 4062 | 1,5 | 247,27 | |||
ПГ 4063 | 1,8 | 257,16 | |||
ПГ 4064 | 2,0 | 263,76 | |||
ПГ 4065 | 2,5 | 280,24 | |||
ПГ 4066 | 3,0 | 296,72 | |||
ПГ 4067 | 3,5 | 313,21 | |||
ПГ 4068 | 4,0 | 329,69 | |||
ПГ 4069 | 7,5 | 445,32 | |||
ПГ 4073 | 2,0 | 1,0 | 296,72 | ||
ПГ 4074 | 1,2 | 303,33 | |||
ПГ 4075 | 1,5 | 313,22 | |||
ПГ 4086 | 2,5 | 1,2 | 1,2 | 220,07 | |
ПГ 4087 | 1,5 | 235,52 | |||
ПГ 4088 | 1,8 | 250,98 | |||
ПГ 4089 | 2,0 | 261,29 | |||
ПГ 4090 | 2,5 | 287,05 | |||
ПГ 4091 | 3,5 | 338,57 | |||
ПГ 4092 | 4,5 | 390,08 | |||
ПГ 5013 | 5,0 | 2,0 | 1,0 | 0,8 | 232,45 |
ПГ 5014 | 1,0 | 239,04 | |||
ПГ 5015 | 1,2 | 245,64 | |||
ПГ 5016 | 1,5 | 255,52 | |||
ПГ 5017 | 2,0 | 272,02 | |||
ПГ 5018 | 2,5 | 288,49 | |||
ПГ 5019 | 3,0 | 304,97 | |||
ПГ 5020 | 3,5 | 321,46 | |||
ПГ 5022 | 1,2 | 1,8 | 306,78 | ||
ПГ 5023 | 3,0 | 346,18 | |||
ПГ 5025 | 1,5 | 0,8 | 335,48 | ||
ПГ 5026 | 1,0 | 342,06 | |||
ПГ 5027 | 1,2 | 348,66 | |||
ПГ 5028 | 1,5 | 358,55 | |||
ПГ 5029 | 2,0 | 375,03 | |||
ПГ 5033 | 2,5 | 0,4 | 2,0 | 185,45 | |
ПГ 5040 | 1,0 | 2,0 | 309,99 | ||
ПГ 5046 | 1,5 | 3,0 | 463,64 | ||
ПГ 5501 | 5,5 | 2,0 | 0,8 | 2,2 | 272,16 |
ПГ 5501А | 1,0 | 3,8 | 374,81 | ||
ПГ 5502 | 2,5 | 3,8 | 445,10 | ||
ПГ 5505 | 1,2 | 2,5 | 427,99 | ||
ПГ 5506 | 3,0 | 453,74 | |||
ПГ 5507 | 4,0 | 505,26 | |||
ПГ 5508 | 3,0 | 0,8 | 1,2 | 288,48 | |
ПГ 5509 | 2,0 | 347,83 | |||
ПГ 5509А | 2,5 | 384,92 | |||
ПГ 5510 | 3,0 | 422,01 | |||
ПГ 5511 | 5,8 | 629,73 | |||
ПГ 5512 | 1,0 | 1,5 | 360,61 | ||
ПГ 5513 | 2,0 | 397,69 | |||
ПГ 5514 | 2,5 | 434,78 | |||
ПГ 5515 | 3,0 | 471,87 | |||
ПГ 5516 | 3,5 | 508,97 | |||
ПГ 6003 | 6,0 | 2,0 | 1,0 | 2,2 | 369,44 |
ПГ 6004 | 3,0 | 395,63 | |||
ПГ 6005 | 4,0 | 428,83 | |||
ПГ 6006 | 1,2 | 2,0 | 422,02 | ||
ПГ 6013 | 2,5 | 0,8 | 2,2 | 350,72 | |
ПГ 6014 | 1,0 | 2,0 | 399,77 | ||
ПГ 6015 | 2,5 | 425,52 | |||
ПГ 6016 | 3,0 | 451,28 | |||
ПГ 6017 | 3,5 | 477,04 | |||
ПГ 6018 | 4,0 | 502,80 | |||
ПГ 6022 | 1,5 | 2,0 | 548,12 | ||
ПГ 6023 | 2,5 | 573,89 | |||
ПГ 6024 | 3,0 | 599,64 | |||
ПГ 6025 | 4,5 | 676,92 | |||
ПГ 6027 | 2,0 | 1,5 | 670,74 | ||
ПГ 6031 | 3,0 | 1,2 | 2,8 | 564,06 | |
ПГ 6032 | 1,5 | 0,8 | 504,44 | ||
ПГ 6033 | 1,0 | 519,28 | |||
ПГ 6034 | 1,2 | 534,12 | |||
ПГ 6035 | 1,5 | 556,37 | |||
ПГ 6036 | 2,0 | 593,46 | |||
ПГ 6037 | 2,5 | 630,55 | |||
ПГ 6038 | 3,0 | 667,64 | |||
ПГ 6039 | 3,5 | 704,73 | |||
ПГ 6040 | 4,0 | 741,83 | |||
ПГ 6041 | 4,5 | 778,96 | |||
ПГ 6046 | 6,0 | 890,18 | |||
ПГ 8002 | 8,0 | 4,0 | 1,5 | 3,0 | 1188,74 |
Примечание - Переходный радиус R от стержня к головке для контактов с диаметром стержня менее 2 мм должен быть не более 0,1 мм. | |||||

Обозначение контакт-детали | D | d | h | l | R | Масса 1000 шт. из серебра, г (справочно) |
СГ 1201 | 1,2 | 0,6 | 0,4 | 0,4 | 1,2 | 5,01 |
СГ 1202 | 0,6 | 5,60 | ||||
СГ 1203 | 0,8 | 6,20 | ||||
СГ 1204 | 1,0 | 6,79 | ||||
СГ 1206 | 0,6 | 0,4 | 7,38 | |||
СГ 1207 | 0,6 | 7,97 | ||||
СГ 1208 | 0,8 | 8,56 | ||||
СГ 1209 | 1,0 | 9,18 | ||||
СГ 1210 | 1,2 | 9,75 | ||||
СГ 1213 | 0,8 | 0,4 | 9,95 | |||
СГ 1214 | 0,6 | 10,55 | ||||
СГ 1215 | 0,8 | 11,14 | ||||
СГ 1216 | 1,0 | 11,74 | ||||
СГ 1218 | 0,8 | 0,6 | 1,8 | 1,0 | 15,64 | |
СГ 1508 | 1,5 | 1,0 | 1,5 | 14,59 | ||
СГ 1508А | 1,5 | 17,23 | ||||
СГ 1509 | 2,5 | 22,51 | ||||
СГ 1510 | 0,8 | 0,4 | 15,13 | |||
СГ 1511 | 0,6 | 16,19 | ||||
СГ 1512 | 0,8 | 17,25 | ||||
СГ 1513 | 1,0 | 18,31 | ||||
СГ 1514 | 2,5 | 26,22 | ||||
СГ 1518 | 1,0 | 0,6 | 0,6 | 14,25 | ||
СГ 1519 | 0,8 | 15,90 | ||||
СГ 1520 | 1,0 | 17,56 | ||||
СГ 1521 | 1,2 | 19,20 | ||||
СГ 1522 | 1,5 | 21,67 | ||||
СГ 1523 | 1,8 | 24,14 | ||||
СГ 1524 | 2,0 | 25,80 | ||||
СГ 1525 | 2,5 | 29,92 | ||||
СГ 1526 | 3,0 | 34,04 | ||||
СГ 1527 | 0,8 | 1,0 | 21,27 | |||
СГ 1529 | 2,5 | 34,14 | ||||
СГ 2005 | 2,0 | 0,6 | 0,6 | 2,0 | 20,43 | |
СГ 2006 | 0,8 | 22,07 | ||||
СГ 2007 | 1,0 | 23,72 | ||||
СГ 2008 | 1,2 | 25,38 | ||||
СГ 2009 | 1,5 | 27,85 | ||||
СГ 2010 | 1,8 | 30,31 | ||||
СГ 2011 | 2,0 | 31,97 | ||||
СГ 2012 | 2,5 | 36,09 | ||||
СГ 2013 | 3,0 | 40,20 | ||||
СГ 2015 | 0,8 | 0,4 | 25,37 | |||
СГ 2016 | 0,6 | 27,03 | ||||
СГ 2017 | 0,8 | 28,67 | ||||
СГ 2018 | 1,0 | 30,33 | ||||
СГ 2019 | 1,2 | 31,97 | ||||
СГ 2020 | 1,5 | 34,45 | ||||
СГ 2021 | 1,8 | 36,81 | ||||
СГ 2022 | 2,0 | 38,57 | ||||
СГ 2023 | 2,5 | 42,69 | ||||
СГ 2026 | 1,0 | 0,4 | 31,92 | |||
СГ 2027 | 0,6 | 33,62 | ||||
СГ 2028 | 0,8 | 35,27 | ||||
СГ 2029 | 1,0 | 36,92 | ||||
СГ 2030 | 1,2 | 38,57 | ||||
СГ 2031 | 1,5 | 41,04 | ||||
СГ 2032 | 1,8 | 43,51 | ||||
СГ 2033 | 2,0 | 45,16 | ||||
СГ 2034 | 3,0 | 53,40 | ||||
СГ 2036 | 1,2 | 1,0 | 43,51 | |||
СГ 2037 | 1,5 | 47,65 | ||||
СГ 2041 | 1,2 | 0,6 | 1,0 | 27,38 | ||
СГ 2042 | 1,2 | 29,73 | ||||
СГ 2043 | 1,5 | 33,29 | ||||
СГ 2044 | 2,0 | 39,22 | ||||
СГ 2045 | 2,5 | 45,11 | ||||
СГ 2046А | 0,8 | 0,6 | 29,18 | |||
СГ 2046 | 1,0 | 33,95 | ||||
СГ 2047 | 1,5 | 39,88 | ||||
СГ 2048 | 2,5 | 51,75 | ||||
СГ 2050 | 1,5 | 1,2 | 44,34 | |||
СГ 2502 | 2,5 | 1,0 | 0,6 | 0,8 | 2,5 | 29,17 |
СГ 2503 | 0,8 | 0,6 | 37,77 | |||
СГ 2504 | 0,8 | 39,42 | ||||
СГ 2505 | 1,0 | 41,06 | ||||
СГ 2506 | 1,2 | 42,72 | ||||
СГ 2507 | 1,5 | 45,18 | ||||
СГ 2508 | 2,0 | 49,31 | ||||
СГ 2517 | 1,2 | 0,6 | 58,91 | |||
СГ 2518 | 1,0 | 62,20 | ||||
СГ 2522 | 1,2 | 0,6 | 1,0 | 10,0 | 38,31 | |
СГ 2524 | 1,0 | 3,0 | 35,89 | |||
СГ 2526 | 0,8 | 1,0 | 2,5 | 44,70 | ||
СГ 2529 | 1,0 | 0,8 | 52,70 | |||
СГ 2530 | 1,0 | 55,07 | ||||
СГ 2531 | 1,2 | 57,44 | ||||
СГ 2532 | 1,5 | 61,01 | ||||
СГ 2533 | 1,8 | 64,58 | ||||
СГ 2536 | 3,0 | 78,70 | ||||
СГ 2538 | 1,2 | 0,8 | 62,93 | |||
СГ 2539 | 1,0 | 65,31 | ||||
СГ 2540 | 1,2 | 67,69 | ||||
СГ 2541 | 1,5 | 71,25 | ||||
СГ 2542 | 1,8 | 74,81 | ||||
СГ 2543 | 2,0 | 77,19 | ||||
СГ 2546 | 1,5 | 0,6 | 1,5 | 3,0 | 51,83 | |
СГ 2547 | 2,0 | 61,34 | ||||
СГ 2548 | 0,8 | 1,0 | 2,5 | 51,30 | ||
СГ 2549 | 1,0 | 0,8 | 58,04 | |||
СГ 2550 | 1,0 | 61,75 | ||||
СГ 2551 | 1,2 | 65,46 | ||||
СГ 2552 | 1,5 | 71,02 | ||||
СГ 2553 | 1,8 | 76,59 | ||||
СГ 2554 | 2,0 | 80,30 | ||||
СГ 2555 | 2,5 | 89,57 | ||||
СГ 2556 | 3,0 | 98,84 | ||||
СГ 2557 | 3,5 | 108,11 | ||||
СГ 2559 | 1,2 | 0,6 | 64,63 | |||
СГ 2560 | 1,2 | 75,75 | ||||
СГ 2561 | 1,5 | 81,31 | ||||
СГ 2563 | 1,5 | 1,0 | 87,51 | |||
СГ 2563А | 2,0 | 105,83 | ||||
СГ 2564 | 3,0 | 124,50 | ||||
СГ 3009 | 3,0 | 1,2 | 1,0 | 0,6 | 3,0 | 66,92 |
СГ 3010 | 0,8 | 69,29 | ||||
СГ 3011 | 1,0 | 71,67 | ||||
СГ 3012 | 1,2 | 74,03 | ||||
СГ 3013 | 1,5 | 77,60 | ||||
СГ 3014 | 2,0 | 83,54 | ||||
СГ 3042 | 1,5 | 0,6 | 1,0 | 4,0 | 52,40 | |
СГ 3043 | 1,5 | 61,68 | ||||
СГ 3044 | 1,8 | 67,24 | ||||
СГ 3045 | 2,5 | 80,23 | ||||
СГ 3047 | 0,8 | 0,6 | 3,0 | 55,97 | ||
СГ 3048 | 0,8 | 59,68 | ||||
СГ 3049 | 1,0 | 63,39 | ||||
СГ 3049А | 1,2 | 67,10 | ||||
СГ 3050 | 1,5 | 72,66 | ||||
СГ 3051 | 3,5 | 109,76 | ||||
СГ 3053 | 1,0 | 0,4 | 67,27 | |||
СГ 3054 | 0,6 | 70,99 | ||||
СГ 3055 | 0,8 | 74,70 | ||||
СГ 3056 | 1,0 | 78,40 | ||||
СГ 3057 | 1,5 | 87,68 | ||||
СГ 3058 | 1,8 | 93,24 | ||||
СГ 3059 | 2,0 | 96,95 | ||||
СГ 3060 | 2,5 | 106,22 | ||||
СГ 3061 | 3,0 | 115,49 | ||||
СГ 3061А | 3,0 | 5,0 | 121,45 | |||
СГ 3062 | 3,5 | 3,0 | 124,76 | |||
СГ 3064 | 1,2 | 0,6 | 85,64 | |||
СГ 3065 | 0,8 | 89,35 | ||||
СГ 3066 | 1,0 | 93,06 | ||||
СГ 3067 | 1,2 | 96,77 | ||||
СГ 3068 | 1,5 | 102,34 | ||||
СГ 3069 | 1,8 | 107,90 | ||||
СГ 3070 | 2,0 | 111,62 | ||||
СГ 3071 | 2,5 | 120,89 | ||||
СГ 3072 | 3,0 | 130,17 | ||||
СГ 3072А | 4,5 | 158,00 | ||||
СГ 3073 | 1,2 | 6,0 | 104,30 | |||
СГ 3074 | 1,5 | 1,0 | 3,0 | 115,50 | ||
СГ 3075 | 1,8 | 130,33 | ||||
СГ 3076 | 2,5 | 143,31 | ||||
СГ 3077 | 3,0 | 152,59 | ||||
СГ 3080 | 1,8 | 1,2 | 141,31 | |||
СГ 3093 | 1,8 | 1,0 | 2,5 | 7,0 | 134,86 | |
СГ 3093А | 15,0 | 138,13 | ||||
СГ 3094 | 5,0 | 132,45 | ||||
СГ 3097 | 2,0 | 0,6 | 1,8 | 4,0 | 93,17 | |
СГ 30100 | 0,8 | 1,0 | 3,0 | 77,99 | ||
СГ 30101 | 1,8 | 104,37 | ||||
СГ 30102 | 2,0 | 110,96 | ||||
СГ 30104 | 1,0 | 1,0 | 92,83 | |||
СГ 30105 | 1,5 | 109,31 | ||||
СГ 30106 | 2,0 | 125,80 | ||||
СГ 30107 | 2,5 | 142,28 | ||||
СГ 30108 | 3,5 | 175,25 | ||||
СГ 30110 | 1,5 | 0,6 | 116,74 | |||
СГ 30111 | 0,8 | 123,33 | ||||
СГ 30112 | 1,0 | 129,93 | ||||
СГ 30113 | 1,5 | 146,41 | ||||
СГ 30113А | 2,8 | 189,27 | ||||
СГ 30114 | 4,0 | 228,84 | ||||
СГ 30116 | 2,0 | 2,0 | 199,98 | |||
СГ 3503 | 3,5 | 1,5 | 1,2 | 1,5 | 3,5 | 125,86 |
СГ 3503А | 2,5 | 10,0 | 159,84 | |||
СГ 3504 | 1,5 | 1,5 | 3,5 | 156,17 | ||
СГ 3506 | 2,0 | 0,5 | 3,0 | 4,0 | 129,20 | |
СГ 3506А | 0,7 | 1,5 | 5,0 | 104,35 | ||
СГ 3506Б | 0,8 | 1,2 | 10,0 | 112,62 | ||
СГ 3507 | 1,0 | 3,5 | 3,5 | 193,34 | ||
СГ 3507А | 1,0 | 110,88 | ||||
СГ 3509 | 1,2 | 1,8 | 157,19 | |||
СГ 3510 | 3,0 | 196,75 | ||||
СГ 3511 | 3,5 | 2,0 | 1,2 | 3,5 | 3,5 | 213,83 |
СГ 3512 | 2,5 | 10,0 | 195,85 | |||
СГ 3513 | 1,5 | 1,0 | 3,5 | 161,07 | ||
СГ 3514 | 1,5 | 177,56 | ||||
СГ 3515 | 2,5 | 210,52 | ||||
СГ 3516 | 2,0 | 1,0 | 5,0 | 220,38 | ||
СГ 3517 | 2,5 | 1,2 | 3,0 | 10,0 | 267,83 | |
СГ 4005 | 4,0 | 1,5 | 1,0 | 4,0 | 142,56 | |
СГ 4006 | 1,2 | 146,33 | ||||
СГ 4007 | 1,5 | 151,89 | ||||
СГ 4013 | 2,0 | 0,8 | 1,2 | 5,0 | 118,06 | |
СГ 4014 | 1,5 | 127,95 | ||||
СГ 4015 | 1,8 | 137,84 | ||||
СГ 4016 | 2,0 | 144,44 | ||||
СГ 4017 | 2,5 | 160,93 | ||||
СГ 4017А | 2,5 | 40,0 | 184,72 | |||
СГ 4018А | 3,0 | 10,0 | 191,19 | |||
СГ 4018 | 3,5 | 5,0 | 193,87 | |||
СГ 4020 | 1,0 | 0,8 | 4,0 | 123,88 | ||
СГ 4021 | 1,0 | 130,48 | ||||
СГ 4022 | 1,2 | 137,07 | ||||
СГ 4023 | 1,5 | 146,96 | ||||
СГ 4024 | 1,8 | 156,85 | ||||
СГ 4025 | 2,0 | 163,44 | ||||
СГ 4026 | 2,5 | 179,93 | ||||
СГ 4027 | 3,0 | 196,41 | ||||
СГ 4028А | 3,5 | 212,89 | ||||
СГ 4028 | 4,0 | 229,39 | ||||
СГ 4029 | 1,6 | 5,0 | 157,50 | |||
СГ 4029А | 1,2 | 1,2 | 3,0 | 149,97 | ||
СГ 4030 | 2,0 | 4,0 | 189,80 | |||
СГ 4031 | 3,0 | 222,79 | ||||
СГ 4032 | 4,0 | 255,78 | ||||
СГ 4033 | 6,8 | 15,0 | 373,82 | |||
СГ 4034 | 1,5 | 0,6 | 4,0 | 183,42 | ||
СГ 4035 | 0,8 | 190,02 | ||||
СГ 4036 | 1,0 | 3,0 | 182,92 | |||
СГ 4037 | 1,2 | 4,0 | 203,63 | |||
СГ 4038 | 1,5 | 213,10 | ||||
СГ 4039 | 1,8 | 222,99 | ||||
СГ 4040 | 2,0 | 229,58 | ||||
СГ 4041 | 2,5 | 246,07 | ||||
СГ 4042 | 3,0 | 262,55 | ||||
СГ 4043 | 3,5 | 279,04 | ||||
СГ 4044 | 4,0 | 295,52 | ||||
СГ 4047 | 5,0 | 328,49 | ||||
СГ 4047А | 6,0 | 361,46 | ||||
СГ 4048 | 2,0 | 1,0 | 262,56 | |||
СГ 4048А | 1,2 | 15,0 | 294,65 | |||
СГ 4049 | 4,0 | 269,15 | ||||
СГ 4050 | 1,5 | 279,04 | ||||
СГ 4051 | 2,0 | 295,52 | ||||
СГ 4052 | 3,0 | 328,49 | ||||
СГ 4053 | 4,0 | 361,46 | ||||
СГ 4055 | 2,0 | 6,0 | 307,37 | |||
СГ 4057 | 2,5 | 0,6 | 2,0 | 7,0 | 163,11 | |
СГ 4064 | 0,8 | 2,5 | 40,0 | 231,11 | ||
СГ 4065 | 1,0 | 3,5 | 7,0 | 292,82 | ||
СГ 4068 | 1,2 | 3,0 | 8,0 | 296,11 | ||
СГ 4069 | 3,3 | 311,06 | ||||
СГ 4072 | 3,2 | 25,0 | 317,99 | |||
СГ 4073 | 2,0 | 4,0 | 3,0 | 422,11 | ||
СГ 4079 | 3,0 | 0,8 | 2,0 | 25,0 | 248,56 | |
СГ 4080 | 1,1 | 3,0 | 362,48 | |||
СГ 4501 | 4,5 | 2,0 | 1,0 | 1,5 | 10,0 | 195,13 |
СГ 4502 | 1,8 | 205,02 | ||||
СГ 4503 | 2,0 | 211,63 | ||||
СГ 4504 | 15,0 | 219,07 | ||||
СГ 4505 | 1,2 | 1,0 | 8,0 | 207,30 | ||
СГ 4506 | 2,8 | 265,57 | ||||
СГ 4507 | 1,5 | 1,5 | 10,0 | 278,63 | ||
СГ 4508 | 8,0 | 493,04 | ||||
СГ 4509 | 2,0 | 1,5 | 362,14 | |||
СГ 4510 | 2,5 | 1,5 | 3,0 | 5,0 | 361,30 | |
СГ 4511 | 2,0 | 10,0 | 467,29 | |||
СГ 4512 | 3,5 | 0,8 | 1,5 | 15,0 | 271,07 | |
СГ 4513 | 1,8 | 301,14 | ||||
СГ 5001 | 5,0 | 1,5 | 1,0 | 2,0 | 20,0 | 226,79 |
СГ 5015 | 2,0 | 1,2 | 6,0 | 190,49 | ||
СГ 5016 | 3,0 | 249,83 | ||||
СГ 5017 | 4,0 | 282,80 | ||||
СГ 5019 | 1,5 | 30,0 | 244,58 | |||
СГ 5020 | 1,2 | 2,5 | 5,0 | 263,24 | ||
СГ 5021 | 1,5 | 1,0 | 275,63 | |||
СГ 5022 | 1,5 | 292,12 | ||||
СГ 5023 | 2,0 | 308,60 | ||||
СГ 5024 | 2,5 | 325,09 | ||||
СГ 5025 | 3,0 | 341,58 | ||||
СГ 5026 | 4,0 | 374,58 | ||||
СГ 5026А | 1,8 | 1,8 | 30,0 | 419,71 | ||
СГ 5033 | 2,5 | 1,0 | 0,8 | 6,0 | 192,13 | |
СГ 5034 | 1,5 | 228,19 | ||||
СГ 5034А | 2,0 | 253,95 | ||||
СГ 5035А | 2,5 | 279,91 | ||||
СГ 5035 | 3,0 | 305,46 | ||||
СГ 5036 | 5,5 | 434,26 | ||||
СГ 5037 | 1,2 | 1,5 | 5,0 | 257,41 | ||
СГ 5038 | 2,0 | 283,17 | ||||
СГ 5039 | 5,0 | 438,40 | ||||
СГ 5040 | 1,5 | 1,0 | 294,18 | |||
СГ 5041 | 1,5 | 319,93 | ||||
СГ 5042 | 2,0 | 345,69 | ||||
СГ 5042А | 2,5 | 20,0 | 421,89 | |||
СГ 5043 | 5,0 | 370,51 | ||||
СГ 5044 | 3,0 | 396,30 | ||||
СГ 5046 | 2,2 | 1,5 | 9,0 | 494,62 | ||
СГ 5047 | 3,0 | 571,93 | ||||
СГ 5049 | 3,0 | 1,2 | 1,5 | 5,0 | 291,17 | |
СГ 5051 | 2,5 | 365,59 | ||||
СГ 5052 | 3,0 | 402,68 | ||||
СГ 5053 | 3,5 | 439,78 | ||||
СГ 5055 | 1,5 | 1,5 | 353,18 | |||
СГ 5056 | 2,0 | 390,29 | ||||
СГ 5057 | 2,5 | 427,40 | ||||
СГ 5058 | 3,0 | 464,51 | ||||
СГ 5062 | 2,0 | 1,5 | 457,04 | |||
СГ 5063 | 2,0 | 494,16 | ||||
СГ 5064 | 2,5 | 531,28 | ||||
СГ 5065 | 3,0 | 568,40 | ||||
СГ 5066 | 3,5 | 605,51 | ||||
СГ 5067 | 4,0 | 642,53 | ||||
СГ 5068 | 3,5 | 1,5 | 3,0 | 545,57 | ||
СГ 5501 | 5,5 | 2,0 | 1,0 | 2,5 | 8,0 | 271,76 |
СГ 5502 | 1,2 | 1,3 | 5,0 | 242,51 | ||
СГ 5502А | 1,5 | 1,5 | 8,0 | 363,51 | ||
СГ 5503 | 2,5 | 50,0 | 447,22 | |||
СГ 5505 | 2,5 | 1,2 | 3,0 | 5,0 | 354,06 | |
СГ 5511 | 3,0 | 1,5 | 2,5 | 15,0 | 527,84 | |
СГ 6002А | 6,0 | 2,0 | 1,2 | 2,0 | 10,0 | 354,35 |
СГ 6002 | 1,5 | 1,5 | 5,0 | 352,17 | ||
СГ 6003 | 2,5 | 385,14 | ||||
СГ 6011 | 2,5 | 1,0 | 353,92 | |||
СГ 6012 | 1,5 | 379,99 | ||||
СГ 6013 | 2,0 | 405,75 | ||||
СГ 6014 | 2,5 | 431,50 | ||||
СГ 6015 | 3,0 | 457,26 | ||||
СГ 6016 | 3,5 | 483,02 | ||||
СГ 6017 | 4,0 | 508,78 | ||||
СГ 6018 | 4,5 | 534,53 | ||||
СГ 6022 | 3,0 | 1,0 | 376,89 | |||
СГ 6023 | 1,5 | 413,99 | ||||
СГ 6024 | 2,0 | 451,08 | ||||
СГ 6025 | 3,0 | 525,26 | ||||
СГ 6026 | 3,5 | 562,35 | ||||
СГ 6028 | 1,5 | 9,0 | 480,99 | |||
СГ 6029 | 2,0 | 2,0 | 5,0 | 599,26 | ||
СГ 6030 | 2,5 | 636,37 | ||||
СГ 6031 | 3,0 | 673,48 | ||||
СГ 6032 | 4,0 | 747,70 | ||||
СГ 6034 | 2,5 | 1,0 | 673,48 | |||
СГ 6035 | 2,0 | 747,70 | ||||
СГ 6036 | 3,0 | 821,92 | ||||
СГ 6537 | 6,5 | 1,5 | 2,5 | 80,0 | 696,68 | |
СГ 8005 | 8,0 | 8,0 | 701,73 | |||
СГ 8006 | 3,0 | 738,82 | ||||
СГ 8007 | 3,5 | 775,91 | ||||
Примечание - Переходный радиус R от стержня к головке для контактов с диаметром стержня менее 2 мм должен быть не более 0,1 мм. | ||||||

Обозначение контакт-детали | D | d | h | l | R | Масса 1000 шт. из серебра, г (справочно) |
КГ 1001 | 1,0 | 0,6 | 0,8 | 0,8 | 0,3 | 7,68 |
КГ 1501 | 1,5 | 1,0 | 0,5 | 16,16 | ||
КГ 1504 | 0,8 | 0,8 | 0,4 | 13,55 | ||
КГ 1505 | 0,6 | 14,61 | ||||
КГ 1506 | 0,8 | 16,40 | ||||
КГ 1507 | 1,0 | 17,45 | ||||
КГ 1508 | 1,5 | 20,09 | ||||
КГ 1509 | 2,0 | 22,73 | ||||
КГ 1510А | 1,0 | 1,5 | 24,75 | |||
КГ 1510 | 1,8 | 27,27 | ||||
КГ 1510Б | 2,0 | 28,95 | ||||
КГ 1511 | 1,0 | 0,6 | 18,85 | |||
КГ 1512 | 0,8 | 20,51 | ||||
КГ 1513 | 1,0 | 22,17 | ||||
КГ 1514 | 1,5 | 26,26 | ||||
КГ 1515 | 2,0 | 30,46 | ||||
КГ 1516 | 1,2 | 0,6 | 20,42 | |||
КГ 1517 | 0,8 | 22,06 | ||||
КГ 2003 | 0,8 | 1,2 | 29,94 | |||
КГ 2004 | 1,8 | 34,89 | ||||
КГ 2008 | 2,0 | 1,0 | 0,4 | 0,4 | 25,88 | |
КГ 2009 | 0,6 | 27,53 | ||||
КГ 2010 | 0,8 | 29,20 | ||||
КГ 2011 | 1,0 | 30,85 | ||||
КГ 2012 | 1,2 | 32,50 | ||||
КГ 2013 | 1,5 | 34,96 | ||||
КГ 2014 | 2,0 | 39,07 | ||||
КГ 2018 | 1,5 | 0,8 | 0,5 | 35,82 | ||
КГ 2019 | 1,0 | 37,47 | ||||
КГ 2020 | 1,5 | 41,64 | ||||
КГ 2021 | 2,0 | 45,75 | ||||
КГ 2028 | 1,2 | 1,0 | 1,0 | 32,87 | ||
КГ 2029 | 1,5 | 38,81 | ||||
КГ 2030 | 4,0 | 68,49 | ||||
КГ 2035 | 1,5 | 1,0 | 42,66 | |||
КГ 2036 | 1,5 | 48,60 | ||||
КГ 2037 | 2,0 | 54,53 | ||||
КГ 2503 | 2,5 | 1,2 | 0,8 | 48,83 | ||
КГ 2504 | 1,0 | 51,21 | ||||
КГ 2505 | 1,2 | 53,57 | ||||
КГ 2506 | 1,5 | 57,14 | ||||
КГ 2507 | 1,8 | 60,70 | ||||
КГ 3003 | 3,0 | 1,5 | 2,0 | 84,29 | ||
КГ 3004 | 1,5 | 1,0 | 1,2 | 67,88 | ||
КГ 3005 | 1,5 | 73,45 | ||||
КГ 3006 | 1,8 | 79,01 | ||||
КГ 3007 | 2,0 | 82,72 | ||||
КГ 3008 | 2,5 | 92,00 | ||||
КГ 3010 | 1,5 | 1,2 | 87,14 | |||
КГ 3011 | 1,5 | 92,72 | ||||
КГ 3012 | 1,8 | 98,30 | ||||
КГ 3013 | 2,0 | 102,01 | ||||
КГ 4002 | 4,0 | 2,0 | 1,5 | 0,7 | 154,15 | |
КГ 4007 | 2,0 | 1,0 | 0,5 | 171,34 | ||
Примечание - Переходный радиус R от стержня к головке для контактов с диаметром стержня менее 2 мм должен быть не более 0,1 мм. | ||||||

Обозначение контакт-детали | D | h | R | Масса 1000 шт. из серебра, г (справочно) |
СД 1502 | 1,5 | 0,6 | 1,5 | 9,31 |
СД 2002 | 2,0 | 2,5 | 16,37 | |
СД 2003 | 0,8 | 22,96 | ||
СД 2502 | 2,5 | 0,6 | 3,0 | 24,02 |
СД 2503 | 0,8 | 34,23 | ||
СД 2504 | 1,0 | 44,52 | ||
СД 3002 | 3,0 | 0,6 | 4,0 | 33,86 |
СД 3003 | 0,8 | 3,0 | 44,85 | |
СД 3004 | 1,0 | 59,64 | ||
СД 3005 | 1,2 | 74,44 | ||
СД 3006 | 1,5 | 96,70 | ||
СД 3501 | 3,5 | 0,8 | 4,0 | 60,85 |
СД 3502 | 1,0 | 3,0 | 73,61 | |
СД 3503 | 1,2 | 93,81 | ||
СД 4001 | 4,0 | 0,8 | 5,0 | 78,47 |
СД 4002 | 1,0 | 4,0 | 97,51 | |
СД 4003 | 1,2 | 123,83 | ||
СД 4004 | 1,5 | 163,28 | ||
СД 5000 | 5,0 | 0,8 | 8,0 | 123,98 |
СД 5001 | 1,0 | 6,0 | 150,93 | |
СД 5002 | 1,2 | 5,0 | 180,13 | |
СД 5003 | 1,5 | 241,85 | ||
СД 5004 | 2,0 | 344,93 | ||
СД 5500 | 5,5 | 1,0 | 30,0 | 233,72 |
СД 6002 | 6,0 | 1,2 | 6,0 | 240,06 |
СД 6003 | 1,5 | 328,65 | ||
СД 6004 | 1,8 | 417,69 | ||
СД 6500 | 6,5 | 1,2 | 30,0 | 387,38 |
СД 6501 | 1,5 | 491,90 | ||
СД 8002 | 8,0 | 10,0 | 574,57 | |
СД 8003 | 1,8 | 8,0 | 673,95 | |
СД 8004 | 2,0 | 779,50 |

Обозначение контакт-детали | D | S1 | Масса 1000 шт. из серебра, г (справочно) |
ПД 2001 | 2,0 | 0,2 | 6,60 |
ПД 2002 | 0,4 | 13,19 | |
ПД 2003 | 0,6 | 19,79 | |
ПД 2004 | 0,8 | 26,37 | |
ПД 2005 | 1,0 | 32,97 | |
ПД 2501 | 2,5 | 0,2 | 10,30 |
ПД 2502 | 0,4 | 20,60 | |
ПД 2503 | 0,6 | 30,91 | |
ПД 2504 | 0,8 | 41,21 | |
ПД 2505 | 1,0 | 51,51 | |
ПД 2506 | 1,3 | 67,00 | |
ПД 2507 | 1,5 | 77,27 | |
ПД 3001 | 3,0 | 0,2 | 14,84 |
ПД 3001А | 0,3 | 22,25 | |
ПД 3002 | 0,4 | 29,67 | |
ПД 3003 | 0,6 | 44,51 | |
ПД 3004 | 0,8 | 59,35 | |
ПД 3005 | 1,0 | 74,19 | |
ПД 3006 | 1,2 | 89,02 | |
ПД 3007 | 1,5 | 111,27 | |
ПД 3008 | 2,0 | 148,36 | |
ПД 3200 | 3,2 | 0,7 | 59,12 |
ПД 3201 | 1,0 | 84,41 | |
ПД 3501 | 3,5 | 0,4 | 40,39 |
ПД 3502 | 0,6 | 60,58 | |
ПД 3503 | 0,8 | 80,78 | |
ПД 3504 | 1,2 | 121,16 | |
ПД 4001А | 4,0 | 0,1 | 13,19 |
ПД 4001 | 0,2 | 26,37 | |
ПД 4001В | 0,3 | 39,56 | |
ПД 4002 | 0,4 | 52,75 | |
ПД 4003 | 0,6 | 79,12 | |
ПД 4004 | 0,8 | 105,51 | |
ПД 4005 | 1,0 | 131,88 | |
ПД 4006 | 1,2 | 158,26 | |
ПД 4007 | 1,5 | 197,82 | |
ПД 4008 | 2,0 | 263,76 | |
ПД 4501 | 4,5 | 0,6 | 100,14 |
ПД 4502 | 0,8 | 133,52 | |
ПД 4503 | 1,0 | 166,92 | |
ПД 4504 | 1,8 | 300,44 | |
ПД 5001 | 5,0 | 0,3 | 61,85 |
ПД 5002 | 0,4 | 82,43 | |
ПД 5002А | 0,5 | 103,08 | |
ПД 5003 | 0,6 | 123,64 | |
ПД 5004 | 0,8 | 164,85 | |
ПД 5005 | 1,0 | 206,06 | |
ПД 5006 | 1,2 | 247,27 | |
ПД 5007 | 1,5 | 309,10 | |
ПД 5008 | 1,8 | 370,91 | |
ПД 5009 | 2,0 | 412,13 | |
ПД 5501 | 5,5 | 1,0 | 249,46 |
ПД 5504 | 1,8 | 449,00 | |
ПД 6001 | 6,0 | 0,4 | 118,69 |
ПД 6002 | 0,6 | 178,04 | |
ПД 6003 | 0,8 | 237,38 | |
ПД 6004 | 1,0 | 296,73 | |
ПД 6005 | 1,2 | 356,07 | |
ПД 6006 | 1,5 | 445,09 | |
ПД 6007 | 1,8 | 534,12 | |
ПД 6008 | 2,0 | 593,46 | |
ПД 6009 | 6,0 | 2,2 | 652,80 |
ПД 7501 | 7,5 | 0,2 | 92,71 |
ПД 7501А | 1,4 | 649,43 | |
ПД 8001 | 8,0 | 0,8 | 422,02 |
ПД 8002 | 1,0 | 527,52 | |
ПД 8003 | 1,2 | 633,03 | |
ПД 8004 | 1,5 | 791,28 | |
ПД 8005 | 1,8 | 949,54 | |
ПД 8006 | 2,0 | 1055,04 | |
ПД 10001 | 10,0 | 1,0 | 824,25 |
ПД 10002 | 1,5 | 1236,37 | |
ПД 10002А | 1,6 | 1318,80 | |
ПД 10003 | 2,0 | 1648,50 | |
ПД 10004 | 2,5 | 2060,63 | |
ПД 10005 | 3,0 | 2474,00 | |
ПД 12003 | 12,0 | 2,0 | 2373,84 |
ПД 12004 | 2,5 | 2967,30 | |
ПД 12509 | 12,5 | 1,0 | 1288,54 |

Обозначение контакт-детали | d2 | l | Масса 1000 шт. из серебра, г (справочно) |
ПЦ 0501 | 0,5 | 2,0 | 4,12 |
ПЦ 0502 | 2,5 | 5,15 | |
ПЦ 0503 | 3,0 | 6,18 | |
ПЦ 0504 | 3,5 | 7,21 | |
ПЦ 0505 | 4,0 | 8,24 | |
ПЦ 0506 | 4,5 | 9,28 | |
ПЦ 0507 | 5,0 | 10,31 | |
ПЦ 0801 | 0,8 | 2,0 | 10,55 |
ПЦ 0802 | 2,5 | 13,19 | |
ПЦ 0803 | 3,0 | 15,83 | |
ПЦ 0804 | 3,5 | 18,47 | |
ПЦ 0805 | 4,0 | 21,10 | |
ПЦ 0806 | 4,5 | 23,74 | |
ПЦ 0807 | 5,0 | 26,39 | |
ПЦ 0808 | 5,5 | 29,03 | |
ПЦ 0809 | 6,0 | 31,67 | |
ПЦ 1001 | 1,0 | 1,5 | 12,36 |
ПЦ 1002 | 2,0 | 16,49 | |
ПЦ 1003 | 2,5 | 20,61 | |
ПЦ 1004 | 3,0 | 24,73 | |
ПЦ 1005 | 3,5 | 28,85 | |
ПЦ 1006 | 4,0 | 32,97 | |
ПЦ 1007 | 4,5 | 37,09 | |
ПЦ 1008 | 5,0 | 41,21 | |
ПЦ 1009 | 5,5 | 45,36 | |
ПЦ 1010 | 6,0 | 49,48 | |
ПЦ 1011 | 10,0 | 82,43 | |
ПЦ 1012 | 12,0 | 98,96 | |
ПЦ 1013 | 20,0 | 164,93 | |
ПЦ 1201 | 1,2 | 1,5 | 17,81 |
ПЦ 1202 | 2,0 | 23,75 | |
ПЦ 1203 | 2,5 | 29,69 | |
ПЦ 1204 | 3,0 | 35,61 | |
ПЦ 1205 | 3,5 | 41,54 | |
ПЦ 1206 | 4,0 | 47,50 | |
ПЦ 1207 | 5,0 | 59,38 | |
ПЦ 1401 | 1,4 | 3,5 | 56,54 |
ПЦ 1501 | 1,5 | 2,0 | 37,09 |
ПЦ 1502 | 2,5 | 46,39 | |
ПЦ 1503 | 3,0 | 55,64 | |
ПЦ 1504 | 3,5 | 64,91 | |
ПЦ 1505 | 4,0 | 74,20 | |
ПЦ 1506 | 4,5 | 83,46 | |
ПЦ 1507 | 5,0 | 92,78 | |
ПЦ 1508 | 12,0 | 222,67 | |
ПЦ 2001 | 2,0 | 2,0 | 65,94 |
ПЦ 2002 | 2,5 | 82,47 | |
ПЦ 2003 | 3,0 | 98,96 | |
ПЦ 2004 | 3,5 | 115,45 | |
ПЦ 2005 | 4,0 | 131,95 | |
ПЦ 2006 | 4,5 | 148,44 | |
ПЦ 2007 | 5,0 | 164,93 | |
ПЦ 2008 | 6,0 | 197,92 | |
ПЦ 2009 | 7,0 | 230,91 | |
ПЦ 2010 | 8,0 | 263,89 | |
ПЦ 2011 | 9,0 | 296,88 | |
ПЦ 2012 | 9,5 | 313,37 | |
ПЦ 2501 | 2,5 | 2,5 | 128,79 |
ПЦ 3001 | 3,0 | 3,0 | 222,66 |
ПЦ 3002 | 3,5 | 259,77 | |
ПЦ 3003 | 4,0 | 296,88 | |
ПЦ 3004 | 4,5 | 333,99 | |
ПЦ 3005 | 5,0 | 371,10 | |
ПЦ 3006 | 5,5 | 408,21 | |
ПЦ 3007 | 6,0 | 445,32 | |
ПЦ 3008 | 8,0 | 593,76 | |
ПЦ 3502 | 3,5 | 5,0 | 505,11 |
ПЦ 4001 | 4,0 | 4,0 | 527,77 |
ПЦ 4002 | 4,5 | 593,74 | |
ПЦ 4003 | 5,0 | 659,74 | |
ПЦ 4004 | 5,5 | 725,69 | |
ПЦ 4005 | 6,0 | 791,66 | |
ПЦ 4006 | 8,0 | 1055,54 |

Обозначение контакт-детали | S | A | B | Масса 1000 шт. из серебра, г (справочно) |
ПЛ 0201 | 0,2 | 2,0 | 6,0 | 25,21 |
ПЛ 0302А | 0,3 | 2,5 | 6,0 | 47,25 |
ПЛ 0303 | 4,0 | 4,0 | 50,40 | |
ПЛ 0304 | 10,0 | 10,0 | 315,00 | |
ПЛ 0401 | 0,4 | 1,5 | 2,5 | 15,75 |
ПЛ 0402 | 3,0 | 18,90 | ||
ПЛ 0403 | 2,0 | 4,0 | 33,60 | |
ПЛ 0404 | 6,0 | 50,40 | ||
ПЛ 0404А | 5,0 | 10,0 | 210,00 | |
ПЛ 0405 | 12,0 | 252,00 | ||
ПЛ 0500 | 0,5 | 1,5 | 6,0 | 47,25 |
ПЛ 0501Б | 2,0 | 6,0 | 63,00 | |
ПЛ 0502 | 2,5 | 4,0 | 52,50 | |
ПЛ 0503А | 2,5 | 2,5 | 33,34 | |
ПЛ 0505 | 3,0 | 7,0 | 110,25 | |
ПЛ 0507А | 3,5 | 6,0 | 110,25 | |
ПЛ 0508А | 3,8 | 5,5 | 109,72 | |
ПЛ 0508Б | 4,0 | 115,50 | ||
ПЛ 0508 | 4,0 | 84,00 | ||
ПЛ 0510 | 5,0 | 5,0 | 131,27 | |
ПЛ 0511 | 6,0 | 157,55 | ||
ПЛ 0514 | 6,0 | 12,0 | 378,00 | |
ПЛ 0601А | 0,6 | 2,5 | 3,0 | 47,25 |
ПЛ 0602А | 3,0 | 3,5 | 66,15 | |
ПЛ 0603 | 5,0 | 94,50 | ||
ПЛ 0604 | 6,0 | 113,40 | ||
ПЛ 0704 | 0,7 | 2,0 | 6,8 | 71,00 |
ПЛ 0800 | 0,8 | 1,2 | 2,5 | 25,20 |
ПЛ 0801А | 2,0 | 7,0 | 117,60 | |
ПЛ 0801 | 2,5 | 10,0 | 210,00 | |
ПЛ 0802 | 2,0 | 5,0 | 84,00 | |
ПЛ 0803А | 8,0 | 134,40 | ||
ПЛ 0803 | 4,0 | 4,0 | 134,40 | |
ПЛ 0805 | 5,0 | 10,0 | 420,00 | |
ПЛ 1001А | 1,0 | 4,0 | 4,5 | 189,00 |
ПЛ 1002 | 5,5 | 231,00 | ||
ПЛ 1005 | 6,0 | 6,0 | 378,00 | |
ПЛ 1009 | 6,5 | 8,0 | 546,00 | |
ПЛ 1010 | 8,0 | 10,0 | 840,00 | |
ПЛ 1012 | 10,0 | 1050,00 | ||
ПЛ 1505А | 1,5 | 1575,00 | ||
ПЛ 1506 | 12,0 | 1890,00 | ||
ПЛ 2005 | 2,0 | 8,0 | 10,0 | 1680,00 |
ПЛ 2006А | 10,0 | 2100,00 | ||
ПЛ 2007 | 14,0 | 2940,00 |

Обозначение контакт-детали | D | h | h2 | Масса 1000 шт. из серебра, г (справочно) |
ПК 3002 | 3,0 | 1,2 | 0,5 | 90,39 |
ПК 4000 | 4,0 | 0,6 | 71,14 | |
ПК 4001 | 1,0 | 133,25 | ||
ПК 4002 | 1,1 | 185,96 | ||
ПК 4500 | 4,5 | 0,6 | 90,40 | |
ПК 4501 | 1,0 | 168,20 | ||
ПК 5002 | 5,0 | 207,44 | ||
ПК 5003 | 2,0 | 413,50 | ||
ПК 6001 | 6,0 | 0,8 | 238,76 | |
ПК 6002 | 1,0 | 298,11 | ||
ПК 6003 | 1,2 | 357,46 | ||
ПК 6003А | 1,5 | 446,67 | ||
ПК 7501 | 7,5 | 1,3 | 1,0 | 613,73 |
ПК 8000А | 8,0 | 1,0 | 0,5 | 528,89 |
ПК 8000 | 1,2 | 634,72 | ||
ПК 8001 | 1,5 | 792,65 | ||
ПК 12001 | 12,0 | 2,0 | 2375,22 | |
Примечание - По согласованию с потребителем контакты изготавливают с цилиндрическим стержнем. | ||||

Обозначение контакт-детали | D | h | h2 | R | Масса 1000 шт. из серебра, г (справочно) |
СК 3001 | 3,0 | 1,0 | 0,8 | 3,0 | 61,02 |
СК 3500 | 3,5 | 0,8 | 0,5 | 10,0 | 74,24 |
СК 3501 | 1,5 | 3,0 | 125,49 | ||
СК 4001 | 4,0 | 0,8 | 5,0 | 84,05 | |
СК 4002 | 1,0 | 4,0 | 98,88 | ||
СК 4002А | 15,0 | 124,49 | |||
СК 4003 | 1,5 | 4,0 | 164,53 | ||
СК 4501 | 4,5 | 5,0 | 208,63 | ||
СК 5001 | 5,0 | 1,0 | 0,8 | 6,0 | 152,29 |
СК 5001А | 1,2 | 0,5 | 5,0 | 181,37 | |
СК 5002 | 1,5 | 243,22 | |||
СК 5500 | 5,5 | 5,5 | 285,09 | ||
СК 6000 | 6,0 | 1,2 | 6,5 | 250,29 | |
СК 6001 | 1,5 | 5,0 | 304,09 | ||
СК 6002 | 2,0 | 452,03 | |||
СК 6003 | 1,5 | 11,0 | 385,13 | ||
СК 7001 | 7,0 | 1,8 | 1,0 | 10,0 | 611,95 |
СК 7501 | 7,5 | 2,2 | 864,40 | ||
СК 8001 | 8,0 | 1,5 | 0,5 | 575,94 |

Обозначение контакт-детали | D | d | H | h | h2 | R | Масса 1000 шт. из серебра, г (справочно) | ||||
2СК 3501 | 3,5 | 2,2 | 0,7 | 0,6 | 0,7 | 10,0 | 78,94 | ||||
2СК 3502 | 1,4 | 0,5 | 1,5 | 97,71 | |||||||
2СК 4702 | 4,7 | 2,5 | 1,6 | 1,5 | 1,0 | 15,0 | 302,00 | ||||
2СК 4703 | 1,9 | 1,7 | 8,5 | 344,61 | |||||||
2СК 6001 | 6,0 | 4,0 | 1,2 | 1,0 | 1,2 | 15,0 | 363,42 | ||||
| |||||||||||
2СК 7000 | 7,0 | 5,5 | 1,7 | 1,3 | 1,4 | 11, | 661,60 | ||||
2СК 7502 | 7,5 | 2,0 | 1,6 | 15,0 | 899,67 | ||||||

Обозначение контакт-детали | S | A | B | Масса 1000 шт. из серебра, г (справочно) |
1Ф 0501 | 0,5 | 2,0 | 2,0 | 18,74 |
1Ф 0502 | 3,5 | 34,50 | ||
1Ф 0503 | 5,0 | 5,5 | 130,27 | |
1Ф 0601 | 0,6 | 3,0 | 3,5 | 60,05 |
1Ф 0602 | 4,0 | 69,51 | ||
1Ф 0701 | 0,7 | 81,09 | ||
1Ф 0702 | 3,5 | 5,0 | 118,94 | |
1Ф 0703 | 5,0 | 6,5 | 219,13 | |
1Ф 0901 | 0,9 | 2,5 | 7,0 | 159,02 |
1Ф 1201 | 1,2 | 3,0 | 4,0 | 139,01 |

Обозначение контакт-детали | S | A | B | Масса 1000 шт. из серебра, г (справочно) |
2Ф 0401 | 0,4 | 1,0 | 2,0 | 7,49 |
2Ф 0402 | 4,4 | 17,58 | ||
2Ф 1001 | 1,0 | 2,5 | 5,0 | 117,14 |
2Ф 1101 | 1,1 | 5,0 | 10,0 | 515,53 |

Обозначение контакт-детали | S | A | B | R | Масса 1000 шт. из серебра, г (справочно) |
4Ф 1201 | 1,2 | 3,0 | 5,0 | 5,0 | 180,0 |

Обозначение контакт-детали | S | A | L | D | h1 | Масса 1000 шт. из серебра, г (справочно) |
6Ф 1001 | 1,0 | 3,0 | 1,5 | 1,8 | 1,2 | 47,25 |
6Ф 1002 | 4,0 | 2,7 | 2,0 | 95,03 | ||
6Ф 1003 | 2,0 | 3,0 | 105,00 | |||
6Ф 1004 | 3,0 | 2,0 | 1,0 | 73,50 | ||
6Ф 1005 | 1,5 | 1,3 | 65,63 | |||
6Ф 1006 | 6,0 | 4,0 | 2,5 | 1,7 | 140,70 | |
6Ф 1501 | 1,5 | 8,0 | 5,0 | 4,0 | 3,0 | 456,75 |

Обозначение контакт-детали | D | h | d1 | Масса 1000 шт. из серебра, г (справочно) |
ПС 4001 | 4,0 | 1,2 | 2,5 | 168,99 |
ПС 4008 | 1,6 | 3,5 | 231,00 | |
ПС 4501 | 4,5 | 1,2 | 3,0 | 215,59 |
ПС 4804 | 4,8 | 1,0 | 3,5 | 210,57 |
ПС 5003 | 5,0 | 1,2 | 267,96 | |
ПС 5502 | 5,5 | 1,0 | 270,02 | |
ПС 6003 | 6,0 | 1,2 | 4,0 | 383,00 |
ПС 6005 | 1,4 | 442,37 | ||
ПС 6503 | 6,5 | 1,0 | 375,17 | |
ПС 7502 | 7,5 | 1,2 | 5,0 | 598,23 |
ПС 8003 | 8,0 | 1,8 | 5,5 | 1000,25 |
ПС 10003 | 10,0 | 2,0 | 7,5 | 1742,41 |

Обозначение контакт-детали | D | h | d1 | R | Масса 1000 шт. из серебра, г (справочно) |
СС 3503 | 3,5 | 0,7 | 2,5 | 10,0 | 73,49 |
СС 4005 | 4,0 | 1,2 | 3,5 | 5,0 | 151,75 |
СС 4008 | 1,6 | 201,00 | |||
СС 4802 | 4,8 | 1,0 | 15,0 | 192,24 | |
СС 4803 | 1,6 | 306,24 | |||
СС 5003 | 5,0 | 1,2 | 246,38 | ||
СС 6005 | 6,0 | 4,0 | 11,5 | 324,24 | |
СС 7003 | 7,0 | 1,7 | 5,5 | 11,0 | 622,72 |
СС 7503 | 7,5 | 2,0 | 15,0 | 867,84 | |
СС 8003 | 8,0 | 963,36 |
Диаметр D <*> | Диаметр d <*> | Диаметр d1 | Диаметр d2 | Высота h <*>, толщина S1 | Длина l <*> | Высота H | Высота h2 | ||||||||
Номин. | Пред. откл. | Номин. | Пред. откл. | Номин. | Пред. откл. | Номин. | Пред. откл. | Номин. | Пред. откл. | Номин. | Пред. откл. | Номин. | Пред. откл. | Номин. | Пред. откл. |
От 1,00 до 3,00 включ. | -0,12 | От 0,600 до 1,000 включ. | -0,045 | От 2,2 до 7,5 включ. | -0,3 | От 0,500 до 0,600 включ. | -0,025 | 0,10 | -0,03 | От 0,40 до 0,60 включ. | -0,08 | От 0,70 до 1,10 включ. | -0,12 | От 0,5 до 1,5 включ. | -0,2 |
Св. 3,00 до 6,00 включ. | -0,16 | Св. 1,00 до 3,00 включ. | -0,06 | - | - | Св. 0,600 до 1,000 включ. | -0,030 | Св. 0,10 до 0,40 включ. | -0,06 | Св. 0,60 до 1,20 включ. | -0,12 | Св. 1,10 до 2,00 включ. | -0,20 | - | - |
Св. 6,00 до 10,00 включ. | -0,20 | Св. 3,00 до 6,00 включ. | -0,08 | - | - | Св. 1,000 до 3,000 включ. | -0,040 | Св. 0,40 до 0,60 включ. | -0,08 | Св. 1,20 до 2,00 включ. | -0,16 | - | - | - | - |
Св. 10,00 до 18,00 включ. | -0,24 | - | - | - | - | Св. 3,000 до 6,000 включ. | -0,048 | Св. 0,60 до 1,20 включ. | -0,12 | Св. 2,00 до 3,20 включ. | -0,20 | - | - | - | - |
- | - | - | - | - | - | - | - | Св. 1,20 до 2,00 включ. | -0,16 | Св. 3,20 до 6,00 включ. | -0,24 | - | - | - | - |
- | - | - | - | - | - | - | - | Св. 2,00 | -0,20 | Св. 6,00 до 10,00 включ. | -0,30 | - | - | - | - |
- | - | - | - | - | - | - | - | - | - | Св. 10,00 до 20,00 включ. | -0,40 | - | - | - | - |
<*> Кроме контакт-деталей типов ПГ, СГ, КГ, СД из сплавов марок ПдИ 75-25 и ПдИ 82-18 (см. таблицу А.2.4). | |||||||||||||||
A; B | L | Толщина S | h | ||||
Номин. | Пред. откл. | Номин. | Пред. откл. | Номин. | Пред. откл. | Номин. | Пред. откл. |
От 1,00 до 3,00 включ. | -0,12 | От 1,00 до 3,00 включ. | -0,06 | 0,10 | -0,03 | До 1,20 включ. | -0,12 |
Св. 3,00 до 6,00 включ. | -0,16 | Св. 3,00 до 6,00 включ. | -0,08 | Св. 0,10 до 0,50 включ. | -0,04 | Св. 1,20 до 2,00 включ. | -0,16 |
Св. 6,00 до 10,00 включ. | -0,20 | - | - | Св. 0,50 до 0,70 включ. | -0,06 | Св. 2,00 | -0,20 |
Св. 10,00 до 18,00 включ. | -0,24 | - | - | Св. 0,70 до 1,00 включ. | -0,08 | - | - |
Св. 18,00 до 30,00 включ. | -0,28 | - | - | Св. 1,00 до 1,50 включ. | -0,10 | - | - |
- | - | - | - | Св. 1,50 | -0,12 | - | - |
Радиус сферы R | |
Номин. | Пред. откл. |
От 0,3 до 0,4 включ. | +/- 0,2 |
Св. 0,4 до 0,9 включ. | +/- 0,3 |
Св. 0,9 до 3,0 включ. | +/- 0,8 |
Св. 3,0 до 5,0 включ. | +/- 2,0 |
Св. 5,0 до 8,0 включ. | -3,0 |
Св. 8,0 до 16,0 включ. | -3,5 |
Св. 16,0 до 30,0 включ. | -6,0 |
Св. 30,0 | -10,0 |
Диаметр D <*> | Диаметр d <*> | Высота h, длина l | |||
Номин. | Пред. откл. | Номин. | Пред. откл. | Номин. | Пред. откл. |
От 1,00 до 2,50 включ. | -0,12 | От 0,60 до 1,00 включ. | -0,07 | От 0,40 до 0,60 включ. | +/- 0,08 |
Св. 2,50 до 4,00 включ. | -0,30 | От 1,00 до 2,00 включ. | -0,12 | От 0,60 до 0,80 включ. | +/- 0,10 |
- | - | - | - | От 0,80 до 1,20 включ. | +/- 0,12 |
- | - | - | - | От 1,20 до 1,50 включ. | +/- 0,15 |
- | - | - | - | От 1,50 до 2,00 включ. | +/- 0,20 |
Угловая величина | |
Номин. | Пред. откл. |
От 45 до 60 включ. | +/- 3 |
Св. 60 до 90 включ. | +/- 5 |
Марка металла, сплава | Теоретическая плотность, 1x103 кг/м3 | Удельное электросопротивление, 10-6 Ом·м, не более | Твердость HV, МПа (кгс/мм2), не менее | Температура плавления, °C | |
Верхняя критическая точка | Нижняя критическая точка | ||||
Серебро и его сплавы | |||||
Ср 99,99, Ср 99,9 | 10,50 | 0,016 | 550 (55) | 962 | 962 |
СрМ 97 | 10,44 | 0,019 | 1000 (100) | 930 | 880 |
СрМ 92,5 | 10,36 | 0,019 | 1000 (100) | 896 | 779 |
СрМ 90 | 10,32 | 0,019 | 1100 (110) | 875 | 779 |
СрМ 87,5 | 10,28 | 0,019 | 1200 (120) | 830 | 779 |
СрМ 80 | 10,15 | 0,020 | 1200 (120) | 810 | 779 |
СрМ 50 | 9,66 | 0,021 | 1250 (125) | 870 | 779 |
СрПл 88-12 | 11,19 | 0,115 | 1200 (120) | 1060 | 970 |
СрПд 80-20 | 10,79 | 0,106 | 1200 (120) | 1150 | 1070 |
СрМ-0,2 | 10,49 | 0,018 | 680 (68) | 962 | 962 |
СрН-90 | 10,31 | 0,020 | 640 (64) | 960 | 960 |
СрКд 86-14 | 10,20 | 0,047 | 800 (80) | 900 | 780 |
СрМгНЦр-99 | 10,46 | 0,032 | 400 (40) | 980 | 950 |
Золото и его сплавы | |||||
Зл 99,99, Зл 99,9 | 19,30 | 0,020 | 500 (50) | 1063 | 1063 |
ЗлСр 75-25 | 15,96 | 0,099 | 850 (85) | 1045 | 1040 |
ЗлСр 60-40 | 14,45 | 0,108 | 900 (90) | 1030 | 1026 |
ЗлСрМ 58,5-8 | 13,24 | 0,140 | 2200 (220) | 905 | 880 |
ЗлСрМ 58,5-30 | 13,92 | 0,108 | 2000 (200) | 880 | 835 |
ЗлПл 93-7 | 19,44 | 0,102 | 1000 (100) | 1160 | 1110 |
ЗлН 95 | 18,24 | 0,123 | 1750 (175) | 1020 | 990 |
Платина и ее сплавы | |||||
Пл 99,93, Пл 99,9 | 21,45 | 0,11 | 900 (90) | 1769 | 1769 |
ПлИ 90-10 | 21,54 | 0,24 | 1650 (165) | 1800 | 1790 |
ПлИ 75-25 | 21,68 | 0,33 | 3000 (300) | 1890 | 1840 |
ПлН 95,5 | 20,17 | 0,22 | 2300 (230) | 1750 | 1700 |
Палладий и его сплавы | |||||
Пд 99,9, Пд 99,8 | 12,16 | 0,11 | 800 (80) | 1555 | 1555 |
ПдСр 60-40 | 11,44 | 0,42 | 1400 (140) | 1390 | 1340 |
ПдИ 90-10 | 12,74 | 0,25 | 1300 (130) | 1650 | 1560 |
ПдИ 82-18 | 13,25 | 0,35 | 1750 (175) | 1710 | 1580 |
Примечания 1 Твердость деформированного материала из чистого металла может измениться во время хранения при комнатной температуре. 2 Твердость проверяют по ГОСТ 7229 на материале со степенью деформации, соответствующей технологии изготовления контакт-деталей. 3 Условия измерения твердости: значение нагрузки 5 кгс; продолжительность приложения нагрузки 30 с. | |||||
Марка материала | Удельный дуговой износ, мкг/Кл <*>, не более | n <**> |
Ср 99,99 | 1,5 | 1,0 |
СрМ 92,5 | 1,5 | 1,6 |
СрМ 90 | 1,5 | 1,6 |
СрМ 87,5 | 1,5 | 1,6 |
СрМ50 | 2,5 | 1,6 |
СрПд 80-20 | 3,8 | 1,2 |
ПлИ 90-10 | 32 | 0,2 |
ПлИ 75-25 | 32 | 0,2 |
Пд 99,9 | 12 | 0,6 |
ПдИ 90-10 | 14 | 0,2 |
ПдИ 82-18 | 14 | 0,2 |
ПдСр 60-40 | 12 | 1,1 |
УДК 621.3.066.6:669.21/23:006.354 | МКС 17.220.20 |
Ключевые слова: контакт-детали, благородные металлы, форма, размеры, масса, поверхность, упаковка, маркировка, методы контроля, транспортирование, хранение, гарантии изготовителя, физико-механические свойства, дуговой износ | |