Главная // Актуальные документы // ГОСТ (Государственный стандарт)
СПРАВКА
Источник публикации
М.: ФГБУ "Институт стандартизации", 2023
Примечание к документу
Текст данного документа приведен с учетом поправки, опубликованной в "ИУС", N 4, 2024.

Документ введен в действие с 01.06.2024.

Взамен ГОСТ 24264.2-94.
Название документа
"ГОСТ ISO 5356-2-2023. Межгосударственный стандарт. Аппараты ингаляционной анестезии и искусственной вентиляции легких. Соединения конические. Часть 2. Резьбовые соединения, несущие весовую нагрузку"
(введен в действие Приказом Росстандарта от 22.09.2023 N 925-ст)

"ГОСТ ISO 5356-2-2023. Межгосударственный стандарт. Аппараты ингаляционной анестезии и искусственной вентиляции легких. Соединения конические. Часть 2. Резьбовые соединения, несущие весовую нагрузку"
(введен в действие Приказом Росстандарта от 22.09.2023 N 925-ст)


Содержание


Введен в действие
Приказом Федерального агентства
по техническому регулированию
и метрологии
от 22 сентября 2023 г. N 925-ст
МЕЖГОСУДАРСТВЕННЫЙ СТАНДАРТ
АППАРАТЫ ИНГАЛЯЦИОННОЙ АНЕСТЕЗИИ И ИСКУССТВЕННОЙ
ВЕНТИЛЯЦИИ ЛЕГКИХ. СОЕДИНЕНИЯ КОНИЧЕСКИЕ
ЧАСТЬ 2
РЕЗЬБОВЫЕ СОЕДИНЕНИЯ, НЕСУЩИЕ ВЕСОВУЮ НАГРУЗКУ
Anaesthetic and respiratory equipment. Conical
connectors. Part 2. Screw-threaded weight-bearing connectors
(ISO 5356-2:2012+Amd.1:2019, IDT)
ГОСТ ISO 5356-2-2023
МКС 11.040.10
Дата введения
1 июня 2024 года
Предисловие
Цели, основные принципы и общие правила проведения работ по межгосударственной стандартизации установлены ГОСТ 1.0 "Межгосударственная система стандартизации. Основные положения" и ГОСТ 1.2 "Межгосударственная система стандартизации. Стандарты межгосударственные, правила и рекомендации по межгосударственной стандартизации. Правила разработки, принятия, обновления и отмены"
Сведения о стандарте
1 ПОДГОТОВЛЕН Обществом с ограниченной ответственностью "Медтехстандарт" (ООО "Медтехстандарт") на основе собственного перевода на русский язык англоязычной версии стандарта, указанного в пункте 5
2 ВНЕСЕН Федеральным агентством по техническому регулированию и метрологии
3 ПРИНЯТ Межгосударственным советом по стандартизации, метрологии и сертификации (протокол от 31 августа 2023 г. N 164-П)
За принятие проголосовали:
Краткое наименование страны по МК (ИСО 3166) 004-97
Код страны по МК (ИСО 3166) 004-97
Сокращенное наименование национального органа по стандартизации
Армения
AM
ЗАО "Национальный орган по стандартизации и метрологии" Республики Армения
Беларусь
BY
Госстандарт Республики Беларусь
Киргизия
KG
Кыргызстандарт
Россия
RU
Росстандарт
Таджикистан
TJ
Таджикстандарт
Узбекистан
UZ
Узстандарт
4 Приказом Федерального агентства по техническому регулированию и метрологии от 22 сентября 2023 г. N 925-ст межгосударственный стандарт ГОСТ ISO 5356-2-2023 введен в действие в качестве национального стандарта Российской Федерации с 1 июня 2024 г.
ИС МЕГАНОРМ: примечание.
Изменения, выделенные в официальном тексте документа двойной вертикальной линией, расположенной на полях напротив соответствующего текста, в электронной версии документа обозначены одинарной вертикальной линией справа от текста.
5 Настоящий стандарт идентичен международному стандарту ISO 5356-2:2012 "Аппараты ингаляционной анестезии и искусственной вентиляции легких. Соединения конические. Часть 2. Резьбовые соединения, несущие весовую нагрузку" ("Anaesthetic and respiratory equipment - Conical connectors - Part 2: Screw-threaded weight-bearing connectors", IDT), включая изменение Amd.1:2019. Изменение внесено в текст настоящего стандарта и выделено двойной вертикальной линией, расположенной на полях напротив соответствующего текста, а обозначение и год его принятия приведены в скобках после соответствующего текста.
Международный стандарт разработан подкомитетом SC 1 "Крепления для дыхательных систем и анестезирующие машины" Технического комитета по стандартизации TC 121 "Оборудование для анестезии и искусственной вентиляции легких" Международной организации по стандартизации (ISO).
При применении настоящего стандарта рекомендуется использовать вместо ссылочных международных стандартов соответствующие им межгосударственные стандарты, сведения о которых приведены в дополнительном приложении ДА.
Дополнительные сноски в тексте стандарта, выделенные курсивом, приведены для пояснения текста оригинала
6 ВЗАМЕН ГОСТ 24264.2-94
Информация о введении в действие (прекращении действия) настоящего стандарта и изменений к нему на территории указанных выше государств публикуется в указателях национальных стандартов, издаваемых в этих государствах, а также в сети Интернет на сайтах соответствующих национальных органов по стандартизации.
В случае пересмотра, изменения или отмены настоящего стандарта соответствующая информация будет опубликована на официальном интернет-сайте Межгосударственного совета по стандартизации, метрологии и сертификации в каталоге "Межгосударственные стандарты"
Введение
В то время как конические патрубки и гнезда, определенные в ISO 5356-1, применимы с легкими по весу элементами дыхательного контура, также существует потребность в более прочных соединителях для поддержания тяжелых или хрупких компонентов. Факторы, определяющие конструкцию этих соединителей, включают надежность, простоту, доступность стерилизации и легкость присоединения и отсоединения вручную. Они также должны быть совместимы с коническими патрубками и гнездами, отвечающими требованиям, указанным в ISO 5356-1, и должны, по возможности, исключать вероятность случайного неправильного присоединения, хотя ответственность за проверку перед использованием правильности сборки любой системы, в которой они применяются, должна оставаться на пользователе.
(ISO 5356-2:2012/Amd.1:2019)
Резьбовые соединения, несущие весовую нагрузку, определенные в настоящем стандарте, могут быть использованы для крепления внутри дыхательного контура и на общем выходном отверстии газа.
Третье издание отменяет и заменяет второе издание (ISO 5356-2:2006), которое было пересмотрено путем изменения формулировки области применения и включения незначительных редакционных изменений:
Серия стандартов ISO 5356 под общим наименованием "Аппараты ингаляционной анестезии и искусственной вентиляции легких. Соединения конические" состоит из следующих частей:
- часть 1. Конические патрубки и гнезда;
- часть 2. Резьбовые соединения, несущие весовую нагрузку.
1 Область применения
Настоящий стандарт устанавливает требования к размерам резьбовых конических соединений, несущих весовую нагрузку, предназначенных для применения с аппаратами ингаляционной анестезии и искусственной вентиляции легких. Такие соединения предназначены для монтажа тяжелых принадлежностей.
Настоящий стандарт устанавливает требования к следующим резьбовым коническим соединениям, несущим весовую нагрузку:
- соединения размером 22 мм;
- коаксиальные соединения размером 22 мм/15 мм.
Требования к применению резьбовых конических соединений, несущих весовую нагрузку, не включены в настоящий стандарт, но приведены или будут приведены в соответствующих стандартах на конкретные медицинские изделия и принадлежности.
Примечание - Требования к коническим патрубкам и гнездам приведены в ISO 5356-1.
2 Нормативные ссылки
В настоящем стандарте использованы нормативные ссылки на следующие стандарты [для датированных ссылок применяют только указанное издание ссылочного стандарта, для недатированных - последнее издание (включая все изменения)]:
ISO 965-2, ISO general purpose metric screw threads - Tolerances - Part 2: Limits of sizes for general purpose external and internal screw threads - Medium quality (Резьбы метрические ISO общего назначения. Допуски. Часть 2. Предельные размеры наружных и внутренних резьб общего назначения. Среднее качество)
ISO 5356-1:2015, Anaesthetic and respiratory equipment - Conical connectors - Part 1: Cones and sockets (Аппараты ингаляционной анестезии и искусственной вентиляции легких. Часть 1. Конические патрубки и гнезда)
(ISO 5356-2:2012/Amd.1:2019)
3 Термины и определения
В настоящем стандарте применены следующие термины с соответствующими определениями:
3.1 аппарат ингаляционной анестезии (inhalation anaesthesia apparatus): Изделие, предназначенное для дозирования и подачи анестезирующих газов и паров в дыхательный контур для доставки пациенту.
3.2 элемент дыхательного контура (breathing attachment): Компонент(ы), предназначенный(ые) для сборки или комплектации дыхательного контура.
Примечание - Адаптировано из ISO 4135:2001, определение 4.1.6 <1>.
--------------------------------
<1> См. также ISO 4135:2022, определение 3.6.1.4.
3.3 дыхательный контур (breathing system): Газовые пути непрерывно или периодически соединяющиеся с дыхательными путями пациента во время любой формы вентиляции.
Примечание 1 - На практике дыхательный контур, как правило, проходит:
a) от точки подачи управляемой газовой смеси, например, общего выходного отверстия газа аппарата ингаляционной анестезии (в некоторых ситуациях, особенно в аппаратах искусственной вентиляции легких, точка подачи может находиться внутри части оборудования, и ее не следует путать с присоединительным отверстием, установленным в другом месте, например, на корпусе аппарата искусственной вентиляции легких); или
b) входа свежего газа в циркуляционный контур, аппарата искусственной вентиляции легких, тройника и т.д.; или
c) входа свежего газа в аппарат искусственной вентиляции легких для оживления с ручным приводом.
Примечание 2 - Как правило, дыхательный контур проходит до точки, в которой газовая смесь выходит в атмосферу или систему выведения анестезирующих газов, например, из регулируемого клапана ограничения давления (APL), открытого конца тройника и т.д.
Примечание 3 - Газовые пути, относящиеся исключительно к системам выведения анестезирующих газов, не рассматриваются как часть дыхательного контура.
Примечание 4 - Адаптировано из ISO 4135:2001, определение 4.1.1.
4 Конструкция
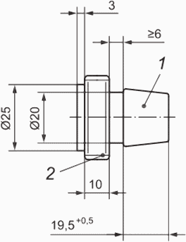
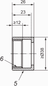
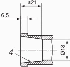
Размеры компонентов резьбовых соединений, несущих весовую нагрузку, должны соответствовать приведенным на рисунке 1.
Свободное осевое перемещение накидной гайки на охватывающей детали соединения должно составлять не более 2 мм, чтобы при развинчивании охватываемая и охватывающая детали соединения разъединялись.
Все резьбы на охватываемых деталях должны быть M33 x 2, 6g, а на охватывающих M33 x 2, 6H в соответствии с ISO 965-2.
Соответствие устанавливают путем проведения измерения и функционального испытания.
(ISO 5356-2:2012/Amd.1:2019)
a) Охватываемая деталь
b) Охватывающая деталь - параллельный разъем
(показаны только основные размеры) <a>
c) Охватывающая деталь - конусность и гнездо
(показаны только основные размеры) <a>
d) Накидная гайка (показаны только основные размеры) <b>
e) Типичная охватывающая деталь в сборе <b>
--------------------------------
<a> Диаметр 18 мм, предназначенный для использования в дыхательных контурах.
<b> Накидная гайка может фиксироваться пружинным кольцом вместо фланца.
1 - конический патрубок размером 22 мм, как указано на рисунке 2 ISO 5356-1:2015 с коаксиальным гнездом размером 15 мм или без него: 2 - резьба на охватываемой детали; 3 - канавка для уплотнительного кольца (рекомендуемый размер: диаметр 24,8 мм, ширина 2,3+0,2 мм), соответствующая уплотнительному кольцу рекомендуемого размера: внутренний диаметр 22,1 мм, поперечное сечение: 1,6 мм; 4 - гнездо размером 22 мм, как указано в ISO 5356-1:2015; 5 - накатка; 6 - резьба на охватывающей детали; 7 - положение стопорного зажима, фланца или пружинного кольца; 8 - стопорный фланец (ISO 5356-2:2012/Amd.1:2019)
Рисунок 1 - Компоненты для резьбовых соединений, несущих
весовую нагрузку
Приложение ДА
(справочное)
СВЕДЕНИЯ О СООТВЕТСТВИИ ССЫЛОЧНЫХ МЕЖДУНАРОДНЫХ СТАНДАРТОВ
МЕЖГОСУДАРСТВЕННЫМ СТАНДАРТАМ
Таблица ДА.1
Обозначение ссылочного международного стандарта
Степень соответствия
Обозначение и наименование соответствующего межгосударственного стандарта
ISO 965-2
-
ISO 5356-1:2015
IDT
ГОСТ ISO 5356-1-2023 "Аппараты ингаляционной анестезии и искусственной вентиляции легких. Соединения конические. Часть 1. Конические патрубки и гнезда"
<*> Соответствующий межгосударственный стандарт отсутствует. До его принятия рекомендуется использовать перевод на русский язык данного международного стандарта.
Примечание - В настоящей таблице использовано следующее условное обозначение степени соответствия стандартов:
- IDT - идентичный стандарт.
Библиография
[1]
ISO 262
ISO general-purpose metric screw threads - Selected sizes for screws, bolts and nuts
[2]
ISO 4135:2001 <1>
Anaesthetic and respiratory equipment - Vocabulary
--------------------------------
<1> Заменен на ISO 4135:2022.
УДК 616-089.5:006.354
МКС 11.040.10
IDT
Ключевые слова: аппараты ингаляционной анестезии, аппараты искусственной вентиляции легких, резьбовые соединения, размеры, конструкция