Главная // Актуальные документы // ГОСТ (Государственный стандарт)СПРАВКА
Источник публикации
М.: ФГБУ "Институт стандартизации", 2023
Примечание к документу
Текст данного документа приведен с учетом
поправки, опубликованной в "ИУС", N 4, 2024.
Документ
введен в действие с 01.06.2024.
Название документа
"ГОСТ ISO 5356-1-2023. Межгосударственный стандарт. Аппараты ингаляционной анестезии и искусственной вентиляции легких. Соединения конические. Часть 1. Конические патрубки и гнезда"
(введен в действие Приказом Росстандарта от 22.09.2023 N 924-ст)
"ГОСТ ISO 5356-1-2023. Межгосударственный стандарт. Аппараты ингаляционной анестезии и искусственной вентиляции легких. Соединения конические. Часть 1. Конические патрубки и гнезда"
(введен в действие Приказом Росстандарта от 22.09.2023 N 924-ст)
по техническому регулированию
и метрологии
от 22 сентября 2023 г. N 924-ст
МЕЖГОСУДАРСТВЕННЫЙ СТАНДАРТ
АППАРАТЫ ИНГАЛЯЦИОННОЙ АНЕСТЕЗИИ
И ИСКУССТВЕННОЙ ВЕНТИЛЯЦИИ ЛЕГКИХ.
СОЕДИНЕНИЯ КОНИЧЕСКИЕ
ЧАСТЬ 1
КОНИЧЕСКИЕ ПАТРУБКИ И ГНЕЗДА
Anaesthetic and respiratory equipment.
Conical connectors. Part 1. Cones and sockets
(ISO 5356-1:2015, IDT)
ГОСТ ISO 5356-1-2023
Дата введения
1 июня 2024 года
Цели, основные принципы и общие правила проведения работ по межгосударственной стандартизации установлены
ГОСТ 1.0 "Межгосударственная система стандартизации. Основные положения" и
ГОСТ 1.2 "Межгосударственная система стандартизации. Стандарты межгосударственные, правила и рекомендации по межгосударственной стандартизации. Правила разработки, принятия, обновления и отмены"
1 ПОДГОТОВЛЕН Обществом с ограниченной ответственностью "Медтехстандарт" (ООО "Медтехстандарт") на основе собственного перевода на русский язык англоязычной версии стандарта, указанного в
пункте 5
2 ВНЕСЕН Федеральным агентством по техническому регулированию и метрологии
3 ПРИНЯТ Межгосударственным советом по стандартизации, метрологии и сертификации (протокол от 31 августа 2023 г. N 164-П)
За принятие проголосовали:
Краткое наименование страны по МК (ИСО 3166) 004-97 | Код страны по МК (ИСО 3166) 004-97 | Сокращенное наименование национального органа по стандартизации |
Армения | AM | ЗАО "Национальный орган по стандартизации и метрологии" Республики Армения |
Беларусь | BY | Госстандарт Республики Беларусь |
Киргизия | KG | Кыргызстандарт |
Россия | RU | Росстандарт |
Таджикистан | TJ | Таджикстандарт |
Узбекистан | UZ | Узстандарт |
4
Приказом Федерального агентства по техническому регулированию и метрологии от 22 сентября 2023 г. N 924-ст межгосударственный стандарт ГОСТ ISO 5356-1-2023 введен в действие в качестве национального стандарта Российской Федерации с 1 июня 2024 г.
5 Настоящий стандарт идентичен международному стандарту ISO 5356-1:2015 "Аппараты ингаляционной анестезии и искусственной вентиляции легких. Соединения конические. Часть 1. Конические патрубки и гнезда" (ISO 5356-1:2015 "Anaesthetic and respiratory equipment - Conical connectors - Part 1: Cones and sockets", IDT).
Международный стандарт разработан подкомитетом SC 1 "Крепления для дыхательных систем и анестезирующие машины" Технического комитета по стандартизации ISO/TC 121 "Оборудование для анестезии и искусственной вентиляции легких" Международной организации по стандартизации (ISO).
При применении настоящего стандарта рекомендуется использовать вместо ссылочных международных стандартов соответствующие им межгосударственные стандарты, сведения о которых приведены в дополнительном
приложении ДА
Информация о введении в действие (прекращении действия) настоящего стандарта и изменений к нему на территории указанных выше государств публикуется в указателях национальных стандартов, издаваемых в этих государствах, а также в сети Интернет на сайтах соответствующих национальных органов по стандартизации.
В случае пересмотра, изменения или отмены настоящего стандарта соответствующая информация будет опубликована на официальном интернет-сайте Межгосударственного совета по стандартизации, метрологии и сертификации в каталоге "Межгосударственные стандарты"
В клинической практике несколько дыхательных приспособлений, используемых в аппаратах ингаляционной анестезии и искусственной вентиляции легких, могут быть соединены вместе, чтобы обеспечить подходящий дыхательный контур. Элементы медицинских изделий, такие как увлажнитель воздуха или спирометр, часто интегрированы в дыхательный контур, который также может быть подключен к системе удаления анестезирующего газа. Соединения для этих целей обычно представляют собой конические патрубки и гнезда, и отсутствие стандартизации этих соединений привело к возникновению проблем взаимозаменяемости при подключении оборудования, произведенного разными изготовителями. Настоящий стандарт определяет размеры и требования к коническим патрубкам и гнездам, используемым в аппаратах ингаляционной анестезии и искусственной вентиляции легких.
Важным моментом является то, что конические соединения должны быть надежными, но, тем не менее, отсоединяемыми оператором. Использование конических патрубков и гнезд, соответствующих требованиям настоящего стандарта, не обязательно предотвратит их случайное отсоединение. Чтобы свести к минимуму риск случайного отсоединения коннекторов размером 22 мм, допускается использовать фиксирующие гнезда.
Приложение A содержит
рисунок и
таблицу с подробным описанием калибров-пробок и калибров-втулок, которые используют для проверки конических патрубков и гнезд, изготовленных из неметаллических материалов. В
приложениях B,
C и
D приведены методы испытаний фиксирующих гнезд, в приложении E приведены
рисунок и
таблица с подробным описанием калибров-пробок и калибров-втулок, которые можно использовать для проверки металлических конических патрубков и гнезд, а в
приложении F содержатся рекомендации по проверке надежности фиксирующих гнезд.
Рисунок 1, детализирующий размеры и допуски конических патрубков и гнезд, был подготовлен в соответствии с ISO 3040.
В настоящем стандарте использованы следующие шрифтовые выделения:
- требования, соответствие которым может быть проверено, и определения - прямой шрифт;
- примечания и примеры - шрифт уменьшенного размера;
- методы испытаний - курсив.
Настоящий стандарт идентичен международному стандарту ISO 5356-1:2015, подготовленному подкомитетом SC 1 "Крепления для дыхательных систем и анестезирующие машины" Технического комитета по стандартизации ISO/TC 121 "Оборудование для анестезии и искусственной вентиляции легких".
Четвертое издание отменяет и заменяет третье издание (ISO 5356-1:2004), которое было технически пересмотрено со следующими изменениями:
- согласование терминологии, используемой в тексте, с наименованием настоящего стандарта;
- удаление определения фиксирующего соединителя размером 22 мм, поскольку его содержание отражено в тексте настоящего стандарта;
- включение конических патрубков и гнезд размером 11,5 мм;
- добавление минимального внутреннего диаметра для конических патрубков размером 30 мм и изменение минимального внутреннего диаметра конического патрубка размером 8,5 мм с 6,0 мм до 6,25 мм;
- исключение требований по повторному использованию фиксирующих гнезд и конических патрубков размером 22 мм, поскольку это предусмотрено стандартами на конкретные медицинские изделия и принадлежности;
- проточка и фланец для конического патрубка размером 22 мм сделаны условными;
- корректировка размера
D для калибров-пробок и калибров-втулок для конических патрубков и гнезд размером 8,5 мм, изготовленных из неметаллических материалов в
приложении A настоящего стандарта;
- реструктуризация для обеспечения большей ясности.
Серия ISO 5356 под общим заголовком "Аппараты ингаляционной анестезии и искусственной вентиляции легких. Соединения конические" состоит из следующих частей:
- Часть 1: Конические патрубки и гнезда;
- Часть 2: Резьбовые соединения, несущие весовую нагрузку.
Настоящий стандарт определяет требования к размерам для конических патрубков и гнезд, предназначенных для соединения частей аппаратов ингаляционной анестезии и искусственной вентиляции легких, например в дыхательных контурах, системах удаления анестезирующего газа и испарителях, а также к калибрам для их проверки. Таким образом, конические патрубки и гнезда не рассматриваются как самостоятельные изделия.
В настоящем стандарте приведены требования к следующим коническим патрубкам и гнездам:
- соединения размером 8,5 мм и 11,5 мм, предназначенные для использования в дыхательных контурах новорожденных и детей;
- соединения размером 15 мм и 22 мм, предназначенные для общего применения в дыхательных контурах;
- соединения с фиксаторами размером 22 мм (включая требования к функциональным характеристикам);
- соединения размером 23 мм, предназначенные для подключения испарителей, но не применяемые в дыхательных контурах;
- соединения размером 30 мм, предназначенные для подключения дыхательного контура к системе удаления анестезирующего газа.
В настоящем стандарте не указаны медицинские изделия и принадлежности, на которых должны быть предусмотрены рассматриваемые конические патрубки и гнезда.
Требования к применению конических патрубков и гнезд не включены в настоящий стандарт, но приведены или будут приведены в соответствующих стандартах на конкретные медицинские изделия и принадлежности.
Примечание - Требования к резьбовым соединениям, несущим весовую нагрузку, приведены в ISO 5356-2.
В настоящем стандарте использована нормативная ссылка на следующий стандарт [для датированных ссылок применяют только указанное издание ссылочного стандарта, для недатированных - последнее издание (включая все изменения)]:
ISO 5367:2014, Anaesthetic and respiratory equipment - Breathing sets and connectors (Аппараты ингаляционной анестезии и искусственной вентиляции легких. Дыхательные наборы и соединители)
3.1 Общие требования
3.1.1 Конические патрубки и гнезда, изготовленные из металла, должны соответствовать
рисунку 1 и размерам, указанным в
таблице 1.
Соответствие устанавливают путем проведения функциональных испытаний.
Примечание - В приложении E приведены
рисунок и
таблица с подробным описанием калибров-пробок и калибров-втулок, которые можно использовать для проверки металлических конических патрубков и гнезд.
3.1.2 Конические патрубки и гнезда, изготовленные из неметаллических материалов, должны соответствовать
рисунку 1 и размерам, указанным в
таблице 1, за исключением того, что размеры
A и
B и соотношение
F могут отличаться от указанных в
таблице 1.
Соответствие устанавливают с применением соответствующих калибров-пробок или калибров-втулок согласно рисунку A.1 и таблице A.1, приложив осевое усилие (35 +/-
3,5) Н для конических патрубков или гнезд размером 8,5, 11,5 и 15 мм и (50 +/-
5) Н для конических патрубков или гнезд размером 22 и 30 мм, одновременно с поворотом конического патрубка или гнезда на угол (20 +/-
5)°. Его передняя кромка должна лежать между минимальной и максимальной ступенью калибра. Во время испытания для конических патрубков или гнезд и калибров должна поддерживаться температура (20 +/-
3) °C.
Примечание - Поскольку конические патрубки или гнезда, изготовленные из полимерных материалов (например, полиамида, полиацетата, поликарбоната, полисульфона), могут сильно различаться по своим физическим характеристикам, считается нецелесообразным указывать размеры A, B и соотношение F; по этой причине были включены требования к калибрам. Также считается нецелесообразным обобщать такие вопросы, как текучесть и тепловая нестабильность, а также возможные изменения физических характеристик, контакт с растворами и т.д.
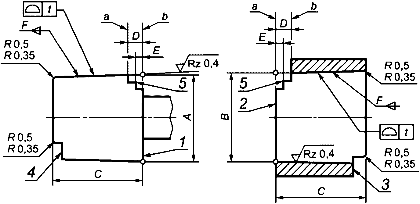
--------------------------------
<a> Для конических патрубков размером 8,5 и 30 мм размер
G по минимальной длине
H, как указано в
таблице 1.
Примечание - Радиус на входе в гнездо и на передней кромке конического патрубка должен быть не менее 0,5 мм и не более 0,8 мм.
Рисунок 1 - Соединительные детали
конических патрубков и гнезд
Таблица 1
Размеры конических патрубков и гнезд (см.
рисунок 1)
Размеры в миллиметрах
Размер соединения | | | Длина конуса | Расстояние до фланца (если представлен) | Расстояние до проточки | Конусность | Минимальный внутренний диаметр конуса | Минимальная длина внутреннего диаметра конуса (G) |
A | B | C | D | E | F | G | H |
8,5 | 8,45 +/- 0,04 | 6 | >= 6,4 | >= 8,9 | >= 8 | 1:19 | 6,25 | 6,0 |
11,5 | 11,50 +/- 0,04 | 10 | >= 13,5 | >= 16 | >= 15 | 1:40 | <a> | <a> |
15 | 15,47 +/- 0,04 | 10 | >= 16 | >= 16 | >= 14,5 | 1:40 | <a> | <a> |
22 | 22,37 +/- 0,04 | 15 | >= 21 | | | 1:40 | <a> | <a> |
23 | 23,175 +/- 0,02 | 13 | >= 18 | >= 18 | >= 15 | 1:36 | <a> | <a> |
30 | 30,9 +/- 0,05 | 14 | >= 18 | >= 18 | >= 14 | 1:20 | 27,0 | 12,0 |
<a> Не указан. |
3.2 Дополнительные требования
3.2.1 Конические патрубки размером 22 мм, предназначенные для подключения к дыхательной трубке, соответствующей ISO 5367:2014 (пункт 5.3.2.2), или к фиксирующему гнезду (см.
раздел 4), должны иметь проточку, размеры которой приведены на
рисунке 2.
Соответствие устанавливают путем проведения функционального испытания.
l - длина конуса

;
J - диаметр проточки

Рисунок 2 - Детали проточки для конических патрубков
размером 22 мм
3.2.2 Конические патрубки размером 22 мм, предназначенные для соединения с лицевой маской, должны иметь средства для предотвращения чрезмерного введения (например, фланец) и соответствовать размерам, указанным на
рисунке 3.
Соответствие устанавливают путем проведения функционального испытания.
Рисунок 3 - Размеры конических патрубков (22 мм),
предназначенных для соединения с лицевой маской
4 Фиксирующие гнезда размером 22 мм
4.1 Фиксирующие гнезда размером 22 мм должны быть сконструированы таким образом, чтобы входить в зацепление с проточкой конического патрубка размером 22 мм, как показано на
рисунке 2.
Соответствие устанавливают путем осмотра.
4.2 Соединенные фиксированные конические патрубки и гнезда не должны рассоединяться при воздействии осевого рассоединяющего усилия (50 +/- 5) Н в течение 10 с.
Соответствие устанавливают путем проведения испытания, приведенного в приложении B.
4.3 Соединенные фиксированные конические патрубки и гнезда не должны иметь утечку (приведенную к температуре 20 °C и давлению 101,3 кПа) более 5 мл/мин при внутреннем давлении (8 +/- 0,5) кПа.
Соответствие устанавливают путем проведения испытания, приведенного в приложении C.
4.4 Соединенные фиксированные конические патрубки и гнезда должны соответствовать требованиям
4.2 и
4.3 после падения с высоты 1 м.
Соответствие устанавливают путем проведения испытания, приведенного в приложении D.
(обязательное)
КАЛИБРЫ-ПРОБКИ И КАЛИБРЫ-ВТУЛКИ ДЛЯ КОНИЧЕСКИХ ПАТРУБКОВ
И ГНЕЗД, ИЗГОТОВЛЕННЫХ ИЗ НЕМЕТАЛЛИЧЕСКИХ МАТЕРИАЛОВ
На
рисунке A.1 и в
таблице A.1 приведены подробные сведения о калибрах-пробках и калибрах-втулках, используемых для конических патрубков и гнезд, изготовленных из неметаллических материалов.
Размеры в миллиметрах
Значения шероховатости поверхности в микрометрах
1 - плоскость A; 2 - плоскость B; 3 - вырез для проверки
сопряжения калибров, зашлифованный заподлицо с плоскостью A;
4 - вырез для проверки сопряжения калибров, зашлифованный
заподлицо с плоскостью B; 5 - базовые ступени;
<a> - позиция min; <b> - позиция max
Примечание 1 - Базовые ступени и ступени для проверки сопряжения калибров необязательны.
Примечание 2 - Калибры для проверки обычно сделаны из металла.
Рисунок A.1 - Калибры-пробки и калибры-втулки
для конических патрубков и гнезд, изготовленных
из неметаллических материалов
Таблица A.1
Калибры-пробки и калибры-втулки для конических патрубков
и гнезд, изготовленных из неметаллических материалов
Размеры в миллиметрах
Размер соединения | A | B | C | D | E | F | Допуск на конусность на единицу длины диаметра |
8,5 | 8,50 +/- 0,005 | 8,09 +/- 0,005 | 8,4 +/- 0,005 | 1,91 +/- 0,005 | | 1:19 | 0,053 +/- 0,0002 |
11,5 | 11,525 +/- 0,005 | 11,165 +/- 0,005 | 15,5 +/- 0,005 | 4,3 +/- 0,005 | 2,2 +/- 0,005 | 1:40 | 0,025 +/- 0,0002 |
15 | 15,525 +/- 0,005 | 15,165 +/- 0,005 | 14,5 +/- 0,005 | 4,3 +/- 0,005 | 2,2 +/- 0,005 | 1:40 | 0,025 +/- 0,0002 |
22 | 22,425 +/- 0,005 | 21,94 +/- 0,005 | 19,5 +/- 0,005 | 5,2 +/- 0,005 | 2,2 +/- 0,005 | 1:40 | 0,025 +/- 0,0002 |
30 | 30,98 +/- 0,005 | 30,12 +/- 0,005 | 17,2 +/- 0,005 | 3,1 +/- 0,005 | 1,6 +/- 0,005 | 1:20 | 0,050 +/- 0,0002 |
Примечание - Калибры для конических патрубков и гнезд размером 8,5 мм имеют только один вырез. |
(обязательное)
ПРОВЕРКА НАДЕЖНОСТИ СОПРЯЖЕНИЯ ФИКСИРОВАННЫХ КОНИЧЕСКИХ
ПАТРУБКОВ И ГНЕЗД РАЗМЕРОМ 22 ММ
B.1 Выдерживают конический патрубок, соответствующий
рисунку 2, и фиксирующее гнездо в течение 1 ч при температуре (35 +/- 3) °C и относительной влажности не менее 80% и проводят испытание в тех же условиях.
B.2 Устанавливают фиксирующее гнездо размером 22 мм на конический патрубок в соответствии с инструкциями изготовителя.
B.3 После 1 мин соединения без активации какого-либо рассоединяющего механизма прикладывают осевое рассоединяющее усилие (50 +/- 5) Н в течение 10 с и, если фиксирующее гнездо размером 22 мм не допускает свободного поворота, также прикладывают вращающий момент (25 +/- 5) Н·см со скоростью не более 20 Н·с-1.
B.4 Проверяют, что фиксирующее гнездо и конический патрубок не рассоединились.
Примечание - Примеры подходящего устройства, которое может быть использовано для проверки надежности соединения, вместе с более подробной процедурой испытания приведены для справки в
приложении F.
(обязательное)
ИСПЫТАНИЕ НА УТЕЧКУ ИЗ ФИКСИРУЮЩЕГО ГНЕЗДА РАЗМЕРОМ 22 ММ
C.1 Используют соединенные конический патрубок и фиксирующее гнездо размером 22 мм, которые были испытаны в соответствии с
приложением B, и выдерживают их при температуре (35 +/- 3) °C.
C.2 Используя воздух, прикладывают к сборке внутреннее статическое давление (8 +/- 0,5) кПа выше давления окружающей среды и определяют скорость утечки из сборки, например по падению давления или с помощью объемного метода.
(обязательное)
ПРОВЕРКА ФИКСИРУЮЩЕГО ГНЕЗДА РАЗМЕРОМ 22 ММ
НА УСТОЙЧИВОСТЬ К ПАДЕНИЮ
D.1 Выдерживают конический патрубок, соответствующий
рисунку 2, и фиксирующее гнездо размером 22 мм в течение 1 ч при температуре (20 +/- 3) °C и относительной влажности не менее 80% и проводят испытание в тех же условиях.
D.2 Устанавливают фиксирующее гнездо размером 22 мм на конический патрубок в соответствии с инструкциями изготовителя. Присоединяют конический патрубок к дыхательной трубке, соответствующей ISO 5367 и имеющей длину 2 м.
D.3 Присоединяют противоположный конец дыхательной трубки к точке на высоте 1 м над деревянной доской толщиной 50 мм (например, древесина твердых пород с плотностью более 700 кг/м3), лежащей на твердом основании (например, бетонный блок).
D.4 Поднимают соединенные фиксирующее гнездо размером 22 мм и конический патрубок в точку на высоте 1 м над доской и на расстоянии 2 м от другого конца дыхательной трубки и отпускают сборку так, чтобы она упала на деревянную доску. Повторяют пять раз.
D.5 Проверяют, что сборка не рассоединилась.
(справочное)
КАЛИБРЫ-ПРОБКИ И КАЛИБРЫ-ВТУЛКИ ДЛЯ КОНИЧЕСКИХ ПАТРУБКОВ
И ГНЕЗД, ИЗГОТОВЛЕННЫХ ИЗ МЕТАЛЛА
На
рисунке E.1 и в
таблице E.1 приведены для справки подробные сведения о калибрах-пробках и калибрах-втулках, используемых для конических патрубков и гнезд, изготовленных из металла.
Размеры в миллиметрах
Значения шероховатости поверхности в микрометрах
1 - плоскость A; 2 - плоскость B; 3 - вырез для проверки
сопряжения калибров, зашлифованный заподлицо с плоскостью A;
4 - вырез для проверки сопряжения калибров, зашлифованный
заподлицо с плоскостью B; 5 - базовые ступени;
<a> - позиция min; <b> - позиция max
Примечание - Базовые ступени и ступени для проверки сопряжения калибров необязательны.
Рисунок E.1 - Калибры-пробки и калибры-втулки для конических
патрубков и гнезд, изготовленных из металла
Таблица E.1
Калибры-пробки и калибры-втулки для конических патрубков
и гнезд, изготовленных металла. Размеры (см.
рисунок E.1)
Размеры в миллиметрах
Размер соединения | A | B | C | D | E | Конусность F | Допуск на конусность на единицу длины диаметра |
8,5 | 8,49 +/- 0,005 | 8,094 +/- 0,005 | 8,4 +/- 0,005 | 1,52 +/- 0,005 | | 1:19 | 0,053 +/- 0,0002 |
11,5 | 11,51 +/- 0,005 | 11,18 +/- 0,005 | 15,5 +/- 0,005 | 3 +/- 0,005 | 1,6 +/- 0,005 | 1:40 | 0,025 +/- 0,0002 |
15 | 15,51 +/- 0,005 | 15,18 +/- 0,005 | 14,5 +/- 0,005 | 3 +/- 0,005 | 1,6 +/- 0,005 | 1:40 | 0,025 +/- 0,0002 |
22 | 22,41 +/- 0,005 | 21,955 +/- 0,005 | 19,5 +/- 0,005 | 3 +/- 0,005 | 1,6 +/- 0,005 | 1:40 | 0,025 +/- 0,0002 |
23 | 23,195 +/- 0,003 | 22,794 +/- 0,003 | 16 +/- 0,005 | 1,33 +/- 0,005 | 0,72 +/- 0,005 | 1:36 | 0,0278 +/- 0,0002 |
30 | 30,95 +/- 0,005 | 30,15 +/- 0,005 | 17 +/- 0,005 | 1,9 +/- 0,005 | 1 +/- 0,005 | 1:20 | 0,050 +/- 0,0002 |
Примечание - Калибр для коннекторов размером 8,5 мм имеет только один вырез. |
(справочное)
РЕКОМЕНДУЕМЫЕ УСТАНОВКИ И МЕТОДЫ ДЛЯ ПРОВЕРКИ НАДЕЖНОСТИ
СОПРЯЖЕНИЯ ФИКСИРУЮЩИХ ГНЕЗД РАЗМЕРОМ 22 ММ
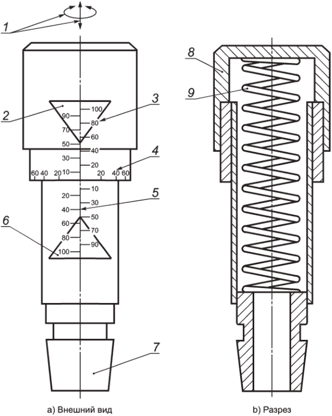
F.1 Метод 1 - настольное испытательное оборудование
Типичное устройство для проверки надежности соединения фиксирующих гнезд размером 22 мм показано на
рисунке F.1. Испытательный конический патрубок должен иметь размер 22 мм, как показано на
рисунке 2, но со всеми допусками, сниженными до +/- 0,005 мм, и чистотой обработки поверхности 0,4 мкм.
Примечание - Существует несколько методов приложения испытательных усилий,
рисунок F.1 иллюстрирует только один подход. Другие методы включают использование весовой нагрузки грузами или сосудами с жидкостью.
1 - жесткое основание; 2 - измеритель осевого усилия;
3 - измеритель момента; 4 - держатель; 5 - испытуемое
фиксирующее гнездо размером 22 мм; 6 - испытательный
конический патрубок размером 22 мм; 7 - приложение
регулируемого осевого усилия; 8 - приложение регулируемого
вращающего момента; <a> - деталь, обеспечивающая
осевое перемещение и поворот
Рисунок F.1 - Установка для проверки надежности фиксирующих
гнезд размером 22 мм (метод 1 - настольное испытание)
Основные характеристики устройства должны гарантировать, что растягивающее усилие может быть приложено в осевом направлении и что вращающий момент возможно приложить без изменения растягивающего усилия. Чтобы свести к минимуму влияние трения устройства, растягивающее усилие следует измерять непосредственно между фиксирующим гнездом размером 22 мм и испытательным коническим патрубком.
F.1.2 Процедура
F.1.2.1 Устанавливают фиксирующее гнездо размером 22 мм, подлежащее испытанию, в самоцентрирующемся держателе устройства (см.
F.1.1), гарантируя, что способ крепления фиксирующего гнезда размером 22 мм не деформирует секцию или секции, предназначенные для взаимодействия с испытательным конусом.
F.1.2.2 Выдерживают фиксирующее гнездо размером 22 мм и устройство при температуре (35 +/- 3) °C и относительной влажности не менее 80% в течение 1 ч.
Если необходимо испытать несколько фиксирующих гнезд размером 22 мм, некоторые из них допускается выдержать при требуемой температуре и относительной влажности без установки в устройство при условии, что они снова выдерживаются в соответствующих условиях в течение не менее 5 мин после установки в устройство.
F.1.2.3 Соединяют фиксирующие гнезда размером 22 мм с испытательным конусом в соответствии с инструкциями изготовителя.
F.1.2.4 Через 1 мин присоединяют устройство для измерения усилия и прикладывают осевое растягивающее усилие со скоростью, не превышающей 20 Н·с-1, до тех пор пока не будет приложено усилие (50 +/- 5) Н. Поддерживают это усилие в течение 10 с, не приводя в действие какой-либо механизм разъединения, и следят за тем, не разделяются ли соединенные фиксирующее гнездо размером 22 мм и испытательный конический патрубок.
F.1.2.5 Без уменьшения растягивающей нагрузки и без приведения в действие какого-либо механизма разъединения прикладывают вращающий момент (25 +/- 5) Н·см или поворачивают испытательный конус на угол 20°, в зависимости от того, что произойдет раньше. Поддерживают этот момент или положение в течение 10 с и следят за тем, не разделяются ли соединенные фиксирующее гнездо размером 22 мм и испытательный конический патрубок.
F.2 Метод 2 - ручное испытательное оборудование
Типичное ручное устройство для проверки надежности соединения фиксирующих гнезд размером 22 мм показано на
рисунке F.2.
1 - приложение вращающего момента или осевого усилия
вручную; 2 - зона шкалы, указывающая допустимые силы
вытягивания и поворота; 3 - шкала силы вытягивания;
4 - шкала момента; 5 - шкала силы нажима; 6 - зона шкалы,
указывающая допустимые силы нажатия и поворота;
7 - испытательный конический патрубок размером 22 мм;
8 - кнопка; 9 - пружина, зафиксированная с обеих сторон
Шкалы вращающего момента и усилия необходимо предварительно откалибровать с помощью устройства, показанного на
рисунке F.1.
Рисунок F.2 - Установка для проверки надежности фиксирующих
гнезд размером 22 мм (метод 2 - ручное испытание)
F.2.2 Процедура
F.2.2.1 Выдерживают защелкивающееся гнездо размером 22 мм и устройство (см.
F.2.1) при температуре (35 +/- 3) °C и относительной влажности не менее 80% в течение 1 ч.
F.2.2.2 Устанавливают фиксирующее гнездо размером 22 мм с испытательным коническим патрубком в устройстве.
F.2.2.3 Через 1 мин вручную прикладывают осевое растягивающее усилие со скоростью, не превышающей 20 Н·с-1, до тех пор, пока не будет приложено усилие (50 +/- 5) Н. Поддерживают это усилие в течение 10 с без приведения в действие какого-либо механизма разъединения и следят за тем, не разделяются ли соединенные фиксирующее гнездо размером 22 мм и испытательный конический патрубок.
F.2.2.4 Без уменьшения растягивающей нагрузки и без приведения в действие какого-либо механизма разъединения прикладывают вращающий момент (25 +/- 5) Н·см или поворачивают испытательный конус на угол 20°, в зависимости от того, что произойдет раньше. Поддерживают этот момент или положение в течение 10 с и следят за тем, не разделяются ли соединенные фиксирующее гнездо размером 22 мм и испытательный конический патрубок.
(справочное)
СВЕДЕНИЯ О СООТВЕТСТВИИ ССЫЛОЧНЫХ МЕЖДУНАРОДНЫХ СТАНДАРТОВ
МЕЖГОСУДАРСТВЕННЫМ СТАНДАРТАМ
Таблица ДА.1
Обозначение ссылочного международного стандарта | Степень соответствия | Обозначение и наименование соответствующего межгосударственного стандарта |
ISO 5367:2014 | - | <*> |
<*> Соответствующий межгосударственный стандарт отсутствует. До его принятия рекомендуется использовать перевод на русский язык данного международного стандарта. |
[1] | ISO 3040:2009, Geometrical product specifications (GPS) - Dimensioning and tolerancing - Cones |
[2] | ISO 4135, Anaesthetic and respiratory equipment - Vocabulary |
[3] | ISO 5356-2, Anaesthetic and respiratory equipment - Conical connectors - Part 2: Screw-threaded weight-bearing connectors |
УДК 616-089.5:006.354 | | IDT |
Ключевые слова: аппараты ингаляционной анестезии, аппараты искусственной вентиляции легких, конические патрубки, гнезда, требования, методы испытаний |