Главная // Актуальные документы // ГОСТ (Государственный стандарт)СПРАВКА
Источник публикации
М.: ФГБУ "Институт стандартизации", 2023
Примечание к документу
Документ
введен в действие с 01.06.2024 с правом досрочного применения.
Название документа
"ГОСТ IEC 60127-2-2023. Межгосударственный стандарт. Предохранители миниатюрные плавкие. Часть 2. Трубчатые плавкие вставки"
(введен в действие Приказом Росстандарта от 20.07.2023 N 570-ст)
"ГОСТ IEC 60127-2-2023. Межгосударственный стандарт. Предохранители миниатюрные плавкие. Часть 2. Трубчатые плавкие вставки"
(введен в действие Приказом Росстандарта от 20.07.2023 N 570-ст)
агентства по техническому
регулированию и метрологии
от 20 июля 2023 г. N 570-ст
МЕЖГОСУДАРСТВЕННЫЙ СТАНДАРТ
ПРЕДОХРАНИТЕЛИ МИНИАТЮРНЫЕ ПЛАВКИЕ
ЧАСТЬ 2
ТРУБЧАТЫЕ ПЛАВКИЕ ВСТАВКИ
Miniature fuses. Part 2. Cartridge fuse-links
(IEC 60127-2:2020, IDT)
ГОСТ IEC 60127-2-2023
Дата введения
1 июня 2024 года
с правом досрочного применения
Цели, основные принципы и общие правила проведения работ по межгосударственной стандартизации установлены
ГОСТ 1.0 "Межгосударственная система стандартизации. Основные положения" и
ГОСТ 1.2 "Межгосударственная система стандартизации. Стандарты межгосударственные, правила и рекомендации по межгосударственной стандартизации. Правила разработки, принятия, обновления и отмены"
1 ПОДГОТОВЛЕН Акционерным обществом "Диэлектрические кабельные системы" (АО "ДКС") на основе собственного перевода на русский язык англоязычной версии стандарта, указанного в
пункте 5
2 ВНЕСЕН Федеральным агентством по техническому регулированию и метрологии
3 ПРИНЯТ Межгосударственным советом по стандартизации, метрологии и сертификации (протокол от 31 мая 2023 г. N 162-П)
За принятие проголосовали:
Краткое наименование страны по МК (ИСО 3166) 004-97 | Код страны по МК (ИСО 3166) 004-97 | Сокращенное наименование национального органа по стандартизации |
Армения | AM | ЗАО "Национальный орган по стандартизации и метрологии" Республики Армения |
Беларусь | BY | Госстандарт Республики Беларусь |
Киргизия | KG | Кыргызстандарт |
Россия | RU | Росстандарт |
Узбекистан | UZ | Узстандарт |
4
Приказом Федерального агентства по техническому регулированию и метрологии от 20 июля 2023 г. N 570-ст межгосударственный стандарт ГОСТ IEC 60127-2-2023 введен в действие в качестве национального стандарта Российской Федерации с 1 июня 2024 г.
5 Настоящий стандарт идентичен международному стандарту IEC 60127-2:2014 "Предохранители миниатюрные плавкие. Часть 2. Трубчатые плавкие вставки" ("Miniature fuses - Part 2: Cartridge fuse-links", IDT).
Международный стандарт разработан подкомитетом 32C "Миниатюрные плавкие предохранители" Технического комитета 32 "Предохранители" Международной электротехнической комиссии (IEC).
При применении настоящего стандарта рекомендуется использовать вместо ссылочных международных стандартов соответствующие им межгосударственные стандарты, сведения о которых приведены в дополнительном
приложении ДА
Информация о введении в действие (прекращении действия) настоящего стандарта и изменений к нему на территории указанных выше государств публикуется в указателях национальных стандартов, издаваемых в этих государствах, а также в сети Интернет на сайтах соответствующих национальных органов по стандартизации.
В случае пересмотра, изменения или отмены настоящего стандарта соответствующая информация будет опубликована на официальном интернет-сайте Межгосударственного совета по стандартизации, метрологии и сертификации в каталоге "Межгосударственные стандарты"
Настоящий стандарт входит в комплекс стандартов, подготовленных на основе применения серии стандартов Международной электротехнической комиссии (МЭК), объединенных общим обозначением IEC 60127 и наименованием "Предохранители миниатюрные плавкие", который состоит из следующих частей:
- IEC 60127-1, Miniature fuses - Part 1: Definitions for miniature fuses and general requirements for miniature fuse-links (Предохранители плавкие миниатюрные. Часть 1. Определения для миниатюрных плавких предохранителей и общие требования к миниатюрным плавким вставкам);
- IEC 60127-2, Miniature fuses - Part 2: Cartridge fuse-links (Предохранители плавкие миниатюрные. Часть 2. Трубчатые плавкие вставки);
- IEC 60127-3, Miniature fuses - Part 3: Sub-miniature fuse-links (Предохранители плавкие миниатюрные. Часть 3. Субминиатюрные плавкие вставки);
- IEC 60127-4, Miniature fuses - Part 4: Universal modular fuse-links (UMF) - Through-hole and surface mount types [Предохранители плавкие миниатюрные. Часть 4. Универсальные модульные плавкие вставки (UMF). Универсальные модульные плавкие вставки для объемного и поверхностного монтажа];
- IEC 60127-5, Miniature fuses - Part 5: Guidelines for quality assessment of miniature fuse-links (Предохранители плавкие миниатюрные. Часть 5. Руководящие указания по оценке качества миниатюрных плавких вставок);
- IEC 60127-6, Miniature fuses - Part 6: Fuse-holders for miniature fuse-links (Предохранители плавкие миниатюрные. Часть 6. Держатели предохранителей для миниатюрных плавких вставок);
- IEC 60127-7, Miniature fuses - Part 7: Miniature fuse-links for special applications (Предохранители плавкие миниатюрные. Часть 7. Миниатюрные плавкие вставки для специальных применений);
- IEC 60127-8 (номер зарезервирован для дальнейших разработок)
<1>;
- IEC 60127-9 (номер зарезервирован для дальнейших разработок);
- IEC 60127-10, Miniature fuses - Part 10: User guide for miniature fuses (Предохранители плавкие миниатюрные. Часть 10. Руководство по эксплуатации миниатюрных плавких предохранителей).
--------------------------------
<1> В настоящее время действует стандарт IEC 60127-8:2018 "Miniature fuses - Part 8: Fuse resistors with particular overcurrent protection" ("Предохранители плавкие миниатюрные. Часть 8. Резисторы-предохранители со специфической максимальной токовой защитой").
Настоящий стандарт определяет дополнительные требования, распространяется на испытательное оборудование и технические требования.
В настоящем стандарте использована Международная система единиц (система СИ).
Настоящий стандарт устанавливает специальные требования к трубчатым плавким вставкам миниатюрных плавких предохранителей размерами 5 x 20 мм и 6,3 x 32 мм, применяемых для защиты электрических приборов, электронной аппаратуры и их компонентов, как правило предназначенных для эксплуатации в закрытых помещениях.
Настоящий стандарт не распространяется на плавкие предохранители для устройств, предназначенных для эксплуатации в особых условиях, например в коррозионной или взрывоопасной среде.
Настоящий стандарт предназначен для применения в дополнение к требованиям IEC 60127-1.
Требования, установленные настоящим стандартом, дополняют специальные требования и дополнительные положения, относящиеся к методам испытаний трубчатых плавких вставок, приведенные в IEC 60127-1.
В настоящем стандарте использованы нормативные ссылки на следующие стандарты [для датированных ссылок применяют только указанное издание ссылочного стандарта, для недатированных - последнее издание (включая все изменения)]:
IEC 60068-2-20, Environmental testing - Part 2-20: Tests - Test T: Test methods for solderability and resistance to soldering heat of devices with leads (Испытания на воздействие внешних факторов. Часть 2-20. Испытания. Испытание T. Методы испытаний на паяемость и стойкость к воздействию нагрева при пайке устройств с соединительными проводами)
IEC 60068-2-21:2006, Environmental testing - Part 2-21: Tests - Test U: Robustness of terminations and integral mounting devices (Испытания на воздействие внешних факторов. Часть 2-21. Испытания. Испытание U. Прочность выводов и неразъемных крепежных устройств)
IEC 60127-1:2006, Miniature fuses - Part 1: Definitions for miniature fuses and general requirements for miniature fuse-links (Предохранители плавкие миниатюрные. Часть 1. Определения для миниатюрных плавких предохранителей и общие требования к миниатюрным плавким вставкам)
Amendment 1:2011
ISO 3, Preferred numbers - Series of preferred numbers (Предпочтительные числа. Ряды предпочтительных чисел)
В настоящем стандарте применены термины по IEC 60127-1.
Применяют IEC 60127-1:2006 (раздел 4).
Применяют IEC 60127-1:2006 (раздел 5).
Применяют IEC 60127-1:2006 (раздел 6), за исключением:
6.1 Дополнение:
e) На каждую плавкую вставку должна быть нанесена следующая маркировка: условное обозначение номинальной отключающей способности, которое проставляют между обозначениями номинального тока и номинального напряжения.
Применяют следующие условные обозначения:
H - высокая отключающая способность;
L - низкая отключающая способность;
E - повышенная отключающая способность.
Примеры маркировки:
T | 3 | 1 | 5 | L | 2 | 5 | 0 | V |
|
| | F | 4 | H | 2 | 5 | 0 | V |
|
T | 3 | 1 | 5 | E | 2 | 5 | 0 | V |
6.4 Дополнение после первого абзаца:
Значения размеров d - расстояние между полосками и s - ширина цветной полоски на миниатюрном предохранителе составляют (0,8 +/- 0,2) мм.
7 Общие положения, относящиеся к испытаниям
Применяют IEC 60127-1:2006 (раздел 7), за исключением:
Для проверки отдельных номинальных значений плавких предохранителей требуется 48 плавких вставок, в том числе 12 запасных. Программа испытаний приведена в
таблице 1.
Таблица 1
Программа испытаний для проверки отдельных номинальных
значений тока
Подраздел, пункт | Параметр (характеристика) - Наименование испытания | Номер плавкой вставки |
1 - 6 | 7 | 8 | 12 | 16 | 19 | 22 | 23 | 28 | 31 | 34 | 35 | 40 | 43 | 46 |
9 | 10 | 14 | 17 | 20 | 24 | 25 | 29 | 32 | 36 | 37 | 41 | 44 | 47 |
11 | 13 | 15 | 18 | 21 | 26 | 27 | 30 | 33 | 38 | 39 | 42 | 45 | 48 |
| Износоустойчивость | X | | | | | | | | | | | | | | |
| Испытание при повышенной температуре <b> | | | | | X | | | | | | | | | | |
| Время-токовые характеристики | 10IN | | X | | | | | | | | | | | | | |
4IN | | | | | | | X | | | | | | | | |
2,75IN | | | | | | | | | | | X | | | | |
2,0IN или 2,1IN | | | | | | | | | | | | | | X | |
| Проверка отключающей способности: Номинальная отключающая способность | | | | X | | | | | | | | | | | |
Ток, в 5 раз превышающий номинальный | | | | | | X | | | | | | | | | |
Ток, в 10 раз превышающий номинальный | | | | | | | | | X | | | | | | |
Ток, в 50 раз превышающий номинальный | | | | | | | | | | X | | | | | |
Ток, в 250 раз превышающий номинальный | | | | | | | | | | | | | X | | |
| Выводы (испытание наконечников) | | X | | | | | X | | | | X | | | X | |
| Паяные соединения | X | X | | | X | | X | | | | X | | | X | |
| Возможность прочтения и стойкость маркировки | | X | | | | | X | | | | X | | | X | |
<b> Проводят, только если указано в технических условиях изготовителя. |
Для проверки максимального номинального тока однородной партии требуется 48 плавких вставок, в том числе 22 запасные. Программа испытаний приведена в
таблице 2.
Таблица 2
Программа испытаний для проверки максимального номинального
тока однородной партии
Подраздел, пункт | Параметр (характеристика) - Наименование испытания | Номер плавкой вставки в порядке уменьшения падения напряжения |
1 - 6 | 7 | 10 | 13 - 17 | 18 - 27 | 28 | 31 | 34 | 37 | 40 | 43 | 46 |
8 | 11 | 29 | 32 | 35 | 38 | 41 | 44 | 47 |
9 | 12 | 30 | 33 | 36 | 39 | 42 | 45 | 48 |
| Износоустойчивость | X | | | | | | | | | | | |
| Испытание при повышенной температуре <b> | | | | | | X | | | | | | |
| Время-токовые характеристики | 10IN | | X | | | | | | | | | | |
4IN | | | | | | | X | | | | | |
2,75IN | | | | | | | | | X | | | |
2,0IN или 2,1IN | | | | | | | | | | | X | |
| Номинальная отключающая способность | | | | X | | | | | | | | |
| Выводы (испытание наконечников) | | X | | | | | X | | X | | X | |
| Паяные соединения | X | X | | | | X | X | | X | | X | |
| Разборчивость и несмываемость маркировки | | X | | | | | X | | X | | X | |
<b> Проводят, только если указано в технических условиях изготовителя. |
Для проверки минимального номинального тока однородной партии требуется 33 плавкие вставки, в том числе 16 запасных. Программа испытаний приведена в
таблице 3.
Таблица 3
Программа испытаний для проверки минимального номинального
тока однородной партии
Подраздел, пункт | Параметр (характеристика) - наименование испытания | Номер плавкой вставки в порядке уменьшения падения напряжения |
1 - 6 | 7 | 10 | 13 - 17 | 18 - 27 | 28 | 31 |
8 | 11 | 29 | 32 |
9 | 12 | 30 | 33 |
| Износоустойчивость | X | | | | | | |
| Время-токовые характеристики | 10IN | | X | | | | | |
2,0IN или 2,1IN | | | | | | X | |
| Номинальная отключающая способность | | | | X | | | |
|
Замена:
7.3 Испытательные цоколи
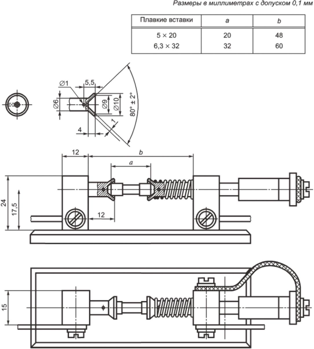
При проведении испытаний, требующих установки плавких вставок в цоколи, следует применять цоколи, приведенные на
рисунках 1 -
3.
Рисунок 1 - Цоколь для испытания плавких вставок размерами
5 x 20 и 6,3 x 32 мм. Номинальные токи до 6,3 А включительно
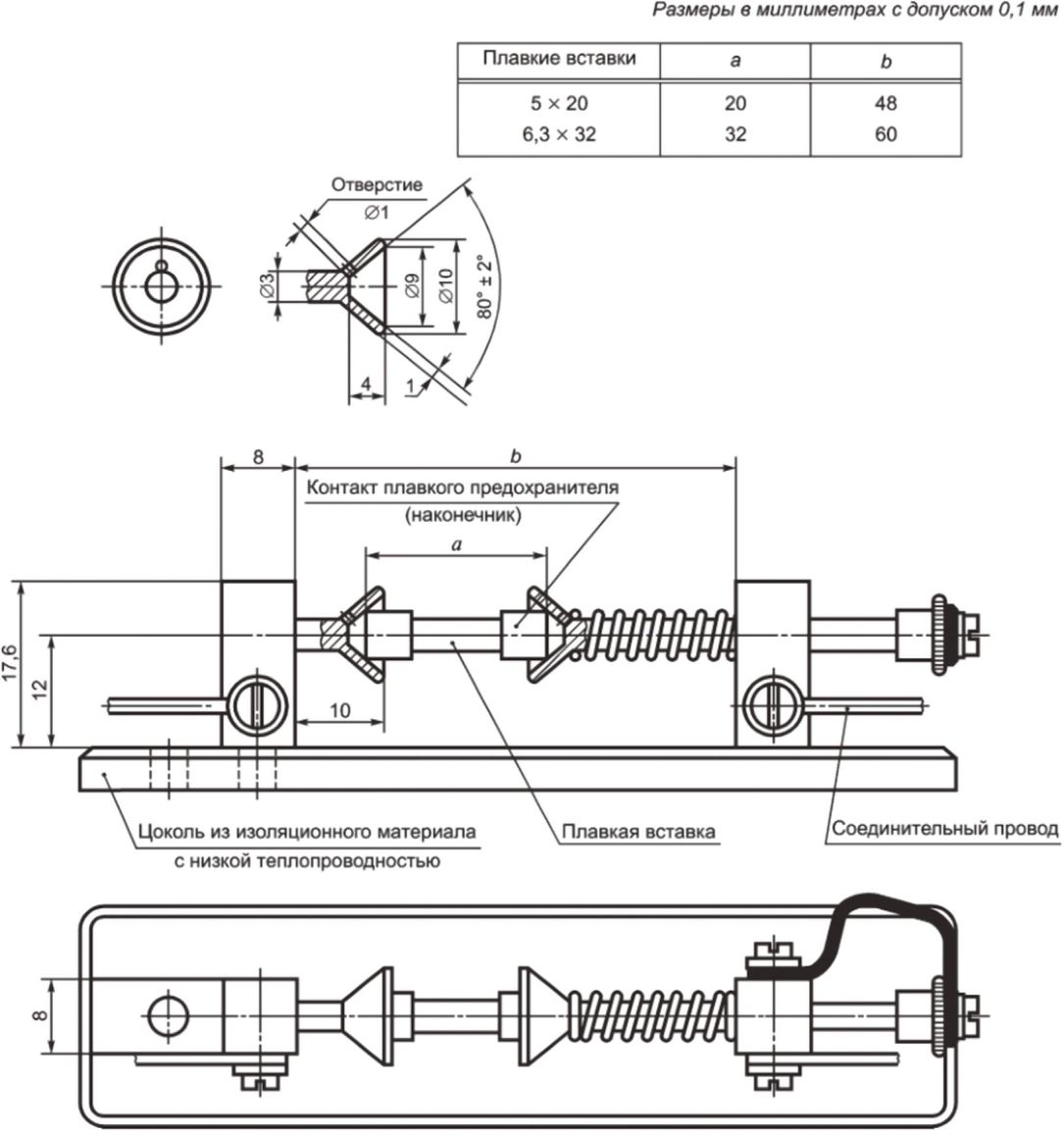
Рисунок 2 - Цоколь для испытания плавких вставок размерами
5 x 20 и 6,3 x 32 мм. Номинальные токи свыше 6,3 А
Рисунок 3 - Цоколь для проверки отключающей способности
Контактное сопротивление между каждым контактом и посеребренной латунной деталью, имеющей те же номинальные размеры и форму, что и испытуемая плавкая вставка, не должно превышать 3 мОм и должно быть измерено при следующих условиях:
a) для предотвращения пробоя тонких изоляционных пленок на контактах электродвижущая сила цепи не должна превышать 20 мВ постоянного или переменного тока (амплитудное значение);
b) для предотвращения перегрева контактов протекающий ток не должен превышать 1 А.
Металлические детали цоколя, за исключением пружины и соединений, изготавливают из латуни. Содержание меди в латунных деталях цоколя и калибра для измерения контактного сопротивления составляет от 58% до 70%. Контакты покрывают серебром.
Для плавких вставок с номинальными токами до 6,3 А включительно следует использовать цоколь, соответствующий
рисунку 1. Сила контактного давления - от 4 до 6 Н. Гибкий проводник и соединительные провода изготавливают из меди площадью поперечного сечения 1 мм
2; длина каждого соединительного провода - приблизительно 500 мм.
Для плавких вставок с номинальными токами, превышающими 6,3 А, следует использовать цоколь, соответствующий
рисунку 2. Сила контактного давления - от 8 до 12 Н. Гибкий проводник и соединительные провода изготавливают из меди площадью поперечного сечения 6 мм
2; длина каждого соединительного провода - приблизительно 500 мм.
Для проверки отключающей способности используют цоколь, соответствующий
рисунку 3, с той же силой контактного давления и площадью поперечного сечения проводника, что и цоколь, соответствующий
рисунку 2.
Применяют IEC 60127-1:2006 (раздел 8), за исключением:
8.2 Конструкция
Дополнение:
Если предусмотрено применение "непрозрачной" плавкой вставки, допускается использовать прозрачный корпус при условии обязательного наличия непрозрачного наполнителя.
Настоящий стандарт основан на предположении, что корпус плавкой вставки изготовлен из стекла, керамики или аналогичного негорючего материала.
Дополнение:
Плавкие вставки на каждом конце имеют вывод в виде металлического наконечника цилиндрической формы.
Торцы цилиндрических выводов должны быть плоскими и перпендикулярными относительно оси.
Цилиндрические выводы следует закреплять так, чтобы было невозможно снять их без повреждения плавкой вставки.
Соответствие данному требованию проверяют внешним осмотром и проведением следующего испытания:
Образцы на 24 ч погружают в воду при температуре от 15 °C до 35 °C. После изъятия из воды к каждому цилиндрическому выводу в течение 1 мин прилагают в осевом направлении постепенно нарастающую растягивающую силу до 5 Н.
Прочность крепления цилиндрических выводов не должна быть нарушена.
На
рисунке 4 приведено испытательное приспособление, которое следует применять для проверки прочности крепления цилиндрических выводов. Применение данного приспособления позволяет проводить испытание без повреждения цилиндрических выводов.
Приспособление состоит из трех трубок (1, 2, 3), входящих
одна в другую
Наружная трубка (1) в верхней части имеет прорезь и зажим, в который вставляют один конец испытуемого образца.
Средняя трубка (2) в верхней части имеет такую же прорезь и зажим, в который вставляют другой конец испытуемого образца.
Внутренняя трубка (3) соединена с трубкой (2) с помощью пружины (4).
При отведении трубки (3) с помощью рукоятки (5) растягивают пружину (4) и, таким образом, равномерно увеличиваемую в осевом направлении силу прилагают к трубке (2) и к испытуемому образцу.
Различная длина наконечника и всей вставки может быть компенсирована перемещением трубки (2). Ее нижний конец (6), который оказывается расположенным напротив смотрового окна (7), служит в качестве контрольной отметки. Другая отметка (пунктирная линия) с обозначением "5N" нанесена на трубку (3). Совмещение обеих отметок достигают путем соответствующего перемещения рукоятки (5), которую жестко фиксируют в таком положении завинчиванием.
С помощью винта (8) обеспечивают необходимое взаимное расположение трубок (1) и (2).
Испытательное приспособление следует применять и калибровать в вертикальном положении, причем испытуемый предохранитель должен находиться в верхней части приспособления.
Рисунок 4 - Испытательное приспособление для приложения
в осевом направлении растягивающей силы
8.4 Расположение и форма выводов
Дополнение:
Следует обеспечить необходимую соосность наконечников и корпуса плавкой вставки.
Соответствие данному требованию проверяют с помощью калибра, приведенного на
рисунке 5.
Примечание - Размеры калибра и соответствующие допуски указаны в технических условиях изготовителя.
Рисунок 5 - Калибр для проверки соосности
Плавкая вставка должна целиком проходить через калибр под действием собственного веса.
9 Требования к электрическим параметрам
Применяют IEC 60127-1:2006 (раздел 9), за исключением:
9.3 Отключающая способность
9.3.1 Условия эксплуатации
Дополнение:
Испытание проводят при переменном токе.
Типовая испытательная схема для испытания на высокую номинальную отключающую способность приведена на
рисунке 6, а для испытания на низкую номинальную отключающую способность - на
рисунке 7. Для данного испытания используют испытательный цоколь, соответствующий
рисунку 3.
Рисунок 6 - Типовая испытательная схема для проверки
отключающей способности плавких вставок с высокой
отключающей способностью
A - съемная плавкая вставка, применяемая для калибровки;
C - контактор, замыкающий цепь; D - выключатель
для отключения источника питания; F - испытуемый
предохранитель; S - источник питания импедансом менее 10%
общего импеданса цепи; L - катушка индуктивности
без сердечника с индуктивностью: 0,30 мГн +/- 3% для плавких
вставок номинальным напряжением 250 В; 0,60 мГн +/- 3%
для плавких вставок номинальным напряжением 500 В;
R1 - последовательно включенный резистор для установки
необходимого ожидаемого тока; R2 - параллельно включенный
демпфирующий резистор с сопротивлением 40 Ом +/- 10%
Рисунок 7 - Типовая испытательная схема для проверки
отключающей способности плавких вставок с низкой
отключающей способностью
Коэффициент мощности испытательной цепи при высокой отключающей способности - от 0,7 до 0,8. При испытании в условиях меньших ожидаемых токов индуктивность цепи должна оставаться постоянной, а ток регулируют только изменением сопротивления.
9.3.2 Критерии надежной работы предохранителя
Дополнение:
- сплавление контактов;
- неразборчивость маркировки после испытания;
- образование на наружных поверхностях наконечников отверстий, видимых невооруженным глазом.
Допускаются следующие явления:
- черные пятна на наконечниках;
- незначительная деформация наконечников;
- трещины на плавкой вставке.
Дополнение:
10 Технические требования
| Плавкие вставки 5 x 20 мм Быстродействующие Высокая отключающая способность | Технические требования 1 Страница 1 |
|
Соосность: Размеры калибра: h = 30 мм; d = (5,38 +/- 0,01) мм (см. 8.4). Конструкция: Непрозрачная плавкая вставка. |
| | Номинальное напряжение, В | Максимальное падение напряжения, мВ | Максимальная установившаяся мощность рассеяния, Вт <b> | |
50 мА | 250 | 10000 | 1,6 |
63 мА | 8800 |
80 мА | 7600 |
100 мА | 7000 |
125 мА | 5000 |
160 мА | 4300 |
200 мА | 3500 |
250 мА | 2800 | 2,5 |
315 мА | 2500 |
400 мА | 2000 |
500 мА | 1800 |
630 мА | 1500 |
800 мА | 1200 |
1 А | 1000 |
1,25 А | 800 | 4 |
1,6 А | 600 |
2 А | 500 |
2,5 А | 400 |
3,15 А | 350 |
4 А | 300 |
5 А | 250 |
6,3 А | 200 |
8 А | 200 |
10 А | 200 |
<a> Промежуточные значения выбирают из ряда от R 20 до R 40 по ISO 3. <b> Измеряют спустя 1 ч (для номинальных значений свыше 6,3 А - спустя 30 мин) при 1,5 IN. |
| | |
| Плавкие вставки 5 к 20 мм Быстродействующие Высокая отключающая способность | Технические требования 1 Страница 2 |
Маркировка На плавких вставках должны быть проставлены следующие маркировочные данные: a) номинальный ток; b) номинальное напряжение; c) наименование или товарный знак изготовителя; d) условное обозначение быстродействующей плавкой вставки F; e) условное обозначение отключающей способности H. |
Время-токовая характеристика до образования дуги Время до образования дуги должно быть в пределах: |
| Номинальный ток | 2,1IN | 2,75IN | 4IN | 10IN | |
Не более | Не менее | Не более | Не менее | Не более | Не более |
От 50 мА до 4 А включ. | 30 мин | 10 мс | 2 с | 3 мс | 300 мс | 20 мс |
Св. 4 до 6,3 А включ. | 30 мин | 10 мс | 3 с | 3 мс | 300 мс | 20 мс |
Св. 6,3 до 10 А включ. | 30 мин | 40 мс | 20 с | 10 мс | 1 с | 30 мс |
Отключающая способность Номинальная отключающая способность: 1500 А, испытание при переменном токе по схеме, приведенной на рисунке 6, для проверки высокой отключающей способности. |
Проверка износоустойчивости 100 циклов при токе, превышающем номинальный в 1,2 раза, по IEC 60127-1, подраздел 9.4, перечисление a), затем в течение 1 ч (для номинальных токов свыше 6,3 А в течение 30 мин) при токе, превышающем номинальный в 1,5 раза, по IEC 60127-1, подраздел 9.4, перечисление b). |
| Плавкие вставки 5 x 20 мм Быстродействующие Высокая отключающая способность | Технические требования 2 Страница 1 |
Плавкая вставка этого типа рекомендуется для защиты схем в телекоммуникационной аппаратуре или подобных схемах с ограниченным током короткого замыкания. |
Соосность: Размеры калибра: h = 30 мм; d = (5,38 +/- 0,01) мм (см. 8.4). Конструкция: Непрозрачная плавкая вставка. |
| | Номинальное напряжение, В | Максимальное падение напряжения, мВ | Максимальная установившаяся мощность рассеяния, Вт <b> | |
32 мА | 250 | 10000 | 1,6 |
40 мА | 8000 |
50 мА | 7000 |
63 мА | 5000 |
80 мА | 4000 |
100 мА | 3500 |
125 мА | 2000 |
160 мА | 2000 |
200 мА | 1700 |
250 мА | 1400 |
315 мА | 1300 |
400 мА | 1200 |
500 мА | 1000 |
630 мА | 650 |
800 мА | 240 |
1 А | 200 |
1,25 А | 200 |
1,6 А | 190 |
2 А | 170 |
2,5 А | 170 |
3,15 А | 150 | 2,5 |
4 А | 130 |
5 А | 130 |
6,3 А | 130 |
8 А | 130 | 4 |
10 А | 130 |
<a> Промежуточные значения выбирают из ряда от R 20 до R 40 по ISO 3. <b> Измеряют спустя 1 ч (для номинальных значений свыше 6,3 А - спустя 30 мин) при 1,5 IN. |
| |
| Плавкие вставки 5 x 20 мм Быстродействующие Высокая отключающая способность | Технические требования 2 Страница 2 |
Маркировка На плавких вставках должны быть проставлены следующие маркировочные данные: a) номинальный ток; b) номинальное напряжение; c) наименование или торговая марка изготовителя; d) обозначение быстродействующей плавкой вставки F; e) обозначение отключающей способности L. |
Время-токовая характеристика до образования дуги Время до образования дуги должно быть в пределах: |
| Номинальный ток | 2,1IN | 2,75IN | 4IN | 10IN | |
Не более | Не менее | Не более | Не менее | Не более | Не более |
От 32 до 100 мА включ. | 30 мин | 10 мс | 500 мс | 3 мс | 100 мс | 20 мс |
Св. 100 мА до 6,3 А включ. | 30 мин | 50 мс | 2 с | 10 мс | 300 мс | 20 мс |
Св. 6,3 до 10 А включ. | 30 мин | 50 мс | 2 с | 10 мс | 400 мс | 40 мс |
Отключающая способность Номинальная отключающая способность: 35 А или 10 IN (выбирают большее значение), испытание при переменном токе по схеме, приведенной на рисунке 7, для проверки низкой отключающей способности. При испытаниях значения расчетных токов короткого замыкания не должны превышать указанных пределов. |
Проверка износоустойчивости 100 циклов при токе, превышающем номинальный в 1,2 раза, по IEC 60127-1, подраздел 9.4, перечисление a), затем в течение 1 ч (для номинальных токов свыше 6,3 А в течение 30 мин) при токе, превышающем номинальный в 1,5 раза, по IEC 60127-1, подраздел 9.4, перечисление b). |
| Плавкие вставки 5 x 20 мм Замедленного действия (устойчивые к перегрузкам) Низкая отключающая способность | Технические требования 3 Страница 1 |
Плавкая вставка этого типа рекомендуется для защиты схем в телекоммуникационной аппаратуре или подобных схемах с ограниченным током короткого замыкания. |
Соосность: Размеры калибра: h = 30 мм; d = (5,38 +/- 0,01) мм (см. 8.4). Конструкция: Непрозрачная плавкая вставка. |
| | Номинальное напряжение, В | Максимальное падение напряжения, мВ | Максимальная установившаяся мощность рассеяния, Вт <b> | |
32 мА | 250 | 5000 | 1,6 |
40 мА | 4000 |
50 мА | 3500 |
63 мА | 3000 |
80 мА | 3000 |
100 мА | 2500 |
125 мА | 2000 |
160 мА | 1900 |
200 мА | 1500 |
250 мА | 1300 |
315 мА | 1100 |
400 мА | 1000 |
500 мА | 900 |
630 мА | 300 |
800 мА | 250 |
1 А | 150 |
1,25 А | 150 |
1,6 А | 150 |
2 А | 150 |
2,5 А | 120 |
3,15 А | 100 |
4 А | 100 |
5 А | 100 |
6,3 А | 100 |
8 А | 100 | 4 |
10 А | 100 |
| <a> Промежуточные значения выбирают из ряда от R 20 до R 40 по ISO 3. <b> Измеряют спустя 1 ч (для номинальных значений свыше 6,3 А - спустя 30 мин) при 1,5 IN. |
|
| Плавкие вставки 5 x 20 мм Замедленного действия (устойчивые к перегрузкам) Низкая отключающая способность | Технические требования 3 Страница 2 |
Маркировка На плавких вставках должны быть проставлены следующие маркировочные данные: a) номинальный ток; b) номинальное напряжение; c) наименование или торговая марка изготовителя; d) обозначение плавкой вставки замедленного действия T; e) обозначение отключающей способности L. |
Время-токовая характеристика до образования дуги Время до образования дуги должно быть в пределах: |
| Номинальный ток | 2,1IN | 2,75IN | 4IN | 10IN | |
Не более | Не менее | Не более | Не менее | Не более | Не менее | Не более |
От 32 до 100 мА включ. | 2 мин | 200 мс | 10 с | 40 мс | 3 с | 10 мс | 300 мс |
Св. 100 мА до 10 А включ. | 2 мин | 600 мс | 10 с | 150 мс | 3 с | 20 мс | 300 мс |
Испытание при температуре (70 +/- 2) °C Через плавкие вставки должен проходить ток 1,1IN, и в течение 1 ч они не должны срабатывать. |
Отключающая способность Номинальная отключающая способность: 35 А или 10 IN (выбирают большее значение), испытание при переменном токе по схеме, приведенной на рисунке 7, для проверки низкой отключающей способности. При испытаниях значения расчетных токов короткого замыкания не должны превышать указанных пределов |
Проверка износоустойчивости 100 циклов при токе, превышающем номинальный в 1,2 раза, по IEC 60127-1, подраздел 9.4, перечисление a), затем в течение 1 ч (для номинальных токов свыше 6,3 А в течение 30 мин) при токе, превышающем номинальный в 1,5 раза, по IEC 60127-1, подраздел 9.4, перечисление b). |
| Плавкие вставки 6,3 x 32 мм Быстродействующие Высокая отключающая способность | Технические требования 4 Страница 1 |
Плавкая вставка этого типа рекомендуется для защиты схем в телекоммуникационной аппаратуре или подобных схемах с ограниченным током короткого замыкания. Примечание - Технические требования разработаны на основе требований нескольких стран. При дальнейшем расширении списка стран может потребоваться внесение изменений. |
|
Соосность: Размеры калибра: h = 38 мм; d = (6,65 +/- 0,01) мм (см. 8.4). Конструкция: Прозрачная плавкая вставка. |
| Номинальный ток | Номинальное напряжение, В | Максимальное падение напряжения, мВ | Максимальная установившаяся мощность рассеяния, Вт <*> | |
50 мА | | 250 | 10000 | 1,6 |
63 мА | 8000 |
80 мА | 7000 |
100 мА | 6000 |
125 мА | 5500 |
160 мА | 5000 |
200 мА | 4000 |
250 мА | 3500 |
315 мА | 3000 |
400 мА | 2500 |
500 мА | 2000 |
630 мА | 1800 |
800 мА | 1500 |
1 А | 500 |
1,25 А | 400 | 2,5 |
1,6 А | 400 |
2 А | 300 |
2,5 А | 150 | 250 |
3,15 А | 150 | 250 | 4 |
4 А | 150 | 250 |
5 А | 60 | 200 |
6,3 А | 60 | 200 |
8 А | 60 | 200 |
10 А | 60 | 200 |
<*> Измеряют спустя 1 ч при 1,15 IN. |
|
| Плавкие вставки 6,3 x 32 мм Быстродействующие Низкая отключающая способность | Технические требования 4 Страница 2 |
Маркировка На плавких вставках должны быть проставлены следующие маркировочные данные: a) номинальный ток; b) номинальное напряжение; c) наименование или торговая марка изготовителя; d) обозначение быстродействующей плавкой вставки F; e) обозначение отключающей способности L. |
Время-токовая характеристика до образования дуги Время до образования дуги должно быть в пределах: |
| Номинальный ток | 2,1IN | 2,75IN | 4IN | 10IN | |
Не более | Не менее | Не более | Не менее | Не более | Не более |
От 50 до 100 мА включ. | 20 с | 2 мс | 200 мс | 1 мс | 30 мс | 5 мс |
Св. 100 мА до 10 А включ. | 20 с | 20 мс | 1500 мс | 8 мс | 400 мс | 80 мс |
Отключающая способность Номинальная отключающая способность: 35 А или 10 IN (выбирают большее значение), испытание при переменном токе по схеме, приведенной на рисунке 7, для проверки низкой отключающей способности. |
Проверка износоустойчивости 100 циклов при токе, превышающем номинальный в 1,05 раза, по IEC 60127-1, подраздел 9.4, перечисление a), затем в течение 1 ч при токе, превышающем номинальный в 1,15 раза, по IEC 60127-1, подраздел 9.4, перечисление b). |
| Плавкие вставки 5 x 20 мм Замедленного действия (устойчивые к перегрузкам) Высокая отключающая способность | Технические требования 5 Страница 1 |
|
Соосность: Размеры калибра: h = 30 мм; d = (5,38 +/- 0,01) мм (см. 8.4). Конструкция: Непрозрачная плавкая вставка. |
| | Номинальное напряжение, В | Максимальное падение напряжения, мВ | Максимальная установившаяся мощность рассеяния, Вт <b> | |
100 мА | 250 | 2800 | 1,6 |
125 мА | 2600 |
160 мА | 2400 |
200 мА | 2100 |
250 мА | 1500 |
315 мА | 1100 |
400 мА | 1000 |
500 мА | 850 |
630 мА | 650 |
800 мА | 500 |
1 А | 350 | 2,5 |
1,25 А | 300 |
1,6 А | 200 |
2 А | 190 |
2,5 А | 180 |
3,15 А | 140 | 4 |
4 А | 100 |
5 А | 100 |
6,3 А | 100 |
8 А | 100 |
10 А | 100 |
<a> Промежуточные значения выбирают из ряда от R 20 до R 40 по ISO 3. <b> Измеряют спустя 1 ч (для номинальных значений свыше 6,3 А - спустя 30 мин) при 1,5 IN. |
| | |
| Плавкие вставки 5 x 20 мм Замедленного действия (устойчивые к перегрузкам) Высокая отключающая способность | Технические требования 5 Страница 2 |
Маркировка На плавких вставках должны быть проставлены следующие маркировочные данные: a) номинальный ток; b) номинальное напряжение; c) наименование или торговый знак изготовителя; d) обозначение плавкой вставки замедленного действия T; e) обозначение отключающей способности H. |
Время-токовая характеристика до образования дуги Время до образования дуги должно быть в пределах: |
| Номинальный ток | 2,1IN | 2,75IN | 4IN | 10IN | |
Не более | Не менее | Не более | Не менее | Не более | Не менее | Не более |
От 100 до 800 мА включ. | 30 мин | 250 мс | 80 с | 50 мс | 5 с | 5 мс | 150 мс |
Св. 800 мА до 3,15 А включ. | 30 мин | 750 мс | 80 с | 95 мс | 5 с | 10 мс | 150 мс |
Св. 3,15 до 10 А включ. | 30 мин | 750 мс | 80 с | 150 мс | 5 с | 10 мс | 150 мс |
Испытание при температуре (70 +/- 2) °C Через плавкие вставки должен проходить ток 1,1IN, и в течение 1 ч они не должны срабатывать. |
Отключающая способность Номинальная отключающая способность: 1500 А, испытание на переменном токе по схеме, приведенной на рисунке 6, для проверки высокой отключающей способности. |
Проверка износоустойчивости 100 циклов при токе, превышающем номинальный в 1,2 раза, по IEC 60127-1, подраздел 9.4, перечисление a), затем в течение 1 ч (для номинальных токов свыше 6,3 А - в течение 30 мин) при токе, превышающем номинальный в 1,5 раза, по IEC 60127-1, подраздел 9.4, перечисление b). |
| Плавкие вставки 5 x 20 мм Замедленного действия (устойчивые к перегрузкам) Повышенная отключающая способность | Технические требования 6 Страница 1 |
Плавкая вставка этого типа рекомендуется для защиты схем в аппаратуре, такой как телевизионные установки с ожидаемым током короткого замыкания выше 35 А, но не выше 150 А. |
|
Соосность: Размеры калибра: h = 30 мм; d = (5,38 +/- 0,01) мм (см. 8.4). Конструкция: Плавкая вставка может быть как прозрачной, так и непрозрачной. |
| | Номинальное напряжение, В | Максимальное падение напряжения, мВ | Максимальная установившаяся мощность рассеяния, Вт <b> | |
32 мА | 250 | 5000 | 1,6 |
40 мА | 4000 |
50 мА | 3500 |
63 мА | 3000 |
80 мА | 3000 |
100 мА | 2500 |
125 мА | 2000 |
160 мА | 1900 |
200 мА | 1500 |
250 мА | 1300 |
315 мА | 1100 |
400 мА | 1000 |
500 мА | 900 |
630 мА | 300 |
800 мА | 250 |
1 А | 150 |
1,25 А | 150 |
1,6 А | 150 |
2 А | 150 |
2,5 А | 120 |
3,15 А | 100 |
4 А | 100 |
5 А | 100 |
6,3 А | 100 |
8 А | 100 | 4 |
10 А | 100 |
<a> Промежуточные значения выбирают из ряда от R 20 до R 40 по ISO 3. <b> Измеряют спустя 1 ч (для номинальных значений свыше 6,3 А - спустя 30 мин) при 1,5 IN. |
|
| Плавкие вставки 5 x 20 мм Замедленного действия (устойчивые к перегрузкам) Повышенная отключающая способность | Технические требования 6 Страница 2 |
Маркировка На плавких вставках должны быть проставлены следующие маркировочные данные: a) номинальный ток; b) номинальное напряжение; c) наименование или торговая марка изготовителя; d) обозначение плавкой вставки замедленного действия T; e) обозначение отключающей способности E. |
Время-токовая характеристика до образования дуги Время до образования дуги должно быть в пределах: |
| Номинальный ток | 2,1IN | 2,75IN | 4IN | 10IN | |
Не более | Не менее | Не более | Не менее | Не более | Не менее | Не более |
От 32 до 100 мА включ. | 2 мин | 200 мс | 10 с | 40 мс | 3 с | 10 мс | 300 мс |
Св. 100 мА до 10 А включ. | 2 мин | 600 мс | 10 с | 150 мс | 3 с | 20 мс | 300 мс |
Испытание при температуре (70 +/- 2) °C Через плавкие вставки должен проходить ток 1,1IN, и в течение 1 ч они не должны срабатывать. |
Отключающая способность Номинальная отключающая способность: 150 А, испытание при переменном токе по схеме, приведенной на рисунке 7, для проверки повышенной отключающей способности. |
Проверка износоустойчивости 100 циклов при токе, превышающем номинальный в 1,2 раза, по IEC 60127-1, подраздел 9.4, перечисление a), затем в течение 1 ч (для номинальных токов свыше 6,3 А - в течение 30 мин) при токе, превышающем номинальный в 1,5 раза, по IEC 60127-1, подраздел 9.4, перечисление b). |
| Плавкие вставки 6,3 x 32 мм Быстродействующие Повышенная отключающая способность | Технические требования 7 Страница 1 |
|
Соосность: Размеры калибра: h = 38 мм; d = (6,65 +/- 0,01) мм. Конструкция: Прозрачная плавкая вставка. |
| Номинальный ток | Номинальное напряжение, В | Максимальное падение напряжения, мВ | Максимальная установившаяся мощность рассеяния, Вт | |
32 мА | 250 | 17000 | 1,6 |
40 мА | 13500 | 1,6 |
50 мА | 11000 | 1,6 |
63 мА | 9000 | 1,6 |
80 мА | 7000 | 1,6 |
100 мА | 5000 | 1,6 |
125 мА | 4000 | 1,6 |
160 мА | 3000 | 1,6 |
200 мА | 2500 | 1,6 |
250 мА | 2000 | 1,6 |
315 мА | 1600 | 1,6 |
400 мА | 1300 | 1,6 |
500 мА | 1100 | 1,6 |
630 мА | 600 | 1,6 |
800 мА | 500 | 1,6 |
1 А | 450 | 1,6 |
1,25 А | 400 | 1,6 |
1,6 А | 350 | 1,6 |
2 А | 300 | 2,5 |
2,5 А | 300 | 2,5 |
3,15 А | 250 | 2,5 |
4 А | 250 | 4,0 |
5 А | 250 | 4,0 |
6,3 А | 200 | 4,0 |
8 А | 180 | 4,0 |
10 А | 150 | 4,0 |
|
| Плавкие вставки 6,3 x 32 мм Быстродействующие Повышенная отключающая способность | Технические требования 7 Страница 2 |
Маркировка На плавких вставках должны быть проставлены следующие маркировочные данные: a) номинальный ток; b) номинальное напряжение; c) наименование или торговая марка изготовителя; d) обозначение быстродействующей плавкой вставки F; e) обозначение отключающей способности E. |
Время-токовая характеристика до образования дуги Время до образования дуги должно быть в пределах: |
| Номинальный ток | 2,1IN | 2,75IN | 4IN | 10IN | |
Не более | Не более | Не более | Не более |
От 32 до 500 мА включ. | 1800 с | 600 мс | 200 мс | 20 мс |
Св. 630 мА до 6,3 А включ. | 1800 с | 1 с | 300 мс | 30 мс |
Св. 8 до 10 А включ. | 1800 с | 2 с | 500 мс | 40 мс |
Отключающая способность Номинальная отключающая способность: 200 А, коэффициент мощности: от 0,95 до 1,00; испытание при переменном токе по схеме, приведенной на рисунке 7, для проверки повышенной отключающей способности. |
Проверка износоустойчивости При IN <= 6,3 А: 100 циклов при токе, превышающем номинальный в 1,2 раза, затем в течение 1 ч при токе, превышающем номинальный в 1,5 раза; после испытания необходимо измерить мощность рассеяния. При IN > 6,3 А: 100 циклов при токе, превышающем номинальный в 1,2 раза, затем в течение 30 мин при токе, превышающем номинальный в 1,5 раза; после испытания необходимо измерить мощность рассеяния. |
| Плавкие вставки 6,3 x 32 мм Замедленного действия Повышенная отключающая способность | Технические требования 8 Страница 1 |
|
Соосность: Размеры калибра: h = 38 мм; d = (6,65 +/- 0,01) мм. Конструкция: Прозрачная плавкая вставка. |
| Номинальный ток | Номинальное напряжение, В | Максимальное падение напряжения, мВ | Максимальная установившаяся мощность рассеяния, Вт | |
100 мА | 250 | 3000 | 1,6 |
125 мА | 2600 | 1,6 |
160 мА | 2300 | 1,6 |
200 мА | 2000 | 1,6 |
250 мА | 1700 | 1,6 |
315 мА | 1400 | 1,6 |
400 мА | 1200 | 1,6 |
500 мА | 1000 | 1,6 |
630 мА | 800 | 1,6 |
800 мА | 600 | 1,6 |
1 А | 500 | 1,6 |
1,25 А | 400 | 1,6 |
1,6 А | 350 | 1,6 |
2 А | 300 | 2,5 |
2,5 А | 300 | 2,5 |
3,15 А | 250 | 2,5 |
4 А | 250 | 4,0 |
5 А | 250 | 4,0 |
6,3 А | 200 | 4,0 |
8 А | 180 | 4,0 |
10 А | 150 | 4,0 |
|
| Плавкие вставки 6,3 x 32 мм Замедленного действия Повышенная отключающая способность | Технические требования 8 Страница 2 |
Маркировка На плавких вставках должны быть проставлены следующие маркировочные данные: a) номинальный ток; b) номинальное напряжение; c) наименование или торговая марка изготовителя; d) обозначение плавкой вставки замедленного действия T; e) обозначение отключающей способности E. |
Время-токовая характеристика до образования дуги Время до образования дуги должно быть в пределах: |
| Номинальный ток | 2,1IN | 2,75IN | 4IN | 10IN | |
Не более | Не более |
Св. 100 мА до 6,3 А включ. | 120 с | 20 с | От 100 мс до 3 с | От 30 мс до 300 мс |
Св. 8 до 10 А включ. | 600 с | 30 с | От 150 мс до 5 с | От 50 мс до 300 мс |
Испытание при температуре (70 +/- 2) °C Через плавкие вставки должен проходить ток 1,1IN, и в течение 1 ч они не должны срабатывать. |
Отключающая способность Номинальная отключающая способность: 200 А, коэффициент мощности: от 0,95 до 1,00; испытание при переменном токе по схеме, приведенной на рисунке 7, для проверки повышенной отключающей способности. |
Проверка износоустойчивости При IN <= 6,3 А: 100 циклов при токе, превышающем номинальный в 1,2 раза, затем в течение 1 ч при токе, превышающем номинальный в 1,5 раза; после испытания необходимо измерить мощность рассеяния. При IN > 6,3 А: 100 циклов при токе, превышающем номинальный в 1,2 раза, затем в течение 30 мин при токе, превышающем номинальный в 1,5 раза; после испытания необходимо измерить мощность рассеяния. |
| Плавкие вставки 6,3 x 32 мм Быстродействующие Высокая отключающая способность | Технические требования 9 Страница 1 |
|
Соосность: Размеры калибра: h = 38 мм; d = (6,65 +/- 0,01) мм. Конструкция: Непрозрачная плавкая вставка. |
| Номинальный ток | Номинальное напряжение, В | Максимальное падение напряжения, мВ | Максимальная установившаяся мощность рассеяния, Вт | |
100 мА | 500 | 5500 | 1,6 |
125 мА | 4500 | 1,6 |
160 мА | 3500 | 1,6 |
200 мА | 2800 | 1,6 |
250 мА | 2200 | 1,6 |
315 мА | 1800 | 1,6 |
400 мА | 1500 | 1,6 |
500 мА | 1400 | 2,5 |
630 мА | 1300 | 2,5 |
800 мА | 600 | 2,5 |
1 А | 500 | 2,5 |
1,25 А | 500 | 2,5 |
1,6 А | 500 | 2,5 |
2 А | 450 | 2,5 |
2,5 А | 400 | 4,0 |
3,15 А | 350 | 4,0 |
4 А | 300 | 4,0 |
5 А | 250 | 4,0 |
6,3 А | 250 | 4,0 |
8 А | 200 | 4,0 |
10 А | 150 | 4,0 |
|
| Плавкие вставки 6,3 x 32 мм Быстродействующие Высокая отключающая способность | Технические требования 9 Страница 2 |
Маркировка На плавких вставках должны быть проставлены следующие маркировочные данные: a) номинальный ток; b) номинальное напряжение; c) наименование или торговая марка изготовителя; d) обозначение быстродействующей плавкой вставки F; e) обозначение отключающей способности H. |
Время-токовая характеристика до образования дуги Время до образования дуги должно быть в пределах: |
| Номинальный ток | 2,1IN | 2,75IN | 4IN | 10IN | |
Не более | Не более | Не более | Не более |
От 100 мА до 6,3 А включ. | 1800 с | 2 с | 600 мс | 30 мс |
Св. 8 до 10 А включ. | 1800 с | 3 с | 800 мс | 40 мс |
Отключающая способность Номинальная отключающая способность: 1500 А; испытание при переменном токе по схеме, приведенной на рисунке 6, для проверки высокой отключающей способности. |
Проверка износоустойчивости При IN <= 6,3 А: 100 циклов при токе, превышающем номинальный в 1,2 раза, затем в течение 1 ч при токе, превышающем номинальный в 1,5 раза; после испытания необходимо измерить мощность рассеяния. При IN > 6,3 А: 100 циклов при токе, превышающем номинальный в 1,2 раза, затем в течение 30 мин при токе, превышающем номинальный в 1,5 раза; после испытания необходимо измерить мощность рассеяния. |
| Плавкие вставки 6,3 x 32 мм Замедленного действия Высокая отключающая способность | Технические требования 10 Страница 1 |
|
Соосность: Размеры калибра: h = 38 мм; d = (6,65 +/- 0,01) мм. Конструкция: Непрозрачная плавкая вставка. |
| Номинальный ток | Номинальное напряжение, В | Максимальное падение напряжения, мВ | Максимальная установившаяся мощность рассеяния, Вт | |
100 мА | 500 | 4000 | 1,6 |
125 мА | 3500 | 1,6 |
160 мА | 3000 | 1,6 |
200 мА | 2500 | 1,6 |
250 мА | 2000 | 1,6 |
315 мА | 1800 | 1,6 |
400 мА | 1100 | 1,6 |
500 мА | 900 | 1,6 |
630 мА | 800 | 1,6 |
800 мА | 700 | 1,6 |
1 А | 600 | 1,6 |
1,25 А | 450 | 2,5 |
1,6 А | 400 | 2,5 |
2 А | 350 | 2,5 |
2,5 А | 300 | 4,0 |
3,15 А | 300 | 4,0 |
4 А | 250 | 4,0 |
5 А | 250 | 4,0 |
6,3 А | 200 | 4,0 |
8 А | 180 | 4,0 |
10 А | 150 | 4,0 |
|
| Плавкие вставки 6,3 x 32 мм Замедленного действия Высокая отключающая способность | Технические требования 10 Страница 2 |
Маркировка На плавких вставках должны быть проставлены следующие маркировочные данные: a) номинальный ток; b) номинальное напряжение; c) наименование или торговая марка изготовителя; d) обозначение плавкой вставки замедленного действия T; e) обозначение отключающей способности H. |
Время-токовая характеристика до образования дуги Время до образования дуги должно быть в пределах: |
| Номинальный ток | 2,1IN | 2,75IN | 4IN | 10IN | |
Не более | Не более |
Св. 100 до 315 мА включ. | 1800 с | 20 с | От 100 мс до 2 с | От 10 мс до 300 мс |
Св. 400 мА до 10 А включ. | 1800 с | 80 с | От 150 мс до 3 с | От 20 мс до 300 мс |
Испытание при температуре (70 +/- 2) °C Через плавкие вставки должен проходить ток 1,1IN, и в течение 1 ч они не должны срабатывать. |
Отключающая способность Номинальная отключающая способность: 1500 А; испытание при переменном токе по схеме, приведенной на рисунке 6, для проверки высокой отключающей способности. |
Проверка износоустойчивости При IN <= 6,3 А: 100 циклов при токе, превышающем номинальный в 1,2 раза, затем в течение 1 ч при токе, превышающем номинальный в 1,5 раза; после испытания необходимо измерить мощность рассеяния. При IN > 6,3 А: 100 циклов при токе, превышающем номинальный в 1,2 раза, затем в течение 30 мин при токе, превышающем номинальный в 1,5 раза; после испытания необходимо измерить мощность рассеяния. |
(обязательное)
МИНИАТЮРНЫЕ ПЛАВКИЕ ВСТАВКИ С ПРОВОЛОЧНЫМИ ВЫВОДАМИ
A.1 Общие положения
Требованиям к миниатюрным трубчатым плавким вставкам для автоматизированного монтажа электрических и электронных схем на печатных платах удовлетворяют плавкие вставки существующих типов размерами 5 x 20 мм, форма которых пригодна для автоматизированного монтажа печатных плат.
Настоящее приложение дополняет требования настоящего стандарта, применимые к уже испытанным и аттестованным плавким вставкам без проволочных выводов размерами 5 x 20 мм.
Настоящее приложение устанавливает специальные требования к миниатюрным плавким вставкам для печатных плат, применяемым для защиты электрической бытовой аппаратуры, электронной аппаратуры и их компонентов, как правило предназначенных для эксплуатации в закрытых помещениях.
Не задают следующие параметры выводов: метод крепления, ориентацию, форму поперечного сечения и длину.
В настоящем приложении установлены дополнительные методы испытаний для миниатюрных плавких вставок с проволочными выводами.
A.3 Общие положения, относящиеся к испытаниям
Дополнительно к требованиям IEC 60127-1:2006 (раздел 7) предъявляют следующие требования.
A.3.1 Типовые испытания
Для испытаний необходима 21 миниатюрная плавкая вставка.
Требования IEC 60127-1:2006 (пункт 7.2.2) не применяют.
Не допускаются отказы при проведении любого из дополнительных испытаний, приведенных в настоящем приложении.
A.3.2 Перечень испытаний
Перечень испытаний миниатюрных плавких вставок с проволочными выводами должен соответствовать указанному в
таблице A.1.
Таблица A.1
Пункт | Параметр (характеристика) - наименование испытания | Номер плавкой вставки |
1 | 4 | 7 - 12 | 13 | 16 | 19 |
2 | 5 | 14 | 17 | 20 |
3 | 6 | 15 | 18 | 21 |
| Размеры | X | X | X | X | X | X |
| Падение напряжения | X | X | | | | |
| 2,1IN | X | | | | | |
| Номинальная отключающая способность | | X | | | | |
| Механические испытания выводов | | | X | | | |
| Паяемость | | | | X | | |
| Теплостойкость при пайке | | | | | X | |
| Температура перегрева плавкой вставки | | | | | | X |
| Падение напряжения | | | X | | X | |
Примечание - Плавкие вставки с номерами 7 - 12 и 16 - 18 испытывают до того, как припаивают к испытательной плате, для измерения падения напряжения. Плавкие вставки с номерами 13 - 15 не припаивают к испытательной плате. |
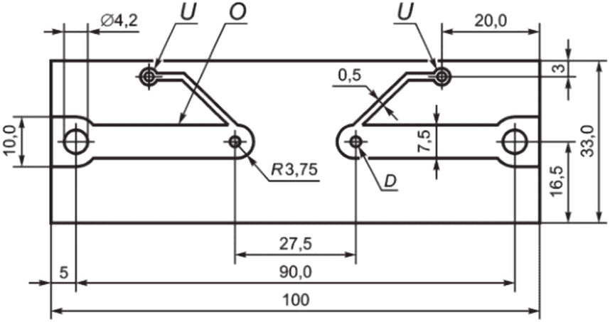
A.3.3 Испытательная плата
Миниатюрные плавкие вставки с проволочными выводами следует испытывать на испытательной плате, приведенной на
рисунке A.1. Плавкую вставку, которую подвергают испытанию, напаивают на испытательную плату с использованием минимального количества тепла для получения удовлетворительного паяного соединения, а лишнюю проволоку удаляют. Затем испытательную плату следует закрепить на испытательном основании, приведенном на
рисунке A.2.
На рисунке масштаб не соблюден
O - слой меди: | 0,035 мм для номинального тока 6,3 А включительно; |
0,070 мм для номинального тока свыше 6,3 А. |
Глубина погружения в расплавленное олово оптимальная. |
U - контакты для измерения падения напряжения; |
D - диаметр 1 мм для номинального тока до 6,3 А включительно; диаметр 1,5 мм для номинального тока свыше 6,3 А. |
Для демонстрации повторяемости результатов допускается использовать механическое устройство. |
Рисунок A.1 - Испытательная плата
На рисунке масштаб не соблюден
A - основание из материала с низкой теплопроводностью
толщиной 10 мм; B - латунные электроды 10 x 10 мм;
C - распаянная плавкая вставка; D - крепежные винты;
E - контактные винты для жесткой фиксации испытательной
G - расстояние между наконечником плавкой вставки
и испытательной платы: не менее 0,25 мм; H - вид сверху
на испытательное основание с латунными электродами
10 x 10 мм; l - максимальное расстояние, на которое плавкая
вставка выступает над испытательной платой, - 10 мм
Примечание - В соответствии с требованиями монтажа испытательного основания выводы плавкой вставки могут быть изогнуты для присоединения к испытательной плате.
Рисунок A.2 - Испытательное основание
Испытательную плату изготавливают из стеклотекстолита, фольгированного медью в соответствии с IEC 61249-2-7.
Номинальная толщина стеклотекстолита, включая медную фольгу, составляет 1,6 мм.
Необходимо, чтобы номинальная толщина слоя меди составляла 0,035 мм для плавких вставок, рассчитанных на ток до 6,3 А включительно, и 0,070 мм для плавких вставок, рассчитанных на ток свыше 6,3 А.
Металлические части испытательного основания изготавливают из латуни с содержанием меди от 58% до 70%. Контактные части покрывают серебром.
A.4 Размеры и конструкция
Дополнительно к требованиям IEC 60127-1:2006 (раздел 8) предъявляют следующие требования.
Размеры миниатюрных плавких вставок должны соответствовать
рисунку A.3. Соответствие контролируют измерением.
На рисунке масштаб не соблюден
Примечание - Выводы:
a) длину выводов не задают;
b) форму поперечного сечения проволочного вывода не устанавливают;
c) вывод проходит через отверстие диаметром:
- 1 мм - для номинальных токов до 6,3 А включительно;
- 1,5 мм - для номинальных токов свыше 6,3 А;
d) ориентацию выводов не указывают (альтернативный вариант указан выше);
e) способ фиксации выводов не устанавливают.
Рисунок A.3 - Размеры плавкой вставки
с проволочными выводами
A.4.2 Механические испытания выводов
Выводы должны выдерживать механические нагрузки, подобные тем, которые возможны при эксплуатации. Соответствие контролируют следующими испытаниями, которые проводят согласно IEC 60068-2-21.
Предварительно образцы на 24 ч погружают в воду при температуре от 15 °C до 35 °C.
Каждый вывод миниатюрной плавкой вставки, закрепленной в фиксированном положении, поочередно подвергают воздействию сил, указанных в
перечислениях a) и
b). Испытательную выборку образцов следует разделить поровну для следующих испытаний выводов:
a) испытание Ua
1 - растяжение.
Выводы находятся в нормальном положении, плавкую вставку закрепляют за корпус. В направлении по оси от корпуса вставки применяют силу, равную (10 +/- 1) Н. Силу прикладывают плавно (без рывков), поддерживают в течение (10 +/- 1) с;
b) испытание Ub - изгиб (применимо только к гибким выводам).
При испытании на изгиб в соответствии с IEC 60068-2-21, применяют силу, равную:
- (5 +/- 0,5) Н - для выводов диаметром от 0,5 до 0,8 мм включительно;
- (10 +/- 0,5) Н - для выводов диаметром свыше 0,8 и до 1,25 мм включительно.
Необходимо выполнить два изгиба. Изгиб допускается выполнять по методу 1 (два изгиба в противоположных направлениях) или по методу 2 (два изгиба в одном направлении).
Примечание - Значение силы, прилагаемой к выводам диаметром свыше 1,25 мм или к ленточным выводам, приведено в IEC 60068-2-21:2006 (таблица 4).
После испытания выводы миниатюрной плавкой вставки должны оставаться прочно присоединенными и значение падения напряжения не должно превышать максимально допустимых значений, указанных в соответствующих технических требованиях.
В соответствии с IEC 60068-2-20 плавкие вставки подвергают испытанию Ta по методу 1 (паяльная ванна при температуре 235 °C) при следующих условиях:
Старение: | отсутствует (в состоянии на поставки). |
Условия погружения: | температура (235 +/- 5) °C, время (2 +/- 0,5) с. |
Глубина погружения: | (2,0 +/- 0,5) мм (от опорной поверхности). |
Тип флюса: | неактивированный. |
Экран: | используют. |
Осмотр проводят при достаточном освещении невооруженным глазом или с помощью лупы с увеличением от 4x до 10x.
Поверхность после погружения должна быть покрыта гладким и блестящим слоем припоя; допускается лишь незначительное количество (менее 10% испытуемой площади) распределенных по поверхности дефектов, например, в виде пор, зон, не подвергавшихся смачиванию, или зон, где произошло несмачивание поверхности. Эти дефекты не должны быть сосредоточены на одном участке поверхности.
A.4.4 Теплостойкость при пайке
В соответствии с IEC 60068-2-20 плавкие вставки подвергают испытанию Tb по методу 1A (паяльная ванна при температуре 260 °C) при следующих условиях:
Старение: | не проводят (в состоянии на поставки). |
Условия погружения: | температура (260 +/- 5) °C, время (10 +/- 1) с. |
Глубина погружения: | (2,0 +/- 0,5) мм (от посадочной плоскости). |
Тип флюса: | активированный. |
Экран: | используют. |
После испытания плавкие вставки не должны потрескаться, маркировка должна быть разборчивой и не должен измениться цвет кода, если применяют цветовой код.
Значение падения напряжения, измеренного по
A.5.1, не превышает максимально допустимых значений, указанных в соответствующих технических требованиях.
A.5 Требования к электрическим параметрам
Дополнительно к требованиям IEC 60127-1:2006 (раздел 9) соблюдают следующие требования.
Для измерения падения напряжения рекомендуется использовать вольтметр с высоким внутренним полным сопротивлением. Падение напряжения измеряют в точках, обозначенных на
рисунке A.1 символом
U.
A.5.2 Время-токовая характеристика при нормальной температуре окружающей среды
Время-токовую характеристику при 2,1IN контролируют согласно соответствующим техническим требованиям.
A.5.3 Отключающая способность
Номинальную отключающую способность контролируют в соответствии с указаниями соответствующих технических требований.
A.5.4 Температура перегрева плавкой вставки
Плавкие вставки испытывают согласно IEC 60127-1:2006 (подраздел 9.7) со следующими изменениями:
Замена второго абзаца подраздела 9.7 следующим текстом:
Повышение температуры, измеряемое на выводах в точке ввода в испытательную плату, не должно превышать 150 К при испытании плавкой вставки. Плавкая вставка должна быть расположена на расстоянии 1 мм от печатной платы.
Замена текста первого перечисления:
- начальный ток должен составлять 1,5IN;
Замена текста последнего перечисления:
- температуру в течение последних 30 с до момента срабатывания не учитывают.
Дополнение новым перечислением с соответствующим текстом:
- размер термопары не должен превышать 0,05 мм
2 (30 AWG)
<1>.
Исключение примечания 1 и замена примечания 2 следующим примечанием.
--------------------------------
<1> В ряде стран вместо сечений в миллиметрах в квадрате используют обозначения с указанием калибров проводов (например, Американский сортамент проводов [AWG] в США и Канаде).
(обязательное)
ТРУБЧАТЫЕ ПЛАВКИЕ ВСТАВКИ С НОМИНАЛЬНЫМИ ЗНАЧЕНИЯМИ
ПОСТОЯННОГО ТОКА
B.1 Общие положения
Настоящее приложение дополняет требования настоящего стандарта и применяется к успешно прошедшим испытания плавким вставкам размерами 5 x 20 мм или 6,3 x 32 мм как с проволочными выводами, так и без них.
Настоящее приложение определяет требования, предъявляемые к трубчатым плавким вставкам, применяемым для защиты электроприборов, электронного оборудования и их составных частей, как правило предназначенных для использования внутри помещений.
В настоящем приложении установлены дополнительные методы испытаний трубчатых плавких вставок для применения в цепях постоянного тока.
B.2 Общие положения, относящиеся к испытаниям
В дополнение к требованиям, установленным в IEC 60127-1:2006 (раздел 7), выполняют следующие критерии.
B.2.1 Типовые испытания
Необходимо произвольно отобрать 15 дополнительных образцов.
Перечень испытаний трубчатых плавких вставок с номинальными значениями постоянного тока должен соответствовать данным
таблицы B.1.
Таблица B.1
Пункт | Наименование испытания | Номер плавкой вставки |
DC1 DC2 DC3 | DC4 DC5 DC6 | DC7 DC8 DC9 | DC10 DC11 DC12 | DC13 DC14 DC15 |
| Номинальная отключающая способность | X | | | | |
| 5-кратный номинальный ток, 5IN | | X | | | |
| 10-кратный номинальный ток, 10IN | | | X | | |
| 50-кратный номинальный ток, 50IN | | | | X | |
| 250-кратный номинальный ток, 250IN | | | | | X |
| Сопротивление изоляции | X | X | X | X | X |
Примечание - Применимо только в случае отсутствия превышения определенного значения номинальной отключающей способности. |
Требования IEC 60127-1:2006 (пункт 7.2.3) не применимы.
Все дополнительные испытания, указанные в настоящем приложении, необходимо успешно выдержать.
B.2.2 Основные положения при проведении испытаний
Испытания трубчатых плавких вставок проводят в цоколях для плавких вставок, приведенных на
рисунке 3.
Испытания трубчатых плавких вставок с проволочными выводами выполняют на испытательных платах, приведенных на
рисунке A.1. Испытательная плата должна быть смонтирована на испытательное основание
A.2.
B.3 Маркировка
Применяют IEC 60127-1:2006 (раздел 6), за исключением следующего:
Подраздел 6.3
Дополнение после первого абзаца:
Дополнительно на этикетке упаковки необходимо указать номинальную отключающую способность постоянного тока в амперах (А) или в килоамперах (кА), а также номинальное постоянное напряжение (В).
B.4 Требования к электрическим параметрам
B.4.1 Отключающая способность
Плавкие вставки должны надежно срабатывать, не создавая опасности для установленных рядом устройств и радиокомпонентов, при условии, что ожидаемые токи отключения находятся в диапазоне между условным током отсутствия плавления и номинальной отключающей способностью.
Восстанавливающее напряжение должно быть в 1,02 - 1,05 раза больше номинального напряжения плавких вставок (по согласованию с изготовителем допускается превышение верхнего допуска) и должно поддерживаться в течение 30 с после срабатывания предохранителя.
Типовые схемы испытания для постоянного тока приведены на
рисунке B.1.
a) Типовая испытательная схема для испытаний отключающей
способности плавких вставок с отключающей способностью
свыше 100 А
b) Типовая испытательная схема для испытаний отключающей
способности плавких вставок с отключающей способностью менее
или равной 100 А
A - съемная вставка, применяемая для калибровки;
C - контакт, включающий цепь; D - переключатель
для отключения источника питания; F - испытуемая плавкая
вставка; S - источник питания, полное сопротивление которого
менее 10% полного сопротивления сети; L - катушка
индуктивности с воздушным сердечником; R - последовательно
включенный резистор, подобранный для получения
ожидаемого тока
Рисунок B.1 - Испытательные схемы для испытаний
отключающей способности
Для испытаний при меньших ожидаемых токах (5IN, 10IN, 50IN, 250IN) индуктивность в цепи должна быть постоянной, а ток необходимо регулировать только за счет изменения сопротивления.
Номинальное значение постоянного напряжения, номинальную отключающую способность и соответствующую постоянную времени, как правило, указывает изготовитель.
Значения, указанные в
таблице B.2, приведены исключительно в качестве справочных данных.
Таблица B.2
Испытательный ток, А | Постоянная времени, мс |
До 100 включ. | Не более 1,0 |
Св. 100 до 500 включ. | От 1,0 до 1,7 |
Св. 500 до 1500 включ. | От 2,0 до 2,5 |
Если изготовителем не указано иное, постоянную времени испытательной схемы выбирают по
таблице B.2.
Соответствие проверяют:
a) номинальной отключающей способностью, которая не может составлять менее 35 А, 10IN или принимает значения в соответствии с требованиями изготовителя (выбирают большее значение);
b) значениями ожидаемого тока, примерно 5-, 10-, 50- и 250-кратными номинальному току, но не превышающими номинальную отключающую способность.
После этого испытания сопротивление изоляции между выводами плавкой вставки следует измерить при постоянном напряжении, равном удвоенному номинальному напряжению плавкой вставки, но не менее 250 В. Сопротивление должно составлять не менее 0,1 МОм.
B.4.2 Критерии надежной работы предохранителя
В дополнение к критериям надежности срабатывания, приведенным в IEC 60127-1:2006 (пункт 9.3.2), плавкая вставка должна срабатывать во время всех испытаний, не обнаруживая следующих дефектов:
- сплавления контактов между собой;
- неразборчивости маркировки после испытания;
- пробой корпуса (если применимо), видимый невооруженным глазом;
- пробой наружных поверхностей, видимых невооруженным глазом;
- пригорания или плавления органических веществ на внешних поверхностях.
Допускаются следующие явления:
- черные пятна или другие следы на выводах плавкой вставки;
- незначительная деформация плавкой вставки;
- трещины плавкой вставки, если они не ведут к разрушению плавкой вставки при замене.
(справочное)
СВЕДЕНИЯ О СООТВЕТСТВИИ ССЫЛОЧНЫХ МЕЖДУНАРОДНЫХ СТАНДАРТОВ
МЕЖГОСУДАРСТВЕННЫМ СТАНДАРТАМ
Таблица ДА.1
Обозначение ссылочного международного стандарта | Степень соответствия | Обозначение и наименование соответствующего межгосударственного стандарта |
IEC 60068-2-20 | MOD | ГОСТ 28211-89 (МЭК 68-2-20-79) "Основные методы испытаний на воздействие внешних факторов. Часть 2. Испытания. Испытание T: Пайка" |
IEC 60068-2-21 | MOD | ГОСТ 28212-89 (МЭК 68-2-21-83) "Основные методы испытаний на воздействие внешних факторов. Часть 2. Испытания. Испытание U: Прочность выводов и их креплений к корпусу изделия" |
IEC 60127-1:2006 | IDT | ГОСТ IEC 60127-1-2010 "Миниатюрные плавкие предохранители. Часть 1. Терминология для миниатюрных плавких предохранителей и общие требования к миниатюрным плавким вставкам" |
ISO 3 | NEQ | ГОСТ 8032-84 "Предпочтительные числа и ряды предпочтительных чисел" |
Примечание - В настоящей таблице использованы следующие условные обозначения степени соответствия стандартов: - IDT - идентичные стандарты; - MOD - модифицированные стандарты; - NEQ - неэквивалентные стандарты. |
IEC 61249-2-7 | Materials for printed boards and other interconnecting structures - Part 2-7: Reinforced base materials clad and unclad - Epoxide woven E-glass laminated sheet of defined flammability (vertical burning test), copper-clad (Материалы для печатных плат и других структур межсоединений. Часть 2-7. Армированные материалы основания с плакировкой и без плакировки. Эпоксидный слоистый пластик со стеклотканью E, с определенной воспламеняемостью (вертикальное испытание на горение), плакированный медью) |
УДК 621.316.923:006.354 | | IDT |
Ключевые слова: миниатюрные плавкие предохранители, трубчатые плавкие вставки, требования к электрическим параметрам, конструкция, размеры, маркировка, испытания, технические требования |