Главная // Актуальные документы // ГОСТ (Государственный стандарт)СПРАВКА
Источник публикации
М.: ФГБУ "Институт стандартизации", 2023
Примечание к документу
Текст данного документа приведен с учетом
поправки, опубликованной в "ИУС", N 2, 2024;
поправки, опубликованной в "ИУС", N 4, 2024.
Документ
введен в действие с 01.10.2024 с правом досрочного применения.
Название документа
"ГОСТ EN 13274-7-2023. Межгосударственный стандарт. Система стандартов безопасности труда. Средства индивидуальной защиты органов дыхания. Методы испытаний. Часть 7. Определение проницаемости противоаэрозольного фильтра"
(введен в действие Приказом Росстандарта от 05.10.2023 N 1083-ст)
"ГОСТ EN 13274-7-2023. Межгосударственный стандарт. Система стандартов безопасности труда. Средства индивидуальной защиты органов дыхания. Методы испытаний. Часть 7. Определение проницаемости противоаэрозольного фильтра"
(введен в действие Приказом Росстандарта от 05.10.2023 N 1083-ст)
по техническому регулированию
и метрологии
от 5 октября 2023 г. N 1083-ст
МЕЖГОСУДАРСТВЕННЫЙ СТАНДАРТ
СИСТЕМА СТАНДАРТОВ БЕЗОПАСНОСТИ ТРУДА
СРЕДСТВА ИНДИВИДУАЛЬНОЙ ЗАЩИТЫ ОРГАНОВ ДЫХАНИЯ
МЕТОДЫ ИСПЫТАНИЙ
ЧАСТЬ 7
ОПРЕДЕЛЕНИЕ ПРОНИЦАЕМОСТИ ПРОТИВОАЭРОЗОЛЬНОГО ФИЛЬТРА
Occupational safety standards system. Respiratory protective
devices. Test methods. Part 7. Determination of particle
filter penetration
(EN 13274-7:2019, Respiratory protective devices - Methods
of test - Part 7: Determination of particle filter
penetration, IDT)
ГОСТ EN 13274-7-2023
Дата введения
1 октября 2024 года
с правом досрочного применения
Цели, основные принципы и общие правила проведения работ по межгосударственной стандартизации установлены
ГОСТ 1.0 "Межгосударственная система стандартизации. Основные положения" и
ГОСТ 1.2 "Межгосударственная система стандартизации. Стандарты межгосударственные, правила и рекомендации по межгосударственной стандартизации. Правила разработки, принятия, обновления и отмены"
1 ПОДГОТОВЛЕН Обществом с ограниченной ответственностью "МОНИТОРИНГ" (ООО "МОНИТОРИНГ") на основе собственного перевода на русский язык англоязычной версии стандарта, указанного в
пункте 5
2 ВНЕСЕН Федеральным агентством по техническому регулированию и метрологии
3 ПРИНЯТ Межгосударственным советом по стандартизации, метрологии и сертификации (протокол от 28 июля 2023 г. N 163-П)
За принятие проголосовали:
Краткое наименование страны по МК (ИСО 3166) 004-97 | Код страны по МК (ИСО 3166) 004-97 | Сокращенное наименование национального органа по стандартизации |
Армения | AM | ЗАО "Национальный орган по стандартизации и метрологии" Республики Армения |
Беларусь | BY | Госстандарт Республики Беларусь |
Казахстан | KZ | Госстандарт Республики Казахстан |
Киргизия | KG | Кыргызстандарт |
Россия | RU | Росстандарт |
Таджикистан | TJ | Таджикстандарт |
Узбекистан | UZ | Узстандарт |
4
Приказом Федерального агентства по техническому регулированию и метрологии от 5 октября 2023 г. N 1083-ст межгосударственный стандарт ГОСТ EN 13274-7-2023 введен в действие в качестве национального стандарта Российской Федерации с 1 октября 2024 г. с правом досрочного применения
5 Настоящий стандарт идентичен европейскому стандарту EN 13274-7:2019 "Средства индивидуальной защиты органов дыхания. Методы испытаний. Часть 7. Определение проницаемости противоаэрозольного фильтра" ("Respiratory protective devices - Methods of test - Part 7: Determination of particle filter penetration", IDT).
Европейский стандарт разработан Техническим комитетом CEN/TC 79 "Респираторные защитные устройства", секретариатом которого является DIN (Германия).
Наименование настоящего стандарта изменено относительно наименования указанного европейского стандарта для приведения в соответствие с ГОСТ 1.5
(подраздел 3.6).
При применении настоящего стандарта рекомендуется использовать вместо ссылочных европейских стандартов соответствующие им межгосударственные стандарты, сведения о которых приведены в дополнительном
приложении ДА
7 Некоторые элементы настоящего стандарта могут являться объектами патентных прав
Информация о введении в действие (прекращении действия) настоящего стандарта и изменений к нему на территории указанных выше государств публикуется в указателях национальных стандартов, издаваемых в этих государствах, а также в сети Интернет на сайтах соответствующих национальных органов по стандартизации.
В случае пересмотра, изменения или отмены настоящего стандарта соответствующая информация будет опубликована на официальном интернет-сайте Межгосударственного совета по стандартизации, метрологии и сертификации в каталоге "Межгосударственные стандарты"
Настоящий стандарт предназначен в качестве дополнения к стандартам на средства индивидуальной защиты органов дыхания (СИЗОД). Методы испытаний установлены как для изделий в сборе, так и для их элементов. Если отступления от метода испытания, приведенного в настоящем стандарте, являются обязательными, то данные отступления должны быть описаны в стандарте на соответствующее средство индивидуальной защиты органов дыхания.
Настоящий стандарт устанавливает процедуру определения проницаемости противоаэрозольных фильтров, применяющихся в средствах индивидуальной защиты органов дыхания (далее - СИЗОД).
В настоящем стандарте использована нормативная ссылка на следующий стандарт [для датированных ссылок применяют только указанное издание ссылочного стандарта, для недатированных - последнее издание (включая все изменения)]:
EN 132, Respiratory protective devices - Definitions of terms and pictograms (Средства индивидуальной защиты органов дыхания. Термины, определения и пиктограммы)
В настоящем стандарте применены термины по EN 132.
ISO и IEC поддерживают терминологические базы данных, используемые в целях стандартизации по следующим адресам:
- Электропедия IEC: доступна по адресу http://www.electropedia.org/;
- платформа онлайн-просмотра ISO: доступна по адресу http://www.iso.org/obp.
4 Предварительные требования
Чтобы обеспечить реализацию настоящего стандарта, в стандарте на соответствующее СИЗОД должны быть указаны, по крайней мере, следующие параметры:
- образцы, подлежащие испытаниям;
- количество образцов;
- метод(ы) испытаний;
- расход воздушного потока через фильтр;
- последовательность стадий предварительной подготовки образцов, если их больше одной;
- подробное описание любых наблюдений, которые должны быть выполнены;
- подготовка и положение образцов при испытаниях;
- метод фиксации образцов;
- эквивалентная масса аэрозоля для испытания с экспозицией;
- критерий соответствия/несоответствия;
- любые отступления от данного метода.
5 Требования к проведению испытаний
Для определения проницаемости фильтра используют два вида аэрозоля:
a) аэрозоль хлорида натрия, с использованием оборудования в соответствии с
разделом 6;
b) аэрозоль парафинового масла, с использованием оборудования в соответствии с
разделом 7.
Тестовый аэрозоль подают в испытательную камеру, в которой находится испытуемое фильтрующее СИЗОД, герметично установленное в специальный адаптер. Аэрозоль пропускают через испытуемое фильтрующее СИЗОД, концентрацию аэрозоля измеряют фотометром непосредственно перед и после испытуемого фильтрующего СИЗОД.
Лаборатории должны учитывать следующие особенности:
- испытательная камера должна быть сконструирована таким образом, чтобы свести к минимуму колебания скорости воздушного потока, воздействующего на поверхность испытуемого фильтра;
- воздушный поток, сосредоточенный на определенном участке фильтра ("струя"), может привести к искусственному завышению значения проницаемости фильтра.
5.2 Номинальные значения и допуски
Если не указано иное, все значения, приведенные в настоящем стандарте, являются номинальными. Значения, не указанные как максимальные или минимальные, следует учитывать с допуском +/- 5%, за исключением границ температурных диапазонов. Если не указано иное, температура окружающей среды при испытаниях должна составлять от 16 °C до 32 °C при относительной влажности (50 +/- 30)%, а границы температурных диапазонов должны иметь точность +/- 1 °C.
Для каждого из требуемых в соответствии с настоящим стандартом измерений должна быть проведена оценка неопределенности измерения
[1].
Оценку неопределенности измерений следует применять и включать в протокол испытаний для того, чтобы лицо, использующее протокол испытаний, могло оценить достоверность результатов.
5.3 Испытание на проницаемость
За измеренное значение проницаемости в соответствии с
5.1 принимают значение, полученное путем усреднения в течение 30
+3 с через 3 мин после начала проведения испытания.
5.4 Испытание с экспозицией
Проницаемость следует регистрировать на протяжении всего испытания с интервалами между измерениями, не превышающими 5 мин.
Рекомендуется осуществлять регистрацию проницаемости непрерывно.
Время испытания противоаэрозольных фильтров с использованием аэрозоля парафинового масла - до достижения значения массы аэрозоля, прошедшего через фильтр, в соответствии со стандартом на СИЗОД.
Время испытания противоаэрозольных фильтров с использованием аэрозоля хлорида натрия - до достижения значения массы аэрозоля, прошедшего через фильтр, в соответствии со стандартом на СИЗОД, за следующими исключениями:
a) значения проницаемости фильтрующих СИЗОД одноразового применения продолжают уменьшаться в течение 5 мин или пяти интервалов измерений, в зависимости от того, что длительнее;
b) значения проницаемости фильтрующих СИЗОД многоразового применения продолжают уменьшаться в течение 5 мин или пяти интервалов измерений, в зависимости от того, что длительнее, и максимальное значение проницаемости меньше, чем значение, полученное для аэрозоля парафинового масла.
При выполнении данных условий испытание допускается прекратить досрочно.
За результат принимают максимальное значение проницаемости за время экспозиции.
5.5 Испытание на хранение
Испытание на хранение фильтрующих СИЗОД многоразового применения проводят сразу после завершения испытания с экспозицией.
Фильтрующее СИЗОД извлекают из испытательной камеры и выдерживают его в течение (24 +/- 1) ч при условиях окружающей среды в соответствии с
5.2, при этом следует убедиться, что образцы СИЗОД не соприкасаются друг с другом в ходе хранения.
Фильтрующее СИЗОД не следует извлекать из используемого адаптера, если это может привести к повреждению СИЗОД.
Проводят испытание на проницаемость в соответствии с
5.3 сразу после окончания хранения.
6 Метод испытания с использованием аэрозоля хлорида натрия
Аэрозоль частиц хлорида натрия генерируют путем распыления водного раствора хлорида натрия и последующего испарения воды. Концентрацию аэрозоля измеряют до и после испытуемого СИЗОД с применением метода пламенной фотометрии. Определение проницаемости должно быть обеспечено в диапазоне значений от 0,001% до 100%.
6.2 Испытательное оборудование
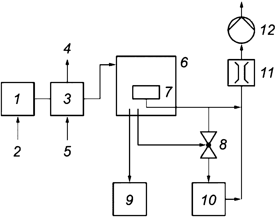
Схема оборудования приведена на
рисунке 1. Испытательное оборудование состоит из четырех модулей:
1) генератор аэрозоля хлорида натрия;
2) модуль контроля расхода воздушного потока;
3) испытательная камера;
4) пламенный фотометр для измерения концентрации аэрозоля.
1 - генератор аэрозоля хлорида натрия; 2 - подача сжатого
воздуха; 3 - модуль контроля расхода воздушного потока;
4 - сброс воздуха (если при испытаниях требуется меньший
поток аэрозоля, чем на выходе генератора);
5 - дополнительная подача воздуха (если при испытаниях
требуется больший поток аэрозоля, чем на выходе генератора);
6 - испытательная камера; 7 - испытуемый образец;
8 - двухканальный пробоотборный клапан; 9 - второй пламенный
фотометр (необязательный); 10 - пламенный фотометр;
11 - расходомер; 12 - насос
Рисунок 1 - Пример схемы оборудования для испытаний
с использованием аэрозоля хлорида натрия
Генерируемый для испытания аэрозоль является полидисперсным и должен обладать следующими характеристиками:
- медиана распределения частиц по размерам находится в диапазоне диаметров от 0,06 до 0,10 мкм с геометрическим стандартным отклонением от 2,0 до 3,0;
- концентрация аэрозоля в диапазоне от 4 до 12 мг/м3;
- изменение концентрации в течение 5 мин не превышает +/- 3%, а также не превышает +/- 10% за время испытания с экспозицией;
- относительная влажность не превышает 40% при температуре (22 +/- 3) °C.
Массовую концентрацию аэрозоля, распределение частиц по размерам и относительную влажность следует измерять непосредственно в испытательной камере.
Рекомендуется использовать метод анализа дифференциальной электрической подвижности для определения распределения частиц по размерам. Дополнительная информация об измерениях методом анализа дифференциальной электрической подвижности приведена в ISO 15900.
Для поддержания правильной концентрации аэрозоля следует полностью заменять раствор хлорида натрия, а не пополнять его.
Содержание аэрозоля хлорида натрия определяют до и после испытуемого фильтрующего СИЗОД методом пламенной фотометрии. Частицы хлорида натрия в воздухе, проходящем через горелку фотометра, испаряются, приводя к характерной эмиссии натрия с длиной волны 589 нм. Интенсивность эмиссии пропорциональна концентрации натрия в воздушном потоке.
Для проведения испытаний допускается применять любой подходящий фотометр, обеспечивающий требуемую чувствительность.
6.3 Методика проведения испытания
В испытательную камеру с закрепленным в ней испытуемым фильтром подают аэрозоль. Аэрозоль с заданным расходом воздушного потока проходит через фильтр, и каждый раз для определения проницаемости при помощи фотометра измеряют концентрацию аэрозоля непосредственно до и после фильтра.
Если требуемый при испытаниях поток аэрозоля меньше, чем поток, обеспечиваемый генератором, должен быть предусмотрен сброс для уменьшения расхода воздушного потока через фильтр до требуемого значения.
Если требуемый при испытаниях поток аэрозоля больше, чем поток, обеспечиваемый генератором, на выход генератора аэрозоля подают дополнительный поток чистого воздуха с относительной влажностью, не превышающей 40%, для получения требуемого расхода воздушного потока через фильтр. Поток воздуха следует подавать до входа в испытательную камеру для обеспечения равномерного распределения концентрации аэрозоля в камере. При этом концентрация аэрозоля перед фильтром уменьшится, что следует учитывать при расчете проницаемости фильтра по
6.4 [см.
формулу (1)].
Проницаемость P, %, вычисляют по формуле

, (1)
где C1 - концентрация аэрозоля до фильтра;
C2 - концентрация аэрозоля после фильтра;
C0 - фоновые показания пламенного фотометра при подаче чистого воздуха.
7 Метод испытания с использованием аэрозоля парафинового масла
Аэрозоль, состоящий из капель парафинового масла, получают путем распыления парафинового масла (легкий жидкий парафин). Концентрацию аэрозоля измеряют до и после испытуемого СИЗОД оптическим фотометром, работающим по принципу рассеянного света. Определение проницаемости должно быть обеспечено в диапазоне значений от 0,001% до 100%.
7.2 Испытательное оборудование
Схема оборудования приведена на
рисунке 2. Испытательное оборудование состоит из четырех модулей:
1) генератор аэрозоля парафинового масла;
2) модуль контроля расхода воздушного потока;
3) испытательная камера;
4) оптический фотометр, работающий по принципу рассеянного света.
1 - генератор аэрозоля парафинового масла; 2 - подача
сжатого воздуха; 3 - модуль контроля расхода воздушного
потока; 4 - сброс воздуха (если при испытаниях требуется
меньший поток аэрозоля, чем на выходе генератора);
5 - дополнительная подача воздуха (если при испытаниях
требуется больший поток аэрозоля, чем на выходе генератора);
6 - испытательная камера; 7 - испытуемый образец;
8 - двухканальный пробоотборный клапан; 9 - второй
оптический фотометр (необязательный); 10 - оптический
фотометр, работающий по принципу рассеянного света;
11 - расходомер; 12 - насос
Рисунок 2 - Пример схемы оборудования для испытаний
с использованием аэрозоля парафинового масла
Парафиновое масло должно обладать следующими свойствами при температуре 20 °C:
- регистрационный номер CAS: 8012-95-1;
- плотность: от 0,818 до 0,875 г/см3;
- динамическая вязкость: от 0,025 до 0,080 Па·с [кинематическая вязкость: менее 35 мм2/с (при 40 °C: от 13,5 до 16,5 мм2/с)].
Лаборатории должны учитывать следующее:
- парафиновое масло в генераторе аэрозоля заменяют свежим каждые 3 мес независимо от использования или чаще при постоянном воздействии нагрева и сжатого воздуха;
- если принцип работы генератора требует нагрева масла, не рекомендуется нагревать масло выше 60 °C.
Генерируемый для испытания аэрозоль является полидисперсным и должен обладать следующими характеристиками:
- медиана распределения частиц по размерам находится в диапазоне диаметров от 0,29 до 0,45 мкм с геометрическим стандартным отклонением от 1,6 до 2,2;
- концентрация аэрозоля в диапазоне от 15 до 25 мг/м3;
- изменение концентрации в течение 5 мин не превышает +/- 3%, а также не превышает +/- 10% за время испытания с экспозицией.
Массовую концентрацию аэрозоля и распределение частиц по размерам следует измерять непосредственно в испытательной камере.
Рекомендуется использовать метод анализа дифференциальной электрической подвижности для определения распределения частиц по размерам. Дополнительная информация об измерениях методом анализа дифференциальной электрической подвижности приведена в ISO 15900.
7.3 Методика проведения испытания
В испытательную камеру с закрепленным в ней испытуемым фильтром подают аэрозоль.
Если требуемый при испытаниях поток аэрозоля меньше, чем поток, обеспечиваемый генератором, аэрозоль пропускается через фильтр с заданным расходом воздушного потока при помощи подходящего насоса. Для определения проницаемости фильтра каждый раз при помощи оптического фотометра измеряют концентрацию аэрозоля непосредственно до и после испытуемого образца.
Если требуемый при испытаниях поток аэрозоля больше, чем поток, обеспечиваемый генератором, дополнительный поток чистого воздуха следует подавать перед входом в испытательную камеру для получения требуемого расхода воздушного потока. Поток воздуха следует подавать до входа в испытательную камеру для обеспечения равномерного распределения концентрации аэрозоля в камере. Следует убедиться, что добавление дополнительного воздуха не приводит к значительному изменению распределения частиц аэрозоля по размерам.
Данные действия также приведут к снижению концентрации аэрозоля перед фильтром, что следует учитывать при расчете проницаемости фильтра по
7.4 [см.
формулу (2)].
Проницаемость P, %, вычисляют по формуле

, (2)
где I1 - показания фотометра до фильтра;
I2 - показания фотометра после фильтра;
I0 - нулевые показания фотометра при подаче чистого воздуха.
(справочное)
СВЕДЕНИЯ О СООТВЕТСТВИИ ССЫЛОЧНЫХ ЕВРОПЕЙСКИХ СТАНДАРТОВ
МЕЖГОСУДАРСТВЕННЫМ СТАНДАРТАМ
Таблица ДА.1
Обозначение ссылочного европейского стандарта | Степень соответствия | Обозначение и наименование соответствующего межгосударственного стандарта |
EN 132 | - | <*> |
<*> Соответствующий межгосударственный стандарт отсутствует. До его принятия рекомендуется использовать перевод на русский язык данного европейского стандарта. |
| JCGM 1001 <1>, Evaluation of measurement data - Guide to the expression of uncertainty in measurement (Оценивание данных измерений. Руководство по выражению неопределенности измерения) |
[2] | ISO 15900, Determination of particle size distribution - Differential electrical mobility analysis for aerosol particles (Определение гранулометрического состава. Анализ дифференциальной подвижности частиц аэрозолей в электрическом поле) |
--------------------------------
<1> Доступно на сайте http://www.bipm.org/en/publications/guides/gum.html.
УДК 614.894.3:006.354 | | IDT |
Ключевые слова: средства индивидуальной защиты органов дыхания, противоаэрозольные фильтры, методы испытаний, проницаемость |