Главная // Актуальные документы // ГОСТ (Государственный стандарт)СПРАВКА
Источник публикации
М.: ФГБУ "Институт стандартизации", 2023
Примечание к документу
Текст данного документа приведен с учетом
поправки, опубликованной в "ИУС", N 7, 2024.
Документ
введен в действие с 01.12.2023.
Название документа
"ГОСТ 34983-2023 (ISO 1609:2020). Межгосударственный стандарт. Вакуумная технология. Размеры фланцев без ножевидной кромки"
(введен в действие Приказом Росстандарта от 05.10.2023 N 1048-ст)
"ГОСТ 34983-2023 (ISO 1609:2020). Межгосударственный стандарт. Вакуумная технология. Размеры фланцев без ножевидной кромки"
(введен в действие Приказом Росстандарта от 05.10.2023 N 1048-ст)
агентства по техническому
регулированию и метрологии
от 5 октября 2023 г. N 1048-ст
МЕЖГОСУДАРСТВЕННЫЙ СТАНДАРТ
ВАКУУМНАЯ ТЕХНОЛОГИЯ
РАЗМЕРЫ ФЛАНЦЕВ БЕЗ НОЖЕВИДНОЙ КРОМКИ
Vacuum technology. Dimensions of non-knife edge flanges
(ISO 1609:2020, MOD)
ГОСТ 34983-2023
(ISO 1609:2020)
Дата введения
1 декабря 2023 года
Цели, основные принципы и общие правила проведения работ по межгосударственной стандартизации установлены
ГОСТ 1.0 "Межгосударственная система стандартизации. Основные положения" и
ГОСТ 1.2 "Межгосударственная система стандартизации. Стандарты межгосударственные, правила и рекомендации по межгосударственной стандартизации. Правила разработки, принятия, обновления и отмены"
1 ПОДГОТОВЛЕН Акционерным обществом "Вакууммаш" (АО "Вакууммаш") и Федеральным государственным бюджетным учреждением "Российский институт стандартизации" (ФГБУ "Институт стандартизации") на основе официального перевода на русский язык англоязычной версии указанного в
пункте 5 стандарта, который выполнен АО "Вакууммаш"
2 ВНЕСЕН Межгосударственным техническим комитетом по стандартизации МТК 249 "Вакуумная техника"
3 ПРИНЯТ Межгосударственным советом по стандартизации, метрологии и сертификации (протокол от 28 июля 2023 г. N 163-П)
За принятие проголосовали:
Краткое наименование страны по МК (ИСО 3166) 004-97 | Код страны по МК (ИСО 3166) 004-97 | Сокращенное наименование национального органа по стандартизации |
Армения | AM | ЗАО "Национальный орган по стандартизации и метрологии" Республики Армения |
Беларусь | BY | Госстандарт Республики Беларусь |
Киргизия | KG | Кыргызстандарт |
Россия | RU | Росстандарт |
Таджикистан | TJ | Таджикстандарт |
Узбекистан | UZ | Узстандарт |
4
Приказом Федерального агентства по техническому регулированию и метрологии от 5 октября 2023 г. N 1048-ст межгосударственный стандарт ГОСТ 34983-2023 (ISO 1609:2020) введен в действие в качестве национального стандарта Российской Федерации с 1 декабря 2023 г.
5 Настоящий стандарт является модифицированным по отношению к международному стандарту ISO 1609:2020 "Вакуумная технология. Размеры фланцев без ножевидной кромки" ("Vacuum technology - Dimensions of non-knife edge flanges", MOD) путем включения дополнительных положений, которые выделены в тексте курсивом
6 ВВЕДЕН ВПЕРВЫЕ
7 Настоящий стандарт подготовлен на основе применения
ГОСТ Р 52856-2007 <1>
--------------------------------
<1>
Приказом Федерального агентства по техническому регулированию и метрологии от 5 октября 2023 г. N 1048-ст
ГОСТ Р 52856-2007 отменен с 1 декабря 2023 г.
Информация о введении в действие (прекращении действия) настоящего стандарта и изменений к нему на территории указанных выше государств публикуется в указателях национальных стандартов, издаваемых в этих государствах, а также в сети Интернет на сайтах соответствующих национальных органов по стандартизации.
В случае пересмотра, изменения или отмены настоящего стандарта соответствующая информация будет опубликована на официальном интернет-сайте Межгосударственного совета по стандартизации, метрологии и сертификации в каталоге "Межгосударственные стандарты"
Настоящий стандарт устанавливает размеры фланцев без ножевидной
кромки (см. рисунок 1) и опорных фланцев
(см. рисунки 2, 3), используемых в вакуумной технологии.
Настоящий стандарт распространяется на неподвижные, опорные и вращающиеся фланцы, а также на установочные и центрирующие кольца, обеспечивающие герметичность вакуумных соединений.
Размеры обеспечивают взаимозаменяемость между поворотными фланцами и неподвижными фланцами, опорными и вращающимися фланцами:
a) независимо от того, является соединение однотипным (например, фланцы, соединяемые болтами или струбцинами) или неоднотипными (например, фланцы, соединяемые болтами, присоединяются к фланцам, соединяемым струбцинами при помощи болтов или струбцин либо при помощи болтов и вращающихся фланцев);
b) при применении эластомерных или металлических уплотнителей при условии их совместимости с линейными напряжениями, приведенными в
приложении A.
В настоящем стандарте использованы нормативные ссылки на следующие межгосударственные стандарты:
ГОСТ 8032 Предпочтительные числа и ряды предпочтительных чисел
ГОСТ 9389 Проволока стальная углеродистая пружинная. Технические условия
ГОСТ 18143 Проволока из высоколегированной коррозионностойкой и жаростойкой стали. Технические условия
ГОСТ 34984 (ISO 3669:2020) Вакуумная технология. Размеры фланцев с ножевидной кромкой
Примечание - При пользовании настоящим стандартом целесообразно проверить действие ссылочных стандартов и классификаторов на официальном интернет-сайте Межгосударственного совета по стандартизации, метрологии и сертификации (www.easc.by) или по указателям национальных стандартов, издаваемым в государствах, указанных в предисловии, или на официальных сайтах соответствующих национальных органов по стандартизации. Если на документ дана недатированная ссылка, то следует использовать документ, действующий на текущий момент, с учетом всех внесенных в него изменений. Если заменен ссылочный документ, на который дана датированная ссылка, то следует использовать указанную версию этого документа. Если после принятия настоящего стандарта в ссылочный документ, на который дана ссылка, внесено изменение, затрагивающее положение, на которое дана ссылка, то это положение применяется без учета данного изменения. Если ссылочный документ отменен без замены, то положение, в котором дана ссылка на него, применяется в части, не затрагивающей эту ссылку.
В настоящем стандарте применены термины по
ГОСТ 34984, а также следующие термины с соответствующими определениями:
3.1
номинальный диаметр (nominal bore): Параметр, предназначенный как для идентификации фланца, так и для определения наибольшего размера трубы, на которую устанавливается фланец.
Примечания
1 В
таблицах 1 - 3 приведены ряды номинальных диаметров фланцев, предназначенных для идентификации фланцев.
2 Диаметры соответствуют рядам предпочтительных чисел R10 по
ГОСТ 8032, из которых исключено только значение 12,5.
3 Ниже приведены номинальные диаметры, относящиеся к серии предпочтительных чисел ряда R5 по
ГОСТ 8032: 10, 16, 25, 40, 63, 100, 160, 250, 400, 630 и 1000. Они соответствуют диаметрам, которые должны позволить в долгосрочной перспективе использовать сокращенный ряд номинальных диаметров.
4 Номинальные диаметры 63 и 160, приведенные в
таблице 1,
2 и
3, соответствуют диаметрам 70 мм (или 65 мм) и 153 мм, используемым на практике.
3.2 диаметр отверстий под болты d (diameter of bolt holes d): Значение диаметра отверстий под болты.
Примечание - Диаметр
d является производным от диаметра болтов
d1 в соответствии с
[1].
3.3 диаметр болтов d1 (bolt diameter d1): Диаметр болтов.
Примечание - Диаметр болта при заданном номинальном диаметре болта d1 должен быть одинаковым как для фланцев, соединяемых болтами, так и для вращающихся фланцев.
3.4 уплотнительная поверхность B (mating face B): Поверхность в форме кольца, качество поверхности и плоскостность которой обеспечивают герметичность соединения.
Примечания
1 Уплотнительная поверхность ограничивается диаметрами
D2 и
D3 по
таблице 1,
D и
D2 по
таблице 2.
2 Уплотнительная поверхность фланца должна быть плоской и не иметь выступов. Поверхность должна обеспечивать надежное уплотнение соединения.
3.5 фланец (flange): Переходное устройство, предназначенное для соединения и разъединения компонентов вакуумных установок.
3.6 ножевидная кромка (knife-edge): Острый (режущий) выступ фланца, который при соединении фланцев болтами вдавливается в прокладку.
3.7 ширина буртика G (collar width G): Значение ширины буртика, на который крепится струбцина.
Примечание - Ширина буртика зависит от конструкции применяемых струбцин и должна быть не более 2,5 мм (см.
рисунок 2).
3.8 наружный диаметр D (outside diameter D): Значение наружного диаметра фланцев, соединяемых болтами, а также вращающихся фланцев.
Примечание - Размеры, приведенные для наружного диаметра, соответствуют требованию
[2], согласно которому шайбы для болтов не должны выступать за пределы наружной окружности фланца.
3.9 количество отверстий под болты n (number of bolt holes n): Значение количества отверстий под болты.
Примечание - Количество отверстий под болты должно соответствовать значениям линейных напряжений, приведенных в
приложении A, для данного напряжения болта.
3.10
внутренний диаметр поверхности, соединяемой струбцинами (inner diameter for the contact area of clamps): Значение внутреннего диаметра поверхности, соединяемой струбцинами (см.
рисунок 2).
Примечание - Максимальный внутренний диаметр поверхности, предназначенный для соединения струбцинами, определяется диаметром D4.
4.1.1 Размеры фланцев
Размеры фланцев должны соответствовать размерам, приведенным в
таблицах 1 -
3 и на
рисунках 1 -
3. Размеры приведены для готовых изделий и не включают припуск на механическую обработку. Фланцы с номинальными диаметрами от 10 до 50 включительно приведены в
таблицах 1 -
3, за исключением быстроразъемных соединений, указанных в
[3]. Предпочтительные отверстия для фланцев приведены в
приложении B.
Примечания
1 Выбор материала должен соответствовать требованиям, предъявляемым к фланцам, используемым в вакуумной технологии, а также размерам, приведенным в
таблицах 1 -
3.
2 Для обеспечения взаимозаменяемости вакуумных элементов фланцы устанавливают таким образом, чтобы отверстия под болты были расположены на одинаковом расстоянии друг от друга и симметрично главной оси.
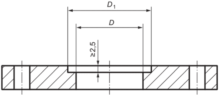
Основные и присоединительные размеры неподвижных фланцев приведены на рисунке 1 и в таблице 1.
Рисунок 1 - Неподвижный фланец (
фланец,
соединяемый болтами)
Таблица 1
Размеры неподвижных фланцев (
фланцев,
соединяемых болтами)
Размеры в миллиметрах
| D | D1 | | | D4 | D5 | d (H13) | x | h +0,2 | b (js16) | Болты | |
d1 | n |
10 | 55 | 40 | 12,2 | 30 | 10 | 22 | 6,6 | 0,6 | 2,5 | 8 | 6 | 4 | 90,00° |
16 | 60 | 45 | 17,2 | 35 | 16 | 32 | 6,6 | 0,6 | 8 |
20 | 65 | 50 | 22,2 | 40 | 21 | 37 | 6,6 | 0,6 | 8 |
25 | 70 | 55 | 26,2 | 45 | 24 | 42 | 6,6 | 0,6 | 8 |
32 | 90 | 70 | 34,2 | 55 | 34 | 53 | 9 | 1 | 8 | 8 |
40 | 100 | 80 | 41,2 | 65 | 41 | 58 | 9 | 1 | 12 |
50 | 110 | 90 | 52,2 | 75 | 51 | 70 | 9 | 1 | 12 |
63 | 130 | 110 | 70 | 95 | 70 | 88 | 9 | 1 | 4,5 | 12 |
80 | 145 | 125 | 83 | 110 | 83 | 103 | 9 | 1 | 12 | 8 | 8 | 45,00° |
100 | 165 | 145 | 102 | 130 | 102 | 126 | 9 | 1 | 12 | 8 |
125 | 200 | 175 | 127 | 155 | 127 | 149 | 11 | 1 | 16 | 10 | 8 |
160 | 225 | 200 | 153 | 180 | 153 | 176 | 11 | 1 | 16 | 10 | 8 |
200 | 285 | 260 | 213 | 240 | 213 | 232 | 11 | 1 | 16 | 10 | 12 | 30,00° |
250 | 335 | 310 | 261 | 290 | 261 | 286 | 11 | 1 | 16 | 10 | 12 |
320 | 425 | 395 | 318 | 370 | 318 | 365 | 14 | 2 | 20 | 12 | 12 |
400 | 510 | 480 | 400 | 450 | 400 | 450 | 14 | 2 | 20 | 12 | 16 | 22,50° |
500 | 610 | 580 | 501 | 550 | 501 | 550 | 14 | 2 | 20 | 12 | 16 |
630 | 750 | 720 | 651 | 690 | 651 | 690 | 14 | 2 | 24 | 12 | 20 | 18,00° |
800 | 920 | 890 | 800 | 860 | 800 | 860 | 14 | 2 | 24 | 12 | 24 | 15,00° |
900 | 1020 | 965 | 900 | 928 | 900 | 937 | 16 | 0,3 | 24 | 16 | 12 | 30,00° |
1000 | 1120 | 1090 | 1000 | 1060 | 1000 | 1060 | 14 | 2 | 24 | 12 | 32 | 11,25° |
1200 | 1330 | 1290 | 1200 | 1260 | 1200 | 1253 | 20 | 0,3 | - | 27 | 20 | 24 | 15,00° |
<*> См. 3.1. Для номинальных диаметров свыше 1200 рекомендованы следующие значения: 1600, 2000 и 2500. <**> Диаметры D2 и D3 ограничивают уплотнительную поверхность фланца. Примечания 1 Диаметр D2 на глубине h предназначен для установки центрирующего кольца. 2 Диаметры D и D5 ограничивают поверхность расположения головок болтов, гаек и шайб. 3 Диаметр D4 является рекомендуемым размером, приблизительно соответствующим предпочтительному диаметру резьбы. |
4.3 Опорные фланцы, соединяемые струбцинами, или вращающиеся фланцы
Основные и присоединительные размеры опорных фланцев, соединяемых струбцинами, или вращающихся фланцев приведены на рисунке 2 и в таблице 2.
Рисунок 2 - Опорный фланец, соединяемый струбцинами,
или вращающийся фланец
Таблица 2
Размеры опорных фланцев, соединяемых струбцинами,
или вращающихся фланцев
Размеры в миллиметрах
| | D1 (h11) | | D3 | | b (js16) | h + 0,2 | h1 (H14) | r (B10) |
10 | 30 | 28 | 12,2 | 10 | 15 | 6,0 | 2,5 | 3,0 | 1,0 |
16 | 35 | 33 | 17,2 | 16 | 20 |
20 | 40 | 38 | 22,2 | 21 | 25 |
25 | 45 | 43 | 26,2 | 24 | 30 |
32 | 55 | 53 | 34,2 | 34 | 40 |
40 | 65 | 62 | 41,2 | 41 | 50 | 10,0 | | 5,0 | 1,5 |
50 | 75 | 72 | 52,2 | 51 | 60 |
63 | 95 | 92 | 70 | 70 | 80 | 4,5 |
80 | 110 | 107 | 83 | 83 | 95 |
100 | 130 | 127 | 102 | 102 | 115 |
125 | 155 | 150 | 127 | 127 | 140 | 2,5 |
160 | 180 | 175 | 153 | 153 | 165 |
200 | 240 | 235 | 213 | 213 | 225 |
250 | 290 | 285 | 261 | 261 | 275 |
320 | 370 | 365 | 318 | 318 | 355 | 15,0 | 7,5 |
400 | 450 | 442 | 400 | 400 | 435 | 4,0 |
500 | 550 | 542 | 501 | 501 | 535 |
630 | 690 | 680 | 651 | 651 | 660 | 20,0 | 10,0 | 5,0 |
<*> См. 3.1. Для номинальных диаметров свыше 1000 рекомендованы следующие значения: 1250, 1600, 2000 и 2500. <**> Диаметры D и D2 ограничивают уплотнительную поверхность. <***> Диаметр D4 ограничивает поверхность прилегания для струбцин и определяет максимальный диаметр сварного шва присоединяемой трубы. Примечания 1 Диаметр D2 на глубине h предназначен для установки центрирующего кольца. 2 Диаметр D3 является рекомендуемым размером, приблизительно соответствующим предпочтительному внутреннему диаметру трубы. |
4.4 Вращающиеся фланцы с установочным кольцом
4.4.1 Основные и присоединительные размеры вращающихся фланцев с установочным кольцом приведены на рисунке 3 и в таблице 3.
Рисунок 3 - Вращающийся фланец с установочным кольцом
Таблица 3
Размеры вращающихся фланцев с установочным кольцом
Размеры в миллиметрах
| D | D1 | D2 (H11) | D3 (Y14) | d (H13) | x | Болты | b (js16) | | r (B10) |
d1 | n |
10 | 55 | 40 | 30,1 | 32,1 | 6,6 | 0,6 | 6 | 4 | 8 | 3 | 1 |
16 | 60 | 45 | 35,1 | 37,1 | 6,6 | 0,6 | 6 | 4 | 8 | 3 | 1 |
20 | 65 | 50 | 40,1 | 42,1 | 6,6 | 0,6 | 6 | 4 | 8 | 3 | 1 |
25 | 70 | 55 | 45,1 | 47,1 | 6,6 | 0,6 | 6 | 4 | 8 | 3 | 1 |
32 | 90 | 70 | 55,5 | 57,5 | 9 | 1 | 8 | 4 | 8 | 3 | 1 |
40 | 100 | 80 | 65,5 | 68,5 | 9 | 1 | 8 | 4 | 12 | 5,5 | 1,5 |
50 | 110 | 90 | 75,5 | 78,5 | 9 | 1 | 8 | 4 | 12 | 5,5 | 1,5 |
63 | 130 | 110 | 95,5 | 98,5 | 9 | 1 | 8 | 4 | 12 | 5,5 | 1,5 |
80 | 145 | 125 | 110,5 | 113,5 | 9 | 1 | 8 | 8 | 12 | 5,5 | 1,5 |
100 | 165 | 145 | 130,5 | 133,5 | 9 | 1 | 8 | 8 | 12 | 5,5 | 1,5 |
125 | 200 | 175 | 155,7 | 160,7 | 11 | 1 | 10 | 8 | 16 | 6,5 | 2,5 |
160 | 225 | 200 | 180,7 | 185,7 | 11 | 1 | 10 | 8 | 16 | 6,5 | 2,5 |
200 | 285 | 260 | 240,7 | 245,7 | 11 | 1 | 10 | 12 | 16 | 6,5 | 2,5 |
250 | 335 | 310 | 290,7 | 295,7 | 11 | 1 | 10 | 12 | 16 | 6,5 | 2,5 |
320 | 425 | 395 | 370,8 | 375,8 | 14 | 2 | 12 | 12 | 20 | 8,5 | 2,5 |
400 | 510 | 480 | 450,8 | 458,8 | 14 | 2 | 12 | 16 | 20 | 10 | 4 |
500 | 610 | 580 | 550,8 | 558,8 | 14 | 2 | 12 | 16 | 20 | 10 | 4 |
630 | 750 | 720 | 691 | 701 | 14 | 2 | 12 | 20 | 24 | 12 | 5 |
<*> См. 3.1. Для номинальных диаметров свыше 1000 рекомендованы следующие значения: 1250, 1600, 2000 и 2500. <**> Поверхность вращающегося фланца не должна выступать за поверхность установочного кольца. |
4.4.2 Установочное кольцо
Размеры установочного кольца должны соответствовать приведенным в таблице 4 и рисунку 4, необходимо принимать во внимание температуру эксплуатации соединения, уплотняющую способность, коррозионную стойкость, магнитную проницаемость и размеры.
Рисунок 4 - Уплотнительное кольцо
Таблица 4
Размеры установочных колец
Размеры в миллиметрах
| | D |
10 | 2 | 32,1 |
16 | 2 | 37,1 |
20 | 2 | 42,1 |
25 | 2 | 47,1 |
32 | 2 | 57,5 |
40 | 3 | 68,5 |
50 | 3 | 78,5 |
63 | 3 | 98,5 |
80 | 3 | 113,5 |
100 | 3 | 133,5 |
125 | 5 | 160,7 |
160 | 5 | 185,7 |
200 | 5 | 245,7 |
250 | 5 | 295,7 |
320 | 5 | 375,8 |
400 | 8 | 458,8 |
500 | 8 | 558,8 |
630 | 10 | 701 |
<*> См. 3.1. Для номинальных диаметров свыше 1000 рекомендованы следующие значения: 1250, 1600, 2000 и 2500.<**> Проволока, используемая для изготовления установочных колец, должна быть изготовлена из материала по ГОСТ 9389 и ГОСТ 18143. |
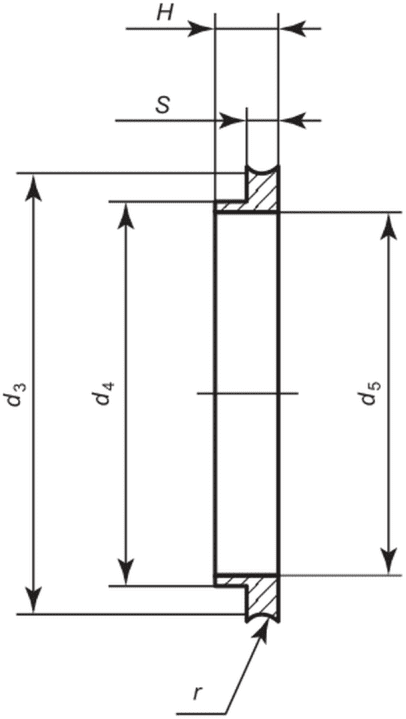
Основные размеры центрирующих колец приведены на рисунках 5, 6 и в таблице 5. При выборе центрирующих колец следует учитывать требования к соединениям. Необходимо принимать во внимание температуру эксплуатации соединения, уплотняющую способность, коррозионную стойкость, магнитную проницаемость, тип установочного кольца и размеры.
Примечание - Обычно используют аустенитную нержавеющую сталь, но целью настоящего стандарта не является определение или ограничение выбора материала центрирующих колец только из аустенитной нержавеющей стали.
Рисунок 5 - Центрирующее кольцо
Рисунок 6 - Центрирующее кольцо
для номинального диаметра 900 мм
Таблица 5
Размеры центрирующих колец
Размеры в миллиметрах
Номинальный диаметр | d5 (H12) | d4 (h12) | d3 | H (h14) | S (h14) | r (js14) | Рисунок |
10 | 10 | 12 | 15,3 | 8 | 3,3 | 2,5 | |
16 | 16 | 17 | 18,5 |
20 | 20 | 22 | 24,5 |
25 | 25 | 26 | 28,5 |
32 | 32 | 34 | 37,0 |
40 | 40 | 41 | 43,0 |
50 | 50 | 52 | 65,0 |
63 | 68 | 70 | 78,0 |
80 | 81 | 83 | 90,0 |
100 | 100 | 102 | 110,0 |
125 | 125 | 127 | 135,0 |
160 | 150 | 153 | 165,0 |
200 | 210 | 213 | 225,0 |
250 | 257 | 261 | 273,0 |
320 | 312 | 318 | 330,0 | 12 | 5,8 | 4,0 | |
400 | 394 | 400 | 412,0 |
500 | 494 | 501 | 515,0 |
630 | 644 | 651 | 665,0 |
800 | 793 | 800 | 820,0 |
900 | 896 | 900 | 912,2 | 10 | 5,7 | 4,0 | |
1000 | 993 | 1000 | 1020,0 | 12 | 5,8 | 4,0 | |
(рекомендуемое)
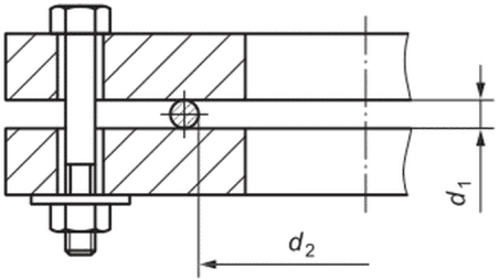
ЛИНЕЙНЫЕ НАПРЯЖЕНИЯ ЗАТЯГИВАНИЯ
Значения, приведенные в
таблице A.1, рассчитаны для фланца, соединяемого болтами при нижеприведенных условиях применения, по формуле

(A.1)
где

- линейное напряжение, Н/мм
2, воздействующее на единицу длины эластомерного уплотнительного кольца при равномерном затягивании
n болтов, создающих напряжение 200 Н/мм
2;
(
d1 +
d2)
- средний диаметр уплотнительного кольца до сжатия, мм (см. рисунок A.1);
s - площадь поперечного сечения стержня болта, мм2;
d1 - диаметр поперечного сечения уплотнительного кольца до сжатия, мм;
d2 - внутренний диаметр уплотнительного кольца, мм.
Рисунок A.1 - Фланцы, соединенные болтами
с уплотнительным кольцом
Таблица A.1
Линейные напряжения затягивания
Номинальный диаметр, мм |  , Н/мм | Номинальный диаметр, мм |  , Н/мм |
10 | 185 | 125 | 184 |
16 | 154 | 160 | 157 |
20 | 132 | 200 | 174 |
25 | 116 | 250 | 143 |
32 | 177 | 320 | 162 |
40 | 146 | 400 | 179 |
50 | 124 | 500 | 146 |
63 | 96 | 630 | 150 |
80 | 164 | 800 | 144 |
100 | 138 | 1000 | 156 |
(рекомендуемое)
ПРЕДПОЧТИТЕЛЬНЫЕ ОТВЕРСТИЯ ДЛЯ ФЛАНЦЕВ
Рисунок B.1 - Отверстия для вакуумных фланцев
Таблица B.1
Отверстия для вакуумных фланцев
Номинальный диаметр, мм | | Номинальный диаметр, мм | |
10 | 10 | 125 | 127 |
16 | 16 | 160 | 153 |
20 | 21 | 200 | 213 |
25 | 24 | 250 | 261 |
32 | 34 | 320 | 318 |
40 | 41 | 400 | 400 |
50 | 51 | 500 | 501 |
63 | 70 | 630 | 651 |
80 | 83 | 800 | 800 |
100 | 102 | 1000 | 1000 |
<*> Размер D приведен в качестве справочного и зависит от размеров трубы и способа соединения. |
Рисунок B.2 - Отверстия для вакуумных фланцев с углублением
Таблица B.2
Номинальный диаметр, мм | D1+0,2, мм | Номинальный диаметр, мм | D1+0,2, мм |
10 | 12,2 | 32 | 34,2 |
16 | 17,2 | 40 | 41,2 |
20 | 22,2 | 50 | 52,2 |
25 | 26,2 |
Примечание - Углубление позволяет использовать центрирующие кольца. |
| ISO 273 | Fasteners - Clearance holes for bolts and screws (Изделия крепежные. Отверстия с зазором для болтов и винтов) |
| ISO 887 | Plain washers for metric bolts, screws and nuts for general purposes - General plan (Шайбы плоские для болтов, винтов и гаек с метрической резьбой общего назначения. Общий вид) |
| ISO 2861 | Vacuum technology - Dimensions of clamped-type quick-release couplings (Вакуумная технология. Размеры быстроразъемных соединений зажимного типа) |
УДК 621:006.354 | MOD | |
Ключевые слова: фланцы, размеры, ножевидная кромка, буртик, болты, условный проход, диаметр, зажимы, установочное кольцо, центрирующее кольцо |