Главная // Актуальные документы // ГОСТ (Государственный стандарт)СПРАВКА
Источник публикации
М.: ФГБУ "Институт стандартизации", 2023
Примечание к документу
Текст данного документа приведен с учетом
поправки, опубликованной в "ИУС", N 2, 2024.
Документ
введен в действие с 01.12.2023.
Название документа
"ГОСТ 32974.3-2023 (ISO 21360-3:2019). Межгосударственный стандарт. Вакуумная технология. Стандартные методы измерения характеристик вакуумных насосов. Часть 3. Технические характеристики механических бустерных вакуумных насосов"
(введен в действие Приказом Росстандарта от 15.09.2023 N 868-ст)
"ГОСТ 32974.3-2023 (ISO 21360-3:2019). Межгосударственный стандарт. Вакуумная технология. Стандартные методы измерения характеристик вакуумных насосов. Часть 3. Технические характеристики механических бустерных вакуумных насосов"
(введен в действие Приказом Росстандарта от 15.09.2023 N 868-ст)
Приказом Федерального
агентства по техническому
регулированию и метрологии
от 15 сентября 2023 г. N 868-ст
МЕЖГОСУДАРСТВЕННЫЙ СТАНДАРТ
ВАКУУМНАЯ ТЕХНОЛОГИЯ
СТАНДАРТНЫЕ МЕТОДЫ ИЗМЕРЕНИЯ ХАРАКТЕРИСТИК ВАКУУМНЫХ НАСОСОВ
ЧАСТЬ 3
ТЕХНИЧЕСКИЕ ХАРАКТЕРИСТИКИ
МЕХАНИЧЕСКИХ БУСТЕРНЫХ ВАКУУМНЫХ НАСОСОВ
Vacuum technology. Standard methods
for measuring vacuum pump performance. Part 3.
Specific parameters for mechanical booster vacuum pumps
(ISO 21360-3:2019, MOD)
ГОСТ 32974.3-2023
(ISO 21360-3:2019)
Дата введения
1 декабря 2023 года
Цели, основные принципы и общие правила проведения работ по межгосударственной стандартизации установлены
ГОСТ 1.0 "Межгосударственная система стандартизации. Основные положения" и
ГОСТ 1.2 "Межгосударственная система стандартизации. Стандарты межгосударственные, правила и рекомендации по межгосударственной стандартизации. Правила разработки, принятия, обновления и отмены"
1 ПОДГОТОВЛЕН Акционерным обществом "Вакууммаш" (АО "Вакууммаш") и Федеральным государственным бюджетным учреждением "Российский институт стандартизации" (ФГБУ "Институт стандартизации") на основе официального перевода на русский язык англоязычной версии указанного в
пункте 5 стандарта, который выполнен АО "Вакууммаш"
2 ВНЕСЕН Межгосударственным техническим комитетом по стандартизации МТК 249 "Вакуумная техника"
3 ПРИНЯТ Межгосударственным советом по стандартизации, метрологии и сертификации (протокол от 28 июля 2023 г. N 163-П)
За принятие проголосовали:
Краткое наименование страны по МК (ИСО 3166) 004-97 | Код страны по МК (ИСО 3166) 004-97 | Сокращенное наименование национального органа по стандартизации |
Армения | AM | ЗАО "Национальный орган по стандартизации и метрологии" Республики Армения |
Беларусь | BY | Госстандарт Республики Беларусь |
Киргизия | KG | Кыргызстандарт |
Россия | RU | Росстандарт |
Таджикистан | TJ | Таджикстандарт |
Узбекистан | UZ | Узстандарт |
4 Приказом Федерального агентства по техническому регулированию и метрологии от 15 сентября 2023 г. N 868-ст межгосударственный стандарт ГОСТ 32974.3-2023 (ISO 21360-3:2019) введен в действие в качестве национального стандарта Российской Федерации с 1 декабря 2023 г.
5 Настоящий стандарт является модифицированным по отношению к международному стандарту ISO 21360-3:2019 "Вакуумная технология. Стандартные методы измерения характеристик вакуумных насосов. Часть 3. Технические характеристики механических бустерных вакуумных насосов" ("Vacuum technology - Standard methods for measuring vacuum pump performance - Part 3: Specific parameters for mechanical booster vacuum pumps", MOD) путем изменения отдельных фраз (слов, значений показателей, ссылок), а также включения дополнительного раздела, которые выделены в тексте курсивом.
Сведения о соответствии ссылочных межгосударственных стандартов международным стандартам, использованным в качестве ссылочных в примененном международном стандарте, приведены в дополнительном
приложении ДА
6 ВВЕДЕН ВПЕРВЫЕ
Информация о введении в действие (прекращении действия) настоящего стандарта и изменений к нему на территории указанных выше государств публикуется в указателях национальных стандартов, издаваемых в этих государствах, а также в сети Интернет на сайтах соответствующих национальных органов по стандартизации.
В случае пересмотра, изменения или отмены настоящего стандарта соответствующая информация будет опубликована на официальном интернет-сайте Межгосударственного совета по стандартизации, метрологии и сертификации в каталоге "Межгосударственные стандарты"
Настоящий стандарт определяет стандартные методы измерения рабочих характеристик механических бустерных вакуумных насосов и дополняет положения
ГОСТ 32974.1, в котором приведены общие описания измерения рабочих характеристик вакуумных насосов. Настоящий стандарт имеет приоритет в случае возникновения противоречий с
ГОСТ 32974.1.
Целью настоящего стандарта является обеспечение того, чтобы измерения рабочих характеристик механических бустерных вакуумных насосов, насколько это возможно, выполнялись с использованием одинаковых методов и в одинаковых условиях. Результаты измерений, проведенных разными производителями или в различных лабораториях, и данные о характеристиках, приводимые в документации производителей, будут иметь сопоставимую основу для сравнения к взаимной выгоде как потребителя, так и производителя.
Настоящий стандарт устанавливает методы и требования для измерения максимально допустимого перепада давления, эффективной степени сжатия, степени сжатия при нулевой производительности и перепада давления в перепускном клапане механических бустерных вакуумных насосов.
Требования настоящего стандарта распространяются на механические бустерные вакуумные насосы, используемые для среднего или низкого вакуума, включая механические бустерные вакуумные насосы с газовым охлаждением и системы с несколькими механическими бустерными вакуумными насосами.
Настоящий стандарт рассматривает конкретные характеристики механических бустерных вакуумных насосов, которые отличаются от характеристик вакуумных насосов объемного действия. Технические характеристики производительности механических бустерных вакуумных насосов - это максимально допустимый перепад давления

, эффективная степень сжатия
Keff, степень сжатия при нулевой производительности
K0 и перепад давления перепускного клапана

.
В настоящем стандарте использованы нормативные ссылки на следующие межгосударственные стандарты:
ГОСТ 32974.1-2023 (ISO 21360-1:2020) Вакуумная технология. Стандартные методы измерения характеристик вакуумных насосов. Часть 1. Общие положения
ГОСТ 32974.2-2023 (ISO 21360-2:2020) Вакуумная технология. Стандартные методы измерения характеристик вакуумных насосов. Часть 2. Вакуумные насосы объемного действия
ГОСТ ISO/IEC 17025 Общие требования к компетентности испытательных и калибровочных лабораторий
Примечание - При пользовании настоящим стандартом целесообразно проверить действие ссылочных стандартов и классификаторов на официальном интернет-сайте Межгосударственного совета по стандартизации, метрологии и сертификации (www.easc.by) или по указателям национальных стандартов, издаваемым в государствах, указанных в предисловии, или на официальных сайтах соответствующих национальных органов по стандартизации. Если на документ дана недатированная ссылка, то следует использовать документ, действующий на текущий момент, с учетом всех внесенных в него изменений. Если заменен ссылочный документ, на который дана датированная ссылка, то следует использовать указанную версию этого документа. Если после принятия настоящего стандарта в ссылочный документ, на который дана ссылка, внесено изменение, затрагивающее положение, на которое дана ссылка, то это положение применяется без учета данного изменения. Если ссылочный документ отменен без замены, то положение, в котором дана ссылка на него, применяется в части, не затрагивающей эту ссылку.
В настоящем стандарте применены термины по
[1],
[2], а также следующие термины с соответствующими определениями:
3.1 механический бустерный вакуумный насос (mechanical booster vacuum pump): Механический вакуумный насос, устанавливаемый между форвакуумным и высоковакуумным насосами или рабочей камерой с целью увеличения производительности насосной системы при среднем или низком вакууме либо улучшения степени сжатия внутри откачной системы и уменьшения быстроты действия, необходимой для форвакуумного насоса.
Примечания
1 Несколько механических бустерных вакуумных насосов могут быть расположены друг над другом, т.е. каскадированы для повышения производительности.
2 В некоторых случаях для рециркуляции газа также используют механические бустерные вакуумные насосы.
3.2 максимально допустимый перепад давления 
(maximum tolerable pressure difference

): Максимальная разница давлений между выпускным давлением
p3 и впускным давлением
p1, которую может выдержать насос при условии непрерывной безаварийной работы и которую вычисляют по формуле

(1)
3.3 перепад давления в перепускном клапане 
(overflow valve pressure difference

: Перепад давления между выпускным давлением
p3 и впускным давлением
p1 непосредственно перед открытием клапана.
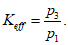
3.4 эффективная степень сжатия Keff (effective compression ratio Keff): Отношение выпускного давления p3 к впускному давлению p1 механического бустерного вакуумного насоса, вычисляемое по формуле

(2)
В настоящем стандарте применены следующие обозначения:
D - внутренний диаметр измерительной камеры, м;
DN - номинальный диаметр измерительной камеры или переходника, м;
p1 - впускное давление, Па или мбар;
p3 - выпускное давление в форвакуумной магистрали, Па или мбар;

- максимально допустимый перепад давления в испытуемом насосе, Па или мбар;
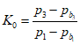
K0 - степень сжатия испытуемого насоса при нулевой производительности;
K0,max - максимальная степень сжатия испытуемого насоса при нулевой производительности;

- перепад давления в перепускном клапане испытуемого насоса, Па или мбар;
pb - базовое давление, Па или мбар;
u - неопределенность измерений.
Условия проведения измерений:
a) условия окружающей среды должны соответствовать
ГОСТ 32974.1;
b) измерения проводят с сухим газом. Как правило, пробный газ или воздух с относительной влажностью 65% или ниже;
c) форвакуумный насос должен обеспечивать соответствующее выпускное давление и работать в пределах нормальных рабочих параметров в течение периода измерения;
d) в корпусе испытуемого насоса не должно быть жидкости, в корпус должен поступать исключительно пробный газ;
e) если для охлаждения необходима вода, то она должна соответствовать требованиям производителя;
f) частота вращения двигателя и частотный преобразователь должны соответствовать техническим характеристикам производителя. Частота вращения двигателя должна быть в пределах +/- 3% от номинальной частоты вращения;
g) рекомендуется проводить все измерения с одним и тем же газом. При использовании другого газа перед началом измерения прибор необходимо продуть новым газом. Предпочтительно использовать вакуумметр, не зависящий от типа газа, или вакуумметр, откалиброванный для пробных газов. Для каждого вида газа должна быть представлена соответствующая калибровочная таблица;
h) величина течи в экспериментальной установке должна быть менее 10-4 Па·м3/с. Измерения должны быть проведены непосредственно перед испытанием или непосредственно после него.
6 Экспериментальная установка
6.1 Общие положения
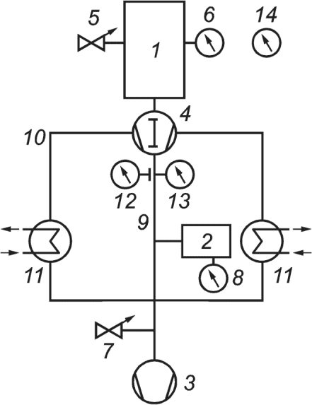
Измерительная камера
(приложение A) должна быть чистой и сухой. Чистота насоса, уплотнителей и других компонентов должна соответствовать ожидаемому базовому давлению. Все компоненты должны собираться в чистых условиях в соответствии с инструкциями производителя и как представлено на
рисунке 1.
1 - измерительная камера для испытуемого насоса;
2 - буферная емкость на форвакуумной магистрали;
3 - форвакуумный насос; 4 - испытуемый насос;
5 - регулируемый клапан напуска газа A; 6 - вакуумметр
для измерения p1; 7 - регулируемый клапан напуска газа B;
8 - вакуумметр для измерения p3; 9 - форвакуумная
магистраль; 10 - трубопровод возврата охлажденного газа
(для механического бустерного вакуумного насоса с газовым
охлаждением); 11 - охладитель (для механического бустерного
вакуумного насоса с газовым охлаждением); 12 - термометр
для измерения температуры корпуса на выходном фланце;
13 - термометр для измерения температуры газа на выходе;
14 - термометр для измерения температуры окружающей среды
Примечания
1 Трубопровод возврата охлажденного газа и охладитель требуются в том случае, если испытуемым насосом является механический бустерный насос с газовым охлаждением. Рекомендации по проектированию и изготовлению измерительного оборудования приведены на
рисунке B.2.
2 Регулируемый клапан напуска газа A 5 не требуется для измерения степени сжатия при нулевой производительности и перепаде давления в перепускном клапане испытуемого насоса.
Рисунок 1 - Экспериментальная установка
Все средства измерений должны быть откалиброваны либо:
a) в соответствии со специальным стандартом по вакууму или национальным стандартом;
b) с помощью абсолютных средств измерений в международной системе единиц.
Измерения давления выполняют с помощью вакуумметров полного давления, которые должны быть откалиброваны в соответствии с
[3], или с помощью средств измерений, которые соответствуют международной системе единиц. Используемые откалиброванные средства измерений должны иметь сертификат о калибровке согласно
ГОСТ ISO/IEC 17025.
6.2 Принципиальная схема
Принципиальная схема экспериментальной установки приведена на
рисунке 1.
При испытании насосов с выпускным давлением, равным атмосферному давлению, отсутствует форвакуумный насос (3), и измерение p3 заменяют на измерение атмосферного давления окружающей среды.
У механических бустерных насосов с газовым охлаждением с выпускным давлением, равным атмосферному, во время измерения трубопровод с охлажденным газом должен иметь открытый доступ к окружающему воздуху.
6.3 Измерительная камера для испытуемого насоса
Измерительную камеру и переходник необходимо выбирать согласно
ГОСТ 32974.1-2023 (5.1.2). Рекомендации по внутреннему диаметру приведены в
таблице A.1. Для испытуемых насосов с диаметром входного фланца менее
DN = 100 мм диаметр камеры должен соответствовать
DN = 100 мм. Конический переходник к впускному фланцу насоса выбирают в соответствии с
приложением A.
6.4 Буферная емкость на форвакуумной магистрали
Для уменьшения колебаний давления объединенный объем буферной емкости
2 и форвакуумной магистрали
9 должен быть как минимум в пять раз больше рабочего объема механического бустерного вакуумного насоса [см.
ГОСТ 32974.2-2023 (5.1.2)].
Буферная емкость 2 не требуется, если объем форвакуумной магистрали соответствует этому требованию. Если буферная емкость необходима, она должна иметь соответствующий размер с минимальным диаметром, равным или превышающим диаметр форвакуумной магистрали.
6.5 Вакуумметры
Расположение вакуумметров (вертикально, горизонтально или наклонно) должно соответствовать расположению вакуумметров при калибровке, чтобы свести к минимуму влияние неопределенности измерений.
Для измерений, проводимых с разными газами, следует использовать вакуумметр, не зависящий от типа газа или откалиброванный для пробных газов.
7.1 Измерение максимально допустимого перепада давления 
7.1.1 Общие положения
Если испытуемый насос оснащен перепускным клапаном, то он должен быть закрыт во время испытаний.
7.1.2 Метод измерения
Пробный газ поступает в измерительную камеру и форвакуумную магистраль до тех пор, пока не будет достигнуто требуемое давление на входе и перепад давлений между впускным отверстием и форвакуумной магистралью. Испытуемый насос должен работать до тех пор, пока температура корпуса и температура газа на выходе не станут стабильными. Рекомендуется, чтобы впускное давление не превышало 1·103 Па.
Для любого заданного впускного давления, когда испытуемый насос работает непрерывно без отказов и в пределах технических характеристик, например при максимальной температуре масла или подшипника, максимальная разность между выпускным давлением
p3 и впускным давлением
p1 является максимально допустимым перепадом давления

.
7.1.3 Проведение измерения
Устройство экспериментальной установки представлено на
рисунке 1. Газ поступает в измерительную камеру путем одновременной регулировки клапана напуска газа A
5 и клапана напуска газа B
7 на форвакуумной магистрали. Измерение выпускного давления
p3 и впускного давления
p1 должно быть одновременным. Для испытуемого насоса, работающего в течение 1 ч без отказов после тепловой стабилизации, максимальная разность между ними будет максимально допустимым перепадом давления

.
Примечание - Измерения могут быть выполнены с различными видами газов. При замене газа трубопроводы, соединенные с клапаном напуска газа, должны продуваться новым газом до начала измерения.
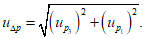
7.1.4 Неопределенность измерений
Давление следует измерять с неопределенностью менее +/- 3%. Суммарная стандартная неопределенность измерения максимально допустимого перепада давления должна быть менее 10%.
7.1.5 Оценка результата измерения
Максимально допустимый перепад давления

вычисляют по
формуле (1).
Отчет об испытании должен содержать все данные, описанные в
8.2 -
8.4, а также данные измерения максимально допустимого перепада давления

.
7.2 Измерение степени сжатия K0
7.2.1 Общие положения
Степень сжатия
K0 измеряют в соответствии с
ГОСТ 32974.1-2023 (5.5.2). Устройство экспериментальной установки представлено на
рисунке 1.
Отчет об испытании должен содержать все данные, указанные в
8.2 -
8.4, а также следующие дополнительные данные:
a) степень сжатия K0 = p3/p1;
b) тип и количество жидкости (если используется), применяемой в испытуемом насосе, и давление ее паров при температуре 20 °C;
c) типы охладителей, если они используются при испытании, их температуру, базовое давление форвакуумного насоса и испытуемого насоса.
7.3 Измерение эффективной степени сжатия Keff
7.3.1 Выбор форвакуумного насоса
Производительность форвакуумного насоса должна быть достаточной для достижения выпускного давления механического бустерного вакуумного насоса с ожидаемым потоком.
Полное измерение
Keff с помощью метода постоянного потока аналогично
ГОСТ 32974.1-2023 (5.1). Устройство экспериментальной установки приведено на
рисунке 1 с дополнительными требованиями к выпускному давлению механического бустерного вакуумного насоса, управляемого с помощью клапана напуска газа B (
рисунок 1, позиция
7) путем изменения частоты вращения двигателя форвакуумного насоса или с помощью регулируемого клапана напуска газа (см.
ГОСТ 32974.1-2023, рисунок 8, позиция 9) или комбинацией этих методов.
Отчет об испытании должен содержать все данные, указанные в
8.2 -
8.4, а также следующие дополнительные данные:
a) степень сжатия Keff в зависимости от производительности или быстроты действия испытуемого насоса;
b) тип и количество жидкости (если используется), применяемой в испытуемом насосе, и давление ее паров при температуре 20 °C;
c) типы охладителей, если они используются при испытании, их температуру, базовое давление форвакуумного насоса и испытуемого насоса.
7.4 Измерение перепада давления в перепускном клапане 
7.4.1 Общие положения
Данный метод применяют для измерения перепада давления при открытии перепускного клапана.
Перед испытанием необходимо убедиться в том, что клапан работает надежно и стабильно.
7.4.2 Определение перепада давления в перепускном клапане
Перепад давления перепускного клапана

определяют по формуле

(3)
7.4.3 Метод измерения
При закрытом клапане напуска газа испытуемого насоса нужно увеличивать давление в форвакуумной магистрали до тех пор, пока не откроется перепускной клапан.
7.4.4 Проведение измерения
Устройство экспериментальной установки представлено на
рисунке 1.
Закрывают клапан напуска газа испытуемого насоса. Испытуемый насос должен достичь стабильной рабочей температуры.
Медленно подают сухой газ в форвакуумную магистраль, регулируя клапан напуска газа B
7. Разность между выпускным давлением
p3 и впускным давлением
p1 при открытии перепускного клапана является перепадом давления в перепускном клапане

.
7.4.5 Открытие перепускного клапана
Клапан откроется, когда разность между выпускным давлением
p3 и впускным давлением
p1 превысит перепад давления перепускного клапана

. Об этом будет свидетельствовать резкое повышение впускного давления
p1.
7.4.6 Неопределенность измерений
Давление следует измерять с неопределенностью менее +/- 3%. Суммарная стандартная неопределенность измерения максимально допустимого перепада давления должна быть менее 10%.
Примечание - Для проведения точного расчета следует руководствоваться данными, приведенными в
приложении B.
7.4.7 Оценка результатов измерения
Необходимо провести не менее пяти измерений. В результате каждого измерения регистрируют впускное давление
p1, выпускное давление
p3 и рассчитанный перепад давления в перепускном клапане

. В качестве перепада давления в перепускном клапане принимают среднее значение по результатам многократных измерений.
Отчет об испытании должен содержать все данные, указанные в
8.2 -
8.4, а также данные измерения перепада давления в перепускном клапане

.
8.1 Содержание
Отчет об испытаниях должен содержать общие данные отчетов о параметрах насоса (см.
8.2), испытательном оборудовании и условиях (см.
8.3), рабочих параметрах (см.
8.4). Дополнительные данные в зависимости от типа испытания указаны в
7.1.6,
7.2.2,
7.3.2 и
7.4.8.
8.2 Отчет о параметрах насоса
Отчет об испытаниях должен содержать следующие общие данные об испытуемом насосе:
a) тип, артикул/серийный номер механического бустерного вакуумного насоса;
b) тип, размер фланца механического бустерного вакуумного насоса;
c) тип, артикул/серийный номер механического привода (двигателя, частотного преобразователя), если это не деталь испытуемого насоса;
d) номинальную частоту вращения, минимальную/максимальную частоту вращения и максимальную потребляемую мощность механического бустерного вакуумного насоса.
8.3 Отчет об испытательном оборудовании и условиях
Отчет об испытаниях должен содержать следующие общие данные об испытательном оборудовании и условиях:
a) тип и условия эксплуатации применяемых вакуумметров;
b) тип используемых уплотнителей на впускном фланце испытуемого насоса;
c) DN (размер измерительной камеры и тип фланца);
d) температуру и расход охлаждающей воды;
e) температуру окружающей среды и атмосферное давление;
f) тип, серийный номер и номинальную быстроту действия форвакуумного насоса.
8.4 Отчет о рабочих параметрах
Отчет об измерениях должен содержать следующие данные:
a) впускное давление p1 и выпускное давление p3 испытуемого насоса;
b) температуру газа на выходе, температуру корпуса на выходном фланце;
c) виды пробного газа.
9 Требования безопасности
При проведении измерений необходимо соблюдать предъявляемые к вакуумным насосам требования безопасности [4] <*>.
Примечание - Приведенное выше дополнительное требование направлено на обеспечение безопасности при транспортировании, хранении, установке, эксплуатации и техническом обслуживании насосов.
--------------------------------
<*> В Российской Федерации действует
ГОСТ Р 52615-2006 "Компрессоры и вакуумные насосы. Требования безопасности. Часть 2. Вакуумные насосы".
(рекомендуемое)
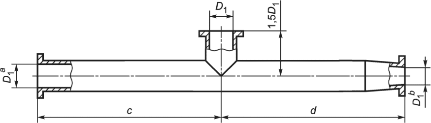
Для экспериментальной установки требуется измерительная камера, представленная на
рисунке 1.
Измерительная камера и конические переходники описаны в
ГОСТ 32974.1-2023 (5.1.2).
Длина переходника должна быть не более 0,5D.
Объем измерительной камеры
VD должен превышать рабочий объем за один цикл сжатия
Vp не менее чем в пять раз при
Vp менее 65 л. Объем измерительной камеры
VD при рабочем объеме
Vp более 65 л устанавливают равным 1300 л. Соответствующая измерительная камера для разного рабочего объема
Vp представлена в
таблице A.1.
Таблица A.1
Технические характеристики измерительной камеры
Рабочий объем Vp, л | Объем измерительной камеры VD, л | Внутренний диаметр измерительной камеры D, мм |
0 ~ 0,26 | 1,3 | 100 |
0,26 ~ 1,1 | 5,4 | 160 |
1,1 ~ 4,2 | 21 | 250 |
4,2 ~ 17 | 84 | 400 |
17 ~ 65 | 325 | 630 |
> 65 | 1300 | 1000 |
Насосы, у которых расчетный внутренний диаметр измерительной камеры DN должен быть менее 100 мм, диаметр устанавливаемой камеры DN должен соответствовать 100 мм.
Рабочий объем представляет собой отношение номинальной быстроты действия к номинальной частоте вращения, которые имеют одну единицу измерения.
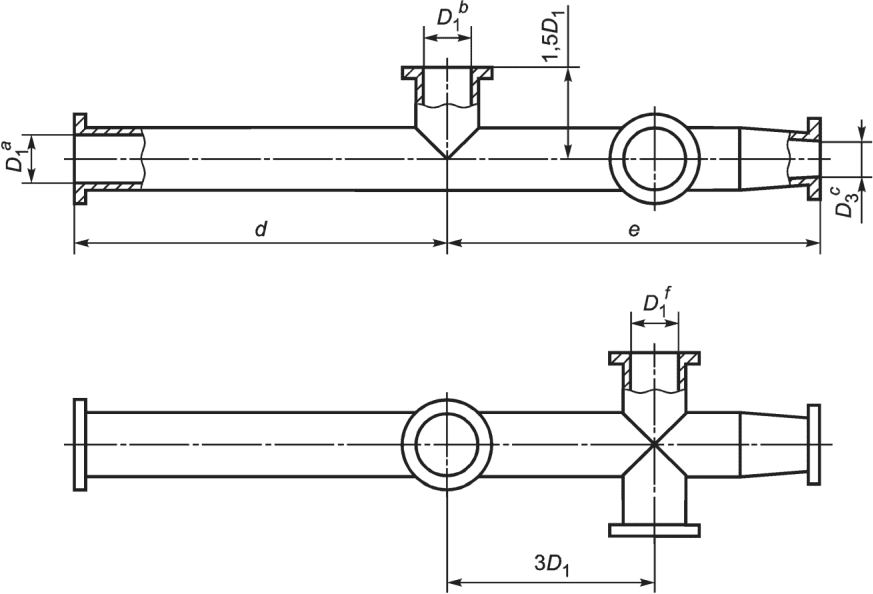
(справочное)
И ТРУБОПРОВОД ВОЗВРАТА ОХЛАЖДЕННОГО ГАЗА
Размеры форвакуумной магистрали представлены на
рисунке B.1.
a - номинальный диаметр отверстия выпускного фланца
механического бустерного вакуумного насоса; b - подключение
к буферной емкости форвакуумной магистрали; c - номинальный
диаметр отверстия впускного фланца форвакуумного насоса;
f - подключение к трубопроводу возврата охлажденного газа;
d, e - эквивалентная длина любого патрубка, используемого
для подсоединения форвакуумной магистрали
к испытуемому насосу
Примечание - d = e.
Рисунок B.1 - Основные размеры форвакуумной магистрали
Если испытуемый насос охлаждается газом, то обратный трубопровод с охлажденным газом должен иметь размеры, достаточные для работы механического бустерного вакуумного насоса, согласно инструкциям производителя. Это не оказывает существенного влияния на измерения.
1 - охладитель; 2 - трубопровод возврата охлажденного газа;
3 - подсоединение трубопровода возврата охлажденного газа
к фланцу испытуемого насоса; 4 - подсоединение
к форвакуумной магистрали
Рисунок B.2 - Трубопровод возврата охлажденного газа
Форвакуумную магистраль, приведенную на
рисунке B.1, можно упростить, как представлено на
рисунке B.3. Данная конструкция не подходит для измерения механических бустерных насосов с газовым охлаждением.
a - номинальный диаметр выпускного отверстия механических
бустерных вакуумных насосов; b - номинальный диаметр
впускного отверстия форвакуумных насосов;
c, d - эквивалентная длина любого патрубка, используемого
для подсоединения форвакуумной магистрали
к испытуемому насосу
Примечание - c = d.
Рисунок B.3 - Основные размеры упрощенной
форвакуумной магистрали
(справочное)
НЕОПРЕДЕЛЕННОСТЬ ИЗМЕРЕНИЙ
C.1 Общие положения
Расчет неопределенности следует проводить в соответствии с
[5].
Необходимо учитывать следующие существенные моменты:
- физическая величина имеет значение X и неопределенность;
- стандартную неопределенность обозначают символом uX, которая соответствует случаю, когда с вероятностью 68% истинное значение находится в интервале между X - uX и X + uX;
- для получения результатов должна быть дана расширенная неопределенность, обозначенная Ux и полученная из стандартной неопределенности путем умножения на коэффициент 2;
- с вероятностью 95% истинное значение находится в интервале между X - uX и X + uX. Когда физическая величина Y является производной от различных некоррелированных входных величин Xi, ее неопределенность uY получают путем применения правила распространения ошибок с использованием квадратичного сложения отдельных членов по формуле

(C.1)
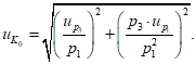
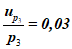
C.2 Неопределенность максимально допустимого перепада давления
Согласно правилам выражения неопределенности
[5], применяя
формулу (C.1) к
формуле (1),

, получают суммарную стандартную неопределенность максимально допустимого перепада давления по формуле

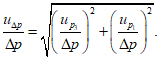
(C.2)
Относительную неопределенность получают путем деления данных по
формуле (C.2) на максимально допустимые перепады давления

по формуле

(C.3)
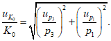
C.3 Неопределенность степени сжатия при нулевой производительности

(C.4)
и, пренебрегая базовыми давлениями

и

, получают суммарную стандартную неопределенность степени сжатия с нулевой производительностью по
формуле (C.4)

(C.5)
Относительную неопределенность получают делением данных по
формуле (C.5) на
В результате определяют

(C.6)
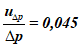
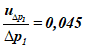
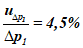
C.4 Неопределенность перепада давления в перепускном клапане

(C.7)
Относительную неопределенность получают делением
формулы (C.7) на перепад давления в перепускном клапане

по формуле

(C.8)
(справочное)
СВЕДЕНИЯ О СООТВЕТСТВИИ ССЫЛОЧНОГО МЕЖГОСУДАРСТВЕННОГО
СТАНДАРТА МЕЖДУНАРОДНОМУ СТАНДАРТУ, ИСПОЛЬЗОВАННОМУ
В КАЧЕСТВЕ ССЫЛОЧНОГО В ПРИМЕНЕННОМ МЕЖДУНАРОДНОМ СТАНДАРТЕ
Таблица ДА.1
Обозначение ссылочного межгосударственного стандарта | Степень соответствия | Обозначение и наименование ссылочного международного стандарта |
(ISO 21360-1:2020) | MOD | ISO 21360-1:2020 "Вакуумная технология. Стандартные методы измерения характеристик вакуумных насосов. Часть 1. Общие положения" |
Примечание - В настоящей таблице использовано следующее условное обозначение степени соответствия стандарта: - MOD - модифицированный стандарт. |
| ISO 3529-1:2019 | Vacuum technology - Vocabulary - Part 1: General terms (Вакуумная технология. Словарь. Часть 1. Общие термины) |
| ISO 3529-2:2020 | Vacuum technology - Vocabulary - Part 2: Vacuum pumps and related terms (Вакуумная технология. Словарь. Часть 2. Вакуумные насосы и относящиеся к ним термины) |
| ISO 3567:2011 | Vacuum gauges - Calibration by direct comparison with a reference gauge (Вакуумметры. Калибровка путем непосредственного сличения с эталоном) |
| EN 1012-2:1996 | Compressors and vacuum pumps - Safety precautions - Part 2: Vacuum pumps (Компрессоры и вакуумные насосы. Требования безопасности. Часть 2. Вакуумные насосы) |
| ISO/IEC Guide 98-3 | Uncertainty of measurement - Part 3: Guide to the expression of uncertainty in measurement (GUM: 1995) [Неопределенность измерения - Часть 3. Руководство по выражению неопределенности в измерении (GUM: 1995)] |
УДК 621:006:354 | | MOD |
Ключевые слова: механический вакуумный бустерный насос, испытание, давление, производительность, сжатие, неопределенность, измерительная камера |