Главная // Актуальные документы // ГОСТ (Государственный стандарт)СПРАВКА
Источник публикации
М.: ФГБУ "Институт стандартизации", 2023
Примечание к документу
Текст данного документа приведен с учетом
поправки, опубликованной в "ИУС", N 2, 2024.
Документ
введен в действие с 01.12.2023.
Название документа
"ГОСТ 32974.2-2023 (ISO 21360-2:2020). Межгосударственный стандарт. Вакуумная технология. Стандартные методы измерения характеристик вакуумных насосов. Часть 2. Вакуумные насосы объемного действия"
(введен в действие Приказом Росстандарта от 29.09.2023 N 1007-ст)
"ГОСТ 32974.2-2023 (ISO 21360-2:2020). Межгосударственный стандарт. Вакуумная технология. Стандартные методы измерения характеристик вакуумных насосов. Часть 2. Вакуумные насосы объемного действия"
(введен в действие Приказом Росстандарта от 29.09.2023 N 1007-ст)
по техническому регулированию
и метрологии
от 29 сентября 2023 г. N 1007-ст
МЕЖГОСУДАРСТВЕННЫЙ СТАНДАРТ
ВАКУУМНАЯ ТЕХНОЛОГИЯ
СТАНДАРТНЫЕ МЕТОДЫ ИЗМЕРЕНИЯ ХАРАКТЕРИСТИК ВАКУУМНЫХ НАСОСОВ
ЧАСТЬ 2
ВАКУУМНЫЕ НАСОСЫ ОБЪЕМНОГО ДЕЙСТВИЯ
Vacuum technology. Standard methods for measuring
vacuum-pump performance. Part 2. Positive displacement
vacuum pumps
(ISO 21360-2:2020, MOD)
ГОСТ 32974.2-2023
(ISO 21360-2:2020)
Дата введения
1 декабря 2023 года
Цели, основные принципы и общие правила проведения работ по межгосударственной стандартизации установлены
ГОСТ 1.0 "Межгосударственная система стандартизации. Основные положения" и
ГОСТ 1.2 "Межгосударственная система стандартизации. Стандарты межгосударственные, правила и рекомендации по межгосударственной стандартизации. Правила разработки, принятия, обновления и отмены"
1 ПОДГОТОВЛЕН Акционерным обществом "Вакууммаш" (АО "Вакууммаш") и Федеральным государственным бюджетным учреждением "Российский институт стандартизации" (ФГБУ "Институт стандартизации") на основе официального перевода на русский язык англоязычной версии указанного в
пункте 5 стандарта, который выполнен АО "Вакууммаш"
2 ВНЕСЕН Межгосударственным техническим комитетом по стандартизации МТК 249 "Вакуумная техника"
3 ПРИНЯТ Межгосударственным советом по стандартизации, метрологии и сертификации (протокол от 28 июля 2023 г. N 163-П)
За принятие проголосовали:
Краткое наименование страны по МК (ИСО 3166) 004-97 | Код страны по МК (ИСО 3166) 004-97 | Сокращенное наименование национального органа по стандартизации |
Армения | AM | ЗАО "Национальный орган по стандартизации и метрологии" Республики Армения |
Беларусь | BY | Госстандарт Республики Беларусь |
Киргизия | KG | Кыргызстандарт |
Россия | RU | Росстандарт |
Таджикистан | TJ | Таджикстандарт |
Узбекистан | UZ | Узстандарт |
4
Приказом Федерального агентства по техническому регулированию и метрологии от 29 сентября 2023 г. N 1007-ст межгосударственный стандарт ГОСТ 32974.2-2023 (ISO 21360-2:2020) введен в действие в качестве национального стандарта Российской Федерации с 1 декабря 2023 г.
5 Настоящий стандарт является модифицированным по отношению к международному стандарту ISO 21360-2:2020 "Вакуумная технология. Стандартные методы измерения характеристик вакуумных насосов. Часть 2. Вакуумные насосы объемного действия" ("Vacuum technology - Standard methods for measuring vacuum-pump performance - Part 2: Positive displacement vacuum pumps", MOD) путем включения дополнительных положений, которые выделены в тексте курсивом.
Сведения о соответствии ссылочных межгосударственных стандартов международным стандартам, использованным в качестве ссылочных в примененном международном стандарте, приведены в дополнительном
приложении ДА
--------------------------------
<*>
Приказом Федерального агентства по техническому регулированию и метрологии от 29 сентября 2023 г. N 1007-ст
ГОСТ Р 53335-2009,
ГОСТ Р 54107-2010 отменены с 1 декабря 2023 г.
Информация о введении в действие (прекращении действия) настоящего стандарта и изменений к нему на территории указанных выше государств публикуется в указателях национальных стандартов, издаваемых в этих государствах, а также в сети Интернет на сайтах соответствующих национальных органов по стандартизации.
В случае пересмотра, изменения или отмены настоящего стандарта соответствующая информация будет опубликована на официальном интернет-сайте Межгосударственного совета по стандартизации, метрологии и сертификации в каталоге "Межгосударственные стандарты"
В настоящем стандарте приведены методы измерения рабочих характеристик вакуумных насосов объемного действия. Настоящий стандарт дополняет
ГОСТ 32974.1, в котором приведены общие описания измерения рабочих характеристик вакуумных насосов.
Приведенные в этом стандарте методы достаточно известны по существующим национальным и международным стандартам. Цель настоящего стандарта - собрать соответствующие методы измерения рабочих характеристик вакуумных насосов объемного действия. Настоящий стандарт имеет приоритет в случае возникновения противоречий с
ГОСТ 32974.1.
Настоящий стандарт распространяется на вакуумные насосы объемного действия и устанавливает методы измерения быстроты действия, базового давления, наибольшего давления паров воды, потребляемой мощности и минимальной температуры запуска насосов, которые осуществляют выхлоп газа при атмосферном давлении, с базовым давлением менее 10 кПа.
В настоящем стандарте необходимо использовать определения быстроты действия и базового давления, приведенные в
ГОСТ 32974.1.
Настоящий стандарт применяют при проведении испытаний других типов насосов, осуществляющих выхлоп газа при атмосферном давлении.
В настоящем стандарте использована нормативная ссылка на следующий межгосударственный стандарт:
ГОСТ 32974.1-2023 (ISO 21360-1:2020) Вакуумная технология. Стандартные методы измерения характеристик вакуумных насосов. Часть 1. Общие положения
Примечание - При пользовании настоящим стандартом целесообразно проверить действие ссылочных стандартов и классификаторов на официальном интернет-сайте Межгосударственного совета по стандартизации, метрологии и сертификации (www.easc.by) или по указателям национальных стандартов, издаваемых в государствах, указанных в
предисловии, или на официальных сайтах соответствующих национальных органов по стандартизации. Если на документ дана недатированная ссылка, то следует использовать документ, действующий на текущий момент, с учетом всех внесенных в него изменений. Если заменен ссылочный документ, на который дана датированная ссылка, то следует использовать указанную версию этого документа. Если после принятия настоящего стандарта в ссылочный документ, на который дана ссылка, внесено изменение, затрагивающее положение, на которое дана ссылка, то это положение применяется без учета данного изменения. Если ссылочный документ отменен без замены, то положение, в котором дана ссылка на него, применяется в части, не затрагивающей эту ссылку.
В настоящем стандарте применены термины по
ГОСТ 32974.1, а также следующие термины с соответствующими определениями:
3.1 газобалластное устройство (gas ballast): Устройство напуска газа или воздуха в рабочий объем насоса.
3.2 давление насыщенных паров ps (saturation vapour pressure ps): Давление, создаваемое паром чистого химического вещества, находящегося в равновесном состоянии с конденсированной фазой (жидкой или твердой, или в обеих) в закрытой системе.
Примечание - Для каждого вещества давление насыщенных паров зависит от температуры.
3.3 наибольшее давление паров воды 
(water vapour tolerance

): Максимальное давление водяных паров, проходящих через насос без образования конденсата.
Примечания
1 В случае отсутствия проблем с конденсацией водяных паров, например, при использовании установки для разделения масла и воды, максимальное давление водяных паров является допустимым.
2 В протоколе испытаний должны быть указаны условия окружающей среды.
3.4 производительность по водяным парам (water vapour capacity): Масса воды, которая проходит через насос без образования конденсата за единицу времени.
Примечание - В протоколе испытаний должны быть указаны условия окружающей среды.
3.5 рабочий объем VSW (swept volume VSW): Объем газа, проходящий через насос в течение одного цикла.
3.6 температура насыщенного водяного пара (water vapour saturation temperature): Температура, соответствующая давлению насыщенных водяных паров.
3.7 энергия сжатия (compression energy): Энергия, необходимая для сжатия объема газа.
В настоящем стандарте применены следующие обозначения:
L - энергия молярного испарения, Дж/моль;
P0 - потребляемая мощность насоса при предельном остаточном давлении с указанной частотой вращения, Вт;
P0B - потребляемая мощность насоса при предельном остаточном давлении с указанной частотой вращения с максимально открытым газобалластным устройством, Вт;
Pmax - максимальная потребляемая мощность насоса с указанной частотой вращения, Вт;
p0 - стандартное атмосферное давление, Па;
p2 - парциальное давление воздуха в выхлопном газе, Па;
pa - парциальное давление водяного пара в атмосфере, Па;
pB - парциальное давление воздуха в атмосфере, Па;

- наибольшее давление паров воды, Па;
ps - давление насыщенного водяного пара, Па;

- давление насыщенного водяного пара, при температуре
T0, Па;
qV - быстрота действия насоса, м3/с;
qVB - расход воздуха через газобалластное устройство, м3/с;
R - универсальная газовая постоянная: R = 8,3143, Дж/(моль·К);
T0 - температура, соответствующая

, К;
T1 - температура окружающей среды, К;
T2 - температура выхлопных газов насоса, К;
T20 - температура выхлопных газов при нулевой производительности, К;
T2cr - скорректированное значение температуры выхлопных газов насоса, К;
T2s - температура насыщенных выхлопных газов, зависящая от впускного давления p1, К;
V2 - объем выхлопных газов, м3;
VB - рабочий объем газобалластного устройства, м3;
VSW - рабочий объем, м3;
Wad - энергия адиабатического сжатия, Дж;

- энергия адиабатического сжатия для водяных паров, Дж;
Wada - энергия адиабатического сжатия для воздуха, Дж;
Wcr - поправочный коэффициент для температуры выхлопных газов насоса.

- коэффициент повышения давления при открытии выпускного клапана;

- относительная влажность воздуха, %;
к - показатель адиабаты.
5.1 Определение быстроты действия
5.1.1 Методы измерений
Методы определения быстроты действия насоса приведены в
ГОСТ 32974.1-2023,
подразделы 5.1 -
5.3. Для определения быстроты действия применяют метод постоянного потока или метод постоянного объема. Рекомендуется использовать указания и экспериментальные установки, приведенные в
ГОСТ 32974.1, если не указаны иные.
5.1.2 Метод постоянного потока
Метод постоянного потока является стандартным методом и используется для всех насосов, на которые распространяется настоящий стандарт.
Для роторных насосов плунжерного типа и пластинчато-статорных вакуумных насосов объем измерительной камеры должен быть равным или большим 2
VSW, где
VSW - рабочий объем. Для других типов вакуумных насосов объем измерительной камеры должен быть равным или большим 5
VSW. Тип измерительной камеры должен соответствовать требованиям
ГОСТ 32974.1.
Если диаметр впускного фланца
DN менее внутреннего диаметра
D измерительной камеры для вакуумных насосов объемного действия, переход к впускному фланцу насоса выполняют с помощью конического переходника на 45°, в соответствии с
ГОСТ 32974.1-2023,
рисунок 1.
5.1.3 Метод постоянного объема
Метод постоянного объема предназначен для насосов малой производительности (например, до 0,01 м3/с), так как требуется большая измерительная камера. Объем измерительной камеры должен быть не меньше, чем ожидаемая максимальная быстрота действия (м3/с), умноженная на коэффициент 120 с.
5.1.4 Рабочие условия
Насос следует подсоединить к экспериментальной установке и запустить его. Перед началом измерений насос должен проработать до достижения рабочей температуры. Частота вращения не должна отклоняться от номинальной более чем на +/- 3%.
Если испытуемый насос используется с газобалластным устройством, то быстроту действия измеряют сначала без газобалластного устройства, а затем с ним.
Температура окружающей среды должна соответствовать требованиям
ГОСТ 32974.1.
5.2 Измерение базового давления
Измерение базового давления проводят и осуществляют на экспериментальной установке в соответствии с
ГОСТ 32974.1-2023,
раздел 5. Измерение сначала проводят без газобалластного устройства, а затем с ним. Измерение можно проводить в любой последовательности, если это не оказывает влияния на измерение.
5.3 Измерение наибольшего давления паров воды
Наибольшее давление паров воды определяют как максимальное давление чистых водяных паров на входе в насос. Существует несколько методов измерения наибольшего давления паров воды (Па). Пример метода измерения наибольшего давления паров воды приведен в
приложении A.
Существует несколько методов измерений производительности по водяным парам (кг/с). Пример преобразования значений между наибольшим давлением паров воды и производительностью по водяным парам приведен в
[1],
[2].
5.4 Измерение потребляемой мощности
5.4.1 Общие положения
Потребление мощности насосом зависит от значения впускного давления и изменяется при использовании газобалластного устройства. Потребляемую мощность измеряют при следующих условиях: при базовом давлении, с газобалластным устройством и без него, и при максимальной потребляемой мощности, с соответствующим впускным давлением. Максимальная потребляемая мощность достигается, когда насос работает на максимальной электрической мощности.
Примечание - Существует ряд насосов, которые не могут непрерывно эксплуатироваться при максимальной потребляемой мощности.
5.4.2 Условия измерения
Частота вращения должна находиться в диапазоне, устанавливаемом производителем. Если нет ограничений, то она не должна отклоняться от указанной частоты вращения более чем на +/- 3%.
5.4.3 Порядок измерения
Устройство измерения потребляемой электрической мощности устанавливают между источником питания и насосом. Реальную потребляемую мощность измеряют с использованием этого устройства. Допускается устанавливать частотные фильтры, если насос имеет электронный источник питания.
Насос, заполненный рабочей жидкостью, указанной производителем, должен проработать в течение 1 ч, как с закрытым впускным клапаном, так и с закрытым клапаном газобалластного устройства. Потребляемую мощность измеряют три раза в течение 15 мин. Потребляемая мощность для базового давления P0 является среднеарифметической от этих трех значений.
После достижения насосом температурного равновесия, измеряют потребляемую мощность при базовом давлении с указанной частотой вращения с открытым клапаном газобалластного устройства P0B. Потребляемую мощность измеряют три раза в течение 15 мин. Потребляемая мощность для базового давления с открытым клапаном газобалластного устройства P0B является среднеарифметической от этих трех значений.
После этого насос должен проработать в течение периода, указанного производителем. Максимальную потребляемую мощность измеряют в типичных рабочих режимах и при разной частоте вращения, включая режим максимальной потребляемой мощности. Потребляемую мощность измеряют три раза в течение 15 мин. Максимальная потребляемая мощность Pmax является максимальной из этих трех измерений. Если указан диапазон давлений, то Pmax измеряют в указанном диапазоне.
Следует измерять величину тока аналогично потребляемой мощности.
5.5 Минимальная температура запуска
Минимальная температура запуска - это температура, при которой двигатель запускает насос при атмосферном давлении на входе. Вакуумный насос, заполненный рабочей жидкостью, указанной производителем, должен охлаждаться до самой низкой температуры запуска, указанной производителем. Если минимальная температура запуска не указана, охлаждают до температуры 12 °C. Перед началом запуска измеряют температуру насоса. При использовании электронного оборудования, подключенного к насосу, следует удостовериться, что на его компонентах не конденсируется влага.
Насос необходимо запустить, и он должен достичь 80% от номинальной частоты вращения в течение 10 мин.
Температура запуска насосов с вакуумом на входе должна быть меньше или равна 18 °C.
5.6 Неопределенности измерения
Неопределенности измерения определяют в соответствии с
ГОСТ 32974.1.
6 Требования безопасности
При проведении измерений необходимо соблюдать предъявляемые к вакуумным насосам соответствующие требования безопасности (см. [3] <*>).
--------------------------------
<*> В Российской Федерации действует
ГОСТ Р 52615-2006 "Компрессоры и вакуумные насосы. Требования безопасности. Часть 2. Вакуумные насосы".
Примечание - Требования направлены на обеспечение безопасности при транспортировании, хранении, установке, эксплуатации и техническом обслуживании насосов.
(рекомендуемое)
ИЗМЕРЕНИЕ НАИБОЛЬШЕГО ДАВЛЕНИЯ ПАРОВ ВОДЫ
A.1 Измерение наибольшего давления паров воды
A.1.1 Общие положения
Пары, в особенности водяные, откачиваемые вакуумными насосами, могут конденсироваться внутри насоса до открытия выпускного клапана под действием атмосферного давления. Конденсат смешивается с рабочей жидкостью насоса и повторно испаряется в зоне всасывания насоса. Это приводит к увеличению базового давления и может вызвать коррозию насоса. Во избежание конденсации паров напускают воздух или другой неконденсирующийся газ в насос через специальный газобалластный канал, который перекрывается клапаном.
Откачка водяных паров может привести к увеличению потребляемой мощности и повышению температуры насосов, что ведет к увеличению давления насыщенных паров, соответственно уменьшению наибольшего давления паров воды.
Использование водяных паров для измерения является прямым методом, но он может привести к незаметной конденсации в насосе. В настоящем стандарте для насосов с масляным уплотнением приведен метод с использованием сухого воздуха вместо водяных паров. Повышение температуры насоса, вызванное эквивалентным потоком воздуха, используется для определения температуры насыщения водяных паров. Температуру выхлопных газов измеряют в зависимости от впускного давления p1. Из-за различной степени сжатия трехатомных молекул воды и двухатомных молекул воздуха необходимо учитывать повышение температуры, вызванное откачкой воздуха.
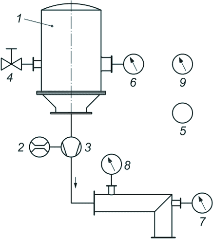
A.1.2 Установка для испытаний
Схема установки для испытаний показана на рисунке A.1, пример углового патрубка для измерения температуры и выпускного давления насоса приведен на рисунке A.2.
1 - измерительная камера (для испытания методом постоянного
потока по
ГОСТ 32974.1-2023,
пункт 5.1.2);
2 - расходомер
[измеряет расход воздуха газобалластного устройства:
B(pB + pa)]; 3 - испытуемый насос; 4 - клапан напуска газа;
5 - гигрометр (измеряет относительную влажность

);
6 - вакуумметр (измеряет впускное давление p1);
7 - термометр для измерения температуры на выходе
из насоса; 8 - вакуумметр для измерения выпускного
давления; 9 - манометр для измерения атмосферного давления
Рисунок A.1 - Схема установки измерения
наибольшего давления паров воды
--------------------------------
<a> От 0 до 0,5D.
1 - точка измерения температуры T2; 2 - вакуумметр
для измерения выпускного давления насоса; D - внутренний
диаметр трубы
Рисунок A.2 - Пример углового патрубка для измерения
температуры и выпускного давления насоса
A.1.3 Определение наибольшего давления паров воды
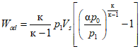
Наибольшее давление паров воды вычисляют по формуле

. (A.1)
Присвоение коэффициентам 1 + (
pa/
pB) и

значения 1 приведет к часто используемой формуле

. (A.2)
Для большей точности
формулу (A.1) используют с учетом следующего: значения
qVB,
qV,

,
p0,
pB и
pa могут измеряться непосредственно, в отличие от значения давления насыщенных водяных паров
ps. Так как вместо водяных паров используется воздух, то температуру выхлопных газов насоса
T2 измеряют при различных значениях впускного давления
p1. Во время сжатия не происходит теплообмена с окружающей средой, это означает что сжатие является адиабатическим. Из-за разных показателей адиабаты к для воздуха и водяных паров будет разная потребляемая мощность, необходимая для сжатия.

. (A.3)
Повышение температуры выхлопных газов насоса происходит пропорционально потребляемой мощности, необходимой для сжатия, и отличается для воздуха и водяного пара. В результате, значение измеренной температуры выхлопных газов насоса
T2 следует скорректировать с использованием коэффициента

.
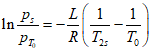
Соотношение между давлением насыщенного водяного пара
ps и соответствующей ему температуры
T2s определяют по
формуле (A.4)

, (A.4)
где L - энергия молярного испарения;
R - универсальная газовая постоянная;
T0,

- два значения из формулы для водяных паров, см.
приложение B (например,
T0 = 323 К и

).
Значение T0 следует выбирать близким к диапазону температур насоса.
В
формуле (A.1) значение

можно заменить значением впускного давления
p1

. (A.5)

. (A.6)

, (A.7)
которое показывает соотношение между впускным давлением p1 и температурой насыщенных выхлопных газов T2s. Таким образом, можно получить кривую температуры насыщенных выхлопных газов в зависимости от впускного давления.
ВНИМАНИЕ! Формула (A.7) действительна только для постоянного значения энергии молярного испарения в используемом диапазоне температур.
На данном этапе обе кривые, измеренную кривую температуры выхлопных газов насоса
T2(
p1) и рассчитанную кривую температуры насыщенных выхлопных газов
T2s(
p1), можно нанести на график (см.
рисунок A.3).
1 - температура выхлопных газов насоса, T2;
2 - скорректированное значение температуры выхлопных газов
насоса, T2cr; 3 - температура насыщенных выхлопных газов,
T2s; T - температура выхлопных газов; p - давление
насыщенных водяных паров;

- значение наибольшего
давления паров воды
Рисунок A.3 - Пример графика зависимости температуры
выхлопных газов и температуры насыщенных водяных паров
от впускного давления
A.1.4 Метод измерения
До начала измерения необходимо стабилизировать температуру насоса. Для этого насос должен проработать с таким расходом газа, чтобы значения впускного давления были приблизительно равны ожидаемому наибольшему давлению паров воды

, при этом клапан газобалластного устройства должен быть открыт.
Насос должен проработать с закрытым клапаном напуска газа и открытым клапаном газобалластного устройства до тех пор, пока увеличение температуры не составит менее 0,5 К в течение 15 мин.
Проводят измерение температуры выхлопных газов T20 и производительности газобалластного устройства qVB(pB + pa), поддерживают их значения постоянными в течение всех последующих измерений. Насос продувают сухим воздухом, регулируя давление p1 с помощью впускного клапана, и измеряют значение установившейся температуры выхлопных газов насоса T2. Измерения проводят не менее чем для четырех разных значений впускного давления, из них хотя бы одно значение должно быть выше, чем ожидаемое наибольшее давление паров воды.
После этого измеряют следующие величины: температуру окружающей среды
T1, которая должна находиться в пределах, указанных в
ГОСТ 32974.1; атмосферное давление
p0; относительную влажность

окружающей среды (воздуха) в процентах.
Предварительно измеряют значение быстроты действия насоса
qV (см.
раздел 5). К измерениям приступают, когда атмосферное давление
p0 < 107 кПа. Разница между давлением воздуха в выхлопном газе
p2 и атмосферным давлением должна быть +/- 1 кПа.
A.1.5 Оценка результата измерения
Измеренные значения температуры
T2 следует уменьшить на коэффициент энергии адиабатического сжатия [(определен
формулой (A.3)] для водяных паров

при к = 1,3333, и воздуха
Wada при к = 1,4. Поправочный коэффициент
Wcr вычисляют по формуле

. (A.8)
Таблица A.1
| |
1000 | 0,8497 |
200 | 0,8875 |
100 | 0,9034 |
50 | 0,9189 |
20 | 0,9389 |
10 | 0,9535 |
Значение T20 вычитают из значения T2, относящегося к впускному давлению p1, а разницу T2 - T20 умножают на значение Wcr. Скорректированное значение разницы температур прибавляют к T20
T2cr = Wcr(T2 - T20) + T20, (A.9)
где
T2cr - скорректированное значение температуры выхлопных газов насоса для водяного пара по отношению к
p1, которое наносят на график, приведенный на
рисунке A.3.
Для получения кривой температуры насыщенных выхлопных газов
T2s(
p1) подставляют измеренные значения
p1,
qVB, и
p0 в
формулу (A.6), чтобы получить на первом этапе давление насыщения
ps.
Атмосферное давление с содержанием водяных паров pa определяют по p0 = pB + pa.
Проводят измерение относительной влажности

в процентном соотношении от давления насыщенных водяных паров. Парциальное давление водяных паров определяют по формуле

. (A.10)
В
таблице C.1 приложения C приведены значения
ps(
T), из этого следует
pB =
p0 -
pa. Коэффициент

может быть установлен около значения 1,1. Применяя эти данные, значение
ps вычисляют с помощью
формулы (A.6) для всех значений впускного давления
p1.
На втором этапе вычисляют значение температуры насыщенных выхлопных газов
T2s с помощью
формулы (A.7), подставив значение давления насыщенного водяного пара
ps из
формулы (A.6). Устанавливаем
T0 на 323 К; соответствующее давление насыщенного водяного пара при температуре

составит 12,34 кПа. В критическом диапазоне температур от 50 °C до 100 °C значение энергии молярного испарения
L = 41 922 Дж/моль, а универсальная газовая постоянная
R = 8,3143 Дж/(К·моль).
Наносят на график, приведенный на
рисунке A.3, рассчитанные значения температур насыщенных газов по отношению к впускному давлению
p1. Абсцисса точки пересечения этих двух кривых и дает наибольшее давление паров воды

.
A.1.6 Неопределенность измерения
На точность измерения наибольшего давления паров воды

могут оказывать влияние следующие параметры:
a) температура окружающей среды T1;
b) атмосферное давление p0;
c) коэффициент повышения давления при открытии выпускного клапана a;
d) энергия молярного испарения L;
e) содержание воды в воздухе на входе в измерительную камеру;
f) температура выхлопных газов насоса T2;
g) скорректированное значение температуры выхлопных газов T2cr;
а также другие величины, использованные в указанных выше формулах.
(рекомендуемое)
РАСЧЕТ НАИБОЛЬШЕГО ДАВЛЕНИЯ ПАРОВ ВОДЫ
Расчет потока водяного пара на входе в насос за один цикл аппроксимируется законом для идеального газа:

. (B 1)
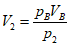
Закон Бойля - Мариотта для расчета потока по воздуху газобалластного устройства:
pBVB = p2V2.
Из этого следует

.
Давление открытия выпускного клапана вычисляют по формуле

. (B.2)
Подставляя значения p2 и V2, получим

. (B.3)
Из этого следует

(B.4)
или

. (B.5)
Формула для расчета наибольшего давления паров воды (см.
[1]):

. (B.6)
Формула (B.5) содержит коэффициенты 1 + (
pa/
pB) ~= 1, и

, тогда как
формула (B.6) их не содержит. Для расчета следует учитывать эти два коэффициента, необходимости в других измерениях нет.
(справочное)
ТАБЛИЦА ДАВЛЕНИЯ НАСЫЩЕННЫХ ВОДЯНЫХ ПАРОВ
Таблица C.1
Таблица давления насыщенных водяных паров
T0, К |  , Па |
273 | 603,6 |
274 | 649,1 |
275 | 697,5 |
276 | 749,1 |
277 | 804,0 |
278 | 862,4 |
279 | 924,6 |
280 | 990,7 |
281 | 1 060,9 |
282 | 1 135,4 |
283 | 1 214,6 |
284 | 1 298,5 |
285 | 1 387,5 |
286 | 1 481,8 |
287 | 1 581,7 |
288 | 1 687,5 |
289 | 1 799,4 |
290 | 1 917,7 |
291 | 2 042,9 |
292 | 2 175,1 |
293 | 2 314,8 |
294 | 2 462,2 |
295 | 2 617,8 |
296 | 2 782,0 |
297 | 2 955,0 |
298 | 3 137,4 |
299 | 3 329,5 |
300 | 3 531,8 |
301 | 3 744,7 |
302 | 3 968,7 |
303 | 4 204,3 |
304 | 4 452,0 |
305 | 4 712,3 |
306 | 4 985,6 |
307 | 5 272,7 |
308 | 5 573,9 |
309 | 5 889,9 |
310 | 6 221,4 |
311 | 6 568,9 |
312 | 6 933,0 |
313 | 7 314,5 |
314 | 7 714,0 |
315 | 8 132,1 |
316 | 8 569,7 |
317 | 9 027,4 |
318 | 9 506,0 |
319 | 10 006,3 |
320 | 10 529,0 |
321 | 11 075,1 |
322 | 11 645,3 |
323 | 12 240,6 |
324 | 12 861,8 |
325 | 13 509,7 |
326 | 14 185,5 |
327 | 14 889,9 |
328 | 15 624,1 |
329 | 16 389,0 |
330 | 17 185,6 |
331 | 18 015,0 |
332 | 18 878,4 |
333 | 19 776,8 |
334 | 20 711,4 |
335 | 21 683,3 |
336 | 22 693,6 |
337 | 23 743,8 |
338 | 24 834,9 |
339 | 25 968,2 |
340 | 27 145,1 |
341 | 28 367,0 |
342 | 29 635,1 |
343 | 30 950,9 |
344 | 32 315,7 |
345 | 33 731,1 |
346 | 35 198,5 |
347 | 36 719,3 |
348 | 38 295,2 |
349 | 39 927,8 |
350 | 41 618,6 |
351 | 43 369,2 |
352 | 45 181,4 |
(справочное)
СВЕДЕНИЯ О СООТВЕТСТВИИ ССЫЛОЧНОГО МЕЖГОСУДАРСТВЕННОГО
СТАНДАРТА МЕЖДУНАРОДНОМУ СТАНДАРТУ, ИСПОЛЬЗОВАННОМУ
В КАЧЕСТВЕ ССЫЛОЧНОГО В ПРИМЕНЕННОМ МЕЖДУНАРОДНОМ СТАНДАРТЕ
Таблица ДА.1
Обозначение ссылочного межгосударственного стандарта | Степень соответствия | Обозначение и наименование ссылочного международного стандарта |
(ISO 21360-1:2020) | MOD | ISO 21360-1:2020 "Вакуумная технология. Стандартные методы измерения характеристик вакуумных насосов. Часть 1. Общие положения" |
Примечание - В настоящей таблице использовано следующее условное обозначение степени соответствия стандарта: - MOD - модифицированный стандарт. |
| Jousten, K. Handbook of vacuum technology |
| Naser K.H. Physical chemistry for technologists and engineers, 3rd edition |
| EN 1012-2:1996 | Compressors and vacuum pumps - Safety precautions - Part 2: Vacuum pumps (Компрессоры и вакуумные насосы. Требования безопасности. Часть 2. Вакуумные насосы) |
УДК 621:006:354 | | MOD |
Ключевые слова: вакуумный насос объемного действия, испытание, давление, производительность, сжатие, неопределенность, мощность |