Главная // Актуальные документы // ГОСТ (Государственный стандарт)СПРАВКА
Источник публикации
М.: ФГБУ "Институт стандартизации", 2024
Примечание к документу
Текст данного документа приведен с учетом
поправки, опубликованной в "ИУС", N 7, 2024.
Документ
введен в действие с 01.02.2024.
Взамен ГОСТ 28572-90.
Название документа
"ГОСТ 28572-2023. Межгосударственный стандарт. Пек каменноугольный. Диэлектрический метод определения массовой доли веществ, не растворимых в хинолине"
(введен в действие Приказом Росстандарта от 29.01.2024 N 154-ст)
"ГОСТ 28572-2023. Межгосударственный стандарт. Пек каменноугольный. Диэлектрический метод определения массовой доли веществ, не растворимых в хинолине"
(введен в действие Приказом Росстандарта от 29.01.2024 N 154-ст)
Приказом Федерального агентства
по техническому регулированию
и метрологии
от 29 января 2024 г. N 154-ст
МЕЖГОСУДАРСТВЕННЫЙ СТАНДАРТ
ПЕК КАМЕННОУГОЛЬНЫЙ
ДИЭЛЕКТРИЧЕСКИЙ МЕТОД ОПРЕДЕЛЕНИЯ МАССОВОЙ ДОЛИ
ВЕЩЕСТВ, НЕ РАСТВОРИМЫХ В ХИНОЛИНЕ
Coal-pitch. Dielectric method for the determination
of mass fraction of substances insoluble in quinolone
ГОСТ 28572-2023
Дата введения
1 февраля 2024 года
Цели, основные принципы и общие правила проведения работ по межгосударственной стандартизации установлены
ГОСТ 1.0 "Межгосударственная система стандартизации. Основные положения" и
ГОСТ 1.2 "Межгосударственная система стандартизации. Стандарты межгосударственные, правила и рекомендации по межгосударственной стандартизации. Правила разработки, принятия, обновления и отмены"
1 РАЗРАБОТАН Акционерным обществом "Восточный научно-исследовательский углехимический институт" (АО "ВУХИН"), Техническим комитетом по стандартизации ТК 395 "Кокс и продукты коксохимии"
2 ВНЕСЕН Федеральным агентством по техническому регулированию и метрологии
3 ПРИНЯТ Межгосударственным советом по стандартизации, метрологии и сертификации (протокол от 25 сентября 2023 г. N 165-П)
За принятие проголосовали:
Краткое наименование страны по МК (ИСО 3166) 004-97 | Код страны по МК (ИСО 3166) 004-97 | Сокращенное наименование национального органа по стандартизации |
Армения | AM | ЗАО "Национальный орган по стандартизации и метрологии" Республики Армения |
Беларусь | BY | Госстандарт Республики Беларусь |
Киргизия | KG | Кыргызстандарт |
Россия | RU | Росстандарт |
Таджикистан | TJ | Таджикстандарт |
Узбекистан | UZ | Узстандарт |
4 Приказом Федерального агентства по техническому регулированию и метрологии от 29 января 2024 г. N 154-ст межгосударственный стандарт ГОСТ 28572-2023 введен в действие в качестве национального стандарта Российской Федерации с 1 февраля 2024 г.
5 ВЗАМЕН ГОСТ 28572-90
Информация о введении в действие (прекращении действия) настоящего стандарта и изменений к нему на территории указанных выше государств публикуется в указателях национальных стандартов, издаваемых в этих государствах, а также в сети Интернет на сайтах соответствующих национальных органов по стандартизации.
В случае пересмотра, изменения или отмены настоящего стандарта соответствующая информация будет опубликована на официальном интернет-сайте Межгосударственного совета по стандартизации, метрологии и сертификации в каталоге "Межгосударственные стандарты"
Настоящий стандарт распространяется на каменноугольный пек, получаемый при переработке каменноугольной смолы, и устанавливает метод определения массовой доли веществ, не растворимых в хинолине,

диэлектрическим методом.
Диапазон измерения массовой доли веществ, не растворимых в хинолине, от 5% масс до 14% масс.
Метод основан на зависимости диэлектрической проницаемости от содержания веществ, не растворимых в хинолине,

в каменноугольном пеке.
В настоящем стандарте использованы нормативные ссылки на следующие межгосударственные стандарты:
ГОСТ 400 Термометры стеклянные для испытаний нефтепродуктов. Технические условия
ГОСТ 3306 Сетки с квадратными ячейками из стальной рифленой проволоки. Технические условия
ГОСТ 5445 Продукты коксования химические. Правила приемки и методы отбора проб
ГОСТ 5929 Гайки шестигранные низкие класса точности A. Конструкция и размеры
ГОСТ 6613 Сетки проволочные тканые с квадратными ячейками. Технические условия
ГОСТ 9147 Посуда и оборудование лабораторные фарфоровые. Технические условия
ГОСТ 9880 Толуол каменноугольный и сланцевый. Технические условия
ГОСТ 10200 Пек каменноугольный электродный. Технические условия
ГОСТ 17616 Лампы электрические. Методы измерения электрических и световых параметров <1>
--------------------------------
<1> В Российской Федерации действует
ГОСТ Р 55702-2020 "Источники света электрические. Методы измерений электрических и световых параметров".
ГОСТ 21240 Скальпели и ножи медицинские. Общие технические требования и методы испытаний
ГОСТ 25336 Посуда и оборудование лабораторные стеклянные. Типы, основные параметры и размеры
ГОСТ 30421 Измерители электрической емкости, активного сопротивления и тангенса угла потерь высоковольтные. Общие технические условия
ГОСТ OIML R 76-1 Государственная система обеспечения единства измерений. Весы неавтоматического действия. Часть 1. Метрологические и технические требования. Испытания <2>
--------------------------------
<2> В Российской Федерации также действует
ГОСТ Р 53228-2008 "Весы неавтоматического действия. Часть 1. Метрологические и технические требования. Испытания".
Примечание - При пользовании настоящим стандартом целесообразно проверить действие ссылочных стандартов и классификаторов на официальном интернет-сайте Межгосударственного совета по стандартизации, метрологии и сертификации (www.easc.by) или указателям национальных стандартов, издаваемым в государствах, указанных в
предисловии, или на официальных сайтах соответствующих национальных органов по стандартизации. Если на документ дана недатированная ссылка, то следует использовать документ, действующий на текущий момент, с учетом всех внесенных в него изменений. Если заменен ссылочный документ, на который дана датированная ссылка, то следует использовать указанную версию этого документа. Если после принятия настоящего стандарта в ссылочный документ, на который дана датированная ссылка, внесено изменение, затрагивающее положение, на которое дана ссылка, то это положение применяется без учета данного изменения. Если ссылочный документ отменен без замены, то положение, в котором дана ссылка на него, применяется в части, не затрагивающей эту ссылку.
3.2 Подготовка проб - в соответствии с требованиями
ГОСТ 10200. Из средней лабораторной пробы пека с размером частиц менее 3 мм отбирают фракцию крупностью от 1 до 3 мм и фракцию менее 0,25 мм.
Первую фракцию крупностью от 1 до 3 мм используют для определения емкости ячейки с пробой пека диэлектрическим методом.
Вторую фракцию крупностью не более 0,25 мм используют для определения массовой доли веществ, не растворимых в хинолине, в соответствии с
ГОСТ 10200 для определения градуировочной характеристики.
4 Аппаратура, посуда и реактивы
Установка для определения веществ, не растворимых в хинолине, в комплект которой входят:
- измеритель емкости от 10 до 100 пФ (частота 103 Гц) по ГОСТ 30421 класса точности не ниже 1;
- ячейка (см.
рисунок 1), состоящая из двух плоскопараллельных дисковых электродов. Допускается использовать ячейки других конструкций с теми же метрологическими характеристиками;
1 - электрод; 2 - шаблон N 1; 3 - шаблон N 2; 4 - плита
нижняя; 5 - гайка М 6,3 по ГОСТ 5929; 6 - болт; 7 - втулка;
8 - гайка М 8,5 по ГОСТ 5929; 9 - гайка М 20 x 1,5;
10 - плита верхняя; 11 - втулка; 12 - направляющая;
13 - контакт; 14 - винт М 3 x 8,58
Рисунок 1 - Ячейка для определения веществ, не растворимых
в хинолине
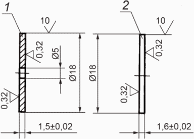
- шаблон N 1 (с отверстием) (см.
рисунок 2), шаблон N 2 (без отверстия) (см.
рисунок 2). Допускается использование одного шаблона диаметром (55,0 +/- 0,5) мм, соответствующего шаблону, изображенному на
рисунке 2, или шаблона N 1 с прокладкой из любого материала толщиной 0,1 мм;
1 - шаблон N 1; 2 - шаблон N 2
- шкаф сушильный электрический, обеспечивающий нагрев до 160 °C;
- термометр ртутный стеклянный с диапазоном измерения от 0 °C до 200 °C и ценой деления 1 °C по
ГОСТ 400 или термометр типа ТЛ 2 N 4 по нормативному документу <1> государства, принявшего настоящий стандарт;
--------------------------------
<1> В Российской Федерации действуют ТУ 25-2021.003-88 "Термометры ртутные стеклянные лабораторные".
- шпатель фарфоровый по
ГОСТ 9147 или другое приспособление из некорродирующего материала для взятия навески;
- ступка фарфоровая по
ГОСТ 9147 с пестиком вместимостью 250 см
3 или другой измельчитель, не загрязняющий пробу при истирании;
- тестер или контрольная лампа.
Примечание - Контрольные лампы накаливания должны быть отобраны по ГОСТ 17616-82 (подпункт 2.1.6.1), методике, согласованной с заказчиком, и удовлетворять требованиям к светоизмерительным и контрольным лампам, изложенным в нормативном документе государства <1>, принявшего настоящий стандарт;
--------------------------------
<1> В Российской Федерации действует ГОСТ Р 55702-2020 "Источники света электрические. Методы измерений электрических и световых параметров"
(пункт 4.2.5).
- вентилятор любого типа;
- холодильник с морозильной камерой, поддерживающей температуру не ниже минус 10 °C.
- аналитические, с пределом взвешивания не менее 200 г, класса точности I, с поверочной ценой деления <= 0,001 г;
- электронные, класса точности II, с поверочной ценой деления 0,001 - 0,1 г;
- технические, класса точности III, с поверочной ценой деления 0,1 - 5,0 г.
Допускается применение других средств измерения с метрологическими характеристиками и оборудования с техническими характеристиками не хуже, а также реактивов по качеству, не ниже указанных в настоящем стандарте.
5.1.1 Ячейку собирают в соответствии с
рисунком 1 и устанавливают межэлектродное расстояние (1,5 мм) следующим образом: на нижнюю плиту кладут три шаблона N 1 (с отверстиями), электрод в сборе с верхней плитой устанавливают на шаблоны таким образом, чтобы направляющие вошли в отверстие нижней плиты.
Опорные болты 6 верхней плиты не должны при этом касаться нижней плиты.
Присоединив один контакт тестера или контрольной лампы к нижней плите и касаясь вторым концом поочередно каждого из трех опорных болтов, последовательно заворачивают все три болта до момента касания с нижней плитой, что обнаруживается тестером или контрольной лампой по появлению электрического контакта. После установки каждого опорного болта затягивают контргайку 5.
По окончании сборки ячейки все три опорных болта должны иметь электрический контакт с нижней плитой.
Для проверки параллельности устанавливают шаблон N 2 или шаблон N 1 с прокладкой. При этом все три болта не должны иметь электрического контакта с нижней плитой. При наличии контакта установку болтов повторяют.
5.1.2 Ячейку настраивают каждый раз после перерыва в работе или не реже одного раза в неделю при работе установки.
Межэлектродное расстояние в ячейке контролируют по величине емкости пустой ячейки по
5.3.
Шаблоны и прокладки проверяют микрометром. Их толщину измеряют по всему периметру в трех точках не менее чем по три раза в каждой точке. Отклонение результатов каждого измерения от номинального значения толщины шаблона или прокладки должно находиться в пределах +/- 0,03 мм.
5.2 Подготовка установки к измерениям
Установку для измерения емкости собирают по схеме в соответствии с
рисунком 3.
Ячейку подключают к измерителю емкости экранированными проводами. При проведении измерений провод, который подключают к нижней плите, отмечают меткой. Экраны проводов подключают к верхней плите.
1 - измеритель емкости; 2 - экранированные провода;
3 - верхний электрод; 4 - изоляционная прокладка;
5 - верхняя плита ячейки; 6 - нижний электрод (нижняя
плита); 7 - заземление измерителя емкости
Рисунок 3 - Подготовка установки к измерениям
5.3 Измерение емкости пустой ячейки
Включают измеритель емкости согласно инструкции к прибору, прогревают его в течение 15 - 20 мин, подключают пустую настроенную ячейку к клеммам прибора, как указано в
5.2, и измеряют емкость пустой ячейки. За результат принимают среднеарифметическое результатов трех измерений при условии, что расхождение между ними не будет превышать 0,5 пФ. Если это условие не выполняется, проводят повторную настройку ячейки по
5.1.
Емкость пустой ячейки измеряют каждый раз перед проведением анализа.
Емкости разных ячеек должны находиться в интервале от 12 до 16 пФ. Если это условие не выполняется, необходимо провести повторную настройку ячейки.
5.4 При анализе проб пека можно использовать несколько ячеек с разными геометрическими параметрами, поэтому результаты измерений необходимо привести к емкости пустой ячейки с определенным межэлектродным расстоянием.
Приведенную емкость ячейки с анализируемой пробой пека Cп в пикофарадах вычисляют по формуле

, (1)
где C1 - емкость ячейки с пеком, приведенная к температуре опыта и определяемая по формуле
C1 = C2 + (t0 - t)·0,17, (2)
где C2 - емкость ячейки с анализируемой пробой пека, полученная непосредственно при измерении, пФ;
t0 - температура, при которой была определена градуировочная характеристика, °C;
t - температура, при которой проведено измерение емкости ячейки с анализируемой пробой пека, °C;
0,17 - поправочный коэффициент, пФ/°C;
11,58 - расчетная емкость пустой ячейки с определенными геометрическими параметрами (расстояние между электродами - 1,5 мм, диаметр электродов - 50 мм), пФ;
C - емкость пустой ячейки, используемой при измерении.
Приведенные емкости ячеек с пеком используют для определения градуировочной характеристики и анализа проб пека.
5.5 Измерение емкости ячейки с пеком
5.5.1 Фракцию от 1 до 3 мм пробы пека (см.
3.2) используют для определения емкости. Для этого берут навеску пека массой 9,0 г, переносят на нижнюю плиту ячейки, выравнивают и уплотняют поверхность шпателем.
Плиту с пеком устанавливают в сушильный шкаф, предварительно нагретый до температуры (160 +/- 5) °C. Температуру в шкафу контролируют термометром, ртутный резервуар которого должен быть расположен на уровне плиты. Верхнюю плиту помещают под вентилятор. По секундомеру определяют время выдержки. Оно будет складываться из времени расплавления образца пека до образования гладкой поверхности и термовыдержки от 5 до 10 мин. Общее время пребывания ячейки в сушильном шкафу должно быть не более 30 мин.
Плиту с пеком вынимают из шкафа, устанавливают на ровную горизонтальную поверхность и сразу же опускают верхнюю плиту ячейки на расплавленный пек. Следят, чтобы все три опорных болта касались нижней плиты ячейки. Устанавливают ячейку с пеком под вентилятор и охлаждают до температуры (25 +/- 5) °C в течение 30 - 40 мин.
Охлажденную ячейку с пеком подключают к клеммам прибора, как указано в
5.2, и измеряют ее емкость (
C2). За результат принимают среднеарифметическое результатов трех измерений, при условии, что расхождение между ними не будет превышать 1 пФ. Если расхождение превышает 1 пФ, то необходимо проверить правильность подключения ячейки к прибору.
Затем ячейку открывают. Если она не открывается без дополнительных усилий (например, без постукивания молотком по ребру нижней плиты), эксперимент следует повторить.
Измерение для каждой пробы пека повторяют дважды, начиная с измерения емкости пустой ячейки (см.
5.3) и взятия навески.
5.5.2 После измерения ячейку очищают от пека и готовят следующую пробу к испытаниям.
Для очистки нижней плиты ее предварительно охлаждают в морозильной камере холодильника в течение 20 - 30 мин, затем очищают скальпелем. Верхнюю плиту протирают тампоном, смоченным толуолом.
Допускается применять другие способы очистки ячеек от пека или меры, предотвращающие прилипание пека к металлу, если они не влияют на результаты измерения.
5.6 Определение градуировочных характеристик
Для определения градуировочных характеристик используют не менее пяти проб пека крупностью не более 0,25 мм с массовой долей веществ, не растворимых в хинолине, наиболее характерных для каждого предприятия. При этом разница между минимальным и максимальным значениями не должна превышать 3%.
В каждой пробе пека определяют массовую долю веществ, не растворимых в хинолине,

по
ГОСТ 10200 и соответствующую ей емкость (
C2) (см.
5.5), которую затем пересчитывают на приведенную емкость (
Cп) по
5.4. Проводят не менее двух параллельных определений.
Для всех проб пека определяют среднее арифметическое значение массовой доли веществ, не растворимых в хинолине,

и приведенной емкости

и вычисляют коэффициент
a уравнения градуировочной характеристики по формуле

, (3)
где

- среднеарифметическое значение массовой доли веществ, не растворимых в хинолине, %;
b - коэффициент, установленный экспериментально и равный 0,435;

- среднеарифметическое значение приведенной емкости, пФ.
Допускается находить среднее арифметическое значение массовой доли веществ, не растворимых в хинолине,

и приведенной емкости

, проводя десять параллельных определений из одной пробы пека.
Допускается находить коэффициенты
a и
b по нескольким пробам пека методом наименьших квадратов, как указано в
приложении А. При этом число определений должно быть не менее десяти, а интервал значений массовой доли веществ, не растворимых в хинолине, в пеке может быть более 3%.
Коэффициенты градуировочной характеристики проверяют не реже одного раза в шесть месяцев.
Навеску пека массой 9 г анализируют, как указано в
5.5.
Измеряют емкость ячейки (
C2) с пробой пека, и вычисляют по ней приведенную емкость (
Cп), как указано в
5.4, и по найденной емкости определяют массовую долю веществ, не растворимых в хинолине.
7.1 Массовую долю веществ, не растворимых в хинолине,

, %, вычисляют по формуле

, (4)
где
b - коэффициент, равный 0,435 или определенный в соответствии с
5.6;
Cп - приведенная емкость ячейки с пеком, рассчитанная в соответствии с
5.4, пФ;
a - градуировочный коэффициент (см.
5.6).
Результат измерения вычисляют до первого десятичного знака.
7.2 Прецизионность метода
7.2.1 Предел повторяемости
Результаты двух параллельных измерений, выполненных в условиях повторяемости (в одной лаборатории, одним оператором, на одном и том же оборудовании, в течение короткого промежутка времени, с использованием представительной пробы), не должны превышать 0,7% при массовой доле веществ, не растворимых в хинолине, до 10% включительно; 1,0% - при массовой доле веществ, не растворимых в хинолине, более 10%.
7.2.2 Допускаемая абсолютная суммарная погрешность результата анализа +/- 0,35% при массовой доле веществ, не растворимых в хинолине, до 10% включительно и +/- 0,5% при массовой доле более 10% при доверительной вероятности 0,95.
Результат анализа округляют до целого числа.
(рекомендуемое)
ОПРЕДЕЛЕНИЕ КОЭФФИЦИЕНТОВ a И b МЕТОДОМ НАИМЕНЬШИХ КВАДРАТОВ
По экспериментальным данным, см.
5.6, определяют коэффициенты
a и
b по формулам:

, (А.1)

, (А.2)
где m - число опытов, проведенных при определении градуировочной характеристики;

- массовая доля веществ, не растворимых в хинолине, определяемая по
ГОСТ 10200, %;
Cпi - приведенная емкость ячейки с пеком, см.
5.4.
Суммирование во всех случаях проводится от 1 до m.
УДК 662.749:543.544:006.354 | |
Ключевые слова: продукты коксохимические, газохроматографический метод, 2-пиколин, 3-пиколин, 4-пиколин, пиридин-растворитель, бета-пиколиновая фракция |