Главная // Актуальные документы // ГОСТ (Государственный стандарт)СПРАВКА
Источник публикации
М.: Издательство стандартов, 1979
Примечание к документу
Документ утратил силу на территории Российской Федерации с 01.01.2010 в связи с изданием
Приказа Ростехрегулирования от 06.04.2009 N 125-ст. Взамен рекомендуется использовать
ГОСТ 23118-99.
Документ введен в действие с 01.01.1981 (
Постановление Госстроя СССР от 22.05.1979 N 70).
Название документа
"ГОСТ 23682-79. Государственный стандарт Союза ССР. Колонны стальные ступенчатые для зданий с мостовыми электрическими кранами общего назначения грузоподъемностью до 50 т. Технические условия"
(утв. Постановлением Госстроя СССР от 22.05.1979 N 70)
"ГОСТ 23682-79. Государственный стандарт Союза ССР. Колонны стальные ступенчатые для зданий с мостовыми электрическими кранами общего назначения грузоподъемностью до 50 т. Технические условия"
(утв. Постановлением Госстроя СССР от 22.05.1979 N 70)
Утвержден и введен в действие
от 22 мая 1979 г. N 70
ГОСУДАРСТВЕННЫЙ СТАНДАРТ СОЮЗА ССР
КОЛОННЫ СТАЛЬНЫЕ СТУПЕНЧАТЫЕ ДЛЯ ЗДАНИЙ
С МОСТОВЫМИ ЭЛЕКТРИЧЕСКИМИ КРАНАМИ ОБЩЕГО НАЗНАЧЕНИЯ
ГРУЗОПОДЪЕМНОСТЬЮ ДО 50 т
ТЕХНИЧЕСКИЕ УСЛОВИЯ
Steel stepped columns for buildings with general-purpose
overhead electric cranes of 50 m capacity. Specifications
ГОСТ 23682-79
Срок введения в действие
1 января 1981 года
Разработан Государственным комитетом СССР по делам строительства Минмонтажспецстроем СССР.
Исполнители: А.Е. Лапук (руководитель темы), М.Ю. Бельская, С.И. Бочкова, У.П. Шибаев, А.Я. Болтянский, Э.М. Кулешова.
Внесен Государственным комитетом СССР по делам строительства.
Начальник отдела В.А. Алексеев.
Утвержден и введен в действие
Постановлением Государственного комитета СССР по делам строительства от 22 мая 1979 г. N 70.
Настоящий стандарт распространяется на стальные сварные ступенчатые колонны с надкрановой (верхней) сплошностенчатой частью и подкрановой (нижней) решетчатой частью.
Колонны предназначаются для одноэтажных производственных зданий высотой от 10,8 до 18,0 м, пролетами от 18 до 36 м; с одноярусным расположением кранов, возводимых в районах с расчетной температурой наружного воздуха минус 65 °C и выше и сейсмичностью до 9 баллов включительно, с неагрессивными, слабо- и среднеагрессивными средами. В зданиях для производств со среднеагрессивными средами шаг колонн должен быть не менее 12 м.
Колонны должны удовлетворять требованиям ГОСТ 23118-78 и требованиям, изложенным в соответствующих разделах настоящего стандарта.
1.1. Колонны должны изготовляться двух видов:
с односторонней подкрановой ступенью для крайнего ряда;
с двусторонней подкрановой ступенью для среднего ряда.
1.2. Колонны каждого вида могут изготовляться в двух исполнениях:
1 - для зданий без проходов вдоль крановых путей;
2 - для зданий с проходами вдоль крановых путей.
Колонны среднего ряда в исполнении 2 должны изготовляться с надкрановой частью, смещенной относительно продольной разбивочной оси здания для возможности прохода с одной стороны колонны.
1.3. Основные размеры колонн и привязки колонн к продольным осям здания должны соответствовать указанным на чертеже и в
табл. 1.
------------------------------
<*> При обосновании допускается - 0,900 м.
<**> При назначении ряда а следует руководствоваться указаниями
СНиП II-М.2-72.
1 - плита; 2 - ребро на уровне верха подкрановой балки;
3 - подкрановая ступень; 4 - стенка подкрановой ступени;
5 - диафрагма; 6 - анкерная плитка; 7 - траверса базы;
8 - плита базы; 9 - шаблон для сборки на монтаже.
──────────┬───────────────────────────────────────────────────────
L, мм │От 6230 до 14200 включ.
──────────┼───────────────────────────────────────────────────────
L , мм │От 3200 до 5200 включ.
1 │
──────────┼───────────────────────────────────────────────────────
Н, м │10,8; 12,0; 13,2; 14,4; 15,6; 16,8; 18,0
2. ТЕХНИЧЕСКИЕ ТРЕБОВАНИЯ
2.1. Колонны должны изготовляться в соответствии с требованиями настоящего стандарта и
СНиП III-18-75, по рабочим чертежам КМД, утвержденным в установленном порядке.
2.2. Надкрановая часть колонн и ветви подкрановой части должны быть двутаврового сечения, решетка подкрановой части - двухплоскостной из одиночных уголков.
Допускается для наружной ветви колонн крайнего ряда швеллерное сечение. В зданиях для производств со среднеагрессивными средами наружная ветвь колонн должна быть только швеллерного сечения.
2.3. Колонны должны изготовляться из проката стали классов, приведенных в табл. 2.
Таблица 2
─────────────────────┬────────────────────────────────────┬───────
Наименование │ Прокат │ Класс
элемента ├──────────────────────┬─────────────┤ стали
│ Вид │Обозначение │
│ │нормативно- │
│ │технического │
│ │документа │
─────────┬───────────┼──────────────────────┼─────────────┼───────
Надкра- │ Основной │ Двутавр с параллель- │ТУ 14-2-24-72│С38/23;
новая │элемент │ными гранями полок │ │С44/29;
часть │ ├──────────────────────┼─────────────┤С46/33
│ │сварном двутавре) │ │
├───────────┼──────────────────────┤ │
│ Плита, │ Сталь листовая │ │
│ребро │ │ │
ИС МЕГАНОРМ: примечание.
Взамен ГОСТ 8240-72 Постановлением Госстандарта СССР от 27.09.1989
─────────┼───────────┼──────────────────────┼─────────────┤
Подкра- │ Ветвь │ Балка двутавровая │ГОСТ 8239-72 │
новая │ ├──────────────────────┼─────────────┤
часть │ │ Двутавр с параллель- │ТУ 14-2-24-72│
колонны │ │ными гранями полок │ │
│ ├──────────────────────┼─────────────┤
│ │сварном двутавре или │ │
│ │холодногнутом швел- │ │
│ │лере) │ │
│ ├──────────────────────┼─────────────┤
│ │ Швеллер │ГОСТ 8240-72 │
├───────────┼──────────────────────┼─────────────┤
│ Элемент │ Сталь угловая │ГОСТ 8509-72 │
│решетки │равнополочная │ │
├───────────┼──────────────────────┼─────────────┤
│ Диафрагма │ Швеллер │ГОСТ 8240-72 │
├───────────┼──────────────────────┼─────────────┤
│стенка │ │ │
│подкрановой│ │ │
│ступени, │ │ │
│ребро, │ │ │
│стыковая │ │ │
│накладка, │ │ │
│фасонка, │ │ │
│траверса │ │ │
│базы │ │ │
─────────┴───────────┤ │ │
Плита базы │ │ │
─────────────────────┤ │ │
Анкерная планка │ │ │
Примечание. Выбор класса и марки стали для элементов колонн должен производиться в соответствии со СНиП II-В.3-72 и
СНиП II-28-73.
2.4. Торцы надкрановых и подкрановых частей колонн, а также верхняя плоскость плит баз должны быть механически обработанными в соответствии с указаниями на
чертеже.
Шероховатость механически обработанной поверхности - Rz <= 320 мкм (1-й класс) по
ГОСТ 2789-73.
| | ИС МЕГАНОРМ: примечание. Взамен ГОСТ 8713-70 Постановлением Госстандарта СССР от 26.12.1979 N 5047 с 1 января 1981 года введен в действие ГОСТ 8713-79. | |
2.5. Сварные соединения элементов колонн должны быть выполнены автоматической и полуавтоматической сваркой по ГОСТ 8713-70 или
ГОСТ 14771-76.
| | ИС МЕГАНОРМ: примечание. Взамен ГОСТ 5264-69 Постановлением Госстандарта СССР от 03.05.1980 N 1079 с 1 июля 1981 года введен в действие ГОСТ 5264-80. | |
Допускается применение ручной сварки по ГОСТ 5264-69 для монтажных соединений.
2.6. Материалы для сварки, а также болты грубой или нормальной точности должны приниматься в соответствии со СНиП II-В.3-72.
2.7. Предельные отклонения линейных размеров колонн и их элементов от номинальных приведены в табл. 3.
Таблица 3
мм
Наименование размера | Пред. откл. | Эскиз |
Длина подкрановой части колонны L | +/- 4,0 | |
Длина надкрановой части колонны L1 | +/- 6,0 |
Длина всей колонны (L + L1 + 1,5) | +/- 12,0 |
Высота сварного сечения надкрановой части колонны h | +/- 3,0 | |
Расстояние между ветвями подкрановой части колонны (в сечениях колонны в пределах подкрановой ступени и базы) l: | | |
для крайнего ряда | +/- 3,0 |
для среднего ряда | +/- 3,0 | |
Привязка вертикального ребра подкрановой ступени колонны крайнего ряда l | +/- 3,0 | |
Привязка вертикальных ребер подкрановой ступени колонны среднего ряда: | | |
l | +/- 3,0 |
l1; l2 | +/- 2,0 |
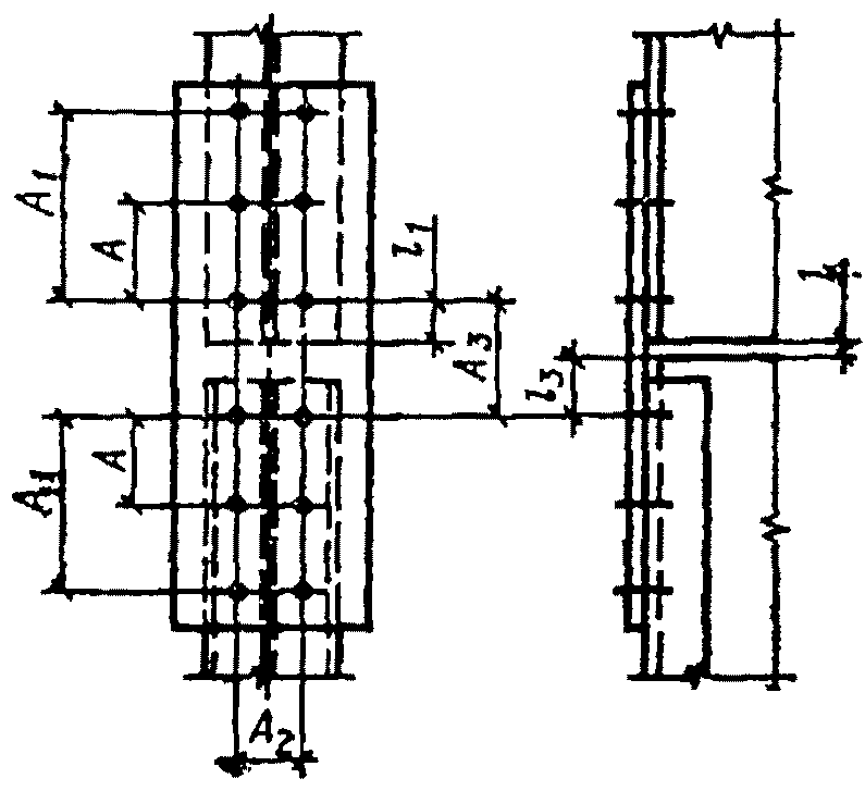
Расстояние между осями отверстий в плите надкрановой части колонны и в плите подкрановой ступени A; A1 | +/- 1,5 | |
Расстояние между ребром, расположенным на уровне верха подкрановой балки, и нижним торцом надкрановой части колонны l | +/- 2,0 | |
Расстояние между осью отверстий для крепления подкрановой балки и ребром l1 | +/- 1,5 |
Расстояние между осями отверстий A | +/- 1,5 |
В колонне крайнего ряда: | | |
расстояние между осями отверстий для крепления тормозных устройств A; A1; A2 | +/- 1,5 |
расстояние между осью отверстий и ребром, расположенным на уровне верха подкрановой балки l | +/- 1,5 |
В стыке колонны крайнего ряда: | | |
расстояние между осями отверстий A; A1; A2; A3 | +/- 0,5 |
расстояние между осью отверстий и торцом надкрановой или подкрановой частей колонны l1; l2; l3 | +/- 0,5 | Допускаемый вариант с наружной ветвью швеллерного сечения |
зазор между стыкуемыми частями колонны l | +/- 1,5 | |
В стыке колонны среднего ряда: | | |
расстояние между осью отверстий и осью надкрановой части колонны A; A1 | +/- 0,5 |
расстояние между осями отверстий A2 | +/- 0,5 |
расстояние между осью отверстий и торцом надкрановой или подкрановой частей колонны l1 | +/- 0,5 |
зазор между стыкуемыми частями колонны l | +/- 1,5 |
2.8. Предельные отклонения формы и расположения поверхностей элементов колонн от проектных приведены в табл. 4.
Таблица 4
мм
Наименование отклонения | Пред. откл.  | Эскиз |
Непрямолинейность надкрановой части колонны, ветвей подкрановой части и всей колонны по длине L; L1; L + L1 + 1,5: | | |
до 4000 включ. | 5,0 |
св. 4000 " 8000 " | 8,0 |
" 8000 | 13,0 |
Смещение оси стенки подкрановой ступени | 3,0 | |
Неперпендикулярность механически обработанного торца элемента колонны к его продольной оси при размере B: | | |
до 500 включ. | 0,3 |
св. 500 | 0,4 |
Взаимное смещение нижних торцов ветвей при размере l: | | |
до 1000 включ. | 0,6 |
св. 1000 " 1500 " | 0,8 |
2000 | 1,3 |
Смещение осей группы отверстий в плите надкрановой части колонны и в плите подкрановой ступени | 2,0 | |
Неперпендикулярность поверхностей пояса и стенки сварного двутаврового сечения при ширине пояса В: | | |
до 250 включ. | 2,0 |
св. 250 " 500 " | 3,0 |
2.9. К плитам баз колонн (для выверки и закрепления их в проектное положение перед подливкой бетона) должны быть приварены планки с отверстиями для специальных анкерных болтов.
На базах колонн должны быть накернены риски, необходимые при установке колонн в проектное положение.
2.10. Колонны должны быть огрунтованы и окрашены. Грунтовка и окраска должны соответствовать V классу покрытия по
ГОСТ 9.032-74.
3.1. Колонны должны поставляться предприятием-изготовителем комплектно.
В состав комплекта должны входить:
отправочные элементы колонн (надкрановые и подкрановые части; анкерные плитки - по 4 шт. на каждую колонну; плиты баз - по 2 шт. на каждую колонну);
шаблоны для сборки колонн среднего ряда - по одному на двадцать колонн, но не менее двух;
техническая документация - в соответствии с требованиями ГОСТ 23118-78.
Допускается плиты баз отправлять отдельно до поставки остальных элементов комплекта.
Допускается по согласованию потребителя с предприятием-изготовителем соединение надкрановых и подкрановых частей колонн осуществлять на заводе. В этом случае шаблон для сборки колонн в комплект не входит.
4.1. Колонны (отправочные элементы) должны приниматься техническим контролем предприятия-изготовителя поштучно.
4.2. Контроль линейных размеров колонн и их элементов (в том числе размеров сечений профилей проката), формы и расположения поверхностей элементов, качества сварных соединений и подготовки поверхности под защитные покрытия должен производиться до грунтования колонн.
4.3. Контроль качества стыковых швов, соединяющих надкрановую часть колонны с подкрановой, должен производиться в первой и каждой двадцать пятой колонне.
4.4. При поставке колонн частями (надкрановыми и подкрановыми) контрольной сборке должна подвергаться первая и каждая десятая колонна.
4.5. Потребитель имеет право производить приемку колонн, применяя при этом правила приемки и методы контроля, установленные настоящим стандартом.
5.1. Контроль линейных размеров колонн и их элементов, формы и расположения поверхностей элементов, а также шероховатости механически обработанной поверхности следует производить методами и средствами, обеспечивающими требуемую точность измерений.
5.2. Контроль качества швов сварных соединений должен производиться внешним осмотром и измерениями 100% швов по ГОСТ 3242-69.
| | ИС МЕГАНОРМ: примечание. Взамен ГОСТ 14782-76 Постановлением Госстандарта СССР от 17.12.1986 N 3926 с 1 января 1988 года введен в действие ГОСТ 14782-86. | |
Контроль качества стыковых швов, соединяющих надкрановую часть колонны с подкрановой, должен производиться (на заводе или стройплощадке) методами ультразвуковым по ГОСТ 14782-76 или радиографическим по ГОСТ 7512-75.
6. МАРКИРОВКА, ТРАНСПОРТИРОВАНИЕ И ХРАНЕНИЕ
6.1. Изготовленные колонны должны быть замаркированы.
На каждом отправочном элементе колонны должны быть нанесены следующие маркировочные знаки:
номер заказа;
номер чертежа КМД, по которому изготовлен отправочный элемент колонны;
условное обозначение по чертежу КМД с указанием порядкового номера изготовления.
Пример маркировки:
где 210 - номер заказа;
7 - номер чертежа КМД;
К1 - условное обозначение;
3 - порядковый номер изготовления.
6.2. Маркировочные знаки должны наноситься несмываемой краской на отправочном элементе колонны:
для надкрановой части колонны в двух местах - на стенке двутавра в нижнем конце и на наружной плоскости полки в верхнем конце;
для подкрановой части колонны в двух местах - на наружной плоскости полки подкрановой ветви в зоне подкрановой ступени и на наружной плоскости стенки подкрановой ветви на расстоянии 600 - 1000 мм от низа базы;
для плиты базы в одном месте - на механически обработанной плоскости;
для анкерных плиток - на первой и последней плитке из пакета;
на шаблоне маркировочные знаки должны наноситься в одном месте.
6.3. Колонны (надкрановые и подкрановые части) при транспортировании и хранении должны опираться на деревянные подкладки и прокладки. Толщина деревянных подкладок должна быть не менее 50 мм при транспортировании и не менее 150 мм при хранении колонн. Толщина прокладок должна быть не менее 25 мм. Длина подкладок и прокладок должна быть больше габарита опирания колонн не менее чем на 100 мм.
При транспортировании и хранении должна быть обеспечена надежность закрепления колонн и сохранность их от повреждений.
Колонны должны храниться в штабелях высотой не более 2 м.
Плиты баз, анкерные плитки и шаблоны при транспортировании и хранении должны быть соединены в пакеты проволокой.
7.1. Монтаж колонн должен производиться в соответствии с требованиями
СНиП III-18-75.
7.2. Предельные отклонения от проектного положения смонтированных конструкций приведены в табл. 5.
Таблица 5
мм
Наименование отклонения | Пред. откл.  | Эскиз |
Отклонение отметки верха плиты базы | 1,5 | |
Взаимное смещение плит баз по вертикали при размере l: | | |
до 1000 включ. | 0,6 |
св. 1000 " 1500 " | 0,8 |
2000 | 1,3 |
Уклон плиты базы при размере l: | | |
до 250 включ. | 0,2 |
св. 250 " 500 " | 0,3 |
" 500 | 0,5 |
Смещение осей ветвей подкрановой части колонны относительно разбивочных осей в нижнем сечении | 5,0 | |
Отклонение колонны от вертикали в верхнем сечении | 15,0 | |