Главная // Актуальные документы // ГОСТ (Государственный стандарт)СПРАВКА
Источник публикации
М.: ИПК Издательство стандартов, 2004
Примечание к документу
Документ утратил силу с 01.03.2023 в связи с изданием Приказа Росстандарта от 29.08.2022 N 830-ст. Взамен введен в действие
ГОСТ 22442-2022.
С 01.07.2003 до вступления в силу технических регламентов акты федеральных органов исполнительной власти в сфере технического регулирования носят рекомендательный характер и подлежат обязательному исполнению только в части, соответствующей целям, указанным в
пункте 1 статьи 46 Федерального закона от 27.12.2002 N 184-ФЗ.
Документ
введен в действие с 01.07.1978.
Название документа
"ГОСТ 22442-77. Межгосударственный стандарт. Изделия огнеупорные для стабилизирующих камер газовых горелок. Технические условия"
(утв. и введен в действие Постановлением Госстандарта СССР от 28.03.1977 N 761)
(ред. от 01.03.1988)
"ГОСТ 22442-77. Межгосударственный стандарт. Изделия огнеупорные для стабилизирующих камер газовых горелок. Технические условия"
(утв. и введен в действие Постановлением Госстандарта СССР от 28.03.1977 N 761)
(ред. от 01.03.1988)
Утвержден и введен в действие
Постановлением Государственного
комитета стандартов
Совета Министров СССР
от 28 марта 1977 г. N 761
МЕЖГОСУДАРСТВЕННЫЙ СТАНДАРТ
ИЗДЕЛИЯ ОГНЕУПОРНЫЕ ДЛЯ СТАБИЛИЗИРУЮЩИХ КАМЕР
ГАЗОВЫХ ГОРЕЛОК
ТЕХНИЧЕСКИЕ УСЛОВИЯ
Refractory articles for stabilizing gas burner chambers.
Specification
ГОСТ 22442-77
| | Список изменяющих документов (в ред. Изменения N 1, утв. в декабре 1983 г., Изменения N 2, утв. в марте 1988 г.) | |
Дата введения
1 июля 1978 года
1. РАЗРАБОТАН И ВНЕСЕН Министерством газовой промышленности
2. УТВЕРЖДЕН И ВВЕДЕН В ДЕЙСТВИЕ Постановлением Государственного комитета стандартов Совета Министров СССР от 28.03.77 N 761
3. ВВЕДЕН ВПЕРВЫЕ
4. ССЫЛОЧНЫЕ НОРМАТИВНО-ТЕХНИЧЕСКИЕ ДОКУМЕНТЫ
Обозначение НТД, на который дана ссылка | Номер пункта, подпункта |
| |
| |
| |
| | ИС МЕГАНОРМ: примечание. ГОСТ 2642.0-86 утратил силу с 1 января 2016 года в связи с введением в действие ГОСТ 2642.0-2014 (Приказ Росстандарта от 31.03.2015 N 206-ст). | |
|
| | ИС МЕГАНОРМ: примечание. Взамен ГОСТ 2642.1-86 Приказом Росстандарта от 10.06.2016 N 606-ст с 1 января 2017 года введен в действие ГОСТ 2642.1-2016. | |
|
| |
| |
| |
| |
| |
| |
| |
| |
| |
ГОСТ 7875.0-94 - ГОСТ 7875.2-94 | |
| |
| |
| |
| |
| |
| |
| |
| |
| |
| |
| | ИС МЕГАНОРМ: примечание. Взамен ГОСТ 24717-94 Приказом Ростехрегулирования от 30.03.2005 N 66-ст с 1 января 2006 года введен в действие ГОСТ 24717-2004. | |
|
ГОСТ 24717-94 | |
| |
5. Ограничение срока действия снято по протоколу N 3-93 Межгосударственного совета по стандартизации, метрологии и сертификации (ИУС 5-6-93)
6. ИЗДАНИЕ с Изменениями N 1, 2, утвержденными в декабре 1983 г., марте 1988 г. (ИУС 3-84, 6-88)
Настоящий стандарт распространяется на огнеупорные изделия для стабилизирующих камер газовых горелок, имеющих среднюю скорость выхода воздуха из носика горелки не более 45 м/с (при температуре воздуха 20 °C).
Стандарт не распространяется на огнеупорные изделия для стабилизирующих камер скоростных, радиационных и плоскосимметричных горелок.
1.1. Огнеупорные изделия для стабилизирующих камер газовых горелок изготовляются следующих марок, указанных в табл. 1.
Таблица 1
Марка | Наименование изделия |
ША | Шамотные горелочные |
МЛС-62 | Муллитовые, среднеплотные, горелочные |
МКС-72 | Муллитокорундовые, среднеплотные, горелочные |
(Измененная редакция, Изм. N 1, 2).
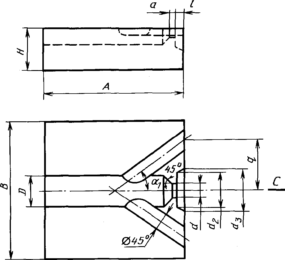
2. ОСНОВНЫЕ ПАРАМЕТРЫ И РАЗМЕРЫ
2.1. Формы и размеры изделий должны соответствовать указанным на черт. 1 -
14 и в
табл. 2,
3,
3а и
3б.
Комплектование огнеупорных блоков стабилизирующих камер для газовых горелок типа Н, ИУ, В, ВП осуществляется в соответствии с
табл. 3в; для газовых горелок типа ГНП - в соответствии с
табл. 3г.
Черт. 1
Черт. 2
Черт. 3
Черт. 4
Изделия N 12-1-12-8
Черт. 5
Изделия N 13-1-13-8
Черт. 6
Черт. 7
Черт. 8
Черт. 9
Черт. 10
Изделие N 17-2
Черт. 11
Изделие N 17-3
Черт. 12
Черт. 13
Черт. 14
Номер изделия | d | d1 | d2 | d3 | d4 | a | b | l | c | q | e | D | D1 | B | H |  , град |  , град |
мм |
1-1 | 35 | 56 | 82 | 92 | 34 | 15 | 1 | 25 | 15 | 92 | 15 | 94 | 144 | 230 | 98 | 45 | 25 |
1-2 | 35 | 56 | 82 | 92 | - | 15 | 7 | 25 | 15 | - | 15 | 94 | 144 | 230 | 98 | 45 | - |
2-1 | 45 | 66 | 102 | 120 | 34 | 15 | 7 | 40 | 15 | 102 | 15 | 114 | 154 | 230 | 98 | 45 | 25 |
2-2 | 45 | 66 | 102 | 120 | - | 15 | 7 | 40 | 15 | - | 15 | 114 | 154 | 230 | 98 | 45 | - |
3-1 | 50 | 71 | 102 | 120 | 34 | 15 | 7 | 40 | 15 | 102 | 15 | 120 | 158 | 230 | 98 | 45 | 25 |
3-2 | 50 | 71 | 102 | 120 | - | 15 | 7 | 40 | 15 | - | 15 | 120 | 158 | 230 | 98 | 45 | - |
4-1 | 60 | 81 | 122 | 144 | 34 | 15 | 7 | 50 | 20 | 104 | 15 | 150 | 188 | 230 | 132 | 45 | 25 |
4-2 | 60 | 81 | 122 | 144 | - | 15 | 7 | 50 | 20 | - | 15 | 150 | 188 | 230 | 132 | 45 | - |
5-1 | 70 | 102 | 142 | 174 | 45 | 20 | 10 | 70 | 20 | 152 | 20 | 180 | 256 | 340 | 165 | 45 | 30 |
5-2 | 70 | 102 | 142 | 174 | - | 20 | 10 | 70 | 20 | - | 20 | 180 | 256 | 340 | 165 | 45 | - |
6-1 | 85 | 117 | 142 | 174 | 45 | 20 | 10 | 70 | 20 | 152 | 20 | 208 | 272 | 340 | 165 | 45 | 30 |
6-2 | 85 | 117 | 142 | 174 | - | 20 | 10 | 70 | 20 | - | 20 | 208 | 272 | 340 | 165 | 45 | - |
7-1 | 100 | 132 | 152 | 184 | 45 | 20 | 10 | 70 | 20 | 152 | 20 | 244 | 284 | 340 | 165 | 45 | 30 |
7-2 | 100 | 132 | 152 | 184 | - | 20 | 10 | 70 | 20 | - | 20 | 244 | 284 | 340 | 165 | 45 | - |
8-1 | 115 | 147 | 174 | 214 | 45 | 20 | 10 | 85 | 20 | 202 | 20 | 290 | 344 | 460 | 199 | 45 | 30 |
8-2 | 115 | 147 | 174 | 214 | - | 20 | 10 | 85 | 20 | - | 20 | 290 | 344 | 460 | 199 | 45 | - |
9-1 | 135 | 175 | 204 | 248 | 45 | 20 | 15 | 100 | 20 | 212 | 20 | 340 | 404 | 460 | 232 | 45 | 30 |
9-2 | 135 | 175 | 204 | 248 | - | 20 | 15 | 100 | 20 | - | 20 | 340 | 404 | 460 | 232 | 45 | - |
10-1 | 150 | 190 | 214 | 266 | 45 | 20 | 15 | 115 | 20 | 212 | 20 | 362 | 406 | 460 | 232 | 47 | 30 |
10-2 | 150 | 190 | 214 | 266 | - | 20 | 15 | 115 | 20 | - | 20 | 362 | 406 | 460 | 232 | 47 | - |
Номер изделия | d | d2 | d3 | a | l | q | D | A | B | H | R |  , град |
мм |
11-1 | 16 | - | 70 | 10 | 7 | 94 | 45 | 345 | 345 | 99 | - | 35 |
11-2 | 19 | - | 70 | 10 | 7 | 94 | 50 | 345 | 345 | 99 | - | 35 |
11-3 | 22 | - | 70 | 10 | 7 | 94 | 55 | 345 | 345 | 99 | - | 35 |
11-4 | 25 | - | 90 | 10 | 22 | 122 | 60 | 345 | 345 | 99 | - | 35 |
11-5 | 29 | - | 90 | 10 | 22 | 122 | 70 | 345 | 345 | 99 | - | 35 |
11-6 | 33 | - | 90 | 10 | 22 | 122 | 80 | 345 | 345 | 99 | - | 35 |
11-7 | 38 | - | 110 | 15 | 37 | 130 | 90 | 345 | 345 | 132 | - | 35 |
11-8 | 43 | - | 110 | 15 | 37 | 130 | 100 | 345 | 345 | 132 | - | 35 |
12-1 | 49 | - | 130 | 15 | 52 | 138 | 115 | 345 | 172 | 132 | - | 25 |
12-2 | 58 | - | 130 | 15 | 52 | 138 | 135 | 345 | 172 | 132 | - | 25 |
12-3 | 67 | - | 150 | 15 | 82 | 188 | 155 | 462 | 230 | 132 | - | 25 |
12-4 | 77 | - | 150 | 15 | 82 | 188 | 180 | 462 | 230 | 132 | - | 25 |
12-5 | 88 | - | 230 | 20 | 22 | 200 | 210 | 462 | 230 | 166 | - | 25 |
12-6 | 88 | - | 165 | 20 | 96 | 200 | 210 | 462 | 230 | 166 | - | 25 |
12-7 | 102 | - | 270 | 20 | 22 | 230 | 240 | 462 | 288 | 166 | - | 30 |
12-8 | 102 | - | 180 | 20 | 96 | 230 | 240 | 462 | 288 | 166 | - | 30 |
13-1 | 49 | - | 130 | 15 | 52 | 138 | 115 | 345 | 172 | 132 | - | 25 |
13-2 | 58 | - | 130 | 15 | 52 | 138 | 135 | 345 | 172 | 132 | - | 25 |
13-3 | 67 | - | 150 | 15 | 82 | 188 | 155 | 462 | 230 | 132 | - | 25 |
13-4 | 77 | - | 150 | 15 | 82 | 188 | 180 | 462 | 230 | 132 | - | 25 |
13-5 | 88 | - | 230 | 20 | 22 | 200 | 210 | 462 | 230 | 166 | - | 25 |
13-6 | 88 | - | 165 | 20 | 96 | 200 | 210 | 462 | 230 | 166 | - | 25 |
13-7 | 102 | - | 270 | 20 | 22 | 230 | 240 | 462 | 288 | 166 | - | 30 |
13-8 | 102 | - | 180 | 20 | 96 | 230 | 240 | 462 | 288 | 166 | - | 30 |
14-1 | 28 | 49 | 58 | 15 | 16 | 100 | 70 | 160 | 228 | 99 | - | 30 |
14-2 | 36 | 64 | 78 | 15 | 26 | 100 | 90 | 205 | 228 | 99 | - | 30 |
14-3 | 48 | 84 | 104 | 20 | 38 | 107 | 120 | 250 | 228 | 99 | - | 30 |
14-4 | 58 | 94 | 120 | 20 | 49 | 120 | 145 | 300 | 228 | 99 | - | 30 |
15-1 | 76 | 134 | 170 | 20 | 69 | 172 | 190 | 146 | 344 | 175 | - | 30 |
15-2 | 94 | 134 | 170 | 20 | 69 | 172 | 235 | 159 | 344 | 175 | - | 30 |
15-3 | 112 | 154 | 200 | 20 | 85 | 185 | 282 | 190 | 460 | 216 | - | 30 |
15-4 | 130 | 174 | 230 | 20 | 112 | 206 | 320 | 177 | 460 | 216 | - | 30 |
16-1 | 76 | 134 | 170 | 20 | 69 | 172 | 190 | 146 | 344 | 175 | 346 | 30 |
16-2 | 94 | 134 | 170 | 20 | 69 | 172 | 235 | 159 | 344 | 175 | 346 | 30 |
16-3 | 112 | 154 | 200 | 20 | 85 | 185 | 282 | 190 | 460 | 216 | 460 | 30 |
16-4 | 130 | 174 | 230 | 20 | 112 | 206 | 320 | 177 | 460 | 216 | 460 | 30 |
Примечания:
1. Изделия N 11-1-11-8
(черт. 4), N 14-1-14-4
(черт. 7), N 15-1-15-4
(черт. 8), N 16-1-16-4
(черт. 9) массой более 25 кг допускается изготовить из двух частей с разрезом по линии
C.
2. При приемке готовой продукции измеряют следующие размеры:
изделий N 11-1-11-8, N 12-1-12-8, N 13-1-13-8-B, H, d, d3
изделий N 14-1-14-4, N 15-1-15-4, N 16-1-16-4-B, H, d, d2.
Номер изделия | A | B | H | H1 | D | R |
мм |
18-1 | 242 | 344 | 352 | 176 | 190 | 346 |
18-2 | 229 | 344 | 352 | 176 | 235 | 346 |
18-3 | 100 | 460 | 434 | 217 | 282 | 460 |
18-4 | 140 | 460 | 434 | 217 | 320 | 460 |
18-5 | 130 | 576 | 518 | 259 | 360 | 577 |
Примечания:
1. Изделия N 18-1-18-5
(черт. 14) массой более 25 кг допускается изготовить из двух или четырех частей с разрезами по линиям
C и
M.
2. При приемке готовой продукции измеряют следующие размеры: изделий N 17-1-17-4 (
черт. 10 -
13) - 287, 258, 196, 236,

,

,

; изделий N 18-1-18-5
(черт. 14) -
B,
H,
H1,
D.
Шифр горелки | Номера изделий, составляющих горелочный блок | Шифр горелки | Номера изделий, составляющих горелочный блок |
Н, ИУ, В, ВП-15 | 11-1 (2 шт.) | Н, ИУ, В, ВП-48 | 12-1 (2 шт.), 13-1 (2 шт.) |
Н, ИУ, В, ВП-18 | 11-2 (2 шт.) | Н, ИУ, В, ВП-56 | 12-2 (2 шт.), 13-2 (2 шт.) |
Н, ИУ, В, ВП-21 | 11-3 (2 шт.) | Н, ИУ, В, ВП-65 | 12-3 (2 шт.), 13-3 (2 шт.) |
Н, ИУ, В, ВП-24 | 11-4 (2 шт.) | Н, ИУ, В, ВП-75 | 12-4 (2 шт.), 13-4 (2 шт.) |
Н, ИУ, В, ВП-28 | 11-5 (2 шт.) | Н, В, ВП-86, ИУ-86 | 12-5 (2 шт.), 13-5 (2 шт.) |
Н, ИУ, В, ВП-32 | 11-6 (2 шт.) | 12-6 (2 шт.), 13-6 (2 шт.) |
Н, ИУ, В, ВП-37 | 11-7 (2 шт.) | Н, В, ВП-100, ИУ-100 | 12-7 (2 шт.), 13-7 (2 шт.) |
Н, ИУ, В, ВП-42 | 11-8 (2 шт.) | 12-8 (2 шт.), 13-8 (2 шт.) |
Шифр горелки | Номера изделий, составляющих горелочный блок | Шифр горелки | Номера изделий, составляющих горелочный блок |
ГНП-1 | 14-1 (2 шт.) | ГНП-6 | 15-2 (1 шт.); 16-2 (1 шт.); 18-2 (1 шт.) |
ГНП-2 | 14-2 (2 шт.) | ГНП-7 | 15-3 (1 шт.); 16-3 (1 шт.); 18-3 (2 шт.) |
ГНП-3 | 14-3 (2 шт.) | ГНП-8 | 15-4 (1 шт.); 16-4 (1 шт.); 18-4 (2 шт.) |
ГНП-4 | 14-4 (2 шт.) | ГНП-9 | 17-1 (1 шт.); 17-2 (1 шт.); 17-3 (1 шт.); 17-4 (1 шт.); 18-5 (2 шт.) |
ГНП-5 | 15-1 (1 шт.); 16-1 (1 шт.); 18-1 (1 шт.) |
мм
Номер изделия | D | D1 | D2 | B | H | e | g |
1а | 94 | 144 | 152 | 230 | 98 | 15 | 129 |
1б | 94 | 144 | 152 | 230 | 98 | 15 | 245 |
2а | 114 | 154 | 162 | 230 | 98 | 15 | 129 |
2б | 114 | 154 | 162 | 230 | 98 | 15 | 245 |
3а | 120 | 158 | 166 | 230 | 98 | 15 | 129 |
3б | 120 | 158 | 166 | 230 | 98 | 15 | 245 |
4а | 150 | 188 | 198 | 230 | 132 | 15 | 129 |
4б | 150 | 188 | 198 | 230 | 132 | 15 | 245 |
5а | 180 | 256 | 266 | 340 | 165 | 20 | 134 |
5б | 180 | 256 | 266 | 340 | 165 | 20 | 250 |
6а | 208 | 272 | 284 | 340 | 165 | 20 | 134 |
6б | 208 | 272 | 284 | 340 | 165 | 20 | 250 |
7а | 244 | 284 | 296 | 340 | 165 | 20 | 134 |
7б | 244 | 284 | 296 | 340 | 165 | 20 | 250 |
8а | 290 | 344 | 358 | 460 | 199 | 20 | 134 |
8б | 290 | 344 | 358 | 460 | 199 | 20 | 250 |
9а | 340 | 404 | 418 | 460 | 232 | 20 | 134 |
9б | 340 | 404 | 418 | 460 | 232 | 20 | 250 |
10а | 362 | 406 | 420 | 460 | 232 | 20 | 134 |
10б | 362 | 406 | 420 | 460 | 232 | 20 | 250 |
Примечания: 1. По соглашению изготовителя с потребителем допускается изготовлять изделие под номером 8-1, 8-2, 8-1-2, 8-2-2, 9-1, 9-2, 10-1, 10-2 марок МЛС-62 и МКС-72 из двух симметричных половинок.
2. В
табл. 3 цифра номера изделия обозначает номер типоразмера камер (двух типов), для которых предназначено удлинительное кольцо.
3. При проверке готовой продукции измеряют следующие размеры:
4. Для изделий, выполненных способом пластического формования, допускается закругление ребер радиусом не более 5 мм.
(Измененная редакция, Изм. N 1, 2).
2.1.1. По соглашению изготовителя с потребителем допускается изготовлять изделия других форм и размеров.
2.3. Предельные отклонения по размерам изделий должны соответствовать:
для изделий марок МЛС-62 и МКС-72 - по
ГОСТ 24704; для изделий массой свыше 20 кг и изделий размером свыше 400 мм отклонение по размерам и нормы по показателям внешнего вида устанавливают по соглашению изготовителя с потребителем.
(Измененная редакция, Изм. N 2).
3. ТЕХНИЧЕСКИЕ ТРЕБОВАНИЯ
3.1. Изделия огнеупорные и высокоогнеупорные должны изготовляться в соответствии с требованиями настоящего стандарта.
По физико-химическим показателям и показателям внешнего вида изделия должны соответствовать:
(Измененная редакция, Изм. N 2).
3.1.1. Изделия в изломе должны иметь однородное строение, без пустот и инородных включений, зерна не должны выкрашиваться.
4.1. Изделия принимают партиями. Партия должна состоять из изделий одной марки. Масса партии устанавливается для прессованных изделий не более 100 т, для трамбованных изделий не более 60 т.
4.2. Правила приемки - по
ГОСТ 8179 со следующим дополнением.
4.2.1. Проверку внешнего вида и размеров изделий, определение предела прочности, открытой пористости и термической стойкости (только для изделий с повышенной термической стойкостью) проводят от каждой партии.
4.2.2. Определение химического состава, огнеупорности, дополнительной усадки и термической стойкости (кроме изделий с повышенной термической стойкостью) проводят от каждой пятой партии, а определение температуры начала размягчения - от каждой третьей партии.
(Измененная редакция, Изм. N 1, 2).
4.2.3. Определение термической стойкости проводят на контрольных образцах, изготовленных из той же партии, от которой проводят испытание.
(Измененная редакция, Изм. N 1).
| | ИС МЕГАНОРМ: примечание. ГОСТ 2642.0-86 утратил силу с 1 января 2016 года в связи с введением в действие ГОСТ 2642.0-2014 (Приказ Росстандарта от 31.03.2015 N 206-ст). | |
5.3. Температуру начала размягчения определяют по
ГОСТ 4070.
5.3, 5.4. (Измененная редакция, Изм. N 2).
5.6. Открытую пористость определяют по
ГОСТ 2409.
5.7. Термическую стойкость определяют по ГОСТ 7875.0-94 - ГОСТ 7875.2-94 со следующим дополнением.
5.7.1. Для испытания изготовляют образцы нормальных размеров 230·113·65 мм по той же технологии и из той же массы, что и изделия, для которых проводят определение термической стойкости.
5.8. Размеры изделий определяют металлической линейкой
(ГОСТ 427) с ценой деления шкалы 1 мм.
5.9 Кривизну изделий определяют на ровной полированной металлической плите при помощи щупа шириной 10 мм и толщиной, превышающей на 0,1 мм установленную норму кривизны. Щуп не должен входить в зазор между плитой и изделием. При определении кривизны изделие слегка прижимают к плите и щуп вводят в зазор скольжением без применения усилия.
5.10. Глубину отбитости углов и ребер определяют по
ГОСТ 15136.
5.11. Ширину посечек и трещин определяют при помощи измерительной лупы по
ГОСТ 25706. Измерительную лупу располагают таким образом, чтобы шкала была перпендикулярна посечке. Между шкалой измерений и поверхностью изделий помещают полоску белой бумаги, которую располагают вдоль шкалы, вплотную к ее делениям. Ширину посечек и трещин определяют в месте их максимальных значений.
Длину посечек и трещин замеряют металлической линейкой
(ГОСТ 427) с ценой деления шкалы 1 мм.
(Измененная редакция, Изм. N 1).
5.12. Диаметр выплавок замеряют в месте максимальной ширины выплавки металлической линейкой
(ГОСТ 427) с ценой деления шкалы 1 мм.
6. МАРКИРОВКА, УПАКОВКА, ТРАНСПОРТИРОВАНИЕ И ХРАНЕНИЕ
| | ИС МЕГАНОРМ: примечание. Взамен ГОСТ 24717-94 Приказом Ростехрегулирования от 30.03.2005 N 66-ст с 1 января 2006 года введен в действие ГОСТ 24717-2004. | |
6.1. Маркировка изделий - по ГОСТ 24717.
6.2. Транспортная маркировка груза - по
ГОСТ 14192 с нанесением манипуляционных знаков "Хрупкое. Осторожно", "Беречь от влаги", "Верх".
6.3. Упаковка, транспортирование и хранение - по ГОСТ 24717.
6.4. Упаковка изделий, отгружаемых в районы Крайнего Севера и приравненные к ним местности, - по
ГОСТ 15846, группа изделий - III.
6.5. При подготовке к транспортированию изделия формируют в транспортные пакеты, укладывают на поддоны по
ГОСТ 9078,
9570. Каждый ряд изделий при укладке на поддоны перестилают листом картона по
ГОСТ 7933. Пакет вместе с поддоном должен скрепляться упаковочной лентой размером не менее 0,7·20 мм по
ГОСТ 3560. Габаритные размеры и масса пакета должны соответствовать
ГОСТ 24597. Масса брутто пакета - не более 1,25 т.
Допускается упаковка изделий в ящики типов II-1, III-1, V-1, VI-1 и VI-3 по
ГОСТ 10198. Масса груза в ящике не должна превышать 1,0 т. Габаритные размеры ящика не должны превышать 1240·840·900 мм.
При упаковке изделий в ящики ряды изделий должны перестилаться древесной стружкой по
ГОСТ 5244.
6.6. Изделия транспортируют по железной дороге в крытых вагонах мелкими отправками и автотранспортом в соответствии с ГОСТ 24717.
Разд. 6 (Измененная редакция, Изм. N 1).
Справочное
КАЖУЩАЯСЯ ПЛОТНОСТЬ ИЗДЕЛИЙ
Марка | Кажущаяся плотность, г/см3 |
ША | 2,0 |
МЛС-62 | 2,3 |
МКС-72 | 2,5 |
Приложение 1. (Измененная редакция, Изм. N 2).
Справочное
Номер изделия | Объем, дм3 | Масса, кг, для изделий |
ША | МЛС-62 | МКС-72 |
1-1 | 4,2 | 8,4 | 9,6 | 10,5 |
1-2 | 4,3 | 8,6 | 9,9 | 10,7 |
2-1 | 3,92 | 7,8 | 9,0 | 9,8 |
2-2 | 4,03 | 8,1 | 9,3 | 10,1 |
3-1 | 3,8 | 7,6 | 8,7 | 9,5 |
3-2 | 3,91 | 7,8 | 9,0 | 9,8 |
4-1 | 5,03 | 10,1 | 11,6 | 12,6 |
4-2 | 5,19 | 10,4 | 11,9 | 13,0 |
5-1 | 9,88 | 19,8 | 22,8 | 24,7 |
5-2 | 10,19 | 20,4 | 23,4 | 25,4 |
6-1 | 9,54 | 19,1 | 22,0 | 23,8 |
6-2 | 9,84 | 19,7 | 22,6 | 24,6 |
7-1 | 8,83 | 17,7 | 20,3 | 22,1 |
7-2 | 9,13 | 18,3 | 21,0 | 22,8 |
8-1 | 15,67 | 31,3 | 36,0 | 39,2 |
8-2 | 16,02 | 32,0 | 36,8 | 40,0 |
9-1 | 18,33 | 36,7 | 42,2 | 45,8 |
9-2 | 18,75 | 37,5 | 43,2 | 46,9 |
10-1 | 17,62 | 35,2 | 40,6 | 44,0 |
10-2 | 18,04 | 36,1 | 41,5 | 45,0 |
1а | 2,05 | 4,1 | 4,7 | 5,1 |
1б | 4,26 | 8,5 | 9,8 | 10,6 |
2а | 1,88 | 3,8 | 4,3 | 4,7 |
2б | 3,89 | 7,8 | 8,9 | 9,7 |
3а | 1,85 | 3,7 | 4,3 | 4,8 |
3б | 3,80 | 7,6 | 8,7 | 9,5 |
4а | 2,11 | 4,2 | 4,9 | 5,3 |
4б | 4,24 | 8,5 | 9,8 | 10,6 |
5а | 4,93 | 9,9 | 11,3 | 12,3 |
5б | 9,89 | 19,8 | 22,8 | 24,8 |
6а | 4,36 | 8,8 | 10,0 | 10,9 |
6б | 8,88 | 17,8 | 20,4 | 22,2 |
7а | 3,62 | 7,2 | 8,3 | 9,0 |
7б | 7,41 | 14,8 | 17,0 | 18,5 |
8а | 6,52 | 13,0 | 15,0 | 16,3 |
8б | 13,33 | 26,7 | 30,7 | 33,4 |
9а | 6,83 | 13,7 | 15,7 | 17,1 |
9б | 13,97 | 27,9 | 32,1 | 34,9 |
10а | 6,26 | 12,5 | 14,4 | 15,7 |
10б | 12,85 | 25,7 | 29,5 | 32,1 |
11-1 | 11,5 | 23,0 | | 28,8/14,4 |
11-2 | 11,4 | 22,8 | 26,2/13,1 | 28,5/14,3 |
11-3 | 11,4 | 22,8 | 26,2/13,1 | 28,5/14,3 |
11-4 | 11,3 | 22,6 | 26,0/13,0 | 28,3/14,2 |
11-5 | 11,1 | 22,2 | 25,5/12,8 | 27,8/13,9 |
11-6 | 11,0 | 22,0 | 25,3/12,7 | 27,5/13,8 |
11-7 | 14,8 | 29,6/14,8 | 34,0/17,0 | 37,0/18,5 |
11-8 | 14,6 | 29,2/14,6 | 33,6/16,8 | 36,5/18,3 |
12-1, 13-1 | 7,0 | 14,0 | 16,1 | 17,5 |
12-2, 13-2 | 6,7 | 13,4 | 15,4 | 16,8 |
12-3, 13-3 | 12,0 | 24,0 | 27,6 | 30,0 |
12-4, 13-4 | 11,4 | 22,8 | 26,2 | 28,5 |
12-5, 13-5 | 13,7 | 27,4 | 31,5 | 34,3 |
12-6, 13-6 | 13,9 | 27,8 | 32,0 | 34,8 |
12-7, 13-7 | 16,8 | 33,6 | 38,6 | 42,0 |
12-8, 13-8 | 17,2 | 34,4 | 39,6 | 43,0 |
14-1 | 3,2 | 6,4 | 7,4 | 8,0 |
14-2 | 3,9 | 7,6 | 9,0 | 9,8 |
14-3 | 4,4 | 8,8 | 10,1 | 11,0 |
14-4 | 4,7 | 9,4 | 10,8 | 11,8 |
15-1 | 7,5 | 15,0 | 17,3 | 18,8 |
15-2 | 7,9 | 15,8 | 18,2 | 19,8 |
15-3 | 16,1 | 32,2/16,1 | 37,0/18,5 | 40,3/20,2 |
15-4 | 14,5 | 29,0/14,5 | 33,4/16,8 | 36,3/18,2 |
16-1 | 6,4 | 12,8 | 14,7 | 16,0 |
16-2 | 7,0 | 14,0 | 16,1 | 17,5 |
16-3 | 14,2 | 28,4/14,2 | 32,7/16,4 | 35,5/17,8 |
16-4 | 13,0 | 26,0/13,0 | 29,9/15,0 | 32,5/16,3 |
17-1, 17-2 | 12,5 | 25,0 | 28,8 | 31,3 |
17-3, 17-4 | 11,0 | 22,0 | 25,3 | 27,5 |
18-1 | 25,0 | 50,0/25,0 | 57,5/28,8 | 62,5/31,3 |
18-2 | 20,3 | 40,6/20,3 | 46,7/23,8 | 50,8/25,4 |
18-3 | 15,7 | 31,4/15,7 | 36,1/18,1 | 39,3/19,7 |
18-4 | 19,3 | 38,6/19,3 | 44,4/22,2 | 48,3/24,2 |
18-5 | 29,5 | 59,0/29,5 | 66,9/33,5 | 73,8/36,9 |
--------------------------------
<*> В знаменателе указана половина массы изделия.