Список изменяющих документов (в ред. Изменения N 1, утв. в декабре 1987 г.) |
Обозначение НТД, на который дана ссылка | Номер пункта |
Марка плиты | Класс бетона по прочности на сжатие | Марка бетона по прочности на растяжение при изгибе | Площадь постели, м2 | Расход материалов | ||
Бетон на плиту, м3 | Сталь, кг | |||||
на плиту | на 1 м2 постели | |||||
1 | 2 | 3 | 4 | 5 | 6 | 7 |
1П35.28-30 | В30 | 50 | 9,6 | 1,63 | 113,92 | 11,87 |
2П35.28-30 | В22,5 | |||||
1П35.28-10 | В30 | 79,36 | 8,27 | |||
2П35.28-10 | В22,5 | |||||
1П30.18-30 | В30 | 5,2 | 0,88 | 66,26 | 12,74 | |
2П30.18-30 | В22,5 | 46,48 | 8,94 | |||
1П30.18-10 | В30 | |||||
2П30.18-10 | В22,5 | 37,24 | 7,16 | |||
1П18.18-30 | В30 | 3,0 | 0,48 | 46,94 | 15,65 | |
2П18.18-30 | В22,5 | 33,80 | 11,27 | |||
1П18.18-10 | В30 | |||||
2П18.18-10 | В22,5 | 23,02 | 7,67 | |||
1П18.15-30 | В30 | 2,6 | 0,41 | 35,12 | 13,51 | |
2П18.15-30 | В22,5 | 24,88 | 9,57 | |||
1П18.15-10 | В30 | |||||
2П18.15-10 | В22,5 | 20,26 | 7,79 | |||
1ПББ35.20-30 | В30 | 7,8 | 1,35 | 100,43 | 12,88 | |
1ПББ35.20-10 | 71,27 | 9,14 | ||||
1ПТ35-30 | 6,1 | 1,03 | 79,75 | 13,07 | ||
2ПТ35-30 | В22,5 | |||||
1ПТ35-10 | В30 | 56,58 | 9,28 | |||
2ПТ35-10 | В22,5 | |||||
1ПШ13-30 | В30 | 4,0 | 0,72 | 25,22 | 6,30 | |
1ПШД13-30 | 0,76 | |||||
1ПШП13-30 | 0,77 | |||||
1ПШ12-30 | 3,5 | 0,63 | 24,02 | 6,86 | ||
1ПШД12-30 | 0,66 | |||||
1ПШП12-30 | 0,67 | |||||
1ДПШ13-30 | 2,0 | 0,36 | 16,25 | 8,12 | ||
1ДПШ12-30 | 1,7 | 0,31 | 15,48 | 9,10 | ||
1ППШ13-30 | 2,0 | 0,36 | 16,60 | 8,30 | ||
1ППШ12-30 | 1,7 | 0,31 | 15,83 | 9,31 | ||

















Марка плиты | Арматурные сетки | Арматурные каркасы | Монтажные петли | Скобы | Фиксаторы | Отдельные стержни | ||||||
Марка | Число | Марка | Число | Марка | Число | Марка | Число | Марка | Число | Поз. | Число | |
1 | 2 | 3 | 4 | 5 | 6 | 7 | 8 | 9 | 10 | 11 | 12 | 13 |
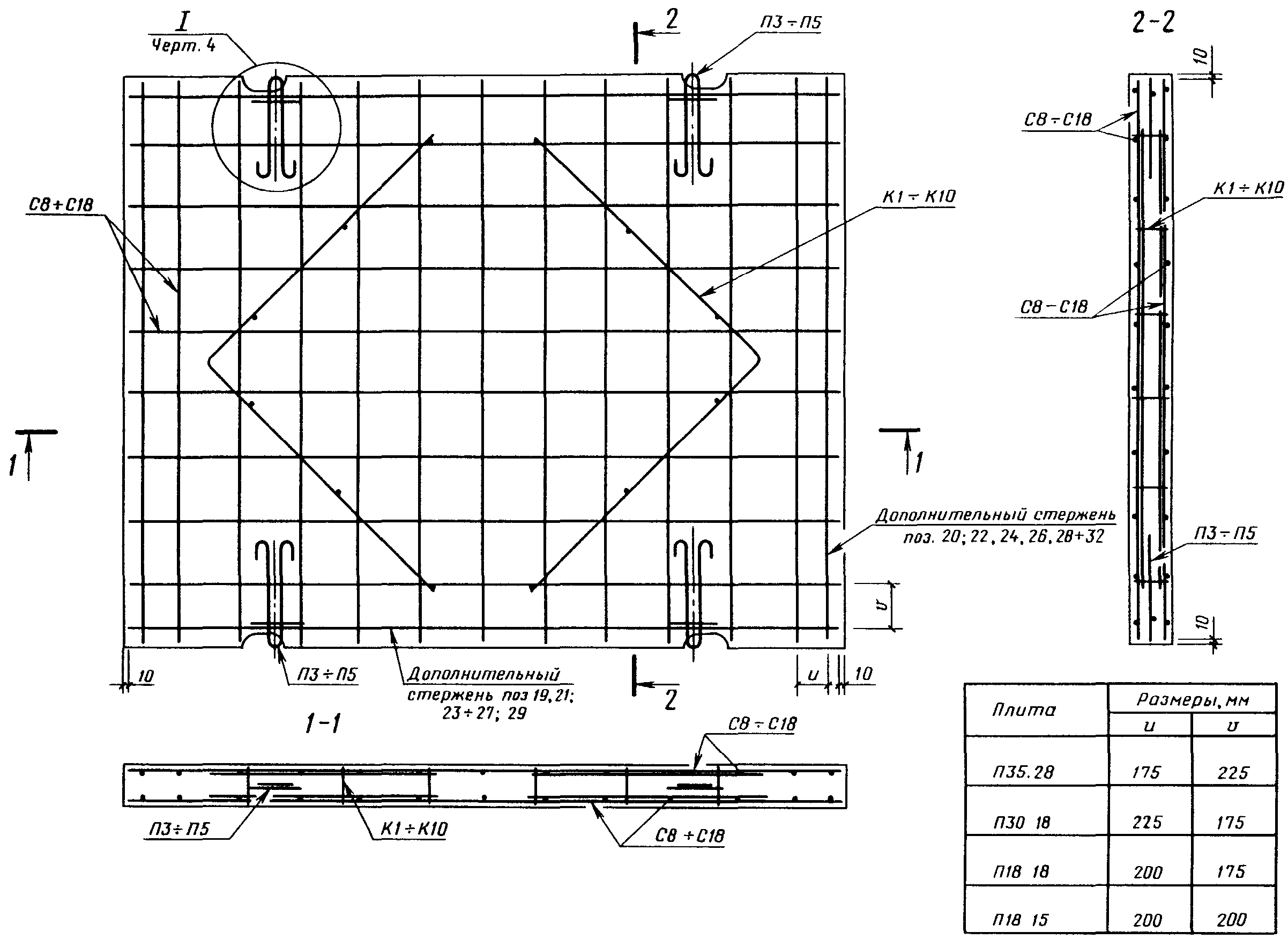
1П35.28-30, 2П35.28-30 | С8 | 2 | K1 | 2 | П3 | 4 | - | - | - | - | 19 20 | 4 |
1П35.28-10, 2П35.28-10 | С9 | K2 | 21 22 | |||||||||
1П30.18-30 | С10 | K3 | П4 | 23 24 | ||||||||
2П30.18-30, 1П30.18-10 | С11 | K4 | 25 26 | |||||||||
2П30.18-10 | С12 | K5 | 27 28 | |||||||||
1П18.18-30 | С13 | K6 | П5 | 29 | 8 | |||||||
2П18.18-30, 1П18.18-10 | С14 | K7 | 24 | |||||||||
2П18.18-10 | С15 | K8 | 26 | |||||||||
1П18.15-30 | С16 | K9 | 29 30 | 4 | ||||||||
2П18.15-30, 1П18.15-10 | С17 | K10 | 24 31 | |||||||||
2П18.15-10 | С18 | K8 | 26 32 | |||||||||
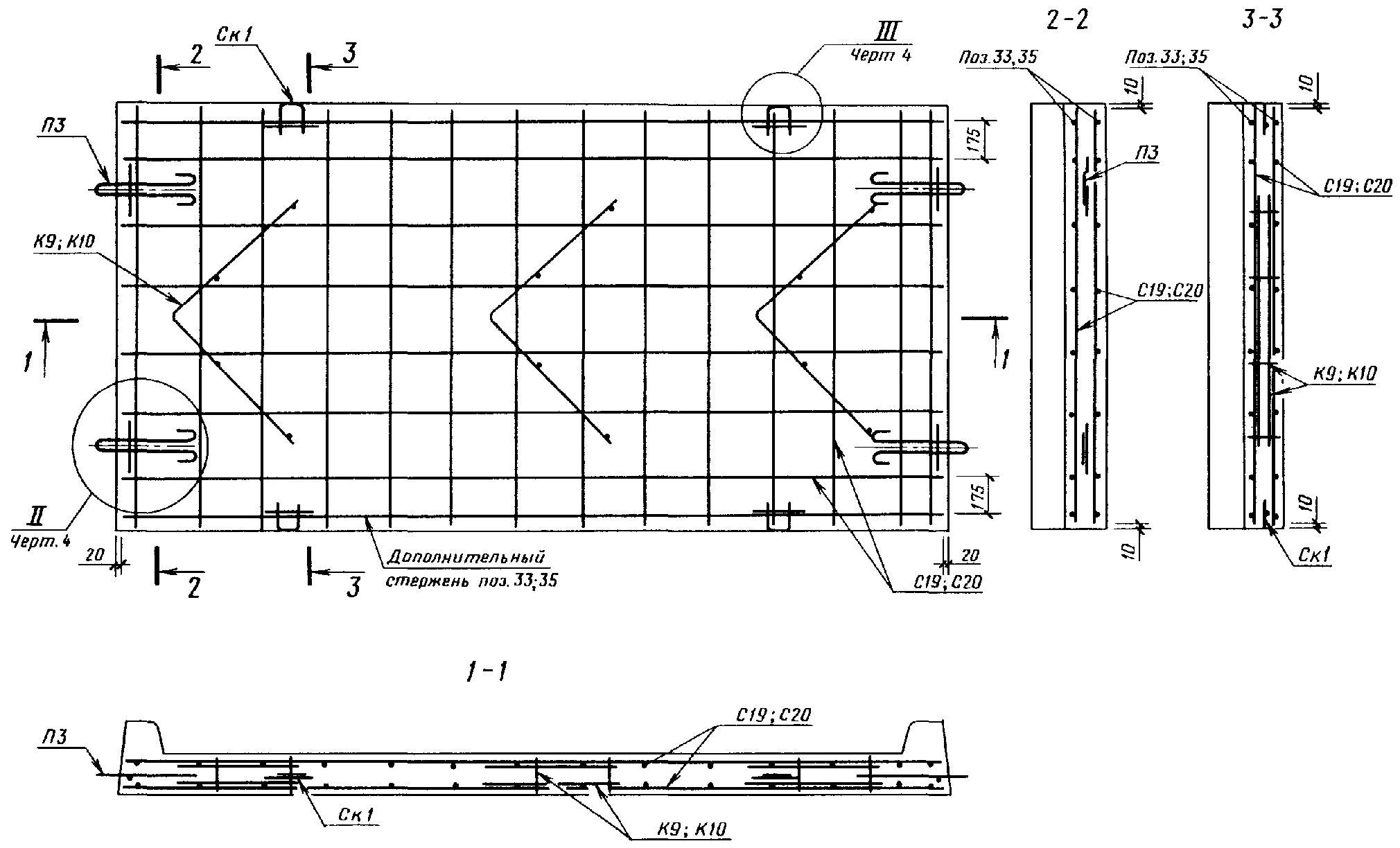
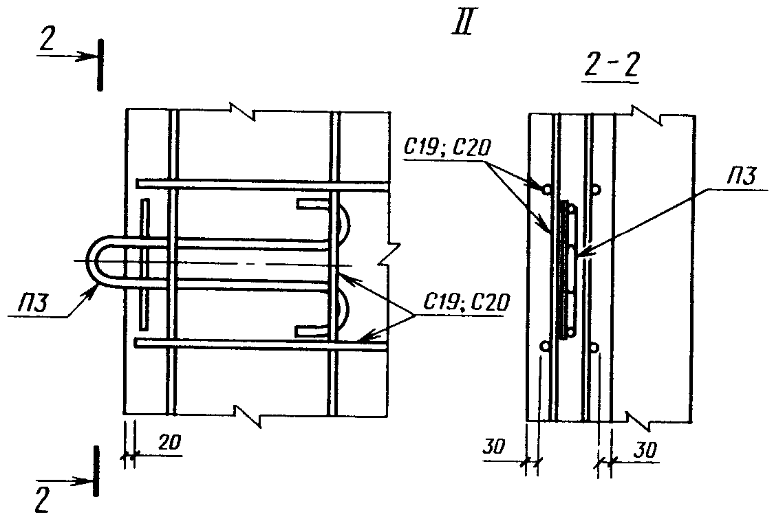
1ПББ35.20-30 | С19 | K9 | 3 | П3 | Ск1 | 4 | 33 | |||||
1ПББ35.20-10 | С20 | K10 | 35 | |||||||||
1ПТ35-30, 2ПТ35-30 | С21 | K3 | 71 | |||||||||
72 73 | 2 | |||||||||||
1ПТ35-10, 2ПТ35-10 | С22 | K4 | 74 | 4 | ||||||||
75 76 | 2 | |||||||||||
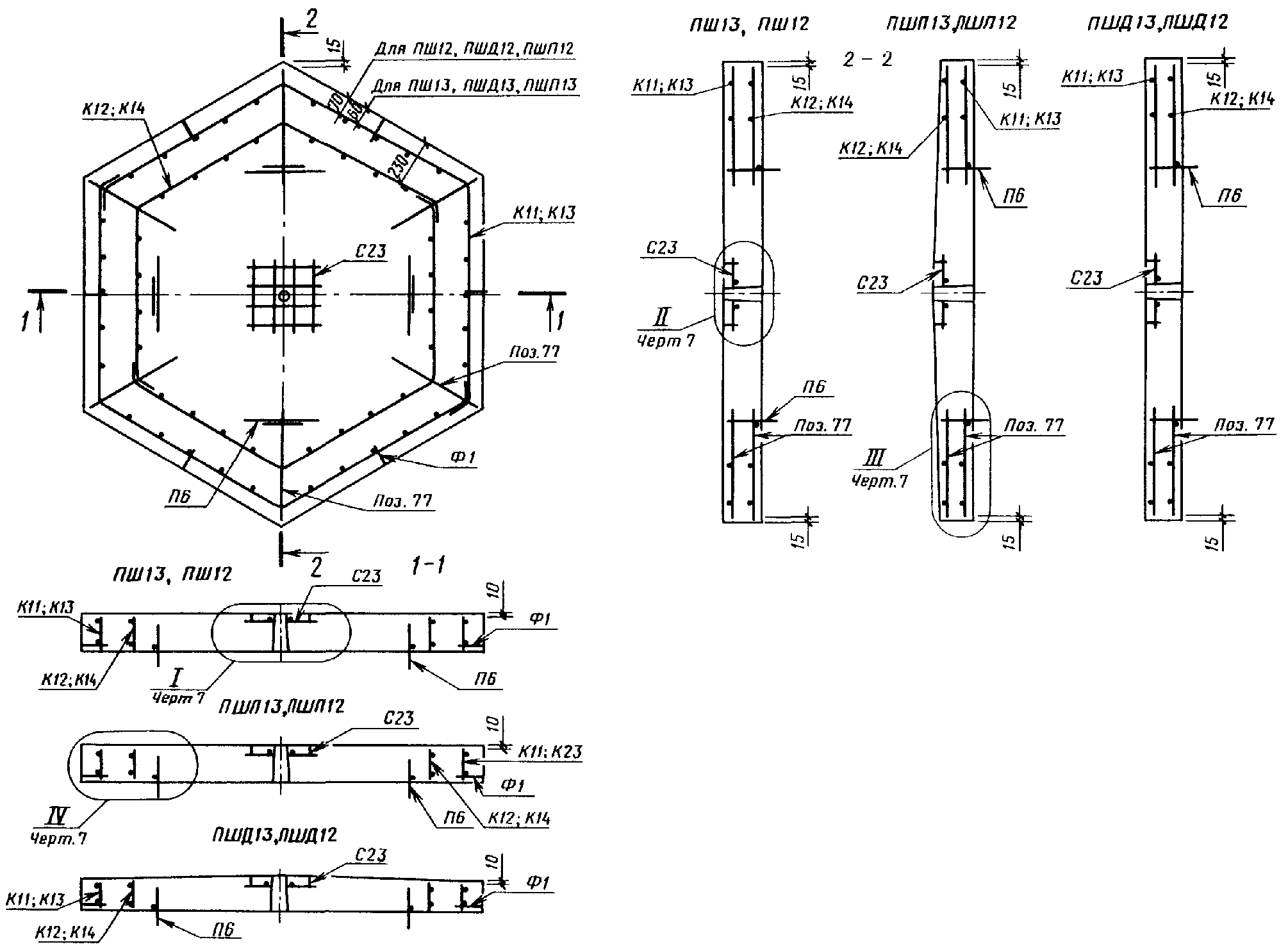
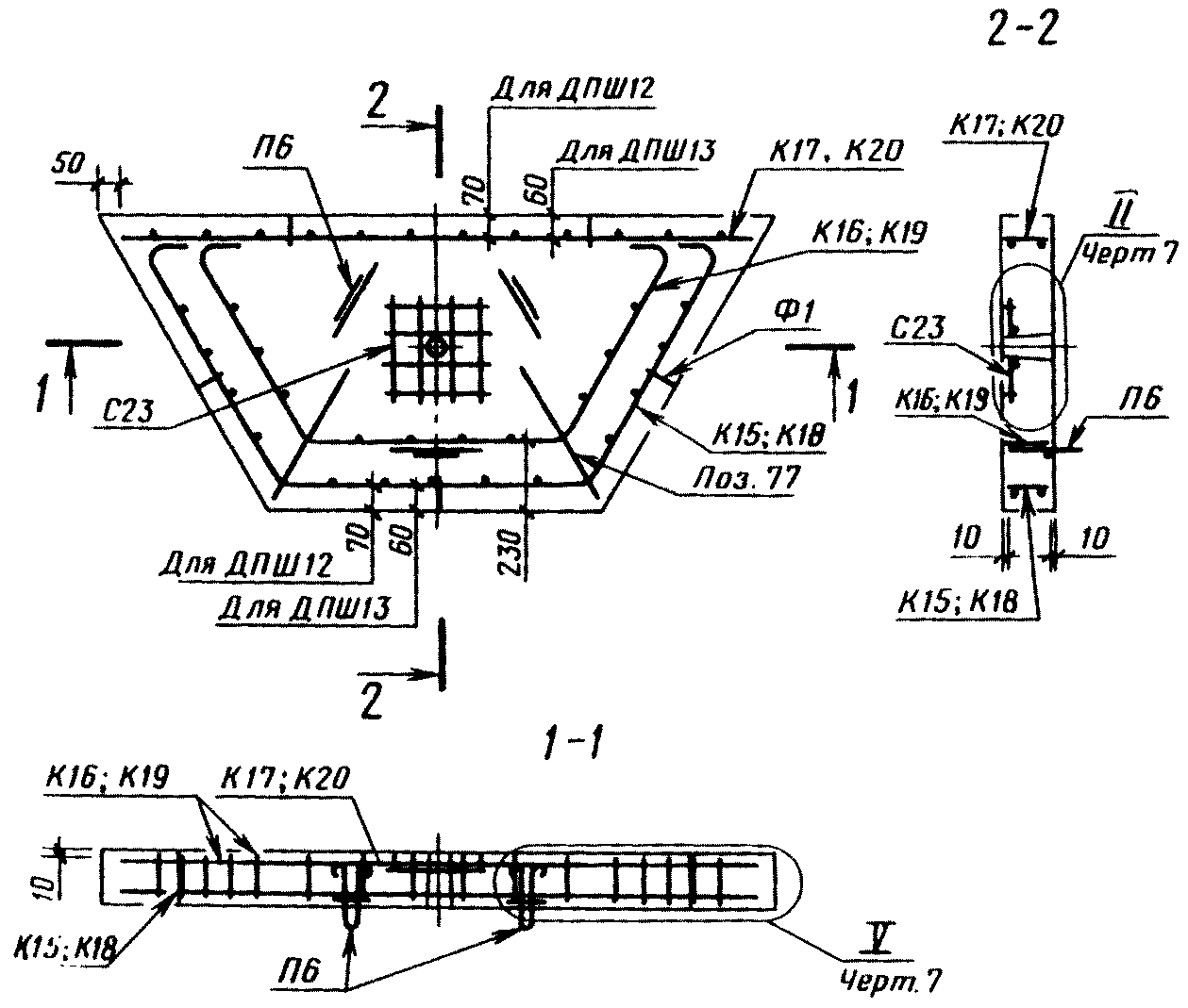
1ПШ13-30, 1ПШД13-30, 1ПШП13-30 | С23 | 1 | K11, K12 | 2 | П6 | - | - | Ф1 | 6 | 77 | 12 | |
1ПШ12-30, 1ПШД12-30, 1ПШП12-30 | K13, K14 | |||||||||||
1ДПШ13-30 | K15 - K17 | 1 | 3 | 5 | 4 | |||||||
1ДПШ12-30 | K18 - K20 | |||||||||||
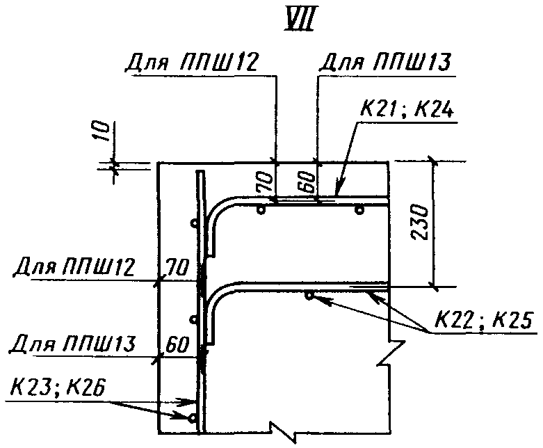
1ППШ-13-30 | K21 - K23 | 6 | 6 | |||||||||
1ППШ12-30 | K24 - K26 | |||||||||||
Марка плиты | Арматурная сталь по ГОСТ 5781 | Арматурная сталь по ГОСТ 6727 | Всего | |||||||||||
Класс А-III | Класс А-I | Класс Вр-I | ||||||||||||
Диаметр, мм | Итого | Диаметр, мм | Итого | Диаметр, мм | Итого | |||||||||
8 | 10 | 12 | 8 | 10 | 12 | 14 | 16 | 4 | 5 | |||||
1П35.28-30, 2П35.28-30 | - | 43,78 | 61,80 | 105,58 | - | 0,60 | - | 6,08 | - | 6,68 | - | 1,66 | 1,66 | 113,92 |
1П35.28-10, 2П35.28-10 | 28,04 | 42,96 | - | 71,00 | 1,68 | 1,68 | 79,36 | |||||||
1П30.18-30 | - | 23,50 | 37,06 | 60,56 | 3,76 | - | 4,36 | 1,34 | 1,34 | 66,26 | ||||
2П30.18-30, 1П30.18-10 | 15,02 | 25,74 | - | 40,76 | 1,36 | 1,36 | 46,48 | |||||||
2П30.18-10 | 16,50 | - | 16,50 | 15,02 | 19,38 | 37,24 | ||||||||
1П18.18-30 | - | 43,04 | 43,04 | - | 2,88 | - | 2,88 | 1,02 | 1,02 | 46,94 | ||||
2П18.18-30, 1П18.18-10 | 29,90 | - | 29,90 | 33,80 | ||||||||||
2П18.18-10 | 19,10 | - | 19,10 | 1,04 | 1,04 | 23,02 | ||||||||
1П18.15-30 | - | 12,78 | 18,44 | 31,22 | 1,02 | 1,02 | 35,12 | |||||||
2П18.15-30, 1П18.15-10 | 8,16 | 12,82 | - | 20,98 | 24,88 | |||||||||
2П18.15-10 | 8,18 | - | 8,18 | 8,16 | 11,04 | 1,04 | 1,04 | 20,26 | ||||||
1ПББ35.20-30 | - | 34,20 | 55,14 | 89,34 | - | 1,20 | 6,08 | 2,28 | 9,56 | 1,53 | 1,53 | 100,43 | ||
1ПББ35.20-10 | 21,90 | 38,28 | - | 60,18 | 71,27 | |||||||||
1ПТ35-30, 2ПТ35-30 | - | 27,76 | 43,30 | 71,06 | 0,60 | - | 6,68 | 2,01 | 2,01 | 79,75 | ||||
1ПТ35-10, 2ПТ35-10 | 17,78 | 30,08 | - | 47,86 | 2,04 | 2,04 | 56,58 | |||||||
1ПШ13-30, 1ПШД13-30, 1ПШП13-30 | - | 21,34 | 21,34 | 2,88 | - | 2,88 | 1,00 | - | 1,00 | 25,22 | ||||
1ПШ12-30, 1ПШД12-30, 1ПШП12-30 | 20,14 | 20,14 | 24,02 | |||||||||||
1ДПШ13-30 | 13,32 | 13,32 | 2,16 | 2,16 | 0,77 | 0,77 | 16,25 | |||||||
1ДПШ12-30 | 12,55 | 12,55 | 15,48 | |||||||||||
1ППШ13-30 | 13,72 | 13,72 | 0,72 | 0,72 | 16,60 | |||||||||
1ППШ12-30 | 12,95 | 12,95 | 15,83 | |||||||||||
Марка плиты | Контрольная нагрузка (без учета собственного веса плиты), кН (тс), при испытании плит | |
по прочности | по трещиностойкости | |
1П35.28-30 | 115,6 (11,8) | 63,7 (6,5) |
2П35.28-30 | 113,7 (11,6) | 62,7 (6,4) |
1П35.28-10 | 67,6 (6,9) | 37,2 (3,8) |
2П35.28-10 | 66,6 (6,8) | |
1П30.18-30 | 107,8 (11,0) | 59,8 (6,1) |
2П30.18-30 | 68,6 (7,0) | 37,2 (3,8) |
1П30.18-10 | 69,6 (7,1) | 38,2 (3,9) |
2П30.18-10 | 33,3 (3,4) | 18,6 (1,9) |
1П18.18-30 | 184,2 (18,8) | 100,9 (10,3) |
2П18.18-30 | 128,4 (13,1) | 70,6 (7,2) |
1П18.18-10 | 129,4 (13,2) | 71,5 (7,3) |
2П18.18-10 | 78,4 (8,0) | 43,1 (4,4) |
1П18.15-30 | 179,3 (18,3) | 99,0 (10,1) |
2П18.15-30 | 122,5 (12,5) | 67,6 (6,9) |
1П18.15-10 | 123,5 (12,6) | 67,6 (6,9) |
2П18.15-10 | 73,5 (7,5) | 40,2 (4,1) |
1ПББ.35.20-30 | 69,6 (7,1) | 38,2 (3,9) |
1ПББ.35.20-10 | 38,2 (3,9) | 21,6 (2,2) |
1ПТ35-30 | 83,3 (8,5) | 46,1 (4,7) |
2ПТ35-30 | 82,3 (8,4) | 45,1 (4,6) |
1ПТ35-10 | 50,0 (5,1) | 27,4 (2,8) |
2ПТ35-10 | ||
1ПШ13, 1ПШД13, 1ПШП13 | 94,1 (9,6) | 51,9 (5,3) |
1ПШ12, 1ПШД12, 1ПШП12 | 79,4 (8,1) | 44,1 (4,5) |