Главная // Актуальные документы // ГОСТ (Государственный стандарт)СПРАВКА
Источник публикации
М.: Стандартинформ, 2014
Примечание к документу
Документ утратил силу на территории Российской Федерации с 1 декабря 2015 года в связи с изданием
Приказа Росстандарта от 11.11.2014 N 1551-ст. Взамен введен в действие
ГОСТ Р ИСО 22868-2014.
Документ
введен в действие с 1 сентября 2014 года.
Название документа
"ГОСТ ISO 22868-2013. Межгосударственный стандарт. Шум машин. Испытания на шум переносных бензиномоторных ручных лесных машин техническим методом"
(введен в действие Приказом Росстандарта от 22.11.2013 N 1641-ст)
"ГОСТ ISO 22868-2013. Межгосударственный стандарт. Шум машин. Испытания на шум переносных бензиномоторных ручных лесных машин техническим методом"
(введен в действие Приказом Росстандарта от 22.11.2013 N 1641-ст)
агентства по техническому
регулированию и метрологии
от 22 ноября 2013 г. N 1641-ст
МЕЖГОСУДАРСТВЕННЫЙ СТАНДАРТ
ШУМ МАШИН
ИСПЫТАНИЯ НА ШУМ ПЕРЕНОСНЫХ БЕНЗИНОМОТОРНЫХ РУЧНЫХ
ЛЕСНЫХ МАШИН ТЕХНИЧЕСКИМ МЕТОДОМ
Noise of machines. Noise test engineering method
for portable hand-held forestry machines with internal
combustion engine
(ISO 22868:2005, IDT)
ГОСТ ISO 22868-2013
Дата введения
1 сентября 2014 года
Цели, основные принципы и порядок проведения работ по межгосударственной стандартизации установлены
ГОСТ 1.0-92 "Межгосударственная система стандартизации. Основные положения" и
ГОСТ 1.2-2009 "Межгосударственная система стандартизации. Стандарты межгосударственные, правила и рекомендации по межгосударственной стандартизации. Правила разработки, принятия, применения, обновления и отмены"
1 ПОДГОТОВЛЕН Автономной некоммерческой организацией "Научно-исследовательский центр контроля и диагностики технических систем" (АНО "НИЦ КД") на основе собственного аутентичного перевода на русский язык международного стандарта, указанного в
пункте 5
2 ВНЕСЕН Федеральным агентством по техническому регулированию и метрологии
3 ПРИНЯТ Межгосударственным Советом по стандартизации, метрологии и сертификации (протокол от 25 марта 2013 г. N 55-п)
За принятие проголосовали:
Краткое наименование страны по МК (ИСО 3166) 004-97 | Код страны по МК (ИСО 3166) 004-97 | Сокращенное наименование национального органа по стандартизации |
Армения | AM | Минэкономики Республики Армения |
Беларусь | BY | Госстандарт Республики Беларусь |
Казахстан | KZ | Госстандарт Республики Казахстан |
Киргизия | KG | Кыргызстандарт |
Россия | RU | Росстандарт |
Узбекистан | UZ | Узстандарт |
4
Приказом Федерального агентства по техническому регулированию и метрологии от 22 ноября 2013 г. N 1641-ст межгосударственный стандарт ГОСТ ISO 22868-2013 введен в качестве национального стандарта Российской Федерации с 1 сентября 2014 г.
5 Настоящий стандарт идентичен международному стандарту ISO 22868:2005 Forestry machinery - Noise test code for portable hand-held machines with internal combustion engine - Engineering method (Grade 2 accuracy) [Лесные машины. Испытания на шум ручных переносных машин с двигателем внутреннего сгорания. Технический метод (степень точности 2)].
Наименование настоящего стандарта изменено относительно наименования указанного международного стандарта для приведения в соответствие с ГОСТ 1.5-2002
(подраздел 3.6).
Международный стандарт разработан техническим комитетом по стандартизации ISO/TC 23/SC 17 "Переносные ручные машины для лесного хозяйства" Международной организации по стандартизации (ISO).
Перевод с английского языка (en).
Официальные экземпляры международного стандарта, на основе которого подготовлен настоящий межгосударственный стандарт, и международные стандарты, на которые даны ссылки, имеются в Федеральном агентстве по техническому регулированию и метрологии (Росстандарт).
Степень соответствия - идентичная (IDT).
Сведения о соответствии межгосударственных стандартов ссылочным международным стандартам приведены в дополнительном
приложении ДА.
Настоящий стандарт подготовлен на основе применения
ГОСТ Р ИСО 22868-2007 "Шум машин. Испытания на шум переносных бензиномоторных ручных лесных машин техническим методом"
6 ВВЕДЕН ВПЕРВЫЕ
Информация об изменениях к настоящему стандарту публикуется в ежегодном информационном указателе "Национальные стандарты", а текст изменений и поправок - в ежемесячном информационном указателе "Национальные стандарты". В случае пересмотра (замены) или отмены настоящего стандарта соответствующее уведомление будет опубликовано в ежемесячном информационном указателе "Национальные стандарты". Соответствующая информация, уведомление и тексты размещаются также в информационной системе общего пользования - на официальном сайте Федерального агентства по техническому регулированию и метрологии в сети Интернет
Настоящий стандарт устанавливает шумовые характеристики (корректированный по A уровень звуковой мощности и уровень звука излучения на рабочем месте) и метод испытаний на шум переносных бензиномоторных ручных лесных машин (далее - машин), например цепных пил, кусторезов и мотокос.
Стандарт предназначен для применения при контрольных и типовых испытаниях на шум изготовителем машин, сравнении по шуму однотипных машин одной или разных моделей.
Хотя значения шумовых характеристик определяют в искусственных условиях, моделируя рабочую нагрузку, результаты испытаний по настоящему стандарту сопоставимы с результатами испытаний в реальных условиях применения машин.
Следующие ссылочные стандарты являются обязательными для применения настоящего стандарта. Датированные ссылки применяют только к указанным редакциям документов. Недатированные ссылки относят к наиболее поздней редакции цитируемого документа (включая все изменения).
ISO 354:2003 Акустика. Измерение звукопоглощения в реверберационной камере
ISO 3744:1994 <1> Акустика. Определение уровней звуковой мощности источников шума по звуковому давлению. Технический метод в существенно свободном звуковом поле над звукоотражающей плоскостью
--------------------------------
<1> Заменен на ISO 3744:2010.
ISO 4871:1996 Акустика. Заявление и подтверждение значений звукового излучения машин и оборудования
ISO 6531 Лесные машины. Переносные ручные цепные пилы. Словарь
ISO 7112 Лесные машины. Переносные ручные кусторезы и мотокосы. Словарь
ISO 7293 Лесные машины. Переносные цепные пилы. Рабочие характеристики двигателя и расход топлива
ISO 8893 Лесные машины. Переносные кусторезы и мотокосы. Рабочие характеристики двигателя и расход топлива
ISO 11201:1995 <2> Акустика. Измерение уровней звукового давления излучения на рабочем месте и в других контрольных точках. Технический метод в существенно свободном звуковом поле над звукоотражающей плоскостью
--------------------------------
<2> Заменен на ISO 11201:2010.
IEC 60651:1979 <3> Шумомеры
IEC 60804:2000 <3> Интегрирующие шумомеры
--------------------------------
<3> Заменен на IEC 61672-1:2002.
Примечание - При пользовании настоящим стандартом целесообразно проверить действие ссылочных стандартов в информационной системе общего пользования - на официальном сайте Федерального агентства по техническому регулированию и метрологии в сети Интернет или по ежегодному информационному указателю "Национальные стандарты", который опубликован по состоянию на 1 января текущего года, и по выпускам ежемесячного информационного указателя "Национальные стандарты" за текущий год. Если ссылочный стандарт заменен (изменен), то при пользовании настоящим стандартом следует руководствоваться заменяющим (измененным) стандартом. Если ссылочный стандарт отменен без замены, то положение, в котором дана ссылка на него, применяется в части, не затрагивающей эту ссылку.
В настоящем стандарте применены термины по ISO 6531 и ISO 7112.
4. Измеряемые и определяемые величины
Измеряемыми величинами являются эквивалентные уровни звукового давления в соответствии с основополагающими стандартами на методы измерения шума (ISO 3744 и ISO 11201): уровни звука (уровни звука излучения) и, если требуется, уровни звукового давления (уровни звукового давления излучения) в полосах частот.
Определяемыми величинами являются корректированный по частотной характеристике A уровень звуковой мощности и уровень звука излучения на рабочем месте. Если требуется, то могут быть определены уровни звуковой мощности и уровни звукового давления излучения в полосах частот.
5. Определение корректированного по частотной
характеристике A уровня звуковой мощности
Для определения корректированного по A уровня звуковой мощности применяют требования ISO 3744 со следующими изменениями:
Примечание - Опыт показал, что по шести точкам измерений получают результат, незначительно отличающийся от результата, полученного по десяти точкам измерений согласно ISO 3744;
b) используют полусферическую измерительную поверхность радиусом r = 4 м. Допускается меньший радиус, если показано, что результаты не отличаются более чем на 0,5 дБА от полученных при r = 4 м. Если r < 4 м, то он должен быть не менее 2d0, где d0 - размер огибающего параллелепипеда.
Примечание - Меньший радиус может быть необходим в заглушенной камере из-за недостаточности ее размеров;
c) условия испытаний машин конкретного типа, их установка и ориентация должны соответствовать
приложениям A и
B;
d) окружающие условия должны быть в пределах, установленных изготовителем машины. Температура воздуха должна быть от минус 10 °C до плюс 30 °C, скорость ветра - менее 5 м/с. При скорости ветра более 1 м/с применяют ветрозащитный экран для микрофона;
e) измерения выполняют шумомером по IEC 60651 на

характеристике "медленно". Предпочтительно применение интегрирующего шумомера по IEC 60804;
f) значение показателя акустических условий
K2A, определенное по ISO 3744 (приложение A), должно быть не более 2 дБА. В таком случае принимают
K2A = 0.
Таблица 1
Координаты точек измерений
Номер точки измерений | X | Y | Z |
1 | +0,65r | +0,65r | 0,38r |
2 | -0,65r | +0,65r | 0,38r |
3 | -0,65r | -0,65r | 0,38r |
4 | +0,65r | -0,65r | 0,38r |
5 | -0,28r | +0,65r | 0,71r |
6 | +0,28r | +0,65r | 0,71r |
Примечание - Точки измерений при определении уровня звуковой мощности по настоящему стандарту отличаются от установленных в
[1] (см.
приложение D).
Рисунок 1 - Положения точек измерений на полусфере
6. Измерение уровня звука излучения на рабочем месте
Уровень звука излучения измеряют по ISO 11201 со следующими изменениями:
a) условия испытаний машин конкретного типа, их установка и ориентация должны соответствовать
приложениям A и
B;
b) поверхность испытательной площадки должна соответствовать требованиям
6.2, или
6.3, или
6.4. Воспроизводимость результатов при измерениях на травяной площадке или на площадке, покрытой другими органическими материалами, может быть ниже, чем требует технический метод. В спорных случаях измерения проводят вне помещения на искусственной поверхности по
6.2;
c) окружающие условия должны быть в пределах, установленных изготовителем машины. Температура воздуха должна быть от минус 10 °C до плюс 30 °C, скорость ветра - менее 5 м/с. Ветрозащитный экран применяют при скорости ветра более 1 м/с;
d) измерения проводят шумомером по IEC 60651 на временной характеристике "медленно". Предпочтительно применение интегрирующего шумомера по IEC 60804;
e) положение микрофона относительно машины должно соответствовать
приложениям A или
B.
6.2. Требования к искусственной поверхности
Искусственная поверхность должна иметь коэффициенты звукопоглощения, измеренные по ISO 354, указанные в таблице 2.
Таблица 2
Коэффициенты звукопоглощения искусственной поверхности
Среднегеометрическая частота октавной полосы, Гц | Коэффициент звукопоглощения | Допуск |
125 | 0,1 | +/- 0,1 |
250 | 0,3 | +/- 0,1 |
500 | 0,5 | +/- 0,1 |
1000 | 0,7 | +/- 0,1 |
2000 | 0,8 | +/- 0,1 |
4000 | 0,9 | +/- 0,1 |
Площадку с искусственной поверхностью размерами не менее 3,6 x 3,6 м располагают на звукоотражающей плоскости в центре испытательного пространства. Акустические характеристики опорных устройств должны соответствовать свойствам звукопоглощающего материала. Опорные устройства не должны обминать звукопоглощающий материал.
Примечание - Пример конструкции и материала, удовлетворяющих этим требованиям, приведен в
[2].
6.3. Требования к земляной площадке
Земляная площадка в центре испытательного пространства должна быть плоской с хорошим звукопоглощением. Площадка должна быть покрыта лесным грунтом или травой или другим органическим материалом толщиной (50 +/- 20) мм.
6.4. Требования к бетонному полу, покрытому опилками
Площадка в центре испытательного пространства должна быть плоской с хорошим звукопоглощением. Площадку бетонируют и покрывают слоем опилок толщиной (25 +/- 10) мм.
7. Установка и режим работы
Измерения проводят на новой машине в комплектации изготовителя.
Частоту вращения двигателя определяют с погрешностью не более +/- 1% показания тахометра. Тахометр и устройство его подсоединения к машине не должны влиять на шум машины.
Примечание - Условия испытаний конкретных машин приведены в
приложениях A и
B.
8. Информация, подлежащая регистрации и внесению
в протокол испытаний
9. Заявление значений шумовых характеристик
Заявление значений шумовых характеристик является обязанностью изготовителя. Значения эквивалентных уровней шума для рабочих циклов (см.
A.5.1 приложения A и
B.5 приложения B) заявляют предпочтительно в одночисловом виде по ISO 4871 (приложение A). Значения шумовых характеристик (корректированный по
A уровень звуковой мощности и уровень звука излучения на рабочем месте) при работе машины на холостом ходу, при полной нагрузке и при разгоне, если эти режимы применяют, изготовитель сообщает по запросу пользователя (например, потенциального покупателя).
Заявление должно содержать ссылку на настоящий стандарт и на примененный основополагающий стандарт на методы измерения шума (ISO 3744 и/или ISO 11201). Если имеются отступления от настоящего и/или основополагающего стандарта, то они должны быть указаны.
Примечания
1 Неопределенность обусловлена методикой измерений (степенью точности примененного метода измерений) и непостоянством характеристик продукции (изменением шума от машины к машине одного типа у одного и того же изготовителя). Метод расчета неопределенности измерения приведен в ISO 4871.
2 При заявлении корректированных по
A уровней звуковой мощности по
[1] имеются отличия от настоящего стандарта в части рабочих циклов и положений точек измерений, указанные в
приложении D.
Если требуется, то подтверждение заявленных значений осуществляют по ISO 4871.
(обязательное)
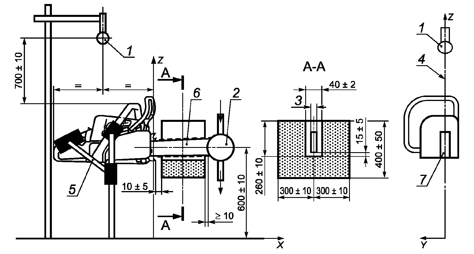
УСЛОВИЯ ИСПЫТАНИЙ ЦЕПНЫХ ПИЛ
A.1 Требования к цепным пилам и деревянному брусу, применяемому при испытаниях
Измерения выполняют для пилы с цепью и шиной, рекомендованными изготовителем. Минимальная длина направляющей шины должна обеспечить соблюдение размеров, указанных на рисунке A.1. Двигатель и пилу перед испытаниями обкатывают в соответствии с рекомендациями изготовителя. Двигатель должен быть прогрет до рабочей температуры до начала испытаний.
1 - микрофон (для измерений на рабочем месте оператора);
2 - нагрузочное устройство; 3 - толщина шины;
4 - плоскость, проходящая через плоскость симметрии шины;
5 - устройство крепления пилы; 6 - ось симметрии шины;
7 - задняя рукоятка
Рисунок A.1 - Испытательная установка для цепных пил
Карбюратор регулируют по инструкции изготовителя.
Пильный аппарат смазывают по рекомендации изготовителя. Частоту вращения двигателя при всех режимах работы выдерживают постоянной с точностью +/- 3,5 об/с.
Изменения первоначальной регулировки не допускаются.
Деревянный брус в форме параллелепипеда, применяемый при испытаниях, устанавливают на козлах так, чтобы его ось была на высоте (600 +/- 10) мм над землей
(рисунок A.1).
Размер бруса вдоль направляющей шины пилы должен быть (200 +/- 10) мм, высота - (400 +/- 50) мм. Брус имеет щель шириной (40 +/- 2) мм и глубиной (260 +/- 10) мм.
A.2 Установка и ориентация цепной пилы
A.2.1 Общие положения
Пилу устанавливают так, чтобы ее ось была горизонтальна
(рисунок A.1). Пильный аппарат не должен касаться бруса. Цепь должна быть на (15 +/- 5) мм выше дна щели. Расстояние между острием зубчатого упора и задним торцом бруса должно быть (10 +/- 5) мм. На конце шины устанавливают водяной тормоз (или аналогичное нагрузочное устройство), способный поглощать энергию пилы. Если применяют водяной тормоз, то число оборотов двигателя регулируют изменением расхода воды. Масса, форма или конструкция нагрузочного устройства не должна влиять на шум пилы. В
приложении C приведен пример водяного тормоза.
A.2.2 Измерение корректированного по A уровня звуковой мощности
При измерениях верхняя кромка шины должна быть выше оси X и направлена вдоль нее, а передняя рукоятка пилы расположена на вертикали, проходящей через центр измерительной полусферы.
Пилу устанавливают в устройство крепления, как показано на
рисунке A.1. Для крепления применяют захваты, не отражающие звук. Рекомендуется эластичное крепление, чтобы избежать структурных резонансов.
A.2.3 Измерение уровня звука излучения
При измерениях микрофон располагают на высоте (700 +/- 10) мм над вершиной передней рукоятки и на вертикали, проходящей по середине расстояния между зубчатым упором и внешней кромкой задней рукоятки. Микрофон должен находиться в плоскости шины
(рисунок A.1).
A.3 Методика испытаний
A.3.1 Общие положения
Измерения шума проводят в зависимости от объема двигателя
(A.5.1) на двух или трех режимах работы: на холостом ходу и при полной нагрузке или на холостом ходу, при полной нагрузке и при разгоне.
a) Выполняют по меньшей мере четыре измерения с короткими перерывами и существенным изменением частоты вращения перед каждым измерением. Отделяют каждое измерение на холостом ходу коротким разгоном. При измерениях при разгоне каждое измерение отделяют коротким периодом работы на холостом ходу. Перед следующим измерением частоту вращения устанавливают постоянной. Должно быть выполнено не менее четырех измерений шума на интервалах времени с суммарной продолжительностью не менее 20 с.
Продолжительность измерений для снятия отсчета должна быть не менее 2 с, в течение которых частота вращения двигателя не должна изменяться более чем на +/- 3,5 об/с.
Примечание - Измерения на холостом ходу, при полной нагрузке и при разгоне можно проводить в любой последовательности.
b) Размах измеренных значений при каждом режиме работы должен быть не более 2 дБА. В противном случае повторяют измерения до тех пор, пока четыре последовательных отсчета будут отличаться не более чем на 2 дБА. За результат измерений в каждой точке принимают среднее арифметическое значение четырех отсчетов.
Указанную методику соблюдают для всех режимов по A.3.2 -
A.3.4 при измерениях как корректированного по
A уровня звуковой мощности, так и уровня звука излучения. Если определяют уровень звуковой мощности, то эту методику применяют при усреднении уровней звукового давления в каждой из шести точек измерений.
A.3.2 Холостой ход
Проводят измерения на частоте вращения холостого хода, устанавливаемой изготовителем. Цепь не должна двигаться. Цепная пила работает без использования бруса и нагрузочного устройства.
A.3.3 Полная нагрузка
Проводят измерения, моделируя поперечную распиловку, при полностью открытом дросселе. Шину вводят в щель на брусе, как показано на
рисунке A.1. Двигатель должен работать в режиме максимальной мощности. Максимальную мощность определяют по ISO 7293.
Проводят измерения на частоте вращения, составляющей 133% частоты вращения в режиме максимальной мощности. Если частота вращения двигателя ограничена меньшим значением, то измерения проводят при максимальной допускаемой частоте вращения. Если двигатель не позволяет обеспечить стабильную частоту вращения, то испытания проводят при максимально возможной стабильной частоте вращения, но она должна быть не более чем на 8 об/с ниже максимальной частоты вращения, указанной изготовителем. Частоту регулируют дроссельной заслонкой. Во время испытаний цепная пила работает без использования бруса и нагрузочного устройства.
A.4 Информация, подлежащая регистрации и внесению в протокол испытаний
В соответствии с настоящим стандартом регистрируют и включают в протокол испытаний следующую информацию:
a) испытуемая цепная пила:
1) описание пилы, включая объем двигателя, сведения об изготовителе, тип и серийный номер и длину шины;
3) размеры бруса;
b) акустические условия (описание испытательного пространства):
1) если измерения выполняют вне помещения, то приводят эскиз положения пилы относительно окружающих объектов, включая описание испытательного пространства (должно быть описано устройство земляной площадки);
2) если измерения выполняют в помещении, то указывают покрытие стен, потолка и пола и приводят эскиз расположения пилы и оборудования в помещении;
3) значение показателя акустических условий K2A;
c) измерительная аппаратура:
1) оборудование, используемое при измерениях, включая наименование, тип, серийный номер и сведения об изготовителе;
2) метод калибровки измерительной системы;
3) дата и место последней калибровки калибратора звука;
d) акустические и иные данные:
1) уровни звука фонового шума в местах установки микрофона;
3) примечания, если имеются;
4) температура воздуха и скорость ветра;
5) дата и место измерений.
Форма для регистрации в протоколе испытаний данных
при измерениях уровней звука излучения
Режим работы | Частота вращения, об/с | Измеренное значение уровня звука  , дБА | Среднее арифметическое значение  , дБА | Коррекция на фоновый шум K1A, дБА | Уровень звука излучения LpAX, дБА |
Номер испытаний |
1 | 2 | 3 | 4 | n |
Холостой ход (Id) | | | | | | | | | |
Полная нагрузка (Fl) | | | | | | | | | |
Разгон (Ra) | | | | | | | | | |
Уровень звука излучения при режиме работы X рассчитывают по формуле  где K1A - коррекция на фоновый шум по ISO 11201. |
Форма для регистрации в протоколе испытаний данных
при измерениях для определения корректированного
по A уровня звуковой мощности
Номер испытаний | Режим работы | Частота вращения, об/с |  , дБА |  , дБА |  , дБА |  , дБА |  , дБА |  , дБА |  , дБА |
1 | Холостой ход (Id) | | | | | | | | |
Полная нагрузка (Fl) | | | | | | | | |
Разгон (Ra) | | | | | | | | |
2 | Холостой ход (Id) | | | | | | | | |
Полная нагрузка (Fl) | | | | | | | | |
Разгон (Ra) | | | | | | | | |
3 | Холостой ход (Id) | | | | | | | | |
Полная нагрузка (Fl) | | | | | | | | |
Разгон (Ra) | | | | | | | | |
4 | Холостой ход (Id) | | | | | | | | |
Полная нагрузка (Fl) | | | | | | | | |
Разгон (Ra) | | | | | | | | |
n | Холостой ход (Id) | | | | | | | | |
Полная нагрузка (Fl) | | | | | | | | |
Разгон (Ra) | | | | | | | | |
Среднее арифметическое значение измеренного уровня звука  | Холостой ход (Id)  |
Полная нагрузка (Fl)  |
Разгон (Ra)  |
 - измеренные эквивалентные уровни звука в точках измерений.  - средний на поверхности уровень звука, рассчитанное по формуле (4) ISO 3744.  - среднее арифметическое значение, рассчитанное по значениям  для соответствующего режима работы. Значения  включают в протокол испытаний, если такие измерения выполняют. Методика испытаний может предусматривать автоматическое усреднение. |
Форма для регистрации в протоколе испытаний данных
при определении корректированного по A уровня
звуковой мощности
Режим работы | Среднее арифметическое значение измеренного уровня звука  , дБА | Коррекция на фоновый шум K1A, дБА | Средний на поверхности уровень звука  , дБА | Масштабный фактор Ls, дБА | Корректированный по A уровень звуковой мощности LWAX, дБА |
Холостой ход (Id) | | | | | |
Полная нагрузка (Fд) | | | | | |
Разгон (Ra) | | | | | |
Показатель акустических условий K2A = |
 - среднее арифметическое значение, рассчитанное по  для соответствующего режима работы.  , где  заменяют  ,  ,  соответственно; K1A - коррекция на фоновый шум по ISO 3744 (подраздел 8.3);  ,  , где S - площадь полусферы, м 2; S0 = 1 м 2. |
A.5 Расчет эквивалентных уровней шума для рабочих циклов
Эквивалентные уровни шума определяют для рабочего цикла, включающего в себя для пил с двигателем объемом менее 80 см3 работу с равной продолжительностью на холостом ходу, при полной нагрузке и при разгоне, а для пил с двигателем объемом >= 80 см3 - на холостом ходу и при полной нагрузке.
A.5.2 Пилы с двигателем объемом менее 80 см3
Эквивалентный уровень звука излучения LpAeq, дБА, рассчитывают по формуле

(A.1)
где LpAId - уровень звука излучения на холостом ходу;
LpAFI - уровень звука излучения при полной нагрузке;
LpARa - уровень звука излучения при разгоне.
Эквивалентный корректированный по A уровень звуковой мощности LWAeq, дБА, рассчитывают по формуле

(A.2)
где LWAId - корректированный по A уровень звуковой мощности на холостом ходу;
LWAFl - корректированный по A уровень звуковой мощности при полной нагрузке;
LWARa - корректированный по A уровень звуковой мощности при разгоне.
A.5.3 Пилы с двигателем объемом не менее 80 см3
Эквивалентный уровень звука излучения LpAeq, дБА, рассчитывают по формуле

(A.3)
где LpAId - уровень звука излучения на холостом ходу;
LpAFl - уровень звука излучения при полной нагрузке.
Эквивалентный корректированный по A уровень звуковой мощности LWAeq, дБА, рассчитывают по формуле

(A.4)
где LWAId - корректированный по A уровень звуковой мощности на холостом ходу;
LWAFl - корректированный по A уровень звуковой мощности при полной нагрузке.
(обязательное)
УСЛОВИЯ ИСПЫТАНИЙ КУСТОРЕЗОВ И МОТОКОС
Измерения выполняют на машине со всеми приспособлениями, поставляемыми изготовителем, которые могут быть причиной различия в шуме. Если резание осуществляют струной, то ее длина должна быть максимальной минус 5 мм. Двигатель предварительно обкатывают в соответствии с рекомендациями изготовителя. Машина должна быть прогрета до рабочей температуры до начала испытаний.
Карбюратор регулируют по инструкции изготовителя.
Частоту вращения двигателя при всех режимах работы выдерживают постоянной с точностью +/- 3,5 об/с. Изменения первоначальной регулировки не допускаются.
B.2 Установка и ориентация машины
B.2.1 Установка машины
Для закрепления машины в требуемом положении применяют захваты, не отражающие звук. Используют эластичное крепление, чтобы избежать структурных резонансов.
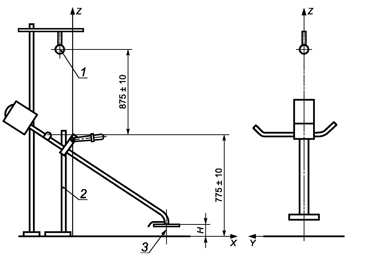
a) Машина с петлей подвески
Устанавливают машину в устройстве крепления так, чтобы петля подвески была на высоте (775 +/- 10) мм над землей (рисунок B.1). Дисковое полотно кустореза должно быть на высоте H = (300 +/- 10) мм над землей, плоскость вращения режущего инструмента мотокосы (ножа или струны) - на высоте (50 +/- 25) мм. Если петля подвески регулируемая, то ее положение выбирают так, чтобы выдержать размер H в требуемых пределах.
1 - микрофон (для измерений на рабочем месте оператора);
2 - устройство крепления машины; 3 - ось вращения
режущего инструмента
Рисунок B.1 - Испытательная установка
для кустореза и мотокосы
b) Машина без петли подвески
Устанавливают машину в устройстве крепления так, чтобы середина задней рукоятки была на высоте (775 +/- 10) мм над землей (рисунок B.2). Дисковое полотно кустореза должно быть на высоте H = (300 +/- 10) мм над землей, плоскость вращения режущего инструмента мотокосы - на высоте (50 +/- 25) мм.
1 - микрофон (для измерений на рабочем месте оператора);
2 - устройство для крепления плечевых ремней; 3 - нижняя
кромка ранца; 4 - устройство крепления машины; 5 - ось
вращения режущего инструмента; 6 - задняя рукоятка
Рисунок B.2 - Испытательная установка для ранцевых
кустореза и мотокосы
c) Машина с ранцевым двигателем
Машину с ранцевым двигателем устанавливают в устройстве крепления, используя узлы крепления плечевых ремней так, чтобы нижняя кромка ранца была на высоте (1030 +/- 25) мм над землей. Ранец должен быть в таком положении, чтобы задняя рукоятка находилась на вертикали на расстоянии (300 +/- 25) мм справа от оси ранца и на расстоянии (200 +/- 25) мм впереди вертикали, проходящей через осевую линию устройства для крепления плечевых ремней
(рисунок B.2).
B.2.2 Ориентация машины при измерении корректированного по A уровня звуковой мощности
Машину ориентируют так, чтобы ее штанга была над осью X, а проекция центра задней/правой рукоятки лежала на оси Y.
B.2.3 Положение микрофона при измерении уровня звука излучения
Положение микрофона должно быть следующим:
- для машины с петлей подвески микрофон располагают на вертикали над петлей подвески на высоте (875 +/- 10) мм
(рисунок B.1);
- для машины без петли подвески - на высоте (875 +/- 10) мм над центром задней/правой рукоятки
(рисунок B.2).
B.3 Методика испытаний
B.3.1 Общие положения
Шум измеряют на двух режимах работы: на холостом ходу и при разгоне.
a) Выполняют по меньшей мере четыре измерения с короткими перерывами и существенным изменением частоты вращения перед каждым измерением. Отделяют каждое измерение на холостом ходу коротким разгоном и наоборот [
A.3.1, перечисление a) приложения A].
Должно быть выполнено не менее четырех измерений шума на интервалах времени с суммарной продолжительностью не менее 20 с.
Продолжительность измерений должна быть не менее 2 с, в течение которых частота вращения двигателя не должна изменяться более чем на +/- 3,5 об/с.
Примечание - Измерения на холостом ходу и при разгоне можно проводить в любой последовательности.
b) Размах значений при каждом режиме работы должен быть не более 2 дБА. В противном случае повторяют измерения до тех пор, пока четыре последовательных отсчета будут отличаться не более чем на 2 дБА. За результат измерений в каждой точке принимают среднеарифметическое значение четырех отсчетов.
Указанную методику соблюдают для режимов работы по B.3.2 и
B.3.3 при измерениях как корректированного по
A уровня звуковой мощности, так и уровня звука излучения. Если определяют уровень звуковой мощности, то эту методику применяют при усреднении уровней звукового давления в каждой из шести точек измерений.
B.3.2 Холостой ход
Проводят измерения на частоте вращения холостого хода, устанавливаемой изготовителем.
Проводят измерения на частоте вращения, составляющей 133% частоты вращения в режиме максимальной мощности. Максимальную мощность кустореза определяют по ISO 8893.
При испытаниях мотокосы измерения выполняют при длине струны, отрегулированной по
B.1, при полном открытии дроссельной заслонки. Если максимальная частота вращения может быть выше 133% частоты, соответствующей максимальной мощности, то измерения проводят при частоте, равной 133% частоты, соответствующей максимальной мощности.
Если частота вращения двигателя ограничена меньшим значением, то измерения проводят при максимальной допускаемой частоте вращения. Если двигатель не позволяет обеспечить стабильную частоту вращения, то испытания проводят при максимально возможной стабильной частоте вращения, но она должна быть не более чем на 8 об/с ниже максимальной частоты вращения, указанной изготовителем. Частоту регулируют дроссельной заслонкой.
B.4 Информация, подлежащая регистрации и внесению в протокол испытаний
В соответствии с настоящим стандартом регистрируют и включают в протокол испытаний следующую информацию:
a) испытуемая машина:
1) описание машины, включая объем двигателя, наименование изготовителя, указание типа и серийного номера и диаметра режущего аппарата;
b) акустические условия (описание испытательного пространства):
1) если измерения выполняют вне помещения, то приводят эскиз положения машины относительно окружающих объектов, включая описание испытательного пространства (должно быть описано устройство земляной площадки);
2) если измерения выполняют в помещении, то указывают покрытие стен, потолка и пола и приводят эскиз расположения машины и оборудования в помещении;
3) значение показателя акустических условий K2A;
c) измерительная аппаратура:
1) оборудование, используемое при измерениях, включая наименование, тип, серийный номер и сведения об изготовителе;
2) метод калибровки измерительной системы;
3) дата и место последней калибровки калибратора звука;
d) акустические и иные данные:
1) уровни звука фонового шума в местах установки микрофона;
3) примечания, если имеются;
4) температура воздуха и скорость ветра;
5) дата и место измерений.
Форма для регистрации в протоколе испытаний данных
при измерениях уровней звука излучения
Режим работы | Частота вращения, об/с | Измеренное значение уровня звука  , дБА | Среднее арифметическое значение  , дБА | Коррекция на фоновый шум K1A, дБА | Уровень звука излучения LpAX, дБА |
Номер испытаний |
1 | 2 | 3 | 4 | n |
Холостой ход (Id) | | | | | | | | | |
Разгон (Ra) | | | | | | | | | |
Уровень звука излучения при режиме работы X рассчитывают по формуле  где K1A - коррекция на фоновый шум по ISO 11201. |
Форма для регистрации в протоколе испытаний данных
при измерениях для определения корректированного
по A уровня звуковой мощности
Номер испытаний | Режим работы | Частота вращения, об/с |  , дБА |  , дБА |  , дБА |  , дБА |  , дБА |  , дБА |  , дБА |
1 | Холостой ход (Id) | | | | | | | | |
Разгон (Ra) | | | | | | | | |
2 | Холостой ход (Id) | | | | | | | | |
Разгон (Ra) | | | | | | | | |
3 | Холостой ход (Id) | | | | | | | | |
Разгон (Ra) | | | | | | | | |
4 | Холостой ход (Id) | | | | | | | | |
Разгон (Ra) | | | | | | | | |
N | Холостой ход (Id) | | | | | | | | |
Разгон (Ra) | | | | | | | | |
Среднее арифметическое значение измеренного уровня звука  | Холостой ход (Id)  |
Разгон (Ra)  |
 - измеренные эквивалентные уровни звука в точках измерений.  - средний на поверхности уровень звука, рассчитанный по формуле (4) ISO 3744.  - среднее арифметическое значение, рассчитанное по значениям  для соответствующего режима работы. Значения  включают в протокол испытаний, если такие измерения выполняют. Методика испытаний может предусматривать автоматическое усреднение. |
Форма для регистрации в протоколе испытаний данных
при определении корректированного по A уровня
звуковой мощности
Режим работы | Среднее арифметическое значение измеренного уровня звука  , дБА | Коррекция на фоновый шум K1A, дБА | Средний на поверхности уровень звука  , дБА | Масштабный фактор Ls, дБА | Корректированный по A уровень звуковой мощности LWAX, дБА |
Холостой ход (Id) | | | | | |
Разгон (Ra) | | | | | |
Показатель акустических условий K2A = |
 - среднее арифметическое значение, рассчитанное по  для соответствующего режима работы.  , где  заменяют  или  соответственно; K1A - коррекция на фоновый шум по ISO 3744 (подраздел 8.3);  ,  , где S - площадь полусферы, м 2; S0 = 1 м 2. |
B.5 Расчет эквивалентных уровней шума для рабочих циклов
Эквивалентные уровни шума определяют для рабочего цикла, включающего в себя для кусторезов и мотокос работу с равной продолжительностью на холостом ходу и при разгоне.
Эквивалентный уровень звука излучения LpAeq, дБА, рассчитывают по формуле
где LpAId - уровень звука излучения на холостом ходу;
LpARa - уровень звука излучения при разгоне.
Эквивалентный корректированный по A уровень звуковой мощности LWAeq, дБА, рассчитывают по формуле
где LWAId - корректированный по A уровень звуковой мощности на холостом ходу;
LWARa - корректированный по A уровень звуковой мощности при разгоне.
(рекомендуемое)
ПРИМЕР ВОДЯНОГО ТОРМОЗА ДЛЯ ИСПЫТАНИЙ ЦЕПНОЙ ПИЛЫ
С МОДЕЛИРУЕМОЙ НАГРУЗКОЙ
1 - шина; 2 - крыльчатка центробежного насоса; 3 - вал;
4 - цепная пила; 5 - звездочка; 6 - выход воды;
7 - вход воды
Рисунок C.1
(рекомендуемое)
ОПРЕДЕЛЕНИЕ КОРРЕКТИРОВАННОГО ПО
A УРОВНЯ ЗВУКОВОЙ МОЩНОСТИ
МАШИН, ЭКСПЛУАТИРУЕМЫХ ВНЕ ПОМЕЩЕНИЯ, ПО ЕВРОПЕЙСКОЙ
ДИРЕКТИВЕ 2000/14/EC
Европейская директива 2000/14/EC
[1] (далее - директива) требует заявлять корректированный по
A уровень звуковой мощности с тремя отличиями от настоящего стандарта:
Точки измерений 1 - 4 согласно настоящему стандарту расположены на высоте 0,38r, в то время как по директиве - на высоте 1,5 м. В обычном случае, когда r = 4 м, отличие высот незначительное (1,52 вместо 1,5 м), но при других значениях радиуса отличия могут быть существенные, что оказывает влияние на измеренное значение уровней звукового давления в этих точках измерений.
Точки измерений 5 и 6 согласно настоящему стандарту имеют координату по оси X, равную 0,28r, в то время как по директиве - 0,27r. При полусфере r = 4 м отличие координат незначительное (1,12 и 1,08 м соответственно). Поэтому измеренные по настоящему стандарту значения лишь несколько меньше, чем измеренные по директиве значения.
b) рабочие циклы
Рабочие циклы по директиве отличаются от установленных настоящим стандартом (см. таблицу). Как можно предвидеть, корректированный по A уровень звуковой мощности, определенный по директиве, может быть существенно выше, чем определенный по настоящему стандарту.
Таблица D.1
Сравнение рабочих циклов по настоящему стандарту
и директиве 2000/14/EC
[1]
Тип машины | Настоящий стандарт | Директива 2000/14/EC |
Цепные пилы с двигателем объемом менее 80 см3 | Равная продолжительность работы на холостом ходу, при полной нагрузке и при разгоне | Равная продолжительность работы при полной нагрузке и при разгоне |
Цепные пилы с двигателем объемом >= 80 см3 | Равная продолжительность работы на холостом ходу и при полной нагрузке | Равная продолжительность работы при полной нагрузке и при разгоне |
Кусторезы и мотокосы | Равная продолжительность работы на холостом ходу и при разгоне | Только разгон |
Примечание - Дополнительная информация содержится в [3]. |
c) заявление значения шумовой характеристики
Заявляют корректированный по A уровень звуковой мощности в виде одночислового значения.
(справочное)
СВЕДЕНИЯ О СООТВЕТСТВИИ МЕЖГОСУДАРСТВЕННЫХ СТАНДАРТОВ
ССЫЛОЧНЫМ МЕЖДУНАРОДНЫМ СТАНДАРТАМ
Таблица ДА.1
Обозначение и наименование международного стандарта | Степень соответствия | Обозначение и наименование межгосударственного стандарта |
ISO 354:2003 Акустика. Измерение звукопоглощения в реверберационной камере | NEQ | ГОСТ 26417-85 <*> Материалы звукопоглощающие строительные. Метод испытаний в малой реверберационной камере |
ISO 3744:1994 Акустика. Определение уровней звуковой мощности источников шума по звуковому давлению. Технический метод в существенно свободном звуковом поле над звукоотражающей плоскостью | MOD | ГОСТ 31275-2002 (ИСО 3744-94) <**> Шум машин. Определение уровней звуковой мощности источников шума по звуковому давлению. Технический метод в существенно свободном звуковом поле над звукоотражающей плоскостью |
ISO 4871:1996 Акустика. Заявление и подтверждение значений звукового излучения машин и оборудования | MOD | ГОСТ 30691-2001 (ИСО 4871-96) <**> Шум машин. Заявление и контроль значений шумовых характеристик |
ISO 6531 Лесные машины. Переносные ручные цепные пилы. Словарь | - | |
ISO 7112 Лесные машины. Переносные ручные кусторезы и мотокосы. Словарь | - | |
ISO 7293 Лесные машины. Переносные цепные пилы. Рабочие характеристики двигателя и расход топлива | - | |
ISO 8893 Лесные машины. Переносные кусторезы и мотокосы. Рабочие характеристики двигателя и расход топлива | - | |
ISO 11201:1995 Акустика. Измерение уровней звукового давления излучения на рабочем месте и в других контрольных точках. Технический метод в существенно свободном звуковом поле над звукоотражающей плоскостью | MOD | ГОСТ 31172-2003 <**> (ИСО 11201:1995) Шум машин. Измерение уровней звукового давления излучения на рабочем месте и в других контрольных точках. Технический метод в существенно свободном звуковом поле над звукоотражающей плоскостью |
IEC 60651:1979 Шумомеры IEC 60804:2000 Интегрирующие шумомеры | MOD | |
<*> Межгосударственный стандарт не эквивалентен международному. До его пересмотра рекомендуется использовать перевод на русский язык данного международного стандарта, который находится в Федеральном информационном фонде технических регламентов и стандартов. <**> Внесенные технические отклонения обеспечивают выполнение требований настоящего стандарта. <***> Соответствующий межгосударственный стандарт отсутствует. В Российской Федерации действует ГОСТ Р 50692-94 (ИСО 6531-82) Пилы бензиномоторные цепные. Термины и определения. <****> Соответствующий межгосударственный стандарт отсутствует. В Российской Федерации действует ГОСТ Р 50693-94 (ИСО 7112-82) Кусторезы бензиномоторные. Термины и определения. <*****> Соответствующий межгосударственный стандарт отсутствует. До его утверждения рекомендуется использовать перевод на русский язык данного международного стандарта, который находится в Федеральном информационном фонде технических регламентов и стандартов. |
| Directive 2000/14/EC of the European and of the Council of 8 May 2000 on the approximation of the laws of the Member States relating to the noise emission in the environment by equipment for use outdoors |
| ISO 5395:1990 Power lawn-mowers, lawn tractors, lawn and garden tractors, professional mowers, and lawn and garden tractors with mowing attachments - Definitions, safety requirements and test procedures |
| EC Position paper on guidelines for the application of the European Parliament and Council Directive 2000/14/EC on the approximation of the laws of the Member States relating to the noise emission in the environment by equipment for use outdoors, December 2001 |