Главная // Актуальные документы // ГОСТ (Государственный стандарт)
СПРАВКА
Источник публикации
М.: Стандартинформ, 2013
Примечание к документу
Документ утратил силу с 1 апреля 2015 года в связи с изданием Приказа Росстандарта от 18.09.2014 N 1115-ст. Взамен введен в действие ГОСТ IEC 60745-2-11-2014.

Документ включен в Перечень стандартов, в результате применения которых на добровольной основе обеспечивается соблюдение требований технического регламента Таможенного союза "О безопасности низковольтного оборудования" (ТР ТС 004/2011) и в Перечень стандартов, содержащих правила и методы исследований (испытаний) и измерений, в том числе правила отбора образцов, необходимые для применения и исполнения требований технического регламента Таможенного союза "О безопасности низковольтного оборудования" (ТР ТС 004/2011) и осуществления оценки (подтверждения) соответствия продукции (Решение Комиссии Таможенного союза от 16.08.2011 N 768).

Документ введен в действие с 1 января 2013 года.
Название документа
"ГОСТ IEC 60745-2-11-2011. Межгосударственный стандарт. Машины ручные электрические. Безопасность и методы испытаний. Часть 2-11. Частные требования к пилам с возвратно-поступательным движением рабочего инструмента (лобзикам и ножовочным пилам)"
(введен в действие Приказом Росстандарта от 13.12.2011 N 1151-ст)

"ГОСТ IEC 60745-2-11-2011. Межгосударственный стандарт. Машины ручные электрические. Безопасность и методы испытаний. Часть 2-11. Частные требования к пилам с возвратно-поступательным движением рабочего инструмента (лобзикам и ножовочным пилам)"
(введен в действие Приказом Росстандарта от 13.12.2011 N 1151-ст)


Содержание


Введен в действие
Приказом Федерального
агентства по техническому
регулированию и метрологии
от 13 декабря 2011 г. N 1151-ст
МЕЖГОСУДАРСТВЕННЫЙ СТАНДАРТ
МАШИНЫ РУЧНЫЕ ЭЛЕКТРИЧЕСКИЕ
БЕЗОПАСНОСТЬ И МЕТОДЫ ИСПЫТАНИЙ
ЧАСТЬ 2-11
ЧАСТНЫЕ ТРЕБОВАНИЯ
К ПИЛАМ С ВОЗВРАТНО-ПОСТУПАТЕЛЬНЫМ ДВИЖЕНИЕМ
РАБОЧЕГО ИНСТРУМЕНТА (ЛОБЗИКАМ И НОЖОВОЧНЫМ ПИЛАМ)
Hand-held motor-operated electric tools - Safety
and test methods. Part 2-11: Particular requirements
for reciprocating saws (jig and saber saws)
(IEC 60745-2-11:2003, IDT)
ГОСТ IEC 60745-2-11-2011
Группа Г24
ОКС 25.140.20;
ОКП 48 3331
Дата введения
1 января 2013 года
Предисловие
Цели, основные принципы и порядок проведения работ по межгосударственной стандартизации установлены ГОСТ 1.0-92 "Межгосударственная система стандартизации. Основные положения" и ГОСТ 1.2-2009 "Межгосударственная система стандартизации. Стандарты межгосударственные, правила и рекомендации по межгосударственной стандартизации. Правила разработки, принятия, применения, обновления и отмены".
Сведения о стандарте
1. Подготовлен Федеральным государственным унитарным предприятием "Всероссийский научно-исследовательский институт стандартизации и сертификации в машиностроении" (ВНИИНМАШ).
2. Внесен Федеральным агентством по техническому регулированию и метрологии (Росстандарт).
3. Принят Межгосударственным советом по стандартизации, метрологии и сертификации (Протокол N 40-2011 от 29 ноября 2011 г.).
За принятие стандарта проголосовали:
┌────────────────────┬────────────────────┬───────────────────────────────┐
│Краткое наименование│ Код страны по │ Сокращенное наименование │
│ страны по │МК (ISO 3166) 004-97│ национального органа │
МК (ISO 3166) 004-97│ │ по стандартизации │
├────────────────────┼────────────────────┼───────────────────────────────┤
│Беларусь │ BY │Госстандарт Республики Беларусь│
│Казахстан │ KZ │Госстандарт Республики │
│ │ │Казахстан │
│Кыргызстан │ KG │Кыргызстандарт │
│Российская Федерация│ RU │Росстандарт │
│Таджикистан │ TJ │Таджикстандарт │
└────────────────────┴────────────────────┴───────────────────────────────┘
4. Приказом Федерального агентства по техническому регулированию и метрологии от 13 декабря 2011 г. N 1151-ст межгосударственный стандарт ГОСТ IEC 60745-2-11-2011 введен в действие в качестве национального стандарта Российской Федерации с 1 января 2013 г.
5. Настоящий стандарт идентичен международному стандарту IEC 60745-2-11:2003 "Hand-held motor-operated electric tools. Safety. Part 2-11: Particular requirements for reciprocating saws (jig and sabre saws)" (Ручные электрические инструменты с приводом от электродвигателя. Безопасность. Часть 2-11: Частные требования для пил с возвратно-поступательным движением рабочего инструмента (лобзиков и ножовочных пил).
Сведения о соответствии межгосударственных стандартов ссылочным международным стандартам приведены в дополнительном Приложении ДА.
Степень соответствия - идентичная (IDT).
Стандарт подготовлен на основе применения ГОСТ Р МЭК 60745-2-11-2008.
6. Введен впервые.
Информация о введении в действие (прекращении действия) настоящего стандарта публикуется в указателе "Национальные стандарты".
Информация об изменениях к настоящему стандарту публикуется в указателе "Национальные стандарты", а текст этих изменений - в информационных указателях "Национальные стандарты". В случае пересмотра или отмены настоящего стандарта соответствующая информация будет опубликована в информационном указателе "Национальные стандарты".
Введение
Настоящий стандарт относится к комплексу стандартов, устанавливающих требования безопасности ручных электрических машин и методы их испытаний.
ИС МЕГАНОРМ: примечание.
В официальном тексте документа, видимо, допущена опечатка: стандарт имеет номер ГОСТ Р МЭК 60745-1-2005, а не ГОСТ Р IEC 60745-1-2005.
Настоящий стандарт применяют совместно с ГОСТ Р IEC 60745-1-2005 "Машины ручные электрические. Безопасность и методы испытаний. Часть 1. Общие требования", который идентичен международному стандарту IEC 60745-1:2003 "Ручные электрические инструменты с приводом от электродвигателя. Безопасность. Часть 1. Общие требования".
Настоящий стандарт устанавливает частные требования безопасности и методы испытаний пил с возвратно-поступательным движением рабочего инструмента (лобзиков и ножовочных пил), которые дополняют, изменяют или заменяют соответствующие разделы, подразделы, пункты, таблицы и рисунки IEC 60745-1:2003 (ГОСТ Р IEC 60745-1-2005).
Номера разделов, пунктов, таблиц и рисунков соответствуют указанным в IEC 60745-2-11:2003.
ИС МЕГАНОРМ: примечание.
Требования, выделенные курсивом в официальном тексте документа, в электронной версии документа отмечены знаком "&";
термины, выделенные полужирным шрифтом в официальном тексте документа, в электронной версии документа отмечены знаком "#".
В настоящем стандарте приняты следующие шрифтовые выделения:
- требования к методам испытаний - курсив;
- примененные термины - полужирный шрифт.
Изменение наименования раздела 3 вызвано необходимостью приведения в соответствие с ГОСТ Р 1.5-2004.
1. Область применения
По IEC 60745-1 со следующим изменением:
1.1. Дополнение
Настоящий стандарт распространяется на пилы возвратно-поступательного действия (далее - пилы).
Перечень машин, на которые распространяется настоящий стандарт, не ограничивается лобзиками и сабельными пилами.
2. Нормативные ссылки
По IEC 60745-1.
3. Термины и определения
По IEC 60745-1 со следующим изменением:
3.101. #Пила возвратно-поступательного действия# (reciprocating saw): машина, предназначенная для пиления различных материалов пильным полотном (полотнами), совершающим возвратно-поступательные или колебательные движения.
3.102. #Лобзик# (jigsaw): пила возвратно-поступательного действия, оснащенная направляющей плитой и имеющая возможность установки под углом к обрабатываемому материалу.
3.103. #Сабельная пила# (sabre saw): пила возвратно-поступательного действия с направляющей плитой или без нее, а при ее наличии пила имеет возможность установки под углом к обрабатываемому материалу.
4. Общие требования
По IEC 60745-1.
5. Общие условия испытаний
По IEC 60745-1.
6. В стадии рассмотрения
7. Классификация
По IEC 60745-1.
8. Маркировка и инструкции
По IEC 60745-1.
9. Защита от контакта с токоведущими частями
По IEC 60745-1.
10. Пуск
По IEC 60745-1.
11. Потребляемая мощность и ток
По IEC 60745-1.
12. Нагрев
По IEC 60745-1.
13. Ток утечки
По IEC 60745-1.
14. Влагостойкость
По IEC 60745-1.
15. Электрическая прочность
По IEC 60745-1.
16. Защита от перегрузки трансформаторов
и соединенных с ними цепей
По IEC 60745-1.
17. Надежность
По IEC 60745-1.
18. Ненормальный режим работы
По IEC 60745-1.
19. Механическая безопасность
По IEC 60745-1 со следующими изменениями:
19.1. Замена:
а) Для лобзиков
Для предотвращения непреднамеренного прикосновения к движущимся частям, находящимся выше направляющей плиты, должно быть предусмотрено защитное устройство.
&Испытание проводят осмотром и нижеследующим испытанием:
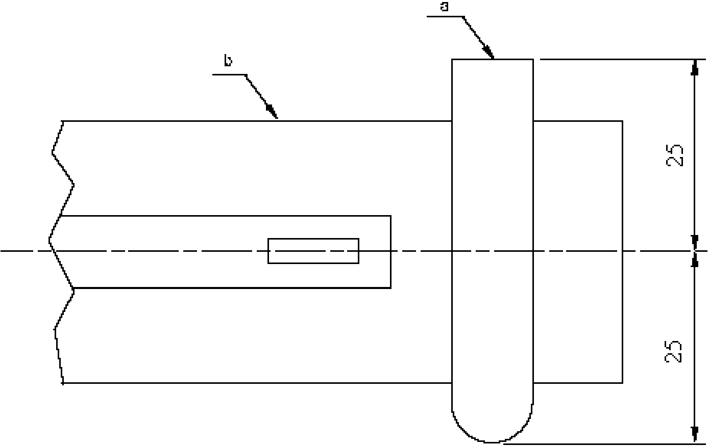
Лобзик настраивается на выполнение пропила под прямым углом. Испытательный палец (см. рисунок 101 a) помещается поверх направляющей плиты в соответствии с рисунками 101 b и 101 c. Продольная ось испытательного пальца должна быть сориентирована перпендикулярно по отношению к кромке зубьев пильного полотна и посередине по отношению к плоскости пильного полотна. При перемещении испытательного пальца к пильному полотну не должно быть возможным его прикосновение к кромке зубьев.&
a) Испытательный палец
Примечание. Для упрощения верхняя часть лобзика не изображена.
b) Вид сбоку с указанием положения
и направлением движения испытательного пальца
c) Вид сверху направляющей плиты
с положением испытательного пальца
a - испытательный палец, b - направляющая плита
Рисунок 101. Испытательный щуп
б) Для других видов пил с возвратно-поступательным движением пильного полотна
Для предотвращения непреднамеренного прикосновения к движущимся частям должно быть предусмотрено защитное устройство.
&Испытание проводят осмотром.&
Если пила сконструирована так, что зона захвата (удержания пилы рукой) находится вблизи или позади пильного полотна, то в продолжение пильной кромки пильного полотна должен быть установлен барьер высотой не менее 6 мм с измерением от поверхности захвата. В барьере нет необходимости, если электрический инструмент снабжен дополнительной передней рукояткой.
20. Механическая прочность
По IEC 60745-1.
21. Конструкция
По IEC 60745-1.
22. Внутренняя проводка
По IEC 60745-1.
23. Комплектующие изделия
По IEC 60745-1.
24. Присоединение к источнику питания
и внешние гибкие шнуры
По IEC 60745-1.
25. Зажимы для внешних проводов
По IEC 60745-1.
26. Заземление
По IEC 60745-1.
27. Винты и соединения
По IEC 60745-1.
28. Пути утечки тока, воздушные зазоры
и расстояния по изоляции
По IEC 60745-1.
29. Теплостойкость, огнестойкость
и стойкость к образованию токоведущих мостиков
По IEC 60745-1.
30. Коррозийная стойкость
По IEC 60745-1.
31. Радиация, токсичность и подобные опасности
По IEC 60745-1.
Приложения
По IEC 60745-1 со следующими изменениями:
Приложение K
(обязательное)
БАТАРЕЙНЫЕ (АККУМУЛЯТОРНЫЕ) МАШИНЫ И АККУМУЛЯТОРЫ
K.1.1. Дополнение:
Все пункты настоящего стандарта относятся к приложению, если нет других указаний.
Приложение L
(обязательное)
БАТАРЕЙНЫЕ (АККУМУЛЯТОРНЫЕ) МАШИНЫ И АККУМУЛЯТОРЫ,
ПРЕДУСМОТРЕННЫЕ ДЛЯ ПОДСОЕДИНЕНИЯ К СЕТИ
ИЛИ НЕИЗОЛИРОВАННЫМ ИСТОЧНИКАМ ПИТАНИЯ
L.1.1. Дополнение:
Все пункты настоящего стандарта относятся к приложению, если нет других указаний.
Приложение ДА
(справочное)
СВЕДЕНИЯ О СООТВЕТСТВИИ НАЦИОНАЛЬНОГО СТАНДАРТА
РОССИЙСКОЙ ФЕДЕРАЦИИ ССЫЛОЧНОМУ МЕЖДУНАРОДНОМУ СТАНДАРТУ
Таблица ДА.1
┌──────────────────────────────┬────────────┬─────────────────────────────┐
│ Обозначение и наименование │ Степень │ Обозначение и наименование │
│ международного стандарта │соответствия│межгосударственного стандарта│
├──────────────────────────────┼────────────┼─────────────────────────────┤
ИС МЕГАНОРМ: примечание.
Сноска дана в соответствии с официальным текстом документа.
│IEC 60745-1:2003 │ - │ <*> │
├──────────────────────────────┴────────────┴─────────────────────────────┤
│ Соответствующий межгосударственный стандарт отсутствует. До его│
│утверждения рекомендуется использовать перевод на русский язык данного│
│международного стандарта. Перевод данного международного стандарта│
│находится в Федеральном информационном фонде технических регламентов и│
│стандартов. │
└─────────────────────────────────────────────────────────────────────────┘
БИБЛИОГРАФИЯ
По IEC 60745-1.