Главная // Актуальные документы // ГОСТ (Государственный стандарт)СПРАВКА
Источник публикации
М.:Госстрой России, ГУПЦПП, 2003
Примечание к документу
Документ утратил силу с 1 июля 2015 года в связи с изданием
Приказа Росстандарта от 12.12.2014 N 2036-ст. Взамен введен в действие
ГОСТ 30970-2014.
С 1 июля 2003 года до вступления в силу технических регламентов акты федеральных органов исполнительной власти в сфере технического регулирования носят рекомендательный характер и подлежат обязательному исполнению только в части, соответствующей целям, указанным в
пункте 1 статьи 46 Федерального закона от 27.12.2002 г. N 184-ФЗ.
Введен в действие с 1 марта 2003 года (
Постановление Госстроя РФ от 02.09.2002 N 114).
Название документа
"ГОСТ 30970-2002. Блоки дверные из поливинилхлоридных профилей. Технические условия"
(введен в действие Постановлением Госстроя РФ от 02.09.2002 N 114)
"ГОСТ 30970-2002. Блоки дверные из поливинилхлоридных профилей. Технические условия"
(введен в действие Постановлением Госстроя РФ от 02.09.2002 N 114)
от 2 сентября 2002 г. N 114
МЕЖГОСУДАРСТВЕННЫЙ СТАНДАРТ
БЛОКИ ДВЕРНЫЕ ИЗ ПОЛИВИНИЛХЛОРИДНЫХ ПРОФИЛЕЙ
ТЕХНИЧЕСКИЕ УСЛОВИЯ
Doors of polyvinylchloride profiles.
Specifications
ГОСТ 30970-2002
1. Разработан ФГУП "Центральное проектно-конструкторское и технологическое бюро" с участием ООО "ХТ ТРОПЛАСТ", ЗАО "РУС СВИГ" и НИУПЦ "Межрегиональный институт окна".
Внесен Госстроем России.
2. Принят Межгосударственной научно-технической комиссией по стандартизации, техническому нормированию и сертификации в строительстве (МНТКС) 24 апреля 2002 г.
За принятие проголосовали:
┌────────────────────────┬───────────────────────────────────────┐
│Наименование государства│ Наименование органа государственного │
│ │ управления строительством │
├────────────────────────┼───────────────────────────────────────┤
│Республика Армения │Министерство градостроительства │
│ │Республики Армения │
│Республика Казахстан │Комитет по делам строительства │
│ │Министерства энергетики, индустрии и │
│ │торговли Республики Казахстан │
│Кыргызская Республика │Государственная инспекция по │
│ │архитектуре и строительству при │
│ │Правительстве Кыргызской Республики │
│Республика Молдова │Министерство развития территорий, │
│ │строительства и коммунального │
│ │хозяйства Республики Молдова │
│Российская Федерация │Госстрой России │
│Республика Узбекистан │Госкомархитектстрой Республики │
│ │Узбекистан │
└────────────────────────┴───────────────────────────────────────┘
3. Введен впервые.
4. Введен в действие с 1 марта 2003 г. в качестве государственного стандарта Российской Федерации постановлением Госстроя России от 2 сентября 2002 г. N 114.
Настоящий стандарт распространяется на дверные блоки из поливинилхлоридных профилей с полотнами рамочной конструкции и распашным открыванием (далее - дверные блоки или изделия) для зданий и сооружений различного назначения.
Стандарт не распространяется на балконные дверные блоки, а также на дверные блоки специального назначения в части дополнительных требований к пожаробезопасности, стойкости к взлому и т.д.
Область применения конкретных марок изделий устанавливают в зависимости от условий эксплуатации в соответствии с действующими строительными нормами и правилами с учетом требований настоящего стандарта.
Стандарт может быть применен для целей сертификации изделий.
В настоящем документе использованы ссылки на следующие стандарты:
ГОСТ 427-75. Линейки измерительные металлические. Технические условия
ГОСТ 538-2001. Изделия замочные и скобяные. Общие технические условия
ГОСТ 5089-97. Замки и защелки для дверей. Технические условия
ГОСТ 7502-98. Рулетки измерительные металлические. Технические условия
ГОСТ 22233-2001. Профили прессованные из алюминиевых сплавов для светопрозрачных ограждающих конструкций. Технические условия
ГОСТ 24866-99. Стеклопакеты клееные строительного назначения. Технические условия
ГОСТ 26433.0-85. Система обеспечения точности геометрических параметров в строительстве. Правила выполнения измерений. Общие положения
ГОСТ 26433.1-89. Система обеспечения точности геометрических параметров в строительстве. Правила выполнения измерений. Элементы заводского изготовления
ГОСТ 26602.1-99. Блоки оконные и дверные. Методы определения сопротивления теплопередаче
ГОСТ 26602.2-99. Блоки оконные и дверные. Методы определения воздухо- и водопроницаемости
ГОСТ 30673-99. Профили поливинилхлоридные для оконных и дверных блоков. Технические условия
ГОСТ 30778-2001. Прокладки уплотняющие из эластомерных материалов для оконных и дверных блоков. Технические условия
ГОСТ 30826-2001. Стекло многослойное строительного назначения. Технические условия
ГОСТ 30971-2002. Швы монтажные узлов примыканий оконных блоков к стеновым проемам. Общие технические условия.
3. Классификация и условное обозначение
3.1. Изделия классифицируют по следующим основным признакам:
назначению;
виду заполнения дверных полотен;
варианту конструктивного решения;
конструктивному исполнению профильных систем;
виду отделки.
3.1.1. По назначению дверные блоки подразделяют на:
наружные (входные в здания, сооружения, а также тамбурные);
внутренние (межкомнатные, для сантехнических узлов, входные в квартиру и другие дверные блоки, предназначенные для эксплуатации внутри здания).
3.1.2. По виду заполнения дверных полотен дверные блоки подразделяют на:
остекленные (с заполнением стеклопакетами или различными видами листовых стекол: узорчатыми, закаленными, многослойными, армированными и др.);
глухие (с заполнением панелями или другими непрозрачными материалами);
светлые (со светопрозрачным заполнением верхней части и глухим заполнением нижней части полотна);
декоративные (со сложным архитектурным рисунком).
3.1.3. По вариантам конструктивных решений дверные блоки подразделяют на:
однопольные (левого и правого исполнения), двупольные (с штульповым или безымпостным притвором, в том числе с полотнами разной ширины), с вертикальным импостом и смежным глухим или светопрозрачным заполнением коробки;
с фрамугой (открывающейся или неоткрывающейся);
с порогом на механических связях, без порога, с замкнутой рамочной коробкой (вариант, при котором нижний брусок коробки сварен с вертикальными и имеет тот же профиль).
3.1.4. По конструктивному исполнению профильных систем дверные блоки подразделяют на изделия с двух-, трех- и более камерными профилями.
3.1.5. По виду отделки профилей дверные блоки подразделяют на:
белого цвета, окрашенные в массе;
цветные, окрашенные в массе;
отделанные декоративной пленкой (ламинированные);
с коэкструдированным лицевым покрытием;
окрашенные лакокрасочными материалами.
3.2. Для дверных блоков принимают следующую схему структурного обозначения:
X X X X X-X X X
│ │ │ │ │ │ │
│ │ │ │ │ │ │ Вид изделия
└───┼───┼───┼────┼───┼───┼── ДПВ - дверной блок из ПВХ профилей
│ │ │ │ │ │ внутренний
│ │ │ │ │ │ ДПН - дверной блок из ПВХ профилей
│ │ │ │ │ │ наружный
│ │ │ │ │ │
│ │ │ │ │ │ Вариант заполнения дверного полотна
└───┼───┼────┼───┼───┼── Г - глухое
│ │ │ │ │ О - остекленное
│ │ │ │ │ С - светлые
│ │ │ │ │ Д - декоративные
│ │ │ │ │
│ │ │ │ │ Варианты конструкции
└───┼────┼───┼───┼── П - с порогом
│ │ │ │ Б - без порога
│ │ │ │ К - с замкнутой коробкой
│ │ │ │ Ф - с фрамугой
│ │ │ │
└────┼───┼───┼── Л - левая однопольная
│ │ │ Пр - правая однопольная
│ │ │ Дв - двупольная
│ │ │
└───┼───┼── Размер по высоте, мм
│ │
└───┼── Размер по ширине, мм
│
└── Обозначение настоящего стандарта
Примечания. 1. Допускается за обозначением вида изделия дополнительно вводить буквенное обозначение, уточняющее назначение дверных блоков: С - для сантехнических узлов, М - межкомнатные, К - квартирные (для входа в квартиру), Т - тамбурные, У - усиленные и др. (например, ДПВС - дверной блок из ПВХ профилей внутренний для сантехнических узлов).
2. Допускается в обозначение размеров вводить размер ширины коробки в миллиметрах.
Примеры условного обозначения:
ДПВ С Б Пр 2100-970 ГОСТ 30970-2002 - дверной блок из ПВХ профилей внутренний, светлый, без порога, однопольный правого открывания, высотой 2100 мм, шириной 970 мм;
ДПНУ Г П Л 2300-970-130 ГОСТ 30970-2002 - дверной блок из ПВХ профилей наружный усиленный, глухой, с порогом, однопольный левого открывания, высотой 2300 мм, шириной 970 мм, с шириной коробки 130 мм.
При оформлении договора (заказа) на изготовление (поставку) индивидуальных изделий рекомендуется указывать вариант конструктивного решения, включая описание конструкции профилей и заполнения дверного полотна; чертеж с указанием схемы открывания; типа дверных приборов; требования к внешнему виду и другие требования по согласованию изготовителя с заказчиком.
4. Технические требования
4.1. Общие положения и требования к конструкции
4.1.1. Изделия должны соответствовать требованиям настоящего стандарта и изготавливаться по конструкторской и технологической документации, утвержденной в установленном порядке.
4.1.2. Полотна дверных блоков имеют рамочную конструкцию, сваренную из ПВХ профилей, усиленных стальными вкладышами. Угловые соединения рамки полотен дополнительно укрепляют угловыми усилителями. Вертикальные и верхние горизонтальные профили коробки имеют сварное соединение; нижний профиль коробки (порог) может быть изготовлен из металлических сплавов либо отсутствовать (при беспорожной конструкции дверного блока). Допускается изготовление замкнутых коробок, полностью сваренных из ПВХ профилей (включая нижний горизонтальный профиль). Импосты закрепляют в рамочных элементах при помощи механических соединений или сварки, а металлические пороги - при помощи механических соединений.
Примеры архитектурных рисунков и конструктивных решений основных узлов соединений полотен и коробок дверных блоков различных конструкций приведены на рисунках 1 -
7 и в
Приложении Б.
Рисунок 1. Примеры архитектурных рисунков дверных блоков
Рисунок 2. Примеры архитектурных рисунков дверных блоков с
декоративным заполнением дверных полотен
Рисунок 3. Примеры архитектурных рисунков дверных блоков с
декоративным заполнением дверных полотен высокой сложности
а, в - открывание внутрь; б, г - открывание наружу
Рисунок 4. Примеры узлов верхнего и нижнего притворов
дверных блоков
а, б - дверные системы с наружным и внутренним уплотнениями;
в - дверная система с наружным, средним и внутренним
уплотнениями; г - дверная система с наружным уплотнением;
д - дверная система со средним и внутренним уплотнениями
Рисунок 5. Примеры узлов притворов
с различными видами уплотнений
а - импостный притвор; б - штульповой притвор;
в - срединный притвор открывающихся и неоткрывающихся элементов
Рисунок 6. Примеры узлов срединных притворов дверных полотен
1, 2 - полотно и коробка дверного блока; 3 - соединители;
4 - коробка неоткрывающейся фрамуги; 5 - крепежный элемент
Рисунок 7. Примеры узла соединения дверного блока
с неоткрывающейся фрамугой
4.1.3. Требования настоящего стандарта распространяются на дверные блоки площадью, не превышающей 6 м2, при максимальной площади каждого открывающегося элемента 2,5 м2.
Расчетная масса дверных полотен не должна превышать, как правило, 80 кг.
Изготовление дверных блоков (полотен) с площадью и массой, превышающими указанные значения, должно быть подтверждено результатами лабораторных испытаний или дополнительными прочностными расчетами согласно действующим строительным нормам.
Наибольшие размеры по высоте и ширине полотен конкретных марок изделий (с учетом схемы открывания, типов применяемых профилей и дверных приборов, момента сопротивления усилительных вкладышей и веса полотен) устанавливают в технической документации.
4.1.4. Для изготовления дверных блоков применяют поливинилхлоридные профили с толщиной стенок класса А по
ГОСТ 30673.
С целью повышения сопротивления изделий несанкционированным воздействиям конструкция изделий может иметь вариант усиленного исполнения: замки III - IV класса по
ГОСТ 5089, закаленное стекло по
ГОСТ 30698 и многослойное стекло по
ГОСТ 30826 толщиной до 10 мм, дополнительные крепежные детали в угловых соединениях, противосъемные устройства, специальные дверные приборы и петли.
4.1.5. Для усиления сварных соединений в углах полотен дверных блоков шириной более 600 мм следует использовать свариваемые поливинилхлоридные вкладыши (усилители угла), скрепляемые с усилительными металлическими вкладышами. Пример установки усилителей угла приведен на рисунке 8.
Рисунок 8. Примеры установки вкладыша для усиления
угловых соединений
4.1.6. Импостные детали и пороги крепят к смежным ПВХ профилям коробки (полотна) при помощи стальных или пластмассовых крепежных элементов, шурупов или винтов. Примеры крепления импостов и порогов приведены на рисунках 9 -
10.
Механические и сварные Т-образные и крестообразные соединения импостов должны обеспечивать требуемое сопротивление эксплуатационным нагрузкам.
Рисунок 9. Примеры крепления импостов
(механическое соединение)
Рисунок 10. Пример крепления порога
(механическое соединение)
4.1.7. Угловые и Т-образные соединения профилей наружных изделий должны быть герметичными. Допускается уплотнение механических соединений атмосферостойкими эластичными прокладками. Зазоры до 0,5 мм допускается заделывать специальными герметиками, не ухудшающими внешний вид изделий и обеспечивающими защиту соединений от проникновения влаги.
4.1.8. Конструкции наружных изделий должны включать в себя систему функциональных отверстий для осушения полости между кромками стеклопакета (филенки) и фальцами профилей и отвода воды. Отверстия не должны проходить через стенки основных камер профилей и иметь заусенцев.
В нижнем и верхнем профилях рамки полотна должно быть предусмотрено не менее чем по два отверстия для осушения. Рекомендуемые размеры диаметра отверстий - не менее 6 мм. Расположение отверстий не должно совпадать с местами установки подкладок под стеклопакеты (панели). В стенках профиля отверстия должны быть смещены относительно друг друга не менее чем на 50 мм.
В случае применения цветных профилей рекомендуется выполнять отверстия через стенки наружных камер профилей полотен и коробок для снижения их нагрева. В изделиях с замкнутой поливинилхлоридной коробкой должны быть предусмотрены отверстия для отвода воды.
Число, размеры и расположение всех видов отверстий устанавливают в рабочей документации.
4.1.9. Изделия должны быть безопасными в эксплуатации и обслуживании. Условия безопасности применения изделий различных конструкций устанавливают в проектной документации (например, дверные блоки, применяемые в детских учреждениях, должны быть остеклены закаленным, многослойным или другими видами безопасных стекол или дверные блоки на путях эвакуации рекомендуется оснащать противопаническими приборами).
Изделия должны быть рассчитаны на эксплуатационные нагрузки в соответствии с действующими строительными нормами.
4.1.10. Изделия (или полимерные материалы для их изготовления и комплектующие детали) должны иметь заключения о санитарной безопасности, предусмотренные действующим законодательством и оформленные в установленном порядке.
4.1.11. Монтаж изделий следует производить с учетом требований
ГОСТ 30971. Общие требования к монтажу изделий приведены в
Приложении В.
4.2. Размеры и требования к предельным отклонениям
4.2.1. Габаритные размеры и архитектурные рисунки дверных блоков устанавливают в проектной рабочей документации (заказе, договоре). Номинальные размеры узлов изделий, сечений профилей, усилительных вкладышей, комбинаций профилей устанавливают в технической документации на их изготовление.
4.2.2. Предельные отклонения номинальных габаритных размеров изделий не должны превышать

мм.
4.2.3. Предельные отклонения номинальных размеров элементов изделий, зазоров и под наплавом, размеров расположения дверных приборов и петель не должны превышать значений, установленных в таблице 1.
Таблица 1
В миллиметрах |
Размерный интервал | Предельные отклонения |
Внутренний размер коробок | Наружный размер полотен | Зазор под наплавом | Размеры распо- ложения прибо- ров, петель и другие размеры |
До 1000 включ. | +/- 1,0 | -1,0 | +1,0 | +/- 1,0 |
Св. 1000 до 2000 включ. | +2,0 -1,0 | +/- 1,0 | +1,0 -0,5 |
Св. 2000 | +2,0 -1,0 | +1,0 -2,0 | +1,5 -0,5 |
Примечания. 1. Значения предельных отклонений установлены для температурного интервала проведения измерения (16 - 24) °C. 2. Значения предельных отклонений размеров зазоров в притворах и под наплавом приведены для закрытых полотен с установленными уплотняющими прокладками. |
Разность длин диагоналей прямоугольных полотен площадью 1,5 м2 и менее не должна превышать 2,0 мм, площадью свыше 1,5 м2 - 3,0 мм.
4.2.4. Перепад лицевых поверхностей (провес) в сварных соединениях смежных профилей коробок и полотен, установка которых предусмотрена в одной плоскости, не должен превышать 0,7 мм, при механическом соединении импостов с профилями коробок, а также между собой - не более 1,0 мм.
4.2.5. В случае, если обработка сварного шва предусматривает выборку канавки, размер канавки на лицевых поверхностях не должен превышать 6 мм по ширине, глубина канавки должна быть в пределах (0,3 - 1,0) мм, а величина среза наружного угла сварного шва не должна превышать 4 мм по сварному шву.
4.2.6. Провисание полотен в собранном изделии для конструкции дверных блоков с порогом не должно превышать 1,5 мм на 1 м ширины.
4.2.7. Отклонение номинального размера расстояния между наплавами смежных закрытых полотен (полотен и фрамуг) не должно превышать 1,0 мм на 1 м длины притвора.
4.2.8. Отклонения от прямолинейности кромок деталей рамочных элементов не должны превышать 1,0 мм на 1 м длины.
Криволинейные (изогнутые) профили не должны иметь отклонений от заданной формы (коробление, волнистость), превышающих по ширине и высоте профиля +/- 1,5 мм.
4.3.1. Основные эксплуатационные характеристики глухих наружных и входных в квартиру дверных блоков приведены в таблице 2.
Таблица 2
┌────────────────────────────────────────────────────────┬──────────┐
│ Наименование показателя │ Значение │
│ │показателя│
├────────────────────────────────────────────────────────┼──────────┤
│Приведенное сопротивление теплопередаче дверных блоков, │ │
│м2 x °C/Вт, с заполнением трехслойными панелями с │ │
│утеплителем толщиной │ │
│ 16 мм, не менее │0,80 │
│ 20 мм, не менее │1,00 │
│ 24 мм, не менее │1,20 │
├────────────────────────────────────────────────────────┼──────────┤
│Звукоизоляция, дБА, не менее │26 │
├────────────────────────────────────────────────────────┼──────────┤
│Воздухопроницаемость при Дельта Р = 10 Па, м3/(ч x м2),│3,5 │
│ 0 │ │
│не более │ │
├────────────────────────────────────────────────────────┼──────────┤
│Безотказность, циклы открывания-закрывания, не менее │500000 │
├────────────────────────────────────────────────────────┼──────────┤
│Долговечность, условных лет эксплуатации, не менее: │ │
│ ПВХ профилей │40 │
│ стеклопакетов │20 │
│ уплотняющих прокладок │10 │
├────────────────────────────────────────────────────────┴──────────┤
│ Примечания. 1. Значения приведенного сопротивления│
│теплопередаче - справочные. В необходимых случаях этот показатель│
│подтверждают расчетами или лабораторными испытаниями.│
│ 2. Для наружных изделий может быть установлен показатель│
│водопроницаемости - предел водонепроницаемости по
ГОСТ 26602.2. │
└───────────────────────────────────────────────────────────────────┘
4.3.2. Дверные блоки подразделяют на группы прочности по сопротивлению статическим нагрузкам согласно требованиям таблицы 3.
Группа прочности | Прочность сварных угловых соединений полотен (коробок), Н, не менее | Сопротивление действию статических нагрузок, Н, не менее |
перпендикулярно плоскости по- лотна | в плоскости полотна |
А | 5000 (3000) | 650 | 2000 |
Б | 3000 (2000) | 500 | 1500 |
В | 1000 (800) | 350 | 1000 |
В
таблице 3 приведены значения прочности угловых сварных соединений при испытаниях по схеме А
рисунка 12.
При испытаниях по схеме Б
рисунка 12 угловые соединения должны выдерживать действие нагрузки, увеличенной в два раза.
4.3.3. Дверные блоки подразделяют на группы прочности по сопротивлению эксплуатационным динамическим нагрузкам (при открывании и закрывании дверного полотна) согласно требованиям таблицы 4.
Таблица 4
Группа прочности | Высота падения груза, м | Масса груза, кг |
А | 0,8 | 20 |
Б | 0,5 | 20 |
В | 0,4 | 10 |
4.3.4. Дверные блоки подразделяют на группы прочности по сопротивлению удару неупругим мягким телом массой 30 кг согласно требованиям таблицы 5.
Таблица 5
Группа прочности | Высота падения груза, м | Энергия удара, Дж |
А | 1,5 | 450 |
Б | 1,0 | 300 |
В | 0,5 | 60 |
4.3.5. Эксплуатационные показатели дверных блоков конкретного назначения рекомендуется устанавливать в проектной рабочей документации на строительство (реконструкцию, ремонт) и подтверждать результатами испытаний в испытательных центрах, аккредитованных на право их проведения.
Дверные блоки группы прочности А по требованию потребителя (заказчика) могут быть испытаны на сопротивление взлому.
4.3.6. Усилие, прикладываемое к дверному полотну при закрывании до требуемого сжатия уплотняющих прокладок, не должно превышать 120 Н, усилие, требуемое для открывания дверного полотна, не должно превышать 75 Н (эргономические требования).
4.3.7. Внешний вид изделий: цвет, глянец, допустимые дефекты поверхности ПВХ профилей (риски, царапины, усадочные раковины и др.) должен соответствовать образцам-эталонам, утвержденным руководителем предприятия-изготовителя.
Разность цвета, глянца и дефекты поверхности, различимые невооруженным глазом с расстояния (0,6 - 0,8) м при освещении не менее 300 лк, не допускаются.
Сварные швы не должны иметь поджогов, непроваренных участков, трещин. Изменение цвета ПВХ профилей в местах сварных швов после их зачистки не допускается.
4.3.8. Лицевые поверхности профилей рамок полотен и коробок изделий (кроме изогнутых) должны быть защищены самоклеящейся пленкой.
4.3.9. Общие требования к комплектующим деталям
Материалы и комплектующие детали, применяемые для изготовления дверных блоков, должны соответствовать требованиям стандартов, технических условий, технических свидетельств, утвержденных в установленном порядке.
Основные комплектующие детали изделий: ПВХ профили, стеклопакеты, уплотняющие прокладки, дверные приборы должны быть испытаны на долговечность (безотказность) в испытательных центрах, аккредитованных на право проведения таких испытаний.
4.4. Требования к ПВХ профилям и усилительным вкладышам
4.4.1. Требования к ПВХ профилям
Поливинилхлоридные профили изготавливают из жесткого непластифицированного, модифицированного на высокую ударную вязкость и стойкость к климатическим воздействиям поливинилхлорида в соответствии с требованиями
ГОСТ 30673.
Наружные изделия рекомендуется изготавливать из ПВХ профилей белого цвета, окрашенных в массе. По согласованию потребителя и изготовителя допускается изготовление наружных изделий из ПВХ профилей других цветов и видов отделки лицевых поверхностей. Применение окрашенных в массе цветных профилей без защитного декоративного покрытия на поверхностях, подверженных воздействию ультрафиолетовых лучей, не допускается.
4.4.2. Требования к металлическим усилительным вкладышам
Главные ПВХ профили изделий усиливают металлическими вкладышами. При изготовлении наружных и входных в квартиру дверных блоков следует применять стальные вкладыши с антикоррозийным покрытием с толщиной стенок не менее 2,0 мм. Для внутренних дверных блоков допускается применение стальных усилительных вкладышей с толщиной стенок 1,5 мм, а также вкладышей из алюминиевых сплавов с механическими показателями, отвечающими требованиям
ГОСТ 22233.
Форму, толщину стенок и моменты инерции усилительных вкладышей устанавливают в технической документации на изготовление изделий с учетом условий эксплуатации.
Расстояние от вкладыша до угла (торца) усиливаемой детали профилей принимают (10 +/- 5) мм. В случае применения угловых усилителей, а также при механическом креплении импостов размеры соединений устанавливают в рабочих чертежах.
Не допускается стыковка или разрыв усилительных вкладышей по длине в пределах одного ПВХ профиля (в том числе при выполнении отверстий под дверные приборы и замки).
Каждый усилительный вкладыш крепится к нелицевой стороне ПВХ профиля не менее чем двумя самонарезающими винтами (шурупами) по нормативной документации. Расстояние от внутреннего угла (сварного шва) до ближнего места установки самонарезающего винта не должно превышать 100 мм. Шаг крепления должен быть не более 400 мм, а для наружных, усиленных дверных блоков, а также изделий из цветных профилей - 300 мм.
4.4.3. Усилительные вкладыши должны входить во внутренние камеры ПВХ профилей плотно, от руки, без помощи специальных приспособлений.
4.5. Требования к заполнению дверных полотен и уплотняющим прокладкам
4.5.1. Непрозрачные заполнения полотен дверных блоков (филенки) рекомендуется изготавливать из трехслойных панелей, состоящих из пластиковых или алюминиевых облицовочных листов с заполнением утеплителем или однослойных панелей из вспененного жесткого ПВХ. В качестве филенок полотен, предназначенных для межкомнатных дверных блоков, допускается использование листовых или облицовочных материалов. Примеры видов заполнения дверных полотен приведены в
Приложении Б.
4.5.2. Конструктивные решения узлов крепления деталей заполнения полотен запирающихся дверей должны исключать возможность их демонтажа с наружной стороны.
4.5.3. В качестве светопрозрачного заполнения полотен рекомендуется применять упрочненные виды стекол: закаленное стекло по
ГОСТ 30698, многослойное стекло по
ГОСТ 30826, армированное стекло и стекло с противоосколочными пленками по НД. Допускается применение стеклопакетов по
ГОСТ 24866, стекла по
ГОСТ 111, а также по нормативной документации на конкретные виды стекол (узорчатое, тонированное и т.д.).
Вид применяемых стекол следует устанавливать в рабочей документации на строительство (реконструкцию, ремонт). Применение неупрочненных стекол размерами более: по высоте - 1250 мм, по ширине - 650 мм и толщиной менее 4 мм не допускается.
4.5.4. Для повышения архитектурной выразительности и упрочнения конструкции в рамки полотен могут устанавливаться горбыльки (горбыльковые переплеты). Допускается применение стеклопакетов с внутренней декоративной рамкой или установка на клею декоративных раскладок по наружным поверхностям заполнения дверных полотен.
4.5.5. Глубина защемления стеклопакета (стекла) или филенки в фальцах профилей, а также глубина защемления штапиками рекомендуется в пределах 14 - 18 мм.
4.5.6. Стеклопакеты (стекла) устанавливают в фальц створки или коробки на подкладках, исключающих касание кромок стеклопакета (стекла) внутренних поверхностей фальцев ПВХ профилей.
В зависимости от функционального назначения подкладки подразделяют на базовые, опорные и дистанционные.
Для обеспечения оптимальных условий переноса веса стеклопакета на конструкцию изделия применяют опорные подкладки, а для обеспечения номинальных размеров зазора между кромкой стеклопакета и фальцем створки - дистанционные подкладки.
Базовые подкладки применяют для выравнивания скосов фальца и устанавливают под опорными и дистанционными подкладками. Ширина базовых подкладок должна быть равна ширине фальца, а длина - не менее длины опорных и дистанционных подкладок. Опорные и дистанционные подкладки могут совмещать функции базовых.
Длина опорных и дистанционных подкладок должна быть от 80 до 100 мм, ширина подкладок должна быть не менее чем на 2 мм больше толщины стеклопакета.
Расстояние от подкладок до углов стеклопакетов должно быть, как правило, 50 - 80 мм.
Требования к установке непрозрачного заполнения полотен (филенок) устанавливают в технической документации изготовителя с учетом его массы и конструкции изделий.
4.5.7. Подкладки изготавливают из жестких атмосферостойких полимерных материалов. Рекомендуемое значение твердости опорных подкладок - 75 - 90 ед. по Шору А.
4.5.8. Способы установки и (или) конструкции подкладок должны исключать возможность их смещения во время транспортирования и эксплуатации изделий.
4.5.9. Конструкция подкладок не должна препятствовать циркуляции воздуха над внутренней поверхностью фальца остекления.
4.5.10. Основные схемы расположения опорных и дистанционных подкладок при монтаже стеклопакетов в зависимости от вида открывания дверных блоков приведены на рисунке 11. На любой стороне стеклопакета рекомендуется устанавливать не более двух опорных подкладок. Перекос подкладок при установке не допускается. В изделиях с усиленными запирающими приборами рекомендуется установка дополнительных дистанционных подкладок в местах запирания.
Дверной блок с распашным открыванием
Неоткрывающийся элемент дверного блока
Дверные блоки с распашным открыванием при сложном
заполнении полотна

- опорные подкладки

- дистанционные подкладки

- дверная петля
Рисунок 11. Схемы расположения опорных и дистанционных
подкладок при монтаже стеклопакетов и возможные варианты
расположения петель
4.5.11. Уплотнение притворов полотен и установку заполнения полотен производят при помощи эластичных полимерных уплотняющих прокладок по
ГОСТ 30778 или другой НД. Допускается применение штапиков с коэструдированным уплотнением.
4.5.12. Уплотняющие прокладки для наружных изделий должны быть стойкими к климатическим и атмосферным воздействиям.
4.5.13. Прилегание уплотняющих прокладок должно быть плотным.
4.5.14. Число контуров уплотняющих прокладок в притворах изделий и требования к их установке по периметру притвора устанавливают в технической документации изготовителя в зависимости от назначения и конструкции дверных блоков.
Угловые перегибы и сварные стыки уплотняющих прокладок для стеклопакетов (стекол) не должны иметь выступов (выпираний), вызывающих сосредоточенные нагрузки на стеклопакеты (стекла).
4.6. Требования к дверным приборам
4.6.1. При изготовлении изделий применяют дверные приборы и петли, специально предназначенные для применения в дверных системах из ПВХ профилей.
Тип, число, расположение и способ крепления запирающих приборов и петель устанавливают в рабочей документации, исходя из размера и веса открывающихся элементов изделия, а также условий эксплуатации дверных блоков. Полотна наружных и входных в квартиру дверных блоков должны быть навешены на три петли. Наружные дверные блоки рекомендуется оснащать многоригельными замками с запиранием не менее чем в трех точках.
4.6.2. Наружные и входные в квартиру дверные блоки рекомендуется комплектовать замками не ниже III класса по
ГОСТ 5089. Замки должны соответствовать требованиям
ГОСТ 538 и
ГОСТ 5089.
В зависимости от назначения дверных блоков в проектной документации, а также при оформлении заказов следует предусматривать комплектацию изделий дверными закрывателями (доводчиками), ограничителями угла открывания (упорами), глазками и т.д.
4.6.3. Крепление петель к полотнам и коробкам производят в усилительные вкладыши. Для межкомнатных дверных блоков с массой полотен менее 60 кг крепление петель допускается производить через две стенки ПВХ профиля суммарной толщиной не менее 4 мм. Крепление петель на коробках и полотнах производят, как правило, самонарезающими шурупами (винтами). При необходимости сверления отверстий под шурупы их диаметр должен быть равен диаметру центрального стержня шурупа.
4.6.4. В наружных и входных в квартиру дверных блоках рекомендуется применять петли, регулируемые в трех плоскостях.
4.6.5. Запирающие приборы должны обеспечивать надежное запирание открывающихся элементов изделий. Открывание и закрывание должно происходить легко, плавно, без заеданий.
4.6.6. Конструкции запирающих приборов и петель должны обеспечивать плотный и равномерный обжим прокладок по всему контуру уплотнения в притворах.
4.6.7. Дверные приборы, петли и крепежные детали должны отвечать требованиям
ГОСТ 538 и иметь защитно-декоративное (или защитное) покрытие по НД.
4.7. Комплектность и маркировка
4.7.1. Комплектация изделий при их поставке потребителю должна соответствовать требованиям, установленным в заказе.
Комплект изделий может включать в себя доборные, соединительные и другие профили различного назначения по
ГОСТ 30673, а также замки, защелки, доводчики (регуляторы закрывания) и другие дверные приборы. Комплектующие профили, выступающие за плоскость изделия части запирающих приборов, допускается поставлять несмонтированными, в комплекте с изделиями. По согласованию изготовителя с потребителем допускается отдельная транспортировка стеклопакетов (стекол).
Изделия полной заводской готовности должны иметь установленные приборы, стеклопакеты, панели заполнения, уплотнительные прокладки и защитную пленку на лицевых поверхностях главных профилей.
4.7.2. В комплект поставки должны входить документ о качестве (паспорт) и инструкция по эксплуатации изделий, включающая рекомендации по монтажу.
4.7.3. Каждое изделие маркируют на нелицевой стороне водостойким маркером или этикеткой с указанием наименования предприятия-изготовителя, марки изделия, даты его изготовления и (или) номера заказа, знака (штампа), подтверждающего приемку изделия техническим контролем. По согласованию изготовителя с потребителем допускается наносить маркировку изделия на защитную пленку.
4.7.4. Входящие в состав изделия главные профили, дверные приборы, замочные изделия и стеклопакеты должны быть маркированы в соответствии с НД на эту продукцию.
5.1. Изделия должны быть приняты техническим контролем предприятия-изготовителя на соответствие требованиям настоящего стандарта, а также условиям, определенным в договоре на изготовление и поставку изделий.
Изделия принимают партиями. При приемке изделий на предприятии-изготовителе за партию принимают число изделий, изготовленных в пределах одной смены и оформленных одним документом о качестве.
5.2. Требования к качеству продукции, установленные в настоящем стандарте, подтверждают:
входным контролем материалов и комплектующих деталей;
операционным производственным контролем;
приемочным контролем готовых изделий;
контрольными приемосдаточными испытаниями партии изделий, проводимыми службой качества предприятия-изготовителя;
периодическими испытаниями изделий в независимых испытательных центрах;
квалификационными и сертификационными испытаниями.
5.3. Порядок проведения входного контроля качества изделий и деталей устанавливают в технической документации с учетом требований НД на эти изделия (детали).
Порядок операционного производственного контроля качества на рабочих местах устанавливают в технологической документации согласно требованиям настоящего стандарта.
В случае, если предприятие-изготовитель комплектует дверные блоки комплектующими деталями собственного изготовления, то они должны быть приняты и испытаны в соответствии с требованиями нормативной документации на эти изделия.
5.4. Приемочный контроль качества готовой продукции проводят поштучно, методом сплошного контроля. Перечень контролируемых показателей приведен в таблице 6.
Таблица 6
Наименование показателя | Номер пункта требо- ваний | Вид испы- | Периодичность (не реже) |
I | II | III |
Внешний вид (включая цвет) | | + | + | - | Для вида испытаний I - сплошной контроль Для вида испытаний II - один раз в смену |
Отклонение размеров зазоров под наплавом | | + | + | - | То же |
Провисание полотен и отклонение размера между наплавами | | - | + | - | " |
Наличие и места располо- жения отверстий | | + | + | - | " |
Работа петель и запираю- щих устройств | | + | + | - | " |
Наличие защитной пленки | | + | + | - | " |
Требования к маркировке | | + | + | - | Для вида испытаний I - сплошной контроль Для вида испытаний II - один раз в смену |
Отклонение контролируе- мых номинальных разме- ность кромок | | - | + | - | То же |
Требования к установке подкладок под стекло- пакеты, усилительных вкладышей и уплотняющих прокладок | | - | + | - | " |
Прочность угловых соединений | | - | + | + | Для вида испытаний II - один раз в неделю Для вида испытаний III - один раз в год |
Сопротивление статичес- ким нагрузкам | | - | - | + | Один раз в два года |
Сопротивление динамичес- ким нагрузкам | | - | - | + | То же |
Сопротивление ударным нагрузкам | | - | - | + | " |
Безотказность | | - | - | + | " |
Соответствие эргономи- ческим требованиям | | - | - | + | " |
Сопротивление тепло- передаче | | - | - | + | Один раз в пять лет |
Воздухопроницаемость | | - | - | + | То же |
Звукоизоляция | | - | - | + | " |
<*> Вид испытания I - приемосдаточные испытания при приемочном контроле; вид испытания II - приемосдаточные испытания, проводимые службой качества предприятия- изготовителя; вид испытания III - периодические испытания, проводимые в независимых испытательных центрах. <**> Контролируемые номинальные размеры для вида испытаний II устанавливают в технологической документации. |
Готовые изделия, прошедшие приемочный контроль, маркируют. Изделия, не прошедшие приемочного контроля хотя бы по одному показателю, бракуют.
5.5. Каждая партия изделий проходит контрольные приемосдаточные испытания, проводимые службой контроля качества предприятия-изготовителя. Перечень контролируемых показателей и периодичность контроля приведены в таблице 6.
Для проведения испытаний от партии изделий методом случайного отбора выбирают образцы дверных блоков в количестве 3% объема партии, но не менее 3 шт.
В случае отрицательного результата испытаний хотя бы по одному показателю хотя бы на одном образце проводят повторную проверку качества изделий на удвоенном числе образцов по показателю, имевшему отрицательный результат испытаний.
При повторном обнаружении несоответствия показателя установленным требованиям хотя бы на одном образце контрольную и последующую партии изделий подвергают сплошному контролю (разбраковке). При положительном результате сплошного контроля возвращаются к установленному порядку приемосдаточных испытаний.
В случае отрицательного результата испытаний по показателю прочности угловых соединений проводят повторные испытания на удвоенном числе образцов. При неудовлетворительном результате повторных испытаний партию бракуют, а производство изделий останавливают до устранения причины брака.
5.6. Периодические испытания по эксплуатационным показателям, указанным в
4.3.1 -
4.3.4, проводят при внесении изменений в конструкцию изделий или технологию их изготовления, но не реже одного раза в период, установленный в таблице 6, а также при сертификации изделий (в части показателей, предусмотренных методиками сертификации).
Квалификационные испытания изделий проводят по всем показателям при постановке продукции на производство. В обоснованных случаях допускается совмещать квалификационные и сертификационные испытания.
Испытания проводят в испытательных центрах, аккредитованных на право их проведения.
5.7. Потребитель имеет право проводить контрольную проверку качества изделий, соблюдая при этом порядок отбора образцов и методы испытаний, указанные в настоящем стандарте.
При приемке изделий потребителем партией считают число изделий, отгружаемое по конкретному заказу, но не свыше 500 шт., оформленное одним документом о качестве.
5.8. При приемке изделий потребителем рекомендуется использовать план одноступенчатого плана контроля качества изделий, приведенный в таблице 7.
Таблица 7
Объем партии, шт. | Объем выборки, шт. | Приемочное число |
Малозначительные дефекты | Критические и зна- чительные дефекты |
От 1 до 12 | Сплошной контроль | 3 | 0 |
13 - 25 | 5 | 3 | 0 |
26 - 50 | 8 | 4 | 0 |
51 - 90 | 12 | 5 | 0 |
91 - 150 | 18 | 7 | 1 |
Св. 150 | 26 | 10 | 2 |
Примечание. К значительным и критическим дефектам относят: дефекты, ведущие к потере эксплуатационных характеристик, неустранимые без замены части изделия (поломка профиля или дверных приборов, треснувший стеклопакет и др.), превышение предельных отклонений размеров более чем в 1,5 раза от установленных в НД, разукомплектованность изделий. К малозначительным дефектам относят устранимые дефекты: незначительные повреждения поверхности, неотрегулированные дверные приборы и петли, превышение предельных отклонений размеров менее чем в 1,5 раза от установленных в НД. |
По договоренности сторон приемка изделий потребителем может производиться на складе изготовителя, на складе потребителя или в ином, оговоренном в договоре на поставку месте.
5.9. Каждая партия изделий должна сопровождаться документом о качестве (паспортом). Пример заполнения паспорта изделия приведен в
Приложении А.
5.10. Приемка изделий потребителем не освобождает изготовителя от ответственности при обнаружении скрытых дефектов, приведших к нарушению эксплуатационных характеристик изделий в течение гарантийного срока.
6.1. Методы входного и производственного операционного контроля качества устанавливают в технической документации изготовителя.
6.2. Методы контроля качества изделий при приемочном контроле и приемосдаточных испытаниях.
6.2.1. Геометрические размеры изделий, а также прямолинейность кромок определяют с использованием методов, установленных в
ГОСТ 26433.0 и
ГОСТ 26433.1.
Предельные отклонения от номинальных размеров элементов изделий, разность длин диагоналей и другие размеры определяют при помощи металлической измерительной рулетки по
ГОСТ 7502, штангенциркуля по
ГОСТ 166, щупов по НД.
Предельные отклонения от прямолинейности кромок определяют путем приложения поверочной линейки по
ГОСТ 8026 или строительного уровня с допуском плоскостности не менее 9-й степени точности по
ГОСТ 9416 к испытываемой детали и замером наибольшего зазора при помощи щупов по НД.
Измерения линейных размеров следует производить при температуре воздуха и поверхности изделий (20 +/- 4) °C. В случае необходимости проведения измерений при других температурах (наружные дверные блоки) следует учитывать температурное изменение линейных размеров профилей.
6.2.2. Предельные отклонения от номинальных размеров зазоров под наплавом проверяют при помощи набора щупов или металлической линейки по
ГОСТ 427.
6.2.3. Провес в сопряжении смежных деталей определяют щупом как расстояние от ребра металлической линейки по
ГОСТ 427, приложенной к верхней сопрягаемой поверхности, до нижней поверхности.
6.2.4. Внешний вид и цвет изделий оценивают визуально путем сравнения с образцами-эталонами, утвержденными в установленном порядке, при освещении не менее 300 лк.
6.2.5. Плотность прилегания и правильность установки уплотняющих прокладок, наличие и расположение подкладок, функциональных отверстий, дверных приборов, крепежных и других деталей, цвет и отсутствие трещин в сварных соединениях, наличие защитной пленки, маркировку и упаковку проверяют визуально.
Для определения плотности прилегания уплотняющих прокладок сопоставляют размеры зазоров в притворах и степень сжатия прокладок, которая должна составлять не менее 1/5 высоты необжатой прокладки. Замеры производят штангенциркулем.
Плотность прилегания уплотняющих прокладок при закрытых полотнах допускается определять по наличию непрерывного следа, оставленного красящим веществом (например, цветным мелом), предварительно нанесенным на поверхность прокладок и легко удаляемым после проведения контроля.
6.2.6. Определение прочности (несущей способности) угловых сварных соединений.
Для испытания прочности угловых сварных соединений применяют схемы приложения нагрузок, приведенные на рисунке 12.
Схема А
Схема Б
1 - опора; 2 - упор (для схемы Б - каретки); 3 - образец;
4 - точка приложения нагрузки; 5 - съемные хомуты крепления
Рисунок 12. Схемы приложения нагрузок при определении
прочности угловых сварных соединений
Порядок проведения испытаний - по
ГОСТ 30673 со следующими дополнениями. Сварные швы зачищают согласно принятой технологии изготовления дверных блоков.
Образцы испытывают со вставленными в них усилительными вкладышами.
Величину нагрузок принимают по
4.3.2, метод контроля - неразрушающий, выдержка под нагрузкой - не менее 5 мин.
Результат испытания признают удовлетворительным, если каждый образец выдержал нагрузку без разрушений и образования трещин.
6.2.7. Работу дверных приборов проверяют пятикратным открыванием-закрыванием створчатых элементов изделия. В случае обнаружения отклонений в работе дверных приборов производят их наладку и повторную проверку.
6.3. Методы контроля при периодических испытаниях.
6.3.1. Прочность (несущую способность) угловых сварных соединений определяют по
6.2.6.
При проведении испытаний допускается использование других схем нагрузок и испытательного оборудования. При этом методики испытаний, включая обработку результатов, должны быть коррелированы с методом испытаний по
6.2.6 и
ГОСТ 30673.
6.3.2. Приведенное сопротивление теплопередаче определяют по
ГОСТ 26602.1.
6.3.3. Воздухо-, водопроницаемость определяют по
ГОСТ 26602.2.
6.3.5. Сопротивление статическим, динамическим, ударным нагрузкам, а также сопротивление взлому определяют по НД и методикам, утвержденным в установленном порядке.
Испытания на сопротивление динамическим нагрузкам имитируют три вида нагрузок, возникающих при резком открытии или закрытии дверного полотна:
при условии нахождения в нижнем притворе постороннего предмета (изделия должны выдерживать столкновение с посторонним предметом, вызванное воздействием динамической нагрузки по
4.3.3, приложенной в месте расположения ручки и направленной в сторону закрывания полотна);
при условии резкого контакта дверного полотна с откосом дверного проема, например, при сквозняке (изделия должны выдерживать столкновение с откосом, вызванное воздействием динамической нагрузки по
4.3.3, приложенной в месте расположения ручки и направленной в сторону открывания полотна);
при условии резкого контакта дверного полотна с ограничителем угла открывания (изделия должны выдерживать столкновение с ограничителем угла открывания, вызванное воздействием динамической нагрузкой по
4.3.3, приложенной в месте расположения ручки и направленной в сторону открывания полотна).
Испытание на сопротивление ударной нагрузке проводится трехразовым ударом неупругим мягким телом (например, грушей) с диаметром нижней части (300 +/- 5) мм и массой (30 +/- 0,5) кг с высоты падения по
4.3.4 в центральную зону образца.
6.3.6. Показатели безотказности, а также соответствие эргономическим требованиям определяют по нормативным документам и методикам, утвержденным в установленном порядке.
7. Упаковка, транспортирование и хранение
7.1. Упаковка изделий должна обеспечивать их сохранность при хранении, погрузочно-разгрузочных работах и транспортировании.
Рекомендуется упаковывать изделия в полиэтиленовую пленку по
ГОСТ 10354.
7.2. Неустановленные на изделия приборы или части приборов должны быть упакованы в полиэтиленовую пленку по
ГОСТ 10354 или в другой упаковочный материал, обеспечивающий их сохранность, прочно перевязаны и поставлены комплектно с изделиями.
7.3. Открывающиеся полотна изделий перед упаковкой и транспортированием должны быть закрыты на все запирающие приборы.
7.4. Изделия транспортируют всеми видами транспорта в соответствии с правилами перевозки грузов, действующими на данном виде транспорта.
7.5. При хранении и транспортировании изделий должно быть обеспечено их предохранение от механических повреждений, воздействия атмосферных осадков, значительных колебаний температуры и прямых солнечных лучей.
7.6. При хранении и транспортировании изделий не допускается ставить их друг на друга, между изделиями рекомендуется устанавливать прокладки из эластичных материалов.
7.7. Изделия хранят в вертикальном положении под углом 10° - 15° к вертикали на деревянных подкладках, поддонах или в специальных контейнерах в крытых помещениях без непосредственного контакта с нагревательными приборами.
7.8. В случае отдельной перевозки стеклопакетов требования к их упаковке и транспортированию устанавливают по
ГОСТ 24866.
7.9. Гарантийный срок хранения изделий - один год со дня отгрузки изделий изготовителем.
8.1. Предприятие-изготовитель гарантирует соответствие изделий требованиям настоящего стандарта при условии соблюдения потребителем правил транспортирования, хранения, монтажа, эксплуатации, а также области применения, установленной в нормативной и проектной документации.
8.2. Гарантийный срок изделий устанавливают в договоре на поставку, но не менее трех лет со дня отгрузки изделий изготовителем.
(рекомендуемое)
ПРИМЕР ЗАПОЛНЕНИЯ ПАСПОРТА ДВЕРНОГО БЛОКА
┌─────────────────────────────────────────────────────────────────────────────┐
│ _______________________________________________________________ │
│ (наименование предприятия-изготовителя) │
│ _______________________________________________________________ │
│ (адрес, телефон, факс предприятия-изготовителя) │
│ │
│ Паспорт (документ о качестве) │
│ наружного дверного блока из ПВХ профилей, ГОСТ 30970-2002 │
│ │
│а) вид дверного блока - наружная дверь тамбурная; │
│б) вид заполнения дверного полотна - глухое; │
│в) конструкция коробки - с порогом; │
│г) вид открывания и число полотен - левое, однопольный; │
│д) габаритные размеры - высота 2300 мм, ширина 970 мм, ширина профиля │
│коробки 70 мм │
│Условное обозначение ДПНТ ГПЛ 2300-970-70 ГОСТ 30970-2002 │
│Сертификат соответствия ______________________ │
│ N │
│Комплектность │
│а) конструкция заполнения полотна - трехслойная панель с утеплителем │
│толщиной 16 мм; │
│б) дверные петли - три накладные петли; │
│в) запирающие приборы - многоригельный замок с пятью точками запирания; │
│г) число контуров уплотняющих прокладок - 2 контура; │
│д) дополнительные сведения. В комплект поставки изделия входят: │
│фалевая ручка замка (2 шт.), дверной глазок, доводчик (дверной │
│закрыватель), ограничитель угла открывания, инструкция по эксплуатации │
│ │
│Основные технические характеристики, подтвержденные испытаниями │
│Приведенное сопротивление теплопередаче - 0 ,62 м2 x °C/Вт │
│Воздухопроницаемость при Дельта Р = 10 Па - 3,0 м3/(ч x м2) │
│ 0 │
│Безотказность, циклы открывания-закрывания - 100 000 │
│ │
│Гарантийный срок - 3 года │
│Номер партии - ........... │
│Номер заказа/позиция в заказе - ........... │
│Приемщик ОТК _________ Дата изготовления " ___ " __________ 200 г.│
│ (подпись) │
└─────────────────────────────────────────────────────────────────────────────┘
(рекомендуемое)
ПРИМЕРЫ ВИДОВ ЗАПОЛНЕНИЯ ДВЕРНЫХ ПОЛОТЕН
а
б
в
г
Рисунок Б.1
а - остекленное стеклопакетом;
б - светлое, с заполнением верхней части полотна стеклопакетом и нижней - трехслойной панелью;
в - остекленное многослойным стеклом;
г - светлое, с заполнением верхней части полотна стеклопакетом и нижней - однослойной панелью (вспененный поливинилхлорид)
А, Б - высота, ширина комбинации профилей;

,

- высота, ширина профиля рамки полотна;

,

- высота, ширина профиля коробки;

- размер фальцлюфта (зазор в притворе);

- размер притвора под наплавом;

- высота фальца (четверти) для заполнения полотна;

- размер зазора под наплавом;

- толщина заполнения полотна
(рекомендуемое)
ОБЩИЕ ТРЕБОВАНИЯ К МОНТАЖУ ИЗДЕЛИЙ
В.1. Требования к монтажу изделий устанавливают в проектной рабочей документации на объекты строительства (реконструкции, ремонта) с учетом принятых в проекте вариантов исполнения узлов примыкания изделий к стенам, рассчитанных на заданные климатические, эксплуатационные и другие нагрузки. Наружные изделия рекомендуется устанавливать с учетом требований
ГОСТ 30971.
В.2. Монтаж изделий должен осуществляться специализированными строительными фирмами. Окончание монтажных работ должно подтверждаться актом сдачи-приемки, включающим в себя гарантийные обязательства производителя работ.
В.3. По требованию потребителя (заказчика) изготовитель (поставщик) изделий должен предоставлять ему типовую инструкцию по монтажу дверных блоков из ПВХ профилей, утвержденную руководителем предприятия-изготовителя и содержащую:
чертежи (схемы) типовых монтажных узлов примыкания;
перечень применяемых материалов (с учетом их совместимости и температурных режимов применения);
последовательность технологических операций по монтажу дверных блоков.
В.4. При проектировании и исполнении узлов примыкания должны выполняться следующие условия:
заделка монтажных зазоров между наружными изделиями и откосами проемов стеновых конструкций должна быть по всему периметру дверного блока плотной, герметичной, рассчитанной на выдерживание климатических нагрузок снаружи и условий эксплуатации внутри помещений;
конструкция узлов примыкания наружных изделий (включая расположение дверного блока по глубине проема) должна препятствовать образованию мостиков холода (тепловых мостиков), приводящих к образованию конденсата на внутренних поверхностях дверных проемов;
эксплуатационные характеристики конструкций узлов примыкания должны отвечать требованиям, установленным в строительных нормах.
Варианты исполнения монтажных узлов дверных блоков с порогом приведены на рисунке В.1.
а - пример конструкции порога из алюминиевого сплава и
конструкционного полиамида для наружных дверных блоков
Рисунок В.1. Примеры нижнего исполнения монтажных узлов
дверного блока
При выборе заполнения монтажных зазоров следует учитывать температурные изменения габаритных размеров изделий.
В.5. В качестве крепежных элементов для монтажа изделий следует применять:
строительные дюбели;
монтажные шурупы;
специальные монтажные системы (например, с регулируемыми монтажными опорами).
Не допускается использование для крепления изделий герметиков, клеев, пеноутеплителей, а также строительных гвоздей.
В.6. Дверные блоки следует устанавливать по уровню и отвесу. Отклонение от вертикали и горизонтали профилей коробок смонтированных изделий не должны превышать 1,5 мм на 1 м длины, но не более 3 мм на высоту изделия. При этом, если противоположные профили отклонены в разные стороны ("скручивание" коробки), их суммарное отклонение от нормали не должно превышать 3 мм (рисунок В.2).
а - при наклоне вертикальных брусков в одну сторону
max

<= 3,0
б - при наклоне вертикальных брусков в разные стороны
("скручивание" коробки)

<= 3,0
Рисунок В.2. Определение отклонений дверной коробки
Дверной блок устанавливают в подготовленный дверной проем симметрично относительно центральной вертикали проема. Стена проема, предназначенная для крепления профиля коробки с петлями, является базовой при установке дверной коробки.
Верхний и боковые монтажные зазоры принимают, как правило, в пределах 8 - 12 мм (для внутренних дверей). Зазоры в нижнем узле примыкания принимают в зависимости от наличия (или отсутствия) порога и назначения дверного блока.
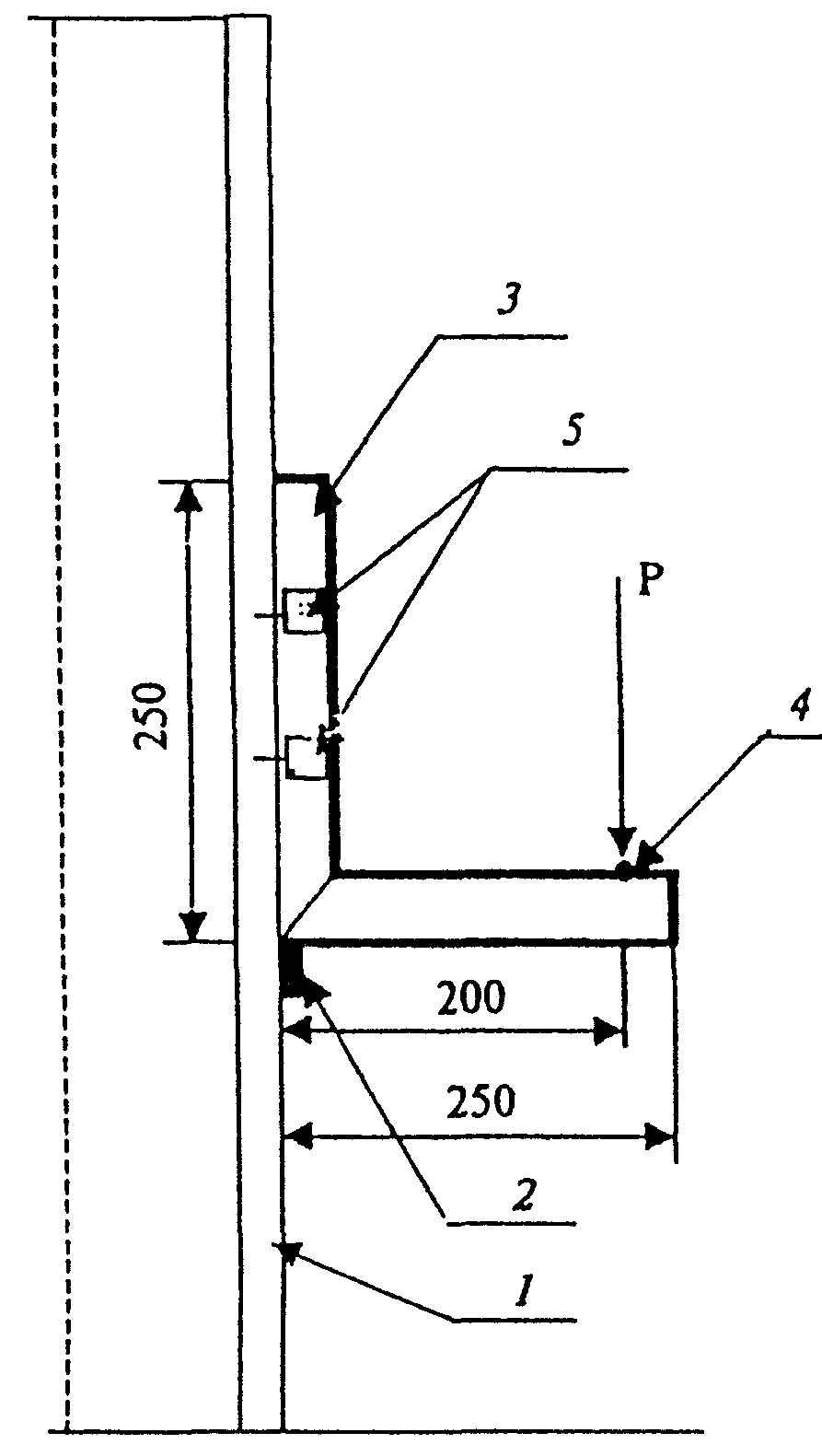
В.7. Расстояние между крепежными элементами при монтаже наружных и усиленных изделий не должно превышать 500 мм, а в других случаях - не более 700 мм (рисунок В.3).

- точки крепления к стене
Рисунок В.3. Пример расположения крепежных деталей при
монтаже дверного блока с замкнутой коробкой
В.8. Для заполнения монтажных зазоров (швов) изделий применяют силиконовые герметики, предварительно сжатые уплотнительные ленты ПСУЛ (компрессионные ленты), изолирующие пенополиуретановые шнуры, пеноутеплители, минеральную вату и другие материалы, имеющие гигиеническое заключение и обеспечивающие требуемые эксплуатационные показатели швов. Пеноутеплители не должны иметь битумосодержащих добавок и увеличивать свой объем после завершения монтажных работ.
Закраска швов не рекомендуется.
(справочное)
СВЕДЕНИЯ О РАЗРАБОТЧИКАХ СТАНДАРТА
Настоящий стандарт разработан рабочей группой специалистов в составе:
Шведов Н.В., Госстрой России, руководитель;
Кубарева Г.С., ЗАО "РУС СВИГ";
Смирнова И.Г., ЗАО "РУС СВИГ";
Пютц Х., ООО "ХТ ТРОПЛАСТ";
Герцог Г., ООО "ХТ ТРОПЛАСТ";
Калабин В.А., ООО "ХТ ТРОПЛАСТ";
Тарасов В.А., ЗАО "КВЕ - Оконные технологии";
Шведов Д.Н., Центр по сертификации оконной и дверной техники;
Куренкова А.Ю., НИУПЦ "Межрегиональный институт окна";
Савич В.С., ФГУП ЦНС Госстроя России.