Главная // Актуальные документы // ГОСТ (Государственный стандарт)СПРАВКА
Источник публикации
М.: Стандартинформ, 2014
Примечание к документу
Документ утратил силу с 1 июля 2018 года в связи с изданием
Приказа Росстандарта от 23.05.2017 N 398-ст. Взамен введен в действие
ГОСТ IEC 60309-2-2016.
Документ включен в
Перечень международных и региональных (межгосударственных) стандартов, а в случае их отсутствия - национальных (государственных) стандартов, в результате применения которых на добровольной основе обеспечивается соблюдение требований технического
регламента Таможенного союза "О безопасности низковольтного оборудования" (ТР ТС 004/2011) и в
Перечень международных и региональных (межгосударственных) стандартов, а в случае их отсутствия - национальных (государственных) стандартов, содержащих правила и методы исследований (испытаний) и измерений, в том числе правила отбора образцов, необходимые для применения и исполнения требований технического
регламента Таможенного союза "О безопасности низковольтного оборудования" (ТР ТС 004/2011) и осуществления оценки соответствия объектов технического регулирования (
Решение Коллегии Евразийской экономической комиссии от 11.05.2023 N 55).
Документ включен в
Перечень стандартов, в результате применения которых на добровольной основе обеспечивается соблюдение требований технического
регламента Таможенного союза "О безопасности низковольтного оборудования" (ТР ТС 004/2011) и в
Перечень стандартов, содержащих правила и методы исследований (испытаний) и измерений, в том числе правила отбора образцов, необходимые для применения и исполнения требований технического
регламента Таможенного союза "О безопасности низковольтного оборудования" (ТР ТС 004/2011) и осуществления оценки соответствия объектов технического регулирования (
Решение Комиссии Таможенного союза от 16.08.2011 N 768).
Документ
введен в действие с 1 января 2014 года.
Название документа
"ГОСТ 30849.2-2002 (МЭК 60309-2:1999). Межгосударственный стандарт. Вилки, штепсельные розетки и соединительные устройства промышленного назначения. Часть 2. Требования к взаимозаменяемости размеров штырей и контактных гнезд соединителей"
(введен в действие Приказом Росстандарта от 15.11.2012 N 835-ст)
"ГОСТ 30849.2-2002 (МЭК 60309-2:1999). Межгосударственный стандарт. Вилки, штепсельные розетки и соединительные устройства промышленного назначения. Часть 2. Требования к взаимозаменяемости размеров штырей и контактных гнезд соединителей"
(введен в действие Приказом Росстандарта от 15.11.2012 N 835-ст)
агентства по техническому
регулированию и метрологии
от 15 ноября 2012 г. N 835-ст
МЕЖГОСУДАРСТВЕННЫЙ СТАНДАРТ
ВИЛКИ, ШТЕПСЕЛЬНЫЕ РОЗЕТКИ И СОЕДИНИТЕЛЬНЫЕ УСТРОЙСТВА
ПРОМЫШЛЕННОГО НАЗНАЧЕНИЯ
ЧАСТЬ 2
ТРЕБОВАНИЯ К ВЗАИМОЗАМЕНЯЕМОСТИ РАЗМЕРОВ ШТЫРЕЙ
И КОНТАКТНЫХ ГНЕЗД СОЕДИНИТЕЛЕЙ
Plugs, socket-outlets and couplers
for industrial purposes. Part 2. Dimensional
interchangeability requirements for pin
and contact-tube accessories
(IEC 60309-2:1999, MOD)
ГОСТ 30849.2-2002
(МЭК 60309-2:1999)
ОКСТУ 34 6400
Дата введения
1 января 2014 года
Цели, основные принципы и порядок проведения работ по межгосударственной стандартизации установлены
ГОСТ 1.0-92 "Межгосударственная система стандартизации. Основные положения" и
ГОСТ 1.2-2009 "Межгосударственная система стандартизации. Стандарты межгосударственные, правила и рекомендации по межгосударственной стандартизации. Правила разработки, принятия, применения, обновления и отмены".
1. Подготовлен Обществом с ограниченной ответственностью "Всероссийский научно-исследовательский и конструкторско-технологический институт низковольтной аппаратуры (ООО "ВНИИэлектроаппарат").
2. Внесен Федеральным агентством по техническому регулированию и метрологии.
3. Принят Межгосударственным советом по стандартизации, метрологии и сертификации (Протокол N 22 от 6 ноября 2002 г.).
За принятие проголосовали:
Краткое наименование страны по МК (ИСО 3166) 004-97 | Код страны по МК (ИСО 3166) 004-97 | Сокращенное наименование национального органа по стандартизации |
Азербайджан | AZ | Азстандарт |
Армения | AM | Минэкономики Республики Армения |
Беларусь | BY | Госстандарт Республики Беларусь |
Казахстан | KZ | Госстандарт Республики Казахстан |
Кыргызстан | KG | Кыргызстандарт |
Молдова | MD | Молдова-Стандарт |
Российская Федерация | RU | Росстандарт |
Таджикистан | TJ | Таджикстандарт |
Туркменистан | TM | Главгосслужба "Туркменстандартлары" |
Узбекистан | UZ | Узстандарт |
Украина | UA | Госпотребстандарт Украины |
4.
Приказом Федерального агентства по техническому регулированию и метрологии от 15 ноября 2012 г. N 835-ст межгосударственный стандарт ГОСТ 30849.2-2002 (IEC 60309-2:1999) введен в действие в качестве национального стандарта Российской Федерации с 1 января 2014 г.
5. Настоящий стандарт модифицирован по отношению к международному стандарту IEC 60309-2:1999. Plugs, socket-outlets and couplers for industrial purposes - Part 2: Dimensional interchangeability requirements for pin and contact-tube accessories (Вилки, штепсельные розетки и соединительные устройства промышленного назначения. Часть 2. Требования к взаимозаменяемости размеров штырей и контактных гнезд соединителей).
Сведения о соответствии межгосударственных стандартов ссылочным международным стандартам приведены в дополнительном
Приложении ДА.
Степень соответствия - модифицированная (MOD).
6. Введен впервые.
Информация об изменениях к настоящему стандарту публикуется в ежегодном информационном указателе "Национальные стандарты", а текст изменений и поправок - в ежемесячном информационном указателе "Национальные стандарты". В случае пересмотра (замены) или отмены настоящего стандарта соответствующее уведомление будет опубликовано в ежемесячном информационном указателе "Национальные стандарты". Соответствующая информация, уведомление и тексты размещаются также в информационной системе общего пользования - на официальном сайте Федерального агентства по техническому регулированию и метрологии в сети Интернет.
Требования настоящего стандарта дополняют или изменяют соответствующие пункты
ГОСТ 30849.1-2002.
Настоящий стандарт изменяет, дополняет или заменяет соответствующие требования, виды испытаний, разъяснения и т.д.
ГОСТ 30849.1.
В настоящем стандарте пункты, подпункты, таблицы и рисунки, дополняющие
ГОСТ 30849.1, имеют нумерацию начиная со 101.
Замена
Настоящий стандарт распространяется на штепсельные соединители, кабельные соединители и вводные соединители промышленного назначения (далее - соединители) на номинальное рабочее напряжение не более 690 В постоянного и переменного тока частотой до 500 Гц и номинальный ток не более 125 А, применяемые для установки внутри и снаружи помещений.
Примечание. Требования ГОСТ 30849.1 на соединители на номинальные токи более 125 А на соединители по настоящему стандарту не распространяются.
Стандарт распространяется на соединители с контактами стандартной формы.
Настоящий стандарт распространяется на соединители, применяемые при температуре окружающей среды от минус 25 до плюс 40 °C.
Допускается применение соединителей по настоящему стандарту в строительстве, торговле, сельском хозяйстве и быту.
Стандарт распространяется на штепсельные розетки и вводные устройства, встраиваемые или устанавливаемые на электрооборудовании.
Требования настоящего стандарта распространяются также на соединители, предназначенные для использования в установках сверхнизкого напряжения.
Примечание. Требования настоящего стандарта не распространяются на соединители исключительно бытового или аналогичного общего назначения.
В случае применения соединителей в специальных условиях, например на судах или во взрывоопасных средах, должны учитываться дополнительные требования.
По ГОСТ 30849.1.
Примечание. При пользовании настоящим стандартом целесообразно проверить действие ссылочных стандартов в информационной системе общего пользования - на официальном сайте Федерального агентства по техническому регулированию и метрологии в сети Интернет или по ежегодному информационному указателю "Национальные стандарты", который опубликован по состоянию на 1 января текущего года, и по выпускам ежемесячного информационного указателя "Национальные стандарты" за текущий год. Если ссылочный стандарт заменен (изменен), то при пользовании настоящим стандартом следует руководствоваться заменяющим (измененным) стандартом. Если ссылочный стандарт отменен без замены, то положение, в котором дана ссылка на него, применяется в части, не затрагивающей эту ссылку.
По ГОСТ 30849.1 со следующим дополнением.
3.101. Переключатель фаз: вилка или вводное устройство с органом управления для переключения положения двух фазных штырей без отсоединения проводников.
По ГОСТ 30849.1 со следующим дополнением.
4.101. Если при испытаниях используют калибры, то они должны быть из закаленной стали, углы должны быть слегка закруглены максимальным радиусом не более 0,1 мм, поверхность калибров должна иметь шероховатость 0,8 мкм, если не установлено иное.
В настоящем стандарте:
2P +

- распространяются также на 1P + N +

;
3P +

- распространяются также на 2P + N +

, если не установлено иное.
5. Стандартные номинальные значения
По ГОСТ 30849.1 со следующим изменением.
5.2.3. Замена
Стандартные значения номинальных токов приведены в таблице 101.
Таблица 101
В амперах
Серия I | Серия II |
16 | 20 |
32 | 30 |
63 | 60 |
125 | 100 |
По ГОСТ 30849.1 со следующим изменением.
6.1.2. Замена
IP44 - брызгозащищенные;
IP67 - водонепроницаемые.
В новых разработках должны быть использованы степени защиты по
ГОСТ 14254.
По ГОСТ 30849.1 со следующим изменением.
7.1. Изменение
Примечание исключить.
Дополнение
Символ, указывающий положение заземляющего контакта или дополнительного ключа (выступа или выемки), располагают перед или над цифрой, обозначающей номинальное рабочее напряжение, и отделяют от нее линией.
Эти обозначения располагают после маркировки номинального тока, отделяя от нее тире, если символ, указывающий положение заземляющего контакта или дополнительного ключа (выступа или выемки), и цифра, указывающая номинальное рабочее напряжение, разделены косой чертой.
Если используют символ, обозначающий род тока, то его помещают после или под маркировкой номинального рабочего напряжения.
В трехфазных соединителях нет необходимости в обозначении напряжения между фазой и нейтралью, если она имеется.
Обозначение номинального тока или токов, положение заземляющего контакта или дополнительного ключа, номинального рабочего напряжения или напряжений и рода тока может быть следующим:
Серия I
16 А - 9 ч/400 В ~ или 16 - 9 ч/400 ~, или

,
или 16 А - 9 ч/380 - 415 В ~ или 16 - 9 ч/380 - 415 В ~, или

,
32 А - 6 ч/230/400 В ~ или 32 - 6 ч/230/400 ~, или

,
Серия II
20 А - 7 ч/480 В a.c. или 20 А - 7 ч/480 ~, или

,
30 А - 7 ч/480 В, 3 фазы или 30 А - 7 ч/480, 3 фазы, или

,
60 А - 7 ч/227/480 В, 3 фазы Y, или 60 А - 7 ч/227/480 В, 3 ФY, или

.
Допускается обозначение переменного тока (~) и постоянного тока (

или

) после значений тока (МЭК 60617-2)
[1].
Для соединителей на номинальное рабочее напряжение св. 50 В символ, указывающий положение заземляющего контакта, должен состоять из цифры с буквой "ч".
Цифра соответствует положению заземляющего гнездового контакта по часовому циферблату. Ключ (выемка) должен соответствовать положению 6 ч при виде спереди на штепсельную или переносную розетку.
Для соединителей на номинальное рабочее напряжение до 50 В символ, указывающий положение дополнительного ключа, должен также состоять из цифры с буквой "ч".
Цифра соответствует положению дополнительного ключа по часовому циферблату. Основной ключ должен соответствовать положению 6 ч при виде спереди на штепсельную или переносную розетки.
Для вилок и вводных устройств символ, указывающий положение заземляющего контакта или дополнительного ключа, должен быть таким же, как для штепсельной или переносной розетки.
Контактные гнезда штепсельных и переносных розеток должны располагаться в направлении по часовой стрелке или при виде спереди, как указано в стандартных листах (см. также 7.5).
Контакты вилок и вводных устройств должны располагаться в направлении против часовой стрелки при виде спереди.
7.2. Изменение
Исключить абзац:
IPXX (соответствующие цифры) степень защиты по
ГОСТ 14254.
Дополнить абзацем:
7.4. Замена
Для вилок и переносных розеток маркировка, указанная в 7.1, должна быть легко различимой, когда к соединителю подсоединены проводники и он готов к эксплуатации.
Маркировка напряжения по изоляции должна наноситься на основную часть; она не должна быть видимой, когда соединитель установлен и подсоединен как при нормальной эксплуатации.
Примечания
1. Термин "готов к эксплуатации" не означает, что вилка или розетка сочленены с ответной частью.
2. Термин "основная часть" вилки или переносной розетки обозначает часть, несущую контакты.
Соответствие проверяют осмотром.
7.5. Замена
Для разборных соединителей контакты обозначают следующими символами:
- для соединителей с тремя контактами (фаза + нейтраль + земля или фаза + фаза + земля):
L/+, без маркировки,

или L/+, без маркировки,

, за исключением соединителей серии II в положениях 4 и 5 ч, которые маркируют:
N, без маркировки,

или N, без маркировки,

;
L1, L2, L3,

, или L1, L2, L3,

, или 1, 2, 3

, или 1, 2, 3

, за исключением соединителей серии II в положении 12 ч (фаза + центральное отверстие + фаза + земля), которые маркируют: L1, L2, L3,

или L1, L2, L3,

;
- для соединителей с пятью контактами (три фазы + нейтраль + земля):
L1, L2, L3, N,

, или L1, L2, L3, N,

или 1, 2, 3, N,

, или 1, 2, 3, N,

;
- временно вместо маркировки L1, L2, L3 можно использовать маркировку R1, S2, T3.
Эти обозначения размещают у соответствующих выводов; их не следует наносить на винты, съемные шайбы или другие съемные части.
Для переключателя фаз в одном его положении эти обозначения должны отвечать требованиям 7.1, в другом - маркировка фазы может не соответствовать.
Примечание. Зажимы для блок-контактов не требуют маркировки.
Цифры с буквами можно записывать как индекс. Рекомендовано, где это удобно, использовать символ

.
Соответствие проверяют осмотром.
7.7. Изменение
По ГОСТ 30849.1 со следующим дополнением.
В соединителях серии II 2P + N + земля, в положении 12 ч следует использовать маркировку оранжевого цвета.
По ГОСТ 30849.1 со следующим изменением.
8.1. Замена
Соединители должны соответствовать следующим стандартным листам:
- соединители на номинальные рабочие напряжения св. 50 В:
| | ИС МЕГАНОРМ: примечание. В официальном тексте документа, видимо, допущена опечатка: стандартные листы 2 - 1 и 2 - И отсутствуют. Возможно, имеются в виду стандартные листы 2 - I и 2 - II. | |
механическая блокировка соединителей
от 16 до 125 А ...............................
лист 2 - V
- соединители на номинальное рабочее напряжение не более 50 В и токи
Отклонения от размеров, указанных в листах стандартизации, допускаются только в случае, когда они имеют технические преимущества и не снижают требований по назначению и безопасности соединителей, соответствующих стандартным листам, особенно с точки зрения их взаимозаменяемости и незаменяемости.
Соответствие проверяют с помощью калибров или измерением размеров, не охватываемых калибрами:
- для соединителей на номинальное рабочее напряжение св. 50 В - по
рисункам 101 и
102 - для штепсельных и переносных розеток, по
рисункам 107 и
108 - для вилок и вводных устройств;
- для соединителей на номинальное рабочее напряжение не более 50 В и токи 16/20 А и 32/30 А - по
рисункам 110,
112.
Калибры перемещают относительно центральной оси соединителя с усилием, указанным в таблице 102, прикладываемым в течение 1 мин.
Таблица 102
Усилия в ньютонах
Номинальное рабочее напряжение, В | Номинальный ток, А | Максимальное усилие для проходных калибров | Максимальное усилие для непроходных калибров |
Серия I | Серия II |
До 50 | 16 | 20 | 150 | 30 |
32 | 30 |
Св. 50 | 16 | 20 | 60 | 20 |
32 | 30 | 90 | 30 |
63 | 60 | 165 | 55 |
125 | 100 | 240 | 80 |
Перед испытанием образец из изоляционного материала хранят в течение четырех недель при температуре (20 +/- 5) °C и относительной влажности от 45 до 75%.
Для соединителей на номинальные рабочие напряжения до 50 В положение дополнительного ключа должно соответствовать указанному в таблице 103.
Таблица 103
Номинальное рабочее напряжение, В | Частота, Гц | Положение выступа или выемки <*> |
От 20 до 25 | 50 и 60 | Выступ или выемка отсутствует |
От 40 до 50 | 12 |
От 20 до 25 и от 40 до 50 | От 100 до 200 включ. | 4 |
300 | 2 |
400 | 3 |
Св. 400 до 500 включ. | 11 |
Постоянный ток | 10 |
<*> Положение выступа или выемки обозначено соответствующей цифрой (см. 7.1). |
Для соединителей на номинальные рабочие напряжения св. 50 В положение заземляющего контакта должно соответствовать указанному в таблице 104.
Таблица 104
Число контактов | Тип | Частота, Гц | Номинальное рабочее напряжение, В | Положение заземляющего контакта <1> |
16/20, 32/30 А | 63/60, 125/100 А |
3 | 1P + N +  Серия II | 50 и 60 | 100 - 130 | 4 | 4 |
60 | 277 | 5 | 5 |
2P +  Серии I и II | 50 и 60 | 100 - 130 | 4 | 4 |
200 - 250 | 6 | 6 |
380 - 415 | 9 | 9 |
480 - 500 | 7 | 7 |
Питание от разделительного трансформатора | 12 | 12 |
От 100 до 300 включ. | Св. 50 | - | - |
Св. 300 до 500 включ. | 2 | - |
Постоянный ток | Св. 50 до 250 включ. | 3 | 3 |
Св. 250 | 8 | 8 |
4 | 2P + N +  Серия II | 50 и 60 | 125/250 однофазное | 12 | 12 |
3P +  Серии I и II | 100 - 130 | 4 | 4 |
200 - 250 | 9 | 9 |
380 - 415 | 6 | 6 |
60 | | 11 | 11 |
50 и 60 | 480 - 500 | 7 | 7 |
600 - 690 | 5 | 5 |
50 | 380 | 3 | - |
60 | |
От 100 до 300 включ. | Св. 50 | 10 | - |
Св. 300 до 500 включ. | 2 | - |
5 | 2P + N +  Серии I и II | 50 и 60 | 57/100 - 75/130 | 4 | 4 |
120/208 - 144/250 | 9 | 9 |
200/346 - 240/415 | 6 | 6 |
277/480 - 288/500 | 7 | 7 |
347/600 - 400/690 | 5 | 5 |
60 | | 11 | 11 |
50 | 220/380 | 3 | - |
60 | |
От 100 до 300 включ. | Св. 50 | - | - |
Св. 300 до 500 включ. | 2 | - |
Все типы | Все номинальные рабочие напряжения и (или) частоты, не охватываемые другими модификациями | 1 | 1 |
<1> Положение заземляющего контакта указано соответствующей цифрой (см. 7.1). <2> Главным образом для установок на судах. <3> Только для холодильных установок. Примечание. Положения, обозначенные знаком "-", не стандартизированы. |
Соответствие проверяют осмотром.
Положения 1, 8 и 9 зарезервированы для будущей стандартизации. Из-за особенностей конструкции положения 5 - 7 не применяют.
8.2. Замена
Для соединителей на номинальное напряжение св. 50 В не допускается сочленение вилок или переносных розеток со штепсельными розетками или вводными устройствами с разными номинальными характеристиками или с разным сочетанием контактов.
Кроме того, конструкция соединителей должна исключать возможность соединения между:
- землей и (или) блок-контактом и гнездовым контактом под напряжением или штыревым контактом под напряжением и землей и (или) блок-контактом розетки;
- фазовыми штыревыми контактами и нейтральным гнездовым контактом, если имеется;
- нейтральным штыревым контактом и фазовым гнездовым контактом.
Соответствие проверяют осмотром, за исключением следующего.
В двух последних случаях соответствие не требуется между трехконтактными соединителями серий I и II, в положении 4 ч, поскольку они имеют взаимообратные положения контактов.
Примечание. Эти проблемные варианты применяют на практике уже много лет, однако решение еще не найдено.
Не допускается сочленение вилок со штепсельными или переносными розетками с разными положениями заземляющих контактов или дополнительных выступов.
Соответствие проверяют осмотром и испытаниями по методике, описанной ниже. Эти испытания проводят после выдерживания испытательных образцов из изоляционного материала при температуре (20 +/- 5) °C и относительной влажности от 45 до 75% в течение четырех недель.
Для соединителей в корпусах из термопластичного материала данное испытание проводят при температуре (35 +/- 2) °C, причем и соединители, и калибры должны иметь одинаковую температуру.
Проверка вилок и вводных устройств
Для вилок и вводных устройств на номинальное напряжение св. 50 В используют калибры по
рисунку 109.
Для вилок и вводных устройств на номинальное рабочее напряжение менее 50 В используют калибры по
рисунку 113.
Первое испытание (выступ)
Калибр (розетку), показанный(ую) на
рисунке 109, располагают перед вилкой таким образом, чтобы во время испытания выступ сочленялся приблизительно в середине нижней части фланца калибра.
Усилие F постепенно увеличивают так, чтобы полное усилие, указанное в таблице 105, достигалось в течение 15 с. После чего полное усилие прикладывают в течение 1 мин.
Прикладываемые усилия приведены в таблице 105.
Номинальный ток, А Серия I/II | 16/20 | 32/30 | 63/60 | 125/100 |
Усилие F, Н | 175 | 210 | 385 | 560 |
Во время прикладывания усилия калибр не должен перемещаться более чем на 4 мм относительно фланца вилки или вводного устройства.
После испытания вилка или вводное устройство не должны иметь повреждений, ухудшающих дальнейшую эксплуатацию соединителя.
Эти усилия равны 1,4-кратным требуемым расчленяющим усилиям.
Второе испытание (контакт заземления)
Усилие F прикладывают к контакту заземления таким же способом и такой же длительности, что и в предыдущем испытании.
После испытания вилка и вводное устройство должны соответствовать указанным на стандартных листах.
Проверка штепсельных и переносных розеток
Для штепсельных и переносных розеток на номинальное рабочее напряжение св. 50 В используют калибры по
рисунку 104.
Для штепсельных и переносных розеток на номинальное рабочее напряжение менее 50 В используют калибры по
рисунку 111.
Первое испытание (фланец)
Первое испытание проводят во всех возможных положениях, за исключением одного, соответствующего положению используемой штепсельной или переносной розеток.
Испытуемый образец закрепляют и удерживают таким образом, чтобы жесткость штепсельной или переносной розетки не изменилась.
Испытательное устройство должно соответствовать
рисунку 103.
Калибр, показанный на
рисунке 104, должен попасть одновременно в две противолежащие точки соединителя. Оси калибра и соединителя должны быть приблизительно параллельны, и выемка должна разделиться с каждой стороны на равные части.
Усилие F постепенно увеличивают, так чтобы полное усилие, приведенное в
таблице 105, достигалось в течение 15 с. Затем в течение 1 мин прикладывают полное усилие.
При прикладывании усилия калибр не должен перемещаться более чем на 4 мм относительно фланца штепсельной или переносной розетки.
После испытания штепсельная или переносная розетка не должны иметь повреждений, ухудшающих их дальнейшую эксплуатацию.
Второе испытание (гнезда)
Калибр не должен входить в фазное гнездо на расстояние более указанного в таблице 106, измеряемое от передней поверхности внутренней части (см.
рисунок 106). Используют те же усилия, прикладываемые с той же длительностью, и ту же методику, что и в предыдущем испытании.
Таблица 106
Номинальный ток, А Серия I/II | 16/20 | 32/30 | 63/60 | 125/100 |
Расстояние X, мм | 11 | 12,5 | 15 | 20 |
8.3. Дополнение
Испытание на соответствие для соединителей в оболочках из эластичного или термопластичного материала проводят вручную с помощью калибра, представленного на
рисунке 114.
Калибр прикладывают с усилием 200 Н в течение 1 мин.
Для соединителей в оболочках из термопластичного материала калибр прикладывают при температуре (35 +/- 2) °C, причем и соединитель, и калибр должны иметь одинаковую температуру.
Примечание. Для соединителей из твердых материалов, например металла, термореактивной смолы, керамического материала и т.п., соответствие определенным стандартным листам означает выполнение данного требования.
9. Защита от поражения электрическим током
По ГОСТ 30849.1 со следующими дополнениями.
9.1. Дополнение
Соответствие определенным стандартным листам гарантирует выполнение требования о недоступности контактов во время введения вилки или переносной розетки в ответную часть.
9.2. Дополнение
Соответствие определенным стандартным листам гарантирует выполнение данных требований.
По ГОСТ 30849.1.
По ГОСТ 30849.1 со следующим изменением.
11.4. Замена
Зажимы должны допускать подсоединение проводов с номинальными сечениями, указанными в таблице 107, провода обозначаются размерами зажимов, указанными в таблице 107.
Таблица 107
Размеры присоединяемых проводников
Номинальные параметры соединителя | Внутренние соединения <1> | Внешнее заземляющее подсоединение, если имеется |
Гибкие проводники для вилок и переносных розеток <2> | Одно- или многопроволочные проводники для штепсельных розеток <2> |
Напряжение, В | Ток, А | Одно- или многопроволочные проводники для вводных устройств <2> | Размер зажима, мм |
Серия I | Серия II | мм2 | | мм2 | | Размер зажима, мм | мм2 | | Размер зажима, мм |
До 50 | 16 | 20 | 4,0 - 10,0 | 12 - 8 | 6 | 4,0 - 10,0 | 12 - 8 | 5 | - | - | - |
32 | 30 |
Св. 50 | 16 | 20 | 1,0 - 2,5 | 16 - 12 | 2 | 1,5 - 4,0 | 16 - 12 | | 6 | 10 | 4 |
32 | 30 | 2,5 - 6,0 | 14 - 10 | 5 | 2,5 - 10,0 | 14 - 8 | 5 | 10 | 8 | 5 |
63 | 60 | 6,0 - 16,0 | 10 - 6 | 7 | 6,0 - 25 | 10 - 4 | 7 | 25 | 4 | 7 |
125 | 100 | 16,0 - 50,0 | 6 - 2 | | 25,0 - 70,0 | 4 - 0 | |
<1> Зажимы для проводников блок-контактов, если имеются, должны допускать подсоединение проводников такого же сечения, что и зажимы для соединителей на 16 А и номинальное рабочее напряжение св. 50 В. |
| | ИС МЕГАНОРМ: примечание. В официальном тексте документа, видимо, допущена опечатка: пункт [2] в Библиографии отсутствует. | |
|
<2> Классификация проводников соответствует МЭК 60228, раздел 2 [2]: жесткие (класс 1), многопроволочные (класс 2), гибкие (класс 5). <3> Номинальная площадь поперечного сечения проводников указана в мм2. В настоящем стандарте значения AWG/MCM принимают в мм2. AWG (американский сортамент проводов) - система, в которой диаметр проводов определяют в геометрической прогрессии от 36 до 0. MCM - единица измерения площади круга. 1 MCM = 0,5067 мм2. <4> Для столбчатых зажимов применяют размер 2 мм. <5> Временно не применяют. |
Зажимы должны соответствовать стандартным листам, как указано в 11.8 настоящего стандарта, и не подвергаться испытаниям по 11.8 и 11.9 ГОСТ 30849.1.
11.8. Замена
Первое испытание
Зажимы должны соответствовать стандартным листам, как указано ниже, за исключением
листов 2 - X,
2 - XI,
2 - XII, где длина резьбы фиксирующей части (гайки) или длина резьбы винта (болта) может быть уменьшена при условии, что механическая прочность зажима достаточна, и, по крайней мере, два полных оборота каждого винта находятся в зацеплении, когда зажат проводник наиболее неблагоприятного поперечного сечения.
Закрытые резьбовые зажимы с прижимом гайкой должны соответствовать
листу 2 - X для размеров D и e. Зажимы типа столбчатых, но в которых отверстие для провода выполнено в виде прорези, обеспечивающей боковую установку проводника, должны соответствовать
листу 2 - X, за исключением максимального зазора между частями, фиксирующими проводник в прорези, который должен соответствовать
листу 2 - XI.
Если резьба требуемой длины в зажиме получена выдавливанием, то край опрессовки должен быть достаточно гладким, а длина резьбы должна превышать указанное минимальное значение не менее чем на 0,5 мм.
Соответствие проверяют осмотром и измерением, а для зажимов с частично снятой резьбой - испытанием по 11.9.
Максимальный зазор между частями, удерживающими проводник, проверяют с помощью стального калиброванного штыря, диаметр которого равен (e +/- 0,05) мм.
Для зажимов без прижимной пластины и аналогичных, соответствующих
листу 2 - X, зажимной винт должен закручиваться до конца при отсутствии проводника. При этом должно быть невозможно введение калиброванного штыря между резьбовой частью винта и стенкой проводникового канала.
Для зажимов, соответствующих
листу 2 - XI, и зажимов с прижимной пластиной или аналогичных, удовлетворяющих
листу 2 - X, где невозможно введение калиброванного штыря в любом положении, проводник присоединяют в зажиме.
Для зажимов, соответствующих
листу 2 - X, проводник имеет форму стержня диаметром, равным среднему поперечному сечению из диапазона, указанного для конкретного зажима, и плоский конец, перпендикулярный его оси.
Для зажимов, соответствующих
листу 2 - XI, проводник одножильный и имеет диаметр D, как указано на стандартном листе для конкретного зажима.
Если проводник установлен, исключается введение калиброванного штыря в направлении, параллельном оси проводника, в любой зазор, из которого могла бы выскользнуть проволока многопроволочного проводника.
Минимальное расстояние между зажимным винтом и концом полностью введенного проводника, которое указано на
листе 2 - X, проверяют с помощью штыря, указанного выше, который должен войти в проводниковый канал и выйти за резьбовое отверстие на расстояние не менее минимального указанного расстояния.
Для зажимов с прижимной пластиной, соответствующих
листу 2 - X, калиброванный штырь вводят в зазор между прижимной пластиной и стенкой проводникового канала.
Разрешаются минимальные допуски в сторону уменьшения от заданных минимальных значений номинального диаметра резьбы винта:
- 0,15 мм для винтов номинальным диаметром до 5 мм;
- 0,22 мм для винтов номинальным диаметром более 5 мм, но не более 10 мм;
- 0,27 мм для винтов номинальным диаметром св. 10 мм.
Данный пункт не исключает применение зажимов других типов, не представленных на стандартных листах. Однако такие зажимы также должны соответствовать требованиям настоящего раздела, насколько это является оправданным и не исключает введение дополнительных требований.
Если резьбовая часть фиксирующей части или гайки уменьшена, общая длина винта с головкой должна быть соответственно увеличена.
Если один или более размеров превышают минимальные, указанные в листах стандартизации, то другие размеры не должны соответственно увеличиваться, но отклонения от приведенных размеров не должны ухудшать эксплуатационные качества зажима.
11.9. Замена
Второе испытание
К зажимам, соответствующим
листу 2 - X, но с уменьшенной длиной резьбы, присоединяют проводник наименьшего поперечного сечения из указанных в
таблице 107, затягивая зажимные винты большим моментом или присоединяют проводник наибольшего поперечного сечения из указанных в той же таблице, затягивая винты малым моментом. Выбирают наиболее неблагоприятные условия.
В зажимы, соответствующие
листам 2 - XI или
2 - XII, но с уменьшенной длиной резьбы, присоединяют проводник наибольшего поперечного сечения из указанных в
таблице 107, затягивая зажимные винты малым моментом.
По крайней мере два витка резьбы должны быть зацеплены.
Затем в зажимах затягивают проводники наименьшего и наибольшего сечений из указанных в
таблице 107: жесткие (одно- или многопроволочные) для штепсельных розеток и вводных устройств, гибкие для вилок и переносных розеток, причем зажимные винты затягивают максимальным моментом, равным двум третям момента, указанного в ГОСТ 30849.1, таблица 15. Каждый проводник подвергают натяжению с силой, указанной в таблице 108. Натяжение прикладывают без рывков в течение 1 мин в направлении оси проводникового канала.
Таблица 108
Размер зажима, мм | 2 | 3 | 4 | 5 | 6 | 7 | 8 | 9 | 10 |
Сила натяжения, Н | 50 | 50 | 60 | 80 | 90 | 100 | 120 | 150 | 200 |
Во время испытания провод не должен заметно перемещаться в зажиме.
Примечание. Для зажимов с размерами 8, 9, 10 мм значение силы натяжения временное.
По ГОСТ 30849.1 со следующими дополнениями.
12.1. Дополнение
Если соединитель на номинальное рабочее напряжение св. 50 В снабжен механической блокировкой, она должна соответствовать
листу 2 - V.
Не допускается работа механического отключающего устройства штепсельной или переносной розетки с механической блокировкой, кроме как после введения в нее вилки.
Примечание. Отвертки не рассматривают в качестве вилок.
Допускается, что инструменты могут использоваться для отключения блокирующего устройства при проверке цепи.
12.3. Дополнение
Соединители должны быть оснащены фиксирующим устройством, как указано в таблице 109.
Таблица 109
Номинальный ток соединителя, А | Классификация по степени защиты от влаги | Штепсельные и переносные розетки | Вилки и вводные устройства |
Фиксирующее устройство | Стандартный лист | Фиксирующее устройство | Стандартный лист |
Номинальное рабочее напряжение св. 50 В | Номинальное рабочее напряжение до 50 В | Номинальное рабочее напряжение св. 50 В | Номинальное рабочее напряжение до 50 В |
16/20 и 32/30 | IP44 - брызгозащищенное | Крышка | | | Выступ или выемка | | |
IP67 - водонепроницаемое | Двухскатная система | | | Выступ или выемка, или байонетное кольцо | | |
63/60 | IP44 | Крышка и двухскатная система | | - | Выступ или выемка | | - |
IP67 | Двухскатная система | | - | Байонетное кольцо | | - |
125/100 | IP67 <*> |
<*> Если штепсельные розетки на ток 125/100 А установлены или встроены в оболочки, весь узел может также иметь степень защиты IP44. |
13. Стойкость деталей из резины
и термопластичных материалов
По ГОСТ 30849.1.
14. Общие требования к конструкции
По ГОСТ 30849.1 со следующими дополнениями.
Дополнение
Соединители на номинальный ток 63/60 А должны иметь степень защиты IP44 (брызгозащищенное) или IP67 (водонепроницаемое).
Соединители на номинальный ток 125/100 А должны иметь степень защиты IP67 (водонепроницаемое).
Если штепсельные розетки на ток 125/100 А установлены или встроены в оболочки, все устройство должно иметь степень защиты IP44.
14.101. Не допускается случайное переключение переключателя фаз, а также его переключение при сочленении с ответной частью.
Переключатель фаз должен быть снабжен защелкой, удерживающей его в определенном положении.
Соответствие проверяют осмотром и испытанием вручную.
Действие переключателя фаз не должно повреждать кабель или проводку.
Соответствие проверяют осмотром и испытанием по
разделу 21.
15. Конструкция штепсельных розеток
По ГОСТ 30849.1 со следующими дополнениями и изменениями.
15.1. Дополнение
Контактные гнезда должны быть эластичными и иметь такую конструкцию, которая бы позволяла сохранять соответствующую надежность контактирования до и по истечении срока эксплуатации.
Контактные гнезда, кроме заземляющего, должны быть плавающими.
Контактные гнезда заземления могут быть неплавающими при условии, что они обладают необходимой гибкостью во всех направлениях.
Соответствие проверяют осмотром и следующим испытанием.
Образец устанавливают так, чтобы оси контактных гнезд были вертикальны, а контактные вводы были направлены вниз.
Калибр из закаленной стали с шероховатостью поверхности 0,002 мм, обезжиренный, с размерами, указанными в таблице 110, вводят в каждое контактное гнездо, также обезжиренное, при этом измеряют усилие, необходимое для извлечения калибра.
Размеры в миллиметрах
Номинальный диаметр штыря | Калибр |
Диаметр калибра, мм (допуск - 0,01 мм) | Минимальное общее усилие, Н |
5 | 4,80 | 2,5 |
6 | 5,80 | 5,0 |
7 | 6,80 | 5,0 |
8 | 7,80 | 10,0 |
10 | 9,80 | 15,0 |
12 | 11,80 | 20,0 |
Сумма усилия и веса калибра должна превышать минимальное общее усилие, указанное в
таблице 110.
Данное испытание следует выполнять после испытания по 15.2.
15.2. Замена
Давление, оказываемое контактными гнездами на штыри вилки, не должно быть настолько большим, чтобы препятствовать свободному введению и извлечению вилки.
Соответствие проверяют определением усилия, необходимого для извлечения испытательной вилки из образца, который устанавливают так, чтобы оси контактных гнезд были вертикальны, а контактные вводы направлены вниз, как показано на
рисунке 115.
Испытательную вилку, снабженную штырями, размеры которых указаны в таблице 111, вводят в образец.
Таблица 111
В миллиметрах
Номинальный диаметр штыря | Диаметр штырей испытательной вилки (допуск + 0,01 мм) |
5 | 5,00 |
6 | 6,00 |
7 | 7,00 |
8 | 8,00 |
10 | 10,00 |
12 | 12,00 |
Основной груз вместе с дополнительным (последний вызывает усилие, равное одной десятой усилия от основного груза) и испытательной вилкой вызывает усилие, равное максимальному усилию расчленения, указанному в таблице 112.
Таблица 112
Номинальный ток, А | Максимальное расчленяющее усилие, Н |
Серия I | Серия II |
16 | 20 | 150 |
32 | 30 | 150 |
63 | 60 | 275 |
125 | 100 | 400 |
Примечание. Описание испытательной вилки - на рассмотрении. |
Основной груз подвешивают без толчков к испытательной вилке, а дополнительный сбрасывают на него с высоты 5 см.
Вилка не должна остаться в образце после испытания.
15.7. Изменение
Третий абзац изложить в новой редакции:
Штепсельные розетки брызгозащищенного исполнения или со степенью защиты до IP44 включ., имеющие единственное монтажное положение, должны обеспечиваться дренажным отверстием диаметром по крайней мере 5 мм или площадью 20 мм2 и шириной по крайней мере 3 мм, которое эффективно в установленном положении розетки.
16. Конструкция вилок и переносных розеток
По ГОСТ 30849.1 со следующими изменением и дополнением.
16.1. Третий абзац изложить в новой редакции:
Соединители должны иметь такую конструкцию, чтобы их повторная сборка обеспечивала правильное угловое взаимное расположение выступа или выступов, выемки или выемок, заземляющего штыря и гнезда, как при первоначальной сборке.
Соответствие проверяют осмотром и, при необходимости, испытанием вручную.
Испытания выполняют, как указано в 15.1 и 15.2.
16.101. Штыри должны быть цельными.
Соответствие проверяют осмотром.
16.102. Вилки на номинальный ток до 32 А могут быть снабжены переключателем фаз. Такие вилки должны соответствовать общим требованиям, предъявляемым к вилкам, и требованиям
раздела 21 к переключателям фаз. Они должны снабжаться инструкцией со следующей информацией:
"Применять только гибкие проводники классов 5 или 6. Обеспечить гарантию того, что перемещение проводников не препятствует действию переключателя фаз".
Выполненное как одно целое коммутирующее устройство не должно использоваться в качестве переключателя фаз.
Переключатель фаз с проводниками класса 5 согласно
разделу 23 после выполнения им 1000 операций переключения подлежит регулировке.
17. Конструкция вводных устройств
По ГОСТ 30849.1 со следующими дополнениями.
17.101. Штыри должны быть цельными.
Соответствие проверяют осмотром.
17.102. Вводные устройства на номинальный ток до 32 А могут быть снабжены переключателем фаз. Такие вводные устройства должны соответствовать общим требованиям, предъявляемым к вводным устройствам, и требованиям
раздела 21 к переключателям фаз. Они должны снабжаться инструкцией со следующей информацией:
"Применять только гибкие проводники классов 5 или 6. Обеспечить гарантию того, что перемещение проводников не препятствует действию переключателя фаз".
Для вводных устройств в качестве переключателей фаз могут использоваться выключатели.
| | ИС МЕГАНОРМ: примечание. ГОСТ Р 50030.3-99 утратил силу с 1 января 2013 года в связи с введением в действие ГОСТ Р 50030.3-2012 (Приказ Росстандарта от 13.12.2011 N 298-ст). | |
Выключатели должны соответствовать ГОСТ Р 50030.3 по категории эксплуатации не менее АС-22А.
Переключатель фаз с проводниками класса 5 согласно
разделу 23 после выполнения им 1000 операций переключения подлежит регулировке.
По ГОСТ 30849.1.
19. Сопротивление и электрическая прочность изоляции
По ГОСТ 30849.1 со следующими дополнением и изменением.
19.1. Дополнить абзацем после примечания:
Испытание переключателей фаз проводят для каждого конечного положения.
19.4. Замена
Сразу же после испытания по 19.3 не допускается сочленения соединителей в оболочках из термопластичного материала с калибрами, имеющими положение заземляющего контакта, выступа или выемки, отличные от положений образца.
Для штепсельных и переносных розеток на номинальное рабочее напряжение св. 50 В применяют калибры, показанные на
рисунке 104. Для вилок и вводных устройств на номинальное рабочее напряжение св. 50 В применяют калибры, показанные на
рисунке 109.
Для штепсельных и переносных розеток на токи 16/20 и 32/30 А и номинальное рабочее напряжение до 50 В применяют калибры, показанные на
рисунке 111.
Для вилок и вводных устройств на номинальное рабочее напряжение до 50 В применяют калибры, показанные на
рисунке 113.
Калибры прикладывают с усилием 200 Н в течение 1 мин.
20. Отключающая способность
По ГОСТ 30849.1 со следующим дополнением.
Дополнение
Вилки и вводные устройства, соответствующие настоящему стандарту, не испытывают.
21. Условия нормальной эксплуатации
По ГОСТ 30849.1 со следующим дополнением.
Дополнение
Вилки и розетки, соответствующие настоящему стандарту, не испытывают.
Переключатели фаз испытывают без тока. Переключатель фаз следует испытывать в каждом конечном положении с половиной циклов операций.
Проволоки кабеля не должны перекручиваться или повреждаться, а также не должны наблюдаться чрезмерные повреждения изоляции кабеля или разрывы жил проволок. Переключатель фаз должен сохранить работоспособность.
Соответствие проверяют осмотром.
22. Превышение температуры
По ГОСТ 30849.1 со следующим дополнением.
Дополнение
Переключатели фаз испытывают в каждом конечном положении.
23. Гибкие кабели и их присоединение
По ГОСТ 30849.1 со следующим дополнением.
23.1. Дополнение
Устройства кабельного крепления должны быть выполнены из изолирующего материала или иметь изолирующую прокладку, закрепленную на металлических частях.
24. Механическая прочность
По ГОСТ 30849.1.
25. Винты, токоведущие части и соединения
По ГОСТ 30849.1.
26. Пути утечки, воздушные зазоры и расстояния по изоляции
По ГОСТ 30849.1.
27. Теплостойкость, огнестойкость и трекингостойкость
По ГОСТ 30849.1.
По ГОСТ 30849.1.
29. Устойчивость к воздействию токов короткого замыкания
По ГОСТ 30849.1 со следующим изменением.
Замена
Считают, что соединители, соответствующие настоящему стандарту, должны выдерживать минимальный условный ток короткого замыкания 10 кА. Если требуется большая величина, то применяют ГОСТ 30849.1.
30. Электромагнитная совместимость
По ГОСТ 30849.1.
Штепсельные и переносные розетки на токи 16/20 и 32/30 А
и номинальное рабочее напряжение св. 50 В
Выемки или выступы на фронтальной поверхности, если имеются, кроме гнездовых контактов, не должны иметь глубину более 10 мм.
Штепсельные розетки с механической блокировкой должны иметь конструкцию, исключающую любое угловое движение полностью введенной вилки, которое могло бы привести к нарушению механической блокировки.
Расположение контактных гнезд
Вид спереди контактных гнезд штепсельной
или переносной розетки
Таблица 113
Размеры в миллиметрах
Номинальный ток, А | Тип | | -1,5 | +/- 0,5 | +/- 0,5 |  , не менее | +0,6 | | +0,6 | | +1,0 -0,5 |
номин. | пред. откл. |
16/20 | 2P +  | 44,3 | +0,4 | 36,0 | 17,5 | 11,6 | 11,0 | 6,0 | 5 | 8,0 | 7 | 19,5 |
3P +  | 50,4 | +0,5 | 40,8 | 21,5 |
3P + N +  | 57,3 | +0,6 | 46,4 | 26,5 |
32/30 | 2P +  | 58,6 | +0,6 | 47,0 | 25,0 | 13,6 | 13,0 | 7,0 | 6 | 9,1 | 8 | 21,5 |
3P +  |
3P + N +  | 64,7 | 52,9 | 30,3 |
Продолжение таблицы 113
Размеры в миллиметрах
Номинальный ток, А | Тип | +0,3 | -0,1 | | | +0,6 | | | |
не более | не менее | не более | не менее | не менее |
16/20 | 2P +  | 3,8 | 2 | 0,8 | 0,3 | 1,2 | 0,4 | 47,5 | 37 | 38 | 10 |
3P +  | 54,0 |
3P + N +  | 61,3 |
32/30 | 2P +  | 5,3 | 3 | 1,0 | 0,3 | 1,5 | 0,5 | 64,6 | 45 | 48 | 15 |
3P +  |
3P + N +  | 71,2 |
<1> Размеры  и  должны оставаться в заданных пределах на глубину  . Они могут быть более этих пределов, но не менее. <2> Размер  не должен превышать заданного предела ни в одной из точек по всей глубине и должен оставаться в заданных пределах на минимальную глубину 3 мм, за исключением максимально: - трех выемок для аппаратов 2P +  ; - четырех выемок для аппаратов 3P +  ; - пяти выемок для аппаратов 3P + N +  , расположенных по окружности числом не более одной между соседними отверстиями контактных гнезд, каждая шириной не более 10 мм, включая кривизну. Отверстия глубже 10 мм в области выемок не допускаются. <3> Размеры  и  относятся к штырям. Контактные гнезда могут быть некруглыми. <4> Для аппаратов типа 3P + N +  и серии II, 2P + N +  , 12 ч размер  для нейтрального контакта. <5> Скос контактных гнезд может быть закругленным к внутренней цилиндрической поверхности в пределах 1,5-кратного максимального значения  или  . |
(продолжение 1)
Фиксирующее устройство для штепсельных и переносных розеток
брызгозащищенного исполнения IP44
Крышка и защелка показана в защелкнутом положении
Для аппаратов брызгозащищенного исполнения IP44 фиксирующее устройство должно иметь форму крышки, так чтобы вилки и вводные устройства водонепроницаемого исполнения IP67, соответствующие
листу 2 - II, снабженные байонетным кольцом, имеющим максимальные размеры, могли правильно вводиться и фиксироваться.
Таблица 114
Размеры в миллиметрах
Номинальный ток, А | Тип |  , не более | |  , не менее |
номин. | пред. откл. |
16/20 | 2P +  | 70,0 | 41,5 | +1,5 | 5,0 |
3P +  | 75,0 | 47,5 |
3P + N +  | 85,0 | 53,5 | 6,0 |
32/30 | 2P +  | 85,0 | 54,5 | +1,5 | 6,0 |
3P +  |
3P + N +  | 100,0 | 60,5 | +2,0 | 7,0 |
(продолжение 2)
Фиксирующее устройство для штепсельных и переносных розеток
водонепроницаемого исполнения IP67
Фиксирующее устройство должно иметь форму байонетного уклона такую, чтобы вилки и вводные устройства водонепроницаемого исполнения IP67, соответствующие
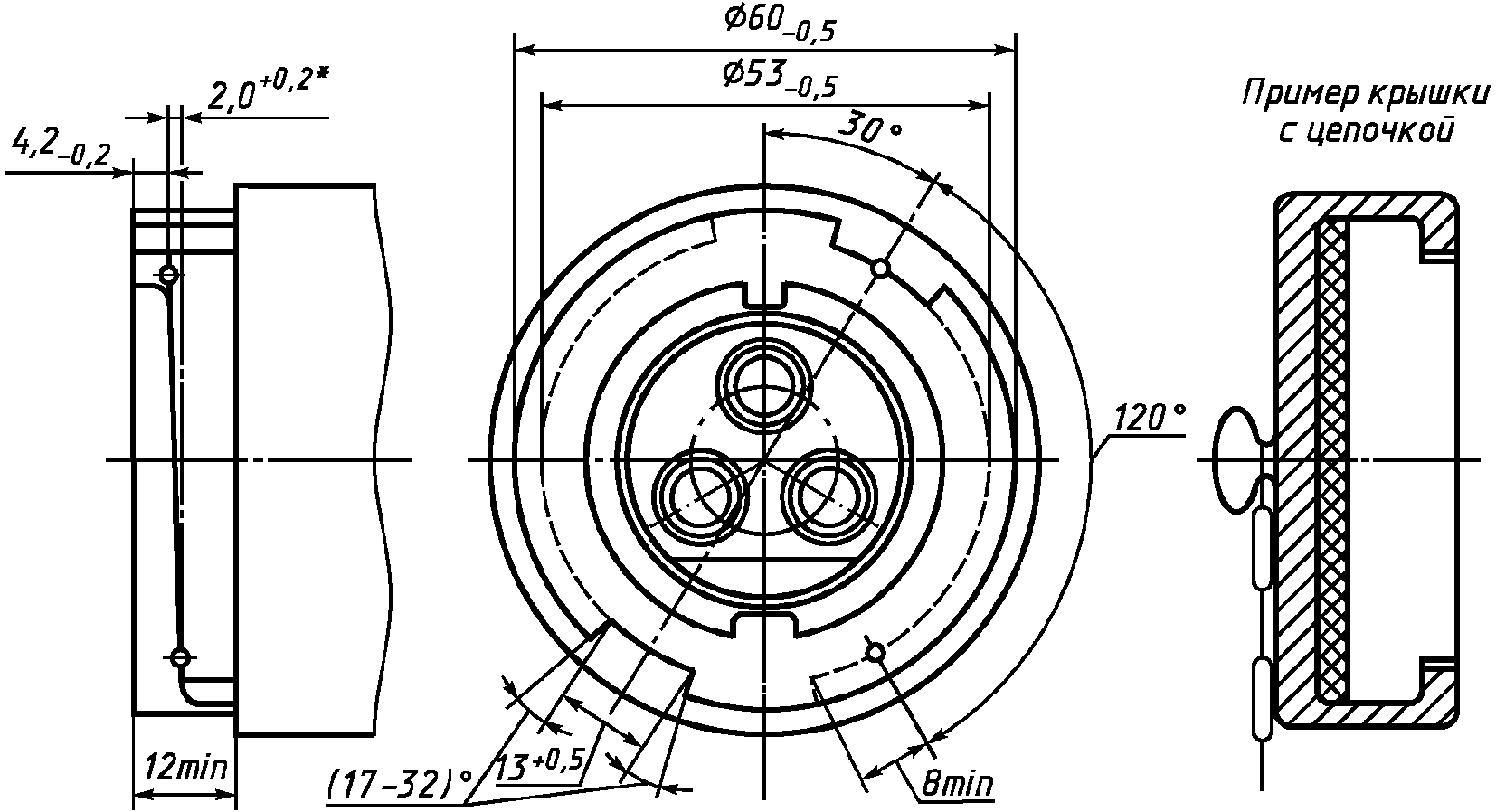
листу стандартизации 2 - II, снабженные байонетным кольцом, имеющим максимальные размеры, могли правильно вводиться под углом (30 +/- 3)° и поворачиваться максимально на 120°.
Рисунки не определяют конструкцию, за исключением указанных размеров.
Таблица 115
Размеры в миллиметрах
Номинальный ток, А | Тип | | | e | | -0,2 |
-0,5 | не менее |
16/20 | 2P +  | 60,0 | 53,0 | 8,0 | 12,0 | 4,2 |
3P +  | 68,0 | 60,0 | 10,0 |
3P + N +  | 76,0 | 68,0 | 12,0 |
32/30 | 2P +  | 82,0 | 72,0 | 12,0 | 14,0 | 6,2 |
3P +  |
3P + N +  | 89,0 | 79,0 | 15,0 |
--------------------------------
<*> Размер уклона должен соответствовать углу 120°.
Вилки и вводные устройства на токи 16/20 и 32/30 А
и номинальное рабочее напряжение св. 50 В
Расположение штырей
Вид спереди штырей вилок или вводных устройств
Таблица 116
Размеры в миллиметрах
Номинальный ток, А | Тип |  , не менее | | +/- 0,5 | | | | -0,075 | -0,09 | -1,0 |
номин. | пред. откл. | номин. | пред. откл. |
16/20 | 2P +  | 47,5 | 43,5 | -0,6 | 17,5 | 37,9 | | 11,0 | 10,0 | 5,0 | 7,0 | 37,0 |
3P +  | 53,5 | 49,5 | 21,5 | 42,8 |
3P + N +  | 60,5 | 56,1 | 26,5 | 48,8 |
32/30 | 2P +  | 61,5 | 57,3 | -0,8 | 25,0 | 49,7 | | 13,0 | 12,0 | 6,0 | 8,0 | 46,0 |
3P +  |
3P + N +  | 67,5 | 63,4 | 30,3 | 55,6 |
Продолжение таблицы 116
Размеры в миллиметрах
Номинальный ток, А | Тип | | | | +1,0 | | | | |
-1 | | | не более | не менее | не более | не менее | | | пред. откл. |
16/20 | 2P +  | 36,0 | 38,0 | 37,0 | 24,0 | 27,5 | 3,5 | 1,7 | 0,8 | 1,5 | 0,75 | 46,5 | 47,0 | -0,4 |
3P +  | 52,9 | 53,6 | -0,5 |
3P + N +  | 60,1 | 61,0 | -0,6 |
32/30 | 2P +  | 45,0 | - | 46,0 | 32,0 | 35,0 | 5,0 | 2,0 | 1,0 | 2,5 | 1,2 | 63,2 | -0,6 |
3P +  |
3P + N +  | 69,9 | -0,7 |
<1> Кольца, как показано на рисунке, требуются для соединителей на номинальное рабочее напряжение св. 500 В, но необязательны для других соединителей. <2> Для соединителей брызгозащищенного исполнения IP44. <3> Для соединителей водонепроницаемого исполнения IP67. <4> Для соединителей в металлических корпусах. <5> Для соединителей в корпусах из изоляционного материала. <6> Конец контактов может быть закруглен к наружной цилиндрической поверхности на расстоянии 1,5-кратного максимального значения  или максимального значения  . |
(продолжение 1)
Фиксирующее устройство для вилок и вводных устройств
брызгозащищенного исполнения IP44
Фиксирующее устройство должно иметь форму выступа или выемки в положении 12 ч.
Таблица 117
Размеры в миллиметрах
Номинальный ток, А | Тип | -2,0 | | | t | k |
номин. | пред. откл. | не более |
16/20 | 2P +  | 31,0 | 75,0 | 41,0 | -1,0 | 4,0 | 8,0 |
3P +  | 35,0 | 80,0 | 47,0 | 5,0 |
3P + N +  | 39,0 | 90,0 | 53,0 | 7,0 |
32/30 | 2P +  | 41,0 | 90,0 | 54,0 | -1,0 | 7,0 | 8,0 |
3P +  |
3P + N +  | 46,0 | 105,0 | 60,0 | -1,5 | 8,0 | 9,0 |
<*> Минимальное расстояние, требуемое для навесной крышки. |
(продолжение 2)
Фиксирующее устройство для вилок и вводных устройств
водонепроницаемого исполнения IP67
Фиксирующее устройство должно иметь форму байонетного кольца и выступа или выемки в положении 12 ч.
Рисунок не определяет конструкцию, за исключением указанных размеров.
Таблица 118
Размеры в миллиметрах
Номинальный ток, А | Тип | Выступ и выемка |
-2,0 | | | t | v |
номин. | пред. откл. | не менее |
16/20 | 2P +  | 31,0 | 75,0 | 38,0 | -1,0 | 4,0 | 8,0 |
3P +  | 35,0 | 80,0 | 44,0 | 5,0 |
3P + N +  | 39,0 | 90,0 | 50,0 | 7,0 |
32/30 | 2P +  | 41,0 | 90,0 | 51,0 | -1,0 | 7,0 | 8,0 |
3P +  |
3P + N +  | 46,0 | 105 | 57,0 | -1,5 | 8,0 | 9,0 |
Продолжение таблицы 118
Размеры в миллиметрах
Номинальный ток, А | Тип | Уплотняющая поверхность | Байонетное кольцо |
b | |  , не более | | r | +0,5 |  , не более |  , не более | f -0,5 |  , не более |
не менее | не менее |
16/20 | 2P +  | 3,0 | 50,8 | 44,8 | 28,6 | 6,7 | 53,5 | 73,0 | 60,5 | 12,0 | 22,0 |
3P +  | 3,5 | 57,9 | 50,9 | 32,6 | 7,2 | 60,5 | 81,0 | 68,5 | 16,0 | 24,0 |
3P + N +  | 4,0 | 65,8 | 57,8 | 36,9 | 7,7 | 68,5 | 89,0 | 76,5 | 19,0 | 26,0 |
32/30 | 2P +  | 4,6 | 69,5 | 59,1 | 40,1 | 8,2 | 72,5 | 95,0 | 82,5 | 19,0 | 30,0 |
3P +  |
3P + N +  | 5,3 | 76,6 | 65,2 | 43,4 | 9,0 | 79,5 | 102,0 | 89,5 | 22,0 | 32,0 |
<*> Минимальный воздушный зазор, требуемый для навесной крышки. |
Штепсельные и переносные розетки на токи 63/60 и 125/100 А
и номинальное рабочее напряжение св. 50 В
Без электрической блокировки
Отверстие во фронтальной поверхности обязательно для ввода штырей электрической блокировки вилок или вводных устройств.
Отверстия или выемки во фронтальной плоскости, если имеются, кроме контактных отверстий, должны иметь глубину не более 10 мм, за исключением отверстий для ввода штырей электрической блокировки (см.
сноску 2).
Штепсельные розетки с механической блокировкой должны иметь такую конструкцию, чтобы исключить угловое движение вилки, вставленной полностью.
Расположение контактных гнезд
Вид спереди контактных гнезд штепсельной
или переносной розетки
Стандартный лист 2 - IIIa
Штепсельные и переносные розетки на токи 63/60 и 125/100 А
и номинальное рабочее напряжение св. 50 В
С электрической блокировкой
Отверстия или выемки во фронтальной плоскости, если имеются, кроме контактных отверстий, должны иметь глубину не более 10 мм (исключение, см.
сноску 2).
Штепсельные розетки с механической блокировкой должны иметь такую конструкцию, чтобы исключить чрезмерное перемещение вилки, вставленной полностью, которое может превратить механическую блокировку в неэффективную.
Расположение контактных гнезд
Вид спереди контактных гнезд штепсельной
или переносной розетки
Таблица 119
Размеры в миллиметрах
Тип | Номинальный ток, А | +0,8 | -0,5 | +/- 0,5 | +0,1 |  , не менее | +0,6 | | +0,6 | |
2P +  , 3P +  , 3P + N +  | 63/80 | 71,0 | 60,0 | 36,5 | 16,6 | 15,1 | 9,0 | 8,0 | 11,0 | 10,0 |
125/100 | 83,0 | 71,0 | 42,5 | 21,0 | 19,0 | 11,0 | 10,0 | 14,0 | 12,0 |
Продолжение таблицы 119
Размеры в миллиметрах
Тип | Номинальный ток, А |  , не менее | +0,3 | -1,0 | | |  <1> | | |
не более | не менее | не более | не менее | не менее |
2P +  , 3P +  , 3P + N +  | 63/80 | 30,0 | 8,0 | 2,5 | 1,5 | 0,5 | 2,0 | 0,6 | 77,5 | 67,0 | 69,0 |
125/100 | 32,0 | 10,0 | 4,0 | 2,0 | 0,6 | 2,5 | 0,8 | 89,5 | 71,0 | 76,0 |
<1> Размеры  и  должны оставаться в заданных пределах на расстоянии 15 мм. Они могут быть более этих пределов, но не менее. <2> Размер  не должен превышать заданного предела ни в одной из точек по всей глубине и должен оставаться в заданных пределах на минимальную глубину 6 мм, за исключением максимально: - трех выемок - для аппаратов 2P +  ; - четырех выемок - для аппаратов 3P +  ; - пяти выемок - для аппаратов 3P + N +  , расположенных по окружности числом не более одной между соседними отверстиями контактных гнезд, каждая шириной не более 15 мм, включая кривизну. Отверстия глубже 10 мм в области выемок допускаются. <3> Размеры  и  относятся к штырям. Контактные гнезда необязательно могут быть круглыми. <4> Скос контактных гнезд может быть закругленным к внутренней цилиндрической поверхности в пределах 1,5-кратного максимального значения  или  . <5> Данный размер должен соответствовать нижеприведенной таблице. |
| | ИС МЕГАНОРМ: примечание. Нумерация таблиц дана в соответствии с официальным текстом документа. | |
Таблица 119
Глубина контактного отверстия  , мм, +1,0 | Тип аппарата |
63/60 А | 125/100 А |
21 | 21 | С электрической блокировкой |
21 или 40 | 21 или 40 | С механической блокировкой |
40 | Без блокировки |
Примечание. Для аппаратов типа 3P + N +

серии II, 2P + N +

, 12 ч глубина нулевого контакта должна быть меньше глубины фазных контактов, но больше глубины заземляющего контакта.
(продолжение 1)
Фиксирующее устройство для брызгозащищенных штепсельных
или переносных розеток исполнения IP44 на ток 63/60 А
Все типы
Крышка показана в защелкнутом положении
--------------------------------
<*> Размер уклона должен соответствовать углу 120°.
Фиксирующее устройство должно иметь форму байонетного уклона, а крышка должна быть такой, чтобы вилки и вводные устройства водонепроницаемого исполнения IP67, соответствующие
листам 2 - IV и
2 - IVa, снабженные байонетным кольцом, имеющим максимальные размеры, могли правильно вводиться под углом (30 +/- 3)° и поворачиваться максимально на 120°.
(продолжение 2)
Фиксирующее устройство для штепсельных
или переносных розеток водонепроницаемого исполнения IP67
на токи 63/60 и 125/100 А
--------------------------------
<*> Размер уклона должен соответствовать углу 120°.
Фиксирующее устройство должно иметь форму байонетного уклона, чтобы вилки и вводные устройства водонепроницаемого исполнения IP67, соответствующие
листам 2 - IV и
2 - IVa, снабженные байонетным кольцом, имеющим максимальные размеры, могли правильно вводиться под углом (30 +/- 3)° и поворачиваться максимально на 120°.
Рисунок не определяет конструкцию, за исключением указанных размеров.
Таблица 120
Размеры в миллиметрах
Тип | Номинальный ток, А | +1,0 -0,6 | +0,4 -0,6 | e, не менее |
2P +  , 3P +  , 3P + N +  | 63/60 | 95,5 | 84,5 | 13 |
125/100 | 108,5 | 97,5 | 16 |
Вилки и вводные устройства на токи 63/60 и 125/100 А
и номинальное рабочее напряжение св. 50 В
Без электрической блокировки
Расположение контактов
Вид спереди контактных вилок и вводных устройств
Вилки и вводные устройства на токи 63/60 и 125/100 А
и номинальное рабочее напряжение св. 50 В
С электрической блокировкой
Расположение контактов
Вид спереди контактов вилок и вводных устройств
Таблица 121
Размеры в миллиметрах
Тип | Номинальный ток, А |  , не менее | -0,8 | +/- 0,5 | | | | -0,9 | -0,11 |
номин. | пред. откл. | не более |
2P +  , 3P +  , 3P + N +  | 63/60 | 75,5 | 69,5 | 36,5 | 61,5 | +2 | 15,8 | 14,3 | 8,0 | 10,0 |
125/100 | 87,5 | 81,5 | 42,5 | 72,5 | +2,5 | 20,2 | 18,2 | 10,0 | 12,0 |
Продолжение таблицы 121
Размеры в миллиметрах
Тип | Номинальный ток, А |  , не менее | +0,3 | -1,0 | +2,0 | -1,0 |  <1>, не более | | | -0,6 |
не более | не менее | не более | не менее |
2P +  , 3P +  , 3P + N +  | 63/60 | 67,0 | 66,0 | 67,0 | 50,0 | 29,0 | 8,0 | 2,5 | 1,2 | 3,0 | 1,5 | 75,5 |
125/100 | 74,5 | 69,5 | 75,5 | 58,0 | 31,5 | 10,0 | 3,0 | 1,5 | 4,0 | 2,0 | 87,5 |
<1> Кольца, как показано на рисунке, требуются для соединителей на номинальное рабочее напряжение св. 500 В и необязательны для других соединителей. <2> Конец контактов может быть закруглен к наружной цилиндрической поверхности на расстоянии 1,5-кратного максимального значения  или максимального значения  . |
(продолжение 1)
Фиксирующее устройство для вилок и вводных устройств
брызгозащищенного исполнения IP44 на ток 63/60 А
Все типы
--------------------------------
<*> Минимальное расстояние, требуемое для навесной крышки.
Фиксирующее устройство должно иметь форму выступа или выемки в положении 12 ч.
(продолжение 2)
Фиксирующее устройство для вилок и вводных устройств
водонепроницаемого исполнения IP67 на токи 63/60 и 125/100 А
Все типы
--------------------------------
<*> Минимальное расстояние, требуемое для навесной крышки, применяется только для аппаратов на ток 63/60 А.
Фиксирующее устройство должно иметь форму байонетного кольца.
Рисунок не определяет конструкцию, за исключением указанных размеров.
Таблица 122
Размеры в миллиметрах
Тип | Номинальный ток, А | Уплотняющая поверхность | Байонетное кольцо |
 , не менее |  , не более | e, не менее | +0,6 -0,4 |  , не более |  , не менее | f -0,5 |  , не более |
2P +  , 3P +  , 3P + N +  | 63/60 | 81,5 | 71,5 | 46,8 | 86,0 | 114,0 | 98,0 | 22,0 | 32,0 |
125/100 | 93,5 | 83,5 | 53,3 | 99,0 | 131,0 | 111,0 | 27,0 | 35,0 |
Механическая блокировка для аппаратов на токи 16/20, 32/30,
63/60 и 125/100 А и номинальное напряжение св. 50 В
Рисунок не определяет конструкцию, за исключением указанных размеров.
Таблица 123
Размеры в миллиметрах
Номинальный ток, А | Тип | | |
номин. | пред. откл. | номин. | пред. откл. |
16/20 | 2P +  | 22,0 | +0,5 | 23,5 | -0,3 |
3P +  | 25,0 |
3P + N +  | 28,3 |
| | ИС МЕГАНОРМ: примечание. Значение в графе "Номинальный ток" дано в соответствии с официальным текстом документа. | |
|
16/20 | 2P +  | 29,0 | +0,7 | 31,5 | -0,5 |
3P +  |
3P + N +  | 32,1 |
63/60 | Все типы | 35,0 | +1 | 45,0 | -1 |
125/100 | 41,0 | +1 | 53,0 | -1 |
Стандартный лист 2 - VIII
Штепсельные и переносные розетки на токи 16/20 и 32/30 А
и номинальное рабочее напряжение до 50 В
Расположение контактных гнезд
Вид спереди контактных гнезд штепсельной
и переносной розеток
--------------------------------
<1> Данные размеры должны быть в заданных пределах на глубину 27 мм.
<2> Размер t составляет 10 мм для вспомогательного выступа из металла и 18 мм - из изоляционного материала.
<3> Данные размеры должны быть в заданных пределах на глубину t. Вне этих пределов они могут быть больше, но не меньше.
<4> Данный размер относится к контактам; контактные гнезда могут быть некруглыми.
Стандартный лист 2 - VIII
(продолжение 1)
Фиксирующее устройство для штепсельных розеток
и переносных розеток брызгозащищенного исполнения IP44
Крышка или защелка показана в защелкнутом положении
Для аппаратов брызгозащищенного исполнения IP44 фиксирующее устройство должно иметь форму крышки, так чтобы вилки и вводные устройства водонепроницаемого исполнения IP67, соответствующие
листу 2 - IX, снабженные байонетным кольцом, имеющим максимальные размеры, могли правильно вводиться и фиксироваться.
Стандартный лист 2 - VIII
(продолжение 2)
Фиксирующее устройство для штепсельных и переносных розеток
водонепроницаемого исполнения IP67
--------------------------------
<*> Размер уклона должен соответствовать углу 120°.
Фиксирующее устройство должно иметь форму байонетного уклона. Рисунки не определяют конструкцию, за исключением указанных размеров.
Вилки и вводные устройства на токи 16/20 и 32/30 А
и номинальное рабочее напряжение до 50 В
Расположение контактов
Вид спереди штырей вилки или вводного устройства
--------------------------------
<1> Данные размеры должны быть в заданных пределах на расстоянии:
26 мм - для аппаратов водонепроницаемого исполнения IP67;
23 мм - для прочих аппаратов.
<2> Для аппаратов исполнения IP67 эти размеры увеличивают на 3,0 мм.
(продолжение 1)
Фиксирующее устройство для вилок и вводных устройств
брызгозащищенного исполнения IP44
--------------------------------
<*> Минимальное расстояние, требуемое для навесной крышки.
Фиксирующее устройство должно иметь форму выступа или выемки в положении 12 ч.
(продолжение 2)
Фиксирующее устройство для вилок и вводных устройств
брызгозащищенного исполнения IP67
--------------------------------
<*> Минимальное расстояние, требуемое для навесной крышки.
Фиксирующее устройство должно иметь форму выступа или выемки в положении 12 ч.
Рисунок не определяет конструкцию, за исключением указанных размеров.
Столбчатые выводы
Для винтов с головками длина резьбы винта не должна быть меньше суммы диаметра проводникового канала и действующей длины резьбы в зажиме. Для других винтов длина резьбы не должна быть меньше суммы диаметра проводникового канала и заданной минимальной длины резьбы в зажиме.
Часть зажима, содержащая резьбовое отверстие, и часть зажима, к которой винтом прижимается провод, могут быть двумя отдельными частями, как в зажиме со скобой.
Форма проводникового канала может отличаться от показанных на рисунках при условии возможности вписания окружности, диаметр которой равен минимальному значению D.
Длину резьбы в зажиме измеряют от точки, где она впервые пересекается с отверстием для проводника.
Минимальное расстояние между зажимным винтом и концом полностью введенного проводника относится только к зажимам, в которых проводник не может пройти насквозь.
Рисунок не определяет конструкцию, за исключением указанных размеров.
Таблица 124
Размеры столбчатых выводов
Размеры в миллиметрах
Размер зажима | Минимальный диаметр проводникового канала, D | Минимальный номинальный диаметр резьбы, d | Максимальный зазор между частями, удерживающими проводник, e | Минимальная длина резьбы в зажиме, a | Минимальное расстояние между зажимным винтом и концом полностью введенного проводника |
Один винт | Два винта | Один винт | Два винта | Один винт | Два винта |
2 | 3,0 | | | 0,5 | 2,0 | 1,8 | 1,5 | 1,5 |
3 | 3,6 | 3,5 | 2,5 | 2,5 | 1,8 |
4 | 4,0 | 3,0 | 0,6 | 2,0 |
5 | 4,5 | 4,0 | 1,0 | 3,0 | 2,0 |
6 | 5,5 | 5,0 | 4,0 | 1,3 | 4,0 | 3,0 | 2,5 | 2,0 |
7 | 7,0 | 6,0 | 1,5 | 3,0 |
8 | 10,0 | - | 6,0 | - | - | 4,0 | - | 3,0 |
9 | 13,0 | 10,0 | 7,5 | <3> |
10 | 16,0 | <3> | <3> |
<1> Для резьбы BA данное значение снижают до 2,8 мм. <2> Если винты имеют номинальный диаметр резьбы 2,5 мм, необходимо использовать прижимную пластину для того, чтобы зазор между частями, удерживающими проводник, не превышал заданного значения. <3> Данные значения - на рассмотрении. |
Винтовые и болтовые выводы
A - фиксирующая часть; B - шайба или прижимная пластина;
C - приспособление, препятствующее выскальзыванию провода;
E - болт
Для всех болтовых зажимов необходимы промежуточные части, например шайбы, прижимные пластины или приспособления, препятствующие выскальзыванию проводников, если основание гайки некруглое. Такая промежуточная часть необходима для винтового зажима, если диаметр головки винта недостаточен для соответствия требованию относительно зазора между частями, удерживающими проводник.
Если промежуточная часть помещается между головкой винта или гайкой и проводником, минимальное значение длины резьбы винта или гайки увеличивают на толщину промежуточной части.
Часть, удерживающая проводник, к которой относится размер e, может быть из изоляционного материала при условии, что давление, необходимое для фиксации проводника, не передается через изоляционный материал.
Рисунок не определяет конструкцию, за исключением указанных размеров.
Таблица 125
Размеры винтовых и болтовых выводов
Размеры в миллиметрах
Размер зажима | Минимальный диаметр проводникового канала, D | Минимальный номинальный диаметр резьбы, d | Максимальный зазор между частями, удерживающими проводник, e | Минимальная длина резьбы |
фиксирующей части или гайки, a | винта или болта, l |
Один винт | Два винта | Один винт | Два винта |
2 | 2,0 | 3,5 | - | 1,5 | 1,5 | - | 4,5 |
3 | 2,7 | 4,0 | | 2,5 | 1,5 | 5,5 |
4 | 3,6 | 5,0 | 4,0 | 1,5 | 3,0 | 2,5 | 6,5 |
5 | 4,3 | 2,0 | 7,5 |
6 | 5,5 | 3,5 | 9,0 |
7 | 7,0 | 6,0 | 5,0 | 3,0 | 10,5 |
8 | 8,0 | 4,0 | 12,0 |
9 | <2> | 8,0 | <2> | <2> | 5,5 | <2> | 14,0 |
10 | 10,0 | 7,0 | 16,0 |
<1> Для резьбы BA данное значение снижают до 2,8 мм. <2> Данные значения - на рассмотрении. |
Выводы со скобой
A - скоба; B - фиксирующая часть; C - болт
Форма сечения канала для проводника может отличаться от показанной на рисунках, при условии, что в него можно вписать окружность диаметром, равным минимальному значению D.
Формы верхней и нижней поверхностей скобы могут быть разными для размещения проводников большого и малого поперечного сечения после перевертывания скобы.
Зажимы могут иметь более двух прижимных винтов или болтов.
Если нерезьбовая часть винта или болта меньше толщины скобы, тогда указанное минимальное значение длины резьбы винта или болта берут от скобы, которая находится в контакте с головкой винта в винтовых зажимах или с фиксирующей частью в болтовых зажимах.
Рисунок не определяет конструкцию, за исключением указанных размеров.
Таблица 126
Размеры выводов со скобой
Размеры в миллиметрах
Размер зажима | Минимальный диаметр проводникового канала, D | Минимальный номинальный диаметр резьбы, d | Минимальная длина резьбы |
фиксирующей части или гайки, a | винтов или болтов, l |
3 | 3,0 | | 1,5 | 5,0 |
4 | 4,0 | 3,5 | 6,0 |
5 | 4,5 | 4,0 | 2,5 | 7,0 |
6 | 5,5 | 8,0 |
7 | 7,0 | 5,0 | 3,0 | 10,0 |
<*> Для резьбы BA данное значение снижается до 2,8 мм. |
Стандартный лист 2 - XIII
Выводы для кабельных наконечников и шин
A - блокирующее устройство; B - кабельный наконечник
или шина; E - фиксирующая часть; F - болт
Для зажима этого типа должна быть предусмотрена пружинная шайба или равноценное устройство не меньшей эффективности.
Вокруг винта или отверстия для крепления кабельных наконечников или шин должна быть предусмотрена фиксирующая прокладка с гладкой контактной поверхностью; это пространство достаточно для размещения прямоугольной калиброванной планки, указанной в 11.7.
Если нерезьбовая часть винта или болта меньше толщины равноценного устройства, тогда указанное минимальное значение длины резьбы винта или болта соответственно увеличивают.
Рисунок не определяет конструкцию, за исключением указанных размеров.
Таблица 127
Размеры выводов для кабельных наконечников
Размеры в миллиметрах
Размер зажима | Минимальный номинальный диаметр резьбы, d | Минимальная длина резьбы | Максимальная толщина размещаемого наконечника или шины, c | Минимальное расстояние от центра винта или отверстия до стороны прямоугольного фиксирующего пространства, g |
фиксирующей части или гайки, a | винта или болта, l |
6 | 5,0 | 3,0 | 10,0 | 6,0 | 10,0 |
7 | 6,0 | 3,5 | 12,0 | 8,0 | 12,0 |
Эксцентриситет между центрами

и

должен быть не более 0,05 мм
Должна быть возможность вставить соответствующий калибр в штепсельную или переносную розетки.
Рисунок 101. Штепсельные розетки и переносные розетки
на токи 16/20, 32/30, 63/60 и 125/100 А и номинальное
рабочее напряжение св. 50 В. Проходные калибры
для проверки размеров

,

,

Таблица 128
Размеры к рисунку 101
Размеры в миллиметрах
Тип | -0,05 | +0,05 | -0,05 | R -0,025 |  , не менее |
16/20 А - 2P +  | 44,3 | 36,0 | 47,5 | 3,3 | 38 |
16/20 А - 3P +  | 50,4 | 40,8 | 54,0 |
16/20 А - 3P + N  | 57,3 | 46,4 | 61,3 |
32/30 А - 2P + 3P +  | 58,6 | 47,0 | 64,6 | 48 |
63/60 А - 3P + N +  | 64,7 | 52,9 | 71,2 |
16/20 А | 71,0 | 60,0 | 77,5 | 4,8 | 69 |
125/100 А | 83,0 | 71,0 | 89,5 | 76 |
Исключается возможность вставить калибры A и B
в штепсельную или переносную розетку
Рисунок 102. Штепсельные и переносные розетки на токи
16/20, 32/30, 63/60 и 125/100 А и номинальное рабочее
напряжение св. 50 В. Непроходные калибры для проверки
размеров

,

Таблица 129
Размеры калибра рисунка 102
Размеры в миллиметрах
Тип | Калибр A | Калибр B |
+0,05 | +0,5 | -0,5 | -0,05 |
16/20 А - 2P +  | 44,73 | 37,0 | 43,3 | 34,47 |
16/20 А - 3P +  | 50,93 | 41,8 | 49,4 | 39,27 |
16/20 А - 3P + N  | 57,93 | 47,4 | 56,3 | 44,87 |
32/30 А - 2P + 3P +  | 59,23 | 48,0 | 57,6 | 45,47 |
63/60 А - 3P + N +  | 65,33 | 53,9 | 63,7 | 51,37 |
16/20 А | 71,83 | 61,0 | 70,0 | 58,47 |
125/100 А | 83,83 | 72,0 | 82,0 | 69,47 |
1 - центральная ось калибра; 2 - калибр для проверки
штепсельной или переносной розеток; 3 - штепсельная
или переносная розетки; 4 - центральная ось
штепсельной или переносной розетки
Рисунок 103. Устройство для проверки посредством
непроходного калибра штепсельных и переносных розеток
на токи 16/20, 32/30, 63/60 и 125/100 А и номинальное
рабочее напряжение св. 50 В
Эксцентриситет между центрами

и

должен быть не более 0,05 мм
Рисунок 104. Калибры для проверки штепсельных
или переносных розеток на токи 16/20, 32/30, 63/60
и 125/100 А и номинальное рабочее напряжение св. 50 В
Рисунок 105. Калибр для проверки фазных гнезд
1 - штыревой калибр; 2 - главная часть штепсельной
или переносной розеток
Рисунок 106. Испытание фазного гнезда
Таблица 130
Размеры в миллиметрах
Тип | Калибр |
-0,05 | +0,1 | -0,03 | +0,1 | -0,05 | b +/- 0,1 | R -0,1 |
16/20 А - 2P +  | 42,9 | 39,4 | 6,91 | 2,2 | 46,1 | 1,4 | 2,8 |
16/20 А - 3P +  | 48,9 | 44,3 | 52,4 | 1,5 |
16/20 А - 3P + N  | 55,5 | 50,3 | 59,5 | 1,6 |
32/30 А - 2P + 3P +  | 56,5 | 51,3 | 7,91 | 2,5 | 62,6 | 2,5 |
63/60 А - 3P + N +  | 62,6 | 57,2 | 69,2 | 2,7 |
16/20 А | 68,7 | 63,5 | 9,89 | 3,0 | 74,9 | 2,45 | 3,8 |
125/100 А | 80,7 | 75,0 | 11,89 | 4,0 | 86,9 | 2,45 |
Эксцентриситет между центрами

и

должен быть не более 0,05 мм
Должна быть возможность вставить в соответствующий калибр вилку или вводное устройство.
Рисунок 107. Вилки и вводные устройства на токи 16/20,
32/30, 63/60 и 125/100 А и номинальное рабочее напряжение
св. 50 В. Проходные калибры для проверки размеров

,

,

Таблица 131
Размеры калибра рисунка 107
Размеры в миллиметрах
Тип | Калибр |
+0,05 | -0,05 | | +0,05 | R +0,25 |
| | |
16/20 А - 2P +  | 43,5 | 37,9 | 37,05 | 46,5 | 47,0 | 3,2 |
16/20 А - 3P +  | 49,5 | 42,8 | 52,9 | 53,6 |
16/20 А - 3P + N  | 56,1 | 48,8 | 60,1 | 61,0 |
32/30 А - 2P + 3P +  | 57,3 | 49,7 | 46,05 | 63,2 |
63/60 А - 3P + N +  | 63,4 | 55,6 | 69,9 |
16/20 А | 69,5 | 61,5 | 67,05 | 75,5 | 4,2 |
125/100 А | 81,5 | 72,5 | 75,55 | 87,5 |
-------------------------------- <1> Для аппаратов в металлических оболочках (МО). <2> Для аппаратов в оболочках из изоляционного материала (ИМ). |
Исключается возможность вставить в соответствующий калибр
вилку или вводной устройство
Рисунок 108. Вилки и вводные устройства на токи 16/20,
32/30, 63/60 и 125/100 А и номинальное рабочее напряжение
св. 50 В. Непроходные калибры для проверки размеров

,

Таблица 132
Размеры калибра рисунка 108
Размеры в миллиметрах
Тип | Калибр A | Калибр B |
-0,05 | +0,05 |
| |
16/20 А - 2P +  | 42,87 | 39,83 | 39,43 |
16/20 А - 3P +  | 48,87 | 44,73 | 44,33 |
16/20 А - 3P + N  | 55,47 | 50,73 | 50,33 |
32/30 А - 2P + 3P +  | 56,47 | 51,63 | 51,33 |
63/60 А - 3P + N +  | 62,57 | 57,53 | 57,23 |
16/20 А | 68,67 | 63,53 |
125/100 А | 80,67 | 75,03 |
-------------------------------- <1> Для аппаратов в металлических оболочках (МО). <2> Для аппаратов в оболочках из изоляционного материала (ИМ). |
Размеры d1 и d2 те же, что в соответствующих штепсельных
и переносных розетках
Рисунок 109. Непроходные калибры для проверки вилок
и вводных устройств на токи 16/20, 32/30, 63/60 и 125/100 А
и номинальное рабочее напряжение св. 50 В
При введении соответствующего калибра в штепсельную
или переносную розетки упорная поверхность калибра должна
соприкасаться с фронтальной поверхностью фланца штепсельной
или переносной розеток
Рисунок 110. Штепсельные или переносные розетки
на токи 16/20 и 32/30 А и номинальное рабочее напряжение
не более 50 В. Калибры для проверки взаимозаменяемости
Исключается возможность вставить калибр A в штепсельную
или переносную розетки. Исключается возможность вставить
калибр B в правильное положение во фланец штепсельной
или переносной розеток
Рисунок 111. Штепсельные или переносные розетки
на токи 16/20 и 32/30 А и номинальное рабочее напряжение
не более 50 В. Калибры для проверки прочности оболочки
из термопластичного материала в теплых
и влажных условиях
Должна быть возможность вставить соответствующий калибр
без приложения чрезмерного усилия в вилку или вводное
устройство так, чтобы фронтальная поверхность калибра
вошла в контакт с упорной поверхностью вилки
или вводного устройства
Рисунок 112. Вилки и вводные устройства на токи 16/20
и 32/30 А и номинальное рабочее напряжение не более 50 В.
Калибры для проверки взаимозаменяемости
В любом положении вставки исключается возможность
вставить калибр в правильном положении поверх фланца вилки
или вводного устройства
Рисунок 113. Вилки и вводные устройства на токи
16/20 и 32/30 А и номинальное рабочее напряжение
не более 50 В. Калибры для проверки прочности оболочек
из термопластичного материала во влажных и теплых условиях
Исключается возможность прикосновения к фазному контакту
штепсельной или переносной розеток только одним
штырем калибра
Рисунок 114. Штепсельные и переносные розетки в оболочках
из эластичного или термопластичного материала. Калибр
для проверки невозможности однополюсного ввода
двухполюсных вилок на ток 10/16 А
и напряжение 250 В
1 - опора; 2 - образец; 3 - испытательная вилка;
4 - дополнительный скользящий груз; 5 - основной груз
Рисунок 115. Установка для проверки усилия расчленения
(справочное)
СВЕДЕНИЯ О СООТВЕТСТВИИ МЕЖГОСУДАРСТВЕННЫХ СТАНДАРТОВ
ССЫЛОЧНЫМ МЕЖДУНАРОДНЫМ
Таблица ДА.1
Обозначение и наименование международного стандарта | Степень соответствия | Обозначение ссылочного межгосударственного стандарта |
МЭК 60529-99. Степени защиты, обеспечиваемые оболочками (код IP) | NEQ | ГОСТ 14254-96. Степени защиты, обеспечиваемые оболочками (код IP) |
МЭК 60309-1-99. Вилки, штепсельные розетки и соединительные устройства промышленного назначения - Часть 1: Общие требования | MOD | ГОСТ 30849.1-2002. Вилки, штепсельные розетки и соединительные устройства промышленного назначения. Часть 1. Общие требования |
| | ИС МЕГАНОРМ: примечание. ГОСТ Р 50030.3-99 утратил силу с 1 января 2013 года в связи с введением в действие ГОСТ Р 50030.3-2012 (Приказ Росстандарта от 13.12.2011 N 298-ст). | |
|
МЭК 60947-3-99. Коммутационная аппаратура управления и распределения низковольтная - Часть 3: Выключатели, разъединители, выключатели-разъединители и комбинации их с предохранителями | MOD | ГОСТ Р 50030.3-99. Коммутационная аппаратура управления и распределения низковольтная. Часть 3. Выключатели, разъединители, выключатели-разъединители и комбинации их с предохранителями |
Примечание. В настоящей таблице использованы следующие условные обозначения степени соответствия стандартов: - MOD - модифицированные стандарты; - NEQ - неэквивалентные стандарты. |
| МЭК 60617-2-83 | Графические обозначения для схем. Часть 2. Элементы обозначений, определяющие обозначения и другие обозначения, имеющие общее применение. |