Главная // Актуальные документы // ГОСТ Р (Государственный стандарт)СПРАВКА
Источник публикации
М.: ИПК Издательство стандартов, 2000
Примечание к документу
Документ утратил силу с 1 января 2014 года в связи с изданием
Приказа Росстандарта от 15.11.2012 N 835-ст. Взамен введен в действие
ГОСТ 30849.2-2002.
Документ включен в
Перечень документов в области стандартизации, в результате применения которых на добровольной основе обеспечивается соблюдение требований Федерального
закона от 27.12.2009 N 347-ФЗ "Технический регламент о безопасности низковольтного оборудования (
Приказ Росстандарта от 14.09.2010 N 3546).
Документ включен в
Перечень национальных стандартов, содержащих правила и методы исследований (испытаний) и измерений, в том числе правила отбора образцов, необходимых для применения и исполнения Федерального
закона от 27.12.2009 N 347-ФЗ и осуществления оценки соответствия (
Распоряжение Правительства РФ от 29.07.2010 N 1284-р).
С 1 июля 2003 года до вступления в силу технических регламентов акты федеральных органов исполнительной власти в сфере технического регулирования носят рекомендательный характер и подлежат обязательному исполнению только в части, соответствующей целям, указанным в
пункте 1 статьи 46 Федерального закона от 27.12.2002 N 184-ФЗ.
Документ
введен в действие с 1 января 2001 года.
Взамен ГОСТ 29146.2-90 (МЭК 309-2-88).
Название документа
"ГОСТ Р 51323.2-99 (МЭК 60309-2-99). Государственный стандарт Российской Федерации. Вилки, штепсельные розетки и соединительные устройства промышленного назначения. Часть 2. Требования к взаимозаменяемости размеров штырей и контактных гнезд соединителей"
(принят и введен в действие Постановлением Госстандарта России от 20.12.1999 N 555-ст)
"ГОСТ Р 51323.2-99 (МЭК 60309-2-99). Государственный стандарт Российской Федерации. Вилки, штепсельные розетки и соединительные устройства промышленного назначения. Часть 2. Требования к взаимозаменяемости размеров штырей и контактных гнезд соединителей"
(принят и введен в действие Постановлением Госстандарта России от 20.12.1999 N 555-ст)
Принят и введен в действие
Постановлением Госстандарта России
от 20 декабря 1999 г. N 555-ст
ГОСУДАРСТВЕННЫЙ СТАНДАРТ РОССИЙСКОЙ ФЕДЕРАЦИИ
ВИЛКИ, ШТЕПСЕЛЬНЫЕ РОЗЕТКИ И СОЕДИНИТЕЛЬНЫЕ УСТРОЙСТВА
ПРОМЫШЛЕННОГО НАЗНАЧЕНИЯ
ЧАСТЬ 2
ТРЕБОВАНИЯ К ВЗАИМОЗАМЕНЯЕМОСТИ РАЗМЕРОВ ШТЫРЕЙ
И КОНТАКТНЫХ ГНЕЗД СОЕДИНИТЕЛЕЙ
Plugs, socket-outlets and couplers for industrial purposes.
Part 2. Dimensional interchangeability requirements
for pin and contact-tube accessories
ГОСТ Р 51323.2-99
(МЭК 60309-2-99)
Дата введения
1 января 2001 года
1. Разработан Акционерным обществом открытого типа "НИИЭлектроаппарат".
Внесен Техническим комитетом по стандартизации ТК 330 "Электроустановочные изделия".
2. Принят и введен в действие Постановлением Госстандарта России 20 декабря 1999 г. N 555-ст.
3. Настоящий стандарт представляет собой аутентичный текст международного стандарта МЭК 60309-2 (1999-04), издание 4.0 "Вилки, штепсельные розетки и соединительные устройства промышленного назначения. Часть 2. Требования к взаимозаменяемости размеров штырей и контактных гнезд соединителей" с дополнительными требованиями, учитывающими потребности экономики страны.
4. Введен впервые.
Настоящий стандарт представляет собой аутентичный текст Международного стандарта МЭК 60309-2 (1999-04), издание 4.0 "Вилки, штепсельные розетки и соединительные устройства промышленного назначения. Часть 2. Требования к взаимозаменяемости размеров штырей и контактных гнезд соединителей".
Стандарт разработан для применения на территории Российской Федерации взамен межгосударственного стандарта ГОСТ 29146.2-90 (МЭК 309-2-88).
Стандарт отличается от ГОСТ 29146.2-90, в основном, введением требований по устойчивости и воздействию токов короткого замыкания
(раздел 29) и электромагнитной совместимости
(раздел 30).
Требования настоящего стандарта дополняют или изменяют соответствующие пункты
ГОСТ Р 51323.1-99.
Настоящий стандарт изменяет, дополняет или заменяет соответствующие требования, виды испытаний, разъяснения и т.д.
ГОСТ Р 51323.1.
В настоящем стандарте пункты, подпункты, таблицы и рисунки, дополняющие
ГОСТ Р 51323.1, имеют нумерацию, начиная со 101.
Замена
Настоящий стандарт распространяется на штепсельные соединители, кабельные соединители и вводные соединители промышленного назначения (далее - соединители) на номинальное рабочее напряжение не более 690 В постоянного и переменного тока частотой до 500 Гц и номинальный ток не более 125 А, применяемые для установки внутри и снаружи помещений.
Примечание. Требования
ГОСТ Р 51323.1 на соединители с номинальным током более 125 А на соединители по настоящему стандарту не распространяются.
Стандарт распространяется на соединители с контактами стандартной формы.
Настоящий стандарт распространяется на соединители, применяемые при температуре окружающей среды от минус 25 до плюс 40 °C.
Допускается применение соединителей по настоящему стандарту в строительстве, торговле, сельском хозяйстве и быту.
Стандарт распространяется на штепсельные розетки и вводные устройства, встраиваемые или устанавливаемые на электрооборудовании.
Настоящий стандарт также касается соединителей, предназначенных для использования в установках сверхнизкого напряжения.
Примечание. Настоящий стандарт не распространяется на соединители исключительно бытового или аналогичного общего назначения.
Для применения в специальных условиях, например на судах или во взрывоопасных средах, могут понадобиться дополнительные требования.
Изменение
3.101. Переключатель фаз: вилка или вводное устройство с органом управления для переключения положения двух фазных штырей без отсоединения проводников.
4.101. Если при испытаниях используют калибры, то они должны быть из закаленной стали, углы должны быть слегка закруглены максимальным радиусом не более 0,1 мм, поверхность калибров должна иметь шероховатость 0,8 мкм, если не установлено иное.
В настоящем стандарте:
2P +

распространяется также на 1P + N +

;
3P +

распространяется также на 2P + N +

, если не оговорено иное.
5. Стандартные номинальные значения
Стандартные значения номинальных токов приведены в таблице 101.
Таблица 101
В амперах
┌─────────────────────────────────┬──────────────────────────────┐
│ Серия I │ Серия II │
├─────────────────────────────────┼──────────────────────────────┤
│ 16 │ 20 │
├─────────────────────────────────┼──────────────────────────────┤
│ 32 │ 30 │
├─────────────────────────────────┼──────────────────────────────┤
│ 63 │ 60 │
├─────────────────────────────────┼──────────────────────────────┤
│ 125 │ 100 │
└─────────────────────────────────┴──────────────────────────────┘
IP44 - брызгозащищенные;
IP67 - водонепроницаемые.
В новых разработках должны быть использованы степени защиты по
ГОСТ 14254.
Примечание исключить.
Дополнение
Символ, указывающий положение заземляющего контакта или дополнительного ключа (выступа или выемки), располагают перед или над цифрой, обозначающей номинальное рабочее напряжение, и отделяют от нее линией.
Эти обозначения располагают после маркировки номинального тока, отделяя от нее тире, если символ, указывающий положение заземляющего контакта или дополнительного ключа (выступа или выемки), и цифра, указывающая номинальное рабочее напряжение, разделены косой чертой.
Если используют символ, обозначающий род тока, то его помещают после или под маркировкой номинального рабочего напряжения.
В трехфазных соединителях нет необходимости в обозначении напряжения между фазой и нейтралью, если она имеется.
Обозначение номинального тока или токов, положение заземляющего контакта или дополнительного ключа, номинального рабочего напряжения или напряжений и рода тока может быть следующим:
Серия I
16 А - 9 ч/400 В ~ или 16 - 9 ч/400 ~, или 16 -

,
или
16 А - 9 ч/380 - 415 В ~ или 16 - 9 ч/380 - 415 ~, или 16 -

,
32 А - 6 ч/230/400 В ~ или 32 - 6 ч/230/400 ~, или 32 -

,
или
32 А -

или 32 -

, или 32 -

.
Серия II
20 А - 7 ч/480 В a.c. или 20 А - 7 ч/480 ~, или 20 А -

,
30 А - 7 ч/480 В, 3 фазы или 30 А - 7 ч/480, 3Ф, или 30 А -

,
60 А - 7 ч/277/480 В, 3 фазы Y, или 60 А - 7 ч/277/480, 3ФY, или 60 А -

.
Допускается обозначение переменного тока (~) и постоянного тока (

или

) после значений тока (МЭК 60617-2) [1].
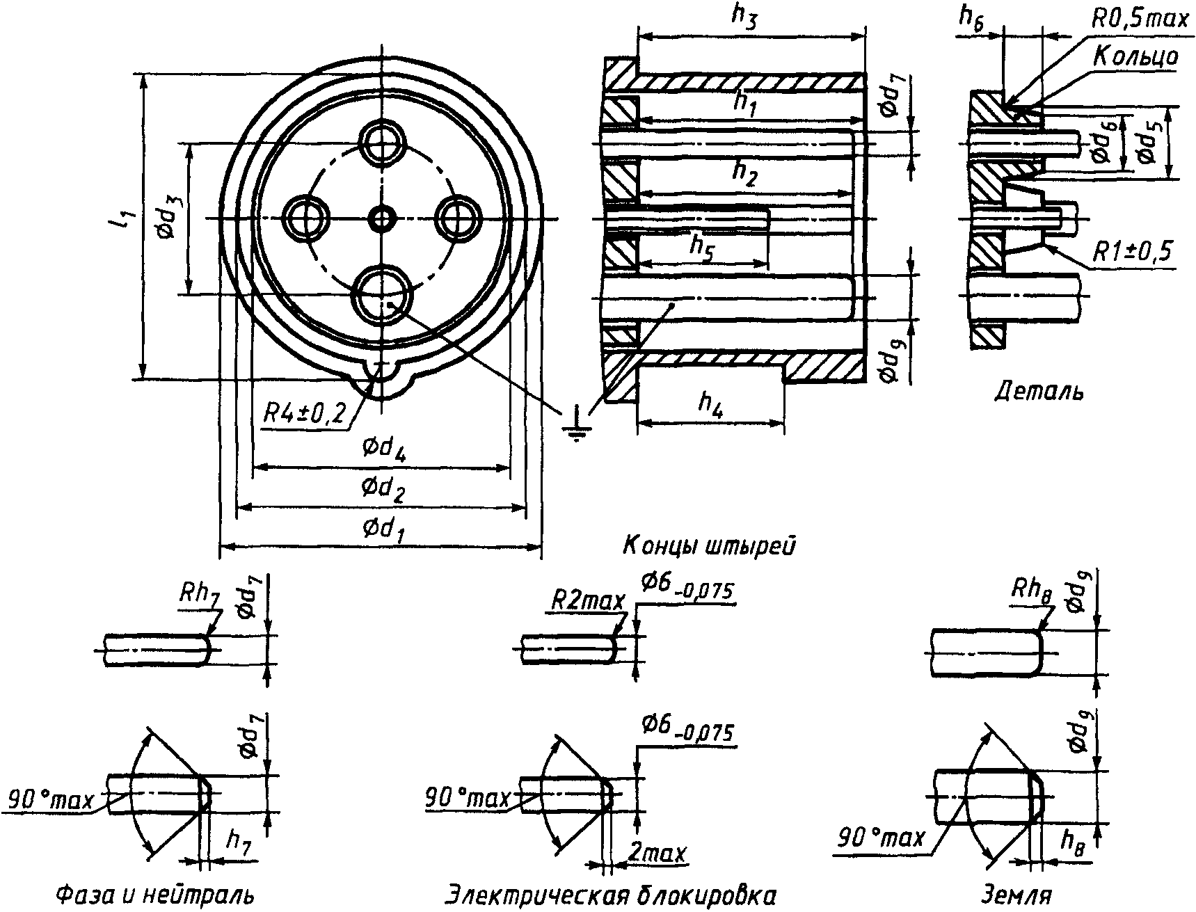
Для соединителей на номинальное рабочее напряжение св. 50 В символ, указывающий положение заземляющего контакта, должен состоять из цифры с буквой "ч".
Цифра соответствует положению заземляющего гнездового контакта по часовому циферблату. Ключ (выемка) должен соответствовать положению 6 ч при виде спереди на штепсельную или переносную розетку.
Для соединителей на номинальное рабочее напряжение до 50 В символ, указывающий положение дополнительного ключа, должен также состоять из цифры с буквой "ч".
Цифра соответствует положению дополнительного ключа по часовому циферблату. Основной ключ должен соответствовать положению 6 ч при виде спереди на штепсельную или переносную розетку.
Для вилок и вводных устройств символ, указывающий положение заземляющего контакта или дополнительного ключа, должен быть таким же, как для штепсельной или переносной розетки.
Контактные гнезда штепсельных и переносных розеток должны располагаться в направлении по часовой стрелке или при виде спереди, как указано в стандартных листах (см. также 7.5).
Контакты вилок и вводных устройств должны располагаться в направлении против часовой стрелки при виде спереди.
Исключить абзац:
IPXX (соответствующие цифры)........ степень защиты по
ГОСТ 14254.
Дополнить абзацем:
IP44, IP67............ степени защиты по
ГОСТ 14254.
Для вилок и переносных розеток маркировка, указанная в 7.1, должна быть легко различимой, когда к соединителю подсоединены проводники и он готов к эксплуатации.
Маркировка напряжения по изоляции должна наноситься на основную часть; она не должна быть видимой, когда соединитель установлен и подсоединен как при нормальной эксплуатации.
Примечания. 1. Термин "готов к эксплуатации" не означает, что вилка или розетка сочленена с ответной частью.
2. Термин "основная часть" вилки или переносной розетки обозначает часть, несущую контакты.
Соответствие проверяют осмотром.
Для разборных соединителей контакты обозначают следующими символами:
- для соединителей с тремя контактами (фаза + нейтраль + земля или фаза + фаза + земля):
L/+, без маркировки,

или L/+, без маркировки,

за исключением соединителей серии II в положениях 4 и 5 ч, которые маркируют:
N, без маркировки,

или N, без маркировки,

;
- для соединителей с четырьмя контактами (три фазы + земля):
L1, L2, L3,

или L1, L2, L3,

или 1, 2, 3,

, или 1, 2, 3,

, за исключением соединителей серии II в положении 12 ч (фаза + центральное отверстие + фаза + земля), которые маркируют:
L1, N, L2,

или L1, N, L2,

;
- для соединителей с пятью контактами (три фазы + нейтраль + земля);
L1, L2, L3, N,

, или L1, L2, L3, N,

, или 1, 2, 3, N,

, или 1, 2, 3, N,

;
- временно вместо маркировки L1, L2, L3 можно использовать маркировку R1, S2, T3.
Эти обозначения размещают у соответствующих выводов; их не следует наносить на винты, съемные шайбы или другие съемные части.
Для переключателя фаз в одном его положении эти обозначения должны отвечать требованиям 7.1, в другом - маркировка фазы может не соответствовать.
Примечание. Зажимы для блок-контактов не требуют маркировки.
Цифры с буквами можно записывать как индекс. Рекомендовано, где это удобно, использовать символ

.
Соответствие проверяют осмотром.
В соединителях серии II 2P + N + земля, в положении 12 ч следует использовать маркировку оранжевого цвета.
Соединители должны соответствовать следующим стандартным листам:
- соединители на номинальные рабочие напряжения св. 50 В:
16/20 А и 32/30 А ................................
листы 2-I и
2-II
механическая блокировка соединителей
от 16 до 125 А ...................................
лист 2-V
- соединители на номинальное рабочее напряжение не более 50 В и токи
Отклонения от размеров, указанных в листах стандартизации, допускаются только в случае, когда они имеют технические преимущества и не снижают требований по назначению и безопасности соединителей, соответствующих стандартным листам, особенно с точки зрения их взаимозаменяемости и незаменяемости.
Соответствие проверяют с помощью калибров или измерением размеров, не охватываемых калибрами:
- для соединителей на номинальное рабочее напряжение св. 50 В - по
рисункам 101 и
102 - для штепсельных и переносных розеток,
рисункам 107 и
108 - для вилок и вводных устройств;
- для соединителей на номинальное рабочее напряжение не более 50 В и токи 16/20 А и 32/30 А - по
рисункам 110,
112.
Калибры перемещают относительно центральной оси соединителя с усилием, указанным в таблице 102, прикладываемым в течение 1 мин.
Таблица 102
Усилия в ньютонах
┌──────────────┬──────────────────┬──────────────────┬────────────────────┐
│ Номинальное │Номинальный ток, А│ Максимальное │Максимальное усилие │
│ рабочее ├────────┬─────────┤ усилие для │ для непроходных │
│напряжение, В │Серия I │Серия II │проходных калибров│ калибров │
├──────────────┼────────┼─────────┼──────────────────┼────────────────────┤
│ До 50 │ 16 │ 20 │ 150 │ 30 │
│ ├────────┼─────────┤ │ │
│ │ 32 │ 30 │ │ │
├──────────────┼────────┼─────────┼──────────────────┼────────────────────┤
│ Св. 50 │ 16 │ 20 │ 60 │ 20 │
│ ├────────┼─────────┼──────────────────┼────────────────────┤
│ │ 32 │ 30 │ 90 │ 30 │
│ ├────────┼─────────┼──────────────────┼────────────────────┤
│ │ 63 │ 60 │ 165 │ 55 │
│ ├────────┼─────────┼──────────────────┼────────────────────┤
│ │ 125 │ 100 │ 240 │ 80 │
└──────────────┴────────┴─────────┴──────────────────┴────────────────────┘
Перед испытанием образец из изоляционного материала хранят в течение четырех недель при температуре (20 +/- 5) °C и относительной влажности от 45 до 75%.
Для соединителей на номинальные рабочие напряжения до 50 В положение дополнительного ключа должно соответствовать указанному в таблице 103.
Таблица 103
┌───────────────┬──────────────────┬──────────────────────────────────────┐
│ Номинальное │ Частота, Гц │ Положение выступа или выемки
<*> │
│ рабочее │ │ │
│ напряжение, В │ │ │
├───────────────┼──────────────────┼──────────────────────────────────────┤
│ От 20 до 25 │ 50 и 60 │ Выступ или выемка отсутствует │
├───────────────┤ ├──────────────────────────────────────┤
│ От 40 до 50 │ │ 12 │
├───────────────┼──────────────────┼──────────────────────────────────────┤
│ От 20 до 25 │ От 100 │ 4 │
│ и от 40 до 50 │ до 200 включ. │ │
│ ├──────────────────┼──────────────────────────────────────┤
│ │ 300 │ 2 │
│ ├──────────────────┼──────────────────────────────────────┤
│ │ 400 │ 3 │
│ ├──────────────────┼──────────────────────────────────────┤
│ │ Св. 400 │ 11 │
│ │ до 500 включ. │ │
│ ├──────────────────┼──────────────────────────────────────┤
│ │ Постоянный ток │ 10 │
├───────────────┴──────────────────┴──────────────────────────────────────┤
│ <*> Положение выступа или выемки обозначено соответствующей цифрой│
│(см. 7.1). │
└─────────────────────────────────────────────────────────────────────────┘
Для соединителей на номинальные рабочие напряжения св. 50 В положение заземляющего контакта должно соответствовать указанному в таблице 104.
Таблица 104
Соответствие проверяют осмотром.
Положения 1, 8 и 9 зарезервированы для будущей стандартизации. Из-за особенностей конструкции положения 5 - 7 не применяют.
Для соединителей на номинальное напряжение св. 50 В не должно быть возможно сочленение вилок или переносных розеток со штепсельными розетками или вводными устройствами с разными номинальными характеристиками или с разным сочетанием контактов.
Кроме того, конструкция соединителей должна исключать возможность соединения между:
- землей и/или блок-контактом и гнездовым контактом под напряжением или штыревым контактом под напряжением и землей и/или блок-контактом розетки;
- фазовыми штыревыми контактами и нейтральным гнездовым контактом, если имеется;
- нейтральным штыревым контактом и фазовым гнездовым контактом.
Соответствие проверяют осмотром, за исключением следующего.
В двух последних случаях соответствие не требуется между трехконтактными соединителями серий I и II, в положении 4 ч, поскольку они имеют взаимообратные положения контактов.
Примечание. Эти проблемные варианты применяют на практике уже много лет, однако решение еще не найдено.
Не должно быть возможно сочленение вилок со штепсельными или переносными розетками с разными положениями заземляющих контактов или дополнительных выступов.
Соответствие проверяют осмотром и испытаниями по методике, описанной ниже. Эти испытания проводят после выдерживания испытательных образцов из изоляционного материала при температуре (20 +/- 5) °C и относительной влажности от 45 до 75% в течение четырех недель.
Для соединителей в корпусах из термопластичного материала данное испытание проводят при температуре (35 +/- 2) °C, причем и соединители, и калибры должны иметь одинаковую температуру.
а) Проверка вилок и вводных устройств
Для вилок и вводных устройств на номинальное напряжение св. 50 В используют калибры по
рисунку 109.
Для вилок и вводных устройств на номинальное рабочее напряжение менее 50 В используют калибры по
рисунку 113.
Первое испытание (выступ)
Калибр (розетку), показанный на
рисунке 109, располагают перед вилкой таким образом, чтобы во время испытания выступ сочленялся приблизительно в середине нижней части фланца калибра.
Усилие F постепенно увеличивают так, чтобы полное усилие, указанное в таблице 105, достигалось в течение 15 с. После чего полное усилие прикладывают в течение 1 мин.
Номинальный ток, А Серия I/II | 16/20 | 32/30 | 63/60 | 125/100 |
Усилие F, Н | 175 | 210 | 385 | 560 |
Во время прикладывания усилия калибр не должен перемещаться более чем на 4 мм относительно фланца вилки или вводного устройства.
После испытания вилка или вводное устройство не должны иметь повреждений, ухудшающих дальнейшую эксплуатацию соединителя.
Эти усилия равны 1, 4-кратным требуемым расчленяющим усилиям.
Второе испытание (контакт заземления)
Усилие F прикладывают к контакту заземления таким же способом и такой же длительности, что и в предыдущем испытании.
После испытания вилка и вводное устройство должны соответствовать указанным на стандартных листах.
б) Проверка штепсельных и переносных розеток
Для штепсельных и переносных розеток на номинальное рабочее напряжение св. 50 В используют калибры по
рисунку 104.
Для штепсельных и переносных розеток на номинальное рабочее напряжение менее 50 В используют калибры по
рисунку 111.
Первое испытание (фланец)
Первое испытание проводят во всех возможных положениях, за исключением одного, соответствующего положению используемой штепсельной или переносной розетки.
Испытуемый образец закрепляют и удерживают таким образом, чтобы жесткость штепсельной или переносной розетки не изменилась.
Испытательное устройство должно соответствовать
рисунку 103.
Калибр, показанный на
рисунке 104, должен попасть одновременно в две противолежащие точки соединителя. Оси калибра и соединителя должны быть приблизительно параллельны, и выемка должна разделиться с каждой стороны на равные части.
Усилие F постепенно увеличивают, так чтобы полное усилие, приведенное в
таблице 105, достигалось в течение 15 с. Затем в течение 1 мин прикладывают полное усилие.
При прикладывании усилия калибр не должен перемещаться более чем на 4 мм относительно фланца штепсельной или переносной розетки.
После испытания штепсельная или переносная розетка не должны иметь повреждений, ухудшающих их дальнейшую эксплуатацию.
Второе испытание (гнезда)
Калибр не должен входить в фазное гнездо на расстояние более указанного в таблице 106, измеряемое от передней поверхности внутренней части (см.
рисунок 106). Используют те же усилия, прикладываемые с той же длительностью, и ту же методику, что и в предыдущем испытании.
Таблица 106
Номинальный ток, А Серия I/II | 16/20 | 32/30 | 63/60 | 125/100 |
Расстояние X, мм | 11 | 12,5 | 15 | 20 |
Испытание на соответствие для соединителей в оболочках из эластичного или термопластичного материала проводят вручную с помощью калибра, представленного на
рисунке 114.
Калибр прикладывают с усилием 200 Н в течение 1 мин.
Для соединителей в оболочках из термопластичного материала калибр прикладывают при температуре (35 +/- 2) °C, причем и соединитель, и калибр должны иметь одинаковую температуру.
Примечание. Для соединителей из твердых материалов, например металла, термореактивной смолы, керамического материала и т.п., соответствие определенным стандартным листам означает выполнение данного требования.
9. Защита от поражения электрическим током
Соответствие определенным стандартным листам гарантирует выполнение требования о недоступности контактов во время введения вилки или переносной розетки в ответную часть.
Соответствие определенным стандартным листам гарантирует выполнение данных требований.
Зажимы должны допускать подсоединение проводов с номинальными сечениями, указанными в таблице 107, провода обозначаются размерами зажимов, указанными в таблице 107.
Таблица 107
Размеры присоединяемых проводников
┌──────────────┬────────────────────────────────────────────┬──────────────────┐
│ Номинальные │ Внутренние соединения
<1> │ Внешнее │
│ параметры ├──────────────────────┬─────────────────────┤ заземляющее │
│ соединителя │ Гибкие проводники │ Одно- или │ подсоединение, │
│ │для вилок и переносных│ многопроволочные │ если имеется │
│ │ розеток
<2> │ проводники для │ │
├──────┬───────┼────────────────┬─────┤ штепсельных розеток │ │
│Напря-│Ток, А │ Одно- или │Раз- │
<2> │ │
│жение,├───┬───┤многопроволочные│мер │ │ │
│В │Се-│Се-│ проводники │за- │ │ │
│ │рия│рия│ для вводных │жима,│ │ │
│ │I │II │ устройств
<2> │мм │ │ │
│ │ │ ├───────┬────────┤ ├──────┬───────┬──────┼───┬───────┬──────┤
│ │ │ │ мм2 │AWG/MCM │ │ мм2 │AWG/MCM│Размер│мм2│AWG/MCM│Размер│
│ │ │ │ │
<3> │ │ │
<3> │зажи- │ │
<3> │зажи- │
│ │ │ │ │ │ │ │ │ма, мм│ │ │ма, мм│
├──────┼───┼───┼───────┼────────┼─────┼──────┼───────┼──────┼───┼───────┼──────┤
│До 50 │16 │20 │4,0 - │ 12 - 8 │ 6 │4,0 - │12 - 8 │ 5 │ - │ - │ - │
│ ├───┼───┤ 10,0│ │ │ 10,0│ │ │ │ │ │
│ │32 │30 │ │ │ │ │ │ │ │ │ │
├──────┼───┼───┼───────┼────────┼─────┼──────┼───────┼──────┼───┼───────┼──────┤
│Св. 50│16 │20 │1,0 - │16 - 12 │ 2 │1,5 - │16 - 12│ 3
<4>│ 6 │ 10 │ 4 │
│ │ │ │ 2,5│ │ │ 4,0│ │ │ │ │ │
│ ├───┼───┼───────┼────────┼─────┼──────┼───────┼──────┼───┼───────┼──────┤
│ │32 │30 │2,5 - │14 - 10 │ 5 │2,5 - │14 - 8 │ 5 │10 │ 8 │ 5 │
│ │ │ │ 6,0│ │ │ 10,0│ │ │ │ │ │
│ ├───┼───┼───────┼────────┼─────┼──────┼───────┼──────┼───┼───────┼──────┤
│ │63 │60 │6,0 - │ 10 - 6 │ 7 │6,0 - │10 - 4 │ 7 │25 │ 4 │ 7 │
│ │ │ │ 16,0│ │ │ 25,0│ │ │ │ │ │
│ ├───┼───┼───────┼────────┼─────┼──────┼───────┼──────┤ │ │ │
│ │125│100│16,0 - │ 6 - 2 │9
<5>│25,0 -│ 4 - 0 │9
<5> │ │ │ │
│ │ │ │ 50,0│ │ │ 70,0│ │ │ │ │ │
├──────┴───┴───┴───────┴────────┴─────┴──────┴───────┴──────┴───┴───────┴──────┤
│ <1> Зажимы для проводников блок-контактов, если имеются, должны │
│допускать подсоединение проводников такого же сечения, что и зажимы │
│для соединителей на 16 А и номинальное рабочее напряжение св. 50 В. │
│ <2> Классификация проводников соответствует МЭК 60228, раздел 2 [2]: │
│жесткие (класс 1), многопроволочные (класс 2), гибкие (класс 5). │
│ <3> Номинальная площадь поперечного сечения проводников указана │
│в квадратных миллиметрах. В настоящем стандарте значения AWG/MCM принимают │
│в квадратных миллиметрах. │
│ AWG (американский сортамент проводов) - система, в которой диаметр │
│проводов определяют в геометрической прогрессии от 36 до 0. │
│ MCM - единица измерения площади круга. 1 MCM = 0,5067 мм2. │
│ <4> Для столбчатых зажимов применяют размер 2 мм. │
│ <5> Временно не применяют. │
└──────────────────────────────────────────────────────────────────────────────┘
Зажимы должны соответствовать стандартным листам, как указано в 11.8 настоящего стандарта, и не подвергаться испытаниям по
11.8 и
11.9 ГОСТ Р 51323.1.
Первое испытание
Зажимы должны соответствовать стандартным листам, как указано ниже, за исключением
листов 2-X,
2-XI,
2-XII, где длина резьбы фиксирующей части/гайки или длина резьбы винта/болта может быть уменьшена при условии, что механическая прочность зажима достаточна, и по крайней мере два полных оборота каждого винта находятся в зацеплении, когда зажат проводник наиболее неблагоприятного поперечного сечения.
Лист 2-XIII - для зажимов для кабельных наконечников и шин.
Закрытые резьбовые зажимы с прижимом гайкой должны соответствовать
листу 2-X для размеров D и e. Зажимы типа столбчатых, но в которых отверстие для провода выполнено в виде прорези, обеспечивающей боковую установку проводника, должны соответствовать
листу 2-X, за исключением максимального зазора между частями, фиксирующими проводник в прорези, который должен соответствовать
листу 2-XI.
Если резьба требуемой длины в зажиме получена выдавливанием, то край опрессовки должен быть достаточно гладким, а длина резьбы должна превышать указанное минимальное значение не менее чем на 0,5 мм.
Соответствие проверяют осмотром и измерением, а для зажимов с частично снятой резьбой - испытанием по 11.9.
Максимальный зазор между частями, удерживающими проводник, проверяют с помощью стального калиброванного штыря, диаметр которого равен (e +/- 0,05) мм.
Для зажимов без прижимной пластины и аналогичных, соответствующих
листу 2-X, зажимной винт должен закручиваться до конца при отсутствии проводника. При этом должно быть невозможно введение калиброванного штыря между резьбовой частью винта и стенкой проводникового канала.
Для зажимов, соответствующих
листу 2-XI, и зажимов с прижимной пластиной или аналогичных, удовлетворяющих
листу 2-X, где невозможно введение калиброванного штыря в любом положении, если в зажим вводят проводник.
Для зажимов, соответствующих
листу 2-X, проводник имеет форму стержня диаметром, равным среднему поперечному сечению из диапазона, указанного для конкретного зажима, и плоский конец, перпендикулярный его оси.
Для зажимов, соответствующих
листу 2-XI, проводник одножильный и имеет диаметр D, как указано на стандартном листе для конкретного зажима.
Если проводник установлен, не должно быть возможно введение калиброванного штыря в направлении, параллельном оси проводника, в любой зазор, из которого могла бы выскользнуть проволока многопроволочного проводника.
Минимальное расстояние между зажимным винтом и концом полностью введенного проводника, которое указано на
листе 2-X, проверяют с помощью штыря, указанного выше, который должен войти в проводниковый канал и выйти за резьбовое отверстие на расстояние не менее минимального указанного расстояния.
Для зажимов с прижимной пластиной, соответствующих
листу 2-X, калиброванный штырь вводят в зазор между прижимной пластиной и стенкой проводникового канала.
Разрешаются минимальные допуски в сторону уменьшения от заданных минимальных значений номинального диаметра резьбы винта:
0,15 мм для винтов номинальным диаметром до 5 мм;
0,22 мм для винтов номинальным диаметром более 5 мм, но не более 10 мм;
0,27 мм для винтов номинальным диаметром св. 10 мм.
Данный подпункт не исключает применение зажимов других типов, не представленных на стандартных листах. Однако такие зажимы также должны соответствовать требованиям настоящего раздела, насколько это является оправданным и не исключает введение дополнительных требований.
Если резьбовая часть фиксирующей части или гайки уменьшена, общая длина винта с головкой должна быть соответственно увеличена.
Если один или более размеров превышают минимальные, указанные в листах стандартизации, то другие размеры не должны соответственно увеличиваться, но отклонения от приведенных размеров не должны ухудшать эксплуатационные качества зажима.
Второе испытание
В зажимы, соответствующие
листу 2-X, но с уменьшенной длиной резьбы, вводят проводник наименьшего поперечного сечения из указанных в
таблице 107, затягивают туго или вводят проводник наибольшего поперечного сечения из указанных в той же таблице, затягивают слабо. Выбирают наиболее неблагоприятные условия.
В зажимы, соответствующие
листам 2-XI или
2-XII, но с уменьшенной длиной резьбы, вводят проводник наибольшего поперечного сечения из указанных в
таблице 107, зажим затягивают слабо.
По крайней мере два витка резьбы должны быть зацеплены.
Затем в зажимах затягивают проводники наименьшего и наибольшего сечений из указанных в
таблице 107: жесткие (одно- или многопроволочные) для штепсельных розеток и вводных устройств, гибкие для вилок и переносных розеток, причем зажимные винты затягивают максимальным моментом, равным двум третям момента, указанного в
таблице 15 ГОСТ Р 51323.1. Каждый проводник подвергают натяжению с силой, указанной в таблице 108. Натяжение прикладывают без рывков в течение 1 мин в направлении оси проводникового канала.
Таблица 108
Размер зажима, мм | 2 | 3 | 4 | 5 | 6 | 7 | 8 | 9 | 10 |
Сила натяжения, Н | 50 | 50 | 60 | 80 | 90 | 100 | 120 | 150 | 200 |
Во время испытания провод не должен заметно перемещаться в зажиме.
Примечание. Для зажимов с размерами 8, 9, 10 мм значение силы натяжения временное.
12. Блокировка и фиксирующие устройства
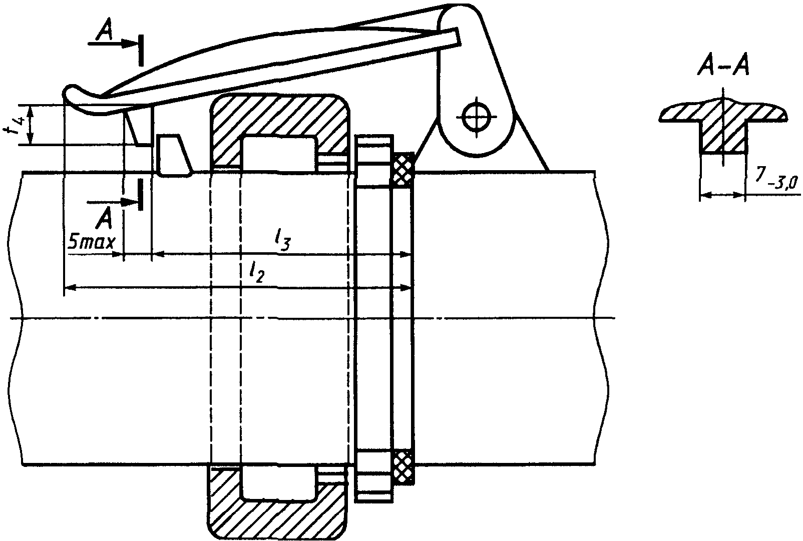
Если соединитель на номинальное рабочее напряжение св. 50 В снабжен механической блокировкой, она должна соответствовать
листу 2-V.
Не допускается работа механического отключающего устройства штепсельной или переносной розетки с механической блокировкой, кроме как после введения в нее вилки.
Примечание. Отвертки не рассматривают в качестве вилок.
Допускается, что инструменты могут использоваться для отключения блокирующего устройства при проверке цепи.
Соединители должны быть оснащены фиксирующим устройством, как указано в таблице 109.
Таблица 109
Номи- нальный ток соеди- нителя, А | Классификация по степени защиты от влаги | Штепсельные и переносные розетки | Вилки и вводные устройства |
Фиксирую- щее устройство | Стандартный лист | Фикси- рующее устрой- ство | Стандартный лист |
Номи- нальное рабочее напря- жение св. 50 В | Номи- нальное рабочее напря- жение до 50 В | Номи- нальное рабочее напря- жение св. 50 В | Номи- нальное рабочее напря- жение до 50 В |
16/20 и 32/30 | IP44 - брызго- защищенное | Крышка | (про- долже- ние 1) | (про- долже- ние 1) | Выступ или выемка | (про- долже- ние 1) | (про- долже- ние 1) |
IP67 - водо- непроницаемое | Двух- скатная система | (про- долже- ние 2) | (про- долже- ние 2) | Выступ или выемка, или байо- нетное кольцо | (про- долже- ние 2) | (про- долже- ние 2) |
63/60 | IP44 | Крышка и двух- скатная система | (про- долже- ние 1) | - | Выступ или выемка | (про- долже- ние 1) | - |
IP67 | Двух- скатная система | (про- долже- ние 2) | - | Байо- нетное кольцо | (про- долже- ние 2) | - |
125/100 | IP67 <*> |
<*> Если штепсельные розетки на ток 125/100 А установлены или встроены в оболочки, весь узел может также иметь степень защиты IP44. |
13. Стойкость деталей из резины
и термопластичных материалов
14. Общие требования к конструкции
Дополнение
Соединители на номинальный ток 63/60 А должны иметь степень защиты IP44 (брызгозащищенное) или IP67 (водонепроницаемое).
Соединители на номинальный ток 125/100 А должны иметь степень защиты IP67 (водонепроницаемое).
Если штепсельные розетки на ток 125/100 А установлены или встроены в оболочки, все устройство должно иметь степень защиты IP44.
14.101. Не должно быть возможно случайное переключение переключателя фаз, а также его переключение при сочленении с ответной частью.
Переключатель фаз должен быть снабжен защелкой, удерживающей его в определенном положении.
Соответствие проверяют осмотром и испытанием вручную.
Действие переключателя фаз не должно повреждать кабель или проводку.
Соответствие проверяют осмотром и испытанием по
разделу 21.
15. Конструкция штепсельных розеток
Контактные гнезда должны быть эластичными и иметь такую конструкцию, которая бы позволяла сохранять соответствующую надежность контактирования до и по истечении срока эксплуатации.
Контактные гнезда, кроме заземляющего, должны быть плавающими.
Контактные гнезда заземления могут быть неплавающими при условии, что они обладают необходимой гибкостью во всех направлениях.
Соответствие проверяют осмотром и следующим испытанием.
Образец устанавливают так, чтобы оси контактных гнезд были вертикальны, а контактные вводы были направлены вниз.
Калибр из закаленной стали с шероховатостью поверхности 0,002 мм, обезжиренный, с размерами, указанными в таблице 110, вводят в каждое контактное гнездо, также обезжиренное, при этом измеряют усилие, необходимое для извлечения калибра.
Размеры в миллиметрах
┌───────────────────────┬─────────────────────────────────────────────────┐
│ Номинальный диаметр │ Калибр │
│ штыря ├─────────────────────┬───────────────────────────┤
│ │Диаметр калибра -0,01│Минимальное общее усилие, Н│
├───────────────────────┼─────────────────────┼───────────────────────────┤
│ 5 │ 4,80 │ 2,5 │
├───────────────────────┼─────────────────────┼───────────────────────────┤
│ 6 │ 5,80 │ 5,0 │
├───────────────────────┼─────────────────────┼───────────────────────────┤
│ 7 │ 6,80 │ 5,0 │
├───────────────────────┼─────────────────────┼───────────────────────────┤
│ 8 │ 7,80 │ 10,0 │
├───────────────────────┼─────────────────────┼───────────────────────────┤
│ 10 │ 9,80 │ 15,0 │
├───────────────────────┼─────────────────────┼───────────────────────────┤
│ 12 │ 11,80 │ 20,0 │
└───────────────────────┴─────────────────────┴───────────────────────────┘
Сумма усилия и веса калибра должна превышать минимальное общее усилие, указанное в
таблице 110.
Данное испытание следует выполнять после испытания по 15.2.
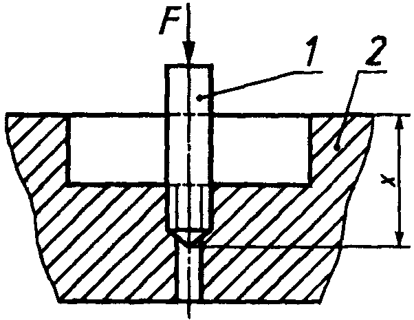
Давление, оказываемое контактными гнездами на штыри вилки, не должно быть настолько большим, чтобы препятствовать свободному введению и извлечению вилки.
Соответствие проверяют определением усилия, необходимого для извлечения испытательной вилки из образца, который устанавливают так, чтобы оси контактных гнезд были вертикальны, а контактные вводы направлены вниз, как показано на
рисунке 115.
Испытательную вилку, снабженную штырями, размеры которых указаны в таблице 111, вводят в образец.
Таблица 111
В миллиметрах
┌────────────────────────────────┬────────────────────────────────────────┐
│ Номинальный диаметр штыря │Диаметр штырей испытательной вилки +0,01│
├────────────────────────────────┼────────────────────────────────────────┤
│ 5 │ 5,00 │
├────────────────────────────────┼────────────────────────────────────────┤
│ 6 │ 6,00 │
├────────────────────────────────┼────────────────────────────────────────┤
│ 7 │ 7,00 │
├────────────────────────────────┼────────────────────────────────────────┤
│ 8 │ 8,00 │
├────────────────────────────────┼────────────────────────────────────────┤
│ 10 │ 10,00 │
├────────────────────────────────┼────────────────────────────────────────┤
│ 12 │ 12,00 │
└────────────────────────────────┴────────────────────────────────────────┘
Основной груз вместе с дополнительным (последний вызывает усилие, равное одной десятой усилия от основного груза) и испытательной вилкой вызывает усилие, равное максимальному усилию расчленения, указанному в таблице 112.
Таблица 112
Номинальный ток, А | Максимальное расчленяющее усилие, Н |
Серия I | Серия II |
16 | 20 | 150 |
32 | 30 | 150 |
63 | 60 | 275 |
125 | 100 | 400 |
Примечание. Описание испытательной вилки - на рассмотрении. |
Основной груз подвешивают без толчков к испытательной вилке, а дополнительный сбрасывают на него с высоты 5 см.
Вилка не должна остаться в образце после испытания.
Третий абзац изложить в новой редакции:
Штепсельные розетки брызгозащищенного исполнения или со степенью защиты до IP44 включ., имеющие единственное монтажное положение, должны обеспечиваться дренажным отверстием диаметром по крайней мере 5 мм или площадью 20 мм2 и шириной по крайней мере 3 мм, которое эффективно в установленном положении розетки.
16. Конструкция вилок и переносных розеток
16.1. Третий абзац изложить в новой редакции:
Соединители должны иметь такую конструкцию, чтобы их повторная сборка обеспечивала правильное угловое взаимное расположение выступа или выступов, выемки или выемок, заземляющего штыря и гнезда, как при первоначальной сборке.
Соответствие проверяют осмотром и, при необходимости, испытанием вручную.
Испытания выполняют, как указано в 15.1 и 15.2.
16.101. Штыри должны быть цельными.
Соответствие проверяют осмотром.
16.102. Вилки на номинальный ток до 32 А могут быть снабжены переключателем фаз. Такие вилки должны соответствовать общим требованиям, предъявляемым к вилкам, и требованиям
раздела 21 к переключателям фаз. Они должны снабжаться инструкцией со следующей информацией.
Применение только гибких проводников класса 5 или 6, и гарантия того, что перемещение проводников не препятствует действию переключателя фаз.
Выполненное как одно целое коммутирующее устройство не должно использоваться в качестве переключателя фаз.
Переключатель фаз с проводниками класса 5 согласно
разделу 23 после выполнения им 1000 операций переключения подлежит регулировке.
17. Конструкция вводных устройств
17.101. Штыри должны быть цельными.
Соответствие проверяют осмотром.
17.102. Вводные устройства на номинальный ток до 32 А могут быть снабжены переключателем фаз. Такие вводные устройства должны соответствовать общим требованиям, предъявляемым к вводным устройствам, и требованиям
раздела 21 к переключателям фаз. Они должны снабжаться инструкцией со следующей информацией.
Применение только гибких проводников класса 5 или 6, и гарантия того, что перемещение проводников не препятствует действию переключателя фаз.
Для вводных устройств в качестве переключателей фаз могут использоваться выключатели.
| | ИС МЕГАНОРМ: примечание. ГОСТ Р 50030.3-99 утратил силу с 1 января 2013 года в связи с введением в действие ГОСТ Р 50030.3-2012 (Приказ Росстандарта от 13.12.2011 N 298-ст). | |
Выключатели должны соответствовать ГОСТ Р 50030.3 по категории эксплуатации не менее АС-22А.
Переключатель фаз с проводниками класса 5 согласно
разделу 23 после выполнения им 1000 операций переключения подлежит регулировке.
19. Сопротивление и электрическая прочность изоляции
19.1. Дополнить абзацем после примечания:
Испытание переключателей фаз проводят для каждого конечного положения.
Сразу же после испытания по
19.3 не должно быть возможно сочленение соединителей в оболочках из термопластичного материала с калибрами, имеющими положение заземляющего контакта, выступа или выемки, отличные от положений образца.
Для штепсельных и переносных розеток на номинальное рабочее напряжение св. 50 В применяют калибры, показанные на
рисунке 104. Для вилок и вводных устройств на номинальное рабочее напряжение св. 50 В применяют калибры, показанные на
рисунке 109.
Для штепсельных и переносных розеток на токи 16/20 и 32/30 А и номинальные рабочие напряжения до 50 В применяют калибры, показанные на
рисунке 111.
Для вилок и вводных устройств на номинальные рабочие напряжения до 50 В применяют калибры, показанные на
рисунке 113.
Калибры прикладывают с усилием 200 Н в течение 1 мин.
20. Отключающая способность
Дополнение
Вилки и вводные устройства, соответствующие настоящему стандарту, не испытывают.
21. Условия нормальной эксплуатации
Дополнение
Вилки и розетки, соответствующие настоящему стандарту, не испытывают.
Переключатели фаз испытывают без тока. Переключатель фаз следует испытывать в каждом конечном положении с половиной циклов операций.
Проволоки кабеля не должны перекручиваться или повреждаться, а также не должны наблюдаться чрезмерные повреждения изоляции кабеля или разрывы жил проволок. Переключатель фаз должен сохранить работоспособность.
Соответствие проверяют осмотром.
22. Превышение температуры
Дополнение
Переключатели фаз испытывают в каждом конечном положении.
23. Гибкие кабели и их присоединение
Устройства кабельного крепления должны быть выполнены из изолирующего материала или иметь изолирующую прокладку, закрепленную на металлических частях.
24. Механическая прочность
25. Винты, токоведущие части и соединения
26. Пути утечки, воздушные зазоры и расстояния по изоляции
27. Теплостойкость, огнестойкость и трекингостойкость
29. Устойчивость к воздействию токов короткого замыкания
Замена
Считают, что соединители, соответствующие настоящему стандарту, должны выдерживать минимальный условный ток короткого замыкания 10 кА. Если требуется большая величина, то применяют
ГОСТ Р 51323.1.
30. Электромагнитная совместимость
Штепсельные и переносные розетки на токи 16/20 и 32/30 А
и номинальное рабочее напряжение св. 50 В
Выемки или выступы на фронтальной поверхности, если имеются, кроме гнездовых контактов, не должны иметь глубину более 10 мм.
Исключение - См. сноску <2>.
Штепсельные розетки с механической блокировкой должны иметь конструкцию, исключающую любое угловое движение полностью введенной вилки, которое могло бы привести к нарушению механической блокировки.
Расположение контактных гнезд
Вид спереди контактных гнезд штепсельной
или переносной розетки
См. 7.5
(продолжение 1)
Фиксирующее устройство для штепсельных
и переносных розеток брызгозащищенного исполнения IP44
Крышка или защелка показана в защелкнутом положении
Для аппаратов брызгозащищенного исполнения IP44 фиксирующее устройство должно иметь форму крышки, так чтобы вилки и вводные устройства водонепроницаемого исполнения IP67, соответствующие
листу 2-II, снабженные байонетным кольцом, имеющим максимальные размеры, могли правильно вводиться и фиксироваться.
(продолжение 2)
Фиксирующее устройство для штепсельных
и переносных розеток водонепроницаемого исполнения IP67
--------------------------------
<*> Размер уклона должен соответствовать углу 120°.
Фиксирующее устройство должно иметь форму байонетного уклона такую, чтобы вилки и вводные устройства водонепроницаемого исполнения IP67, соответствующие листу стандартизации 2-II, снабженные байонетным кольцом, имеющим максимальные размеры, могли правильно вводиться под углом (30 +/- 3)° и поворачиваться максимально на 120°.
Рисунки не определяют конструкцию, за исключением указанных размеров.
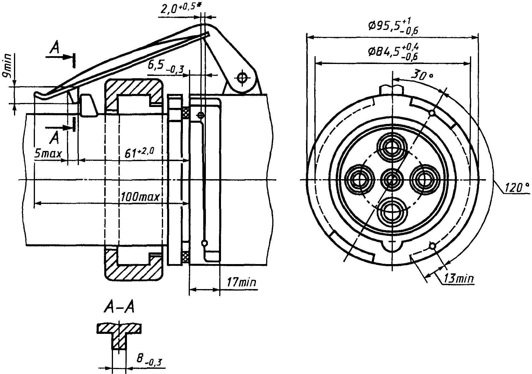
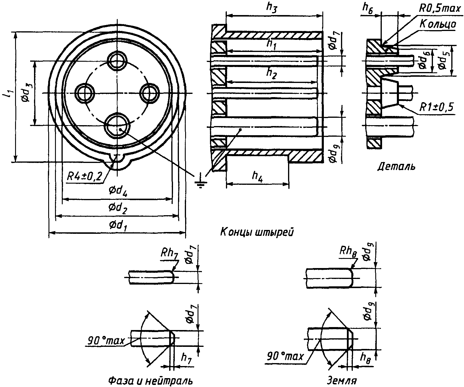
Вилки и вводные устройства на токи 16/20 и 32/30 А
и номинальное рабочее напряжение св. 50 В
Расположение штырей
Вид спереди штырей вилок или вводных устройств
См. 7.5
(продолжение 1)
Фиксирующее устройство для вилок
и вводных устройств брызгозащищенного исполнения IP44
Фиксирующее устройство должно иметь форму выступа или выемки в положении 12 ч.
(продолжение 2)
Фиксирующее устройство для вилок
и вводных устройств водонепроницаемого исполнения IP67
Фиксирующее устройство должно иметь форму байонетного кольца и выступа или выемки в положении 12 ч.
Рисунок не определяет конструкцию, за исключением указанных размеров.
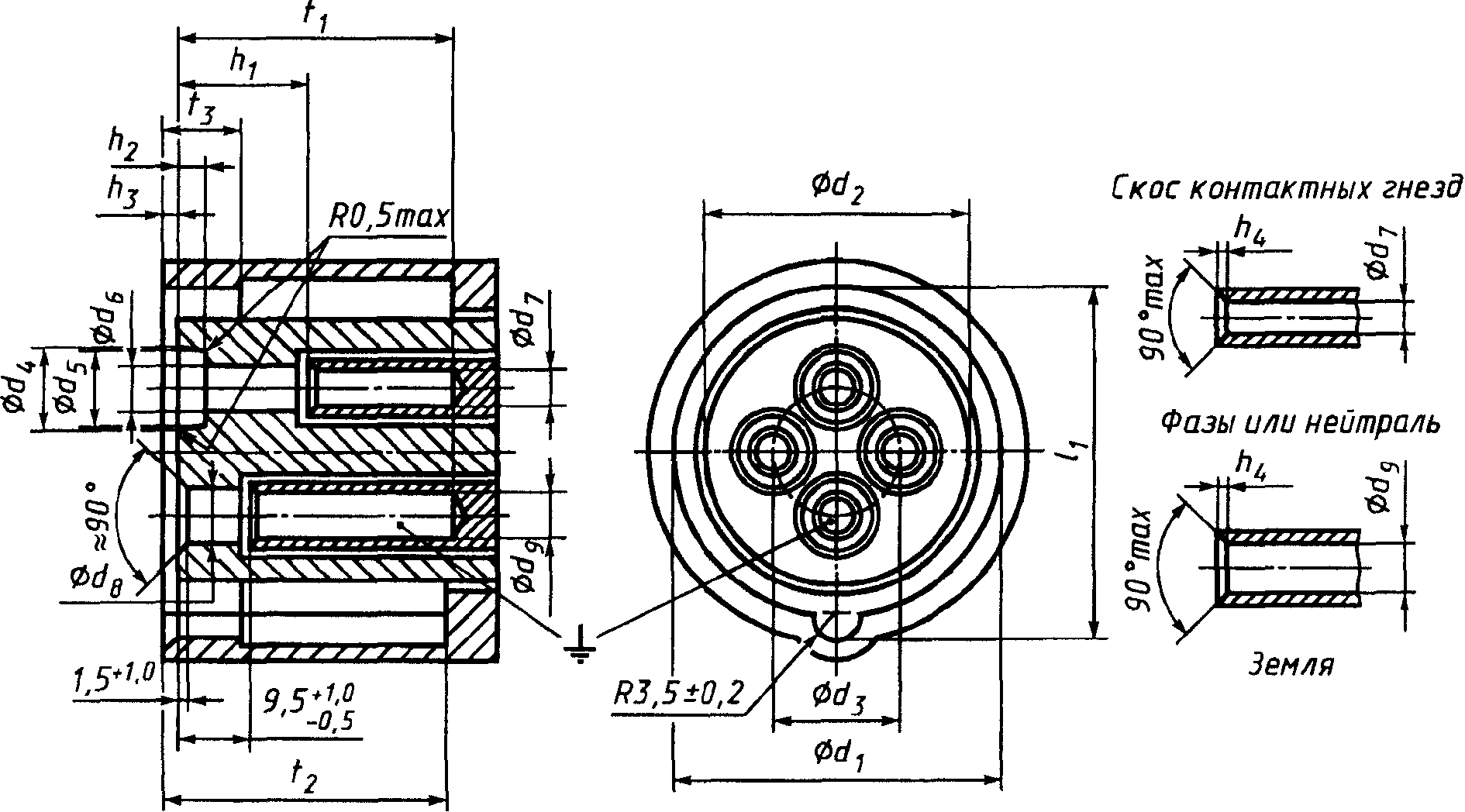
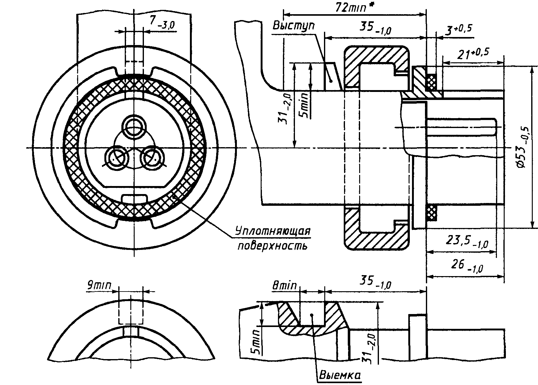
Штепсельные и переносные розетки на токи 63/60 и 125/100 А
и номинальное рабочее напряжение св. 50 В
Без электрической блокировки
Отверстие во фронтальной поверхности обязательно для ввода штырей электрической блокировки вилок или вводных устройств.
Отверстия или выемки во фронтальной плоскости, если имеются, кроме контактных отверстий, должны иметь глубину не более 10 мм, за исключением отверстий для ввода штырей электрической блокировки (см. сноску 2).
Штепсельные розетки с механической блокировкой должны иметь такую конструкцию, чтобы исключить угловое движение полностью вставленной вилки.
Расположение контактных гнезд
Вид спереди контактных гнезд штепсельной
или переносной розетки
См. 7.5
Штепсельные и переносные розетки на токи 63/60 и 125/100 А и номинальное рабочее напряжение св. 50 В
С электрической блокировкой
Отверстия или выемки во фронтальной плоскости, если имеются, кроме контактных отверстий, должны иметь глубину не более 10 мм (исключение см. сноску 2).
Штепсельные розетки с механической блокировкой должны иметь такую конструкцию, чтобы исключить чрезмерное перемещение полностью вставленной вилки, которое может превратить механическую блокировку в неэффективную.
Расположение контактных гнезд
Вид спереди контактных гнезд штепсельной
или переносной розетки
См. 7.5
┌─────────────────────────────────────────────┬───────────────────────────┐
│ Глубина контактного отверстия h , мм │ Тип аппарата │
│ 6 │ │
│ +1,0 │ │
├─────────────────────┬───────────────────────┤ │
│ 63/60 А │ 125/100 А │С электрической блокировкой│
├─────────────────────┼───────────────────────┼───────────────────────────┤
│ 21 │ 21 │С механической блокировкой │
├─────────────────────┼───────────────────────┼───────────────────────────┤
│ 21 или 40 │ 21 или 40 │ Без блокировки │
│ ├───────────────────────┼───────────────────────────┤
│ │ 40 │ │
└─────────────────────┴───────────────────────┴───────────────────────────┘
Примечание. Для аппаратов типа 3P + N +

серии II, 2P + N +

, 12 ч глубина нулевого контакта должна быть меньше глубины фазных контактов, но больше глубины заземляющего контакта.
(продолжение 1)
Фиксирующее устройство для брызгозащищенных штепсельных
или переносных розеток исполнения IP44 на ток 63/60 А
Все типы
Крышка показана в защелкнутом положении
--------------------------------
<*> Размер уклона должен соответствовать углу 120°.
Фиксирующее устройство должно иметь форму байонетного уклона, а крышка должна быть такой, чтобы вилки и вводные устройства водонепроницаемого исполнения IP67, соответствующие
листам 2-IV и
2-IVа, снабженные байонетным кольцом, имеющим максимальные размеры, могли правильно вводиться под углом (30 +/- 3)° и поворачиваться максимально на 120°.
Стандартный лист 2-III
(продолжение 2)
Фиксирующее устройство для штепсельных
или переносных розеток водонепроницаемого исполнения IP67
на токи 63/60 и 125/100 А
Все типы
--------------------------------
<*> Размер уклона должен соответствовать углу 120°.
Фиксирующее устройство должно иметь форму байонетного уклона, так чтобы вилки и вводные устройства водонепроницаемого исполнения IP67, соответствующие листам 2-IV и
2-IVа, снабженные байонетным кольцом, имеющим максимальные размеры, могли правильно вводиться под углом (30 +/- 3)° и поворачиваться максимально на 120°.
Рисунок не определяет конструкцию, за исключением указанных размеров.
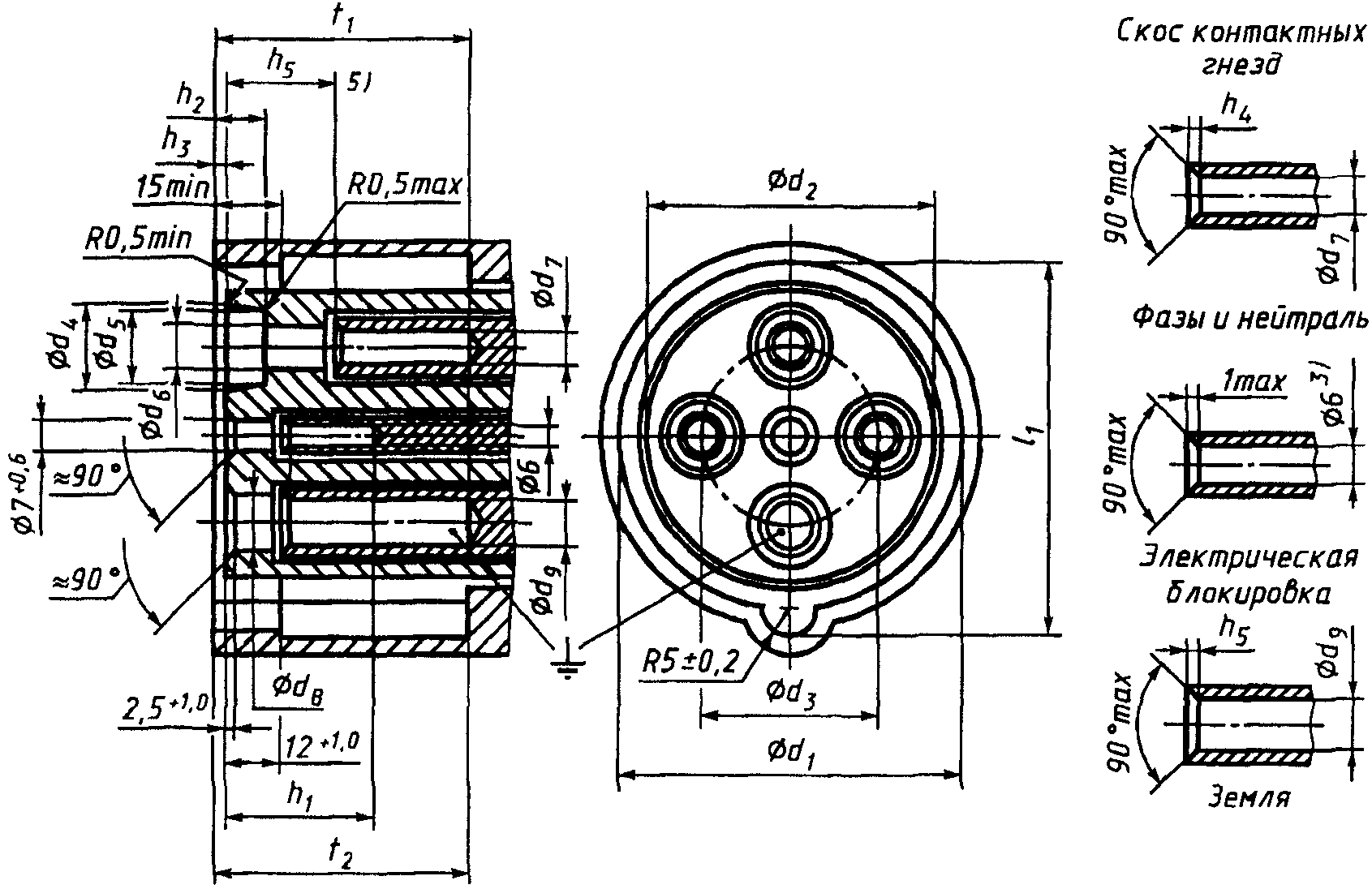
Вилки и вводные устройства на токи 63/60 и 125/100 А
и номинальное рабочее напряжение св. 50 В
Без электрической блокировки
Расположение контактов
Вид спереди контактов вилок и вводных устройств
См. 7.5
Вилки и вводные устройства на токи 63/60 и 125/100 А
и номинальное рабочее напряжение св. 50 В
С электрической блокировкой
Расположение контактов
Вид спереди контактов вилок и вводных устройств
См. 7.5
(продолжение 1)
Фиксирующее устройство для вилок и вводных устройств
брызгозащищенного исполнения IP44 на ток 63/60 А
Все типы
--------------------------------
<*> Минимальное расстояние, требуемое для навесной крышки.
Фиксирующее устройство должно иметь форму выступа или выемки в положении 12 ч.
(продолжение 2)
Фиксирующее устройство для вилок
и вводных устройств водонепроницаемого исполнения IP67
на токи 63/60 и 125/100 А
Все типы
--------------------------------
<*> Минимальное расстояние, требуемое для навесной крышки; применяется только для аппаратов на ток 63/60 А.
Фиксирующее устройство должно иметь форму байонетного кольца.
Рисунок не определяет конструкцию, за исключением указанных размеров.
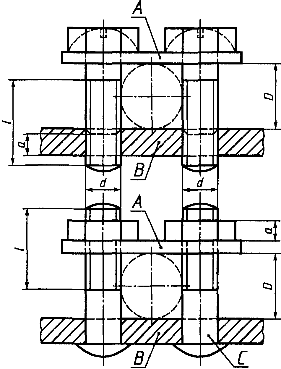
Механическая блокировка для аппаратов
на токи 16/20, 32/30, 63/60 и 125/100 А
и номинальное напряжение св. 50 В
Рисунок не определяет конструкцию, за исключением указанных размеров.
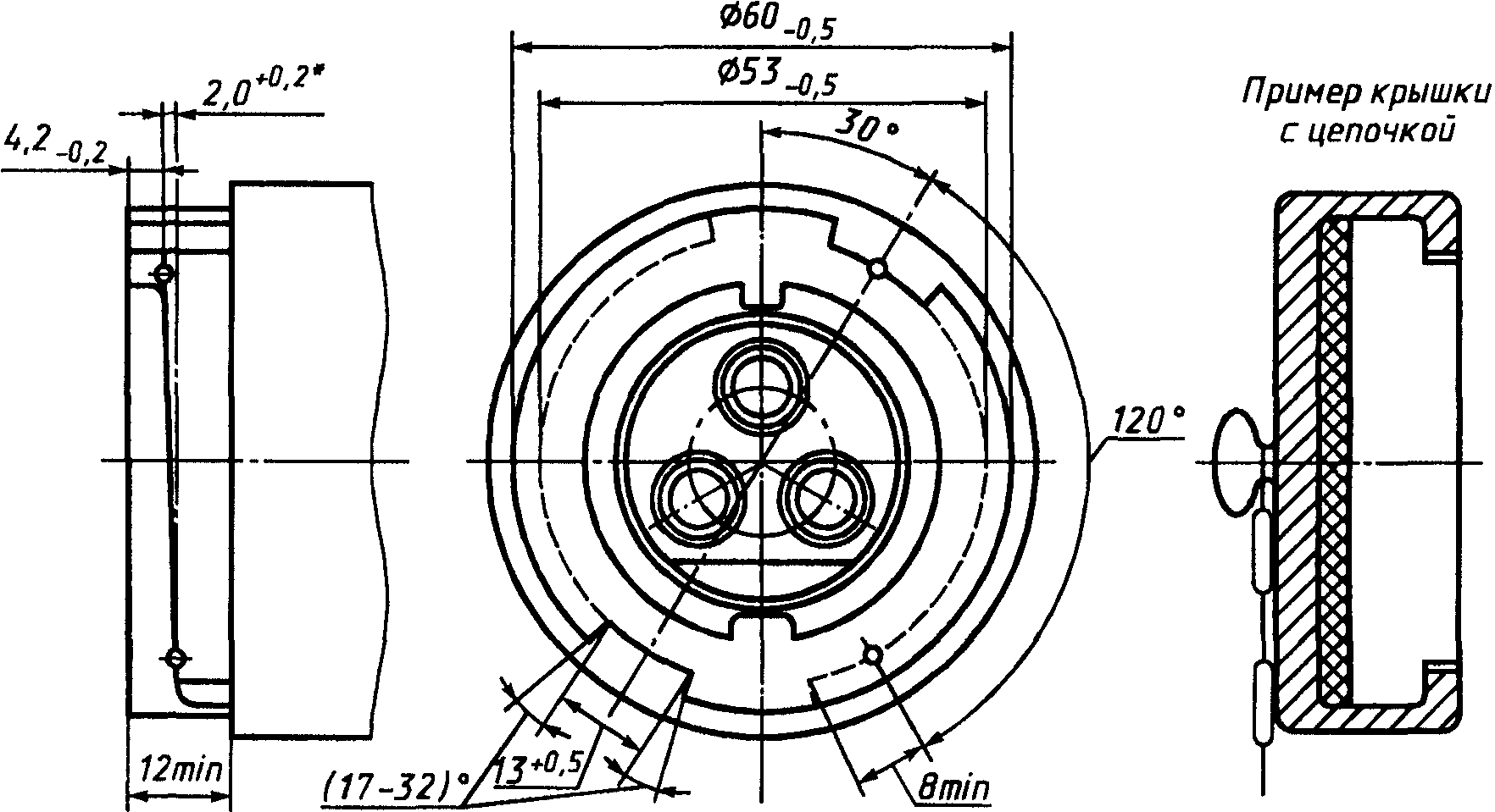
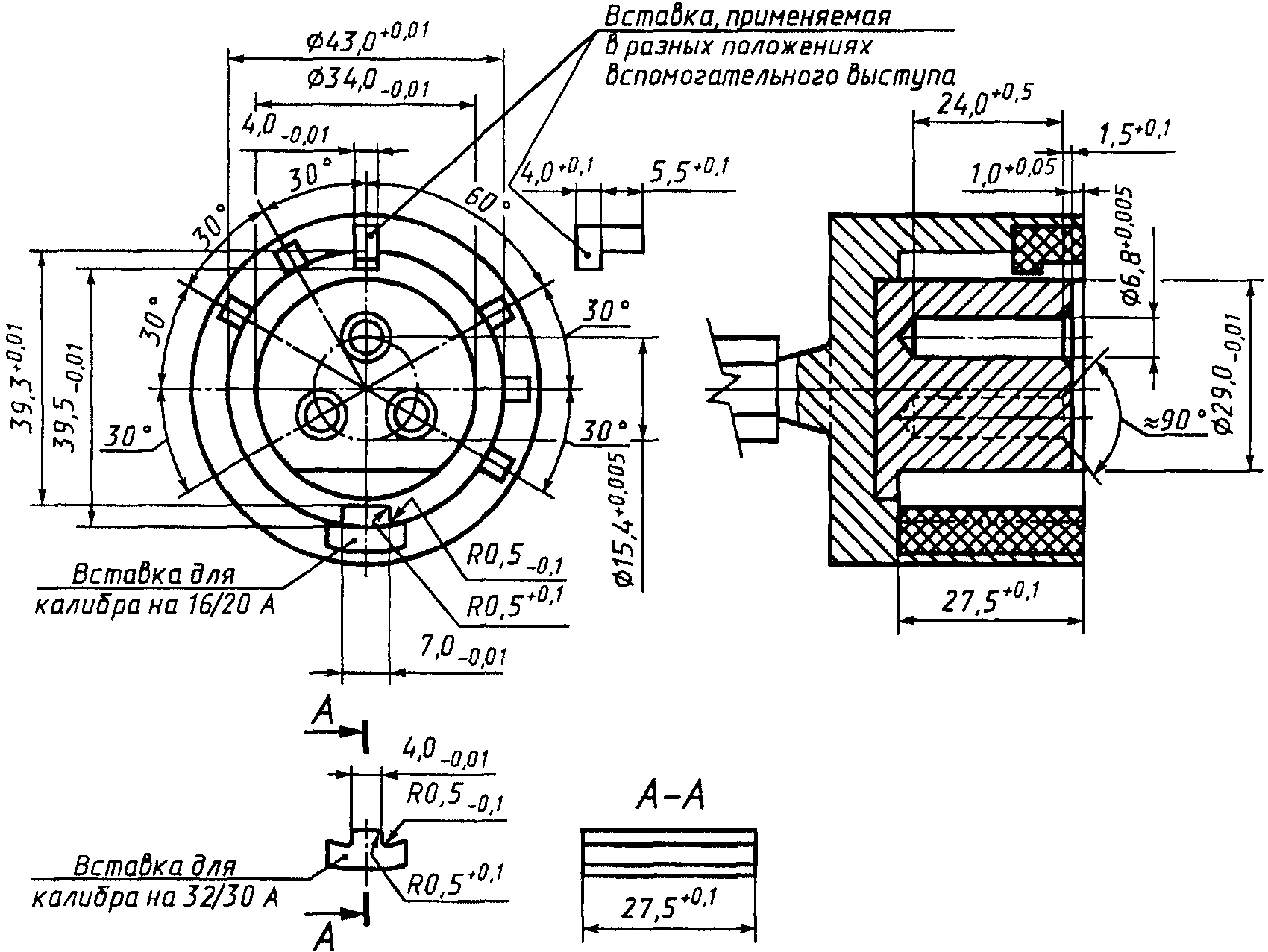
Штепсельные и переносные розетки на токи 16/20 и 32/30 А
и номинальное рабочее напряжение до 50 В
Расположение контактных гнезд
Вид спереди контактных гнезд штепсельной
и переносной розеток
--------------------------------
<1> Данные размеры должны быть в заданных пределах на глубину 27 мм.
<2> Размер t составляет 10 мм для вспомогательного выступа из металла и 18 мм - из изоляционного материала.
<3> Данные размеры должны быть в заданных пределах на глубину t. Вне этих пределов они могут быть больше, но не меньше.
<4> Данный размер относится к контактам; контактные гнезда могут быть некруглыми.
(продолжение 1)
Фиксирующее устройство для штепсельных розеток
и переносных розеток брызгозащищенного исполнения IP44
Крышка или защелка показана в защелкнутом положении
Для аппаратов брызгозащищенного исполнения IP44 фиксирующее устройство должно иметь форму крышки, так чтобы вилки и вводные устройства водонепроницаемого исполнения IP67, соответствующие
листу 2-IX, снабженные байонетным кольцом, имеющим максимальные размеры, могли правильно вводиться и фиксироваться.
(продолжение 2)
Фиксирующее устройство для штепсельных
и переносных розеток водонепроницаемого исполнения IP67
--------------------------------
<*> Размер уклона должен соответствовать углу 120°.
Фиксирующее устройство должно иметь форму байонетного уклона.
Рисунки не определяют конструкцию, за исключением указанных размеров.
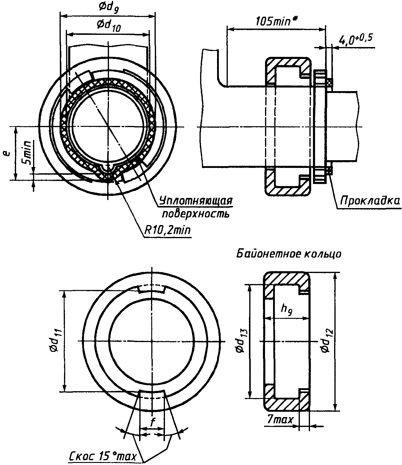
Вилки и вводные устройства на токи 16/20 и 32/30 А
и номинальное рабочее напряжение до 50 В
Расположение контактов
Вид спереди штырей вилки или вводного устройства
--------------------------------
<1> Данные размеры должны быть в заданных пределах на расстоянии:
26 мм - для аппаратов водонепроницаемого исполнения IP67;
23 мм - для прочих аппаратов.
<2> Для аппаратов исполнения IP67 эти размеры увеличивают на 3,0 мм.
(продолжение 1)
Фиксирующее устройство для вилок
и вводных устройств брызгозащищенного исполнения IP44
--------------------------------
<*> Минимальное расстояние, требуемое для навесной крышки.
Фиксирующее устройство должно иметь форму выступа или выемки в положении 12 ч.
(продолжение 2)
Фиксирующее устройство для вилок и вводных устройств
водонепроницаемого исполнения IP67
--------------------------------
<*> Минимальное расстояние, требуемое для навесной крышки.
Фиксирующее устройство должно иметь форму байонетного кольца и выступа или выемки в положении 12 ч.
Рисунок не определяет конструкцию, за исключением указанных размеров.
Столбчатые выводы
Размеры в миллиметрах
┌──────┬────────┬───────────┬────────────┬────────────┬───────────────────┐
│Размер│Мини- │Минимальный│Максимальный│Минимальная │ Минимальное │
│зажима│мальный │номинальный│зазор между │длина резьбы│ расстояние между │
│ │диаметр │ диаметр │частями, │ в зажиме a │зажимным винтом и │
│ │провод- │ резьбы d │удержива- │ │ концом полностью │
│ │никового│ │ющими │ │ введенного │
│ │канала D│ │проводник, e│ │ проводника │
│ │ ├────┬──────┤ ├─────┬──────┼─────────┬─────────┤
│ │ │Один│ Два │ │Один │ Два │Один винт│Два винта│
│ │ │винт│винта │ │винт │винта │ │ │
├──────┼────────┼────┼──────┼────────────┼─────┼──────┼─────────┼─────────┤
│ 2 │ 3,0 │3,0 │ 2,5 │ 0,5 │ 2,0 │ 1,8 │ 1,5 │ 1,5 │
├──────┼────────┼────┼──────┤ ├─────┤ ├─────────┤ │
│ 3 │ 3,6 │3,5 │ 2,5 │ │ 2,5 │ │ 1,8 │ │
├──────┼────────┤ ├──────┼────────────┤ ├──────┤ │ │
│ 4 │ 4,0 │ │ 3,0 │ 0,6 │ │ 2,0 │ │ │
├──────┼────────┼────┤ ├────────────┼─────┤ ├─────────┤ │
│ 5 │ 4,5 │4,0 │ │ 1,0 │ 3,0 │ │ 2,0 │ │
├──────┼────────┼────┼──────┼────────────┼─────┼──────┼─────────┼─────────┤
│ 6 │ 5,5 │5,0 │ 4,0 │ 1,3 │ 4,0 │ 3,0 │ 2,5 │ 2,0 │
├──────┼────────┼────┤ ├────────────┤ │ ├─────────┤ │
│ 7 │ 7,0 │6,0 │ │ 1,5 │ │ │ 3,0 │ │
├──────┼────────┼────┼──────┼────────────┼─────┼──────┼─────────┼─────────┤
│ 8 │ 10,0 │ - │ 6,0 │ - │ - │ 4,0 │ - │ 3,0 │
├──────┼────────┤ ├──────┤ │ ├──────┤ ├─────────┤
│ 9 │ 13,0 │ │ 10,0 │ │ │ 7,5 │ │
<3> │
├──────┼────────┤ ├──────┤ │ ├──────┤ │ │
│ 10 │ 16,0 │ │ <3> │ │ │ <3> │ │ │
├──────┴────────┴────┴──────┴────────────┴─────┴──────┴─────────┴─────────┤
│ <1> Для резьбы ВА данное значение снижают до 2,8 мм. │
│ <2> Если винты имеют номинальный диаметр резьбы 2,5 мм, необходимо│
│использовать прижимную пластину для того, чтобы зазор между частями,│
│удерживающими проводник, не превышал заданного значения. │
│ <3> Данные значения - на рассмотрении. │
└─────────────────────────────────────────────────────────────────────────┘
Для винтов с головками длина резьбы винта не должна быть меньше суммы диаметра проводникового канала и действующей длины резьбы в зажиме. Для других винтов длина резьбы не должна быть меньше суммы диаметра проводникового канала и заданной минимальной длины резьбы в зажиме.
Часть зажима, содержащая резьбовое отверстие, и часть зажима, к которой винтом прижимается провод, могут быть двумя отдельными частями, как в зажиме со скобой.
Форма проводникового канала может отличаться от показанных на рисунках, при условии возможности вписания окружности, диаметр которой равен минимальному значению D.
Длину резьбы в зажиме измеряют от точки, где она впервые пересекается с отверстием для проводника.
Минимальное расстояние между зажимным винтом и концом полностью введенного проводника относится только к зажимам, в которых проводник не может пройти насквозь.
Рисунок не определяет конструкцию, за исключением указанных размеров.
Винтовые и болтовые выводы
A - фиксирующая часть; B - шайба или прижимная пластина;
C - приспособление, препятствующее выскальзыванию провода;
E - болт
Размеры в миллиметрах
┌──────┬────────┬───────────┬───────────────┬─────────────────────────────┐
│Размер│Мини- │Минимальный│ Максимальный │ Минимальная длина резьбы │
│зажима│мальный │номинальный│ зазор между ├─────────────────┬───────────┤
│ │диаметр │ диаметр │ частями, │фиксирующей части│ винта или │
│ │провод- │ резьбы d │ удерживающими │ или гайки a │ болта l │
│ │никового├────┬──────┤ проводник e ├────────┬────────┤ │
│ │канала D│Один│ Два │ │ Один │ Два │ │
│ │ │винт│винта │ │ винт │ винта │ │
├──────┼────────┼────┼──────┼───────────────┼────────┼────────┼───────────┤
│ 2 │ 2,0 │3,5 │ - │ 1,5 │ 1,5 │ - │ 4,5 │
├──────┼────────┼────┼──────┼───────────────┤ ├────────┼───────────┤
│ 3 │ 2,7 │4,0 │ 3,0 │ 2,5 │ │ 1,5 │ 5,5 │
├──────┼────────┼────┼──────┼───────────────┼────────┼────────┼───────────┤
│ 4 │ 3,6 │5,0 │ 4,0 │ 1,5 │ 3,0 │ 2,5 │ 6,5 │
├──────┼────────┤ │ ├───────────────┤ │ ├───────────┤
│ 5 │ 4,3 │ │ │ 2,0 │ │ │ 7,5 │
├──────┼────────┤ │ │ ├────────┤ ├───────────┤
│ 6 │ 5,5 │ │ │ │ 3,5 │ │ 9,0 │
├──────┼────────┼────┼──────┤ │ ├────────┼───────────┤
│ 7 │ 7,0 │6,0 │ 5,0 │ │ │ 3,0 │ 10,5 │
├──────┼────────┤ │ │ ├────────┤ ├───────────┤
│ 8 │ 8,0 │ │ │ │ 4,0 │ │ 12,0 │
├──────┼────────┼────┼──────┼───────────────┼────────┼────────┼───────────┤
│ 9 │ <2> │8,0 │ <2> │ <2> │ 5,5 │ <2> │ 14,0 │
├──────┤ ├────┤ │ ├────────┤ ├───────────┤
│ 10 │ │10,0│ │ │ 7,0 │ │ 16,0 │
├──────┴────────┴────┴──────┴───────────────┴────────┴────────┴───────────┤
│ <1> Для резьбы ВА данное значение снижают до 2,8 мм. │
│ <2> Данные значения - на рассмотрении. │
└─────────────────────────────────────────────────────────────────────────┘
Для всех болтовых зажимов необходимы промежуточные части, например шайбы, прижимные пластины или приспособления, препятствующие выскальзыванию проводников, если основание гайки само по себе некруглое. Такая промежуточная часть необходима для винтового зажима, если диаметр головки винта не достаточен для соответствия требованию относительно зазора между частями, удерживающими проводник.
Если промежуточная часть помещается между головкой винта или гайкой и проводником, минимальное значение длины резьбы винта или гайки увеличивают на толщину промежуточной части.
Часть, удерживающая проводник, к которой относится размер e, может быть из изоляционного материала при условии, что давление, необходимое для фиксации проводника, не передается через изоляционный материал.
Рисунок не определяет конструкцию, за исключением указанных размеров.
Выводы со скобой
A - скоба; B - фиксирующая часть; C - болт
Размеры в миллиметрах
┌──────┬─────────────────┬─────────────┬──────────────────────────────────┐
│Размер│ Минимальный │ Минимальный │ Минимальная длина резьбы │
│зажима│ диаметр │ номинальный ├───────────────────┬──────────────┤
│ │ проводникового │ диаметр │ фиксирующей │ винтов или │
│ │ канала D │ резьбы d │ части или гайки a │ болтов l │
├──────┼─────────────────┼─────────────┼───────────────────┼──────────────┤
│ 3 │ 3,0 │ 3,0
<*> │ 1,5 │ 5,0 │
├──────┼─────────────────┼─────────────┤ ├──────────────┤
│ 4 │ 4,0 │ 3,5 │ │ 6,0 │
├──────┼─────────────────┼─────────────┼───────────────────┼──────────────┤
│ 5 │ 4,5 │ 4,0 │ 2,5 │ 7,0 │
├──────┼─────────────────┤ │ ├──────────────┤
│ 6 │ 5,5 │ │ │ 8,0 │
├──────┼─────────────────┼─────────────┼───────────────────┼──────────────┤
│ 7 │ 7,0 │ 5,0 │ 3,0 │ 10,0 │
├──────┴─────────────────┴─────────────┴───────────────────┴──────────────┤
│ <*> Для резьбы ВА данное значение снижается до 2,8 мм. │
└─────────────────────────────────────────────────────────────────────────┘
Форма сечения канала для проводника может отличаться от показанной на рисунках, при условии, что в него можно вписать окружность диаметром, равным минимальному значению D.
Формы верхней и нижней поверхностей скобы могут быть разными для размещения проводников большого и малого поперечного сечения после перевертывания скобы.
Зажимы могут иметь более двух прижимных винтов или болтов.
Если нерезьбовая часть винта или болта меньше толщины скобы, тогда указанное минимальное значение длины резьбы винта или болта берут от скобы, которая находится в контакте с головкой винта в винтовых зажимах или с фиксирующей частью в болтовых зажимах.
Рисунок не определяет конструкцию, за исключением указанных размеров.
Выводы для кабельных наконечников и шин
A - блокирующее устройство; B - кабельный наконечник
или шина; E - фиксирующая часть; F - болт
Размеры в миллиметрах
┌──────┬───────────┬───────────────────┬────────────┬─────────────────────┐
│Размер│Минимальный│ Минимальная длина │Максимальная│ Минимальное │
│зажима│номинальный│ резьбы │ толщина │расстояние от центра │
│ │ диаметр ├───────────┬───────┤размещаемого│ винта или отверстия │
│ │ резьбы d │фиксирующей│ винта │наконечника │ до стороны │
│ │ │ части или │ или │ или шины c │ прямоугольного │
│ │ │ гайки a │болта l│ │ фиксирующего │
│ │ │ │ │ │ пространства g │
├──────┼───────────┼───────────┼───────┼────────────┼─────────────────────┤
│ 6 │ 5,0 │ 3,0 │ 10,0 │ 6,0 │ 10,0 │
├──────┼───────────┼───────────┼───────┼────────────┼─────────────────────┤
│ 7 │ 6,0 │ 3,5 │ 12,0 │ 8,0 │ 12,0 │
└──────┴───────────┴───────────┴───────┴────────────┴─────────────────────┘
Для зажима этого типа должна быть предусмотрена пружинная шайба или равноценное устройство не меньшей эффективности.
Вокруг винта или отверстия для крепления кабельных наконечников или шин должна быть предусмотрена фиксирующая прокладка с гладкой контактной поверхностью; это пространство достаточно для размещения прямоугольной калиброванной планки, указанной в
11.7.
Если нерезьбовая часть винта или болта меньше толщины равноценного устройства, тогда указанное минимальное значение длины резьбы винта или болта соответственно увеличивают.
Рисунок не определяет конструкцию, за исключением указанных размеров.
Эксцентриситет между центрами

и

должен быть не более 0,05 мм.
Должна быть возможность ввести соответствующий калибр в штепсельную или переносную розетку.
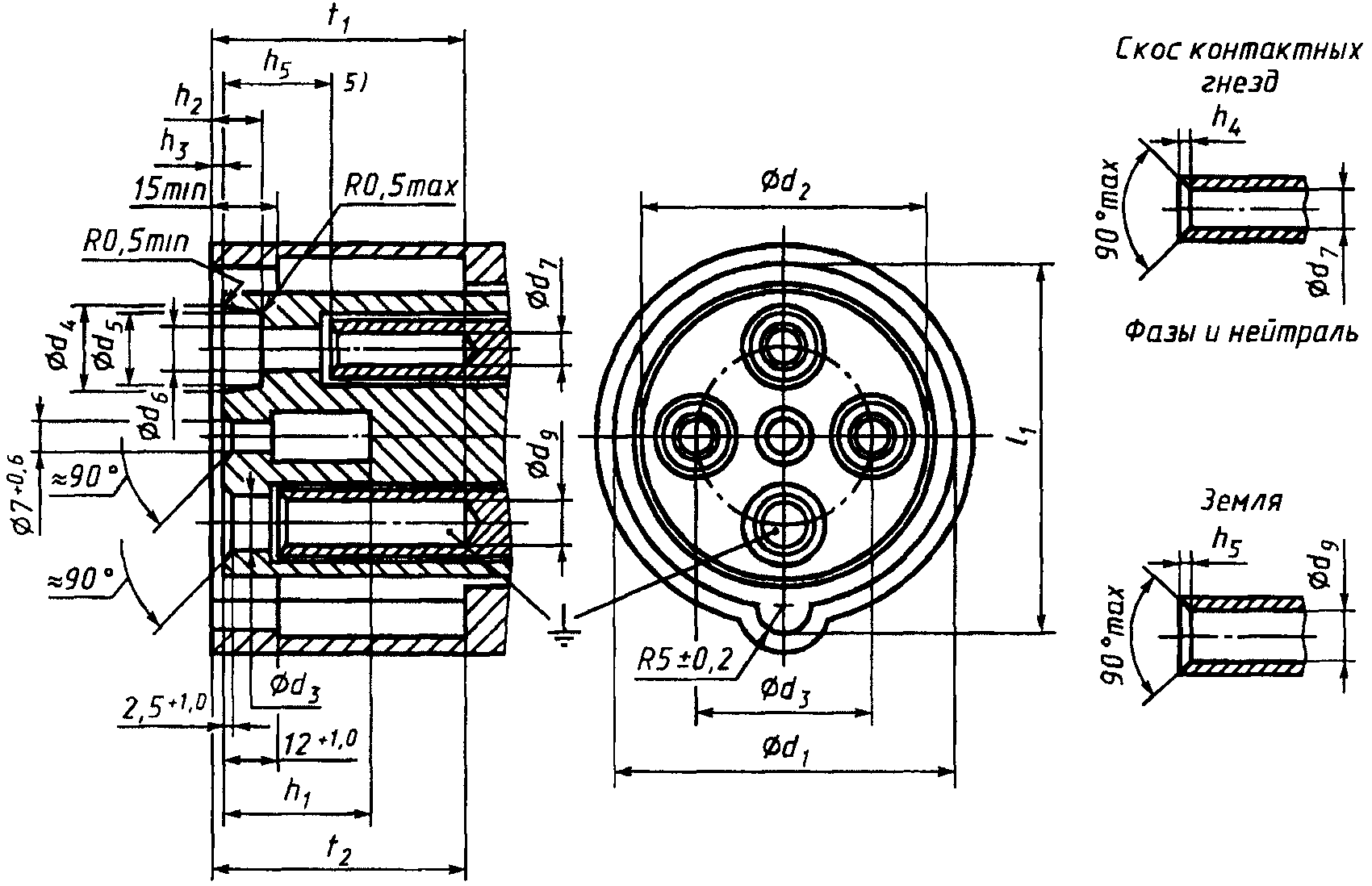
Рисунок 101. Штепсельные розетки и переносные розетки
на токи 16/20, 32/30, 63/60 и 125/100 А и номинальное
рабочее напряжение св. 50 В. Проходные калибры
для проверки размеров

,

,

Не должно быть возможным вставить калибр A и B в штепсельную или переносную розетку.
Рисунок 102. Штепсельные и переносные розетки
на токи 16/20, 32/30, 63/60 и 125/100 А и номинальное
рабочее напряжение св. 50 В. Непроходные калибры
для проверки размеров

,

1 - центральная ось калибра; 2 - калибр
для проверки штепсельной или переносной розетки;
3 - штепсельная или переносная розетка; 4 - центральная ось
штепсельной или переносной розетки
Рисунок 103. Устройство для проверки
посредством непроходного калибра штепсельных розеток
и переносных розеток на токи 16/20, 32/30, 63/60
и 125/100 А и номинальное рабочее напряжение св. 50 В
Эксцентриситет между центрами

и

должен быть не более 0,05 мм.
Рисунок 104. Калибры для проверки штепсельных
или переносных розеток на токи 16/20, 32/30, 63/60
и 125/100 А и номинальное рабочее напряжение св. 50 В
Рисунок 105. Калибр для проверки фазных гнезд
1 - штыревой калибр; 2 - главная часть штепсельной
или переносной розетки
Рисунок 106. Испытание фазного гнезда
Эксцентриситет между центрами

и

не должен превышать 0,05 мм.
Должно быть возможно введение в соответствующий калибр вилки или вводного устройства.
Рисунок 107. Вилки и вводные устройства
на токи 16/20, 32/30, 63/60 и 125/100 А и номинальное
рабочее напряжение св. 50 В. Проходные калибры
для проверки размеров

,

,

Не должно быть возможным введение в соответствующий калибр вилки или вводного устройства.
Рисунок 108. Вилки и вводные устройства
на токи 16/20, 32/30, 63/60 и 125/100 А
и номинальное рабочее напряжение св. 50 В.
Непроходные калибры для проверки размеров

,

Размеры

и

те же, что и в соответствующих штепсельных или переносных розетках.
Рисунок 109. Непроходные калибры для проверки вилок
и вводных устройств на токи 16/20, 32/30, 63/60 и 125/100 А
и номинальное рабочее напряжение св. 50 В
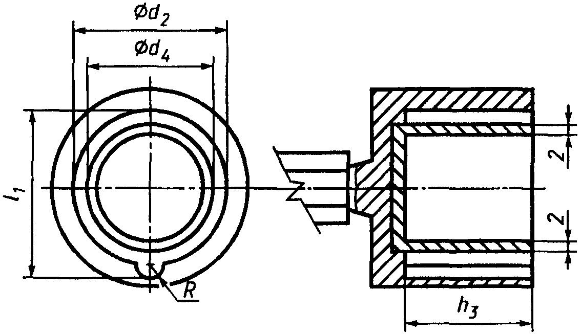
Должно быть возможным введение соответствующего калибра в штепсельную розетку или переносную розетку так, чтобы упорная поверхность калибра соприкасалась с фронтальной поверхностью фланца штепсельной или переносной розетки.
Рисунок 110. Штепсельные или переносные розетки
на токи 16/20 и 32/30 А и номинальное рабочее напряжение
не более 50 В. Калибры для проверки взаимозаменяемости
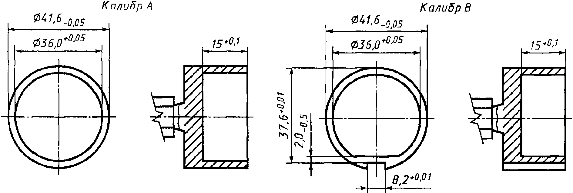
Не должно быть возможности ввести калибр A в штепсельную или переносную розетку.
Не должно быть возможности ввести калибр B в правильное положение во фланец штепсельной или переносной розетки.
Рисунок 111. Штепсельные или переносные розетки
на токи 16/20 и 32/30 А и номинальное рабочее напряжение
не более 50 В. Калибры для проверки прочности оболочки
из термопластичного материала в теплых и влажных условиях
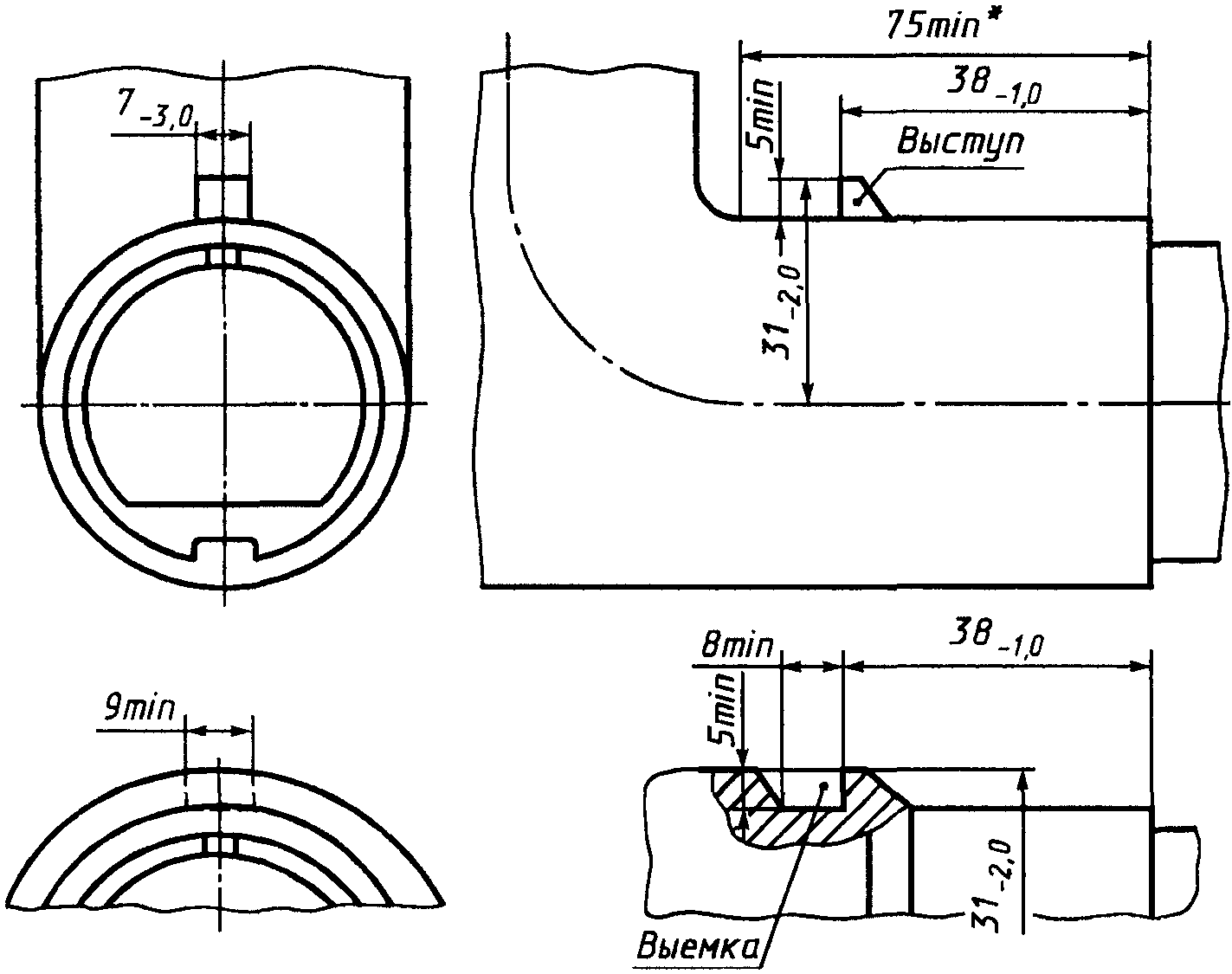
Должно быть возможным ввести соответствующий калибр без приложения чрезмерного усилия в вилку или вводное устройство так, чтобы фронтальная поверхность калибра вошла в контакт с упорной поверхностью вилки или вводного устройства.
Рисунок 112. Вилки и вводные устройства
на токи 16/20 и 32/30 А и номинальное рабочее напряжение
не более 50 В. Калибры для проверки взаимозаменяемости
В любом положении вставки не должно быть возможно введение калибра в правильном положении поверх фланца вилки или вводного устройства.
Рисунок 113. Вилки и вводные устройства
на токи 16/20 и 32/30 А и номинальное рабочее напряжение
не более 50 В. Калибры для проверки прочности оболочек
из термопластичного материала во влажных
и теплых условиях
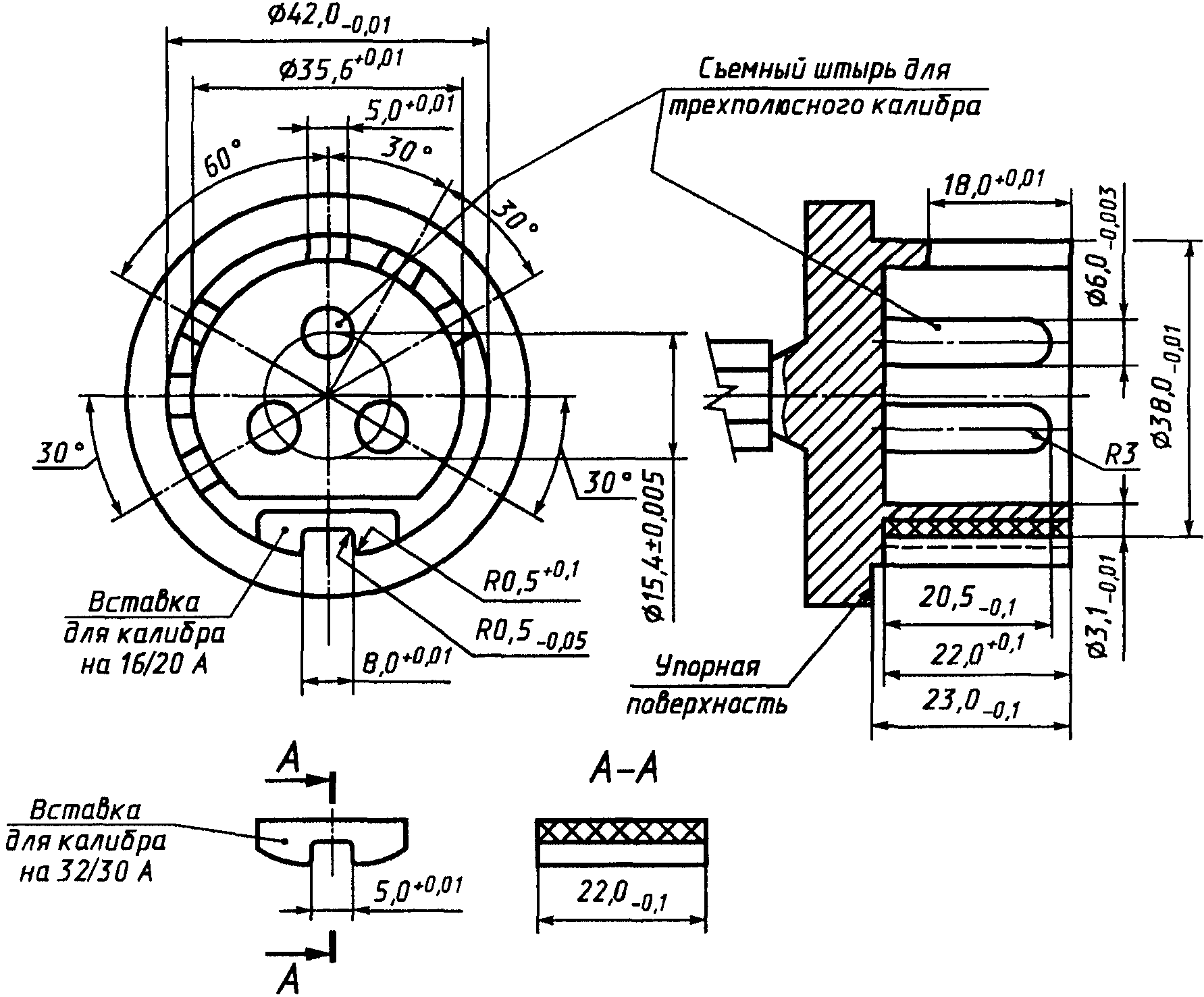
Не должно быть возможным прикосновение к фазному контакту штепсельной розетки или переносной розетки только одним штырем калибра.
Рисунок 114. Штепсельные и переносные розетки в оболочках
из эластичного или термопластичного материала. Калибр
для проверки невозможности однополюсного ввода
двухполюсных вилок на ток 10/16 А
и напряжение 250 В
1 - опора, 2 - образец, 3 - испытательная вилка,
4 - дополнительный скользящий груз, 5 - основной груз
Рисунок 115. Установка для проверки усилия расчленения
(справочное)
--------------------------------
<*> Международные стандарты МЭК и их переводы находятся во Всероссийском научно-исследовательском институте классификации, терминологии и информации по стандартизации и качеству (ВНИИКИ).
Адрес: 103001, Москва, Гранатный пер., 4.
[5] МЭК 60617-2-83. Графические обозначения для схем. Часть 2. Элементы обозначений, определяющие обозначения и другие обозначения, имеющие общее применение
(обязательное)
ДОПОЛНИТЕЛЬНЫЕ ТРЕБОВАНИЯ,
УЧИТЫВАЮЩИЕ ПОТРЕБНОСТИ ЭКОНОМИКИ СТРАНЫ,
И ТРЕБОВАНИЯ ГОСУДАРСТВЕННЫХ СТАНДАРТОВ