Главная // Актуальные документы // ГОСТ (Государственный стандарт)СПРАВКА
Источник публикации
М.: Стандартинформ, 2018
Примечание к документу
Документ включен в
Перечень международных и региональных (межгосударственных) стандартов, а в случае их отсутствия - национальных (государственных) стандартов, в результате применения которых на добровольной основе обеспечивается соблюдение требований технического
регламента Таможенного союза "О безопасности низковольтного оборудования" (ТР ТС 004/2011) и в
Перечень международных и региональных (межгосударственных) стандартов, а в случае их отсутствия - национальных (государственных) стандартов, содержащих правила и методы исследований (испытаний) и измерений, в том числе правила отбора образцов, необходимые для применения и исполнения требований технического
регламента Таможенного союза "О безопасности низковольтного оборудования" (ТР ТС 004/2011) и осуществления оценки соответствия объектов технического регулирования (
Решение Коллегии Евразийской экономической комиссии от 11.05.2023 N 55).
Текст данного документа приведен с учетом
поправки, опубликованной в "ИУС", N 2, 2021;
поправки, введенной в действие с 04.10.2021, опубликованной в "ИУС", N 1, 2022;
поправки, опубликованной в "ИУС", N 9, 2023.
Документ
введен в действие с 01.06.2019.
Взамен ГОСТ 30851.2.3-2012 (IEC 60320-2-3:1998).
Название документа
"ГОСТ IEC 60320-2-3-2017. Межгосударственный стандарт. Соединители электрические бытового и аналогичного назначения. Часть 2-3. Дополнительные требования к соединителям степени защиты свыше SPX0 и методы испытаний"
(введен в действие Приказом Росстандарта от 09.11.2018 N 966-ст)
"ГОСТ IEC 60320-2-3-2017. Межгосударственный стандарт. Соединители электрические бытового и аналогичного назначения. Часть 2-3. Дополнительные требования к соединителям степени защиты свыше SPX0 и методы испытаний"
(введен в действие Приказом Росстандарта от 09.11.2018 N 966-ст)
агентства по техническому
регулированию и метрологии
от 9 ноября 2018 г. N 966-ст
МЕЖГОСУДАРСТВЕННЫЙ СТАНДАРТ
СОЕДИНИТЕЛИ ЭЛЕКТРИЧЕСКИЕ БЫТОВОГО И АНАЛОГИЧНОГО НАЗНАЧЕНИЯ
ЧАСТЬ 2-3
ДОПОЛНИТЕЛЬНЫЕ ТРЕБОВАНИЯ К СОЕДИНИТЕЛЯМ
СТЕПЕНИ ЗАЩИТЫ СВЫШЕ SPX0 И МЕТОДЫ ИСПЫТАНИЙ
Appliance couplers for household and similar general
purposes. Part 2-3. Additional reguirements to appliance
couplers with a degree of protection higher than IPX0
(IEC 60320-2-3:2005, Appliance couplers for household
and similar general purposes - Part 2-3: Appliance couplers
with a degree of protection higher than IPX0, IDT)
ГОСТ IEC 60320-2-3-2017
Дата введения
1 июня 2019 года
Цели, основные принципы и основной порядок проведения работ по межгосударственной стандартизации установлены в
ГОСТ 1.0-2015 "Межгосударственная система стандартизации. Основные положения" и
ГОСТ 1.2-2015 "Межгосударственная система стандартизации. Стандарты межгосударственные, правила и рекомендации по межгосударственной стандартизации. Правила разработки, принятия, обновления и отмены"
1 ПОДГОТОВЛЕН Автономной некоммерческой организацией "Научно-технический центр "Энергия" (АНО "НТЦ "Энергия") на основе собственного перевода на русский язык англоязычной версии стандарта, указанного в
пункте 5
2 ВНЕСЕН Федеральным агентством по техническому регулированию и метрологии
3 ПРИНЯТ Межгосударственным советом по стандартизации, метрологии и сертификации (протокол от 30 ноября 2017 г. N 52)
За принятие проголосовали:
Краткое наименование страны по МК (ИСО 3166) 004-97 | Код страны по МК (ИСО 3166) 004-97 | Сокращенное наименование национального органа по стандартизации |
Армения | AM | ЗАО "Национальный орган по стандартизации и метрологии" Республики Армения |
Беларусь | BY | Госстандарт Республики Беларусь |
Казахстан | KZ | Госстандарт Республики Казахстан |
Киргизия | KG | Кыргызстандарт |
Россия | RU | Росстандарт |
Таджикистан | TJ | Таджикстандарт |
Узбекистан | UZ | Узстандарт |
4
Приказом Федерального агентства по техническому регулированию и метрологии от 9 ноября 2018 г. N 966-ст межгосударственный стандарт ГОСТ IEC 60320-2-3-2017 введен в действие в качестве национального стандарта с 1 июня 2019 г.
5 Настоящий стандарт идентичен международному стандарту IEC 60320-2-3:2005 "Соединители электроприборов бытового и аналогичного общего назначения. Часть 2-3. Соединители со степенью защиты выше IPX0" ("Appliance couplers for household and similar general purposes - Part 2-3: Appliance couplers with a degree of protection higher than IPX0", IDT).
Международный стандарт IEC 60320-2-3:2005 разработан подкомитетом 23G "Соединители электроприборов" Технического комитета TC 23 "Электроустановочная аппаратура" Международной электротехнической комиссии (IEC).
Наименование настоящего стандарта изменено по отношению к наименованию указанного международного стандарта для приведения в соответствие с ГОСТ 1.5
(подраздел 3.6).
При применении настоящего стандарта рекомендуется использовать вместо ссылочных международных стандартов соответствующие им межгосударственные стандарты, сведения о которых приведены в дополнительном
приложении ДА
6 Настоящий стандарт взаимосвязан с Техническим регламентом Таможенного союза
ТР ТС 004/2011 "О безопасности низковольтного оборудования", утвержденным решением комиссии Таможенного союза от 16 августа 2011 г., и реализует его существенные требования безопасности.
Соответствие межгосударственному стандарту обеспечивает выполнение существенных требований безопасности технического регламента
7 ВЗАМЕН ГОСТ 30851.2.3-2012 (IEC 60320-2-3:1998)
Информация об изменениях к настоящему стандарту публикуется в ежегодном информационном указателе "Национальные стандарты", а текст изменений и поправок - в ежемесячном информационном указателе "Национальные стандарты". В случае пересмотра (замены) или отмены настоящего стандарта соответствующее уведомление будет опубликовано в ежемесячном информационном указателе "Национальные стандарты". Соответствующая информация, уведомление и тексты размещаются также в информационной системе общего пользования - на официальном сайте Федерального агентства по техническому регулированию и метрологии в сети Интернет (www.gost.ru)
Настоящий стандарт применяют совместно со стандартом IEC 60320-1 "Соединители электроприборов бытового и аналогичного общего назначения. Часть 1. Общие требования", составленного на базе его первого издания (1994) и изменений 1 (1995) и 2 (1996).
Разделы стандарта IEC 60320-2-3 дополняют или изменяют соответствующие разделы стандарта IEC 60320-1.
Если в настоящем стандарте указано "дополнить" или "изложить в новой редакции", то соответственно меняются требования, условия испытаний или пояснения, приведенные в соответствующем пункте IEC 60320-1.
Пункты, приведенные дополнительно к IEC 60320-1, пронумерованы, начиная от 101.
Если ссылки на пункты IEC 60320-1 обозначены "по применению", тогда их применяют только в том случае, когда в них содержатся требования, касающиеся соединителей со степенью защиты выше IPX0, если обозначены "не применяют" - то требования не применяются.
Приложение А приведено исключительно с информационной целью.
По IEC 60320-1 (раздел 1) со следующими изменениями:
Настоящий раздел изложить в следующей редакции:
Данный стандарт распространяется на двухполюсные односторонние соединители для электроприборов (далее - соединители), предназначенные для применения в условиях низких температур только на переменном токе при номинальном напряжении не св. 250 В и номинальном токе не св. 10 А с частотой питания 50 или 60 Гц со степенью защиты от проникновения воды св. IPX0.
Они предназначены для подключения гибкого шнура питания к электрическим приборам класса защиты II бытового, коммерческого или для освещения промышленного назначения.
Примечание 1 - По IEC 60320-1.
Примечание 2 - По IEC 60320-1.
Примечание 3 - По IEC 60320-1.
Примечание 4 - Не применяют.
Примечание 5 - По IEC 60320-1.
Дополнительные примечания:
Примечание 6 - Степень защиты от проникновения воды (код IP) по IEC 60529.
Примечание 7 - Класс оборудования по IEC 60536.
По IEC 60320-1 (раздел 2) со следующими дополнениями:
IEC 60320-1:1994, Appliance couplers for household and similar general purposes - Part 1: General requirements (Соединители электроприборов бытового и аналогичного общего назначения. Часть 1. Общие требования)
<1>
IEC 60529:1989, Degrees of protection provided by enclosures (IP code) [Степени защиты, обеспечиваемые корпусами (Код IP)]
<2>
--------------------------------
<1> Действует IEC 60320-1:2015 "Соединители электроприборов бытового и аналогичного общего назначения. Часть 1. Общие требования". Однако для однозначного соблюдения требования настоящего стандарта, выраженного в датированной ссылке, рекомендуется использовать только указанное в этой ссылке издание.
<2> Действует IEC 60529:2013 "Степени защиты, обеспечиваемые корпусами (Код IP)". Однако для однозначного соблюдения требования настоящего стандарта, выраженного в датированной ссылке, рекомендуется использовать только указанное в этой ссылке издание.
В настоящем стандарте применены термины с соответствующими определениями по IEC 60320-1 (раздел 3) и следующими дополнениями:
3.101 вилка соединителя (plug connector): Ввод электроприбора, предназначенный для соединения с помощью шнура с оборудованием.
3.102 доступная поверхность соединителя (accessible surface of an accessory): Поверхность соединителя, которой можно касаться испытательным пальцем по рисунку 10 IEC 60320-1, смонтированным как для нормальной эксплуатации, и с соблюдением следующих условий:
a) для соединителей: без зацепления с ответной частью, но с крышкой в открытом положении;
b) для вилочных соединителей и вводов электроприборов: в наиболее неблагоприятном зацеплении с ответной частью, но с обязательным контактом между штырями и гнездами.
3.103 крышка (cover): Наиболее доступная часть соединителя при его нормальной эксплуатации, снимаемая только при помощи инструмента, но не требующая применения инструмента для открывания.
3.104 выборка для типового испытания (type test sample): Выборка, состоящая из одного или нескольких аналогичных образцов, подвергаемых типовому испытанию.
По IEC 60320-1 (раздел 4).
5 Общие требования к испытаниям
По IEC 60320-1 (раздел 5) со следующими изменениями:
5.1 По IEC 60320-1 (подраздел 5.1).
5.2 Изложить в новой редакции:
Если нет других указаний, образцы испытывают в состоянии поставки и в нормальных условиях эксплуатации при температуре окружающей среды (20 +/- 5) °C; испытания проводят при переменном токе частотой 50 или 60 Гц.
Образцы для испытаний должны быть в основном идентичны изделиям обычного производства в том, что касается характеристик, которые могут влиять на результаты испытаний.
Неразборные соединители испытывают со шнуром длиной не менее 1 м. Шнур испытания для разборных соединителей должен быть гибким круглым шнуром в оболочке, соответствующим 60227 IEC 53, если нет других указаний.
5.3 и 5.4 Не применяют.
5.5 Изложить в новой редакции:
Полную выборку из 18 образцов одного типа подвергают проверке и испытаниям согласно нижеприведенной таблице.
Испытание | Число образцов | Порядок испытаний (ссылка на раздел или пункт) |
1 Визуальный осмотр и проверка вручную | 3 | |
2 Общие испытания | 3 | |
3 Общие испытания | 3 | |
4 Испытание на изгиб | 3 | |
5 Испытания материалов | 3 | |
6 Испытания материалов | 3 | |
Примечание 1 - При необходимости повторных испытаний в качестве части нормального цикла требования к ним определяются соответствующим пунктом.
Примечание 2 - По согласованию с изготовителем один и тот же образец можно использовать в нескольких испытаниях.
5.6 По IEC 60320-1 (подраздел 5.6).
5.7 Изложить в новой редакции:
Если все образцы соединителей в полной серии испытаний по
5.5 выдерживают испытания, тогда соединители этого типа считают соответствующими настоящему стандарту.
Если хотя бы один образец в любой группе полной серии испытаний по
5.5 не выдержал испытания, тогда соединители этого типа считают не соответствующими требованиям данного стандарта, если не доказано, что этот образец не относится к изделиям нормального производства или конструкции, в этом случае дополнительный комплект образцов подвергают испытанию или испытаниям данной группы. Если в повторных испытаниях нет отказов, то соединители этого типа считают соответствующими требованиям настоящего стандарта.
Если в полной серии испытаний по
5.5 произошел отказ более одного образца, тогда соединители этого типа считают не соответствующими требованиям данного стандарта.
6 Стандартные номинальные параметры
По разделу IEC 60320-1 (раздел 6) со следующими изменениями:
6.1 По IEC 60320-1 (подраздел 6.1).
6.2 Изложить в новой редакции:
Номинальный ток составляет 6 или 10 А.
По разделу IEC 60320-1 (раздел 7) со следующими изменениями:
7.1.1 Изложить в новой редакции:
Относится только к соединителям для низких температур.
7.1.2 Изложить в новой редакции:
Относится только к соединителям для оборудования класса защиты II.
7.2 Изложить в новой редакции:
Соединители классифицируют по способу присоединения шнура на:
- разборные;
- неразборные.
Дополнить раздел подразделом:
7.101 Дополнить классификацию:
Соединители классифицируют по температуре окружающей среды при эксплуатации на:
- соединители для эксплуатации при нормальной температуре;
- соединители для эксплуатации при низкой температуре (- 15 °C).
Примечание - Дополнительные испытания для соединителей, эксплуатируемых при низкой температуре, - в стадии рассмотрения.
По IEC 60320-1 (раздел 8) со следующими изменениями:
8.1 Изложить в новой редакции:
Соединители, за исключением приборных вилок, питаемых от оборудования, должны иметь следующую маркировку:
a) наименование, товарная марка или идентификационный знак изготовителя или ответственного торгового представителя;
b) обозначение данного стандарта;
c) номинальный ток;
d) номинальное напряжение;
e) род тока;
f) код IP;
g) обозначение типа, которое может быть каталожным номером, кодом и т.д.
8.2 Изложить в новой редакции:
Приборные вилки должны иметь маркировку согласно
8.1 a) и
8.1 g), которая может быть не видна при установке вне помещения.
Примечание - Маркировка на соединителях и вводах электроприборов может быть не видна в их сочлененном положении.
8.3 По IEC 60320-1 (подраздел 8.3).
8.4 По IEC 60320-1 (подраздел 8.4) со следующими дополнениями:
Фаза .................... L
Нейтраль ................ N
Брызгозащищенное исполнение IPX4.
Примечание - В коде IP букву X, обозначающую защиту от попадания твердых предметов, заменяют соответствующей цифрой.
8.5 Не применяют.
8.6 Изложить в новой редакции:
По IEC 60320-1, но не распространяют на контакт заземления и вывод заземления.
8.7 По IEC 60320-1 (подраздел 8.7).
8.8 По IEC 60320-1 (раздел 8.8):
Дополнить раздел следующими пунктами:
8.101 Шнуры неразборных соединителей не должны быть черного, зеленого, белого и коричневого цветов.
8.102 Соединители, предназначенные для розничной продажи, поставщик должен комплектовать информационным листом, прикрепляемым на внешней поверхности или внутри упаковки с соединителями, с указанием степени защиты от погодных условий при использовании на открытом воздухе. Информация о степени защиты должна быть ясно видна потребителю и содержать рекомендацию о том, что устанавливаемый шнур не должен быть черного, зеленого, белого и коричневого цветов.
Информационный лист должен указывать, что подключение штепсельной вилки соединителя для прибора возможно только со стороны электрической сети.
Если неразборные соединители не укомплектованы кабелем или гибким шнуром, то свободные концы используемого кабеля или шнура должны обеспечивать правильное подключение к электрической сети и прибору или соединение с прибором, требующим непрерывности цепи заземления.
Кроме этого, в случае комплектации вывода прибора кабелем для взаимного соединения с другими приборами на свободном конце кабеля должна быть прикреплена табличка с предостережением: "Приборы соединяют между собой до подключения к электрической сети".
Если соединитель и розетка разборные, то инструкция изготовителя должна содержать следующую информацию:
a) длину изоляции или оболочки, которую необходимо удалить перед закреплением жилы кабеля или шнура в контактном зажиме;
b) идентификацию соединителя, который будет связан с прибором или кабелем соответственно;
c) подключение проводника коричневого цвета к зажиму L и проводника синего цвета - к зажиму N;
d) правильность сборки анкерного крепления кабеля, включая необходимость удаления изоляции проводников на длине 3 мм для обеспечения их фиксации в зажиме;
e) пригодность для применения с кабелем круглого сечения.
Проверку соответствия требованиям
8.101 и
8.102 проводят внешним осмотром.
9 Размеры и их соответствие
По IEC 60320-1 (раздел 9) со следующими изменениями:
9.1 Изложить в новой редакции:
Размеры соединителей должны соответствовать указанным в соответствующих стандартных листах согласно нижеприведенной таблице, за исключением требований
9.6.
Номинальный ток, А | Стандартный лист соединителя | Стандартный лист приборного ввода |
6 | | |
10 | A | B |
Соответствие проверяют измерением и, где возможно, с помощью соответствующего калибра.
При использовании калибра по рисунку 1 или
1А не следует применять усилие при вводе соединителя не более 60 Н. Для правильного и полного ввода калибра он должен быть снабжен отверстием.
При использовании основного и дополнительного калибров по рисункам 2 и
2А основной калибр вводят полностью в приборный ввод с усилием не более 60 Н. Дополнительные калибры вводят выше стержня.
В основном калибре должны быть предусмотрены плоскости для проверки длины штырей и высоты буртиков; надежным зацеплением дополнительного калибра проверяют внешние выступы приборной вилки.
9.2 Изложить в новой редакции:
Удерживающее устройство соединителя в сочленении с приборной вилкой должно соответствовать размерам стандартных листов A и B.
Соответствие проверяют испытаниями согласно
разделу 16.
9.3 По IEC 60320-1 (подраздел 9.3).
9.4 Изложить в новой редакции:
Недопустимы сочленения:
- переносных розеток для оборудования класса защиты II с приборными вилками для другого оборудования;
- переносных розеток на 6 А с приборными вилками на 10 А.
Соответствие проверяют осмотром, испытанием вручную и с помощью соответствующего калибра.
Испытание проводят при температуре окружающей среды (35 +/- 2) °C, такую же температуру должны иметь соединитель и шаблон.
9.5 По IEC 60320-1 (подраздел 9.5).
9.6 По IEC 60320-1 (подраздел 9.6).
10 Защита от поражения электрическим током
По IEC 60320-1 (раздел 10) со следующим изменением:
10.1 Изложить в новой редакции:
Приборные соединители должны иметь такую конструкцию, чтобы части приборных вилок, находящиеся под напряжением, не были доступны при частичном или полном сочленении с переносной розеткой.
Переносные розетки должны иметь такую конструкцию, чтобы не было доступа к частям, находящимся под напряжением, после сборки и подсоединения шнура, как при нормальной эксплуатации, но с открытой крышкой.
Соответствие проверяют осмотром и при необходимости испытанием с применением стандартного испытательного пальца, представленного на рисунке 10 IEC 60320-1. Этот палец прикладывают во всех возможных положениях для обнаружения с помощью индикатора электрического контакта с соответствующими частями. К переносным розеткам с буртиками, оболочками или корпусами, изготовленными из эластомерных или термопластичных материалов, стандартный испытательный палец прикладывают в течение (30 +/- 5) с с силой (20 +/- 3) Н во всех точках, где повреждение изоляции может снизить безопасность розетки; это испытание проводят при температуре окружающего воздуха (35 +/- 2) °C.
Примечание 1 - Электрический индикатор на напряжение от 40 до 50 В используется для обнаружения контакта с соответствующими деталями.
Примечание 2 - Соответствие стандартным листам обеспечивает выполнение требований относительно недоступности контактных элементов во время сочленения переносной розетки с приборной вилкой.
10.2 По IEC 60320-1 (подраздел 10.2).
10.3 По IEC 60320-1 (подраздел 10.3).
10.4 По IEC 60320-1 (подраздел 10.4).
Данный раздел IEC 60320-1 не применяют.
По IEC 60320-1 (раздел 12) с изменениями.
12.1 Общие положения
Требования данного подраздела распространяются только на переносные розетки и переносные вилки.
Для приборных вилок, представляемых в качестве отдельных устройств, не встроенных и не входящих в состав электроприборов или другого оборудования, могут потребоваться дополнительные требования.
Для приборных вилок, встроенных и входящих в состав электроприборов или другого оборудования, применяют требования конкретных стандартов на оборудование.
12.1.1 Первый абзац изложить в новой редакции:
Разборные соединители должны быть снабжены зажимами для крепления винтом.
Третий абзац изложить в новой редакции:
Неразборные соединители должны быть оснащены паяными, сварными, обжимными или другими равнозначными невинтовыми соединениями, не допускающими отсоединение проводника; винтовые соединения не применяют.
12.1.2 По IEC 60320-1 (пункт 12.1.2).
12.1.3 Изложить в новой редакции:
Разборные переносные розетки должны иметь зажимы размером 1, которые служат для подсоединения проводников, имеющих номинальную площадь поперечного сечения 0,75 и 1,0 мм2.
Примечание - Цифровые обозначения зажимов обозначают их размеры по IEC 60320-1 (см. стандартные листы C26 и C27).
Соответствие проверяют осмотром, измерением и установкой проводников сечением 0,75 и 1,0 мм2.
12.2 Резьбовые зажимы
12.2.1 По IEC 60320-1 (пункт 12.2.1).
12.2.2 По IEC 60320-1 (пункт 12.2.2).
12.2.3 По IEC 60320-1 (пункт 12.2.3).
12.2.4 Четвертый абзац изложить в новой редакции:
По IEC 60320-1.
12.2.5 По IEC 60320-1 (пункт 12.2.5).
12.2.6 Третий абзац изложить в новой редакции:
В зажимы устанавливают проводник сечением 1 мм2.
12.2.7 По IEC 60320-1 (пункт 12.2.7).
12.2.8 Третий абзац изложить в новой редакции:
В зажим помещают одножильный жесткий медный проводник сечением 1 мм2.
12.2.9 Не действует.
12.2.10 Не действует.
12.2.11 Не действует.
12.2.12 По IEC 60320-1 (пункт 12.2.12).
Испытательный проводник должен иметь номинальное поперечное сечение 1 мм2.
По IEC 60320-1 (раздел 13) со следующими изменениями:
13.1 Не применяют.
13.2 По IEC 60320-1 (подраздел 13.2).
13.3 По IEC 60320-1 (подраздел 13.3).
13.4 По IEC 60320-1 (подраздел 13.4).
13.5 Изложить в новой редакции:
Контакты соединителей должны быть самоустанавливающимися для обеспечения нужного контактного давления.
Саморегулирование контактов не должно зависеть от упругости изоляционного материала.
Соответствие проверяют вытягивающим калибром по
рисунку 4, проверяя каждый отдельный фазный и нейтральный контакт, при этом необходимо следить, чтобы навесная крышка оболочки не оказывала влияния на результат испытания. В ходе испытания контакт соединителя должен удерживать калибр не менее 30 с, когда соединитель установлен вертикально, а калибр подвешен вниз.
13.6 По IEC 60320-1 (подраздел 13.6) для всех разборных соединителей.
Корпус разборной переносной розетки должен состоять более чем из одной части и полностью закрывать зажимы и концы шнура.
Примечание - Части корпуса, соединенные между собой упругими элементами, рассматривают как отдельные части.
Конструкция переносной розетки должна быть такой, чтобы от точки разделки жил обеспечивалось правильное подсоединение и после монтажа розетки как при нормальной эксплуатации не было бы риска:
- прижатия жил друг к другу;
- контакта жилы проводника с доступными металлическими частями;
- контакта жилы проводника с другими частями, находящимися под напряжением.
13.7 По IEC 60320-1 (подраздел 13.7).
13.8 По IEC 60320-1 (подраздел 13.8) для приборных розеток и переносных вилок.
13.9 Не применяют.
13.10 По IEC 60320-1 (подраздел 13.10) для приборных розеток и переносных вилок.
13.11 Не применяют.
13.12 По IEC 60320-1 (подраздел 13.12).
Дополнить раздел следующими пунктами:
13.101 Соединитель должен включать средство, гарантирующее требуемую степень защиты от проникновения воды, когда приборная вилка или розетка, переносная вилка и переносная розетка находятся в полном зацеплении с ответной частью.
Соответствие проверяют осмотром и испытанием по
14.101.
13.102 Переносная розетка или переносная вилка при оснащении шнуром как для нормальной эксплуатации в отсутствие зацепления с ответной частью должна соответствовать
разделу 10 и
пункту 14.101.
13.103 Переносные розетки должны быть оснащены крышкой для достижения нужной степени защиты от влаги при незацеплении с ответной частью. Крышка должна быть самозакрывающейся и надежно прикреплена к соединителю.
13.104 Приборные вилки, представляющие единое целое или встроенные в прибор или оборудование, от открытой поверхности до зажимов или выводов должны содержать средства, обеспечивающие требуемую степень защиты от проникновения влаги.
Неразборные переносные вилки, встраиваемые в оборудование, должны оснащаться шнуром длиной 500 мм и меньше (если измерять от точки входа шнура в переносную вилку до точки входа шнура в оборудование).
Соответствие проверяют осмотром и испытанием по
14.101.
13.105 Пружины крышек, если имеются, переносной розетки, оснащенной гибким шнуром как для нормальной эксплуатации, должны быть достаточно тугими, чтобы быстро закрыть крышку, если ответная часть не зацеплена, и выдерживать открывание и закрывание крышки при нормальной эксплуатации под углом от 90° до 100°. Крышка и связанные с ней пружины, если имеются, должны противостоять повреждению при открывании полностью и быть из коррозиестойких материалов.
Соответствие проверяют осмотром и испытанием по
13.105.1. По окончании испытания крышка должна закрываться, как требует настоящий стандарт.
Соответствие требованиям к коррозиестойкости материалов проверяют испытанием по 28.1.
13.105.1 Крышка должна открываться полностью и закрываться под действием пружин последовательно 4000 раз с частотой (15 +/- 2) раз в минуту.
По IEC 60320-1 (раздел 14) со следующими изменениями:
Шестой абзац изложить в новой редакции:
Образцы выдерживают в шкафу в течение 168 ч (7 сут.).
Дополнить раздел пунктом:
14.101 Согласно IEC 60529 соединители должны иметь степень защиты выше IPX0.
Соответствие проверяют подходящим испытанием по IEC 60529 с последующей обработкой, указанной ниже, по удалению остатков воды с поверхности соединителя и выполнением испытания электрической прочности изоляции по
разделу 15.
Соединители должны выдержать испытание на электрическую прочность изоляции, а осмотр должен показать, что вода не попала в образец в значительной степени и не достигла токоведущих частей.
Соединители, предназначенные для крепления к ним шнура, испытывают в следующем порядке:
a) неразборные соединители, оснащенные шнуром;
b) разборные соединители на 6 А со шнуром сечением 0,75 мм2;
c) разборные соединители на 10 А со шнуром сечением 0,75 и 1,0 мм2.
Приборные вводы испытывают смонтированными в подходящую влагозащищенную оболочку согласно инструкциям изготовителя по монтажу.
Крепежные винты оболочек и крышек затягивают крутящим моментом, равным 2/3 соответствующего крутящего момента, указанного в
разделе 25. Соединители помещают в наиболее неблагоприятное положение.
Соединители испытывают как с ответной частью в зацеплении, так и без нее с соблюдением требуемой степени защиты от влаги (как указано в
13.102) при размещении как для нормальной эксплуатации.
15 Сопротивление изоляции и электрическая прочность изоляции
По IEC 60320-1 (раздел 15) со следующими изменениями:
15.1 По IEC 60320-1 (подраздел 15.1).
15.2 Изложить в новой редакции:
Сопротивление изоляции измеряют с прикладыванием напряжения постоянного тока 500 В; каждое измерение проводят спустя (60 +/- 5) с после прикладывания напряжения.
Сопротивление изоляции измеряют в следующем порядке:
a) для приборных вилок в зацеплении с переносной розеткой между токоведущими штырями, соединенными вместе и с корпусом;
b) для приборных вилок в зацеплении с переносной розеткой между каждым токоведущим штырем по очереди и остальными, соединенными с корпусом;
c) для переносных розеток и переносных вилок между токоведущими штырями или гнездами, соединенными вместе и с корпусом;
d) для переносных розеток и переносных вилок между каждым токоведущим штырем или гнездом по очереди и остальными, соединенными вместе и с корпусом;
e) для разборных переносных розеток и переносных вилок между любой металлической частью анкерного крепления шнура, исключая зажимные винты, и металлическим стержнем с максимальным диаметром шнура, вставленным на его место.
Примечание - Максимальные диаметры шнуров следующие:
Тип шнура | Число жил и их номинальное поперечное сечение, мм2 | Максимальный диаметр шнура, мм |
60227 IEC 53 | 2 x 0,75 | 7,2 |
2 x 1,00 | 7,5 |
60245 IEC 53 | 2 x 0,75 | 7,4 |
2 x 1,00 | 8,0 |
Сопротивление изоляции должно быть не менее 5 МОм.
Термин "корпус", используемый в вышеприведенных
перечислениях a) -
d), включает все доступные металлические части, крепежные винты, внешние сборочные винты и т.п. и металлическую фольгу, контактирующую с внешней поверхностью наружных частей из изоляционного материала, включая зацепляющие поверхности соединителей [перечисления
c) и
d)].
Металлическую фольгу оборачивают вокруг внешней поверхности наружных частей из изоляционного материала; при этом ее не вдавливают в отверстия.
15.3 Изложить в новой редакции:
Напряжение, в основном синусоидальной формы волны, частотой от 50 до 60 Гц прикладывают в течение не менее 1 мин между частями, как указано в
15.2.
Значение испытательного напряжения составляет:
a) (4000 +/- 60) В между токоведущими частями и корпусом;
b) (2000 +/- 60) В между остальными частями.
Первоначально прикладывают не более половины предписанного напряжения, затем его быстро повышают до полного значения.
В ходе испытания не должно происходить пробоев и перекрытий.
Примечание 1 - Применяемый для испытания высоковольтный трансформатор должен иметь такую конструкцию, чтобы когда его выходные зажимы накоротко замкнуты, после того как выходное напряжение отрегулировано на нужное испытательное значение, выходной ток составлял не менее 200 мА. Реле сверхтока не должно срабатывать при выходном токе менее 100 мА.
Примечание 2 - Необходимо следить за тем, чтобы действующее значение прикладываемого испытательного напряжения измерялось в пределах +/- 3%.
Примечание 3 - Тлеющие разряды без падения напряжения не учитывают.
16 Усилия, необходимые для сочленения и расчленения соединителя
По IEC 60320-1 (раздел 16) со следующими изменениями:
16.1 По IEC 60320-1 (подраздел 16.1).
16.2 По IEC 60320-1 (подраздел 16.2).
Дополнить раздел пунктом:
16.101 Должен быть предусмотрен удерживающий захват для предотвращения неожиданного разъединения частей соединителя в зацеплении.
Удерживающий захват должен действовать точно. Должна существовать возможность сочленения и расчленения соединителя и приведения в действие удерживающего захвата двумя руками без усилия.
Соответствие проверяют оперированием вручную и проведением следующего испытания. Во время данного испытания соединение частей поддерживают прикладыванием основного груза, а разъединение осуществляют прикладыванием еще и дополнительного груза.
Максимальное и минимальное необходимые усилия для разъединения соединителя определяют с помощью испытательной установки, показанной на
рисунке 3. Данная установка состоит из монтажной плиты (A) и приборного соединителя (B), подключенного как для нормальной эксплуатации, установленного так, чтобы он висел вертикально с переносной вилкой или приборной вилкой, направленной вниз.
Для разборных приборных соединителей с анкерным креплением шнура зажимными винтами винты затягивают моментом по
25.1.
Максимальное и минимальное разъединяющие усилия, предусмотренные удерживающим устройством, измеряют при введении переносной вилки или приборного ввода в соединитель на полную глубину. Держатель (C) с основным грузом (D) и дополнительным грузом (E) прикрепляют к шнуру (F). Усилия, прикладываемые к компонентам, представлены ниже в таблице. Основной груз подвешен к соединителю без толчков, а дополнительный груз падает высоты (50 +/- 2,5) мм на основной груз.
Компонент | Прикладываемое усилие, Н |
Держатель (C) и основной груз (D) | 60 +/- 1 |
Дополнительный груз (E) | 30 +/- 1 |
17 Работоспособность контактов
По IEC 60320-1 (раздел 17).
18 Теплостойкость приборных соединителей для горячих условий и очень горячих условий
Не применяют.
19 Отключающая способность
По IEC 60320-1 (раздел 19) со следующим изменением:
Четвертый абзац изложить в новой редакции:
Ввод электроприбора или переносную вилку располагают так, чтобы плоскость, проходящая через оси штырей, была в горизонтальном положении, а крышку снимают или оставляют открытой.
20 Нормальное оперирование
По IEC 60320-1 (раздел 20) со следующим изменением:
Дополнить раздел предложением:
Соединитель испытывают со снятой или открытой крышкой.
21 Превышение температуры
Раздел IEC 60320-1 (раздел 21) изложить в новой редакции:
Контакты и другие токопроводящие части должны иметь такую конструкцию, которая исключала бы чрезмерное превышение температуры при прохождении тока.
Соответствие проверяют следующим испытанием.
Разборные переносные розетки и переносные вилки комплектуют шнурами в термопластичной изоляции минимальной длины 500 мм и следующих поперечных сечений:
- для соединителей на 6 А - 0,75 мм2;
- для соединителей на 10 А - 1,00 мм2.
Зажимные винты затягивают 2/3 момента, указанного в соответствующей графе таблицы по
25.1.
Неразборные переносные розетки и переносные вилки испытывают в состоянии поставки со шнуром минимальной длины 500 мм.
Переносную розетку соединяют с переносной вилкой согласно стандартному листу B, кроме того, штыри должны иметь минимальные размеры с допуском +0,02 мм, расстояние между центрами штырей - согласно стандартному листу.
Примечание - Можно применить минимальные размеры, указанные в стандартном листе B, но с отрицательным допуском.
Переносные вилки испытывают с переносными розетками, соответствующими данному стандарту.
Переменный ток, равный 1,25 номинального - 0,5 А, пропускают через токопроводящие контакты в течение 1 ч или до достижения установившихся условий - выбирают, что продолжительнее.
Температуру определяют с помощью термопар, которые подбирают и размещают так, чтобы они имели незначительное воздействие на определяемую температуру.
Превышение температуры зажимов и выводов не должно быть более 45 °C.
22 Шнуры и их присоединение
По IEC 60320-1 (раздел 22) со следующим изменением:
22.1 Изложить в новой редакции:
Неразъемные соединители должны быть оснащены шнуром типа 60227 IEC 53 либо 60245 IEC 53 согласно нижеприведенной таблице.
Тип соединителя | Номинальное поперечное сечение, мм2 |
Переносная вилка | 0,75 - 1,00 согласно инструкции изготовителя электроприбора |
Переносная розетка на 6 А | 0,75 |
Переносная розетка на 10 А с прикрепленным шнуром длиной 2 м и менее | 0,75 или 1,00 |
Переносная розетка на 10 А с прикрепленным шнуром длиной св. 2 м | 1,00 |
Соответствие проверяют осмотром.
22.2 Со следующим изменением:
Данный подраздел IEC 60320-1 распространяется на переносные розетки и переносные вилки.
22.3 Изложить в новой редакции:
Для разборных соединителей:
- должно быть очевидным, какой способ защиты от натяжения и скручивания является эффективным;
- устройство защиты шнура или по крайней мере часть его должна быть встроенной или прикрепленной к одной из частей соединителя;
- не допускается применение временных приспособлений, а именно завязывание узлов на шнуре, привязывание концов шнура проволокой;
- устройства защиты шнура от натяжения и скручивания должны быть соответствующими для разных типов присоединяемых шнуров, и их эффективность не должна зависеть от сборки частей корпуса соединителя;
- устройства защиты шнура от натяжения и скручивания должны быть выполнены из изоляционного материала или их металлические части должны быть снабжены прикрепленными к ним прокладками;
- должна быть исключена возможность прикосновения шнура к зажимным винтам устройства защиты от натяжения или скручивания, если эти винты доступны для стандартного испытательного пальца по IEC 60320-1 (рисунок 10) или электрически соединены с доступными металлическими частями.
Соответствие требованиям
22.2 и
22.3 проверяют осмотром и испытанием на натяжение в устройстве, представленном на рисунке 16 IEC 60320-1, с последующим испытанием на кручение.
Неразборные соединители испытывают со шнуром в состоянии поставки. Разборные соединители испытывают со шнуром типа 60227 IEC 53 или 60245 IEC 53 номинального поперечного сечения 0,75 и 1,00 мм2.
Проводники шнура разборных соединителей вводят в зажимы, зажимные винты затягивают, чтобы исключить возможность изменения положения проводников.
Устройство крепления шнура используют, как обычно, его зажимные винты затягивают крутящим моментом, равным двум третям момента, указанного в соответствующей графе таблицы
пункта 25.1. После повторной сборки испытуемого образца его части должны быть плотно соединены так, что должна быть исключена возможность проталкивания шнура внутрь соединителя на значительное расстояние.
Образец устанавливают в испытательное устройство так, чтобы ось шнура была вертикальной в месте ввода в соединитель.
Затем шнур подвергают натяжению 25 раз с силой (150 +/- 3) Н.
Натяжения прикладывают без рывков каждый раз в течение минимум 1 с.
Сразу же после этого шнур подвергают в течение (60 +/- 5) с воздействию минимального крутящего момента 0,15 Нм, прикладываемого рядом с вводом шнура.
Во время испытания шнур не должен повреждаться.
После испытания не должно быть смещения шнура более чем на 2 мм. В разборных соединителях концы проводников не должны заметно смещаться в зажимах. В неразборных соединителях не должны быть нарушены электрические соединения.
Для измерения продольного смещения перед началом испытания на шнуре при прикладывании к нему предварительного натяжения заданного значения ставят метку на расстоянии приблизительно 20 мм от края соединителя или устройства защиты шнура, дополнительную метку делают на корпусе образца и измеряют расстояние между двумя метками.
После испытаний измеряют смещение метки на шнуре относительно образца или устройства защиты шнура, пока шнур еще находится под натяжением заданного значения.
22.4 Изложить в новой редакции:
Конструкция соединителей должна обеспечивать защиту шнура от чрезмерных изгибов на вводе соединителя.
Соответствие требованиям проверяют осмотром и следующим испытанием.
Соединители подвергают испытанию на изгиб в установке, имеющей качающийся элемент, аналогичный показанному на рисунке 17 IEC 60320-1.
Разборные переносные розетки и переносные вилки оснащают шнуром соответствующей длины сечением 1 мм2. Устройство защиты шнура, если оно имеется, устанавливают на место.
Неразборные соединители испытывают со шнуром в состоянии поставки.
Образец закрепляют на качающемся элементе установки таким образом, чтобы ось шнура на вводе в образец располагалась вертикально, когда образец находится в середине траектории качания, и проходила через ось качания.
Затем регулируют качающийся элемент, меняя расстояние d, представленное на рисунке 17 IEC 60320-1, для получения минимального бокового перемещения шнура, когда качающийся элемент установки достигает своего полного отклонения.
Шнур нагружают так, чтобы прикладываемое усилие составляло (20 - 2) Н.
Через проводники пропускают ток, равный (10 +/- 0,1) А, при напряжении, равном номинальному.
Качающийся элемент перемещается вперед и назад под углом 90° (45° +/- 3° по обе стороны от вертикали); число изгибов составляет 20 000 для разборных и неразборных соединителей при частоте (60 +/- 1) изгибов в минуту.
Примечание - Изгиб - это одно движение назад или вперед.
Образцы со шнурами поворачивают на 90° в качающемся элементе после выполнения половины требуемых изгибов.
Испытание проводят на соединителях, не подвергаемых другим испытаниям.
Во время испытания не должно быть прерывания испытательного тока и между проводниками не должно быть коротких замыканий. Считают, что между проводниками шнура произошло короткое замыкание, если ток достигает значения, равного двукратному номинальному току соединителя.
После испытаний образец не должен иметь повреждений, нарушающих соответствие требованиям настоящего стандарта, при наличии защитного устройства шнура оно не должно отделяться от корпуса, а изоляция шнура не должна иметь признаков износа или потертостей; кроме того, в неразборных соединителях проволоки проводников не должны прокалывать изоляцию, становясь доступными для прикосновения.
23 Механическая прочность
По IEC 60320-1 (раздел 23) со следующими изменениями:
23.1 Изложить в новой редакции:
Соединители должны обладать соответствующей механической прочностью.
Соответствие требованиям проверяют:
- для переносных розеток - испытаниями по
23.2,
23.3 и
23.7;
- для переносных розеток - испытанием по
23.2;
- для приборных вилок - испытанием по
23.5.
Примечание - Буртики приборных вилок, предназначенных для утопленной установки в электроприбор или другое оборудование, не подвергают испытанию по
23.5.
23.2 По IEC 60320-1 (подраздел 23.2) со следующим изменением:
Число падений должно быть равно 500 для переносной розетки и переносной вилки, соединенных вместе.
Разборные соединители оснащают шнуром типа 60227 IEC 53 следующих поперечных сечений:
- для соединителей на 6 А - 0,75 мм2;
- для соединителей на 10 А - 1 мм2.
23.3 По IEC 60320-1 (подраздел 23.3).
23.4 Не применяют.
23.5 Первый абзац изложить в новой редакции:
Приборные вилки, предназначенные для наружной установки и имеющие буртик из изоляционного материала, кроме эластомерного, термопластичного или другого гибкого материала, испытывают ударным пружинным устройством, представленным в IEC 60320-1 (рисунок 21). Перед началом испытания приборные вилки в оболочках из гибкого или термопластичного материала помещают в холодильник при температуре (минус 5 +/- 2) °C на 16 ч. После холодильника приборные вилки сразу же подвергают следующему испытанию. Удары прикладывают к образцу с помощью ударного пружинного устройства по IEC 60320-1 (рисунок 21).
Пятый абзац изложить в новой редакции:
Головка молотка имеет полусферическую поверхность радиусом (10-0,01) мм, она изготовлена из полиамида, имеющего твердость по Роквеллу 100 HR. Она крепится к тяговому стержню ударного элемента так, чтобы расстояние между ее концом и плоскостью фронтальной поверхности конуса составляло 28 мм, когда ударный элемент находится в положении перед спуском.
Седьмой абзац изложить в новой редакции:
Пружину ударного элемента регулируют так, чтобы произведение сжатия в миллиметрах на силу в ньютонах равнялось 2000, а длина сжатия пружины должна быть равна приблизительно 28 мм. При такой регулировке энергия удара составляет (1,00 +/- 0,05) Дж.
Двенадцатый абзац изложить в новой редакции:
Образец устанавливают на жесткой опоре и наносят по три удара в каждую точку, выбранную в наиболее уязвимых местах.
Тринадцатый абзац изложить в новой редакции:
После испытания на образце не должно быть повреждений, нарушающих соответствие настоящему стандарту. В частности, токоведущие части не должны оказаться доступными, а на оболочке не должно быть трещин, видимых невооруженным глазом. Приборные вилки должны соответствовать
14.101.
23.6 Не применяют.
23.7 По IEC 60320-1 (подраздел 23.7).
24 Устойчивость к нагреву и старению
По IEC 60320-1 (раздел 24) со следующими изменениями:
24.1.1 По IEC 60320-1 (пункт 22.1.1).
24.1.2 По IEC 60320-1 (пункт 24.1.2).
24.1.3 Со следующим изменением:
Данный пункт IEC 60320-1 распространяется на переносные розетки и переносные вилки.
24.2 По IEC 60320-1 (подраздел 24.2).
25 Винты, токоведущие части и соединения
По IEC 60320-1 (раздел 25) со следующими изменениями:
25.1 По IEC 60320-1 (подраздел 25.1).
25.2 По IEC 60320-1 (подраздел 25.2).
25.3 По IEC 60320-1 (подраздел 25.3).
25.4 По IEC 60320-1 (подраздел 25.4).
25.5 По IEC 60320-1 (подраздел 25.5).
25.6 По IEC 60320-1 (подраздел 25.6).
25.7 По IEC 60320-1 (подраздел 25.7).
25.8 Не применяют.
26 Расстояния утечки, воздушные зазоры и расстояния через изоляцию
По IEC 60320-1 (раздел 26) со следующим изменением:
Дополнить раздел следующим текстом:
Соединители испытывают с гибким проводником следующего поперечного сечения:
- соединители на 6 А - со шнуром 0,75 мм2;
- соединители на 10 А - со шнуром 1 мм2.
27 Устойчивость изоляционного материала к аномальному нагреву, огню и трекингостойкость
По IEC 60320-1 (раздел 27) со следующими изменениями:
27.1 По IEC 60320-1 (подраздел 27.1).
27.2 Изложить в новой редакции:
Изоляционные части, поддерживающие или контактирующие с токоведущими частями приборных соединителей, должны быть выполнены из трекингостойкого материала.
Соответствие проверяют для материалов, кроме керамики, испытанием по IEC 60112. В этом испытании нет необходимости, если расстояния утечки равны двукратным значениям, указанным в
разделе 26.
27.2.1 Изложить в новой редакции:
По IEC 60112 (раздел 3).
Примечание - Если провести испытание на одном образце толщиной 3 мм не представляется возможным, допускается набор образцов для составления толщины 3 мм или применение пластины из идентичного материала толщиной 3 мм.
27.2.2 По IEC 60320-1 (пункт 27.2.2).
27.2.3 По IEC 60320-1 (пункт 27.2.3).
27.2.4 По IEC 60320-1 (пункт 27.2.4).
По IEC 60320-1 (раздел 28).
29 Требования к электромагнитной совместимости (ЭМС)
По IEC 60320-1 (раздел 29).
(рекомендуемое)
КОНТРОЛЬНЫЕ ИСПЫТАНИЯ НА БЕЗОПАСНОСТЬ СОЕДИНИТЕЛЕЙ
ДЛЯ ЭЛЕКТРОПРИБОРОВ (ЗАЩИТА ОТ ПОРАЖЕНИЯ ЭЛЕКТРИЧЕСКИМ
ТОКОМ И СОБЛЮДЕНИЕ ПРАВИЛЬНОЙ ПОЛЯРНОСТИ),
СМОНТИРОВАННЫХ ИЗГОТОВИТЕЛЕМ
По IEC 60320-1 (приложение А).
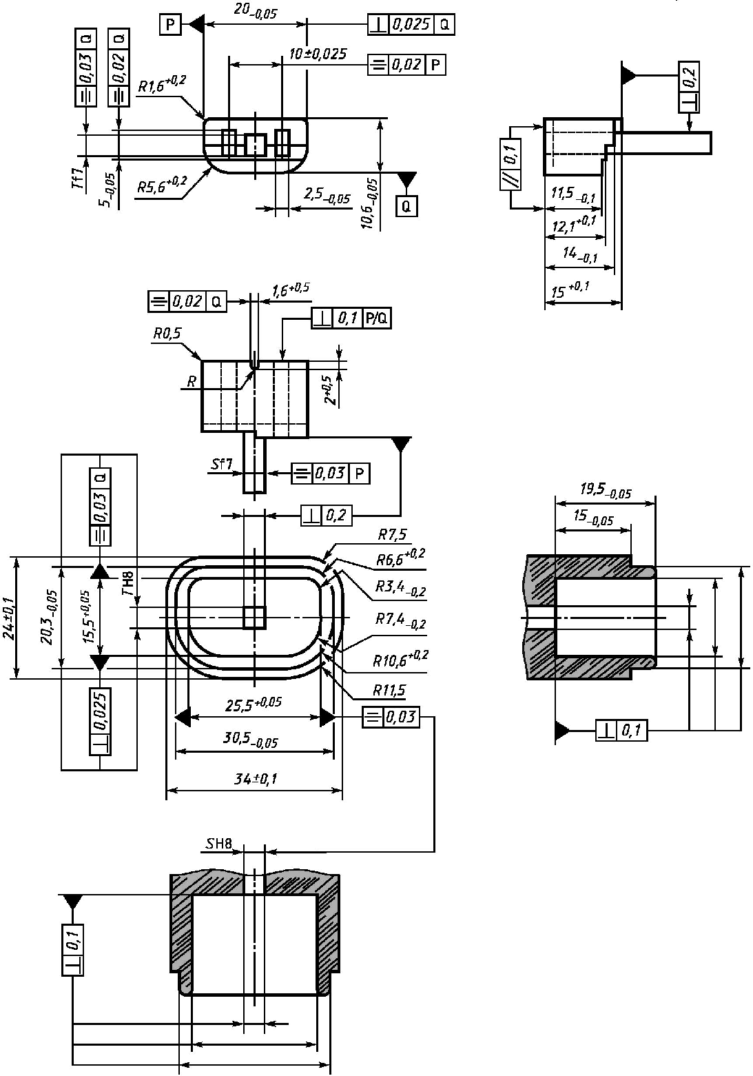
Розетка на ток 6 А 250 В для холодных условий
для оборудования класса защиты II, IPX4
Размеры в миллиметрах
Приведенный рисунок не определяет конкретную конструкцию, за исключением требования соблюдения указанных размеров. Размеры без допусков являются рекомендуемыми.
Угол

выбирают в соответствии с требованиями
13.105.
Приборные вилки на ток 6 А 250 В для холодных условий
для оборудования класса защиты II, IPX4
Размеры в миллиметрах
Приведенный рисунок не определяет конкретную конструкцию, за исключением требования соблюдения указанных размеров. Размеры без допусков являются рекомендуемыми.
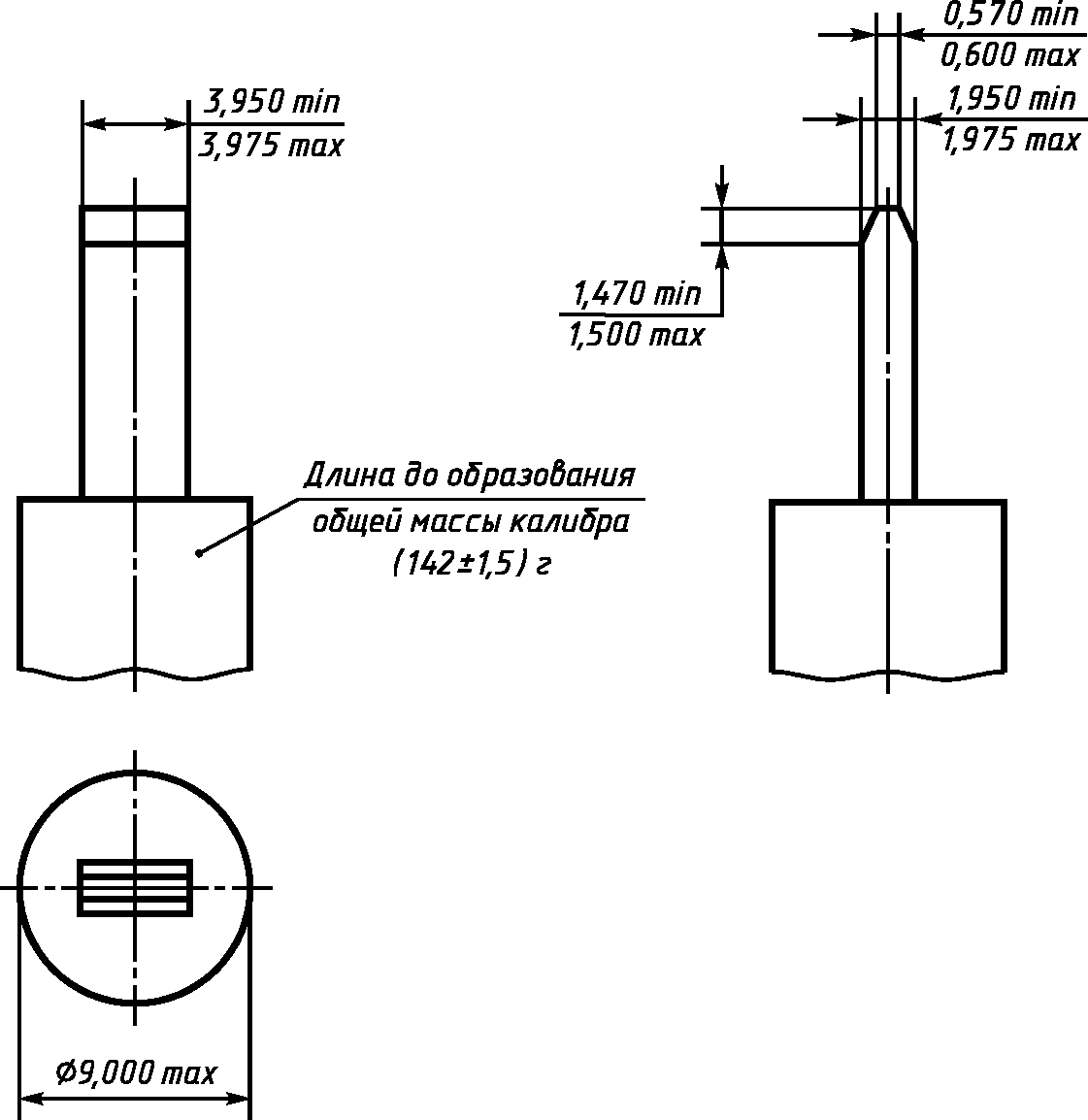
Размеры в миллиметрах
Рисунок 1А - "Проходной" калибр для соединителей
Размеры в миллиметрах
Материал калибра и штырей - твердая сталь.
Номинальные значения размеров S и T стержня и отверстия свободные, однако допуски должны соблюдаться.
Рисунок 2А - Основной и дополнительный "проходной" калибр
Размеры в миллиметрах
1 - кабельный зажим; A - монтажная плита;
B - приборный соединитель; F - кабель;
E - дополнительный груз; D - основной груз; C - держатель
Рисунок 3 - Пример установки для испытания
на случайное расцепление (см.
16.101)
Размеры в миллиметрах
Рисунок 4 - Вытягивающий калибр (см.
13.5)
(справочное)
СВЕДЕНИЯ О СООТВЕТСТВИИ ССЫЛОЧНЫХ МЕЖДУНАРОДНЫХ СТАНДАРТОВ
МЕЖГОСУДАРСТВЕННЫМ СТАНДАРТАМ
Таблица ДА.1
Обозначение ссылочного международного стандарта | Степень соответствия | Обозначение и наименование соответствующего межгосударственного стандарта |
IEC 60320-1:1994 | MOD | ГОСТ 30851.1-2002 (IEC 60320-1:1994) "Соединители электрические бытового и аналогичного назначения. Часть 1. Общие требования и методы испытаний" |
IEC 60529:1989 | MOD | ГОСТ 14254-2015 (IEC 60529:2013) "Степени защиты, обеспечиваемые оболочками (Код IP)" |
Примечание - В настоящей таблице использовано следующее условное обозначение степени соответствия стандартов: - MOD - модифицированные стандарты. |
УДК 621.316.542:006.354 | | IDT |
Ключевые слова: соединители степени защиты свыше IPX0, методы испытаний |