Главная // Актуальные документы // ГОСТ (Государственный стандарт)СПРАВКА
Источник публикации
М.: ФГБУ "Институт стандартизации", 2024
Примечание к документу
Документ
введен в действие с 01.05.2024.
Название документа
"ГОСТ 35043-2023. Межгосударственный стандарт. Изделия погонажные электромонтажные. Требования пожарной безопасности. Методы испытаний"
(введен в действие Приказом Росстандарта от 11.04.2024 N 444-ст)
"ГОСТ 35043-2023. Межгосударственный стандарт. Изделия погонажные электромонтажные. Требования пожарной безопасности. Методы испытаний"
(введен в действие Приказом Росстандарта от 11.04.2024 N 444-ст)
Введен в действие
агентства по техническому
регулированию и метрологии
от 11 апреля 2024 г. N 444-ст
МЕЖГОСУДАРСТВЕННЫЙ СТАНДАРТ
ИЗДЕЛИЯ ПОГОНАЖНЫЕ ЭЛЕКТРОМОНТАЖНЫЕ
ТРЕБОВАНИЯ ПОЖАРНОЙ БЕЗОПАСНОСТИ. МЕТОДЫ ИСПЫТАНИЙ
Electrical mounting appliances.
Requirements of fire safety. Test methods
ГОСТ 35043-2023
Дата введения
1 мая 2024 года
Цели, основные принципы и общие правила проведения работ по межгосударственной стандартизации установлены
ГОСТ 1.0 "Межгосударственная система стандартизации. Основные положения" и
ГОСТ 1.2 "Межгосударственная система стандартизации. Стандарты межгосударственные, правила и рекомендации по межгосударственной стандартизации. Правила разработки, принятия, обновления и отмены"
1 РАЗРАБОТАН Федеральным государственным бюджетным учреждением "Всероссийский ордена "Знак Почета" научно-исследовательский институт противопожарной обороны Министерства Российской Федерации по делам гражданской обороны, чрезвычайным ситуациям и ликвидации последствий стихийных бедствий" (ФГБУ ВНИИПО МЧС России)
2 ВНЕСЕН Межгосударственным техническим комитетом по стандартизации МТК 274 "Пожарная безопасность"
3 ПРИНЯТ Межгосударственным советом по стандартизации, метрологии и сертификации (протокол от 15 декабря 2023 г. N 64-2023)
За принятие проголосовали:
Краткое наименование страны по МК (ИСО 3166) 004-97 | Код страны по МК (ИСО 3166) 004-97 | Сокращенное наименование национального органа по стандартизации |
Армения | AM | ЗАО "Национальный орган по стандартизации и метрологии" Республики Армения |
Беларусь | BY | Госстандарт Республики Беларусь |
Киргизия | KG | Кыргызстандарт |
Россия | RU | Росстандарт |
Таджикистан | TJ | Таджикстандарт |
Узбекистан | UZ | Узстандарт |
4
Приказом Федерального агентства по техническому регулированию и метрологии от 11 апреля 2024 г. N 444-ст межгосударственный стандарт ГОСТ 35043-2023 введен в действие в качестве национального стандарта Российской Федерации с 1 мая 2024 г.
5 ВВЕДЕН ВПЕРВЫЕ
--------------------------------
<*>
Приказом Федерального агентства по техническому регулированию и метрологии от 11 апреля 2024 г. N 444-ст
ГОСТ Р 53313-2009 отменен с 1 мая 2024 г.
Информация о введении в действие (прекращении действия) настоящего стандарта и изменений к нему на территории указанных выше государств публикуется в указателях национальных стандартов, издаваемых в этих государствах, а также в сети Интернет на сайтах соответствующих национальных органов по стандартизации.
В случае пересмотра, изменения или отмены настоящего стандарта соответствующая информация будет опубликована на официальном интернет-сайте Межгосударственного совета по стандартизации, метрологии и сертификации в каталоге "Межгосударственные стандарты"
Настоящий стандарт распространяется на электромонтажные погонажные изделия с поперечным сечением различной геометрической формы, изготовленные с применением неметаллических материалов, в том числе на гибкие металлические рукава в изоляции (оболочке) из неметаллических материалов, и предназначенные для прокладки кабелей и проводов.
Настоящий стандарт устанавливает требования пожарной безопасности и методы испытаний.
Стандарт не распространяется на электромонтажные погонажные изделия, предназначенные для прокладки кабельных изделий в грунтах, под водой, а также при скрытой замоноличенной прокладке в строительных конструкциях из негорючих материалов.
В настоящем стандарте использованы нормативные ссылки на следующие стандарты:
ГОСТ 28779 (МЭК 707-81) Материалы электроизоляционные твердые. Методы определения воспламеняемости под воздействием источника зажигания
ГОСТ 31996 Кабели силовые с пластмассовой изоляцией на номинальное напряжение 0,66; 1 и 3 кВ. Общие технические условия
ГОСТ IEC 60332-3-10 Испытания электрических и оптических кабелей в условиях воздействия пламени. Часть 3-10. Распространение пламени по вертикально расположенным пучкам проводов или кабелей. Испытательная установка
ГОСТ IEC 60332-3-22 Испытания электрических и оптических кабелей в условиях воздействия пламени. Часть 3-22. Распространение пламени по вертикально расположенным пучкам проводов или кабелей. Категория А
ГОСТ IEC 60695-2-11-2013 Испытания на пожароопасность. Часть 2-11. Основные методы испытаний раскаленной проволокой. Испытание раскаленной проволокой на воспламеняемость конечной продукции
ГОСТ IEC 60695-10-2 Испытания на пожароопасность. Часть 10-2. Чрезмерный нагрев. Испытание давлением шарика
Примечание - При пользовании настоящим стандартом целесообразно проверить действие ссылочных стандартов и классификаторов на официальном интернет-сайте Межгосударственного совета по стандартизации, метрологии и сертификации (www.easc.by) или по указателям национальных стандартов, издаваемым в государствах, указанных в предисловии, или на официальных сайтах соответствующих национальных органов по стандартизации. Если на документ дана недатированная ссылка, то следует использовать документ, действующий на текущий момент, с учетом всех внесенных в него изменений. Если заменен ссылочный документ, на который дана датированная ссылка, то следует использовать указанную версию этого документа. Если после принятия настоящего стандарта в ссылочный документ, на который дана датированная ссылка, внесено изменение, затрагивающее положение, на которое дана ссылка, то это положение применяется без учета данного изменения. Если ссылочный документ отменен без замены, то положение, в котором дана ссылка на него, применяется в части, не затрагивающей эту ссылку.
В настоящем стандарте применены следующие термины с соответствующими определениями:
3.1 теплостойкость: Способность нагретого электроизоляционного материала выдерживать воздействие давления шариком.
3.2 стойкость к зажиганию нагретой проволокой: Способность электроизоляционного материала выдерживать воздействие нагретой проволоки.
3.3 стойкость к воздействию открытого пламени: Способность электроизоляционного материала выдерживать воздействие пламени от горелки Бунзена.
3.4 стойкость к распространению горения электромонтажных погонажных изделий: Способность электромонтажных погонажных изделий не распространять горение в условиях, определенных настоящим стандартом.
4 Требования пожарной безопасности
Электромонтажные погонажные изделия и материалы, применяемые при их изготовлении, должны обладать следующими свойствами:
- теплостойкостью;
- стойкостью к зажиганию нагретой проволокой;
- стойкостью к воздействию открытого пламени;
- стойкостью к распространению горения при одиночной или групповой прокладке (не относится к перфорированным изделиям для электрических шкафов).
5.1 Образцы для испытаний
Количество образцов для типовых испытаний каждой марки изделия по
5.2 -
5.5 определяют исходя из числа типоразмеров:
для марок, имеющих пять и менее типоразмеров, испытывают изделия наибольшего и наименьшего типоразмеров;
для марок, имеющих от шести до десяти типоразмеров, испытывают изделия наименьшего, среднего и наибольшего типоразмеров;
для марок, имеющих более десяти типоразмеров, испытывают изделия наименьшего, каждого пятого и наибольшего типоразмеров.
Результаты типовых испытаний образцов изделий распространяются на весь диапазон типоразмеров марки изделия.
5.2 Метод испытания материалов электромонтажных погонажных изделий на теплостойкость
5.2.1 Испытания не проводят для гибких металлических рукавов в изоляции (оболочке) из неметаллических материалов.
5.2.2 Подготовка образцов
Образец следует вырезать из готовой продукции так, чтобы его толщина была не менее 2,5 мм и поверхности были плоскопараллельными. При необходимости требуемая толщина может быть обеспечена наложением одной части образца на другую.
Если невозможно подготовить образец из готовой продукции, то можно применить пластинку из того же материала толщиной не менее 2,5 мм. При этом образец квадратной формы должен иметь сторону не менее 10 мм, а в форме диска - диаметр не менее 10 мм.
Температура в термокамере должна составлять:
(125 +/- 2) °C - для элементов электромонтажных погонажных изделий, удерживающих токопроводящие части, а также применяемых в качестве дополнительной или усиленной изоляции;
(75 +/- 2) °C - для наружных частей электромонтажных погонажных изделий.
5.3 Метод испытания материала электромонтажных погонажных изделий на стойкость к зажиганию нагретой проволокой
Первичные измерения по
разделу 9 ГОСТ IEC 60695-2-11-2013 не проводят.
Температура проволочной петли должна составлять:
(850 +/- 15) °C - для материалов, из которых изготовлены корпуса и крышки, элементов электромонтажных погонажных изделий, удерживающих кабели и провода в определенном положении и служащих для их крепления к корпусу;
(960 +/- 15) °C - для элементов электромонтажных погонажных изделий, непосредственно контактирующих с токопроводящими частями.
В случае, когда участок поверхности, наиболее подверженный воздействию тепловых нагрузок в обычных условиях, не задан, рабочий участок раскаленной петли приводят в соприкосновение с наиболее тонким участком стенки, расположенным не ниже 15 мм от верхнего края образца.
Образец считают выдержавшим испытание, если отсутствует открытое пламя или горение и свечение образца продолжается не более 30 с после устранения источника зажигания, а также не происходит воспламенение слоя папиросной бумаги под ним.
5.4 Метод испытания материала электромонтажных погонажных изделий на стойкость к воздействию открытого пламени
Испытания для гибких металлических рукавов в изоляции (оболочке) из неметаллических материалов проводят на образцах материала изоляции (оболочки).
Испытания проводят на образцах толщиной, равной фактической толщине материала изделия.
Материал должен соответствовать классу FV(ПВ)0.
5.5 Методы испытания образцов электромонтажных погонажных изделий на стойкость к распространению горения
5.5.1 Испытания проводят в том случае, если материалы указанных изделий выдержали испытания по
5.2 -
5.4.
5.5.2 Образцы электромонтажных погонажных изделий, имеющие замкнутое поперечное сечение (трубы, короба, лотки с крышкой и т.п.), испытывают по
5.5.3. Образцы электромонтажных погонажных изделий, не имеющие замкнутое поперечное сечение (лотки без крышки, лестницы и т.п.), испытывают по
5.5.4.
5.5.3 Метод испытания образцов электромонтажных погонажных изделий с кабелями на стойкость к распространению горения при одиночной или групповой прокладке
5.5.3.1 Подготовка образцов
Образец для испытаний должен представлять собой отрезок (отрезки) электромонтажных погонажных изделий. Каждый отрезок должен быть длиной (3500 +/- 50) мм, с уложенными внутри него проводами или кабелями и быть закрепленным на металлической лестнице.
Если длина стандартной прямой секции менее 3500 мм, необходимо соединить две секции для получения требуемой длины. Для соединения прямых секций рекомендуется использовать фасонные секции.
Примечание - Прямая секция - элемент, используемый в качестве опоры для кабелей, состоящий из основания с бортами, выполненными заодно, или из основания, соединенного с бортами, и крышки.
Фасонная секция - элемент, предназначенный для соединения прямых секций электромонтажных погонажных изделий.
Внутрь электромонтажных погонажных изделий укладывают провода и кабели в соответствии с областью применения, указанной изготовителем электромонтажных погонажных изделий, а при отсутствии указаний - кабели марки

или

(см.
ГОСТ 31996).
Суммарная площадь поперечного сечения кабелей должна составлять (15 +/- 3)% от площади внутреннего поперечного сечения изделия.
При невозможности обеспечения выполнения условия по суммарной площади поперечного сечения кабелей (15 +/- 3)% от площади внутреннего поперечного сечения изделия необходимо обеспечить значение суммарной площади поперечного сечения кабелей, наиболее близкое к нормированному.
Кабели следует укладывать в предусмотренные каналы, выемки либо впадины в соответствии с инструкцией, а при отсутствии указаний по укладке - произвольным образом, не связывая кабели пучком.
В составе образца для испытаний электромонтажных погонажных изделий одного типоразмера, предназначенных в соответствии с технической документацией для одиночной прокладки, должен быть один отрезок.
В составе образца для испытаний электромонтажных погонажных изделий, предназначенных в соответствии с технической документацией для групповой прокладки, количество отрезков одного типоразмера, уложенных на передней стороне лестницы с зазором 20 мм, не должно превышать трех, а суммарная ширина образца не должна превышать 600 мм.
Если способ прокладки не определен технической документацией, образец подготавливают как для групповой прокладки.
5.5.3.2 Оборудование для проведения испытаний
5.5.3.3 Порядок проведения испытаний
Испытания проводят по
ГОСТ IEC 60332-3-22, при этом время воздействия горелки должно быть 20 мин.
5.5.3.4 Оценка результатов испытаний
Образец считают выдержавшим испытания, если длина обугленной или поврежденной пламенем части образца, измеренная от нижнего края горелки, не превышает 2,5 м.
При положительных результатах испытаний образцов изделий одной марки нескольких типоразмеров, выбранных по
5.1, результаты испытаний допускается распространять на все типоразмеры данной марки.
В случае несоответствия одного из образцов требованиям настоящего стандарта испытания проводят на образцах, отобранных по следующей схеме, для марок изделий, имеющих:
- десять и менее типоразмеров - на каждом последующем (или предыдущем) типоразмере до получения положительных результатов. Результат испытаний распространяется на весь диапазон типоразмеров между образцами, прошедшими испытания и соответствующими требованиям настоящего стандарта;
- более десяти типоразмеров - на каждом пятом типоразмере от образца, не соответствующего требованиям настоящего стандарта. Результат испытаний распространяется на весь диапазон типоразмеров между образцами, прошедшими испытания и соответствующими требованиям настоящего стандарта.
5.5.4 Метод испытания образцов электромонтажных погонажных изделий на стойкость к распространению горения
5.5.4.1 Подготовка образцов
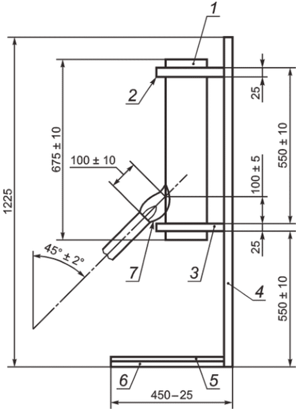
Образец для испытаний должен представлять собой отрезок электромонтажного погонажного изделия длиной (675 +/- 10) мм.
5.5.4.2 Оборудование для проведения испытаний
Испытание проводят с помощью горелки по
ГОСТ 28779.
5.5.4.3 Порядок проведения испытаний
Образец, расположенный симметрично по ширине опорной конструкции в соответствии с
рисунком 1, помещают в прямоугольный металлический шкаф, открытый с фасадной стороны (см.
рисунок 2) и установленный в месте, где отсутствуют сквозняки.
1 - образец; 2 - верхний зажим; 3 - нижний зажим;
4 - опорная конструкция; 5 - слой папиросной бумаги;
6 - сосновая доска; 7 - факел пламени
Рисунок 1 - Испытание на воздействие пламени
Примечание - Все указанные размеры - внутренние.
D - глубина шкафа, равная 450+25 мм; H - высота шкафа,
равная (1300 +/- 25) мм; W - ширина шкафа, равная 700+25 мм
Рисунок 2 - Шкаф для размещения образца при испытании
на воздействие пламени
На дно шкафа помещают сухую сосновую доску толщиной приблизительно 10 мм, покрытую одним слоем папиросной бумаги плотностью от 12 до 30 г/м2.
Образец должен быть закреплен на обоих концах, чтобы исключить смещение или перемещение образца под воздействием пламени.
Секцию кабельной лестницы размещают таким образом, чтобы верхняя поверхность перемычки располагалась на 100 мм выше верхнего края нижнего зажима.
Горелку располагают в соответствии с
рисунком 1. Пламя горелки должно быть направлено:
- на середину внутренней поверхности борта секции кабельной лестницы;
- на внутреннюю поверхность секции кабельного лотка в место смыкания основания и борта.
Образцы подвергают воздействию пламени в течение (60 +/- 2) с.
5.5.4.4 Оценка результатов испытаний
Образец считают выдержавшим испытание, если выполнено одно из условий:
а) не произошло загорания образца;
б) при загорании образца удовлетворены все следующие условия:
1) пламя гаснет через 30 с после удаления горелки;
2) горючий слой из папиросной бумаги не загорелся, а на доске отсутствуют следы поджига;
3) отсутствуют следы горения или обугливания на участке образца, расположенном на 50 мм выше нижнего края верхнего зажима.
УДК 621.315.67:006.354 | |
Ключевые слова: электромонтажные погонажные изделия, требования пожарной безопасности, методы испытаний |