Главная // Актуальные документы // ГОСТ (Государственный стандарт)СПРАВКА
Источник публикации
М.: ФГБУ "РСТ", 2021
Примечание к документу
Документ
введен в действие с 01.12.2022.
Название документа
"ГОСТ 33793-2021. Межгосударственный стандарт. Конструкции фасадные светопрозрачные. Методы определения сопротивления ветровой нагрузке"
(введен в действие Приказом Росстандарта от 21.10.2021 N 1225-ст)
"ГОСТ 33793-2021. Межгосударственный стандарт. Конструкции фасадные светопрозрачные. Методы определения сопротивления ветровой нагрузке"
(введен в действие Приказом Росстандарта от 21.10.2021 N 1225-ст)
Приказом Федерального
агентства по техническому
регулированию и метрологии
от 21 октября 2021 г. N 1225-ст
МЕЖГОСУДАРСТВЕННЫЙ СТАНДАРТ
КОНСТРУКЦИИ ФАСАДНЫЕ СВЕТОПРОЗРАЧНЫЕ
МЕТОДЫ ОПРЕДЕЛЕНИЯ СОПРОТИВЛЕНИЯ ВЕТРОВОЙ НАГРУЗКЕ
Curtain walling.
Methods for determination resistance to wind load
ГОСТ 33793-2021
Дата введения
1 декабря 2022 года
Цели, основные принципы и общие правила проведения работ по межгосударственной стандартизации установлены
ГОСТ 1.0 "Межгосударственная система стандартизации. Основные положения" и
ГОСТ 1.2 "Межгосударственная система стандартизации. Стандарты межгосударственные, правила и рекомендации по межгосударственной стандартизации. Правила разработки, принятия, обновления и отмены"
1 РАЗРАБОТАН Федеральным государственным бюджетным учреждением "Научно-исследовательский институт строительной физики Российской академии архитектуры и строительных наук" (ФГБУ "НИИСФ РААСН"), Федеральным государственным бюджетным образовательным учреждением высшего образования "Санкт-Петербургский государственный архитектурно-строительный университет" (ФГБОУ ВО "СПбГАСУ")
2 ВНЕСЕН Техническим комитетом по стандартизации ТК 144 "Строительные материалы и изделия"
3 ПРИНЯТ Межгосударственной научно-технической комиссией по стандартизации, техническому нормированию и оценке соответствия в строительстве (МНТКС) (протокол от 30 сентября 2021 г. N 143-П)
За принятие проголосовали:
Краткое наименование страны по МК (ИСО 3166) 004-97 | Код страны по МК (ИСО 3166) 004-97 | Сокращенное наименование национального органа по стандартизации |
Армения | AM | ЗАО "Национальный орган по стандартизации и метрологии" Республики Армения |
Казахстан | KZ | Госстандарт Республики Казахстан |
Киргизия | KG | Кыргызстандарт |
Россия | RU | Росстандарт |
Узбекистан | UZ | Узстандарт |
4 Приказом Федерального агентства по техническому регулированию и метрологии от 21 октября 2021 г. N 1225-ст межгосударственный стандарт ГОСТ 33793-2021 введен в действие в качестве национального стандарта Российской Федерации с 1 декабря 2022 г.
Информация о введении в действие (прекращении действия) настоящего стандарта и изменений к нему на территории указанных выше государств публикуется в указателях национальных стандартов, издаваемых в этих государствах, а также в сети Интернет на сайтах соответствующих национальных органов по стандартизации.
В случае пересмотра, изменения или отмены настоящего стандарта соответствующая информация будет опубликована на официальном интернет-сайте Межгосударственного совета по стандартизации, метрологии и сертификации в каталоге "Межгосударственные стандарты"
Настоящий стандарт распространяется на конструкции фасадные светопрозрачные (КФС) и направлен на оценку конструктивных и эксплуатационных характеристик всех видов КФС согласно
ГОСТ 33079.
Результаты испытаний используются для оценки эксплуатационных характеристик КФС и разработки новых конструкций.
Настоящий стандарт устанавливает методы определения сопротивления ветровой нагрузке наружных конструкций фасадных светопрозрачных (КФС), в том числе с открывающимися элементами при положительном и отрицательном статическом давлении воздуха, изготавливаемых из различных материалов и применяемых в зданиях и сооружениях различного назначения.
Методы, содержащиеся в настоящем стандарте, применяют при проведении типовых, сертификационных, периодических и других лабораторных испытаний.
Требования настоящего стандарта не распространяются на краевые (монтажные) швы по
ГОСТ 30971, расположенные по периметру между КФС и испытательной камерой, а также на швы между КФС и конструкцией здания.
В настоящем стандарте использованы нормативные ссылки на следующие межгосударственные стандарты:
ГОСТ 577 Индикаторы часового типа с ценой деления 0,01 мм. Технические условия
ГОСТ 3899 Преобразователи электроконтактные для контроля линейных размеров. Технические условия
ГОСТ 7502 Рулетки измерительные металлические. Технические условия
ГОСТ 24866 Стеклопакеты клееные. Технические условия
ГОСТ 30971 Швы монтажные узлов примыкания оконных блоков к стеновым проемам. Общие технические условия
ГОСТ 33079 Конструкции фасадные светопрозрачные навесные. Классификация. Термины и определения
ГОСТ 33792-2021 Конструкции фасадные светопрозрачные. Методы определения воздухо- и водопроницаемости
Примечание - При пользовании настоящим стандартом целесообразно проверить действие ссылочных стандартов и классификаторов на официальном интернет-сайте Межгосударственного совета по стандартизации, метрологии и сертификации (www.easc.by) или по указателям национальных стандартов, издаваемым в государствах, указанных в предисловии, или на официальных сайтах соответствующих национальных органов по стандартизации. Если на документ дана недатированная ссылка, то следует использовать документ, действующий на текущий момент, с учетом всех внесенных в него изменений. Если заменен ссылочный документ, на который дана датированная ссылка, то следует использовать указанную версию этого документа. Если после принятия настоящего стандарта в ссылочный документ, на который дана датированная ссылка, внесено изменение, затрагивающее положение, на которое дана ссылка, то это положение применяется без учета данного изменения. Если ссылочный документ отменен без замены, то положение, в котором дана ссылка на него, применяется в части, не затрагивающей эту ссылку.
В настоящем стандарте применены следующие термины с соответствующими определениями:
3.1 сопротивление ветровой нагрузке: Способность, светопрозрачной фасадной конструкции сохранять работоспособность и целостность под воздействием давления, имитирующего ветровую нагрузку.
3.2
конструкция фасадная светопрозрачная; КФС: Наружная ненесущая стена, состоящая из каркаса, крепежных элементов, уплотнителей и светопрозрачного и/или непрозрачного заполнения. |
3.3
перемещение
, мм: Величина изменения положения какой-либо точки элемента КФС (как правило, ригеля, стойки, открывающихся элементов) в направлении нормали к плоскости изделия под воздействием ветровой нагрузки.
3.4 прогиб d, мм: Величина, определяемая как разность перемещения точки, расположенной в центральной части элемента КФС (наиболее перемещаемой точки под воздействием ветровой нагрузки), и полусуммы перемещений концов этого элемента.
3.5 предельный прогиб: Максимально допустимый прогиб элемента КФС, устанавливаемый в нормативных документах и технической документации.
3.6 относительный прогиб, мм: Величина, выражаемая отношением прогиба определенного элемента КФС к его длине и имеющая вид дроби с числителем, равным единице, и знаменателем, выраженным числом.
3.7
испытательное давление , Па: Разность давлений воздуха на наружной и внутренней поверхностях образца при проведении испытания. |
3.8
положительное давление: Давление воздуха на наружную поверхность испытуемого образца, превышающее давление на его внутреннюю поверхность. |
3.9
отрицательное давление: Давление воздуха на внутреннюю поверхность испытуемого образца, превышающее давление на его наружную поверхность. |
3.10 расчетная ветровая нагрузка: Нагрузка, воспроизводимая при испытаниях при положительном и отрицательном давлении, приложенном к испытуемому образцу.
Примечание - Нагрузку рассчитывают с учетом положений
[1].
3.11 повышенная ветровая нагрузка (безопасная нагрузка), Па: Ветровая нагрузка, равная 1,5-кратной расчетной ветровой нагрузке.
3.12
открывающийся элемент: Фрагмент КФС, имеющий рамную конструкцию, оборудованный системой фурнитуры и приспособлений для изменения его положения относительно плоскости фасада для выполнения функций проветривания, обслуживания и пр. Может иметь светопрозрачное и непрозрачное заполнение, элементы управления, приспособления и различные варианты открывания (верхне/нижнеподвесные, выдвижные и др.). |
3.13
притвор: Место сопряжения КФС или створчатого элемента с уплотняющими прокладками. |
3.14
образец для испытания: Конструкция в сборе или ее фрагмент, удовлетворяющие требованиям настоящего стандарта, технические характеристики которых полностью соответствуют официально представленной в испытательный центр сопроводительной конструкторской и нормативной документации. |
3.15 остаточная деформация: Изменение формы или размера испытуемого образца, которое сохраняется после снятия испытательного давления.
3.16 работоспособность: Способность элементов открывания работать в режиме нормальной эксплуатации после перепадов давления.
3.17 целостность: Неразрушение элементов заполнения при перепаде давления, а также сохранение элементов каркаса конструкции и уплотнителей в проектном положении после снятия нагрузки.
4 Требования к сопротивлению ветровой нагрузке
КФС должна безопасно передавать допустимую нагрузку на конструкцию здания.
Испытуемый образец должен воспринимать ветровую нагрузку согласно требованиям настоящего стандарта и с учетом
4.1.6.
Расчетные ветровые нагрузки, которые могут воздействовать на испытательный образец КФС определяют с учетом установленных нагрузок для конкретных условий применения.
4.1 Несущая способность под действием допустимой ветровой нагрузки
4.1.1 Максимальный прогиб элемента рамной конструкции
d под действием допустимой ветровой нагрузки положительного или отрицательного давления не должен превышать рекомендуемого (см.
[2]) значения:
- d <= L/200, если L <= 3000 мм;
- d <= 5 мм + L/300, если 3000 мм < L < 7500 мм;
- d <= L/250, если L >= 7500 мм,
где L - длина элемента каркасной конструкции КФС, измеренная между точками опоры или крепления к конструкции здания.
Кроме того, необходимо учесть допустимые предельные значения прогиба заполнения, например, стеклопакета (согласно
ГОСТ 24866 и т.д.).
4.1.2 Допускается проведение испытаний КФС на несущую способность под действием ветровой нагрузки для значений максимального прогиба элемента рамной конструкции d, более рекомендуемого значения, если это определено проектной документацией и обеспечивает соблюдение требований.
4.1.3 Прогиб может быть только временным и должен восстанавливать деформацию перемещения не менее чем на 95% в течение 1 ч после снятия давления допустимой ветровой нагрузки.
4.1.4 Измерение перемещения под действием допустимой ветровой нагрузки положительного и отрицательного давления проводят относительно нейтральной точки.
4.1.5 Если конструкция испытуемого образца КФС предусматривает наличие открывающихся элементов, измерение перемещения под действием ветровой нагрузки положительного и отрицательного давления проводят для рамных открывающихся элементов дополнительно.
4.1.6 Положительная разница значений воздухопроницаемости испытуемого образца, соответствующих максимальным значениям испытательного давления допустимой ветровой нагрузки при максимальном давлении (положительном и отрицательном), не должно превышать 20%.
4.2 Работоспособность при многократном воздействии перепадов давления
4.2.1 Если конструкция испытуемого образца КФС предусматривает наличие открывающихся элементов, дополнительно проводятся испытания на определение работоспособности при многократном воздействии перепадов давления.
4.2.2 При проведении испытаний образца КФС без открывающихся элементов, испытания на определение работоспособности при многократном воздействии перепадов давления не проводят.
4.3 Несущая способность под действием повышенной ветровой нагрузки
4.3.1 Повреждения рамных элементов, заполнений, подвижных элементов КФС, крепежных или анкерных элементов в результате действия повышенной ветровой нагрузки как положительного, так и отрицательного давления не допускаются.
4.3.2 Заполнения, штапики и декоративные крышки должны сохранять прочное закрепление; перемещение уплотнителей не допускается.
4.3.3 При разрушении стекла под действием повышенной ветровой нагрузки допускается его замена, а испытания могут быть продолжены в случае, если после подробного исследования причиной его разрушения не является дефект монтажа остекления или несущей конструкции КФС.
5 Метод определения сопротивления ветровой нагрузке
Сущность метода определения сопротивления ветровой нагрузке КФС по
ГОСТ 33079 состоит в испытании конструкции к воздействию на нее заданных перепадов давления

, измерении перемещений конкретных точек несущих элементов с последующим расчетом прогибов и в оценке работоспособности и целостности образца.
Методы основаны на проведении трех видов испытаний:
I - определение прогибов элементов конструкции при заданном нормативном перепаде давления

(несущая способность под действием допустимой ветровой нагрузки);
II - определение работоспособности конструкции при многократном воздействии перепадов давления

;
III - проверка прочности (несущей способности) конструкции при однократном воздействии расчетного перепада давления

(несущая способность под действием повышенной ветровой нагрузки).
Значения перепадов давления при проведении указанных испытаний соотносятся следующим образом:

(значение

может быть увеличено по требованию заказчика).
Испытания видов I и II проводят для определения работоспособности конструкции и классов сопротивления ветровой нагрузке согласно
приложению А. Испытание вида III проводят для определения безопасности предельных эксплуатационных характеристик конструкции.
5.2 Испытательное оборудование и средства контроля
5.2.1 Для проведения испытаний используют испытательное оборудование и средства измерений, поверенные (откалиброванные) надлежащим образом.
5.2.2 Испытания образца КФС проводят на испытательной установке согласно
ГОСТ 33792.
5.2.3 Оборудование для создания, поддержания и изменения давления воздуха должно обеспечивать положительные и отрицательные перепады давления от минус 5000 до плюс 5000 Па и более в зависимости от заданных перепадов давления

.
5.2.4 Испытательная установка должна обеспечивать возможность установки и крепления измерительных приборов для фиксации перемещений и прогибов элементов КФС и отдельных заполнений (стеклопакетов, открывающихся элементов и пр.), обеспечивающие их устойчивость (фиксируемое положение) во время испытаний.
5.2.5 Устройства (цифровые индикаторы или датчики линейных размеров) для измерения линейных перемещений точек элементов испытуемого образца с точностью до 0,1 мм (например, по ГОСТ 3899,
ГОСТ 577).
5.3 Порядок подготовки к испытаниям
5.3.1 Перед испытаниями составляют программу их проведения, в которой устанавливают значения конечного контрольного давления, график перепадов давления, места расположения контрольных точек при определении перемещений (места установки измерительных приборов) и другие необходимые условия проведения испытаний.
В основе составления графиков перепадов давления лежит значение нормативного перепада давления

, которое устанавливают, исходя из требований строительных норм и правил, а также технического задания на проектирование КФС.
Отрицательные и положительные значения нормативной ветровой нагрузки допускается задавать различными.
5.3.2 Образцы должны соответствовать типовому размеру конструкции, используемому при строительстве.
5.3.3 Допускается проведение испытаний на образцах, установленных наклонно и образцах, имеющих выступающие элементы.
5.3.4 При необходимости и возможности испытательного оборудования допускается проведение испытаний на образцах, имеющих дополнительный силовой каркас, имитирующий конструкцию здания.
5.3.5 Выбор конструкции испытательного образца КФС проводят согласно
5.3 ГОСТ 33792-2021 с учетом рекомендаций
[1] и
[2].
5.3.6 Испытуемый образец КФС должен быть полностью пригоден к использованию и установлен на испытательной установке. Ширина испытуемого образца должна включать как минимум две типовых единицы. При этом как минимум один типовой вертикальный шов или один типовой вертикальный элемент рамной конструкции или оба должны выдерживать полную нагрузку. Испытательная камера не должна увеличивать жесткость испытуемого образца. Высота образца должна быть не менее расстояния между точками закрепления КФС к конструкциям здания. С учетом особенностей элементов КФС или специальных элементов испытуемые образы должны иметь достаточные размеры для подтверждения соответствия установленным требованиям. Все части испытуемого образца должны иметь соответствующие действительным размеры, при этом используют одинаковые материалы, элементы конструкции, конструктивные особенности и виды крепления в соответствии с целевым назначением. Способы крепления испытуемого образца к несущим конструкциям камеры должны по возможности соответствовать способам крепления, используемым на здании.
5.4.1 Для испытаний отбирают образцы изделий полной готовности.
5.4.2 Образцы проверяют на соответствие требованиям нормативных документов и конструкторской документации. Следует обратить особое внимание на соответствие силового каркаса, имитирующего конструкцию здания, и элементов крепления образцов конструктивно-силовой схеме, реализуемой на объекте строительства. Проверяют работоспособность фурнитуры, правильность установки уплотняющих прокладок, соответствие светопрозрачного и непрозрачного заполнений типам и параметрам, указанным в нормативных документах и конструкторской документации.
5.4.3 Габаритные размеры образца для испытаний определяют по наружному обмеру с помощью стальной рулетки по
ГОСТ 7502.
5.4.4 Образец для испытаний должен быть установлен без перекосов и деформаций. Если испытуемый образец КФС содержит открывающиеся элементы, то все их перед проведением испытания следует пять раз открыть, закрыть и зафиксировать в закрытом положении.
5.4.5 Образцы для испытаний принимают согласно акту отбора образцов, оформленному в установленном порядке.
В случае если отбор образцов для испытаний из партии изделий проводят без привлечения сотрудников испытательного центра (лаборатории), при оформлении результатов испытаний в протоколе испытаний осуществляют соответствующую запись.
5.4.6 Температура воздуха в помещении и испытательной камере должна быть (20 +/- 5) °C, значение температуры указывают в лабораторной документации.
5.4.7 Измерительные приборы для определения прогибов должны быть установлены в местах предполагаемых максимальных перемещений точек элементов образца для испытаний.
5.4.8 Допускается установка дополнительных измерительных приборов для оценки максимального прогиба в контрольных точках по желанию заказчика для оценки максимального прогиба центральной части светопрозрачного заполнения на соответствие
ГОСТ 24866, открывающихся элементов и элементов крепления в соответствии с технической документацией.
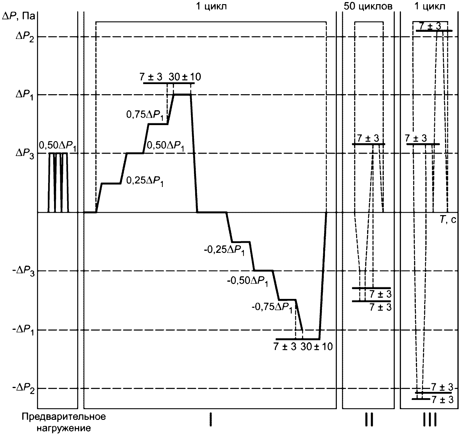
Определение сопротивления ветровой нагрузке проводят сначала при положительном, затем при отрицательном давлении.
Испытания проводят согласно графикам, установленным в программе испытаний. Пример построения графиков полного цикла испытаний приведен на рисунке 1.
I, II, III - виды испытаний
Рисунок 1 - Пример построения графиков испытаний
6.1 Проведение испытаний при положительном и отрицательном давлении (под действием допустимой ветровой нагрузки)
6.1.1 Прилагают три импульса давлением, равным 50%-ной расчетной ветровой нагрузке, но не ниже 500 Па. Продолжительность нарастания давления должна составлять не менее 1 с. Продолжительность воздействия каждого импульса давления должна составлять не менее 3 с.
6.1.2 Устанавливают все испытательное оборудование в нулевое положение или к начальному показателю и записывают эти показания. Записывают все изменения состояния испытуемого образца.
6.1.3 Положительное давление прилагают к испытуемому образцу КФС ступенчато до расчетной ветровой нагрузки, т.е. 25%, 50%, 75% и 100% расчетной ветровой нагрузки с продолжительностью воздействия на каждой ступени не менее (15 +/- 5) с.
6.1.4 Перемещения измеряют при каждом импульсе испытательного давления и определяют прогибы.
6.1.5 Остаточную деформацию фиксируют и записывают не позднее чем через 1 ч после окончания испытаний.
6.1.6 Порядок проведения испытаний при отрицательном давлении (под действием допустимой ветровой нагрузки) такой же, как установлено в
6.1.1 -
6.1.5.
6.2 Определение работоспособности при многократном воздействии перепадов давления
6.2.1 Перед началом испытания проверяют работоспособность открывающихся элементов образца пятикратным открыванием и закрыванием и замеряют отклонения размеров (в первую очередь - размеров зазоров в притворах).
6.2.2 Определение работоспособности конструкции при многократном воздействии перепадов давления

(вид испытания II) проводят путем циклических воздействий заданным перепадом давления (50 циклов от отрицательного давления

до положительного

и обратно в каждом цикле), при этом:
- время изменения перепада давления от

до

и обратно должно составлять (7 +/- 3) с;
- в каждом цикле максимальный перепад давления

поддерживают в течение (7 +/- 3) с.
6.2.3 После завершения испытания проверяют работоспособность образца для испытаний пятикратным открыванием и закрыванием и замеряют отклонения размеров (в первую очередь - размеров зазоров в притворах).
6.3 Проведение испытаний при повышенной нагрузке (при необходимости)
6.3.1 Оценку безопасности конструкции по критерию целостности проводят однократным воздействием перепада давления от

до

.
6.3.2 Время изменения перепада давления от 0 до

и обратно от

до 0 должно составлять (7 +/- 3) с. Максимальный перепад давления

должен поддерживаться в течение (7 +/- 3) с.
6.3.3 После завершения испытания проверяют целостность образца для испытаний, отмечая все изменения состояния испытуемого образца и повреждения конструкции в рабочей лабораторной документации.
6.3.4 При наличии открывающихся элементов после завершения испытания проверяют работоспособность образца для испытаний пятикратным открыванием и закрыванием и замеряют отклонения размеров (в первую очередь - размеров зазоров в притворах).
7 Обработка результатов испытаний
7.1 Результаты испытаний, предназначенные для подготовки отчетного документа согласно
разделу 8 должны содержать данные измерений перемещений при каждом испытательном давлении, позволять определить прогибы и представить их графически в виде функции испытательного давления.
7.2 Все повреждения указывают на сборочном чертеже испытуемого образца. Значения прогибов и остаточной деформации сравнивают с максимально допустимыми значениями согласно конструкторской и проектной документации и рекомендаций
4.1.1.
7.3 Результаты испытаний и все повреждения при повышенной ветровой нагрузке указывают в приложении к протоколу испытаний либо отчетному документу.
7.4 Прогиб измеряемых элементов КФС
F вычисляют по формуле с учетом схемы, приведенной на
рисунке 2

, (1)
где Mp, Ap, Bp - показания датчика перемещений при проведении испытаний, мм;
M0, A0, B0 - показания датчиков перемещений до начала климатических испытаний, мм.
M0, A0, B0 - показания датчиков перемещений в центральной,
верхней и нижней точках до начала испытаний, мм;
Mp, Ap, Bp - показания датчика перемещений в центральной,
верхней и нижней точках при проведении испытаний, мм;
L - длина силового элемента образца (импоста), мм
Рисунок 2 - Схема установки датчиков линейных
перемещений на профильных элементах КФС
Относительный прогиб f вычисляют по формуле

, (2)
где L - длина профильного элемента КФС, мм.
8 Оформление результатов испытания
8.1 По результатам испытаний КФС на сопротивление ветровой нагрузке оформляют отчетный документ (протокол испытаний, протокол контрольных испытаний или научно-техническое заключение) установленного образца.
8.2 При оформлении результатов испытаний в отчетный документ включают:
- наименование и номер аттестата аккредитации испытательного центра (лаборатории), проводившего испытания;
- наименование и юридический адрес организации - заказчика испытаний;
- наименование и юридический адрес организации - изготовителя испытуемой продукции;
- наименование испытуемой продукции и нормативного документа, регламентирующего требования к ее качеству;
- дату поступления образцов в испытательный центр (лабораторию);
- номер регистрации образцов в испытательном центре (лаборатории);
- дату испытаний образцов;
- схему установки средств измерений с указанием расположения мест замеров прогибов;
- повреждения при испытании;
- обнаруженные отклонения размеров и дефекты образца для испытаний;
- результаты испытаний при положительном и отрицательном давлении (под действием допустимой ветровой нагрузки) для каждого из значений заданного перепада давления

, значения прогибов и относительных прогибов в контрольных точках на длину образца для испытаний
L. Полученные значения представляют в виде дроби с числителем, равным единице;
- значения перемещений контрольных точек и прогибов;
- результаты испытаний в точках, выбранных дополнительно (светопрозрачные, непрозрачные заполнения и др.) по
5.4.8;
- результаты испытаний на определение работоспособности при многократном воздействии перепадов давления

(при наличии открывающихся элементов);
- значение предела сопротивления ветровой нагрузке, значение давления

, достигнутого при повышенной нагрузке (оценке безопасности конструкции по критерию целостности) при положительном и отрицательном давлениях;
- подписи руководителя испытательного центра (лаборатории) и испытателя, печать испытательного центра;
- информационное приложение, содержащее фотографии процесса испытаний.
8.3 Описание испытуемого образца должно содержать:
- чертежи испытуемого образца для испытаний с указанием типовых разрезов, узлов крепления к испытательной установке;
- описание испытуемых образцов продукции: габаритные размеры, схема открывания, конструкция притворов, число рядов уплотняющих прокладок, наличие водосливных отверстий, фурнитуры и систем запирания с указанием числа и точек запирания;
- описание рамных (профильных) комплектующих;
- описание светопрозрачных заполнений (стеклопакетов, стемалита и пр.) с указанием типов и толщин стекол, дистанционных рамок, специальных элементов крепления;
- описание крепежных элементов (кронштейнов крепления, точечных систем крепления и пр.).
В случае проведения испытаний на образце меньшего размера следует указывать причину отступления от типового размера КСФ.
8.4 В случае, если проводят совместные испытания на воздухо-, водопроницаемость и сопротивление ветровой нагрузке и другие эксплуатационные характеристики КФС согласно
приложению А, в отчетный документ включают результаты испытаний всех характеристик испытуемого образца КФС, как до испытаний на сопротивление ветровой нагрузке, так и после его завершения.
(рекомендуемое)
ПРОВЕДЕНИЕ СОВМЕСТНЫХ ИСПЫТАНИЙ НА ВОЗДУХО-,
ВОДОПРОНИЦАЕМОСТЬ И СОПРОТИВЛЕНИЕ ВЕТРОВОЙ НАГРУЗКЕ
И ДРУГИЕ ЭКСПЛУАТАЦИОННЫЕ ХАРАКТЕРИСТИКИ КФС
А.1 Испытания на устойчивость к атмосферным воздействиям взаимосвязаны. Серии последовательно выполняемых испытаний рассматриваются как единое испытание на стойкость к атмосферным воздействиям. Последующее испытание не проводят, пока не будут удовлетворительно выполнены все предыдущие испытания и соблюдены приемочные критерии.
А.2 Метод А:
- воздухопроницаемость - для классификации;
- водонепроницаемость, при статическом давлении, - для классификации;
- сопротивление ветровой нагрузке - эксплуатационная пригодность [испытания при положительном и отрицательном давлении (под действием допустимой ветровой нагрузки) для каждого из значений заданного перепада давления

)];
- сопротивление ветровой нагрузке - испытания на определение работоспособности при многократном воздействии перепадов давления

(при наличии открывающихся элементов);
- воздухопроницаемость - повторение для подтверждения классификации после испытания на сопротивление ветровой нагрузке;
- водонепроницаемость - повторение для подтверждения классификации после испытания на сопротивление ветровой нагрузке;
- сопротивление ветровой нагрузке, испытание на сопротивление повышенной ветровой нагрузке - безопасность.
А.3 Метод Б (при наличии специальных требований):
- воздухопроницаемость - для классификации;
- водонепроницаемость, при статическом давлении, - для классификации;
- сопротивление ветровой нагрузке - эксплуатационная пригодность [испытания при положительном и отрицательном давлении (под действием допустимой ветровой нагрузки) для каждого из значений заданного перепада давления

];
- сопротивление ветровой нагрузке - испытания на определение работоспособности при многократном воздействии перепадов давления

(при наличии открывающихся элементов);
- воздухопроницаемость - повторение для подтверждения классификации после испытания на сопротивление ветровой нагрузке;
- водонепроницаемость - повторение для подтверждения классификации после испытания на сопротивление ветровой нагрузке.
При наличии специального требования возможно добавление или исключение по запросу отдельных испытаний, за исключением:
а) водонепроницаемость, при динамическом давлении; режим сейсмических перемещений;
б) воздухопроницаемость - повторение для подтверждения классификации после испытания предельного сейсмического состояния по эксплуатационной пригодности;
в) водонепроницаемость - повторение для подтверждения классификации после испытания предельного сейсмического состояния по эксплуатационной пригодности;
г) сопротивление ветровой нагрузке, испытание на сопротивление повышенной ветровой нагрузке - безопасность.
Примечание -
Испытания а) -
г) допускается проводить отдельно от вышеуказанной последовательности;
д) сопротивление ударной нагрузке/безопасное разрушение - для классификации;
е) сейсмические перемещения - предел безопасности.
А.4 На дополнительные испытания по методу Б требуется разработка методики испытаний или нормативного документа (стандарт организации и пр.), регламентирующего методику проведения испытаний.
| DIN EN 12179:2000 | Curtain walling - Resistance to wind load - Test method |
(ДИН ЕН 12179:2020) | (Навесные фасады. Сопротивление ветровой нагрузке. Метод испытаний) |
| DIN EN 13830:2015-10 | Curtain walling. Product standard |
УДК 699.83:006.354 | |
Ключевые слова: конструкция фасадная светопрозрачная, сопротивление ветровой нагрузке, лабораторные испытания, классификация по сопротивлению ветровой нагрузке, эксплуатационные характеристики |