Главная // Актуальные документы // ГОСТ (Государственный стандарт)
СПРАВКА
Источник публикации
М.: ФГБУ "РСТ", 2022
Примечание к документу
Документ введен в действие с 01.07.2023.
Название документа
"ГОСТ 31610.25-2022 (IEC 60079-25:2020). Межгосударственный стандарт. Взрывоопасные среды. Часть 25. Искробезопасные системы"
(введен в действие Приказом Росстандарта от 02.09.2022 N 868-ст)

"ГОСТ 31610.25-2022 (IEC 60079-25:2020). Межгосударственный стандарт. Взрывоопасные среды. Часть 25. Искробезопасные системы"
(введен в действие Приказом Росстандарта от 02.09.2022 N 868-ст)


Содержание


Введен в действие
Приказом Федерального
агентства по техническому
регулированию и метрологии
от 2 сентября 2022 г. N 868-ст
МЕЖГОСУДАРСТВЕННЫЙ СТАНДАРТ
ВЗРЫВООПАСНЫЕ СРЕДЫ
ЧАСТЬ 25
ИСКРОБЕЗОПАСНЫЕ СИСТЕМЫ
Explosive atmospheres. Part 25. Intrinsically safe systems
(IEC 60079-25:2020, Explosive atmospheres -
Part 25: Intrinsically safe electrical systems, MOD)
ГОСТ 31610.25-2022
(IEC 60079-25:2020)
МКС 29.260.20
Дата введения
1 июля 2023 года
Предисловие
Цели, основные принципы и общие правила проведения работ по межгосударственной стандартизации установлены ГОСТ 1.0 "Межгосударственная система стандартизации. Основные положения" и ГОСТ 1.2 "Межгосударственная система стандартизации. Стандарты межгосударственные, правила и рекомендации по межгосударственной стандартизации. Правила разработки, принятия, обновления и отмены"
Сведения о стандарте
1 ПОДГОТОВЛЕН Автономной некоммерческой национальной организацией "Ex-стандарт" (АННО "Ex-стандарт") на основе собственного перевода на русский язык англоязычной версии стандарта, указанного в пункте 5
2 ВНЕСЕН Федеральным агентством по техническому регулированию и метрологии
3 ПРИНЯТ Межгосударственным советом по стандартизации, метрологии и сертификации (протокол от 14 июля 2022 г. N 61)
За принятие проголосовали:
Краткое наименование страны по МК (ИСО 3166) 004-97
Код страны по МК (ИСО 3166) 004-97
Сокращенное наименование национального органа по стандартизации
Армения
AM
ЗАО "Национальный орган по стандартизации и метрологии" Республики Армения
Беларусь
BY
Госстандарт Республики Беларусь
Киргизия
KG
Кыргызстандарт
Россия
RU
Росстандарт
Узбекистан
UZ
Узстандарт
4 Приказом Федерального агентства по техническому регулированию и метрологии от 2 сентября 2022 г. N 868-ст межгосударственный стандарт ГОСТ 31610.25-2022 (IEC 60079-25:2020) введен в действие в качестве национального стандарта Российской Федерации с 1 июля 2023 г.
5 Настоящий стандарт является модифицированным по отношению к третьему изданию международного стандарта IEC 60079-25:2020 "Взрывоопасные среды. Часть 25. Искробезопасные электрические системы" ("Explosive atmospheres - Part 25: Intrinsically safe electrical systems", MOD), включая техническую поправку Cor1:2020. В настоящий стандарт включены дополнительные по отношению к международному стандарту IEC 60079-25:2020 положения, выделенные курсивом. Разъяснение причин их внесения дано во введении.
Наименование настоящего стандарта изменено относительно наименования указанного международного стандарта для приведения в соответствие с ГОСТ 1.5 (подраздел 3.6).
Сведения о соответствии ссылочных межгосударственных стандартов международным стандартам, использованным в качестве ссылочных в примененном международном стандарте, приведены в дополнительном приложении ДА
6 ВВЕДЕН ВПЕРВЫЕ
Информация о введении в действие (прекращении действия) настоящего стандарта и изменений к нему на территории указанных выше государств публикуется в указателях национальных стандартов, издаваемых в этих государствах, а также в сети Интернет на сайтах соответствующих национальных органов по стандартизации.
В случае пересмотра, изменения или отмены настоящего стандарта соответствующая информация будет опубликована на официальном интернет-сайте Межгосударственного совета по стандартизации, метрологии и сертификации в каталоге "Межгосударственные стандарты"
Введение
Настоящий стандарт является модифицированным по отношению к третьему изданию международного стандарта IEC 60079-25:2020, включая техническую поправку Cor1:2020.
Настоящий стандарт разработан в развитие ТР ТС 012/2011 "О безопасности оборудования для работы во взрывоопасных средах".
Настоящий стандарт является одним из комплекса стандартов по видам взрывозащиты для оборудования, применяемого во взрывоопасных средах.
Стандарт предназначен для нормативного обеспечения обязательной сертификации и испытаний.
В настоящий стандарт включены дополнительные по отношению к международному стандарту IEC 60079-25:2020 положения (текстовые элементы, фразы, слова), отражающие потребности экономик стран СНГ, а именно:
- применены ссылки на модифицированные межгосударственные стандарты вместо международных;
- ссылочный IEC 61158-2 перенесен в раздел "Библиография";
- добавлено приложение ДА.
Установленные настоящим стандартом требования обеспечивают вместе с ГОСТ 31610.0 безопасность применения оборудования на опасных производственных объектах газовой, нефтяной, нефтеперерабатывающей и других отраслях промышленности.
Значительные изменения, внесенные в настоящий стандарт по сравнению с предыдущим изданием, представлены в виде таблицы.
Таблица
Изменения
Раздел, пункт
Вид
Незначительные и редакционные изменения
Расширение
Существенные технические изменения
Термин "электрические системы" изменен на "системы" и добавлено примечание 2
X
Раздел "Нормативные ссылки" обновлен. Удалены устаревшие или не упомянутые в основной части стандарта ссылки
X
Добавлена ссылка на IEC Electropedia и ISO Online Browsing platform, из названия удалены аббревиатуры. Удалены определения "проектировщик системы", "сертифицированная искробезопасная электрическая система" и "несертифицированная искробезопасная электрическая система"
X
Определение "Искробезопасная электрическая система" заменено на "Искробезопасная система"
X
Добавлено определение "кабель, содержащий несколько цепей"
X
В определениях емкости и индуктивности кабеля "максимальное значение" изменено на "общее значение"
Из определения отношения индуктивности кабеля к сопротивлению исключено определение "максимальное"
X
Аббревиатура FISCO заменена на определение
X
Исключено требование к проектировщику системы о необходимости указания даты и подписи документа, внесены редакционные изменения и сделана ссылка на приложение E, в котором приведено типовое техническое описание системы
X
Название пункта изменено на "Классификация по группам и температуре", диапазон температур окружающей среды добавлен к элементам, подлежащим включению в техническое описание системы
X
Примечания перемещены и переформулированы в текст пунктов
X
Добавлен новый раздел, переименованный в "Искроопасные цепи"
X
Изменена структура раздела, для ясности внесены некоторые изменения
X
Название изменено на "Требования к кабелям, содержащим одну или несколько цепей"
X
Требование к толщине изоляции перенесено в этот пункт и теперь применяется ко всем кабелям
X
Название изменено на "Диэлектрическая прочность" и объединены требования к кабелям с одной и несколькими цепями. Требование к диэлектрическим испытаниям изменено на удвоенное напряжение цепи с минимальным напряжением 500 В переменного тока
X
В пункте изложены требования по диэлектрической прочности для кабелей с одной цепью
X
В пункте изложены требования по диэлектрической прочности для кабелей с несколькими цепями
X
Кабели с несколькими цепями не должны использоваться для искробезопасных цепей с напряжением, превышающим 90 В
B1
Подзаголовок изменен на "Искробезопасные параметры кабелей"
X
Название изменено на "Оболочки"
Большая часть раздела 12 предыдущего издания перенесена в ГОСТ IEC 60079-14
B2
В предыдущей версии данный раздел был указан под номером 13. Весь раздел был изменен для ясности и облегчения чтения
X
Данный подпункт, устанавливающий общие требования, преобразован в формате списка, чтобы упростить понимание, а анализ одного и нескольких источников питания перенесен в 12.4 и 12.5 соответственно
X
Этот пункт добавлен для разъяснения приложений сбоя в сборках сертифицированного оборудования
X
Этот пункт добавлен для предоставления руководства по обращению с несертифицированными элементами в более крупных сборках
X
Добавлен анализ обобщенной и расширенной информации об одном источнике энергии
X
Добавлен анализ информации о нескольких источниках энергии, объединенной в этом пункте
X
Пример анализа схемы опущен в тексте для простого устройства, новое приложение F добавлено с дополнительной информацией
X
Добавлен пункт, чтобы предоставить дополнительную информацию об определении емкости, индуктивности и L/R, который был перемещен из приложения A
X
Требования к кабелям типов A, B и C переформулированы для ясности
X
Информация об оценке емкости и индуктивности перенесена в 12.7
X
Изменено с обязательного на справочное
X
Изменено и переписано для большей ясности
X
Приложение обновлено для ясности
X
Бывшее приложение F о защите от перенапряжения удалено
B3
Приложение G в предыдущем издании касалось испытания параметров кабеля и было удалено из настоящего издания. Приложение G теперь относится к системам FISCO
X
Примечание - Указанные изменения включают в себя значимые технические изменения в пересмотренном стандарте, но они не представляют собой исчерпывающий список всех изменений по сравнению с предыдущей версией.
Разъяснение видов изменений
A) Определения
1 Незначительные и редакционные изменения:
- разъяснение;
- сокращение технических требований;
- незначительные технические изменения;
- редакторские правки.
Такие изменения являются модификацией требований редакционного характера или вносят незначительные технические поправки. К ним относятся: изменение формулировок для уточнения технических требований без внесения технических изменений или сокращение в рамках существующих требований.
2 Расширение: внесение технических дополнений
Данные изменения представляют собой добавление новых или модификацию существующих технических требований, например введение дополнительных вариантов. При этом не допускается расширения требований для оборудования, которое полностью соответствовало требованиям предыдущего издания. Таким образом, данные изменения не должны распространяться на изделия, которые выполнены в соответствии с предыдущим изданием.
3 Значительные технические изменения: дополнение технических требований, расширение технических требований
Данные изменения модифицируют технические требования (дополняют, расширяют область применения или отменяют требования) таким образом, что оборудование, которое соответствовало требованиям, установленным в предыдущем издании, уже не будет соответствовать требованиям, установленным в новом издании. Данные изменения должны быть рассмотрены с точки зрения их применения к оборудованию, соответствующему предыдущему изданию. Дополнительные сведения указаны в пункте B).
Примечание - Данные изменения отражают достижения современных технологий. Однако такие изменения, как правило, не должны влиять на оборудование, уже выпущенное на рынок.
B) Обоснование внесения существенных технических изменений
B1 - Было добавлено ограничение 90 В для системы, содержащей несколько цепей, так как для этого уровня напряжения обычно применяют испытание диэлектрических свойств напряжением не менее 500 В переменного тока или 700 В постоянного тока для проверки изоляции.
B2 - Большинство требований к заземлению и соединению были удалены и перенесены в ГОСТ IEC 60079-14, а требования к защите от перенапряжения, которые были в разделе 12, были добавлены в раздел 11 настоящего стандарта. Остальная часть раздела 12 также была удалена и перенесена в ГОСТ IEC 60079-14.
B3 - Приложение F, указанное в предыдущем издании, по защите от перенапряжения удалено и будет включено в ГОСТ IEC 60079-14. Приложение F теперь относится к простому оборудованию, которое было приложением H в предыдущей редакции.
1 Область применения
Настоящий стандарт устанавливает особые требования к проектированию, конструкции и оценке искробезопасных систем с видом взрывозащиты "i", предназначенных для применения, полностью или частично, в местах, в которых требуется применение Ex-оборудования групп I, II или III.
Примечание 1 - Настоящий стандарт предназначен для использования специалистами по проектированию, сертификации, монтажу и эксплуатации искробезопасных систем.
Настоящий стандарт дополняет и изменяет общие требования ГОСТ 31610.0 и положения стандарта по искробезопасности ГОСТ 31610.11. Если требования настоящего стандарта противоречат требованиям ГОСТ 31610.0 или ГОСТ 31610.11, то требования настоящего стандарта имеют преимущество.
Требования к установкам систем оборудования групп II или III, разработанных в соответствии с настоящим стандартом, указаны в ГОСТ IEC 60079-14.
Примечание 2 - Требования к установкам систем оборудования группы I в настоящее время не предусмотрены в ГОСТ IEC 60079-14. Требования к установкам систем оборудования группы I разрабатываются.
2 Нормативные ссылки
В настоящем стандарте использованы нормативные ссылки на следующие межгосударственные стандарты:
ГОСТ 31610.0 (IEC 60079-0:2017) Взрывоопасные среды. Часть 0. Оборудование. Общие требования
ГОСТ 31610.11-2014 (IEC 60079-11:2011) Взрывоопасные среды. Часть 11. Оборудование с видом взрывозащиты "искробезопасная электрическая цепь "i"
ГОСТ IEC 60079-14 Взрывоопасные среды. Часть 14. Проектирование, выбор и монтаж электроустановок
Примечание - При пользовании настоящим стандартом целесообразно проверить действие ссылочных стандартов и классификаторов на официальном интернет-сайте Межгосударственного совета по стандартизации, метрологии и сертификации (www.easc.by) или по указателям национальных стандартов, издаваемым в государствах, указанных в предисловии, или на официальных сайтах соответствующих национальных органов по стандартизации. Если на документ дана недатированная ссылка, то следует использовать документ, действующий на текущий момент, с учетом всех внесенных в него изменений. Если заменен ссылочный документ, на который дана датированная ссылка, то следует использовать указанную версию этого документа. Если после принятия настоящего стандарта в ссылочный документ, на который дана датированная ссылка, внесено изменение, затрагивающее положение, на которое дана ссылка, то это положение применяется без учета данного изменения. Если ссылочный документ отменен без замены, то положение, в котором дана ссылка на него, применяется в части, не затрагивающей эту ссылку.
3 Термины и определения
ISO и IEC поддерживают терминологические базы данных для применения в стандартизации по следующим адресам:
- IEC Electropedia: http://www.electropedia.org/
- ISO Online browsing platform: http://www.iso.org/obp.
В настоящем стандарте применены термины по ГОСТ 31610.0 и ГОСТ 31610.11, а также следующие термины с соответствующими определениями:
3.1 искробезопасная система (intrinsically safe system): Сборка взаимосвязанных элементов оборудования согласно техническому описанию системы, в котором цепи или части цепей, предназначенные для использования во взрывоопасной среде, являются искробезопасными цепями.
3.2 кабель, содержащий несколько цепей (multi-circuit cable): Кабель, содержащий более одной искробезопасной цепи.
3.3 техническое описание системы (descriptive system document): Документ, в котором указаны элементы оборудования, их искробезопасные параметры и параметры соединительной проводки.
3.4 общая емкость кабеля Cc (total cable capacitance): Общее значение емкости соединительного кабеля, который может быть подсоединен в искробезопасную цепь.
Примечание - Под термином <общая емкость кабеля> подразумевается <рабочая емкость кабеля>, которая может измеряться, например, с помощью измерителей емкости.
3.5 общая индуктивность кабеля Lc (total cable inductance): Общее значение индуктивности соединительного кабеля, который может быть подсоединен в искробезопасную цепь.
Примечание - Под термином <общая индуктивность кабеля> подразумевается <рабочая индуктивность кабеля>, которая может измеряться, например с помощью измерителей индуктивности.
3.6 отношение индуктивности кабеля к его сопротивлению Lc/Rc (cable inductance to resistance ratio): Значение отношения индуктивности Lc к сопротивлению Rc соединительного кабеля, который может быть подсоединен в искробезопасную цепь.
3.7 линейный источник питания (linear power supply): Источник питания, значение выходного тока которого устанавливают резистором.
Примечание - Выходное напряжение снижается линейно с увеличением выходного тока.
3.8 нелинейный источник питания (non-linear power supply): Источник питания, у которого выходное напряжение и выходной ток связаны нелинейной зависимостью.
Примечание - Например, источник питания с постоянным выходным напряжением, который может достигать предельного значения постоянного тока, контролируемого полупроводниками.
3.9 концепция искробезопасной системы полевой шины (FISCO): Искробезопасная системная архитектура с питанием от шины, разработанная в соответствии с конкретными требованиями.
Примечание - Требования указаны в [1].
4 Техническое описание системы
Техническое описание системы должно быть создано для всех искробезопасных систем. Техническое описание системы должно содержать техническое обоснование комбинации устройств и включать, как минимум, следующее:
a) блок-схему системы с перечислением всех единиц устройств, входящих в систему, включая простое оборудование и соединительную проводку;
b) обозначение подгруппы (для групп II и III), уровня вида взрывозащиты ("ia", "ib" или "ic") и уровня взрывозащиты оборудования для каждой части системы, температурную классификацию, значения температуры окружающей среды в соответствии с разделами 5 и 6;
c) требования и допустимые параметры для соединительной проводки в соответствии с разделом 8;
d) подробную информацию о точках заземления и соединения, от которых зависит искробезопасность;
e) обоснование оценки оборудования как "простого оборудования" в соответствии с ГОСТ 31610.11, если применяется;
f) результат оценки искробезопасных систем в соответствии с разделом 12; и
g) уникальное идентификационное обозначение.
Примечание - Техническое описание системы не является контрольным чертежом согласно определению в ГОСТ 31610.11.
В приложении E приведен пример типовой схемы с учетом требований технического описания системы.
5 Классификация по группам и температуре
Части искробезопасных систем, предназначенные для использования во взрывоопасной среде, должны быть классифицированы по группам в соответствии с требованиями ГОСТ 31610.0, и им должен быть присвоен температурный класс или максимальная температура поверхности в соответствии с требованиями к температуре ГОСТ 31610.0 и ГОСТ 31610.11.
Связанное оборудование, не предназначенное для использования во взрывоопасной среде, должно быть классифицировано только по группам в соответствии с требованиями ГОСТ 31610.0.
Если искробезопасная система или части искробезопасной системы определены как пригодные для работы за пределами нормального диапазона температур окружающей среды от -20 °C до +40 °C, то это должно быть указано в техническом описании системы.
Примечание - Различные части одной и той же искробезопасной системы могут иметь разные группы. Используемое оборудование может иметь различные температурные классы и различный диапазон температур окружающей среды.
6 Уровни вида взрывозащиты "искробезопасная электрическая цепь"
6.1 Общие положения
Каждая часть искробезопасной системы, предназначенной для использования во взрывоопасной среде, должна быть отнесена к уровню вида взрывозащиты "ia", "ib" или "ic", в соответствии с ГОСТ 31610.11 и уровню взрывозащиты оборудования в соответствии с ГОСТ 31610.0. Разные части системы могут иметь разные уровни вида взрывозащиты или уровни взрывозащиты оборудования.
Примечание - Для условий группы I искробезопасная система может быть с уровнем вида взрывозащиты "ib" при нормальной работе с внешним источником питания, но, когда питание отключается при определенных условиях безопасности (например, отказ вентиляции), тогда система может стать с уровнем вида взрывозащиты "ia" при питании от резервного аккумулятора. Уровень вида взрывозащиты будет четко определен для предполагаемых обстоятельств.
6.2 Уровень вида взрывозащиты "ia"
Если требования, предъявляемые к оборудованию уровня вида взрывозащиты "ia" (см. ГОСТ 31610.11), выполняются искробезопасной системой или частью системы, рассматриваемой как единое целое, тогда эта система или часть системы должна быть отнесена к уровню вида взрывозащиты "ia".
6.3 Уровень вида взрывозащиты "ib"
Если требования, предъявляемые к оборудованию уровня вида взрывозащиты "ib" (см. ГОСТ 31610.11), выполняются искробезопасной системой или частью системы, рассматриваемой как единое целое, тогда эта система или часть системы должна быть отнесена к уровню вида взрывозащиты "ib".
Пример - Полевой прибор с уровнем вида взрывозащиты "ia", питание на которое поступает от связанного оборудования с уровнем вида взрывозащиты "ib", будет считаться системой с уровнем вида взрывозащиты "ib", или полевой прибор с уровнем вида взрывозащиты "ib", питание на которое поступает от связанного оборудования с уровнем вида взрывозащиты "ia", также будет рассматриваться как система с уровнем вида взрывозащиты "ib".
6.4 Уровень вида взрывозащиты "ic"
Если требования, предъявляемые к электрооборудованию уровня вида взрывозащиты "ic" (см. ГОСТ 31610.11), выполняются искробезопасной электрической системой или частью системы, рассматриваемой как единое целое, тогда эта система или часть системы должна быть отнесена к уровню вида взрывозащиты "ic".
Пример - Полевой прибор с уровнем вида взрывозащиты "ia", питание на которое поступает от связанного оборудования с уровнем вида взрывозащиты "ic", будет считаться системой с уровнем вида взрывозащиты "ic", или полевой прибор с уровнем вида взрывозащиты "ic", питание на которое поступает от связанного оборудования с уровнем вида взрывозащиты "ia", также будет рассматриваться как система с уровнем вида взрывозащиты "ic".
7 Искроопасные цепи
В техническом описании системы должны быть указаны ограничения по подключению цепей к неискробезопасным клеммам связанного оборудования, такие как значение(-я) Um.
8 Соединительная проводка/кабели, используемые в искробезопасной системе
8.1 Общие положения
Искробезопасные параметры соединительных проводов, от которых зависит искробезопасность, и их происхождение должны указываться в техническом описании системы. Если указан конкретный тип проводов, то должно быть дано обоснование ее применения в документации.
Кабели соединительной проводки должны соответствовать требованиям раздела 9.
Повреждения кабеля должны оцениваться в соответствии с требованиями 12.8.
8.2 Кабели, содержащие одну искробезопасную цепь
Кабели, содержащие одну искробезопасную цепь, должны соответствовать требованиям 9.1, 9.2.1, 9.3 и, если применимо, 9.4.
8.3 Кабели, содержащие более одной искробезопасной цепи
В техническом описании системы должны быть определены допустимые типы кабелей, содержащих несколько цепей, в соответствии с разделом 9, которые могут использоваться в каждой конкретной цепи. В том случае, если повреждения между отдельными цепями не были учтены, в блок-схему технического описания системы необходимо добавить примечание следующего содержания: "Если в составе соединительного кабеля используется часть кабеля, содержащего несколько цепей, содержащего другие искробезопасные цепи, необходимо, чтобы этот кабель, содержащий несколько цепей, удовлетворял требованиям к кабелю, содержащему несколько цепей, типа A или B, как определено в ГОСТ IEC 60079-14".
Кабель, содержащий несколько цепей, с цепями уровней "ia", "ib" или "ic" вида взрывозащиты, не должен содержать искроопасные цепи.
Если цепи с уровнем "ia", "ib" или "ic" вида взрывозащиты проложены вместе в кабелем типа A или типа B, как указано в 9.5.2 и 9.5.3, каждая цепь сохраняет свой уровень взрывозащиты и группу оборудования.
Если цепи с уровнем "ia", "ib" или "ic" вида взрывозащиты проложены вместе в кабеле типа C, как указано в 9.5.4, комбинация цепей должна оцениваться в соответствии с 12.8 для определения уровня вида взрывозащиты, уровня взрывозащиты оборудования и применимой группы оборудования.
Примечание - При проведении оценки в соответствии с 12.8 может быть установлено, что комбинация больше не является искробезопасной.
9 Требования к кабелям, содержащим одну или несколько электрических цепей
9.1 Общие положения
Если кабель указан как часть системы, то:
- диаметр отдельных проводников или жил многожильных проводников во взрывоопасной зоне должен быть не менее 0,1 мм; и
- радиальная толщина изоляции каждой жилы кабеля, содержащего несколько электрических цепей, должна соответствовать диаметру проводника и материалу изоляции с минимальным значением 0,2 мм.
Примечание - Данный пункт не содержит требований об использовании неизолированных проводников, которые предназначены для соединения мостом в сигнальной системе. Такие проводники считаются простым оборудованием, а не соединительной проводкой.
9.2 Диэлектрическая прочность
9.2.1 Кабели, содержащие одну искробезопасную электрическую цепь
Изоляция кабелей, используемых для искробезопасных цепей, должна выдерживать испытание на диэлектрическую прочность с удвоенным напряжением искробезопасной цепи или 500 В среднеквадратичного значения переменного тока (или 700 В постоянного тока), в зависимости от того, какое из значений больше.
9.2.2 Кабели, содержащие более одной искробезопасной цепи
Кабели с несколькими цепями не должны использоваться для искробезопасных цепей с напряжением, превышающим 90 В. Кабели с несколькими цепями должны выдерживать испытание на диэлектрическую прочность не менее:
a) 500 В среднеквадратичного значения переменного тока или 700 В постоянного тока, приложенного между любой броней и/или экраном(ами), соединенными вместе, и всеми сердечниками, соединенными вместе; и
b) 1000 В среднеквадратичного значения переменного тока или 1400 В постоянного тока, приложенные между жгутом, содержащим одну половину соединенных вместе жил кабеля, и жгутом, содержащим другую половину соединенных вместе жил. Данное испытание не применяется к кабелям, содержащим более одной искробезопасной цепи при условии, что каждая искробезопасная цепь имеет токопроводящий экран.
Если информация от производителя кабеля недоступна, то испытание диэлектрической прочности должно проводиться в соответствии с применяемым стандартом на кабель или испытаниями диэлектрической прочности согласно ГОСТ 31610.11.
Примечание - Настоящий стандарт не требует проверки соответствия кабеля спецификации изготовителя.
9.3 Искробезопасные параметры кабелей
Искробезопасные параметры (Cc и Lc, или Cc и Lc/Rc) для всех используемых в искробезопасной системе кабелей должны определяться в соответствии с одним из следующих перечислений:
a) наиболее неблагоприятные искробезопасные параметры, указанные изготовителем кабеля;
b) искробезопасные параметры, определяемые путем замеров, выполненных на образце, методом испытаний искробезопасных параметров кабелей, приведенным в ГОСТ IEC 60079-14;
c) если в соединении задействованы две или три жилы условно построенного кабеля (с экраном или без) должны применяться следующие значения: 200 пФ/м и (либо) 1 мкГн/м, либо отношение индуктивности к сопротивлению LC/RC, полученное делением 1 мкГн на сопротивление контура, указанное изготовителем на 1 м длины. В качестве альтернативы, для значений тока Io до 3 А допускается использовать отношение L/R, равное 30 мкГн/Ом.
При использовании системы FISCO требования к параметрам кабеля должны соответствовать приложению G.
9.4 Токопроводящие экраны
Если токопроводящие экраны обеспечивают защиту отдельных искробезопасных цепей для предотвращения соединения таких цепей друг с другом, то экран должен обеспечивать покрытие не менее 60% всей длины кабеля.
9.5 Типы кабелей с несколькими цепями
9.5.1 Общие требования
Кабели с несколькими цепями должны быть отнесены к типу A, типу B или типу C с целью применения повреждений и оценки безопасности кабелей в искробезопасной системе. Типы кабелей указаны в 9.5.2, 9.5.3 и 9.5.4.
9.5.2 Кабель типа A
Кабель с несколькими цепями, который имеет токопроводящие экраны, обеспечивающие индивидуальную защиту согласно 9.4 для каждой искробезопасной цепи.
9.5.3 Кабель типа B
Кабель с несколькими цепями, который неподвижно закреплен, защищен от повреждений при монтаже и не содержит ни одной цепи с максимальным напряжением Uo, превышающим 60 В.
9.5.4 Кабель типа C
Кабель с несколькими цепями, который не относится к типу A или B.
10 Оболочки
Оболочки, используемые для подключения отдельных искробезопасных цепей, такие как клеммные коробки, должны обеспечивать разделения для внешнего соединения устройств и соответствовать применяемым требованиям ГОСТ 31610.11 к оболочкам.
11 Заземление и соединение искробезопасных систем
В техническом описании системы должно быть четко указано, какая точка или точки системы предназначены для заземления, а также специальные требования к такому соединению.
Считают, что использование устройств защиты от перенапряжения, которые соединяют цепь и конструкцию с помощью нелинейных устройств, таких как газоразрядные трубки и полупроводники, не является отрицательно влияющим на искробезопасность цепи при условии, что при нормальной работе ток через устройство составляет менее 10 мкА.
Примечание - Если проводится испытание изоляции при напряжении 500 В, то может потребоваться отключение устройств защиты от перенапряжений, чтобы они не искажали результат измерения.
Применение методов ограничения перенапряжения в искробезопасных системах должно основываться на документально подтвержденном анализе действия непрямого многократного заземления с учетом критериев, определенных выше. При оценке искробезопасной системы необходимо учитывать емкость и индуктивность ограничителей перенапряжения.
12 Оценка искробезопасной системы
12.1 Общие требования
Соответствие искробезопасной системы должно быть подтверждено следующим:
a) пригодностью отдельного оборудования для взрывоопасной зоны в соответствии с применимыми требованиями к установке, например ГОСТ IEC 60079-14;
b) пригодностью отдельного оборудования системы в диапазоне температур окружающей среды для мест его установки;
c) сравнением входных и выходных характеристик и параметров отдельно оцениваемых устройств.
Примечание 1 - Иногда безопасность полевого устройства полностью определяется только одним из этих параметров. В таком случае неуказанные параметры не имеют значения;
d) параметрами кабелей соединительной проводки;
e) влиянием неисправностей в кабелях;
f) пригодностью и влияния простого оборудования;
g) рассмотрением разделений оконечных и соединительных устройств; а также
h) учетом заземления и уравнивающего соединения.
Если доступна вся необходимая информация, можно применить подсчет неисправностей к системе в целом, даже если используются устройства, соответствующие ГОСТ 31610.11. Данный подход является альтернативным по отношению к обычному простому сравнению входных и выходных характеристик отдельно сертифицированного оборудования.
Для уровня вида взрывозащиты "уровня вида взрывозащиты "ic" неисправности полевой проводки учитываются только в том случае, если используются кабели типа C.
Примечание 2 - Считают, что применение повреждений в системе в целом является менее жесткой мерой, чем применение повреждений к каждой единице оборудования, тем не менее, считается, что это достаточно для обеспечения приемлемого уровня безопасности.
12.2 Системы, содержащие только устройства, сертифицированные в соответствии с ГОСТ 31610.11
Если система содержит только устройства, которые были по отдельности оценены на соответствие ГОСТ 31610.11, должна быть продемонстрирована совместимость всех устройств, включенных в систему. Повреждения в устройствах уже учтены, и дальнейшее рассмотрение неисправностей не требуется.
12.3 Системы, содержащие устройства, которые не были по отдельности оценены на соответствие ГОСТ 31610.11
Если система содержит устройства, которые не были по отдельности оценены на соответствие ГОСТ 31610.11, тогда эта система должна быть проанализирована в целом, как если бы она была устройством. См. приложение F для информации о простом оборудовании.
12.4 Системы, содержащие один источник питания
Если система содержит один источник питания, то выходные параметры источника питания учитывают обрыв, короткое замыкание и замыкание на землю внешнего соединительного кабеля. Следовательно, нет необходимости в дальнейшем рассмотрении этих повреждений.
Если указано, то Ui, Ii и Pi каждого устройства в системе должны быть больше или равны Uo, Io и Po источника питания соответственно.
Примечание - В приложении A приведены дополнительные сведения по анализу таких простых цепей.
12.5 Системы, содержащие более одного источника питания
12.5.1 Общие положения
Если система содержит более одного источника питания, то необходимо провести оценку при нормальных условиях и условиях с внесенными повреждениями для комбинированных источников питания:
a) максимального выходного напряжения Uo;
b) максимального выходного тока Io; и
c) максимальной выходной мощности Po.
Примечание 1 - Эти параметры могут требовать различных комбинаций повреждений.
При оценке вышеизложенного по типу соединения должно быть установлено, необходимо ли при нормальной работе и в условиях с внесенными повреждениями учитывать сумму напряжений, сумму токов или суммы как тока, так и напряжения.
Исходя из вышеизложенного, для безопасного подключения к комбинированным источникам питания должна быть проведена оценка следующих параметров:
I) максимальная внешняя емкость Co; и (либо)
II) максимальная внешняя индуктивность, Lo; либо
III) максимальное отношение внешних индуктивности и сопротивления Lo/Ro для подключенных кабелей.
Любая проверка, основанная на испытаниях, должна выполняться с использованием искрообразующего механизма в соответствии с ГОСТ 31610.11 с учетом коэффициента безопасности комбинированного оборудования.
Ui, Ii и Pi каждого устройства в системе должны быть больше или равны Uo, Io и Po соответственно, как определено выше.
Примечание 2 - В приложении В показан анализ, который будет использоваться в наиболее часто встречающихся комбинациях источников питания с линейным резистивным ограничением на выходе. В качестве альтернативы ГОСТ IEC 60079-14 предоставляет упрощенный анализ, который применим для цепей группы II с уровнем вида взрывозащиты "ib", где источники питания являются связанным оборудованием. Анализ может также включать испытание на искровое воспламенение в соответствии с ГОСТ 31610.11.
12.5.2 Системы, содержащие линейные и нелинейные источники питания
Оценка систем, содержащих более одного источника энергии, хотя бы один из которых является нелинейным, должна быть выполнена работником, обладающим соответствующей компетенцией и знанием конструкции и безопасности нелинейных искробезопасных источников питания. Такая оценка не может быть получена на основе только выходного напряжения и выходного тока.
Любые особые условия, относящиеся к такой системе, должны быть четко указаны в техническом описании системы.
Если искробезопасная система содержит более одного источника энергии, хотя бы один из которых является нелинейным, то не может быть использован метод оценки, описанный в приложении B. В приложении C объясняется, как можно провести анализ системы, если комбинация содержит один нелинейный источник питания.
На рисунке 1 показаны принципы анализа системы.
Рисунок 1 - Схема оценки системы
Если источники энергии имеют разное выходное напряжение, необходимо учитывать любое дополнительное рассеяние в цепях регулирования.
Комбинированное Lo/Ro может быть определено экспериментально для нелинейных источников питания путем испытания цепи с несколькими дискретными значениями Lo и Ro на искробезопасность в соответствии с ГОСТ 31610.11, при этом используемые значения Ro находятся в диапазоне от почти короткого замыкания (максимальное Io) до почти разомкнутой цепи (Io стремится к нулю) и установившаяся тенденция гарантирует, что Lo/Ro пройдут испытание на искровое воспламенение.
Примечание 1 - В приложении C представлены дополнительные рекомендации, включая метод оценки без необходимости проведения испытаний на искровое зажигание для систем с не более чем одним нелинейным источником питания.
Если система с несколькими источниками питания содержит только один источник питания с управляемым полупроводником ограничением напряжения или тока и если этот источник питания был оценен в соответствии с ГОСТ 31610.11, оценка переходных процессов такого источника питания уже учтена и не требует дальнейшее рассмотрение.
Если доступна вся необходимая информация для проведения оценки, допускается, чтобы система содержала более одного источника питания с управляемым полупроводником ограничением напряжения или тока. В этом случае вся система должна оцениваться в соответствии с ГОСТ 31610.11 в целом, как если бы она была устройством.
Примечание 2 - Не предполагается, что вышеуказанное можно будет установить без доступа к полным чертежам конструкции нелинейных источников энергии.
12.6 Простое оборудование
Простое оборудование, используемое в искробезопасной системе, должно соответствовать требованиям к простому оборудованию ГОСТ 31610.11 и должно быть идентифицировано в техническом описании системы как простое оборудование.
12.7 Оценка емкости, индуктивности и отношения L/R кабеля
12.7.1 Общие положения
Сумма всех Ci и Cc должна быть меньше или равна Co.
Сумма всех Li и Lc должна быть меньше или равна Lo. В качестве альтернативы, если отношение Lo/Ro источника энергии больше, чем Lc/Rc, то Lo можно не учитывать.
Значения Co и Lo, возможно, потребуется пересчитать, основываясь на 12.7.4. Значение Lo/Ro, возможно, потребуется пересчитать, основываясь на 12.7.5.
12.7.2 Неуказанные параметры
Если указание параметров искробезопасности для элемента оборудования не включает Ci, то можно считать, что значение Ci равно нулю.
Если указание параметров искробезопасности для элемента оборудования не включает Li, то можно считать, что значение Li равно нулю.
12.7.3 Регулировка выходных параметров для уровня вида взрывозащиты
Если оборудование с уровнем вида взрывозащиты "ia" или "ib" используется в системе, требующей уровня вида взрывозащиты "уровня вида взрывозащиты "ic", изменение коэффициента безопасности с 1,5 до 1,0 может консервативно применяться путем умножения выходных параметров искробезопасности Co, Lo и Lo/Ro на два.
12.7.4 Влияние совокупной сосредоточенной емкости и индуктивности
Если сумма значений Ci всех устройств превышает 1% от значения Co в цепи, а сумма значений Li всех устройств превышает 1% от значения Lo в цепи, допустимые значения Co и Lo цепи должны быть определены одним из следующих методов:
a) уменьшение обоих параметров вдвое, при этом Co цепи дополнительно ограничивается максимумом в 1 мкФ для групп I и III и подгрупп IIA, IIB и в 600 нФ для подгруппы IIC.
Если система питается от одного источника питания с указанными допустимыми значениями пары Co плюс Lo, то эти значения не должны быть меньше суммы всех Ci плюс Cc и суммы всех Li плюс Lc в системе;
b) испытание комбинации на искробезопасность в соответствии с ГОСТ 31610.11;
c) использование кривых в C.7.
Примечание - Если система содержит как сосредоточенные емкости, так и сосредоточенные индуктивности, их взаимодействие может увеличить риск возникновения искр, способных вызвать воспламенение. Эта проблема решается ограничением индуктивности и емкости устройств, а не распределенными параметрами кабеля.
12.7.5 Определение L/R
Использование параметра L/R разрешено только в том случае, если сумма значений Ci всех устройств меньше или равна 1% от Co.
Если сумма всех значений Li всех устройств меньше или равна 1% от Lo, то разрешенное соотношение Lc/Rc кабеля считается эквивалентным соотношению Lo/Ro источника (источников) питания.
Если сумма значений Li всех устройств превышает 1% от Lo и система питается от одного линейного источника, а устройство имеет четко определенные индуктивность и сопротивление, подтвержденные документацией или конструкцией, то для определения применимого отношения Lc/Rc или для увеличения допустимой индуктивности кабеля Lc может использоваться подход, описанный в приложении D.
Для систем с более чем одним источником питания, где сумма значений Li всех устройств превышает 1% от совокупного Lo всех источников, нельзя определить отношение Lo/Ro, и кабель должен соответствовать пределу Lc.
Если система имеет один линейный источник питания и четко определенные индуктивность и сопротивление, подтвержденные документацией или конструкцией, безопасность индуктивных параметров системы может быть подтверждена подходом, описанным в приложении D.
12.8 Повреждения в кабелях с несколькими цепями
В зависимости от типа кабеля, определенного согласно 9.5, применяемого в искробезопасных системах, необходимо учитывать следующее:
- для кабелей типа A и типа B - никакие повреждения между цепями не учитывают; и
- для кабелей типа C - повреждения, включающие до двух коротких замыканий между проводниками и одновременно до четырех размыканий проводников, создающие наиболее неблагоприятные условия, должны оцениваться на соответствие требованиям ГОСТ 31610.11 к искровому и тепловому воспламенению.
12.9 Типовые проверки и типовые испытания
Если для подтверждения искробезопасности требуется проведение типовых проверок или типовых испытаний, то необходимо применять методы, определенные в ГОСТ 31610.11.
13 Предопределенные системы
Система и все ее отдельные устройства могут быть предопределены и предварительно оценены таким образом, чтобы соединение отдельных устройств и кабелей было достаточно хорошо известно. В таком случае требования настоящего стандарта к оценке могут быть упрощены. Одной из таких предопределенных систем является система FISCO. Оценка системы FISCO приведена в приложении G.
Примечание - Другим примером предопределенной системы является 2-проводная искробезопасная система Ethernet (2-WISE), которая разрабатывается в соответствии с [2].
Приложение A
(справочное)
ОЦЕНКА ПРОСТОЙ ИСКРОБЕЗОПАСНОЙ СИСТЕМЫ
Большинство искробезопасных систем - простые системы, содержащие один источник питания в связанном оборудовании, подключенном к одному установленному на месте эксплуатации искробезопасному оборудованию. В настоящем приложении для пояснения метода анализа использована комбинация температурного датчика и искробезопасного интерфейса, приведенных в приложении E.
Прежде всего необходимо установить данные о безопасности двух устройств в цепи. Эти данные лучше взять из копии сертификата, инструкций или контрольного чертежа, которые должны быть доступны разработчику системы. В частности, при проектировании системы должны быть учтены любые специальные условия применения. Информация, которую следует перенести в техническое описание системы, определяется необходимостью четкого обоснования оценки системы, и должна быть относительно простой для создания чертежа конкретной установки на основании доступной разработчику системы документов.
Совместимость двух устройств устанавливают сравнением данных для каждого устройства. Порядок такой оценки следующий:
a) сравнивают подгруппы оборудования. Если они разные, то подгруппа системы определяется наименее чувствительной подгруппой. Например, если одно устройство относится к подгруппе IIC, а другое - к подгруппе IIB, то вся система относится к подгруппе IIB. Обычно источник питания, сертифицированный как IIC, имеет допустимые выходные параметры (Lo, Co и Lo/Ro) для подгрупп IIB и IIA. Если применяются более высокие значения, то эти параметры используются для определения подгруппы системы;
b) сравнивают уровни вида взрывозащиты "i". Если они разные, то система принимает самый низкий уровень вида взрывозащиты "i" для этих двух устройств. Поэтому, если одно устройство относится к уровню вида взрывозащиты "ia", а другое - к уровню взрывозащиты "ib", то и вся система относится к уровню вида взрывозащиты "ib". Источник питания, сертифицированный с уровнем вида взрывозащиты "ib", может иметь параметры, допустимые для применения в цепях уровня вида взрывозащиты "ic". Если при проектировании системы используют эти более высокие значения, систему относят к уровню вида взрывозащиты "ic";
c) определяют температурный класс искробезопасного оборудования, устанавливаемого во взрывоопасной зоне. Температурный класс устройства может быть разным для разных условий применения (обычно для разной температуры окружающей среды или Ui, Ii и Pi), и необходимо выбрать и записать соответствующий класс. Следует помнить, что температурный класс имеет оборудование, а не система;
d) записывают допустимый диапазон температуры окружающей среды каждого устройства;
e) сравнивают выходные параметры источника питания - напряжение Uo, ток Io и мощность Po с входными параметрами устройства Ui, Ii и Pi. Выходные параметры не должны превышать соответствующие входные параметры. Иногда безопасность полевого устройства полностью определена только одним из этих параметров. В этом случае неуказанные параметры не имеют значения;
f) определяют допустимые параметры кабеля согласно 12.7;
g) убеждаются, что степень изоляции от земли приемлема или требования к заземлению системы выполнены.
Если все эти критерии выполнены, то совместимость двух устройств установлена. Удобный способ записи результатов оценки - составление таблицы. В следующем примере (см. таблицу A.1) использованы значения из типового чертежа системы (см. рисунок E.1) и выполнено сравнение искробезопасного интерфейса и датчика температуры.
Таблица A.1
Оценка простой системы
Этап оценки
Параметр
Искробезопасный источник питания
Датчик температуры
Система
a)
Подгруппа оборудования
IIC
IIC
IIC
b)
Уровень вида взрывозащиты цепи
ia
ia
ia
c)
Температурная классификация
Не применяется
T4
d)
Температура окружающей среды
От минус 20 °C до плюс 60 °C
От минус 40 °C до плюс 80 °C
e)
Сравнение параметров
Напряжение
Uo = 28 В
Ui = 30 В
Ток
Io = 93 мА
Ii = 120 мА
Мощность
Po = 650 мВт
Pi = 1 Вт
f)
Параметры кабеля
Емкость
Co = 83 нФ
Ci = 3 НФ
Cc <= 80 нФ
Индуктивность
Lo = 4,2 мГн
Li = 10 мкГн
Lc <= 4,19 мГн
Отношение L/R
Lo/Ro = 54 мкГн/Ом
Lc/Rc <= 54 мкГн/Ом
g)
Заземление
Изолирован
Изолирован
Изолирована
Приложение B
(справочное)
ОЦЕНКА ЦЕПЕЙ, СОДЕРЖАЩИХ БОЛЕЕ ОДНОГО ИСТОЧНИКА ПИТАНИЯ
Такой анализ применим только в случае, если рассматриваемые источники питания имеют линейный выход с резистивным ограничением. Анализ не применяется к источникам питания, использующим другие формы ограничения тока.
В ГОСТ IEC 60079-14 описана упрощенная процедура определения максимальных значений напряжения и тока системы в искробезопасных цепях с более, чем одним связанным оборудованием с линейными характеристиками тока и напряжения, позволяющая получить результаты с завышением погрешностей, гарантирующие безопасную установку, которая может применяться в качестве альтернативы методу, рассмотренному в настоящем приложении.
Если применяют более одного источника питания и подсоединения выполнены в контролируемых условиях для обеспечения адекватного разделения и механической устойчивости в соответствии с ГОСТ 31610.11, тогда рассматривают такую неисправность соединений, при которой происходит размыкание или короткое замыкание цепи, но не изменение полярности соединений или переход от последовательного подключения к параллельному или от параллельного подключения к последовательному. Соединения, выполненные внутри стойки или панели, установленной в помещении с необходимыми средствами для контроля качества и испытания, - пример необходимой степени целостности.
На рисунке B.1 показано стандартное последовательное подключение. При таком подключении напряжение разомкнутой цепи Uo равно U1 + U2, но возможность того, что напряжение может быть равно U1 - U2, не рассматривается. При оценке безопасности системы рассматриваются три значения напряжения U1, U2 и Uo = U1 + U2 и соответствующие им значения тока I1 и I2 и общий ток
Рисунок B.1 - Последовательно подключенные источники питания
Безопасность каждой из трех эквивалентных цепей оценивают с применением таблицы, показывающей допустимый ток короткого замыкания в зависимости от напряжения и группы оборудования по ГОСТ 31610.11. Значения Lo или по выбору Lo/Ro и Co устанавливают для каждой цепи, и значение, создающее наиболее неблагоприятные условия, должно быть использовано для соответствующей эквивалентной цепи.
Для цепей уровней вида взрывозащиты "ia" и "ib" для определения этих значений в любых условиях необходимо использовать коэффициент безопасности 1,5. Для цепей уровня вида взрывозащиты "ic" достаточно использовать коэффициент безопасности 1,0.
При сложении напряжений двух цепей емкость определяется по объединенной цепи. Однако, индуктивность и, если применимо, соотношение Lo/Ro определяют по одной из отдельных цепей, создающей наиболее неблагоприятные условия, рассматриваемых раздельно. Минимальная индуктивность не всегда совпадает с максимальным током в цепи, и минимальное отношение Lo/Ro, если оно используется, не всегда совпадает с минимальной индуктивностью.
Определяют согласованную мощность от каждой эквивалентной цепи. Согласованная мощность комбинированной цепи является суммарным значением мощности каждой из цепей только при условии, что применяемые источники имеют одинаковый выходной ток.
Если источники питания подсоединены параллельно, как показано на рисунке B.2, тогда все три значения силы тока I1, I2 и Io = I1 + I2 должны рассматриваться вместе с соответствующими значениями напряжения U1, U2 и:
Рисунок B.2 - Параллельно подключенные источники питания
Безопасность каждой из трех эквивалентных цепей необходимо оценивать с применением таблицы, показывающей допустимый ток короткого замыкания, соответствующий напряжению и группе оборудования по ГОСТ 31610.11. Значения Lo, или по выбору Lo/Ro и Co, должны быть установлены для каждой цепи, и значение, создающее наиболее неблагоприятные условия, должно быть использовано для соответствующей эквивалентной цепи. Также определяют согласованную мощность от каждой из трех эквивалентных цепей. Согласованная мощность комбинированной цепи является суммарным значением мощности всех цепей при условии, что источники имеют одинаковое выходное напряжение.
Если два источника питания подключены к одной и той же искробезопасной цепи, и их подсоединение не определено, как показано на рисунке B.3, то существует возможность подключения этих источников питания как последовательно, так и параллельно. В данных обстоятельствах все возможные эквивалентные цепи должны быть оценены с использованием обеих процедур. Для определения целостности искробезопасной системы используют наиболее неблагоприятные выходные параметры и эквивалентные цепи.
1 - источник питания 1; 2 - источник питания 2
Рисунок B.3 - Произвольно подключенные источники питания
В состав оборудования может входить источник питания, в результате чего появляются выходные параметры оборудования, например внутренних батарей. В этом случае оценка системы должна включать в себя оценку комбинации данного источника питания с любым источником питания в связанном оборудовании, а также изменение подсоединения из-за возможного повреждения внешней проводки.
После определения представительных эквивалентных цепей допускается использовать их как имеющие один источник питания и использовать процедуру, которая рассмотрена в приложении A, для установления того, является ли безопасность системы в целом приемлемой.
Если подключены два или более источников питания с разными выходными напряжениями, суммарный уравнительный ток может вызывать дополнительное рассеяние в схемах регулирования. Если в цепях используется традиционное резистивное ограничение тока, то считается, что дополнительное рассеивание не нарушает искробезопасность.
Приложение C
(справочное)
СОЕДИНЕНИЕ ЛИНЕЙНЫХ И НЕЛИНЕЙНЫХ ИСКРОБЕЗОПАСНЫХ ЦЕПЕЙ
C.1 Общие требования
В данном приложении дано дополнительное руководство по оценке искробезопасности систем, содержащих как линейные, так и нелинейные цепи, включая способы оценки безопасности. Представленная здесь процедура применима для зоны класса 1 и для подгрупп оборудования IIC и IIB без необходимости испытания на искровое воспламенение.
C.2 Оценка выходных характеристик источников питания
На первом этапе необходимо установить репрезентативную характеристику выходного тока/напряжения для каждого из источников питания в условиях неисправности, как определено в ГОСТ 31610.11. Они могут в значительной степени отклоняться от эксплуатационной характеристики.
Источники питания обычно относятся к одному из трех типов выходной цепи:
a) Линейная характеристика
Выходы с резистивным ограничением и линейной характеристикой, как показано на рисунке C.1 a). В этом случае:
Pmax = 0,25Uo x Io;
b) Трапециевидная характеристика
Трапециевидная выходная характеристика, как показано на рисунке C.1 b), обычно с фиксацией напряжения на выходе. Источник с трапециевидной характеристикой (рисунок C.1 b)) состоит из источника напряжения, сопротивления и дополнительных компонентов ограничения напряжения (например, стабилитронов или перемычки) на выходных клеммах. В этом случае:
Pmax = 0,25UQ x Io (для Uo > 0,5 x UQ), или
Pmax = Uo·(UQ - Uo)/R (для Uo <= 0,5 x UQ);
c) Прямоугольная характеристика
Прямоугольная выходная характеристика, как показано на рисунке C.1 c), обычно включает ограничение тока, контролируемое полупроводником. В этом случае:
Pmax = Uo x Io.
a) - Линейные характеристики
b) - Трапециевидные характеристики
c) - Прямоугольные характеристики
Рисунок C.1 - Эквивалентные цепи и выходные характеристики
резистивных цепей
На практике выходная характеристика устройства может быть более сложной. Например, батарея, оснащенная внешним токоограничивающим резистором, не имеет постоянного внутреннего сопротивления, и его исходное напряжение изменяется в зависимости от степени заряда. Для упрощения анализа такие схемы представлены ближайшей к ним более простой эквивалентной схемой, которая не в меньшей степени способна вызывать воспламенение, чем реальная схема. В приведенном выше случае батареи это будет линейная цепь (рисунок C.1 a)) с Uo в качестве пикового напряжения разомкнутой цепи (например, как определено для типа батареи в ГОСТ 31610.0) и R в качестве внешнего сопротивления.
Для определения характеристики выходного напряжения/тока этих упрощенных цепей требуются два или три параметра, как показано в таблице C.1.
Таблица C.1
Параметры, необходимые для описания выходной характеристики
Характеристика
Необходимые параметры
Линейная, рисунок C.1 a)
Uo, Io или Uo, R
Трапециевидная, рисунок C.1 b)
Uo, UQ, R, или Uo, R, Io, или Uo, UQ, Io
Прямоугольная, рисунок C.1 c)
Uo, Io
Для целей оценки Uo и Io - это максимальные значения, которые могут возникнуть в условиях отказа, как определено в ГОСТ 31610.11. В большинстве случаев они будут указаны в сертификате устройства, инструкциях или контрольном чертеже. Также обычно указывается максимальная мощность в установившемся режиме в условиях отказа, Po. Если в сертификате нет данных, значения следует получить у производителя устройства.
Часто по этим значениям можно сделать выводы о типе характеристики, а также рассчитать третий параметр для трапецеидального выхода.
Пример (максимальные значения):
Uo = 12,5 В,
Io = 0,1 А,
Po = 313 мВт.
Поскольку значение Po равно одной четвертой произведения напряжения разомкнутой цепи и тока короткого замыкания, можно сделать вывод, что это пример линейной характеристики (рисунок C.1 a)).
Пример (максимальные значения):
Uo = 20,5 В,
Io = 35 мА,
Po = 718 мВт,
где Po - это произведение напряжения максимального выходного напряжения и максимального выходного тока, то есть это пример прямоугольной характеристики (рисунок C.1 c)).
В некоторых случаях значения мощности, тока и напряжения не соответствуют указанным выше, потому что значение мощности указано для установившихся условий (тепловой оценки), а значения тока Io и напряжения Uo даны для динамических условий (искрового воспламенения). Когда есть сомнения, необходимо проверить, какую характеристику следует принять за основу соединения с точки зрения искрового воспламенения.
В случае трапециевидной характеристики информации в документации изготовителя бывает недостаточно для определения характеристики выходного тока/напряжения, поскольку отсутствует третий параметр Uo или R (см. таблицу C.1).
Указание значения R в качестве дополнительного параметра помогает правильно выполнить соединения искробезопасных цепей. Поэтому значение R обычно приводится в документации изготовителя. Тогда параметр UQ (рисунок C.1 b)) можно вывести по формуле
UQ = Io x R.
В большинстве случаев в документации изготовителя также указывается форма характеристики любых нелинейных цепей.
Пример может выглядеть следующим образом:
Максимальные значения (трапециевидная характеристика):
Uo = 13,7 В,
Io = 105 мА,
R = 438 Ом,
Po = 1010 мВт.
Эта характеристика представлена на рисунке C.2 a); на рисунке C.2 b) показана безопасная, эквивалентная цепь.
a) - Выходные характеристики
b) - Эквивалентная цепь
Рисунок C.2 - Выходные характеристики и эквивалентная цепь
источника с трапециевидной характеристикой
Выполняют следующий расчет:
UQ = Io x R = 46 В и
Po = (UQ - Uo) x Uo/R = 1010 мВт.
C.3 Оценка возможностей соединения и результирующих выходных характеристик
Следующим шагом является определение возможностей соединения, возникающих в результате режимов отказа согласно настоящему стандарту.
Если комбинированные источники соединены последовательно и не связаны, например с землей (рисунок C.3 a)), то, независимо от полярности источников, возможно только сложение напряжения. Результирующую выходную характеристику удобно находить графическим сложением. Таким образом, для каждого значения тока добавляются напряжения отдельных источников. Пунктирная кривая на рисунке C.3 показывает результирующие характеристики в различных случаях.
Максимальные значения напряжения разомкнутой цепи Uo, отдельных источников питания складываются, и берется максимальное значение токов короткого замыкания, Io, источников питания.
В последовательной схеме, показанной на рисунке C.3 b), где имеется общее соединение обоих источников напряжения на нагрузке, сложение тока может быть исключено, если полярность обоих источников в показанном здесь направлении зафиксирована с точки зрения безопасности (например, для определенных барьеров безопасности).
Для источников, которые могут изменять полярность во время работы или в условиях неисправности, следует учитывать добавление как напряжения, так и тока (см. рисунок C.3 e)).
При параллельном расположении, показанном на рисунке C.3 c), добавление тока возможно только в том случае, если у биполярных источников два полюса соединены в каждом случае. В этом случае сложение напряжения невозможно, и результирующая характеристика создается путем графического сложения отдельных значений тока.
Токи короткого замыкания складываются, в то время как берется наибольшее значение напряжения разомкнутой цепи.
Если только один полюс каждого источника подключен к полюсу другого (рисунок C.3 d)), то добавление напряжения может быть исключено только в том случае, если полярность источников, показанная здесь, фиксирована с учетом всех обстоятельств (например, с помощью защитных барьеров). В противном случае следует учитывать сложение как напряжения, так и тока (см. рисунок C.3 e)).
Если несколько цепей подключены к схеме, в которой следует предполагать произвольные межсоединения (рисунок C.3 e)), тогда в зависимости от рассматриваемых условий неисправности может быть установлено параллельное или последовательное соединение, так что необходимо суммировать как ток, так и напряжение. Поскольку оба случая невозможны одновременно, результирующую характеристику для сложения тока и характеристики для сложения напряжения следует строить отдельно. Эта процедура также необходима во всех сомнительных случаях для цепей на рисунках C.3 b) и C.3 d), а также в цепях с более чем двумя проводниками. Полученный таким образом результат всегда будет безопасным.
Если расположение устройства четко не определено в отношении полярности (как на рисунке C.3 e)), тогда может быть последовательное или параллельное соединение в зависимости от рассматриваемого состояния неисправности. В этом случае следует учитывать сложение напряжения и тока для обоих, но по отдельности. За основу нужно брать самые неблагоприятные значения.
1 - источник 1; 2 - источник 2
a) - Последовательное подключение со сложением
значений напряжения
1 - источник 1; 2 - источник 2
b) - Последовательное подключение со сложением значений
напряжения и возможным сложением значений тока
1 - источник 1; 2 - источник 2
c) - Параллельное подключение со сложением значений тока
1 - источник 1; 2 - источник 2
d) - Параллельное подключение со сложением значений тока
и, возможно, напряжения
1 - источник 1; 2 - источник 2
e) - Последовательное или параллельное подключение
со сложением значений тока и напряжения
Рисунок C.3 - Сложение значений тока и/или напряжения
для соединений
C.4 Определение искробезопасности и использование графиков
После получения репрезентативной выходной характеристики тока/напряжения комбинированных источников питания следующим шагом является определение искробезопасности цепи, а также определение общего Co и Lo с учетом взаимодействия индуктивности и емкости (смешанная цепь). Это можно сделать с помощью испытания на искровое воспламенение, как определено в ГОСТ 31610.11.
В качестве альтернативы рисунки C.7 и C.8 могут использоваться вместо испытаний на искровое воспламенение для систем с не более чем одним нелинейным источником и для применения для уровня вида взрывозащиты "ib" и для подгрупп оборудования IIC и IIB. Этот процесс является инструментом для оценки присоединения; его использование для определения параметров искробезопасности отдельных цепей или устройств имеет смысл только в случае простых цепей с прямоугольными или линейными характеристиками.
Указанный метод не делает различия между сосредоточенными индуктивностями или емкостями и значениями, полученными на основе распределенных параметров кабеля. При использовании кабелей со временем передачи до 10 мкс, учитывать данные различия не требуется.
В случаях со сложными комбинированными выходными характеристиками полученный коэффициент безопасности может быть меньше 1,5, но больше 1,0. Чтобы обеспечить коэффициент безопасности не менее 1,5, можно использовать огибающую линейную или прямоугольную характеристику. На рисунках C.7 и C.8 показана допустимая предельная кривая для линейной характеристики источника (пунктирная предельная кривая) и для прямоугольной характеристики (сплошная предельная кривая) с заданной индуктивностью и новыми максимальными значениями тока и напряжения в комбинированной цепи. Далее приведены кривые для определения максимально допустимой внешней емкости для обоих случаев. Сведения даны в таблице C.2.
Таблица C.2
Распределение диаграмм по группам оборудования
и индуктивности
Рисунок
Группа
Допустимая индуктивность Lo
IIC
0,15 мГн
0,5 мГн
1 мГн
2 мГн
5 мГн
IIB
0,15 мГн
0,5 мГн
1 мГн
2 мГн
5 мГн
Чтобы оценить искробезопасность, сначала следует выбрать группу оборудования, а затем общую индуктивность, необходимую для комбинации. Если рассматриваются небольшие значения индуктивности (то есть, в отсутствии сосредоточенной индуктивности, только короткие отрезки кабеля), тогда следует выбирать диаграмму с самым низким значением индуктивности (рисунок C.7 a) для подгруппы IIC и рисунок C.8 a) для подгруппы IIB).
Результирующая выходная характеристика затем строится на рассматриваемой диаграмме. Если в соответствии с C.3 рассматривается сложение значений тока и напряжения, тогда должны быть построены обе результирующие характеристики.
Если комбинация источников вместе с индуктивностью для этой диаграммы и выбранной группы оборудования является искробезопасной, то результирующая суммарная характеристика не должна пересекать предельную кривую для источника с прямоугольной характеристикой на диаграмме в любой точке. Кроме того, точка на диаграмме, определяемая максимальным напряжением и максимальным током суммарной характеристики, должна быть ниже кривой для линейного источника.
Кривая, полученная из комбинации одиночного линейного источника и прямоугольного источника с учетом C.3, служит характеристикой результирующей цепи. После нанесения кривой на соответствующую диаграмму в C.7 допустимое максимальное значение емкости Co может быть определено из диаграммы как значения предельных кривых, которые не пересекаются характеристикой.
Если для целей применения требуется более высокая допустимая емкость Co, то ее можно получить, начав с диаграммы для более низкой индуктивности.
Тот же подход можно использовать, когда результирующая выходная характеристика пересекает кривую предельной индуктивности линейного или прямоугольного источника.
Если даже при наименьшем значении индуктивности на диаграммах (0,15 мГн) соответствующая предельная кривая на диаграмме IIC превышена, то цепь не может быть оценена как подходящая для группы IIC в соответствии с данным приложением.
C.5 Проверка на соответствие ГОСТ 31610.11
В некоторых случаях рисунки C.7 и C.8 могут давать более высокую допустимую емкость, чем определено ГОСТ 31610.11. Следовательно, после определения Uo и Io комбинированной цепи следует проверить значения Lo и Co, полученные из рисунков C.7 и C.8, чтобы убедиться, что они не превышают кривые пределов воспламенения, приведенные в ГОСТ 31610.11.
C.6 Иллюстрация методики
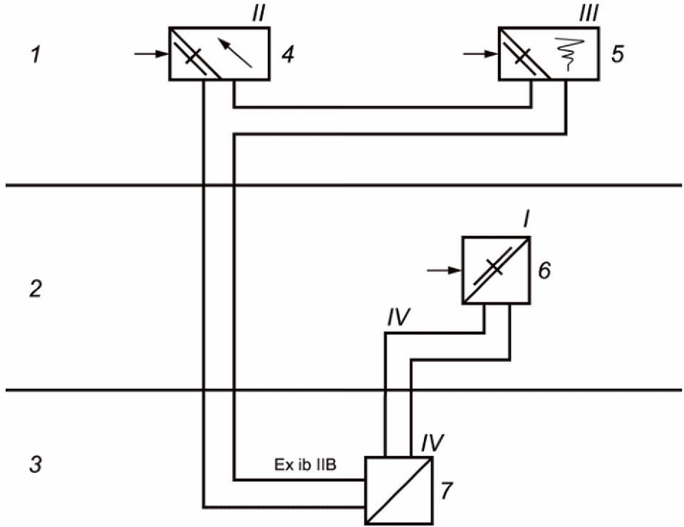
В примере, показанном на рисунке C.4, анализатор с усилителем IV расположен во взрывоопасной зоне и получает питание от искробезопасного источника питания I. Выходной сигнал искробезопасного усилителя (от 0 до 20 мА) подается на индикатор II и регистрирующее/записывающее устройство III.
Сложение значений тока/напряжения
Подсоединенная цепь Ex ib IIB
Po = 1,9 Вт, Uo = 28,7 В, Io = 264 мА
Lo = 0,5 мГн, Co = 400 нФ
1 - диспетчерская; 2 - коммутационный зал; 3 - взрывоопасная
зона; 4 - максимальные отображенные статические значения:
линейные характеристики 12 В, 133 мА, 400 мВт;
5 - максимальные зарегистрированные/записанные статические
значения: линейная характеристика 1 В, 31 мА, 10 мВт;
6 - максимальные значения для источника питания: Ex ib IIB
15,7 В, 100 мА, 1,57 Вт, Lo <= 1 мГн,
Co <= 650 нФ - прямоугольная выходная характеристика;
7 - анализатор с усилителем (искробезопасное оборудование);
I - искробезопасный источник питания; II - индикатор;
III - регистрирующее/записывающее устройство; IV - усилитель
Рисунок C.4 - Пример соединения
Анализатор - это искробезопасное оборудование; источник питания, индикатор и регистрирующее/записывающее устройство - связанное оборудование в значении, принятом в ГОСТ 31610.11. В нормальном режиме работы питание только от сети - активный источник, а индикатор и регистрирующее/записывающее устройство - пассивные источники. Однако, для оценки безопасности в качестве базовых приняты самые высокие возможные значения из документации изготовителя, относящихся ко всем трем устройствам в условиях неисправности.
Представлена следующая информация:
I Источник питания
Выход с уровнем вида взрывозащиты Ex ib IIB
Максимальные значения:
Uo = 15,7 В;
Io = 100 мА;
Po = 1,57 Вт;
Lo = 1 мГн;
Co = 650 нФ.
Прямоугольная выходная характеристика (рисунок C.1 c)).
II Дисплей
Вход с уровнем вида взрывозащиты Ex ib IIC
Максимальные значения:
Uo = 12 В;
Io = 133 мА;
Po = 0,4 Вт;
Lo = 1,8 мГн;
Co = 1,4 мкФ.
Линейная выходная характеристика (рисунок C.1 a)).
III Регистрирующее/записывающее устройство
Вход с уровнем вида взрывозащиты Ex ib IIC
Максимальные значения:
Uo = 1 В;
Io = 31 мА;
Po = 10 мВт;
Lo = 36 мГн;
Co = 200 мкФ.
Линейная выходная характеристика (рисунок C.1 a)).
При устройстве цепи, как показано на рисунке C.4 и в зависимости от условий неисправности в анализаторе, значения напряжений или токов могут складываться, как показано на рисунке C.3 e). Индивидуальные характеристики и две суммарные характеристики для добавления напряжения и тока показаны на рисунке C.5.
I - искробезопасный источник питания; II - индикатор;
III - регистрирующее/записывающее устройство
Рисунок C.5 - Суммарные характеристики цепи, представленной
на рисунке C.4
Для проверки искробезопасности на рисунке C.8 b) представлены суммарные характеристики (подгруппа IIB, L = 0,5 мГн), относящиеся к результатам, показанным на рисунках C.6 a) и C.6 b).
1 - предельная индуктивность для источника с прямоугольной
характеристикой; 2 - предельная индуктивность для источника
с линейной характеристикой
a) Сложение значений тока
1 - предельная индуктивность для источника с прямоугольной
характеристикой; 2 - предельная индуктивность для источника
с линейной характеристикой
b) Сложение значений напряжения
Рисунок C.6 - Сложение значений тока или напряжения
для примера, приведенного на рисунке C.4
Угловая точка при 18,7 В и 100 мА на кривой сложения напряжения очевидно является критической точкой - она расположена ближе всего к допустимой индуктивности источника с прямоугольной характеристикой, но не достигает его. В этой точке достигается теоретически самое высокое значение мощности, равное 1,87 Вт.
Поскольку обе результирующие характеристики комбинации не пересекают кривые допустимой индуктивности для источников с линейной и прямоугольной характеристикой на рисунках C.6 a) и C.6 b), результат испытания безопасности положительный. Для максимального значения напряжения (28,7 В) результирующей характеристики в данном примере максимально допустимая емкость комбинации из серии кривых на рисунке C.6 b) может быть установлена на уровне 400 нФ.
Примечание - Значение 400 нФ не может быть получено напрямую из предельных кривых. Значение между двумя предельными кривыми можно интерполировать.
Графическое значение, полученное в результате описанного выше процесса, выдает определенное значение, которое необходимо сравнить с допустимым значением емкости в соответствии с данными таблиц воспламенения ГОСТ 31610.11 для этой группы. Графически выведенное значение в любом случае должно быть меньше или равно значению этой таблицы. Если этот критерий не выполняется, графически выведенное значение должно быть установлено в соответствии со значением из таблицы для соответствующей группы.
Если проверить по таблице допустимой емкости в зависимости от напряжения и группы оборудования по ГОСТ 31610.11 значение 28,7 В для подгруппы IIB, допустимое значение емкости будет равно 618 нФ - то есть, оно будет выше установленного значения 400 нФ.
Полученные значения для комбинации следующие:
Подгруппа IIB
Максимальные значения:
Uo = 28,7 В;
Io = 264 мА;
Po = 1,9 Вт;
Lo = 0,5 мГн;
Co = 400 нФ.
Поскольку в данном примере искробезопасные входы и выходы связанного оборудования (источник питания, индикатор и регистрирующее/записывающее устройство) не имеют эффективных значений индуктивности или емкости, максимальные значения емкости или индуктивности можно использовать для искробезопасного оборудования (анализатор) и для соединительных кабелей.
C.7 Предельные кривые для универсальной характеристики источника
В данном пункте приведены диаграммы предельных значений для таблицы C.2.
Требуемый коэффициент безопасности 1,5 уже учтен в диаграммах для линейных и прямоугольных выходных характеристик.
1 - предельная индуктивность для источника с прямоугольной
характеристикой; 2 - предельная индуктивность для источника
с линейной характеристикой
a) Диаграмма для значения 0,15 мГн
1 - предельная индуктивность для источника с прямоугольной
характеристикой; 2 - предельная индуктивность для источника
с линейной характеристикой
b) Диаграмма для значения 0,5 мГн
1 - предельная индуктивность для источника с прямоугольной
характеристикой; 2 - предельная индуктивность для источника
с линейной характеристикой
c) Диаграмма для значения 1 мГн
1 - предельная индуктивность для источника с прямоугольной
характеристикой; 2 - предельная индуктивность для источника
с линейной характеристикой
d) Диаграмма для значения 2 мГн
1 - предельная индуктивность для источника с прямоугольной
характеристикой; 2 - предельная индуктивность для источника
с линейной характеристикой
e) Диаграмма для значения 5 мГн
Рисунок C.7 - Диаграмма с предельными кривыми
для характеристики универсального источника - Подгруппа IIC
1 - предельная индуктивность для источника с прямоугольной
характеристикой; 2 - предельная индуктивность для источника
с линейной характеристикой
a) Диаграмма для значения 0,15 мГн
1 - предельная индуктивность для источника с прямоугольной
характеристикой; 2 - предельная индуктивность для источника
с линейной характеристикой
b) Диаграмма для значения 0,5 мГн
1 - предельная индуктивность для источника с прямоугольной
характеристикой; 2 - предельная индуктивность для источника
с линейной характеристикой
c) Диаграмма для значения 1 мГн
1 - предельная индуктивность для источника с прямоугольной
характеристикой; 2 - предельная индуктивность для источника
с линейной характеристикой
d) Диаграмма для значения 2 мГн
1 - предельная индуктивность для источника с прямоугольной
характеристикой; 2 - предельная индуктивность для источника
с линейной характеристикой
e) Диаграмма для значения 5 мГн
Рисунок C.8 - Диаграмма с предельными кривыми
для характеристики универсального источника - Подгруппа IIC
Приложение D
(справочное)
ПРОВЕРКА ПАРАМЕТРОВ ИНДУКТИВНОСТИ
На рисунке D.1 представлена анализируемая система.
1 - связанное оборудование; 2 - параметры индуктивности
части системы, расположенной во взрывоопасной зоне
Рисунок D.1 - Типичная индуктивная цепь
Ri - собственное сопротивление катушки индуктивности. Если сопротивление катушки дополнено резистором, то этот резистор должен соответствовать требованиям к неповреждаемому резистору согласно ГОСТ 31610.11.
Ro - выходное сопротивление линейного источника питания, то есть Uo/Io.
Если Li меньше Lo, то допустимым максимальным значением индуктивности кабеля является разность этих двух величин: Lo - Li, и система будет приемлемой.
Если величина Li/Ri меньше допустимого значения Lo/Ro для источника питания, система приемлема и допустимым соотношением L/R для кабеля остается Lo/Ro.
Примечание 1 - Если в источнике питания используется самое низкое значение токоограничивающего резистора, определенное из допустимого тока короткого замыкания, соответствующего напряжению и таблице групп оборудования ГОСТ 31610.11, допустимая индуктивность для кабеля отсутствует (без учета сопротивления кабеля), а Lo равно нулю.
Если приемлемость системы не может быть продемонстрирована указанными выше методами, следует провести более обширный анализ следующим образом.
Определяют ток, который протекает через катушку индуктивности. В приведенной для примера цепи он составляет I = Uo/(Ro + Ri).
Следует умножить этот ток на 1,5, и, используя кривые индуктивности, приведенные в ГОСТ 31610.11, соответствующие данной группе оборудования, определить максимально допустимое значение индуктивности Lmax.
Если Lmax ниже, чем индуктивность катушки Li, тогда цепь неприемлема.
Если Lmax выше, чем Li, тогда допустимая индуктивность кабеля Lc равна меньшей из двух величин (Lmax - Li) или (Lo - Li).
При необходимости максимальное соотношение индуктивности и сопротивления кабеля, который может быть подключен к системе (Lc/Rc), может быть вычислено по приведенной ниже формуле. Эта формула учитывает коэффициент безопасности 1,5 по току, и она не должна применяться, если Ci выходных клемм устройства превышает 1% Co.
ИС МЕГАНОРМ: примечание.
Формула дана в соответствии с официальным текстом документа.
где e - минимальная энергия воспламенения в микроджоулях, составляет:
- Оборудование группы I 525 мкДж;
- Оборудование подгруппы IIA 320 мкДж;
- Оборудование подгруппы IIB и группы III 160 мкДж:
- Оборудование подгруппы IIC 40 мкДж;
R - общее сопротивление цепи (Ro + Ri), Ом;
Uo - максимальное напряжение разомкнутой цепи, В;
L - общая индуктивность цепи (Li + внутренняя индуктивность источника питания), Гн.
Допустимое значение соотношения Lc/Rc для кабеля системы - меньшее из двух значений рассчитанного значения и значения соотношения Lo/Ro источника питания.
Примечание 2 - При определении температурной классификации такой катушки индуктивности принимают, что сопротивление катушки падает до величины, обеспечивающей максимальную передачу мощности.
Приложение E
(справочное)
ВОЗМОЖНЫЙ ФОРМАТ ТЕХНИЧЕСКОГО ОПИСАНИЯ СИСТЕМЫ
В настоящем приложении приведен пример оформления технического описания системы, как показано на рисунке E.1. Он не означает необходимость применения только данного определенного формата и того, что другие методы хранения информации не могут быть столь же эффективными. Пример, указанный на рисунке, был выбран из-за его сложности и иллюстрирует почти все аспекты проектирования системы. Большинство систем намного проще и состоят из одного передатчика и интерфейса.
Блок-схема содержит всю информацию, необходимую для подтверждения статуса системы и проведения анализа, описанного в приложениях A и B. Примечание на рисунке E.1 к термометру сопротивления подтверждает, что это простое оборудование и его температурная классификация определяется локальной температурой процесса. Несоблюдение требований об испытании изоляции 500 В означает, что оно считается заземленным в одной точке, и, следовательно, для удовлетворения требования заземления цепи только в одной точке требуется гальваническая развязка внутри преобразователя.
Датчик температуры прошел оценку и имеет параметры безопасности, указанные как для входных соединений термометра сопротивления, так и для выходных соединений от 4 мА до 20 мА. Входная емкость незначительно изменяет допустимую емкость кабеля y (рисунок E.1), а допустимый диапазон температуры окружающей среды гарантирует, что датчик подходит для установки на заводе в большинстве мест.
Рисунок E.1 - Типовая блок-схема технического описания
искробезопасной системы
ИС МЕГАНОРМ: примечание.
Текст дан в соответствии с официальным текстом документа.
Гальванически изолированный интерфейс имеет четко определенные выходные параметры, которые используются для определения допустимых параметров кабеля. Ограничивающим параметром кабеля является емкость кабеля 80 нФ (подгруппа IIC), которая выделена в примечании, указанном в верхнем правом углу на рисунке E.1. Приведен альтернативный параметр в подгруппе IIB, поскольку он может более подходящим для конкретного применения.
Установочный чертеж предназначен для преобразования технического описания системы в требования для конкретной установки. Предполагается, что специалисту требуется информация, необходимая для создания установки, которая уже была должным образом спроектирована. Специалисту потребуется доступ к техническому описанию системы только в том случае, если у него есть причины сомневаться в корректности установки. На установочном чертеже добавлена соединительная коробка, которая представляет собой простое оборудование, и указаны конкретные кабели и вводы, которые будут использоваться. В данном случае это согласованные стандарты компании, отвечающие соответствующим требованиям. Уточнена температурная классификация термометра сопротивления и даны конкретные инструкции по подключению экранов кабелей. Информации на этом чертеже должно быть достаточно для проведения последующих проверок.
В настоящем приложении приведен только один метод представления данной информации. Основное требование состоит в том, чтобы техническое описание системы содержало всю информацию, позволяющую создать достаточно безопасную систему. Установочный документ должен содержать необходимую информацию, позволяющую безопасно установить конкретный вариант данной системы в определенном месте.
Приложение F
(справочное)
ИСПОЛЬЗОВАНИЕ ПРОСТОГО ОБОРУДОВАНИЯ В СИСТЕМАХ
F.1 Общие требования
В стандарте на искробезопасное оборудование (ГОСТ 31610.11) различают сложное оборудование, которое обычно требует определенной оценки согласно ГОСТ 31610.11, и простое оборудование. Цель заключается в том, чтобы разрешить использование оборудования, которое не оказывает существенного влияния на искробезопасность системы, без необходимости проведения комплексной оценки. Подразумевается, что можно продемонстрировать очевидную безопасность простого оборудования, не применяя все пункты стандарта. Например, если необходимы какие-либо компоненты, ограничивающие ток или напряжение, то устройство не считается простым. На практике относительно легко определить, какие элементы являются простым оборудованием, на этапе проектирования системы. Если это определить нелегко, то оборудование не является простым. В стандарте на искробезопасное оборудование (ГОСТ 31610.11) установлены ограничения 1,5 В, 100 мА и 25 мВт на параметры искробезопасности, генерируемые простым оборудованием. Принято считать, что простое оборудование может быть добавлено к искробезопасной системе без необходимости пересчета безопасности системы. Следует принимать во внимание совместное действие всех элементов простого, искробезопасного и связанного искробезопасного оборудования. Например, использование одной или двух термопар в системе разрешено, но комбинация большого количества термопар, используемых в одном контуре средней температуры, может не соответствовать этому критерию. Стандартом на искробезопасное оборудование (ГОСТ 31610.11) также допускается использовать емкостные и индуктивные компоненты в простых устройствах при условии, что эти компоненты включены в оценку системы. Обычно не используются катушки индуктивности или конденсаторы значительных размеров, но простая концепция устройства позволяет использовать небольшие компоненты радиочастотной развязки без проведения дальнейшего анализа системы. Полезный практический метод заключается в обеспечении того, чтобы общая емкость и индуктивность, добавленные к системе, составляли менее 1% от соответствующих выходных параметров источника питания, и тогда их влияние можно игнорировать. Если и добавленная емкость, и индуктивность вместе с любой другой сосредоточенной емкостью в цепи превышают 1% от указанных выходных параметров источника питания, то разрешенные выходные параметры должны быть уменьшены вдвое, как указано в приложении A.
Также необходимо классифицировать простое оборудование по температуре, если оно предназначено для установки во взрывоопасной зоне. Стандарт на оборудование допускает температурную классификацию T6 для выключателей, вилок, розеток и клемм, используемых в пределах их нормальных характеристик при температуре окружающей среды не выше 40 °C. На практике нелегко спроектировать систему, которая может использоваться с газами, требующими температурной классификации T6 (85 °C), и обычно достигается температурная классификация T4 (135 °C). Единственный газ, указанный в имеющейся документации, требующий температурной классификации T6, - это сероуглерод (CS2). Поэтому обычно достаточно температурной классификации T4. Температурная классификация простых устройств T4 (с площадью поверхности не менее 20 мм2) обычно зависит от входной мощности не более 1,3 Вт при максимальной требуемой температуре окружающей среды 40 °C. Соответствующие мощности для более высоких локальных температур окружающей среды составляют 1,2 Вт при 60 °C и 1 Вт при 80 °C. Если это правило неприменимо, следует измерить или оценить возможную максимальную температуру поверхности. Если по какой-либо причине не очевидно, что максимальная температура поверхности значительно ниже 135 °C (скажем, 100 °C), то устройство, вероятно, не является простым. Обычно простое оборудование изолировано от земли и не представляет никаких проблем. Требование состоит в том, чтобы выдержать испытание изоляции 500 В в соответствии со стандартом на оборудование. Там, где этот уровень изоляции отсутствует, простое оборудование вводит заземление в систему, и конструкция системы должна это учитывать.
F.2 Использование оборудования с "простым оборудованием"
Другим распространенным способом применения пункта, описывающего простое оборудование, является возможность применения устройств, признанных искробезопасными, с назначенными выходными параметрами в пределах, установленных для простого оборудования, в искробезопасной цепи, внеся незначительные изменения в документацию. Чаще всего этот метод используется для испытательного оборудования, индикаторов и пороговых реле.
Если в цепь включено более одного устройства с выходными характеристиками простого оборудования, следует позаботиться о том, чтобы не превышались допустимые параметры простого устройства. Иногда в качестве преимущества можно воспользоваться тем, что выходное напряжение появляется только в условиях повреждений и допускается учитывать повреждения ко всей системе в целом. Например, если в цепи подключено более одной единицы простого оборудования, то можно утверждать, что только одна единица оборудования считается повреждаемой в любой момент времени, и, следовательно, необходимо учитывать только наиболее неблагоприятный набор выходных параметров. Данный подход приемлем в системах "ib", но должен быть тщательно задокументирован. Чтобы применить подобный подход для систем "ia", требуется детальное знание получения выходных параметров. Информацию такого типа обычно нелегко получить, и, следовательно, этот метод обычно не применим к системам "ia". Если известно, что клеммы устройства являются исключительно резистивными при нормальной работе (как это часто бывает), то любое количество этих устройств может быть включено в систему "ic".
Приложение G
(обязательное)
СИСТЕМЫ FISCO
G.1 Общие требования
В настоящем приложении содержится подробная информация о проектировании систем, в которых применяется концепция искробезопасной полевой шины (FISCO), основанная на принципах систем с манчестерским кодированием и питанием от шины в соответствии с [1].
Требования к системам FISCO установлены настоящим стандартом, кроме случаев, указанных в настоящем приложении.
Примечания
1 На некоторые устройства, которые были сертифицированы до опубликования настоящего стандарта, но не обязательно соответствующие требованиям к параметрам искробезопасности настоящего стандарта, допускается наносить надпись "Подходящее для систем FISCO". Такие устройства допускается использовать в системе FISCO, если сравнение искробезопасных параметров Uo, Io, Po с Ui, Ii, Pi показывает совместимость с остальной частью системы и соответствует всем другим требованиям настоящего стандарта.
2 Типичная система представлена на рисунке G.1.
3 В целом системы FISCO уровня вида взрывозащиты "ic" предназначены для применения в зонах класса 2. Системы FISCO уровней вида взрывозащиты "ia" и "ib" в основном предназначены для применения в зоне класса 1. Системы FISCO уровня вида взрывозащиты "ia" могут входить в зону класса 0, если это специально позволено в технических документах.
1 - оконечное устройство; 2 - источник питания; 3 - данные;
4 - ручной терминал; 5 - полевые устройства;
6 - магистральный кабель; 7 - ответвительный кабель
Рисунок G.1 - Типичная система
G.2 Требования к системе
Система обычно имеет вид, показанный на рисунке G.1.
Кабель, используемый в системе, должен соответствовать разделу 9 и иметь следующие параметры:
- сопротивление контура Rc - от 15 Ом/км до 150 Ом/км;
- индуктивность контура Lc - от 0,4 мГн/км до 1 мГн/км;
- емкость Cc - от 45 нФ/км до 200 нФ/км;
- максимальная длина каждого ответвительного кабеля - 60 м для всех групп оборудования;
- максимальная длина каждого магистрального кабеля, включая длину ответвлений кабелей - 1 км для оборудования подгруппы IIC и 5 км - для оборудования групп I и III и подгруппы IIB.
Если используется кабель, соответствующий настоящему приложению, дальнейшее рассмотрение параметров кабеля не требуется.
Если используются кабели, содержащие несколько цепей, то они должны быть типа A или B.
Если система включает в себя:
- один источник питания,
- любое число полевых устройств - всего до 32,
- и до двух оконечных устройств,
полностью соответствующих требованиям настоящего стандарта, в сочетании с кабелем, соответствующим приведенной выше спецификации, то эта система должна считаться достаточно безопасной.
Все устройства, используемые в системе FISCO, должны быть одной группы I, II или III, подходящей для предполагаемого использования системы.
Системе должен быть присвоен уровень вида взрывозащиты ("ia", "ib" или "ic"), определяемый наиболее низким уровнем вида взрывозащиты устройств, используемых в системе. Присвоенный уровень вида взрывозащиты должен быть указан в документации по безопасности.
Подсистемы в системе могут иметь разные уровни вида взрывозащиты, если это обосновано оценкой и записано в технической документации. Например, от магистрали уровня вида взрывозащиты "ib" допускается создавать ответвление уровня вида взрывозащиты "ia" с применением соответствующим образом сертифицированного интерфейса.
Оконечное(ые) устройство(а) должно(ы) находиться на конце(ах) магистрали кабеля. Источник питания должен находиться не более чем в 60 м от одного конца магистрали. Если источник питания подключен через ответвление, то длина этого ответвления должна быть ограничена длиной 60 м.
Примечание - Число полевых устройств, которое допускается подключать к ответвлению, определено эксплуатационными требованиями и требованием настоящего приложения, которое ограничивает число полевых устройств в системе максимум до 32.
Соединительные устройства или переключатели могут быть добавлены в систему без изменения оценки безопасности. Другие типы простого оборудования, соответствующие ГОСТ 31610.11, могут быть подключены к системе FISCO при условии, что общая индуктивность и емкость каждого простого оборудования не более чем 10 мкГн и 5 нФ, соответственно, и общее количество единиц простого оборудования и полевых устройств не превышает 32.
Документация по безопасности может быть упрощена до списка оборудования вместе с соответствующей используемой документацией на оборудование. Документация должна четко определять уровень вида взрывозащиты каждой части системы.
Для систем группы II группа оборудования источника питания определяет группу оборудования системы.
Температурная классификация или максимальная температура поверхности (в зависимости от того, что применяется) каждого устройства должны быть определены и отражены в документации. Также необходимо подтвердить, что допустимое значение температуры окружающей среды для каждой единицы оборудования подходит для предполагаемого местоположения.
G.3 Дополнительные требования к системе FISCO уровня вида взрывозащиты "ic"
Полевые устройства, оконечные устройства и другие вспомогательные устройства, соответствующие требованиям искробезопасности, но не в качестве устройств FISCO, могут использоваться с источником питания FISCO в системе FISCO уровня вида взрывозащиты "ic" при условии, что они имеют входные параметры Ui не менее 17,5 В и внутренние параметры Li и Ci, не превышающие 20 мкГн и 5 нФ соответственно.
Если в системе FISCO уровня вида взрывозащиты "ic" используется искробезопасное оборудование, это должно быть указано при установке этого устройства. Заводская этикетка с маркировкой "Система FISCO уровня вида взрывозащиты "ic" является приемлемым способом выполнения этого требования.
Приложение ДА
(справочное)
СВЕДЕНИЯ О СООТВЕТСТВИИ ССЫЛОЧНЫХ МЕЖГОСУДАРСТВЕННЫХ
СТАНДАРТОВ МЕЖДУНАРОДНЫМ СТАНДАРТАМ, ИСПОЛЬЗОВАННЫМ
В КАЧЕСТВЕ ССЫЛОЧНЫХ В ПРИМЕНЕННОМ МЕЖДУНАРОДНОМ СТАНДАРТЕ
Таблица ДА.1
Обозначение ссылочного межгосударственного стандарта
Степень соответствия
Обозначение и наименование ссылочного международного стандарта
(IEC 60079-0:2017)
MOD
IEC 60079-0:2017 "Взрывоопасные среды. Часть 0. Оборудование. Общие требования"
(IEC 60079-11:2011)
MOD
IEC 60079-11:2011 "Взрывоопасные среды. Часть 11. Искробезопасная электрическая цепь "i"
MOD
IEC 60079-14:2013 "Взрывоопасные среды. Часть 14. Проектирование, выбор и монтаж электроустановок"
Примечание - В настоящей таблице использовано следующее условное обозначение степени соответствия стандартов:
- MOD - модифицированные стандарты.
БИБЛИОГРАФИЯ
[1]
IEC 61158-2
Industrial communication networks - Fieldbus specifications - Part 2: Physical layer specification and service definition (Сети связи промышленные. Спецификации полевых шин. Часть 2. Спецификация физического уровня и определение услуг)
[2]
IEC/TS 60079-47
Explosive atmospheres - Part 47: Equipment protection by 2-wire intrinsically safe ethernet concept (2-WISE) (Взрывоопасные среды. Часть 47. Защита оборудования с помощью концепции 2-WISE)
УДК 621.3:006.354
МКС 29.260.20
IDT
Ключевые слова: искробезопасная система, искробезопасная электрическая цепь, источник питания, проверки и типовые испытания