Главная // Актуальные документы // ГОСТ (Государственный стандарт)СПРАВКА
Источник публикации
М.: ФГБУ "Институт стандартизации", 2024
Примечание к документу
Документ
введен в действие с 01.07.2024.
Название документа
"ГОСТ 30247.4-2022. Межгосударственный стандарт. Конструкции строительные. Светопрозрачные ограждающие конструкции и заполнения проемов. Метод испытания на огнестойкость"
(введен в действие Приказом Росстандарта от 07.06.2024 N 725-ст)
"ГОСТ 30247.4-2022. Межгосударственный стандарт. Конструкции строительные. Светопрозрачные ограждающие конструкции и заполнения проемов. Метод испытания на огнестойкость"
(введен в действие Приказом Росстандарта от 07.06.2024 N 725-ст)
Приказом Федерального
агентства по техническому
регулированию и метрологии
от 7 июня 2024 г. N 725-ст
МЕЖГОСУДАРСТВЕННЫЙ СТАНДАРТ
КОНСТРУКЦИИ СТРОИТЕЛЬНЫЕ.
СВЕТОПРОЗРАЧНЫЕ ОГРАЖДАЮЩИЕ КОНСТРУКЦИИ И ЗАПОЛНЕНИЯ ПРОЕМОВ
МЕТОД ИСПЫТАНИЯ НА ОГНЕСТОЙКОСТЬ
Building constructions.
Glazed partitions constructions and filling openings.
Test method of fire resistance
ГОСТ 30247.4-2022
Дата введения
1 июля 2024 года
Цели, основные принципы и общие правила проведения работ по межгосударственной стандартизации установлены
ГОСТ 1.0 "Межгосударственная система стандартизации. Основные положения" и
ГОСТ 1.2 "Межгосударственная система стандартизации. Стандарты межгосударственные, правила и рекомендации по межгосударственной стандартизации. Правила разработки, принятия, обновления и отмены"
1 РАЗРАБОТАН Межгосударственным техническим комитетом по стандартизации МТК 274 "Пожарная безопасность", Техническим комитетом по стандартизации ТК BY 35 "Средства обеспечения пожарной безопасности и пожаротушения. Требования в области обеспечения пожарной безопасности"
2 ВНЕСЕН Государственным комитетом по стандартизации Республики Беларусь
3 ПРИНЯТ Межгосударственным советом по стандартизации, метрологии и сертификации (протокол от 31 марта 2022 г. N 149-П)
За принятие проголосовали:
Краткое наименование страны по МК (ИСО 3166) 004-97 | Код страны по МК (ИСО 3166) 004-97 | Сокращенное наименование национального органа по стандартизации |
Армения | AM | ЗАО "Национальный орган по стандартизации и метрологии" Республики Армения |
Беларусь | BY | Госстандарт Республики Беларусь |
Киргизия | KG | Кыргызстандарт |
Россия | RU | Росстандарт |
Таджикистан | TJ | Таджикстандарт |
Узбекистан | UZ | Узбекское агентство по техническому регулированию |
4 Приказом Федерального агентства по техническому регулированию и метрологии от 7 июня 2024 г. N 725-ст межгосударственный стандарт ГОСТ 30247.4-2022 введен в действие в качестве национального стандарта Российской Федерации с 1 июля 2024 г.
5 ВВЕДЕН ВПЕРВЫЕ
Информация о введении в действие (прекращении действия) настоящего стандарта и изменений к нему на территории указанных выше государств публикуется в указателях национальных стандартов, издаваемых в этих государствах, а также в сети Интернет на сайтах соответствующих национальных органов по стандартизации.
В случае пересмотра, изменения или отмены настоящего стандарта соответствующая информация будет опубликована на официальном интернет-сайте Межгосударственного совета по стандартизации, метрологии и сертификации в каталоге "Межгосударственные стандарты"
Настоящий стандарт устанавливает метод испытания на огнестойкость светопрозрачных ограждающих конструкций и заполнений проемов в противопожарных преградах.
Настоящий стандарт распространяется на:
- перегородки со светопропускающими элементами площадью 5% и более от общей площади конструкции;
- заполнения проемов, устанавливаемых в противопожарных преградах: противопожарные окна, двери, ворота и люки со светопропускающими элементами площадью более 25% от площади проема в свету; пожаростойкое стекло и изделия из него.
Метод испытания на пожаростойкость стекла и изделий из него приведен в
приложении А.
Настоящий стандарт не распространяется на испытания дверей шахт лифтов.
В настоящем стандарте использованы нормативные ссылки на следующие межгосударственные стандарты:
ГОСТ 6616-94 Преобразователи термоэлектрические. Общие технические условия
ГОСТ 30247.0-94 Конструкции строительные. Методы испытаний на огнестойкость. Общие требования
ГОСТ 30247.1-94 Конструкции строительные. Методы испытаний на огнестойкость. Несущие и ограждающие конструкции
ГОСТ 30247.3-2002 Конструкции строительные. Методы испытаний на огнестойкость. Двери шахт лифтов
ГОСТ 33004-2014 Стекло и изделия из него. Характеристики. Термины и определения
Примечание - При пользовании настоящим стандартом целесообразно проверить действие ссылочных стандартов и классификаторов на официальном интернет-сайте Межгосударственного совета по стандартизации, метрологии и сертификации (www.easc.by), или по указателям национальных стандартов, издаваемым в государствах, указанных в предисловии, или на официальных сайтах соответствующих национальных органов по стандартизации. Если на документ дана недатированная ссылка, то следует использовать документ, действующий на текущий момент, с учетом всех внесенных в него изменений. Если заменен ссылочный документ, на который дана датированная ссылка, то следует использовать указанную версию этого документа. Если после принятия настоящего стандарта в ссылочный документ, на который дана датированная ссылка, внесено изменение, затрагивающее положение, на которое дана ссылка, то это положение применяется без учета данного изменения. Если ссылочный документ отменен без замены, то положение, в котором дана ссылка на него, применяется в части, не затрагивающей эту ссылку.
3.1 образец (для испытания): Образец конструкции, предназначенный для испытаний на огнестойкость.
Примечание - Образец может быть отобран от изготовленной (ввезенной) партии или специально изготовлен в соответствии с технической документацией изготовителя.
3.2 противопожарное окно: Неоткрывающаяся светопрозрачная конструкция, служащая для заполнения проемов в противопожарных преградах и препятствующая распространению пожара и продуктов горения в примыкающие помещения (пространства) в течение нормируемого времени.
3.3 пожаростойкое стекло: Одно или более изделий из стекла, закрепленных в конструкции, способных в течение определенного периода времени выдерживать воздействие тепловых и механических нагрузок, возникающих во время пожара, препятствуя распространению пожара и продуктов горения.
3.4 пожаростойкость стекла: Свойство стекла обеспечивать защиту от воздействия опасных факторов пожара, характеризуемое временем от начала огневого испытания при стандартном температурном режиме до наступления одного или нескольких нормируемых предельных состояний.
3.5 противопожарная перегородка со светопропускающими элементами: Строительная конструкция, предназначенная для предотвращения распространения пожара и ограничения распространения опасных факторов пожара в смежные с горящим помещения в течение нормируемого времени.
3.6 светопрозрачная ограждающая конструкция: Конструкция, например стена или перегородка, со светопропускающими элементами, предназначенная для ограждения или разделения объемов (помещений) здания.
3.7 светопрозрачное заполнение проема: Конструкция со светопропускающими элементами, служащая для заполнения проемов в стенах, перегородках, покрытиях, перекрытиях.
3.8 светопропускающий элемент: Элемент конструкции, обеспечивающий естественное освещение объема или помещения и имеющий коэффициент светопропускания больше нуля при нормальных условиях эксплуатации.
3.9 фрагмент ограждающей конструкции: Элемент стендового оборудования, предназначенный для закрытия проема огневой камеры печи (установки) и монтажа образцов для испытаний.
3.10 фрамуга: Конструктивный элемент дверей со светопропускающими элементами сплошного сечения, имеющий общую и жестко связанную коробку с конструкцией двери или ворот.
3.11 огнезащитная пленка: Защитный светопропускающий материал, наносимый на поверхность светопропускающего элемента светопрозрачной конструкции или стекла в целях обеспечения (повышения) требуемого предела огнестойкости.
3.12 противопожарная преграда: Средство обеспечения пожарной безопасности, строительная конструкция с нормированными пределом огнестойкости и классом пожарной опасности, объемный элемент здания или иное инженерно-техническое средство, предназначенные для предотвращения распространения пожара между помещениями, зданиями и сооружениями.
3.13 противопожарная дверь: Конструктивный элемент в сборе, состоящий из подвижных и неподвижных элементов, служащих для заполнения проемов в противопожарных преградах и препятствующих распространению пожара в примыкающие помещения в течение нормируемого времени.
Примечание - Под подвижными и неподвижными элементами понимаются коробки, полотна, направляющие, включая элементы крепления к ограждениям и т.п.
Сущность метода испытаний заключается в определении времени (в минутах) от начала одностороннего теплового воздействия на образец при стандартном температурном режиме до наступления одного или нескольких предельных состояний конструкции по огнестойкости.
5.1 При испытаниях образцов светопрозрачных ограждающих конструкций и заполнений проемов различают следующие предельные состояния.
5.1.1 Потеря несущей способности (R) вследствие обрушения конструкции или возникновения предельных деформаций.
5.1.2 Потеря целостности (E) вследствие наступления хотя бы одного из следующих условий:
а) выпадения светопропускающего элемента из конструкции заполнения (или самой конструкции заполнения из ограждения);
б) появления устойчивого пламени на необогреваемой поверхности образца длительностью 10 с и более;
в) воспламенения или возникновения тления со свечением ватного тампона в результате воздействия огня или горячих газов, проникающих через зазоры, щели, отверстия, притворы, лабиринты и т.п.;
г) образования в конструкции образца сквозных отверстий (щелей) с размерами, позволяющими щупу диаметром (6 +/- 0,2) мм проникать и перемещаться вдоль отверстия (щели) на расстояние не менее 150 мм или щупу диаметром (25 +/- 0,2) мм беспрепятственно проникать в сквозные отверстия.
5.2 Потеря теплоизолирующей способности (I) вследствие наступления хотя бы одного из следующих условий:
а) повышения температуры на необогреваемой поверхности конструкции в среднем более чем на 140 °C или в любой контролируемой точке этой поверхности более чем на 180 °C в сравнении с температурой конструкции до испытания;
б) достижения температуры 300 °C (независимо от начальной температуры конструкции до испытания) на необогреваемой поверхности коробки конструкции заполнения проема или рамы светопрозрачной ограждающей конструкции, примыкающих к основным строительным конструкциям.
5.3 Потеря теплоизолирующей способности (W) вследствие достижения допустимой величины плотности потока теплового излучения, равной 3,5 кВт/м2 (с отклонением +/- 5%); измерения проводятся на расстоянии 0,5 м (с отклонением +/- 2%) от необогреваемой поверхности конструкции.
5.4 При нормировании пределов огнестойкости светопрозрачных ограждающих конструкций и заполнений проемов используют следующие предельные состояния:
- для противопожарных окон - потеря целостности (E);
- для перегородок и заполнений проемов в противопожарных преградах - потеря целостности (E), потеря теплоизолирующей способности (I) и потеря теплоизолирующей способности (W).
6 Стендовое испытательное оборудование и средства измерения
6.1 Для проведения испытаний применяют:
- испытательную установку с системой подачи и сжигания топлива (далее - печь) по
ГОСТ 30247.0;
- систему дымовых каналов с регулирующим устройством, обеспечивающую избыточное давление в огневой камере печи;
- фрагмент ограждающей конструкции, обеспечивающий соблюдение условий крепления образца в проеме в соответствии с технической документацией на изделие;
- систему измерения и регистрации температур с классом точности не менее 1 по
ГОСТ 30247.0;
- преобразователи термоэлектрические (далее - ТП) по
ГОСТ 6616, с классом не ниже 2;
- переносные ТП (см.
рисунок Б.1 (приложение Б)), служащие для определения температуры в любой точке необогреваемой поверхности конструкции, где ожидается наибольшее ее повышение (допускается использовать иное средство измерения температуры с соответствующим диапазоном измерения и погрешностью измерения не больше, чем у переносных ТП);
- систему измерения плотности потока теплового излучения с погрешностью измерения +/- 5%;
- устройство для измерения давления в огневой камере печи (см.
рисунок Б.2 (приложение Б)), с точностью измерения +/- 2,0 Па;
- проволочную рамку для установки ватного тампона по
ГОСТ 30247.3;
- стальные щупы с теплоизолированной ручкой по
ГОСТ 30247.3.
6.2 Конструкция печи должна обеспечивать возможность теплового воздействия на светопрозрачную ограждающую конструкцию или заполнение проема с одной стороны.
6.3 Огнестойкость ограждающей конструкции должна быть выше огнестойкости образца для испытаний.
7 Температурный режим и давление в печи
8 Требования к образцам для испытаний
8.1 Размеры образцов
8.1.1 За размеры образцов для испытаний принимают:
- габаритные размеры - для конструкций, встраиваемых в строительный проем;
- размер проема в свету - для навесных конструкций.
8.1.2 Образцы для испытаний должны иметь проектные размеры.
8.1.3 Если образцы проектных размеров испытать не представляется возможным, то допускается испытывать образцы с уменьшением проектных размеров до следующих минимальных размеров строительного проема в свету, сохраняя при этом конструктивные особенности образцов, влияющие на их огнестойкость:
- для вертикально устанавливаемых образцов: высота - (3000 +/- 10) мм, ширина - (3000 +/- 10) мм;
- для вертикально устанавливаемых образцов заполнений проемов в ограждающих конструкциях: высота - (2600 +/- 10) мм, ширина - (2600 +/- 10) мм.
8.2 Количество образцов
8.2.1 Для испытания конструкции одного типа должны быть изготовлены два одинаковых образца.
8.2.2 Если противопожарные двери, ворота и люки предназначены для огневого воздействия только с одной стороны, это должно быть оговорено заказчиком, установлено в инструкции по монтажу и отражено в отчете об испытании. При этом для испытания на огнестойкость достаточно одного образца.
8.3 Комплектность образцов
8.3.1 Образцы для испытаний должны быть изготовлены, укомплектованы и собраны в соответствии с технической документацией, а также оснащены всеми устройствами, предусмотренными изготовителем.
8.3.2 Комплект поставки образцов для испытаний должен включать:
- копии технической документации, устанавливающей требования к изделию, в том числе чертежи со спецификациями используемых в изделии материалов;
- техническое описание конструкции, включающее наименование, тип (марку), назначение изделия, характеристики теплоизоляционных материалов, светопропускающих элементов и их толщины;
- фактические условия крепления образца, способ заполнения зазоров между образцом и ограждающей конструкцией;
- паспорт на изделие;
- нагрузки и условия опирания образцов, принятые в проектных решениях;
- инструкцию по монтажу светопрозрачной ограждающей конструкции (конструкций заполнения проемов) с указанием используемых материалов.
Образцы для испытаний должны проходить входной контроль, при котором устанавливается соответствие комплектности образца, установленной в эксплуатационной документации.
Данные входного контроля заносят в отчет об испытании.
9 Подготовка к испытаниям
9.1 Установка (монтаж) образца. Требования к конструкциям заполнения проемов
9.1.1 Монтаж образца производят в конструкцию, используемую на практике. Если конструкция не определена технической документацией, образец устанавливают в фрагмент ограждающей конструкции, изготовленный из негорючего материала (бетона, кирпича и т.п.) с учетом
6.3.
9.1.2 Фрагмент ограждающей конструкции может иметь один или два проема, используемые для установки образцов для испытаний (например, однопольных дверей, люков, окон и т.п.) при условии соблюдения необходимых разрывов между ними (не менее двух толщин монтажного приспособления).
9.1.3 При использовании материалов минеральных связующих для заполнения зазоров между образцом и ограждающей конструкцией испытание проводится по истечении времени отверждения связующего материала, указанного в технической документации.
9.1.4 Конструкции, имеющие по проектной документации уклон более 30°, следует испытывать в вертикальном положении, остальные - в горизонтальном.
9.1.5 Образец монтируется заказчиком или организацией, имеющими допуск на этот вид деятельности, в соответствии с инструкцией по монтажу.
9.1.6 При испытаниях дверей, ворот, люков их полотна запирают только на защелку. Не допускается запирать эти конструкции на замок и оставлять ключ в замке. Полотна распашных дверей в коробке (между собой для двупольных конструкций) следует фиксировать защелкой.
9.1.7 До установки ТП на смонтированных образцах дверей, ворот и люках должно быть проведено не менее 10 циклов открывания-закрывания, включающих открывание полотна на расстоянии около 300 мм и возвращение в закрытое состояние. Это выполняется специальным устройством. Если специальное устройство отсутствует, то процедура выполняется вручную. Для двупольных дверей процедура выполняется для каждой створки.
9.1.8 Информация о применяемых материалах и способе заполнения зазоров между коробкой двери и ограждающей конструкцией при испытаниях должна быть отражена в отчете об испытаниях.
9.2 Установка ТП
9.2.1 Общие положения
Для измерения температуры на необогреваемой поверхности образца устанавливают ТП в соответствии с
приложением В.
ТП располагают на расстоянии (100 +/- 5) мм от любого металлического замочно-скобяного изделия.
ТП не устанавливают на:
- ручки и цилиндры врезных замков;
- шпингалеты;
- петли;
- сквозные крепежные изделия;
- доводчик.
9.2.2 Расположение ТП для определения среднеарифметического значения температуры
Среднеарифметическое значение температуры определяют пятью ТП 1 - 5, обозначенными на
рисунках В.1 -
В.12 значком "

" и расположенными следующим образом:
- ТП 1 - в центре площади образца;
- ТП 2, 3, 4, 5 - в центре каждой четверти площади образца.
ТП должны располагаться на расстоянии (100 +/- 5) мм от любого стыка, ребра жесткости, рамы, импоста или сквозной детали.
При испытаниях двупольных распашных или откатных дверей и ворот с полотнами одинаковой ширины центральный ТП смещается на (100 +/- 5) мм вправо (влево), вверх (вниз) от притвора между полотнами.
При испытаниях конструкций дверей или ворот, содержащих отдельные элементы (фрамугу и т.п.) площадью остекления >= 0,1 м2, ТП должны быть равномерно распределены по всей поверхности этих элементов с плотностью один ТП на 1,0 м2, но не менее двух на всей площади элемента. Показания этих ТП учитывают при расчете среднеарифметического значения температуры.
Если общая площадь отдельного элемента конструкции двери или ворот меньше 0,1 м2, то показания установленных ТП при определении среднеарифметического значения температуры не учитывают.
Определение среднеарифметического значения температуры проводят по ТП, установленным на однородной поверхности.
9.2.3 Расположение ТП для определения максимального значения температуры
Максимальное значение температуры определяется ТП, обозначенными на
рисунках В.1 -
В.12 значками "

", "

" и расположенными:
- для одно- и двупольных дверей, установленных в светопрозрачную перегородку, посередине ширины, на равных расстояниях по высоте светопрозрачных элементов (см.
рисунок В.9, ТП 8 - 13);
- для одно- и двупольных дверей, установленных в светопрозрачную перегородку, посередине каждого светопрозрачного элемента (см.
рисунок В.10, ТП 6 - 12;
рисунок В.11, ТП 6 - 13);
- посередине высоты вертикальных промежуточных профилей каркаса (см.
рисунок В.1, ТП 6, 7;
рисунок В.2, ТП 8;
рисунок В.3, ТП 10;
рисунок В.9, ТП 14, 18;
рисунок В.10, ТП 16, 17;
рисунок В.11, ТП 18, 19);
- посередине узла пересечения вертикальных и горизонтальных промежуточных профилей каркаса (см.
рисунок В.2, ТП 6, 9;
рисунок В.3, ТП 9, 11);
- для одно- и двупольных дверей посередине верхнего импоста каждого из полотен двери (см.
рисунок В.5, ТП 6;
рисунок В.6, ТП 8, 9;
рисунок В.7, ТП 6, 7;
рисунок В.8, ТП 8, 9;
рисунок В.10, ТП 21;
рисунок В.11, ТП 20, 21);
- посередине каждого светопрозрачного элемента конструкции (см.
рисунок В.4, ТП 6 - 8);
- посередине высоты, в четвертях несветопропускающих элементов конструкции (см.
рисунок В.3, ТП 6, 8).
9.2.4 Расположение ТП для определения температуры на раме (коробке)
Значение температуры определяется ТП, обозначенными на
рисунках В.1 -
В.12 значком "

" и расположенными:
а) посередине высоты каждой из двух вертикальных частей рамы (коробки) (см.
рисунки В.1,
В.5,
В.7, ТП 8, 12;
рисунки В.2,
В.6, ТП 10, 14;
рисунок В.3, ТП 12, 16;
рисунок В.8, ТП 13, 17;
рисунок В.9, ТП 19, 23;
рисунок В.10, ТП 22, 26;
рисунок В.11, ТП 25, 29;
рисунок В.12, ТП 6, 10);
б) посередине или на (100 +/- 5) мм вправо, влево от среднего притвора рабочего полотна двупольной двери или ворот с одинаковой шириной полотен верхней горизонтальной части рамы (коробки, фрамуги, если таковая имеется) (см.
рисунки В.1,
В.5,
В.7, ТП 10;
рисунки В.2,
В.6, ТП 12;
рисунок В.3, ТП 14;
рисунок В.4, ТП 11;
рисунок В.8, ТП 15;
рисунок В.9, ТП 21;
рисунок В.10, ТП 24;
рисунок В.11, ТП 27;
рисунок В.12, ТП 8);
в) на верхней горизонтальной части рамы в (50 +/- 5) мм от внутренних углов проема в свету (см.
рисунок В.1, ТП 9, 11;
рисунок В.2, ТП 11, 13;
рисунок В.3, ТП 13, 15;
рисунок В.4, ТП 10, 12;
рисунок В.8, ТП 14, 16;
рисунок В.9, ТП 20, 22;
рисунок В.10, ТП 23, 25;
рисунок В.11, ТП 26, 28);
г) на верхней горизонтальной части коробки, дверей, ворот, люков в (50 +/- 5) мм от внутренних углов проема в свету (см.
рисунки В.5,
В.7, ТП 9, 11;
рисунок В.6, ТП 11, 13;
рисунок В.12, ТП 7, 9).
В каждой из указанных выше точек центр ТП должен располагаться на расстоянии (15 +/- 2) мм от места соединения рамы (коробки) со стандартной ограждающей конструкцией.
Если часть рамы (коробки) или вся рама (коробка) оштукатуривается, то ТП на нее не устанавливается.
9.3 ТП устанавливают с помощью термостойкого клея или механического крепления (винтами, заклепками, подпружиненными скобами). Каждый ТП должен закрываться накладкой из негорючего материала размером 30 x 30 x 2 мм с предельным отклонением +/- 0,5 мм. При этом не допускается наличие следов клея между поверхностью образца для испытаний и спаем ТП.
9.4 Если на металлические или деревянные поверхности образца тонким слоем нанесено декоративное покрытие (например, краска), то в местах установки спая ТП его следует полностью удалить.
9.5 Температуру окружающей среды и скорость движения воздуха в испытательном помещении измеряют на расстоянии (1000 +/- 10) мм от необогреваемой поверхности образца.
9.6 Нагрузка
9.6.1 Образцы несущих и самонесущих конструкций испытывают под нагрузкой. Распределение нагрузки и условия опирания образцов должны соответствовать расчетным схемам, принятым в проектных решениях.
9.6.2 Испытательную нагрузку устанавливают из условия создания в расчетных сечениях образцов конструкций напряжений, соответствующих значениям, указанным изготовителем (заказчиком).
9.6.3 При определении проектных значений напряжений следует учитывать только постоянные и временные длительные нагрузки в их расчетных значениях с коэффициентом надежности, равным 1.
9.6.4 При приложении нагрузки необходимо обеспечить условия, исключающие смещение грузов вследствие деформации образца. Нагрузку устанавливают не менее чем за 30 мин до начала испытания и поддерживают (с точностью +/- 5%) постоянной в течение всего времени испытания.
9.7 Определение предельного состояния конструкции по потере несущей способности в зависимости от деформации производится в соответствии с ГОСТ 30247.1
(приложение А).
9.8 Измерение плотности потока теплового излучения
9.8.1 Для измерения величины плотности потока теплового излучения устанавливают приемники теплового излучения.
9.8.2 При испытании вертикальных конструкций со светопрозрачными элементами приемники теплового излучения должны быть установлены таким образом, чтобы их оси были перпендикулярны плоскости образца для испытаний. Один из приемников теплового излучения должен быть расположен на расстоянии 0,5 м (с отклонением +/- 2%) от геометрического центра необогреваемой поверхности конструкции, другие - на таком же расстоянии от элементов, где ожидается наибольшая величина теплового излучения (см.
приложение Г).
10.2 Время проведения испытаний
Испытание проводят в течение заявленного времени или до наступления одного из предельных состояний по огнестойкости с учетом
таблицы 1. Испытание может быть продолжено после наступления одного из предельных состояний для получения дополнительной информации.
Показатель предела огнестойкости | Время проведения испытаний с полностью выполненными критериями, не менее, мин |
Категория А | Категория Б |
15 | 15 | 18 |
30 | 30 | 36 |
45 | 45 | 52 |
60 | 60 | 68 |
90 | 90 | 100 |
120 | 120 | 132 |
180 | 180 | 196 |
Примечание - Категории А и Б применяют для распространения результатов испытаний в соответствии с
13.1.
10.3 Если за время, заявленное для представленной конструкции, предельное (предельные) состояние (состояния) не было (были) достигнуто (достигнуты), то по согласованию с заказчиком испытание может быть продолжено до выявления фактической огнестойкости.
10.4 Если испытание заканчивается до наступления предельных состояний, причина окончания должна быть указана в отчете. В этом случае величиной предела огнестойкости конструкции является время продолжительности проведения испытания, ближайшее меньшее значение из ряда чисел, указанных в
таблице 1.
10.5 Испытание может быть остановлено, если существует опасность для обслуживающего персонала или угроза разрушения, поломки приборов и оборудования, что фиксируется в отчете.
10.6 Образцы однослойных и симметричных многослойных конструкций испытывают с одной стороны.
10.7 Образцы окон испытывают при огневом воздействии со стороны, обращенной к помещению; заполнение проемов (люков) в покрытиях и перекрытиях - снизу.
10.8 Образцы люков испытывают как в вертикальном, так и в горизонтальном положении в зависимости от его назначения с учетом
9.1.5.
10.9 В процессе испытания регистрируют:
- температуру на необогреваемой поверхности образца согласно
9.2.2 -
9.2.4;
- изменение плотности потока теплового излучения по
9.8;
- время и характер изменения светопропускания светопрозрачного элемента (изменение цвета, появление пятен и т.п.);
- время появления и характер развития в образце трещин, отверстий, щелей (зазоров), отколов, через которые пламя и (или) горячие газы из печи могут проникать на необогреваемую поверхность;
- время, место и характер состояния материалов конструкции;
- время начала разрушения конструкции или ее частей;
- время частичного или полного обрушения конструкции;
- время и место появления пламени на необогреваемой поверхности образца и длительность устойчивого пламени;
- время воспламенения (тления со свечением) ватного тампона.
Рамку с тампоном подносят к местам, где ожидается проникновение пламени или продуктов горения, и в течение 10 с удерживают на расстоянии (30 +/- 5) мм от поверхности образца. Повторное использование тампона не допускается.
11 Оценка результатов испытаний
11.1 Результаты испытаний оценивают по времени достижения предельных состояний в соответствии с
разделом 5.
11.2 Достижение предельного состояния по потере несущей способности (R) определяют по
ГОСТ 30247.1.
11.3 При оценке достижения образцом предельного состояния по потере целостности (E) по
перечислению в) 5.1.2 обугливание ватного тампона без тления со свечением не учитывают.
При использовании щупов по
перечислению г) 5.1.2 для дверей и ворот без порогов величину зазора между нижней торцевой поверхностью полотна (полотен) и уровнем чистого пола, не превышающую 8 мм, не учитывают.
Для конструкций, к которым не предъявляют требования по потере теплоизолирующей способности, условия по
перечислению в) 5.1.2 не учитывают.
11.4 При оценке достижения образцом предельного состояния по потере теплоизолирующей способности (I):
- величину превышения первоначальной температуры на необогреваемой поверхности образца на 140 °C определяют как среднеарифметическое значение показаний ТП, установленных в соответствии с
9.2.2;
- величину превышения первоначальной температуры на необогреваемой поверхности образца на 180 °C определяют по показаниям ТП, установленных в соответствии с
9.2.3;
- достижение температуры 300 °C на необогреваемой поверхности рамы (коробки) конструкции определяют по показаниям ТП, установленных в соответствии с
9.2.4;
- достижение плотности потока теплового излучения (W), равного 3,5 кВт/м
2, определяют в соответствии с
9.8.
11.5 Предел огнестойкости (в минутах) однослойных и симметричных многослойных стен и перегородок определяют как среднеарифметическое результатов испытаний двух образцов. При этом максимальное и минимальное значения пределов огнестойкости двух испытательных образцов не должны отличаться более чем на 20% (от большего значения). Если результаты отличаются друг от друга более чем на 20%, должно быть проведено дополнительное испытание, а предел огнестойкости определяют как среднеарифметическое двух меньших значений.
11.6 При испытаниях несимметричных многослойных стен и перегородок, а также дверей, ворот, люков и окон при огневом воздействии с каждой стороны за предел огнестойкости принимают минимальное значение времени наступления предельного состояния.
12 Обозначение предела огнестойкости
Пример обозначения предела огнестойкости, достигнутого с учетом предельного состояния по потере теплоизолирующей способности вследствие достижения критической плотности теплового излучения в течение 30 мин:
W-EIW 30.
13 Область распространения результатов испытаний
13.1 Результаты испытаний, представленные в отчете, действительны для конструкций данного типа без учета
8.1.3, испытанных по
10.2:
- для категории А: отклонения размеров по высоте и ширине в большую сторону не допускаются, в меньшую сторону - до 35% с округлением в сторону уменьшения до размера, кратного 100 мм;
- для категории Б: отклонения размеров по высоте и ширине в большую сторону допускаются до 15% с округлением в сторону увеличения до размера, кратного 50 мм, в меньшую сторону - до 35% с округлением в сторону уменьшения до размера, кратного 100 мм. Для дверей, ворот и люков уменьшение размеров допускается при условии, если величины зазоров между подвижными и неподвижными элементами изделия находятся в пределах допусков, указанных в технической документации.
При изменении размеров данные правила следует применять для каждого элемента конструкции.
Пример - Для двупольной двери с фрамугой и габаритными размерами по высоте 2500 мм и ширине 1700 мм и равными створками с габаритными размерами по высоте 2000 мм и ширине 1600 мм, удовлетворяющей категории Б, допускаются следующие изменения:
- максимальные габаритные размеры двери с фрамугой по высоте составляют 2900 мм, по ширине - 2000 мм;
- минимальные габаритные размеры двери с фрамугой по высоте составляют 1600 мм, по ширине - 1100 мм.
При этом:
- максимальная высота полотен не может быть больше 2300 мм, а максимальная ширина каждого полотна не может быть больше 950 мм;
- минимальная высота полотен не может быть меньше 1300 мм, а минимальная ширина каждого полотна не может быть меньше 500 мм;
- максимальная высота фрамуги не может быть больше 600 мм, а максимальная ширина не может быть больше 2000 мм;
- минимальная высота фрамуги не может быть меньше 300 мм, а минимальная ширина не может быть меньше 1100 мм.
Требования данного пункта также распространяются на конструкции дверей и люков, встроенных в противопожарные ворота или противопожарные перегородки, а также на максимальные размеры светопропускающего элемента.
13.2 Результаты испытаний распространяются на конструкции больших размеров, если они прошли испытания с уменьшением размеров по высоте и ширине в соответствии с
8.1.3 при условии, что время проведения испытаний по
10.2 соответствовало категории Б. В этом случае требования
13.1 не учитывают.
13.3 Допускается распространять результаты испытаний:
- на двери, ворота, люки без фрамуги, если они были испытаны с фрамугой, при этом изменения размеров учитывают согласно
13.1;
- двери, ворота, люки с порогом/выпадающим порогом, если они были испытаны без порога;
- двери, ворота, люки без импостов, если они были испытаны с импостом с учетом
13.1;
- конструкцию с запирающими устройствами, отличными от тех, что были установлены в испытанной конструкции, при условии, что такие устройства входят в один модельный ряд с устройствами, испытанными в составе изделия и идентичными как по конструкции, так и по применяемым материалам.
13.4 Результаты испытаний, полученные для образца с определенным количеством точек крепления рамы (коробки) к ограждающей конструкции, распространяются на конструкции с большим количеством точек крепления. Если количество точек крепления меньше определенного количества, то такие конструкции должны испытываться отдельно.
13.5 В конструкциях дверей, ворот, люков количество таких элементов, как защелки, петли, "пассивные", "активные" ригели и т.п., может увеличиваться. Уменьшение количества таких элементов не допускается.
13.6 Результаты испытаний, полученные для неокрашенных конструкций, могут быть распространены на конструкции, имеющие защитно-декоративное покрытие, которое не снижает их предел огнестойкости. Результаты испытаний, полученные для конструкций с любым защитно-декоративным покрытием, могут быть распространены на неокрашенные конструкции.
13.7 Результаты испытаний, полученные для однопольных конструкций заполнения проемов, не распространяются на двупольные конструкции, и наоборот.
13.8 Результаты испытаний изделий заполнения проемов, полученные при их установке в ограждающую конструкцию с высокой степенью жесткости, не могут быть распространены на изделия, установленные в гибкие конструкции, и наоборот.
13.9 Результаты испытаний, полученные для конструкций без отделочных материалов, распространяются на конструкции с отделочным материалом (пластик, шпон и т.д.) толщиной не более 1 мм (исключая отделку торцевых поверхностей полотна и внутренних поверхностей коробки).
13.10 Расстояние между светопропускающим элементом и торцевой поверхностью полотна конструкции, а также между светопропускающими элементами не должно быть меньше, чем в испытанной конструкции.
13.11 Материалы заполнения зазоров между коробкой образца и ограждающей конструкцией не должны отличаться от материалов, используемых при испытаниях. Допускается использовать цементно-песчаный раствор, если при испытаниях применялся другой вид заделки, но не наоборот.
13.12 В конструкцию, аналогичную испытанному образцу, могут быть внесены следующие изменения:
- замена светопропускающего элемента на несветопрозрачное заполнение (если элементы заполнения были включены в образец для испытания);
- замена противопожарного стекла в однопольной двери на противопожарное стекло, которое было испытано в составе двупольной двери, и наоборот, при следующих условиях: двери имеют одинаковые пределы огнестойкости, одного изготовителя, одинаковую профильную систему, максимальный размер светопропускающего элемента в соответствии с
13.1;
- замена замка, доводчика, петель в однопольной двери на замок, доводчик, петли, которые были испытаны в составе двупольной двери, и наоборот, при следующих условиях: двери имеют одинаковые пределы огнестойкости, одного изготовителя, одинаковую профильную систему.
14 Требования к отчету об испытаниях
Отчет об испытаниях должен содержать следующую информацию:
- наименование и адрес организации, проводящей испытание;
- наименование и адрес изготовителя конструкции и заявителя на проведение испытаний;
- дату проведения испытаний;
- наименование изделия, товарный знак (при наличии) и маркировку образца с указанием обозначения технической документации на конструкцию;
- заявленные предельные состояния (предельное состояние) конструкции;
- обозначение настоящего стандарта;
- описание, чертежи (эскизы) конструкции образца, представленные заявителем;
- описание фрагмента ограждающей конструкции;
- данные о технических характеристиках материалов, примененных при изготовлении образца;
- данные входного контроля;
- направление огневого воздействия на образец;
- условия окружающей среды при проведении испытания;
- сведения об испытательном оборудовании и средствах измерения параметров;
- схему установки ТП и приемников потока теплового излучения;
- значения давления в огневой камере печи;
- изменение температуры во времени в огневой камере печи;
- изменения температур в местах установки ТП (переносной ТП);
- изменения плотности потоков теплового излучения;
- наблюдения в процессе испытания с приложением фото- или видеоматериалов;
- оценку результатов испытания;
- фактический предел огнестойкости образца;
- обозначение предела огнестойкости;
- информацию о том, что результаты испытаний распространяются только на испытанные образцы.
15 Требования безопасности
(обязательное)
МЕТОД ИСПЫТАНИЯ НА ПОЖАРОСТОЙКОСТЬ СТЕКЛА И ИЗДЕЛИЙ ИЗ НЕГО
А.1 Область применения
Метод испытания на пожаростойкость стекла и изделий из него применяется для предварительных, исследовательских или сравнительных испытаний по оценке пожаростойкости стекла и изделий из него (далее - стекло).
А.2 Сущность метода
Сущность метода заключается в определении времени (в минутах) от начала одностороннего теплового воздействия на вертикально установленный образец по стандартному температурному режиму до наступления одного или нескольких предельных состояний стекла по огнестойкости.
При соответствующем обосновании возможно проведение испытаний по дополнительным температурным режимам.
А.3.1 Предельными состояниями пожаростойкости стекла являются потеря целостности (E) и потеря теплоизолирующей способности (I).
А.3.1.1 Потеря целостности (E) характеризуется:
- появлением устойчивого пламени на необогреваемой поверхности стекла длительностью 10 с и более;
- воспламенением или возникновением тления со свечением ватного тампона в результате воздействия огня или горячих газов, проникающих через сквозные трещины или отверстия в стекле;
- разрушением, выпадением части или всего стекла из монтажного приспособления.
А.3.1.2 Потеря теплоизолирующей способности (I) характеризуется:
- повышением температуры на необогреваемой поверхности стекла в среднем более чем на 140 °C или в любой контролируемой точке этой поверхности более чем на 180 °C относительно температуры стекла до испытания;
- достижением плотности потока теплового излучения (W), равного 3,5 кВт/м
2 и определяемого согласно
9.8.
А.4 Стендовое оборудование и измерительная аппаратура
Стендовое оборудование для испытаний образцов стекол на пожаростойкость включает в себя:
- испытательную установку (печь) с системой подачи и сжигания топлива по
ГОСТ 30247.0, обеспечивающую возможность теплового воздействия на образцы стекол с одной стороны;
- ограждающую конструкцию с монтажным приспособлением (рамой) для установки и крепления образцов;
- систему измерения и регистрации температуры с классом точности 1, плотности потока теплового излучения с погрешностью измерения +/- 5%, давления с точностью измерения +/- 2,0 Па, включая оборудование для проведения фото- или видеосъемки.
А.5 Температурный режим и давление в печи
А.6 Образцы для испытаний
А.6.1 Размеры образцов
Образец для испытаний должен иметь габаритные размеры H x B = (1200 x 1000) +/- 5 мм. По согласованию с заказчиком допускается проводить испытания образцов других габаритных размеров исходя из возможностей испытательной лаборатории.
А.6.2 Количество образцов
При симметричном и несимметричном расположении слоев испытаниям подлежат два образца каждого типа стекла.
В случае, когда при пожаре стекло может подвергаться огневому воздействию только с одной стороны, допускается испытывать два образца при воздействии огня только с указанной стороны, что должно быть оговорено заказчиком и отражено в отчете.
А.6.3 Комплектность образцов
Образцы для испытаний сопровождают комплектом документов, включающим в себя:
- наименование и адрес изготовителя стекла;
- наименование, тип (марку) стекла с указанием технической документации;
- описание стекла с указанием составляющих его элементов (видов стекол и промежуточных слоев, их толщины);
- заявку на проведение испытания с указанием:
- температурного режима испытания;
- расположения образцов при испытаниях (вертикальное, горизонтальное);
- сторон обогрева образцов;
- требуемых предельных состояний и показателей огнестойкости;
- типа монтажного приспособления (стандартного или специального);
- габаритного размера образца.
А.6.4 Входной контроль
Образцы для испытаний подвергают входному контролю, при котором проверяют:
- наличие и комплектность сопроводительных документов;
- габаритные размеры образцов;
- отсутствие на образцах трещин, сколов и других повреждений.
Данные входного контроля заносят в отчет об испытаниях.
А.7 Подготовка к испытанию
А.7.1 Образцы устанавливают и закрепляют в проеме ограждающей конструкции с помощью монтажного приспособления, пример указан на
рисунке А.1.
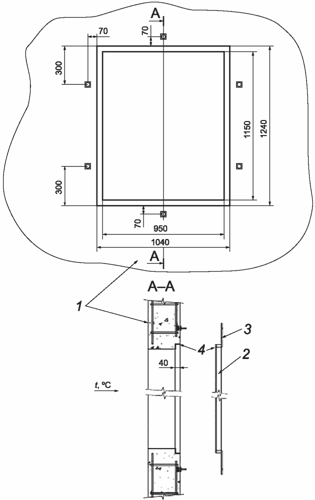
1 - ограждающая конструкция; 2 - монтажное приспособление
(рама (40 x 20 x 2) +/- 2 мм); 3 - планка крепления;
4 - волокнистый теплоизоляционный материал
Рисунок А.1 - Пример установки образца
в ограждающую конструкцию
Ограждающая конструкция толщиной не менее 250 мм с габаритным проемом (h x b) +/- 10 мм, где h = H + 40 мм, b = B + 40 мм, и проемом в свету (h' x b') +/- 10 мм, где h' = H - 50 мм, b' = B - 50 мм, должна быть изготовлена из жаростойкого бетона со стальной арматурой. Все неплотности и зазоры заполняют негорючим волокнистым материалом.
А.7.2 Для измерения температуры на необогреваемой поверхности образца ТП устанавливают в соответствии с
рисунком А.2.
Т - направление нагрева;

- ТП, установленные
на необогреваемой поверхности стекла;

- приемник теплового излучения
Рисунок А.2 - Схема установки ТП
и приемника теплового излучения
А.7.3 ТП устанавливают с использованием термостойкого клея. Каждый ТП закрывают накладкой из негорючего материала размером (30 x 30) +/- 5 мм и толщиной (1,5 +/- 0,5) мм. Не допускается наличие клея между поверхностью образца и спаем ТП.
А.7.4 Приемник теплового излучения (датчик теплового потока) устанавливают на расстоянии 0,5 м (с отклонением +/- 2%) от геометрического центра необогреваемой поверхности образца (см.
рисунок А.2).
А.8 Проведение испытания
А.8.2 Температура воздуха и скорость его движения в помещении во время испытаний - по
ГОСТ 30247.0.
А.8.3 Испытания проводят до наступления одного из предельных состояний пожаростойкости стекла. Испытание может быть продолжено после наступления предельного состояния по потере теплоизолирующей способности (I) для выявления значения времени наступления предельного состояния по потере целостности (E).
А.8.4 Если испытание заканчивается до наступления нормированных предельных состояний пожаростойкости, то причина окончания испытания должна быть указана в отчете. В этом случае величиной пожаростойкости является время проведения испытания.
А.8.5 Испытание может быть остановлено, если существует опасность для обслуживающего персонала или угроза разрушения, поломки приборов и оборудования, что фиксируется в отчете.
А.8.6 В процессе испытания регистрируют:
- избыточное давление в огневом пространстве печи по
ГОСТ 30247.1;
- время появления и характер развития в образце трещин, отверстий, через которые из печи могут проникать пламя и (или) горячие газы на необогреваемую сторону;
- время начала разрушения образца;
- температуру на необогреваемой поверхности образца в соответствии с
А.7.2;
- интенсивность потока теплового излучения в соответствии с
А.7.4.
Если к образцу не предъявляют требования по теплоизолирующей способности (I), то температуру на необогреваемой поверхности образца и интенсивность потока теплового излучения не измеряют, а воспламенение ватного тампона по
А.3.1.1 не учитывают.
А.9 Оценка результатов испытаний
А.9.1 Результаты испытаний оценивают по времени достижения предельных показателей по
А.3.
А.9.2 Фактическое время достижения предельных показателей по пожаростойкости для каждого типа стекла определяют как среднеарифметическое результатов испытаний двух образцов. При этом максимальное и минимальное значения каждого из предельных показателей, характеризующих пожаростойкость стекла, для двух испытанных одинаковых образцов не должны отличаться более чем на 20% от большего значения.
Если минимальные и максимальные значения отличаются друг от друга более чем на 20%, проводят дополнительное испытание. В этом случае фактическое время достижения предельных показателей по пожаростойкости определяют как среднеарифметическое двух меньших значений.
В обозначении предельных показателей по пожаростойкости стекла среднее арифметическое значение результатов испытаний приводят к ближайшему меньшему числу из ряда, указанного в ГОСТ 30247.0
(раздел 10).
А.9.3 Обозначение пожаростойкого стекла (ПС) состоит из условных обозначений предельных показателей по
А.3 и цифры, соответствующей времени достижения каждого из этих показателей (в минутах).
Данное обозначение указывают в скобках с припиской ПС, написанной в нижнем регистре после скобок.
Пример - ПС (E45/I30/W30) - пожаростойкость стекла 45 мин - по потере целостности; 30 мин - по потере теплоизолирующей способности (повышению температуры на необогреваемой поверхности до нормативного значения); 30 мин - по потере теплоизолирующей способности (достижению допустимой величины плотности потока теплового излучения).
(обязательное)
СТЕНДОВОЕ ОБОРУДОВАНИЕ ДЛЯ ПРОВЕДЕНИЯ ИСПЫТАНИЙ
1 - двуканальная керамическая трубка; 2 - медный диск
толщиной 0,5 мм; 3 - термопарные провода диаметром 0,7 мм
Рисунок Б.1 - Конструкция переносного ТП
1 - трубка из нержавеющей стали внутренним диаметром
(7,5 +/- 2,5) мм; 2 - наконечник; 3 - отверстия
диаметром (1,2 +/- 0,2) мм
Рисунок Б.2 - Устройство для измерения давления
в огневой камере печи
(обязательное)
СХЕМЫ УСТАНОВКИ ТП НА ОБРАЗЦАХ РАЗЛИЧНЫХ ТИПОВ КОНСТРУКЦИЙ
Рисунок В.1 - Схема установки ТП
на необогреваемой поверхности перегородки
Рисунок В.2 - Схема установки ТП
на необогреваемой поверхности перегородки
Рисунок В.3 - Схема установки ТП
на необогреваемой поверхности перегородки
Рисунок В.4 - Схема установки ТП
на необогреваемой поверхности перегородки
Рисунок В.5 - Схема установки ТП
на необогреваемой поверхности однопольного дверного блока
Рисунок В.6 - Схема установки ТП
на необогреваемой поверхности двупольного дверного блока
Рисунок В.7 - Схема установки ТП
на необогреваемой поверхности двупольного дверного блока
Рисунок В.8 - Схема установки ТП на необогреваемой
поверхности двупольного дверного блока с фрамугой
Рисунок В.9 - Схема установки ТП на необогреваемой
поверхности перегородки и вмонтированного в нее однопольного
дверного блока со светопропускающими элементами
Рисунок В.10 - Схема установки ТП на необогреваемой
поверхности перегородки и вмонтированного в нее
однопольного дверного блока со светопропускающими
и несветопропускающими элементами
Рисунок В.11 - Схема установки ТП на необогреваемой
поверхности перегородки и вмонтированного в нее
двупольного дверного блока со светопропускающими
и несветопропускающими элементами
Рисунок В.12 - Схема установки ТП
на необогреваемой поверхности люка
1, 3 - ТП, устанавливаемые обязательно;
2 - ТП не устанавливается, если размеры
между ТП меньше указанных на рисунке
Рисунок В.13 - Количество ТП, устанавливаемых
в зависимости от ширины полотна
(обязательное)
СХЕМА УСТАНОВКИ ПРИЕМНИКА ТЕПЛОВОГО ИЗЛУЧЕНИЯ
T - направление нагрева; 1 - железобетонная стена;
2 - приемник теплового излучения; 3 - светопрозрачная
конструкция
Рисунок Г.1 - Схема установки приемника потока
теплового излучения при испытании на огнестойкость
светопрозрачной конструкции
УДК 624.001.4:006.354 | |
Ключевые слова: метод испытаний, огнестойкость, строительные конструкции, заполнение проемов, светопрозрачные ограждающие конструкции |