Главная // Актуальные документы // ГОСТ Р (Государственный стандарт)СПРАВКА
Источник публикации
М.: ФГБУ "РСТ", 2022
Примечание к документу
Документ
введен в действие с 01.01.2023.
Название документа
"ГОСТ Р МЭК 62932-2-1-2022. Национальный стандарт Российской Федерации. Системы накопления энергии батарейные проточные. Часть 2-1. Методы испытаний для определения рабочих характеристик"
(утв. и введен в действие Приказом Росстандарта от 24.03.2022 N 152-ст)
"ГОСТ Р МЭК 62932-2-1-2022. Национальный стандарт Российской Федерации. Системы накопления энергии батарейные проточные. Часть 2-1. Методы испытаний для определения рабочих характеристик"
(утв. и введен в действие Приказом Росстандарта от 24.03.2022 N 152-ст)
Утвержден и введен в действие
по техническому регулированию
и метрологии
от 24 марта 2022 г. N 152-ст
НАЦИОНАЛЬНЫЙ СТАНДАРТ РОССИЙСКОЙ ФЕДЕРАЦИИ
СИСТЕМЫ НАКОПЛЕНИЯ ЭНЕРГИИ БАТАРЕЙНЫЕ ПРОТОЧНЫЕ
ЧАСТЬ 2-1
МЕТОДЫ ИСПЫТАНИЙ ДЛЯ ОПРЕДЕЛЕНИЯ РАБОЧИХ ХАРАКТЕРИСТИК
Flow battery energy storage systems. Part 2-1. Test methods
for determining performance characteristics
(IEC 62932-2-1:2020, Flow battery energy systems for
stationary applications - Part 2-1: Performance
general requirements and test methods, IDT)
ГОСТ Р МЭК 62932-2-1-2022
Дата введения
1 января 2023 года
1 ПОДГОТОВЛЕН Национальной ассоциацией производителей источников тока "РУСБАТ" (Ассоциация "РУСБАТ") на основе собственного перевода на русский язык англоязычной версии стандарта, указанного в
пункте 4, и Федеральным государственным бюджетным учреждением "Российский институт стандартизации" (ФГБУ "РСТ")
2 ВНЕСЕН Техническим комитетом по стандартизации ТК 044 "Аккумуляторы и батареи"
3 УТВЕРЖДЕН И ВВЕДЕН В ДЕЙСТВИЕ
Приказом Федерального агентства по техническому регулированию и метрологии от 24 марта 2022 г. N 152-ст
4 Настоящий стандарт идентичен международному стандарту МЭК 62932-2-1:2020 "Проточные батарейные системы для стационарных применений. Часть 2-1. Общие требования к рабочим характеристикам и методы испытаний" (IEC 62932-2-1:2020 "Flow battery energy systems for stationary applications - Part 2-1: Performance general requirements and test methods", IDT).
Наименование настоящего стандарта изменено относительно наименования указанного международного стандарта для приведения в соответствие с ГОСТ Р 1.5-2012
(пункт 3.5).
При применении настоящего стандарта рекомендуется использовать вместо ссылочных международных стандартов соответствующие им национальные стандарты, сведения о которых приведены в дополнительном
приложении ДА
5 ВВЕДЕН ВПЕРВЫЕ
Правила применения настоящего стандарта установлены в статье 26 Федерального закона от 29 июня 2015 г. N 162-ФЗ "О стандартизации в Российской Федерации". Информация об изменениях к настоящему стандарту публикуется в ежегодном (по состоянию на 1 января текущего года) информационном указателе "Национальные стандарты", а официальный текст изменений и поправок - в ежемесячном информационном указателе "Национальные стандарты". В случае пересмотра (замены) или отмены настоящего стандарта соответствующее уведомление будет опубликовано в ближайшем выпуске ежемесячного информационного указателя "Национальные стандарты". Соответствующая информация, уведомление и тексты размещаются также в информационной системе общего пользования - на официальном сайте Федерального агентства по техническому регулированию и метрологии в сети Интернет (www.rst.gov.ru)
Проточная батарейная система накопления энергии (СНЭБП), как правило, состоит из:
- проточной батарейной системы (СБП),
- подсистемы преобразования энергии (ППЭ),
- другого оборудования.
СНЭБП подключают к входу или выходу внешнего источника питания через точку присоединения системы накопления (ТПСН).
В настоящем стандарте приведена архитектура СНЭБП, пример которой показан на
рисунке 1. Вспомогательная энергия для системы контроля и управления батареями (СКУ), подсистемы обеспечения батареи (ПОБ) и ППЭ может обеспечиваться:
- прямым подключением к внешнему источнику питания;
- внутренним источником питания самих СНЭБП/СБП.
Проточная батарейная система накопления энергии
Рисунок 1 - Пример архитектуры СНЭБП
Настоящий стандарт устанавливает методы испытаний для определения рабочих характеристик СНЭБП и их основной составляющей части - СБП, которые спроектированы для размещения в стационарных местах (то есть, как правило, не подлежат перемещению с места на место).
Настоящий стандарт не устанавливаем методы испытаний СНЭБП на электромагнитную совместимость.
В настоящем стандарте использованы нормативные ссылки на следующие стандарты [для датированных ссылок применяют только указанное издание ссылочного стандарта, для недатированных - последнее издание (включая все изменения)]:
IEC 62932-1, Flow battery energy systems for stationary applications - Part 1: Terminology and general aspects (Системы батарейные проточные для стационарных применений. Часть 1. Термины и общие положения)
IEC 62932-2-2, Flow battery energy systems for stationary applications - Part 2-2: Safety requirements (Системы батарейные проточные для стационарных применений. Часть 2-2. Требования безопасности)
IEC 61427-2, Secondary cells and batteries for renewable energy storage - General requirements and methods of test - Part 2: On-grid applications (Аккумуляторы и аккумуляторные батареи для возобновляемых источников энергии. Общие требования и методы испытаний. Часть 2. Сетевое применение)
3 Термины, определения и сокращения
3.1 Термины и определения
В настоящем стандарте применены термины по МЭК 62932-1.
ИСО и МЭК ведут терминологические базы данных для использования в стандартизации по следующим адресам:
- Электропедия МЭК: доступна на http://www.electropedia.org/;
- платформа онлайн-просмотра ИСО: доступна на http://www.iso.org/obp.
В настоящем стандарте использованы следующие сокращения:
ИО - испытуемый объект;
ПОБ - подсистема обеспечения батарей;
ППЭ - подсистема преобразования энергии;
СБП - проточная батарейная система;
СКУ - система контроля и управления батареями;
СНЭБП - проточная батарейная система накопления энергии;
ТПИ - точка проведения измерений;
ТПСН - точка присоединения системы накопления.
СНЭБП/СБП должны быть спроектированы таким образом, чтобы выдерживать механические нагрузки, вибрации и удары во время транспортирования, обращения и применения.
Изготовитель должен предоставить документацию по транспортированию, установке, вводу в эксплуатацию, эксплуатации, техническому обслуживанию и удалению СНЭБП/СБП.
Основными рабочими характеристиками СНЭБП/СБП являются: нормированная мощность, нормированная энергоемкость, нормированная энергоэффективность, максимальные выходная и входная мощности. Дополнительные характеристики, такие как энергия и энергоэффективность на разных уровнях мощности (см.
приложение A), предоставляются потребителю для эффективного использования СНЭБП/СБП.
Требования безопасности и методы испытаний - по МЭК 62932-2-2.
5.1 Точность средств измерений
5.1.1 Измерение напряжения
Используемые средства измерений должны иметь класс точности 1% или выше. Внутреннее сопротивление вольтметра должно быть не менее 1 кОм/В.
5.1.2 Измерение тока
Используемые средства измерений должны иметь класс точности 1% или выше.
Следует учитывать, что любое снижение точности или нестабильность отрицательно повлияют на точность определения энергии и энергоэффективности.
5.1.3 Измерение электрической энергии
Используемые средства измерений должны иметь класс точности 1% или выше.
Следует учитывать, что любое снижение точности или нестабильность отрицательно повлияют на точность определения энергии и энергоэффективности.
5.1.4 Измерение температуры
Используемые средства измерений должны иметь разрешение 0,5 °C, а точность приборов должна быть +/- 1 °C или лучше.
5.1.5 Измерение времени
Используемые средства измерений должны иметь разрешение 1 с, а точность должна составлять 1% от измеренного временного интервала или лучше.
5.2 Температура окружающей среды
Все испытания СНЭБП/СБП проводят при температуре окружающей среды (25 +/- 5) °C, если иное не указано в разделе об испытаниях или не согласовано между изготовителем и потребителем. Температуру окружающей среды следует регистрировать. Измерительный прибор или зонд должен быть защищен от сквозняков и нагрева лучистой энергией.
Допускается, что во время испытания СНЭБП/СБП будут самопроизвольно работать при температуре, отличной от температуры окружающей среды, вследствие неэффективности преобразования энергии, внутренних потерь на трение или омических потерь и т.п.
Для любого испытания следует регистрировать среднюю температуру окружающей среды и температуру жидкостей, поступающих в элемент или блок проточной батареи (БП). Расположение датчика температуры жидкости должно быть зарегистрировано в протоколе испытаний.
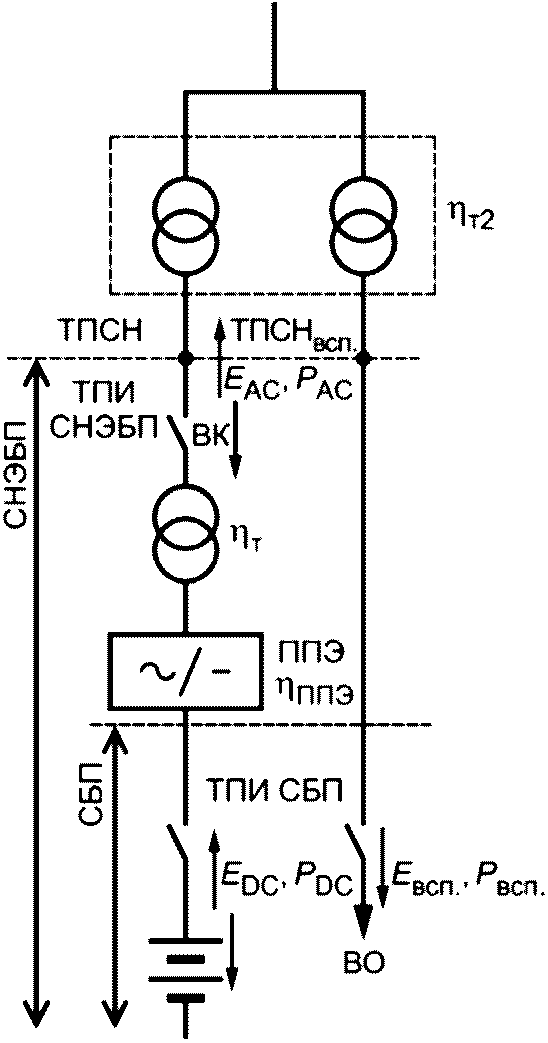
5.3 Точка присоединения и точка проведения измерений
ТПСН и ТПИ должны быть расположены в соответствии с примерами и условиями
перечислений a),
b) или
c) на рисунке 2. Мощность и значение энергии должны быть измерены на соответствующей ТПИ СБП, СНЭБП и вспомогательного оборудования (ВО).
a) Вспомогательная энергия/мощность подается в СБП
в виде постоянного тока
b) Вспомогательная энергия/мощность подается в СБП
с помощью СНЭБП в виде переменного тока
c) Вспомогательная энергия/мощность подается в СБП от сети
через вспомогательную ТПСН в виде переменного тока
PDC - мощность постоянного тока, входящего или выходящего
из СБП, Вт; EDC - энергия постоянного тока, входящего или
выходящего из СБП, Вт·ч; PAC - мощность переменного тока,
входящего или выходящего из СНЭБП, Вт; EAC - энергия
переменного тока, входящего или выходящего из СНЭБП, Вт·ч;
Pвсп - вспомогательная мощность, Вт; Eвсп - вспомогательная
энергия, Вт·ч;

и

- эффективность преобразования
трансформатора в разных положениях (если трансформатор
отсутствует, то значение эффективности преобразования
равно 1);

- произведение коэффициентов преобразования
всех трансформаторов, выделенных пунктирной рамкой
то значение эффективности преобразования равно 1);

- эффективность преобразования ППЭ
Рисунок 2 - Примеры вариантов расположения ТПИ и ТПСН
В определении ИО его граница должна охватывать или включать следующее:
- для СБП: СКУ, ПОБ, насосы;
- для СНЭБП: СКУ, ПОБ, насосы, ППЭ;
- для ИО: СКУ, ПОБ, насосы, с ППЭ или без.
В СНЭБП, СБП или ИО необходимо учитывать вспомогательную энергию по постоянному или переменному току.
Для обеспечения однозначной оценки данных соответствующие ТПИ и ТПН, как определено на рисунке 2, условия по
перечислениям a),
b) или
c), должны быть зарегистрированы в протоколе испытаний.
Схематичное расположение компонентов, образующих ИО, и их точек соединения должно быть включено в описание ИО и зарегистрировано в протоколе испытаний.
5.5 Выбор испытуемого объекта
СНЭБП/СБП должны быть испытаны по определенной схеме.
Если из-за возможностей испытательного оборудования, затрат или аналогичных ограничений, испытание полноразмерных СНЭБП/СБП невозможно или нежелательно, то вместо них следует определить и испытать представителя ИО.
ИО должен включать все компоненты, как определено в границах испытаний для СНЭБП/СБП.
Размеры этих компонентов должны соответствовать размеру ИО, если это возможно.
Окончательно собранный ИО должен точно представлять по рабочим характеристикам полноразмерный СНЭБП/СБП, чтобы полученные результаты испытаний можно было экстраполировать на полноразмерные СНЭБП/СБП.
Подробное описание испытуемого СБП, СНЭБП или ИО должно быть приведено в соответствующем протоколе испытаний.
Данные вспомогательной энергии должны быть масштабированы до размера ИО.
Все испытания следует проводить с одинаковыми и идентичными СБП, СНЭБП или ИО.
6.1 Определение энергии при постоянной мощности
6.1.1 Общие положения
Целью испытаний является определение энергии, отдаваемой СНЭБП/СБП в режиме разряда постоянной мощностью, путем измерения суммарной выходной энергии разряда СНЭБП/СБП и вспомогательной энергии, потребляемой ВО (например, СКУ, ПОБ и насосами).
СНЭБП, СБП или ИО, как определено в
5.4 и
5.5, совместно именуемые "испытуемое устройство" (ИУ), до проведения измерений должны быть приведены в стабильный температурный режим. Температура и концентрация электрохимически активных веществ в среде аккумулирования энергии, поступающей в элемент или блок БП, должны быть зарегистрированы в протоколе.
6.1.2 Проведение испытаний
Испытания проводят в следующем порядке:
a) ИУ подключают к цепи нагрузки, которая может его заряжать или разряжать по мере необходимости. Оборудование для измерения энергии, потребляемой ВО во время испытания, помещают на соответствующее место;
b) ИУ полностью заряжают методом, установленным изготовителем;
c) ИУ разряжают с постоянной мощностью до тех пор, пока не будет достигнуто окончание разряда. Требуемую мощность поддерживают с точностью +/- 2%. Критерии окончания разряда должны быть заданы и реализованы в испытательной цепи.
Примечание 1 - Критериями окончания разряда, как правило, являются достижение заданной продолжительности разряда или напряжения конца разряда или процент оставшейся энергии по отношению к нормированной энергоемкости.
d) Полную энергию, отданную при разряде ИУ, и потребление вспомогательной энергии во время разряда по
перечислению c) измеряют и результаты регистрируют в протоколе.
Примечание 2 - Допускается рассчитывать полную энергию разряда как произведение постоянной мощности разряда на длительность разряда, ч, или определять при непосредственном измерении соответствующим прибором.
e) Регистрацию в протоколе результатов измерений энергетических показателей сопровождают точным описанием условий, действующих во время их определения, так как на получаемые значения оказывают влияние такие факторы как изменение степени содержания энергии (СЭ) или состояния ИУ, изменение энергопотребления ВО или использование другой мощности разряда, температуры окружающей среды/электролита или параметров окончания разряда;
f) Для проверки значения нормированной энергоемкости, заявленного изготовителем, должны быть выполнены три последовательных идентичных определения энергии при нормированной мощности;
g) Для подтверждения соответствия значению нормированной энергоемкости, заявленному изготовителем, определенная средняя энергия, отданная при разряде в трех последовательных циклах, должна быть не менее значения нормированной энергоемкости.
6.2 Определение максимальной отдаваемой выходной мощности
6.2.1 Общие положения
На максимальную отдаваемую выходную мощность влияют длительность разряда, СЭ, температура окружающей среды и потребление вспомогательной энергии для обеспечения работы СНЭБП/СБП/ИО. Следовательно, любое определенное значение максимальной отдаваемой выходной мощности является репрезентативным и применимо только к конкретным условиям работы СНЭБП/СБП/ИО.
6.2.2 Проведение испытаний
Испытания для определения максимальной отдаваемой выходной мощности проводят в следующем порядке:
a) Перед испытанием следует установить продолжительность разряда tр. Как правило, продолжительность разряда устанавливают равным 1/50 отношения нормированной энергоемкости к нормированной мощности. Допускается установление изготовителем иной продолжительности разряда;
b) ИУ заряжают до требуемой СЭ методом, установленным изготовителем;
c) ИУ разряжают с выбранной постоянной мощностью до тех пор, пока не будет достигнуто окончание разряда. Требуемую мощность поддерживают с точностью +/- 2%. Длительность разряда регистрируют. Выбранный уровень мощности разряда не должен вызывать необратимых повреждений ИУ;
d) Если длительность разряда
t более установленного значения продолжительности разряда
tр, то действия по
перечислениям b) и
c) повторяют с увеличенным уровнем мощности до тех пор, пока не будет достигнуто установленное значение
tр. Остальные условия (например, температура окружающей среды, критерии окончания разряда) следует поддерживать постоянными;
e) Если длительность разряда
t менее установленного значения продолжительности разряда
tр, то действия по
перечислениям b) и
c) повторяют с уменьшенным уровнем мощности до тех пор, пока не будет достигнуто установленное значение
tр. Остальные условия (например, температура окружающей среды, критерии окончания разряда) следует поддерживать постоянными;
f) Измеренные значения максимальной отдаваемой выходной мощности и соответствующей вспомогательной мощности регистрируют в протоколе. При регистрации значения максимальной отдаваемой выходной мощности в протоколе испытаний указывают продолжительность разряда tр, СЭ и температуру окружающей среды;
g) Для подтверждения соответствия максимальной выходной мощности значению, заявленному изготовителем, для выполнения процедуры, установленной в
перечислении c), следует выбрать заявленную изготовителем максимальную выходную мощность. Измеренная длительность разряда должна быть не менее указанной изготовителем.
Примечание - Если требуемый уровень мощности выше, чем ограничения максимальной мощности ППЭ, то измеренную максимальную отдаваемую выходную мощность устанавливают равной максимальной мощности ППЭ.
6.3 Определение максимальной поглощаемой входной мощности
6.3.1 Общие положения
На максимальную поглощаемую входную мощность влияют длительность заряда, СЭ, температура окружающей среды и потребление вспомогательной энергии для обеспечения работы СНЭБП/СБП/ИО. Следовательно, любое определенное значение максимальной поглощаемой входной мощности является репрезентативным или применимо только к конкретным условиям работы СНЭБП/СБП/ИО.
6.3.2 Проведение испытаний
Испытания для определения максимальной поглощаемой энергии проводят в следующем порядке:
a) Перед испытаниями следует установить продолжительность заряда tз. Как правило, продолжительность заряда устанавливают равным 1/50 отношения нормированной энергоемкости к нормированной мощности. Допускается установление изготовителем иной продолжительности заряда;
b) ИУ разряжают до требуемой СЭ методом, установленным изготовителем;
c) ИУ заряжают выбранной постоянной мощностью до тех пор, пока не будет достигнуто окончание заряда. Требуемую мощность поддерживают с точностью +/- 2%. Длительность заряда регистрируют. Выбранный уровень мощности заряда не должен вызывать необратимых повреждений ИУ;
d) Если длительность заряда
t более установленного значения продолжительности заряда
tз, то действия по
перечислениям b) и
c) повторяют с увеличенным уровнем мощности до тех пор, пока не будет достигнуто установленное значение
tз. Остальные условия (например, температура окружающей среды, критерии окончания заряда) следует поддерживать постоянными. По требованиям безопасности начальная испытательная мощность не должна быть более максимальной поглощаемой входной мощности, заявленной изготовителем;
e) Если длительность заряда
t менее установленного значения продолжительности заряда
tз, то повторяют действия по
перечислениям b) и
c) с уменьшенным уровнем мощности до тех пор, пока не будет достигнуто установленное значение
tз. Остальные условия (например, температура окружающей среды, критерии окончания заряда) следует поддерживать постоянными;
f) Измеренные значения максимальной поглощаемой входной мощности и соответствующей вспомогательной мощности регистрируют в протоколе испытаний. При регистрации максимальной поглощаемой входной мощности в протоколе испытаний указывают продолжительность разряда tз, СЭ и температуру окружающей среды;
g) Для подтверждения соответствия максимальной входной мощности значению, заявленному изготовителем, для выполнения процедуры, установленной в
перечислении c), следует выбирать заявленную максимальную входную мощность. Измеренная длительность заряда должна быть не менее указанной изготовителем.
Примечание - Если требуемый уровень мощности выше, чем ограничения максимальной мощности ППЭ, то измеренную максимальную поглощаемую входную мощность устанавливают равной максимальной мощности ППЭ.
6.4 Определение энергоэффективности при постоянном уровне мощности
6.4.1 Общие положения
На энергоэффективность влияют уровень мощности и потребление вспомогательной энергии для работы СНЭБП/СБП/ИО во время заряда и разряда. Следовательно, любое определенное значение энергоэффективности является репрезентативным или применимо только к СНЭБП/СБП/ИО на указанных уровнях мощности. Для других применений, связанных с определением энергоэффективности, следует применять методы испытаний, установленные в МЭК 61427-2.
ИУ, как определено в
5.4 и
5.5, до проведения измерений должны быть приведены в стабильный температурный режим. Температуру и концентрацию электрохимически активных веществ в среде аккумулирования энергии, поступающей в элемент или блок БП, регистрируют в протоколе.
6.4.2 Проведение испытаний
Испытания для определения энергоэффективности проводят в следующем порядке:
a) ИУ подключают к цепи нагрузки, которая может его заряжать или разряжать по мере необходимости. Измерительное оборудование должно быть установлено на соответствующем месте для измерения энергии, потребляемой ВО во время испытаний;
b) ИУ разряжают с постоянной мощностью до тех пор, пока не будет достигнуто окончание разряда;
c) ИУ заряжают выбранной постоянной мощностью до тех пор, пока не будет достигнуто окончание заряда. Требуемую мощность поддерживают с точностью +/- 2%.
Примечание 1 - Критерии окончания заряда задают СНЭБП/СБП/ИО, например достижение заданной продолжительности заряда или напряжения конца заряда или процент оставшейся энергии по отношению к нормированной энергоемкости.
d) Затем ИУ разряжают с тем же постоянным уровнем мощности, что и при заряде, до тех пор, пока не будет достигнуто окончание разряда. Требуемую мощность поддерживают с точностью +/- 2%.
Примечание 2 - Критерии окончания разряда задают СНЭБП/СБП/ИО, например достижение заданной продолжительности разряда или напряжения конца разряда, или процент оставшейся энергии по отношению к нормированной энергоемкости.
Примечание 3 - Допускается определять входную и выходную мощности по согласованию между изготовителем и потребителем для этих конкретных параметров.
e) Энергию, переданную ИУ на этапе по
перечислению c), регистрируют как
Eз, а энергию, отдаваемую ИУ на этапе по
перечислению d), регистрируют как
Eр. Потребление вспомогательной энергии на этапах по
перечислениям c) и
d) регистрируют в протоколе.
Примечание 4 - Допускается рассчитывать энергию как произведение постоянной мощности на длительность, ч, или непосредственно измерять соответствующим прибором.
f) Энергоэффективность

, %, СНЭБП/СБП/ИО в цикле заряда-разряда определяют как отношение энергии, отданной на этапе по
перечислению d), и энергии, полученной на этапе по
перечислению c), и вычисляют по формуле

, (1)
где Eр - измеренная энергия, отданная СНЭБП/СБП/ИО во время разряда, Вт·ч;
Eз - измеренная энергия, полученная СНЭБП/СБП/ИО во время заряда, Вт·ч;
g) Регистрацию в протоколе испытаний результатов измерений энергоэффективности сопровождают точным описанием условий, действующих во время ее определения, так как на получаемые значения оказывают влияние такие факторы как изменение СЭ или состояния ИУ, использование другой мощности разряда, температуры окружающей среды/электролита или параметров окончания разряда;
h) Для проверки значения нормированной энергоэффективности, заявленного изготовителем, должны быть выполнены три последовательных идентичных определения энергоэффективности. Как правило, в качестве значения постоянной мощности заряда на этапе по
перечислению c) и постоянной мощности разряда на этапе по
перечислению d), применяют значение нормированной мощности.
Примечание 5 - Значения входной и выходной мощностей устанавливают по согласованию между изготовителем и потребителем.
i) Для подтверждения соответствия значению нормированной энергоэффективности, заявленному изготовителем, определенная средняя энергоэффективность трех последовательных циклов должна быть не менее нормированного значения.
6.5 Определение долговечности
Долговечность при циклировании определяют по МЭК 61427-2 для конкретного применения СНЭБП/СБП.
(справочное)
ПРОВЕРКА МОЩНОСТИ РАЗРЯДА В ЗАВИСИМОСТИ
ОТ ЭНЕРГИИ ИЛИ ЭНЕРГОЭФФЕКТИВНОСТИ
Для оценки возможностей использования СНЭБП/СБП требуется информация о соотношении между мощностью разряда и доступной для использования энергии.
Проводят несколько испытаний для определения энергоэффективности с различными постоянными уровнями мощности по
6.1 и
6.4 и строят кривые зависимости энергии и энергоэффективности от уровней мощности.
Затем данные результаты используют для определения окончательной или оптимальной продолжительности разряда или автономной работы при большом разнообразии уровней мощности разряда идентично изготовленных и эксплуатируемых СНЭБП/СБП.
Построив график зависимости мощности от энергии или энергоэффективности, определяют оптимальное значение уровня мощности, при которой испытуемые СНЭБП/СБП способны отдать или поглотить максимальное количество энергии.
(справочное)
СВЕДЕНИЯ О СООТВЕТСТВИИ ССЫЛОЧНЫХ МЕЖДУНАРОДНЫХ СТАНДАРТОВ
НАЦИОНАЛЬНЫМ СТАНДАРТАМ
Таблица ДА.1
Обозначение ссылочного международного стандарта | Степень соответствия | Обозначение и наименование соответствующего национального стандарта |
IEC 62932-1 | IDT | |
IEC 62932-2-2 | IDT | ГОСТ Р МЭК 62932-2-2-2022 "Системы накопления энергии батарейные проточные. Часть 2-2. Требования безопасности и методы испытаний" |
IEC 61427-2 | IDT | ГОСТ Р МЭК 61427-2-2016 "Аккумуляторы и аккумуляторные батареи для возобновляемых источников энергии. Общие требования и методы испытаний. Часть 2. Сетевое применение" |
Примечание - В настоящей таблице использовано следующее условное обозначение степени соответствия стандартов: - IDT - идентичные стандарты. |
УДК 621.355:006.354 | |
Ключевые слова: проточные батарейные системы, проточные батарейные системы накопления энергии, методы испытаний, рабочие характеристики |