
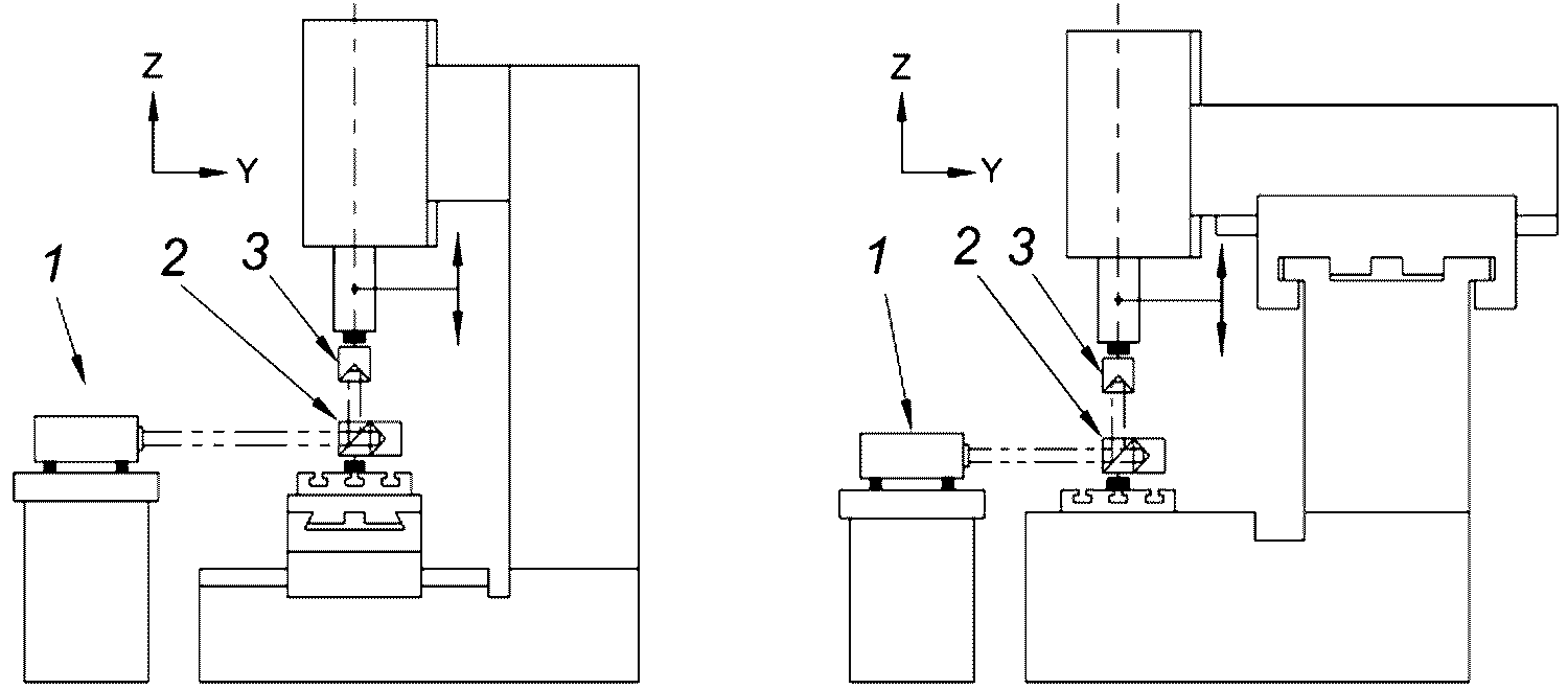
Позиция | Английский | Французский | Русский |
1 | bed | banc | станина |
2 | column | montant | стойка |
3 | table (X-axis) | table (axe X) | стол (ось X) |
4 | saddle (Y-axis) | chariot transversal (axe Y) | поперечный суппорт (ось Y) |
5 | work tank | reservoir de travail | настольная ванна |
6 | head (W-axis) | tete de travail (axe W) | шпиндельная бабка (ось W) |
7 | quill (Z-axis) | coulisse (axe Z) | пиноль (ось Z) |
8 | electrode platen | porte-electrode | электродная пластина |
9 | spindle (C-axis) | broche (axe C) | шпиндель (ось C) |
10 | electrode | electrode | электрод |

Позиция | Английский | Французский | Русский |
1 | bed | banc | станина |
2 | column | montant | стойка |
3 | saddle (X-axis) | chariot longitudinal (axe X) | продольный суппорт (ось X) |
4 | ram (Y-axis) | coulant (axe Y) | консоль шпиндельной бабки (ось Y) |
5 | table | table | стол |
6 | work tank | reservoir de travail | настольная ванна |
7 | head (W-axis) | tete de travail (axe W) | шпиндельная бабка (ось W) |
8 | quill (Z-axis) | coulisse (axe Z) | пиноль (ось Z) |
9 | electrode platen | porte-electrode | электродная пластина |
10 | spindle (C-axis) | broche (axe C) | шпиндель (ось C) |
11 | electrode | electrode | электрод |
Объект | ||
Проверка прямолинейности перемещения по оси X: a) в горизонтальной плоскости XY, EYX; b) в вертикальной плоскости ZX, EZX. | ||
Схема ![]() | ||
Допуск | Измеренные отклонения | |
Для a) и b): 0,010 для любой длины измерения из 500 | a) b) | |
Средства измерения Эталонный образец прямолинейности и измерительный преобразователь линейного перемещения или оптические измерительные инструменты. | ||
Наблюдения и ссылки на ИСО 230-1:2012, пункты 3.4.8, 8.2.2.1, 8.2.3 a) Закрепите измерительный преобразователь линейного перемещения на пиноле (шпиндельной бабке). b) Установите эталонный образец прямолинейности параллельно оси X в плоскости XY и напротив установите измерительный преобразователь линейного перемещения. Включите подачу по оси X и запишите значения по всей длине измерения. c) Повторите проверку в такой же последовательности в плоскости ZX. | ||
Объект | ||
Проверка прямолинейности перемещения по оси Y: a) в горизонтальной плоскости XY, EXY; b) в вертикальной плоскости YZ, EZY. | ||
Схема ![]() | ||
Допуск | Измеренные отклонения | |
Для a) и b): 0,010 для любой длины измерения из 500 | a) b) | |
Средства измерения Эталонный образец прямолинейности и измерительный преобразователь линейного перемещения, а также набор концевых мер или оптические измерительные инструменты. | ||
Наблюдения и ссылки на ИСО 230-1:2012, пункты 3.4.8, 8.2.2.1, 8.2.3 a) Закрепите измерительный преобразователь линейного перемещения на пиноле (шпиндельной бабке). b) Установите эталонный образец прямолинейности параллельно оси Y в плоскости XY и напротив установите измерительный преобразователь линейного перемещения. Включите подачу по оси Y и запишите значения по всей длине измерения. c) Повторите проверку в такой же последовательности в плоскости YZ. | ||
Объект | ||
Проверка прямолинейности перемещения по оси Z: a) в плоскости ZX, EXZ; b) в вертикальной плоскости YZ, EYZ. | ||
Схема ![]() | ||
Допуск | Измеренные отклонения | |
Для a) и b): 0,010 для любой длины измерения из 300 | a) b) | |
Средства измерения Эталонный образец прямолинейности, поверочная плита, регулируемые вставки и измерительный преобразователь линейного перемещения. | ||
Наблюдения и ссылки на ИСО 230-1:2012, пункты 3.4.8, 8.2.2.1, 8.2.3 a) Закрепите поверочную плиту на столе. b) Закрепите измерительный преобразователь линейного перемещения на пиноле (шпиндельной бабке). c) Установите эталонный образец прямолинейности параллельно оси Z в плоскости ZX и измерительный преобразователь линейного перемещения напротив образца в направлении X. Передвигайте пиноль по оси Z и запишите значения по всей длине измерения. d) Повторите проверку в такой же последовательности в плоскости YZ. | ||
Объект | ||
Проверка перпендикулярности перемещения по оси Y к перемещению по оси X (EC(0X)Y) | ||
Схема ![]() | ||
Допуск | Измеренные отклонения | |
0,033/1000 (0,010/300) | ||
Средства измерения Эталонный образец перпендикулярности, эталонный образец прямолинейности и измерительный преобразователь линейного перемещения или оптические измерительные инструменты. | ||
Наблюдения и ссылки на ИСО 230-1:2012, пункты 3.6.7, 10.3.2.2 и 10.3.2.5 a) Расположите эталонный образец перпендикулярности на столе параллельно перемещению по оси X и напротив прижмите эталонный образец прямолинейности. b) Закрепите измерительный преобразователь линейного перемещения на пиноле (шпиндельной бабке) и установите напротив эталонный образец прямолинейности. Включите подачу по оси Y и запишите значения в нескольких точках. Наклон контрольной прямой траектории полученных значений является отклонением от прямоугольности и должен быть включен в отчет (см. ИСО 230-1:2012, пункт 3.6.7). c) Эталонный образец прямолинейности используют в случае, если необходимо: 1) установить эталонный образец прямолинейности так, чтобы длинное плечо было параллельно перемещению по оси X; 2) проверить параллельность перемещения по оси Y с помощью короткого плеча. | ||
Объект | ||
Проверка прямолинейности перемещения по оси Z: a) перемещением оси X (EB(OX)Z); b) перемещением оси Y (EA(OY)Z). | ||
Схема ![]() | ||
Допуск | Измеренные отклонения | |
Для a) и b): 0,050/1000 (0,015/300) | a) b) | |
Средства измерения Эталонный образец прямолинейности, поверочная плита, регулируемые вставки и измерительный преобразователь линейного перемещения или оптические измерительные инструменты. | ||
Наблюдения и ссылки на ИСО 230-1:2012, пункты 3.6.7, 10.3.2.2 и 10.3.2.5 a) Закрепите поверочную плиту на столе и настройте ее так, чтобы поверхность была параллельна оси X и оси Y. Поместите эталонный образец прямолинейности на поверхность плиты. Закрепите измерительный преобразователь линейного перемещения на пиноле. b) Установите измерительный преобразователь линейного перемещения напротив эталонного образца прямолинейности в направлении оси X. Перемещайте пиноль по оси Z на измеряемую длину и запишите значения в нескольких точках. Наклон контрольной прямой траектории полученных значений является отклонением от прямолинейности, и это должно быть включено в отчет (см. ИСО 230-1:2012, пункт 3.6.7). c) Повторите проверку в такой же последовательности в направлении Y. | ||
Объект | G6 | |
Проверка прямолинейности между перемещением шпиндельной бабки (ось W) и: a) перемещением оси X (EB(0X)W); b) перемещением оси Y (EA(0Y)W). | ||
Схема ![]() | ||
Допуск | Измеренные отклонения | |
Для a) и b): 0,050/1000 (0,015/300) | a) b) | |
Средства измерения Эталонный образец прямолинейности, поверочная плита, регулируемые вставки и измерительный преобразователь линейного перемещения или оптические измерительные инструменты. | ||
Наблюдения и ссылки на ИСО 230-1:2012, пункты 3.6.7, 10.3.2.2 и 10.3.2.5 a) Закрепите поверочную плиту на столе и настройте ее так, чтобы поверхность была параллельна оси X и оси Y. Поместите эталонный образец прямолинейности на поверхность плиты. Закрепите измерительный преобразователь линейного перемещения на шпиндельной бабке. b) Установите измерительный преобразователь линейного перемещения напротив эталонного образца прямолинейности в направлении оси X. Перемещайте рабочую головку по оси W на измеряемую длину и запишите значения в нескольких точках. Наклон контрольной прямой траектории полученных значений является отклонением от прямолинейности и включается в отчет (см. ИСО 230-1:2012, пункт 3.6.7). c) Повторите проверку в такой же последовательности в направлении Y. | ||
Объект | G7 | |
Проверка углового отклонения перемещения по оси Z (пиноль) [по оси W (шпиндельная бабка)] в плоскости XY (ECZ или ECW) | ||
Схема ![]() | ||
Допуск | Измеренные отклонения | |
0,060/1000 (0,012/200) | ||
Средства измерения Эталонный образец прямолинейности, поверочная плита, регулируемые вставки и измерительный преобразователь линейного перемещения. | ||
Наблюдения и ссылки на ИСО 230-1:2012, пункты 3.4.16, 8.4.2.1, 8.4.2.2, 8.4.3 a) Закрепите поверочную плиту на столе. Поместите эталонный образец прямолинейности на поверхность плиты приблизительно параллельно оси Z. Установите наконечник измерительного преобразователя линейного перемещения для ощупывания в направлении Y, закрепленного на специальной раме напротив эталонного образца прямолинейности. Запишите значения и отметьте соответствующие высоты на эталонном образце. b) Перемещайте стол по оси X и перемещайте измерительный преобразователь линейного перемещения на другую сторону пиноли (шпиндельной бабки) так, чтобы наконечник мог коснуться эталонного образца снова вдоль той же линии. Измерительный преобразователь обнуляют, новые измерения проводят на тех же высотах, что и предыдущие, после чего записывают. c) Для каждой высоты измерения вычислите разность двух измерений. Далее выбирается максимум и минимум этих разностей, значение определяется по формуле: (максимальная разность - минимальная разность)/d, где d - расстояние между двумя положениями измерительного преобразователя линейного перемещения, является угловой погрешностью и включается в отчет. d) Возможные колебания относительно оси перемещения X должны быть измерены и учтены. | ||
Объект | G8 | |
Проверка плоскостности поверхности стола | ||
Схема ![]() | ||
Допуск | Измеренные отклонения | |
0,03 при длине измерения до 1000. Добавьте 0,01 при каждом увеличении длины еще на 1000. Примечание - Под длиной измерения подразумевается большая длина из 0-X и 0-Y. | ||
Средства измерения Эталонный образец прямолинейности, поверочная плита, регулируемые вставки и измерительный преобразователь линейного перемещения. | ||
Наблюдения и ссылки на ИСО 230-1:2012, пункты 12.2.4.2, 12.2.5 a) Установите стол в центральное положение по оси X и по оси Y. Поместите поверочную плиту на поверхности стола и перемещайте его в направлениях осей X, Y на шаг, соответствующий длине плиты, и запишите значения. Метод измерения углов вдоль каждого направления основывается на ИСО 2301-1:2012, пункт 12.1.3. b) Измерение начинают от точки O, O' ... и C и проводят на линии OA, O'A', ... и линии CB в направлении оси X, затем с точки O на линии OC в направлении оси Y. c) Отклонение от плоскостности рассчитывают в соответствии с ИСО 230-1:2012, пункт 12.2.4.2 и включают в отчет. | ||
Объект | ||
Проверка параллельности между поверхностью стола и: a) перемещением по оси X (EB(0X)Table); b) перемещением по оси Y (EA(0Y)Table). | ||
Схема ![]() | ||
Допуск | Измеренные отклонения | |
Для a) и b): 0,015 при любой длине измерения из 300. Максимальный допуск 0,04. | a) b) | |
Средства измерения Измерительный преобразователь линейного перемещения, эталонный образец прямолинейности. | ||
Наблюдения и ссылки на ИСО 230-1:2012, пункты 3.6.5 и 12.3.2.5 a) Закрепите измерительный преобразователь линейного перемещения на пиноле (шпиндельной бабке). b) Наконечник измерительного преобразователя линейного перемещения должен касаться поверхности стола. Включите подачу по оси X и запишите значения по всей длине измерения. c) Повторите проверку в такой же последовательности в направлении Y. d) Когда это возможно, измерения выполняют примерно вдоль центральных линий стола в направлениях осей X и Y. e) Когда прямое измерение поверхности стола затруднено, например, из-за Т-образных пазов, используют установленный на стол эталонный образец прямолинейности (см. ИСО 230-1:2012, пункт 12.3.2.5.2). | ||
Объект | ||
Проверка параллельности между электродной пластиной и: a) перемещением по оси X (EB(0X)Platen); b) перемещением по оси Y (EA(0Y)Platen). | ||
Схема ![]() | ||
Допуск | Измеренные отклонения | |
Для a) и b): 0,010 при любой длине измерения из 200 | a) b) | |
Средства измерения Измерительный преобразователь линейного перемещения. | ||
Наблюдения и ссылки на ИСО 230-1:2012, пункты 3.6.5 и 12.3.2.5.2 a) Поместите измерительный преобразователь линейного перемещения на столе. b) Установите измерительный преобразователь напротив электродной пластины. c) Включите подачу по оси X на измеряемую длину и запишите значения в нескольких точках. Максимальная разница между значениями и есть отклонение от плоскостности и должно быть включено в отчет. d) Повторите проверку в такой же последовательности в направлении Y. | ||
Объект | G11 | |
Проверка радиального биения отверстия шпинделя: a) около торца шпинделя; b) на расстоянии 100 мм. | ||
Схема ![]() | ||
Допуск | Измеренные отклонения | |
a) 0,005 b) 0,01 | a) b) | |
Средства измерения Проверочная оправка и измерительный преобразователь линейного перемещения. | ||
Наблюдения и ссылки на ИСО 230-1:2012, пункты 3.9.7 и 12.5.3 a) Присоедините проверочную оправку к шпинделю. b) Закрепите измерительный преобразователь линейного перемещения на столе станка. c) Установите измерительный преобразователь напротив проверочной оправки около торца шпинделя, включите шпиндель и запишите значения. d) Повторите проверку на расстоянии 100 мм. | ||
Объект | ||
Проверка параллельности между осью шпинделя и перемещением по оси Z: a) в плоскости ZX (EB(0Z)C); b) в плоскости YZ (EA(0Z)C). | ||
Схема ![]() | ||
Допуск | Измеренные отклонения | |
Для a) и b): 0,1/1000 (0,01/100) | a) b) | |
Средства измерения Проверочная оправка и измерительный преобразователь линейного перемещения. | ||
Наблюдения и ссылки на ИСО 230-1:2012, пункты 3.6.4 и 10.1.4.3 a) Закрепите измерительный преобразователь линейного перемещения на столе станка. b) Установите измерительный преобразователь напротив проверочной оправки в плоскости ZX и найдите среднее положение шпинделя путем вращения. Переместите пиноль в направлении Z и запишите значения в нескольких точках. Наклон контрольной прямой траектории полученных значений является отклонением от параллельности и должен быть включен в отчет. c) Повторите проверку в плоскости YZ. | ||
Объект | ||||||
Проверка точности, повторяемости и погрешности при двустороннем подходе перемещения по оси X (EXX) | ||||||
Схема ![]() 1 - лазерная головка; 2 - интерферометр; 3 - отражатель | ||||||
Допуск | Измеряемая длина | Измеренные отклонения | ||||
<= 500 | <= 1000 | <= 2000 | ||||
Двунаправленная точность позиционирования | EXX,A | 0,012 | 0,016 | 0,020 | ||
Однонаправленная повторяемость позиционирования | 0,005 | 0,008 | 0,010 | |||
Двунаправленная повторяемость позиционирования | EXX,R | 0,010 | 0,012 | 0,016 | ||
Разность погрешностей позиционирования осей | EXX,B | 0,008 | 0,010 | 0,013 | ||
Среднее погрешностей позиционирования | EXX,B | 0,004 | 0,005 | 0,006 | ||
Систематическое отклонение двунаправленного позиционирования | EXX,E | 0,010 | 0,012 | 0,016 | ||
Среднее отклонение двунаправленного позиционирования оси | EXX,M | 0,006 | 0,008 | 0,010 | ||
Средства измерения Лазерное измерительное оборудование или измерительная линейка. | ||||||
Наблюдения и ссылки на ИСО 230-1:2012, пункт 8.3 и ИСО 230-2:2014 Измерительную линейку или луч лазерного измерительного устройства устанавливают параллельно испытуемой оси. Для позиционирования используют быструю подачу, а также при согласовании между производителем/поставщиком и пользователем допустимо использовать произвольную скорость подачи. | ||||||
Объект | ||||||
Проверка точности, повторяемости и погрешности при двустороннем подходе перемещения по оси Y (EYY) | ||||||
Схема ![]() 1 - лазерная головка; 2 - интерферометр; 3 - отражатель | ||||||
Допуск | Измеряемая длина | Измеренные отклонения | ||||
<= 500 | <= 1000 | <= 2000 | ||||
Двунаправленная точность позиционирования | EYY,A | 0,012 | 0,016 | 0,020 | ||
Однонаправленная повторяемость позиционирования | 0,005 | 0,008 | 0,010 | |||
Двунаправленная повторяемость позиционирования | EYY,R | 0,010 | 0,012 | 0,016 | ||
Разность погрешностей позиционирования осей | EYY,B | 0,008 | 0,010 | 0,013 | ||
Среднее погрешностей позиционирования | EYY,B | 0,004 | 0,005 | 0,006 | ||
Систематическое отклонение двунаправленного позиционирования | EYY,E | 0,010 | 0,012 | 0,016 | ||
Среднее отклонение двунаправленного позиционирования оси | EYY,M | 0,006 | 0,008 | 0,010 | ||
Средства измерения Лазерное измерительное оборудование или измерительная линейка. | ||||||
Наблюдения и ссылки на ИСО 230-1:2012, пункт 8.3 и ИСО 230-2:2014 Измерительную линейку или луч лазерного измерительного устройства устанавливают параллельно испытуемой оси. Для позиционирования используют быструю подачу, а также при согласовании между производителем/поставщиком и пользователем допустимо использовать произвольную скорость подачи. | ||||||
Объект | ||||||
Проверка точности, повторяемости и погрешности при двустороннем подходе перемещения по оси Z (EZZ) | ||||||
Схема ![]() 1 - лазерная головка; 2 - интерферометр; 3 - отражатель | ||||||
Допуск | Измеряемая длина | Измеренные отклонения | ||||
<= 250 | <= 500 | <= 1000 | ||||
Двунаправленная точность позиционирования | EZZ,A | 0,010 | 0,012 | 0,016 | ||
Однонаправленная повторяемость позиционирования | 0,004 | 0,005 | 0,008 | |||
Двунаправленная повторяемость позиционирования | EZZ,R | 0,008 | 0,010 | 0,012 | ||
Разность погрешностей позиционирования осей | EZZ,B | 0,006 | 0,008 | 0,010 | ||
Среднее погрешностей позиционирования | EZZ,B | 0,003 | 0,004 | 0,005 | ||
Систематическое отклонение двунаправленного позиционирования | EZZ,E | 0,008 | 0,010 | 0,012 | ||
Среднее отклонение двунаправленного позиционирования оси | EZZ,M | 0,005 | 0,006 | 0,008 | ||
Средства измерения Лазерное измерительное оборудование или измерительная линейка. | ||||||
Наблюдения и ссылки на ИСО 230-1:2012, пункт 8.3 и ИСО 230-2:2014 Измерительную линейку или луч лазерного измерительного устройства устанавливают параллельно испытуемой оси. Для позиционирования используют быструю подачу, а также при согласовании между производителем/поставщиком и пользователем допустимо использовать произвольную скорость подачи. | ||||||
Объект | |||
Проверка точности, повторяемости и погрешности при двустороннем подходе перемещения по оси C (ECC) | |||
Схема ![]() 1 - автоколлиматор; 2 - многогранная призма | |||
Допуск, угловые секунды | Измеряемая длина | Измеренные отклонения | |
Двунаправленная точность позиционирования | ECC,A | 80 | |
Однонаправленная повторяемость позиционирования | 40 | ||
Двунаправленная повторяемость позиционирования | ECC,R | 55 | |
Разность погрешностей позиционирования осей | ECC,B | 40 | |
Среднее погрешностей позиционирования | 20 | ||
Систематическое отклонение двунаправленного позиционирования | ECC,E | 65 | |
Среднее отклонение двунаправленного позиционирования оси | ECC,M | 40 | |
Средства измерения - автоколлиматор и многогранная призма; - сельсин-измерительный преобразователь; - лазерный интерферометр с делительно-поворотным столом. | |||
Наблюдения и ссылки на ИСО 230-1:2012, пункт 9.2 и ИСО 230-2:2014 Измерьте по меньшей мере четыре заданных конечных положения, таких как 0°, 90°, 180° и 270°. При использовании автоколлиматора и многогранной призмы количество конечных положений зависит от количества отражающих граней. Если при испытании осей вращения используют постоянные интервалы между позициями, что типично для многогранных призм, то это отражают в отчете. | |||
Объект | M1 | |||
Проверка точности разметки отверстий и разности диаметров отверстий в режиме чистовой механической обработки: a) точность разметки отверстий; b) разность диаметров отверстий, измеренная в направлениях X и Y. | ||||
Схема ![]() | Обрабатываемый контур Диаметр отверстия: .Разметка отверстий: 120 x 90. Глубина отверстий: 5. Величина радиального съема припуска: 0,5 (предварительно обработанный диаметр отверстия должен быть 9, окончательный - 10). Заготовка Сталь: 200 x 150. Рекомендуется использовать пластины толщиной t = 25 мм, и также можно использовать пластины толщиной 5 мм. Когда толщина более 5 мм, необходимо зенкерование с обратной стороны. Электрод Медь и цилиндрический слиток. Режимы обработки Чистовая обработка подразумевает шероховатость поверхности 2 мкм и менее. Электрод не должен вращаться. | |||
Допуск | Измеренные отклонения | |||
a) точность разметки отверстий | AC, BD | 90 +/- 0,02 | a) b) | |
CD, AB | 120 +/- 0,02 | |||
AD, BC | 150 +/- 0,03; | |||
b) разность диаметров отверстий, измеренная в направлениях X и Y: 0,02. | ||||
Средства измерения Координатно-измерительная машина или оптическая измерительная машина, оборудование для измерения внутреннего диаметра, штифты и микрометр. | ||||
Наблюдения и ссылки на ИСО 230-1:2012 (приложение B), ИСО 1101 Предварительная обработка отверстий возможна как до установки заготовки на стол, так и после, но рекомендуется равномерное удаление радиального съема припуска. | ||||
Позиция | Голландский | Немецкий | Итальянский | Шведский | Иранский | Японский | Русский |
1 | Bed | Bett | Banco | ![]() | Станина | ||
2 | Kolom | Montante | Stativ | Подставка | |||
3 | Werkstuk Opspantafel (X-richting) | ![]() (X-Achse) | Tavola (asse X) | Bord (X-riktning) | ![]() | ![]() | Стол для зажима заготовки (ось X) |
4 | Dwarsslede (Y-richting) | Querschlitten (Y-Achse) | Slitta trasversale (asse Y) | ![]() | Поперечный зажим (ось Y) | ||
5 | Werkstuk tank | ![]() | Serbatoio | ![]() | ![]() | ![]() | Рабочая емкость |
6 | Bewerkingskop (W-richting) | Arbeitskopf (W-Achse) | Testa (asse W) | Huvud (W-riktning) | ![]() | ![]() | Рабочая головка (ось W) |
7 | Pinole (Z-richting) | Pinole (Z-Achse) | Cannotto (asse Z) | Pinol (Z-riktning) | ![]() | Пиноль (ось Z) | |
8 | Gereedschapsdrager | ![]() | Portaelettrodo | ![]() | ![]() | ![]() | Держатель инструмента |
9 | Spil (C-richting) | Spindel (C-Achse) | Mandrino (asse C) | Spindel (C-riktning) | ![]() | Шпиндель (ось C) | |
10 | Elektrode | Elektrode | Elettrodo | Elektrod | ![]() | Электрод |
Позиция | Голландский | Немецкий | Итальянский | Шведский | Иранский | Японский | Русский |
1 | Bed | Bett | Banco | ![]() | Станина | ||
2 | Kolom | Montante | Stativ | Подставка | |||
3 | Langslede (X-richting) | (X-Achse) | Slitta Longitudinale (asse X) | (X-riktning) | ![]() | ![]() | Продольный суппорт (ось X) |
4 | Arm (Y-richting) | Ausleger (Y-Achse) | Slittone (asse Y) | Ramm (Y-riktning) | ![]() | Стрела (ось Y) | |
5 | Werkstuk Opspantafel | ![]() | Tavola | Bord | ![]() | Стол для зажима заготовки | |
6 | Werkstuk tank | ![]() | Serbatoio | ![]() | ![]() | ![]() | Рабочая емкость |
7 | Bewerkingskop (W-richting) | Arbeitskopf (W-Achse) | Testa (asse W) | Huvud (W-riktning) | ![]() | ![]() | Рабочая головка (ось W) |
8 | Pinole (Z-richting) | Pinole (Z-Achse) | Cannotto (asse Z) | Pinol (Z-riktning) | ![]() | ![]() | Пиноль (ось Z) |
9 | Gereedschapsdrager | ![]() | Portaelettrodo | ![]() | ![]() | ![]() | Держатель инструмента |
10 | Spil (C-richting) | Spindel (C-Achse) | Mandrino (asse C) | Spindel (C-riktning) | ![]() | ![]() | Шпиндель (ось C) |
11 | Elektrode | Elektrode | Elettrodo | Elektrod | ![]() | Электрод |
Обозначение ссылочного международного стандарта | Степень соответствия | Обозначение и наименование соответствующего национального, межгосударственного стандарта |
ISO 230-1:2012 | IDT | ГОСТ ISO 230-1-2018 "Нормы и правила испытаний станков. Часть 1. Геометрическая точность станков, работающих на холостом ходу или в квазистатических условиях" |
ISO 230-2:2014 | IDT | ГОСТ ISO 230-2-2016 "Нормы и правила испытаний станков. Часть 2. Определение точности и повторяемости позиционирования осей станков с числовым программным управлением" |
Примечание - В настоящей таблице использовано следующее условное обозначение степени соответствия стандартов: - IDT - идентичные стандарты. | ||
[1] | ISO 841:2001, | Industrial automation systems and integration - Numerical control of machines. Coordinate system and motion nomenclature (Системы промышленной автоматизации и интеграция. Числовое программное управление станками. Системы координат и обозначение перемещений) |
[2] | ISO 1101:2012, | Geometrical product specifications (GPS) - Geometrical tolerancing - Tolerances of form, orientation, location and run-out (Геометрические характеристики изделий (GPS). Установление геометрических допусков. Допуски формы, ориентации, месторасположения и биения) |
[3] | ISO/TR 230-11, | Test code for machine tools - Part 11: Measuring instruments and their application to machine tool geometry tests (Нормы и правила испытаний станков. Часть 11. Измерительные инструменты, применяемые при геометрических испытаниях станков) |
УДК 621.9:006.354 | МКС 25.120.40 |
Ключевые слова: методика испытаний, погрешность, отклонения, станки с ЧПУ, электроэрозионные станки | |