Главная // Актуальные документы // ГОСТ Р (Государственный стандарт)СПРАВКА
Источник публикации
М.: ФГБУ "РСТ", 2021
Примечание к документу
Документ
введен в действие с 01.06.2022.
Название документа
"ГОСТ Р 59854-2021. Национальный стандарт Российской Федерации. Автомобильные транспортные средства. Изделия крепежные. Винты самонарезающие с полукруглой головкой с буртом и звездообразным углублением под ключ"
(утв. и введен в действие Приказом Росстандарта от 22.11.2021 N 1532-ст)
"ГОСТ Р 59854-2021. Национальный стандарт Российской Федерации. Автомобильные транспортные средства. Изделия крепежные. Винты самонарезающие с полукруглой головкой с буртом и звездообразным углублением под ключ"
(утв. и введен в действие Приказом Росстандарта от 22.11.2021 N 1532-ст)
Утвержден и введен в действие
по техническому регулированию
и метрологии
от 22 ноября 2021 г. N 1532-ст
НАЦИОНАЛЬНЫЙ СТАНДАРТ РОССИЙСКОЙ ФЕДЕРАЦИИ
АВТОМОБИЛЬНЫЕ ТРАНСПОРТНЫЕ СРЕДСТВА
ИЗДЕЛИЯ КРЕПЕЖНЫЕ. ВИНТЫ САМОНАРЕЗАЮЩИЕ С ПОЛУКРУГЛОЙ
ГОЛОВКОЙ С БУРТОМ И ЗВЕЗДООБРАЗНЫМ УГЛУБЛЕНИЕМ ПОД КЛЮЧ
Motor vehicles. Fasteners. Hexalobular socket raised head
tapping screws with collar
ГОСТ Р 59854-2021
Дата введения
1 июня 2022 года
1 РАЗРАБОТАН Федеральным государственным унитарным предприятием "Центральный ордена Трудового Красного Знамени научно-исследовательский автомобильный и автомоторный институт" (ФГУП "НАМИ")
2 ВНЕСЕН Техническим комитетом по стандартизации ТК 056 "Дорожный транспорт"
3 УТВЕРЖДЕН И ВВЕДЕН В ДЕЙСТВИЕ
Приказом Федерального агентства по техническому регулированию и метрологии от 22 ноября 2021 г. N 1532-ст
4 ВВЕДЕН ВПЕРВЫЕ
Правила применения настоящего стандарта установлены в статье 26 Федерального закона от 29 июня 2015 г. N 162-ФЗ "О стандартизации в Российской Федерации". Информация об изменениях к настоящему стандарту публикуется в ежегодном (по состоянию на 1 января текущего года) информационном указателе "Национальные стандарты", а официальный текст изменений и поправок - в ежемесячном информационном указателе "Национальные стандарты". В случае пересмотра (замены) или отмены настоящего стандарта соответствующее уведомление будет опубликовано в ближайшем выпуске ежемесячного информационного указателя "Национальные стандарты". Соответствующая информация, уведомление и тексты размещаются также в информационной системе общего пользования - на официальном сайте Федерального агентства по техническому регулированию и метрологии в сети Интернет (www.rst.gov.ru)
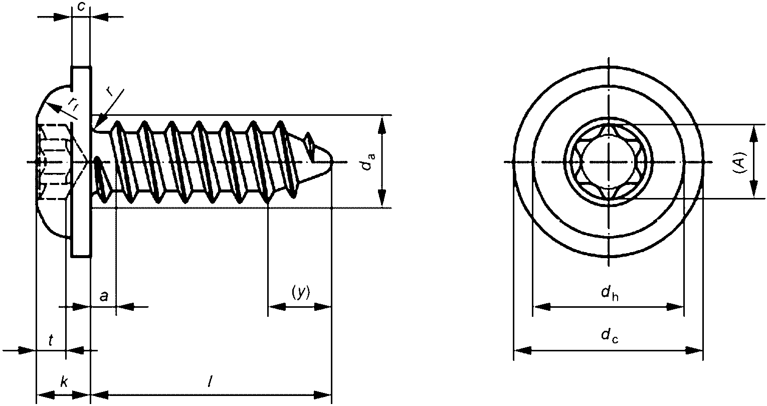
Настоящий стандарт устанавливает характеристики самонарезающих винтов с полукруглой головкой с буртом и звездообразным углублением под ключ, класса точности A, для размеров резьбы от ST2,9 до ST6,3 включительно.
В случаях, когда необходимы другие требования, чем установленные в настоящем стандарте, например, другие материалы, их следует выбирать в соответствующих стандартах.
В настоящем стандарте использованы нормативные ссылки на следующие стандарты:
ГОСТ ISO 2702 Винты самонарезающие стальные термообработанные. Механические свойства
ГОСТ ISO 3506-4 Механические свойства крепежных изделий из коррозионно-стойкой нержавеющей стали. Часть 4. Самонарезающие винты
ГОСТ ISO 4759-1 Изделия крепежные. Допуски. Часть 1. Болты, винты, шпильки и гайки. Классы точности A, B и C
ГОСТ Р ИСО 10664 Автомобильные транспортные средства. Изделия крепежные. Углубление звездообразное под ключ для болтов и винтов
ГОСТ Р ИСО 10683 Изделия крепежные. Системы неэлектролитических цинк-ламельных покрытий
Примечание - При пользовании настоящим стандартом целесообразно проверить действие ссылочных стандартов в информационной системе общего пользования - на официальном сайте Федерального агентства по техническому регулированию и метрологии в сети Интернет или по ежегодному информационному указателю "Национальные стандарты", который опубликован по состоянию на 1 января текущего года, и по выпускам ежемесячного информационного указателя "Национальные стандарты" за текущий год. Если заменен ссылочный стандарт, на который дана недатированная ссылка, то рекомендуется использовать действующую версию этого стандарта с учетом всех внесенных в данную версию изменений. Если заменен ссылочный стандарт, на который дана датированная ссылка, то рекомендуется использовать версию этого стандарта с указанным выше годом утверждения (принятия). Если после утверждения настоящего стандарта в ссылочный стандарт, на который дана датированная ссылка, внесено изменение, затрагивающее положение, на которое дана ссылка, то это положение рекомендуется применять без учета данного изменения. Если ссылочный стандарт отменен без замены, то положение, в котором дана ссылка на него, рекомендуется применять в части, не затрагивающей эту ссылку.
Тип R
Тип F
Тип C
Рисунок 1 - Самонарезающие винты с полукруглой головкой
с буртом и звездообразным углублением под ключ
Таблица 1
Размеры в миллиметрах
Размеры резьбы | ST2,9 | ST3,5 | ST4,2 | ST4,8 | | ST6,3 |
| 1,1 | 1,3 | 1,4 | 1,6 | 1,8 | 1,8 |
| не более | 1,1 | 1,3 | 1,4 | 1,6 | 1,8 | 1,8 |
da | не более | 3,5 | 4,1 | 4,9 | 5,6 | 6,3 | 7,3 |
dc | номинальный размер, не более | 7,5 | 9,0 | 10,0 | 11,5 | 13,0 | 14,5 |
не менее | 6,92 | 8,42 | 9,42 | 10,8 | 12,3 | 13,8 |
k | номинальный размер, не более | 2,35 | 2,6 | 3,05 | 3,55 | 3,8 | 4,55 |
не менее | 2,10 | 2,35 | 2,75 | 3,25 | 3,5 | 4,25 |
dh | не более | 6,24 | 7,29 | 8,29 | 9,29 | 10,09 | 12,35 |
не менее | 5,76 | 6,71 | 7,71 | 8,71 | 9,51 | 11,65 |
c | не более | 0,8 | 0,9 | 1,1 | 1,35 | 1,6 | 1,8 |
не менее | 0,6 | 0,7 | 0,9 | 1,05 | 1,2 | 1,4 |
r | не менее | 0,1 | 0,1 | 0,2 | 0,2 | 0,25 | 0,25 |
rf | ~= | 3,2 | 3,8 | 4,3 | 4,8 | 5,5 | 6,6 |
| Размер для справок | Тип C | 2,6 | 3,2 | 3,7 | 4,3 | 5,0 | 6,0 |
Тип F | 2,1 | 2,5 | 2,8 | 3,2 | 3,6 | 3,6 |
Тип R | - | 2,7 | 3,2 | 3,6 | 4,3 | 5,0 |
Звездообразное углубление | условный N | 10 | 15 | 20 | 25 | 25 | 30 |
A размер для справок | 2,8 | 3,35 | 3,95 | 4,5 | 4,5 | 5,6 |
t | не более | 1,27 | 1,40 | 1,80 | 2,03 | 2,03 | 2,42 |
не менее | 1,01 | 1,14 | 1,42 | 1,65 | 1,65 | 2,02 |
| Масса 1000 шт., кг (при плотности стали 7,85 кг/дм3) |
Номинальный размер | Тип C и Тип R | Тип F |
не менее | не более | не менее | не более |
4,5 | 3,7 | 5,3 | 3,7 | 4,5 | - | - | - | - | - | - |
6,5 | 5,7 | 7,3 | 5,7 | 6,5 | 0,58 | - | - | - | - | - |
9,5 | 8,7 | 10,3 | 8,7 | 9,5 | 0,68 | 1,03 | 1,50 | 2,15 | - | - |
13 | 12,2 | 13,8 | 12,2 | 13 | 0,80 | 1,20 | 1,75 | 2,48 | 3,36 | 4,97 |
16 | 15,2 | 16,8 | 15,2 | 16 | 0,91 | 1,35 | 1,97 | 2,76 | 3,74 | 5,47 |
19 | 18,2 | 19,8 | 18,2 | 19 | 1,01 | 1,49 | 2,18 | 3,04 | 4,11 | 5,98 |
22 | 21,2 | 22,8 | 20,7 | 22 | 1,11 | 1,64 | 2,40 | 3,32 | 4,49 | 6,48 |
25 | 24,2 | 25,8 | 23,7 | 25 | 1,22 | 1,79 | 2,61 | 3,80 | 4,86 | 6,99 |
32 | 30,7 | 33,3 | 30,7 | 32 | 1,46 | 2,13 | 3,11 | 4,24 | 5,73 | 8,15 |
38 | 36,7 | 39,3 | 36,7 | 38 | 1,66 | 2,43 | 3,54 | 4,82 | 6,48 | 9,16 |
45 | 43,7 | 46,3 | 43,5 | 45 | 1,91 | 2,77 | 4,04 | 5,47 | 7,35 | 10,34 |
50 | 48,7 | 51,3 | 48,5 | 50 | 2,16 | 3,07 | 4,40 | 5,94 | 7,97 | 11,18 |
| | ИС МЕГАНОРМ: примечание. Полужирные ступенчатые линии в официальном тексте документа в электронной версии документа выполнены пунктирными линиями. | |
|
Примечание - Масса винтов со стандартными длинами указана между полужирными ступенчатыми линиями. <b> Расстояние от опорной поверхности головки до первого полного витка резьбы. <d> Размеры, отмеченные знаком тире (-) не могут быть изготовлены. <e> Размер в скобках применять не рекомендуется. |
Технические требования к винтам самонарезающим с полукруглой головкой с буртом и звездообразным углублением под ключ приведены в
таблице 2.
Материал | Конструкционная сталь | Нержавеющая сталь |
Резьба и конец резьбы | обозначение стандарта | |
Механические свойства | материал | St | A2-20H, A4-20H, A5-20H |
обозначения стандартов | | |
Предельные отклонения, допуски формы и расположения | класс точности | A |
обозначение стандарта | |
Звездообразное углубление | обозначение стандарта | |
Отделка - покрытие | Без покрытия |
Требования к неэлектролитически нанесенным цинк-ламельным покрытиям по ГОСТ Р ИСО 10683 | |
Состояние поверхности | | - |
Приемочный контроль | |
Самонарезающий винт с полукруглой головкой с буртом и звездообразным углублением под ключ из конструкционной стали (St), с резьбой ST3,5, номинальной длиной l = 16 мм, с закругленным концом (тип R), без покрытия обозначается следующим образом:
Винт самонарезающий ГОСТ Р 59854-2021-ST3,5 x 16-St-R.
Самонарезающий винт с полукруглой головкой с буртом и звездообразным углублением под ключ из конструкционной стали (St), с резьбой ST3,5, номинальной длиной
l = 16 мм, с закругленным концом (тип R), с цинк-ламельным покрытием, с коррозионной стойкостью 480 часов по
ГОСТ Р ИСО 10683 обозначается следующим образом:
Винт самонарезающий
ГОСТ Р 59854-2021-ST3,5 x 16-St-R-flZn/480ч.
Самонарезающий винт с полукруглой головкой с буртом и звездообразным углублением под ключ из нержавеющей стали (A4-20H), резьбой ST3,5, номинальной длиной l = 16 мм, с закругленным концом (тип R) обозначается следующим образом:
Винт самонарезающий ГОСТ Р 59854-2021-ST3,5 x 16-A4-20H-R.
УДК 621.882.6:006.354 | |
Ключевые слова: автомобильные транспортные средства, винты самонарезающие, полукруглая головка с буртом, звездообразное углубление под ключ |