Главная // Актуальные документы // ГОСТ Р (Государственный стандарт)СПРАВКА
Источник публикации
М.: Стандартинформ, 2020
Примечание к документу
Документ
введен в действие с 01.06.2011.
Название документа
"ГОСТ Р ИСО 10683-2020. Национальный стандарт Российской Федерации. Изделия крепежные. Системы неэлектролитических цинк-ламельных покрытий"
(утв. и введен в действие Приказом Росстандарта от 13.10.2020 N 813-ст)
"ГОСТ Р ИСО 10683-2020. Национальный стандарт Российской Федерации. Изделия крепежные. Системы неэлектролитических цинк-ламельных покрытий"
(утв. и введен в действие Приказом Росстандарта от 13.10.2020 N 813-ст)
Утвержден и введен в действие
агентства по техническому
регулированию и метрологии
от 13 октября 2020 г. N 813-ст
НАЦИОНАЛЬНЫЙ СТАНДАРТ РОССИЙСКОЙ ФЕДЕРАЦИИ
ИЗДЕЛИЯ КРЕПЕЖНЫЕ
СИСТЕМЫ НЕЭЛЕКТРОЛИТИЧЕСКИХ ЦИНК-ЛАМЕЛЬНЫХ ПОКРЫТИЙ
Fasteners. Non-electrolytically applied
zinc flake coating systems
(ISO 10683:2018, IDT)
ГОСТ Р ИСО 10683-2020
Дата введения
1 июня 2021 года
1 ПОДГОТОВЛЕН Федеральным государственным унитарным предприятием "Центральный ордена Трудового Красного Знамени научно-исследовательский автомобильный и автомоторный институт "НАМИ" (ФГУП "НАМИ") на основе собственного перевода на русский язык англоязычной версии стандарта, указанного в
пункте 4
2 ВНЕСЕН Техническим комитетом по стандартизации ТК 056 "Дорожный транспорт"
3 УТВЕРЖДЕН И ВВЕДЕН В ДЕЙСТВИЕ
Приказом Федерального агентства по техническому регулированию и метрологии от 13 октября 2020 г. N 813-ст
4 Настоящий стандарт идентичен международному стандарту ИСО 10683:2018 "Изделия крепежные. Системы неэлектролитических цинк-ламельных покрытий" (ISO 10683:2018 "Fasteners - Non-electrolytically applied zinc flake coating systems", IDT).
При применении настоящего стандарта рекомендуется использовать вместо ссылочных международных стандартов соответствующие им межгосударственные стандарты, сведения о которых приведены в дополнительном
приложении ДА
Правила применения настоящего стандарта установлены в статье 26 Федерального закона от 29 июня 2015 г. N 162-ФЗ "О стандартизации в Российской Федерации". Информация об изменениях к настоящему стандарту публикуется в ежегодном (по состоянию на 1 января текущего года) информационном указателе "Национальные стандарты", а официальный текст изменений и поправок -
в ежемесячном информационном указателе "Национальные стандарты". В случае пересмотра (замены) или отмены настоящего стандарта соответствующее уведомление будет опубликовано в ближайшем выпуске ежемесячного информационного указателя "Национальные стандарты". Соответствующая информация, уведомление и тексты размещаются также в информационной системе общего пользования -
на официальном сайте Федерального агентства по техническому регулированию и метрологии в сети Интернет (www.gost.ru)
Международная организация по стандартизации (ИСО) объединяет национальные организации по стандартизации - участников ИСО (комитет-член ИСО). Разработка международных стандартов осуществляется, как правило, техническими комитетами ИСО. Каждый комитет - член ИСО, заинтересованный в участии в проектах по определенной тематике, для которой был создан технический комитет, имеет право быть представленным в этом комитете. Международные организации, правительственные и неправительственные, связанные с ИСО, также принимают участие в работе объединения. ИСО непосредственно сотрудничает с Международной электротехнической комиссией (МЭК) по всем вопросам стандартизации электротехнических изделий.
Методики, использованные для разработки настоящего стандарта и для его дальнейшего применения, содержатся в Директивах ИСО/МЭК, часть 1. В частности, следует отметить различные критерии, используемые для утверждения разных типов документов ИСО. Настоящий стандарт составлен в соответствии с редакторскими правилами части 2 Директив ИСО/МЭК (www.iso.org/directives).
Следует иметь в виду, что некоторые положения настоящего стандарта могут быть объектом патентных прав. ИСО не несет ответственность за идентификацию какого-либо одного или всех патентных прав. Детали любого патентного права, выявленного при разработке стандарта, должны находиться в введении и/или в перечне полученных патентных заявок ИСО (www.iso.org/patents).
Любое фирменное наименование, используемое в настоящем стандарте, является информацией для удобства пользователей и не означает его одобрения.
Толкование значения специфических терминов ИСО и выражений, относящихся к оценке соответствия, а также информация о строгом соблюдении ИСО принципов Всемирной торговой организации (ВТО) в отношении технических барьеров в торговле (ТБТ) содержится в URL-адресе: www.iso.org/foreword.html.
Стандарт ИСО 10683:2018 разработан техническим комитетом ISO/TC 2 "Изделия крепежные", подкомитетом SC 14 "Нанесение покрытий".
Данное третье издание заменяет второе издание (ИСО 10683:2013), в котором были пересмотрены технические положения.
Настоящий стандарт устанавливает требования к неэлектролитически нанесенным цинк-ламельным покрытиям на крепежные изделия из стали. Настоящий стандарт распространяется на следующие покрытия:
- с шестивалентным хромом Cr (VI) или без него;
- верхним слоем или без него;
- со смазкой или без нее (с интегрированной и/или дополнительно нанесенной смазкой).
Настоящий стандарт распространяется на болты и гайки с метрической резьбой ИСО, на крепежные изделия с неметрической резьбой ИСО и крепежные изделия без резьбы, такие как шайбы, штифты, пружинные зажимы и т.д.
Настоящий стандарт не устанавливает требования к свойствам крепежных изделий, таким как свариваемость или лакируемость. Стандарт не распространяется на механически нанесенное цинковое покрытие.
Примечание - Покрытия по настоящему стандарту применяют, в частности, для высокопрочных крепежных изделий (>= 1000 МПа), что позволяет избежать риск внутреннего водородного охрупчивания, связанного с производством (см.
4.4).
Указания по проектированию и монтажу покрытых крепежных изделий приведены в
приложении A.
В настоящем стандарте использованы нормативные ссылки на следующие стандарты. Для датированных ссылок применяют только указанное издание ссылочного стандарта, для недатированных - последнее издание (включая все изменения).
ISO 1463, Metallic and oxide coatings. Measurement of coating thickness. Microscopical method (Покрытия металлические и оксидные. Измерение толщин покрытия. Метод с использованием микроскопа)
ISO 1502, ISO general-purpose metric screw threads. Gauges and gauging (Резьбы метрические ИСО общего назначения. Калибры и измерения)
ISO 3613:2010, Metallic and other inorganic coatings - Chromate conversion coatings on zinc, cadmium, aluminium-zinc alloys and zinc-aluminium alloys - Test methods (Покрытия металлические и другие неорганические покрытия. Покрытия хроматные конверсионные по цинку, кадмию, алюминиево-цинковым и цинко-алюминиевым сплавам. Методы испытаний)
ISO 6988 <1> Metallic and other non-organic coatings - Sulfur dioxide test with general condensation of moisture (Металлические и другие неорганические покрытия. Испытание двуокисью серы с общей конденсацией влаги)
--------------------------------
<1> Заменен на ISO 22479:2019. Однако для однозначного соблюдения требования настоящего стандарта, выраженного в датируемой ссылке, рекомендуется использовать только указанное в этой ссылке издание.
ISO 9227, Corrosion tests inartificial atmospheres. Salt spray test (Испытание на коррозию в искусственной атмосфере. Испытание в соляном тумане)
ISO 16047, Fasteners - Torque/clamp force testing (Изделия крепежные. Испытания крутящего момента и усилия предварительной затяжки)
В настоящем стандарте применены термины по ИСО 1891-2.
ИСО и МЭК поддерживают терминологические базы данных для применения в сфере стандартизации по следующим адресам:
- онлайн-платформа ИСО, которая доступна по ссылке: http://www.iso.org/obp;
- Электропедия МЭК: http://www.electropedia.org/.
4 Общие свойства покрытий
4.1 Системы цинк-ламельных покрытий
Системы цинк-ламельных покрытий на поверхности стальных крепежных изделий получают путем дисперсии чешуек цинка, как правило, с добавлением алюминиевых пластин в соответствующей среде. Под воздействием теплоты (горячая сушка) образуются металлические связи между ламелями, а также между ламелями и субстратом и, таким образом, получают электропроводное неорганическое поверхностное покрытие, что обеспечивает катодную защиту. Покрытие может содержать шестивалентный хром Cr (VI).
Для того, чтобы предотвратить чрезмерную или недостаточную толщину покрытия, могут потребоваться специальные технологии.
Для предотвращения склеивания легких и/или плоских крепежных изделий (например, шайбы, клипсы, крепежные изделия с невыпадающей шайбой, гайки с буртом), могут потребоваться специальные технологии.
Дополнительный верхний слой может быть нанесен для повышения коррозионной стойкости и/или достижения специальных свойств, например соотношение между крутящим моментом и усилием предварительной затяжки, устойчивость к воздействию химикатов, вид, цвет, электрическая изоляция/электропроводность (см.
A.2).
Существует четыре основные системы цинк-ламельных покрытий (см. рисунок 1).
1 - только базовый слой; 2 - базовый слой + смазка;
3 - базовый слой + верхний слой;
4 - базовый слой + верхний слой + смазка
Рисунок 1 - Основные системы цинк-ламельных покрытий
Базовый слой и верхний слой могут содержать интегрированную смазку, возможные комбинации систем подробно показаны в
A.1.2.
4.3 Механические, физические свойства и горячая сушка
Процесс нанесения покрытия не должен ухудшать механические и физические свойства крепежных изделий.
Примечание - Продавца, который наносит покрытие на непокрытые крепежные изделия, можно рассматривать в качестве продавца-переработчика по ИСО 1891-4.
В зависимости от системы цинк-ламельного покрытия, температура горячей сушки может быть до 320 °C. Температура горячей сушки не должна быть выше, чем температура отпуска закаленных крепежных деталей.
ПРЕДУПРЕЖДЕНИЕ - Процесс горячей сушки (особенно при высоких температурах и/или при большой продолжительности), может ухудшить усталостную прочность крепежных изделий с накатанной резьбой. Другие возможные последствия горячей сушки показаны также в
A.1.3.
4.4 Предотвращение водородного охрупчивания, связанного с производством
Одна из особенностей систем цинк-ламельных покрытий состоит в том, что при выполнении процесса нанесения покрытия водород не образуется.
В процессах предварительной обработки с использованием щелочных моющих средств/растворителей с последующей механической очисткой, водород не образуется и, таким образом, исключается любой риск внутреннего водородного охрупчивания, зависящего от производственных факторов.
Если механическая очистка не подходит по техническим причинам (например, крепежные изделия с невыпадающими шайбами, крепежные изделия с внутренней резьбой, крепежные изделия, покрываемые на подвеске), химическая очистка (травление) может быть использована при условии, что применяются кислоты с подходящим ингибитором и применяется минимальная продолжительность очистки для снижения до минимума риска водородного охрупчивания, связанного с производством. Крепежные изделия с твердостью выше 390 HV или с классом прочности 12.9 и выше не допускается подвергать травлению. Интервал времени между очисткой и нанесением покрытия должен быть как можно короче.
В качестве альтернативы механической очистке допускается применять фосфатирование (во время этого процесса предварительной обработки образуется водород, который может диффундировать наружу при горячей сушке). Интервал времени между фосфатированием и нанесением покрытия должен быть как можно короче.
Катодные методы очистки не допускаются.
Примечание - Цинк-ламельное покрытие имеет высокую проницаемость для водорода, что позволяет в процессе горячей сушки выходить на поверхность изделия водороду, который, возможно, был абсорбирован в процессе предварительной обработки.
4.5 Системы покрытий и процессы нанесения покрытий
Тип и геометрия крепежных изделий должны учитываться при выборе системы покрытия и соответствующего процесса нанесения покрытия (см.
A.2).
5 Защита от коррозии и испытание
Коррозионная стойкость при кратковременных коррозионных испытаниях не может быть перенесена непосредственно на характеристики коррозионной защиты при определенных условиях использования.
Ускоренные испытания используют для оценки коррозионной стойкости покрытия.
5.2 Испытание в нейтральном солевом тумане
Испытание в нейтральном солевом тумане по ИСО 9227 используют для оценки коррозионной стойкости систем покрытий.
Если требуется оценка коррозионной активности камеры, ее следует проводить в соответствии с
приложением C.
Испытание в нейтральном солевом тумане следует проводить на крепежных изделиях не ранее чем через 24 ч после нанесения покрытия в состоянии "как с покрытием", т.е. перед сортировкой, упаковкой и/или сборкой.
После испытания в нейтральном солевом тумане с продолжительностью, приведенной в таблице 1, не должно быть видимой коррозии основного металла (красной ржавчины).
Таблица 1
Общие положения при испытании в нейтральном солевом тумане
Продолжительность испытания в нейтральном солевом тумане (до красной ржавчины), ч | Референтная толщина слоя системы покрытия <a>, мкм |
240 | 4 |
480 | 5 |
600 | 6 |
720 | 8 |
960 | 10 |
<a> Референтная толщина слоя включает базовый слой (слои) и верхний слой (слои), при их наличии, с Cr (VI) или без него. Коррозионная стойкость имеет решающее значение для приемки; заданные референтные толщины слоя системы покрытия служат только для руководства. Состав системы покрытия (только базовый слой, базовый слой + верхний слой и т.д.) должен быть указан при оформлении заказа. |
Точки соприкосновения крепежных изделий с подвеской не следует учитывать при оценке антикоррозионной защиты.
Примечание - Требования по выбору толщины покрытия для защиты от коррозии приведены в
приложении B.
5.3 Испытание с диоксидом серы (тест Кестерниха)
Данное испытание применяют только для крепежных изделий, предназначенных для наружного применения. Испытание с диоксидом серы с общей конденсацией влаги по ИСО 6988 используют для оценки коррозионной стойкости системы покрытия; для крепежных изделий, предназначенных для наружного применения, испытание следует проводить с использованием двух литров SO2.
Испытание с диоксидом серы следует проводить на крепежных изделиях не ранее чем через 24 ч после нанесения покрытия в состоянии "как с покрытием", т.е. перед сортировкой, упаковкой и/или монтажом.
Минимальное количество циклов должно быть согласовано между поставщиком и покупателем в момент оформления заказа, т.е. 2, 3, 5, 8, 10, 12, 15 циклов и т.д. Точки контакта крепежного изделия с фиксирующим приспособлением не должны учитываться при оценке защиты от коррозии.
5.4 Массовая обработка: автоматизированные процессы подачи и/или сортировки, складирования и транспортирования
Массовая обработка насыпью, автоматизированные процессы подачи и/или сортировки, складирования и транспортирования могут привести к значительному снижению защиты от коррозии в зависимости от системы покрытия, а также от типа и формы и размеров крепежных изделий. Это может наступить, в частности, для системы покрытия без шестивалентного хрома Cr (VI), где процесс самовосстановления происходит в меньшей степени и/или верхние слои чувствительны к ударам и/или истиранию. При необходимости должно быть достигнуто соглашение между поставщиком и покупателем, например по уменьшению минимальной продолжительности испытания в солевом тумане и/или увеличению толщины системы покрытия.
6 Требования к размерам и испытания
До нанесения покрытия крепежные изделия должны соответствовать указанным размерам. Для метрической резьбы ИСО могут действовать специальные требования (см.
6.2.2,
B.4 и
B.5).
6.2 Крепежные изделия с метрической резьбой ИСО
6.2.1 Толщина покрытия
При назначении толщины слоя для достижения желаемой коррозионной стойкости должно учитываться рассеяние толщины слоя системы покрытия (см.
B.3).
Толщина слоя покрытия оказывает существенное влияние на свинчиваемость, и поэтому следует учитывать допуск резьбы и зазор в резьбе. При нанесении покрытия не допускается превышать нулевую линию (основной размер) для наружной резьбы, а для внутренней резьбы опускаться ниже нулевой линии (см.
B.4).
Примечание - Для стандартных болтов, которые не изготовлены специально для последующего нанесения цинк-ламельных покрытий, см.
B.4 и
B.5.
6.2.2 Соответствие калибрам и собираемость
Метрическая резьба ИСО с нанесенным покрытием должна соответствовать проходному калибру по ИСО 1502 с положением поля допуска h - для наружной резьбы и с положением поля допуска H - для внутренней резьбы.
При проверке калибром резьбы на болтах с покрытием допускается максимальный момент затяжки 0,001d3 (Н·м) на длине 1d от резьбового конца.
При проверке внутренней резьбы гаек с покрытием допускается максимальный крутящий момент 0,001D3 (Н·м) (см. таблицу 2).
Таблица 2
Максимальный крутящий момент завинчивания при проверке
калибрами метрической резьбы ИСО с нанесенным покрытием
Номинальный диаметр резьбы d или D, мм | Максимальный крутящий момент завинчивания при проверке калибром <a>, Н·м |
3 4 | 0,03 0,06 |
5 | 0,13 |
6 | 0,22 |
8 | 0,51 |
10 | 1,0 |
12 | 1,7 |
14 | 2,7 |
16 | 4,1 |
18 | 5,8 |
20 | 8,0 |
22 | 11 |
24 | 14 |
27 | 20 |
30 | 27 |
33 | 36 |
36 | 47 |
39 | 59 |
<a> Для других диаметров момент завинчивания должен быть рассчитан как 0,001 d3 или 0,001 D3 (Н·м) и округлен до двух знаков после запятой. |
Другие методы приемки могут быть использованы по соглашению между поставщиком и покупателем:
- для наружной резьбы: применение соответствующей гайки или оригинального крепежного изделия;
- для внутренней резьбы: применение соответствующей оправки или оригинального крепежного изделия (например, оправка для испытательной нагрузки по ИСО 898-2) или оригинальное крепежное изделие.
6.3 Прочие крепежные изделия
Общие требования к размерам крепежных изделий с нанесенным покрытием с неметрической резьбой и крепежных изделий с нанесенным покрытием без резьбы не заданы. Дополнительная информация указана в
A.3.
7 Механические, физические свойства и испытания
Первоначальный цвет цинк-ламельного покрытия является серебристо-серым. Другие цвета могут быть получены путем нанесения верхнего слоя. Если не согласовано иное, цветовые вариации не могут быть причиной отбраковки [см.
раздел 10, перечисления g) и
h)].
На покрытых крепежных изделиях не должно быть пузырей и непокрытых зон, которые могут повлиять на защиту от коррозии. Местные завышения толщины покрытия не должны ухудшать эксплуатационные свойства (см.
раздел 6 и
A.2).
7.2 Температурная стойкость коррозионной защиты
Повышенная температура может ухудшить защиту от коррозии покрытых крепежных изделий. Это испытание проводят для контроля процесса; оно не предназначено для проверки свойств покрытых крепежных изделий совместно с собранными частями.
После выдержки покрытых крепежных изделий в течение 3 ч при температуре 150 °C (температура изделий) коррозионная стойкость должна соответствовать требованиям, указанным в
разделе 5.
Дополнительные требования могут быть согласованы на момент заказа.
7.3 Методы испытаний для определения толщины или массы покрытия
Толщина или масса покрытия должны быть определены с использованием одного из следующих методов испытаний:
- магнитно-индуктивный метод (определение местной совокупной толщины покрытия в местах замеров);
- рентгеновский метод (определение только местной толщины базового слоя в местах замеров);
- химическое или механическое удаление системы покрытия (определение средней совокупной массы покрытия крепежного изделия);
- микроскопический метод по ИСО 1463 (определение местной совокупной толщины покрытия на любом участке крепежного изделия).
В спорных случаях должен быть применен микроскопический метод по ИСО 1463. Если не оговорено иное, толщину покрытия необходимо измерять на референтных участках поверхности, которые показаны на
рисунке 2.
a) Референтные участки поверхности
крепежных изделий с резьбой
b) Референтные участки поверхности на невыпадающих шайбах
c) Пример референтных участков поверхности
крепежных изделий без резьбы
1 - референтный участок поверхности
для определения местной толщины покрытия
Рисунок 2 - Референтные участки
поверхности крепежных изделий
Системы цинк-ламельных покрытий, как правило, не очень пластичны, характеристики коррозионной защиты могут ухудшиться, если после нанесения покрытия происходит деформация.
Пластичность покрытия должна соответствовать упругой деформации, которая возникает, например, при затяжке резьбовых крепежных деталей, сжатии поверхностей коническими шайбами, изгибу пружинных зажимов во время сборки.
Деформируемость системы цинк-ламельного покрытия не должна нарушать характеристики крепежного изделия, например коррозионную стойкость, соотношение крутящего момента и усилия предварительной затяжки. Поэтому для специальных применений должны быть согласованы соответствующие испытания между покупателем и поставщиком.
Примечание - Недостаточная пластичность может вызвать трещины/отслоения покрытия и, таким образом, привести к снижению коррозионной стойкости.
Это испытание допускается проводить на каждом этапе процесса нанесения покрытия.
Если липкая лента шириной 25 мм с адгезивной прочностью (7 +/- 1) Н плотно прижата рукой к поверхности детали и потом отрывается перпендикулярно к поверхности, покрытие не должно отделяться от основного металла. Небольшое количество материала покрытия, прилипшее к липкой ленте, является допустимым.
Примечание - Материал покрытия, который виден как на поверхности крепежного изделия, так и на поверхности липкой ленты, появляется, как правило, в результате недостатка когезии. Основной металл, видимый на поверхности изделия и материал покрытия на липкой ленте, появляется, как правило, в результате недостатка адгезии.
Способность катодной защиты покрытия необходимо проверять следующим образом.
Крепежное изделие должно быть процарапано до основного металла с помощью инструмента с номинальной шириной профиля 0,5 мм.
После испытаний в нейтральном солевом тумане (см.
раздел 5), продолжительностью 72 ч, в непосредственной близости от царапины не должно быть красной ржавчины.
7.7 Соотношение крутящего момента и усилия предварительной затяжки
При необходимости, может быть определено соотношение крутящего момента и усилия предварительной затяжки для болтов и гаек с системами цинк-ламельных покрытий с интегрированной и/или дополнительно нанесенной смазкой. Метод испытания должен быть согласован между поставщиком и покупателем в соответствии с ИСО 16047 или другим применимым техническим условиям.
Требования к соотношению крутящего момента и усилия предварительной затяжки должны быть согласованы между поставщиком и покупателем. Дополнительная информация приведена в
A.2.
Условия хранения не должны ухудшать соотношение крутящего момента и усилия предварительной затяжки покрытого крепежного изделия (см.
A.4).
7.8 Определение шестивалентного хрома Cr (VI)
Наличие или отсутствие Cr (VI) может быть определено. В этом случае определение - в соответствии с ИСО 3613:2010, пункт 5.5.2.
8 Применимость методов испытаний
Все требования, упомянутые в
разделах 5,
6 и
7, являются действительными при условии, если речь идет об общих свойствах покрытия, или если они заданы покупателем специально.
8.2 Испытания, обязательные для каждой партии
Для каждой партии крепежных деталей необходимо проводить следующие испытания (см. ИСО 3269):
- соответствие резьбовым калибрам (см.
6.2.2);
8.3 Испытания, проводимые для контроля процесса
Нижеследующие испытания не предназначены для какой-либо партии крепежных изделий, но должны проводиться для контроля процесса (см. ИСО 16426), если применимы:
- коррозионная стойкость: испытание в нейтральном солевом тумане (см.
5.2) или альтернативное (только по требованию) испытание с диоксидом серы (см.
5.3);
- температурная стойкость (см.
7.2);
- толщина или масса покрытия (см.
7.3);
- адгезия/когезия (см.
7.5).
8.4 Испытания, проводимые по требованию покупателя
Нижеследующие испытания проводят только по требованию покупателя (см. ИСО 3269). Результаты испытаний, необходимые для контроля процесса, полученные для данной партии (см.
8.3), могут быть предоставлены покупателю:
- коррозионная стойкость: испытание в солевом тумане (см.
5.2) или альтернативное (только по требованию) испытание с диоксидом серы (см.
5.3). Для оценки коррозионной стойкости могут быть определены соответствующие участки поверхности;
- толщина или масса покрытия (см.
7.3);
- соотношение крутящего момента и усилия предварительной затяжки (см.
7.7 и
таблицу 3);
- пластичность (см.
7.4);
- катодная защита (см.
7.6);
- наличие или отсутствие Cr (VI) (см.
7.8).
9.1 Обозначение системы цинк-ламельного покрытия для заказа
Для обозначения покрытия к системе обозначений, предусмотренной в ИСО 8991, добавляют обозначение крепежного изделия. Обозначение системы цинк-ламельного покрытия по таблице 3 должно происходить в том же порядке.
Таблица 3
Обозначение системы цинк-ламельного покрытия для заказа
Система цинк-ламельного покрытия | Продолжительность испытания в нейтральном солевом тумане (красная ржавчина) | Требования к соотношению крутящего момента и усилия предварительной затяжки, в случае применимости |
Базовый слой | Cr (VI) | Органический или неорганический верхний слой | Дополнительная смазка, в случае применимости |
Без интегрированной смазки = flZn | Без согласования: может поставляться с или без Cr (VI) по выбору поставщика | С интегрированной смазкой в верхний слой = TL | | | |
или | или | или | L | Например, 480 ч | |
с интегрированной смазкой = flZnL | с Cr (VI) = yc | без интегрированной смазки в верхний слой = Tn | | | |
| или | | | | |
| без Cr (VI) = nc | | | | |
<a> Диапазоны значений коэффициентов трения  или K-факторов, которые установлены на момент заказа, см. также в A.2.1. |
Для разделения информационных полей в обозначении покрытия должна быть использована косая черта (/).
Примеры 1 - 4 относятся к обозначению покрытия для заказа
1 Крепежное изделие с неэлектролитически нанесенным цинк-ламельным покрытием (flZn), с требуемой минимальной коррозионной стойкостью (испытание в солевом тумане) 240 ч обозначается следующим образом:
[обозначение крепежного изделия] - flZn/240 ч
2 Крепежное изделие с неэлектролитически нанесенным цинк-ламельным покрытием с интегрированной смазкой (flZnL), без Cr (VI) (nc), без верхнего слоя, с требуемой минимальной коррозионной стойкостью (испытание в солевом тумане) 480 ч, смазанное, без специальных требований к соотношению крутящего момента и усилия предварительной затяжки, обозначается следующим образом:
[обозначение крепежного изделия] - flZnL/nc480 ч
3 Крепежное изделие с неэлектролитически нанесенным цинк-ламельным покрытием (fIZn) с Cr (VI) (yc), с верхним слоем с интегрированной смазкой (TL), с требуемой минимальной коррозионной стойкостью (испытание в нейтральном солевом тумане) 720 ч, поставляемое с коэффициентом трения и в пределах диапазона [0,10 - 0,20] (C), обозначается следующим образом:
[обозначение крепежного изделия] - flZn/yc/TL/720 ч/C
4 Крепежное изделие с неэлектролитически нанесенным цинк-ламельным покрытием (flZn) без Cr (VI) (nc), без интегрированной смазки, с верхним слоем без интегрированной смазки (Tn), с дополнительной смазкой (L), с требуемой минимальной коррозионной стойкостью (испытание в нейтральном солевом тумане) 960 ч, поставляемое с установленным коэффициентом трения
0,17 +/- 0,03 (C), обозначается следующим образом:
| | ИС МЕГАНОРМ: примечание. Текст дан в соответствии с официальным текстом документа. | |
[обозначение крепежного изделия] - flZn/nc/Tn/L/960h/C
9.2 Обозначение системы цинк-ламельного покрытия для маркировки
На упаковочной этикетке должна быть указана следующая информация (не менее приведенной), разделенная косой чертой (/):
- flZn для цинк-ламельного покрытия (базовый слой);
- yc для покрытия с Cr (VI) или nc для покрытия без Cr (VI);
- минимальная длительность испытания коррозионной стойкости (испытание в нейтральном солевом тумане), ч.
Примеры 1 - 3 относятся к маркировке
1 Болт с шестигранной головкой
ИСО 4014 - М12x80 - 10,9 - flZn/nc/720 ч
2 Гайка шестигранная ИСО 4032 - М12 - 10 - flZn/yc/480 ч
3 Шайба ИСО 7089-12 - 300HV - flZn/nc/240 ч
При заказе системы цинк-ламельного покрытия для крепежного изделия в соответствии с настоящим стандартом должны быть предоставлены следующие данные:
a) ссылка на настоящий стандарт;
c) свойства материала крепежного изделия, на которые может повлиять процесс нанесения покрытия, например температура отпуска, твердость или другие свойства;
d) требования к соотношению крутящего момента и усилия предварительной затяжки, в случае применимости, включая технические условия и соответствующие методы испытаний (например, ИСО 16047);
e) иные требования, в случае применимости (например, химическая стойкость, пригодность для клеев, электропроводность/изоляционные свойства);
f) испытания, выполняемые при необходимости (см.
раздел 8);
h) цвет, если отличается от серебристо-серого;
i) фото внешнего вида, в случае необходимости.
(справочное)
КОНСТРУКТИВНОЕ ИСПОЛНЕНИЕ И СБОРКА
КРЕПЕЖНОГО ИЗДЕЛИЯ С НАНЕСЕННЫМ ПОКРЫТИЕМ
A.1 Конструктивное исполнение
A.1.1 Общие положения
При выборе системы покрытия необходимо учитывать все функции и условия сборки системы крепления, а не только отдельной крепежной детали (см.
A.2.2).
Покупателю следует проконсультироваться с поставщиком, чтобы определить соответствующие возможности выбора для конкретного применения.
A.1.2 Описание систем цинк-ламельных покрытий
На
рисунке A.1 представлены типовые системы цинк-ламельных покрытий.
Рисунок A.1 - Типовые системы цинк-ламельных покрытий
Для достижения свойств, касающихся соотношения крутящего момента и усилия предварительной затяжки может быть выбрана интегрированная смазка.
Для повышения коррозионной стойкости и достижения других специфических свойств (например, соотношения крутящего момента и усилия предварительной затяжки, химической стойкости, механической прочности, внешнего вида, цвета, термостойкости, электрической изоляции/электропроводности, стойкости к УФ-излучению) может быть выбран дополнительный верхний слой.
Выбор вида верхнего слоя осуществляют из требуемых дополнительных свойств:
- органический верхний слой: электроизоляционные свойства, высокая химическая стойкость, или возможности окраски и т.д.;
- неорганический верхний слой: ударопрочность/устойчивость к истиранию или температурная стойкость, и т.д.
Для корректировки соотношения крутящего момента и усилия предварительной затяжки может быть выбрана дополнительная смазка.
A.1.3 Процесс нанесения покрытия
Системы цинк-ламельных покрытий допускается наносить в барабане или на подвеске методом окунания и центрифугирования или методом напыления.
Нанесение цинк-ламельных покрытий применяется, как правило, в массовом производстве.
Если должно быть нанесено покрытие на большом количестве малых производственных партий крепежных изделий, могут потребоваться специальные установки и/или соответствующие способы нанесения покрытия для достижения требуемых свойств и качества крепежных изделий с нанесенным покрытием. Для крупных или массивных крепежных изделий или когда должен быть уменьшен риск повреждения резьбы, вместо обработки в барабане следует рассмотреть способ обработки на подвеске.
Горячая сушка (особенно при высокой температуре и/или при большей продолжительности) может оказать влияние на свойства/качество крепежных изделий.
Если температура горячей сушки выше температуры отпуска, снижение твердости может ухудшить качество закаленных или нитроцементованных крепежных изделий (например, резьбовыдавливающих или самонарезающих винтов) или упругую и пластическую деформацию (например, для клипсов).
При холодной штамповке крепежных изделий или окончательной накатке резьбы на винтах могут снижаться остаточные напряжения.
A.2 Функциональные свойства
A.2.1 Соответствие калибрам и собираемость
Зазор между элементами конструкции (например, сквозное отверстие), допуски на размеры функциональных частей крепежных изделий, зацепление ключом (например, для стопорных колец), введение силовых инструментов (например, для винтов с внутренним приводом), а также монтаж не должны ухудшаться.
Требования к размерам резьбовых крепежных изделий после нанесения покрытия должны соответствовать
6.2 и
приложению B.
Следует учитывать совместимость системы покрытия с процессом завинчивания, особенно если завинчивание предусмотрено с большим числом оборотов ввинчивания и/или затяжки (опасность перегрева, прерывистое скольжение и т.д.).
Следует учитывать совместимость покрытых крепежных изделий со сжатыми деталями, например с деталями, имеющими резьбовые отверстия, нагруженными деталями из алюминия, магния, нержавеющей стали, деталей с электрофоретическим покрытием, горячеоцинкованных деталей, а также деталей из пластика и дерева.
Для создания определенной силы предварительной затяжки и постоянного соотношения крутящего момента и усилия предварительной затяжки для крепежных деталей с метрической резьбой ИСО по крайней мере одна из совместно сопрягаемых резьбовых деталей должна быть смазана.
В системах цинк-ламельных покрытий применяют варианты со смазкой (см.
A.1.2).
Соотношение крутящего момента и усилия предварительной затяжки может быть определено в соответствии с ИСО 16047 и может быть выражено в форме коэффициента трения

(или
K-фактора).
A.2.2 Другие свойства соединения с покрытыми крепежными изделиями
A.2.2.1 Химическая стойкость
Органические верхние слои, которые наносятся на цинк-ламельные базовые, слои имеют более высокую стойкость к кислотам и щелочным химическим веществам, чем неорганические верхние слои.
A.2.2.2 Электропроводность
Электропроводность цинк-ламельных базовых слоев с неорганическим верхним слоем, как правило, подходит для нанесения электрофоретических покрытий и для антистатических целей. Системы цинк-ламельных покрытий не подходят для заземляющих соединений.
A.2.2.3 Контактная коррозия
Для снижения риска появления контактной коррозии следует учитывать все детали соединения (покрытые крепежные изделия и нагруженные детали).
Прямой металлический контакт с непокрытыми нагруженными деталями, в особенности, например, из нержавеющей стали, магния, меди или медных сплавов, следует избегать.
Органические верхние слои увеличивают стойкость против контактной коррозии за счет их изолирующих воздействий.
Указанные в
A.2.2 факторы не являются исчерпывающими. При выборе системы покрытия следует учитывать все специфические условия эксплуатации.
A.2.2.4 Чистота
Пригодность системы цинк-ламельного покрытия должна быть проверена по требованиям к чистоте (например, пыль, размер частиц, тип частиц, число частиц).
A.3 Особые аспекты, касающиеся крепежных изделий и процесса нанесения покрытия
A.3.1 Общие положения
При выборе системы покрытия и соответствующего процесса нанесения покрытия следует учитывать тип крепежного изделия. В
A.3.2 -
A.3.9 перечислены основные критерии для каждого типа крепежного изделия. Если для специфических(ого) признаков(а) требуется 100%-ная сортировка, это должно быть согласовано при заказе между поставщиком и покупателем. Для выполнения нижеследующих возможных критериев должны быть предусмотрены соответствующие меры.
A.3.2 Крепежные изделия с метрической резьбой ИСО:
- повреждения резьбы (чем тяжелее деталь, тем она чувствительнее);
- наплывы в углублении внутреннего привода;
- мелкие частицы покрытия в резьбе;
- для покрываемых крепежных изделий с шагом P < 1 мм следует заключать специальное соглашение между поставщиком и покупателем;
- смешивание с посторонними деталями.
A.3.3 Крепежные изделия с невыпадающими шайбами:
- схватывание/заклинивание абразивного материала (если для очистки используется струйная механическая обработка);
- свободное вращение шайбы;
- смешивание с посторонними деталями.
A.3.4 Крепежные изделия с клеевыми или контрящими элементами
Необходимо оценивать применимость системы цинк-ламельных покрытий и функциональные свойства.
A.3.5 Гайки:
- мелкие частицы покрытия в резьбе;
- для покрываемых крепежных изделий с шагом P < 1 мм следует заключать специальное соглашение между поставщиком и покупателем;
- смешивание с посторонними деталями.
A.3.6 Самостопорящиеся гайки
Для всех цельнометаллических самостопорящихся гаек системы цинк-ламельных покрытий в сочетании с верхним слоем на основе силиката могут вызвать истирание покрытия при затяжке и засорении резьбы частицами истирания, вплоть до заклинивания при затяжке. В этом случае следует использовать альтернативный верхний слой или дополнительную смазку.
Для самостопорящихся гаек с неметаллической вставкой следует учитывать воздействие температуры горячей сушки.
A.3.7 Крепежные изделия с углублениями, внутренними приводами или полостями
Для предотвращения заклинивания абразивного материала (например, если для очистки используется струйная механическая обработка) и наплывов покрытий в углублениях, внутренних приводах или полостях могут потребоваться специальные способы.
A.3.8 Резьбообразующие винты
При выборе систем цинк-ламельных покрытий для резьбообразующих винтов следует учитывать их соответствие специфическим требованиям к резьбообразованию.
Примечание - К ним относятся резьбовыдавливающие винты, резьбонарезающие винты, самонарезающие винты, самосверлящие винты, шурупы, винты для пластмасс и аналогичные крепежные изделия.
A.3.9 Клипсы и стопорные кольца
В процессе нанесения покрытия на клипсы и стопорные кольца следует избегать пластической деформации и комкования покрытия.
Для предотвращения наплывов покрытий в углублениях могут потребоваться специальные способы.
A.4 Хранение покрытых крепежных изделий
Во время хранения и до монтажа следует избегать прямого контакта с водой или другими жидкостями, конденсатом, воздействием пыли и т.д. Такие факторы могут повлиять на соотношение крутящего момента и усилия предварительной затяжки и/или ухудшить коррозионную стойкость.
(справочное)
ТОЛЩИНА ПОКРЫТИЯ И ЗАЗОР В РЕЗЬБЕ
ДЛЯ МЕТРИЧЕСКОЙ РЕЗЬБЫ ИСО
B.1 Общие положения
Требования к размерам и испытания крепежных изделий с метрической резьбой ИСО установлены в
6.2.
При использовании способов нанесения цинк-ламельных покрытий, как правило, не достигается равномерное распределение толщины слоя по всей поверхности крепежного изделия. Так как толщина покрытия оказывает существенное влияние на соответствие резьбовым проходным калибрам, необходимо учитывать допуски резьбы и зазор в резьбе.
При проектировании крепежных изделий, которые должны быть покрыты для защиты от коррозии, необходимо учитывать, по крайней мере, следующее:
- тип и размеры крепежного изделия;
- класс допуска резьбы;
- типичное распределение толщины покрытия в процессе его нанесения (см.
B.3);
- существующий зазор в резьбе (см.
B.4).
В
B.6 приведены примеры для пояснения того, как эти аспекты могут учитываться.
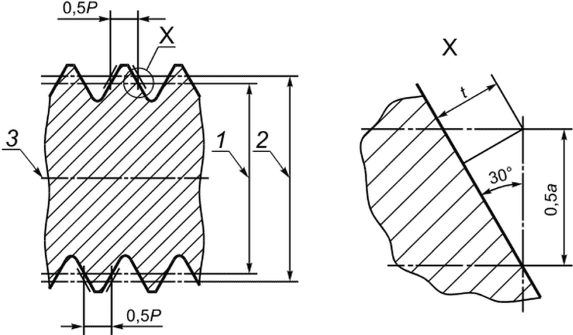
B.2 Геометрические соотношения между толщиной покрытия и средним диаметром резьбы
Если для достижения заданной коррозионной стойкости покрытие с теоретической толщиной слоя/референтной толщиной слоя
t наносится на наружную резьбу (см.
раздел 5), средний диаметр резьбы
d2 увеличивается на 4
t, как показано на
рисунке B.1 (см.
таблицу B.1).
a - изменение среднего диаметра резьбы при нанесении
покрытия; P - шаг резьбы; t - толщина покрытия;
1 - средний диаметр резьбы болта до нанесения покрытия d2;
2 - средний диаметр резьбы болта после нанесения
покрытия; 3 - ось резьбы
t/0,5a = sin 30° = 0,5; 0,25a = t; a = 4t
Рисунок B.1 - Геометрические соотношения
между толщиной покрытия и средним диаметром
Таблица B.1
Геометрические соотношения между толщиной
покрытия и средним диаметром резьбы
В микрометрах
Толщина покрытия | Увеличение среднего диаметра резьбы |
t | |
3 | 12 |
4 | 16 |
5 | 20 |
6 | 24 |
8 | 32 |
10 | 40 |
12 | 48 |
<a> Увеличение среднего диаметра резьбы соответствует величине основного отклонения (зазор), который необходим для толщины покрытия t. |
B.3 Колебания толщины покрытия
Цинк-ламельные покрытия на крепежные изделия наносят, как правило, методом окунания и центрифугирования, что приводит к неравномерной толщине покрытия.
Метод окунания и центрифугирования может вызвать значительное отклонение локальной толщины, которая превышает толщину покрытия
t от одной трети до половины толщины покрытия. Свинчиваемость не зависит, как правило, от этих колебаний толщины покрытия. Влияние толщины покрытия на средний диаметр должно быть тщательно проверено для достижения свинчиваемости и соответствия резьбовым проходным калибрам. Наплыв покрытия во впадине резьбы (см.
рисунок B.2) не влияет, как правило, на свинчиваемость и соответствие резьбовым проходным калибрам, и процесс нанесения цинк-ламельного покрытия, как правило, не приводит к наплыву покрытия на вершине резьбы.
Примечание - Крепежные изделия с большими диаметрами, а также длинные или тяжелые крепежные изделия, как правило, покрываются на подвеске.
1 - болт; 2 - наполнитель; 3 - вершина резьбы;
4 - впадина резьбы; 5 - покрытие
Рисунок B.2 - Пример типового отклонения толщины покрытия
на резьбе болта (М12x1,5) при нанесении покрытия
методом окунания и центрифугирования
B.4 Зазор для размещения толщины покрытия
Крепежные изделия должны быть изготовлены с достаточным зазором по среднему диаметру для возможности размещения толщины покрытия.
Толщины покрытий, которые могут быть нанесены на метрическую резьбу ИСО по ИСО 965-1, ИСО 965-2 или ИСО 965-3, зависят от значений основных отклонений по среднему диаметру, заданных в таблице B.2, что в свою очередь зависит от резьбы и следующих положений полей допусков:
- g, f, e - для наружной резьбы;
- G - для внутренней резьбы.
Таблица B.2
Теоретические значения зазора для метрической резьбы ИСО
Шаг резьбы P, мм | Номинальный диаметр резьбы <a> d или D | Внутренняя резьба | Наружная резьба |
Основное отклонение G | Основное отклонение g | Основное отклонение f | Основное отклонение e |
Резьба с крупным шагом, мм | Резьба с мелким шагом, мм | Минимальный зазор <b>, мкм | Минимальный зазор <b>, мкм | Минимальный зазор <b>, мкм | Минимальный зазор <b>, мкм |
0,25 | 1 и 1,2 | - | +18 | -18 | - | - |
0,3 | 1,4 | - | +18 | -18 | - | - |
0,35 | 1,5 и 1,8 | - | +19 | -19 | -34 | - |
0,4 | 2 | - | +19 | -19 | -34 | - |
0,45 | 2,2 и 2,5 | - | +20 | -20 | -35 | - |
0,5 | 3 | - | +20 | -20 | -36 | -50 |
0,6 | 3,5 | - | +21 | -21 | -36 | -53 |
0,7 | 4 | - | +22 | -22 | -38 | -56 |
0,75 | 4,5 | - | +22 | -22 | -38 | -56 |
0,8 | 5 | - | +24 | -24 | -38 | -60 |
1 | 6 и 7 | 8 и 10 | +26 | -26 | -40 | -60 |
1,25 | 8 | 10 и 12 | +28 | -28 | -42 | -63 |
1,5 | 10 | 12 до 22 | +32 | -32 | -45 | -67 |
1,75 | 12 | - | +34 | -34 | -48 | -71 |
2 | 14 и 16 | 20 до 33 | +38 | -38 | -52 | -71 |
2,5 | 18, 20 и 22 | - | +42 | -42 | -58 | -80 |
3 | 24 и 27 | 36 до 48 | +48 | -48 | -63 | -85 |
3,5 | 30 и 33 | - | +53 | -53 | -70 | -90 |
4 | 36 и 39 | 52 до 64 | +60 | -60 | -75 | -95 |
4,5 | 42 и 45 | - | +63 | -63 | -80 | -100 |
5 | 48 и 52 | - | +71 | -71 | -85 | -106 |
5,5 | 56 и 60 | - | +75 | -75 | -90 | -112 |
6 | 64 | - | +80 | -80 | -95 | -118 |
<a> Номинальные диаметры резьбы приведены справочно, определяющей характеристикой является шаг резьбы. <b> Минимальный зазор соответствует значению основного отклонения. |
В
таблице B.2 приведен зазор по среднему диаметру в зависимости от значения класса допуска резьбы для крепежных изделий без покрытия при заданном шаге резьбы. Минимальный и максимальный зазоры являются теоретическими величинами; они ограничивают диапазон, доступный для покрытия (см.
рисунок B.3). Они указаны для проверки, находится ли толщина системы покрытия в пределах указанного диапазона.
a, c - Минимальный зазор соответствует величине основного отклонения.
b, d - Максимальный зазор соответствует абсолютному значению величины основного отклонения плюс значение величины для класса допуска.
1 - нулевая линия; 2 - максимальный средний диаметр резьбы
гайки до покрытия; 3 - минимальный средний размер диаметр
резьбы гайки до покрытия; 4 - максимальный средний диаметр
болта до покрытия; 5 - минимальный средний диаметр болта
до покрытия; TD2 - предельное отклонение для D2;
Td2 - предельное отклонение для d2; El - нижнее значение
основного отклонения резьбы гаек относительно нулевой
линии; es - верхнее значение основного отклонения
резьбы болтов относительно нулевой линии
Рисунок B.3 - Положение поля допуска
среднего диаметра и зазор для покрытия
Для получения максимально возможной толщины покрытия необходимо зазор по
таблице B.1 разделить на 4.
B.5 Совместимость коррозионной стойкости и зазора
Совместимость коррозионной стойкости и зазора показаны на
рисунке B.4.
Рисунок B.4 - Проверка совместимости
коррозионной стойкости и зазора
B.6.1 Пример для болта с полем допуска резьбы 6g
Крепежное изделие Болт М12 по ИСО 4014 с метрической
резьбой ИСО с крупным шагом, шаг
1,75 мм
Требование к коррозионной стойкости 480 ч
покрытия: 5 мкм
Возможное влияние распределения 5 мкм + 2,5 мкм для максимальной
толщины покрытия (см.
B.3) толщины покрытия по среднему
диаметру с округлением до 8 мкм
Из
таблицы B.2 (класс допуска 6g) Минимальный зазор: 34 мкм
Результат: Если рассчитанное значение (32 мкм) менее или равно минимальному зазору, который установлен в
таблице B.2 (34 мкм), толщина системы покрытия согласуется с требованием, независимо от размера резьбы, в пределах класса допуска 6g до нанесения покрытия.
B.6.2 Пример для винта с классом допуска резьбы 6g
Крепежное изделие Винт М6 по ИСО 4017 с метрической
резьбой с крупным шагом, шаг 1 мм
Требование к коррозионной стойкости 600 ч
Из
таблицы 1 Референтная толщина системы покрытия:
6 мкм
Возможное влияние распределения 6 мкм + 3 мкм для максимальной
толщины покрытия (см.
B.3) толщины покрытия по среднему диаметру
Из
таблицы B.2 (класс допуска 6g) Минимальный зазор: 26 мкм
Результат: Если рассчитанное значение (36 мкм) превосходит минимальный зазор, который установлен в
таблице B.2 (26 мкм), толщина системы покрытия не согласуется с требованием.
B.6.3 Пример для такого же винта как в B.6.2 с измененным полем допуска 6f
Крепежное изделие Винт М6 по ИСО 4017 с метрической
резьбой с крупным шагом, шаг 1 мм
Требование к коррозионной стойкости 600 ч
Из
таблицы 1 Референтная толщина системы покрытия:
6 мкм
Возможное влияние распределения 6 мкм + 3 мкм для максимальной
толщины покрытия (см.
B.3) толщины покрытия по среднему диаметру
Из
таблицы B.2 (класс допуска 6f) Минимальный зазор: 40 мкм
Результат: Рассчитанное значение (36 мкм) менее минимального зазора, который установлен в
таблице B.2 (40 мкм); толщина системы покрытия согласуется с требованием, независимо от размера резьбы в пределах поля допуска 6f до покрытия.
(справочное)
СИСТЕМЫ ПОКРЫТИЙ, ИСПЫТАННЫЕ В СООТВЕТСТВИИ С ИСО 9227,
ОЦЕНКА КОРРОЗИОННОЙ АКТИВНОСТИ ИСПЫТАТЕЛЬНОЙ КАМЕРЫ
ДЛЯ ИСПЫТАНИЯ В НЕЙТРАЛЬНОМ СОЛЕВОМ ТУМАНЕ
C.1 Введение
Если требуется оценка коррозионной активности камеры, ее следует проводить в соответствии с настоящим приложением.
Данное приложение предназначено для применения в дополнение к методу испытаний по ИСО 9227 в нейтральном солевом тумане, который разработан для оценки стальных крепежных деталей с покрытиями на основе цинка с целью контроля производственных партий.
Основной причиной этой разработки в качестве дополнения к ИСО 9227 была необходимость улучшения показателей с точки зрения надежности, воспроизводимости и уменьшения рассеивания результатов испытаний, т.к. испытание нейтральным солевым туманом применяется при освоении производства крепежных изделий:
- путем применения одинаковых методов оценки (появление красной ржавчины на стальных эталонных пластинах с цинковым покрытием вместо оценки потери массы);
- путем регулярных проверок коррозионной активности испытательной камеры.
Этот процесс успешно используется в производстве крепежных изделий и значительно улучшает воспроизводимость результатов различных камер солевого тумана.
C.2 Цель
Это приложение является дополнением к ИСО 9227 и определяет методику оценки коррозионной активности испытательной камеры при испытании в нейтральном солевом тумане стальных крепежных элементов с неэлектролитически нанесенными цинк-ламельными покрытиями.
Установлены два вида испытаний:
- определение уровня коррозионной активности по категориям и условий, при которых считается, что камера соответствует требованиям, путем проверки коррозионной активности камеры по всему рабочему объему, независимо от образцов, подлежащих испытанию;
- проверка коррозионной активности камеры между систематическими проверками.
C.3 Частота проверок
Определение уровня коррозионной активности следует проводить не реже одного раза в год, а также перед использованием камеры после капитального ремонта или ремонтных работ прибора.
Проверку коррозионной активности следует проводить не реже одного раза в месяц.
C.4 Условия эксплуатации
C.4.1 Параметры
Все параметры, указанные в ИСО 9227, кроме процедуры оценки коррозионной активности камеры, должны быть проверены.
C.4.2 Референтные пластины
Референтные пластины должны быть изготовлены из стали, например CR24 согласно ИСО 6932, которые покрыты, по крайней мере с одной стороны, сплошным слоем цинка при непрерывном процессе горячего цинкования.
Толщина слоя цинка должна составлять (11 +/- 1) мкм.
Размеры референтных пластин должны составлять 190 x 90 мм (см.
рисунок C.4).
Референтные пластины должны быть смазаны маслом для лучшей защиты при хранении.
К референтным пластинам должен прилагаться сертификат соответствия, который содержит следующие данные:
- идентификация поставщика;
- идентификация референтных пластин (номер холоднокатаной полосы и плавки);
- химический состав и механические свойства металла подложки;
- измеренная толщина цинкового покрытия;
- ссылка на защитное масло, если имеется.
C.4.3 Подготовка референтных пластин
C.4.3.1 Обезжиривание
Референтные пластины применяют в течение не более 24 ч после того, как выполнено обезжиривание. Они должны быть обезжирены, как указано ниже:
a) предварительное обезжиривание ацетоном с помощью мягкой салфетки;
b) обезжиривание ультразвуком в очищающем растворе, который состоит из следующих компонентов:
- бикарбонат натрия (NaHCO3) (15 +/- 2) г/л;
- карбонат натрия (Na2CO3) (10 +/- 2) г/л;
- фосфат натрия (Na3PO4) (20 +/- 2) г/л;
- количество деминерализованной воды - до одного литра.
Условия ультразвуковой обработки:
- температура (45 +/- 2) °C;
- продолжительность (7 +/- 1) мин.
Долговечность этого обезжиривающего раствора в светонепроницаемой таре и в условиях хранения от 0 °C до 40 °C составляет 36 мес.
Этот раствор хранят между применениями в закрытом баке. 1 л этого раствора достаточно для пластин в количестве не более 5 шт.;
c) пластину вынимают щипцами до выключения ультразвуковой ванны. Ее промывают дистиллированной или деионизированной водой, а затем чистым растворителем (этанолом или ацетоном), потом просушивают на воздухе.
При работе с обезжиренными пластинами следует надевать перчатки. Края и задняя поверхность пластин должны быть защищены подходящей клейкой лентой (например, коричневой клейкой лентой ПВХ шириной 38 или 50 мм или аналогичной съемной защитной клейкой лентой), как показано на
рисунке C.4, чтобы требуемая общая площадь составляла 160 x 80 мм.
C.4.3.3 Положение референтных пластин и приемных сосудов
Держатель изготавливают из химически инертного материала. Он должен позволять расположить пластины на одной линии под углом 20° +/- 5° к вертикали с незащищенными сторонами вверх.
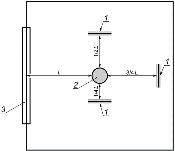
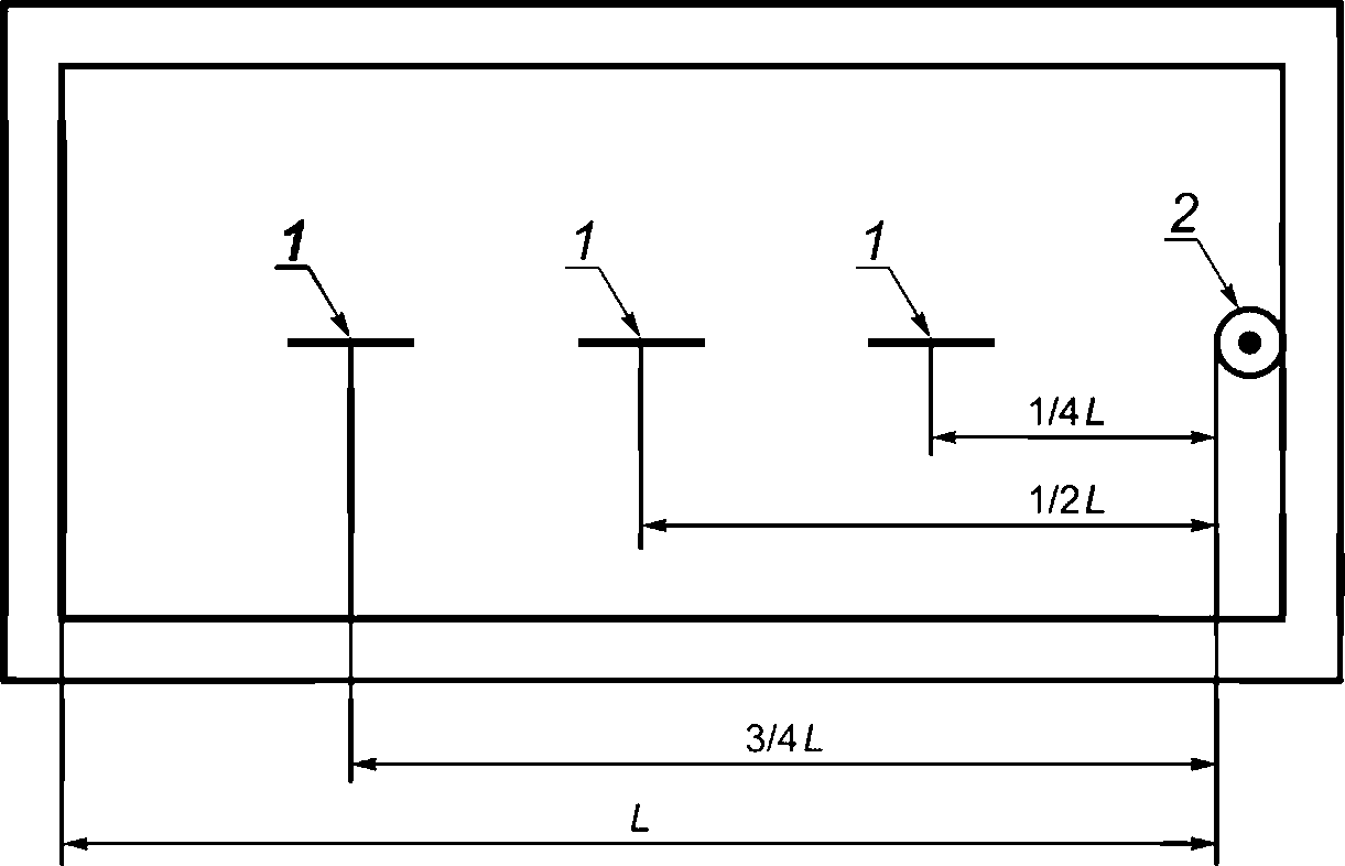
Центр каждой пластины должен быть расположен на средней высоте нагрузки образца. Количество и относительное расположение пластин варьируются в зависимости от метода испытания и конструкции камеры (см.
рисунки C.1 -
C.3):
- не менее трех пластин применяют для ежегодного контроля. Пластины должны быть расположены на 1/4, 1/2 и 3/4 расстояния между распылительным соплом и самой дальней стенкой камеры;
- не менее одной пластины применяют для ежемесячной проверки. Пластины должны быть расположены на половине расстояния между распылительным соплом и самой дальней стенкой камеры.
L - расстояние между форсункой и самой дальней стенкой
камеры; 1 - пластина; 2 - распылительная форсунка
Рисунок C.1 - Распылительная камера
с эксцентричным расположением форсунки
L - расстояние между форсункой и самой дальней стенкой
камеры; 1 - пластина; 2 - распылительная форсунка
Рисунок C.2 - Распылительная камера
с центральным расположением форсунки
L - расстояние между форсункой и самой дальней стенкой
камеры; 1 - пластина; 2 - распылительная форсунка; 3 - дверь
Рисунок C.3 - Квадратная распылительная камера
с центральным расположением форсунки
Приемные сосуды должны быть расположены в соответствии с ИСО 9227. Для ежегодного контроля количество сосудов должно соответствовать количеству пластин; они должны быть расположены как можно ближе к пластинам.
C.4.3.4 Заполнение камеры
Пластины должны быть расположены таким образом, чтобы они не касались камеры, а их поверхности подвергались свободной циркуляции солевого тумана. Для ежегодного контроля в камере должны находиться только референтные пластины. Ежемесячную проверку допускается проводить в период нормальной работы камеры. Другие проверяемые образцы не должны заслонять референтные пластины.
C.4.4 Контрольная маска
Контрольная маска должна быть перенесена на прозрачную пленку (см.
рисунок C.4). Маска должна быть размещена на референтной пластине.
Примечание - Горячеоцинкованная пластина имеет размеры 190 x 90 мм;
площадь одного квадрата составляет 1 см2;
количество квадратов составляет 128;
процент пораженной коррозией поверхности = n квадратов x 0,78.
1 - защищаемая область (см.
C.4.3.2)
Рисунок C.4 - Защита и измерительная
маска для референтных пластин
C.4.5 Определение площади коррозионного поражения
Квадрат должен быть помечен как корродированный, как только на нем появится пятно красной ржавчины (включая подтеки) (см.
рисунок C.5). Визуальный контроль должен проводиться на непромытых, еще влажных пластинах. Окончательный контроль должен проводиться через 70 - 72 ч, а затем каждые (24 +/- 1) ч. Из практических соображений рекомендуется начинать испытание в пятницу.
Примечание - 35 квадратов показывают красную коррозию: процентная часть коррозии составляет 27,3% (35 x 0,78).
1 - верхний край маски и верхний край пластины;
2 - референтная пластина; 3 - измерительная маска
Рисунок C.5 - Пример количественной
оценки коррозионной активности
Если на какой-либо из пластин появились признаки красной ржавчины во время 72-часового теста, повторяют тест (например, в следующий понедельник) и проверяют каждые 24 ч.
При ежегодном контроле камера должна открываться, после истечения первых 72 ч, ежедневно на 30 мин.
При ежемесячной проверке каждое открытие камеры не должно превышать 60 мин. Период открытия не должен вычитаться.
C.4.6 Количественная оценка коррозионной активности
Верхний край маски должен находиться точно у верхнего края референтной пластины в соответствии с ее ориентацией в камере во время испытания.
Пример количественного определения коррозионной активности показан на
рисунке C.5.
C.5 Результаты испытания коррозионной активности
Время до появления красной ржавчины (RRT) - это время, необходимое для того, чтобы степень коррозии превысила 5% (т.е. по крайней мере в семи квадратах появилась красная ржавчина). Время до появления красной ржавчины (RRT) для каждой испытательной пластины и соответствующая категория должны быть указаны в
формуляре C.6.3 в соответствии с таблицей C.1. Смотрите также примеры в
C.6.5.
Таблица C.1
Система классификации для оценки
уровня коррозионной активности
Время до появления красной ржавчины (RRT), ч | Категория | Соответствие |
RRT < 72 | A | Не соответствует |
72 < RRT <= 96 | B | Соответствует |
96 < RRT <= 120 | C |
RRT > 120 | D | Не соответствует |
При оценке коррозионной активности камера для проверки стальных крепежных изделий будет соответствовать системам покрытий с цинком или на основе цинка в том случае, если категория каждой пластины соответствует B или C по
таблице C.1.
Уровень коррозионной активности камеры оценивается с помощью системы распределения по категориям A - D по
таблице C.1.
Примечание - При испытании крепежных деталей с покрытием в нескольких камерах (например, у покупателя и поставщика) достоверные согласующиеся результаты могут быть получены только при условии, если коррозионная активность соответствует
таблице C.1.
C.6 Пример формуляра сообщения о результатах ежегодного контроля и ежемесячной проверки коррозионной активности испытательной камеры
C.6.1 Ежегодный контроль и ежемесячная проверка коррозионной активности испытательной камеры
Вид испытания: ежемесячная проверка | | Ежегодный контроль | |
Дата начала испытания: | | Идентификационный номер камеры: | |
Номер партии референтных пластин: | | | |
C.6.2 Проверка конденсата
|
Приемный сосуд 1 | Приемный сосуд 2 | Приемный сосуд 3 |
| | |
Примечание - Нумерация приемных сосудов такая же, как и пластин. -------------------------------- <a> Определение среднего значения за весь период испытаний (включая продолжительность открытия); согласно ИСО 9227 (1,5 +/- 0,5) мл/ч при горизонтальной площади сбора 80 см 2 (эквивалентно трем приемным сосудам диаметром 10 см каждый). |
C.6.3 Определение уровня коррозионной активности
| Отчет о размере красной ржавчины в %, измеренной на контрольной маске |
Время до появления красной ржавчины (RRT), ч | Категория | Пластина 1 | Пластина 2 | Пластина 3 |
RRT < 72 | A | | | |
72 < RRT <= 96 | B | | | |
96 < RRT <= 120 | C | | | |
RRT > 120 | D | | | |
Результат (категория при величине красной ржавчины RRR >= 5%) | | | | |
C.6.4 Заключение о коррозионной активности испытательной камеры
Соответствие всех параметров | | Несоответствие | |
Примечания: |
Инициалы, фамилия сотрудника | Дата | Подпись |
C.6.5 Пример определения уровня коррозионной активности
Примеры определения уровня коррозионной активности приведены в таблицах C.2 и
C.3.
Таблица C.2
Пример 1: соответствующая испытательная камера
| Отчет о размере красной ржавчины в %, измеренной на контрольной маске |
Время до появления красной ржавчины (RRT), ч | Категория | Пластина 1 | Пластина 2 | Пластина 3 |
RRT < 72 | A | Красная ржавчина: 0 квадратов - | Красная ржавчина: 1 квадрат 0,78% | Красная ржавчина: 0 квадратов - |
72 < RRT <= 96 | B | Красная ржавчина: 3 квадрата (3 x 0,78=) 2,3% | Красная ржавчина: 8 квадратов (8 x 0,78=) 6,2% | Красная ржавчина: 10 квадратов (10 x 0,78=) 7,8% |
96 < RRT <= 120 | C | Красная ржавчина: 7 квадратов (7 x 0,78=) 5,5% | Красная ржавчина: 12 квадратов (12 x 0,78=) 9,4% | Красная ржавчина: 20 квадратов (20 x 0,78=) 15,6% |
RRT > 120 | D | - | - | - |
Результат (категория при величине красной ржавчины RRR >= 5%) | C | B | B |
Уровень коррозионной активности: соответствует |
Таблица C.3
Пример 2: несоответствующая испытательная камера
| Отчет о величине красной ржавчины в %, измеренной на контрольной маске |
Время до появления красной ржавчины (RRT), ч | Категория | Пластина 1 | Пластина 2 | Пластина 3 |
RRT < 72 | A | Красная ржавчина: 0 квадратов - | Красная ржавчина: 0 квадратов - | Красная ржавчина: 0 квадратов - |
72 < RRT <= 96 | B | Красная ржавчина: 1 квадрат 0,78% | Красная ржавчина: 3 квадрата (3 x 0,78=) 2,3% | Красная ржавчина: 10 квадратов (10 x 0,78=) 7,8% |
96 < RRT <= 120 | C | Красная ржавчина: 3 квадрата (3 x 0,78=) 2,3% | Красная ржавчина: 7 квадратов (7 x 0,78=) 5,5% | Красная ржавчина: 20 квадратов (20 x 0,78=) 15,6% |
| | ИС МЕГАНОРМ: примечание. Текст в графе "Пластина 2" дан в соответствии с официальным текстом документа. | |
|
RRT > 120 | D | Красная ржавчина: 7 квадратов (7 x 0,78=) 5,5% | Красная ржавчина: 15 квадратов (7 x 0,78=) 11,7% | Красная ржавчина: 35 квадратов (35 x 0,78=) 27,3% |
Результат (категория при величине красной ржавчины RRR >= 5%) | C | B | B |
Уровень коррозионной активности: не соответствует |
(справочное)
СВЕДЕНИЯ О СООТВЕТСТВИИ ССЫЛОЧНЫХ МЕЖДУНАРОДНЫХ СТАНДАРТОВ
МЕЖГОСУДАРСТВЕННЫМ СТАНДАРТАМ
Таблица ДА.1
Обозначение ссылочного международного стандарта | Степень соответствия | Обозначение и наименование соответствующего национального, межгосударственного стандарта |
ISO 1463 | - | |
ISO 1502 | MOD | |
ISO 3613:2010 | - | |
ISO 6988 | - | |
ISO 9227 | - | |
ISO 16047 | IDT | ГОСТ ISO 16047-2015 "Изделия крепежные. Испытания крутящего момента и усилия предварительной затяжки" |
<*> Соответствующий национальный стандарт отсутствует. До его принятия рекомендуется использовать перевод на русский язык данного международного стандарта. Примечание - В настоящей таблице использованы следующие условные обозначения степени соответствия стандартов: - IDT - идентичные стандарты; - MOD - модифицированные стандарты. |
[1] | ISO 898-2, Mechanical properties of fasteners made of carbon steel and alloy steel - Part 2: Nuts with specified property classes - Coarse thread and fine pitch thread (Механические свойства крепежных изделий из углеродистых и легированных сталей. Часть 2. Гайки установленных классов прочности с крупным и мелким шагом резьбы) |
[2] | ISO 965-1, ISO general purpose metric screw threads - Tolerances - Part 1: Principles and basic data (Резьбы метрические ISO общего назначения. Допуски. Часть 1. Принципы и основные данные) |
[3] | ISO 965-2, ISO general purpose metric screw threads - Tolerances - Part 2: Limits of sizes for general purpose external and internal screw threads - Medium quality (Резьбы метрические ISO общего назначения. Допуски. Часть 2. Предельные размеры резьб для болтов и гаек общего назначения. Средний класс точности) |
[4] | ISO 965-3, ISO general purpose metric screw threads - Tolerances - Part 3: Deviations for constructional screw threads (Резьбы метрические ISO общего назначения. Допуски. Часть 3. Отклонения для конструкционных резьб) |
[5] | ISO 1891-2, Fasteners - Terminology - Part 2: Vocabulary and definitions for coatings (Изделия крепежные. Терминология. Часть 2. Словарь и определения, относящиеся к покрытиям) |
[6] | ISO 1891-4, Fasteners - Terminology - Part 4: Control, Inspection, delivery, acceptance and quality (Изделия крепежные. Словарь. Часть 4. Контроль, проверка, поставка, приемка и качество) |
[7] | ISO 3269, Fasteners - Acceptance inspection (Изделия крепежные. Приемочный контроль) |
[8] | ISO 4014, Hexagon head bolts - Product grades A and B (Болты с шестигранной головкой. Классы изделия A и B) |
[9] | ISO 4017, Hexagon head screws - Product grades A and B (Винты с шестигранной головкой. Классы изделия A и B) |
[10] | ISO 4032, Hexagon regular nuts (style 1) - Product grades A and B (Гайки шестигранные стандартные (тип 1). Классы изделия A и B) |
[11] | ISO 6932, Cold-reduced carbon steel strip with a maximum carbon content of 0,25% (Сталь углеродистая полосовая, обжатая в холодном состоянии, с содержанием углерода не более 0,25%) |
[12] | ISO 7089, Plain washers - Normal series - Product grade A (Шайбы плоские. Нормальная серия. Класс изделия A) |
[13] | ISO 16426, Fasteners - Quality assurance system (Изделия крепежные. Система обеспечения качества) |
УДК 621.882.6:006.354 | | |
Ключевые слова: крепежные изделия, системы цинк-ламельных покрытий, толщина покрытия, соляной туман, проверка коррозионной стойкости камеры |