Главная // Актуальные документы // ГОСТ Р (Государственный стандарт)
СПРАВКА
Источник публикации
М.: ФГБУ "Институт стандартизации", 2021
Примечание к документу
Документ введен в действие с 01.04.2021.
Название документа
"ГОСТ Р 59747.5-2021 (ИСО 11040-5:2012). Национальный стандарт Российской Федерации. Шприцы предварительно наполненные. Часть 5. Уплотнители поршней для шприцев для инъекционных лекарственных форм"
(утв. и введен в действие Приказом Росстандарта от 08.11.2021 N 1440-ст)

"ГОСТ Р 59747.5-2021 (ИСО 11040-5:2012). Национальный стандарт Российской Федерации. Шприцы предварительно наполненные. Часть 5. Уплотнители поршней для шприцев для инъекционных лекарственных форм"
(утв. и введен в действие Приказом Росстандарта от 08.11.2021 N 1440-ст)


Содержание


Утвержден и введен в действие
Приказом Федерального
агентства по техническому
регулированию и метрологии
от 8 ноября 2021 г. N 1440-ст
НАЦИОНАЛЬНЫЙ СТАНДАРТ РОССИЙСКОЙ ФЕДЕРАЦИИ
ШПРИЦЫ ПРЕДВАРИТЕЛЬНО НАПОЛНЕННЫЕ
ЧАСТЬ 5
УПЛОТНИТЕЛИ ПОРШНЕЙ ДЛЯ ШПРИЦЕВ
ДЛЯ ИНЪЕКЦИОННЫХ ЛЕКАРСТВЕННЫХ ФОРМ
Prefilled syringes. Part 5.
Plunger stoppers for injectables
(ISO 11040-5:2012, MOD)
ГОСТ Р 59747.5-2021
(ИСО 11040-5:2012)
ОКС 11.040.25
Дата введения
1 апреля 2022 года
Предисловие
1 ПОДГОТОВЛЕН Федеральным государственным автономным образовательным учреждением высшего образования "Первый Московский государственный медицинский университет имени И.М. Сеченова" Министерства здравоохранения Российской Федерации (Сеченовский Университет) на основе собственного перевода на русский язык англоязычной версии стандарта, указанного в пункте 4
2 ВНЕСЕН Техническим комитетом по стандартизации ТК 458 "Разработка, производство и контроль качества лекарственных средств"
3 УТВЕРЖДЕН И ВВЕДЕН В ДЕЙСТВИЕ Приказом Федерального агентства по техническому регулированию и метрологии от 8 ноября 2021 г. N 1440-ст
4 Настоящий стандарт модифицирован по отношению к международному стандарту ИСО 11040-5:2012 "Шприцы предварительно наполненные. Часть 5. Уплотнители поршней для шприцев для инъекционных лекарственных форм" (ISO 11040-5:2012 Prefilled syringes - Part 5: Plunger stoppers for injectables", MOD) путем изменения отдельных фраз (слов, значений показателей, ссылок), которые выделены в тексте курсивом.
Международный стандарт разработан Техническим комитетом ИСО/ТК 76 "Оборудование для переливания крови, инфузии и инъекций, а также для обработки крови, для медицинского и фармацевтического назначения".
Сведения о соответствии ссылочных национальных стандартов международным стандартам, использованным в качестве ссылочных в примененном международном стандарте, приведены в дополнительном приложении ДА
5 ВВЕДЕН ВПЕРВЫЕ
Правила применения настоящего стандарта установлены в статье 26 Федерального закона от 29 июня 2015 г. N 162-ФЗ "О стандартизации в Российской Федерации". Информация об изменениях к настоящему стандарту публикуется в ежегодном (по состоянию на 1 января текущего года) информационном указателе "Национальные стандарты", а официальный текст изменений и поправок - в ежемесячном информационном указателе "Национальные стандарты". В случае пересмотра (замены) или отмены настоящего стандарта соответствующее уведомление будет опубликовано в ближайшем выпуске ежемесячного информационного указателя "Национальные стандарты". Соответствующая информация, уведомление и тексты размещаются также в информационной системе общего пользования - на официальном сайте Федерального агентства по техническому регулированию и метрологии в сети Интернет (www.rst.gov.ru)
Введение
Компоненты первичной упаковки, изготовленные из эластомеров, являются неотъемлемой частью лекарственных средств. Поэтому к их производству применяют принципы надлежащей производственной практики (GMP).
Принципы GMP описаны в ГОСТ Р ИСО 15378, правилах надлежащей производственной практики, действующих в государствах ЕС, ЕАЭС, Российской Федерации или США [1].
1 Область применения
Настоящий стандарт устанавливает требования к форме, размерам, материалам, эксплуатационным характеристикам и маркировке уплотнителей поршней для стеклянных цилиндров (однокамерного исполнения) для инъекционных лекарственных форм.
Уплотнители поршней по настоящему стандарту предназначены только для одноразового применения.
Настоящий стандарт не распространяется на уплотнители поршней с защитным покрытием.
Примечание - На содержание действующего вещества, наличие примесей, стабильность и безопасность лекарственного препарата при его производстве и хранении существенное влияние могут оказывать свойства и характеристики первичной упаковки.
2 Нормативные ссылки
В настоящем стандарте использованы нормативные ссылки на следующие стандарты:
ГОСТ ISO 2230 Изделия резиновые. Руководство по хранению
ГОСТ Р 59747.4 Шприцы, предварительно наполненные. Часть 4. Цилиндры стеклянные для стерилизованных готовых к наполнению шприцев для инъекционных лекарственных форм
ГОСТ Р ИСО 7619-1 Резина вулканизованная или термопластичная. Определение твердости. Часть 1. Метод с применением дюрометра (твердость по Шору)
ГОСТ Р ИСО 8871-1 Эластомерные составляющие для парентеральных систем и изделий для фармацевтических целей. Часть 1. Вещества, экстрагируемые при автоклавировании
ГОСТ Р ИСО 8871-4 Эластомерные составляющие для парентеральных систем и изделий для фармацевтических целей. Часть 4. Биологические требования и методы испытаний
ГОСТ Р ИСО 15378 Первичные упаковочные материалы для лекарственных средств. Частные требования по применению ИСО 9001:2008 с учетом надлежащей производственной практики (GMP)
Примечание - При пользовании настоящим стандартом целесообразно проверить действие ссылочных стандартов в информационной системе общего пользования - на официальном сайте Федерального агентства по техническому регулированию и метрологии в сети Интернет или по ежегодному информационному указателю "Национальные стандарты", который опубликован по состоянию на 1 января текущего года, и по выпускам ежемесячного информационного указателя "Национальные стандарты" за текущий год. Если заменен ссылочный стандарт, на который дана недатированная ссылка, то рекомендуется использовать действующую версию этого стандарта с учетом всех внесенных в данную версию изменений. Если заменен ссылочный стандарт, на который дана датированная ссылка, то рекомендуется использовать версию этого стандарта с указанным выше годом утверждения (принятия). Если после утверждения настоящего стандарта в ссылочный стандарт, на который дана датированная ссылка, внесено изменение, затрагивающее положение, на которое дана ссылка, то это положение рекомендуется применять без учета данного изменения. Если ссылочный стандарт отменен без замены, то положение, в котором дана ссылка на него, рекомендуется применять в части, не затрагивающей эту ссылку.
3 Классификация
Уплотнители поршней классифицируют следующим образом:
- тип PSL - натягиваемые уплотнители поршней;
- тип PST - навинчивающиеся уплотнители поршней.
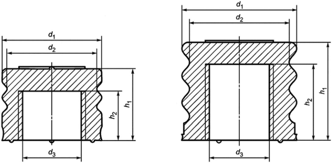
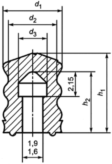
4 Форма и размеры
4.1 Форма и размеры уплотнителей поршней приведены на рисунке 1 и в таблице 1.
a) Натягиваемые уплотнители поршней (PSL)
b) Навинчивающиеся уплотнители поршней (PST)
Примечание - Резьба: шаг 16 на 25,4 мм; для удлиненного исполнения вместимостью 1 мл - шаг 17 на 25,4 мм.
Рисунок 1 - Форма и размеры уплотнителей поршней
для предварительно наполненного шприца
Таблица 1
Размеры уплотнителей поршней
Размеры в миллиметрах
Номинальный внутренний диаметр d2 <b>
Номинальный объем, мл
Тип
d1 <a>
d2 <a>
d3 <a>
h1 <a>
h2 <a>
Номинальный
Допустимое отклонение
Номинальный
Допустимое отклонение
Номинальный
Допустимое отклонение
Номинальный
Допустимое отклонение
Номинальный
Допустимое отклонение
4,65 +/- 0,1
0,5
PSL
От 5,2 до 5,3
+/- 0,1
От 4,1 до 4,2
+/- 0,15
2,5
+/- 0,2
От 6,85 до 7,00
+/- 0,4
5,3
+/- 0,35
6,35 +/- 0,1
1,0 (удлиненные)
PST
От 6,8 до 7,0
От 5,9 до 6
2,6
От 7,65 до 7,85
4,5
+/- 0,3
8,65 +/- 0,2
1,0 - 3,0
От 9,05 до 9,25
От 7,6 до 8
4,7
От 7,70 до 7,85
4
11,85 +/- 0,2
5,0
От 12,5 до 12,7
От 10,50 до 11,15
От 5,2 до 5,6
+/- 0,25
8,5
6,0
14,25 +/- 0,2
10,0
От 15,0 до 15,3
От 13,50 до 13,75
От 7,4 до 7,6
От 8,5 до 10
От 6,0 до 6,2
19,05 +/- 0,2
20,0
От 19,9 до 20,1
+/- 0,15
От 18,4 до 18,6
10,7
От 13,45 до 13,50
7
<a> Номинальный диаметр должен быть согласован между производителем и потребителем в пределах указанного диапазона.
<b> В соответствии с ГОСТ Р 59747.4.
4.2 Если не указано иное, общие допуски по размерам должны соответствовать классу М3 (см. [2]).
4.3 Во избежание прилипания уплотнителей поршней друг к другу должны быть предусмотрены прокладки. Толщина прокладок не должна превышать 0,3 мм.
Форма прокладок должна быть согласована между изготовителем и сборщиком картриджей.
4.4 Дефекты формовки, если они имеются на поверхности уплотнителя поршня, не должны выступать за поверхность уплотнителя.
4.5 Функциональные характеристики и размеры резьбы уплотнителя должны быть совместимы со штоком поршня. При нормальной эксплуатации, например при наборе раствора, уплотнитель не должен отсоединяться от штока поршня.
5 Обозначения
Уплотнители поршней обозначают в соответствии с их типом. Обозначение должно включать в следующем порядке: слова "уплотнитель поршня", ссылку на настоящий стандарт, затем обозначение типа уплотнителя [натягиваемый (PSL) или навинчивающийся (PST)], объем цилиндра, для которого предназначен уплотнитель, и буквы "lg" для удлиненного исполнения.
Примеры условных обозначений:
Уплотнитель поршня натягиваемого для стеклянного цилиндра номинальной вместимостью 0,5 мл:
Уплотнитель поршня ГОСТ Р 59747.5-PSL-0,5
Уплотнитель поршня накручивающегося для стеклянного цилиндра номинальной вместимостью 1 мл, удлиненного исполнения:
Уплотнитель поршня ГОСТ Р 59747.5-PST-1-lg
6 Материал
Используемый эластомерный материал должен отвечать требованиям, указанным в разделе 7.
Уплотнители поршней должны быть изготовлены из эластомерной смеси, первоначально испытанной и одобренной конечным потребителем. Производитель уплотнителей поршней должен обеспечивать соответствие каждой поставки типовому образцу и соблюдение предварительно согласованных функциональных требований и требований фармакопей.
Эластомерный материал должен выдерживать два цикла стерилизации при автоклавировании в насыщенном паре при температуре (121 +/- 2) °C в течение 30 мин без нарушения его функции в условиях нормальной эксплуатации. При использовании других методов стерилизации, например ионизирующим излучением, должна быть проведена оценка пригодности материала.
7 Требования
7.1 Общие положения
Требования, приведенные в 7.2 - 7.4, представляют собой минимальные требования к состоянию эластомерных уплотнителей поршней при их получении потребителем.
7.2 Требования к физическим данным
7.2.1 Твердость
Допускается отклонение согласованной между изготовителем и потребителем твердости по Шору типа А не более чем на +/- 5 единиц от номинального значения при испытании по ГОСТ Р ИСО 7619-1 специального испытуемого образца. Альтернативно твердость допускается определять на уплотнителях поршней по [3]. При испытании по [3] микротвердость не должна отличаться более чем на +/- 5 международных единиц твердости резины IRHD от типового образца.
Изготовитель по запросу должен предоставить подходящие образцы для проведения испытаний.
7.2.2 Устойчивость к старению
Максимальное допустимое время между датой изготовления укупорочного средства и их использованием в фармацевтическом производстве следует согласовывать между производителем и потребителем.
Уплотнители поршней должны сохранять свои эксплуатационные характеристики в течение всего срока годности лекарственного препарата. Срок годности определяется по результатам исследования стабильности препарата, проводимого пользователем.
Примечание - Старение зависит от условий хранения и обращения. Руководство по хранению вулканизованной резины приведено в ГОСТ ISO 2230.
7.3 Требования к химическим свойствам
Водные экстракты материала уплотнителей поршней не должны превышать пределов, установленных для эластомерных частей, определенных по ГОСТ Р ИСО 8871-1.
7.4 Требования к биологическим свойствам
Применяют требования по ГОСТ Р ИСО 8871-4.
8 Маркировка
Упакованные уплотнители поршней, соответствующие требованиям настоящего стандарта, могут быть промаркированы обозначением, приведенным в разделе 5.
Приложение ДА
(справочное)
СВЕДЕНИЯ О СООТВЕТСТВИИ ССЫЛОЧНЫХ НАЦИОНАЛЬНЫХ
И МЕЖГОСУДАРСТВЕННОГО СТАНДАРТОВ МЕЖДУНАРОДНЫМ СТАНДАРТАМ,
ИСПОЛЬЗОВАННЫМ В КАЧЕСТВЕ ССЫЛОЧНЫХ В ПРИМЕНЕННОМ
МЕЖДУНАРОДНОМ СТАНДАРТЕ
Таблица ДА.1
Обозначение ссылочного национального и межгосударственного стандарта
Степень соответствия
Обозначение и наименование ссылочного международного стандарта
IDT
ISO 2230:2002 "Изделия резиновые. Руководство по хранению"
MOD
ISO 11040-4:2015 "Шприцы предварительно наполненные. Часть 4. Цилиндры стеклянные для стерилизованных готовых к наполнению шприцев для инъекционных лекарственных форм"
ГОСТ Р ИСО 7619-1-2009
IDT
ISO 7619-1:2004 "Каучук вулканизованный или термопластичный. Определение твердости при вдавливании. Часть 1. Метод с применением дюрометра (твердость по Шору)"
ГОСТ Р ИСО 8871-1-2010
IDT
ISO 8871-1:2003 "Элементы эластомерные для устройств, используемых для парентерального введения препаратов, и фармацевтического назначения. Часть 1. Содержание экстрагируемых веществ в водных препаратах автоклавов"
ГОСТ Р ИСО 8871-4-2010
IDT
ISO 8871-4:2006 "Элементы эластомерные для устройств, используемых для парентерального введения препаратов, и фармацевтического назначения. Часть 4. Биологические требования и методы исследований"
IDT
ISO 15378:2015 "Первичные упаковочные материалы для лекарственных средств. Особые требования по применению ИСО 9001:2008 с учетом надлежащей производственной практики (GMP)"
Примечание - В настоящей таблице использованы следующие условные обозначения степени соответствия стандартов:
- IDT - идентичные стандарты;
- MOD - модифицированные стандарты.
БИБЛИОГРАФИЯ
[1]
Правила надлежащей производственной практики ЕАЭС (утверждены Советом ЕЭК N 77 от 3 ноября 2016 г.)
[2]
ИСО 3302-1
Каучук и резина. Допуски на изделия. Часть 1. Допуски на размеры (Rubber - Tolerances for products - Part 1: Dimensional tolerances)
[3]
ИСО 48
Резина вулканизованная или термопластичная. Определение твердости (в диапазоне от 10 IRHD до 100 IRHD) [Rubber, vulcanized or thermoplastic - Determination of hardness (hardness between 10 IRHD and 100 IRHD)]
УДК 615.014.83:006.354
ОКС 11.040.25
Ключевые слова: шприцы, предварительно наполненные, уплотнитель поршня, инъекционные лекарственные формы