Главная // Актуальные документы // ГОСТ Р (Государственный стандарт)СПРАВКА
Источник публикации
М.: ФГБУ "РСТ", 2021
Примечание к документу
Документ
введен в действие с 01.01.2022.
Название документа
"ГОСТ Р 59115.8-2021. Национальный стандарт Российской Федерации. Обоснование прочности оборудования и трубопроводов атомных энергетических установок. Расчет по выбору основных размеров"
(утв. и введен в действие Приказом Росстандарта от 20.10.2021 N 1172-ст)
"ГОСТ Р 59115.8-2021. Национальный стандарт Российской Федерации. Обоснование прочности оборудования и трубопроводов атомных энергетических установок. Расчет по выбору основных размеров"
(утв. и введен в действие Приказом Росстандарта от 20.10.2021 N 1172-ст)
Утвержден и введен в действие
Приказом Федерального агентства
по техническому регулированию
и метрологии
от 20 октября 2021 г. N 1172-ст
НАЦИОНАЛЬНЫЙ СТАНДАРТ РОССИЙСКОЙ ФЕДЕРАЦИИ
ОБОСНОВАНИЕ ПРОЧНОСТИ ОБОРУДОВАНИЯ И ТРУБОПРОВОДОВ
АТОМНЫХ ЭНЕРГЕТИЧЕСКИХ УСТАНОВОК
РАСЧЕТ ПО ВЫБОРУ ОСНОВНЫХ РАЗМЕРОВ
Rules for strength assessment of equipment and pipelines
of nuclear power installations. Basic sizes determination
ГОСТ Р 59115.8-2021
Дата введения
1 января 2022 года
1 РАЗРАБОТАН Акционерным обществом "Ордена Ленина Научно-исследовательский и конструкторский институт энерготехники имени Н.А. Доллежаля" (АО "НИКИЭТ")
2 ВНЕСЕН Техническим комитетом по стандартизации ТК 322 "Атомная техника"
3 УТВЕРЖДЕН И ВВЕДЕН В ДЕЙСТВИЕ Приказом Федерального агентства по техническому регулированию и метрологии от 20 октября 2021 г. N 1172-ст
4 ВВЕДЕН ВПЕРВЫЕ
5 Федеральное агентство по техническому регулированию и метрологии не несет ответственности за патентную чистоту настоящего стандарта. Патентообладатель может заявить о своих правах и направить в Федеральное агентство по техническому регулированию и метрологии аргументированное предложение о внесении в настоящий стандарт поправки для указания информации о наличии в стандарте объектов патентного права и патентообладателе
Правила применения настоящего стандарта установлены в статье 26 Федерального закона от 29 июня 2015 г. N 162-ФЗ "О стандартизации в Российской Федерации". Информация об изменениях к настоящему стандарту публикуется в ежегодном (по состоянию на 1 января текущего года) информационном указателе "Национальные стандарты", а официальный текст изменений и поправок - в ежемесячном информационном указателе "Национальные стандарты". В случае пересмотра (замены) или отмены настоящего стандарта соответствующее уведомление будет опубликовано в ближайшем выпуске ежемесячного информационного указателя "Национальные стандарты". Соответствующая информация, уведомление и тексты размещаются также в информационной системе общего пользования - на официальном сайте Федерального агентства по техническому регулированию и метрологии в сети Интернет (www.rst.gov.ru)
Настоящий стандарт взаимосвязан с другими стандартами, входящими в комплекс стандартов, регламентирующих обоснование прочности оборудования и трубопроводов атомных энергетических установок.
1.1 Настоящий стандарт распространяется на оборудование и трубопроводы атомных энергетических установок, проектируемые и конструированные в соответствии с федеральными
нормами и правилами в области использования атомной энергии
[1].
1.2 Настоящий стандарт устанавливает требования к расчету по выбору основных размеров оборудования и трубопроводов атомных энергетических установок при конструировании (проектировании).
В настоящем стандарте использованы нормативные ссылки на следующие стандарты:
ГОСТ Р 59115.1 Обоснование прочности оборудования и трубопроводов атомных энергетических установок. Термины и определения
ГОСТ Р 59115.2 Обоснование прочности оборудования и трубопроводов атомных энергетических установок. Модуль упругости, температурный коэффициент линейного расширения, коэффициент Пуассона, модуль сдвига
ГОСТ Р 59115.3-2021 Обоснование прочности оборудования и трубопроводов атомных энергетических установок. Кратковременные механические свойства конструкционных материалов
ГОСТ Р 59115.4-2021 Обоснование прочности оборудования и трубопроводов атомных энергетических установок. Длительные механические свойства конструкционных материалов
ГОСТ Р 59115.7 Обоснование прочности оборудования и трубопроводов атомных энергетических установок. Прибавки к толщине стенки на сплошную коррозию
ГОСТ Р 59115.9-2021 Обоснование прочности оборудования и трубопроводов атомных энергетических установок. Поверочный расчет на прочность
ГОСТ Р 59115.16-2021 Обоснование прочности оборудования и трубопроводов атомных энергетических установок. Расчет на прочность разъемных соединений
ГОСТ Р 59115.17-2021 Обоснование прочности оборудования и трубопроводов атомных энергетических установок. Расчет на прочность перфорированных плит
Примечание - При пользовании настоящим стандартом целесообразно проверить действие ссылочных стандартов в информационной системе общего пользования - на официальном сайте Федерального агентства по техническому регулированию и метрологии в сети Интернет или по ежегодному информационному указателю "Национальные стандарты", который опубликован по состоянию на 1 января текущего года, и по выпускам ежемесячного информационного указателя "Национальные стандарты" за текущий год. Если заменен ссылочный стандарт, на который дана недатированная ссылка, то рекомендуется использовать действующую версию этого стандарта с учетом всех внесенных в данную версию изменений. Если заменен ссылочный стандарт, на который дана датированная ссылка, то рекомендуется использовать версию этого стандарта с указанным выше годом утверждения (принятия). Если после утверждения настоящего стандарта в ссылочный стандарт, на который дана датированная ссылка, внесено изменение, затрагивающее положение, на которое дана ссылка, то это положение рекомендуется применять без учета данного изменения. Если ссылочный стандарт отменен без замены, то положение, в котором дана ссылка на него, рекомендуется применять в части, не затрагивающей эту ссылку.
3 Термины, определения и обозначения
3.1 Термины и определения
В настоящем стандарте применены термины по
ГОСТ Р 59115.1, а также следующие термины с соответствующими определениями:
3.1.1 отвод; (колено): Компонент трубопровода, в котором изменяется направление потока рабочей среды без разделения потока на несколько потоков или слияния нескольких потоков.
3.1.2 средняя температура по сечению <T>: Температура стенки компонента оборудования или трубопровода, равная максимальному среднеарифметическому значению температур на его наружной и внутренней поверхностях в одном сечении в рассматриваемом режиме нагружения нормальных условий эксплуатации.
Примечания
1 Для частей корпусов реакторов среднюю температуру по сечению определяют с учетом внутреннего тепловыделения как среднеинтегральное значение распределения температур по толщине стенки корпуса.
2 Для шпилек и болтов среднюю температуру по сечению определяют как среднеинтегральное значение распределения температур.
В настоящем стандарте применены следующие условные обозначения:
Da - номинальный наружный диаметр цилиндрической части корпуса, днища или трубопровода, мм;
D - номинальный внутренний диаметр цилиндрической части корпуса, крышки, днища или трубопровода, мм;
Dm - средний диаметр цилиндрической части корпуса, крышки, днища, трубопровода или прокладки (при расчете разъемного соединения), мм;
DR - расчетный диаметр круглого плоского днища или крышки, мм;
R - внутренний радиус выпуклого днища, мм;
Rs - радиус оси отвода, мм;
s - номинальная толщина стенки, мм;
sR - расчетная толщина стенки, мм;
sf - фактическая толщина стенки, мм;
c - суммарная прибавка к толщине стенки, мм;
c11 - прибавка к толщине стенки, равная отрицательному допуску, мм;
c12 - прибавка к толщине стенки, компенсирующая возможное утонение стенки полуфабриката при изготовлении, мм;
c2 - прибавка к толщине стенки, учитывающая утонение стенки вследствие коррозии за срок службы компонента, мм;
Bk - расстояние от точки пересечения оси отверстия или штуцера с осью обечайки до условной точки пересечения оси отверстия с внутренней образующей обечайки, мм;
H - номинальная высота выпуклой части днища до внутренней поверхности, мм;
Hm - высота выпуклой части днища до срединной поверхности, мм;

- расчетный коэффициент снижения прочности;

- коэффициент снижения прочности обечаек или днищ с укрепленным отверстием;

- коэффициент снижения прочности обечаек или днищ с неукрепленным отверстием;

- коэффициент снижения прочности сварного шва;
p - давление, МПа;
<T> - средняя температура по сечению, К (°C);
Tt - температура, при достижении которой необходимо учитывать характеристики длительной прочности, пластичности и ползучести, К (°C);

- минимальное значение временного сопротивления (предел прочности) при температуре
T, МПа;

- минимальное значение предела текучести при температуре
T, МПа;

- минимальное значение предела длительной прочности за время
t при температуре
T, МПа;

- номинальное допускаемое напряжение, МПа;

- номинальное допускаемое напряжение для болтов и шпилек, МПа;

- номинальное допускаемое напряжение для корпусов страховочных и защитных оболочек, МПа;
n0,2 - коэффициент запаса прочности по пределу текучести;
nm - коэффициент запаса прочности по временному сопротивлению;
nmt - коэффициент запаса прочности по пределу длительной прочности.
4.1.1 При выполнении расчета по выбору основных размеров оборудования и трубопроводов необходимо учитывать действующее на компоненты в режимах нормальных условий эксплуатации (НУЭ) давление, а для болтов и шпилек - усилие затяга. При расчете компонентов разъемных соединений необходимо учитывать давление испытаний.
В случаях, когда компонент одновременно нагружен внутренним и внешним давлением, в расчете следует использовать значение избыточного давления - разность внутреннего и внешнего давлений.
Для рассчитываемых компонентов должны быть предусмотрены меры по защите от эрозионно-коррозионного износа в соответствии с требованиями
[1].
4.1.2 В основу формул, используемых при расчете по выбору основных размеров, положен метод предельных нагрузок, соответствующих следующим предельным состояниям: вязкое разрушение, охват пластической деформацией всего сечения компонента оборудования или трубопровода (далее - компонента) и достижение предельной деформации.
4.1.3 Определение расчетной толщины стенки компонента следует проводить на действие расчетного давления при расчетной температуре.
В случаях, когда при эксплуатации компонента имеет место два и более режима нагружения НУЭ, включая переходные, отличающиеся по давлению, температуре <T> и (или) длительности, допускается расчетом по выбору основных размеров определить расчетную толщину стенки как максимальное значение среди всех сочетаний давления и температуры во всех рассмотренных режимах, включая переходные.
4.1.4 При определении расчетной толщины стенки компонента толщину антикоррозионного наплавленного или плакирующего защитного слоя не учитывают.
4.1.5 Расчет по выбору основных размеров перфорированных плит рекомендуется проводить в соответствии с ГОСТ Р 59115.17-2021
(раздел 5).
4.1.6 Для компонентов, для которых в
разделах 5 и
6 не приведены расчетные формулы, или если нарушаются пределы применимости приведенных формул, выбор основных размеров допускается проводить методами поверочного расчета или, при температурах, не превышающих
Tt, расчетом по предельной нагрузке. Рекомендуемая методика выбора толщин стенок компонентов приведена в
приложении А.
4.1.7 Допускается применение методов, изложенных в настоящем стандарте, для обоснования основных размеров компонентов оборудования и трубопроводов после изготовления.
4.1.8 Окончательную проверку компонентов на прочность и устойчивость и корректировку, при необходимости, определенных по настоящему стандарту толщин стенок компонентов выполняют при поверочном расчете, проводимом в соответствии с
ГОСТ Р 59115.9.
4.2 Номинальные допускаемые напряжения
4.2.1 Номинальные допускаемые напряжения для компонентов следует определять по значениям механических характеристик конструкционных материалов при температуре <T>.
4.2.2 Номинальные допускаемые напряжения вычисляют по значениям кратковременных и длительных механических характеристик конструкционных материалов, определяемым согласно требованиям ГОСТ Р 59115.3-2021
(раздел 4) и ГОСТ Р 59115.4-2021
(раздел 4).
Расчетные значения механических характеристик конструкционных материалов компонентов, находящихся в контакте с натрием реакторной чистоты, определяют согласно
ГОСТ Р 59115.4.
4.2.3 Повышение пределов прочности и текучести, а также пределов длительной прочности материалов под действием облучения в расчете не учитывают.
4.2.4 Если температура <T> компонента в рассматриваемом режиме нагружения не превышает Tt, то расчет по выбору основных размеров следует проводить без учета характеристик длительной прочности материала.
4.2.5 Номинальное допускаемое напряжение

для компонентов оборудования и трубопроводов, за исключением болтов и шпилек, с температурой <
T>, не превышающей
Tt, рассчитывают по формуле

, (4.1)
где n0,2 = 1,5;
nm = 2,6.
Допускается для компонентов, нагруженных наружным давлением, превышающим внутреннее, принимать n0,2 = 2.
Номинальное допускаемое напряжение для компонентов конструкции, за исключением болтов и шпилек, с температурой <T> выше Tt, следует рассчитывать по формуле

, (4.2)
где n0,2 = 1,5;
nm = 2,6;
nmt = 1,5.
4.2.6 Номинальное допускаемое напряжение для болтов и шпилек от давления и усилия затяга следует рассчитывать по формуле

, (4.3)
где n0,2 = 2.
Дополнительно для болтов и шпилек, температура <T> которых выше Tt, устанавливается номинальное допускаемое напряжение от давления, которое следует рассчитывать по формуле

, (4.4)
где nmt = 3.
4.2.7 Для корпусов страховочных и защитных оболочек номинальное допускаемое напряжение рассчитывают по формуле

, (4.5)
где n0,2 = 1,07;
nm = 1,85.
4.2.8 Для расчетного режима НУЭ, проходящего полностью или частично при температуре <
T> выше
Tt, при определении значения

время
t должно быть равно суммарной длительности нагружения компонента при температуре выше
Tt в рассматриваемом режиме в течение срока службы.
4.2.9 При температурах, превышающих Tt, в тех случаях, когда при эксплуатации компонента имеет место два или более режима нагружения НУЭ, отличающихся по температуре <T> и (или) давлению, основные размеры должны удовлетворять следующему условию прочности по накопленному длительному статическому повреждению

, (4.6)
где ti - продолжительность работы компонента на i-м режиме нагружения;
[
t]
i - допускаемое время нагружения, определяемое по кривым или таблицам минимальных значений предела длительной прочности и соответствующее значению

, вычисленному по формуле

, (4.7)
где

- значение напряжения в
i-м режиме нагружения при выбранных размерах компонента.
4.2.10 Компоненты оборудования и трубопроводов, за исключением болтов и шпилек, с температурой <
T>, превышающей
Tt, для которых задано ограничение деформации ползучести, следует дополнительно рассчитывать по пределу ползучести

. В этом случае принимают

. Значения пределов ползучести определяют по
ГОСТ Р 59115.4. При отсутствии этих данных допускается определение значений пределов ползучести по изохронным кривым, приведенным в
ГОСТ Р 59115.4.
4.3 Суммарная прибавка к расчетной толщине стенки
4.3.1 Суммарную прибавку к расчетной толщине стенки компонента оборудования и трубопроводов следует определять по формуле
c = c1 + c2, (4.8)
где c1 = c11 + c12.
Прибавку c11 следует определять по конструкторской документации и принимать равной отрицательному допуску на толщину стенки.
Прибавка
c12 является технологической, предназначенной для компенсации возможного утонения полуфабриката при изготовлении. Значение этой прибавки устанавливается конструкторской организацией по согласованию с организацией-изготовителем и должно указываться в рабочей документации. Значение прибавки
c12 при расчете трубопроводных отводов допускается определять по
приложению Б.
Прибавка
c2 учитывает коррозионное влияние рабочих сред на материал компонента в условиях эксплуатации. Значение прибавки
c2 следует устанавливать в соответствии с
ГОСТ Р 59115.7.
При двустороннем контакте стенки компонента с коррозионной средой значение прибавки c2 следует принимать равным сумме значений прибавок для каждой из сторон.
4.3.2 При выполнении расчета после изготовления следует использовать фактическую толщину стенки (sf - c2).
Толщину стенки (sf - c2) для цилиндрических и конических компонентов принимают равной среднему значению четырех измерений толщины стенки по концам двух взаимно перпендикулярных диаметров в одном сечении при числе проверяемых сечений не менее одного на каждые 2 м длины. Для круглых плоских днищ и крышек измерения проводят в центре и в четырех точках по окружности в двух взаимно перпендикулярных направлениях и среднее значение принимают равным (sf - c2).
Для эллиптических, торосферических и полусферических днищ и крышек измерения проводят в центре и в четырех точках по концам наибольших двух взаимно перпендикулярных диаметров и среднее значение принимают равным sf.
Если компонент имеет местное утонение, возникающее при изготовлении (штамповка днищ, гибка труб и др.) или вследствие коррозии, то значение фактической толщины стенки устанавливают в зависимости от расположения и размеров утоненного участка.
5 Определение толщин стенок компонентов оборудования и трубопроводов
5.1 Цилиндрические, конические обечайки сосудов и выпуклые днища, работающие под давлением
5.1.1 Расчетную толщину стенки следует определять по формуле

. (5.1)
Значения коэффициентов
m1,
m2,
m3 и пределы применимости формул приведены в
таблице 5.1. Обозначения геометрических размеров обечаек приведены на
рисунках 5.1 -
5.4 (на
рисунке 5.2 приведен один из вариантов исполнения конической обечайки с отверстием).
Таблица 5.1
Значения коэффициентов
m1,
m2,
m3
и пределы применимости формул
Величина | | | | |
m1 | 2 | 2 | 4 | 4 |
m2 | 1 | | 1 | 1 |
m3 | 1 | 1 | | 1 |
Пределы применимости | |  при  ;  при  ; | при  ; при | |
Рисунок 5.1 - Цилиндрическая обечайка
Рисунок 5.2 - Коническая обечайка
Рисунок 5.3 - Эллиптическое или торосферическое днище
Рисунок 5.4 - Полусферическое днище
5.1.2 Принимаемая номинальная толщина стенки должна удовлетворять условию s >= sR + c.
5.1.3 Допускаемое давление при проектировании и после изготовления сосудов следует определять по формулам:
- при проектировании

; (5.2)
- после изготовления

. (5.3)
5.2 Цилиндрические коллекторы, штуцеры, трубы и отводы
5.2.1 Расчетную толщину стенки цилиндрического коллектора, штуцера и трубы следует определять по формуле

. (5.4)
5.2.2 Принимаемая номинальная толщина стенки цилиндрического коллектора, штуцера и трубы должна удовлетворять условию s >= sR + c.
5.2.3 Для отводов, работающих под внутренним давлением, с соотношением

(см.
рисунок 5.5, сечение А - А), расчетную толщину стенки следует определять по формулам:
- для внешней стороны отвода

; (5.5)
- для внутренней стороны отвода

; (5.6)
- для нейтральной (средней) части отвода (в сечении А - А на
рисунке 5.5, в пределах +/- 15° от горизонтальной оси, определяющей нейтральную линию сечения)

, (5.7)
где K1, K2, K3 - торовые коэффициенты;
Y1, Y2, Y3 - коэффициенты формы.
Торовые коэффициенты K1, K2, K3 следует вычислять по формулам:

, (5.8)

, (5.9)
K3 = 1. (5.10)
Коэффициенты формы Y1, Y2, Y3 следует вычислять по формулам:
а) для отводов, температура стенки которых не превышает 350 °C - для углеродистых и легированных кремнемарганцовистых сталей, 400 °C - для легированных хромомолибденванадиевых сталей, 450 °C - для сталей аустенитного класса:

, (5.11)
Y2 = Y1, (5.12)

; (5.13)
б) для отводов из тех же сталей, температура стенки которых равна или превышает 400 °C, 450 °C и 525 °C соответственно:

, (5.14)
Y2 = Y1, (5.15)

, (5.16)
где a - относительная овальность поперечного сечения отвода в процентах;

- коэффициент;

- коэффициент.
Если вычисленное значение q превышает единицу, то q следует принимать равным единице.
Значения коэффициентов формы Y1, Y2, Y3 для отводов, температура стенки которых находится между указанными выше граничными значениями, следует определять линейным интерполированием по температуре между значениями Y1, Y2, Y3, соответствующими граничным значениям температуры.
В случае, когда полученные значения Y1, Y2, Y3 меньше единицы, их следует принимать равными единице.
При b < 0,03 значения Y1, Y2, Y3 следует принимать равными значениям, полученным при b = 0,03.
Значение овальности следует принимать по данным конструкторской документации либо техническим условиям на полуфабрикат. Допускается вычислять значение овальности по формуле

, (5.17)
где Dmax, Dmin - максимальный и минимальный наружные диаметры поперечного сечения отвода соответственно.
5.2.4 Значения суммарной прибавки к толщине стенки отвода
cR1,
cR2,
cR3 определяют для внешней, внутренней сторон и для нейтральной части отвода соответственно.
Рекомендации по определению технологической прибавки к толщине стенки отводов приведены в приложении Б.
5.2.5 Принимаемая номинальная толщина стенки отвода должна удовлетворять условию
s >= max{(sR1 + cR1);(sR2 + cR2);(sR3 + cR3)}. (5.18)
5.2.6 Значение (
sRi +
cRi) (
i = 1, 2, 3), по которому определена согласно
5.2.5 номинальная толщина стенки, допускается округлять в меньшую сторону, но не более чем на 3% от значения номинальной толщины стенки.
5.2.7 На торцах прямых участков бесшовных труб, растачиваемых под стыковую сварку, допускается утонение стенки на 10% расчетной толщины вследствие расточки при условии, что суммарная длина расточенного участка стыкуемых стенок не превысит меньшего значения из 5sR и 0,5Da.
5.2.8 Допускаемое давление для цилиндрического коллектора, штуцера, трубы и отвода следует определять по формулам:
- при проектировании

; (5.19)
- после изготовления

. (5.20)
Коэффициент K следует принимать по следующим правилам:
- для цилиндрического коллектора, штуцера и трубы K = 1;
- для отвода при проектировании следует провести расчеты при
K =
KiYi,
c =
cRi (
i = 1, 2, 3). Торовые коэффициенты
Ki и коэффициенты формы
Yi определяют согласно
5.2.3, значения суммарной прибавки - согласно
5.2.4. Допускаемое давление следует принимать наименьшим из трех значений;
- для отвода после изготовления следует провести расчеты при
K =
K1Y1 для
sf, определенной по внешней стороне отвода,
K =
K2Y2 для
sf, определенной по внутренней стороне отвода, и
K =
K3Y3 для меньшего из значений
sf, определенных по нейтральной (средней) части отвода. Торовые коэффициенты
Ki и коэффициенты формы
Yi определяют согласно
5.2.3. Допускаемое давление следует принимать наименьшим из трех значений. Допускается принимать
K = max {
K1Y1;
K2Y2;
K3Y3} для наименьшего значения
sf.
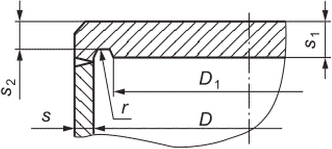
5.3 Круглые плоские днища и крышки
5.3.1 Расчетную толщину круглых плоских днищ и крышек
s1R, нагруженных давлением, схемы соединения которых с обечайкой представлены в
таблице 5.2, следует определять по формуле

. (5.21)
Таблица 5.2
Значения расчетного диаметра
DR и коэффициента
K0
в зависимости от схемы соединения крышки (днища) с обечайкой
Тип конструкции | Схема соединения | Расчетный диаметр | K0 |
| | DR = D | 0,53 |
2 | | DR = D - r | 0,44 при  |
0,47 при  |
| | DR = D | 0,47 |
| | DR = D4 | 0,6 |
| | DR = D2 | 0,45 |
5.3.2 Номинальная толщина круглых плоских днищ и крышек, нагруженных давлением, должна удовлетворять условию s1 >= s1R + c.
5.3.3 Во всех случаях присоединения плоского круглого днища к обечайке толщина днища должна быть равна или больше толщины обечайки, рассчитанной в соответствии с
5.1.
Значение коэффициента
K4 в
формуле (5.21) определяют в зависимости от конструкции днищ и крышек по формуле
K4 = K0x, (5.22)

, (5.23)
где s - номинальная толщина стенки цилиндрической обечайки.
Если при расчете значение
x < 0,8, то следует принимать
x = 0,8. При отрицательном значении подкоренного выражения в
формуле (5.23) следует принять
x = 0,8.
Указанный в
таблице 5.2 радиус закругления
r следует принимать в соответствии с конструкторской документацией.
5.3.4 Номинальная толщина круглой плоской крышки или днища с учетом выточки s2 должна удовлетворять условиям:

; (5.24)
s2 >= 0,75s1. (5.25)
5.3.5 Допускаемое давление для круглых днищ и крышек, работающих под внутренним и наружным давлением, следует определять по формулам:
- при проектировании

; (5.26)
- после изготовления

, (5.27)
где s1f - фактическая толщина стенки плоской крышки или днища.
6 Коэффициенты снижения прочности и укрепление отверстий
6.1 Снижение прочности одиночным отверстием
6.1.1 Одиночным отверстием следует считать отверстие, кромка которого удалена от кромки ближайшего отверстия по срединной поверхности оболочки или крышки на расстояние более чем

, где
Dm определяют как:
а) Dm = D + s, если номинальным является внутренний диаметр;
б) Dm = Da - s, если номинальным является наружный диаметр;
в)
Dm = 2
Bk +
s для конических оболочек, где
Bk - размер, показанный на
рисунке 5.2.
6.1.2 Неукрепленным отверстием следует считать отверстие, не имеющее ни одного из следующих укреплений:
- штуцера с расчетной толщиной стенки, превышающей необходимую по расчету на давление;
- приварной накладки;
- местного утолщения обечайки вокруг отверстия;
- отбортованного воротника (высаженной горловины).
Отверстия, в которых развальцовываются трубы, также следует считать неукрепленными.
6.1.3 Коэффициент снижения прочности

цилиндрических, конических и сферических оболочек, ослабленных неукрепленным одиночным отверстием, следует определять по формуле

(6.1)
Если вычисленное значение

превышает единицу, то следует принимать

.
Для плоских днищ и крышек при
d <= 0,5
DR значение

следует определять по формуле

(6.2)
Диаметр отверстий d в расчетах следует принимать:
а) для круглых отверстий под развальцовку труб, под приварку штуцеров к поверхности компонента и для отверстий, закрываемых крышкой, - равным диаметру отверстий в компонентах;
б) для некруглых отверстий с отношением размеров по осям симметрии не более 2:1 - равным наибольшему размеру в свету в продольном направлении обечайки для отверстий в цилиндрических и конических обечайках и равным наибольшему размеру в свету в каждом направлении для сферических обечаек и выпуклых днищ. Допускается принимать
d равным значению расчетного диаметра
dR, определенному согласно
6.1.20 и
6.1.21;
в) для круглых отверстий с пропущенным штуцером, соединенным с обечайкой сварным швом с полным проплавлением стенки обечайки, - равным внутреннему диаметру штуцера;
г) для отверстий с разными диаметрами по толщине стенки - равным условному диаметру, определенному по формуле

, (6.3)
где n - количество ступеней;
d1,
d2,
d3,
s1,
s2,
s3 - размеры, показанные на
рисунке 6.1.
д) для тройников с отбортованным воротником (высаженной горловиной) - равным условному диаметру, определенному по формуле
d = d1 + 0,5r, (6.4)
Значение диаметра
DR следует принимать в зависимости от конструкции днищ и крышек в соответствии с
таблицей 5.2.
Рисунок 6.1 - Схема определения условного диаметра отверстия
(для ступенчатого отверстия при наличии трех ступеней)
Рисунок 6.2 - Схема определения условного диаметра отверстия
в тройнике с отбортованным воротником
6.1.4 Наибольший допускаемый диаметр d0 неукрепленного одиночного отверстия в цилиндрических и конических обечайках и выпуклых днищах следует определять по формуле

, (6.5)
где

.
Значения коэффициентов
m1,
m2,
m3 для обечаек и днищ приведены в
таблице 5.1.
6.1.5 Используемое в расчетах значение наибольшего допускаемого диаметра неукрепленного отверстия
d0 следует принимать по
формуле (6.5), но не более:
- для цилиндрических компонентов - внутреннего диаметра;
- для выпуклого днища - 0,61 внутреннего диаметра;
- для конического компонента - внутреннего диаметра меньшего основания конического компонента.
6.1.6 Если диаметр отверстия
d превышает наибольший допускаемый диаметр
d0, определенный по
формуле (6.5), то такое отверстие необходимо укрепить с помощью утолщенных штуцеров, приварных накладок, местного утолщения оболочки вокруг отверстия или комбинации из указанных. При этом площадь сечений укрепления следует принимать равной сумме площадей поперечных сечений штуцеров и накладок, используемых для укреплений, а также наплавленного металла приварки, то есть

, (6.6)
где Ac, An, Aw - площади сечений укрепляющего штуцера, приварной накладки и наплавленного металла сварных соединений соответственно.
6.1.7 Площадь сечений укрепления должна удовлетворять условию

, (6.7)
где
s0 - минимальная расчетная толщина стенки компонента, определяемая при

и
c = 0.
В случае, если это условие не выполнено, следует увеличить толщину стенки оболочки, что приведет к соответствующим изменениям значений

и
d0 и уменьшению необходимой для укрепления площади

.
Местное увеличение толщины оболочки вокруг отверстия сверх номинальной (например, вварка седловины в цилиндрическую обечайку) следует рассматривать при определении площади укрепления как накладку.
6.1.8 Коэффициент снижения прочности

стенки цилиндрической, конической и сферической обечаек (оболочек) или выпуклого днища, ослабленных одиночным укрепленным отверстием, следует определять по формуле

, (6.8)
6.1.9 При необходимости укрепления одиночного отверстия до заданного значения коэффициента снижения прочности

площадь укрепляющих компонентов сечения может быть определена без вычисления допустимого диаметра отверстия согласно условию

, (6.9)
6.1.10 Если укрепляющий компонент изготовлен из материала с меньшим значением номинального допускаемого напряжения

, чем у материала оболочки, то определенную расчетом площадь этого укрепления следует умножить на отношение

материала укрепления к

материала оболочки.
Более высокое значение

материала укрепления по сравнению с

материала оболочки в расчете учитывать не следует.
6.1.11 Площадь сечения укрепляющего штуцера (см.
рисунок 6.3) следует определять по формулам:
- для участка, расположенного с наружной стороны оболочки (днища)
Ac = 2hc(sc - s0c - cc), (6.10)
где s0c - минимальная расчетная толщина стенки штуцера;
cc - прибавка к толщине стенки штуцера;
- у пропущенных штуцеров для участка, расположенного с внутренней стороны оболочки (днища)
Ac = 2hc(sc - cc), (6.11)
где размер hc следует отсчитывать от внутренней поверхности оболочки (днища), а значение прибавки c2 в составе cc следует учитывать суммарным по наружной и внутренней поверхностям штуцера.
Схемы укрепляющих сечений и швов штуцера и приварной накладки приведены на
рисунках 6.3 и
6.4.
Рисунок 6.3 - Схема укрепляющих сечений
а) Шов штуцера
Рисунок 6.4 - Схема швов штуцера и приварной накладки
6.1.12 Высоту укрепляющего участка штуцера
hc (см.
рисунок 6.3) следует принимать не более

. (6.12)
Номинальные толщины стенок оболочки и штуцера
s и
sc следует определять по формулам, приведенных в
5.1 и
5.2 соответственно. Минимальные расчетные толщины стенок оболочки и штуцера
s0 и
s0c следует определять по тем же формулам, полагая

и
c = 0.
6.1.13 Приведенные в настоящем подразделе расчетные соотношения допускается применять для штуцеров, номинальная толщина стенки которых не более номинальной толщины стенки оболочки.
6.1.14 Площадь сечения укрепляющей приварной накладки следует определять по формуле
An = 2bnsn. (6.13)
6.1.15 Ширину накладки
bn (см.
рисунок 6.4) следует принимать в расчете не более

. (6.14)
6.1.16 Толщину накладки sn рекомендуется принимать не более s. Если sn > s, то рекомендуется установить накладку снаружи (sn1) и внутри (sn2) сосуда. Причем sn1 + sn2 > 2s не допускается.
6.1.17 Размеры сварных швов накладки [см.
рисунок 6.4б)] должны удовлетворять условию

.
6.1.18 Размеры сварных швов штуцеров (см.
рисунок 6.3) должны удовлетворять условиям

и

.
6.1.19 Площадь укрепляющего сечения одного сварного шва (см.
рисунки 6.3,
6.4) следует определять по формуле
Aw = l1l2. (6.15)
6.1.20 Приведенные в настоящем подразделе методы расчета допускается применять для определения размеров укрепляющих элементов цилиндрических и конических обечаек, выпуклых днищ и крышек с круглыми и овальными отверстиями.
Пределы применимости расчетных формул ограничиваются соотношениями размеров, приведенными в
таблице 6.1.
Таблица 6.1
Пределы применимости расчетных формул
Наименование параметров | В цилиндрических обечайках | В конических обечайках | В эллиптических и полусферических днищах |
Отношение диаметров | | | |
Отношение толщины стенки обечайки или днища к диаметру | | | |
В
таблице 6.1 DK обозначает внутренний диаметр конической обечайки в поперечном сечении, проходящем через отверстие, а
dR - расчетный диаметр отверстия.
Расчетный диаметр отверстия dR следует определять по формулам:
- для круглого отверстия без штуцера или для штуцера, ось которого совпадает с нормалью к оболочке
dR = d; (6.16)
- для штуцера, ось которого лежит в поперечном и продольном сечениях конической обечайки

; (6.17)
- для наклонных штуцеров в цилиндрических и конических обечайках и для всех штуцеров в полусферических днищах

, (6.18)
где

- угол между осью штуцера и нормалью к поверхности обечайки или днища (см.
рисунок 6.5);
- для отверстия наклонного штуцера, когда большая ось овального отверстия составляет угол

с образующей поверхностью обечайки (см.
рисунок 6.5)

; (6.19)
- для отверстия смещенного штуцера на эллиптическом днище (см.
рисунок 6.6)

(6.20)
где

- расчетный внутренний диаметр эллиптического днища.
а) В продольном сечении оболочки
б) В поперечном сечении оболочки
Рисунок 6.5 - Наклонные штуцеры
Рисунок 6.6 - Смещенный штуцер на эллиптическом днище
6.1.21 Приведенные методы определения площади укрепляющих сечений допускается применять при условиях:
- угол

между осью штуцера и нормалью к поверхности оболочки не должен превышать 15° (см.
рисунок 6.5);
- для смещенных штуцеров на выпуклых днищах угол

не должен превышать 45° (см.
рисунок 6.6);
- расстояние от края днища до оси штуцера, измеряемое по проекции, должно быть не менее

.
6.2 Снижение прочности при ослаблении рядом отверстий
6.2.1 Используемые в формулах настоящего подраздела значения диаметра и шага отверстий следует определять по срединной поверхности оболочки.
Если вычисленное по приведенным ниже формулам значение

превышает единицу, то следует принимать

.
6.2.2 Как ряд отверстий следует рассматривать отверстия, расстояние между кромками которых не превышает значения

.
6.2.3 Коэффициент снижения прочности

при продольном ряде отверстий с одинаковым шагом (см.
рисунок 6.7) в цилиндрических и конических оболочках или рядом любого направления в эллиптических и сферических оболочках определяют по формуле

. (6.21)
Рисунок 6.7 - Продольный ряд отверстий с одинаковым шагом
6.2.4 Коэффициент снижения прочности

при окружном (поперечном) ряде отверстий с одинаковым шагом (см.
рисунок 6.8) в цилиндрической и конической оболочке определяют по формуле

. (6.22)
Рисунок 6.8 - Поперечный ряд отверстий с одинаковым шагом
6.2.5 При шахматном расположении отверстий (см.
рисунок 6.9) в цилиндрической и конической оболочках следует определять три значения коэффициента снижения прочности по формулам:
- в продольном направлении

; (6.23)
- в окружном (поперечном) направлении

; (6.24)
- в диагональном направлении

. (6.25)
В качестве расчетного значения коэффициента снижения прочности

следует принимать наименьшее из полученных по
формулам (6.23) -
(6.25).
Рисунок 6.9 - Шахматное расположение отверстий
6.2.6 Для коридорного расположения отверстий (см.
рисунок 6.10) значение коэффициента снижения прочности

следует принимать наименьшим из полученных значений для продольного и поперечного рядов отверстий.
Рисунок 6.10 - Коридорное расположение отверстий
6.2.7 При неодинаковых шагах между отверстиями (см.
рисунок 6.11) и/или неодинаковых диаметрах отверстий коэффициент снижения прочности

следует принимать равным наименьшему значению коэффициентов снижения прочности для каждой пары соседних отверстий. Диаметр отверстия следует принимать равным среднеарифметическому значению диаметров соседних отверстий в ряду.
Рисунок 6.11 - Ряд отверстий с неодинаковыми
отверстиями и шагами
6.2.8 Для плоских днищ и крышек, имеющих несколько отверстий, максимальным диаметром не превышающих 0,5
DR, следует определять минимальное значение коэффициента снижения прочности

по формуле

(6.26)
Максимальную сумму длин хорд отверстий

в наиболее ослабленном диаметральном сечении плоского днища или крышки
(рисунок 6.12) определяют по формуле

. (6.27)
Рисунок 6.12 - Днище и крышка с неодинаковыми
отверстиями и шагами
6.2.9 Если несколько одиночных отверстий расположены в одном направлении с рядом отверстий (центр одиночного отверстия находится на оси ряда), следует принимать наименьшее значение коэффициента снижения прочности

из значений для одиночного отверстия и ряда отверстий.
6.2.10 Если ось ряда отверстий не пересекает центр отверстия и угол между осью ряда и прямой, соединяющей центр этого отверстия с центром соседнего, относящегося к ряду, не превышает 15°, при определении коэффициента снижения прочности

это отверстие следует относить к ряду.
6.2.11 Если ось ряда проходит через некруглое отверстие, за диаметр этого отверстия следует принимать наибольший размер, определяемый осью ряда или прямой, проходящей через центр некруглого отверстия с отклонением от оси ряда на угол до 15°.
6.2.12 Если каждое из отверстий, образующих ряд, имеет различные укрепления, то коэффициент снижения прочности такого ряда следует определять как минимальное из значений, определяемых для каждой пары соседних отверстий по формуле

, (6.28)
Площадь сечений
A укрепляющих штуцеров рассматриваемой пары отверстий следует определять согласно
6.2.15.
6.2.13 Если для одного из отверстий, образующих ряд, по формуле для расчета коэффициента снижения прочности

одиночным отверстием получено значение ниже, чем для ряда отверстий, следует принимать значение коэффициента снижения прочности, рассчитанное как для одиночного отверстия.
6.2.14 При необходимости укрепления отверстий в ряду до заданного значения коэффициента снижения прочности

площадь сечений укрепления следует определять согласно условию

, (6.29)
6.2.15 Площадь сечений укрепляющих штуцеров для обечайки либо выпуклого днища, ослабленных рядом отверстий с различными по размеру штуцерами, следует принимать:
- для участка, расположенного снаружи оболочки
Ac = hc1(sc1 - s0c1 - cc1) + hc2(sc2 - s0c2 - cc2); (6.30)
- для участка, расположенного внутри оболочки
As = hc1(sc1 - cc1) + hc2(sc2 - cc2), (6.31)
где индексы c1 и c2 относятся к двум соседним отверстиям, укрепленным штуцерами.
6.2.16 В случае если ряд на цилиндрической и конической обечайке или сферическом, эллиптическом и торосферическом днище состоит только из двух отверстий, коэффициент прочности следует определять по формуле

, (6.32)

.
Если вычисленное по
формуле (6.32) значение

меньше, чем

, следует принимать

.
6.2.17 При произвольной форме укрепления или штуцеров выбранные размеры должны удовлетворять условию

, (6.33)
где
Api - проекция поверхности, на которую действует давление
p, ограниченная по оси и окружности оболочки величиной

и по оси штуцера - величиной
hc, значение которой ограничено
формулой (6.12) (см.
рисунок 6.13);

- площадь сечения, ограниченная величинами
b и hc, наиболее нагруженной части металла (см.
рисунок 6.13).
Рисунок 6.13 - Схема расчетных площадей укрепления
6.3 Коэффициент снижения прочности сварных соединений
6.3.1 Коэффициент снижения прочности стыковых, угловых и тавровых сварных соединений

следует выбирать в зависимости от объема дефектоскопического контроля при изготовлении по
таблице 6.2.
Таблица 6.2
Значения коэффициентов снижения прочности сварных соединений
Объем радиографического или ультразвукового контроля, % | Максимальное значение коэффициента снижения прочности  |
100 | 1,0 |
50 | 0,9 |
25 | 0,85 |
Не менее 10 | 0,8 |
6.3.2 Для компонентов из хромомолибденованадиевых и высокохромистых сталей при температуре до 510 °C значение

следует принимать по
таблице 6.2, а при температуре 530 °C и более -

независимо от объема контроля. При значениях температуры от 510 °C до 530 °C значение

следует определять линейным интерполированием.
6.3.3 Если сварное соединение катанных или центробежно-литых с механически обработанной внутренней поверхностью труб, изготовленных из хромомолибденованадиевых сталей, нагружено изгибающими нагрузками при расчетной температуре до 510 °C, то независимо от объема контроля следует принимать для катанных труб

и механически обработанных центробежно-литых труб -

. При температуре 530 °C и более - 0,6 и 0,7 соответственно. При температурах от 510 °C до 530 °C значение

следует определять линейным интерполированием.
6.3.4 Коэффициент снижения прочности кольцевых сварных соединений цилиндрических и конических обечаек, нагруженных давлением, следует принимать

.
6.4 Расчетный коэффициент снижения прочности
6.4.1 В случае, если расстояние
lw от края любого отверстия до оси сварного шва (кроме кольцевых сварных соединений по
6.3.4)

, (6.34)
то расчетный коэффициент снижения прочности следует определять как произведение коэффициента снижения прочности сварного соединения и коэффициента снижения прочности отверстия

или

.
В остальных случаях за расчетный коэффициент снижения прочности следует принимать наименьшее значение из

,

и

.
6.4.2 Для бесшовных компонентов

или

.
6.4.3 Для сварных компонентов, не имеющих отверстий,

.
7 Фланцы, нажимные кольца и крепежные детали
Рекомендуемая
методика расчета по выбору основных размеров фланцев, нажимных колец и крепежных деталей приведена в приложении В.
(справочное)
ВЫБОР ОСНОВНЫХ РАЗМЕРОВ МЕТОДАМИ ПОВЕРОЧНОГО РАСЧЕТА
И РАСЧЕТОМ ПО ПРЕДЕЛЬНОЙ НАГРУЗКЕ
А.1 Для компонентов оборудования и трубопроводов, нагруженных давлением, для которых в
разделах 5 и
6 не приведены расчетные формулы для выбора основных размеров, либо не выполняются условия применимости формул, приведенных в
разделах 5 и
6, выбор расчетных толщин стенок рекомендуется проводить методами поверочного расчета на статическую и длительную статическую прочность или расчетом по предельной нагрузке в соответствии с требованиями
А.2 -
А.4 в порядке, определяемом
А.5.
А.2 Расчетная модель компонента может состоять из одной или более частей, для каждой из которых должны быть определены:
- расчетная температура или температура <
T> (в соответствии с
4.1.3);
- расчетное давление или давление при температуре <T>;
- номинальное допускаемое напряжение

, определяемое по
формуле (4.1);
- значение модуля упругости материала
E<T>, принимаемое согласно
ГОСТ Р 59115.2.
А.3 Напряженно-деформированное состояние в компоненте при действии давления определяется упругим расчетом. Значения расчетных групп категорий напряжений

и

определяется в соответствии с положениями ГОСТ Р 59115.9-2021 (
разделы 6 и
7).
А.4 В случаях, когда невозможно однозначное определение значений напряжений расчетных групп категорий

и

, при температуре ниже
Tt допускается проводить расчет по предельной нагрузке в соответствии со следующими требованиями:
- численным методом, например методом конечных элементов (МКЭ), решается задача статического равновесия в упругопластической постановке. Если решение уравнений равновесия вычислено (достигнута сходимость), то компонент находится в равновесии под приложенным давлением;
- поведение материалов соответствует идеально упругопластической модели. Диаграмма растяжения идеально упругопластического материала в координатах деформация - напряжение схематически показана на
рисунке А.1;
- расчетный предел текучести

принимают равным

, (А.1)
где

определяют в соответствии с положениями
6.3;
- используется теория пластического течения. Начало текучести материала определяется условием Мизеса;
- расчет следует выполнять с учетом принципа неизменности начальных размеров (т.е. в "малых" перемещениях).
Рисунок А.1 - Диаграмма растяжения идеального
упругопластического материала
А.5 Выбор расчетной толщины стенки компонента начинается с принятия начального значения
sR, которое затем должно быть подтверждено расчетом.
Значение расчетной толщины стенки sR считается подтвержденным расчетом в том случае, если:
- определенные упругим расчетом значения напряжений расчетных групп категорий

и

удовлетворяют условиям статической и длительной статической прочности, приведенным в ГОСТ Р 59115.9-2021 (
разделы 8 и
14 соответственно).
- расчетом по предельной нагрузке показано, что компонент в целом и любая его часть находятся в равновесии под приложенным давлением, равным давлению НУЭ, умноженному на коэффициент 1,5.
Если рассматриваемое значение sR не подтверждено расчетом, оно должно быть увеличено, либо в конструкцию компонента должны быть внесены изменения.
Если рассматриваемое значение sR подтверждено расчетом, расчетная толщина стенки компонента считается выбранной.
А.6 При проведении расчета по предельной нагрузке в случае, если расчетная модель компонента состоит из двух или более частей с различающимися значениями расчетного предела текучести

, значение s
R следует подтвердить двумя расчетами:
- с одним значением

, принятым для всех частей расчетной модели, равным наименьшему значению

среди всех частей;
- с различными значениями

для каждой из частей расчетной модели.
А.7 Номинальная толщина стенки s компонента должна удовлетворять условию
s >= sR + c. (А.2)
(справочное)
РЕКОМЕНДАЦИИ ПО ОПРЕДЕЛЕНИЮ ТЕХНОЛОГИЧЕСКОЙ ПРИБАВКИ
К ТОЛЩИНЕ СТЕНКИ ОТВОДА
Б.1 Рекомендации настоящего приложения могут быть использованы, если в технических условиях на изготовление отводов отсутствуют указания по определению технологической прибавки.
Б.2 В настоящем приложении используются обозначения размеров отводов, приведенные на
рисунке 5.5. Формулы для определения толщин стенок
s,
sR1,
sR2,
sR3 приведены в
5.2.3.
Б.3 Для отводов, изготовляемых на трубогибочном оборудовании методом наматывания на сектор, технологическую прибавку c12 следует принимать только к толщине стенки sR1:
а) для труб поверхностей нагрева

; (Б.1)
б) для остальных труб

. (Б.2)
Б.4 Для штампованных отводов, изготовляемых в закрытых штампах, или отводов, изготовляемых на станках с нагревом токами высокой частоты и осевым поджатием, технологическую прибавку следует принимать только к толщине стенки sR1
0,05s <= c12 <= 0,1s. (Б.3)
Б.5 Для отводов, изготовляемых на рогообразных сердечниках, принимают c12 = 0.
Б.6 Для секторных отводов считают c12 = 0.
Б.7 Для штампосварных отводов с расположением двух продольных сварных швов по внутренней и внешней сторонам отвода технологическую прибавку следует принимать только к толщине стенки sR2
0,05s <= c12 <= 0,1s. (Б.4)
Б.8 Для штампосварных отводов с расположением сварного шва в нейтральной зоне отвода технологическую прибавку следует принимать только к толщине стенки sR3
0,05s <= c12 <= 0,1s. (Б.5)
Б.9 Если определение прибавки c12 проводится до окончательного выбора номинальной толщины стенки отвода, то рекомендуется ориентировочно значение номинальной толщины стенки отвода принять равным значению номинальной толщины стенки прямой трубы с последующим уточнением по окончательно выбранному значению номинальной толщины стенки отвода.
(справочное)
МЕТОДИКА РАСЧЕТА ПО ВЫБОРУ ОСНОВНЫХ РАЗМЕРОВ
ФЛАНЦЕВ, НАЖИМНЫХ КОЛЕЦ И КРЕПЕЖНЫХ ДЕТАЛЕЙ
В.1 Условные обозначения
Fd - усилие, необходимое для начального обжатия прокладки, Н;
F1 - усилие в цилиндрическом участке фланца от действия внутреннего давления, Н;
F2 - усилие на прокладку, обеспечивающее плотность при эксплуатации, Н;
F2h - усилие на прокладку, обеспечивающее плотность при гидроиспытании, Н;
F3 - усилие от действия давления среды на внутренний участок фланца, Н;
Fp - гидростатическое усилие в рабочих режимах, Н;
Fph - гидростатическое усилие при гидроиспытании, Н;
Fw - растягивающее усилие в шпильках (болтах), Н;
p - давление в рабочих режимах, МПа;
ph - давление при гидроиспытании, МПа;
q0 - минимальное давление обжатия прокладки при затяжке соединения, МПа;
m - прокладочный коэффициент;
Rpr - средний радиус прокладки, мм;
hpr - расчетная высота прокладки, мм;
b - эффективная ширина прокладки, мм;
b0 - ширина прокладки, мм;
bs - ширина гнезда под прокладку, мм;
bc - габаритная ширина спиральной прокладки, мм;

- толщина прокладки, мм;
d0 - диаметр сквозного отверстия под шпильку во фланце, мм;
d1 - номинальный внутренний диаметр резьбы шпильки, мм;
ds - минимальный диаметр стержня шпильки, мм;
dc - диаметр центрального отверстия в шпильке, мм;
D - внутренний диаметр фланца, мм;
Dw - диаметр окружности расположения центров шпилек, мм;
Df - наружный диаметр фланца, мм;
Dd - наружный диаметр прокладки, мм;
Dpr - расчетный диаметр прокладки, мм;
hpr - высота прокладки, мм;
h1 - высота цилиндрической части тарельчатого фланца толщиной s1, мм;
h2 - высота конусной части тарельчатого фланца, мм;
hf - высота фланца и опорного бурта, мм;
hf1 - высота нажимного кольца, мм;
s1 - номинальная толщина стенки цилиндрического участка фланца, мм;
s2 - номинальная толщина стенки конического перехода у основания, мм;
lw - шаг шпилек, мм;

- номинальное допускаемое напряжение во фланце, МПа;

- номинальное допускаемое напряжение в шпильках, МПа;
M - максимальный изгибающий момент, Н·мм;
ei - плечи действия сил, мм;
z - количество шпилек.
В.2 Общие положения
Настоящая методика распространяется на фланцевые соединения, работающие под внутренним давлением при температуре ниже Tt.
В.3 Выбор уплотнения
В.3.1 Уплотнение фланцевых соединений оборудования, трубопроводов и крышек следует выбирать в зависимости от типа и конструкции фланцевого соединения согласно
рисунку В.1 и
таблице В.1. Для выбора материала прокладки допускается использовать рекомендации, приведенные в
таблице В.2.
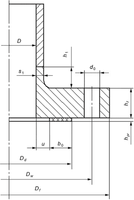
а) Фланец с коническим переходом
б) Соединение с контактирующими фланцами
в) Плоский фланец
г) Фланец с нажимным кольцом
Рисунок В.1 - Типы тарельчатых фланцев
Таблица В.1
Рекомендуемые значения ширины прокладки
Тип прокладки | Диаметр фланца D, мм | Ширина прокладки b0, мм | Область применения |
Плоская неметаллическая | D <= 1000 | 10 - 20 | Плоские уплотняющие поверхности гладкие |
1000 < D <= 2000 | 15 - 30 |
D > 2000 | >= 25 |
Плоская металлическая | D <= 1000 | 10 - 25 | Плоские уплотняющие поверхности гладкие или с кромками |
D > 1000 | >= 15 |
Плоская комбинированная | D <= 2000 | 10 - 20 | Плоские уплотняющие поверхности гладкие |
Зубчатая металлическая | D > 2000 | >= 15 | Плоские уплотняющие поверхности гладкие |
Профильная p > 6,4 МПа | D <= 400 | >= 5 | Профильные прокладки в пазах |
400 < D <= 700 | >= 6 |
700 < D <= 1000 | >= 8 |
D > 1000 | >= 10 |
Таблица В.2
Рекомендуемые расчетные параметры уплотнения
Материал прокладки | Расчетное давление, МПа | Расчетная температура, °C |
Резина твердая | 10 | От -30 до +60 |
Фторопласт | 20 | От -75 до +250 |
Паронит | 15 | От 0 до +400 |
Алюминий и его сплавы | 50 | От -196 до +250 |
Медь и ее сплавы | 70 | От -196 до +350 |
Перлитная сталь | 70 | От -30 до +450 |
Аустенитная сталь | 100 | От -253 до +600 |
В.3.2 Наружный диаметр прокладки определяют по формуле
Dd = D + 2b0 + 2u, (В.1)
где
u - расстояние от внутренней кромки фланца до внутреннего диаметра прокладки; в зависимости от типа материала прокладки и ее высоты
hpr рекомендуется принимать
u в соответствии с
таблицей В.3. Значение
hpr следует определять из конструкторской документации.
Таблица В.3
Значения расстояния
u для различных типов прокладок
Тип прокладки и материала | u, мм, не менее |
Комбинированные и зубчатые | hpr |
Профильные | 3hpr |
Плоские мягкие | 2hpr |
Плоские металлические | hpr |
В.3.3 Расчетный диаметр прокладки определяют по формуле
Dpr = Dd - b0. (В.2)
В.4 Определение минимального диаметра болтов и шпилек
В.4.1 Методика распространяется на разъемные соединения с окружным расположением болтов или шпилек, кольцевыми прокладками либо кольцевой контактирующей поверхностью фланцев.
В.4.2 Усилие Fd, необходимое для обжатия прокладки, определяют по формуле

, (В.3)
где q0 - минимальное давление обжатия прокладки при затяжке соединения;
b - эффективная ширина прокладки.
Значения
q0 и
b следует принимать согласно ГОСТ Р 59115.16-2021
(подраздел 8.4).
В.4.3 Минимальное усилие на прокладку F2, обеспечивающее плотность соединения под давлением при эксплуатации, определяют по формуле

, (В.4)
где m - прокладочный коэффициент;

- коэффициент, учитывающий прочность прокладок в рабочих условиях.
Минимальное усилие на прокладку F2h, обеспечивающее плотность соединения под давлением при испытаниях, определяют по формуле

, (В.5)
где ph - давление в режиме испытаний.
Для металлических прокладок

следует принимать равным единице, а для мягких и комбинированных прокладок

выбирают в зависимости от температуры среды по
таблице В.4.
Таблица В.4
Значения коэффициента

Расчетная температура, °C | 20 | 200 | 300 |
| 1,0 | 1,5 | 2,0 |
Значения
m следует принимать согласно ГОСТ Р 59115.16-2021
(подраздел 8.4).
Для разъемных соединений с контактирующими фланцами, а также с клиновой самоуплотняющейся прокладкой F2 = 0, F2h = 0.
В.4.4 Гидростатические усилия Fp от действия рабочего давления определяют по формуле

. (В.6)
Гидростатические усилия Fph от действия давления гидроиспытания определяют по формуле

. (В.7)
В.4.5 Максимальное растягивающее усилие в шпильках определяют из условия
Fw >= max{Fd;(F2 + Fp);(F2h + Fph)}. (В.8)
Допускается уточненное определение усилий
Fw, действующих в болтах или шпильках при затяжке, эксплуатации и испытаниях, согласно
ГОСТ Р 59115.16.
В.4.6 Минимальный диаметр стержня болта или шпильки вычисляют по формуле

. (В.9)
В.4.7 Наружный диаметр стержня болта или шпильки выбирают с учетом
таблицы В.5 в зависимости от минимального диаметра стержня болта или шпильки
ds. Внутренний диаметр резьбы
d1 должен быть не менее
ds, уточнение этого диаметра осуществляется при выборе шага резьбы.
Таблица В.5
Параметры для выбора резьбы болтов и шпилек
и размеров фланцев
Резьба шпилек | М16 | М20 | М22 | М24 | М27 | М30 | М36 |
d1 | 13,55 | 16,93 | 18,93 | 20,32 | 23,32 | 25,70 | 31,10 |
d0 | 18 | 23 | 25 | 27 | 30 | 33 | 40 |
e | 28 | 35 | 39 | 42 | 47 | 53 | 64 |
a | 9 | 10 | 10 | 11 | 12 | 12 | 14 |
2a1 | 6 | 6 | 8 | 10 | 10 | 10 | 14 |
Окончание таблицы В.5
Резьба шпилек | М42 | М44 | М48 | М52 | М56 | М60 | М64 | М68 |
d1 | 36,15 | 36,50 | 41,87 | 45,87 | 49,25 | 53,25 | 56,64 | 60,64 |
d0 | 46 | 48 | 52 | 58 | 62 | 66 | 70 | 75 |
e | 75 | 75 | 87 | 93 | 98 | 104 | 110 | 116 |
a | 15 | 15 | 16 | 17 | 18 | 19 | 20 | 21 |
2a1 | 15 | 15 | 15 | 15 | 15 | 15 | 15 | 15 |
В.5 Определение размеров цилиндрического участка фланца
В.5.1 Толщина стенки s1 цилиндрического участка фланца с коническим переходом, а также толщина стенки плоского фланца должны быть не меньше фактической толщины стенки привариваемого компонента. При этом во всех случаях s1 должна быть не менее 5 мм.
В.5.2 Высоту h1 цилиндрического участка фланца с коническим переходом следует принимать равной s1, но не менее 10 мм.
В.6 Определение размеров конического перехода
В.6.1 Толщину конического перехода у основания фланца определяют по формуле

, (В.10)
| | ИС МЕГАНОРМ: примечание. В официальном тексте документа, видимо, допущена опечатка: имеется в виду таблица В.6, а не 3.6. | |
где

- коэффициент пропорциональности, определяемый по
таблице 3.6 с использованием линейной интерполяции.
Таблица В.6
Значения коэффициента

p, МПа | 0,10 - 0,25 | 0,6 | 1,0 | 1,6 | 2,5 | 4,0 | 6,4 | 10,0 | 20,0 |
| 1,3 | 1,4 | 1,5 | 1,6 | 1,8 | 2,0 | 2,2 | 2,4 | 2,8 |
В.6.2 Уклон конического перехода должен быть в пределах 2 <= i <= 4, где

. (В.11)
В.7 Определение диаметров тарелки фланца
В.7.1 Диаметр окружности шпилек и наружный диаметр фланца определяют по следующим формулам:
а) для фланца с коническим переходом
Dw >= max{(D + 2s2 + 2a + e); (Dd + d0 + 10)}; (В.12)
Df =
Dw +
e + 2
a1; (В.13)
б) для плоского фланца
Dw >= max{(
D + 2
s1 + 2
a +
e); (
Dd +
d0 + 10)}. (В.14)
в) для плоского приварного фланца
Dw >= max{(D + 4s1 + 2a + e); (Dd + d0 + 10)}. (В.15)
г) для нажимного кольца
Dw определяют по
формуле (В.14), а внутренний и наружный диаметры - по следующим формулам:
D1 = D + 2s1 + 2a, (В.16)
D2 = Dw + e + 2a1; (В.17)
д) для опорного бурта

, (В.18)
где геометрические размеры
d0,
e,
a,
a1, в соответствии с
рисунком В.1, определяют по
таблице В.5 в зависимости от выбранного наружного диаметра шпильки.
В.7.2 Шаг шпилек определяют по формуле

, (В.19)
где z - количество шпилек, которое выбирают из соотношения

. (В.20)
Полученное значение z рекомендуется принимать кратным четырем.
В.8 Определение изгибающих моментов во фланцах
В.8.1 Изгибающие моменты во фланцах от усилия обжатия прокладки
Fd и усилий, действующих в рабочем состоянии,
F1,
F2 и
F3 (рисунок В.2) определяют следующим образом:
а) от усилия обжатия прокладки Fd - по формуле
Md = Fde2, (В.21)
где
б) от усилий, действующих в рабочем состоянии, - по формуле
Mp = F1e1 + F2e2 + F3e3, (В.23)
где

, (В.25)
e1 = 0,5(Dw - D - s1), (В.26)
e3 = 0,5[Dw - (Dm + D)/2]. (В.27)
а) Фланец с коническим переходом
б) Плоский фланец
Рисунок В.2 - Расчетная схема фланцев
В.8.2 Изгибающие моменты в нажимном кольце определяют следующим образом:
а) от усилия обжатия прокладки Fd - по формуле
Md = Fde4, (В.28)
где
e4 = 0,5[Dw - (D1 + Df)/2]; (В.29)
б) от усилий, действующих в рабочем состоянии, - по формуле
Mp = (F1 + F2 + F3)e4. (В.30)
Изгибающие моменты в опорном бурте определяют следующим образом:
а) от усилия обжатия прокладки Fd - по формуле
Md = Fde5, (В.31)
где
e5 = 0,5(
Df -
Dm); (В.32)
б) от усилий, действующих в рабочем состоянии, - по формуле
Mp = F1e6 + F2e5 + F3e7, (В.33)
где
e6 = 0,5(Df - D - s1), (В.34)
e7 = 0,5[Df - (Dm + D)/2]. (В.35)
В.8.3 Изгибающие моменты
Mh во фланцах, нажимном кольце и опорном бурте от давления гидравлического испытания
ph определяют по формулам, приведенным в
В.8.1 -
В.8.2. При этом в
формулах (В.24) и
(В.25) вместо расчетного давления
p подставляют давление гидравлического испытания
ph, а усилие от расчетного давления
F2, определяемое по
формуле (В.4) заменяют значением
F2h, определяемым по
формуле (В.5).
В.8.4 Максимальный (расчетный) изгибающий момент от усилий, действующих на фланцы, нажимное кольцо и опорный бурт, определяют по формуле
M = max{Md; Mp; Mh}. (В.36)
В.9 Определение высоты тарелки фланца
В.9.1 Высоту тарелки плоского фланца, нажимного кольца и опорного бурта определяют по формуле

(В.37)
где величины X и Y определяют следующим образом:
а) для плоского фланца

, (В.38)
Y = Df - D - 2d0, (В.39)
где

; (В.40)
б) для опорного бурта

, (В.41)
Y = Df - D. (В.42)
X = 0, (В.43)
Y = D2 - D1 - 2d0. (В.44)
В.9.3 Если
hf <=
s1 или подкоренное выражение в
формуле (В.37) меньше нуля, то для определения высоты тарелки плоского фланца и опорного бурта по
формуле (В.37) принимают:
X = 0, (В.45)
Y = D + 2s1. (В.46)
В.9.4 Высоту тарелки фланца с коническим переходом первоначально определяют по формуле

, (В.47)
но не менее 0,8s2.
Принятое значение
hf уточняют в процессе расчета напряженного состояния фланца в сечениях А - А, Б - Б и В - В, как показано на
рисунке В.2а).
В.9.5 Моменты сопротивления фланца с коническим переходом в расчетных сечениях определяют следующим образом:
а) в сечении А - А

; (В.48)
б) в сечении Б - Б

, (В.49)
если y <= hf, и

, (В.50)
если y > hf.
Ординату
y центра тяжести поперечного сечения фланца [
Cm на
рисунке В.2а)] определяют по формуле

; (В.51)
в) в сечении В - В

, (В.52)
если hf <= s2.
Если hf > s2, то прочность фланца в сечении В - В обеспечена и WВ не определяют.
В.9.6 Моменты сопротивления фланца с нажимным кольцом определяют в сечении А - А следующим образом:
а) для опорного бурта

; (В.53)
б) для нажимного кольца

. (В.54)
В.9.7 Условия прочности в расчетных сечениях А - А, Б - Б и В - В проверяют по формуле

. (В.55)
Если расчетные напряжения

превышают допускаемое значение

, то значения
hf,
s2 и
h2 следует увеличить. При этом предварительно необходимо увеличить конусность
i.
Принимаемые значения
hf и s2 рекомендуется увеличить в

раз. При принятых размерах фланцев расчеты следует повторять по
формулам (В.10) -
(В.55) до тех пор, пока значения расчетных напряжений

не будут равны (с погрешностью не более 5%) или меньше допускаемых значений

.
В.9.8 Когда контроль затяжки шпилек с применением безмоментного усилия не предусмотрен, то высоту тарелки фланцев, исходя из максимально допустимого усилия в шпильках, определяют по формуле

, (В.56)
где V1 и V2 - вспомогательные величины. V1 для фланцев с коническим переходом и плоских фланцев определяют по формуле

, (В.57)
где

. (В.58)
V2 для фланцев с коническим переходом определяют по формулам:

, (В.59)

. (В.60)
где

. (В.61)
Для плоских фланцев вспомогательную величину V2 определяют по формуле

. (В.62)
Если
V1 <=
V2, то высоту тарелки фланца принимают равной значению
hf, полученному по
формулам (В.37) -
(В.47).
Если за окончательную высоту фланца принята
hfw, то расчет для фланца с коническим переходом необходимо повторить по формулам, приведенным в
В.5 - В.9, пропорционально увеличив значения
s2 и
h2.
| Федеральные нормы и правила в области использования атомной энергии НП-089-15 | Правила устройства и безопасной эксплуатации оборудования и трубопроводов атомных энергетических установок |
УДК 621.039:531:006.354 | |
Ключевые слова: прочность, расчет, оборудование, трубопроводы, атомные энергетические установки, выбор основных размеров |