Главная // Актуальные документы // ГОСТ Р (Государственный стандарт)СПРАВКА
Источник публикации
М.: Стандартинформ, 2014
Примечание к документу
Документ утратил силу с 01.03.2019 в связи с изданием
Приказа Росстандарта от 12.10.2018 N 757-ст. Взамен введен в действие
ГОСТ Р 55647-2018.
Отдельные положения данного документа включены в
Перечень стандартов, в результате применения которых на добровольной основе обеспечивается соблюдение требований технического
регламента Таможенного союза "О безопасности инфраструктуры железнодорожного транспорта" и
Перечень стандартов, содержащих правила и методы исследований (испытаний) измерений, в том числе правила отбора образцов, необходимых для применения и исполнения требований технического
регламента Таможенного союза "О безопасности инфраструктуры железнодорожного транспорта и осуществления оценки (подтверждения) соответствия продукции (
Решение Комиссии Таможенного союза от 15.07.2011 N 710).
Отдельные положения данного документа включены в
Перечень стандартов, в результате применения которых на добровольной основе обеспечивается соблюдение требований технического
регламента Таможенного союза "О безопасности высокоскоростного железнодорожного транспорта" и
Перечень стандартов, содержащих правила и методы исследований (испытаний) измерений, в том числе правила отбора образцов, необходимые для применения и исполнения требований технического
регламента Таможенного союза "О безопасности высокоскоростного железнодорожного транспорта" и осуществления оценки (подтверждения) соответствия продукции (
Решение Комиссии Таможенного союза от 15.07.2011 N 710).
Документ
введен в действие с 01.07.2014.
Название документа
"ГОСТ Р 55647-2013. Национальный стандарт Российской Федерации. Провода контактные из меди и ее сплавов для электрифицированных железных дорог. Технические условия"
(утв. Приказом Росстандарта от 25.10.2013 N 1195-ст)
"ГОСТ Р 55647-2013. Национальный стандарт Российской Федерации. Провода контактные из меди и ее сплавов для электрифицированных железных дорог. Технические условия"
(утв. Приказом Росстандарта от 25.10.2013 N 1195-ст)
агентства по техническому
регулированию и метрологии
от 25 октября 2013 г. N 1195-ст
НАЦИОНАЛЬНЫЙ СТАНДАРТ РОССИЙСКОЙ ФЕДЕРАЦИИ
ПРОВОДА КОНТАКТНЫЕ ИЗ МЕДИ И ЕЕ СПЛАВОВ
ДЛЯ ЭЛЕКТРИФИЦИРОВАННЫХ ЖЕЛЕЗНЫХ ДОРОГ
ТЕХНИЧЕСКИЕ УСЛОВИЯ
Copper and copper alloys trolley wires
for electric railways. Specifications
ГОСТ Р 55647-2013
Дата введения
1 июля 2014 года
1. Разработан Открытым акционерным обществом "Научно-исследовательский институт железнодорожного транспорта" (ОАО "ВНИИЖТ").
2. Внесен Техническим комитетом по стандартизации ТК 45 "Железнодорожный транспорт".
3. Утвержден
Приказом Федерального агентства по техническому регулированию и метрологии от 25 октября 2013 г. N 1195-ст.
5. Введен впервые.
Правила применения настоящего стандарта установлены в ГОСТ Р 1.0-2012
(раздел 8). Информация об изменениях к настоящему стандарту публикуется в ежегодном (по состоянию на 1 января текущего года) информационном указателе "Национальные стандарты", а официальный текст изменений и поправок - в ежемесячном указателе "Национальные стандарты". В случае пересмотра (замены) или отмены настоящего стандарта соответствующее уведомление будет опубликовано в ближайшем выпуске ежемесячного информационного указателя "Национальные стандарты". Соответствующая информация, уведомление и тексты размещаются также в информационной системе общего пользования - на официальном сайте Федерального агентства по техническому регулированию и метрологии в сети Интернет (gost.ru).
Настоящий стандарт распространяется на контактные провода из меди и ее сплавов (далее - провода), предназначенные для контактной сети электрифицированных железных дорог.
В настоящем стандарте использованы нормативные ссылки на следующие стандарты:
| | ИС МЕГАНОРМ: примечание. ГОСТ Р 53685-2009 утратил силу с 1 января 2015 года в связи с введением в действие ГОСТ 32895-2014 (Приказ Росстандарта от 08.09.2014 N 1015-ст). | |
ГОСТ Р 53685-2009 Электрификация и электроснабжение железных дорог. Термины и определения
ГОСТ 1579-93 (ИСО 7801-84) Проволока. Метод испытаний на перегиб
ГОСТ 7229-76 Кабели, провода и шнуры. Методы определения электрического сопротивления токопроводящих жил и проводников
ГОСТ 7502-98 Рулетки измерительные металлические. Технические условия
ГОСТ 8828-89 Бумага-основа и бумага двухслойная водонепроницаемая упаковочная. Технические условия
ГОСТ 10446-80 (ИСО 6892-84) Проволока. Метод испытаний на растяжение
ГОСТ 12177-79 Кабели, провода и шнуры. Методы проверки конструкции
ГОСТ 15150-69 Машины, приборы и другие технические изделия. Исполнения для различных климатических районов. Категории, условия эксплуатации, хранения и транспортирования в части воздействия климатических факторов внешней среды
ГОСТ 18690-82 Кабели, провода, шнуры и кабельная арматура. Маркировка, упаковка, транспортирование и хранение
ГОСТ 23216-78 Изделия электротехнические. Хранение, транспортирование, временная противокоррозионная защита, упаковка. Общие требования и методы испытаний.
Примечание. При пользовании настоящим стандартом целесообразно проверить действие ссылочных стандартов в информационной системе общего пользования - на официальном сайте Федерального агентства по техническому регулированию и метрологии в сети Интернет или по ежегодному информационному указателю "Национальные стандарты", который опубликован по состоянию на 1 января текущего года, и по выпускам ежемесячного информационного указателя "Национальные стандарты" за текущий год. Если заменен ссылочный стандарт, на который дана недатированная ссылка, то рекомендуется использовать действующую версию этого стандарта с учетом всех внесенных в данную версию изменений. Если заменен ссылочный стандарт, на который дана датированная ссылка, то рекомендуется использовать версию этого стандарта с указанным выше годом утверждения (принятия). Если после утверждения настоящего стандарта в ссылочный стандарт, на который дана датированная ссылка, внесено изменение, затрагивающее положение, на которое дана ссылка, то это положение рекомендуется применять без учета данного изменения. Если ссылочный стандарт отменен без замены, то положение, в котором дана ссылка на него, рекомендуется применять в части, не затрагивающей эту ссылку.
| | ИС МЕГАНОРМ: примечание. ГОСТ Р 53685-2009 утратил силу с 1 января 2015 года в связи с введением в действие ГОСТ 32895-2014 (Приказ Росстандарта от 08.09.2014 N 1015-ст). | |
В настоящем стандарте применены термины по ГОСТ Р 53685, а также следующие термины с соответствующими определениями:
3.1. номинальная площадь поперечного сечения провода (номинальное сечение): Площадь поперечного сечения провода, указываемая в маркировке.
3.2. фактическая площадь поперечного сечения провода (фактическое сечение): Площадь поперечного сечения провода, рассчитанная на основании измерений.
3.3. строительная длина провода: Длина провода, изготовленного единой, непрерывной технологией, необходимая для строительства одного анкерного участка.
3.4. относительная ползучесть (провода): Остаточная пластическая деформация отрезка провода, под воздействием растягивающей механической и термической нагрузки за определенное время, отнесенная к его начальной длине.
4. Типы контактных проводов
Типы проводов различают по:
а) материалу:
- из меди - М;
- из низколегированной меди - Нл;
- из бронзы (условной группы) - Бр1 и Бр2;
б) форме поперечного сечения:
- фасонный - Ф;
- фасонный овальный - ФО.
Номинальное сечение проводов - 85, 100, 120, 150 мм2.
Примеры условных обозначений
- провода медного фасонного овального номинальным сечением 100 мм2
Провод МФО - 100 ГОСТ Р;
- провода из низколегированной меди фасонного овального номинальным сечением 120 мм2
Провод НлФО - 120 ГОСТ Р.
5. Технические требования
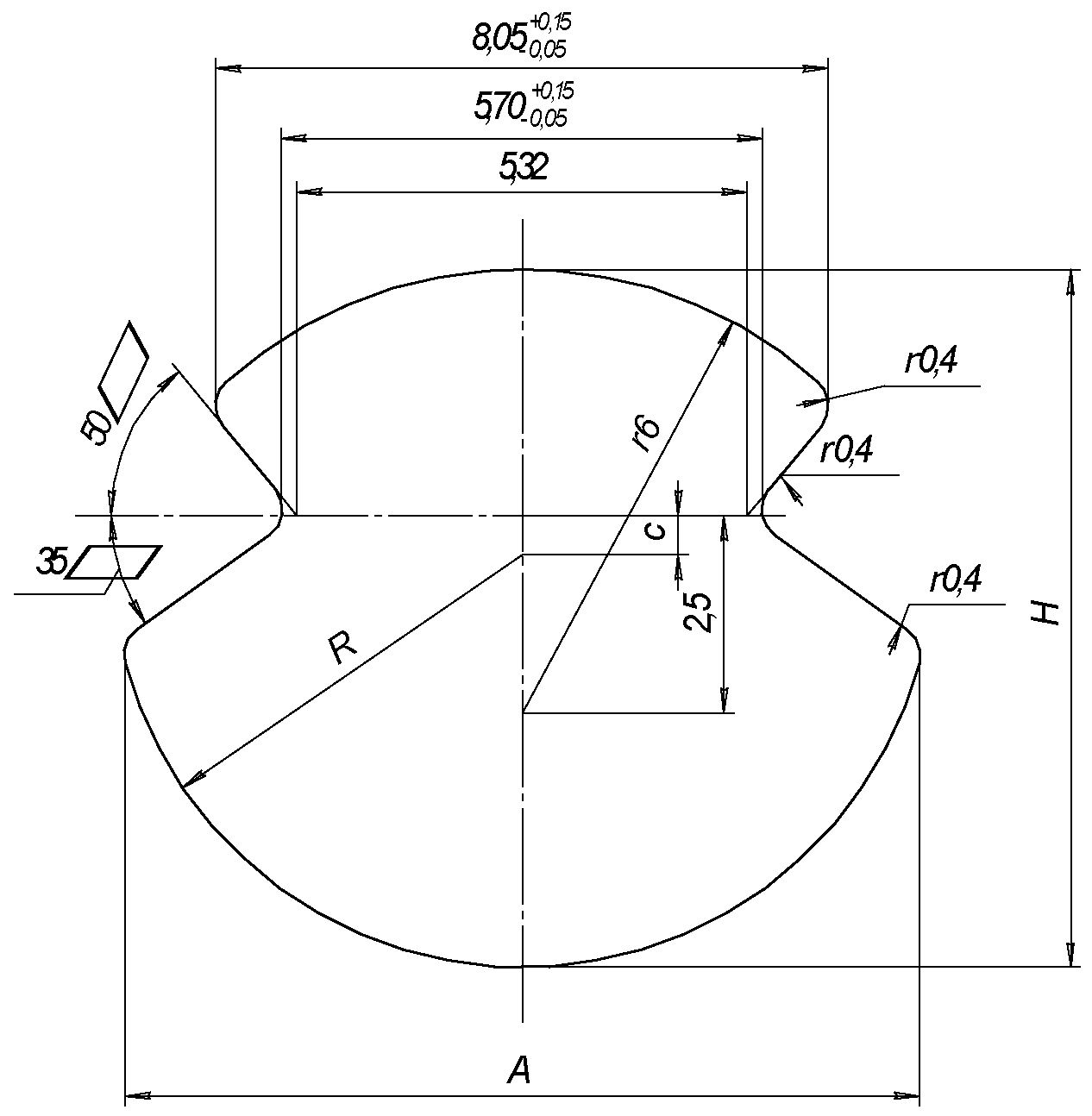
5.1. Геометрические размеры и конструктивное исполнение
5.1.1. Размеры, предельные отклонения и расчетные массы фасонных и фасонных овальных проводов должны соответствовать указанным на рисунках 1 и
2 и в
таблице 1.
Рисунок 1. Размеры фасонного провода
Рисунок 2. Размеры фасонного овального провода
Номинальное сечение, мм2 | Размеры провода, мм | Расчетная масса 1 км провода, кг |
фасонного | фасонного овального |
A | H | C | R | A | H | C | R | R1 |
85 | 11,76 +/- 0,22 | 10,80 +/- 0,10 | 1,3 | 6,0 | - | - | - | - | - | 755 |
100 | 12,81 +/- 0,25 | 11,80 +/- 0,11 | 1,8 | 6,5 | 14,92 +/- 0,30 | 10,50 +/- 0,10 | 13 | 20 | 1,8 | 890 |
120 | 13,90 +/- 0,30 | 12,90 +/- 0,12 | 2,4 | 7,0 | 16,10 +/- 0,32 | 11,50 +/- 0,11 | 17 | 25 | 2,3 | 1068 |
150 | 15,50 +/- 0,32 | 14,50 +/- 0,13 | 3,2 | 7,8 | 18,86 +/- 0,35 | 12,50 +/- 0,12 | 27 | 36 | 2,3 | 1335 |
Примечание. Размеры C, R и R1 справочные, предельные отклонения - 0,05 мм. |
5.1.2. Неуказанные предельные отклонения размеров на
рисунках 1 и
2 не более 0,05 мм.
5.1.3. Строительная длина провода должна быть от 1300 до 1900 м. Стыки на строительной длине не допускаются.
5.1.4. Предельные отклонения фактического сечения провода от номинального и массы от расчетной массы должны быть от 2% до минус 1%.
5.1.5. Отличительные признаки поперечного сечения провода, в зависимости от материала, должны соответствовать указанным на рисунке 3.
а) из меди; б) из низколегированной меди;
в) из бронзы Бр2; г) из бронзы Бр1
Рисунок 3. Отличительные признаки
поперечного сечения провода
5.2. Механические и электрические параметры
5.2.1. Механические и электрические параметры проводов из низколегированной меди и меди должны соответствовать значениям, указанным в таблице 2, из бронзы - в
таблице 3.
Таблица 2
Номинальное сечение, мм2 | Временное сопротивление при растяжении провода, МПа (кгс/мм2), не менее | Относительное удлинение, % | Удельное электрическое сопротивление провода, мкОм·м при температуре 20 °С, не более | Число перегибов, не менее | Число скручиваний, не менее | Расчетное электрическое сопротивление провода, Ом/км, при температуре 20 °С, не более |
Из меди | Из низколегированной меди | Из меди | Из низколегированной меди | Из меди | Из низколегированной меди |
85 | 367,5 (37,5) | 377,3 (38,6) | от 3 до 10 | 0,0177 | 0,0179 | 3 | 4 | 0,2082 | 0,2106 |
100 | 363,6 (37,0) | 377,3 (38,5) | 0,1770 | 0,1790 |
120 | 357,7 (36,5) | 367,5 (37,5) | 0,1475 | 0,1492 |
150 | 352,8 (36,0) | 362,6 (37,0) | 0,1180 | 0,1193 |
Номинальное сечение, мм2 | Временное сопротивление при растяжении провода, МПа (кгс/мм2), не менее | Относительное удлинение, % | Удельное электрическое сопротивление провода при температуре 20 °С, мкОм·м, не более | Число перегибов, не менее | Число скручиваний, не менее | Расчетное электрическое сопротивление провода, Ом/км, при температуре 20 °С, не более |
Бр1 | Бр2 | Бр1 | Бр2 | Бр1 | Бр2 |
85 | 432,0 (44,1) | 509,6 (52) | от 3 до 10 | 0,0208 | 0,0278 | 3 | 4 | 0,2447 | 0,3271 |
100 | 420,0 (42,9) | 499,8 (51) | 0,2080 | 0,2780 |
120 | 420,0 (42,9) | 490 (50) | 0,1733 | 0,2317 |
150 | 410,6 (41,8) | 474 (48) | 0,1387 | 0,1853 |
5.2.2. Отклонение растянутого провода от прямой линии на любом участке строительной длины не должно превышать 0,2 мм.
5.2.3. Относительная ползучесть проводов должна быть не более:
- из низколегированной меди и меди 0,25%;
- из бронзы 0,32%.
Срок службы провода должен быть не менее 50 лет. Критерием отказа является достижение предельной величины относительной ползучести провода, указанной в пункте 5.2.3.
Маркировку наносят на обе щеки барабана или на ярлык, прикрепленный к барабану по
ГОСТ 18690. Маркировка должна содержать следующую информацию:
- тип провода;
- номинальное сечение;
- строительную длину в метрах;
- номер партии;
- дату изготовления (день, месяц, год);
- наименование предприятия-изготовителя;
- товарный знак предприятия-изготовителя;
- массу брутто и нетто, кг;
- обозначение настоящего стандарта.
Провода одного типа должны быть намотаны на барабаны по
ГОСТ 18690. Контактная поверхность провода должна быть обращена к оси барабана. Перекручивание и нарушение порядка в рядах намотки не допускается. Верхние витки должны быть обернуты двумя слоями водонепроницаемой бумаги по
ГОСТ 8828.
6.1. Для проверки соответствия проводов требованиям настоящего стандарта проводят приемо-сдаточные, периодические и типовые испытания.
6.2. Провода предъявляют к приемке партиями. За партию принимают провода одного типа, изготовленные по единой технологии и предъявляемые к приемке по единому документу.
6.3. Образцами для испытаний являются провода на барабанах выборки, либо отрезки провода с каждого барабана выборки. Отбор образцов от партии выполняют методом "вслепую" по ГОСТ 18321
(подраздел 3.4). При отборе образцов проводят их идентификацию в соответствии с маркировкой.
6.4. Вырезку образцов, от верхнего (свободного) конца провода на барабане, проводят металлорежущим инструментом. Заусенцы на торцевых гранях образцов должны быть удалены механическим способом без повреждения поверхности образца.
6.5. Последовательность проведения приемо-сдаточных испытаний и объем выборки от партии указаны в таблице 4.
Таблица 4
Наименование испытаний и проверок | Номер пункта | Объем выборки, % <*> |
технических требований | методов испытаний |
| 5.4 | 7.11 | 100 |
| 5.5 | 7.11 |
| 5.1.4 | 7.6 |
4 Проверка строительной длины | 5.1.3 | 7.7 |
5 Проверка конструктивных размеров, за исключением размера 5,70 ( рисунки 1 и 2) | 5.1.1, 5.1.2 | 7.3 | 15 |
6 Проверка размера 5,70 | 5.1.1 | 7.4 |
7 Проверка номинального сечения | 5.1.4 | 7.5 |
8 Проверка временного сопротивления при растяжении и относительного удлинения | 5.2.1 | 7.8 |
9 Испытание на стойкость к перегибам | 5.2.1 | 7.9 |
10 Испытание на стойкость к скручиванию | 5.2.1 | 7.9 |
11 Проверка удельного электрического сопротивления | 5.2.1 | 7.10 |
<*> Объем выборки округляют до ближайшего целого числа. Объем выборки не менее трех барабанов. Если в партии три и менее барабанов, то проверяют каждый. |
6.6. При положительных результатах проверок на всех образцах по
показателям 3 -
11 таблицы 4 и на не менее 90% образцов по
показателям 1 и
2 партию принимают, при условии восстановления маркировки и упаковки в соответствии с
5.4 и
5.5. При отрицательных результатах проверок хотя бы на одном образце по одному из
показателей 3 -
11 или на более 10% образцов по
показателям 1 и
2, проводят повторные испытания по этому показателю на удвоенной выборке образцов, взятой от той же партии. Результаты повторных испытаний распространяют на всю партию. При отрицательных результатах повторных испытаний партию бракуют.
6.7. Периодические испытания на соответствие требованиям
5.1.3 (в части отсутствия стыков),
5.2.2,
5.2.3 и
5.3 проводят соответственно по
7.12,
7.13 и
7.14 не реже одного раза в три года на образцах с одного барабана выборки, прошедшего приемо-сдаточные испытания.
6.8. При отрицательных результатах периодических испытаний по одному из требований проводят повторные испытания на отрезках проводов с двух других барабанов.
6.9. При отрицательных результатах повторных испытаний производство проводов приостанавливают до выявления и устранения причин несоответствия требованиям настоящего стандарта.
6.10. Типовые испытания на соответствие требованиям
раздела 5 проводят при разработке новых конструкций, технологических процессов и материалов изготовления проводов, либо их изменениях.
6.11. Для подтверждения соответствия проводов требованиям технического регламента отбирают:
- один образец длиной не менее 3 м каждый от трех барабанов для испытаний по
7.3 и
7.4;
- два образца длиной 250 мм каждый от одного барабана для испытаний по
7.8;
- один барабан для испытаний по
7.11;
- один образец длиной не менее 40 м от одного барабана для испытаний по
7.14.
Барабаны отбирают методом "вслепую" по ГОСТ 18321
(подраздел 3.4) из партии, прошедшей приемо-сдаточные испытания.
7.1. Испытания проводят в помещении при нормальных климатических условиях по ГОСТ 15150
(пункт 3.15).
7.2. Измерение размеров провода проводят на выровненных образцах, не имеющих кривизны.
7.4. Проверку размера 5,70 мм (см.
рисунки 1 и
2) фасонных проводов проводят микрометром со вставками типа МВТ по
ГОСТ 4380 (диапазон измерения 0 - 20 мм, диаметр измерительной поверхности шаровой вставки не более 0,6 мм, предел допускаемой погрешности +/- 0,01 мм), или другими средствами измерений, обеспечивающими заданную точность.
7.5. Сечение фасонных и фасонных овальных проводов определяют делением значений массы образца на его длину и плотность. Длина образца должна быть (100 +/- 0,1) мм. Торцы образца должны быть перпендикулярны его продольной оси. Отрезание образца проводят на токарном станке. Массу образца определяют взвешиванием на весах с погрешностью не более +/- 0,1 г. Плотность меди, бронзы и низколегированной меди принимают равной 8,9 г/см
3.
7.6. Массу провода определяют умножением плотности материала
(7.5) на фактическое сечение и строительную длину провода.
7.7. Строительную длину провода измеряют в процессе производства.
7.8. Проверку временного сопротивления при растяжении и относительного удлинения проводов проводят на образцах длиной 250 мм по
ГОСТ 10446.
7.9. Испытание на скручивание проводят по
ГОСТ 1545 на образце длиной 300 - 350 мм при скорости вращения не более 30 об/мин, а на перегиб - по
ГОСТ 1579. Образец зажимают в губках, обеспечивая совпадение оси симметрии сечения контактного провода с плоскостью перегиба с помощью валика радиусом:
- 16 мм - для сечения 85 и 100 мм2;
- 18 мм - " " 120 мм2;
- 20 мм - " " 150 мм2.
Отклонение радиуса валика должно быть не более +/- 1,5 мм.
7.10. Электрическое сопротивление постоянному току измеряют на одном образце по
ГОСТ 7229. Удельное электрическое сопротивление, приведенное к температуре 20 °С, с использованием температурного коэффициента электрического сопротивления для твердой меди, пересчитывают на соответствующее номинальное сечение.
7.11. Проверку образцов на соответствие требованиям маркировки и упаковки проводят внешним осмотром.
7.12. Проверку провода на отсутствие стыков на строительной длине проводят в процессе производства.
7.13. Для проверки отклонения растянутого провода от прямой линии используют щуп толщиной 0,2 мм.
Отрезок провода длиной от 8 до 12 м растягивают с усилием F, соответствующим допустимому в эксплуатации механическому напряжению
(таблица 5), которое определяют по формуле

, (1)
где

- допустимое механическое напряжение при растяжении, МПа;
S - номинальное сечение, мм2.
Вдоль провода, в любом месте, кроме его пазов, закрепляют струбцинами по краям поверочную линейку по
ГОСТ 8026 длиной один метр. Измерения проводят через каждые три метра.
Результаты испытаний считают положительными, если щуп не проходит в зазор между проводом и линейкой.
7.14. При испытании на ползучесть измеряют величину деформации (удлинения) образца провода, растянутого с усилием, обеспечивающим механическое напряжение:
- 180 МПа - из меди и низколегированной меди, нагретого до температуры 90 °С;
- 210 МПа - из бронзы, нагретого до температуры 150 °С.
При испытаниях изменения должны быть не более:
- температуры 5 °С по длине образца;
- механического напряжения 5 МПа.
Длина образца должна быть не менее 40 м. Образец с одной стороны должен быть жестко закреплен в заделке, с другой - иметь возможность свободного перемещения.
К свободному концу прикладывают растягивающую нагрузку.
Нагрев и поддержание температуры образца осуществляют регулировкой уровня электрического тока от источника постоянного тока напряжением 12 В с помощью соединительных зажимов, расположенных на расстоянии (19,0 +/- 0,5) м друг от друга, при этом один из зажимов должен находиться на расстоянии не более 1 м от заделки.
Растягивающую нагрузку контролируют динамометром по
ГОСТ 13837, врезанным между заделкой образца и ближайшим соединительным зажимом.
Температуру нагрева участка образца, расположенного между соединительными зажимами, измеряют с помощью тепловых измерительных приборов, класса точности не ниже 2,5, например, тепловизором, пирометром, инфракрасным термометром. Прибор должен быть расположен от объекта испытаний на наименьшем расстоянии, обеспечивающем обзор всего объекта.
Измеряют наибольшее значение теплового поля при достижении установившейся температуры образца:
- 90 °С - из меди и низколегированной меди;
- 150 °С - из бронзы.
Установившейся считают такую температуру, при которой дальнейшее нагревание током вызывает изменение температуры образца, не более чем 0,5 °С за 10 мин.
Удлинение (деформацию) образца измеряют рулеткой по
ГОСТ 7502, расположенной под отвесами, закрепленными на расстоянии не более 0,5 м от соединительных зажимов.
Образец выдерживают при установившихся температуре и растягивающей нагрузке в течение 72 ч, после чего измеряют расстояние

между отвесами рулеткой, и расстояние

после выдержки в течение еще 720 ч.
Относительную ползучесть образца d, %, определяют по формуле

, (2)
где

- расстояние между отвесами в начале испытания, м;

- расстояние между отвесами при завершении испытания, м.
Результаты округляют до второго знака после запятой.
Результаты испытаний считают положительными, если относительная ползучесть образца не превышает значения, указанного в
5.2.3.
8. Транспортирование и хранение
Условия транспортирования проводов в части воздействия механических факторов - по группе Ж
ГОСТ 23216.
8.1. Условия транспортирования и хранения проводов в части воздействия климатических факторов внешней среды - по группе 8
ГОСТ 15150.
9. Указания по эксплуатации
Допустимые нагрузки на провод при эксплуатации указаны в таблице 5.
Тип провода | Допустимая установившаяся температура нагрева, °С, не более | Допустимое механическое напряжение  , МПа, не более |
М | 80 | 120 |
Нл | 90 | 130 |
Бр1 | 120 | 210 |
Бр2 | 120 | 240 |
10. Гарантии изготовителя
10.1. Изготовитель гарантирует соответствие проводов требованиям настоящего стандарта при соблюдении условий транспортирования, хранения и эксплуатации.
10.2. Гарантийный срок эксплуатации проводов: медных - 5 лет; из низколегированной меди - 6 лет; бронзовых - 10 лет, со дня ввода их в эксплуатацию.