Главная // Актуальные документы // ГОСТ Р (Государственный стандарт)СПРАВКА
Источник публикации
М.: Издательство стандартов, 1997
Примечание к документу
Документ утратил силу с 1 января 2016 года в связи с изданием
Приказа Росстандарта от 22.11.2013 N 1907-ст. Взамен введен в действие
ГОСТ 32466-2013.
С 1 июля 2003 года до вступления в силу технических регламентов акты федеральных органов исполнительной власти в сфере технического регулирования носят рекомендательный характер и подлежат обязательному исполнению только в части, соответствующей целям, указанным в
пункте 1 статьи 46 Федерального закона от 27.12.2002 N 184-ФЗ.
Документ
введен в действие с 1 января 1998 года.
Название документа
"ГОСТ Р 51018-97. Государственный стандарт Российской Федерации. Товары бытовой химии. Метод определения неионогенного поверхностно-активного вещества"
(введен в действие Постановлением Госстандарта России от 29.01.1997 N 23)
"ГОСТ Р 51018-97. Государственный стандарт Российской Федерации. Товары бытовой химии. Метод определения неионогенного поверхностно-активного вещества"
(введен в действие Постановлением Госстандарта России от 29.01.1997 N 23)
Принят и введен в действие
Постановлением Госстандарта
России
от 29 января 1997 г. N 23
ГОСУДАРСТВЕННЫЙ СТАНДАРТ РОССИЙСКОЙ ФЕДЕРАЦИИ
ТОВАРЫ БЫТОВОЙ ХИМИИ
МЕТОД ОПРЕДЕЛЕНИЯ НЕИОНОГЕННОГО
ПОВЕРХНОСТНО-АКТИВНОГО ВЕЩЕСТВА
Goods of household chemistry. Method for determination
of non-ionic surface-active agent
ГОСТ Р 51018-97
Группа У29
ОКС 71.040.40
ОКСТУ 2309
Дата введения
1 января 1998 года
1. Разработан и внесен Техническим комитетом ТК 354 "Бытовая химия".
2. Принят и введен в действие Постановлением Госстандарта России от 29 января 1997 г. N 23.
3. Введен впервые.
Настоящий стандарт распространяется на товары бытовой химии (чистящие, отбеливающие, аппретирующие, подсинивающие, пятновыводящие и дезодорирующие средства) и устанавливает метод определения массовой доли неионогенного поверхностно-активного вещества (НПАВ) и массовой доли неионогенного поверхностно-активного вещества в пересчете на оксиэтиленовые группы (ОЭГ) от 1,5 до 45,0% включительно.
Сущность метода заключается в осаждении НПАВ в водно-спиртовой солянокислой среде избытком фосфорномолибденовой кислоты (ФМК) и последующем титровании ее избытка раствором диантипирилметана (ДАМ) потенциометрически с катодно-поляризованным платиновым электродом.
В настоящем стандарте использованы ссылки на следующие стандарты:
ГОСТ 1770-74 Посуда мерная лабораторная стеклянная. Цилиндры, мензурки, колбы, пробирки. Технические условия
ГОСТ 4108-72 Реактивы. Барий хлорид 2-водный. Технические условия
ГОСТ 9147-80 Посуда и оборудование лабораторные фарфоровые. Технические условия
ГОСТ 18300-87 Спирт этиловый ректификованный технический. Технические условия
ГОСТ 24104-88 Весы лабораторные общего назначения и образцовые. Общие технические условия
ГОСТ 25336-82 Посуда и оборудование лабораторные стеклянные. Типы, основные параметры и размеры
ГОСТ 25794.1-83 Реактивы. Методы приготовления титрованных растворов для кислотно-основного титрования
ГОСТ 28498-90 Термометры жидкостные стеклянные. Общие технические требования. Методы испытаний
ГОСТ 29227-91 Посуда лабораторная стеклянная. Пипетки градуированные. Часть 1. Общие требования
ГОСТ 29251-91 Посуда лабораторная стеклянная. Бюретки. Часть 1. Общие требования
3. АППАРАТУРА, РЕАКТИВЫ И РАСТВОРЫ
Иономер, обеспечивающий измерение потенциала измерительного электрода в интервале от плюс 500 до минус 500 мВ с погрешностью не более +/- 5 мВ на узких поддиапазонах измерений.
Электрод вспомогательный лабораторный ЭВЛ-1МЗ или аналогичный.
Электрод платиновый высокотемпературный ЭПВ-1 или аналогичный.
Источник постоянного тока с напряжением на выходе 8 - 12 В, пульсация не более 50 мВ.
Резистор или набор резисторов (20 +/- 2) МОм.
Мешалка магнитная.
Шкаф электрический сушильный, обеспечивающий поддержание температуры 185 - 190 °C.
Термометр жидкостный стеклянный с диапазоном измерения температуры от 0 до 250 °C и ценой деления шкалы 2 °C по
ГОСТ 28498.
Часы.
Весы лабораторные общего назначения 2-го класса точности по ГОСТ 24104 с наибольшим пределом взвешивания 200 г.
Стекло часовое.
Кальций хлорид обезвоженный по нормативному документу
[1] (Приложение A), прокаленный при температуре 250 - 300 °C.
Кислота соляная по
ГОСТ 3118, раствор молярной концентрации c (HCl) = 0,5 моль/дм3 (0,5 н.), приготовленный по
ГОСТ 25794.1.
Бария хлорид по
ГОСТ 4108, раствор с массовой долей 10%.
Кислота фосфорномолибденовая по нормативному документу
[2], раствор молярной концентрации

.
Диантипирилметан по нормативному документу
[3], раствор молярной концентрации

в растворе соляной кислоты молярной концентрации c (HCl) = 0,5 моль/дм3.
Спирт этиловый ректификованный технический по
ГОСТ 18300.
Вещество поверхностно-активное неионогенное (НПАВ), которое используют для изготовления анализируемого средства.
Вода дистиллированная по
ГОСТ 6709 или вода эквивалентной чистоты.
Допускается применение других средств измерения с метрологическими характеристиками и оборудования с техническими характеристиками не хуже, а также реактивов, по качеству не ниже указанных.
Общие указания по проведению анализа - по
ГОСТ 27025.
5.1. Отбор пробы - по нормативному документу на анализируемое средство.
Представительную пробу тщательно перемешивают.
5.2. Приготовление раствора фосфорномолибденовой кислоты (ФМК)
Перед приготовлением раствора определяют число молекул кристаллизационной воды в ФМК.
Стаканчик высушивают до постоянной массы при температуре 185 - 190 °C.
1,0000 - 1,5000 г ФМК взвешивают в высушенном стаканчике.
Стаканчик с навеской ФМК помещают в сушильный шкаф и высушивают навеску при температуре 185 - 190 °C до постоянной массы. Первое взвешивание проводят через 1 ч, последующие - через 30 мин высушивания.
Число молекул кристаллизационной воды X вычисляют по формуле
где m - масса ФМК до высушивания, г;

- масса ФМК после высушивания, г;
1861,38 - молярная масса ФМК, г/моль;
18,016 - молярная масса воды, г/моль.
Молярную массу фосфорномолибденовой кислоты M, г/моль, рассчитывают по формуле
M = 1861,38 + X · 18,16. (2)
Готовят раствор ФМК молярной концентрации

.
5.3. Приготовление раствора диантипирилметана
5,8270 г ДАМ растворяют в мерной колбе вместимостью 500 см3 в 200 - 250 см3 раствора соляной кислоты.
Объем раствора доводят раствором соляной кислоты до метки и перемешивают.
5.4. Приготовление раствора сравнения неионогенного поверхностно-активного вещества
Раствор сравнения готовят из образца НПАВ, которое было использовано для приготовления анализируемого средства.
1,0000 г НПАВ взвешивают.
Навеску количественно переносят в мерную колбу вместимостью 100 см3, доводят объем водой до метки и тщательно перемешивают.
Раствор сравнения пригоден в течение 2 сут.
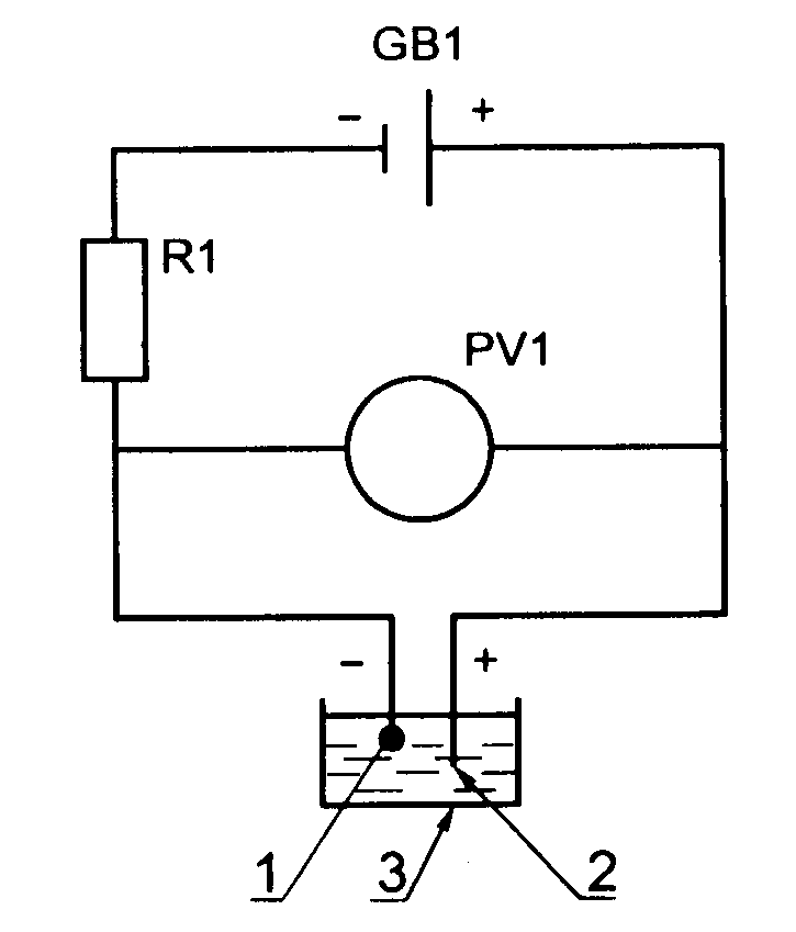
5.5. Подготовка установки
Установку для титрования собирают по схеме в соответствии с рисунком 1.
1 - электрод платиновый высокотемпературный ЭПВ-1;
2 - электрод вспомогательный лабораторный ЭВЛ-1МЗ;
3 - ячейка для титрования; GB 1 - источник
постоянного тока; R 1 - резистор или набор резисторов;
PV 1 - иономер
Рисунок 1. Электрическая схема потенциометрического
титрования
Поляризацию осуществляют от источника постоянного тока через резистор или набор резисторов, присоединяя к платиновому электроду отрицательный полюс источника питания. Иономер включают в режиме милливольтметра. Электроды погружают в раствор соляной кислоты.
При установлении потенциала на узком поддиапазоне иономера от плюс 50 до минус 250 мВ установка к работе готова.
Для подачи титранта в анализируемую пробу на кончик бюретки надевают тонкий (ниппельный) резиновый шланг, к которому присоединяют загнутый кверху стеклянный капилляр внутренним диаметром не более 0,5 мм. При титровании капилляр погружают в титруемый раствор.
5.6. Проведение контрольного титрования
В стакан вместимостью 50 см3 вносят 5 см3 раствора соляной кислоты, 5 см3 воды, 18 см3 этилового спирта и пипеткой вместимостью 1 см3 1,0 см3 раствора ФМК. Стакан устанавливают на магнитную мешалку, помещают в него магнитную вертушку, опускают электроды и титруют при интенсивном перемешивании раствором ДАМ. Объем первой порции титранта должен быть на 0,5 см3 меньше эквивалентного (устанавливается по результатам ориентировочного титрования). Затем титрант добавляют порциями по 0,1 см3, а вблизи точки эквивалентности - по 0,02 см3.
После добавления каждой порции титранта ожидают стабилизации потенциала не более 2 мин.
За эквивалентный принимают такой объем раствора ДАМ, при добавлении к которому следующей порции титранта происходит наибольшее изменение потенциала.
Контрольное титрование повторяют 3 - 4 раза. Затем вычисляют как среднее арифметическое объем раствора ДАМ (V) в см3, израсходованный на титрование 1 см3 раствора ФМК.
5.7. Подготовка пробы средства к анализу
Для порошкообразных средств часть представительной пробы растирают в ступке до исчезновения гранул и комочков.
Навеску средства, содержащую 20 - 30 мг НПАВ, взвешивают в стакане, прикрытом часовым стеклом. Результат взвешивания в граммах записывают с точностью до четвертого десятичного знака.
В стакан с пробой средства, подготовленной по
5.7 настоящего стандарта, добавляют 5 см3 раствора соляной кислоты, 3 см3 раствора хлорида бария, 21 см3 этилового спирта и пипеткой 4,0 см3 раствора ФМК. Опускают в стакан электроды и титруют раствором ДАМ, как указано в
5.6 для контрольного титрования.
В тех же условиях проводят титрование 2,0 см3 раствора сравнения соответствующего НПАВ (при определении массовой доли НПАВ в пересчете на оксиэтиленовые группы титрование не проводят).
Массовую долю неионогенного поверхностно-активного вещества (НПАВ)

%, вычисляют по формуле
Массовую долю неионогенного поверхностно-активного вещества (НПАВ) в пересчете на оксиэтиленовые группы (ОЭГ)

%, вычисляют по формуле
где 4 - объем раствора ФМК молярной концентрации 0,01 моль/дм3, взятый для титрования, см3;

- объем раствора ДАМ молярной концентрации 0,03 моль/дм3, израсходованный на титрование анализируемой пробы, см3;
V - объем раствора ДАМ молярной концентрации 0,03 моль/дм3, соответствующий 1 см3 раствора ФМК молярной концентрации 0,01 моль/дм3 (определяют по
5.6), см3;
0,02 - масса НПАВ, содержащаяся в 2 см3 раствора сравнения, г;
0,00662 - масса ОЭГ, соответствующая 1 см3 раствора ФМК молярной концентрации 0,01 моль/дм3, г;

- объем раствора ДАМ молярной концентрации 0,03 моль/дм3, израсходованный на титрование 2 см3 раствора сравнения НПАВ, см3;
m - масса навески средства, г.
Результаты определений округляют до первого десятичного знака.
За результат анализа принимают среднее арифметическое результатов двух параллельных определений, абсолютное расхождение между которыми не превышает допускаемые расхождения, указанные в
таблице 1.
В процентах
Массовая доля НПАВ | Допускаемая абсолютная суммарная погрешность результата анализа | Допускаемое абсолютное расхождение между результатами двух параллельных определений |
От 1,5 до 8,0 включ. | +/- 0,2 | 0,4 |
Св. 8,0 " 15,0 " | +/- 0,4 | 0,6 |
" 15,0 " 25,0 " | +/- 0,6 | 0,7 |
" 25,0 " 45,0 " | +/- 1,0 | 1,1 |
Допускаемая абсолютная суммарная погрешность результатов анализа при доверительной вероятности P = 0,95 указана в
таблице 1.
(информационное)
[1] ТУ 6-09-4711-81 Кальций хлорид обезвоженный (кальций хлористый) ч.
[2] ТУ 6-09-3540-78 Кислота фосфорномолибденовая водная, х.ч., ч.д.а.,
ч.
[3] ТУ 6-09-3835-77 Диантипирилметан (4,4'-метиленбис(2,3-диметил-1-
фенил-3-пиразолин-5-он); 4,4'-метилендиантипирин), ч.д.а.