Главная // Актуальные документы // ГОСТ Р (Государственный стандарт)СПРАВКА
Источник публикации
М.: Стандартинформ, 2011
Примечание к документу
Документ утратил силу с 1 января 2013 года в связи с изданием
Приказа Росстандарта от 22.12.2011 N 1650-ст. Взамен введен в действие
ГОСТ IEC 60065-2011.
Документ включен в
Перечень стандартов, содержащих правила и методы исследований (испытаний) и измерений, в том числе правила отбора образцов, необходимые для применения и исполнения требований технического
регламента Таможенного союза "О безопасности низковольтного оборудования" (ТР ТС 004/2011) и осуществления оценки (подтверждения) соответствия продукции (
Решение Комиссии Таможенного союза от 16.08.2011 N 768).
Документ включен в
Перечень стандартов, в результате применения которых на добровольной основе обеспечивается соблюдение требований технического
регламента Таможенного союза "О безопасности низковольтного оборудования" (ТР ТС 004/2011) (
Решение Комиссии Таможенного союза от 16.08.2011 N 768).
Документ
введен в действие с 1 января 2011 года.
Название документа
"ГОСТ Р МЭК 60065-2009. Национальный стандарт Российской Федерации. Аудио-, видео- и аналогичная электронная аппаратура. Требования безопасности"
(утв. и введен в действие Приказом Ростехрегулирования от 14.12.2009 N 761-ст)
"ГОСТ Р МЭК 60065-2009. Национальный стандарт Российской Федерации. Аудио-, видео- и аналогичная электронная аппаратура. Требования безопасности"
(утв. и введен в действие Приказом Ростехрегулирования от 14.12.2009 N 761-ст)
Утвержден и введен в действие
по техническому регулированию
и метрологии
от 14 декабря 2009 г. N 761-ст
НАЦИОНАЛЬНЫЙ СТАНДАРТ РОССИЙСКОЙ ФЕДЕРАЦИИ
АУДИО-, ВИДЕО- И АНАЛОГИЧНАЯ ЭЛЕКТРОННАЯ АППАРАТУРА
ТРЕБОВАНИЯ БЕЗОПАСНОСТИ
Audio, video and similar electronic apparatus.
Safety requirements
ГОСТ Р МЭК 60065-2009
Группа Э07
Дата введения
1 января 2011 года
Цели и принципы стандартизации в Российской Федерации установлены Федеральным
законом от 27 декабря 2002 г. N 184-ФЗ "О техническом регулировании", а правила применения национальных стандартов Российской Федерации -
ГОСТ Р 1.0-2004 "Стандартизация в Российской Федерации. Основные положения".
1. Подготовлен Автономной некоммерческой организацией Научно-техническим центром сертификации электрооборудования (НТЦСЭ) "ИСЭП" на основе собственного аутентичного перевода на русский язык стандарта, указанного в пункте 4.
2. Внесен Техническим комитетом по стандартизации ТК 452 "Безопасность аудио-, видео-, электронной аппаратуры, оборудования информационных технологий и телекоммуникационного оборудования".
3. Утвержден и введен в действие
Приказом Федерального агентства по техническому регулированию и метрологии от 14 декабря 2009 г. N 761-ст.
4. Настоящий стандарт идентичен международному стандарту МЭК 60065:2005 "Аудио-, видео- и аналогичная электронная аппаратура. Требования безопасности" (IEC 60065:2005 "Audio, video and similar electronic apparatus - Safety requirements").
При применении настоящего стандарта рекомендуется использовать вместо ссылочных международных стандартов соответствующие им национальные стандарты Российской Федерации, сведения о которых приведены в дополнительном
Приложении ДА.
Информация об изменениях к настоящему стандарту публикуется в ежегодно издаваемом информационном указателе "Национальные стандарты", а текст изменений и поправок - в ежемесячно издаваемых информационных указателях "Национальные стандарты". В случае пересмотра (замены) или отмены настоящего стандарта соответствующее уведомление будет опубликовано в ежемесячно издаваемом информационном указателе "Национальные стандарты". Соответствующая информация, уведомление и тексты размещаются также в информационной системе общего пользования - на официальном сайте Федерального агентства по техническому регулированию и метрологии в сети Интернет.
Международная электротехническая комиссия (МЭК) - это всемирная организация по стандартизации, включающая в себя все национальные комитеты (национальные комитеты МЭК). Деятельность МЭК направлена на развитие международного сотрудничества по всем вопросам стандартизации в области электрической и электронной аппаратуры. По указанному и другим видам деятельности МЭК публикует международные стандарты. Их подготовка возложена на технические комитеты. Любой национальный комитет МЭК, заинтересованный данным вопросом, может участвовать в этой подготовительной работе. Международные, правительственные и неправительственные организации, сотрудничающие с МЭК, также участвуют в подготовительной работе. МЭК тесно сотрудничает с Международной организацией по стандартизации (ИСО) при соблюдении условий, определенных соответствующим соглашением между двумя организациями.
Официальные решения или соглашения МЭК по техническим вопросам выражают, насколько это возможно, международное согласованное мнение, относящееся к этим вопросам, так как каждый технический комитет имеет представителей от всех заинтересованных национальных комитетов.
Выпускаемые документы, имеющие форму рекомендаций для международного использования, публикуются в виде стандартов, технических отчетов или руководств и утверждаются национальными комитетами по стандартизации именно в таком качестве.
В целях содействия международной унификации (единой системе) национальные комитеты МЭК обязуются при разработке национальных и региональных стандартов брать за основу международные стандарты МЭК, насколько это позволяют условия данной страны. Любое расхождение между стандартами МЭК и соответствующими национальными или региональными стандартами должно быть ясно обозначено в последних.
МЭК не предусматривает процедуры маркировки и не несет ответственности за любое оборудование, заявленное на соответствие одному из стандартов МЭК.
Необходимо обратить внимание на то, что некоторые элементы настоящего стандарта могут быть предметом патентного права. МЭК не несет ответственности за установление любого такого патентного права.
Настоящий стандарт подготовлен Техническим комитетом МЭК по стандартизации 92 "Безопасность аудио-, видео- и аналогичного электронного оборудования".
Настоящее издание 7.1 аннулирует и заменяет издание 7.0, опубликованное в 2001 г. Настоящее издание представляет собой технический пересмотр. Это издание имеет статус публикации группы по безопасности в соответствии с Руководством МЭК 104.
Текст стандарта основан на следующих документах:
FDIS | Отчет о голосовании |
92/85/FDIS | 92/89/RVD |
108/136/FDIS | 108/148A/RVD |
Полную информацию о голосовании по утверждению настоящего стандарта можно найти в отчете о голосовании, указанном в приведенной выше таблице.
| | ИС МЕГАНОРМ: примечание. Методы испытаний, выделенные в официальном тексте стандарта курсивом, в электронной версии документа отмечены знаком #. | |
В настоящем стандарте методы испытаний выделены курсивом.
Приложения M и
N - справочные.
Цель настоящего введения заключается в пояснении принципов, на которых основаны требования настоящего стандарта, что необходимо для разработки и производства безопасной аппаратуры.
Требования настоящего стандарта направлены на обеспечение защиты людей, а также окружающей среды.
Обращено внимание на то, что исходным принципом является установление необходимого минимума стандартизованных требований для обеспечения достаточного уровня безопасности.
Примечание. Термин "защита окружающей среды" означает, что эта защита должна также включать в себя защиту естественной окружающей среды, в которой находится аппаратура, предназначенная для использования, с учетом жизненного цикла аппаратуры, т.е. производства, использования, обслуживания, размещения и возможного повторного использования частей аппаратуры в конце жизненного цикла.
Настоящий стандарт предназначен для применения в целях предотвращения травм или повреждений, возможных из-за следующих опасных факторов:
- поражения электрическим током;
- воздействия высоких температур;
- излучения;
- последствия взрыва;
- механических опасностей;
- воспламеняемости.
Поражение электрическим током возникает в результате протекания электрического тока через тело человека. Токи порядка миллиампера могут вызвать определенную физиологическую реакцию у здоровых людей и вторичные опасности вследствие непроизвольной реакции. Токи более высоких значений могут оказывать более разрушительное воздействие. Напряжения ниже определенных значений, как правило, считают неопасными в определенных условиях.
Для того чтобы обеспечить защиту от потенциальных опасностей более высоких напряжений, появляющихся на частях, к которым можно прикоснуться, или частях ручного управления, такие части либо заземляют, либо соответствующим образом изолируют.
Для частей, к которым возможно прикосновение, как правило, обеспечивают два уровня защиты, чтобы предотвратить опасность поражения электрическим током, вызванную неисправностью. Таким образом, одна неисправность или любые последующие неисправности не будут создавать опасность.
Обеспечение дополнительных защитных мер, таких как дополнительная изоляция или защитное заземление, не рассматривается как замена или освобождение от необходимости в должным образом спроектированной основной изоляции.
Ниже приведены примеры причин возникновения опасностей и способы их предотвращения.
┌───────────────────────────────┬─────────────────────────────────────────┐
│ Причина │ Способ предотвращения │
├───────────────────────────────┼─────────────────────────────────────────┤
│Контакты с частями, как правило│Предотвратить доступ к частям с опасным│
│находящимися под опасным│напряжением использованием постоянно│
│напряжением │закрепленных или запертых кожухов │
│Пробой изоляции между частями,│Применить либо двойную, либо усиленную│
│как правило находящимися│изоляцию между частями, как правило│
│под опасным напряжением,│находящимися под опасным напряжением,│
│и доступными частями │и доступными частями так, чтобы пробой│
│ │не мог произойти, или соединить доступные│
│ │части с защитным заземлением, чтобы│
│ │напряжение, которое может появиться, было│
│ │снижено до безопасного уровня. Изоляция│
│ │должна иметь достаточную (соответствующую│
│ │требованиям) механическую и электрическую│
│ │прочность │
│Пробой изоляции между частями,│Разделить части, находящиеся под опасным│
│находящимися под опасным│напряжением, и доступные части либо│
│напряжением, и цепями│двойной, либо усиленной изоляцией так,│
│с неопасным напряжением,│чтобы пробой не мог произойти,│
│вследствие чего доступные части│или соединить доступные части с защитным│
│и соединители оказываются│заземлением, чтобы напряжение, которое│
│под опасным напряжением │может появиться, было снижено│
│ │до безопасного уровня │
│Воздействие тока│Ограничить значение тока от прикосновения│
│от прикосновения к частям,│до безопасного значения либо обеспечить│
│находящимся под опасным│соединение доступных частей с защитным│
│напряжением, через тело│заземлением │
│человека. Ток от прикосновения│ │
│может включать в себя ток,│ │
│обусловленный компонентами│ │
│фильтра радиопомех,│ │
│подключенными между цепями сети│ │
│электропитания и доступными│ │
│частями или соединителями │ │
└───────────────────────────────┴─────────────────────────────────────────┘
Воздействие высоких температур
Требования включены для предотвращения травм от воздействия высоких температур на доступных частях, повреждений изоляции от воздействия высоких внутренних температур и механической неустойчивости, вызываемой возникновением высоких температур внутри аппаратуры.
Воздействие излучения
Требования включены для предотвращения травм от высоких энергетических уровней лазерного излучения, например ограничением значений параметров излучения до безопасных значений.
Последствия взрыва
Требования включены для предотвращения травм от последствий взрыва кинескопов.
Механические опасности
Требования включены с целью гарантировать надежную механическую прочность и устойчивость аппаратуры и ее частей, для чего следует избегать наличия острых кромок и обеспечить охрану или блокировку опасных движущихся частей.
Воспламеняемость
Воспламеняемость может произойти в результате:
- перегрузок;
- неисправности компонента;
- пробоя изоляции;
- плохих соединений;
- дугового пробоя.
Требования включены для предотвращения любого возгорания, которое может произойти внутри аппаратуры и распространиться за пределы источника возгорания или вызвать повреждения вне аппаратуры.
Рекомендуется применять следующие предупредительные меры:
- использование подходящих компонентов и сборочных узлов;
- предотвращение появления высоких температур, которые могут вызвать воспламенение в нормальных режимах работы или при неисправностях;
- принятие мер, исключающих применение возможных источников воспламенения, таких как не соответствующие требованиям контакты, плохие соединения, обрывы;
- ограничение количества используемых горючих материалов;
- проверка расположения горючих материалов относительно возможных источников воспламенения:
- применение материалов с высокой сопротивляемостью к воспламенению около потенциальных источников возгорания;
- применение герметизации или перегородок для ограничения распространения пламени внутри аппаратуры;
- использование материалов с достаточной огнестойкостью для изготовления кожуха.
1.1. Область применения
1.1.1. Настоящий стандарт распространяется на электронную аппаратуру, спроектированную для питания от сети, сетевых аппаратов, батарей или источников удаленного электропитания и предназначенную для приема, генерации, записи или воспроизведения соответственно звуковых, видео- и других подобных сигналов.
Стандарт также распространяется на аппаратуру, спроектированную для применения только совместно с перечисленной выше аппаратурой. Стандарт устанавливает только требования безопасности указанной выше аппаратуры и не устанавливает других требований, таких как требования к конструкции или эксплуатационным характеристикам.
Настоящий стандарт в основном распространяется на аппаратуру, предназначенную для бытового или аналогичного применения, но которая может также быть использована в местах массового скопления людей, таких как школы, театры, места паломничества и производственные помещения. На профессиональную аппаратуру, предназначенную для использования как указано выше, также распространяются требования настоящего стандарта до тех пор, пока на нее не распространяются частные требования других стандартов.
Настоящий стандарт распространяется на указанную выше аппаратуру, предназначенную для подключения к телекоммуникационной сети или аналогичным сетям, например с помощью встроенного модема.
Некоторые примеры аппаратуры, относящейся к области применения настоящего стандарта:
- приемная аппаратура и усилители звука и/или изображения;
- автономные преобразователи нагрузки и источники сигнала;
- источники питания, предназначенные для питания аппаратуры, относящейся к области применения настоящего стандарта;
- электронные музыкальные инструменты и электронные принадлежности, такие как генераторы ритма, генераторы тона, устройства обработки звука и прочие для использования с электронными или неэлектронными музыкальными инструментами;
- звуковая и/или видеоаппаратура учебного назначения;
- видеопроекторы.
Примечание 1. Кинопроекторы, диапроекторы, эпидиаскопы относят к области применения МЭК 60335-2-56
[5];
- видеокамеры и видеомониторы;
- видеоигры и игры типа "флиппер".
Примечание 2. Видеоигры и игры типа "флиппер" для коммерческого использования относят к области применения МЭК 60335-2-82
[6];
- автоматические электропроигрыватели;
- электронные игровые машины и машины, ведущие подсчет очков.
Примечание 3. Электронные игровые машины и машины, ведущие подсчет очков, для коммерческого использования относят к области применения МЭК 60335-2-82
[6];
- оборудование телетекста;
- проигрыватели грампластинок и оптических дисков;
- магнитофоны и устройства записи на оптических дисках;
- антенные конверторы и усилители;
- аппаратура управления положением антенны;
- аппаратура частной и служебной радиосвязи;
- аппаратура для формирования изображения;
- аппаратура световых эффектов;
- аппаратура для использования в электронных системах охраны;
- аппаратура системы внутренней связи, использующая сети низковольтных напряжений как передающую среду;
- головные кабельные приемники;
- мультимедийная аппаратура.
Примечание 4. Для мультимедийной аппаратуры могут быть также применены требования безопасности МЭК 60950 (см. также МЭК Руководство 112
[18]);
- профессиональная аппаратура общего применения: усилители, проигрыватели грампластинок и дисков, устройства воспроизведения магнитной записи, записывающие устройства и системы публичных выступлений;
- профессиональные звуковые и видеосистемы;
- электронные лампы-вспышки для фотографирования (см.
Приложение L).
1.1.2. Настоящий стандарт распространяется на аппаратуру, предназначенную для питания от сети с номинальным напряжением питания, не превышающим:
- 250 В переменного однофазного или постоянного напряжения;
- 433 В переменного напряжения в случае аппаратуры, подключаемой к сети питания, содержащей более одной фазы.
1.1.3. Настоящий стандарт распространяется на аппаратуру, предназначенную для использования на высотах не более 2000 м над уровнем моря, главным образом в сухих помещениях и в районах с умеренным или тропическим климатом.
Для аппаратуры, имеющей защиту от брызг воды, дополнительные требования приведены в
Приложении A.
Для аппаратуры, предназначенной для подключения к телекоммуникационным сетям, дополнительные требования приведены в
Приложении B.
Для аппаратуры, предназначенной для использования на наземном транспорте, судах или в авиации, а также на высотах более 2000 м над уровнем моря, могут быть необходимы дополнительные требования.
Примечание. См. МЭК 60664-1 [таблица A.2 (Приложение A)].
Для аппаратуры, предназначенной для использования в специальных условиях, могут быть необходимы дополнительные требования.
1.1.4. Для аппаратуры, разработанной для питания от сети, настоящий стандарт предполагает питание от сети с перенапряжениями от переходных процессов, не превышающими уровень перенапряжения категории II по МЭК 60664-1.
Для аппаратуры, подверженной перенапряжениям от переходных процессов, превышающим уровень перенапряжений категории II, может быть необходима дополнительная защита сетевого питания.
1.2. Нормативные ссылки
В настоящем стандарте использованы нормативные ссылки на следующие стандарты:
МЭК 60027 (все части) Буквенные обозначения, которые должны применяться в электротехнической технологии (IEC 60027 (all parts), Letter symbols to be used in electrical technology)
МЭК 60038:1983 Стандартные напряжения. Изменение 1 (1994). Изменение 2 (1997) (IEC 60038:1983, IEC standard voltages. Amendment 1 (1994). Amendment 2 (1997))
МЭК 60068-2-6:1995 Основные методы испытаний на воздействие внешних факторов. Часть 2. Испытание Fc. Вибрация (синусоидальная) (IEC 60068-2-6:1995, Environmental testing - Part 2: Tests - Test Fc: Vibration (sinusoidal))
МЭК 60068-2-32:1975 Основные методы испытаний на воздействие внешних факторов. Часть 2. Испытание Ed. Свободное падение (процедура 2) (IEC 60068-2-32:1975, Environmental testing - Part 2: Tests - Test Ed: Free fall (Procedure 2))
МЭК 60068-2-75:1997 Основные методы испытаний на воздействие внешних факторов. Часть 2-75. Испытание Eh. Испытания молотком (IEC 60068-2-75:1997, Environmental testing - Part 2-75: Tests - Test Eh: Hammer tests)
МЭК 60068-2-78:2001 Климатические испытания. Часть 2. Испытательная камера. Влажное тепло, устойчивое состояние (IEC 60068-2-78:2001, Environmental testing - Part 2: Tests - Test Cab: Damp heat, steady state)
МЭК 60085:2004 Определение температуры и классификация электрической изоляции (IEC 60085:2004, Thermal evaluation and classification of electrical insulation)
МЭК 60086-4:2000 Первичные батареи. Часть 4. Безопасность литиевых батарей (IEC 60086-4:2000, Primary batteries - Part 4: Safety of lithium batteries)
МЭК 60112:2003 Метод определения сравнительного и контрольного индексов трекингостойкости твердых электроизоляционных материалов во влажной среде (IEC 60112:2003, Method for determining the comparative and the proof tracking indices of solid insulating materials under moist conditions)
МЭК 60127 (все части) Миниатюрные плавкие предохранители (IEC 60127 (all parts), Miniature fuses)
МЭК 60167:1964 Методы испытаний для определения сопротивления изоляции твердых электроизоляционных материалов (IEC 60167:1964, Methods of test for the determination of the insulation resistance of solid insulating materials)
МЭК 60216 (все части) Руководство для определения термостойкости электроизоляционных материалов (IEC 60216 (all parts), Guide for the determination of thermal endurance properties of electrical insulating materials)
МЭК 60227 (все части) Кабели с поливинилхлоридной изоляцией на номинальное напряжение до 450/750 В включительно (IEC 60227 (all parts), Polyvinyl chloride insulated cables of rated voltages up to and including 450/750 V)
МЭК 60245 (все части) Кабели с резиновой изоляцией на номинальные напряжения до 450/750 В включительно (IEC 60245 (all parts), Rubber insulated cables - Rated voltages up to and including 450/750 V)
МЭК 60249-2 (все дополнения) Основные материалы печатных плат. Часть 2. Дополнение (IEC 60249-2 (all specifications), Base materials for printed circuits - Part 2: Specifications)
МЭК 60268-1:1985 Оборудование звуковых систем. Часть 1. Общие положения (IEC 60268-1:1985, Sound system equipment - Part 1: General)
МЭК 60317 (все части) Спецификация отдельных типов обмоточных проводов (IEC 60317 (all parts), Specifications for particular types of winding wires)
МЭК 60320 (все части) Соединители бытового и аналогичного назначения (IEC 60320 (all parts), Appliance couplers for household and similar general purposes)
МЭК 60335-1:2001 Безопасность бытовых и аналогичных электрических приборов. Часть 1. Общие требования. Изменение 1 (2004) (IEC 60335-1:2001, Household and similar electrical appliances - Safety - Part 1: General requirements. Amendment 1 (2004))
МЭК 60384-1:1999 Конденсаторы постоянной емкости для электронной аппаратуры. Часть 1. Общая спецификация (IEC 60384-1:1999, Fixed capacitors for use in electronic equipment - Part 1: Generic specification)
МЭК 60384-14:1993 Конденсаторы постоянной емкости для электронной аппаратуры. Часть 14. Групповые технические условия на конденсаторы постоянной емкости для подавления электромагнитных помех и соединения с питающими магистралями. Изменение 1 (1995) (IEC 60384-14:1993, Fixed capacitors for use in electronic equipment - Part 14: Sectional specification: Fixed capacitors for electromagnetic interference suppression and connection to the supply mains. Amendment 1 (1995))
МЭК 60417 (все части) Графические символы, применяемые на оборудовании (IEC 60417 (all parts), Graphical symbols for use on equipment)
МЭК 60454 (все части) Спецификация липких самоклеящихся лент для электрических целей (IEC 60454 (all parts), Specifications for pressure-sensitive adhesive tapes for electrical purposes)
МЭК 60529:1989 Степени защиты, обеспечиваемые оболочками (Код IP). Изменение 1 (1999) (IEC 60529:1989, Degrees of protection provided by enclosures (IP Code). Amendment 1 (1999))
МЭК 60664-1:1992 Согласование изоляции для оборудования, находящегося в пределах низковольтных систем. Часть 1. Принципы, требования и испытания. Изменение 1 (2000). Изменение 2 (2002) (IEC 60664-1:1992, Insulation coordination for equipment within low-voltage systems - Part 1: Principles, requirements and tests. Amendment 1 (2000). Amendment 2 (2002))
МЭК 60664-3:2003 Согласование изоляции для оборудования, находящегося в пределах низковольтных систем. Часть 3. Использование покрытий для достижения согласования изоляции сборок печатных плат (IEC 60664-3:2003, Insulation coordination for equipment within low-voltage systems - Part 3: Use of coatings to achieve insulation coordination of printed board assemblies)
МЭК 60691:2002 Термопредохранители. Требования и руководство по применению (IEC 60691:2002, Thermal links - Requirements and application guide)
МЭК 60695-2-2:1991 Испытания на пожароопасность. Часть 2. Методы испытаний. Раздел 2. Испытание игольчатым пламенем (IEC 60695-2-2:1991, Fire hazard testing - Part 2: Test methods - Section 2: Needle-flame test)
МЭК 60695-11-10:1999 Испытания на пожароопасность. Часть 11-10. Типы испытательного пламени. Методы испытаний вертикальным и горизонтальным пламенем с энергией 50 Вт. Изменение 1 (2003) (IEC 60695-11 -10:1999, Fire hazard testing - Part 11-10: Test flames - 50 W horizontal and vertical flame test methods. Amendment 1 (2003))
МЭК 60707:1999 Методы испытания для определения воспламеняемости твердых электроизоляционных материалов при воздействии на них источника возгорания. Перечень методов испытания (IEC 60707:1999, Flammability of solid non-metallic materials when exposed to flame sources - List of test methods)
МЭК 60730 (все части) Автоматические электрические управляющие устройства бытового и аналогичного назначения (IEC 60730 (all parts), Automatic electrical controls for household and similar use)
МЭК 60825-1:1993 Безопасность лазерной аппаратуры. Часть 1. Классификация оборудования, требования и руководство для пользователей. Изменение 1 (1997). Изменение 2 (2001) (IEC 60825-1:1993, Safety of laser products - Part 1: Equipment classification, requirements and user's guide. Amendment 1 (1997). Amendment 2 (2001))
МЭК 60851-3:1996 Провода обмоточные. Методы испытаний. Часть 3. Механические свойства. Изменение 1 (1997) (IEC 60851-3:1996, Methods of test for winding wires - Part 3: Mechanical properties. Amendment 1 (1997))
МЭК 60851-5:1996 Провода обмоточные. Методы испытаний. Часть 5. Электрические свойства. Изменение 1 (1997). Изменение 2 (2004) (IEC 60851-5:1996, Methods of test for winding wires - Part 5: Electrical properties. Amendment 1 (1997). Amendment 2 (2004))
МЭК 60851-6:1996 Провода обмоточные. Методы испытаний. Часть 6. Термические свойства (IEC 60851-6:1996, Methods of test for winding wires - Part 6: Thermal properties)
МЭК 60884 (все части) Вилки и розетки бытового и аналогичного назначения (IEC 60884 (all parts), Plugs and socket-outlets for household and similar purposes)
МЭК 60885-1:1987 Электротехнические методы испытаний для электрических кабелей. Электротехнические испытания кабелей, шнуров и проводов на напряжение до 450/750 В включительно (IEC 60885-1:1987, Electrical test methods for electric cables - Part 1: Electrical tests for cables, cords and wires for voltages up to and including 450/750 V)
МЭК 60906 (все части) Система вилок и розеток МЭК бытового и аналогичного назначения (IEC 60906 (all parts), IEC system of plugs and socket-outlets for household and similar purposes)
МЭК 60950:1999 Безопасность оборудования информационных технологий (IEC 60950:1999, Safety of information technology equipment)
МЭК 60990:1999 Метод измерения тока от прикосновения и тока защитного проводника (IEC 60990:1999, Methods of measurement of touch current and protective conductor current)
МЭК 60998-2-2:2002 Соединительные устройства для низковольтных цепей бытового и аналогичного назначения. Часть 2-2. Дополнительные требования к безвинтовым контактным зажимам для присоединения медных проводников (IEC 60998-2-2:2002, Connecting devices for low-voltage circuits for household and similar purposes - Part 2-2: Particular requirements for connecting devices as separate entities with screwless-type clamping units)
МЭК 60999-1:1999 Соединительные устройства. Требования безопасности к контактным зажимам. Часть 1. Требования к винтовым и безвинтовым контактным зажимам для соединения медных проводников с номинальным сечением от 0,2 до 35 мм2 (IEC 60999-1:1999, Connecting devices - Electrical copper conductors - Safety requirements for screw-type and screwless-type clamping units - Part 1: General requirements and particular requirements for clamping units for conductors from 0,2 mm2 up to 35 mm2 (included))
МЭК 61032:1997 Защита людей и оборудования, обеспечиваемая оболочками. Щупы испытательные (IEC 61032:1997, Protection of persons and equipment by enclosures - Probes for verification)
МЭК 61051-2:1991 Варисторы для электронного оборудования. Часть 2. Групповые технические условия на варисторы - ограничители выбросов (IEC 61051-2:1991, Varistors for use in electronic equipment - Part 2: Sectional specification for surge suppression varistors)
МЭК 61058-1:2000 Выключатели для электроприборов. Часть 1. Общие требования и методы (IEC 61058-1:2000, Switches for appliances - Part 1: General requirements)
МЭК 61149:1995 Руководство для безопасного управления и обслуживания передвижного радиоэлектронного оборудования (IEC 61149:1995, Guide for safe handling and operation of mobile radio equipment)
МЭК 61260:1995 Электроакустика. Октавные и дробно-октавные фильтры (IEC 61260:1995, Electroacous-tics - Octave-band and fractional-octave-band filters)
МЭК 61293:1994 Оборудование. Маркировка с указанием параметров и характеристик источников питания (IEC 61293:1994, Marking of electrical equipment with ratings related to electrical supply - Safety requirements)
МЭК 61558-1:1997 Безопасность силовых трансформаторов, блоков питания и подобных устройств. Часть 1. Общие требования и испытания. Изменение 1 (1998) (IEC 61558-1:1997, Safety of power transformers, power supply units and similar - Part 1: General requirements and tests. Amendment 1 (1998))
МЭК 61558-2-17:1997 Безопасность силовых трансформаторов, блоков питания и подобных устройств. Часть 2-17. Частные требования для трансформаторов импульсных источников питания (IEC 61558-2-17:1997, Safety of power transformers, power supply units and similar - Part 2-17: Particular requirements for transformers for switch mode power supplies)
МЭК 61965:2003 Механическая безопасность электронно-лучевых трубок (IEC 61965:2003, Mechanical safety of cathode ray tubes)
МЭК 62151:2000 Безопасность оборудования, электрически соединенного с телекоммуникационной сетью (IEC 62151:2000, Safety of equipment electrically connected to a telecommunication network)
МЭК Руководство 104:1997 Подготовка публикаций по безопасности. Использование основных публикаций и групп публикаций по безопасности (IEC Guide 104:1997, The preparation of safety publications and the use of basic safety publications and group safety publications)
ИСО 261:1973 Резьба метрическая ИСО общего назначения. Основные параметры (ISO 261:1973, ISO general purpose metric screw threads - General plan)
ИСО 262:1973 Резьба метрическая ИСО общего назначения. Выборочные размеры винтов, болтов и гаек (ISO 262:1973, ISO general-purpose metric screw threads - Selected sizes for screws, bolts and nuts)
ИСО 306:1994 Пластмассы. Термопластичные материалы. Определение температуры размягчения по методу Вика (ISO 306:1994, Plastics - Thermoplastic materials - Determination of Vicat softening temperature (VST))
ИСО 7000:1989 Графические символы для использования в оборудовании. Указатели и обзорные сведения (ISO 7000:1989, Graphical symbols for use on equipment-Index and synopsis)
МСЭ-Т, Рекомендации К. 17:1988 Испытания повторителей на полупроводниковых приборах с удаленным электропитанием для проверки мер по защите от внешнего излучения (ITU-T Recommendation K17:1988, Tests on power-fed repeaters using solid-state devices in order to check the arrangements for protection from external interference)
МСЭ-Т, Рекомендации К.21:1996 Устойчивость телекоммуникационного оборудования, установленного в помещении потребителя к перенапряжениям и перегрузкам по току (ITU-T Recommendation K.21:1996, Resistibility of telecommunication equipment installed in customer's premises to overvoltages and overcurrents)
Примечание. Для ссылок на стандарты, в которых указан год издания, последующие поправки к любой из данных публикаций или пересмотры любой из них не применимы. Однако по согласованию сторон, участвующих в договоре на основе настоящего стандарта, допускается рассмотрение возможности применения самых новых редакций нормативных документов, приведенных выше. Для ссылок на стандарты, в обозначении которых не указан год издания, необходимо использовать самое последнее издание нормативного ссылочного документа. Страны - члены ИСО и МЭК ведут указатели действующих международных стандартов.
В настоящем стандарте применены следующие термины с соответствующими определениями.
2.1. Перечень терминов в алфавитном порядке
Выключатель с тепловым расцеплением
2.7.4
Дистанционное управление
2.2.9
Дополнительная изоляция
2.6.5
Защитная блокировка
2.7.9
Защитное разделение
2.6.7
Защитное экранирование
2.6.8
Изолирующий трансформатор
2.7.1
Источник питания общего назначения
2.2.4
Квалифицированное лицо
2.8.5
Клемма защитного заземления
2.4.6
Материал на древесной основе
2.8.9
Механический выключатель, управляемый вручную
2.7.10
Мощность на согласованной нагрузке
2.3.7
Напряжение без пульсаций
2.3.3
Напряжение при переходных процессах
в телекоммуникационной сети
2.3.9
Неискаженная выходная мощность
2.3.4
Непосредственное соединение с сетью
2.4.3
Номинальная потребляемая мощность
2.3.10
Номинальное напряжение питания
2.3.1
Номинальное полное сопротивление нагрузки
2.3.5
Номинальный ток потребления
2.3.6
Периодическое испытание
2.8.2
Постоянно подключенная аппаратура
2.4.2
Потенциальный источник воспламенения
2.8.11
Преобразователь входных сигналов
2.5.3
Преобразователь выходных сигналов
2.5.4
Профессиональный аппарат
2.2.12
Разделительный трансформатор
2.7.2
Разъединитель независимого действия
2.7.6
Соединитель (клемма)
2.4.5
Специальный источник питания
2.2.5
Телекоммуникационная сеть
2.4.7
Тепловое размыкающее устройство
2.7.3
Термоплавкий предохранитель
2.7.5
Терморезистор с положительным
температурным коэффициентом
2.7.8
Ток от прикосновения
2.6.9
Требуемое выдерживаемое напряжение
2.3.8
Удаленное электропитание
2.4.8
Усилитель звуковой частоты
2.2.1
Формирование изображения
2.2.8
Электронный музыкальный инструмент
2.2.2.
2.2. Типы аппаратуры
2.2.1. Усилитель звуковой частоты (audio amplifier): автономный аппарат или часть аппарата, относящийся(аяся) к области применения настоящего стандарта и предназначенный(ая) для усиления сигналов звуковой частоты.
2.2.2. Электронный музыкальный инструмент (electronic musical instrument): электронное устройство, воспроизводящее музыку под управлением пользователя, такое как электронный орган, электронное пианино или музыкальный синтезатор.
2.2.3. Источник питания (supply apparatus): аппарат, получающий энергию от сети и питающий один или более аппарат.
2.2.4. Источник питания общего назначения (supply apparatus for general use): источник питания, который может быть использован без специальных мер не только для питания аппаратуры, относящейся к области применения настоящего стандарта, но и к другим устройствам или аппаратам, например карманным калькуляторам.
2.2.5. Специальный источник питания (special supply apparatus): источник питания, предназначенный для питания только специальной аппаратуры, относящейся к области применения настоящего стандарта.
2.2.6. Лазерная система (laser system): лазер в сочетании с соответствующим источником лазерной энергии, включающим в себя дополнительные компоненты или не включающим их [см. МЭК 60825-1 (пункт 3.44)].
2.2.7. Лазер (laser): устройство, которое может быть предназначено для выработки или усиления электромагнитного излучения в диапазоне длин волн от 180 нм до 1 мм главным образом благодаря процессу управляемой индуцированной эмиссии [см. МЭК 60825-1 (пункт 3.44)].
2.2.8. Формирование изображения (imagery): обработка, редактирование видеосигналов, манипулирование ими и/или их накопление и хранение.
2.2.9. Дистанционное управление (remote control): управление аппаратом на расстоянии, например механическим, электрическим, акустическим способами или с помощью излучения.
2.2.10. Портативный аппарат (portable apparatus): специальный аппарат массой не более 18 кг, сконструированный для свободной переноски вручную.
2.2.11. Передвижной аппарат (transportable apparatus): аппарат массой не более 18 кг, специально сконструированный для часто повторяющихся перемещений с одного места на другое.
Примечание. Примеры передвижных аппаратов - музыкальные инструменты и действующие совместно с ними усилители.
2.2.12. Профессиональный аппарат (professional apparatus): аппарат, предназначенный для использования в торговле, профессиональной деятельности и на производстве и не предназначенный для широкой продажи.
2.3. Номинальные параметры и электрические величины
2.3.1. Номинальное напряжение питания (rated supply voltage): напряжение питания или диапазон напряжений (в случае питания от трехфазной сети - напряжение между фазами), на который аппарат рассчитан изготовителем.
2.3.2. Рабочее напряжение (operating voltage): наибольшее напряжение без учета неповторяющихся переходных процессов, которому подвергается или может быть подвергнута рассматриваемая изоляция во время работы аппарата при номинальном напряжении питания в нормальных условиях эксплуатации.
2.3.3. Напряжение без пульсаций (ripple free): напряжение постоянного тока, среднеквадратичное значение пульсаций которого равно не более чем 10% постоянной составляющей напряжения. Максимальное пиковое значение напряжения не превышает 140 В для систем постоянного тока без пульсаций с номинальным напряжением 120 В и 70 В - для систем постоянного тока без пульсаций с номинальным напряжением 60 В.
2.3.4. Неискаженная выходная мощность (non-clipped output power): мощность сигнала синусоидальной формы, рассеиваемая при номинальном полном сопротивлении нагрузки и измеренная на частоте 1000 Гц при начале ограничения одного либо обоих пиков сигнала.
В тех случаях, когда усилитель не предназначен для работы на частоте 1000 Гц, испытание необходимо проводить на частоте, при которой усилитель имеет максимальную амплитуду выходного сигнала.
2.3.5. Номинальное полное сопротивление нагрузки (rated load impedance): указанное изготовителем сопротивление, к которому должна быть подключена выходная схема.
2.3.6. Номинальный ток потребления (rated current consumption): ток потребления аппарата, работающего при номинальном напряжении питания в нормальных условиях эксплуатации.
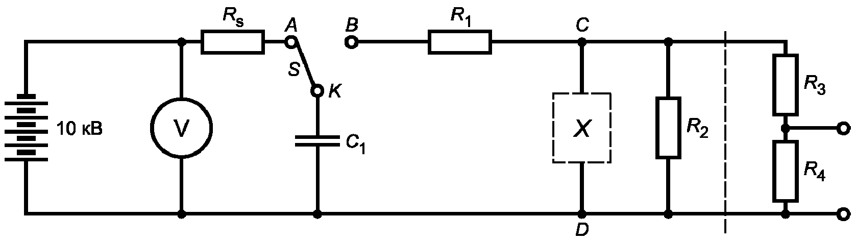
2.3.7. Мощность на согласованной нагрузке (available power): максимальная мощность, которая может быть получена от питающей цепи при сопротивлении нагрузки, значение которого выбрано по максимальному значению мощности за время более 2 мин при отключенной цепи, получающей электропитание (см.
рисунок 1).
2.3.8. Требуемое выдерживаемое напряжение (required withstand voltage): пиковое напряжение, которое предположительно должна выдерживать изоляция.
2.3.9. Напряжение при переходных процессах в телекоммуникационной сети (telecommunication network transient voltage): наивысшее пиковое напряжение в точке подключения аппарата к телекоммуникационной сети, которое может быть создано в сети под воздействием внешних переходных процессов.
2.3.10. Номинальная потребляемая мощность (rated power consumption): мощность, потребляемая аппаратом при номинальном напряжении питания в нормальных условиях эксплуатации и выражаемая в ваттах.
2.4. Электропитание и внешние соединения
2.4.1. Сеть (mains): источник электроэнергии с номинальным напряжением более 35 В (амплитудное значение) переменного или постоянного тока, используемый не только для питания аппаратуры, указанной в
1.1.1.
2.4.2. Постоянно подключенная аппаратура (permanently connected apparatus): аппаратура, предназначенная для подключения к сети посредством соединения, которое не может быть разъединено вручную.
2.4.3. Непосредственное соединение с сетью (directly connected to the mains): электрическое соединение с сетью, выполненное так, что при его подсоединении к одному из полюсов сети в этом соединении возникает ток, равный или более 9 А, при этом защитные устройства аппарата не замыкаются накоротко.
Примечание. Ток 9 А выбран как минимальный ток срабатывания плавкого предохранителя с номинальным значением 6 А.
2.4.4. Соединение с сетью (conductively connected to the mains): электрическое соединение с сетью, выполненное таким образом, что при его подсоединении к одному из полюсов сети через резистор сопротивлением 2000 Ом в этом резисторе возникает продолжительный ток более 0,7 А (пиковое значение), при этом аппарат не подключается к защитному заземлению.
2.4.5. Соединитель (клемма) (terminal): часть аппарата, с помощью которой осуществляется соединение с внешними проводниками или другими аппаратами. Соединитель может иметь различное число контактов.
2.4.6. Клемма защитного заземления (protective earthing terminal): клемма, с которой соединены части аппаратуры, которые должны быть заземлены в целях безопасности.
2.4.7. Телекоммуникационная сеть (telecommunication network): передающая среда, заканчивающаяся проводной линией, предназначенной для связи между аппаратурой, которая может быть размещена в различных зданиях, исключая:
- магистральную систему для электропитания, передачи и распределения электрической энергии, если она используется как передающая среда связи;
- кабельные распределительные системы телевидения.
Примечания. 1. Термин "телекоммуникационная сеть" определяет функциональное назначение, а не электрические характеристики сети. Телекоммуникационная сеть не определена непосредственно как цепь напряжения телекоммуникационной сети (НТС). Такая классификация относится только к цепям, расположенным в аппаратуре.
2. Телекоммуникационная сеть может быть:
- общедоступной или частной;
- подвергнута перенапряжениям от переходных процессов, вызываемых атмосферными разрядами и неисправностями в системах электропитания;
- подвергнута продольным (общим несимметричным) напряжениям, наводимым от проходящих рядом линий электросети или городского электротранспорта.
3. Примерами телекоммуникационных сетей служат:
- общие телефонные сети коммутационного типа;
- сети общественной информации;
- интегрированные служебные цифровые сети (ISDN);
- частные сети с характеристиками электрического сопряжения, аналогичными приведенным выше.
2.4.8. Удаленное электропитание (remote power feeding): снабжение электропитанием аппарата посредством передачи его через кабельную сеть, например телекоммуникационную сеть или сеть распределения антенного сигнала.
2.4.9. Цепь НТС (TNV circuit): цепь в аппаратуре, для которой доступная зона контакта ограничена (за исключением цепей НТС-0) и которая спроектирована и защищена так, что в нормальных условиях и при единичном повреждении значение напряжения не превышает предельно допустимого значения.
Цепь НТС рассматривают как цепь, не соединенную с сетью.
Примечание 1. Предельные значения напряжений в нормальных условиях и при единичном повреждении приведены в
Приложении B. Требования к доступности для цепей НТС указаны в МЭК 62151 (пункт 4.2.2).
Цепи НТС классифицируют как цепи НТС-0, НТС-1, НТС-2 и НТС-3 в соответствии с
2.4.10 -
2.4.13.
Примечание 2. Соотношения между напряжениями цепей НТС показаны в таблице 1.
Таблица 1
Пределы напряжений для цепей НТС
Превышение напряжения из телекоммуникационных сетей возможно? | Диапазон напряжений |
В пределах НТС-0 цепи | Превышение пределов НТС-0 цепи, но в пределах НТС цепей |
Да | Цепь НТС-1 | Цепь НТС-3 |
Нет | Цепь НТС-0 | Цепь НТС-2 |
2.4.10. Цепь НТС-0 (TNV-0 circuit): не подверженная перенапряжениям от телекоммуникационной сети НТС цепь с напряжением, значение которого не превышает безопасного значения в нормальных условиях и в случае единичного повреждения.
Примечание. Предельные значения напряжения в нормальных условиях работы приведены в
9.1.1.1, перечисление a) и в случае единичного повреждения - в
11.1.
2.4.11. Цепь НТС-1 (TNV-1 circuit): цепь НТС, нормальные рабочие напряжения которой не превышают пределов для цепей НТС-0 в нормальных условиях работы и в которой возможны перенапряжения от телекоммуникационных сетей.
2.4.12. Цепь НТС-2 (TNV-2 circuit): цепь НТС, напряжение при нормальной работе которой превышает пределы для цепей НТС-0 в нормальных условиях и которая не подвержена перенапряжениям от телекоммуникационных сетей.
2.4.13. Цепь НТС-3 (TNV-3 circuit): цепь НТС, напряжение при нормальной работе которой превышает пределы для цепей НТС-0 в нормальных условиях и в которой возможны перенапряжения от телекоммуникационных сетей.
2.5. Сигналы, источники, нагрузки
2.5.1. Розовый шум (pink noise): сигнал шума, энергия которого на единицу ширины полосы частот

обратно пропорциональна частоте.
2.5.2. Сигнал шума (noise signal): устойчивый хаотический сигнал, имеющий нормальное вероятностное распределение мгновенных значений, если иное не установлено, равное нулю.
2.5.3. Преобразователь входных сигналов (source transducer): устройство, предназначенное для преобразования энергии неэлектрического сигнала в электрическую энергию.
Примечание. Примеры таких устройств: микрофон, формирователь сигналов изображения, магнитная воспроизводящая головка, лазерная воспроизводящая головка.
2.5.4. Преобразователь выходных сигналов (load transducer): устройство, предназначенное для преобразования энергии электрического сигнала в энергию другого вида.
Примечание. Примеры таких устройств: громкоговоритель, кинескоп, жидкокристаллический дисплей, магнитная записывающая головка.
2.6. Защита от поражения электрическим током, изоляция
2.6.1. Класс I (class I): конструкция аппарата, предусматривающая защиту от поражения электрическим током не только посредством основной изоляции, но и с помощью дополнительных мер безопасности, таких как подключение доступных токопроводящих частей к защитному (заземляющему) проводу в фиксированной проводке аппарата способом, не позволяющим им стать опасными для жизни в случае повреждения основной изоляции.
Примечание. Аппарат такой конструкции может иметь части, относящиеся к классу II.
2.6.2. Класс II (class II): конструкция аппарата, предусматривающая защиту от поражения электрическим током не только посредством основной изоляции, но и с помощью дополнительных мер безопасности, таких как использование двойной или усиленной изоляции, и не предусматривающая подключения защитного заземления или выполнения специальных условий монтажа.
2.6.3. Основная изоляция (basic insulation): изоляция опасных для жизни частей, обеспечивающая основную защиту от поражения электрическим током.
Примечание. Основная изоляция необязательно должна включать в себя изоляцию, используемую только для функциональных целей.
2.6.4. Двойная изоляция (double insulation): изоляция, включающая в себя как основную, так и дополнительную изоляцию.
2.6.5. Дополнительная изоляция (supplementary insulation): независимая изоляция, дополняющая основную изоляцию и служащая для защиты от поражения электрическим током в случае пробоя основной изоляции.
2.6.6. Усиленная изоляция (reinforced insulation): единая система изоляции опасных для жизни частей, обеспечивающая степень защиты от поражения электрическим током, эквивалентную степени защиты, обеспечиваемой двойной изоляцией.
Примечание. Усиленная изоляция может включать в себя несколько слоев, которые не должны быть испытаны отдельно как основная или дополнительная изоляция.
2.6.7. Защитное разделение (protective separation): разделение между цепями посредством основной и дополнительной защиты (основная изоляция плюс дополнительная изоляция или плюс защитное экранирование) или равноценное обеспечение защиты, например посредством усиленной изоляции.
2.6.8. Защитное экранирование (protective screening): отделение от опасных для жизни частей проводящими экранами, соединенными с клеммой защитного заземления.
2.6.9. Ток от прикосновения (touch current): ток, проходящий через тело человека при прикосновении к одной или более доступной части аппаратуры в нормальных рабочих условиях или при неисправностях.
2.6.10. Опасные для жизни (hazardous live): условия, характеризующиеся такими электрическими параметрами объекта, при которых может возникнуть опасный ток от прикосновения (см.
9.1.1).
2.6.11. Зазор (clearance): кратчайшее расстояние между двумя токопроводящими частями в воздухе.
2.6.12. Путь утечки (creepage distance): кратчайшее расстояние между двумя токопроводящими частями, измеренное по внешней поверхности изоляционного материала.
2.7. Компоненты
2.7.1. Изолирующий трансформатор (isolating transformer): трансформатор, имеющий защитное разделение между входной и выходной обмотками.
2.7.2. Разделительный трансформатор (separating transformer): трансформатор, входные обмотки которого отделены от выходных обмоток, по крайней мере, с помощью основной изоляции.
Примечание. Такие трансформаторы могут иметь части, удовлетворяющие требованиям изолирующих трансформаторов.
2.7.3. Тепловое размыкающее устройство (thermal release): устройство, предотвращающее сохранение чрезмерно высоких температур в определенных частях аппарата путем отключения этих частей от их источника питания.
Примечание. Терморезисторы с положительным тепловым коэффициентом (см.
2.7.8) не относятся к тепловым выключающим автоматам в контексте этого определения.
2.7.4. Выключатель с тепловым расцеплением (thermal cut-out): тепловое размыкающее устройство с возвратом в исходное положение, не имеющее средств установки температуры срабатывания пользователем.
Примечание. Выключатель с тепловым расцеплением может быть с автоматическим или с ручным возвратом в исходное положение.
2.7.5. Термоплавкий предохранитель (thermal link): тепловое размыкающее устройство без возврата в исходное положение, которое действует только один раз, а затем требуется полная или частичная его замена.
2.7.6. Разъединитель независимого действия (trip-free): автоматический разъединитель с элементами возвратного действия, конструкцией которого должна быть предусмотрена независимость его автоматического действия от манипуляции или положения механизма возврата.
2.7.7. Микроразъединитель (micro-disconnection): устройство, имеющее контакт разъединения, необходимый для обеспечения функциональной безопасности.
Примечание. Существует требование по электрической прочности промежутка между контактами, но отсутствуют требования к его размерам.
2.7.8. Терморезистор с положительным температурным коэффициентом (PTC thermistor): термочувствительный полупроводниковый резистор, характеризующийся скачкообразным увеличением своего сопротивления при возрастании температуры до определенного значения. Изменение температуры происходит либо при протекании тока через термочувствительный элемент, либо вследствие изменения температуры окружающей среды, либо при сочетании обоих факторов.
2.7.9. Защитная блокировка (safety interlock): средства, которые либо предотвращают доступ к опасной зоне, пока опасность существует, либо автоматически устраняют опасные условия при осуществлении доступа.
2.7.10. Механический выключатель, управляемый вручную (manually operated mechanical switch): управляемое вручную и не содержащее полупроводниковых приборов устройство, расположенное в любой цепи аппарата, которое может прерывать посредством перемещения контактов предполагаемые функции, такие как звук и/или изображение.
Примечание. К механическим выключателям, управляемым вручную, относятся однополюсные или всеполюсные сетевые выключатели, функциональные выключатели и выключающие системы, которые, например, могут быть комбинацией реле и выключателей, управляющих действиями реле.
2.7.11. Сетевой выключатель (mains switch): управляемый вручную механический выключатель, разъединяющий все полюсы сети, за исключением провода защитного заземления.
2.7.12. Печатная плата (printed board): основание, выполненное из материала, ограниченное до требуемых размеров, содержащее все необходимые отверстия и несущее, по крайней мере, один токопроводящий рисунок.
2.7.13. Токопроводящий рисунок (conductive pattern): конфигурация, образованная электропроводящим материалом печатной платы.
2.7.14. Специальная батарея (special battery): одна или более перезаряжаемая батарея, идентифицированная по наименованию изготовителя батареи или каталожному номеру, поставляемая совместно с аппаратом или рекомендованная для использования изготовителем аппарата.
2.8. Разное
2.8.1. Типовое испытание (type test): испытание одного или более образца конкретной конструкции, которое проводят с целью показать, что данная конструкция аппарата соответствует всем требованиям настоящего стандарта.
2.8.2. Периодическое испытание (routine test): испытание, которому подвергают каждый образец во время или после изготовления с целью убедиться в его соответствии определенным критериям.
2.8.3. Доступная (accessible): часть, к которой возможно прикосновение с помощью испытательного пальца, соответствующего МЭК 61032 (испытательный щуп В).
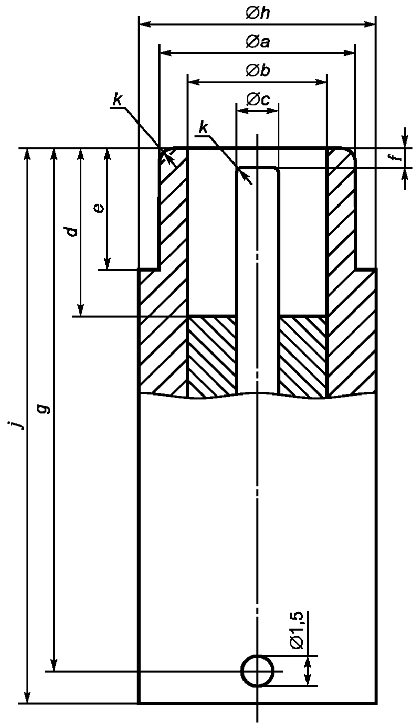
Примечание. Любую доступную область непроводящей части рассматривают как область, покрытую токопроводящим слоем (см.
рисунок 3).
2.8.4. Вручную (by hand): действие, которое не требует использования какого-либо предмета, такого как инструмент, монета и т.п.
2.8.5. Квалифицированное лицо (skilled person): лицо, имеющее соответствующие образование и опыт работы, позволяющие избежать опасностей и предотвратить риск, который может создать электрический ток.
2.8.6. Обученное лицо (instructed person): лицо, соответственно осведомленное или проинструктированное квалифицированными лицами, что позволяет избежать опасностей и предотвратить риск, который может создать электрический ток.
2.8.7. Пользователь (user): любое лицо, не являющееся квалифицированным лицом или обученным лицом, которое может соприкасаться с аппаратурой.
2.8.8. Дежурный режим (stand-by): условия эксплуатации, при которых основные функции, такие как звук и/или изображение, выключены и аппаратура находится в работе только частично, а постоянные функции, такие как часы, остаются и позволяют включить аппаратуру в работу полностью, например автоматически или с помощью дистанционного управления.
2.8.9. Материал на древесной основе (wood-based material): материал, основная составляющая часть которого выполнена из механически обработанного натурального дерева в смеси со связующим веществом.
Примечание. Примеры материала на древесной основе: материалы, содержащие корни или ветки дерева в виде твердого волокна или опилок.
2.8.10. Противопожарный кожух (fire enclosure): часть аппарата, предназначенная для сведения к минимуму риска распространения огня или пламени.
2.8.11. Потенциальный источник воспламенения (potential ignition source): неисправность, такая как плохой контакт или обрыв электрического соединения, которая может стать причиной возникновения огня, если в нормальных условиях напряжение разомкнутой цепи превышает 50 В постоянного тока или амплитудного значения переменного тока и произведение данного напряжения на измеренный ток, который будет протекать через цепь с неисправностью, превышает 15 В·А. Подобная неисправность возможна и на токопроводящих рисунках печатных плат.
Примечание. Электронная цепь защиты может быть применена для предотвращения неисправности как причины возникновения потенциального источника воспламенения.
3.1. Конструкцией аппаратуры должно быть предусмотрено исключение опасности как при нормальных условиях эксплуатации, так и в условиях неисправностей. Для этого должна быть обеспечена защита от следующих факторов:
- опасных токов, проходящих через тело человека (поражение электрическим током);
- воздействий высоких температур;
- воздействия опасных излучений;
- взрыва и его последствий;
- последствий механической неустойчивости;
- травм от механических частей;
- возникновения и распространения огня.
В основном соответствие этим требованиям проверяют путем проведения всех необходимых испытаний при нормальной работе и в условиях неисправностей, как указано в
4.2 и
4.3.
3.2. Аппаратура, разработанная для питания от сети, должна быть выполнена в соответствии с требованиями к аппаратам класса I или класса II.
4. ОБЩИЕ УСЛОВИЯ ИСПЫТАНИЙ
4.1. Проведение испытаний
4.1.1. #Испытания, определенные в настоящем стандарте, относятся к типовым испытаниям.#
Примечание. Рекомендации для периодических испытаний приведены в
Приложении N.
4.1.2. #Испытуемый образец или образцы должны быть характерными для аппаратуры, которую будет получать пользователь, или представлять собой аппаратуру, готовую для отправки пользователю.
Кроме испытаний укомплектованного аппарата, допускается проводить испытания цепей, компонентов или отдельных блоков вне аппарата, но при условии, что результаты проверки аппарата и компоновки его элементов будут гарантировать соответствие аппарата в сборе требованиям настоящего стандарта.
Если при любом таком испытании обнаружена вероятность несоответствия укомплектованного аппарата, то испытания должны быть повторены непосредственно на аппарате.
Если испытание, определенное настоящим стандартом, может быть разрушающим, то допускается использование макета, позволяющего оценить условия проведения данного испытания.#
Примечания. 1. Испытания проводят в следующем порядке:
- предварительный отбор компонентов или материалов;
- стендовые испытания компонентов или отдельных блоков;
- испытания, при которых на аппаратуру не подается электропитание;
- испытания работающей аппаратуры:
- при нормальных условиях эксплуатации,
- в условиях неисправной работы,
- вызывающие возможные разрушения.
2. В целях уменьшения привлекаемых к испытаниям ресурсов и, следовательно, отходов от испытаний рекомендуется, чтобы все заинтересованные стороны совместно рассматривали программу испытаний, образцы для испытаний и порядок их проведения.
4.1.3. #В отсутствие иных указаний испытания проводят в нормальных условиях эксплуатации:
- при температуре окружающей среды от 15 °C до 35 °C;
- при относительной влажности воздуха не более 75%.
4.1.4. Любое положение аппарата, в котором он предназначен для эксплуатации, не должно препятствовать нормальной вентиляции.
Измерения температуры следует проводить на аппарате, размещенном в соответствии с указаниями изготовителя в инструкции по эксплуатации. Если такие указания отсутствуют, то аппарат должен быть размещен на 5 см в глубину от переднего края открытой фронтальной стороны деревянного короба для испытаний; вдоль боковых сторон и сверху должно быть свободное пространство 1 см и 5 см - в глубину позади аппарата.
Испытания аппарата, являющегося составной частью другого аппарата, не предоставленного изготовителем, следует проводить в соответствии с инструкциями для применения, предусмотренными изготовителем. Особое внимание необходимо обратить на обеспечение соответствующей вентиляции аппарата.#
4.1.5. #Характеристики источников питания, за исключением указанных в
4.2.1, используемых при испытаниях, не должны оказывать значительного влияния на результаты испытаний.
Примеры таких характеристик: полное сопротивление и форма колебаний источника.#
4.1.6. #При необходимости используют стандартный сигнал, состоящий из розового шума, ограниченного полосовым фильтром, характеристики которого приведены на
рисунке C.1 (Приложение C).#
Примечание. При необходимости стандартный сигнал может быть применен для модуляции несущей частоты.
#Выходное измерительное оборудование должно показывать истинные среднеквадратичные значения для сигналов, имеющих пик-фактор, достигающий, по крайней мере, 3. Необходимая частотная характеристика оборудования приведена в
Приложении C.#
4.1.7. #Значения переменного тока, приводимые в настоящем стандарте, - это среднеквадратичные значения, если нет иных указаний. Значения постоянного тока, приводимые в настоящем стандарте, - это значения без пульсаций.#
4.2. Нормальные условия эксплуатации
#Нормальные условия эксплуатации - наиболее неблагоприятная комбинация следующих условий.#
4.2.1. #Напряжение питания, подаваемое на аппарат (за исключением аппаратуры, питаемой от батарей), должно быть от 0,9 до 1,1 любого значения номинального напряжения питания, на которое он рассчитан.
Для аппарата, питающегося от батарей, используют полностью заряженную перезаряжаемую батарею или новую неперезаряжаемую батарею.
В случае сомнения испытания также могут быть проведены при любом номинальном значении напряжения питания.
Для аппарата, имеющего диапазон номинальных напряжений питания и не требующего применения переключателя напряжения питания, испытания следует проводить при напряжении питания, составляющем 0,9 нижнего предела диапазона номинальных напряжений питания или 1,1 верхнего предела этого диапазона. При необходимости допускается проводить испытания при любом номинальном напряжении питания, находящемся в пределах диапазона напряжений, обозначенного на аппарате.
Любое номинальное значение частоты напряжения питания, указанное на аппарате, следует использовать при испытаниях.
Любой вид питания, на который рассчитана аппаратура, может быть применен.
Для аппаратуры с питанием от источников постоянного тока может быть использована любая полярность, если этому не препятствует конструкция аппарата.#
4.2.2. #Допустимо любое положение органов управления или регулирования, доступных потребителю для настройки вручную, включая дистанционное управление, кроме устройств переключения напряжения питания, требования к которым изложены в
14.8, и регулировки уровня громкости и тона.
Любое устройство дистанционного управления, соединяемое кабелем и подключаемое с помощью разъема или аналогичного устройства, может быть подключено или отключено.
Открывающаяся вручную крышка, закрывающая лазерную систему, может быть открыта полностью, приоткрыта или закрыта.#
4.2.3. #При однофазном питании любая клемма заземления или любая клемма защитного заземления может быть соединена с любым полюсом изолирующего источника питания, используемого при испытаниях.#
В случае питания от источника, имеющего более одной фазы, любая клемма заземления или любая клемма защитного заземления может быть соединена с нейтралью или любой фазой изолирующего источника питания, используемого при испытаниях.
4.2.4. #Кроме того, для усилителя звуковой частоты предусмотрены следующие условия.
a) Усилитель регулируют таким образом, чтобы, используя стандартный сигнал, приведенный в
4.1.6, получить при номинальном полном сопротивлении нагрузки 1/8 неискаженной выходной мощности, при этом регуляторы тембра должны находиться в среднем положении.
Если при использовании стандартного сигнала неискаженную выходную мощность не получают, то используют 1/8 максимально возможной выходной мощности.
Когда стандартный сигнал для усилителя неблагоприятен, может быть использован синусоидальный сигнал частотой 1 кГц или, где необходимо, другой частоты, соответствующей среднегеометрическому значению от верхней и нижней точек диапазона рабочих частот усилителя в пределах 3 дБ.
Если результат измерений при использовании синусоидального сигнала не соответствует требованиям настоящего стандарта, то измерения с сигналом розового шума считают решающими.
При определении того, что опасно для жизни - часть аппарата или контакт соединителя по
9.1.1.1 и
11.1, на вход аппарата подают испытательный синусоидальный сигнал частотой 1 кГц или, где необходимо, другой частоты, соответствующей среднегеометрическому значению от верхней и нижней точек диапазона рабочих частот усилителя в пределах 3 дБ; при номинальном полном сопротивлении нагрузки получают неискаженную выходную мощность. Выходное напряжение открытой цепи определяют после отключения нагрузки.
b) Самое неблагоприятное номинальное полное сопротивление нагрузки может быть подключено или не подключено к любой выходной цепи.
c) Органы или аналогичные электронные музыкальные инструменты должны иметь генератор звуковой частоты, управляемый любой комбинацией из десяти органов ручного управления и двух органов управления в виде ножной педали, при их наличии, и всеми регистрами и клавишами, с помощью которых может быть повышена выходная мощность.
Для усилителей звуковой частоты, используемых в электронном музыкальном инструменте, который не вырабатывает непрерывного тона, стандартный сигнал, указанный в
4.1.6, подают на входные клеммы или на вход соответствующего каскада усилителя звуковой частоты.
d) Если предполагаемая функция усилителя зависит от разности фаз между двумя каналами, то подаваемые сигналы должны иметь разницу фаз 90°.#
4.2.5. #Для аппарата, имеющего электродвигатели, условия нагрузки для электродвигателя выбирают такими, которые возможны в течение предполагаемой эксплуатации, включая остановку вручную, если это выполнимо.#
4.2.6. #Устройство, предназначенное для питания другой аппаратуры, либо нагружают таким образом, чтобы получить его номинальную выходную мощность, либо это устройство работает без нагрузки.#
4.2.7. #Источник питания, используемый внутри аппарата, для которого он исключительно предназначен, испытывают в составе этого аппарата после его установки в соответствии с инструкцией изготовителя по использованию.#
4.2.8. #Кроме того, для аппаратуры персональной радиосвязи предусмотрено подключение или неподключение номинального полного сопротивления нагрузки к антенному соединителю, или выдвижение телескопической антенны на любую длину, если таковая имеется в наличии. Условия испытаний в режиме передачи определены в МЭК 61149.#
4.2.9. Аппаратура управления положением антенны
4.2.9.1. #Дополнительно для аппаратуры управления положением антенны в сочетании с его органом управления и источником питания предусмотрены:
- четыре последовательные перемещения из одного крайнего положения в другое;
- 15-минутная пауза.
Периоды перемещений и пауз повторяют столько раз, сколько необходимо для соответствующих испытаний. Для измерений температуры периоды перемещений и пауз повторяют до достижения устойчивого состояния температуры, но не более 4 ч.
После последнего периода перемещения 15-минутную паузу при температурных измерениях не применяют.#
4.2.9.2. #Дополнительно для аппаратуры дистанционного управления положением спутниковой антенны, состоящей из блока питания и устройства контроля без системы управления электродвигателем, блок питания должен быть нагруженным в соответствии с указанной номинальной мощностью и работать циклично в режиме: 5 мин включен и 15 мин выключен.#
4.2.10. #Аппарат, сконструированный для питания только от специального источника питания, указанного изготовителем, следует испытывать совместно с этим специальным источником питания. Напряжение питания специального источника питания определяют в соответствии с
4.2.1.
Когда специальный источник питания имеет устройство регулировки выходного напряжения, необходимо установить номинальное напряжение питания испытуемого аппарата.#
4.2.11. #Аппарат, который может питаться от источника питания общего пользования, должен питаться от испытательного источника питания при соответствующем номинальном напряжении питания для испытуемого аппарата согласно данным, приведенным в таблице 2. Значения напряжений без нагрузки, приведенные в таблице 2, увеличивают и уменьшают согласно требованиям
4.2.1.#
Таблица 2
Испытательный источник питания
┌──────────────────────┬──────────────────────┬───────────────────────────┐
│Номинальное напряжение│Номинальное напряжение│ Внутреннее сопротивление, │
│ питания постоянного │ без нагрузки │ Ом │
│ тока, В │ постоянного тока, В │ │
├──────────────────────┼──────────────────────┼───────────────────────────┤
│ 1,5 │ 2,25 │ 0,75 │
│ 3,0 │ 4,50 │ 1,50 │
│ 4,5 │ 6,75 │ 2,25 │
├──────────────────────┴──────────────────────┴───────────────────────────┤
│ Примечание. В таблице приведен стандартизованный набор параметров│
│питания, позволяющий иметь представление о значениях этих параметров│
│для источников питания общего назначения с выходным напряжением от 1,5│
│до 12 В и с номинальным выходным током более 1 А. │
│ │
│ Параметры для источников питания с напряжением более 12 В и током│
│более 1 А находятся на рассмотрении. │
└─────────────────────────────────────────────────────────────────────────┘
4.2.12. #Аппарат, поставляемый изготовителем с дополнительными съемными ножками или подставками, испытывают с прикрепленными ножками или подставками или же без них.#
4.3. Условия неисправности
#Испытания аппаратуры в условиях неисправности означают, что, кроме нормальных условий работы, перечисленных в
4.2, должна быть проведена поочередная (не более одной за раз) имитация каждой из указанных ниже неисправностей, а также других неисправностей, вытекающих из предыдущих.#
Примечание. Логическое следствие условий неисправности - те условия, которые возникают при появлении неисправности.
#Цепи или части цепи, питаемые от напряжения открытой цепи, не превышающего 35 В (пиковое значение) переменного тока или постоянного тока, и не вырабатывающие напряжения выше этого значения, не считают представляющими опасность воспламенения, если ток, который может протекать от питающей цепи в течение более 2 мин при любой нагрузке, включая короткое замыкание, не достигает более 0,2 А. Цепи с такими параметрами питания не подлежат испытаниям в условиях неисправности.
Пример испытательной цепи для измерения напряжения и тока приведен на
рисунке 1.#
Примечания. 2. Обследование аппарата и всех его электрических схем, за исключением внутренней структуры интегральных микросхем, как правило, обнаруживает условия неисправностей, которые могут порождать опасность и которые необходимо имитировать. Эти условия должны быть сымитированы последовательно в наиболее удобном порядке.
3. При проведении обследования в соответствии с примечанием 2 необходимо принимать во внимание рабочие характеристики интегральных микросхем.
4. Если имеется вероятность влияния на результаты испытаний, то испытания в условиях неисправностей следует проводить в деревянном коробе для испытаний, указанном в
4.1.4.
#При испытаниях сымитированная неисправность может вызвать последующую неисправность, такую как обрыв или короткое замыкание компонента. Для подтверждения постоянства полученных результатов имитация неисправности может быть повторена один или два раза с заменой компонентов. Если это не подтвердится, то необходимо имитировать самый неблагоприятный режим неисправности.#
4.3.1. #Короткое замыкание через зазоры и пути утечки при значениях этих величин, менее определяемых в
разделе 13 для основной и дополнительной изоляции, за исключением изоляции между непосредственно соединенными с сетью частями различной полярности.#
Примечание. Для зазоров между непосредственно соединенными с сетью частями различной полярности см.
13.1.
4.3.2. #Короткое замыкание через части из изоляционного материала, короткое замыкание, которое может привести к нарушению требований по защите от поражения электрическим током или к перегреву, за исключением изолирующих деталей, которые удовлетворяют требованиям
10.3.#
Примечание. Изложенное в этом пункте не предусматривает короткого замыкания через изоляцию между витками обмотки.
4.3.3. #Короткое замыкание или, если это возможно, обрыв:
- нитей накала в электронных лампах;
- изоляции между нитями накала и катодом электронных ламп;
- промежутков между электродами в электронных лампах, исключая кинескопы;
- полупроводниковых приборов, один вывод которых обрывается, или любые два вывода соединяются между собой поочередно, но не более одной неисправности за раз [см. также
4.3.4, перечисление d)].#
Примечание. Если электронные лампы имеют такую конструкцию, в которой короткое замыкание между определенными электродами маловероятно или даже невозможно, то такие электроды не должны быть замкнуты накоротко.
4.3.4. #Короткое замыкание или обрыв (выбирают наиболее неблагоприятный случай) резисторов, конденсаторов, обмоток (например, трансформаторов, катушек размагничивания), громкоговорителей, оптопар, варисторов или пассивных нелинейных компонентов, который может привести к нарушению требований по защите от поражения электрическим током или перегреву.
Такие условия неисправностей не распространяются на следующие компоненты:
a) резисторы, соответствующие требованиям
14.1, и настолько, насколько это применимо, требованиям
11.2;
b) терморезисторы с положительным температурным коэффициентом, удовлетворяющие требованиям разделов 15, 17, J.15 и J.17 МЭК 60730-1;
c) конденсаторы и резистивно-емкостные блоки (RC-блоки), удовлетворяющие требованиям
14.2, при условии, что значение напряжения на их выводах не превышает номинального значения, установленного для этих компонентов, а также при условии, что применение данных компонентов соответствует
8.5 или
8.6;
d) изоляцию между выводами входа и выхода оптопар, соответствующую требованиям
14.11;
e) обмотки и изоляцию трансформаторов, а также другие обмотки, указанные в
14.3 и соответствующие требованиям этого пункта;
f) варисторы, ограничивающие выбросы, соответствующие требованиям
14.12.#
4.3.5. #Для аппарата, содержащего усилитель звуковой частоты, при использовании стандартного сигнала, описанного в
4.1.6, при номинальном полном сопротивлении нагрузки создают наиболее неблагоприятную выходную мощность от нуля до максимально достижимого значения либо, если возможно, к выходным клеммам подключают наиболее неблагоприятное сопротивление нагрузки, включая короткое замыкание или обрыв.#
4.3.6. #Электродвигатели затормаживают.#
4.3.7. #Непрерывная работа электродвигателей, обмоток реле или подобных устройств, предназначенных для кратковременной или нерегулярной работы, если она возможна во время работы аппарата.#
4.3.8. #Одновременное подключение аппарата к альтернативным источникам питания, кроме случаев, когда это невозможно из-за конструктивных особенностей.#
4.3.9. #Подключение выходных клемм (за исключением сетевых розеток, непосредственно соединенных с сетью) аппарата, предназначенных для питания других аппаратов, к наиболее неблагоприятному полному сопротивлению нагрузки, включая короткое замыкание. Выходные сетевые розетки подключают к сопротивлению нагрузки, соответствующей 1,1 максимально возможной нагрузки исходя из защиты от перегрузки по току, за исключением случаев, когда проводка, подключенная к выходным розеткам, имеет такую же площадь поперечного сечения, что и сетевой шнур.#
4.3.10. #Верхнюю, боковые и заднюю поверхности аппарата, имеющие вентиляционные отверстия, поочередно накрывают (не более одной поверхности за раз) листом бумаги плотностью 200 г/м2. Лист бумаги должен иметь размеры не менее размеров испытуемой поверхности и покрывать все вентиляционные отверстия.
Если вентиляционные отверстия расположены в различных местах верхней поверхности аппарата, то их накрывают одновременно отдельными листами бумаги.
Отверстия, расположенные на верхней поверхности аппарата, которая наклонена под углом более 30° и менее 60° относительно горизонтали и с которой предметы, закрывающие вентиляционные отверстия, могут свободно соскользнуть, не накрывают.
Отверстия, расположенные на задней и боковых поверхностях аппарата, закрывают свободно свисающим листом бумаги, прикрепленным к верхнему краю поверхности.#
Примечание. Испытания для поверхности нижней части аппарата не предусмотрены.
4.3.11. #Если при замене пользователем батарей питания имеется возможность установить батареи с обратной полярностью, то испытания аппарата проводят как при предполагаемой при эксплуатации полярности, так и при обратной полярности одной или более батареи.#
Примечание. Внимание! При проведении данного испытания существует опасность взрыва.
4.3.12. #Для аппаратуры персональной радиосвязи наиболее неблагоприятное полное сопротивление нагрузки, включая короткое замыкание, подключают к антенному соединителю или к самой антенне, например телескопической антенне, когда антенный соединитель не предусмотрен. Условия испытаний в режиме передачи определены в МЭК 61149.#
4.3.13. #Аппарат, предназначенный для питания от сети переменного тока и имеющий устройство для установки напряжения питания пользователем, при испытаниях подключают к напряжению питания 250 В переменного тока, а устройство установки напряжения питания переключают в наиболее неблагоприятное положение.#
4.3.14. #Аппарат, разработанный для питания от специального источника питания с устройством регулировки выходного напряжения, установленного изготовителем аппарата, испытывают при установке устройства регулировки на любое выходное напряжение.
При этих испытаниях применяют требования
4.2.1, за исключением случаев, когда специальный источник питания запитывают от напряжения, соответствующего его номинальному напряжению питания.
Испытания не проводят, если ток, потребляемый аппаратом во время испытания, не может превысить 0,2 А в течение более 2 мин, например из-за срабатывания плавкого предохранителя.#
4.3.15. #Аппарат, который может питаться от источника питания общего назначения, при испытании должен питаться от испытательного источника питания, как указано в
таблице 2; причем напряжение питания увеличивают ступенями, начиная со значения на одну ступень выше номинального значения напряжения питания, установленного для испытуемого аппарата.
Данному испытанию не подвергают аппаратуру, имеющую номинальное напряжение питания, равное или большее максимально номинального напряжения питания, приведенного в
таблице 2.
При этом испытании применяют требования
4.2.1, за исключением случаев, когда напряжения без нагрузки имеют свои номинальные значения.
Испытание не проводят, если ток, потребляемый аппаратом, не может превысить 0,2 А в течение более 2 мин, например из-за срабатывания плавкого предохранителя.#
4.3.16. #В аппарате с цепью заряда батарей заряд и полный разряд специальной батареи проводят с накоротко замкнутой секцией батареи.#
5. МАРКИРОВКА И ИНСТРУКЦИИ
Маркировка на аппарате, готовом к эксплуатации, должна быть постоянной, однозначно понимаемой и легко различимой.
Информационные элементы следует наносить преимущественно снаружи аппарата, за исключением нижней части. Однако допускается располагать маркировку в легкодоступном вручную месте, например под крышкой или на внешней стороне дна портативного аппарата или аппарата, масса которого не превышает 7 кг, и при условии, что в инструкции по эксплуатации указано место маркировки.
#Соответствие маркировки проверяют визуально и протиранием вручную в течение 15 с куском ткани, смоченным в воде, а также в другом месте или на другом образце протиранием в течение 15 с куском ткани, смоченным в нефрасе. После этого маркировка должна быть разборчивой, пластина с маркировкой не должна легко смещаться либо скручиваться.
Нефрас (нефтяной растворитель), используемый для этих целей, представляет собой раствор гексана в олифатических соединениях с максимальным содержанием ароматических веществ не более 0,1% (объемная доля), со значением каури-бутанола 29, начальной точкой кипения приблизительно 65 °C, точкой испарения приблизительно 69 °C, удельной массой приблизительно 0,7 кг/л.#
Буквенные обозначения физических величин и единиц измерений должны соответствовать МЭК 60027.
Графические обозначения должны соответствовать МЭК 60417 или ИСО 7000.
#Соответствие проверяют обследованием.#
5.1. Обозначение и параметры питания
На аппарат должна быть нанесена следующая маркировка:
a) наименование изготовителя или ответственной поставляющей организации, торговая марка или идентификационный знак;
b) обозначение номера модели или типа;
c) знак класса II (при необходимости)

(символ 5172 по МЭК 60417);
d) вид питания:
- только переменный ток, обозначенный символом

(символ 5032 по МЭК 60417);
- только постоянный ток, обозначенный символом

(символ 5031 по МЭК 60417);
- переменный или постоянный ток, обозначенный символом

(символ 5033 по МЭК 60417);
-для трехфазных систем обозначение должно быть выполнено в соответствии с МЭК 61293;
e) номинальное напряжение питания или диапазон номинальных напряжений питания, которые могут быть поданы без предварительного переключения устройства установки напряжения.
Аппарат, который может быть установлен на различные номинальные напряжения питания или диапазоны номинальных напряжений питания, должен быть сконструирован таким образом, чтобы на аппарате, готовом к использованию, было четко отображено напряжение или диапазон напряжений, на которые он установлен.
Номинальные напряжения, выбираемые пользователем, должны быть разделены косой чертой, например 110/230 В, а диапазон номинальных напряжений должен быть указан через дефис, например 110-230 В;
f) номинальная частота сети (или диапазон частот) в герцах, в том случае, если от правильного выбора частоты сети зависит безопасность;
g) номинальный ток потребления или номинальная мощность потребления для аппарата, который может питаться от источника питания общего назначения. В качестве альтернативы данная информация может быть приведена в инструкции по эксплуатации.
Измеренное потребление при номинальном напряжении питания не должно превышать указанного в маркировке более чем на 10%;
h) маркировка потребляемой мощности для аппарата, предназначенного для подключения к сети питания, имеющей более одной фазы.
Примечание. Методика измерения потребляемой мощности находится на рассмотрении;
i) номинальный ток потребления или номинальная мощность потребления для аппарата, который предназначен для питания от сети переменного тока.
Измеренное потребление при номинальном напряжении питания не должно превышать указанного в маркировке более чем на 10%.
#Соответствие проверяют обследованием.#
5.2. Соединители (клеммы)
Соединители должны быть маркированы следующим образом:
a) клемма для подключения провода защитного заземления, входящего в состав провода питания символом, -

(символ 5019 по МЭК 60417).
Этот символ не должен быть использован для обозначения других заземляющих клемм;
b) соединители, опасные для жизни при нормальных условиях работы, за исключением соединителей, предназначенных для подключения к сети питания, - символом

(символ 5036 по МЭК 60417);
c) выходные клеммы, предназначенные для обеспечения питания другой аппаратуры, за исключением сетевого питания, должны иметь маркировку номинального выходного напряжения и, кроме того, маркировку максимального выходного тока, если при самой неблагоприятной нагрузке могут быть превышены допустимые значения температуры, указанные в
таблице 3. Последнее требование относится к аппаратуре, у которой на выходных клеммах отсутствует обозначение типа аппарата, подключение которого допускается.
Розетки, предназначенные для обеспечения сетевого питания другой аппаратуры, должны иметь маркировку максимально допустимой потребляемой мощности или тока.
При наличии только одного соединителя, предназначенного для обеспечения питания другой аппаратуры, маркировка может быть нанесена в любом месте аппарата с учетом требований, изложенных в первых абзацах настоящего раздела.
#Соответствие проверяют обследованием.#
5.3. Если в документации по обслуживанию, предоставляемой изготовителем, например в принципиальных схемах или перечнях компонентов, используется символ, указывающий на то, что определенный компонент может быть заменен только компонентом, приведенным в данной документации, по причинам безопасности, то этот символ должен иметь вид

(символ 0434 по ИСО 7000).
Этот символ может также быть нанесен рядом с соответствующим компонентом.
Этот символ не должен быть размещен на компонентах.
Соответствие проверяют обследованием.
5.4. Инструкции
Указания по безопасности, составленные в соответствии с требованиями настоящего стандарта, должны быть изложены в инструкции по установке или эксплуатации аппарата и поставлены вместе с аппаратом. Эти указания должны быть изложены на официальном языке страны, в которую предполагается поставлять аппаратуру.
Примечания. 1. Ссылка дана на ИСО/МЭК Руководство 37
[19].
2. По мере необходимости следующую информацию по безопасности рекомендуется включить в инструкцию:
- минимальное расстояние вокруг аппарата для обеспечения необходимой вентиляции;
- не допускается перекрытие вентиляционных отверстий такими предметами, как, например, газеты, скатерти, занавески и т.п., что препятствует нормальной вентиляции аппарата;
- не допускается размещение на аппарате каких-либо источников открытого пламени, например свечей;
- необходимо обратить внимание на параметры окружающей среды в местах расположения батарей;
- использование аппарата в тропическом и/или умеренном климате.
5.4.1. Кроме того, в инструкцию должны быть включены, если применимо, следующие указания:
a) для аппаратуры, питающейся от сети, а также для аппаратуры, вырабатывающей внутренние напряжения свыше 35 В переменного тока (пиковое значение) или постоянного тока и не имеющей защиты от брызг воды согласно
Приложению A, в инструкции по эксплуатации должно быть указано, что аппарат не должен быть подвергнут воздействию капель или брызг и никакие емкости с жидкостями, такие как, например, вазы, не должны быть установлены на аппарате;
b) предупреждение о том, что клеммы, отмеченные символом в соответствии с
5.2, перечисление b), являются опасными для жизни и что подключение внешней проводки к данным клеммам должно быть осуществлено специально обученным лицом либо должны быть использованы готовые для подсоединения концы или шнуры;
c) если в аппарате используются заменяемые литиевые батареи, то необходимы следующие указания:
- если замена батарей проводится пользователем, то должна быть предупреждающая надпись рядом с батареями, а также в инструкциях по эксплуатации и обслуживанию;
- если замена батарей не проводится пользователем, то предупреждающая надпись должна быть рядом с батареями или в инструкции по обслуживанию.
Эта предупреждающая надпись должна содержать следующий или аналогичный текст:
┌──────────────────────────────────────────────┐
│ ВНИМАНИЕ! │
│ │
│ При неправильной установке батарей возможен │
│ взрыв. │
│ Батареи необходимо заменять батареями │
│ только того же или аналогичного типа │
└──────────────────────────────────────────────┘
d) предупреждение, что аппарат конструкции класса I должен быть подключен к сетевой розетке с контактом защитного заземления;
e) инструкции, гарантирующие правильную и безопасную установку и подключение аппарата к мультимедийным системам;
f) если аппарат не был подвергнут испытаниям на соответствие требованиям по устойчивости по
19.1,
19.2 или
19.3 из-за закрепления на месте, то следующий или аналогичный текст должен быть нанесен на аппарат или приложен к нему:
┌──────────────────────────────────────────────┐
│ ПРЕДУПРЕЖДЕНИЕ │
│ │
│ Во избежание повреждений надежно закрепите │
│ аппарат на полу/стене в соответствии │
│ с требованиями инструкции по установке │
└──────────────────────────────────────────────┘
g) предупреждение о том, что батареи (батарейные сборки или вмонтированные батареи) не должны быть подвергнуты чрезмерному нагреву от солнечного света, огня и т.п.;
h) если в аппарате установлен кинескоп с защитной пленкой, нанесенной на экран для обеспечения защиты от взрыва по МЭК 61965, то следующий или аналогичный текст должен быть приведен в инструкции по эксплуатации:
┌────────────────────────────────────────────────────────┐
│ ПРЕДУПРЕЖДЕНИЕ │
│ │
│ На экран кинескопа аппарата нанесена защитная │
│ пленка. Не снимайте пленку, так как она обеспечивает │
│ безопасность. Отсутствие защитной пленки может │
│ привести к серьезным последствиям │
└────────────────────────────────────────────────────────┘
#Соответствие проверяют обследованием.#
5.4.2. В отношении устройств, предназначенных для отключения аппарата от сети, в инструкции по эксплуатации должно быть указано следующее:
a) в случае использования сетевой вилки или приборного соединителя в качестве отключающего устройства отключающее устройство должно оставаться легкодоступным;
b) в случае использования всеполюсного сетевого выключателя в качестве отключающего устройства расположение и функционирование выключателя должны быть описаны и выключатель должен оставаться легкодоступным;
c) в случае постоянно подключенного аппарата, не имеющего ни всеполюсного сетевого выключателя, ни всеполюсного автоматического выключателя, установка и подключение аппарата должны быть проведены строго в соответствии со всеми правилами по установке.
В случае использования маркировки, световой индикации или подобных средств для отображения того, что аппарат полностью отключен от сети, данная информация должна быть приведена в инструкции. Символьные обозначения, при их использовании, тоже должны быть объяснены.
Маркировка положения "включено", соответствующая символу 5008 или 5010 по МЭК 60417, разрешена только для всеполюсного сетевого выключателя, который отключает все полюсы сети, кроме проводника защитного заземления.
#Соответствие проверяют обследованием.#
6.1. Ионизирующее излучение
Конструкцией аппарата, включающего в себя потенциальный источник ионизирующего излучения, должно быть предусмотрено обеспечение защиты человека от воздействия ионизирующего излучения как при нормальных условиях работы, так и в условиях неисправностей.
#Соответствие проверяют измерениями при следующих условиях.
При проведении испытания в нормальных рабочих условиях все органы управления, доступные с внешней стороны аппарата вручную или с помощью любого предмета, такого как инструмент или монета, а также те органы регулировки или предварительной установки, расположенные внутри, которые достаточно надежно не зафиксированы, настраивают таким образом, чтобы получить максимальное излучение при обеспечении допустимого качества изображения в течение 1 ч, после чего проводят измерение.#
Примечание 1. Фиксацию считают достаточно надежной, если она обеспечена, например, краской или посредством пайки.
#Измерение мощности экспозиционной дозы излучения проводят в любой точке за пределами аппарата, расположенной на расстоянии 5 см от его внешней поверхности, с помощью дозиметра, имеющего эффективную площадь 10 см2.
Измерение проводят также в условиях неисправностей, вызывающих увеличение высокого напряжения, при этом допустимое качество изображения поддерживают 1 ч, по истечении которого выполняют измерение.
Мощность экспозиционной дозы излучения не должна превышать 36 пА/кг (0,5 мР/ч или 5 мкЗв/ч).#
Примечания. 2. Значение соответствует требованиям МКРЗ (Международной комиссии радиационной защиты) 15, статья 289
[24].
3. В странах, являющихся членами Европейского комитета по стандартизации в области электротехники (CENELEC), доза ионизирующего излучения регламентируется Директивой Европейского Совета 96/29/Euratom (Европейское сообщество по атомной энергии) от 13 мая 1996 года. Данная директива требует, чтобы в любой точке, расположенной в 10 см от внешней поверхности аппарата, доза излучения не превышала 1 мкЗв/ч (0,1 мР/ч) с учетом фонового уровня.
#Качество изображения считают допустимым при соблюдении следующих условий:
- размер изображения по горизонтали составляет не менее 70% используемой ширины экрана;
- минимальная яркость синхронизированного изображения белого поля не менее 50 кд/м2;
- разрешающая способность по горизонтали в центре не менее 1,5 МГц при аналогичном ухудшении разрешающей способности по вертикали;
- не более одного поверхностного перекрытия (пробоя) за каждые 5 мин.#
Конструкцией аппарата, включающего в себя лазерную систему, должна быть предусмотрена возможность защиты человека от воздействия излучения лазера как при нормальных условиях работы, так и в условиях неисправностей.
Аппарат, включающий в себя лазерную систему, освобождают от всех следующих требований этого пункта, если:
- классификация, выполненная изготовителем в соответствии с МЭК 60825-1 (разделы 3, 8 и 9), показывает, что достижимый уровень излучения не превышает допустимого уровня для аппаратуры класса I при всех условиях работы, обслуживания, ремонта и неисправностей, а также
- аппарат не содержит встроенных лазеров согласно МЭК 60825-1.
Примечания. 1. Информация об измерительном оборудовании приведена в МЭК 61040
[12].
2. Термин "достижимый уровень излучения" по МЭК 60825-1 трактуют как "доступный уровень излучения".
Аппарат должен быть классифицирован и маркирован в соответствии с достижимым уровнем излучения, измеренным в условиях неисправностей. Исключение составляет аппаратура, уровень излучения которой не превышает максимально допустимого для класса I; для данной аппаратуры требования МЭК 60825-1 (пункт 5.2) не применяют.
#Все органы управления, доступные с внешней стороны аппарата вручную или с помощью любого предмета, такого как инструмент или монета, а также те органы регулировки или предварительной установки, расположенные внутри, которые достаточно надежно не зафиксированы, настраивают таким образом, чтобы достигнуть максимального излучения.#
Примечание 3. Фиксацию краской или пайкой считают достаточно надежной.
Уровень отраженного лазерного излучения, как указано в МЭК 60825-1 (пункт 3.32, перечисление b)), для лазерных систем класса I не измеряют.
#Соответствие проверяют на основании необходимых требований МЭК 60825-1 с учетом следующих изменений и дополнений:#
6.2.1.
a) Аппарат в нормальных рабочих условиях должен соответствовать требованиям для лазерной аппаратуры класса I по уровню достижимого излучения, как определено в МЭК 60825-1 (таблица 1). Временная основа классификации соответствует 100 с.
#Соответствие проверяют проведением необходимых измерений, как определено в МЭК 60825-1 (пункт 8.2).#
b) Если аппарат включает в себя лазерную систему, которая при нормальных рабочих условиях по уровню достижимого излучения соответствует требованиям для лазерной аппаратуры класса I, то требования, определенные в перечислениях c) и d), к данному аппарату не применяют.
c) Для предотвращения доступа через любые крышки, открываемые вручную, к лазерному излучению, превышающему уровень для класса I, должны быть приняты соответствующие меры.
#Соответствие проверяют обследованием и проведением измерения.#
d) Если безопасность зависит от правильного функционирования механической защитной блокировки, то в случае выхода из строя этой блокировки должна сохраняться безопасность (аппарат отключается или становится безопасным), или блокировка должна выдерживать испытание на надежность - 50000 циклов срабатывания при напряжении и токе, соответствующих нормальным условиям работы.
#Соответствие проверяют обследованием и проведением испытания.#
6.2.2.
a) Если аппарат работает в условиях неисправностей, как определено в
4.3, то уровень достижимого излучения этого аппарата не должен превышать уровень, установленный для лазерной аппаратуры класса 3А при длине волны, находящейся вне диапазона 400 - 700 нм, и не должен превышать более чем в пять раз уровень, установленный для лазерной аппаратуры класса I при длине волны, находящейся в диапазоне 400 - 700 нм.
Примечание. Допустимые уровни излучений для лазерной аппаратуры класса 3А установлены в МЭК 60825-1 (таблица 3).
#Соответствие проверяют проведением соответствующих измерений, определенных в МЭК 60825-1 (пункт 8.2).#
b) Если аппарат включает в себя лазерную систему, которая в условиях неисправностей по уровню достижимого излучения соответствует требованиям, установленным в
6.2.2, перечисление a), то требования, определенные в перечислениях c) и d), к нему не применяют.
c) Для предотвращения доступа через любые крышки, открываемые вручную, к лазерному излучению, уровень которого превышает пределы, установленные в
6.2.2, перечисление a), должны быть приняты соответствующие меры.
#Соответствие проверяют обследованием и проведением измерения.#
d) Если безопасность зависит от правильного функционирования механической защитной блокировки, то в случае выхода из строя этой блокировки должна сохраняться безопасность (аппарат отключается или становится безопасным), или блокировка должна выдерживать испытание на надежность - 50000 циклов срабатывания при напряжении и токе, соответствующих нормальным условиям работы.
#Соответствие проверяют обследованием и проведением испытания.#
7. НАГРЕВ ПРИ НОРМАЛЬНЫХ УСЛОВИЯХ РАБОТЫ
В течение предполагаемой эксплуатации аппарата ни одна из его частей не должна нагреваться до чрезмерной температуры.
#Соответствие проверяют измерением превышения температуры при нормальных условиях работы, после того как достигнут установившийся режим.#
Примечание 1. Установившийся режим считают достигнутым по истечении 4 ч работы аппарата.
#Превышение температуры определяют:
- в случае проводов обмоток - методом сопротивления или любым другим методом, позволяющим определить среднюю температуру проводов обмоток.#
Примечание 2. При измерении сопротивления проводов обмоток необходимо свести к минимуму влияние электрических цепей или нагрузок, подключенных к этим проводам обмоток;
#- во всех остальных случаях - любым подходящим методом.
Значения превышения температуры не должны быть более значений, указанных в
7.1.1 -
7.1.5. Никакие устройства защиты не должны срабатывать во время испытания, за исключением:
a) выключателей с тепловым расцеплением, имеющих автоматический возврат в исходное положение в соответствии с
14.5.1,
b) терморезисторов с положительным температурным коэффициентом в соответствии с
14.5.3. Если непрерывная работа усилителя звуковой частоты невозможна, то усилитель должен также работать при максимально допустимом уровне сигнала, при котором возможна непрерывная работа.#
Значения превышения температуры доступных частей аппарата не должны быть более значений, приведенных в таблице 3,
перечисление a), графа "Условия нормальной работы".
7.1.2. Части аппаратуры, кроме обмоток, обеспечивающие электрическую изоляцию
Значения превышения температуры изолирующих частей, кроме обмоток, обеспечивающих основную, дополнительную или усиленную изоляцию, и изолирующих частей, разрушение которых может нарушить обеспечение требований
9.1.1 или стать причиной возникновения пожара, не должны быть более значений, приведенных в таблице 3,
перечисление b), графа "Условия нормальной работы" с учетом
примечания 4 к таблице 3.
#Если изолирующую часть применяют для обеспечения зазора или пути утечки и допустимое значение повышения ее температуры превышено, то используемые участки изолирующей части не рассматривают при проверке на соответствие
разделам 8 и
11.#
7.1.3. Части, выполняющие роль опоры или ограждения от механических воздействий
Значения превышения температуры частей, механическое повреждение которых будет приводить к нарушению требований
9.1.1, не должны быть более значений, приведенных в таблице 3,
перечисление c), графа "Условия нормальной работы".
Значения превышения температуры обмоток, содержащих изоляцию, обеспечивающую защиту от поражения электрическим током или возникновения пожара, не должны быть более значений, приведенных в таблице 3,
перечисления b) и
d), графа "Условия нормальной работы".
#Если изолирующую часть применяют для обеспечения зазора или пути утечки и допустимое значение повышения ее температуры превышено, то используемые участки изолирующей части не рассматривают при проверке на соответствие
разделам 8 и
11.#
Примечание. Если изоляция размещена в обмотке таким образом, что превышение ее температуры невозможно измерить непосредственно, то ее температуру принимают такой, как и температура проводов обмотки.
7.1.5. Части, на которые не распространяются требования
7.1.1 -
7.1.4
Значения превышения температуры этих частей не должны быть более значений, приведенных в таблице 3,
перечисление e), графа "Условия нормальной работы" в зависимости от типа материала.
Таблица 3
Допустимое превышение температуры частей аппарата
┌──────────────────────────────────────────┬──────────────┬───────────────┐
│ Часть аппарата │ Условия │ Условия │
│ │ нормальной │неисправностей,│
│ │ работы, K │ K │
├──────────────────────────────────────────┴──────────────┴───────────────┤
├──────────────────────────────────────────┬──────────────┬───────────────┤
│Кнопки, ручки и т.п.: │ │ │
├──────────────────────────────────────────┼──────────────┼───────────────┤
│ - металлические │ 30 │ 65 │
├──────────────────────────────────────────┼──────────────┼───────────────┤
├──────────────────────────────────────────┼──────────────┼───────────────┤
│Корпусы: │ │ │
├──────────────────────────────────────────┼──────────────┼───────────────┤
├──────────────────────────────────────────┼──────────────┼───────────────┤
│ - неметаллические (см. примечания │ 60 │ 65 │
├──────────────────────────────────────────┴──────────────┴───────────────┤
│#b) Части, обеспечивающие электрическую изоляцию (см.
примечание 4):# │
├──────────────────────────────────────────┬──────────────┬───────────────┤
│Шнуры питания и провода с изоляцией: │ │ │
├──────────────────────────────────────────┼──────────────┼───────────────┤
│ - из поливинилхлорида или│ │ │
│синтетического каучука: │ │ │
├──────────────────────────────────────────┼──────────────┼───────────────┤
│ - без механических напряжений │ 60 │ 100 │
├──────────────────────────────────────────┼──────────────┼───────────────┤
│ - с механическими напряжениями │ 45 │ 100 │
├──────────────────────────────────────────┼──────────────┼───────────────┤
│ - из натурального каучука │ 45 │ 100 │
├──────────────────────────────────────────┼──────────────┼───────────────┤
│Другие изоляционные материалы: │ │ │
├──────────────────────────────────────────┼──────────────┼───────────────┤
│ - термопластичные материалы │См. примечание│См. примечание│
├──────────────────────────────────────────┼──────────────┼───────────────┤
│ - непропитанная бумага │ 55 │ 70 │
├──────────────────────────────────────────┼──────────────┼───────────────┤
│ - непропитанный картон │ 60 │ 80 │
├──────────────────────────────────────────┼──────────────┼───────────────┤
│ - пропитанные хлопок, шелк, бумага│ 70 │ 90 │
│и текстиль │ │ │
├──────────────────────────────────────────┼──────────────┼───────────────┤
│ - слоистые материалы на основе│ │ │
│целлюлозы или текстиля, скрепленные: │ │ │
├──────────────────────────────────────────┼──────────────┼───────────────┤
│ - фенолформальдегидом, меламино- │ 85 │ 110 │
│формальдегидом, фенол-фурфуролом │ │ │
│или полиэстером │ │ │
├──────────────────────────────────────────┼──────────────┼───────────────┤
│ - эпоксидной смолой │ 120 │ 150 │
├──────────────────────────────────────────┴──────────────┴───────────────┤
│ - литые детали: │
├──────────────────────────────────────────┬──────────────┬───────────────┤
│ - из фенолформальдегида или│ │ │
│фенолфурфурола, меламина и меламинофенола│ │ │
│в сочетании: │ │ │
├──────────────────────────────────────────┼──────────────┼───────────────┤
│ - с целлюлозными наполнителями │ 100 │ 130 │
├──────────────────────────────────────────┼──────────────┼───────────────┤
│ - с минеральными наполнителями │ 110 │ 150 │
├──────────────────────────────────────────┼──────────────┼───────────────┤
│ - из термоотвердевающего полиэстра│ 95 │ 150 │
│с минеральными наполнителями │ │ │
├──────────────────────────────────────────┼──────────────┼───────────────┤
│ - из алкида с минеральными│ 95 │ 150 │
│наполнителями │ │ │
├──────────────────────────────────────────┼──────────────┼───────────────┤
│ - составные материалы: │ │ │
├──────────────────────────────────────────┼──────────────┼───────────────┤
│ - из полиэстера, усиленного│ 95 │ 150 │
│стекловолокном │ │ │
├──────────────────────────────────────────┼──────────────┼───────────────┤
│ - из эпоксидной смолы, усиленной│ 100 │ 150 │
│стекловолокном │ │ │
├──────────────────────────────────────────┼──────────────┼───────────────┤
│ - из силиконовой резины │ 145 │ 190 │
├──────────────────────────────────────────┴──────────────┴───────────────┤
│#c) Части, выполняющие роль опоры или ограждения от механических│
│воздействий, включая части внутри корпусов (см.
примечание 4):# │
├──────────────────────────────────────────┬──────────────┬───────────────┤
│ - дерево и материалы на древесной│ 60 │ 90 │
│основе │ │ │
├──────────────────────────────────────────┼──────────────┼───────────────┤
├──────────────────────────────────────────┴──────────────┴───────────────┤
├──────────────────────────────────────────┬──────────────┬───────────────┤
│ - изолированные: │ │ │
├──────────────────────────────────────────┼──────────────┼───────────────┤
│ - непропитанным шелком, хлопком и т.п.│ 55 │ 75 │
├──────────────────────────────────────────┼──────────────┼───────────────┤
│ - пропитанным шелком, хлопком и т.п. │ 70 │ 100 │
├──────────────────────────────────────────┼──────────────┼───────────────┤
│ - материалами из олеосмол │ 70 │ 135 │
├──────────────────────────────────────────┼──────────────┼───────────────┤
│ - поливинилформальдегидными или│ 85 │ 150 │
│полиуретановыми смолами │ │ │
├──────────────────────────────────────────┼──────────────┼───────────────┤
│ - полиэстеровыми смолами │ 120 │ 155 │
├──────────────────────────────────────────┼──────────────┼───────────────┤
│ - полиэстеримидными смолами │ 145 │ 180 │
├──────────────────────────────────────────┴──────────────┴───────────────┤
├──────────────────────────────────────────┬──────────────┬───────────────┤
│Эти превышения температуры применяют│ │ │
│для частей аппарата, не указанных ранее│ │ │
├──────────────────────────────────────────┼──────────────┼───────────────┤
│ - части из дерева и материала│ 60 │ 140 │
│на древесной основе │ │ │
├──────────────────────────────────────────┼──────────────┼───────────────┤
│ - литиевые батареи │40 (см. │50 (см. │
├──────────────────────────────────────────┼──────────────┼───────────────┤
│ - все другие части, за исключением│ 200 │ 300 │
│резисторов и частей из металла, стекла│ │ │
│и керамики │ │ │
├──────────────────────────────────────────┴──────────────┴───────────────┤
│ Примечания: 1. Для тропического климата допустимые превышения│
│температуры должны быть на 10 K ниже значений, указанных в настоящей│
│таблице. │
│ Допустимые значения превышения температуры установлены исходя│
│из максимальной температуры окружающей среды: 35 °C - для умеренного│
│климата и 45 °C - для тропического климата. │
│ В тех случаях, когда температура ограничивается термостатированием│
│из-за срабатывания выключателя с тепловым расцеплением с возвратом│
│в исходное положение или терморезистором с положительным температурным│
│коэффициентом, измеренная температура на частях аппарата не должна│
│превышать 35 °C плюс допустимое превышение, приведенное в
таблице 3. │
│ 2. Для частей, прикосновение к которым в процессе предполагаемой│
│эксплуатации маловероятно, допускается превышение температуры до 65 K│
│в условиях нормальной эксплуатации. Испытательный деревянный короб│
│по
4.1.4 не используют при оценке вероятности прикосновения к частям│
│аппарата. Следующие части рассматривают как маловероятные│
│для соприкосновения: │
│ - заднюю и нижнюю стенки, за исключением тех, на которых размещены│
│выключатели и кнопки, используемые во время нормальной эксплуатации; │
│ - теплоотводы или металлические детали, непосредственно прикрывающие│
│теплоотводы, за исключением тех, на поверхности которых размещены│
│выключатели и кнопки, используемые во время нормальной эксплуатации; │
│ - части на верхней поверхности, которые находятся на 30 мм ниже│
│основной плоскости верхней поверхности. │
│ 3. Если данное значение превышения температуры выше, чем значение,│
│на которое рассчитан тип соответствующего изолирующего материала,│
│то в этом случае определяющим фактором является тип материала. │
│ 4. Допустимые значения превышения температуры, используемые│
│для настоящего стандарта, основаны на определенной опытным путем│
│термоустойчивости материалов. Перечисленные материалы приведены│
│как примеры. Для материалов, температурные пределы которых выше│
│указанных, и для материалов, отличающихся от вышеперечисленных,│
│максимальные значения температуры не должны превышать значений, которые│
│были признаны удовлетворительными, например на основании требований│
│МЭК 60085. │
│ 5. Натуральный и синтетический каучуки не относятся│
│к термопластичным материалам. │
│ 6. Большое разнообразие термопластичных материалов не позволяет│
│установить для них допустимое превышение температуры. Для определения│
│температуры размягчения конкретного термопластичного материала│
│используют испытание на размягчение В50 по ИСО 306. В том случае,│
│если используется неизвестный материал или если фактическая температура│
│превышает температуру размягчения, проводят следующее испытание: │
│ a) температуру размягчения материала определяют на отдельном образце│
│при условиях, установленных в ИСО 306 со скоростью нагрева 50 °C/ч,│
│а также со следующими изменениями: │
│ - глубина проникновения - 0,1 мм; │
│ - общая сила 10 Н должна быть приложена к испытуемому образцу прежде,│
│чем шкала измерительного устройства будет установлена на нулевую отметку│
│или отмечено начало отсчета; │
│ b) предельными значениями температуры, которые следует учитывать│
│при определении превышения температуры, являются: │
│ - при нормальных условиях работы - температура на 10 K ниже│
│температуры размягчения, установленной на основании требований│
│ - температура размягчения непосредственно в условиях неисправностей. │
│ Если требуемая температура размягчения превышает 120 °C,│
│то необходимо использовать правило
примечания 3 настоящей таблицы. │
│ 7. Для импульсных трансформаторов измерение температуры может быть│
│проведено с помощью термопары, расположенной как можно ближе к обмотке.│
│Допустимое превышение температуры должно быть на 10 K меньше│
│ 8. Литиевые батареи должны отвечать требованию по допустимому│
│превышению температуры, за исключением тех батарей, которые│
│соответствуют требованиям необходимых электрических испытаний│
│по МЭК 60086-4 (подпункт 6.2.2.1 или 6.2.2.2). │
│ 9. Литиевые батареи должны отвечать требованию по допустимому│
│превышению температуры, за исключением тех батарей, которые│
│соответствуют требованиям всех электрических испытаний по МЭК 60086-4│
│(пункт 6.3.2). │
└─────────────────────────────────────────────────────────────────────────┘
7.2. Теплостойкость изолирующих материалов
Изолирующий материал, поддерживающий детали, соединенные с сетью, должен быть устойчив к нагреву, если в течение предполагаемой эксплуатации аппарата через эти детали протекает ток свыше 0,2 А и они могут вырабатывать значительное количество тепла вследствие плохого контакта.
#Соответствие изолирующего материала проверяют испытанием, указанным в
примечании 6 таблицы 3.#
Температура размягчения изолирующего материала должна быть не менее 150 °C.
Когда две группы проводников, удерживаемых изолирующими частями, могут быть жестко соединены или сочленены вместе, например с помощью вилки и розетки, только одну из изолирующих частей необходимо подвергнуть испытаниям. Когда одна из этих изолирующих частей установлена в аппарате, именно эта часть должна быть подвергнута испытаниям.
Примечания. 1. Примерами частей, которые могут вырабатывать значительное количество тепла в течение предполагаемой эксплуатации, могут быть: контакты выключателей и устройств установки напряжения, клеммы с винтовыми зажимами и держатели плавких предохранителей.
2. Данному испытанию не подвергают части, которые отвечают требованиям соответствующих стандартов МЭК.
8. ТРЕБОВАНИЯ К КОНСТРУКЦИИ, ОБЕСПЕЧИВАЮЩИЕ ЗАЩИТУ
ОТ ПОРАЖЕНИЯ ЭЛЕКТРИЧЕСКИМ ТОКОМ
8.1. Проводящие части, покрытые только лаком, эмалью на основе растворителя, бумагой, не пропитанной тканью, оксидной пленкой или шайбами из диэлектрика, рассматривают как неизолированные.
#Соответствие проверяют обследованием.#
8.2. Конструкцией аппарата должно быть предусмотрено исключение опасности поражения электрическим током при выполнении вручную таких операций, как:
- установка напряжения питания или изменение вида питания;
- замена плавких вставок и элементов подсветки индикаторов;
- манипулирование выдвижными частями и т.п.
#Соответствие проверяют испытаниями, указанными в
9.1.1.#
8.3. Для изоляции частей, находящихся под опасным для жизни напряжением, не должны быть применены гигроскопические материалы.
#Соответствие проверяют обследованием и, в случае сомнения, испытанием:
Образец материала, как определено в МЭК 60167 (раздел 9), подвергают воздействию температуры (40 +/- 2) °C и относительной влажности 90% - 95% в течение:
- семи дней (168 ч) для аппаратуры, предназначенной для использования в условиях тропического климата;
- четырех дней (98 ч) для другой аппаратуры.
Не позднее 1 мин после этой подготовки образец должен выдержать испытания по
10.3, но без обработки влагой в соответствии с
10.2.#
8.4. Конструкцией аппарата должно быть предусмотрено исключение риска поражения электрическим током от доступных частей или от тех частей, которые становятся доступными после снятия крышек вручную.
Это требование также относится к внутренним частям батарейных отсеков, которые становятся доступными после снятия крышки во время замены батарей.
Это требование не распространяется на батарейные отсеки, находящиеся внутри аппарата, замена батарей которых пользователем не предусмотрена, например батареи для устройств памяти.
#Соответствие обеспечивают выполнением требований
8.5 или
8.6.#
Примечание. Недоступные контакты клемм рассматривают как доступные части, если они не имеют обозначения в соответствии с
5.2, перечисление b), или если они предназначены для подключения аппарата к сети питания, или для обеспечения сетевым питанием другой аппаратуры.
8.5. Доступные проводящие части аппарата класса I, за исключением тех частей аппарата, которые имеют двойную или усиленную изоляцию (конструкция класса II), должны быть отделены от опасных для жизни частей основной изоляцией, соответствующей требованиям к изоляции, установленным в
разделе 10, и требованиям к зазорам и путям утечки, установленным в
разделе 13.
Это требование не распространяется на изоляцию, короткое замыкание которой не вызывает какой-либо опасности поражения электрическим током.
Примечание 1. Например, если один конец вторичной обмотки разделительного трансформатора подключен к доступной проводящей части, то нет никакой необходимости в том, чтобы другой конец этой обмотки соответствовал каким-либо специальным требованиям к изоляции, относящимся к той же доступной проводящей части.
Резистор, шунтирующий основную изоляцию, должен соответствовать требованиям, установленным в
14.1, перечисление a).
Примечание 2. Части аппарата, которые имеют двойную или усиленную изоляцию (конструкция класса II), могут быть шунтированы резистором в соответствии с требованиями, установленными в
14.1, перечисление a).
Конденсатор или резистивно-емкостный блок, шунтирующий основную изоляцию между опасной для жизни частью и доступной проводящей частью, подключенной к клемме защитного заземления, должен соответствовать требованиям
14.2.1, перечисление a).
Такие резисторы, конденсаторы или резистивно-емкостные блоки должны быть размещены внутри корпуса аппарата.
Аппарат класса I должен иметь клемму защитного заземления или контакт, к которому должны быть надежно присоединены контакты защитного заземления выходных розеток (при их наличии) и доступные проводящие части. Такое соединение не требуется для тех доступных проводящих частей, которые отделены от опасных для жизни частей двойной или усиленной изоляцией (конструкция класса II), или для тех, которые защищены от частей, которые становятся опасными для жизни, надежным соединением с клеммой защитного заземления.
Примечание 3. Примеры таких проводящих частей: металлический экран в трансформаторе между первичной и вторичной обмотками, металлические шасси и т.п.
#Соответствие проверяют обследованием.#
8.6. Доступные части аппарата класса II должны быть отделены от опасных для жизни частей либо двойной изоляцией, как указано в
перечислении a) настоящего пункта, либо усиленной изоляцией, как указано в
перечислении b) настоящего пункта.
Данное требование не распространяется на изоляцию, короткое замыкание которой не вызывает никакой опасности поражения электрическим током.
Примечание 1. Например, если один конец вторичной обмотки разделительного трансформатора подключен к доступной проводящей части, то нет никакой необходимости в том, чтобы другой конец этой обмотки соответствовал каким-либо специальным требованиям к изоляции, относящимся к той же доступной проводящей части.
Компонент, удовлетворяющий требованиям
14.1, перечисление a) или
14.3, за исключением компонентов, соответствующих
14.3.4.3, может шунтировать основную, дополнительную, двойную или усиленную изоляцию.
Компоненты, соответствующие
14.3.4.3, могут шунтировать только основную изоляцию.
Основная или дополнительная изоляция может шунтироваться конденсатором или резистивно-емкостным блоком, имеющим номинальные значения, соответствующие требованиям
14.2.1, перечисление a).
Двойная или усиленная изоляция может шунтироваться двумя конденсаторами или резистивно-емкостными блоками, включенными последовательно, каждый из которых должен иметь номинальные значения, соответствующие требованиям
14.2.1, перечисление a).
Кроме того, двойная или усиленная изоляция может шунтироваться одним конденсатором или резистивно-емкостным блоком, имеющим номинальные значения, соответствующие требованиям
14.2.1, перечисление b).
Примечание 2. В случае наружной изоляции, шунтирующей двойную или усиленную изоляцию, см. также
8.8.
Такие резисторы, конденсаторы или резистивно-емкостные блоки должны быть размещены внутри корпуса аппарата.
#Соответствие проверяют обследованием.#
a) Если доступные части отделены от опасных для жизни частей основной и дополнительной изоляциями, необходимо выполнить следующее:
Каждая из этих типов изоляции должна соответствовать требованиям к изоляции, установленным в
разделе 10, а также требованиям к зазорам и путям утечки, установленным в
разделе 13.
Кожухи из дерева, на которые не распространяются требованиям
8.3, могут быть использованы как дополнительная изоляция, если они выдержали испытание на электрическую прочность по
10.3.
#Соответствие проверяют обследованием и/или измерением.#
b) Если доступные части отделены от опасных для жизни частей усиленной изоляцией, необходимо, чтобы:
- изоляция соответствовала требованиям к изоляции, установленным в
разделе 10;
- кроме того, изоляция соответствовала требованиям к зазорам и путям утечки, установленным в
разделе 13.
Примечание 3. Пример оценки усиленной изоляции приведен на
рисунке 2.
#Соответствие проверяют обследованием и/или измерением.#
8.7. Зарезервирован.
8.8. Основная, дополнительная и усиленная изоляции должны каждая в отдельности выдержать испытание на электрическую прочность, как определено в
10.3.
Двойная изоляция или основная и дополнительная изоляции должны иметь толщину не менее 0,4 мм.
Усиленная изоляция может иметь минимальную толщину 0,4 мм в том случае, если она не подвергается никаким механическим напряжениям, которые при температурах в нормальных условиях работы или в условиях неисправностей могли бы привести к деформации или ухудшению изоляционного материала.
Примечание. При наличии механических напряжений толщина может быть увеличена, чтобы соответствовать требованиям к изоляции, установленным в
разделе 10, и требованиям к механической прочности, установленным в
разделе 12.
Вышеприведенные требования не применяют к изоляции из тонких листовых материалов независимо от их толщины, но при условии, что:
- данная изоляция используется внутри корпуса аппарата, а также
- основная или дополнительная изоляция содержит, по крайней мере, два слоя материала, каждый из которых выдерживает испытание на электрическую прочность
(10.3) для основной или дополнительной изоляции, или
- основная или дополнительная изоляция содержит три слоя материала, все комбинации которого по два слоя вместе выдерживают испытание на электрическую прочность
(10.3) для основной или дополнительной изоляции, или
- усиленная изоляция содержит, по крайней мере, два слоя материала, каждый из которых выдерживает испытание на электрическую прочность
(10.3) для усиленной изоляции, или
- усиленная изоляция содержит три слоя изолирующего материала, все комбинации которого по два слоя выдерживают испытание на электрическую прочность
(10.3) для усиленной изоляции.
Требования для всех вместе слоев изоляции, выполненной из одного и того же материала, отсутствуют.
Для испытания изоляции, состоящей из тонких неразделяемых листов, см.
8.22.
Примечание. Испытания по
8.22 проводят для того, чтобы убедиться в достаточной стойкости материала, находящегося между слоями изоляции, к повреждению. Для изоляции, состоящей из двух слоев, и дополнительной изоляции данные испытания не проводят.
#Соответствие проверяют обследованием и измерением.#
8.9. Изоляция внутренней проводки между опасными для жизни проводящими жилами проводов или кабелей и доступными частями или между опасными для жизни частями и проводящими жилами проводов или кабелей, соединенными с доступными проводящими частями, должна иметь толщину не менее 0,4 мм, если она изготовлена из поливинилхлорида. Другие материалы допускаются в том случае, если они выдерживают испытание на электрическую прочность
(10.3) и если их толщина обеспечивает механическую прочность для конкретной конструкции.
Примечание. Например, изоляцию из политетрафлуорэтилена, имеющую толщину не менее 0,24 мм, считают соответствующей данным требованиям.
#Соответствие проверяют обследованием и измерением.#
8.10. В аппарате класса II двойная изоляция должна быть обеспечена между следующими частями:
- доступными частями и проводящими жилами проводов или кабелей, соединенных с сетью, и
- проводящими жилами проводов или кабелей, соединенными с доступными проводящими частями, и частями, соединенными с сетью.
Одна из изоляций - или основная, или дополнительная изоляция должна удовлетворять требованиям
8.9, а другая изоляция должна выдерживать испытание на электрическую прочность
(10.3) для основной или дополнительной изоляции соответственно.
Если двойная изоляция состоит из двух слоев, которые не могут быть испытаны отдельно, то изоляция должна выдерживать испытание на электрическую прочность
(10.3) для усиленной изоляции.
Испытательное напряжение в соответствии с
10.3 подают между проводящими жилами и металлической фольгой, плотно обернутой вокруг изоляции провода по длине 10 см.
В случае изоляционной трубки испытательное напряжение в соответствии с
10.3 подают между плотно подогнанным металлическим стержнем, вставленным в трубку, и металлической фольгой, плотно обернутой вокруг трубки по длине 10 см.
#Соответствие проверяют обследованием и измерением.#
8.11. Конструкция аппарата должна быть такой, чтобы в случае отсоединения любого провода не произошло уменьшения зазоров и путей утечки, установленных в
разделе 13, посредством естественного перемещения отсоединившегося провода. Это требование не применяют, если отсутствует риск отсоединения провода.
Примечание 1. Предполагается, что одновременно может отсоединиться не более одного провода.
#Соответствие проверяют обследованием и измерением.#
Примечание 2. Примеры способов, достаточных, чтобы предотвратить возможное отсоединение провода:
a) проводник перед пайкой надежно прикрепляют к петле контакта при условии, что отсутствует вероятность обрыва провода вблизи места пайки в результате вибрации;
b) провода скручивают вместе надежным способом;
c) провода надежно скрепляют вместе по типу кабеля с помощью термоотвердевающего клея в соответствии с МЭК 60454, трубок или другими подобными способами;
d) проводящую жилу провода вставляют перед пайкой в отверстие печатной платы, диаметр отверстия которой чуть больше диаметра проводящей жилы, при условии, что отсутствует вероятность обрыва проводника вблизи печатной платы в результате вибрации;
e) проводящую жилу провода и его изоляцию, при ее наличии, надежно обкручивают вокруг контакта с помощью специального инструмента;
f) проводящую жилу провода и его изоляцию, при ее наличии, соединяют с контактом посредством обжима с помощью специального инструмента.
#В случае сомнения соответствие проверяют проведением испытания вибрацией по
12.1.2.#
8.12. Зарезервирован.
8.13. Окошки, линзы, колпаки сигнальных ламп и т.п. должны быть надежно закреплены, если при их отсутствии опасные для жизни части становятся доступными.
Примечание. Закрепление только трением не считают надежным.
#Соответствие проверяют обследованием и, в случае сомнения, путем приложения силы 20 Н в течение 10 с в наиболее неблагоприятном месте и в самом неблагоприятном направлении.#
8.14. Крышки, которые могут быть подвергнуты воздействию сил в течение предполагаемой эксплуатации, например крышки, закрывающие клеммы (см.
раздел 15), должны быть надежно закреплены, если при их отсутствии опасные для жизни части становятся доступными.
Примечание. Закрепление только трением не считают надежным.
#Соответствие проверяют обследованием и, в случае сомнения, путем приложения силы 50 Н в течение 10 с в наиболее неблагоприятном месте и в самом неблагоприятном направлении.
После проведения испытаний по
8.13 и
8.14 аппарат не должен иметь никаких повреждений, нарушающих требования настоящего стандарта; особое внимание обращают на то, чтобы опасные для жизни части не могли стать доступными.#
8.15. Внутренние провода аппарата, повреждение изоляции которых может вызвать опасность применительно к требованиям настоящего стандарта, должны:
- быть закреплены таким образом, чтобы они не соприкасались с частями, температура которых превышает допустимое превышение температуры для изоляции проводов в соответствии с
таблицей 3, когда сила, равная 2 Н, приложена к любой части проводов или их окружения, и
- быть расположены так, чтобы не было риска повреждения их изоляции, например острыми кромками, движущимися частями или воздействиями, которые могут привести к соприкосновениям с другими частями аппарата, когда сила, равная 2 Н, приложена к любой части проводов или их окружения.
#Соответствие проверяют обследованием и измерением.#
8.16. Конструкцией аппарата, спроектированного для питания исключительно от источника питания, определенного изготовителем аппарата, должно быть предусмотрено исключение замены специального источника питания источником питания общего назначения без его изменения.
Примечание. Требование невозможности замены может быть достигнуто, например, с помощью специального соединителя.
#Соответствие проверяют обследованием.#
8.17. Требования к изолированным проводам обмоток для использования без дополнительной межслоевой изоляции
Изолированные провода обмоток намоточных компонентов, изоляция которых обеспечивает основную, дополнительную, усиленную или двойную изоляцию, должны соответствовать следующим требованиям:
- если изоляция провода обмотки используется для обеспечения основной, дополнительной или усиленной изоляции в намоточном компоненте, то изолированный провод должен отвечать требованиям
Приложения H;
- минимальное число конструктивных слоев, нанесенных на проводник или проводники, должно быть следующее:
- для основной изоляции - два слоя обернутой или один слой прессованной,
- для дополнительной изоляции - два слоя обернутой или прессованной,
- для усиленной изоляции - три слоя обернутой или прессованной;
- в тех случаях, когда требуется более одного конструктивного слоя (см. выше), допускается расположение общего числа слоев на одном проводнике или между двумя проводниками;
- изолированные провода обмоток, прилегающие друг к другу, рассматривают как разделенные двойной изоляцией, если изоляция каждого проводника рассчитана на рабочее напряжение;
- если провод изолирован двумя или более спирально обернутыми слоями ленты, то перекрытие слоев должно быть достаточным, чтобы гарантированно обеспечить непрерывное перекрытие во время производства намоточного компонента. Слои ленты должны быть скреплены, если пути утечки между обернутыми слоями не будут удовлетворять требованиям
раздела 13.
Примечание. У проводов, изолированных процессом прессования, скрепление слоев происходит в процессе производства;
- в том случае, когда два изолированных провода или один изолированный, а другой неизолированный соприкасаются внутри намоточного компонента под углом 45° - 90° друг к другу и подвержены натяжению в обмотке, необходимо обеспечить защиту от механического повреждения. Защита может быть обеспечена одним из следующих способов:
- разделением с помощью изоляционных трубок или листового материала или использованием удвоенного числа требуемых слоев изоляции, или
- намоточный компонент отвечает требованиям 8.18;
- провода должны быть подвергнуты стопроцентному периодическому испытанию на электрическую прочность изоляции по
H.3 (Приложение H). Испытание проводит изготовитель.
#Соответствие проверяют обследованием необходимой части, и изготовитель дает заключение о соответствии обмоток проводов.#
8.18. Испытание стойкости намоточных компонентов с изолированными проводами обмоток без дополнительной межслоевой изоляции
#Если соответствующее требование в
8.17 установлено, то намоточный компонент подвергают следующему циклическому испытанию, каждый цикл которого состоит из испытаний на нагрев, вибрацию и воздействие влагой. Измерения по
8.18, перечисление d) проводят после циклического испытания и каждого цикла.
Число образцов - три. Образцы подвергают 10 циклическим испытаниям.
a) Испытание на нагрев
В зависимости от типа изоляции (тепловая классификация) образцы выдерживают в камере тепла, сочетая время и температуру, как определено в таблице 4. Проводят 10 циклов с той же комбинацией времени и температуры.
Температуру в камере тепла поддерживают с допустимым отклонением от заданной +/- 3 °C.#
Таблица 4
Испытание на нагрев
┌───────────────┬─────────────────────────────────────────────────────────┐
│ Испытательная │ Время испытаний (дни), на цикл │
│температура, °C├─────────────────────────────────────────────────────────┤
│ │ при температуре для изоляции, °C │
│ ├──────────┬───────────┬───────────┬───────────┬──────────┤
│ │ 100 │ 115 │ 120 │ 140 │ 165 │
│ ├──────────┴───────────┴───────────┴───────────┴──────────┤
│ │ Тепловая классификация изоляции в соответствии │
│ │ с МЭК 60085 и МЭК 60216 │
│ ├──────────┬───────────┬───────────┬───────────┬──────────┤
│ │ A │ E │ B │ F │ H │
├───────────────┼──────────┼───────────┼───────────┼───────────┼──────────┤
│ 220 │ │ │ │ │ 4 │
│ 210 │ │ │ │ │ 7 │
│ 200 │ │ │ │ │ 14 │
│ 190 │ │ │ │ 4 │ │
│ 180 │ │ │ │ 7 │ │
│ 170 │ │ │ │ 14 │ │
│ 160 │ │ │ 4 │ │ │
│ 150 │ │ 4 │ 7 │ │ │
│ 140 │ │ 7 │ │ │ │
│ 130 │ 4 │ │ │ │ │
│ 120 │ 7 │ │ │ │ │
├───────────────┴──────────┴───────────┴───────────┴───────────┴──────────┤
│ Примечание: изготовитель решает, какое сочетание времени│
│и температуры использовать при проведении испытания. │
└─────────────────────────────────────────────────────────────────────────┘
#Перед проведением испытания на вибрацию образцы остужают до температуры окружающей среды.
b) Испытание на вибрацию
Образцы крепят к вибростенду в положении их нормального применения, как определено в МЭК 60068-2-6, с помощью винтов, струбцин или полос вокруг компонента. Направление вибрации - вертикальное со следующими параметрами воздействия:
- продолжительность - 30 мин;
- амплитуда - 0,35 мм;
- диапазон частоты - 10, ..., 55, ..., 10 Гц;
- частота качения - приблизительно одна октава в минуту.
c) Образцы подвергают воздействию влаги в течение двух суток по
10.2.
После каждого цикла измеряют сопротивление изоляции и электрическую прочность изоляции по
10.3. Для трансформаторов, работающих только на частоте сети, дополнительно проводят следующее испытание.
После испытания на электрическую прочность на одну входную цепь подают, по крайней мере, 1,2 номинального напряжения питания с удвоенной частотой на 5 мин. Никакие нагрузки не подключают к трансформатору. Во время испытания полифилярные обмотки, если такие имеются, подключают по порядку.
Допускается проведение испытания при более высокой частоте. Продолжительность периода воздействия (в минутах) должна соответствовать 10-кратной номинальной частоте, деленной на испытательную частоту, но не должна быть менее 2 мин.#
Во время данного испытания не должно произойти разрушения изоляции между витками обмоток, между входными и выходными цепями, между расположенными рядом входными или выходными цепями или между обмотками и проводящим каркасом.
#Значения испытательного напряжения для проведения испытания на электрическую прочность по
10.3 уменьшают на 35% установленных значений, а время испытаний удваивают.#
Образец рассматривают как не прошедший испытания, если ток холостого хода или активная составляющая входного тока холостого хода, по крайней мере, на 30% больше соответствующего значения, полученного при первичных измерениях.
Если после окончания всех 10 циклов один или более образец не прошел испытания, то трансформатор рассматривают как не прошедший испытания на стойкость.
8.19. Отключение от сети
8.19.1. В том случае, когда аппарат предназначен для питания от сети, должно быть обеспечено отключающее устройство, чтобы изолировать аппарат от сети на время его обслуживания.
Примечание. Примеры отключающих устройств:
- сетевая вилка,
- приборный соединитель,
- всеполюсный сетевой выключатель,
- всеполюсный автоматический выключатель.
В том случае, когда сетевая вилка или приборный соединитель используется в качестве отключающего устройства, инструкция по эксплуатации должна соответствовать требованиям
5.4.2, перечисление a).
В том случае, когда всеполюсный сетевой выключатель или всеполюсный автоматический выключатель используется в качестве отключающего устройства, должно быть обеспечено разделение контактов, по крайней мере на 3 мм в каждом полюсе, и отключение обоих контактов одновременно.
#Соответствие проверяют обследованием и измерением.#
8.19.2. Для аппарата, в котором сетевой выключатель используется в качестве отключающего устройства, положение "включено" должно иметь соответствующее обозначение.
Примечание. Обозначение положения "включено" может быть выполнено в форме маркировки, световой или звуковой индикации или другим подходящим способом.
В случае использования обозначения в виде маркировки должны быть применены соответствующие требования
раздела 5.
#Соответствие проверяют обследованием.#
8.20. Сетевой выключатель не должен быть размещен в гибком сетевом шнуре или проводе.
Примечание. Дополнительные требования для выключателей приведены в
14.6.
#Соответствие проверяют обследованием.#
8.21. Резисторы, конденсаторы или резистивно-емкостные блоки, шунтирующие зазоры выключателей, соединенных с сетью, должны соответствовать требованиям
14.1, перечисление a), или
14.2.2 соответственно.
#Соответствие проверяют обследованием.#
8.22. Испытания неразделяемых тонколистовых материалов
#Соответствие проверяют по МЭК 61558-1 (пункт 26.3) или следующими испытаниями:
Для испытаний используют три образца материала, каждый из которых состоит из трех или более слоев неразделяемого тонколистового материала, образующих усиленную изоляцию. Каждый образец по отдельности закрепляют на оправке (см.
рисунок 14) как показано на
рисунке 15.
К свободному концу образца прилагают силу (150 +/- 10) Н, направленную вниз (см.
рисунок 16) с помощью подходящего зажимного приспособления. Оправку вращают вручную без рывков:
- один раз из начального положения в конечное положение.
Если образец разрывается в месте крепления к оправке или зажимному приспособлению, то это не принимают во внимание и повторяют испытание на другом образце. Если образец разрывается в любом другом месте, то считают, что он не прошел испытания.
После этого вдоль поверхности образца помещают лист металлической фольги толщиной (0,035 +/- 0,005) мм и длиной не менее 200 мм таким образом, чтобы он свешивался с каждой стороны оправки (см.
рисунок 16). Поверхность фольги, соприкасающаяся с образцом, должна быть токопроводящей, неокисленной или не изолированной каким-либо другим способом. Фольгу размещают таким образом, чтобы ее края находились на расстоянии не менее 18 мм от краев образца (см.
рисунок 17). Затем фольгу натягивают двумя одинаковыми грузами, закрепленными по одному с каждой стороны с помощью подходящих зажимных приспособлений.
Во время нахождения оправки в конечном положении не позднее 60 с после того, как она была установлена в это положение, проводят испытания электрической прочности по
10.3.2. Испытательное напряжение, значение которого в 1,5 раза больше значения, установленного в
таблице 5 для усиленной изоляции, но не менее 5 кВ, следует приложить между оправкой и металлической фольгой.
Полный цикл испытаний проводят и на других двух образцах.
Во время испытания не должно быть поверхностного перекрытия или пробоя, однако эффекты коронного разряда или подобные явления допускаются.#
9. ОПАСНОСТЬ ПОРАЖЕНИЯ ЭЛЕКТРИЧЕСКИМ ТОКОМ ПРИ НОРМАЛЬНЫХ
УСЛОВИЯХ ЭКСПЛУАТАЦИИ
9.1. Испытания с наружной стороны
Доступные части не должны быть опасными для жизни.
Примечание 1. Цепи, предназначенные для соединения с аппаратурой, на которую распространяются другие стандарты, должны соответствовать требованиям
9.1.1 и относительно конструкции - требованиям
8.5 или
8.6.
Кроме того, при отсутствии соединений с другой аппаратурой недоступные контакты клемм не должны быть опасными для жизни, за исключением:
- контактов выходных сигнальных клемм, если они должны быть опасными для жизни по причине функциональных особенностей аппарата, при условии, что эти контакты отделены от источников питания в соответствии с требованиями
раздела 8 для доступных проводящих частей.
Примечания. 2. Допускается, чтобы недоступные входные клеммы, например у громкоговорителей, были опасными для жизни, если они присоединены к данным выходным клеммам.
- соединителей, соответствующих требованиям
15.1.1, предназначенных для подключения аппарата к сети, выходных розеток и контактов соединяющих устройств для обеспечения питанием других аппаратов.
Требования по определению доступности опасных для жизни частей применяют только для опасных для жизни напряжений, не превышающих 1000 В переменного тока или 1500 В - постоянного тока. При более высоких напряжениях должен быть зазор между частями, находящимися под опасным для жизни напряжением, и испытательным пальцем или испытательным щупом, как определено в
13.3.1 для основной изоляции (см.
рисунок 3).
#Соответствие проверяют обследованием и измерениями по
9.1.1.1 и испытаниями по
9.1.1.2.#
9.1.1.1. Определение опасных для жизни частей
С целью определить, является ли контакт соединителя или его часть опасной для жизни, проводят измерения между любыми двумя частями или контактами, затем между любой частью или контактом и любым полюсом источника питания, используемого во время испытания. Разряды на соединителях, обеспечивающих подключение аппарата к источнику питания, измеряют сразу же после отсоединения питания.
Примечание 1. Определение значения разряда между полюсами сетевой вилки см. 9.1.6.
#Контакт соединителя или его часть является опасной для жизни, если:
a) напряжение разомкнутой цепи превышает:
- 35 В (пиковое значение) переменного тока или 60 В постоянного тока,
- для звуковых сигналов профессиональных аппаратов 120 В (среднеквадратичное значение),
- для звуковых сигналов непрофессиональных аппаратов 71 В (среднеквадратичное значение).
b) ток от прикосновения, выраженный как напряжения

и

, измеряемый в соответствии с МЭК 60990 по схеме, описанной в
Приложении D, не превышает следующих значений:
-

В (пиковое значение) и

В (пиковое значение) - для переменного тока;
-

В - для постоянного тока.#
Примечание 2. Предельные значения напряжения

В (пиковое значение) для переменного тока и

В для постоянного тока соответствуют 0,7 мА (пиковое значение) переменного тока и 2,0 мА - постоянного тока.
Предельное напряжение

В (пиковое значение) переменного тока соответствует 70 мА (пиковое значение) переменного тока для частот свыше 100 кГц;
#c) разряд не превышает 45 мкКл при наличии остаточных напряжений от 60 В до 15 кВ или
d) энергия разряда не превышает 350 мДж при наличии остаточных напряжений, превышающих 15 кВ.#
Примечания. 3. Рекомендуется для аппаратуры, предназначенной для применения в районах с тропическим климатом, значения, приведенные в
перечислениях a) и
b), уменьшить вдвое.
4. С целью избежать излишне высокого значения тока от прикосновения, когда несколько аппаратов взаимосвязаны, рекомендуется, чтобы значение тока от прикосновения каждого из аппаратов не превышало значения, необходимого для его функционирования.
Для конструкции класса I среднеквадратичное значение тока от прикосновения на землю не должно превышать 3,5 мА. Измерение проводят в соответствии с измерительной схемой, описанной в Приложении D
(рисунок D.1), и с отсоединенным контактом защитного заземления.
9.1.1.2. Определение доступных частей
#С целью определить, является ли опасная для жизни часть доступной, используют шарнирный испытательный палец, соответствующий испытательному щупу В по МЭК 61032, который без заметного усилия прикладывают к корпусу или вставляют в любые отверстия корпуса, включая отверстия в днище.
Испытательный палец (далее - палец) вставляют в отверстия на глубину, ограничиваемую его размерами, и при этом палец вращают или сгибают в любом положении до, после и во время его введения. Если отверстие не позволяет вставить палец, то к несогнутому пальцу прилагают силу, возрастающую до (20 +/- 2) Н, а затем испытание повторяют согнутым пальцем.
Испытание повторяют с использованием маленьких испытательных пальцев по МЭК 61032, испытательных щупов 18 и 19. Если предполагаемые условия эксплуатации не допускают доступ детей, то данное испытание не проводят.
Проводящие части, покрытые только лаком, эмалью на основе растворителя, бумагой, непропитанной тканью, оксидной пленкой или шайбами из диэлектрика, рассматривают как неизолированные.
Движущиеся части акустических систем, такие как пылезащитные крышки, диффузоры динамиков или пассивные излучатели, рассматривают как доступные части.#
#Для конструкций класса II испытательный щуп 13 по МЭК 61032 не должен касаться опасных для жизни частей при приложении к нему силы (3 +/- 0,3) Н в любом возможном положении.
Испытательный щуп не прикладывают к выходным розеткам, соединителям, обеспечивающим сетевое питание, держателям плавких предохранителей и аналогичным устройствам.#
Примечание. Для проверки наличия электрического контакта необходимо использовать напряжение не менее 40 В и не более 50 В; также можно использовать пригодную для этого лампу, включенную последовательно.
9.1.2. Оси управляющих кнопок, ручек, рычагов и аналогичных устройств
Оси управляющих кнопок, ручек, рычагов и аналогичных устройств не должны быть опасными для жизни.
#Соответствие проверяют обследованием и, в случае сомнения, измерением согласно
9.1.1.1.#
9.1.3. Отверстия корпуса
Конструкцией аппарата должно быть предусмотрено исключение опасности для жизни от посторонних подвешенных предметов при их попадании в вентиляционные или другие отверстия.
#Соответствие проверяют введением в отверстия испытательного металлического штыря диаметром 4 мм и длиной 100 мм. Испытательный штырь, свободно подвешенный за один конец, опускают в отверстие, глубина проникновения штыря ограничивается его длиной.
Испытательный штырь не должен стать опасным для жизни.#
9.1.4. Соединители (клеммы)
Применение однополюсной вилки или неизолированного провода для соединения с контактом клеммы, используемой для подключения заземления или антенны, а также сигналов звука, изображения или взаимодействия, не должно создавать опасности поражения электрическим током.
Испытание не применяют к соединителям, имеющим маркировку символом, указанным в
5.2, перечисление b).
#Соответствие проверяют следующими испытаниями:
- испытательный штырь, соответствующий испытательному щупу 16 по МЭК 61032, прикладывают к любому участку в радиусе 25 мм от каждого контакта соединителя и, в случае сомнения, прилагают силу (10 +/- 1) Н;
- каждый контакт гнезда испытывают с помощью прямого испытательного щупа, соответствующего испытательному щупу D по МЭК 61032, и, в случае сомнения, прилагают силу (1 +/- 0,1) Н.
Испытательные щупы не должны стать опасными для жизни.#
9.1.5. Органы предварительной настройки
Если отверстие, через которое обеспечивается доступ к органам предварительной настройки, обозначено соответствующим образом на корпусе или в инструкции по эксплуатации, а для регулирования требуется отвертка или другой инструмент, то процесс регулирования не должен быть связан с риском поражения электрическим током.
#Соответствие проверяют введением в отверстие испытательного щупа, соответствующего испытательному щупу C по МЭК 61032.
Испытательный щуп прикладывают в любом возможном положении и, в случае сомнения, прилагают силу (10 +/- 1) Н.
Испытательный щуп не должен стать опасным для жизни.#
9.1.6. Отключение с помощью сетевой вилки
Конструкцией аппарата, предназначенного для подключения к сети с помощью сетевой вилки, должно быть предусмотрено исключение опасности поражения электрическим током от заряда, накопленного на конденсаторах, в случае прикосновения к штырям или контактам вилки после ее отсоединения от розетки.
Примечание. В настоящем пункте приборные и межблочные соединители штыревого типа рассматривают как сетевые вилки.
| | ИС МЕГАНОРМ: примечание. Здесь и далее по тексту, видимо, допущена опечатка: в пункте 9.1.1 отсутствуют перечисления. Возможно, имеется в виду пункт 9.1.1.1. | |
#Соответствие проверяют измерением согласно 9.1.1, перечисление a) или перечисление c), либо вычислением.
Сетевой выключатель, при его наличии, находится в положении "выключено", если положение "включено" не является более неблагоприятным.
По истечении 2 с после отсоединения сетевой вилки штыри или контакты этой вилки не должны быть опасными для жизни.
Испытание может быть повторено до 10 раз, чтобы охватить наиболее неблагоприятные случаи.
Если номинальная емкость между сетевыми полюсами не превышает 0,1 мкФ, испытание не проводят.#
9.1.7. Противодействие внешним силам
Корпус аппарата должен обладать достаточным противодействием к приложению внешних сил.
#Соответствие проверяют следующими испытаниями:
a) жесткий испытательный палец, соответствующий испытательному щупу 11 по МЭК 61032, прикладывают к различным точкам корпуса, включая отверстия и текстильную обивку, с силой, направленной внутрь и равной (50 +/- 5) Н, в течение 10 с.
Сила должна быть приложена концом испытательного пальца таким образом, чтобы избежать заклинивания или действия рычагом.
Во время испытания корпус не должен становиться опасным для жизни, а опасные для жизни части не должны оказаться доступными, текстильные обивки не должны касаться опасных для жизни частей;
b) посредством испытательного крюка, как указано на
рисунке 4, прилагают направленную наружу силу (20 +/- 2) Н во всех точках, где это возможно, в течение 10 с.
Во время испытания опасные для жизни части не должны оказаться доступными;
c) внешние проводящие кожухи и проводящие части внешней части корпуса должны быть подвергнуты в течение 5 с воздействию постоянной силы, равной (250 +/- 10) Н для напольной аппаратуры или (100 +/- 10) Н для другой аппаратуры, приложенной к корпусу или части корпуса, прикрепленной к аппарату с помощью соответствующего испытательного инструмента, обеспечивающего поверхностное прикосновение в виде окружности диаметром 30 мм.#
Примечание 1. Контакты соединителей не относятся к проводящим частям внешней части корпуса.
#После проведения испытаний аппарат не должен иметь повреждений, нарушающих требования настоящего стандарта.#
Примечание 2. При испытаниях аппарат не требуется подключать к источнику питания.
9.2. Удаление защитных крышек
Часть, которая становится доступной после удаления крышки вручную, не должна быть опасной для жизни.
Это требование распространяется также на внутренние части батарейных отсеков, которые становятся доступными после снятия крышки вручную или с помощью инструмента, монеты или других предметов, во время замены батарей.
Исключение составляют батареи, замена которых пользователем не предусмотрена, например батареи для устройств памяти.
#Соответствие проверяют проведением испытаний согласно
9.1.1, за исключением того, что измерения проводят через 2 с после удаления крышки.#
Примечание. Любую часть устройства для установки напряжения, снимаемую вручную, считают защитной крышкой.
10. ТРЕБОВАНИЯ К ИЗОЛЯЦИИ
Требования настоящего стандарта к изоляции распространяются на частоты до 30 кГц. Допускается распространять эти же требования на изоляцию, работающую на частотах свыше 30 кГц, до тех пор, пока дополнительная информация не будет доступна.
Примечание. Информация о поведении изоляции при работе на различных частотах указана в МЭК 60664-1 и МЭК 60664-4
[10].
10.1. Испытание перенапряжением
Изоляция между доступными частями или частями, подключенными к ним, и опасными для жизни частями должна выдерживать перенапряжение, обусловленное переходными процессами, например атмосферными разрядами, воздействующими на аппарат через соединитель антенны.
#Соответствие проверяют следующим испытанием:#
Изоляцию между соединителем для подключения антенны и клеммами для сетевого питания и между клеммами для сетевого питания и любым другим соединителем, в случае, если аппарат может быть подключен к другой аппаратуре, имеющей соединители для подключения антенны, подвергают воздействию 50 разрядов с максимальной скоростью 12 разрядов в минуту от конденсатора емкостью 1 нФ, заряженного до напряжения 10 кВ, по схеме испытания, показанной на
рисунке 5a.
Примечание. Во время этих испытаний аппарат не подключают к источнику питания.
#После испытания испытуемая изоляция должна соответствовать требованиям
10.3.#
Безопасность аппарата не должна нарушаться вследствие воздействия влаги, возможного во время его эксплуатации.
#Соответствие проверяют путем воздействия влаги по методу, описанному в настоящем пункте, и проведением сразу после этого испытаний в соответствии с
10.3.
Входные гнезда для кабелей, если таковые имеются, должны оставаться открытыми. Если у гнезда имеются заглушки, то они должны быть сняты.
Электрические компоненты, крышки и другие части, которые могут быть сняты вручную, удаляют и, при необходимости, подвергают воздействию влаги вместе с основной частью аппарата.
Испытание на воздействие влаги проводят в камере влажности, в которой поддерживают относительную влажность

.
Температуру воздуха в любом месте, где может быть помещен аппарат, поддерживают равной

.
Аппаратуру, предназначенную для использования в районах с тропическим климатом, подвергают испытаниям при температуре

и относительной влажности

.
Перед помещением в камеру влажности аппарат подогревают до любой температуры, находящейся в диапазоне от указанной до температуры на 4 K выше.
Аппарат выдерживают в камере влажности:
- 5 сут (120 ч) - для аппаратуры, предназначенной для использования в районах с тропическим климатом;
- 2 сут (48 ч) - для остальной аппаратуры.#
Примечания. 1. В большинстве случаев температура испытуемого аппарата может быть доведена до заданной путем выдерживания его при этой температуре в течение не менее 4 ч перед испытанием на влагостойкость.
2. Воздух в камере должен перемешиваться, и конструкция камеры должна исключать возможность осаждения тумана или конденсата воды на аппарате.
3. Во время этих испытаний аппарат не подключают к источнику питания.
#После проведения данного испытания аппарат не должен иметь повреждений, нарушающих требования настоящего стандарта.#
10.3. Электрическая прочность и сопротивление изоляции
10.3.1. Изоляция изолирующих материалов должна удовлетворять соответствующим требованиям.
#Соответствие проверяют на основании требований
10.3.2 и, если не указано особо, немедленно после окончания испытания на воздействие влаги по
10.2.#
Примечание. Для облегчения испытаний на электрическую прочность компоненты и сборочные узлы могут быть испытаны отдельно.
10.3.2. #Изолирующие материалы, перечисленные в
таблице 3, должны быть испытаны:
- на сопротивление изоляции напряжением постоянного тока 500 В; и
- на электрическую прочность, следующим образом:#
- изоляцию, находящуюся под напряжением постоянного тока (без пульсации), испытывают напряжением постоянного тока;
- изоляцию, находящуюся под напряжением переменного тока, испытывают напряжением переменного тока с частотой сети.
#Однако если возможны эффекты коронного разряда, ионизации или подобные им, рекомендуется проводить испытания напряжением постоянного тока.#
Примечание 1. В тех случаях, когда испытуемая изоляция шунтируется конденсаторами, рекомендуется использовать для испытания напряжение постоянного тока.
#Испытательное напряжение выбирают таким, как определено в
таблице 5 для соответствующего типа изоляции (основной, дополнительной или усиленной изоляции) и рабочего напряжения U, подаваемого на изоляцию.
Для определения рабочего напряжения U используют следующие положения:
- аппарат питается от своего номинального напряжения;
- в случае переменного напряжения измеряют истинное пиковое значение напряжения с учетом налагаемых периодических и непериодических импульсов с длительностью полуволны более чем 50 нс;
- в случае постоянного напряжения учитывают максимальное значение любой наложенной пульсации;
- периодические и непериодические переходные процессы, имеющие длительность полуволны до 50 нс, не учитывают;
- незаземленные доступные проводящие части рассматривают как подключенные к клемме заземления или как подключенные к клемме защитного заземления или к ее контакту;
- в тех случаях, когда обмотка трансформатора или другая деталь аппарата имеет плавающий потенциал, т.е. не соединена с цепью, устанавливающей потенциал относительно земли, допускается ее соединение с клеммой заземления или с клеммой, или контактом защитного заземления в точке, где рабочее напряжение достигает наибольшего значения;
- там, где используется двойная изоляция, рабочее напряжение на основной изоляции определяют при предположении короткого замыкания дополнительной изоляции и наоборот. Для изоляции между обмотками трансформатора короткое замыкание предполагают в точке, в которой возникает наибольшее рабочее напряжение на другой изоляции;
- для изоляции между двумя обмотками трансформатора используют наибольшее напряжение между двумя точками, имея в виду внешнее напряжение, к которому могут быть подключены обмотки;
- для изоляции между обмоткой трансформатора и другой частью аппарата используют наибольшее напряжение между любой точкой обмотки и другой частью аппарата.
Испытательное напряжение должно быть получено от соответствующего источника, который рассчитан таким образом, что при коротком замыкании выходных клемм после установки требуемого значения выходного испытательного напряжения выходной ток достигает не менее 200 мА.
Устройство защиты от перегрузки не должно срабатывать, если выходной ток не превышает 100 мА.
Значение испытательного напряжения необходимо измерять с точностью +/- 3%.
Сначала должно быть приложено напряжение, значение которого составляет не более половины значения испытательного напряжения, затем его быстро повышают до требуемого значения, которое удерживают в течение 1 мин.
Измерение сопротивления изоляции и испытание на электрическую прочность проводят в камере влажности или помещении, в котором аппарат доводят до заданной температуры, после установки на место тех деталей, которые ранее могли быть сняты.
Считают, что аппарат соответствует требованиям, если сопротивление, измеренное по истечении 1 мин, не менее указанного в
таблице 5 и если не было искрения или пробоев при проведении испытаний изоляции на электрическую прочность.
При испытании кожухов из изолирующего материала металлическую фольгу прижимают непосредственно к доступным частям.
При испытании аппарата, имеющего одновременно усиленную изоляцию и изоляцию других типов, необходимо обеспечить, чтобы испытательное напряжение, приложенное к усиленной изоляции, не повредило основную или дополнительную изоляцию.#
Примечания. 2. При испытании на электрическую прочность доступные проводящие части могут быть соединены вместе.
3. Установка для проведения испытаний на электрическую прочность тонких листов изолирующего материала приведена на
рисунке 6.
#Резисторы, конденсаторы и резистивно-емкостные блоки, удовлетворяющие требованиям
14.1,
14.2.1 и
14.2.2 соответственно и включенные параллельно испытуемой изоляции, следует отсоединить. Индуктивности и обмотки, которые могут препятствовать проведению испытания, также следует отсоединить.#
Таблица 5
Испытательные напряжения для проведения испытаний
на электрическую прочность и сопротивление изоляции
┌──────────────────────────────┬─────────────┬────────────────────────────┐
│ Изоляция │Сопротивление│ Испытательное напряжение │
│ │ изоляции, │ переменного тока │
│ │ МОм │ (пиковое значение) │
│ │ │ или постоянного тока │
├──────────────────────────────┼─────────────┼────────────────────────────┤
│1. Между полюсами деталей,│ 2 │1410 В - для номинальных│
│непосредственно соединенных│ │напряжений сети <= 150 В│
│с сетью │ │(эффективное) │
│ │ │2120 В - для номинальных│
│ │ │напряжений сети > 150 В│
│ │ │(эффективное) │
├──────────────────────────────┼─────────────┼────────────────────────────┤
│2. Между частями, разделенными│ 2 │Кривая A на
рисунке 7 │
│основной изоляцией│ │ │
│или дополнительной изоляцией │ │ │
├──────────────────────────────┼─────────────┼────────────────────────────┤
│3. Между частями, разделенными│ 4 │Кривая B на
рисунке 7 │
│усиленной изоляцией │ │ │
├──────────────────────────────┴─────────────┴────────────────────────────┤
│Кривые A и B
рисунка 7 определяются следующими точками: │
├────────────────────────┬────────────────────────────────────────────────┤
│ Рабочее напряжение U │ Испытательное напряжение (пиковое значение) │
│ (пиковое значение) ├─────────────────────────┬──────────────────────┤
│ │ Кривая A │ Кривая B │
├────────────────────────┼─────────────────────────┼──────────────────────┤
│ 35 В │ 707 В │ 1410 В │
│ 354 В │ │ 4240 В │
│ 1410 В │ 3980 В │ │
│ 10 кВ │ 15 кВ │ 15 кВ │
│ > 10 кВ │ 1,5U В │ 1,5U В │
└────────────────────────┴─────────────────────────┴──────────────────────┘
11. УСЛОВИЯ НЕИСПРАВНОСТЕЙ
Примечание. Для проверки соответствия требованиям настоящего раздела могут быть необходимы повторные испытания на электрическую прочность. Однако, чтобы избежать испытаний аппарата в условиях влажности более одного раза, целесообразно заранее установить определенную последовательность испытаний всех изоляций, которые должны быть испытаны при наибольшем испытательном напряжении.
11.1. Опасность поражения электрическим током
Защита от поражения электрическим током должна быть обеспечена также в том случае, когда аппарат работает в условиях неисправностей.
#Соответствие проверяют путем проведения испытаний в условиях неисправностей согласно
разделу 9 и с нижеуказанными изменениями.
Для контактов клемм:
- допустимые значения, указанные в 9.1.1, перечисление a), увеличивают до 70 В (пиковое значение) переменного тока и 120 В постоянного тока, и
- допустимые значения, указанные в 9.1.1, перечисление b), увеличивают до

В (пиковое значение) и

В (пиковое значение) переменного тока и до

В постоянного тока при условии, что антенный штекер и штекер заземления не могут быть вставлены в испытуемый соединитель.#
Примечание. Для аппаратуры, предназначенной для использования в районах с тропическим климатом, рекомендуется вышеуказанные значения уменьшить в два раза.
#Если короткое замыкание или обрыв резисторов, конденсаторов, резистивно-емкостных блоков, оптопар или индуктивностей вызывает нарушение данных требований, то аппарат считают удовлетворяющим требованиям безопасности, если компонент соответствует необходимым требованиям
раздела 14 (см.
4.3.4.).
Если во время проведения испытаний одна из указанных в
таблице 5 изоляций подвергается воздействию напряжения, превышающего напряжение при нормальных условиях работы, и если это в свою очередь ведет к увеличению испытательного напряжения согласно
10.3, то такая изоляция должна выдержать испытание на электрическую прочность при увеличенном напряжении, за исключением тех случаев, когда повышение напряжения является следствием короткого замыкания или обрыва резистора, конденсатора, резистивно-емкостного блока, оптопары или индуктивности, удовлетворяющих требованиям
раздела 14.#
Когда аппарат работает в условиях неисправностей, то ни одна из его частей не должна нагреваться до такой температуры, чтобы:
- появилась опасность возникновения пожара вблизи аппарата;
- снижалась его безопасность из-за чрезмерного количества тепла, выделяемого аппаратом.
#Соответствие требованиям проверяют путем проведения испытаний по
11.2.1.
Во время испытаний любое пламя, возникшее внутри аппарата, должно погаснуть менее чем за 10 с.
Во время испытаний пайки могут размягчаться или расплавляться до тех пор, пока аппарат не станет опасным в соответствии с требованиями настоящего стандарта.
Кроме того, соединения пайкой не должны быть использованы в качестве защитного механизма, за исключением паек, которые предназначены для того, чтобы расплавляться, например таких, как термопредохранители.#
11.2.1. Измерение превышений температуры
#Измерение превышений температуры частей аппарата, работающего в режиме неисправности, проводят после достижения установившегося режима, но не позже чем через 4 ч после начала работы.
В течение этого периода аппарат должен соответствовать требованиям
11.2.2 -
11.2.6.
Если неисправность приводит к разрыву цепи ранее достижения установившегося режима, то измерение превышения температуры проводят сразу же после разрыва цепи.
Если превышение температуры ограничивается срабатыванием плавкого предохранителя, то, в случае необходимости, проводят следующее дополнительное испытание, касающееся характеристик плавкого предохранителя.
Плавкую вставку шунтируют, и в таком состоянии в условиях неисправности измеряют ток, протекающий в цепи плавкого предохранителя:
- если указанный ток в 2,1 раза меньше номинального тока, на который рассчитана плавкая вставка, то температуру измеряют после достижения установившегося режима;
- если указанный ток сразу равен или в 2,1 раза больше номинального тока плавкой вставки или постепенно достигает этого значения за период времени, равный максимальному времени плавления рассматриваемого предохранителя при необходимом токе, протекающем через этот предохранитель, то по истечении дополнительного времени, равного максимальному времени плавления рассматриваемого предохранителя при необходимом токе, протекающем через этот предохранитель, плавкую вставку и шунтирующую перемычку удаляют, а затем немедленно проводят измерения температуры.
Если сопротивление плавкого предохранителя влияет на значение тока соответствующей цепи, то при определении этого тока учитывают максимальное сопротивление данной плавкой вставки.#
Примечание. Вышеприведенный текст основан на характеристиках предохранителей, установленных в МЭК 60127 и содержащих информацию, необходимую для расчета максимального сопротивления.
#При определении тока, проходящего через плавкую вставку, следует учитывать, что значение тока может изменяться во времени. Поэтому его необходимо измерить как можно скорее после включения аппарата, принимая во внимание время любой задержки до начала полного функционирования рассматриваемой цепи.
Если превышение температуры аппарата выше указанного в
таблице 3 и оно обусловлено коротким замыканием изоляции, то не считают, что аппарат не удовлетворяет требованиям, но должно быть проведено испытание на электрическую прочность этой изоляции в соответствии с
10.3.
Если превышение температуры выше указанного в
таблице 3 и оно обусловлено коротким замыканием или обрывом резистора, конденсатора, резистивно-емкостного блока, оптопары или индуктивности, то считают, что аппарат удовлетворяет требованиям, если данные компоненты соответствуют требованиям
раздела 14 (см.
4.3.4).
Если превышение температуры выше указанного в
таблице 3 и оно обусловлено обрывом резистора, то испытание на перегрузку по
14.1, перечисление b), проводят повторно на резисторе, вмонтированном в аппарат, включая соединения, выполненные изготовителем.
Во время этого испытания соединения не должны быть нарушены.#
Значения превышения температуры доступных частей не должны быть выше значений, указанных в таблице 3,
перечисление a), графа "Условия неисправностей".
11.2.3. Части, за исключением обмоток, обеспечивающие электрическую изоляцию
Значения превышения температуры изолирующих частей, за исключением обмоток, разрушение которых привело бы к нарушению требований
11.1,
11.2.2,
11.2.4 и
11.2.6, не должны быть выше значений, указанных в таблице 3,
перечисление b), графа "Условия неисправностей", за исключением следующих случаев:
- для печатных плат в течение периода времени максимум 5 мин значение превышения температуры может быть выше значений, указанных в таблице 3,
перечисление b), графа "Условия неисправностей", но не более чем на 100 K;
- для печатных плат, выдерживающих испытание пламенем согласно
20.1.3, значение превышения температуры может быть больше:
a) значений, указанных в таблице 3,
перечисление b), графа "Условия неисправностей", но не выше 100 K на одном или нескольких небольших участках, общая площадь которых не превышает 2 см2 для каждой неисправности, и при условии, что отсутствует возможность поражения электрическим током, или
b) в течение не более 5 мин значений, указанных в таблице 3,
перечисление b), графа "Условия неисправностей", но не более значения превышения температуры для "Других частей" в таблице 3,
перечисление e), графа "Условия неисправностей", на одном или нескольких небольших участках, общая площадь которых не превышает 2 см2 для каждой неисправности, и при условии, что отсутствует возможность поражения электрическим током.
#Если превышение температуры выше допустимого и если есть сомнение, существует ли возможность поражения электрическим током или нет, то проводящие части, относящиеся к перегреву, замыкают накоротко и повторяют испытания согласно
11.1.
Если во время испытаний произойдет отслоение, оголение или обрыв проводников печатной платы, то аппарат все еще рассматривают как удовлетворяющий требованиям настоящего стандарта, если выполнены все следующие условия:
- печатная плата соответствует требованиям
20.1.3;
- обрыв не является потенциальным источником воспламенения;
- аппарат удовлетворяет требованиям настоящего пункта, если обрыв проводника шунтировать перемычкой;
- любой отслоившийся или оголившийся проводник не приводит к уменьшению значений зазоров или путей утечки между опасными для жизни частями и доступными частями ниже значений, установленных в
разделе 13;
- в аппарате класса I сохраняется любое соединение с защитным заземлением, потеря такого соединения недопустима.#
11.2.4. Части, выполняющие роль опоры или ограждения от механических воздействий
Значения превышения температуры частей, механическое разрушение которых может привести к нарушению требований
9.1.1, не должны быть выше указанных в таблице 3,
перечисление c), графа "Условия неисправностей".
Значения превышения температуры обмоток не должны быть больше указанных в таблице 3,
перечисления b) и
c), графа "Условия неисправностей", со следующими исключениями:
- если температура ограничивается вследствие срабатывания заменяемых или восстанавливаемых защитных устройств, то значение превышения температуры может быть больше допустимых значений в течение промежутка времени длительностью не более 2 мин после срабатывания защитного устройства.
#В случае обмоток, обеспечивающих защиту от поражения электрическим током или от возникновения воспламенения, испытания повторяют три раза, а затем обмотки подвергают испытаниям на электрическую прочность согласно
10.3 без испытаний на воздействие влагой по
10.2, начиная измерения по истечении не более 1 мин после измерений превышения температуры.
После проведения испытаний не должно быть никаких повреждений;#
- если температура ограничивается вследствие срабатывания встроенного невосстанавливаемого или незаменяемого устройства защиты или из-за обрыва обмотки, то допустимое превышение температуры может быть выше, но испытание должно быть повторено три раза с использованием новых элементов.
#В случае обмоток, обеспечивающих защиту от поражения электрическим током или от возникновения воспламенения, обмотки подвергают испытаниям на электрическую прочность согласно
10.3 без испытаний на воздействие влагой по
10.2, начиная измерения по истечении не более 1 мин после измерений превышения температуры.
После проведения испытаний не должно быть никаких повреждений;#
- более высокое превышение температуры обмоток допускается при условии, что повреждение их изоляции не приведет к опасности поражения электрическим током или опасности воспламенения и что эти обмотки не подключены к источникам питания, способным выдавать мощность более 5 Вт при нормальных условиях эксплуатации.
Если превышение температуры выше допустимого и если есть сомнение, существует ли возможность поражения электрическим током или нет, то изоляцию, относящуюся к перегреву, шунтируют и повторяют испытания согласно
11.1 и
11.2.2.
Примечание. Если изоляция размещена в обмотке таким образом, что превышение ее температуры невозможно измерить непосредственно, то ее температуру принимают такой же, как и температуру проводов обмотки.
11.2.6. Части, на которые не распространяются требования
11.2.1 -
11.2.5
В зависимости от типа применяемого материала значения превышения температуры частей не должны быть больше значений, указанных в таблице 3,
перечисление e), графа "Условия неисправностей".
12. МЕХАНИЧЕСКАЯ ПРОЧНОСТЬ
12.1. Укомплектованный аппарат
Аппарат должен обладать достаточной механической прочностью и выдерживать воздействия, возможные в течение его эксплуатации.
Конструкцией аппарата должно быть предусмотрено исключение короткого замыкания изоляции между опасными для жизни частями и доступными частями или частями, соединившимися с ними, например в результате случайного ослабления или потери винтов.
#Соответствие проверяют проведением испытаний по 12.1.1 -
12.1.3, за исключением элементов, являющихся частью сетевой вилки.#
Примечание. Элементы, являющиеся частью сетевой вилки, подвергают испытаниям по
15.4.
12.1.1. Испытание на ударостойкость
#Аппараты массой более 7 кг устанавливают на горизонтальной деревянной подставке, которую бросают 50 раз с высоты 5 см на деревянный стол.
После окончания испытания аппарат не должен иметь повреждений, нарушающих требования настоящего стандарта.#
12.1.2. Испытание вибрацией
#Передвижные аппараты, предназначенные для усиления звука музыкальных инструментов, портативные аппараты, а также аппараты, имеющие металлический корпус, подвергают испытаниям на устойчивость к вибрации с периодически меняющейся частотой по МЭК 60068-2-6.
Аппарат закрепляют на вибростенде в положении, предназначенном для эксплуатации, с помощью ремней, опоясывающих корпус. Направление вибрации - вертикальное; условия испытания следующие:
- продолжительность - 30 мин;
- амплитуда - 0,35 мм;
- диапазон частоты - 10, ..., 55, ..., 10 Гц;
- скорость изменения частоты - приблизительно одна октава в минуту.
После окончания испытаний аппарат не должен иметь повреждений, не удовлетворяющих требованиям настоящего стандарта, в особенности не должны быть нарушены соединения или ослаблены крепления деталей, которые приводят к снижению безопасности.#
#Аппарат прочно закрепляют на жесткой опоре и по нему наносят три удара молотком пружинного действия в соответствии с МЭК 60068-2-75. Удары наносят с кинетической энергией приблизительно 0,5 Дж по внешней поверхности, которая защищает опасные для жизни части в местах, предположительно наиболее ослабленных, включая выдвижные панели в выдвинутом положении, рукоятки, рычаги, кнопки выключателей и т.п. Перед ударом молоток прижимают к поверхности аппарата под прямым углом.
Этому испытанию подвергают также окошки, линзы, сигнальные лампы и их колпаки и т.п., но только при условии, если они выступают над поверхностью более чем на 5 мм или если площадь выступающей поверхности превышает 1 см2. Кроме того, невентилируемые сплошные участки корпуса, который защищает опасные для жизни части, подвергают единичному испытанию ударом, определенному в таблице 6.
Испытание ударом в соответствии с таблицей 6 проводят посредством свободного падения однородного, гладкого стального шара диаметром (50 +/- 1) мм и массой приблизительно 500 г в направлении, перпендикулярном к поверхности корпуса, как показано на
рисунке 8.#
Таблица 6
Испытание корпуса аппарата ударом
┌──────────────────────────────────────────────┬──────────────────────────┐
│ Часть корпуса │ Удар, Дж +/- 1% │
├──────────────────────────────────────────────┼──────────────────────────┤
│Верхняя, боковые, задняя и фронтальная части│ 2 │
│портативного или настольного аппарата │ │
├──────────────────────────────────────────────┼──────────────────────────┤
│Все открытые части закрепленного аппарата │ 2 │
├──────────────────────────────────────────────┼──────────────────────────┤
│Верхняя, боковые, задняя и фронтальная части│ 3,5 │
│напольного аппарата │ │
├──────────────────────────────────────────────┴──────────────────────────┤
│ Примечания: 1. Для приложения удара соответствующей энергии│
│необходимую высоту вычисляют по формуле │
│ h = E/gm, │
│ где h - вертикальное расстояние, м; │
│ E - энергия удара, Дж; │
│ g - ускорение свободного падения, равное 9,81 м/с2; │
│ m - масса стального шара, кг. │
│ 2. Для определения прочности кинескопов и защиты от последствий│
└─────────────────────────────────────────────────────────────────────────┘
#После данного испытания аппарат должен выдерживать испытание на электрическую прочность по
10.3 и не должен иметь никаких повреждений, нарушающих требования настоящего стандарта, особенно:
- опасные для жизни части не должны оказаться доступными,
- изолирующие перегородки не должны быть повреждены,
- части, подвергнутые воздействию ударного молотка, не должны иметь никаких видимых трещин.#
12.1.4. Испытание падением
#Портативные аппараты массой не более 7 кг подвергают испытанию на падение. Образец укомплектованного аппарата должен быть подвергнут трем ударам при падении с высоты 1 м на горизонтальную поверхность в самом неблагоприятном положении.
Горизонтальная поверхность должна быть выполнена из древесины твердых пород толщиной 13 мм, уложенной на два слоя фанеры толщиной от 19 до 20 мм, находящейся на бетонном или подобном неупругом полу.
При каждом падении испытуемый образец поворачивают для падения различными поверхностями. Если аппарат питается от батарей, то падения образца проводят с батареями, определенными изготовителем.
После испытания аппарат может быть неработоспособен, но должен выдерживать испытания на электрическую прочность и особенно:
- опасные для жизни части не должны оказаться доступными,
- изолирующие перегородки не должны быть повреждены,
- зазоры и пути утечки не должны снизиться.
При проверке отверстия на поверхности кинескопа не рассматривают.#
12.1.5. Испытание снятием механических напряжений
Конструкцией корпуса из литых или формованных пластмасс должно быть предусмотрено, чтобы какие-либо усадки или деформации материала в результате внешних воздействий, вызванных процессом литья или формовки, не стали причиной нарушения защиты опасных частей.
#Один образец, состоящий из укомплектованного аппарата или из укомплектованного корпуса вместе с любой несущей конструкцией, помещают в камеру с перемешиваемым воздухом и температурой на 10 K выше максимальной температуры, измеренной на корпусе во время испытаний по
7.1.3, но не менее чем 70 °C на 7 ч, а затем охлаждают до комнатной температуры.
Для крупногабаритных аппаратов, у которых невозможно испытать укомплектованный корпус, допускается испытывать часть корпуса в сборе (включая любые опорные узлы) с учетом его толщины и формы.
После испытания опасные подвижные части или опасные для жизни части не должны стать опасными.#
Примечание. При испытании части корпуса вместо укомплектованного корпуса может потребоваться заново собрать аппарат для определения соответствия.
12.2. Крепление органов управления
Конструкцией органов управления (например, кнопок, ручек, клавиш, рычагов) должна быть предусмотрена возможность закрепления их таким образом, чтобы при использовании не нарушилась защита от поражения электрическим током.
#Соответствие проверяют следующими испытаниями:
- крепежные винты (при наличии) отвинчивают, потом завинчивают обратно с приложением крутящего момента, значение которого составляет 2/3 значения, указанного в
таблице 20, а затем ослабляют на 1/4 оборота;
- после этого к органам управления в течение 1 мин прилагают крутящий момент по касательной к окружности, соответствующий силе 100 Н, но не более 1 Н·м, а также в течение 1 мин осевую растягивающую силу, равную 100 Н. Если масса аппарата менее 10 кг, то значение растягивающей силы не должно превышать значения массы аппарата, но должно быть не менее 25 Н;
- для органов управления, таких как нажимные кнопки, клавиши и т.п., которые во время эксплуатации могут быть подвергнуты только воздействию силы давления и которые не выступают за пределы поверхности аппарата более чем на 15 мм, растягивающую силу ограничивают до 50 Н.
После окончания испытания аппарат не должен иметь повреждений, нарушающих требования настоящего стандарта.
12.3. Устройства дистанционного управления, удерживаемые в руке
#Устройство дистанционного управления, предназначенное для удерживания в руке и включающее в себя опасные для жизни части, должно обладать достаточной механической прочностью. Конструкцией этого устройства должна быть предусмотрена его способность выдерживать воздействия, возможные в течение эксплуатации.
Устройство дистанционного управления со своим гибким шнуром, при его наличии, укороченным до 10 см, подвергают испытанию в соответствии с МЭК 60068-2-32 (методика 2).
Если масса устройства управления более 250 г, то барабан должен совершить 25 оборотов, а если масса не более 250 г, то - 50 оборотов.
По окончании испытания аппарат не должен иметь повреждений, нарушающих требования настоящего стандарта.
Части устройства дистанционного управления, соединяемого кабелем, которые не предназначены для того, чтобы их держали в руке, испытывают как части вспомогательных аппаратов.#
12.4. Выдвижные устройства
Выдвижные устройства, предназначенные для выдвижения из аппарата только на часть своей длины, должны иметь стопор такой механической прочности, чтобы опасные для жизни части не стали доступными.
#Соответствие проверяют следующим испытанием:
- данное устройство выдвигают до тех пор, пока стопор не ограничит его дальнейшего выдвижения, затем в течение 10 с к нему прилагают силу 50 Н в наиболее неблагоприятном направлении.
После испытания аппарат не должен иметь повреждений, нарушающих требования настоящего стандарта, в особенности ни одна опасная для жизни часть не должна стать доступной.#
12.5. Коаксиальные антенные гнезда, устанавливаемые на аппарате
Конструкцией коаксиальных антенных гнезд, устанавливаемых на аппарате, содержащем части или компоненты, которые обеспечивают изоляцию между опасными для жизни частями и доступными частями, должна быть предусмотрена их способность выдерживать воздействия, возможные в течение эксплуатации.
#Соответствие проверяют с помощью следующих испытаний, которые проводят в указанной последовательности.
После проведения этих испытаний аппарат не должен иметь повреждений, нарушающих требования настоящего стандарта.#
Испытание на износоустойчивость
#Испытательный штекер, показанный на
рисунке 9, вставляют и извлекают из антенного гнезда 100 раз. Во время введения и извлечения испытательного штекера не должно произойти преднамеренное повреждение антенного гнезда.#
Испытание ударом
#Испытательный штекер, показанный на
рисунке 9, вставляют в антенное гнездо, а затем молотком пружинного действия (МЭК 60068-2-75) наносят последовательно три удара по одному и тому же месту штекера, в наиболее неблагоприятном направлении, с кинетической энергией удара приблизительно 0,5 Дж.#
Испытание крутящим моментом
#Испытательный штекер, показанный на
рисунке 9, вставляют в антенное гнездо, а затем к штекеру в течение 10 с прилагают без рывков силу, равную 50 Н, направленную перпендикулярно к его оси. При этом радиальное направление действия силы выбирают таким образом, чтобы нагрузить те части антенного гнезда, которые предполагают наиболее слабыми.
Силу измеряют, например, с помощью пружинного динамометра, прикрепленного посредством отверстия в испытательном штекере.
Испытание проводят 10 раз.#
Примечание. При проведении испытаний антенных коаксиальных гнезд, отличных от тех, которые указаны в МЭК 60169-2
[3], используют подходящий испытательный штекер такой же длины.
12.6. Телескопические или стержневые антенны
Телескопическая или стержневая антенна должна иметь на конце заглушку в виде "кнопки" или "шарика" минимальным диаметром 6 мм.
Телескопическая или стержневая антенна должна иметь защиту или ограждение, предотвращающее падение частей антенны или ее крепежных элементов в случае поломки внутрь аппарата и соприкосновение с опасными для жизни частями.
К крепежным элементам относятся только те части, которые используются для крепления антенны или подвергаются нагрузке во время перемещения антенны.
12.6.1. Прочность крепления
Оконечный элемент антенны и секции телескопической антенны должны быть закреплены таким образом, чтобы предотвратить снятие.
#Соответствие проверяют следующим испытанием:
- оконечный элемент антенны подвергают воздействию силы в 20 Н вдоль главной оси антенны в течение 1 мин. Если оконечный элемент антенны закреплен с помощью резьбы, то дополнительно откручивающему вращению подвергают пять дополнительных образцов. Сила вращения должна быть приложена постепенно к закрепленному стержню. После достижения необходимого крутящего момента его удерживают не более 15 с. Время удерживания отдельного образца не должно быть менее 5 с, а среднее время удерживания всех пяти образцов - не менее 8 с.
Значения крутящего момента приведены в таблице 7.#
Таблица 7
Значения крутящего момента для испытания оконечного
элемента антенны
┌───────────────────────────────────────┬───────────────────────┐
│ Диаметр оконечного элемента, мм │ Крутящий момент, Н·м │
├───────────────────────────────────────┼───────────────────────┤
│ < 8,0 │ 0,3 │
├───────────────────────────────────────┼───────────────────────┤
│ >= 8,0 │ 0,6 │
└───────────────────────────────────────┴───────────────────────┘
Зазоры должны быть заданы так, чтобы перенапряжения от переходных процессов, которые могут проникать в аппарат, и пиковые напряжения, вырабатываемые в аппарате, не пробивали зазоры. Детально требования приведены в
13.3.
Пути утечки должны быть заданы так, чтобы для определенного рабочего напряжения и степени загрязнения отсутствовало поверхностное перекрытие или пробой (трекинг) изоляции. Детально требования приведены в
13.4.
Примечание. Для определения зазора измеряют пиковое рабочее напряжение. Для определения путей утечки измеряют напряжение постоянного тока или среднеквадратичное рабочее напряжение.
Методы измерения зазоров и путей утечки приведены в
Приложении E.
Допускается для зазоров и путей утечки разделять их промежутком, разъединением проводящих частей, таких как неиспользуемый контакт в соединителе, обеспечивая суммирование отдельных расстояний, удовлетворяющих указанным минимальным требованиям [см.
рисунок E.8 (Приложение E)].
Для минимальных значений зазоров и путей утечки различают следующие степени загрязнения:
- степень загрязнения 1 - для компонентов и сборочных узлов, которые закрыты герметично, чтобы исключить влияние пыли и влажности;
- степень загрязнения 2 - в основном применяют для аппаратуры, на которую распространяется настоящий стандарт;
- степень загрязнения 3 - где местная окружающая среда в пределах аппарата подвержена проводящему загрязнению или сухому непроводящему загрязнению, которое может стать проводящим из-за возможной конденсации, или если аппарат расположен в области, где условия эксплуатации такие, что проводящее загрязнение или сухое непроводящее загрязнение, которое могло бы стать проводящим, присутствует.
За исключением изоляции между частями с различной полярностью, непосредственно соединенными с сетью, зазоры и пути утечки имеют меньшие значения, чем они определены и допущены, но подчиняются требованиям
4.3.1,
4.3.2 и
11.2.
13.2. Определение рабочего напряжения
При определении рабочего напряжения должны быть учтены все следующие требования:
- рабочее напряжение между любой точкой цепи, непосредственно соединенной с сетью, и землей и между любой точкой цепи, непосредственно соединенной с сетью, и цепью, не соединенной непосредственно с сетью, рассматривают как наибольшее из следующего:
- номинальное напряжение питания или наибольшее напряжение, измеренное между такими точками во время работы при номинальном напряжении питания, или
- верхнее значение диапазона номинального напряжения питания или наибольшее напряжение, измеренное между такими точками во время работы при любом значении из диапазона номинального напряжения питания;
- незаземленные доступные проводящие части должны быть рассмотрены как заземленные;
- где намоточный компонент или другая часть схемы работает вхолостую, т.е. не подсоединена к цепи, которая определяет ее потенциал относительно земли, то цепь должна быть заземлена в точке, к которой может быть приложено повышенное рабочее напряжение;
- где используется двойная изоляция, рабочее напряжение по основной изоляции должно быть определено при предположении наличия короткозамкнутой цепи через дополнительную изоляцию и наоборот. Для двойной изоляции между обмотками намоточных компонентов допускается наличие короткозамкнутой цепи в точке, где присутствует самое высокое рабочее напряжение;
- за исключением того, как это допускается ниже, для изоляции между двумя обмотками намоточных компонентов должно быть использовано самое высокое напряжение между любыми двумя точками в этих двух обмотках с учетом внешних напряжений, с которыми эти обмотки будут соединены;
- за исключением того, как допускается ниже, для изоляции между обмоткой намоточного компонента и другой частью должно быть использовано самое высокое напряжение между любой точкой обмотки и другой ее частью.
Если изоляция намоточного компонента имеет различные значения рабочих напряжений по всей длине обмотки, то допускается изменение зазоров, путей утечки и расстояний через изоляцию соответственно.
Примечание. Примером такой конструкции является обмотка напряжением 30 кВ, включающая в себя составные катушки, соединенные последовательно, и заземленная с одного конца.
13.3.1. Основные положения
Допускается использование следующего или альтернативного метода в
Приложении J для отдельного компонента или сборочного узла или для целого аппарата.
- значения зазоров должны совпадать с установленными в основной публикации по безопасности МЭК 60664-1, которая должна быть гармонизирована с другими публикациями по безопасности (например, для трансформаторов);
- ослабление переходных процессов в пределах аппарата рассматривают, включая ослабление переходных процессов в цепях, непосредственно соединенных с сетью.
2. Требования по зазорам основаны на ожидаемых перенапряжениях от переходных процессов, которые могут попадать в аппарат из сети питания. Согласно МЭК 60664-1 амплитуда этих переходных процессов определяется номинальным сетевым напряжением и средствами питания. Эти переходные процессы распределены по категориям согласно МЭК 60664-1 на четыре группы как категории перенапряжения от I до IV (также известные как категории инсталляции от I до IV).
3. Комбинация сплошной изоляции и зазоров должна быть выполнена таким способом, чтобы при наличии случайного перенапряжения от переходного процесса, превышающего предел для перенапряжений категории II, сплошная изоляция могла выдерживать воздействие более высокого напряжения, чем зазоры.
Для всех систем питания переменным напряжением значения переменного сетевого напряжения приведены в
таблицах 8 -
10 как напряжение "фаза - нейтраль".
Примечание 4. В Норвегии используется IT-система распределения питания, переменное сетевое питание является равным напряжению фаза - фаза и будет составлять 230 В в случае единичной неисправности в цепи заземления.
Указанные зазоры не применяют по отношению к значению воздушного промежутка между контактами терморегуляторов, термопредохранителей, устройств защиты от перегрузки, микровыключателей и к подобным компонентам, где зазор изменяется при работе контактов.
Примечания. 5. Для воздушных промежутков между контактами размыкающего выключателя см.
8.19.1.
6. Зазоры не должны быть уменьшены в процессе производства или вследствие деформаций, которые могут произойти при транспортировке, ударе или вибрации при нормальном использовании.
#Соответствие
13.3 проверяют измерением, учитывая требования
Приложения E. Следующие условия являются соответствующими. Испытание электрической прочности не проводят при проверке зазоров.
Подвижные части устанавливают в самое неблагоприятное положение.
Зазоры между катушками громкоговорителей и расположенными рядом проводящими частями не рассматривают.
При измерении зазоров от корпуса из изоляционного материала через щель или отверстие в корпусе доступную поверхность рассматривают как проводящую, как бы покрытую металлической фольгой в тех местах, где возможно прикосновение испытательным пальцем [испытательный щуп B по МЭК 61032 (см. 9.1.1.2)], приложенным без заметного усилия (см.
рисунок 3, точка B).
Сила должна быть приложена к любой точке на внутренних частях и затем к внешней стороне проводящих корпусов, чтобы уменьшить зазоры при измерении. Сила должна иметь следующие значения:
- 2 Н - для внутренних частей;
- 30 Н - для корпусов.
Сила должна быть приложена к корпусу посредством жесткого испытательного пальца (МЭК 61032, испытательный щуп 11).#
13.3.2. Зазоры в цепях, непосредственно соединенных с сетью
Значения зазоров в цепях, непосредственно соединенных с сетью, должны соответствовать минимальным значениям, приведенным в
таблице 8, и, где это необходимо, в
таблице 9.
Значения, приведенные в
таблице 8, применимы к аппарату, который не будет подвергнут переходным процессам, превышающим категорию перенапряжения II согласно МЭК 60664-1. Соответствующие напряжения при переходных процессах в сети приведены в круглых скобках для каждого номинального переменного напряжения питания в соответствующем столбце. Если ожидаются более высокие напряжения при переходных процессах, дополнительная защита может быть необходима в поставке с аппаратом или при его установке.
Примечание 1. В
Приложении J приведен альтернативный метод для более высоких напряжений при переходных процессах.
Для цепей, непосредственно соединенных с сетью, функционирующих при номинальном напряжении питания до 300 В, если пиковое рабочее напряжение в цепи превышает пиковое значение номинального напряжения в сети, значения минимальных зазоров для рассматриваемой изоляции определяют как сумму следующих двух значений:
- минимального значения зазора из
таблицы 8 для рабочего напряжения, которое равняется номинальному напряжению сети, и
- значений соответствующих дополнительных зазоров, выбираемых из
таблицы 9.
Примечание 2. Для целей использования
таблицы 8 предполагается, что рабочее напряжение соответствует номинальному напряжению сети.
Для рабочего напряжения, используемого при определении значений зазоров для цепей, непосредственно соединенных с сетью, в соответствии с
таблицей 8:
- пиковое значение любых наложенных на напряжение постоянного тока пульсаций, которое превышает допустимые в
2.3.3 значения, должно быть учтено;
- неповторяющиеся переходные процессы (например, при атмосферных явлениях) не учитывают.
Примечание 3. Допускается, что любые такие неповторяющиеся переходные процессы в цепях, не соединенных непосредственно с сетью, не будут превышать напряжение при переходных процессах в сети в цепях, непосредственно соединенных с сетью;
- напряжение, неопасное для любой цепи, или напряжение НТС цепи (включая напряжение вызывного сигнала) должно быть рассмотрено как "нулевое"; и в соответствии с
таблицей 9, где это возможно, для пиковых рабочих напряжений, превышающих номинальные сетевые напряжения, должно быть использовано максимальное пиковое рабочее напряжение.
Примечания. 4. Полные значения зазоров, приведенные в
таблице 9, находятся между значениями, требуемыми для однородных и неоднородных полей. Как результат, значения этих зазоров могут не быть подвергнуты проверке испытанием на электрическую прочность в случае существенно неоднородных полей.
Выбирают соответствующую графу в
таблице 8 для номинальных сетевых напряжений и степени загрязнения. Выбирают строку, соответствующую рабочему напряжению, равному сетевому переменному напряжению. Отмечают требуемое минимальное значение зазора.
Обращаются к
таблице 9. Выбирают соответствующую графу для номинальных сетевых напряжений и степени загрязнения и выбирают строку в этой графе, которая относится к фактическому пиковому рабочему напряжению. Выбирают значение дополнительного зазора, указанное в одной из двух правых граф, и добавляют его к минимальному значению зазора из таблицы 8, чтобы получить значение полного минимального зазора.
Таблица 8
Минимальные зазоры для изоляции в цепях, непосредственно
соединенных с сетью, и между цепями, непосредственно
соединенными с сетью, и цепями, не соединенными
непосредственно с сетью
┌─────────────────────┬───────────────────────┬────────────────┬────────────────┐
│ Рабочее напряжение │ Номинальное │ Номинальное │ Номинальное │
│ U │ напряжение сети │напряжение сети │напряжение сети │
│ │ переменного тока │переменного тока│переменного тока│
│ │ <= 150 В │> 150 В <= 300 В│> 300 В <= 600 В│
│ │ (напряжение при │(напряжение при │(напряжение при │
│ │ переходных │ переходных │ переходных │
│ │ процессах в сети │процессах в сети│процессах в сети│
│ │ 1500 В) │ 2500 В) │ 4000 В) │
├──────────┬──────────┼───────────┬───────────┼────────────────┼────────────────┤
│Пиковое │Средне- │ Степени │ Степень │ Степени │ Степени │
│значение │квадра- │загрязнения│загрязнения│ загрязнения │ загрязнения │
│напряжения│тичное │ 1 и 2 │ 3 │ 1, 2 и 3 │ 1, 2 и 3 │
│или │значение │ │ │ │ │
│значение │напряже- ├─────┬─────┼─────┬─────┼───────┬────────┼───────┬────────┤
│напряжения│ния │ B/S │ R │ B/S │ R │ B/S │ R │ B/S │ R │
│постоян- │(синусои- │ │ │ │ │ │ │ │ │
│ного тока,│дальное), │ │ │ │ │ │ │ │ │
│В │В │ │ │ │ │ │ │ │ │
├──────────┼──────────┼─────┼─────┼─────┼─────┼───────┼────────┼───────┼────────┤
│U <= 210 │U <= 150 │ 1,0 │ 2,0 │ 1,3 │ 2,6 │ 2,0 │ 4,0 │ 3,2 │ 6,4 │
│ │ │(0,5)│(1,0)│(0,8)│(1,6)│ (1,5) │ (3,0) │ (3,0) │ (6,0) │
├──────────┼──────────┼─────┴─────┴─────┴─────┴───────┴────────┼───────┼────────┤
│U <= 420 │U <= 300 │ B/S 2,0(1,5) R 4,0(3,0) │ 3,2 │ 6,4 │
│ │ │ │ (3,0) │ (6,0) │
├──────────┼──────────┼────────────────────────────────────────┴───────┴────────┤
│U <= 840 │U <= 600 │ B/S 3,2(3,0) R 6,4(6,0) │
├──────────┼──────────┼─────────────────────────────────────────────────────────┤
│U <= 1400 │U <= 1000 │ B/S 4,2 R 6,4 │
├──────────┼──────────┼─────────────────────────────────────────────────────────┤
│U <= 2800 │U <= 2000 │ B/S/R 8,4 │
│U <= 7000 │U <= 5000 │ B/S/R 17,5 │
│U <= 9800 │U <= 7000 │ B/S/R 25 │
│U <= 14000│U <= 10000│ B/S/R 37 │
│U <= 28000│U <= 20000│ B/S/R 80 │
│U <= 42000│U <= 30000│ B/S/R 130 │
├──────────┴──────────┴─────────────────────────────────────────────────────────┤
│ Примечания: 1. В настоящей таблице применены следующие обозначения: │
│ B - основная изоляция, │
│ S - дополнительная изоляция, │
│ R - усиленная изоляция. │
│ 2. Значения, приведенные в круглых скобках, применяют для основной,│
│дополнительной и усиленной изоляций, только если изготовитель имеет программу│
│управления качеством (см.
Приложение M). В частности, двойная и усиленная│
│изоляции должны быть подвергнуты стандартным испытаниям на электрическую│
│прочность. │
│ 3. Для рабочих напряжений от 420 В пикового значения переменного тока│
│или постоянного тока и до 42000 В пикового значения переменного тока│
│или постоянного тока линейная интерполяция допускается между двумя ближайшими│
│точками. Для значений, превышающих 42000 В пикового значения переменного тока│
│или постоянного тока, допускается экстраполяция, при которой расчетный интервал│
│округляют до следующего более высокого значения на приращение, равное 0,1 мм. │
│ 4. Для определения степени загрязнения см.
13.1. │
└───────────────────────────────────────────────────────────────────────────────┘
Таблица 9
Дополнительные зазоры для изоляции в цепях, непосредственно
соединенных с сетью, с пиковыми значениями рабочего
напряжения, превышающими пиковое значение номинальных
сетевых напряжений, и между такими цепями и цепями,
не соединенными непосредственно с сетью
┌───────────────────────┬─────────────────────┬───────────────────────────┐
│ Номинальное напряжение│ Номинальное │ Дополнительный │
│ сети переменного тока │ напряжение сети │ зазор, мм │
│ U <= 150 В │ переменного тока │ │
│ ном │150 В < U <= 300 В│ │
│ │ ном │ │
├───────────┬───────────┼─────────────────────┼──────────────┬────────────┤
│ Степени │ Степень │ Степени загрязнения │ Основная или │ Усиленная │
│загрязнения│загрязнения│ 1, 2 и 3 │дополнительная│ изоляция │
│ 1 и 2 │ 3 │ │ изоляция │ │
├───────────┴───────────┴─────────────────────┤ │ │
│ Пиковое значение максимального рабочего │ │ │
│ напряжения, В │ │ │
├───────────┬───────────┬─────────────────────┼──────────────┼────────────┤
│ 210 (210) │ 210 (210) │ 420 (420) │ 0 │ 0 │
│ 298 (288) │ 294 (293) │ 493 (497) │ 0,1 │ 0,2 │
│ 386 (366) │ 379 (376) │ 567 (575) │ 0,2 │ 0,4 │
│ 474 (444) │ 463 (459) │ 640 (652) │ 0,3 │ 0,6 │
│ 562 (522) │ 547 (541) │ 713 (729) │ 0,4 │ 0,8 │
│ 650 (600) │ 632 (624) │ 787 (807) │ 0,5 │ 1,0 │
│ 738 (678) │ 715 (707) │ 860 (884) │ 0,6 │ 1,2 │
│ 826 (756) │ 800 (790) │ 933 (961) │ 0,7 │ 1,4 │
│ 914 (839) │ - - │ 1006 (1039) │ 0,8 │ 1,6 │
│1002 (912) │ - - │ 1080 (1116) │ 0,9 │ 1,8 │
│1090 (990) │ - - │ 1153 (1193) │ 1,0 │ 2,0 │
│ - - │ - - │ 1226 (1271) │ 1,1 │ 2,2 │
│ - - │ - - │ 1300 (1348) │ 1,2 │ 2,4 │
│ - - │ - - │ - (1425) │ 1,3 │ 2,6 │
├───────────┴───────────┴─────────────────────┴──────────────┴────────────┤
│ Примечания: 1. Значения в круглых скобках должны быть использованы,│
│когда значения в круглых скобках
таблицы 8 используют в соответствии│
│ 2. Для рабочих напряжений, приведенных в настоящей таблице,│
│допускается линейная экстраполяция до 2000 В включительно. Для более│
│высоких значений напряжения ссылки приведены в МЭК 60664-1. │
│ 3. Допускается линейная интерполяция между ближайшими двумя точками,│
│при которой расчетный интервал округляют до следующего более высокого│
│значения на приращение, равное 0,1 мм. │
│ 4. Для определения степени загрязнения см.
13.1. │
└─────────────────────────────────────────────────────────────────────────┘
13.3.3. Зазоры в цепях, не соединенных непосредственно с сетью
Значения зазоров в цепях, не соединенных непосредственно с сетью, должны соответствовать минимальным значениям, приведенным в
таблице 10.
Для рабочего напряжения, используемого при определении значений зазоров для цепей, не соединенных непосредственно с сетью, в соответствии с
таблицей 10:
- пиковое значение любых наложенных на напряжение постоянного тока пульсаций, которое превышает допустимые в
2.3.3 значения, должно быть учтено;
- пиковое значение должно быть использовано для несинусоидальных напряжений.
Цепи, не соединенные непосредственно с сетью, как правило, относят к категории перенапряжения I, если сетевые перенапряжения имеют категорию II; максимальные значения (уровень) напряжения при переходных процессах категории I для различных напряжений сети приведены в головке
таблицы 10. Однако "плавающая" цепь, не соединенная непосредственно с сетью в аппарате, имеющем соединитель (например, антенны, входного сигнала), который может быть заземлен, должна соответствовать требованиям для цепей, не соединенных непосредственно с сетью, по
таблицам 8 и
9, если цепь не находится в аппарате с клеммой защитного заземления, а также:
- "плавающая" цепь должна быть отделена от цепей, не соединенных непосредственно с сетью, заземленным металлическим экраном, или
- напряжения при переходных процессах в цепях, не соединенных непосредственно с сетью, имеют значения меньше допустимых для категорий перенапряжения I (например, из-за ограничения при использовании компонента, такого как конденсатор, подключенного между цепями, не соединенными непосредственно с сетью и землей). Методика измерения уровня напряжения при переходных процессах приведена в
13.3.4.
Примечание. Если известно напряжение при переходных процессах в телекоммуникационной сети, то его используют.
Если напряжение при переходных процессах в телекоммуникационной сети неизвестно, должен быть использован уровень напряжения при переходных процессах 800 В (пиковое значение) для цепей НТС-2 и 1,5 кВ (пиковое значение) для цепей НТС-1 и цепей НТС-3.
Если известно, что поступающие переходные процессы затухают в пределах аппарата, то используемое значение должно быть определено в соответствии с
13.3.4, перечисление b).
Таблица 10
Минимальные зазоры в цепях, не соединенных
непосредственно с сетью
┌─────────────────────┬───────────────────────┬───────────────────────┬───────────┬───────────┐
│ Рабочее напряжение │ Номинальное напряжение│ Номинальное напряжение│Номинальное│Цепи, не │
│ U │ сети переменного │ сети переменного │напряжение │подвержен- │
│ │ тока <= 150 В │ тока > 150 В <= 300 В │сети │ные │
│ │ (уровень напряжения │ (уровень напряжения │переменного│переходным │
│ │ при переходных │ при переходных │тока │процессам │
│ │ процессах для цепей, │ процессах для цепей, │> 300 В <= │
<*> │
│ │ не соединенных │ не соединенных │<= 600 В │ │
│ │ непосредственно │ непосредственно │(уровень │ │
│ │ с сетью, 800 В)
<**> │ с сетью, 1500 В)
<**> │напряжения │ │
│ │ │ │при пере- │ │
│ │ │ │ходных │ │
│ │ │ │процессах │ │
│ │ │ │для цепей, │ │
│ │ │ │не соеди- │ │
│ │ │ │ненных │ │
│ │ │ │непосред- │ │
│ │ │ │ственно │ │
│ │ │ │с сетью, │ │
│ │ │ │2500 В) │ │
├──────────┬──────────┼───────────┬───────────┼───────────┬───────────┼───────────┼───────────┤
│Пиковое │Средне- │ Степени │ Степень │ Степени │ Степень │ Степени │Только для │
│значение │квадра- │загрязнения│загрязнения│загрязнения│загрязнения│загрязнения│ степеней │
│напряжения│тичное │ 1 и 2 │ 3 │ 1 и 2 │ 3 │ 1, 2 и 3 │загрязнения│
│или │значение │ │ │ │ │ │ 1 и 2 │
│значение │напряже- │ │ │ │ │ │ │
│напряжения│ния ├─────┬─────┼─────┬─────┼─────┬─────┼─────┬─────┼─────┬─────┼─────┬─────┤
│постоян- │(синусои- │ B/S │ R │ B/S │ R │ B/S │ R │ B/S │ R │ B/S │ R │ B/S │ R │
│ного │дальное), │ │ │ │ │ │ │ │ │ │ │ │ │
│тока, В │В │ │ │ │ │ │ │ │ │ │ │ │ │
├──────────┼──────────┼─────┼─────┼─────┼─────┼─────┼─────┼─────┼─────┼─────┼─────┼─────┼─────┤
│U <= 71 │U <= 50 │ 0,7 │ 1,4 │ 1,3 │ 2,6 │ 1,0 │ 2,0 │ 1,3 │ 2,6 │ 2,0 │ 4,0 │ 0,4 │ 0,8 │
│ │ │(0,2)│(0,4)│(0,8)│(1,6)│(0,5)│(1,0)│(0,8)│(1,6)│(1,5)│(3,0)│(0,2)│(0,4)│
│U <= 140 │U <= 100 │ 0,7 │ 1,4 │ 1,3 │ 2,6 │ 1,0 │ 2,0 │ 1,3 │ 2,6 │ 2,0 │ 4,0 │ 0,7 │ 1,4 │
│ │ │(0,2)│(0,4)│(0,8)│(1,6)│(0,5)│(1,0)│(0,8)│(1,6)│(1,5)│(3,0)│(0,2)│(0,4)│
│U <= 210 │U <= 150 │ 0,9 │ 1,8 │ 1,3 │ 2,6 │ 1,0 │ 2,0 │ 1,3 │ 2,6 │ 2,0 │ 4,0 │ 0,7 │ 1,4 │
│ │ │(0,2)│(0,4)│(0,8)│(1,6)│(0,5)│(1,0)│(0,8)│(1,6)│(1,5)│(3,0)│(0,2)│(0,4)│
├──────────┼──────────┼─────┴─────┴─────┴─────┴─────┴─────┴─────┴─────┼─────┼─────┼─────┼─────┤
│U <= 280 │U <= 200 │ B/S 1,4(0,8) R 2,8(1,6) │ 2,0 │ 4,0 │ 1,1 │ 2,2 │
│ │ │ │(1,5)│(3,0)│(0,2)│(0,4)│
├──────────┼──────────┼───────────────────────────────────────────────┼─────┼─────┼─────┼─────┤
│U <= 420 │U <= 300 │ B/S 1,9(1,0) R 3,8(2,0) │ 2,0 │ 4,0 │ 1,4 │ 2,8 │
│ │ │ │(1,5)│(3,0)│(0,2)│(0,4)│
├──────────┼──────────┼───────────────────────────────────────────────┴─────┴─────┴─────┴─────┤
│U <= 700 │U <= 500 │ B/S 2,5 R 5,0 │
│U <= 840 │U <= 600 │ B/S 3,2 R 5,0 │
│U <= 1400 │U <= 1000 │ B/S 4,2 R 5,0 │
├──────────┼──────────┼───────────────────────────────────────────────────────────────────────┤
│U <= 2800 │U <= 2000 │ B/S/R 8,4
<***> │
│U <= 7000 │U <= 5000 │ B/S/R 17,5
<***> │
│U <= 9800 │U <= 7000 │ B/S/R 25
<***> │
│U <= 14000│U <= 10000│ B/S/R 37
<***> │
│U <= 28000│U <= 20000│ B/S/R 80
<***> │
│U <= 42000│U <= 30000│ B/S/R 130
<***> │
├──────────┴──────────┴───────────────────────────────────────────────────────────────────────┤
│ Примечания: 1. В настоящей таблице применены следующие обозначения: │
│ B - основная изоляция, │
│ S - дополнительная изоляция, │
│ R - усиленная изоляция. │
│ 2. Значения, приведенные в скобках, применяют для основной, дополнительной и усиленной│
│изоляций, только если изготовитель имеет программу управления качеством (см.
Приложение M).│
│В частности, двойная и усиленная изоляция должна быть подвергнута стандартным испытаниям│
│на электрическую прочность. │
│ 3. Для рабочих напряжений от 420 В пикового значения переменного тока или постоянного│
│тока и до 42000 В пикового значения переменного тока или постоянного тока допускается│
│линейная интерполяция между двумя ближайшими точками, при которой расчетный интервал│
│округляют до следующего более высокого значения на приращение, равное 0,1 мм. Для рабочих│
│напряжений, превышающих 42000 В пикового значения переменного тока или постоянного тока,│
│допускается линейная экстраполяция, при которой расчетный интервал округляют до следующего│
│более высокого значения на приращение, равное 0,1 мм. │
│ 4. Для определения степени загрязнения см.
13.1. │
│ <*> Значения, применяемые для цепей с постоянным током, не соединенных непосредственно│
│с сетью, которые надежно соединены с землей и имеют фильтрующую емкость, ограничивающую│
│размах пульсаций постоянного напряжения в пределах 10%. │
│ <**> В тех случаях, когда уровни переходных процессов в аппарате превышают вышеуказанные│
│значения, должны быть применены большие значения зазоров. │
│ <***> Требования для значения зазора 8,4 мм или более не предъявляют, если контур зазора│
│проходит: │
│ - полностью через воздух или │
│ - полностью или частично по поверхности изоляционного материала группы I (см.
13.4),│
│и изоляция выдерживает испытание на электрическую прочность согласно
10.3 с использованием: │
│ - испытательного напряжения переменного тока, среднеквадратичное значение которого│
│в 1,06 раза больше пикового значения рабочего напряжения, или │
│ - испытательного напряжения постоянного тока, значение которого равно пиковому значению│
│испытательного напряжения переменного тока, указанного выше. │
│ Если зазор частично проходит вдоль поверхности материала, не относящегося к группе I,│
│испытание на электрическую прочность проводят только через воздушный промежуток. │
└─────────────────────────────────────────────────────────────────────────────────────────────┘
13.3.4. Измерение напряжений при переходных процессах
Следующие испытания проводят только в том случае, когда необходимо определить, действительно ли напряжение при переходных процессах через зазор в какой-либо схеме ниже нормального, например, из-за фильтра в аппарате. Напряжение при переходных процессах через зазор измеряют, используя следующую процедуру испытания. Зазор определяют в соответствии с измеренным напряжением при переходных процессах.
Во время испытаний аппарат подключают к его внешнему источнику питания, если таковой имеется, но не подключают к сети питания или какой-либо сети, например телекоммуникационной, и любые устройства защиты от перенапряжений в цепях, непосредственно соединенных с сетью, отсоединяют.
Устройство, с помощью которого измеряют напряжение, подключают параллельно рассматриваемому зазору.
a) Переходные процессы из-за перенапряжений в сети
С целью измерить уменьшенный уровень переходных процессов из-за перенапряжений в сети используют испытательный генератор импульсов (см.
Приложение K) для получения импульсов 1,2/50 мкс с уровнем напряжения

, равного напряжению при переходных процессах в сети, приведенному в головке
таблицы 8.
Три - шесть импульсов чередующейся полярности с интервалами не менее 1 с между импульсами подают между каждой из следующих точек, где это возможно:
- фаза - фаза;
- все соединенные вместе проводники фаз и нейтральный провод;
- все соединенные вместе проводники фаз и провод защитного заземления;
- нейтральный провод и провод защитного заземления.
b) Переходные процессы из-за перенапряжений в телекоммуникационной сети.
С целью измерить уменьшенный уровень переходных процессов из-за перенапряжений в телекоммуникационной сети используют испытательный генератор импульсов (см.
Приложение K) для получения импульсов 10/700 мкс с уровнем напряжения

, равного напряжению при переходных процессах в телекоммуникационной сети.
Если напряжение при переходных процессах в телекоммуникационной сети неизвестно, то для рассматриваемой телекоммуникационной сети выбирают напряжение:
- 1500 В (пиковое значение), если цепь, подключенная к телекоммуникационной сети, является НТС-1 или НТС-3 цепью;
- 800 В (пиковое значение), если цепь, подключенная к телекоммуникационной сети, является НТС-0 или НТС-2 цепью.
Три - шесть импульсов чередующейся полярности с интервалами не менее 1 с между импульсами подают между каждой из следующих точек подключения телекоммуникационной сети:
- каждая пара соединителей интерфейса (например, А и В или штырь и фланец);
- все соединенные вместе соединители интерфейса и земля.
Значения путей утечки должны быть не меньше, чем соответствующие минимальные значения, приведенные в
таблице 11, с учетом рабочего напряжения, степени загрязнения и группы материала.
Если значение пути утечки, полученное из
таблицы 11, меньше, чем соответствующее значение зазора, определенное по
13.3 или
Приложению J, то значение зазора принимают за минимум пути утечки.
Допускается использовать в качестве минимальных путей утечки соответствующие значения зазоров для стекла, слюды, керамики или подобных материалов.
При определении пути утечки используют следующее рабочее напряжение:
- фактическое среднеквадратичное значение напряжения переменного тока или постоянного тока.
При измерении среднеквадратичного значения напряжения необходимо использовать измерительный прибор, позволяющий определять истинное среднеквадратичное значение несинусоидальных форм волны так же, как и синусоидальных форм волны;
- в случае напряжения постоянного тока никакие наложенные пульсации не учитывают;
- условия кратковременных режимов (например, промодулированные вызывные сигналы в НТС цепях) не учитывают;
- кратковременные помехи (например, от переходных процессов) не учитывают.
При определении рабочего напряжения для НТС цепи, соединенной с телекоммуникационной сетью с неизвестными характеристиками, нормальное рабочее напряжение считают следующим:
- 60 В - для цепи НТС-1;
- 120 В - для цепей НТС-2 и НТС-3.
Группы материалов классифицированы следующим образом:
- группа материалов I: 600 <= СИТ (сравнительный индекс
трекингостойкости);
- группа материалов II: 400 <= СИТ < 600;
- группа материалов III а: 175 <= СИТ < 400;
- группа материалов III b: 100 <= СИТ < 175.
Группу материала определяют согласно испытаниям по МЭК 60112 с использованием 50 капель раствора А.
Если группа материала неизвестна, принимают группу материала III b. Если необходим СИТ 175 или более, а данные на материал отсутствуют, то группа материала может быть установлена по испытаниям на определение индекса трекингостойкости (PTI) по МЭК 60112. Материал может быть включен в группу, если его PTI по данным этих испытаний не менее, чем более низкое значение СИТ, указанное для соответствующей группы.
Таблица 11
Минимальные значения путей утечки
Значения путей утечки в миллиметрах
┌───────────────────┬─────────────────────────────────────────────────────┐
│Рабочее напряжение │ Основная и дополнительная изоляции │
│ U ├─────────────────┬─────────────────┬─────────────────┤
│(среднеквадратичное│ Степень │ Степень │ Степень │
│значение напряжения│ загрязнения 1 │ загрязнения 2 │ загрязнения 3 │
│ переменного тока ├─────────────────┼─────────────────┼─────────────────┤
│ или постоянного │Группа материала │Группа материала │Группа материала │
│ тока), В │ I, II, ├─────┬─────┬─────┼─────┬─────┬─────┤
│ │ III a или III b │ I │ II │III a│ I │ II │III a│
│ │ │ │ │или │ │ │или │
│ │ │ │ │III b│ │ │III b│
├───────────────────┼─────────────────┼─────┼─────┼─────┼─────┼─────┼─────┤
│ U <= 50 │ │ 0,6 │ 0,9 │ 1,2 │ 1,5 │ 1,7 │ 1,9 │
│ U <= 100 │ │ 0,7 │ 1,0 │ 1,4 │ 1,8 │ 2,0 │ 2,2 │
│ U <= 125 │ │ 0,8 │ 1,1 │ 1,5 │ 1,9 │ 2,1 │ 2,4 │
│ U <= 150 │ │ 0,8 │ 1,1 │ 1,6 │ 2,0 │ 2,2 │ 2,5 │
│ U <= 200 │ │ 1,0 │ 1,4 │ 2,0 │ 2,5 │ 2,8 │ 3,2 │
│ U <= 250 │
<*> │ 1,3 │ 1,8 │ 2,5 │ 3,2 │ 3,6 │ 4,0 │
│ U <= 300 │ │ 1,6 │ 2,2 │ 3,2 │ 4,0 │ 4,5 │ 5,0 │
│ U <= 400 │ │ 2,0 │ 2,8 │ 4,0 │ 5,0 │ 5,6 │ 6,3 │
│ U <= 600 │ │ 3,2 │ 4,5 │ 6,3 │ 8,0 │ 9,6 │10,0 │
│ U <= 800 │ │ 4,0 │ 5,6 │ 8,0 │10,0 │ 11,0│12,5 │
│ U <= 1000 │ │ 5,0 │ 7,1 │10,0 │12,5 │ 14,0│16,0 │
├───────────────────┴─────────────────┴─────┴─────┴─────┴─────┴─────┴─────┤
│ Примечания: 1. Допускается линейная интерполяция между двумя│
│ближайшими точками, при которой расчетный интервал округляют│
│до следующего более высокого значения на приращение, равное 0,1 мм. │
│ 2. Для более высоких значений напряжения допускается использовать│
│таблицу 4 из МЭК 60664-1. │
│ 3. Для усиленной изоляции значения путей утечки для основной│
│изоляции, указанные в настоящей таблице, удваивают. │
│ 4. Для определения степени загрязнения см.
13.1. │
│ <*> Для степени загрязнения 1 минимальное значение пути утечки│
│отсутствует. Минимальное значение зазора применяют, как это определено│
└─────────────────────────────────────────────────────────────────────────┘
#Соответствие проверяют измерением, принимая во внимание требования
Приложения E.
Следующие условия являются применимыми.
Подвижные части устанавливают в самые неблагоприятные положения.
Для аппарата с обычными несъемными шнурами питания измерения путей утечки выполняют с проводниками шнура питания с наибольшей площадью поперечного сечения, указанной в
15.3.5, а также без проводников.
При измерении пути утечки от корпуса изоляционного материала через щель или отверстие в корпусе доступную поверхность рассматривают как проводящую, как будто ее покрыли металлической фольгой везде, где возможно прикосновение испытательным пальцем [испытательный щуп B по МЭК 61032 (см. 9.1.1.2)], приложенным без заметного усилия (см.
рисунок 3, точка B).#
Примечание. Наличие клеящего слоя на изоляционных лентах должно быть учтено при определении СИТ.
13.5. Печатные платы
13.5.1. Минимальные зазоры и пути утечки между проводниками, один из которых может быть непосредственно соединен с сетью, на печатных платах, соответствующих требованиям МЭК 60249-2 в части сопротивления к отслаиванию и прочности покрытия, указанные на
рисунке 10, должны удовлетворять следующим требованиям:
- указанные расстояния применяют настолько, насколько это касается перегрева непосредственно самих проводников (см.
11.2), но не к установленным компонентам или паяным соединениям;
- покрытие лаком или подобные покрытия, кроме покрытий согласно МЭК 60664-3, не учитывают при измерении расстояний.
13.5.2 Для покрытия типа B печатных плат изоляция между проводниками должна соответствовать требованиям МЭК 60664-3. Это требование применяют только к основной изоляции.
Примечание. Для таких печатных плат зазоры и пути утечки под покрытием не рассматривают.
13.6. Комбинированная изоляция
Расстояния между проводящими частями по нескрепленному стыку рассматривают как зазоры и пути утечки, для которых применяют значения по
13.3 или
Приложению J и
13.4. Для надежно скрепленных соединений, выдерживающих следующие испытания, зазоры и пути утечки отсутствуют. В этом случае применяют требования только
8.8.
#Соответствие проверяют осмотром, измерением и испытанием.
Для этого испытания эмалированные моточные провода, если таковые имеются, заменяют неизолированными проводами.
Материалы рассматривают как скрепленные вместе, если они выдерживают следующее испытание. Три аппарата, компонента или сборочных узла подвергают 10 циклам следующего температурного испытания:
- 68 ч при (X +/- 2) °C;
- 1 ч при (25 +/- 2) °C;
- 2 ч при (0 +/- 2) °C;
- 1 ч при (25 +/- 2) °C,
где X - наивысшая температура, измеренная на аппарате, компоненте или сборочном узле при нормальных условиях эксплуатации плюс 10 K, но не менее 85 °C.
Один аппарат, компонент или сборочный узел подвергают соответствующему испытанию на электрическую прочность изоляции по
10.3 без предварительной обработки влагой по
10.2, но испытательное напряжение увеличивают в 1,6 раза.
Испытание проводят сразу по окончании 68-часового воздействия температуры последнего цикла испытаний.
По завершении всех циклов испытаний два оставшихся аппарата, компонента или сборочных узла подвергают соответствующему испытанию на электрическую прочность изоляции по
10.3, но испытательное напряжение увеличивают в 1,6 раза.#
Примечание. Более высокое испытательное напряжение используют с целью убедиться в том, что если поверхности не "сцементированы" вместе, то произойдет пробой.
13.7. Части, помещенные в корпус и загерметизированные части
Для аппаратуры, сборочных узлов или компонентов, не соединенных непосредственно с сетью, помещенных в корпус и загерметизированных от проникновения грязи и влаги, значения минимальных внутренних зазоров и путей утечки могут быть уменьшены до значений, приведенных в
таблице 12.
Примечания. 1. Примеры таких конструкций: герметично запаянные металлические коробки, залитые герметиком пластмассовые коробки, части, заключенные в оболочку типа A или имеющие покрытие типа A согласно МЭК 60664-3.
2. Указанные снижения допускаются для защиты от поражения электрическим током и перегрева.
Таблица 12
Минимальные значения зазоров и путей утечки (помещенные
в корпус, покрытые оболочкой
или загерметизированные конструкции)
┌────────────────────────────────────────────┬────────────────────────────┐
│ Рабочее напряжение U (среднеквадратичное │Минимальные значения зазоров│
│ значение напряжения переменного тока │ и путей утечки, мм │
│или значение напряжения постоянного тока), В│ │
├────────────────────────────────────────────┼────────────────────────────┤
│ U <= 35 │ 0,2 │
│ U <= 45 │ 0,2 │
│ U <= 56 │ 0,3 │
│ U <= 70 │ 0,3 │
│ U <= 90 │ 0,4 │
│ U <= 110 │ 0,4 │
│ U <= 140 │ 0,5 │
│ U <= 180 │ 0,7 │
│ U <= 225 │ 0,8 │
│ U <= 280 │ 1,0 │
│ U <= 360 │ 1,1 │
│ U <= 450 │ 1,3 │
│ U <= 560 │ 1,6 │
│ U <= 700 │ 1,9 │
│ U <= 900 │ 2,3 │
│ U <= 1120 │ 2,6 │
│ U <= 1400 │ 3,2 │
│ U <= 1800 │ 4,2 │
│ U <= 2250 │ 5,6 │
│ U <= 2800 │ 7,5 │
│ U <= 3600 │ 10,0 │
│ U <= 4500 │ 12,5 │
│ U <= 5600 │ 16,0 │
│ U <= 7000 │ 20,0 │
│ U <= 9000 │ 25,0 │
│ U <= 11200 │ 32,0 │
│ U <= 14000 │ 40,0 │
├────────────────────────────────────────────┴────────────────────────────┤
│ Примечания: 1. Приведенные значения применяют для основной│
│и дополнительной изоляций. │
│ 2. Для усиленной изоляции приведенные значения удваивают. │
│ 3. Для используемых изоляционных материалов требуется СИТ│
│(сравнительный индекс трекингостойкости), равный 100. СИТ определяют│
│согласно МЭК 60112, раствор А. │
│ 4. Допускается линейная интерполяция между двумя ближайшими точками,│
│при которой расчетный интервал округляют до следующего более высокого│
│значения на приращение, равное 0,1 мм. │
└─────────────────────────────────────────────────────────────────────────┘
#Соответствие проверяют осмотром, измерением, и подвергая аппарат, сборочный узел или компонент 10 циклам следующего температурного испытания:
- 68 ч при (Y +/- 2) °C;
- 1 ч при (25 +/- 2) °C;
- 2 ч при (0 +/- 2) °C;
- 1 ч при (25 +/- 2) °C,
где Y - наивысшая температура, измеренная на аппарате, компоненте или сборочном узле при нормальных условиях эксплуатации, но не менее 85 °C. Для трансформаторов Y - наивысшая температура, измеренная на аппарате, компоненте или сборочном узле при нормальных условиях эксплуатации, плюс 10 K, но не менее 85 °C.
Затем аппарат, компонент или сборочный узел подвергают соответствующему испытанию на электрическую прочность изоляции по
10.3.
Испытания проводят на трех образцах.
Не допускаются никакие повреждения.#
13.8. Расстояния между проводящими частями, расположенными внутри аппарата, сборочного узла или компонента, которые обработаны изолирующим компаундом, заполняющим все полости таким образом, чтобы зазоры и пути утечки отсутствовали, должны соответствовать только требованиям
8.8.
Примечание. Примеры такой обработки: герметизация в форме, заливка компаундом и пропитка.
#Соответствие проверяют по
13.7, принимая во внимание требования
8.8, со следующим дополнением.
Визуальное обследование должно быть выполнено с целью удостовериться, что нет никаких трещин в пропитке или другом материале и покрытия не ослабли или не сжались, и что при послойном обследовании не обнаружено никаких существенных пустот в материале.#
Примечания. 1. Если значение параметров компонентов входит в диапазон значений, то нет необходимости проводить испытания каждого значения этого диапазона. Если этот диапазон состоит из технологически однородных поддиапазонов, то испытаниям подвергают образцы из каждого поддиапазона. Кроме того, если возможно, то рекомендуется использовать понятие структурно подобных компонентов.
2. Если требуется определенная категория огнестойкости в соответствии с МЭК 60707, то в
Приложении G даны ссылки в отношении выбора альтернативных методов испытаний.
3. Если требования на огнестойкость отсутствуют в настоящем разделе, то приводят ссылку на
20.1.1.
Резисторы, короткое замыкание или обрыв которых вызывает нарушение требований безопасности при работе в условиях неисправностей (см.
раздел 11), и резисторы, шунтирующие промежутки между контактами сетевых выключателей, должны иметь достаточно стабильное сопротивление в режиме перегрузки.
Такие резисторы должны быть размещены внутри корпуса аппарата.
#Соответствие проверяют путем испытаний согласно
перечислению a) или
b), проводимых на партии из 10 образцов резисторов.
Перед началом испытаний согласно
перечислению a) или
b) измеряют значения сопротивления каждого образца, после чего их подвергают воздействию влажного тепла по МЭК 60068-2-78, но при следующих условиях:
- температура - (40 +/- 2) °C;
- влажность - (93 +/- 3)%;
- продолжительность испытаний - 21 сут.
a) Резисторы, подключенные между опасными для жизни частями и доступными проводящими частями, и резисторы, шунтирующие промежуток между контактами сетевых выключателей, необходимо подвергнуть воздействию 50 разрядов, проводимых с максимальной скоростью не более 12 разрядов в минуту от конденсатора емкостью 1 нФ, заряженного напряжением 10 кВ, по схеме, приведенной на
рисунке 5a. Испытание проводят на партии из 10 образцов.
После окончания этого испытания значение сопротивления резистора не должно отличаться от значения, измеренного перед воздействием влажного тепла, более чем на 20%.
После испытаний не должно быть никаких повреждений.
b) Для других резисторов на каждый из 10 образцов подают напряжение, при котором ток, проходящий через него, в 1,5 раза больше тока, измеренного в условиях неисправности на вмонтированном в аппарат резисторе с сопротивлением, значение которого равно установленному номинальному значению. Во время испытания напряжение поддерживают постоянным.
Сопротивление резистора измеряют после достижения установившегося режима, и оно не должно отличаться от измеренного сопротивления перед воздействием влажного тепла более чем на 20%.
После испытаний не должно быть никаких повреждений.#
Резисторы, включенные между опасными для жизни частями и проводящими доступными частями, должны соответствовать требованиям к зазорам и путям утечки между выводами в соответствии с
разделом 13 для усиленной изоляции.
Резисторы с выводами, оканчивающимися внутри корпуса резистора, допускаются только в том случае, если внутренние расстояния между выводами могут быть однозначно и точно определены.
#Соответствие проверяют измерением и обследованием.#
14.2. Конденсаторы и резистивно-емкостные блоки
Там, где приводят ссылку на испытания, установленные в МЭК 60384-14 (таблица II), эти испытания дополняют следующими условиями:
Продолжительность испытания на влажность при устойчивом тепловом состоянии в соответствии с МЭК 60384-14 (пункт 4.12) должна быть 21 сут.
Примечание. Ссылку на МЭК 60384-14 приводят независимо от того, применяют ли конденсатор или резистивно-емкостный блок для подавления электромагнитных помех или не применяют.
14.2.1. Конденсаторы или резистивно-емкостные блоки, короткое замыкание или обрыв которых вызывает нарушение требований безопасности в условиях неисправностей и создает опасность поражения электрическим током, должны:
a) выдерживать испытания для подкласса Y2 или Y4 по МЭК 60384-14 (таблица II).
Требования подкласса Y2 применяют к конденсаторам или резистивно-емкостным блокам, используемым в аппаратуре с номинальными сетевыми напряжениями относительно земли или нейтрали от 150 до 250 В включительно.
Требования подкласса Y4 применяют к конденсаторам или резистивно-емкостным блокам, используемым в аппаратуре с номинальными сетевыми напряжениями относительно земли или нейтрали до 150 В включительно;
b) выдерживать испытания для подкласса Y1 или Y2 по МЭК 60384-14 (таблица II).
Требования подкласса Y1 применяют к конденсаторам или резистивно-емкостным блокам, используемым в аппаратуре с номинальными сетевыми напряжениями относительно земли или нейтрали от 150 до 250 В включительно.
Требования подкласса Y2 применяют к конденсаторам или резистивно-емкостным блокам, используемым в аппаратуре с номинальными сетевыми напряжениями относительно земли или нейтрали до 150 В включительно.
Такие конденсаторы и резистивно-емкостные блоки должны быть расположены внутри корпуса аппарата.
14.2.2. Конденсаторы или резистивно-емкостные блоки, непосредственно соединенные с сетью, должны выдержать испытания для подклассов X1 или X2 по МЭК 60384-14 (таблица II).
Требования подкласса X1 применяют к конденсаторам или резистивно-емкостным блокам, используемым в постоянно подключенной аппаратуре, предназначенной для подключения к сети с номинальными напряжениями относительно земли или нейтрали от 150 до 250 В включительно.
Конденсаторы подкласса X2 или резистивно-емкостные блоки подкласса X2 могут быть использованы для всех других случаев.
Примечания. 1. Конденсаторы подкласса Y2 или резистивно-емкостные блоки подкласса Y2 могут быть использованы вместо конденсаторов подкласса X1 или X2 или резистивно-емкостных блоков подкласса X1 или X2.
2. Конденсаторы подкласса Y4 или резистивно-емкостные блоки подкласса Y4 могут быть использованы вместо конденсаторов подкласса X2 или резистивно-емкостных блоков подкласса X2 для напряжений до 150 В включительно.
14.2.3. Конденсаторы или резистивно-емкостные блоки в цепях переменного тока с частотой сети, но не соединенные с сетью, короткое замыкание которых вызывает нарушение требований по перегреву, должны выдерживать испытания для подкласса X2 конденсаторов или резистивно-емкостных блоков, как определено в МЭК 60384-14 (таблица II).
Характеристики конденсаторов или резистивно-емкостных блоков должны соответствовать их функциям в аппарате при нормальных условиях эксплуатации.
14.2.4. Конденсаторы или резистивно-емкостные блоки, не рассмотренные в
14.2.1 -
14.2.3
Примечание. Если конденсаторы подкласса X1 или X2 или резистивно-емкостные блоки подкласса X1 или X2 используются в местах других, чем определено
14.2.2, то они также должны соответствовать требованиям
14.2.2.
a) Конденсаторы или резистивно-емкостные блоки объемом, превышающим 1750 мм3, используемые в цепях, где при коротком замыкании конденсатора или резистивно-емкостного блока ток короткого замыкания превышает 0,2 А, должны соответствовать требованиям на пассивную огнестойкость по МЭК 60384-1 (пункт 4.38), огнестойкости категории В или лучше.
b) Если расстояние между потенциальным источником воспламенения и конденсаторами или резистивно-емкостными блоками объемом более 1750 мм3 не превышает установленного в
таблице 13, то эти конденсаторы или резистивно-емкостные блоки должны соответствовать необходимым требованиям на пассивную огнестойкость по МЭК 60384-1 (пункт 4.38), как определено в
таблице 13, или лучше. Если эти конденсаторы или резистивно-емкостные блоки защищены перегородкой от потенциальных источников воспламенения, соответствующей требованиям
20.1.4, то к ним требования на пассивную огнестойкость не предъявляют.
Эти требования не применяют к конденсаторам или резистивно-емкостным блокам, имеющим металлический кожух. Тонкие оболочки или трубки, покрывающие такие кожухи, не учитывают.
Таблица 13
Категории огнестойкости в зависимости от расстояния
до потенциальных источников воспламенения
┌────────────────────────┬────────────────┬────────────────┬──────────────┐
│ Напряжение разомкнутой │Расстояние вниз │Расстояние вверх│ Категория │
│ цепи потенциального │ или в сторону │от потенциальных│огнестойкости │
│источника воспламенения │от потенциальных│ источников │в соответствии│
│ │ источников │ воспламенения │с МЭК 60384-1 │
│ │ воспламенения │до конденсатора │ │
│ │до конденсатора │или резистивно- │ │
│ │или резистивно- │емкостного блока│ │
│ │емкостного блока│
1) │ │
│ │
1) │менее чем , мм │ │
│ │менее чем , мм │ │ │
├────────────────────────┼────────────────┼────────────────┼──────────────┤
│От 50 В и до 4000 В│ 13 │ 50 │ В │
│включ. (пиковое значение│ │ │ │
│переменного тока│ │ │ │
│или значение напряжения│ │ │ │
│постоянного тока) │ │ │ │
├────────────────────────┼────────────────┴────────────────┴──────────────┤
│Св. 4 кВ (пиковое│ См.
20.2 │
│значение переменного│ │
│тока или значение│ │
│напряжения постоянного│ │
│тока) │ │
├────────────────────────┴────────────────────────────────────────────────┤
└─────────────────────────────────────────────────────────────────────────┘
#Соответствие проверяют по МЭК 60384-1 (пункт 4.38).#
14.3. Индуктивности и обмотки
Индуктивности и обмотки должны соответствовать требованиям МЭК 61558-1 и необходимых частей МЭК 61558-2 (например: МЭК 61558-2-1
[13] - разделительные трансформаторы, МЭК 61558-2-4
[14] - изолирующие трансформаторы, МЭК 61558-2-6
[15] - изолирующие трансформаторы, обеспечивающие безопасность, МЭК 61558-2-17 - трансформаторы для импульсных источников питания) или требованиям настоящего раздела.
Изоляционный материал индуктивностей и обмоток, за исключением тонколистовых материалов, должен соответствовать требованиям
20.1.4.
Индуктивности, неисправность которых может ухудшить безопасность аппарата, например изолирующий трансформатор, должны иметь маркировку с указанием:
- наименования изготовителя или торговой марки;
- обозначения типа или номера по каталогу.
Наименование изготовителя и обозначение типа могут быть заменены кодовым номером.
#Соответствие проверяют обследованием.#
Примечание. В зависимости от применения в аппарате необходимо обратить внимание на требования к изоляции обмоток по
10.1.
Другие обмотки, например обмотки асинхронных электродвигателей, где энергия подается только на статор, петли размагничивания, обмотки реле, автотрансформаторы, должны соответствовать требованиям
14.3.3.1,
14.3.5.1 и
14.3.5.2 настолько, насколько они применимы.
Трансформаторы, предназначенные для импульсных источников питания, должны соответствовать требованиям МЭК 61558-1 и МЭК 61558-2-17 или требованиям для изолирующих или для разделительных трансформаторов, как определено выше.
Изолирующие материалы индуктивностей и обмоток должны соответствовать требованиям
20.1.4, за исключением тонкого листового материала.
14.3.3. Требования к конструкции
14.3.3.1. Все типы обмоток
Зазоры и пути утечки должны соответствовать требованиям
раздела 13.
14.3.3.2. Конструкции, имеющие более одной обмотки
В случае использования изолирующих перегородок каркаса, состоящих из насаживаемых нескрепляемых частей стенок, измерения путей утечки проводят в местах стыков. Если места стыков покрыты скрепляющей липкой лентой, соответствующей требованиям МЭК 60454, на каждую сторону перегораживающей стенки необходимо наносить один слой липкой ленты, чтобы предотвратить возможный риск, возникающий вследствие деформации липкой ленты во время производства.
Первичная и вторичная обмотки должны быть электрически разделены друг от друга, а конструкция обмоток должна быть такой, чтобы исключить любые соединения между этими обмотками непосредственно или через проводящие части.
В частности, должны быть приняты меры, чтобы предотвратить:
- недопустимое смещение первичной или вторичной обмотки или их витков;
- недопустимое смещение внутренних проводов или проводов внешних соединений;
- недопустимое смещение частей обмотки или внутренних проводов в результате обрыва проводов или нарушения соединений;
- шунтирование любой части изоляции между первичной и вторичной обмотками, а также соединений обмоток, которое может произойти при утере или ослаблении проводников, болтов, шайб и других подобных деталей.
Последний виток каждой обмотки должен быть закреплен соответствующим образом, например с помощью ленты, подходящим клеящим веществом, или технологический процесс должен предусматривать способ крепления.
В случае использования катушек без щечек конечные обороты каждого слоя должны быть закреплены соответствующим образом. Каждый слой может, например, чередоваться с соответствующим изоляционным материалом, защищающим конечные обороты каждого слоя, и, кроме того:
- или обмотки должны быть пропитаны спекаемым материалом или материалом, отвердевающим при низкой температуре, значительно заполняющим пространство между слоями и надежно закрепляющим концы обмоток;
- или обмотки должны удерживаться вместе с изоляционным материалом;
- или обмотки должны быть закреплены, например технологическим процессом.
Примечание. Считают, что два независимых способа фиксации обмоток не могут быть нарушены одновременно.
Если используют ленту с краями зубчатой формы, то ее зубчатую часть не считают изоляцией.
#Соответствие проверяют обследованием.#
14.3.4. Разделение обмоток
14.3.4.1. Обмотки конструкции класса II
Разделение опасных для жизни обмоток и обмоток, предназначенных для соединения с доступными проводящими частями, следует осуществлять двойной или усиленной изоляцией, соответствующей
8.8, за исключением каркаса катушки и разделительных перегородок, обеспечивающих усиленную изоляцию толщиной не менее 0,4 мм без применения дополнительных требований.
Если промежуточная проводящая часть, например железный сердечник, не предназначенная для соединения с доступными проводящими частями, расположена между соответствующими обмотками, то изоляция между этими обмотками должна состоять из двойной или усиленной изоляции, как упомянуто выше.
#Соответствие проверяют обследованием и измерением.#
14.3.4.2. Обмотки конструкции класса I
Разделение опасных для жизни обмоток и обмоток, предназначенных для соединения с доступными проводящими частями, следует осуществлять основной изоляцией и защитным экранированием, но только в том случае, если все перечисленные ниже условия выполнены:
- изоляция между опасными для жизни обмотками и защитным экраном соответствует требованиям для основной изоляции согласно
8.8 с учетом значения опасного для жизни напряжения;
- изоляция между защитным экраном и неопасной для жизни обмоткой соответствует требованиям к электрической прочности согласно
таблице 5, пункт 2;
- защитный экран, предназначенный для соединения с контактом или клеммой защитного заземления, расположен между первичной и вторичной обмотками таким образом, чтобы в случае нарушения изоляции экран эффективно предотвращал попадание напряжения первичной обмотки на любую вторичную обмотку;
- защитный экран состоит из металлической фольги или плотно намотанного без промежутков между витками провода, по меньшей мере на всю глубину одной из обмоток, прилегающих к экрану;
- защитный экран расположен таким образом, чтобы его концы не касались друг друга и одновременно не касались металлического сердечника, это необходимо для предотвращения потерь, возникающих вследствие короткого замыкания витков;
- защитный экран и его выходной провод имеют поперечное сечение, достаточное, чтобы они не разрушились до срабатывания плавкого предохранителя или защитного устройства в случае пробоя изоляции;
- выходной провод присоединен к защитному экрану надежным способом, например пайкой, сваркой, заклепкой или обжимом.
#Соответствие проверяют обследованием и измерением.#
14.3.4.3. Обмотки разделяющих конструкций
Разделение между опасными для жизни обмотками и обмотками, предназначенными для соединения с частями, отделенными от доступных частей дополнительной изоляцией, должно быть осуществлено, по крайней мере, основной изоляцией в соответствии с
8.8.
#Соответствие проверяют обследованием и измерением.#
14.3.5. Изоляция между опасными для жизни частями и доступными частями
14.3.5.1. Обмотки конструкции класса II
Изоляция между опасными для жизни частями и доступными частями или частями, предназначенными для соединения с доступными проводящими частями, например металлическим сердечником, и изоляция между опасными для жизни частями, например металлическим сердечником, соединенным с опасными для жизни обмотками и обмотками, предназначенными для соединения с доступными проводящими частями, должны состоять из двойной или усиленной изоляции в соответствии с
8.8, за исключением каркасов катушек и разделительных перегородок, обеспечивающих усиленную изоляцию и имеющих толщину не менее 0,4 мм, к которым дополнительные требования не предъявляют.
#Соответствие проверяют обследованием и измерением.#
14.3.5.2. Обмотки конструкции класса I
Изоляция между опасными для жизни обмотками и доступными проводящими частями или частями, предназначенными для соединения с доступными проводящими частями, соединенными с контактом или клеммой защитного заземления, например металлическим сердечником, и изоляция между опасными для жизни частями, например металлическим сердечником, соединенным с опасными для жизни обмотками и обмоткой или фольгой защитного экрана, предназначенного для соединения с контактом или клеммой защитного заземления, должны состоять из основной изоляции в соответствии с
8.8.
Провода обмоток, предназначенных для соединения с контактом или клеммой защитного заземления, должны, не разрушившись, выдавать ток, достаточный для срабатывания плавкого предохранителя или защитного устройства, в случае возникновения пробоя изоляции.
#Соответствие проверяют обследованием и измерением.#
14.4. Высоковольтные компоненты и блоки
Примечание. Ссылки для кабелей высокого напряжения приведены в
20.1.2.
Компоненты, работающие при напряжениях, превышающих 4 кВ (пиковое значение), и искровые разрядники, предназначенные для защиты от перенапряжений, если в
20.1 нет иного указания, не должны служить источником пожара или какой-либо иной опасности в соответствии с требованиями настоящего стандарта.
#Соответствие проверяют выполнением требований для категории V-1 по МЭК 60707 или испытанием по 14.4.1, согласно которым не допускаются разрушения.#
14.4.1. Высоковольтные трансформаторы и умножители
#Три образца трансформаторов с одной или более высоковольтной обмоткой или три высоковольтных умножителя подвергают предварительной подготовке согласно перечислению a), а затем испытывают согласно
перечислению b).
a) Предварительная подготовка
В случае трансформатора к высоковольтной обмотке подводят мощность 10 Вт (постоянного тока или переменного тока с частотой сети). Эту мощность поддерживают в течение 2 мин, а затем ступенями по 10 Вт с интервалом в 2 мин увеличивают до 40 Вт.
Подготовку проводят в течение 8 мин или прекращают в тот момент, когда происходит обрыв обмотки или заметное разрушение защитного покрытия.#
Примечание 1. Конструкция некоторых трансформаторов не позволяет проведения данной предварительной подготовки. В этих случаях следует провести испытания только согласно
перечислению b).
#К каждому образцу высоковольтного умножителя с короткозамкнутой выходной цепью подают на вход напряжение от соответствующего высоковольтного трансформатора.
Значение выходного напряжения устанавливают на таком уровне, чтобы исходное значение постоянного тока короткого замыкания составляло (25 +/- 5) мА. Это напряжение поддерживают в течение 30 мин или отключают в момент разрыва цепи или заметного разрушения покрытия.#
Примечание 2. Если конструкция высоковольтного умножителя такова, что ток короткого замыкания, равный 25 мА, не может быть получен, то при предварительной подготовке используют максимально достижимое значение тока, определяемое конструкцией умножителя или условиями его применения в данном аппарате.
Образец подвергают испытанию пламенем в соответствии с
G.1.2 (Приложение G).#
14.4.2. Высоковольтные сборочные узлы и другие части
#Испытание пламенем
Образец подвергают испытанию пламенем в соответствии с
G.1.2 (Приложение G).#
14.5. Устройства защиты
Устройства защиты применяют в соответствии с их номинальными значениями.
Внешние зазоры и пути утечки устройств защиты и их соединений должны удовлетворять требованиям для основной изоляции
раздела 13 для напряжения, прилагаемого к разомкнутому устройству.
#Соответствие проверяют обследованием.#
14.5.1. Тепловые размыкающие устройства
Тепловые размыкающие устройства, применяемые для обеспечения безопасности аппаратуры согласно требованиям настоящего стандарта, должны удовлетворять требованиям каждого из пунктов в отдельности: 14.5.1.1;
14.5.1.2 или
14.5.1.3 в зависимости от того, какой из них подходит.
14.5.1.1. Выключатели с тепловым расцеплением должны удовлетворять одному из следующих требований:
a) выключатель с тепловым расцеплением, испытуемый как отдельный компонент, должен удовлетворять требованиям и быть подвергнут испытаниям в такой степени, насколько это применимо в соответствии с МЭК 60730.
В соответствии с указанным стандартом применяют следующие требования:
- выключатель с тепловым расцеплением должен быть 2-го типа действия [см. МЭК 60730-1 (пункт 6.4.2)];
- выключатель с тепловым расцеплением должен иметь, по крайней мере, микроразъединитель (типа 2В) [см. МЭК 60730-1 (подпункт 6.4.3.2 и пункт 6.9.2)];
- выключатель с тепловым расцеплением должен иметь механизм разъединителя независимого действия, в котором контакты не могут препятствовать размыканию при продолжении неисправности (тип 2Е) [см. МЭК 60730-1 (подпункт 6.4.3.5)];
- число циклов автоматического действия должно быть не менее:
- 3000 - для выключателей с тепловым расцеплением с автоматическим возвратом в исходное положение, которые используются в цепях, не выключающихся, когда аппарат выключен [см. МЭК 60730-1 (пункт 6.11.8)],
- 300 - для выключателей с тепловым расцеплением с автоматическим возвратом в исходное положение в цепях, которые выключатся одновременно с аппаратурой, и для выключателей с тепловым расцеплением, которые не имеют автоматического возврата и которые могут быть установлены в исходное положение вручную с внешней стороны аппарата [см. МЭК 60730-1 (пункт 6.11.10)],
- 30 - для выключателей с тепловым расцеплением, которые не имеют автоматического возврата в исходное положение и которые не могут быть установлены вручную в исходное положение с внешней стороны аппарата [см. МЭК 60730-1 (пункт 6.11.11)];
- выключатель с тепловым расцеплением должен быть испытан в течение длительного периода воздействия электрического напряжения, на которое он спроектирован, на изолирующие части устройства [см. МЭК 60730-1 (пункт 6.14.2)];
- выключатель с тепловым расцеплением должен удовлетворять требованиям к старению для предполагаемого использования не менее 10000 ч [см. МЭК 60730-1 (пункт 6.16.3)];
- по электрической прочности выключатель с тепловым расцеплением должен удовлетворять требованиям
10.3, за исключением промежутков между контактами и контактами выходных концов, для которых применяют требования МЭК 60730-1 (пункты 13.2 - 13.2.4).
Выключатели с тепловым расцеплением должны быть пригодны для использования в аппаратуре в нормальных рабочих условиях и в условиях неисправностей по следующим характеристикам:
- номинальные параметры выключателя с тепловым расцеплением (см. МЭК 60730-1, раздел 5);
- классификация выключателя с тепловым расцеплением по следующим признакам:
- виду питания [см. МЭК 60730-1 (пункт 6.1)],
- типу нагрузки, которая должна быть подключена [см. МЭК 60730-1 (пункт 6.2)],
- степени защиты, обеспечиваемой кожухами от проникновения твердых частиц и пыли [см. МЭК 60730-1 (пункт 6.5.1)],
- степени защиты, обеспечиваемой кожухом от вредного проникновения воды [см. МЭК 60730-1 (пункт 6.5.2)],
- условиям загрязнения, для которых выключатель с тепловым расцеплением пригоден [см. МЭК 60730-1 (пункт 6.5.3)],
- максимально допустимой температуры окружающей среды [см. МЭК 60730-1 (пункт 6.7)].
#Соответствие проверяют согласно условиям испытаний, определяемых МЭК 60730, обследованием и измерением;#
b) выключатель с тепловым расцеплением, испытуемый как часть аппарата, должен:
- иметь, по крайней мере, микроразъединитель в соответствии с МЭК 60730-1, выдерживающий испытательное напряжение, установленное в МЭК 60730-1 (пункт 13.2), и
- быть подвергнут испытанию на старение в течение 300 ч при температуре, соответствующей температуре окружающей среды выключателя с тепловым расцеплением при работе в нормальных условиях эксплуатации и температуре окружающей среды 35 °C (45 °C для аппаратуры, предназначенной для использования в тропическом климате), и
- быть подвергнут испытаниям на число циклов автоматического действия, как установлено в
перечислении a), для выключателя с тепловым расцеплением, испытуемого как отдельный компонент при установлении соответствующих условий неисправности.
Испытание проводят на трех образцах.
При испытании не должно возникать устойчивого искрения.
После испытания выключатель с тепловым расцеплением не должен иметь никаких повреждений, нарушающих требования настоящего стандарта. В особенности он не должен иметь повреждений кожуха, не должны уменьшиться зазоры и пути утечки и не должны произойти нарушения электрических соединений или механических креплений.
#Соответствие проверяют обследованием и указанными испытаниями в установленном порядке.#
14.5.1.2. Термоплавкие предохранители должны удовлетворять одному из следующих требований:
a) термоплавкий предохранитель, испытуемый как отдельный компонент, должен удовлетворять требованиям и выдерживать испытания по МЭК 60691.
Термоплавкие предохранители должны быть пригодны для использования в аппаратуре в нормальных рабочих условиях и в условиях неисправностей по следующим характеристикам:
- условиям окружающей среды [см. МЭК 60691 (пункт 6.1)],
- параметрам цепи [(см. МЭК 60691 (пункт 6.2)],
- номинальным параметрам термоплавкого предохранителя [(см. МЭК 60691 (раздел 8, перечисление b)],
- пригодности к впаиванию или устойчивости к проникновению жидкостей или к очистке растворителями [(см. МЭК 60691 (раздел 8, перечисление c)].
Электрическая прочность термоплавкого предохранителя должна удовлетворять требованиям
10.3, за исключением разъединителя (контактных частей) и промежутка между выходными контактами и выводами, для которых применяют требования МЭК 60691 (пункт 11.3).
#Соответствие проверяют испытанием по МЭК 60691, обследованием и измерением;#
b) термоплавкий предохранитель, испытуемый как часть аппарата, должен быть:
- подвергнут испытанию на старение в течение 300 ч при температуре, соответствующей температуре окружающей среды термоплавкого предохранителя при работе аппарата в нормальных условиях эксплуатации и температуре окружающей среды 35 °C (45 °C для аппаратуры, предназначенной для использования в тропическом климате);
- подвергнут испытанию в таких условиях неисправности, которые вызывают срабатывание термоплавкого предохранителя, при этом не должно возникать устойчивого искрения и повреждений, нарушающих требования настоящего стандарта;
- способен выдержать удвоенное напряжение на контактах разъединителя и иметь сопротивление изоляции не менее 0,2 МОм, измеренное с напряжением, равным удвоенному напряжению и поданным на контакты разъединителя.
Испытания проводят 10 раз, при этом не допускается никаких повреждений.
Термоплавкий предохранитель заменяют частично или полностью после каждого испытания.
Примечание. Если термоплавкий предохранитель не может быть заменен частично или полностью, необходимо заменить целиком компонент, содержащий термоплавкий предохранитель, например трансформатор.
#Соответствие проверяют обследованием и испытаниями в установленном порядке.#
14.5.1.3. Тепловые прерывающие устройства, предназначенные для восстановления с помощью пайки, следует испытывать в соответствии с требованиями
14.5.1.2, перечисление b).
Однако прерывающий элемент не заменяют после срабатывания, а восстанавливают в соответствии с инструкцией изготовителя или, при отсутствии инструкции, с помощью пайки припоем олово/свинец - 60/40 (ПОС-60).
Примечание. Примеры прерывающих устройств, которые предназначены для восстановления с помощью пайки: тепловые размыкающие устройства, установленные на мощные резисторы.
14.5.2. Плавкие вставки и держатели плавких предохранителей
14.5.2.1. Плавкие вставки, непосредственно соединенные с сетью и используемые для предотвращения опасностей применительно к требованиям настоящего стандарта, должны соответствовать требованиям МЭК 60127, за исключением тех случаев, когда номинальный ток выходит за границы диапазона указанного стандарта.
В последнем случае они должны соответствовать требованиям МЭК 60127, насколько это применимо.
#Соответствие проверяют обследованием.#
14.5.2.2. В соответствии с требованиями МЭК 60127 плавкие вставки должны иметь следующую маркировку, наносимую на каждый держатель плавкого предохранителя или вблизи с плавкой вставкой, в следующем порядке:
- символ, обозначающий амперсекундную характеристику, например:
F - быстродействующий,
T - замедленный;
- номинальный ток в миллиамперах для значений номинального тока до 1 А и в амперах для значений номинального тока более 1 А;
- символ, обозначающий отключающую способность плавкой вставки, например:
L - низкая отключающая способность,
E - повышенная отключающая способность,
H - высокая отключающая способность.
Примеры маркировки:
T315L или T315 мА L;
F 1,251H или F 1,25 А H;
- номинальное напряжение плавкой вставки, если возможна ошибочная установка плавкой вставки с меньшим номинальным напряжением.
Однако допускается размещать маркировку где-либо в другом месте, внутри или снаружи аппарата, но при условии, чтобы было понятно, к какому держателю плавкого предохранителя относится маркировка.
Требования к маркировке применяют также, если плавкие вставки имеют номинальный ток, находящийся за пределами диапазона, установленного МЭК 60127.
Соответствие проверяют обследованием.
14.5.2.3. Конструкцией держателей плавких предохранителей должна быть предусмотрена невозможность параллельного включения нескольких плавких вставок в одну и ту же цепь.
#Соответствие проверяют обследованием.#
14.5.2.4. Если опасные для жизни части аппарата окажутся доступными при замене плавких предохранителей или прерывающих устройств, то необходимо предотвратить возможность доступа к этим частям вручную.
Конструкцией держателей миниатюрных цилиндрических плавких вставок винтового или байонетного типа, если носители плавких вставок могут быть сняты вручную с внешней стороны аппарата, должно быть предусмотрено, чтобы опасные для жизни части не становились доступными ни во время установки или снятия плавкой вставки, ни после снятия плавкой вставки. Держатели плавких предохранителей, соответствующие требованиям МЭК 60127-6, удовлетворяют этим требованиям.
Если носитель плавкого предохранителя имеет конструкцию, удерживающую плавкую вставку, то во время испытания плавкую вставку помещают в носитель плавкого предохранителя.
#Соответствие проверяют обследованием.#
14.5.3. Терморезисторы с положительным температурным коэффициентом
Терморезисторы с положительным температурным коэффициентом (далее - терморезисторы) применяют для обеспечения безопасности аппарата в соответствии с требованиями настоящего стандарта и МЭК 60730-1 [разделы 15, 17, J.15 и J.17 (Приложение J)].
#Соответствие проверяют обследованием и испытаниями по
11.2.#
Для терморезисторов, у которых мощность рассеяния превышает 15 Вт при номинальном сопротивлении, соответствующем нулевой мощности, при температуре окружающей среды 25 °C, герметизация или инкапсуляция должна удовлетворять требованиям огнестойкости категории V-1 или лучше по МЭК 60707.
Соответствие проверяют согласно требованиям МЭК 60707 или по
G.1.2 (Приложение G).
Устройства защиты, такие как, например, плавкие резисторы, плавкие вставки, не рассматриваемые в МЭК 60127, или миниатюрные прерыватели, должны иметь необходимую размыкающую способность.
У защитных устройств, не восстанавливающихся в исходное состояние, таких как плавкие вставки, маркировка должна быть нанесена вблизи устройства защиты, чтобы была возможность провести их правильную замену.
#Соответствие проверяют обследованием и проведением испытаний в условиях неисправностей (см.
11.2).
Испытания в условиях неисправностей проводят три раза.
При этом не допускаются никакие повреждения.#
14.6.1. Механические выключатели, управляемые вручную, коммутирующие токи свыше 0,2 А среднеквадратичного значения переменного тока или постоянного тока и/или имеющие напряжение разомкнутых контактов свыше 35 В пикового значения переменного тока или 24 В постоянного тока, должны соответствовать одному из следующих требований:
a) Выключатель, испытуемый как отдельный компонент, должен удовлетворять требованиям и быть испытан в соответствии с МЭК 61058-1 с учетом следующих условий:
- число рабочих циклов должно быть равным 10000 [(см. МЭК 61058-1 (подпункт 7.1.4.4)];
- выключатель должен быть пригоден для использования в условиях нормального загрязнения [(см. МЭК 61058-1 (подпункт 7.1.6.2)];
- по теплостойкости и огнестойкости выключатель должен относиться к 3-му уровню [(см. МЭК 61058-1 (подпункт 7.1.9.3)];
- в отличие от требований МЭК 61058-1 (пункт 13.1) скорость включения и разрыва контактов сетевых выключателей постоянного и переменного тока не должна зависеть от скорости воздействия. Кроме того, сетевые выключатели должны удовлетворять требованиям категории воспламеняемости V-0 по
G.1.1 (Приложение G).
Характеристики выключателя, к которым относятся:
- номинальные параметры выключателей [см. МЭК 61058-1 (раздел 6)];
- классификация выключателей по следующим признакам:
- виду питания [см. МЭК 61058-1 (пункт 7.1.1)],
- типу нагрузки, управляемой выключателем [см. МЭК 61058-1 (пункт 7.1.2)],
- температуре окружающего воздуха [см. МЭК 61058-1 (пункт 7.1.3)],
- должны соответствовать его способности выполнять функции выключения в нормальных рабочих условиях.
#Соответствие проверяют испытанием по МЭК 61058-1, а также обследованием и измерениями.
Если сетевой выключатель аппарата управляет выходными сетевыми розетками, то при измерении следует учитывать общий номинальный ток и импульсные броски тока выходных розеток в соответствии с указаниями
14.6.5.#
b) Выключатель, испытуемый как часть аппарата, работающего в нормальных условиях, должен удовлетворять требованиям
14.6.2,
14.6.5 и
20.1.4, кроме того:
- выключатели, управляющие током, превышающим 0,2 А среднеквадратичного значения переменного тока или постоянного тока, должны удовлетворять требованиям
14.6.3 и
14.6.4, если напряжение, поступающее на разомкнутые контакты выключателя, превышает 35 В (пиковое значение) переменного тока или 24 В постоянного тока;
- выключатели, управляющие током, превышающим 0,2 А среднеквадратичного значения переменного тока или постоянного тока, должны удовлетворять требованиям
14.6.3, если напряжение, поступающее на разомкнутые контакты, не превышает 35 В (пиковое значение) переменного тока или 24 В постоянного тока;
- выключатели, управляющие током до 0,2 А среднеквадратичного значения переменного тока или постоянного тока, должны удовлетворять требованиям
14.6.4, если напряжение, поступающее на разомкнутые контакты, не превышает 35 В (пиковое значение) переменного тока или 24 В постоянного тока;
- сетевые выключатели должны удовлетворять требованиям
G.1.1 (Приложение G).
14.6.2. Выключатель, испытуемый согласно
14.6.1, перечисление b), должен выдержать без чрезмерного износа или других вредных эффектов электрические, тепловые и механические воздействия, которые возникают во время предполагаемого использования, и должен иметь механизм, удовлетворяющий требованиям МЭК 61058-1 (пункт 13.1) для выключателей постоянного тока. Кроме того, скорость включения и разрыва контактов сетевых выключателей не должна зависеть от скорости воздействия.
#Соответствие проверяют согласно МЭК 61058-1 (пункт 13.1) и следующим испытаниям на износоустойчивость.
Выключатель подвергают 10000 циклам переключения с последовательностью согласно МЭК 61058-1 (пункт 17.1.2), за исключением испытаний при повышенном напряжении с повышенной скоростью, установленных в МЭК 61058-1 (пункт 17.2.4), и при электрических и тепловых условиях, определяемых нормальными рабочими условиями аппаратуры.
Испытания проводят на трех образцах, при этом не допускается никаких повреждений.#
14.6.3. Конструкцией выключателя, испытуемого согласно
14.6.1, должно быть предусмотрено, чтобы во время его предполагаемого использования не было чрезмерного повышения температуры. Используемые материалы должны быть такими, чтобы характеристики выключателя не оказывали неблагоприятного действия на работу аппаратуры во время его предполагаемого использования. В частности, материал и конструкция контактов и выводов должны быть такими, чтобы работа и манипуляции выключателя не приводили к их окислению и износу других видов.
#Соответствие проверяют в положении "включено" в нормальных рабочих условиях и согласно требованиям МЭК 61058-1 [пункт 16.2.2, перечисления d), l) и m)], с учетом общего номинального тока и импульсных бросков тока выходных сетевых розеток в соответствии с указаниями
14.6.5.
Превышение температуры в течение этих испытаний не должно быть более 55 K.#
14.6.4. Выключатель, испытуемый согласно
14.6.1, перечисление b), должен иметь соответствующую электрическую прочность.
#Соответствие проверяют следующими испытаниями:
- выключатель должен выдержать испытания на электрическую прочность, как установлено в
10.3, без предварительной обработки влагой; испытательное напряжение снижают до 75% соответствующего испытательного напряжения, установленного в
10.3, но не менее 500 В среднеквадратичного значения (700 В пикового значения);
- испытательное напряжение подают в положении "включено" между опасными для жизни частями и доступными проводящими частями или частями, которые соединены с доступными проводящими частями, и, кроме того, между полюсами в случае применения многополюсного выключателя;
- испытательное напряжение подают в положении "включено" на все промежутки между контактами. При испытаниях резисторы, конденсаторы и резистивно-емкостные блоки, подключаемые параллельно контактному промежутку, могут быть отсоединены.#
14.6.5. #Если сетевой выключатель аппарата управляет выходными сетевыми розетками, то испытание на прочность проводят с дополнительной нагрузкой, подключенной к выходным розеткам согласно схеме 9, приведенной в МЭК 61058-1, и с учетом МЭК 61058-1 (рисунок 10).
Общий номинальный ток дополнительной нагрузки должен соответствовать маркировке выходных розеток [см.
5.2, перечисление c)]. Импульсные броски тока дополнительной нагрузки должны иметь значения, указанные в таблице 14.#
Таблица 14
Импульсные броски тока
┌─────────────────────────────────────────────┬───────────────────────────┐
│ Общий номинальный ток выключателя, │ Импульсные броски │
│ управляющего выходными розетками, А │ тока, А │
├─────────────────────────────────────────────┼───────────────────────────┤
│ До 0,5 включ. │ 20 │
│ От 0,5 " 1,0 " │ 50 │
│ Св. 1,0 " 2,5 " │ 100 │
│ " 2,5 │ 150 │
└─────────────────────────────────────────────┴───────────────────────────┘
После окончания испытаний выключатель не должен иметь повреждений, нарушающих требования настоящего стандарта, в частности, не должно быть повреждений кожуха, уменьшения зазоров и путей утечки и не должны быть нарушены электрические соединения или механические крепления.
#Соответствие проверяют обследованием и испытаниями по
14.6.3 и/или
14.6.4 в установленном порядке.#
14.7. Защитные блокировки
Установка защитных блокировок должна быть предусмотрена там, где возможен доступ вручную к зонам, представляющим опасность применительно к требованиям настоящего стандарта. Требования и условия испытаний представлены в МЭК 60950 (пункт 2.8).
14.8. Устройства установки напряжения и аналогичные устройства
Конструкцией аппаратуры должно быть предусмотрено, чтобы изменение установки с одного напряжения на другое или от одного типа питания к другому не могло произойти случайно.
#Соответствие проверяют обследованием и испытанием вручную.#
Примечание. Изменение установки посредством последовательных перемещений, проводимых вручную, считают соответствующим данным требованиям.
14.9. Электродвигатели
14.9.1. Конструкцией электродвигателей должна быть предусмотрена возможность исключения при их длительной нормальной эксплуатации вероятности каких-либо электрических и механических неисправностей, приводящих к нарушению требований настоящего стандарта. Изоляция не должна быть повреждена, а контакты и соединения при нагреве, вибрации и т.п. не должны быть нарушены.
#Соответствие проверяют с помощью следующих испытаний аппарата при нормальных условиях эксплуатации:
a) во время испытаний на электродвигатель подают сначала 1,06, а затем 0,9 номинального напряжения питания, каждый раз по 48 ч. Электродвигатели, рассчитанные на кратковременную работу или на работу с перерывами, включают на время, соответствующее времени работы аппаратуры, если это время ограничено конструкцией аппаратуры.
При кратковременном режиме работы электродвигателей необходимо предусмотреть соответствующие перерывы для охлаждения.#
Примечание 1. Рекомендуется проводить это испытание сразу же после испытаний по
7.1;
#b) электродвигатель включают 50 раз при подаче на него 1,06 номинального напряжения питания и 50 раз при подаче 0,9 номинального напряжения питания. Продолжительность каждого периода работы должна быть в 10 раз больше времени от момента включения электродвигателя до того момента, когда он наберет полную скорость, но не менее 10 с.
Интервалы между включениями должны быть не менее чем в 3 раза больше продолжительности периода работы.
Если электродвигатель рассчитан на работу при нескольких скоростях, то его испытывают при наиболее неблагоприятной скорости.
После этих испытаний электродвигатель должен выдержать испытание на электрическую прочность в соответствии с
10.3. Ни одно из соединений не должно быть нарушено, кроме того, не должно быть никаких повреждений, не удовлетворяющих требованиям безопасности.#
Примечание 2. Для асинхронных электродвигателей, питание к которым подается только через статор, см. также
14.3.2.
14.9.2. Конструкцией электродвигателей должно быть предусмотрено или электродвигатели должны быть установлены так, чтобы во время предполагаемой эксплуатации на провода, обмотки, коллекторы, контактные кольца и т.п. не попадали масло, смазка или другие вещества, обладающие разрушающим воздействием.
#Соответствие проверяют обследованием.#
14.9.3. Движущие части, которые могут нанести травму, должны быть закрыты таким образом, чтобы при нормальных условиях работы была обеспечена надежная защита. Защитные кожухи, ограждения и т.п. должны обладать механической прочностью и не должны быть снимаемыми вручную.
#Соответствие проверяют обследованием и испытанием вручную.#
14.9.4. К электродвигателям, имеющим фазосдвигающую емкость, трехфазным электродвигателям и электродвигателям с последовательным возбуждением применяют требования МЭК 60950 (Приложение B, разделы B.8, B.9 и B.10).
14.10. Батареи
14.10.1. Батареи должны быть размещены таким образом, чтобы исключить риск накопления огнеопасных газов и чтобы утечка электролита не могла повредить изоляцию.
#Соответствие проверяют обследованием.#
14.10.2. Если предусмотрена замена пользователем перезаряжаемых батарей, которые могут быть заряжены в аппаратуре, на незаряжаемые, в аппаратуре должны быть использованы специальные средства, позволяющие исключить попадание любого тока заряда на незаряжаемую батарею.
Эти требования не применяют к батареям внутри аппарата, замена которых пользователем не предусмотрена, например батареям памяти.
#Соответствие проверяют обследованием.#
Примечание. Дополнительные требования, относящиеся к инструкции по эксплуатации, приведены в
5.4.1.
14.10.3. В нормальных рабочих условиях и в условиях неисправности значения нижеперечисленных величин не должны превышать допустимых значений, указанных изготовителем батарей:
- для перезаряжаемых батарей - ток заряда, время заряда;
- для литиевых батарей - ток заряда, обратный ток.
#Соответствие проверяют измерением.
При измерениях литиевые батареи должны быть вынуты и заменены замыкающим накоротко проводником.#
14.10.4. Снятие механических напряжений литых термопластичных деталей батарей
Из специальной батареи, герметичность емкости для электролита которой зависит от термопластичного материала, не должна происходить утечка электролита вследствие напряжений, возникающих в процессе формовки, если электролит может попасть на изоляцию или отсек, обслуживаемый пользователем.
#Соответствие проверяют следующим испытанием.
Батарею помещают в печь с перемешиваемым воздухом при температуре 70 °C на 7 ч. Продолжая кондиционирование печи, проверяют наличие или отсутствие утечки электролита из батареи.#
14.10.5. Испытание батареи падением
Специальная батарея, обслуживаемая пользователем, не должна давать утечки электролита в результате падения.
#Соответствие проверяют следующим испытанием.
Три образца подвергают единичному падению с высоты 1 м на поверхность из древесины твердых пород, как описано в
15.4.3. После падения батарею исследуют на возможность утечки электролита.#
Оптопары должны удовлетворять требованиям к конструкции
раздела 8.
Внутренние и внешние зазоры и пути утечки оптопар должны удовлетворять требованиям
13.1. В качестве альтернативы допускается проводить испытание для скрепленной изоляции по
13.6.
14.12. Помехоподавляющие варисторы
Помехоподавляющие варисторы, используемые для предохранения от перенапряжений, поступающих в аппарат, должны соответствовать требованиям МЭК 61051-2.
Такие компоненты не должны быть подключены между частями, подсоединенными к сети, и доступными проводящими частями, за исключением заземленных частей постоянно подключенного аппарата.
В МЭК 61051-2 приведены следующие требования:
- предпочтительные климатические категории - пункт 2.1.1:
- максимальный нижний предел температуры - минус 10 °C,
- минимальный верхний предел температуры - плюс 85 °C,
- минимальная продолжительность климатических испытаний - 21 сут;
- максимальные продолжительные напряжения - пункт 2.1.2.
Минимальное значение максимального продолжительного напряжения переменного тока должно быть в 1,2 раза больше номинального напряжения питания аппарата;
- номинальное значение импульсного тока - пункт 2.1.2.
Помехоподавляющие варисторы должны выдерживать комбинированный импульс 6 кВ/3 кА с формой волны напряжения 1,2/50 мкс и с формой волны тока 8/20 мкс.
#Соответствие проверяют проведением испытания по группе 1. После испытания напряжение варистора, как описано в МЭК 61051, не должно измениться более чем на 10% измеренного значения при токе, определенном изготовителем;#
- пожароопасность - по таблице 1, группа 6 МЭК 61051-2;
- покрытие помехоподавляющих варисторов должно иметь категорию воспламеняемости V-0 или лучше по МЭК 60707.
#Соответствие проверяют по МЭК 60707 или по
G.1.1 (Приложение G);#
- тепловая нагрузка.
Для аппаратуры с номинальным напряжением сети менее 150 В аппарат и испытательный резистор подключают последовательно с аппаратом, питающимся от источника переменного тока напряжением 250 В.
Источник напряжения подключают на 4 ч или до тех пор, пока цепь не замкнется через открывшийся варистор и через каждый из группы испытательных резисторов со следующими значениями: 2000, 500, 250, 50 Ом. Для каждого испытательного резистора используют различные аппараты до тех пор, пока разрушения от предыдущего испытания не будут восстановлены.
После завершения каждого испытания аппарат должен соответствовать требованиям
раздела 11.
15.1. Вилки и розетки
15.1.1. Вилки и приборные соединители, используемые для подключения аппарата к сети питания, а также розетки и межблочные соединители, с помощью которых подается сетевое питание через испытуемый аппарат на другие аппараты, должны отвечать требованиям соответствующих стандартов МЭК на вилки, розетки, приборные соединители и межблочные соединители.
Примерами соответствующих публикаций МЭК являются: МЭК 60083
[1], МЭК 60320, МЭК 60884 и МЭК 60906.
Примечания. 1. В Австралии, Дании, Израиле, Японии, Новой Зеландии, Южной Африке, Швейцарии и Великобритании существуют свои национальные требования к вилкам и розеткам.
2. В Южной Африке для аппаратуры, в которой шнур используется для подключения к сети питания, допускается применение разборной вилки, но при условии, что вилка соответствует национальным требованиям.
Сетевые розетки и межблочные соединители, имеющиеся на аппарате класса II и служащие для подключения других аппаратов, должны обеспечить подключение только аппаратов класса II.
Сетевые розетки и межблочные соединители, имеющиеся на аппарате класса I, предназначенные для подключения других аппаратов, должны обеспечивать подключение только аппаратов класса II или должны быть снабжены контактами защитного заземления, обеспечивающими надежное соединение с клеммой защитного заземления или заземляющим контактом аппарата.
Примечания. 3. Для аппаратуры класса I допускается оснащение сетевыми розетками и межблочными соединителями обоих типов на одном и том же аппарате.
4. Розетки, предназначенные только для подключения аппаратуры класса II, могут быть сконструированы, например, в соответствии с рекомендациями МЭК 60906-1, стандартный лист 3-1 или 3-2 либо МЭК 60320-2-2, стандартный лист D или H.
Относительно аппаратов, имеющих розетки, обеспечивающие подачу сетевого питания на другие аппараты, должны быть приняты меры, предотвращающие перегрузку их вилок или приборных соединителей, обеспечивающих соединение аппарата с сетью, если номинальный ток вилок и приборных соединителей менее 16 А.
Примечание. Маркировку вилок не считают достаточной мерой для предотвращения перегрузки.
Проводники внутренней проводки розеток, обеспечивающих подачу сетевого питания на другие аппараты непосредственно или через сетевой выключатель, должны иметь номинальную площадь поперечного сечения, установленную в
16.2 для внешних гибких шнуров. Исключение составляет аппаратура, соответствующая
разделу 11, когда применяют требования
4.3.9.
#Соответствие проверяют согласно требованиям соответствующих стандартов, обследованием и по
16.2.#
15.1.2. Конструкцией соединителей, которые не предназначены для подключения к сети питания, должна быть предусмотрена такая форма вилки, которая бы исключала возможность подсоединения их к сетевым розеткам или приборным соединителям.
Примечание. Примерами соединителей, удовлетворяющих этим требованиям, являются соединители, сконструированные согласно МЭК 60130-2, МЭК 60130-9
[2], МЭК 60169-2 или МЭК 60169-3
[3], когда их применяют так, как предписано. Пример соединителя, не удовлетворяющего требованиям настоящего раздела, - так называемые вилки типа "банан".
Конструкцией розеток для преобразователей выходных сигналов звука и изображения, обозначенных символом согласно
5.4.1, перечисление b), должно быть предусмотрено исключение вставки в эти розетки штекеров для антенн, соединителей заземления и цепей преобразователей выходных сигналов звука и изображения, а также преобразователей входных сигналов звука, изображения, данных и т.п., не обозначенных в соответствии с
5.4.1, перечисление b).
#Соответствие проверяют обследованием.#
15.1.3. Клеммы и соединители, используемые в выходных цепях источников питания, выходное напряжение которых не соответствует стандартным номинальным напряжениям сети согласно МЭК 60038 (таблица 1), не должны быть совместимы с контактными устройствами, которые установлены для бытовой и аналогичной аппаратуры, например для той, которая приведена в МЭК 60083
[1], МЭК 60320, МЭК 60884, МЭК 60906.
Соответствие проверяют обследованием и испытаниями вручную.
Конструкцией клемм или соединителей должно быть обеспечено выдерживание нагрузки, возможной при эксплуатации в нормальных условиях и во время предполагаемого использования.
#Соответствие проверяют согласно МЭК 60320 в части, относящейся к безопасности, например поражение электрическим током или нагрев.#
15.2. Обеспечение защитного заземления
Доступные проводящие части аппаратуры класса I, которые могут оказаться под опасным напряжением при нарушении основной изоляции, и контакты защитного заземления в розетках должны быть надежно соединены с клеммой защитного заземления аппарата.
В цепях защитного заземления не должно быть выключателей или плавких предохранителей.
Проводники защитного заземления могут быть оголенными или изолированными. Изолированные провода должны иметь зелено-желтую изоляцию, за исключением следующих двух случаев:
a) изоляция заземляющей оплетки должна быть либо зелено-желтой, либо прозрачной;
b) для внутренних защитных проводников в таких монтажных сборках, как резиновые кабели, шины, гибкая печатная проводка и т.п., допускается любой цвет при условии, что при их использовании будет исключено какое-либо неправильное толкование.
Провода зелено-желтой расцветки следует использовать только для соединений защитного заземления.
Для постоянно подключенной аппаратуры или аппаратуры, снабженной несъемным гибким шнуром или кабелем, должна быть использована независимая клемма защитного заземления, расположенная вблизи сетевых клемм и соответствующая требованиям
15.3, которая, кроме того, не должна быть использована для крепления других компонентов.
Если части, снимаемые вручную, имеют соединение с защитным заземлением, то при установке этих частей на место соединение с защитным заземлением должно происходить до включения токонесущих соединений, и, наоборот, при снятии частей отсоединение защитного заземления должно произойти после отключения токонесущих соединений.
Проводящие части при контакте с проводниками защитного заземления не должны быть подвергнуты существенной электрохимической коррозии. Необходимо избегать сочетаний, указанных над сплошной линией в
таблице F.1 Приложения F.
Клеммы защитного заземления должны быть устойчивы к существенной коррозии.
Примечание 1. Устойчивость к коррозии может быть достигнута соответствующим способом гальванической обработки или покрытия.
#Соответствие проверяют обследованием и сверкой с таблицей электрохимических потенциалов в
Приложении F.#
Сопротивление соединения между контактами или клеммами защитного заземления и частями, которые должны быть подсоединены к защитному заземлению, должно быть не более 0,1 Ом.
#Соответствие проверяют следующим испытанием:
- испытание проводят в течение 1 мин при подаче переменного или постоянного тока 25 А. Испытательное напряжение не должно превышать 12 В.#
Примечание 2. В Канаде при испытаниях применяют ток 30 А.
#Измеряют падение напряжения между контактом или клеммой защитного заземления и частью, подключенной к ним, и определяют сопротивление по току и падению напряжения. При этом значение сопротивления подводящих проводников для подключения источника питания к защитному заземлению должно быть исключено из результата измерения.#
Примечание 3. Необходимо следить, чтобы контактное сопротивление между концом измерительного щупа и испытуемой металлической частью при испытаниях не влияло на результат измерения.
15.3. Клеммы для гибких внешних шнуров и для постоянного подключения к сетевому питанию
15.3.1. Постоянно подключаемая аппаратура должна иметь клеммы, соединение с которыми осуществляют с помощью винтов, гаек или аналогичных устройств, например безвинтовых клеммных устройств согласно МЭК 60998-2-2 или клемм согласно МЭК 60999.
#Соответствие проверяют обследованием.
Требования к отверстиям ввода - в соответствии с МЭК 60335-1.#
15.3.2. В аппаратуре с несъемными сетевыми шнурами питания присоединение отдельных проводников к внутренней проводке аппаратуры следует осуществлять с помощью средств, которые будут обеспечивать надежное электрическое и механическое соединение, за исключением проводников питания и защитного заземления несъемного сетевого шнура или кабеля, которые не должны быть припаяны непосредственно к проводникам печатной платы.
Спаянные, скрученные и другие аналогичные соединения могут быть применены для соединения внешних проводников. Паяные или скрученные соединения должны быть выполнены таким образом, чтобы зазоры и пути утечки не были меньше установленных в
разделе 13 и чтобы было исключено разрушение паяных соединений или соскальзывание скрученных соединений. Кроме того, расположением и фиксацией проводников должны быть предусмотрены исключение перемещения проводников и поддерживание их правильного положения.
#Соответствие проверяют обследованием и, при необходимости, путем приложения силы, равной 5 Н, в любом направлении соединения.#
15.3.3. Винты и гайки, закрепляющие провода внешней сети питания, должны иметь резьбу, соответствующую требованиям ИСО 261 или ИСО 262, или резьбу с приемлемой винтовой нарезкой и механической прочностью. С их помощью не должно быть осуществлено одновременное крепление других компонентов, за исключением внешних проводников, если они расположены таким образом, чтобы их смещение при установке проводников сети питания было маловероятным.
Примечание. Выводы компонента (например, выключателя), встроенного в аппаратуру, могут быть использованы как клеммы для подачи сетевого питания для аппаратуры при условии, что они удовлетворяют требованиям
15.3.1.
#Соответствие проверяют обследованием.#
15.3.4. При применении требований к сетевым шнурам питания необходимо учитывать следующее:
- предполагается, что два независимых крепления не могут быть нарушены одновременно;
- проводники, соединенные пайкой, не считают надежно зафиксированными, если независимо от пайки они не закреплены вблизи конца провода. Однако "зацепление крюком" конца провода перед пайкой считают достаточной мерой для закрепления и удерживания проводников сетевого шнура в правильном положении при условии, что отверстие, через которое пропускают проводник, не слишком большое;
- проводники, присоединенные к клеммам или соединенные другим способом, не считают надежно зафиксированными при отсутствии дополнительного крепления вблизи клеммы или конца провода; это дополнительное крепление может одновременно закреплять и изоляцию, и проводник.
15.3.5. Клеммы для внешних гибких шнуров должны позволять соединение с проводниками, имеющими номинальное поперечное сечение, указанное в таблице 15.
Для номинальных токов, превышающих 16 А, см. МЭК 60950 (таблица 3.D).
#Соответствие проверяют обследованием, измерением и проверкой подбора шнуров наименьшего и наибольшего поперечных сечений в соответствии с данными таблицы 15.#
Таблица 15
Номинальные поперечные сечения клемм
┌──────────────────────────────────────────┬──────────────────────────────┐
│
1) │ Номинальное поперечное │
│Номинальный ток потребления аппарата , А │ сечение, мм2 │
├──────────────────────────────────────────┼──────────────────────────────┤
│ До 3 включ. │ 0,50 - 0,75 │
│ Св. 3 " 6 включ. │ 0,75 - 1,00 │
│ " 6 " 10 включ. │ 1,00 - 1,50 │
│ " 10 " 16 включ. │ 1,50 - 2,50 │
├──────────────────────────────────────────┴──────────────────────────────┤
│ 1) Номинальный ток потребления включает в себя токи, которые могут│
│проходить через розетки, предназначенные для подачи сетевого питания│
│на другие аппараты. │
└─────────────────────────────────────────────────────────────────────────┘
15.3.6. Клеммы согласно требованиям
15.3.3 должны иметь минимальные размеры, указанные в таблице 16.
Клеммы с винтовым зажимом должны быть оснащены шайбами.
Для номинальных токов, превышающих 16 А, см. МЭК 60950 (таблица 3.E).
#Соответствие проверяют измерением и обследованием.#
Таблица 16
Минимальные номинальные диаметры резьбы
┌──────────────────────────────┬──────────────────────────────────────────┐
│ Номинальный ток потребления │Минимальный номинальный диаметр резьбы, мм│
│
1) ├─────────────────────────┬────────────────┤
│ аппаратуры , А │колонкового или штыревого│ винтового типа │
│ │ типа │ │
├──────────────────────────────┼─────────────────────────┼────────────────┤
│ До 10 включ. │ 3 │ 3,5 │
│ Св. 10 " 16 включ. │ 3,5 │ 4 │
├──────────────────────────────┴─────────────────────────┴────────────────┤
│ 1) Номинальный ток потребления включает в себя токи, которые могут│
│проходить через розетки, предназначенные для подачи сетевого питания│
│на другие аппараты. │
└─────────────────────────────────────────────────────────────────────────┘
15.3.7. Конструкцией клемм должно быть предусмотрено зажатие ими проводника между металлическими поверхностями с достаточным давлением контакта и без повреждения проводника.
Конструкцией или расположением клемм должно быть предусмотрено исключение выскальзывания провода при затягивании зажимных винтов или гаек.
Клеммы должны быть зафиксированы так, чтобы, когда зажим проводника усиливается или ослабевает:
- собственно клемма не теряла фиксации;
- внутренние провода не подвергались натяжению;
- зазоры и пути утечки не становились меньше установленных в
разделе 13.
#Соответствие проверяют обследованием и измерениями.#
15.3.8. Конструкцией клемм в цепях, пропускающих ток, превышающий 0,2 А в нормальных рабочих условиях, должно быть предусмотрено исключение передачи давления контакта через изоляционный мате риал (кроме керамики), если нет достаточной упругости металлических частей, чтобы скомпенсировать возможную усадку изоляционных материалов.
#Соответствие проверяют обследованием.#
15.3.9. У несъемных сетевых шнуров питания каждую клемму следует устанавливать вблизи клеммы другого соответствующего потенциала и клеммы защитного заземления при ее наличии.
#Соответствие проверяют обследованием.#
Клеммы должны быть установлены, защищены или изолированы таким образом, чтобы не было риска случайного контакта между проводом, отделившимся от скрученного многожильного кабеля, и доступными проводящими частями или проводящими частями, соединенными с ними, проводящими частями, не соединенными с клеммой защитного заземления и отделенными от доступных проводящих частей только дополнительной изоляцией.
#Соответствие проверяют обследованием и, при отсутствии специального шнура, предотвращающего отделение жилы от многожильного скрученного провода, следующим испытанием.
С конца многожильного провода, имеющего номинальную площадь поперечного сечения, снимают изоляцию на участке длиной 8 мм, после чего провод этим концом подсоединяют к клемме так, чтобы одна жила осталась свободной.
Свободную жилу изгибают в любом возможном направлении без нарушения изоляции и закручивания конца жилы за имеющиеся препятствия.
Если проводник находится под опасным напряжением, то свободный провод не должен касаться никакой проводящей доступной части или соединенной с доступной проводящей частью, или, если аппарат имеет двойную изоляцию, никакой проводящей части, которая отделена от доступных частей только двойной изоляцией.
Если проводник соединен с клеммой заземления, то свободный провод не должен касаться никакой опасной для жизни части.#
15.4. Устройства, сконструированные в виде сетевой вилки
15.4.1. Устройства, снабженные штырями, предназначенными для введения в гнезда розетки, не должны создавать в этих гнездах чрезмерных механических напряжений.
#Соответствие требованию проверяют путем присоединения аппарата к розетке испытательной установки, показанной на
рисунке 11. Балансирующий рычаг испытательной установки вращают относительно горизонтальной оси, проходящей через центры (по диаметру) контактных втулок розетки на расстоянии 8 мм над лицевой поверхностью розетки.
Перед вводом штырей испытуемого аппарата рычаг следует сбалансировать, при этом лицевая поверхность розетки должна находиться в вертикальном положении.
После подсоединения аппарата к розетке испытательной установки (как при нормальном пользовании) следует с помощью груза, расположенного на балансирующем рычаге, возвратить лицевую поверхность розетки в вертикальное положение. Приложенный крутящий момент не должен превышать 0,25 Н·м.#
Примечания. 1. Настоящее испытание аналогично испытанию, описанному в МЭК 60884-1.
2. Испытательное устройство, приведенное на
рисунке 11, предназначено для испытания устройств, сконструированных в виде сетевой вилки. Примеры сетевых вилок приведены в МЭК 60083
[1]. Для устройств, сконструированных в виде сетевой вилки, с размерами, отличными от приведенных в МЭК 60083
[1], могут быть необходимы другие испытательные устройства и дополнительные требования.
15.4.2. Устройства должны соответствовать стандартам, устанавливающим размеры сетевой вилки.
#Соответствие проверяют измерением согласно стандартам, относящимся к данным испытаниям.#
Примечание. Размеры сетевых вилок некоторых типов установлены в МЭК 60083
[1].
Для каждой конкретной вилки необходимо проверять требования соответствующих национальных стандартов.
15.4.3. Устройства должны иметь необходимую механическую прочность.
#Соответствие проверяют обследованием и испытаниями:
a) устройство подвергают испытаниям на падение.
Образец укомплектованного устройства подвергают трем ударам при падении с высоты 1 м на горизонтальную поверхность в самом неблагоприятном положении.
Горизонтальная поверхность должна быть выполнена из древесины твердых пород толщиной 13 мм, уложенной на два слоя фанеры толщиной от 19 до 20 мм, находящейся на бетонном или подобном неупругом полу.
После испытаний образец должен удовлетворять требованиям настоящего стандарта, но не обязательно должен быть пригоден к работе.#
Примечания. 1. Допускаются отломанные маленькие кусочки образца при условии, что это не повлияет на защиту от поражения электрическим током.
2. Появление к концу испытаний повреждения штырей и небольших зазубрин не принимают во внимание, если они не приводят к уменьшению зазоров или путей утечки, установленных в
разделе 13;
#b) штыри не должны прокручиваться при приложении крутящего момента, равного 0,4 Н·м, сначала в течение 1 мин в одном направлении, а затем в противоположном направлении также в течение 1 мин.#
Примечание 3. Данное испытание проводят, если вращение не вызывает нарушения требований безопасности, установленных настоящим стандартом;
#c) к каждому штырю прилагают силу натяжения, приведенную в таблице 17, в направлении продолжения оси штыря в течение 1 мин.
Силу натяжения прилагают к устройству, помещенному в камеру тепла температурой (70 +/- 2) °C после 1 ч пребывания устройства в камере тепла.
После испытаний устройство охлаждают до окружающей температуры. Не должно быть смещения штыря в теле устройства более чем на 1 мм.#
Таблица 17
Сила натяжения штырей
┌───────────────────────────────────────┬───────────────┬─────────────────┐
│ Классификация вилок │ Число полюсов │Сила натяжения, Н│
├───────────────────────────────────────┼───────────────┼─────────────────┤
│ До 10 А включ.; 130/250 В │ 2 │ 40 │
│ │ 3 │ 50 │
│ Св. 10 " 16 А включ.; 130/250 В │ 2 │ 50 │
│ │ 3 │ 54 │
│ " 10 " 16 А включ.; 440 В │ 3 │ 54 │
│ │ Более 3 │ 70 │
└───────────────────────────────────────┴───────────────┴─────────────────┘
#При этих испытаниях контакты защитного заземления независимо от их числа считают как один полюс.
16. НАРУЖНЫЕ ГИБКИЕ ШНУРЫ
16.1. Гибкие сетевые шнуры должны иметь защитную оболочку и удовлетворять требованиям МЭК 60227 для поливинилхлоридных (ПВХ) шнуров или требованиям МЭК 60245 для шнуров из синтетической резины.
Примечание 1. В Австралии и Новой Зеландии для наружных гибких шнуров применяют специальные национальные требования.
#Соответствие проверяют испытанием гибких сетевых шнуров согласно МЭК 60227 или МЭК 60245.#
Несъемные гибкие кабели и шнуры аппаратуры класса I должны быть оснащены проводом с зелено-желтой изоляцией, соединенным с клеммой защитного заземления аппарата и контактом защитного заземления вилки, при ее наличии.
#Соответствие проверяют обследованием.#
Примечание 2. Цветовой код гибких сетевых шнуров содержится в МЭК 60173
[4].
16.2. Провода шнуров питания должны иметь номинальные площади поперечного сечения не менее указанных в таблице 18.
Таблица 18
Номинальные площади поперечного сечения наружных
гибких шнуров
┌──────────────────────────────────────────┬──────────────────────────────┐
│
1) │ Номинальное поперечное │
│Номинальный ток потребления аппарата , А │ сечение, мм2 │
├──────────────────────────────────────────┼──────────────────────────────┤
│ До 3 включ. │ 0,52 │
│ Св. 3 " 6 включ. │ 0,75 │
│ Св. 6 " 10 включ. │ 1 │
│ " 10 " 16 включ. │ 1,5 │
├──────────────────────────────────────────┴──────────────────────────────┤
│ 1) Номинальный ток потребления включает в себя токи, которые могут│
│проходить через розетки, предназначенные для подачи сетевого питания│
│на другие аппараты. │
│ 2) Это номинальное значение поперечного сечения допускается только│
│для аппаратуры класса II и при условии, что длина шнура питания,│
│измеренная между местом ввода шнура или его защиты в аппарат и местом его│
│ввода в вилку, не превышает 2 м. │
└─────────────────────────────────────────────────────────────────────────┘
Для больших значений тока ссылки представлены в МЭК 60950 (таблица 3.B).
#Соответствие проверяют измерением.#
16.3. a) Гибкие шнуры, не удовлетворяющие требованиям
16.1, используемые для подключения других аппаратов, применяемых совместно и находящихся под опасным напряжением, должны обладать соответствующей электрической прочностью.
#Соответствие проверяют испытаниями на электрическую прочность образцов длиной приблизительно 1 м, применяя соответствующее испытательное напряжение согласно требованиям
10.3 для следующих изоляций:
- для изоляции проводника - применяя метод испытаний, представленный в МЭК 60885-1 (пункты 3.1 и 3.2);
- для дополнительной изоляции, например оплетки вокруг группы проводников, - между проводником, заключенным в оболочку, и металлической фольгой, плотно обернутой вокруг оболочки по длине не менее 100 мм.#
Примечание. Если шнур питания, изоляционные свойства которого соответствуют свойствам шнуров типов, указанных в
16.1, применяют внутри аппаратуры или используют как удлинитель кабеля, то его изоляционная оболочка должна представлять собой надежную дополнительную изоляцию согласно требованиям настоящего раздела.
b) Гибкие шнуры, не удовлетворяющие требованиям
16.1, используемые в качестве соединителей между испытуемым аппаратом и другими аппаратами, применяемыми совместно с ним, содержащие провода, находящиеся под опасным напряжением, должны выдерживать перегибы и другие механические напряжения, возможные при нормальной эксплуатации.
#Соответствие проверяют испытаниями согласно МЭК 60227-2 (пункт 3.1), за исключением случаев, когда применяют условия таблицы 19.#
Таблица 19
Масса и диаметр блока для испытаний натяжением
┌──────────────────────────────────────────┬────────────┬─────────────────┐
│Общий диаметр гибкого шнура или кабеля, мм│ Масса, кг │Диаметр блока, мм│
├──────────────────────────────────────────┼────────────┼─────────────────┤
│ До 6 включ. │ 1,0 │ 60 │
│ Св. 6 " 12 включ. │ 1,5 │ 120 │
│ " 12 " 20 включ. │ 2,0 │ 180 │
└──────────────────────────────────────────┴────────────┴─────────────────┘
#Несущее устройство совершает движение назад и вперед 15000 раз (30000 перемещений).
Напряжение между проводниками U - согласно
10.3.
После этого испытания образец должен выдержать испытание на электрическую прочность согласно
10.3.#
16.4. Провода гибких шнуров, используемых для соединения одного аппарата с другим, работающим совместно с ним, должны иметь такую площадь поперечного сечения, чтобы повышение температуры изоляции как в нормальных условиях работы, так и при наличии неисправности было ничтожно мало.
#Соответствие проверяют обследованием. В случае сомнения измеряют превышение температуры при нормальных условиях работы и при неисправностях. Превышение температуры не должно быть более указанного в
таблице 3.#
16.5. Наружные гибкие шнуры, содержащие один или более проводник под опасным напряжением, необходимо присоединять к аппарату таким образом, чтобы места соединения проводов не подвергались натяжению, наружное покрытие - повреждению, а провод - перекручиванию.
Кроме того, конструкцией должно быть предусмотрено исключение возможности проталкивания наружного шнура внутрь аппарата в месте его ввода, если это может повлиять на степень безопасности аппарата и нарушить требования настоящего стандарта.
Способы предотвращения натяжения и перекручивания проводов должны быть очевидны.
Не разрешается пользоваться такими приемами, как завязывание шнура на узел или перевязывание шнура веревкой.
Устройства, предназначенные для предотвращения натяжения и перекручивания проводов, должны быть изготовлены из изоляционного материала либо иметь стойкое покрытие из изоляционного материала, но не из натуральной резины, на случай, если в результате повреждения изоляции шнура или провода могут оказаться под опасным напряжением доступные проводящие части.
В аппаратуре класса I размещение присоединительных клемм и длина выводов гибкого присоединительного сетевого шнура между приспособлением, препятствующим натяжению жил, и этими клеммами должны быть такими, чтобы в случае высвобождения шнура из этого приспособления и его обрыва последней оборвалась клемма защитного заземления.
#Соответствие проверяют осмотром и следующими испытаниями.
Испытания проводят на гибких шнурах, присоединенных к аппаратам.
Гибкий шнур соединяют с аппаратом, при этом используют устройство для предотвращения натяжения и перекручивания жил. Жилы вводят в клеммы, а клеммные винты (при наличии) слегка затягивают для того, чтобы провода не могли легко изменить своего положения.
После того как подготовка закончена, продвижение шнура дальше внутрь аппарата должно быть исключено, в противном случае оно не должно вызывать никакой опасности.
На натянутом шнуре в месте его ввода в отверстие делают пометку, после чего гибкий шнур подвергают 100-кратному натяжению с силой 40 Н, каждое длительностью 1 с. Натяжение не допускается проводить рывками.
Сразу же после этого к шнуру в течение 1 мин прикладывают крутящий момент 0,25 Н·м.
Во время испытаний шнур не должен смещаться более чем на 2 мм. Это измерение проводят, когда шнур натянут. Концы проводов не должны быть заметно смещены, а гибкий шнур не должен иметь повреждений, причиненных устройством для предотвращения натяжения и перекручивания.#
16.6. Конструкцией входного отверстия для наружных гибких шнуров, указанных в
16.5, должно быть предусмотрено, чтобы при введении или перемещении шнура не происходило его повреждения.
Примечание. Это может быть достигнуто, например, путем закругления кромки входного отверстия или использования соответствующей втулки из изоляционного материала.
#Соответствие проверяют обследованием и установкой гибких шнуров.#
16.7. Передвижные аппараты, такие как музыкальные инструменты и работающие совместно с ними усилители, должны иметь приборные соединители согласно МЭК 60320-1 для подключения к сети с помощью съемного шнура или должны иметь приспособление для укладки этого шнура (например, отсек, или скобы, или другие приспособления), когда его не используют.
#Соответствие проверяют обследованием.#
17. ЭЛЕКТРИЧЕСКИЕ СОЕДИНЕНИЯ И МЕХАНИЧЕСКИЕ КРЕПЛЕНИЯ
17.1. Винтовые клеммы, обеспечивающие электрический контакт и фиксирующие винты, которые при эксплуатации аппарата многократно отвинчивают и завинчивают, должны обладать механической прочностью.
Винты, обеспечивающие прижим контактов, и винты диаметром менее 3 мм, составляющие часть вышеуказанных винтовых креплений, необходимо ввинчивать в металлическую гайку или металлическую вставку.
Однако винты диаметром менее 3 мм, которые не обеспечивают прижим контактов, допускается не ввинчивать в металл при условии, что винтовые крепления выдерживают крутящий момент, указанный в
таблице 20 для винтов диаметром 3 мм.
К винтовым креплениям, которые в течение срока эксплуатации аппарата ослабляют и завинчивают несколько раз, относят винтовые клеммы, винты для закрепления крышек (поскольку они должны ослабляться при открывании аппарата), винты для крепления ручек, кнопок и т.п.
#Соответствие проверяют следующим испытанием.
Винты ослабляют, а затем завинчивают и затягивают крутящим моментом согласно
таблице 20:
- винты, завинчиваемые в резьбу в металле, подвергают испытанию 5 раз;
- винты, завинчиваемые в дерево, материал на древесной основе или в резьбу в изоляционном материале, подвергают испытанию 10 раз.
В последнем случае винты следует вывинчивать полностью, а затем каждый раз завинчивать снова.
Винты не допускается завинчивать рывками.
После этих испытаний безопасность аппарата должна соответствовать требованиям настоящего стандарта.
Материал, в который проводилось ввинчивание, проверяют обследованием.#
Таблица 20
Крутящий момент, воздействующий на винты
┌───────────────────────────────────┬─────────────────────────────────────┐
│ Номинальный диаметр винта, мм │ Крутящий момент, Н·м │
│ ├────────────┬────────────┬───────────┤
│ │ I │ II │ III │
├───────────────────────────────────┼────────────┼────────────┼───────────┤
│ До 2,8 включ. │ 0,2 │ 0,4 │ 0,4 │
│ Св. 2,8 " 3,0 включ. │ 0,25 │ 0,5 │ 0,5 │
│ " 3,0 " 3,2 включ. │ 0,3 │ 0,6 │ 0,6 │
│ " 3,2 " 3,6 включ. │ 0,4 │ 0,8 │ 0,6 │
│ " 3,6 " 4,1 включ. │ 0,7 │ 1,2 │ 0,6 │
│ " 4,1 " 4,7 включ. │ 0,8 │ 1,8 │ 0,9 │
│ " 4,7 " 5,3 включ. │ 0,8 │ 2,0 │ 1,0 │
│ " 5,3 " 6,0 включ. │ - │ 2,5 │ 1,25 │
└───────────────────────────────────┴────────────┴────────────┴───────────┘
#Испытание проводят с помощью соответствующей отвертки, гаечного или иного ключа, воздействующего с крутящим моментом, указанным в
таблице 20:
- для металлических винтов без головок, если винты при затягивании не выходят из отверстия, - I;
- для других металлических винтов и для гаек - II;
- для винтов из изолирующих материалов, имеющих шестиугольную головку размером, превышающим диаметр резьбы, цилиндрическую головку с углублениями не менее 0,83 раза общего диаметра резьбы, или головку с прорезом или крестовым прорезом, превышающим в 1,5 раза общий диаметр резьбы, - II;
- для других типов винтов из изолирующих материалов - III.#
17.2. Если при эксплуатации аппарата предусмотрена необходимость многократного ослабления и затяжки какого-либо винта, а надежность этого соединения обеспечивает выполнение требований по безопасности настоящего стандарта, необходимо применять дополнительные меры, позволяющие безошибочно вводить болт или винт в резьбу, нарезанную в неметаллическом материале.
#Соответствие проверяют обследованием и испытанием вручную.#
Примечание. Требование считают выполненным, если исключен перекос при введении винта, например путем снятия части резьбы на винте или гайке.
17.3. Винты и другие крепежные элементы, предназначенные для задних и нижних крышек и т.п., не должны выпадать после отвинчивания, чтобы их нельзя было заменить при ремонте на винты и крепежные элементы других типов, применение которых может привести к уменьшению значений путей утечки и зазоров между доступными проводящими частями и частями, находящимися под опасным напряжением, ниже значений, указанных в
разделе 13.
Если при замене винта другим винтом, длина которого равна его 10-кратному номинальному диаметру, значения путей утечки и зазоров будут соответствовать значениям, указанным в
разделе 13, то выполнение этого требования необязательно.
#Соответствие проверяют обследованием и измерением.#
17.4. Токопроводящие детали, которые постоянно соединены между собой и через которые протекает ток более 0,2 А, должны быть скреплены таким образом, чтобы была исключена возможность ослабления соединения.
#Соответствие проверяют обследованием и испытанием вручную.#
Примечания. 1. Заливка компаундом обеспечивает достаточную фиксацию только тех винтовых соединений, которые не подвергают действию крутящего момента.
2. Если крепление состоит более чем из одного винта или заклепки, то только одно из этих средств должно быть зафиксировано.
3. Заклепка неправильной формы или соответствующий паз может в достаточной мере предотвратить взаимное перемещение соединенных частей.
17.5. Электрические соединения в цепях, в которых протекает ток более 0,2 А, при нормальных условиях должны быть такими, чтобы контактное давление не передавалось через изоляционный материал (это не относится к керамике), за исключением тех случаев, когда металлические детали не обладают достаточной эластичностью, которая может компенсировать любую возможную усадочную деформацию изоляционного материала.
#Соответствие проверяют обследованием.#
17.6. Жилы многожильных проводов гибких шнуров питания, присоединяемых к винтовым клеммам, не должны быть скреплены пайкой свинцово-оловянным припоем, если они подвержены контактному давлению, за исключением случаев, когда конструкция крепления не допускает возможности плохого контакта, обусловленного холодной пайкой.
#Соответствие проверяют обследованием.#
17.7. Устройства для крепления крышек, неоднократно используемые во время эксплуатации аппарата, должны обладать достаточной механической прочностью, если при их неисправности может быть нарушена безопасность аппарата.
Открытые и закрытые положения устройства не должны иметь неопределенности и должно быть исключено случайное открытие аппарата.
#Соответствие проверяют обследованием, проверкой работы запирающего устройства и проведением одного из следующих испытаний:
- в запирающих устройствах, работа которых основана на сочетании поступательного и вращательного движений, измеряют крутящий момент и силу, необходимые для открытия и закрытия устройства. Затем устройство, находящееся в положении "закрыто", в направлении закрывания подвергают воздействию крутящего момента или силы вдвое больше, чем это необходимо, чтобы устройство закрыть (минимальные значения крутящего момента или силы составляют 1 Н·м или 10 Н соответственно), если это устройство нельзя открыть меньшим крутящим моментом или силой, приложенной в том же направлении.
Эту операцию повторяют 10 раз.
Крутящий момент или сила, необходимая для открытия устройства, должен(на) быть не менее 0,1 Н·м или 1 Н соответственно;
- при креплении крышек с помощью зажимов крышку десять раз снимают и ставят на место принятым способом.
После этих испытаний крышка должна выдержать проверку с помощью испытательного крюка и жесткого испытательного пальца согласно
9.1.7, перечисления a) и
b).#
17.8. Съемные ножки или подставки, поставляемые изготовителем аппарата, должны быть снабжены комплектом крепежных элементов, за исключением случаев, когда их поставляют в сборе с аппаратом.
#Соответствие проверяют обследованием.#
17.9. Конструкцией внутренних соединений вилки должно быть предусмотрено исключение непреднамеренного разъединения, если это может привести к нарушению требований по безопасности аппарата.
#Соответствие проверяют обследованием и, в случае сомнения, - испытанием путем приложения силы, равной 2 Н, в любом направлении соединения.#
Примечание. Для других внутренних соединений см.
8.11.
18. МЕХАНИЧЕСКАЯ ПРОЧНОСТЬ КИНЕСКОПА И ЗАЩИТА
ОТ ПОСЛЕДСТВИЙ ВЗРЫВА
Кинескоп должен соответствовать требованиям 18.1. В качестве альтернативы для взрывозащищенных кинескопов изготовитель может выбрать испытания по МЭК 61965.
18.1. Кинескоп телевизионного приемника с экраном размерами по диагонали более 16 см должен быть взрывозащищенным без дополнительной защиты; в противном случае телевизионный приемник должен иметь надежную защиту от последствий взрыва кинескопа.
Все края защитной пленки, нанесенной на экран кинескопа для обеспечения защиты от взрыва, должны быть покрыты корпусом аппарата.
Взрывонезащищенный кинескоп должен быть оснащен экраном, который не может быть снят вручную. Если используют отдельный экран из стекла, то он не должен соприкасаться с поверхностью кинескопа.
#Соответствие проверяют осмотром, измерениями и с помощью следующих испытаний:
- согласно 18.2 - для взрывозащищенных кинескопов, включая кинескопы со встроенными защищенными экранами;
- согласно
18.3 - для аппаратов, имеющих взрывонезащищенные кинескопы.#
Примечания. 1. Кинескопы считают взрывозащищенными с точки зрения последствий взрыва, если при его правильной установке в корпусе аппарата не требуется дополнительная защита.
2. Для обеспечения испытаний изготовитель кинескопов может указать критическое место на испытуемом кинескопе.
18.2. Взрывозащищенные кинескопы, включая кинескопы со встроенными защитными экранами
#Каждое из испытаний согласно
18.2.2 и
18.2.3 проводят на шести кинескопах, три из которых испытывают сразу по получении, а другие - после того, как они были подвергнуты искусственному старению согласно
18.2.1.
Не допускается выход из строя ни одного образца.
Для проведения испытаний согласно
18.2.2 и
18.2.3 кинескопы устанавливают в испытательный футляр, который размещают на горизонтальной подставке на высоте (75 +/- 5) см от пола.
Следует предусмотреть, чтобы во время испытаний футляр не скользил по подставке.#
Примечание. Ниже приведено в качестве примера описание испытательного футляра:
- футляр изготавливают из фанеры толщиной около 12 мм (для кинескопов с экраном размером по диагонали не более 50 см) и толщиной 19 мм для кинескопов с экраном большего размера;
- внешние размеры футляра приблизительно на 25% больше габаритных размеров кинескопа;
- на передней панели футляра имеется окно, которое плотно охватывает кинескоп при его установке. Задняя стенка с отверстием диаметром 5 см присоединена к деревянному упору высотой 25 мм, который прикреплен к подставке и исключает скольжение футляра.
18.2.1. Искусственное старение
#Искусственное старение проводят в режиме, указанном ниже:
24 ч при (25 +/- 2) °C и от 90% до 95% относительной влажности,
24 ч при (45 +/- 2) °C и от 75% до 80% относительной влажности,
24 ч при (25 +/- 2) °C и от 90% до 95% относительной влажности;
b) смена температуры в два цикла, каждый из которых включает в себя:
1 ч при (плюс 20 +/- 2) °C,
1 ч при (минус 25 +/- 2) °C,
1 ч при (плюс 20 +/- 2) °C,
1 ч при (плюс 50 +/- 2) °C.#
Примечание. Смена температур не ставит своей целью усиление термических напряжений на кинескопе и может быть осуществлена при использовании одной или двух камер;
18.2.2. Испытание термоударом
#На боковую или переднюю поверхность каждого кинескопа алмазным стеклорезом наносят сетку царапин
(рисунок 12). Затем это место несколько раз охлаждают жидким азотом или веществом, ему подобным, до образования трещин. Для предотвращения стекания охлаждающей жидкости испытуемое место ограждают барьером из пластилина или подобного материала.
После данного испытания ни один осколок стекла массой более 2 г не должен вылететь за пределы барьера высотой 25 см, установленного на полу на расстоянии 50 см от проекции на пол лицевой панели кинескопа; ни один осколок стекла не должен вылететь за пределы аналогичного барьера, удаленного на расстояние 200 см.#
18.2.3. Испытание на механическую прочность
#Каждый кинескоп подвергают испытанию ударом шаром (диаметром

мм) из закаленной стали (твердостью, по крайней мере, P62), подвешенным на шнуре в фиксированной точке.
Шар отводят при натянутом шнуре и затем позволяют ему падать на любое место кинескопа с такой высоты, чтобы расстояние по вертикали между шаром и точкой удара составляло:
- 210 см - для кинескопов с экраном размером по диагонали свыше 40 см;
- 170 см - для остальных кинескопов.
Удар по лицевой поверхности экрана должен быть нанесен в точку, удаленную от краев экрана не менее чем на 20 мм.
После данного испытания ни один осколок стекла массой более 10 г не должен вылететь за пределы барьера высотой 25 см, установленного на полу на расстоянии 150 см от проекции на пол лицевой панели кинескопа.#
18.3. Взрывонезащищенные кинескопы
#Аппарат с установленным кинескопом и защитным экраном размещают на горизонтальной подставке на высоте (75 +/- 5) см от пола или непосредственно на полу, если аппарат предназначен для работы на полу.
Кинескоп взрывают внутри корпуса аппарата методом термоудара, описанным в
18.2.2.
После данного испытания ни один осколок стекла массой более 2 г не должен вылететь за пределы барьера высотой 25 см, установленного на полу на расстоянии 50 см от проекции на пол лицевой панели кинескопа; ни один осколок стекла не должен вылететь за пределы аналогичного барьера, удаленного на расстояние 200 см.#
19. УСТОЙЧИВОСТЬ И МЕХАНИЧЕСКИЕ ОПАСНОСТИ
Аппарат массой 7 кг или более должен обладать достаточной механической устойчивостью. Кроме того, устойчивость должна быть обеспечена при установке аппарата на ножки, тележку или подставку, поставляемые или рекомендуемые изготовителем для монтажа.
#Соответствие проверяют испытаниями по
19.1 -
19.3.#
Аппарат, предназначенный для крепления на месте, не подвергают данным испытаниям. Испытание по
19.3 проводят только для аппаратуры:
- массой не менее 25 кг, или
- высотой не менее 1 м (кроме акустических систем), или
- в комбинации с поставляемой или рекомендуемой тележкой или подставкой общей высотой не менее 1 м (кроме акустических систем).
#Во время этих испытаний аппарат не должен опрокинуться.#
19.1. #Аппарат или аппарат в комбинации с поставляемой или рекомендуемой тележкой или подставкой помещают в обычное рабочее положение на плоскости, имеющей наклон под углом 10° к горизонтальной поверхности, и медленно вращают вокруг своей вертикальной оси на 360°.
Все двери, выдвижные ящики, регулируемые ножки и другие составные части устанавливают в любые положения, уменьшающие устойчивость. Аппарат или аппарат в комбинации с поставляемой или рекомендуемой тележкой, или подставкой блокируют, если это необходимо, стопором с минимально возможными размерами во избежание соскальзывания или скатывания.
Однако если при наклоне на угол 10° по отношению к горизонтальной плоскости аппарата или аппарата в комбинации с поставляемой или рекомендуемой тележкой или подставкой часть его, которая в нормальном положении не имеет контакта с поддерживающей поверхностью, коснется горизонтальной плоскости, то аппарат помещают на горизонтальную подставку и после этого отклоняют на угол 10° в наиболее неблагоприятном направлении.#
Примечание. Испытание на горизонтальной подставке может быть необходимым для аппаратов, оснащенных маленькими ножками, рамками и т.п.
19.2. #Аппарат или аппарат в комбинации с поставляемой или рекомендуемой тележкой или подставкой помещают на нескользкую поверхность, наклоненную под углом не более 1° относительно горизонтали, при этом крышки, створки, ящики и дверцы должны находиться в наиболее неблагоприятном положении.
В любой точке горизонтальной поверхности, выступа или углубления прилагают силу 100 Н, направленную вертикально вниз таким образом, чтобы получить максимальный опрокидывающий момент при условии, что расстояние от этой точки до поверхности пола не превышает 75 см.#
19.3. #Аппарат или аппарат в комбинации с поставляемой или рекомендуемой тележкой или подставкой помещают на нескользкую поверхность. Все дверцы, выдвижные части, колесики, регулируемые ножки и другие подвижные части устанавливают в любые наиболее неблагоприятные для устойчивости положения.
Аппарат или аппарат в комбинации с поставляемой или рекомендуемой тележкой или подставкой при необходимости блокируют на месте с помощью стопоров с минимально возможными размерами для предотвращения соскальзывания или скатывания.
С внешней стороны прилагают в горизонтальном направлении силу, составляющую 13% массы аппарата или 100 Н в зависимости от того, что меньше, в точке, уменьшающей устойчивость аппарата, но не выше 1,5 м от уровня пола.
Если аппарат или аппарат в комбинации с поставляемой или рекомендуемой тележкой или подставкой становится неустойчивым, то он не должен опрокидываться при углах наклона от вертикали до 15°.#
19.4. Острые кромки или углы, кроме тех, которые необходимы для нормального функционирования аппарата, должны быть сглажены (без резких разрывов), так как в противном случае они могут представлять собой опасность для пользователя при размещении или применении аппарата.
#Соответствие проверяют обследованием.#
19.5. Стекла, за исключением стекол кинескопов, с площадью поверхности, превышающей 0,1 м2, или с наибольшим размером, превышающим 450 мм, не должны разбиваться так, чтобы это могло привести к травме кожи.
#Соответствие проверяют испытанием по
12.1.3 с использованием только ударного молотка.
Если при этом стекло разбивается или трескается, проводят дополнительные испытания по 19.5.1 на отдельном образце.#
19.5.1. Испытания стекла на разбивание на осколки
#Образец стекла, поддерживаемый по всей его поверхности, располагают так, чтобы частицы стекла при его разбивании на осколки не были разбросаны. Затем испытуемый образец разбивают ударом в точку, отстоящую примерно на 15 мм от центральной точки его большой стороны. После 5 мин дробления без использования каких-либо оптических средств, кроме очков, при необходимости, подсчитывают частицы стекла, попавшие в квадрат со стороной 50 мм, расположенный в центре зоны самой грубой ломки, за исключением любой зоны, находящейся в 15 мм от любого края или отверстия испытуемого стекла.
Испытуемый образец должен быть раздроблен таким образом, чтобы число сосчитанных осколков в квадрате со стороной 5 мм было не менее 45.#
Примечание. Подходящий метод подсчета частиц, расположенных в квадрате со стороной 50 мм, - метод, при котором помечают чернилами на прозрачном материале место каждой частицы в квадрате, где необходимо провести подсчет. Чтобы сосчитать частицы на сторонах квадрата, выбирают любые две смежные стороны квадрата, считают все частицы, пересекаемые ими, и исключают все другие пересекаемые частицы.
19.6. Аппаратура, устанавливаемая на стене или потолке
Средства для монтажа аппаратуры на стене или потолке должны быть достаточными для выполнения своей функции.
#Соответствие проверяют осмотром конструкции и анализом предоставленных данных или, при необходимости, следующими испытаниями.
Аппарат устанавливают в соответствии с указаниями изготовителя и подвергают воздействию силы, направленной вниз, в геометрическом центре аппарата в течение 1 мин. Сила должна в три раза превышать массу аппарата, но быть не менее 50 Н. Аппарат и связанные с ним средства для установки должны оставаться безопасными во время испытаний.#
Конструкцией аппарата должна быть предусмотрена возможность предотвратить возникновение и распространение огня и исключить опасность выхода огня за его пределы.
Это достигается использованием:
- хорошей инженерной практики в проектировании и производстве аппаратуры, чтобы избежать потенциальных источников воспламенения;
- огнестойких материалов вблизи потенциальных источников воспламенения;
- противопожарных кожухов, чтобы ограничить распространение огня.
Требования считают выполненными, если аппаратура удовлетворяет требованиям
20.1 и
20.2.
Примечания. 1. В целях минимального загрязнения окружающей среды рекомендуется ограничить применение, насколько это возможно, неблагоприятных материалов, используемых для замедления распространения огня.
2. В Австралии и Новой Зеландии применяют специальные условия, которые включают в себя испытания, основанные на согласовании подхода МЭК 60695
[11], к испытаниям раскаленной проволокой, игольчатым пламенем, заключительным испытаниям и испытаниям конечной продукции.
20.1. Электрические компоненты и механические части
Электрические компоненты и механические части, за исключением тех, которые приведены в перечислениях a) и b), должны удовлетворять требованиям
20.1.1 -
20.1.4.
a) Компоненты, заключенные в кожух категорией огнестойкости V-0 согласно МЭК 60695-11-10, имеющий отверстия только для соединительных проводов, которые полностью заполняют эти отверстия, а также отверстия для вентиляции шириной не более 1 мм независимо от их длины.
b) Следующие части, которые могут представлять собой незначительную добавку горючего материала при воспламенении:
- мелкие механические части, масса которых не превышает 4 г, такие как опорные части, приводы, шестерни, кулачки, приводные ремни, подшипники;
- мелкие электрические компоненты, такие как конденсаторы объемом, не превышающим 1750 мм3, интегральные схемы, транзисторы и корпусы оптопар, если эти компоненты установлены на материал категорией огнестойкости V-1 или более высокой согласно МЭК 60695-11-10.
Примечания. 1. Соединители рассматривают как компоненты.
2. При решении вопросов о том, каким образом достичь наименьшего распространения огня и какие детали относятся к "мелким", необходимо учитывать совокупное влияние мелких деталей, примыкающих друг к другу, и возможность распространения огня от одной детали к другой.
20.1.1. Электрические компоненты
Электрические компоненты должны удовлетворять соответствующим требованиям по огнестойкости
раздела 14.
В тех случаях, когда требования по огнестойкости
раздела 14 не подходят, применяют требования
20.1.4.
20.1.2. Внутренняя проводка
Изоляция проводов не должна способствовать распространению огня в следующих условиях:
a) проводка, работающая под напряжением, превышающим 4 кВ (пиковое значение) переменного тока или постоянного тока;
b) проводка, выходящая из внутреннего противопожарного кожуха, за исключением изоляции, состоящей из определенных типов полихлорвинила, тетрафторэтилена, фторированного этиленпропилена или неопрена (ПВХ, ТФЭ, ФЭП).
Примечание. Обозначение и краткие характеристики указанных материалов приведены в ИСО 1043-1
[21].
#Соответствие проверяют испытаниями по
G.3 (Приложение G).#
Категория огнестойкости материала основания печатных плат, имеющих мощность на согласованной нагрузке более 15 Вт, работающих в нормальных рабочих условиях с напряжением более 50 В и не более 400 В (пиковое значение) переменного или постоянного тока, должна быть V-1 или более высокая согласно МЭК 60707, за исключением тех печатных плат, которые защищены кожухом, удовлетворяющим требованиям огнестойкости категории V-0 согласно МЭК 60707 или изготовленным из металла с отверстиями только для соединяющих проводов, которые целиком заполняют отверстия.
Категория огнестойкости материала основания печатных плат, имеющих мощность на согласованной нагрузке более 15 Вт, работающих в нормальных рабочих условиях с напряжением более 400 В (пиковое значение) переменного или постоянного тока, и материала основания печатных плат, несущих искровые разрядники, обеспечивающие защиту от перенапряжений, должна быть V-0 согласно МЭК 60707, за исключением тех печатных плат, которые заключены в металлический кожух с отверстиями только для соединяющих проводов, которые целиком заполняют эти отверстия.
#Соответствие проверяют для печатных плат, имеющих минимальную толщину, согласно требованиям МЭК 60707 или
G.1 (Приложение G) после предварительной 24-часовой выдержки в камере с циркуляцией воздуха, а затем 4-часового охлаждения до комнатной температуры в сушильной камере, содержащей безводный хлорид кальция.#
20.1.4. Компоненты и части, на которые не распространяются требования
20.1.1 -
20.1.3
Данный пункт не распространяется на противопожарные кожухи.
Если расстояние между потенциальными источниками воспламенения и компонентами или частями, перечисленными в заголовке, не превышают установленного в
таблице 21, эти компоненты и части должны удовлетворять соответствующей категории огнестойкости согласно МЭК 60707, как определено в
таблице 21, за исключением случаев, когда установлена защищающая от потенциального источника воспламенения перегородка, изготовленная из металла или удовлетворяющая требованиям огнестойкости согласно
таблице 21. Перегородка должна быть сплошной, жесткой и иметь размеры, по крайней мере позволяющие закрывать зоны, установленные в
таблице 21 и показанные на
рисунке 13. Размеры неметаллической перегородки должны быть достаточными для того, чтобы предотвратить воспламенение ее кромок и кромок отверстий в перегородке.
#Соответствие проверяют обследованием, измерением и испытанием по
G.3 (Приложение G).#
Печатные платы, несущие потенциальные источники воспламенения, не рассматривают как защищающую перегородку, удовлетворяющую требованиям настоящего пункта.
На потенциальные источники воспламенения, имеющиеся внутри электрических компонентов, настоящие требования не распространяются.
Таблица 21
Расстояния от потенциальных источников воспламенения
и соответствующие категории огнестойкости
┌─────────────────┬───────────────────────────────────────────────────────┐
│ Напряжение │Для аппаратуры, имеющей напряжение, не превышающее 4 кВ│
│ разомкнутой ├────────────┬─────────────┬────────────┬───────────────┤
│ цепи │Минимальное │ Категория │Минимальное │ Категория │
│ потенциального │расстояние │огнестойкости│расстояние │ огнестойкости │
│ источника │от потенци- │ компонентов │от потенци- │неметаллической│
│ воспламенения │ального │ или частей │ального │ перегородки │
│ │источника │по МЭК 60707 │источника │ │
│ │воспламе- │ в случае, │воспламе- │ │
│ │нения до │ когда │нения до │ │
│ │компонен- │ расстояние │неметалли- │ │
│ │тов или │ меньше │ческой │ │
│ │частей (см. │ минимально │перегородки,│ │
│ │мм │ расстояния, │ │ │
│ ├─────┬──────┤ указанного │ │ │
│ │Внизу│Вверху│в предыдущей │ │ │
│ │или │ │ графе │ │ │
│ │сбоку│ │ │ │ │
├─────────────────┼─────┼──────┼─────────────┼────────────┼───────────────┤
│ > 50 до <= 400 В│ 13 │ 50 │ НВ75 │Не требуется│Не требуется │
│(пиковое значе- │ │ │ │ │ │
│ние) переменного │ │ │ │ │ │
│или постоянного │ │ │ │ │ │
│тока │ │ │ │ │ │
├─────────────────┼─────┼──────┼─────────────┼────────────┼───────────────┤
│> 400 до <= 4000 │ 13 │ 50 │ V-1 │ 5 │ V-1 │
│В (пиковое значе-│ │ │ │ │ │
│ние) переменного │ │ │ │ │ │
│или постоянного │ │ │ │ │ │
│тока │ │ │ │ │ │
├─────────────────┼─────┴──────┴─────────────┴────────────┴───────────────┤
│> 4000 В (пиковое│ - │
│значение) пере- │ │
│менного или │ │
│постоянного тока │ │
└─────────────────┴───────────────────────────────────────────────────────┘
Продолжение таблицы 21
┌─────────────────┬───────────────────────────────────────────────────────┐
│ Напряжение │ Для аппаратуры, имеющей напряжение, превышающее 4 кВ │
│ разомкнутой ├────────────┬─────────────┬────────────┬───────────────┤
│ цепи │Минимальное │ Категория │Минимальное │ Категория │
│ потенциального │расстояние │огнестойкости│расстояние │ огнестойкости │
│ источника │от потенци- │ компонентов │от потенци- │неметаллической│
│ воспламенения │ального │ или частей │ального │ перегородки │
│ │источника │по МЭК 60707 │источника │ │
│ │воспламе- │ в случае, │воспламе- │ │
│ │нения до │ когда │нения до │ │
│ │компонен- │ расстояние │неметалли- │ │
│ │тов или │ меньше │ческой │ │
│ │частей (см. │ минимально │перегородки,│ │
│ │ мм │ расстояния, │ │ │
│ ├─────┬──────┤ указанного │ │ │
│ │Внизу│Вверху│в предыдущей │ │ │
│ │или │ │ графе │ │ │
│ │сбоку│ │ │ │ │
├─────────────────┼─────┼──────┼─────────────┼────────────┼───────────────┤
│ > 50 до <= 400 В│ 13 │ 50 │ V-1 │ 5 │ V-1 │
│(пиковое значе- │ │ │ │ │ │
│ние) переменного │ │ │ │ │ │
│или постоянного │ │ │ │ │ │
│тока │ │ │ │ │ │
├─────────────────┼─────┼──────┼─────────────┼────────────┼───────────────┤
│> 400 до <= 4000 │ 20 │ 50 │ V-1 │ 5 │ V-0 │
│В (пиковое значе-│ │ │ │ │ │
│ние) переменного │ │ │ │ │ │
│или постоянного │ │ │ │ │ │
│тока │ │ │ │ │ │
├─────────────────┼─────┴──────┴─────────────┴────────────┴───────────────┤
│> 4000 В (пиковое│ См.
20.2 │
│значение) пере- │ │
│менного или │ │
│постоянного тока │ │
└─────────────────┴───────────────────────────────────────────────────────┘
Дерево и материалы на древесной основе толщиной не менее 6 мм рассматривают как соответствующие требованиям огнестойкости категории V-1 настоящего пункта.
Для аппаратуры, напряжения которой превышают 4 кВ при нормальных условиях эксплуатации и защита которой основана на выдерживании расстояний, установленных в
таблице 21, материал внешнего кожуха должен отвечать требованиям огнестойкости категории НВ40 или более высокой в соответствии с требованиями МЭК 60707. Однако если части или участки внешнего кожуха аппарата защищены перегородками или внутренним противопожарным кожухом, то никакие требования по огнестойкости к ним не применяют.
#Соответствие проверяют по МЭК 60707 или
G.1 (Приложение G) для наименьшей используемой толщины.#
20.2. Противопожарный кожух
20.2.1. Потенциальные источники воспламенения с напряжением разомкнутой цепи, превышающим 4 кВ (пиковое значение) переменного тока или постоянного тока в нормальных рабочих условиях, должны быть помещены в противопожарный кожух, который должен соответствовать требованиям по огнестойкости категории V-1 или более высокой согласно МЭК 60707.
Противопожарный кожух не требуется, если:
- напряжение разомкнутой цепи потенциального источника воспламенения ограничено < 4 кВ посредством электронной защитной цепи;
- напряжение разомкнутой цепи потенциального источника воспламенения не превышает 4 кВ при неисправности, такой как обрыв или замыкание.
#Напряжение измеряют в месте с наименьшим зазором между частями, замкнутыми или оборванными при неисправности, через который может начаться образование электрической дуги.#
Дерево и материалы на древесной основе толщиной не менее 6 мм рассматривают как соответствующие требованиям огнестойкости категории V-1 настоящего пункта.
#Соответствие проверяют по МЭК 60707 или
G.1 (Приложение G) для наименьшей используемой толщины.#
20.2.2. Внутренние противопожарные кожухи не должны иметь отверстий для вентиляции, превышающих 1 мм независимо от длины.
Отверстия для соединяющих проводов должны быть целиком заполнены проводами.
#Соответствие проверяют обследованием и измерением.#
20.2.3. Если внутренние противопожарные кожухи удовлетворяют требованиям 20.2.1 и 20.2.2, то к наружным кожухам аппаратуры не применяют требования по огнестойкости и никакие пассивные требования по огнестойкости не распространяются на компоненты или части, находящиеся вне противопожарного кожуха.
Изоляцию внутренней проводки, соответствующую требованиям
20.1.2, рассматривают как составную часть внутреннего противопожарного кожуха.
#Соответствие проверяют обследованием.#
Рисунок 1. Схема испытательной цепи для условий
неисправности
1 - сеть питания; 2 - электрически разделенные доступные
проводящие части
На рисунке показан разделительный трансформатор T, где точка a опасна для жизни относительно точки b. Если конец a и b находится внутри аппарата при проверке соответствия требованиям
8.6, учитывают сумму расстояний x и y.
Рисунок 2. Пример оценки усиленной изоляции
1 - часть под опасным напряжением;
2 - корпус из изоляционного материала; 3 - испытательный палец;
4 - поверхность, считающаяся покрытой металлической фольгой;
5 - точка контакта; 6 - доступная для испытательного
пальца поверхность; 7 - недоступная для испытательного
пальца поверхность
Точка A используется для определения доступности (см.
9.1.1).
Точка B используется для измерений воздушных зазоров и путей утечки (см.
раздел 13).
Рисунок 3. Пример доступных частей
Рисунок 4. Испытательный крюк

= 1 нФ;

= 1 кОм;

= 4 МОм;

= 100 МОм;

= 0,1 МОм;

= 15 МОм
(Резистор

используют, когда испытания по
14.2 выполняют на компоненте, включающем в себя только конденсатор).
Выключатель S является критической частью цепи. Конструкцией выключателя должна быть предусмотрена возможность уменьшения потерь энергии на искрение или в случае недостаточной изоляции. Пример такого выключателя приведен на
рисунке 5b.
Испытуемый компонент X подключают к клеммам C и D. Дополнительно в схему допускается включить делитель напряжения на резисторах

и

, чтобы с помощью подключенного параллельно резистору

осциллографа наблюдать формы напряжения на испытуемом компоненте. Этот делитель напряжения скорректирован так, чтобы наблюдаемая форма волны соответствовала форме волны через испытуемый компонент.
Рисунок 5a. Испытательная цепь
1 - катушка; 2 - втягиваемый сердечник;
3 - выключатель, управляемый электродвигателем или любым
аналогичным устройством; 4 - стержень из изолирующего материала
- A и B - латунные опоры, поддерживающие дисковые электроды E, расположенные на расстоянии 15 мм;
- K - латунный шар диаметром 7 мм, закрепленный на жестком стержне из изоляционного материала длиной приблизительно 150 мм.
Желательно, чтобы было исключено отскакивание шара K.
Рисунок 5b. Пример исполнения переключателя,
используемого в схеме испытания перенапряжением
1 - металлическая рама, удерживающая штырь в вертикальном
положении (штырь свободно двигается в вертикальном направлении);
2 - металлический штырь массой 100 г;
3 - края штыря закруглены радиусом 0,5 мм;
4 - испытуемый образец; 5 - изоляционное основание;
6 - клеммы для подачи испытательного напряжения
Рисунок 6. Установка для испытаний на электрическую прочность
Рисунок 7. Испытательное напряжение
1 - начальное положение шара;
2 - положение шара в момент удара
Рисунок 8. Испытание на удар с использованием стального шара
Материал - закаленная сталь
В миллиметрах
───────┬─────┬───────┬──────┬──────┬────────┬───────┬───────┬───────┬──────
a │b min│ c │d min │e min │ f │ g │ h │ i │k min
───────┴─────┴───────┴──────┴──────┴────────┴───────┴───────┴───────┴──────

8,05

9,1 7,112 0,8 +/- 40 +/- 12 +/- 43 +/- 0,3
0,4 0,4 0,4 0,4 радиус
───────────────────────────────────────────────────────────────────────────
Сопрягаемый участок испытательного штекера в соответствии с рисунком 7 МЭК 60169-2
[3].
Рисунок 9. Испытательный штекер для механических
испытаний антенных коаксиальных соединителей
Кривую рассчитывают по формуле
где d - расстояние (при минимальном значении зазора и пути утечки, равно 0,2 мм), мм;
V - пиковое значение рабочего напряжения, В.
Рисунок 10. Минимальные зазоры и пути утечки
для печатных плат
1 - розетка; 2 - образец; 3 - груз; 4 - балансирующий рычаг
Рисунок 11. Установка для испытаний устройств,
составляющих часть сетевой вилки
Рисунок 12. Образец царапин для испытаний
на взрывоопасность (см.
18.2.2)
1 - перегородка; 2 - потенциальный источник воспламенения
Примечания. 1. В затененных областях применяют требования
20.1.4, но не охваченные
таблицей 21.
Рисунок 13. Расстояния от потенциальных источников
воспламенения и пример конструкции защитной перегородки
1 - шип
1 - крепежный элемент; 2 - изоляционный материал; 3 - шип
Рисунок 15. Начальное положение оправки
1 - шип; 2 - металлическая фольга
Примечание. Вращение оправки вокруг своей оси из начального положения в конечное положение на 230° +/- 5°.
Рисунок 16. Конечное положение оправки
1 - металлическая фольга; 2 - изоляционный материал
Примечания. 1. Рисунок 17 идентичен рисунку 6c из МЭК 61558-1.
Рисунки 15 и
16 представляют собой незначительно измененный рисунок 6b из МЭК 61558-1.
Рисунок 17. Расположение металлической фольги
на изоляционном материале
(обязательное)
ДОПОЛНИТЕЛЬНЫЕ ТРЕБОВАНИЯ К АППАРАТУРЕ, ОСНАЩЕННОЙ ЗАЩИТОЙ
ОТ БРЫЗГ
Настоящее Приложение дополняет или заменяет требования настоящего стандарта, которые применяют к аппаратуре, оснащенной защитой от брызг.
A.5. Маркировка и инструкции
<1>
#Подраздел 5.1 дополнить после перечисления i) следующим перечислением:#
A.5.1. #j) Защита от брызг#
Аппаратура, оснащенная защитой от брызг, должна иметь маркировку, по крайней мере, с указанием степени защиты IPX4 в соответствии с МЭК 60529.
#Соответствие требованию проверяют обследованием.#
A.5.4.1. a) Пункт 5.4.1, перечисление a) не применяют.
A.10. Требования к изоляции
#Внести следующие изменения в 10.2:#
A.10.2. Воздействие брызг и влаги
A.10.2.1. Воздействие брызг
Кожух должен иметь надежную защиту против брызг.
#Соответствие требованию проверяют воздействием, определяемым ниже, которое применяют к аппаратуре, оснащенной внешними гибкими шнурами, как указано в
разделе 16.
Аппаратуру подвергают испытаниям по МЭК 60529 [пункт 14.2.4, перечисление a)].
Сразу после этого испытания следует провести испытания в соответствии с
10.3. Обследование должно показать, что вода, которая может проникнуть в аппаратуру, не вызывает никаких повреждений, определяемых настоящим стандартом, в частности, не должно быть следов воды на изоляции, для которой устанавливаются пути утечки.#
A.10.2.2. Воздействие влаги
Применяют 10.2, #за исключением длительности испытаний, которую увеличивают до 7 сут (168 ч).#
--------------------------------
<1> Нумерация разделов настоящего Приложения соответствует разделам настоящего стандарта.
(обязательное)
АППАРАТУРА, ПРЕДНАЗНАЧЕННАЯ ДЛЯ ПОДКЛЮЧЕНИЯ
К ТЕЛЕКОММУНИКАЦИОННЫМ СЕТЯМ
Требования настоящего стандарта, дополненные требованиями МЭК 62151 как указано в настоящем Приложении, относятся к аппаратуре, в пределах области применения этого стандарта, предназначенной для подключения к телекоммуникационным сетям.
Примечания. 1. В странах, перечисленных в МЭК 62151, применяют свои национальные условия.
2. Необходимо обратить внимание на то, что администрация электросвязи может устанавливать дополнительные требования на аппаратуру, которая должна быть подключена к телекоммуникационным сетям. Эти требования, как правило, касаются защиты сетей так же, как и пользователей аппаратуры.
Применяют требования МЭК 62151 (разделы 1 и 2).
Применяют требования МЭК 62151 (раздел 3) со следующими изменениями.
Пункт 3.5.4 МЭК 62151 заменяют формулировкой пункта
2.4.10 настоящего стандарта.
Применяют раздел 4 МЭК 62151, за исключением пунктов 4.1.2, 4.1.3 и 4.2.1.2.
Требования МЭК 62151 (пункт 4.1.2) заменяют следующими требованиями.
В одиночной цепи НТС-0 или во взаимосвязанных цепях НТС-0 значения напряжения между двумя любыми проводниками цепи или цепей НТС-0 и между любым подобным проводником и землей не должны превышать значений, приведенных в
9.1.1.1, перечисление a) настоящего стандарта.
Примечание 3. Цепь, отвечающую вышеприведенным требованиям, но подверженную перенапряжениям из телекоммуникационной сети, считают цепью НТС-1.
Требования МЭК 62151 (пункт 4.1.3) заменяют следующими требованиями.
В случае единичной неисправности основной или дополнительной изоляции или компонента (за исключением компонента с двойной или усиленной изоляцией) значения напряжения между двумя любыми проводниками цепи или цепей НТС-0 и между любым подобным проводником и землей не должны превышать значений, приведенных в
9.1.1.1, перечисление a) настоящего стандарта, в течение более 0,2 с. Кроме того, предельно допустимые значения, приведенные в 11.1 МЭК 62151, не должны быть превышены, за исключением случаев, разрешенных в 4.1.4, один из методов, определенных в 4.1.3.1, 4.1.3.2 или 4.1.3.3, должен быть использован.
Части схемы интерфейса, не отвечающие требованиям для цепей НТС-0 в условиях нормальной эксплуатации, не должны быть доступны для пользователя.
Требования МЭК 62151 (пункт 4.2.1.2) заменяют следующими требованиями.
Примечание 4. См. также разделы 5 и 6 МЭК 62151.
Отделение цепей НТС-0, НТС-1 и доступных проводящих частей от цепей НТС-2 и НТС-3 должно быть выполнено таким образом, чтобы:
- при нормальных условиях эксплуатации пределы, установленные в МЭК 62151 [пункт 4.2.1.1, перечисление a)], для цепей НТС-1 (35 В пикового значения переменного тока или 60 В постоянного тока) не должны быть превышены в цепях НТС-0, НТС-1 и на доступных проводящих частях;
- в случае единичного нарушения изоляции пределы, установленные в МЭК 62151 [пункт 4.2.1.1, перечисление b)], для цепей НТС-2 и НТС-3 при нормальных условиях эксплуатации (70 В пикового значения переменного тока или 120 В постоянного тока) не должны быть превышены в цепях НТС-0, НТС-1 и на доступных проводящих частях. Тем не менее через 0,2 с применяют предельно допустимые напряжения по 4.1.2 (35 В пикового значения переменного тока или 60 В постоянного тока).
Требования по разделению основной изоляцией приведены в таблице B.1. Также в таблице B.1 указано, когда применяют требования
6.1. Другие требования в таблицу B.1 не включены.
Таблица B.1
Разделение цепей НТС
Разделяемые части | Способ разделения |
Цепь НТС-0 или доступные проводящие части | Цепь НТС-1 | |
Цепь НТС-2 | Основная изоляция |
Цепь НТС-3 | |
Цепь НТС-1 | Цепь НТС-2 | |
Цепь НТС-2 | Цепь НТС-3 | |
Цепь НТС-1 | Цепь НТС-3 | Основная изоляция |
Цепь НТС-1 | Цепь НТС-1 | Рабочая изоляция |
Цепь НТС-2 | Цепь НТС-2 | Рабочая изоляция |
Цепь НТС-3 | Цепь НТС-3 | Рабочая изоляция |
Основная изоляция не требуется, если:
- цепи НТС-0, НТС-1 или доступная проводящая часть подключены к клемме защитного заземления в соответствии с требованиями настоящего стандарта;
- в инструкции по установке указано, что клемма защитного заземления должна быть постоянно подключена к земле;
- проведено испытание по 4.2.1.5 МЭК 62151 при условии, что цепь НТС-2 или НТС-3 предназначена для получения сигналов или электропитания, которые вырабатываются за пределами аппарата во время нормальной эксплуатации (например, в телекоммуникационной сети).
По желанию изготовителя допускается рассматривать цепь НТС-1 или цепь НТС-2 как цепь НТС-3. В этом случае цепь НТС-1 или НТС-2 должна отвечать всем требованиям по разделению для цепи НТС-3.
#Соответствие проверяют обследованием и измерением, а также, при необходимости, имитацией неисправностей изоляции и компонентов, которые возможны в аппарате. Приоритет при испытаниях отдают изоляции, которая не отвечает требованиям для основной изоляции, ее замыкают накоротко.#
Примечание 5. В большинстве случаев из тех, когда обеспечена основная изоляция и требования
6.1 также применяют к этой изоляции, испытательное напряжение, указанное в
6.2, выше, чем для основной изоляции.
Раздел 5 МЭК 62151 применяют, но со следующими изменениями в пункте 5.3.1.
Значение 1,6 заменяют на значение 1,8.
Разделы 6 и 7 МЭК 62151 применяют.
Приложения от A до C МЭК 62151 включительно применяют.
(обязательное)
ПОЛОСОВОЙ ФИЛЬТР ДЛЯ ИЗМЕРЕНИЯ ШИРОКОПОЛОСНОГО ШУМА
(Выдержка из МЭК 60268-1)
Рисунок C.1. Полосовой фильтр для измерения широкополосного
шума (пределы амплитудного/частотного диапазона, см. ниже)
Измерение в широкой полосе по МЭК 60268-1 (пункт 6.1).
Фильтр должен быть полосовым фильтром, имеющим частотный диапазон в пределах, показанных на
рисунке C.1.
Полосовой фильтр имеет в значительной степени постоянный коэффициент передачи в полосе частот от 22,4 Гц до 22,4 кГц, который уменьшается за пределами этой частотной полосы до уровня, определенного для октавного фильтра, со средней полосой частот от 31,5 до 16000 Гц, установленной в МЭК 61260, и имеет характеристику спада в пределах данной спецификации.
Примечания. 1. Внимание! Следует иметь в виду, что результаты испытаний будут зависеть до некоторой степени от индивидуальной частотной характеристики использованного фильтра.
2. См.
4.1.6 настоящего стандарта.
(обязательное)
СХЕМА ДЛЯ ИЗМЕРЕНИЯ ТОКА ОТ ПРИКОСНОВЕНИЯ
Рисунок D.1. Схема для измерения тока от прикосновения
по МЭК 60990
V - вольтметр или осциллограф, предназначенный для измерения среднеквадратичных и пиковых значений и имеющий следующие характеристики:
- входное сопротивление - >= 1 МОм,
- входная емкость - <= 200 пФ,
- частотный диапазон - от 15 Гц до 1 МГц и постоянное напряжение.
Примечание. Соответствующие измерения следует использовать, чтобы получить правильное значение в случае несинусоидальной формы сигнала.
Средство измерений калибруют сравнением частоты напряжения

с линией на рисунке F.2 МЭК 60990 на различных частотах. Калибровочная кривая показывает отклонение напряжения

от идеальной кривой как функции частоты.
Ток от прикосновения равен

(пиковое значение).
(обязательное)
ИЗМЕРЕНИЕ ЗАЗОРОВ И ПУТЕЙ УТЕЧКИ
Методы измерения путей утечки и зазоров, представленных на
рисунках E.1 -
E.10, применяют в соответствии с требованиями настоящего стандарта.
Значения X, показанного на рисунках, приведены в таблице E.1. Там, где указанное расстояние меньше X, при измерениях путей утечки шириной щели или канавки пренебрегают.
Таблицу E.1 применяют только в случае, если минимальный зазор не менее 3 мм. Если требуемый минимальный зазор менее 3 мм, то значение X минимальное берут из таблицы E.1 или принимают равным 1/3 требуемого минимального зазора.
Таблица E.1
Значение X
Степень загрязнения (см. 13.1) | X, мм |
1 | 0,25 |
2 | 1,00 |
3 | 1,50 |
На следующих рисунках зазоры и пути утечки обозначены следующим образом:
Рассматриваемый путь включает в себя канавку любой глубины с параллельными или сходящимися боковыми сторонами, шириной менее X.
Путь утечки и зазор измеряют непосредственно через канавку.
Рисунок E.1. Узкая канавка
Рассматриваемый путь включает в себя канавку с параллельными сторонами, любой глубины, шириной не менее 1 мм.
Зазором считают отрезок "визирной линии". Путь утечки определяют по пути огибания контура канавки.
Рисунок E.2. Широкая канавка
Рассматриваемый путь включает в себя канавку V-образной формы с углом менее 80° и шириной более X.
Зазором считают отрезок "визирной линии". Путь утечки определяют по пути огибания контура канавки, но с "коротким замыканием" дна канавки на участке, равном X мм.
Рисунок E.3. V-образная канавка
Рассматриваемый путь включает в себя ребро.
Зазором считают прямой кратчайший путь по воздуху через вершину ребра. Пути утечки определяют линией, огибающей контур ребра.
Рисунок E.4. Ребро
Рассматриваемый путь включает в себя несплошной стык с канавками шириной менее X с каждой стороны.
Зазоры и пути утечки - это отрезки показанных на рисунке "визирных линий".
Рисунок E.5. Несплошной стык с узкими канавками
Рассматриваемый путь включает в себя несплошной стык с канавками шириной X и более с каждой стороны.
Зазором считают отрезок "визирной линии". Путь утечки огибает контур канавок.
Рисунок E.6. Несплошной стык с широкими канавками
Рассматриваемый путь включает в себя несплошной стык с канавкой с одной стороны, имеющей ширину менее X мм, и с канавкой с другой стороны, имеющей ширину 1 мм и более. Зазор и расстояние утечки определяют, как показано на рисунке E.7.
Рисунок E.7. Несплошной стык с узкой и широкой канавками
Расстояние изоляции с интервалом; проводящая часть, не имеющая соединения.
Зазор - это расстояние (d + D), путь утечки - также (d + D). Если величина (d + D) менее чем X, ее значение принимают равным нулю.
Рисунок E.8. Промежуточная, несоединенная проводящая часть
Зазор X между головкой винта и стенкой выемки слишком мал, чтобы его учитывать.
Рисунок E.9. Малое углубление
Зазор X между головкой винта и стенкой выемки достаточно велик, и его следует учитывать.
Рисунок E.10. Большое углубление
(обязательное)
ЭЛЕКТРОХИМИЧЕСКИЕ ПОТЕНЦИАЛЫ
(обязательное)
МЕТОДЫ ИСПЫТАНИЯ НА ОГНЕСТОЙКОСТЬ
G.1. #При отсутствии образцов для проведения испытаний по МЭК 60707 (раздел 4) могут быть применены следующие методы.
Испытания проводят по МЭК 60695-2-2 на трех образцах обрезков продукции, используемой в аппаратуре.
Для проведения испытаний по настоящему стандарту используют следующие разделы МЭК 60695-2-2:
Раздел 7 Предварительные испытания - не проводят.
Раздел 8 Процедура испытаний:
- 8.2
Первое предложение заменяют следующим:
Испытуемые образцы размещают таким образом, который позволяет создавать те же условия, что имеются при их установке в аппаратуре.
- 8.4
Третий абзац заменяют следующим:
Испытательное пламя подводят к нескольким точкам образца, чтобы все критические области были проверены.
Раздел 9 Наблюдения и измерения:
- 9.2
Второй абзац заменяют следующим:
Длительность горения означает интервал времени с момента удаления испытательного пламени до момента, пока любое пламя не погаснет.#
G.1.1. #Если требуется категория воспламеняемости V-0 по МЭК 60707, то также следует применять нижеприведенные требования МЭК 60695-2-2:
Раздел 5 Жесткость условий испытания
Длительности приложения испытательного пламени следующие:
Испытательное пламя прикладывают к образцу в течение 10 с. Если горение самоподдерживающегося пламени образца продолжается не более 15 с, то испытательное пламя снова прикладывают в течение 1 мин к той же точке или к любой другой точке. Если снова горение самоподдерживающегося пламени образца продолжается не более 15 с, испытательное пламя прикладывают опять, но уже в течение 2 мин к той же точке или к любой другой точке.
Раздел 10 Оценка результатов испытаний
Раздел 10 заменяют следующим:
После первого приложения испытательного пламени испытуемые образцы не должны полностью обгореть. После любого приложения испытательного пламени длительность горения любого образца не должна превышать 15 с, тогда как среднее время горения не должно превышать 10 с. Папиросная бумага не должна зажигаться и доска не должна опаливаться.#
G.1.2. #Если требуется категория воспламеняемости V-1 по МЭК 60707, то также следует применять нижеприведенные требования МЭК 60695-2-2:
Раздел 5 Жесткость условий испытания
Длительности приложения испытательного пламени следующие:
Испытательное пламя прикладывают к образцу в течение 10 с. Если горение самоподдерживающегося пламени образца продолжается не более 30 с, то испытательное пламя снова прикладывают в течение 1 мин к той же точке или к любой другой точке. Если снова горение самоподдерживающегося пламени образца продолжается не более 30 с, испытательное пламя прикладывают опять, но уже в течение 2 мин к той же точке или к любой другой точке.
Раздел 6 Подготовка (только применительно к компонентам по
14.4.1)
Текст раздела 6 заменяют следующим:
Образцы помещают в термокамеру на 2 ч при температуре (100 +/- 2) °C.
Раздел 10 Оценка результатов испытаний
Текст раздела 10 заменяют следующим:
После первого приложения испытательного пламени испытуемый образец не должен полностью обгореть. После любого приложения испытательного пламени любое самоподдерживающееся пламя должно погаснуть в течение 30 с. Папиросная бумага не должна зажигаться и доска не должна опаливаться.#
G.1.3. #Если требуется категория воспламеняемости V-2 по МЭК 60707, то также следует применять нижеприведенные требования МЭК 60695-2-2:
Раздел 5 Жесткость условий испытания
Длительности приложения испытательного пламени следующие:
Испытательное пламя прикладывают к образцу в течение 10 с. Если горение самоподдерживающегося пламени образца продолжается не более 30 с, то испытательное пламя снова прикладывают в течение 1 мин к той же точке или к любой другой точке. Если снова горение самоподдерживающегося пламени образца продолжается не более 30 с, испытательное пламя прикладывают опять, но уже в течение 2 мин к той же точке или к любой другой точке.
Раздел 10 Оценка результатов испытаний
Текст раздела 10 заменяют следующим:
После первого приложения испытательного пламени испытуемый образец не должен полностью обгореть.
После любого приложения испытательного пламени любое самоподдерживающееся пламя должно погаснуть в течение 30 с.#
G.1.4. #Если требуется категория воспламеняемости НВ75 или НВ40 по МЭК 60707, то также следует применять следующие требования МЭК 60695-11-10:
Три образца длиной (125 +/- 5) мм и шириной (13 +/- 0,5) мм, вырезанные для испытаний из самого тонкого места, подвергают испытанию на горение по МЭК 60695-11-10 (раздел 8, испытательный метод А).
Материал классифицируют как НВ75 или НВ40 в соответствии с МЭК 60695-11-10 (пункт 8.4).#
G.2. #Соответствие кабелей и изоляции проводов проверяют согласно МЭК 60695-2-2.
Для целей настоящего стандарта используют следующие требования МЭК 60695-2-2:
Раздел 5 Жесткость условий испытания
Длительность приложения испытательного пламени - следующая:
- первого образца - 10 с,
- второго образца - 60 с,
- третьего образца - 120 с.
Раздел 7 Начальные размеры: не применяют.
Раздел 8 Процедура испытаний
К пункту 8.4 добавляют следующее:
Горелку фиксируют таким образом, чтобы ее ось находилась под углом 45° к вертикали. Кабель или провод крепят под углом 45° к вертикали, его ось располагают в вертикальной плоскости, перпендикулярной к вертикальной плоскости, через которую проходит ось горелки.
Пункт 8.5 заменяют следующим:
Испытания проводят на трех образцах, взятых от каждого типа кабеля или провода в том виде, в каком они используются в аппарате, например с дополнительным экранированием и трубками.
Раздел 9 Наблюдения и измерения
Пункт 9.1 не применяют.
Пункт 9.2. Текст второго абзаца заменяют следующим текстом:
Длительность горения означает интервал времени с момента удаления испытательного пламени до момента, пока любое пламя не погаснет.
Раздел 10 Оценка результатов испытаний
Текст раздела 10 заменяют следующим текстом:
Во время испытания любое горение изоляционных материалов должно быть устойчивым и не должно значительно распространяться. Любое пламя должно само погаснуть в течение 30 с после удаления испытательного пламени.#
G.3. #Перегородки должны соответствовать следующим требованиям.
Три образца подвергают следующим испытаниям:
1) В случае неметаллической перегородки каждый образец крепят горизонтально и игольчатое пламя прикладывают снизу под углом 45°.
Способ приложения пламени:
a) конец пламени прикладывают к перегородке в положении, применяемом в аппарате, в месте возможного воспламенения в зависимости от реального места расположения и расстояния до потенциального источника воспламенения, или
b) конец пламени прикладывают к листу материала той же толщины и состава материала, к середине его нижней части.
Воздействуют пламенем 60 с в одном и том же положении.
Игольчатое пламя не должно проникать внутрь образца, и после воздействия не должно быть отверстия в испытательном образце.
Никакие повреждения не допускаются.
2) В случае рассмотрения отверстий в перегородке без учета материала перегородки применяют требования рисунка 13 до тех пор, пока игольчатое пламя не пройдет через перегородку, как описано в МЭК 60695-2-2.
Соответствие проверяют согласно перечислению 1). После испытания требования относительно отверстий в перегородке остаются прежними. Никакие повреждения не допускаются.#
(обязательное)
ИЗОЛИРОВАННЫЕ НАМОТОЧНЫЕ ПРОВОДА ДЛЯ ИСПОЛЬЗОВАНИЯ
БЕЗ МЕЖСЛОЕВОЙ ИЗОЛЯЦИИ
Приложение устанавливает требования к намоточным проводам, которые могут быть использованы как основная, дополнительная, двойная или усиленная изоляция в наматываемых компонентах без дополнительной прокладываемой изоляции.
Приложение устанавливает также требования к намоточным проводам диаметром 0,05 - 5,00 мм.
H.2. <*> Типовые испытания
--------------------------------
<*> Место для пункта H.1 зарезервировано.
#Провод должен выдерживать следующие типовые испытания, выполненные при температуре от 15 °C до 35 °C и относительной влажности от 45% до 75%, если не указано иное.#
H.2.1. Электрическая прочность
#Испытательный образец подготавливают согласно МЭК 60851-5 (пункт 4.4.1) (для витой пары). Образец подвергают необходимому испытанию по
10.3 настоящего стандарта, без предварительной обработки влагой по
10.2, напряжением, равным не менее чем удвоенному соответствующему напряжению из
таблицы 5, но не менее:
- 3000 В среднеквадратичного значения или 4200 В пикового значения для основной или дополнительной изоляции, или
- 6000 В среднеквадратичного значения или 8400 В пикового значения для усиленной изоляции.#
H.2.2. Сцепление и гибкость
#Испытание 8 по МЭК 60851-3 (пункт 5.1.1) проводят с учетом
таблицы H.1.
Затем образец исследуют по МЭК 60851-3 (подпункт 5.1.1.4), после чего подвергают испытанию по
10.3 настоящего стандарта без предварительной обработки влагой по
10.2, за исключением того, что испытательное напряжение подают между проводом и оправкой. Испытательное напряжение должно быть не менее напряжения из
таблицы 5 и не менее:
- 1500 В среднеквадратичного значения или 2100 В пикового значения для основной или дополнительной изоляции, или
- 3000 В среднеквадратичного значения или 4200 В пикового значения для усиленной изоляции.#
Диаметры оправок
В миллиметрах
┌──────────────────────────────────┬──────────────────────────────────────┐
│ Номинальный диаметр провода │ Диаметр оправки +/- 0,2 │
├──────────────────────────────────┼──────────────────────────────────────┤
│ От 0,05 до 0,34 включ. │ 4,0 │
│ " 0,35 " 0,49 " │ 6,0 │
│ " 0,50 " 0,74 " │ 8,0 │
│ " 0,75 " 2,49 " │ 10,0 │
│ " 2,50 " 5,00 " │ Четырехкратный диаметр проводника │
├──────────────────────────────────┴──────────────────────────────────────┤
└─────────────────────────────────────────────────────────────────────────┘
#Сила, с которой провод наматывают на оправку, зависит от диаметра провода, ее выбирают из расчета 118 МПа +/- 10% (118 Н/мм2 +/- 10%).#
H.2.3. Тепловой удар
#Проводят испытание 9 по МЭК 60851-6, за которым следует испытание на электрическую прочность по
таблице 5, за исключением того, что испытательное напряжение подают между проводом и оправкой. Испытательное напряжение должно быть не менее напряжения из
таблицы 5 и не менее:
- 1500 В среднеквадратичного значения или 2100 В пикового значения для основной или дополнительной изоляции, или
- 3000 В среднеквадратичного значения или 4200 В пикового значения для усиленной изоляции.
Температура в испытательной камере должна соответствовать температуре для класса термостойкости изоляции из таблицы H.2.
| | ИС МЕГАНОРМ: примечание. Здесь и далее по тексту, видимо, допущена опечатка: пункт H.2.2 в тексте документа отсутствует. | |
Диаметр оправки и сила, с которой провод наматывают на оправку, - согласно H.2.2.
Испытание на электрическую прочность проводят при комнатной температуре после удаления образца из испытательной камеры.#
Таблица H.2
Температура при испытании
┌─────────────────────────────┬───────────────────────────────────────────┐
│ Класс нагревостойкости │ Температура при испытании, °C +/- 5°C │
├─────────────────────────────┼───────────────────────────────────────────┤
│ A(105) │ 200 │
│ E(120) │ 215 │
│ B(130) │ 225 │
│ F(155) │ 240 │
│ H(180) │ 260 │
└─────────────────────────────┴───────────────────────────────────────────┘
H.2.4. Сохранение электрической прочности после изгиба
Пять образцов подготавливают, как указано в H.2.2, и проверяют следующим образом. Из каждого образца удаляют оправку и помещают в контейнер так, чтобы он был погружен, по крайней мере на 5 мм, в металлическую дробь. Концы проводника должны быть достаточно длинными, чтобы избежать перекрытия. Дробь должна быть изготовлена из нержавеющей стали, никеля или железа, покрытого никелем, диаметром не более 2 мм. Дробь осторожно засыпают в контейнер до тех пор, пока образец не будет покрыт слоем толщиной не менее 5 мм. Дробь периодически следует очищать подходящим для этого растворителем (например 1,1,1-трихлорэтаном).
#Испытательное напряжение должно быть не менее, чем приведенное в
таблице 5, и не менее:
- 1500 В среднеквадратичного значения или 2100 В пикового значения для основной или дополнительной изоляции, или
- 3000 В среднеквадратичного значения или 4200 В пикового значения для усиленной изоляции.
Испытательное напряжение подают между дробью и проводом.#
H.3. Испытание в процессе производства
#Провод в процессе производства должен быть подвергнут изготовителем испытанию на электрическую прочность, как определено в H.3.1 и H.3.2.#
H.3.1. Периодическое испытание
#Испытательное напряжение при периодических испытаниях должно быть выбрано из
таблицы 5 и быть не менее:
- 1500 В среднеквадратичного значения или 2100 В пикового значения для основной или дополнительной изоляции, или
- 3000 В среднеквадратичного значения или 4200 В пикового значения для усиленной изоляции.#
H.3.2 Испытания образцов
#Образцы витой пары должны быть проверены в соответствии с МЭК 60851-5 (пункт 4.4.1). Минимальное напряжение пробоя должно составлять удвоенное значение соответствующего напряжения из
таблицы 5 и быть не менее:
- 3000 В среднеквадратичного значения или 4200 В пикового значения для основной или дополнительной изоляции, или
- 6000 В среднеквадратичного значения или 8400 В пикового значения для усиленной изоляции.#
(обязательное)
АЛЬТЕРНАТИВНЫЙ МЕТОД ОПРЕДЕЛЕНИЯ МИНИМАЛЬНЫХ ЗАЗОРОВ
В настоящем Приложении описан метод определения зазоров, альтернативный приведенному в
13.3.
Не предусмотрено проведение испытания на электрическую прочность для проверки зазоров.
J.1 Краткое изложение процедуры определения минимальных зазоров
Примечание. Минимальные зазоры для основной, дополнительной и усиленной изоляций в первичной или других цепях зависят от требуемого напряжения стойкости, которое, в свою очередь, зависит от налагаемых на рабочее напряжение повторяющихся пиков напряжения, возникающих внутри аппарата, и не повторяющихся пиков перенапряжений из-за внешних переходных процессов.
С целью измерить минимальное значение для каждого требуемого зазора необходимо:
a) определить пиковое рабочее напряжение, приложенное к рассматриваемому зазору;
b) если аппарат питается от сети:
- определить напряжение при переходных процессах в сети (см.
J.2);
- вычислить пиковое значение номинального напряжения сети питания переменного тока;
c) используя правила, изложенные в
J.4.1, и вышеуказанные значения напряжения, определить требуемое напряжение стойкости для переходных процессов сети питания переменного тока и внутренних переходных процессов. В отсутствие переходных процессов, поступающих от телекоммуникационной сети, переходят к перечислению g);
d) если аппарат подключается к телекоммуникационной сети, определить напряжение при переходных процессах в телекоммуникационной сети по
J.3;
| | ИС МЕГАНОРМ: примечание. В тексте документа, видимо, допущена опечатка: перечисление b) в пункте J.4 отсутствует. | |
e) используя напряжение при переходных процессах в телекоммуникационной сети и правила, изложенные в J.4, перечисление b), определить требуемое напряжение стойкости для переходных процессов телекоммуникационной сети. В отсутствие сетевых и внутренних переходных процессов переходят к перечислению g);
f) используя правила, изложенные в
J.4.3, определить требуемое напряжение стойкости;
g) используя требуемое напряжение стойкости, определить минимальный зазор по
J.6.
J.2. Определение напряжения при переходных процессах в сети
Для аппаратуры, питаемой от сети переменного тока, напряжение при переходных процессах в сети зависит от категории перенапряжения и номинального напряжения питания от сети переменного тока. В общем случае значения зазоров в цепях аппаратуры, питаемой от сети переменного тока, должны соответствовать значениям для напряжения при переходных процессах в сети категории перенапряжения II.
Соответствующее значение напряжения при переходных процессах в сети следует выбирать в зависимости от категории перенапряжения и номинального напряжения сети питания переменного тока с использованием таблицы J.1.
Таблица J.1
Напряжения при переходных процессах в сети
┌────────────────────────────────┬────────────────────────────────────────┐
│ Номинальное напряжение сети │ Напряжение при переходных процессах │
│ питания фаза - нейтраль │ в сети (пиковое значение), В │
│(среднеквадратичное значение), В├────────────────────────────────────────┤
│ │ Категория перенапряжений │
│ ├─────────┬────────┬─────────┬───────────┤
│ │ I │ II │ III │ IV │
├────────────────────────────────┼─────────┼────────┼─────────┼───────────┤
│ <= 50 │ 330 │ 500 │ 800 │ 1500 │
│ <= 100 │ 500 │ 800 │ 1500 │ 2500 │
│ <= 150 │ 800 │ 1500 │ 2500 │ 4000 │
│ <= 300 │ 1500 │ 2500 │ 4000 │ 6000 │
│ <= 600 │ 2500 │ 4000 │ 6000 │ 8000 │
├────────────────────────────────┴─────────┴────────┴─────────┴───────────┤
│ 1) Включая 120/208 или 120/240 В. │
│ 2) Включая 230/400 или 277/480 В. │
│ 3) Включая 400/690 В. │
└─────────────────────────────────────────────────────────────────────────┘
J.3. Определение напряжения при переходных процессах в телекоммуникационной сети
Если напряжение при переходных процессах в телекоммуникационной сети неизвестно для рассматриваемой телекоммуникационной сети, его считают равным:
- 1500 В (пиковое значение), если телекоммуникационная сеть соединена с НТС-1 или НТС-3 цепями;
- 800 В (пиковое значение), если телекоммуникационная сеть соединена с НТС-0 или НТС-2 цепями.
J.4. Определение требуемого напряжения стойкости изоляции
J.4.1. Сетевые и внутренние переходные процессы.
- в цепь, непосредственно соединенную с сетью, поступают неослабленные переходные процессы от сети. Для такой цепи переходные процессы от телекоммуникационной сети игнорируют и применяют следующие правила:
Правило 1. Если пиковое рабочее напряжение

меньше, чем пиковое номинальное напряжение питания сети переменного тока, то требуемое напряжение стойкости - напряжение при переходных процессах в сети, определенное в
J.2
Правило 2. Если пиковое рабочее напряжение

больше, чем пиковое номинальное напряжение питания сети переменного тока, то требуемое напряжение стойкости - напряжение при переходных процессах в сети, определенное в
J.2, плюс разница между значением пикового рабочего напряжения и пиковым значением номинального напряжения питания от сети переменного тока из
таблицы J.1.
- в цепь, не соединенную непосредственно с сетью питания, которая получает питание от цепи, непосредственно соединенной с сетью питания, поступают неослабленные переходные процессы от сети.
Для такой цепи требуемое напряжение стойкости определяют, игнорируя переходные процессы, поступающие от телекоммуникационных сетей.
Применяют правила 1 и 2 с учетом напряжения при переходных процессах в сети, определенного в
J.2 и замененного напряжением, на один шаг меньшим выбранного из следующего ряда:
330, 500, 800, 1500, 2500, 4000 В пикового значения.
Выбор меньшего значения не разрешается для плавающей цепи, не соединенной непосредственно с сетью, за исключением цепи в аппарате с основной защитной клеммой заземления и отделенной от цепи, непосредственно соединенной с сетью заземленным металлическим экраном, соединенным с защитной землей в соответствии с 15.2.
Альтернативно правила 1 и 2 применяют, но напряжение, полученное измерением [см.
J.5, перечисление a)], принимают как напряжение при переходных процессах в сети;
- в цепи, не соединенные непосредственно с сетью питания, и цепи, непосредственно соединенные с сетью питания, в которые не поступают неослабленные переходные процессы от сети.
Для таких цепей требуемое напряжение стойкости определяют, как указано ниже, игнорируя переходные процессы, поступающие от любой телекоммуникационной сети. Правила 1 и 2 применяют, но напряжение, полученное измерением [см.
J.5, перечисление a)], принимают как напряжение при переходных процессах в сети;
- в цепь, не соединенную непосредственно с сетью и питающуюся от источника постоянного тока с емкостным фильтром.
В любой заземленной вторичной цепи, снабженной источником постоянного тока с емкостным фильтром, требуемое напряжение стойкости принимают равным напряжению постоянного тока.
J.4.2. Переходные процессы телекоммуникационной сети
Если присутствуют только переходные процессы от телекоммуникационной сети, то требуемое напряжение стойкости - напряжение от переходных процессов в телекоммуникационной сети, определенное в
J.3, если более низкий уровень не измерен при проверке по
J.5, перечисление a).
J.4.3. Комбинация переходных процессов
Если присутствуют оба переходных процесса по
J.4.1 и
J.4.2, то требуемое напряжение стойкости - большее из этих двух напряжений. Два значения не суммируют.
J.5. Измерение напряжения переходного процесса
#Следующие испытания проводят с целью определить, действительно ли напряжение переходного процесса, приложенное к зазору в любой цепи, имеет пониженное значение по сравнению с полным за счет специальных средств, например фильтра в аппарате. Напряжение переходного процесса, приложенное к зазору, измеряют, используя следующую процедуру испытания.
Во время испытаний аппарат соединяют с его выносным блоком питания (при наличии), но не соединяют ни с сетью питания, ни с телекоммуникационными сетями, и любые подавители выбросов в цепях, непосредственно соединенные с сетью, отсоединяют.
Средство измерений напряжения подключают параллельно рассматриваемому зазору.
a) Чтобы измерить уменьшенный уровень напряжения переходных процессов от перенапряжения в сети, используют испытательный генератор импульсов (см.
Приложение K), подавая импульсы 1,2/50 мкс с напряжением

, равным напряжению при переходных процессах в сети, определенному в
J.2.
Три из шести импульсов переменной полярности, с интервалами не менее 1 с, подают там, где применимо:
- между фазами;
- между всеми фазными проводами, соединенными вместе, и нейтралью;
- между всеми фазными проводами, соединенными вместе, и защитной землей;
- между нейтралью и защитным заземлением.
b) С целью уменьшить уровень напряжения переходных процессов от перенапряжения в телекоммуникационной сети используют испытательный генератор импульсов (см.
Приложение K), подавая импульсы 10/700 мкс с напряжением

, равным напряжению при переходных процессах в телекоммуникационной сети, определенному в
J.3.
Три из шести импульсов переменной полярности с интервалами не менее 1 с подают между каждой из следующих точек соединения с телекоммуникационной сетью интерфейса каждого типа:
- каждой парой клемм (например, A и B или штырь и гнездо) в интерфейсе;
- всеми клеммами каждого типа интерфейса, соединенными вместе и защитным заземлением.
Проверяют только одну из набора идентичных цепей.#
J.6. Определение минимальных зазоров
Зазор должен иметь размеры не менее приведенных в
таблице J.2 с учетом значения требуемого напряжения стойкости, определенного согласно
J.4.
Указанные требования к зазорам не распространяются на воздушные промежутки между контактами термостатов, тепловых размыкающих устройств, устройств защиты от перегрузок, выключателей с микропромежутком между контактами и подобных компонентов, где воздушный промежуток изменяется между контактами.
Примечания. 1. Требования к воздушным промежуткам между контактами отключающих устройств см. в
8.19.1.
2. Значения зазоров не должны быть ниже минимальных заданных значений из-за технологических допусков или деформации, которая возможна вследствие обработки, удара и вибрации при изготовлении, транспортировании и нормальной эксплуатации.
3. Для аппаратуры, предназначенной для эксплуатации на высотах свыше 2000 м над уровнем моря, наряду с таблицей J.2 используют таблицу A.2 МЭК 60664-1.
Таблица J.2
Минимальные зазоры для аппаратуры, используемой на высоте
до 2000 м над уровнем моря
Зазоры в миллиметрах
┌───────────────────────────────────────┬─────────────────────────────────┐
│ Требуемое напряжение стойкости │ Минимальные зазоры через воздух │
│ (пиковое значение переменного ├────────────────┬────────────────┤
│тока или значение постоянного тока), В │ Основная │ Усиленная │
│ │и дополнительная│ изоляция │
│ │ изоляции │ │
├───────────────────────────────────────┼────────────────┼────────────────┤
│ До 400 │ 0,2 (0,1) │ 0,4 (0,2) │
├───────────────────────────────────────┼────────────────┼────────────────┤
│ 800 │ 0,2 (0,1) │ 0,4 (0,2) │
├───────────────────────────────────────┼────────────────┼────────────────┤
│ 1000 │ 0,3 (0,2) │ 0,6 (0,4) │
├───────────────────────────────────────┼────────────────┼────────────────┤
│ 1200 │ 0,4 (0,3) │ 0,8 (0,6) │
├───────────────────────────────────────┼────────────────┼────────────────┤
│ 1500 │ 0,8 (0,5) │ 1,6 (1,0) │
├───────────────────────────────────────┼────────────────┼────────────────┤
│ 2000 │ 1,3 (1,0) │ 2,6 (2,0) │
├───────────────────────────────────────┼────────────────┼────────────────┤
│ 2500 │ 2,0 (1,5) │ 4,0 (3,0) │
├───────────────────────────────────────┼────────────────┼────────────────┤
│ 3000 │ 2,6 (2,0) │ 5,2 (4,0) │
├───────────────────────────────────────┼────────────────┼────────────────┤
│ 4000 │ 4,0 (3,0) │ 6,0 │
├───────────────────────────────────────┼────────────────┼────────────────┤
│ 6000 │ 7,5 │ 11,0 │
├───────────────────────────────────────┼────────────────┼────────────────┤
│ 8000 │ 11,0 │ 16,0 │
├───────────────────────────────────────┼────────────────┼────────────────┤
│ 10000 │ 15,0 │ 22,0 │
├───────────────────────────────────────┼────────────────┼────────────────┤
│ 12000 │ 19,0 │ 28,0 │
├───────────────────────────────────────┼────────────────┼────────────────┤
│ 15000 │ 24,0 │ 36,0 │
├───────────────────────────────────────┼────────────────┼────────────────┤
│ 25000 │ 44,0 │ 66,0 │
├───────────────────────────────────────┼────────────────┼────────────────┤
│ 40000 │ 80,0 │ 120,0 │
├───────────────────────────────────────┼────────────────┼────────────────┤
│ 50000 │ 100,0 │ 150,0 │
├───────────────────────────────────────┼────────────────┼────────────────┤
│ 60000 │ 120,0 │ 180,0 │
├───────────────────────────────────────┼────────────────┼────────────────┤
│ 80000 │ 173,0 │ 260,0 │
├───────────────────────────────────────┼────────────────┼────────────────┤
│ 100000 │ 227,0 │ 340,0 │
├───────────────────────────────────────┴────────────────┴────────────────┤
│ Примечания: 1. Кроме первичных цепей, приведенных в
J.4.1,│
│разрешается линейная интерполяция между близлежащими точками; расчетные│
│минимальные зазоры округляют с приращением 0,1 мм до большего значения.│
│ 2. Значения в скобках применяют, если на производстве осуществляют│
│программу управления качеством (например, программу, приведенную│
│в
Приложении M). В частности, двойную и усиленную изоляции следует│
│подвергать периодическим испытаниям на электрическую прочность. │
│ 3. Соответствие значению зазора 8,4 мм или более для вторичных цепей│
│не требуется, если путь через зазор проходит: │
│ - полностью через воздух или │
│ - полностью или частично по поверхности изоляционного материала│
│группы I (СИТ 600), и │
│ - изоляция выдержала испытание на электрическую прочность согласно│
│
10.3 с использованием: │
│ - испытательного напряжения переменного тока, действующее значение│
│которого в 1,06 раза больше значения пикового рабочего напряжения, или │
│ - испытательного напряжения постоянного тока, значение которого равно│
│пиковому значению испытательного напряжения переменного тока, указанного│
│выше. │
│ Если путь через зазор проходит частично по поверхности изоляционного│
│материала, отличного от группы I, испытание на электрическую прочность│
│проводят только в воздушном промежутке. │
└─────────────────────────────────────────────────────────────────────────┘
#Соответствие проверяют измерением, учитывая требования
Приложения E.#
Применяют следующие условия соответствия.
Подвижные части устанавливают в наиболее неблагоприятные положения.
При измерении зазоров в кожухах из изоляционного материала через щель или отверстие в кожухе доступную поверхность рассматривают как проводящую, будто бы покрытую металлической фольгой во всех местах, которых возможно коснуться испытательным пальцем, соответствующим испытательному щупу B по МЭК 61032 (см.
9.1.1), прикладываемым без заметного усилия (см.
рисунок 3, точка B).
При измерении зазоров воздействуют постоянной силой по
13.3.1.
(обязательное)
ИСПЫТАТЕЛЬНЫЙ ГЕНЕРАТОР ИМПУЛЬСОВ
Схему, приведенную на
рисунке K.1, применяют для генерации импульсов. Значения компонентов, используемых в схеме, приведены в
таблице K.1. Конденсатор

первоначально заряжают до напряжения

.
Испытательные импульсы 10/700 мкс (10 мкс - время нарастания переднего фронта импульса, 700 мкс - длительность импульса по уровню 0,5), генерируемые схемой, соответствуют импульсам, установленным ITU-T Рекомендациями K.17, для имитации помех от грозовых разрядов в телекоммуникационной сети.
Испытательные импульсы 1,2/50 мкс (1,2 мкс - время нарастания переднего фронта импульса, 50 мкс - длительность импульса по уровню 0,5), генерируемые схемой, соответствуют импульсам, установленным ITU-T Рекомендациями K.21, для имитации переходных процессов в системах электропитания.
Импульсная форма волны, наблюдаемая при разомкнутой цепи, может быть другой при подключении нагрузки.
Примечание. При использовании данного испытательного генератора импульсов необходимо быть особенно внимательным, поскольку на конденсаторе

возможен большой заряд.
Рисунок K.1. Схема испытательного генератора импульсов
Таблица K.1
Значения компонентов для схемы испытательного
генератора импульсов
┌────────────────────┬─────────────┬───────────┬────────┬────────┬────────┐
│ Испытательный │ C , мкФ │ C │ R │ R │ R │
│ импульс, мкс │ 1 │ 2 │ 1 │ 2 │ 3 │
│ │ │ ├────────┴────────┴────────┤
│ │ │ │ Ом │
├────────────────────┼─────────────┼───────────┼────────┬────────┬────────┤
│ 10/700 │ 20 │ 0,2 мкФ │ 50 │ 15 │ 25 │
├────────────────────┼─────────────┼───────────┼────────┼────────┼────────┤
│ 1,2/50 │ 1 │ 33 нФ │ 76 │ 13 │ 25 │
└────────────────────┴─────────────┴───────────┴────────┴────────┴────────┘
(обязательное)
ДОПОЛНИТЕЛЬНЫЕ ТРЕБОВАНИЯ К ЭЛЕКТРОННЫМ
ЛАМПАМ-ВСПЫШКАМ ДЛЯ ФОТОГРАФИРОВАНИЯ
Требования настоящего Приложения дополняют или заменяют требования настоящего стандарта к электронным лампам-вспышкам для фотографирования.
L.1. Общие положения
#Пункт 1.1.1 дополнить следующими требованиями:#
L.1.1.1. Требования настоящего Приложения распространяются на следующие электронные лампы-вспышки для фотографирования, суммарная накопленная энергия которых и работающей совместно с ними аппаратуры не превышает 2000 Дж и которые не имеют защиты от воздействия капель или брызг:
- аппараты однопроблескового типа, которые могут иметь один или несколько излучателей, работающих одновременно;
- аппараты для освещения последовательных фотографических экспозиций;
- дополнительные принадлежности, указанные в инструкции по эксплуатации.
Требования настоящего Приложения не распространяются на стробоскопы.
Примечания. 1. В связи с тем что в настоящее время требования к аппаратуре, имеющей накопленную энергию свыше 2000 Дж, отсутствуют, допускается использовать соответствующие требования настоящего приложения. Однако, возможно, будут необходимы дополнительные требования, например к взрывоопасности или тепловому излучению.
2. Требования настоящего Приложения распространяются на аппаратуру, предназначенную для использования как в умеренном, так и в тропическом климате.
3. Для моделирования ламп в комбинации с электронными лампами-вспышками для фотографирования дополнительные требования могут быть взяты из МЭК 60598-2-9
[8] или МЭК 60598-2-17
[9].
L.4. Общие условия испытаний
#Пункт 4.2.12 дополнить следующими требованиями:#
L.4.2.13. #Аппараты испытывают с подсоединенными или отсоединенными излучателями, конденсаторами или другими принадлежностями.#
L.4.2.14. #Если аппарат может работать от сети, то его оставляют включенным на 4 ч и не включают вспышку. Если аппарат питается только от первичных батарей или аккумуляторов, то его включают на 30 с.
Затем проводят максимально возможное число последовательных срабатываний вспышки, но не более 40 и с максимально возможной скоростью повторений. Готовность вспышки определяют по индикатору или, в его отсутствие, по напряжению на конденсаторе вспышки, которое должно составлять 85% максимального пикового напряжения. Аппарат питается от номинального напряжения питания.
К зарядному устройству подключают полностью разряженные соответствующие аккумуляторы на 4 ч.
Пункт 4.3.3 дополнить следующими требованиями:#
L.4.3.3.
#- обрыв нити накала ламп;
- короткое замыкание или обрыв ламп тлеющего разряда, используемых для индикации или регулировки.
Пункт 4.3.4 дополнить следующими требованиями:#
L.4.3.4.
#g) самовосстанавливающиеся конденсаторы (например, бумажные металлизированные конденсаторы), если от них зависит перегрев.#
L.5. Маркировка и инструкции
#Пункт 5.4 за примечанием 2 дополнить следующими требованиями:#
L.5.4. В инструкции по эксплуатации зарядных устройств и источников питания должна содержаться информация о типе или номере модели лампы-вспышки, с которой они могут быть использованы.
В инструкции по эксплуатации лампы-вспышки должна содержаться информация о типе или номере модели зарядного устройства или источника питания, с которым она может быть использована.
Примечание. Данную информацию допускается размещать на самом аппарате.
#Соответствие проверяют обследованием.#
L.7. Нагрев при нормальных условиях работы
#Пункт 7.1.5 за первым абзацем дополнить следующими требованиями:#
L.7.1.5. Литиевые батареи должны отвечать требованию по допустимому превышению температуры
таблицы 3 для нормальных условий работы, за исключением тех батарей, которые соответствуют требованиям необходимых электрических испытаний по МЭК 60086-4 (6.2.2.1 или 6.2.2.2).
L.9. Опасность поражения электрическим током при нормальных условиях эксплуатации
#Пункт 9.1.1 за примечанием 1 дополнить следующими требованиями:#
L.9.1.1. Клеммы для подключения синхронизирующего устройства фотоаппарата не должны быть опасными для жизни.
#Пункт 9.1.1.1 за первым абзацем дополнить следующими требованиями:#
L.9.1.1.1. По возможности во время измерения проводят срабатывание вспышки.
L.10. Требования к изоляции
#Пункт 10.3.2 за таблицей 5 дополнить следующими требованиями:#
L.10.3.2. #Импульс поджига аппарата с высокочастотным импульсом поджига при расчете испытательного напряжения не учитывают, если его длительность не превышает 1 мс.#
L.11. Условия неисправностей
#Пункт 11.2.6 за первым абзацем дополнить следующими требованиями:#
L.11.2.6. Литиевые батареи должны отвечать требованию по допустимому превышению температуры
таблицы 3 для условий неисправностей, за исключением тех батарей, которые соответствуют требованиям необходимых электрических испытаний по МЭК 60086-4 (пункт 6.3.2).
L.12. Механическая прочность
#Пункт 12.1.3 за четвертым абзацем дополнить следующими требованиями:#
L.12.1.3. #Окошки излучателей вспышек не подвергают испытанию падением стального шара.#
L.14. Компоненты
#Пункт 14.6 дополнить следующими требованиями:#
L.14.6.6. Кроме того, характеристики сетевых выключателей, указанные на их маркировке, должны соответствовать тем функциям, которые выключатель выполняет в аппарате при нормальных условиях работы.
#Соответствие проверяют обследованием и измерением.
Номинальный сетевой ток лампы-вспышки

определяют по формуле
где

- максимальный сетевой ток (пиковое значение) сразу же после срабатывания вспышки;

- сетевой ток (пиковое значение) в конце периода заряда конденсатора вспышки. Конец периода заряда определяют по индикатору или, в его отсутствие, по напряжению на конденсаторе вспышки, которое должно составлять 85% максимального пикового напряжения. Аппарат питается от номинального напряжения питания.
Аппарат работает при нормальных рабочих условиях, кроме того, что его подключают к номинальному напряжению питания.

и

измеряют тогда, когда вспышка готова к работе и подключена к сети питания не менее чем за 30 мин до измерения.
Пиковый выброс тока - это максимальное пиковое значение сетевого тока в момент включения аппарата, после того как конденсатор вспышки был полностью разряжен. Короткие импульсы тока длительностью до 100 мкс не учитывают.
Значения измеренного пикового выброса тока и рассчитанного номинального сетевого тока

не должны превышать номинальных значений тока, указанных на маркировке сетевого выключателя.#
L.20. Огнестойкость
#Пункт 20.1 дополнить следующими требованиями:#
L.20.1. c) Цепи трансформатора поджига, выполняющие разряд в лампе-вспышке, не рассматривают как потенциальный источник воспламенения.
(справочное)
ПРИМЕРЫ ТРЕБОВАНИЙ К ПРОГРАММАМ КОНТРОЛЯ КАЧЕСТВА
Примечание. В настоящем Приложении приведены примеры требований к программам контроля качества по
13.3 и
Приложению J при уменьшении минимальных зазоров.
M.1 Уменьшение минимальных зазоров (см.
13.3)
При допустимом уменьшении зазоров по
13.3 и
Приложению J изготовитель обязан выполнять программу контроля качества, приведенную в
таблице M.1. Программа включает в себя специальный контроль инструментальных средств и материалов, оказывающих воздействие на зазоры.
Изготовитель должен установить технологические операции и план мероприятий, гарантирующие достаточный контроль, для операций по установке элементов, непосредственно влияющих на качество. Контролируемые условия включают в себя следующее:
- документально подтвержденные рабочие инструкции, определяющие технологический процесс, применяемую аппаратуру, требования к окружающей среде и способ производства там, где отсутствие таких инструкций неблагоприятно влияет на качество, а также требования к использованию надлежащего качества производственного и монтажного оборудования, компонентов, созданию соответствующих условий эксплуатации, соблюдению стандартов, технических условий и планов по качеству;
- текущий контроль и контроль за проходящими процессами и характеристиками аппаратуры в течение ее производства и монтажа;
- проверку квалификации персонала, обусловленную в соответствующих документах или проводимую посредством представительских выборок;
- записи, обеспечивающие поддержание ограниченного использования технологических процессов, применяемой аппаратуры и персонала (по обстановке).
В таблице M.1 представлен план выборки и испытаний, соответствующий требованиям
13.3 и
Приложения J. Число выборок плат при производстве должно соответствовать МЭК 60410
[7] или ИСО 2859-1
[22], или аналогичным национальным стандартам.
Таблица M.1
Правила выборки и проверки при уменьшении
минимальных зазоров
┌──────────────────────────┬──────────────────────────────────────────────┐
│ Испытания │ Изоляция │
│ ├──────────────────┬───────────────────────────┤
│ │ Основная │ Усиленная │
│ │ и дополнительная │ │
├──────────────────────────┼──────────────────┴───────────────────────────┤
│
1) │ Выборка S2 AQL 4 │
│Промежутки │ │
├──────────────────────────┼──────────────────┬───────────────────────────┤
│Испытание на электрическую│Нет испытаний │Периодическое испытание. │
│
2) │ │При единичном отказе│
│прочность │ │необходимо определить│
│ │ │причину │
├──────────────────────────┴──────────────────┴───────────────────────────┤
│ 1) Для экономии времени испытаний и проверок допускается замена│
│измерения промежутков измерением напряжения пробоя. Первоначально│
│напряжение пробоя определяют по десяти печатным платам без покрытия,│
│на которых предварительно были проверены размеры промежутков.│
│Электрическую прочность последующих непокрытых плат затем проверяют│
│при более низком значении, равном минимальному напряжению пробоя первых│
│десяти плат, минус 100 В. Если пробой происходит при более низком│
│значении, то плату считают неисправной, даже если непосредственное│
│измерение промежутка показывает соответствие требуемому значению. │
│ 2) Испытание на электрическую прочность выполняют одним из следующих│
│методов: │
│ - шесть импульсов переменной полярности - используют импульсы│
│1,2/50 мкс (см.
Приложение K) с амплитудой, равной амплитуде│
│ - три периода переменного тока с частотой сети и напряжением, равным│
│ - шесть импульсов переменной полярности - используют импульсы│
│постоянного тока длительностью 10 мс с амплитудой, равной амплитуде│
└─────────────────────────────────────────────────────────────────────────┘
(справочное)
Введение
Испытания, приведенные в настоящем Приложении, предназначены для того, чтобы показать, насколько нежелательные изменения в материале или производстве имеют отношение к безопасности. Эти испытания не нарушают качества и надежности аппарата и должны быть проведены изготовителем для каждого аппарата в течение или в конце производства.
Большинство испытаний, как, например, повторные типовые испытания и испытания образцов, должны быть проведены изготовителем с целью удостовериться, что каждый аппарат соответствует образцу, прошедшему типовые испытания на соответствие требованиям настоящего стандарта (согласно опыту, приобретенному изготовителем аппарата).
Изготовитель может использовать процедуру испытаний, наиболее подходящую для его структуры производства, и проводить испытания на соответствующей стадии производства, если будет доказано, что испытания, выполненные изготовителем, обеспечивают, по крайней мере, ту же степень безопасности, что и аппарат, который прошел испытания, указанные в настоящем Приложении.
Примечание. Как правило, применяют соответствующую систему качества, например согласно стандартам серии ИСО 9000
[23].
Нижеприведенные правила даны как пример для периодического испытания.
N.1. Испытания в течение промышленного процесса
N.1.1. Правильная полярность и соединение компонентов или сборочных узлов
Если неправильная полярность или соединение компонентов или сборочных узлов может закончиться угрозой безопасности, то полярность и соединение этих компонентов или сборочных узлов следует проверять измерением или осмотром.
N.1.2. Правильность выбора параметров компонентов
Если неправильный выбор параметров компонентов может закончиться угрозой безопасности, то правильный выбор параметров компонентов следует проверять измерением или осмотром.
N.1.3. Защитное заземление экранов и металлических ограждений
Для аппарата класса I с экраном или металлическим ограждением (см.
8.5 настоящего стандарта) между опасными для жизни частями и клеммами, считающимися доступными (см.
8.4), или доступными проводящими частями непрерывность соединения с защитным заземлением необходимо проверять в течение процесса производства между экраном или металлическим ограждением и
- контактом защитного заземления сетевой вилки или приборного соединителя, или
- клеммой защитного заземления в случае постоянно подключенного аппарата.
Испытательный ток, около 10 А от источника, имеющего выходное переменное напряжение без нагрузки не более 12 В, должен быть приложен между вышеперечисленными точками в течение 1 - 4 с.
Измеренное сопротивление не должно быть:
- более 0,1 Ом для аппарата со съемным шнуром питания;
- более 0,2 Ом для аппарата с несъемным шнуром питания.
Примечание. Следует учесть, что контактное сопротивление между концом измерительного щупа и испытуемыми металлическими частями не влияет на результаты испытаний.
N.1.4. Правильность расположения внутренней проводки
Если неправильное расположение внутренней проводки может снизить безопасность, то правильность расположения внутренней проводки проверяют осмотром.
N.1.5. Правильность крепления соединений внутреннего разъема
Если неправильное крепление соединений внутреннего разъема может снизить безопасность, то правильность крепления соединений внутреннего разъема проверяют обследованием вручную.
N.1.6. Основные маркировки, относящиеся к безопасности, расположенные внутри аппарата
Разборчивость маркировок, относящихся к безопасности и расположенных внутри аппарата, например маркировок плавких предохранителей, проверяют обследованием.
N.1.7. Правильность установки механических частей
Если неправильная установка механических частей может снизить безопасность, то правильность установки проверяют обследованиями вручную.
N.2. Испытания в конце процесса производства
Следующим испытаниям должен быть подвергнут аппарат в сборе перед его упаковкой.
N.2.1. Электрическая прочность изоляции
Изоляцию аппарата проверяют следующими испытаниями. Считают, что эти испытания будут достаточными.
Переменное испытательное напряжение синусоидальной формы с частотой сети или постоянное испытательное напряжение, или напряжение, представляющее собой их комбинацию с пиковым значением, приведенным в
таблице N.1, должно быть приложено между сетевыми клеммами, соединенными параллельно, и:
- клеммами, рассматриваемыми как доступные (см.
8.4 настоящего стандарта), и
- доступными проводящими частями соответственно, которые могут стать опасными для жизни в случае дефекта изоляции в результате неправильной сборки.
Примечание 1. Клеммы, рассматриваемые как доступные, и доступные проводящие части могут во время испытания на электрическую прочность быть соединены вместе.
Таблица N.1
┌────────────────┬────────────────────────────────────────────────────────┐
│Место приложения│ Испытательное напряжение (пиковое значение переменного │
│ испытательного │ тока или значение постоянного тока), В │
│ напряжения ├───────────────────────────┬────────────────────────────┤
│ │ Установленное напряжение │ Установленное напряжение │
│ │ сети не более 150 В │ сети более 150 В │
├────────────────┼───────────────────────────┼────────────────────────────┤
│Основная │ 1130 │ 2120 │
│изоляция │[800 (среднеквадратичного│[1500 (среднеквадратичного│
│ │значения)] │значения)] │
├────────────────┼───────────────────────────┼────────────────────────────┤
│Двойная │ 2120 │ 3540 │
│или усиленная │[1500 (среднеквадратичного│[2500 (среднеквадратичного│
│изоляция │значения)] │значения)] │
└────────────────┴───────────────────────────┴────────────────────────────┘
Перед приложением испытательного напряжения должен быть обеспечен плотный контакт с испытуемым образцом.
Первоначально подают не более половины заданного напряжения, затем его значение повышают с крутизной не более 1560 В/мс до полного значения, которое выдерживают в течение 1 - 4 с.
Примечание 2. Крутизна 1560 В/мс согласовывается с крутизной синусоидальной формы при частоте сети 60 Гц.
Во время испытания сетевые выключатели и функциональные выключатели, при их наличии, соединенные с сетью, должны быть во включенном состоянии, обеспеченном подходящими способами так, чтобы испытательное напряжение было полностью эффективным.
Не должно быть искрения или пробоя в течение испытания. Источник испытательного напряжения должен предусматривать наличие устройства контроля тока пробоя. Источник испытательного напряжения должен подавать заданное напряжение до тех пор, пока не произойдет текущее отключение.
Примечания. 3. Отключающий ток не должен превышать 100 мА.
4. Отключение защитного устройства означает наличие поверхностного перекрытия или пробоя.
N.2.2. Соединение защитного заземления
Для аппарата класса I непрерывность соединения защитного заземления следует проверять между контактом защитного заземления сетевой вилки или приборного соединителя, или между клеммой защитного заземления в случае постоянно подключенного аппарата и:
- доступными проводящими частями, включая клеммы, рассматриваемые как доступные (см.
8.4), которые должны быть подключены к клемме защитного заземления;
- контактом защитного заземления выходной сетевой розетки испытуемого аппарата, если предусмотрено, что от нее запитывают другие аппараты.
Испытательный ток около 10 А должен быть приложен между вышеперечисленными точками в течение 1 - 4 с от источника, имеющего выходное переменное напряжение без нагрузки не более 12 В. Измеренное сопротивление не должно быть:
- более 0,1 Ом для аппарата со съемным шнуром питания;
- более 0,2 Ом для аппарата с несъемным шнуром питания.
Примечание. Следует учесть, что контактное сопротивление между концом измерительного щупа и испытуемыми металлическими частями не влияет на результаты испытаний.
N.2.3. Основные маркировки, относящиеся к безопасности и расположенные снаружи аппарата
Разборчивость маркировок, относящихся к безопасности и расположенных снаружи аппарата, например маркировок сетевого напряжения, проверяют обследованием.
(справочное)
СВЕДЕНИЯ О СООТВЕТСТВИИ ССЫЛОЧНЫХ МЕЖДУНАРОДНЫХ СТАНДАРТОВ
ССЫЛОЧНЫМ НАЦИОНАЛЬНЫМ СТАНДАРТАМ РОССИЙСКОЙ ФЕДЕРАЦИИ
(И ДЕЙСТВУЮЩИМ В ЭТОМ КАЧЕСТВЕ
МЕЖГОСУДАРСТВЕННЫМ СТАНДАРТАМ)
Таблица ДА.1
┌──────────────────────┬────────┬─────────────────────────────────────────┐
│Обозначение ссылочного│Степень │ Обозначение и наименование │
│ международного │соот- │ соответствующего национального │
│ стандарта │ветствия│ стандарта │
├──────────────────────┼────────┼─────────────────────────────────────────┤
├──────────────────────┼────────┼─────────────────────────────────────────┤
│ │ │напряжения │
├──────────────────────┼────────┼─────────────────────────────────────────┤
│МЭК 60068-2-6:1995 │ - │
<*> │
├──────────────────────┼────────┼─────────────────────────────────────────┤
│ │ │методы испытаний на воздействие внешних│
│ │ │факторов. Часть 2. Испытания. Испытание│
│ │ │Ed: свободное падение │
├──────────────────────┼────────┼─────────────────────────────────────────┤
│МЭК 60068-2-75:1997 │
MOD │ГОСТ Р 52762-2007 (МЭК 60068-2-75:1997)│
│ │ │Методы испытаний на стойкость│
│ │ │к механическим внешним воздействующим│
│ │ │факторам машин, приборов и других│
│ │ │технических изделий. Испытания│
│ │ │на воздействие ударов по оболочке изделий│
├──────────────────────┼────────┼─────────────────────────────────────────┤
│МЭК 60068-2-78:2001 │ - │
<*> │
├──────────────────────┼────────┼─────────────────────────────────────────┤
│МЭК 60085:2004 │ - │
<*> │
├──────────────────────┼────────┼─────────────────────────────────────────┤
│МЭК 60086-4:2000 │ - │
<*> │
├──────────────────────┼────────┼─────────────────────────────────────────┤
│МЭК 60112:2003 │ - │
<*> │
├──────────────────────┼────────┼─────────────────────────────────────────┤
│ │ │плавкие предохранители. Часть 1.│
│ │ │Терминология для плавких предохранителей│
│ │ │и общие требования к миниатюрным плавким│
│ │ │вставкам │
│ │
MOD │ГОСТ Р 50538-93 (МЭК 127-2-89)│
│ │ │Миниатюрные плавкие предохранители.│
│ │ │Трубчатые плавкие вставки │
│ │
MOD │ГОСТ Р 50539-93 (МЭК 127-3-88)│
│ │ │Миниатюрные плавкие предохранители.│
│ │ │Субминиатюрные плавкие вставки │
│ │
MOD │ГОСТ Р 50541-93 (МЭК 127-5-89)│
│ │ │Миниатюрные плавкие предохранители.│
│ │ │Руководство по сертификации миниатюрных│
│ │ │плавких вставок │
│ │ │плавкие предохранители. Часть 4.│
│ │ │Универсальные модульные плавкие вставки│
│ │ │для объемного и поверхностного монтажа │
│ │
IDT │ГОСТ Р МЭК 127-6-99 Миниатюрные│
│ │ │плавкие предохранители. Часть 6.│
│ │ │Держатели предохранителей для миниатюрных│
│ │ │плавких вставок │
├──────────────────────┼────────┼─────────────────────────────────────────┤
│МЭК 60167:1964 │
MOD │ГОСТ Р 50344-92 (МЭК 167-64) Материалы│
│ │ │электроизоляционные твердые. Методы│
│ │ │испытаний для определения сопротивления│
│ │ │изоляции │
├──────────────────────┼────────┼─────────────────────────────────────────┤
├──────────────────────┼────────┼─────────────────────────────────────────┤
│ │ │с поливинилхлоридной изоляцией│
│ │ │на номинальное напряжение до 450/750 В│
│ │ │включительно. Часть 1. Общие требования │
├──────────────────────┼────────┼─────────────────────────────────────────┤
│МЭК 60227 │
IDT │ГОСТ Р МЭК 60227-2-99 Кабели│
│ │ │с поливинилхлоридной изоляцией│
│ │ │на номинальное напряжение до 450/750 В│
│ │ │включительно. Методы испытаний │
│ │ │с поливинилхлоридной изоляцией│
│ │ │на номинальное напряжение до 450/750 В│
│ │ │включительно. Кабели без оболочки│
│ │ │для стационарной прокладки │
│ │ │с поливинилхлоридной изоляцией│
│ │ │на номинальное напряжение до 450/750 В│
│ │ │включительно. Кабели в оболочке│
│ │ │для стационарной прокладки │
│ │ │с поливинилхлоридной изоляцией│
│ │ │на номинальное напряжение до 450/750 В│
│ │ │включительно. Часть 5. Гибкие кабели│
│ │ │(шнуры) │
│ │ │с поливинилхлоридной изоляцией│
│ │ │на номинальное напряжение до 450/750 В│
│ │ │включительно. Лифтовые кабели и кабели│
│ │ │для гибких соединений │
│ │ │с поливинилхлоридной изоляцией│
│ │ │на номинальное напряжение до 450/750 В│
│ │ │включительно. Кабели гибкие│
│ │ │экранированные и неэкранированные с двумя│
│ │ │или более токопроводящими жилами │
├──────────────────────┼────────┼─────────────────────────────────────────┤
│ │ │с резиновой изоляцией на номинальное│
│ │ │напряжение до 450/750 В включительно.│
│ │ │Часть 1. Общие требования │
│ │ │с резиновой изоляцией на номинальное│
│ │ │напряжение до 450/750 В включительно.│
│ │ │Методы испытаний │
│ │
IDT │ГОСТ Р МЭК 60245-3-97 Кабели│
│ │ │с резиновой изоляцией на номинальное│
│ │ │напряжение до 450/750 В включительно.│
│ │ │Кабели с нагревостойкой│
│ │ │кремнийорганической изоляцией │
│ │ │с резиновой изоляцией на номинальное│
│ │ │напряжение до 450/750 В включительно.│
│ │ │Часть 4. Шнуры и гибкие кабели │
│ │
IDT │ГОСТ Р МЭК 60245-6-97 Кабели│
│ │ │с резиновой изоляцией на номинальное│
│ │ │напряжение до 450/750 В включительно.│
│ │ │Кабели для электродной дуговой сварки │
│ │
IDT │ГОСТ Р МЭК 60245-7-97 Кабели│
│ │ │с резиновой изоляцией на номинальное│
│ │ │напряжение до 450/750 В включительно.│
│ │ │Кабели с нагревостойкой│
│ │ │этиленвинилацетатной резиновой изоляцией │
│ │ │с резиновой изоляцией на номинальное│
│ │ │напряжение до 450/750 В включительно.│
│ │ │Часть 8. Шнуры для областей применения,│
│ │ │требующих высокой гибкости │
├──────────────────────┼────────┼─────────────────────────────────────────┤
│МЭК 60249-2 │
MOD │ГОСТ 26246.1-89 (МЭК 249-2-1-85) Материал│
│ │ │электроизоляционный фольгированный│
│ │ │для печатных плат на основе целлюлозной│
│ │ │бумаги, пропитанной фенольным связующим,│
│ │ │обладающий высокими электрическими│
│ │ │характеристиками. Технические условия │
│ │
MOD │ГОСТ 26246.3-89 (МЭК 249-2-3-87) Материал│
│ │ │электроизоляционный фольгированный│
│ │ │нормированной горючести для печатных│
│ │ │плат на основе целлюлозной бумаги,│
│ │ │пропитанной эпоксидным связующим.│
│ │ │Технические условия │
│ │
MOD │ГОСТ 26246.4-89 (МЭК 249-2-4-87) Материал│
│ │ │электроизоляционный фольгированный│
│ │ │общего назначения для печатных плат│
│ │ │на основе стеклоткани, пропитанной│
│ │ │эпоксидным связующим. Технические условия│
│ │
MOD │ГОСТ 26246.5-89 (МЭК 249-2-5-87) Материал│
│ │ │электроизоляционный фольгированный│
│ │ │нормированной горючести для печатных│
│ │ │плат на основе стеклоткани, пропитанной│
│ │ │эпоксидным связующим. Технические условия│
├──────────────────────┼────────┼─────────────────────────────────────────┤
│МЭК 60249-2 │
MOD │ГОСТ 26246.6-89 (МЭК 249-2-6-85) Материал│
│ │ │электроизоляционный фольгированный│
│ │ │нормированной горючести для печатных плат│
│ │ │на основе стеклоткани, пропитанной│
│ │ │фенольным связующим (горизонтальный метод│
│ │ │горения). Технические условия │
│ │
MOD │ГОСТ 26246.7-89 (МЭК 249-2-7-87) Материал│
│ │ │электроизоляционный фольгированный│
│ │ │нормированной горючести для печатных плат│
│ │ │на основе стеклоткани, пропитанной│
│ │ │фенольным связующим (вертикальный метод│
│ │ │горения). Технические условия │
│ │
MOD │ГОСТ 26246.8-89 (МЭК 249-2-8-87) Пленка│
│ │ │полиэфирная фольгированная для гибких│
│ │ │печатных плат. Технические условия │
│ │
MOD │ГОСТ 26246.9-89 (МЭК 249-2-10-87)│
│ │ │Материал электроизоляционный│
│ │ │фольгированный нормированной горючести│
│ │ │для печатных плат на основе нетканой│
│ │ │(тканой) стеклоткани, пропитанной│
│ │ │эпоксидным связующим. Технические условия│
│ │
MOD │ГОСТ 26246.10-89 (МЭК 249-2-11-87)│
│ │ │Материал электроизоляционный│
│ │ │фольгированный тонкий общего назначения│
│ │ │для многослойных печатных плат на основе│
│ │ │стеклоткани, пропитанной эпоксидным│
│ │ │связующим. Технические условия │
│ │
MOD │ГОСТ 26246.11-89 (МЭК 249-2-12-87)│
│ │ │Материал электроизоляционный│
│ │ │фольгированный тонкий нормированной│
│ │ │горючести для многослойных печатных плат│
│ │ │на основе стеклоткани, пропитанной│
│ │ │эпоксидным связующим. Технические условия│
│ │
MOD │ГОСТ 26246.12-89 (МЭК 249-2-13-87) Пленка│
│ │ │полиимидная фольгированная общего│
│ │ │назначения для гибких печатных плат.│
│ │ │Технические условия │
│ │
MOD │ГОСТ 26246.13-89 (МЭК 249-2-15-87) Пленка│
│ │ │полиимидная фольгированная нормированной│
│ │ │горючести для гибких печатных плат.│
│ │ │Технические условия │
│ │
MOD │ГОСТ Р 50624-93 (МЭК 249-2-9-87) Материал│
│ │ │электроизоляционный фольгированный│
│ │ │нормированной горючести для печатных плат│
│ │ │на основе целлюлозной бумаги, пропитанной│
│ │ │эпоксидным связующим (внутренние слои),│
│ │ │и стеклоткани, пропитанной эпоксидным│
│ │ │связующим (наружные слои) (вертикальный│
│ │ │метод горения). Технические условия │
│ │
MOD │ГОСТ Р 50625-93 (МЭК 249-2-14-88)│
│ │ │Материал электроизоляционный│
│ │ │фольгированный экономичного сорта,│
│ │ │нормированной горючести для печатных плат│
│ │ │на основе целлюлозной бумаги, пропитанной│
│ │ │фенольным связующим (вертикальный метод│
│ │ │горения). Технические условия │
├──────────────────────┼────────┼─────────────────────────────────────────┤
│МЭК 60268-1:1985 │ - │
<*> │
├──────────────────────┼────────┼─────────────────────────────────────────┤
├──────────────────────┼────────┼─────────────────────────────────────────┤
│ │ │Соединители электрические бытового│
│ │ │и аналогичного назначения. Часть 1.│
│ │ │Общие требования и методы испытаний │
│ │
MOD │ГОСТ Р 51325.2.2-99 (МЭК 60320-2-2-98)│
│ │ │Соединители электрические бытового│
│ │ │и аналогичного назначения. Часть 2-2.│
│ │ │Дополнительные требования к вилкам│
│ │ │и розеткам для взаимного соединения│
│ │ │в приборах и методы испытаний │
│ │
MOD │ГОСТ Р 51325.2.3-2002 (МЭК 60320-2-3-98)│
│ │ │Соединители электрические бытового│
│ │ │и аналогичного назначения. Часть 2-3.│
│ │ │Дополнительные требования к соединителям│
│ │ │степени защиты свыше IPX0 и методы│
│ │ │испытаний │
├──────────────────────┼────────┼─────────────────────────────────────────┤
│ │ │Безопасность бытовых и аналогичных│
│ │ │электрических приборов. Часть 1. Общие│
│ │ │требования │
├──────────────────────┼────────┼─────────────────────────────────────────┤
│МЭК 60384-1:1999 │
IDT │ГОСТ Р МЭК 60384-1-2003 Конденсаторы│
│ │ │постоянной емкости для электронной│
│ │ │аппаратуры. Часть 1. Общие технические│
│ │ │условия │
├──────────────────────┼────────┼─────────────────────────────────────────┤
│МЭК 60384-14:1993 │
IDT │ГОСТ Р МЭК 60384-14-2004 Конденсаторы│
│ │ │постоянной емкости для электронной│
│ │ │аппаратуры. Часть 14. Групповые│
│ │ │технические условия на конденсаторы│
│ │ │постоянной емкости для подавления│
│ │ │электромагнитных помех и соединения│
│ │ │с питающими магистралями │
├──────────────────────┼────────┼─────────────────────────────────────────┤
│ │ │радиоэлектронная профессиональная.│
│ │ │Условные графические обозначения │
├──────────────────────┼────────┼─────────────────────────────────────────┤
│ │ │липкие электроизоляционные. Общие│
│ │ │технические требования │
│ │
MOD │ГОСТ 28019-89 (МЭК 454-2-74,│
│ │ │МЭК 454-2А-78) Ленты липкие│
│ │ │электроизоляционные. Методы испытаний │
│ │
MOD │ГОСТ 28020-89 (МЭК 454-3-1-76) Ленты│
│ │ │липкие электроизоляционные. Требования│
│ │ │к пластифицированным поливинилхлоридным│
│ │ │лентам с термопластичным адгезивом │
│ │
MOD │ГОСТ 28021-89 (МЭК 454-3-2-81) Ленты│
│ │ │липкие электроизоляционные. Требования│
│ │ │к полиэфирным лентам с термореактивным│
│ │ │адгезивом │
│ │
MOD │ГОСТ 28022-89 (МЭК 454-3-3-81) Ленты│
│ │ │липкие электроизоляционные. Требования│
│ │ │к полиэфирным лентам с термопластичным│
│ │ │адгезивом │
│ │
MOD │ГОСТ 28023-89 (МЭК 454-3-4-78) Ленты│
│ │ │липкие электроизоляционные. Требования│
│ │ │к крепированным бумажным лентам│
│ │ │с термореактивным адгезивом │
│ │ │липкие электроизоляционные. Требования│
│ │ │к бумажным лентам с термореактивным│
│ │ │адгезивом │
│ │
MOD │ГОСТ 28025-89 (МЭК 454-3-6-84) Ленты│
│ │ │липкие электроизоляционные. Требования│
│ │ │к поликарбонатным лентам│
│ │ │с термопластичным адгезивом │
│ │
MOD │ГОСТ 28026-89 (МЭК 454-3-7-84) Ленты│
│ │ │липкие электроизоляционные. Требования│
│ │ │к полиимидным лентам с термореактивным│
│ │ │адгезивом │
│ │
MOD │ГОСТ 28027-89 (МЭК 454-3-8-86) Ленты│
│ │ │липкие электроизоляционные. Требования│
│ │ │к стеклотканым лентам с термореактивным│
│ │ │адгезивом │
├──────────────────────┼────────┼─────────────────────────────────────────┤
│ │ │защиты, обеспечиваемые оболочками│
│ │ │(код IP) │
├──────────────────────┼────────┼─────────────────────────────────────────┤
│МЭК 60664-1:1992 │ │
<*> │
├──────────────────────┼────────┼─────────────────────────────────────────┤
│МЭК 60664-3:2003 │ │
<*> │
├──────────────────────┼────────┼─────────────────────────────────────────┤
│МЭК 60691:2002 │ │
<*> │
├──────────────────────┼────────┼─────────────────────────────────────────┤
│МЭК 60695-2-2:1991 │ │
<*> │
├──────────────────────┼────────┼─────────────────────────────────────────┤
│МЭК 60695-11-10:1999 │ │
<*> │
├──────────────────────┼────────┼─────────────────────────────────────────┤
│МЭК 60707:1999 │ - │
<*> │
├──────────────────────┼────────┼─────────────────────────────────────────┤
│МЭК 60730 │
IDT │ГОСТ Р МЭК 60730-1-2002 Автоматические│
│ │ │электрические управляющие устройства│
│ │ │бытового и аналогичного назначения.│
│ │ │Общие требования и методы испытаний │
│ │ │электрические управляющие устройства│
│ │ │бытового и аналогичного назначения.│
│ │ │Дополнительные требования к электрическим│
│ │ │управляющим устройствам для бытовых│
│ │ │электроприборов и методы испытаний │
│ │
IDT │ГОСТ Р МЭК 730-2-2-94 Автоматические│
│ │ │электрические управляющие устройства│
│ │ │бытового и аналогичного назначения.│
│ │ │Дополнительные требования к устройствам│
│ │ │тепловой защиты двигателей и методы│
│ │ │испытаний │
│ │
IDT │ГОСТ Р МЭК 730-2-4-94 Автоматические│
│ │ │электрические управляющие устройства│
│ │ │бытового и аналогичного назначения.│
│ │ │Дополнительные требования к устройствам│
│ │ │тепловой защиты двигателей│
│ │ │мотор-компрессоров герметичного│
│ │ │и полугерметичного типов и методы│
│ │ │испытаний │
│ │
IDT │ГОСТ Р МЭК 730-2-7-94 Автоматические│
│ │ │электрические управляющие устройства│
│ │ │бытового и аналогичного назначения.│
│ │ │Дополнительные требования к таймерам│
│ │ │и временным выключателям и методы│
│ │ │испытаний │
│ │
IDT │ГОСТ Р МЭК 730-2-9-94 Автоматические│
│ │ │электрические управляющие устройства│
│ │ │бытового и аналогичного назначения.│
│ │ │Дополнительные требования│
│ │ │к термочувствительным устройствам│
│ │ │и методы испытаний │
│ │
IDT │ГОСТ Р МЭК 730-2-10-96 Автоматические│
│ │ │электрические управляющие устройства│
│ │ │бытового и аналогичного назначения.│
│ │ │Дополнительные требования к пусковым│
│ │ │реле электродвигателей и методы│
│ │ │испытаний │
├──────────────────────┼────────┼─────────────────────────────────────────┤
│МЭК 60825-1:1993 │ - │
<*> │
├──────────────────────┼────────┼─────────────────────────────────────────┤
│МЭК 60851-3:1996 │
IDT │ГОСТ Р МЭК 60851-3-2002 Провода│
│ │ │обмоточные. Методы испытаний. Часть 3.│
│ │ │Механические свойства │
├──────────────────────┼────────┼─────────────────────────────────────────┤
│ │ │обмоточные. Методы испытаний. Часть 5.│
│ │ │Электрические свойства │
├──────────────────────┼────────┼─────────────────────────────────────────┤
│ │ │обмоточные. Методы испытаний. Часть 6.│
│ │ │Термические свойства │
├──────────────────────┼────────┼─────────────────────────────────────────┤
│ │ │Соединители электрические штепсельные│
│ │ │бытового и аналогичного назначения.│
│ │ │Часть 1. Общие требования и методы│
│ │ │испытаний │
│ │
MOD │ГОСТ Р 51322.2.2-99 (МЭК 60844-2-2-89)│
│ │ │Соединители электрические штепсельные│
│ │ │бытового и аналогичного назначения.│
│ │ │Часть 2. Дополнительные требования│
│ │ │к розеткам для приборов и методы│
│ │ │испытаний │
│ │
MOD │ГОСТ Р 51322.2.4-99 (МЭК 60844-2-4-93)│
│ │ │Соединители электрические штепсельные│
│ │ │бытового и аналогичного назначения.│
│ │ │Часть 2. Дополнительные требования│
│ │ │к вилкам и розеткам для системы БСНН│
│ │ │и методы испытаний │
│ │
MOD │ГОСТ Р 51322.2.5-99 (МЭК 60844-2-5-97)│
│ │ │Соединители электрические штепсельные│
│ │ │бытового и аналогичного назначения.│
│ │ │Часть 2. Дополнительные требования│
│ │ │к переходникам (адаптерам) и методы│
│ │ │испытаний │
│ │
MOD │ГОСТ Р 51322.2.6-99 (МЭК 60844-2-6-97)│
│ │ │Соединители электрические штепсельные│
│ │ │бытового и аналогичного назначения.│
│ │ │Часть 2-6. Дополнительные требования│
│ │ │к розеткам с выключателями с блокировкой│
│ │ │для стационарных установок и методы│
│ │ │испытаний │
├──────────────────────┼────────┼─────────────────────────────────────────┤
│МЭК 60885-1:1987 │ - │
<*> │
├──────────────────────┼────────┼─────────────────────────────────────────┤
│МЭК 60906 │
IDT │ГОСТ Р МЭК 906-3-96 Система МЭК вилок│
│ │ │и штепсельных розеток бытового│
│ │ │и аналогичного назначения. Частные│
│ │ │требования к вилкам и штепсельным│
│ │ │розеткам системы безопасного сверхнизкого│
│ │ │напряжения (SELV) 6, 12, 24 и 48 В│
│ │ │и номинальный ток 16 А. Технические│
│ │ │условия │
├──────────────────────┼────────┼─────────────────────────────────────────┤
│ │ │оборудования информационных технологий │
├──────────────────────┼────────┼─────────────────────────────────────────┤
│МЭК 60990:1999 │ - │
<*> │
├──────────────────────┼────────┼─────────────────────────────────────────┤
│МЭК 60998-2-2:200 │ - │
<*> │
├──────────────────────┼────────┼─────────────────────────────────────────┤
│МЭК 60999-1:1999 │
MOD │ГОСТ Р 51686.1-2000 (МЭК 60999-1-99)│
│ │ │Соединительные устройства. Требования│
│ │ │безопасности к контактным зажимам.│
│ │ │Часть 1. Требования к винтовым│
│ │ │и безвинтовым контактным зажимам│
│ │ │для соединения медных проводников│
│ │ │с номинальным сечением от 0,2 до 35│
│ │ │мм кв. │
├──────────────────────┼────────┼─────────────────────────────────────────┤
│МЭК 61032:1997 │
IDT │ГОСТ Р МЭК 61032-2000 Защита людей│
│ │ │и оборудования, обеспечиваемая│
│ │ │оболочками. Щупы испытательные │
├──────────────────────┼────────┼─────────────────────────────────────────┤
│МЭК 61051-2:1991 │ - │
<*> │
├──────────────────────┼────────┼─────────────────────────────────────────┤
│МЭК 61058-1:2000 │ - │
<*> │
├──────────────────────┼────────┼─────────────────────────────────────────┤
│МЭК 61149:1995 │ - │
<*> │
├──────────────────────┼────────┼─────────────────────────────────────────┤
│МЭК 61260:1995 │ - │
<*> │
├──────────────────────┼────────┼─────────────────────────────────────────┤
│МЭК 61293:1994 │
IDT │ГОСТ Р МЭК 61293-2000 Оборудование│
│ │ │электротехническое. Маркировка│
│ │ │с указанием параметров и характеристик│
│ │ │источников питания. Требования│
│ │ │безопасности │
├──────────────────────┼────────┼─────────────────────────────────────────┤
│МЭК 61558-1:1997 │ - │
<*> │
├──────────────────────┼────────┼─────────────────────────────────────────┤
│МЭК 61558-2-17:1997 │ - │
<*> │
├──────────────────────┼────────┼─────────────────────────────────────────┤
│МЭК 61965:2003 │ - │
<*> │
├──────────────────────┼────────┼─────────────────────────────────────────┤
│МЭК 62151:2000 │ - │
<*> │
├──────────────────────┼────────┼─────────────────────────────────────────┤
│МЭК Руководство │ - │
<*> │
│104:1997 │ │ │
├──────────────────────┼────────┼─────────────────────────────────────────┤
│ИСО 261:1973 │ - │
<*> │
├──────────────────────┼────────┼─────────────────────────────────────────┤
│ИСО 262:1973 │ - │
<*> │
├──────────────────────┼────────┼─────────────────────────────────────────┤
│ИСО 306:1994 │ - │
<*> │
├──────────────────────┼────────┼─────────────────────────────────────────┤
│ │ │для химической чистки одежды. Символы│
│ │ │органов управления и других устройств │
├──────────────────────┼────────┼─────────────────────────────────────────┤
│МСЭ-Т, Рекомендации │ - │
<*> │
│К.17:1988 │ │ │
├──────────────────────┼────────┼─────────────────────────────────────────┤
│МСЭ-Т, Рекомендации │ - │
<*> │
│К.21:1996 │ │ │
├──────────────────────┴────────┴─────────────────────────────────────────┤
│ <*> Соответствующий национальный стандарт отсутствует. До его│
│утверждения рекомендуется использовать перевод на русский язык данного│
│международного стандарта. Перевод данного международного стандарта│
│находится в Федеральном информационном фонде технических регламентов│
│и стандартов. │
│ Примечание: в настоящей таблице использованы следующие условные│
│обозначения степени соответствия стандартов: │
│ - IDT - идентичные стандарты; │
│ - MOD - модифицированные стандарты. │
└─────────────────────────────────────────────────────────────────────────┘
[1] МЭК 60083:1997 Вилки и розетки бытового и аналогичного
назначения, стандартизованные в странах -
членах МЭК
(IEC 60083:1997) (Plugs and socket-outlets for domestic and
similar general use standardized in the member
countries of IEC)
[2] МЭК 60130 Соединители для частот до 3 МГц
(IEC 60130) (Connectors for frequencies below 3 MHz)
[3] МЭК 60169 Высокочастотные разъемы
(IEC 60169) (Radio frequency connectors)
[4] МЭК 60173:1964 Расцветка жил гибких кабелей и шнуров
(IEC 60173:1964) (Colours of the cores of flexible cables
and cords)
[5] МЭК 60335-2-56:1997 Безопасность бытовых и аналогичных приборов.
Часть 2. Дополнительные требования к проекторам
и аналогичной аппаратуре
(IEC 60335-2-56:1997) (Safety of household and similar electrical
appliances - Part 2: Particular requirements
for projectors and similar appliances)
[6] МЭК 60335-2-82:1999 Безопасность бытовых и аналогичных
электрических приборов. Часть 2. Частные
требования для обслуживающих машин и машин
для развлечений
(IEC 60335-2-82:1999) (Safety of household and similar electrical
appliances - Part 2-82: Particular requirements
for service machines and amusement machines)
[7] МЭК 60410:1973 Планы выборочного контроля и процедуры проверки
характеристик
(IEC 60410:1973) (Sampling plans and procedures for inspection
by attributes)
[8] МЭК 60598-2-9:1987 Светильники. Часть 2. Частные требования.
Раздел 9. Светильники для фото- и киносъемок
(непрофессиональные)
(IEC 60598-2-9:1987) (Luminaires; part 2: particular requirements;
section nine: photo and film luminaires
(non-professional))
[9] МЭК 60598-2-17:1984 Светильники. Часть 2. Частные требования.
Раздел 17. Светильники для рамп, телевизионных,
кино- и фотостудий (для наружной и внутренней
установки)
(IEC 60598-2-17:1984) (Luminaires. Part 2: Particular requirements.
Section seventeen - Luminaires for stage
lighting, television and film studios (outdoor
and indoor))
[10] МЭК 60664-4:1997 Согласование изоляции для оборудования,
находящегося в пределах низковольтных систем.
Часть 4. Анализ воздействия высокой частоты
(IEC 60664-4:1997) (Insulation coordination for equipment within
low-voltage systems - Part 4: Considerations
of high-frequency voltage stress)
[11] МЭК 60695 Испытания на пожароопасность
(IEC 60695) (Fire hazard testing)
[12] МЭК 61040:1990 Измерительные детекторы мощности и энергии,
приборы и оборудование для лазерного излучения
(IEC 61040:1990) (Power and energy measuring detectors,
instruments and equipment for laser radiation)
[13] МЭК 61558-2-1:1997 Безопасность силовых трансформаторов, блоков
питания и подобных устройств. Часть 2. Частные
требования для разделительных трансформаторов
общего применения
(IEC 61558-2-1:1997) (Safety of power transformers, power supply
units and similar - Part 2: Particular
requirements for transformers for switch mode
power supplies)
[14] МЭК 61558-2-4:1997 Безопасность силовых трансформаторов, блоков
питания и подобных устройств. Часть 2. Частные
требования для изолирующих трансформаторов
общего применения
(IEC 61558-2-4:1997) (Safety of power transformers, power supply
units and similar - Part 2: Particular
requirements for isolating transformers for
general use)
[15] МЭК 61558-2-6:1997 Безопасность силовых трансформаторов, блоков
питания и подобных устройств. Часть 2. Частные
требования для изолирующих трансформаторов,
обеспечивающих безопасность общего применения
(IEC 61558-2-6:1997) (Safety of power transformers, power supply
units and similar - Part 2: Particular
requirements for safety isolating transformers
for general use)
[16] МЭК Руководство Взаимодействие между техническими комитетами
108:1994 одного направления и комитетами по продукции
и использование основных публикаций
(IEC Guide 108:1994) (The relationship between technical committees
with horizontal functions and product
committees and the use of basic publications)
[17] МЭК Руководство Аспекты окружающей среды применительно
109:1995 к стандартам на электротехнические изделия
(IEC Guide 109:1995) (Environmental aspects - Inclusion in
electrotechnical product standards)
[18] МЭК Руководство Руководство по безопасности мультимедийного
112:2000 оборудования
(IEC Guide 112:2000) (Guide on the safety of multimedia equipment)
[19] ИСО/МЭК Руководство Руководства по использованию товаров массового
37:1995 потребления
(ISO/IEC Guide (Instructions for use of products of consumer
37:1995) interest)
[20] ИСО/МЭК Руководство Руководящие принципы по внесению в стандарты
51:1999 требований по безопасности
(ISO/IEC Guide (Safety aspects - Guidelines for their
51:1999) inclusion in standards)
[21] ИСО 1043-1:1997 Пластмассы. Обозначение и краткие
характеристики. Часть 1. Основные полимеры
и их специальные характеристики
(ISO 1043-1:1997) (Plastics - Symbols and abbreviated terms -
Part 1: Basic polymers and their special
characteristics)
[22] ИСО 2859-1:1999 Методики выборочного исследования для проверки
характеристик. Часть 1. Планы выборочного
контроля, индексированные допустимым уровнем
качества (AQL) для выборочного контроля партий
(ISO 2859-1:1999) (Sampling procedures for inspection by
attributes. Part 1: Sampling schemes indexed
by acceptance quality limit (AQL) for
lot-by-lot inspection)
[23] ИСО 9000 Системы менеджмента качества. Основные
положения и словарь
(ISO 9000) (Quality management systems - Fundamentals and
vocabulary)
[24] МКРЗ 15:1969 Защита от внешних источников ионизирующего
излучения. Опубликован международной комиссией
по радиационной защите
(ICRP 15:1969) (Protection against external sources of
ionizing radiation. It is published by
International Commission on Radiological
Protection)
[25] МСЭ-Т, Рекомендации Принципы защиты от перенапряжений
К.11:1993 и перегрузок по току
(ITU-T Recommendation (Principles of protection against overvoltages
K.11) and overcurrents)