Главная // Актуальные документы // ГОСТ Р (Государственный стандарт)СПРАВКА
Источник публикации
М.: ИПК Издательство стандартов, 2000
Примечание к документу
Утратил силу с 1 июля 2012 года в связи с изданием
Приказа Росстандарта от 28.09.2011 N 381-ст. Взамен введен в действие
ГОСТ Р 51322.1-2011.
Документ включен в
Перечень документов в области стандартизации, в результате применения которых на добровольной основе обеспечивает соблюдение требований Федерального
закона от 27.12.2009 N 347-ФЗ "Технический регламент о безопасности низковольтного оборудования" (
Приказ Росстандарта от 14.09.2010 N 3546).
Документ включен в
Перечень документов в области стандартизации, содержащих правила и методы исследований (испытаний) и измерений, в том числе правила отбора образцов, необходимых для применения и исполнения Федерального
закона от 27.12.2009 N 347-ФЗ и осуществления оценки соответствия (
Распоряжение Правительства РФ от 29.07.2010 N 1284-р).
Документ включен в
Перечень национальных стандартов, содержащих правила и методы исследований (испытаний) и измерений, в том числе правила отбора образцов, необходимые для применения и исполнения Федерального
закона от 22.07.2008 N 123-ФЗ и осуществления оценки соответствия (
Распоряжение Правительства РФ от 10.03.2009 N 304-р).
С 1 июля 2003 года до вступления в силу технических регламентов акты федеральных органов исполнительной власти в сфере технического регулирования носят рекомендательный характер и подлежат обязательному исполнению только в части, соответствующей целям, указанным в
пункте 1 статьи 46 Федерального закона от 27.12.2002 N 184-ФЗ.
Текст документа приведен с учетом
поправки, опубликованной в "ИУС", N 9, 2001.
Введен в действие с 1 января 2001 года.
Название документа
"ГОСТ Р 51322.1-99 (МЭК 60884-1-94). Соединители электрические штепсельные бытового и аналогичного назначения. Часть 1. Общие требования и методы испытаний"
(утв. Постановлением Госстандарта РФ от 29.12.1999 N 876-ст)
"ГОСТ Р 51322.1-99 (МЭК 60884-1-94). Соединители электрические штепсельные бытового и аналогичного назначения. Часть 1. Общие требования и методы испытаний"
(утв. Постановлением Госстандарта РФ от 29.12.1999 N 876-ст)
Утвержден и введен в действие
Постановлением Госстандарта РФ
от 29 декабря 1999 г. N 876-ст
ГОСУДАРСТВЕННЫЙ СТАНДАРТ РОССИЙСКОЙ ФЕДЕРАЦИИ
СОЕДИНИТЕЛИ ЭЛЕКТРИЧЕСКИЕ
ШТЕПСЕЛЬНЫЕ БЫТОВОГО И АНАЛОГИЧНОГО НАЗНАЧЕНИЯ
ЧАСТЬ 1
ОБЩИЕ ТРЕБОВАНИЯ И МЕТОДЫ ИСПЫТАНИЙ
Plugs and socket-outlets for household
and similar purposes. Part 1.
Requirements and methods of tests
ГОСТ Р 51322.1-99
(МЭК 60884-1-94)
Дата введения
1 января 2001 года
1. Разработан и внесен Техническим комитетом по стандартизации ТК 330 "Электроустановочные изделия" ТКЦ "ЭЛЕКТРОБЫТ".
2. Утвержден и введен в действие Постановлением Госстандарта России от 29 декабря 1999 г. N 876-ст.
3. Настоящий стандарт содержит полный аутентичный текст международного стандарта МЭК 60884-1-94 (второе издание) "Соединители электрические штепсельные бытового и аналогичного назначения. Часть 1. Общие требования" с учетом Изменений N 1 (1994), N 2 (1995) и дополнительными требованиями, учитывающими потребности экономики страны.
4. Введен впервые.
Настоящий основополагающий стандарт устанавливает область применения, основные параметры, технические требования и методы испытаний соединителей бытового и аналогичного назначения и разработан для обеспечения нормирования требований, обеспечивающих безопасность и создание нормативной основы для проведения в России сертификации бытовых соединителей на основе прямого применения второго издания международного стандарта МЭК 60884-1-94 с дополнительными требованиями, учитывающими потребности экономики страны.
Стандартизация этих требований будет способствовать повышению безопасности эксплуатации потребителем бытовых соединителей и дальнейшему расширению межгосударственных отношений и взаимных поставок в новом тысячелетии.
Стандарт содержит требования, правила и методы испытаний, которые дополняют, заменяют или исключают соответствующие разделы и/или пункты ГОСТ 7396.0, в том числе:
- отсутствуют требования к соединителям класса защиты 0;
- введены определения формующих винтов (
3.23,
3.24), типовых и приемосдаточных испытаний (
3.28 и
3.29);
-
5.1 дополнен типовыми и приемосдаточными испытаниями;
- введен
5.6 в части требований по безопасности к соединителям при приемосдаточных испытаниях;
- в
8.1 введен абзац по определению результирующей степени защиты вилка/розетка;
- изменено содержание требований
8.5 по маркировке контактных зажимов;
- введен
8.8 по обеспечению требований заявленной степени защиты для стационарных розеток;
- в
12.3.12 введены требования по испытанию проводников в безвинтовых контактных зажимах (
рисунок 12);
- введены более подробные требования к безопасности и конструкции крышек и закрывающих пластин;
- в
13.22 введены дополнительные требования к вводным отверстиям розеток (
таблица 14);
- изменены и расширены требования в
14.10 (
14.10.1 -
14.10.3),
14.11 к контактным зажимам разборных соединителей и контактным соединениям опрессованных соединителей;
- в
16.2.1 введена новая установка для испытания защиты от проникновения воды;
- в
раздел 19 введена методика определения превышения температуры и конструкция испытательного блока;
- в
разделе 21 уточнена и дополнена методика испытания розеток с упругими заземляющими контактными гильзами и вилок с полыми трубчатыми штырями;
в
разделе 22 приведены более жесткие требования к определению максимального и минимального усилия при разъеме штырей вилки с гнездами розетки (
таблица 16);
-
раздел 24 испытаний на механическую прочность дополнен
24.14,
24.15,
24.16,
24.17 и
24.18 в части испытания усилиями, необходимыми для проверки крепления крышек или закрывающих пластин;
- уточнена и дополнена методика
28.1.1 по испытанию изделий раскаленной проволокой.
Анализ вышеизложенного позволяет утверждать, что настоящий стандарт регламентирует современные повышенные требования безопасности вилок и розеток на территории Российской Федерации взамен действующего государственного стандарта ГОСТ 7396.0.
Настоящий стандарт не более чем на 15% изменяет и дополняет предыдущее издание МЭК 60884-1-87.
Дополнительные требования к соединителям конкретных типов приведены в комплексе стандартов ГОСТ Р 51322.
Информацию о нормативной документации по стандартизации и консультации при разработке, изготовлении и эксплуатации указанных соединителей представляет Всероссийский научно-исследовательский институт по стандартизации и сертификации в машиностроении (ВНИИНМАШ) - 123007, г. Москва, ул. Шеногина, 4.
Настоящий стандарт распространяется на вилки и розетки как стационарные, так и переносные бытового и аналогичного назначения, предназначенные для присоединения электрических приемников с номинальным напряжением св. 50 В, но не выше 440 В и номинальными токами не более 32 А к электрической сети переменного тока при внутренней и наружной установке в зданиях.
Номинальный ток для розеток с безвинтовыми контактными зажимами ограничен максимально до 16 А.
Стандарт устанавливает только общие требования к монтажным коробкам для открытой установки розеток, которые необходимы для их испытания.
Примечание. Общие требования к монтажным коробкам - по
ГОСТ Р 50827.
Стандарт распространяется также на вилки, опрессованные со шнуром, и вилки и переносные розетки, опрессованные со шнуром.
Стандарт также охватывает вилки и розетки, которые являются частью приборов, если нет иных указаний в стандартах на соответствующие приборы.
Примечание. С настоящим стандартом применяют стандарты на дополнительные требования к:
- адаптерам по ГОСТ Р 51322.2.5;
- вилкам, стационарным и переносным розеткам для системы БСНН по ГОСТ Р 51322.2.4 и другие.
Стандарт не распространяется:
- на вилки и розетки промышленного назначения;
- на вилки и стационарные и переносные розетки для сверхнизких напряжений;
Примечание. Применение защиты посредством систем сверхнизких напряжений ЗСНН И ФСНН согласно ГОСТ 30331.3/
ГОСТ Р МЭК 50571.3.
- на соединители приборные;
- на стационарные розетки с предохранителем, автоматические выключатели и т.д.
Примечание. Розетки со световой индикацией рассматриваются в настоящем стандарте при условии, что световые индикаторы удовлетворяют также требованиям соответствующих стандартов.
&Вилки, стационарные и переносные розетки, соответствующие настоящему стандарту, предназначены для работы при температуре окружающей среды до 25 °C с допустимым временным увеличением до 35 °C.&
Примечание. Розетки, соответствующие настоящему стандарту, предназначены для встраивания в оборудование, где температура окружающей среды не превышает 35 °C.
Стандарт не распространяется на вилки и розетки, предназначенные для использования в местах с особыми условиями среды, например, на средства водного и наземного транспорта, а также во взрывоопасных условиях.
Требования по безопасности вилок и розеток соответствуют непосредственно примененным в МЭК 60884-1-94. По мере накопления опыта по проектированию, изготовлению, испытанию вилок и розеток, а также принимая во внимание замечания потребителей настоящий стандарт будет дополняться требованиями по качеству.
Требования настоящего стандарта являются обязательными и распространяются на вновь разрабатываемую продукцию.
Графический материал стандарта следует использовать при разработке рабочих чертежей калибров или шаблонов для проверки установок для испытаний штепсельных соединителей.
| | ИС МЕГАНОРМ: примечание. Методы испытаний, выделенные курсивом в официальном тексте документа, в электронной версии документа отмечены знаком "&". | |
В тексте стандарта методы испытаний выделены курсивом, примечания - петитом.
Дополнительные требования, учитывающие потребности экономики страны, приведены в
Приложении Б.
Раздел или пункт стандарта, отмеченные #, имеют дополнительные требования, приведенные в
Приложении Б.
ГОСТ 12.2.007.0-75. Система стандартов безопасности труда. Изделия электротехнические. Общие требования безопасности
ГОСТ 7396.0-89 (МЭК 884-1-87). Соединители электрические штепсельные бытового и аналогичного назначения. Общие технические условия
ГОСТ 7396.1-89 (МЭК 83-75). Соединители электрические штепсельные бытового и аналогичного назначения. Основные размеры
ГОСТ 8594-80. Коробки для установки выключателей, переключателей и штепсельных розеток при скрытой электропроводке. Общие технические условия
ГОСТ 8724-81. Основные нормы взаимозаменяемости. Резьба метрическая. Диаметры и шаги
ГОСТ 14254-96 (МЭК 529-89). Степени защиты, обеспечиваемые оболочками (Код IP)
ГОСТ 16504-81. Система государственных испытаний продукции. Испытания и контроль качества продукции. Основные термины и определения
ГОСТ 27473-87 (МЭК 112-79). Материалы электроизоляционные твердые. Метод определения сравнительного и контрольного индексов трекингостойкости во влажной среде
ГОСТ 24622-91 (ИСО 2039-2-87). Пластмассы. Определение твердости. Твердость по Роквеллу
ГОСТ 27483-87 (МЭК 695-2-1-80). Испытания на пожароопасность. Методы испытаний. Испытания нагретой проволокой
ГОСТ 28216-89 (МЭК 68-2-30-87). Основные методы испытаний на воздействие внешних факторов
ГОСТ 28312-89 (МЭК 417-73). Аппаратура радиоэлектронная профессиональная. Условные графические обозначения
ГОСТ 30331.3-95 (МЭК 364-4-41-82)/
ГОСТ Р 50571.3-94 (МЭК 364-4-41-92). Электроустановки зданий. Часть 4. Требования по обеспечению безопасности. Защита от поражения электрическим током
ГОСТ Р МЭК 227-5-94. Кабели с поливинилхлоридной изоляцией на номинальное напряжение до 450/750 В включительно. Гибкие кабели (шнуры)
ГОСТ Р МЭК 245-1-97. Кабели с резиновой изоляцией на номинальное напряжение до 450/750 В включительно. Общие требования
ГОСТ Р МЭК 245-4-97. Кабели с резиновой изоляцией на номинальное напряжение до 450/750 В включительно. Шнуры и гибкие кабели
ГОСТ Р 50827-95 (МЭК 670-89). Корпусы для аппаратов, устанавливаемые в стационарные электрические установки бытового и аналогичного назначения. Общие требования и методы испытаний
ГОСТ Р 51322.2.4-99 (МЭК 60884-2-4-93). Соединители электрические штепсельные бытового и аналогичного назначения. Часть 2. Дополнительные требования к вилкам и розеткам для системы БСНН и методы испытаний
ГОСТ Р 51322.2.5-99 (МЭК 60884-2-5-95). Соединители электрические штепсельные бытового и аналогичного назначения. Часть 2. Дополнительные требования к переходникам (адаптерам) и методы испытаний
ГОСТ Р 51325.1-99 (МЭК 60320-1-94). Соединители электрические бытового и аналогичного назначения. Общие требования и методы испытаний
ГОСТ Р 51539-99 (МЭК 61242-95). Удлинители бытового и аналогичного назначения. Общие требования и методы испытаний
ГОСТ Р 60227-1-99. Кабели с поливинилхлоридной изоляцией на номинальное напряжение до 450/750 В включительно. Общие требования.
Примечания. 1. При отсутствии других указаний под понятиями "напряжение" и "ток" подразумевают средние квадратические значения этих величин.
2. Термин "заземление" означает "защитное заземление".
3. Термин "соединитель" используют как обычный термин для вилок и розеток, термин "переносной соединитель" распространяют на вилки и переносные розетки.
4. Термин "розетка" охватывает стационарные и переносные розетки, за исключением случаев, когда имеются специальные указания.
В настоящем стандарте применяют следующие термины с соответствующими определениями:
(Пример использования соединителей показан на рисунке 1а).
1 - розетка стационарная; 2 - вилка опрессованная;
3 - удлинитель одноместный; 4 - соединитель штепсельный;
5 - розетка переносная опрессованная; 6 - вилка
опрессованная; 7 - соединитель штепсельный; 8 - розетка
приборная опрессованная; 9 - удлинитель с приборной
розеткой; 10 - вилка приборная; 11 - прибор;
12 - соединитель приборный
Рисунок 1а. Пример использования соединителей
Рисунок 1б. Многоместная переносная розетка (удлинитель)
3.1. Вилка: часть соединителя, имеющая штыри для осуществления контакта с розеткой и средство для электрического соединения и закрепления гибкого кабеля.
3.2. Розетка: часть соединителя, имеющая контакты для соединения со штырями вилки и контактные зажимы для присоединения кабеля, шнура или провода.
3.3. Стационарная розетка: розетка, предназначенная для соединения со стационарной проводкой.
3.4. Переносная розетка: розетка, предназначенная для соединения с гибким кабелем или шнуром или являющаяся частью гибкого кабеля или шнура, присоединив которую к сети можно легко перемещать с одного места на другое.
3.5. Многоместная розетка: комбинация двух или большего числа розеток.
3.6. Розетка для приборов: розетка, предназначенная для встраивания в прибор.
3.7. Разборные вилки и разборные переносные розетки: вилки и розетки, конструкция которых допускает замену гибкого кабеля или шнура.
3.8. Опрессованные вилки и переносные розетки: вилки и розетки, сконструированные так, что они являются одним целым с гибким кабелем или шнуром после соединения, произведенного изготовителем (см.
14.1).
3.9. Неразборный соединитель: опрессованный соединитель, изготовление которого завершается заливкой изоляционным материалом, охватывающим прессованием части соединителя и концы гибкого кабеля или шнура, или соединитель, соответствующий требованиям
14.1.
3.10. Монтажная коробка: коробка в стене, на стене, на или в полу, на или в потолке для скрытой или открытой установки, предназначенная для установки в них стационарных розеток.
3.11. Удлинитель (шнур присоединительный): изделие, состоящее из гибкого кабеля или шнура с опрессованной вилкой и опрессованной или разборной одно- или многоместной переносной розеткой и предназначенное для присоединения бытовых электроприборов к электрической сети.
3.12. Армированный шнур: изделие, состоящее из гибкого кабеля или шнура с опрессованной вилкой и переносной розеткой.
3.13. Контактный зажим: изолированное или неизолированное соединительное устройство, предназначенное для разборного электрического и механического присоединения кабеля, шнура или провода.
3.14. Контактное соединение: изолированное или неизолированное соединительное устройство, предназначенное для неразборного электрического присоединения кабеля, шнура или провода.
3.15. Зажимной узел контактного зажима: часть контактного зажима, необходимая для механического зажима и электрического соединения кабеля, шнура или провода.
3.16. Контактный зажим винтового типа: контактный зажим для присоединения и последующего отсоединения одного, двух и более проводов. Соединение может быть произведено путем прижатия проводника или кабельного наконечника, закрепленного на проводнике, к рабочей контактной поверхности вывода винтом или гайкой.
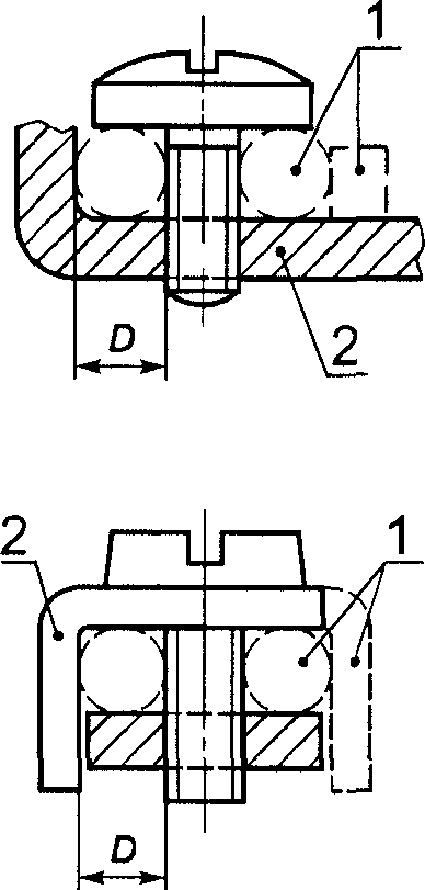
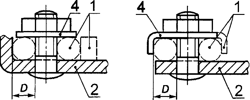
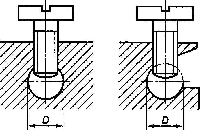
3.17. Торцевой контактный зажим: контактный зажим винтового типа, в котором жила кабеля, шнура или провода вставляется в отверстие или паз и прижимается торцем винта или винтов.
Усилие зажима может осуществляться самим винтом или с помощью промежуточного зажимного устройства, к которому прилагается усилие винта.
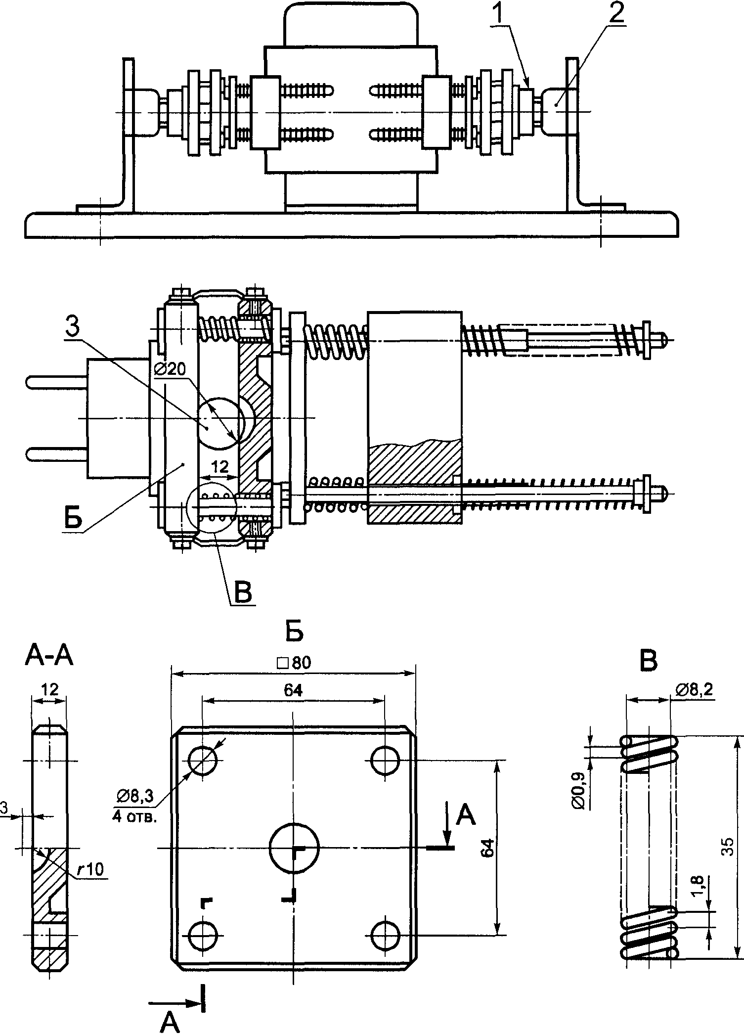
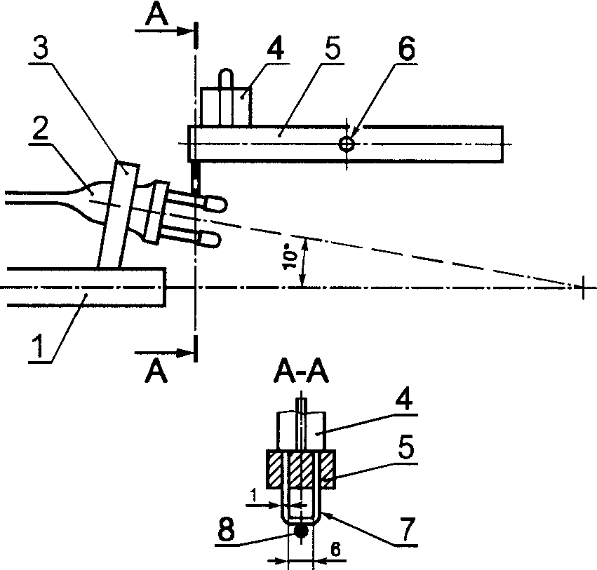
Примечание. Пример торцевого зажима приведен на
рисунке 2.
Зажимы без прижимной пластины
Эллиптическое отверстие зажима
Зажимы с прижимной пластиной
┌──────────┬─────────┬──────────┬────────────────────────────────┐
│ Сечение │Минималь-│Минималь- │ Крутящий момент, Н x м │
│проводника│ный │ное │ │
│в зажиме, │диаметр D│расстояние│ │
│ мм2 │или мини-│g между │ │
│ │мальные │зажимным │ │
│ │размеры │винтом │ │
│ │места │и концом ├──────────┬──────────┬──────────┤
│ │располо- │проводни- │ 1
<*> │ 3
<*> │ 4
<*> │
│ │жения │ка, пол- │ │ │ │
│ │проводни-│ностью │ │ │ │
│ │ка, мм │вставлен- │ │ │ │
│ │ │ного в │ │ │ │
│ │ │зажим, мм │ │ │ │
│ │ ├────┬─────┼────┬─────┼────┬─────┼────┬─────┤
│ │ │один│ два │один│ два │один│ два │один│ два │
│ │ │винт│винта│винт│винта│винт│винта│винт│винта│
│ │ │ │ │ │ │ │ │ │ │
│ │ │ │ │ │ │ │ │ │ │
│ │ │ │ │ │ │ │ │ │ │
├──────────┼─────────┼────┼─────┼────┼─────┼────┼─────┼────┼─────┤
│ 1,5 │ 2,5 │1,5 │ 1,5 │0,20│0,20 │0,4 │ 0,4 │0,4 │ 0,4 │
├──────────┼─────────┤ │ ├────┤ ├────┤ ├────┤ │
│2,5 │ 2,0 │ │ │0,25│ │0,5 │ │0,5 │ │
│(цилиндри-│ │ │ │ │ │ │ │ │ │
│ческое │ │ │ │ │ │ │ │ │ │
│отверстие)│ │ │ │ │ │ │ │ │ │
├──────────┼─────────┤ │ │ │ │ │ │ │ │
│2,5 │2,5 Ч 4,5│ │ │ │ │ │ │ │ │
│(эллипти- │ │ │ │ │ │ │ │ │ │
│ческое │ │ │ │ │ │ │ │ │ │
│отверстие)│ │ │ │ │ │ │ │ │ │
├──────────┼─────────┼────┤ ├────┤ ├────┤ ├────┤ │
│ 4,0 │ 3,6 │1,8 │ │0,40│ │0,8 │ │0,8 │ │
├──────────┼─────────┤ │ │ ├─────┤ ├─────┤ ├─────┤
│ 6,0 │ 4,0 │ │ │ │0,25 │ │ 0,5 │ │ 0,5 │
├──────────┼─────────┼────┤ ├────┤ ├────┤ ├────┤ │
│ 10,0 │ 4,5 │2,0 │ │0,70│ │1,2 │ │1,2 │ │
├──────────┴─────────┴────┴─────┴────┴─────┴────┴─────┴────┴─────┤
│ <*> Относится к винтам, указанным в соответствующих графах│
└────────────────────────────────────────────────────────────────┘
Форма места расположения проводника может быть иной при условии, что в нее можно будет вписать окружность диаметром, равным минимальной величине, указанной для D, или минимальные размеры, указанные для проводника сечением 2,5 мм2.
Рисунок 2. Торцевые зажимы
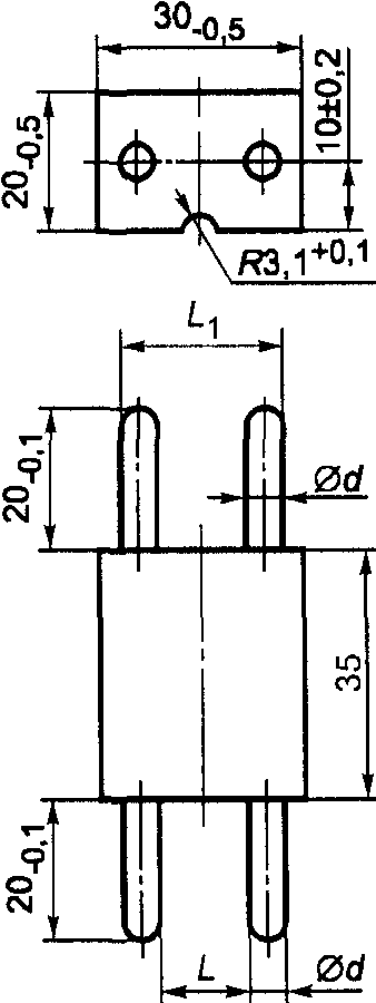
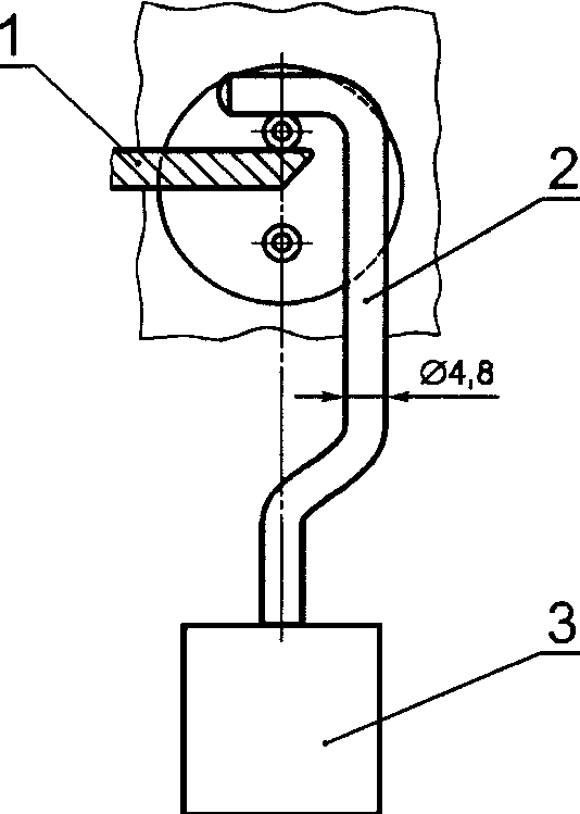
3.18. Зажим с крепежной головкой: контактный зажим винтового типа, в котором жила кабеля, шнура или провода прижимается головкой винта.
Усилие прижима может обеспечиваться непосредственно головкой винта или промежуточной частью, например шайбой, прижимной пластиной.
Примечание. Пример зажима с крепежной головкой приведен на
рисунке 3.
Зажимы с крепежной головкой
Зажимы, не требующие применения прокладки,
прижимной пластины или специальной прижимной детали
Зажимы, требующие применения прокладки,
прижимной пластины или специальной прижимной детали
Зажимы с крепежной гайкой
1 - возможный вариант; 2 - неподвижная деталь;
3 - прокладка или прижимная пластина; 4 - специальная
прижимная деталь; D - место расположения проводника
┌────────────┬───────────────────────┬───────────────────────────┐
│ Сечение │ Минимальный диаметр D │ Крутящий момент, Н x м │
│проводника в│ места расположения ├────────────┬──────────────┤
│зажиме, мм2 │ проводника, мм │ 3
<*> │ 4
<*> │
│ │ ├─────┬──────┼──────┬───────┤
│ │ │один │ два │ один │ два │
│ │ │винт │винта │ винт │ винта │
├────────────┼───────────────────────┼─────┼──────┼──────┼───────┤
│ 1,5 │ 1,7 │ 0,5 │ - │ 0,5 │ - │
├────────────┼───────────────────────┼─────┤ ├──────┤ │
│ 2,5 │ 2,0 │ 0,8 │ │ 0,8 │ │
├────────────┼───────────────────────┼─────┼──────┼──────┼───────┤
│ 4,0 │ 2,7 │ 1,2 │ 0,5 │ 1,2 │ 0,5 │
├────────────┼───────────────────────┼─────┼──────┼──────┼───────┤
│ 6,0 │ 3,6 │ 2,0 │ 1,2 │ 2,0 │ 1,2 │
├────────────┼───────────────────────┤ │ │ │ │
│ 10,0 │ 4,3 │ │ │ │ │
├────────────┼───────────────────────┤ │ │ │ │
│ 16,0 │ 5,5 │ │ │ │ │
├────────────┼───────────────────────┼─────┼──────┼──────┼───────┤
│ 25,0 │ 7,0 │ 2,5 │ 2,0 │ 3,0 │ 2,0 │
├────────────┴───────────────────────┴─────┴──────┴──────┴───────┤
│ <*> Относится к винтам, указанным в соответствующих графах│
└────────────────────────────────────────────────────────────────┘
Деталь, удерживающая проводник в определенном положении, может быть изготовлена из изоляционного материала при условии, что давление, необходимое для зажатия проводника, не будет передаваться через этот материал.
Второе возможное место расположения проводника для зажима размера 2 может быть использовано для присоединения второго проводника при необходимости подключения двух проводников сечением 2,5 мм2.
Рисунок 3. Зажимы с крепежной головкой и гайкой
3.19. Зажим с крепежной гайкой: контактный зажим винтового типа, в котором жила кабеля, шнура или провода прижимается гайкой.
Усилие прижима может обеспечиваться непосредственно фигурной гайкой или промежуточной частью, например шайбой, прижимной пластиной.
Примечание. Пример зажима с крепежной гайкой приведен на
рисунке 3.
3.20. Контактный зажим с прижимной планкой: контактный зажим, в котором жила кабеля, шнура или провода зажимается планкой с помощью двух или более винтов.
Примечание. Пример такого зажима приведен на
рисунке 4.
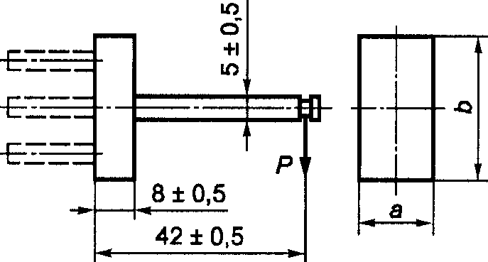
1 - прижимная планка; 2 - неподвижная деталь; 3 - шпилька;
D - место расположения проводника
Сечение проводника в зажиме, мм2 | Минимальный диаметр D места расположения проводника, мм | Крутящий момент, Н x м |
4 | 3,0 | 0,5 |
6 | 4,0 | 0,8 |
10 | 4,5 | 1,2 |
16 | 5,5 |
25 | 7,0 | 2,0 |
Форма места расположения проводника может быть иной по сравнению с изображенной на рисунке при условии, что в нее можно будет вписать окружность диаметром, равным минимальной величине, указанной для D.
Форма верхней и нижней сторон прижимной планки может быть неодинаковой, что обусловлено различными размерами сечения проводника, и поэтому при зажатии проводника ее можно переворачивать.
Рисунок 4. Зажимы с прижимной планкой
3.21. Колпачковый зажим: контактный зажим винтового типа, в котором жила кабеля, шнура или провода прижимается к вырезу в резьбовом болте с помощью гайки. Жила прижимается к вырезу шайбой особой формы с помощью гайки с центральным штифтом, если гайка является колпачковой, или другим эквивалентным эффективным средством для передачи давления от гайки на жилу в пределах паза.
Примечание. Пример такого зажима приведен на
рисунке 5.
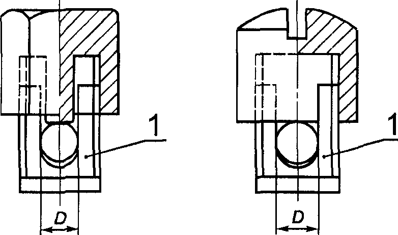
1 - неподвижная деталь;
D - место расположения проводника
<*>
Сечение проводника в зажиме, мм2 | Минимальный диаметр D места расположения | Минимальное расстояние между неподвижной деталью и концом проводника, полностью вставленного в зажим, мм |
1,5 | 1,7 | 1,5 |
2,5 | 2,0 |
4,0 | 2,7 | 1,8 |
6,0 | 3,6 |
10,0 | 4,3 | 2,0 |
16,0 | 5,5 | 2,5 |
25,0 | 7,0 | 3,0 |
-------------------------------
<*> Нижняя часть листа для помещения проводника должна быть слегка закругленной для обеспечения надежного соединения с проводником.
<**> Значение прилагаемого момента указано соответственно в графе II или III
таблицы 6.
Рисунок 5. Колпачковый зажим
3.22. Безвинтовой контактный зажим: контактный зажим для присоединения и отсоединения жилы кабеля, шнура или проводника или разъемного соединения двух или более жил непосредственно или с помощью пружин, клиньев, эксцентриков, конусов и аналогичных элементов без специальной подготовки провода, не считая снятия изоляции.
3.23. Самонарезающий формующий винт: самонарезающий винт с непрерывной резьбой, не предназначенной для удаления материала нарезки из отверстия.
Примечание. Пример такого винта приведен на рисунке 6.
Рисунок 6. Самонарезающий формующий винт
3.24. Самонарезающий режущий винт: самонарезающий винт с прерывистой резьбой, предназначенный для удаления материала нарезки из отверстия.
Примечание. Пример такого винта приведен на рисунке 7.
Рисунок 7. Самонарезающий режущий винт
3.25. Номинальное напряжение: напряжение, установленное изготовителем соединителей, которое указывается в стандартном листе, если таковой имеется.
3.26. Номинальный ток: ток, установленный изготовителем соединителей, который указан в стандартном листе, если таковой имеется.
3.27. Шторки: подвижная часть розетки, автоматически закрывающая гнездовые контакты, когда вилка вынута из розетки.
3.28. Типовое испытание: испытание на одном или более соединителе, проведенное для определенной конструкции, чтобы показать, что конструкция удовлетворяет определенным характеристикам.
3.29. Приемосдаточные испытания: испытания, которым подвергают отдельное устройство в течение и/или после изготовления с целью установления соответствия устройства определенному критерию.
Арматура и выступающие монтажные коробки должны сохранять надежность при нормальной эксплуатации и обеспечивать безопасность для окружающих.
&Соответствие проверяют проведением всех предписанных испытаний.&
5. Общие требования к испытаниям
&5.1. Испытания проводят для определения соответствия соединителей требованиям настоящего стандарта.
Проводят следующие испытания:
- типовые - на каждом типовом образце соединителя;
- приемосдаточные - на каждом выпускаемом соединителе с целью обнаружения дефектов в материалах и технологии изготовления.
Пункты 5.2 -
5.5 применяют для типовых испытаний,
5.6 - для приемосдаточных испытаний.
5.2. Соединители испытывают в состоянии полной готовности к монтажу в нормальных условиях, если нет иных указаний.
Опрессованные соединители испытывают с тем кабелем или шнуром, с которым они опрессованы; соединители, не опрессованные с гибким шнуром или кабелем и не являющиеся частью прибора, испытывают с этим кабелем или шнуром длиной не менее 1 м.
Опрессованные переносные многоместные розетки испытывают с гибким кабелем или шнуром длиной около 2,5 м.
Розетки, не удовлетворяющие
ГОСТ 7396.1, испытывают вместе с соответствующей монтажной коробкой.
Розетки, которые нуждаются в коробке для комплектации кожуха, испытывают вместе с коробками.
5.3. Испытания проводят в порядке следования пунктов стандарта при температуре окружающей среды 15 - 35 °C, если нет других указаний. Если есть сомнения, испытания проводят при температуре окружающей среды (20 +/- 5) °C.
Вилки и розетки испытывают раздельно.
Нейтральный контакт, если таковой имеется, испытывают как фазный.
5.4. Испытания проводят на трех образцах.
Для испытания по
12.3.11 дополнительно требуются образцы розеток, имеющих по крайней мере пять безвинтовых контактных зажимов.
Для испытаний по
12.3.12 дополнительно требуются три образца розеток; в каждом образце испытывают зажимное устройство.
Для каждого испытания по
13.23 и
13.24 дополнительно требуются три образца диафрагм или соединителей с диафрагмами.
Для испытаний по
23.2 и
23.4 дополнительно требуется шесть образцов опрессованных соединителей.
Для испытания по
24.10 дополнительно требуются три образца.
Для испытания по
разделу 28 дополнительно могут потребоваться три образца.
5.5. Соединители считают не соответствующими настоящему стандарту, если имеется более одного образца, не выдержавшего какое-либо испытание. Если один из образцов не выдерживает какое-либо испытание, то данное испытание, а также все предшествующие испытания, которые могут повлиять на его результаты, должны быть повторены на новой партии образцов. Все образцы должны выдержать повторные испытания.
Примечание. Повторные испытания проводят по тем пунктам, по которым были получены неудовлетворительные результаты. Если образец вышел из строя в одном из испытаний, предшествующие испытания повторяют.
Вместе с первой партией образцов в количестве, указанном в
5.4, представляют дополнительную партию, которая может понадобиться, если один из образцов не выдерживает испытания. При отрицательных результатах повторных испытаний образцы бракуют.
При непредоставлении дополнительной партии образцы бракуют в случае, если один из них не выдержал какое-либо испытание.
5.6. Приемосдаточные испытания проводят согласно
Приложению А.&
6.1. Соединители предпочтительно должны иметь тип, напряжение и ток, указанные в таблице 1.
Таблица 1
┌──────────────────────────────┬──────────────┬──────────────────┐
│ Тип соединителя │ Номинальное │Номинальный ток, А│
│ │напряжение, В │ │
├──────────────────────────────┼──────────────┼──────────────────┤
│ 2P (только опрессованные │ 130 или 250 │ 2,5 │
│вилки) │ │ │
├──────────────────────────────┤ ├──────────────────┤
│ 2P (только вилки) │ │ 6,0 │
├──────────────────────────────┼──────────────┼──────────────────┤
│ 2P; 2P + │ │ 130 или 250 │ 10,0; 16,0; 32,0 │
│ ─┴─ │ │ │
│ ─── │ │ │
│ - │ │ │
├──────────────────────────────┼──────────────┼──────────────────┤
│ 2P + │ ; 3P + │ ; 3P + N │ 440 │ 16,0; 32,0 │
│ ─┴─ ─┴─ │ │ │
│ ─── ─── │ │ │
│ - - │ │ │
├──────────────────────────────┴──────────────┴──────────────────┤
│ Стандартные значения и геометрические размеры соединителей│
└────────────────────────────────────────────────────────────────┘
#6.2. В удлинителе номинальный ток переносной розетки должен быть не выше, а номинальное напряжение должно быть не ниже аналогичных значений для вилки.
&Соответствие проверяют визуальным осмотром маркировки.&
7.1. Соединители классифицируют:
7.1.1. По степени защиты от воды:
- обычные - со степенью защиты IPX0 или IPX1, когда соединители установлены на вертикальной поверхности как при нормальной эксплуатации;
Примечание. В настоящем стандарте термин "обычный" касается только степени защиты от проникновения воды.
- брызгозащищенные со степенью защиты IPX4;
- струезащищенные со степенью защиты IPX5.
7.1.2. В зависимости от наличия заземления:
- без заземляющего контакта;
- с заземляющим контактом.
7.1.3. В зависимости от способа присоединения кабеля, провода или шнура:
- разборные;
- неразборные.
7.1.4. В зависимости от типа контактного зажима:
- с контактными зажимами винтового типа;
- с безвинтовыми контактными зажимами только для жестких проводов;
- с безвинтовыми контактными зажимами для жестких и гибких проводов.
7.2. Розетки классифицируют:
7.2.1. По степени от поражения электрическим током при установке для нормальной эксплуатации:
- с нормальной защитой (см
10.1);
- с усиленной защитой (см.
10.7).
Примечание. Розетки с усиленной защитой могут иметь или не иметь защитные шторки.
7.2.1.1. По наличию кожуха (оболочки):
- незащищенные;
- защищенные.
Примечание. Для незащищенных розеток защита от поражения электрическим током обеспечивается монтажной коробкой и/или специальной монтажной полостью, в которой их устанавливают.
7.2.1.2. По наличию шторок:
- без шторок;
- со шторками (см.
10.5).
7.2.2. В зависимости от способа монтажа:
- для открытой установки;
- для скрытой установки;
- для полускрытой установки;
- для монтажа на панели;
- необычного типа;
- переносные;
- удлинители (одно- или многоместные розетки);
- потолочные;
- для приборов.
7.2.3. По способу установки в зависимости от типа:
- стационарные, в которых крышки или закрывающие пластины или одна из их частей могут сниматься без отсоединения проводов (конструкция A);
- стационарные, в которых крышки или закрывающие пластины или одна из их частей не могут сниматься без отсоединения проводов (конструкция B).
Примечание. Если стационарная розетка имеет основание, которое не отделяется от крышки или закрывающей пластины и нуждается в дополнительной пластине, которую можно снимать в процессе ремонта стены, не отсоединяя проводников, то для этого рекомендуется конструкция A, при условии, что дополнительная пластина отвечает требованиям к крышкам и закрывающим пластинам.
7.3. Вилки классифицируют:
7.3.1. В зависимости от защиты приборов, с которыми их используют, - на классы I и II.
7.3.2. По вводу проводов:
- с прямым вводом;
- с боковым вводом.
Примечание. Вилки для приборов класса защиты 0 в Российской Федерации не применяют.
| | Последний абзац пункта 7.3.2 не применяется в соответствии с поправкой, опубликованной в "ИУС", N 9, 2001. | |
Имеющийся в наличии задел соединителей класса защиты 0 реализовать до 2003 г.
8.1. На соединители наносят следующую маркировку:
- номинальный ток в амперах;
- номинальное напряжение в вольтах;
- символ переменного тока;
- наименование, товарный или отличительный знак предприятия - изготовителя соединителей;
- обозначение типа, которое может быть, например, каталожным номером;
- знак степени защиты от проникновения твердых посторонних предметов, если она выше IP2X;
- знак степени защиты от проникновения воды, если защита применяется. В этом случае степень защиты от проникновения посторонних твердых предметов должна наноситься, даже если она не выше IP2X.
Если система разрешает вилку определенной степени защиты IP применять с розеткой, имеющей другую степень, то следует обратить внимание на то, что результирующей степенью защиты комбинации вилка/розетка является меньшая из двух. Это должно быть отмечено в документах изготовителя для розетки.
Дополнительно на розетки с безвинтовыми контактными зажимами может наноситься маркировка, обозначающая:
- длину изоляции, которую необходимо удалить перед закреплением провода шнура или кабеля в безвинтовом контактном зажиме;
- возможность применения только жесткого провода, для введения которого розетки должны иметь соответствующее ограничение.
Примечание. Дополнительная маркировка может наноситься на розетку, упаковку или указываться в инструкции, прилагаемой к розетке.
8.2. Должны применяться следующие символы:
- амперы... А;
- вольты... V (В <*>);
- переменный ток... ~;
- нейтральный провод... N;
- заземление...

;
-------------------------------
<*> Допускается для использования в Российской Федерации.
Примечание. Следы, образованные инструментом, не считают частью маркировки. Более подробно о символах см.
ГОСТ 28312.
- брызгозащищенные конструкции... IPX4;
- струезащищенные конструкции... IPX5.
Примечания. 1. Буква X может заменяться соответствующей цифрой.
2. Обычные соединители не маркируют символом от проникновения воды.
Для маркировки номинального тока и номинального напряжения могут использоваться только цифры, которые следует наносить на одном уровне и разделять их косой линией (например, 16/440), или же цифра, обозначающая номинальный ток, должна находиться над цифрой номинального напряжения, в этом случае они должны разделяться горизонтальной линией (например,

). Маркировка символа тока должна располагаться рядом с обозначением номинальных токов и напряжения.
Примечание. Маркировка переменного тока, напряжения и символа тока может быть одной из следующих: 16 А 440 V ~, или 16/440 ~, или

~.
8.3. Для стационарных розеток номинальный ток, номинальное напряжение и символ тока, а также наименование, товарный или отличительный знак предприятия - изготовителя соединителей и обозначение типа должны быть нанесены на основную часть соединителя. Обозначение типа должно быть промаркировано только ссылкой на серию.
Примечание. Обозначение типа может быть номером серии.
Такие детали, как закрывающие пластины, необходимые для безопасности и предназначенные для продажи отдельно, должны иметь маркировку с указанием товарного или отличительного знака предприятия - изготовителя пластины и обозначение типа.
Символ степени защиты от проникновения воды, если это необходимо, должен наноситься на наружной части корпуса так, чтобы он был виден, когда розетка установлена для нормальной эксплуатации.
Примечания. 1. Обозначение типа может быть нанесено на основную, или наружную, или внутреннюю части корпуса.
2. Термин "основная часть" означает части, на которых расположены контакты розетки.
8.4. На вилках и переносных розетках маркировка по
8.1, кроме обозначения типа, должна быть видима, когда вилка или переносная розетка присоединены к кабелю или шнуру и полностью смонтированы.
Розетки для приборов и вилки, предназначенные для приборов класса защиты II, не должны маркироваться знаком класса защиты.
Примечание. Обозначение типа разборных соединителей должно наноситься внутри корпуса или крышки.
8.5. Контактные зажимы, предназначенные исключительно для нейтрального провода, должны быть маркированы буквой N.
Заземляющий контактный зажим обозначают знаком

.
Эти знаки не должны помещаться на винтах или иных легко снимаемых деталях.
Контактные зажимы, предназначенные для присоединения проводов, не относящихся к основной функции розетки, должны четко определяться, если только их назначение явно, или определяться по монтажной схеме на соединителях.
Опознаваемость контактных зажимов соединителей достигают следующим образом:
- маркировкой графическими символами согласно
ГОСТ 28312, цветовой комбинацией и/или алфавитной и цифровой индикацией;
- физическими размерами или относительным расположением.
Подводящие провода неоновых или индикаторных ламп не относят к требованиям настоящего подпункта.
Примечания. 1. "Легкоснимаемые детали" - детали, которые могут быть сняты во время установки розетки или сборки вилки.
2. Выводы в опрессованных соединителях не нуждаются в маркировке.
8.6. Монтажные коробки для скрытой установки, являющиеся составной частью розеток, отличные от обычных, должны быть помечены знаком степени защиты от проникновения воды так, чтобы его было видно, когда коробка находится в собранном состоянии, в этом случае знак степени защиты от проникновения воды на розетку не наносится.
Монтажные коробки для открытой установки, являющиеся составной частью розеток, должны быть помечены знаком степени защиты от проникновения воды так, чтобы его было видно, когда коробка находится в собранном состоянии.
8.7. Маркировка должна быть стойкой и легко читаемой.
&Соответствие проверяют осмотром и следующим испытанием. Маркировку следует потереть в течение 15 с куском ткани, смоченным водой, а затем 15 с куском ткани, смоченным бензином.&
Примечания. 1. Маркировку, нанесенную оттиском, отливкой, вдавливанием или гравировкой, испытанию не подвергают.
2. Рекомендуется, чтобы бензин был на базе гексана в качестве растворителя, с максимальным содержанием ароматического карбида 0,1% от общего объема, каури-бутанола 29%, с начальной температурой кипения ~ 65 °C, температурой полного испарения ~ 69 °C и плотностью ~ 0,68 г/см3.
8.8. Необходимо отметить:
- маркировкой,
- в каталоге изготовителя,
- инструкции изготовителя,
в каком положении или с какими специальными приспособлениями (например, монтажная коробка или поверхность монтажа) обеспечивается заявленная степень защиты для стационарных розеток скрытой или полускрытой установки.
Изготовитель должен дополнительно указать в инструкции по эксплуатации или каталоге изготовителя, предназначена ли розетка для монтажа только на определенные типы поверхности, чтобы обеспечить заявленную степень защиты.
&Проверку проводят внешним осмотром.&
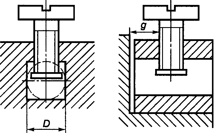
#9.1. Соединители и монтажные коробки для скрытой установки должны удовлетворять соответствующим стандартам.
Установка вилок в стационарные или переносные розетки должна быть обусловлена соответствием имеющимся стандартам.
&Проверку проводят измерениями или калибрами. Допуски на размеры калибров должны соответствовать указанным в таблице 2, если нет иных указаний.&
Таблица 2
┌───────────────────────────────────────┬────────────────────────┐
│ Проверяемый размер │ Пред. откл., мм │
├───────────────────────────────────────┼────────────────────────┤
│ Диаметр или толщина штыря вилки │ 0 -0,01 │
│ Размер входного отверстия розетки, │ +0,01 0 │
│соответствующей диаметру штыря, и │ │
│расстояние между гнездовыми контактами │ │
│ Длина и ширина штырей вилки │ 0 -0,01 │
│ Расстояние между штырями вилки │0 -0,02 или +/- 0,02│
│ Расстояние от входной поверхности │0 -0,05 или +/- 0,05│
│до точки первого контакта с гнездовым │ │
│контактом │ │
│ Направляющий элемент вилок или розеток│ +/- 0,03 │
└───────────────────────────────────────┴────────────────────────┘
&Размеры по
ГОСТ 7396.1, которые не могут быть измерены, должны использоваться только для изготовления калибров.
На размеры, не удобные для измерений, следует изготавливать шаблоны.&
Примечание. В некоторых случаях (например, расстояние между центрами) может возникнуть необходимость проверить оба крайних размера.
&Перед проверкой розетки необходимо 10 раз соединить и 10 раз разъединить с соответствующими стандарту вилками с максимальными размерами штырей.&
9.2. Конструкция вилок должна быть такой, чтобы не было возможности применять вилки с розетками:
- имеющими более высокое номинальное напряжение или более низкий номинальный ток, чем аналогичные параметры для вилки;
- с различным числом токоведущих полюсов, за исключением розеток, специально сконструированных для применения с вилками, имеющими меньшее число полюсов, при условии, что не возникает опасной ситуации, например, соединение одного из полюсов с заземляющим контактом или прерывание заземляющей цепи;
- с заземляющим контактом, если вилка предназначена для приборов класса защиты 0.
&Соответствие проверяют осмотром или испытанием вручную с помощью калибров, допуски на изготовление которых должны быть те же, что и в
9.1.
При сомнении невозможность ввода вилки проверяют соответствующим калибром в течение 1 мин при приложении к калибру усилия:
- 150 Н - для соединителей на номинальный ток не более 16 А;
- 250 Н - для остальных соединителей.
Испытание калибром проводят при температуре (35 +/- 2) °C как для соединителей, так и для калибра, если соединители изготовлены из эластомера или термопластика и это может повлиять на результаты испытания.&
Примечание. Для соединителей из жесткого материала, например, термореактивной смолы, керамики и т.п. соответствие
ГОСТ 7396.1 гарантирует правильность применения общих требований.
9.3. Отклонения от размеров, указанных в
ГОСТ 7396.1, могут допускаться только при условии, что это обеспечивает какие-либо технические преимущества, не меняет их назначения и не снижает безопасность соединителей, соответствующих
ГОСТ 7396.1, особенно учитывая взаимозаменяемость и невзаимозаменяемость.
Соединители с такими отклонениями должны соответствовать остальным требованиям настоящего стандарта, насколько это возможно.
10. Защита от поражения электрическим током
10.1. Конструкция розеток, установленных как при нормальной эксплуатации, должна обеспечивать недоступность прикосновения к их токоведущим частям, при этом детали, снимаемые без помощи инструмента, должны быть сняты.
Токоведущие части, находящиеся под напряжением, и заземляющие контакты вилок не должны быть доступными при полном введении их штырей в отверстия розеток.
Примечание. В некоторых странах требование недоступности прикосновения к штырям вилки в процессе ее введения в розетку необязательно.
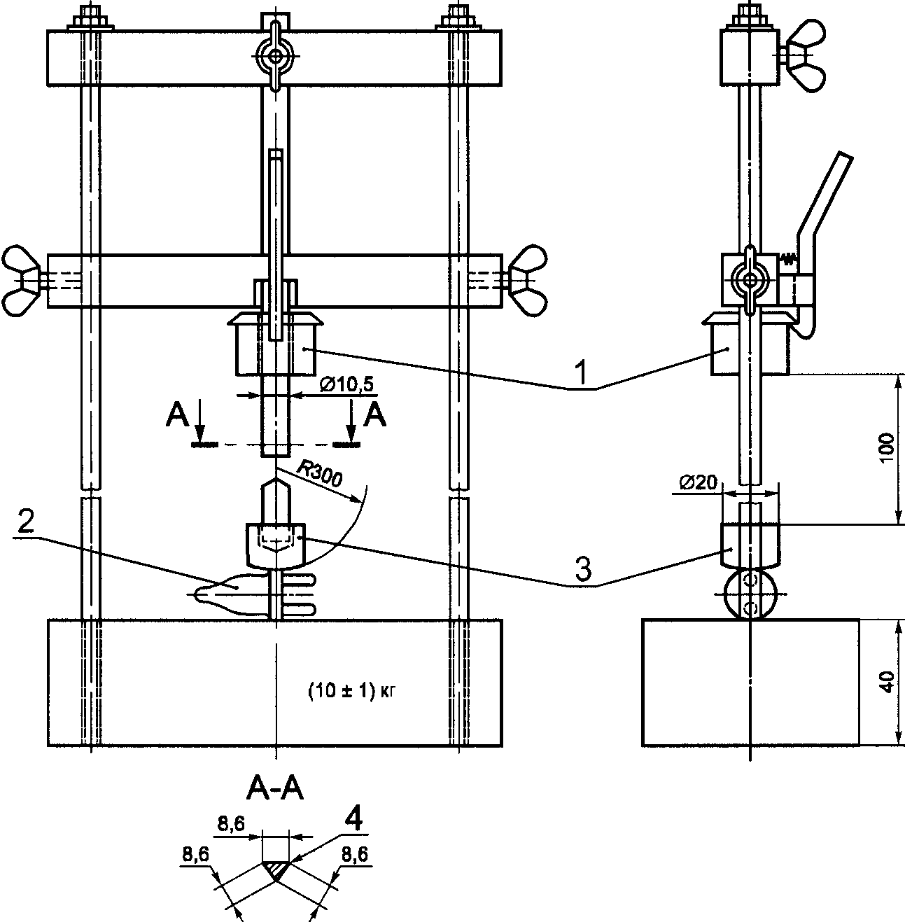
&Проверку проводят внешним осмотром и, в случае необходимости, следующим испытанием.
Проверяемый соединитель устанавливают как при нормальной эксплуатации и к нему присоединяют провода наименьшего сечения, а затем испытание повторяют с проводами наибольшего сечения из указанных в
таблице 3. Для проверки розеток применяют стандартный испытательный палец по
рисунку 8, который прикладывают во всех возможных направлениях.&
1 - стопорная поверхность; 2 - рукоятка;
3 - предохранительная шайба; 4 - изоляционный материал;
5 - соединения
Материал - металл, если не указано иное.
Неуказанные допуски на размеры:
- угловые 0/10';
- линейные:
до 25 мм 0/0,05,
св. 25 мм +/- 0,2.
Оба корпуса пальца должны скользить в одной плоскости и в одном направлении под углом

.
Рисунок 8. Стандартный испытательный палец
&При испытании вилок палец прикладывают во всех возможных направлениях, при этом вилка должна быть частично или полностью вставлена в розетку.
Для регистрации контакта с соответствующей частью используют электрический индикатор с минимальным напряжением 40 В и максимальным напряжением 50 В.
Соединители, имеющие крышки или корпуса из эластичного или термопластичного материала, подвергают следующим дополнительным испытаниям, которые в случае термопластов проводят при температуре окружающей среды (35 +/- 2) °C. Образцы должны иметь эту же температуру.
При дополнительном испытании соединители в течение 1 мин подвергают давлению с силой 75 Н, прикладываемому через наконечник прямого неразъемного испытательного пальца, имеющего размеры, идентичные стальному испытательному пальцу по
рисунку 8. Палец, соединенный с электрическим индикатором, описанным выше, прикладывают во всех точках, где прогиб изоляционного материала может вызвать нарушение безопасности соединения.
При этом палец не прикладывают к пробиваемым диафрагмам; им воздействуют на тонкостенные выталкиватели с силой 10 Н.
Во время испытания соединитель не должен деформироваться до такой степени, чтобы размеры, которые указаны в стандартах, не изменялись и не нарушалась электробезопасность.
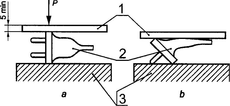
Каждый образец опрессованной вилки или переносной опрессованной розетки зажимают между двумя пластинами с силой 150 Н на 5 мин, как показано на
рисунке 28, и спустя 15 мин после приложения силы не должно иметь место такой остаточной деформации соединителей, при которой были бы нарушены размеры, указанные в
ГОСТ 7396.1, и тем самым электробезопасность изделия.&
10.2. Части, доступные прикосновению, когда соединитель смонтирован и подключен, как для нормальной эксплуатации, за исключением винтов и т.п., изолированных от токоведущих частей и служащих для крепления оснований, крышки и закрывающей пластины розеток, должны быть выполнены из изоляционного материала. Крышки и закрывающие пластины стационарных розеток допускается изготовлять из металла, если выполняются требования одного из пунктов 10.2.1 или
10.2.2.
10.2.1. Конструкция крышек и закрывающих пластин с дополнительными защитными изоляционными прокладками или перегородками должна обеспечивать такое крепление прокладки или перегородки к крышкам, или закрывающим пластинам, или основанию соединителя, чтобы прокладки или перегородки нельзя было снять, не повредив соединитель; или крышки и закрывающие пластины должны иметь такую конструкцию, чтобы прокладки или перегородки нельзя было поставить в нерабочее положение, а при их отсутствии соединитель считался бы непригодным к эксплуатации или неукомплектованным, и таким образом была бы исключена возможность случайного прикосновения токоведущих частей к металлическим крышкам, например, через винты, даже в случае, если провод выпадет из контактного зажима. Следует принять меры к недопустимости уменьшения путем утечки тока и воздушных зазоров, которые должны быть не менее указанных в
разделе 27.
В части однополюсного включения вилки следует руководствоваться требованием
10.3.
&Проверку проводят внешним осмотром.
Указанные прокладки и перегородки должны проверяться испытаниями по
разделам 17 и
27.&
Примечание. Изоляционный слой, нанесенный снаружи и внутри металлических крышек или закрывающих пластин, не считают изоляционной прокладкой или перегородкой, отвечающих требованиям настоящего пункта.
10.2.2. При установке металлические крышки и закрывающие пластины должны автоматически соединяться с заземлением через низкоомное сопротивление.
Пути утечки тока и воздушные зазоры между токоведущими штырями вилок, при полном введении их в розетки, и заземленными металлическими крышками розеток должны соответствовать требованиям
разделов 2,
7 и
таблице 16. В части однополюсного введения вилки в розетку следует руководствоваться требованиями 10.3.
Примечание. Допустимы винты или другие средства крепления.
&Проверку проводят внешним осмотром и испытанием по
11.5.&
10.3. Недопустимо электрическое соединение между штырем вилки и гнездовым контактом розетки в то время, как другой штырь оказывается доступным для прикосновения.
&Проверку проводят вручную с помощью калибров. Допуски на размеры калибров должны соответствовать
9.1.
Для соединителей с корпусом или основанием из термопластов испытание проводят при температуре окружающей среды (35 +/- 2) °C, причем как соединитель, так и калибр должны иметь эту же температуру.
Для розеток с корпусом или основанием из резины или поливинилхлорида калибр прикладывают с силой 75 Н в течение 1 мин.&
Для розеток с металлической крышкой или закрывающей пластиной расстояние между штырем вилки и гнездовым контактом розетки должно быть не менее 2 мм, если другой штырь (или штыри) контактирует при этом с металлической крышкой или закрывающей пластиной.
Примечания. 1. Однополюсное включение может быть предотвращено одним из следующих способов:
- с помощью крышки достаточно большого диаметра;
- другими способами (например, шторками).
2. В некоторых странах не разрешено применение шторок как единственного средства для предотвращения однополюсного введения вилки в розетку.
10.4. Наружные детали вилок и переносных розеток, за исключением винтов и т.п. токоведущих и заземляющих штырей, заземляющих частей металлических колец вокруг штырей, должны изготавливаться из изоляционного материала.
Диаметры колец, если таковые имеются, вокруг штырей не должны превышать 8 мм, учитывая штыри.
&Проверку проводят внешним осмотром.&
Примечание. Лаковое, эмалевое покрытия или покрытие напылением не считают изоляцией, отвечающей требованиям
10.1 - 10.4.
10.5. Розетки со шторками должны иметь такую конструкцию, чтобы токоведущие части не были доступны касанию наконечником прибора, показанного на
рисунке 9, без введенной вилки.
При калибровке прибора усилие 1 Н прикладывают к наконечнику жесткого стального стержня вдоль его оси до совмещения плоскостей А и Б за счет сжатия внутренней пружины.
Рисунок 9. Измерительный прибор для проверки недоступности
токоведущих частей через шторки и токоведущих частей
розеток с усиленной защитой
При калибровке прибора усилие 20 Н прикладывают к наконечнику жесткого стального стержня вдоль его оси до совмещения плоскостей А и Б за счет сжатия внутренней пружины.
Рисунок 10. Измерительный прибор для проверки недоступности
токоведущих частей
Для обеспечения данной степени защиты розетка должна иметь такую конструкцию, чтобы токоведущие контакты автоматически зашторивались при вынутой вилке.
Шторки должны открываться только под воздействием двух штырей вилки, а открывание шторок не должно зависеть от случайного выпадения некоторых частей розетки.
Может применяться шаблон для входных отверстий розетки, связанных только с токоведущими контактами, но этот шаблон не должен касаться токоведущих частей.
Электрический индикатор с напряжением не менее 40 и не более 50 В должен применяться для проверки контактирования с соответствующими частями.
&Проверку розеток с полностью выведенной вилкой проводят внешним осмотром и с помощью стального наконечника измерительного прибора, показанного на
рисунке 9, прикладываемого с силой до 1 Н тремя независимыми прямолинейными движениями, направленными под наиболее неблагоприятным углом, и вынимаемого после каждого цикла. Розетки с вилками, вставленными частично, проверяют стандартным испытательным пальцем, показанным на
рисунке 8.
Розетки с корпусами или основаниями, изготовленными из термопластика, испытывают при температуре окружающей среды (35 +/- 2) °C, причем розетка и калибр должны иметь ту же температуру.&
10.6. Заземляющие контакты розеток, если они имеются, должны иметь такую конструкцию, чтобы эти контакты при введении вилки в розетку не повреждались до такой степени, чтобы при этом нарушалась электробезопасность.
&Проверку проводят следующим испытанием.
Розетку помещают в положение, при котором ее контакты находились бы в вертикальном положении.
Испытательную вилку, соответствующую типу розетки, вводят в нее с силой 150 Н, которую выдерживают в течение 1 мин. После этого испытания розетка должна соответствовать требованиям
раздела 9.&
10.7. Розетки с усиленной защитой должны иметь такую конструкцию, при которой токоведущие части не должны быть доступны, когда они смонтированы, как при нормальной эксплуатации, с подключенными проводниками под напряжением.
&Проверку проводят внешним осмотром и с применением прибора, показанного на
рисунке 9, которым с силой 1 Н воздействуют на все доступные поверхности при самых неблагоприятных условиях, но при этом вилка не введена в розетку.
Для розеток с корпусом из термопластика испытания проводят при температуре окружающей среды (35 +/- 2) °C, причем розетка и измерительный прибор должны иметь такую же температуру.
Во время испытания токоведущие детали не должны быть доступны для измерительного прибора.
Следует применять электрический индикатор, описанный в
10.1.&
11.1. Соединители с заземляющим контактом должны иметь такую конструкцию, чтобы при введении вилки заземление обеспечивалось до того, как фазные штыри вилки окажутся под напряжением.
При выведении вилки из розетки фазные штыри должны разъединяться раньше отключения заземляющих контактов.
Примечание. Соответствие
ГОСТ 7396.1 обеспечивает удовлетворение этому требованию.
&Проверку проводят путем сличения с чертежами, проверяя размеры с учетом допусков на соответствие этим чертежам.&
11.2. Заземляющие контактные зажимы разборных соединителей должны отвечать соответствующим требованиям
раздела 12.
Они должны иметь тот же размер, что и соответствующие контактные зажимы питающих проводов, за исключением некоторых дополнительных внешних заземляющих контактных зажимов стационарных розеток, которые должны иметь по крайней мере размер, удовлетворяющий проводникам с сечением как минимум 6 мм2.
Заземляющие зажимы разборных соединителей с заземляющим контактом должны быть расположены внутри этих соединителей.
Примечание. В стационарных розетках дополнительный заземляющий контактный зажим может быть расположен снаружи.
Заземляющие зажимы стационарных розеток должны крепиться к основанию или к детали, прочно прикрепленной к основанию.
Заземляющие контакты стационарных розеток должны крепиться к основанию или крышке, причем во втором случае они автоматически присоединяются к заземляющему зажиму при установке крышки на место. Контактные части должны иметь защитное покрытие, устойчивое к коррозии и истиранию в случае разъемного соединения.
Такое разъемное соединение должно быть надежным при всех нормальных условиях эксплуатации, в том числе при ослаблении фиксирующих винтов крышки, ее неправильном монтаже и т.п.
За исключением упомянутых выше случаев, элементы заземляющей цепи должны быть выполнены как одно целое или надежно соединены между собой клепкой, сваркой и т.д.
11.3. Доступные прикосновению металлические части стационарных розеток с заземляющим контактом, которые могут оказаться под напряжением в случае нарушения изоляции, должны быть постоянно и надежно соединены с заземляющим контактным зажимом.
11.4. Отличные от обычных розетки с корпусами из изоляционного материала, имеющие более одного кабельного ввода, должны иметь дополнительный внутренний заземляющий контактный зажим, позволяющий выполнять соединение входящего и выходящего проводов электропроводки для непрерывности заземляющей цепи. Недопустимо, чтобы к одному заземляющему контактному зажиму розетки присоединялись входящий и выходящий провода.
&Выполнение требований
11.2 - 11.4 проводят внешним осмотром и испытанием по
разделу 12.&
11.5. Соединение между заземляющим контактным зажимом и доступными прикосновению металлическими частями, которые к нему присоединяют, должны иметь малое электрическое сопротивление.
&Проверку проводят следующим испытанием.
Ток от источника переменного тока с напряжением холостого хода не более 12 В, равный 1,5-кратному значению номинального тока или 25 А, что является большим значением, пропускают поочередно через заземляющий контактный зажим и каждую доступную прикосновению металлическую часть.
При этом измеряют падение напряжения между заземляющим контактным зажимом и доступной металлической частью, а сопротивление рассчитывают по величинам тока и падения напряжения.
Ни в коем случае электрическое сопротивление не должно быть более 0,05 Ом.&
Примечание. Сопротивление между измеряемым образцом и металлическим наконечником испытательного прибора не должно влиять на результаты испытаний.
Все испытания контактных зажимов, за исключением проверок по
12.3.11, проводят после испытания по
разделу 16.
12.1. Общие требования
12.1.1. Разборные стационарные розетки должны иметь винтовые или безвинтовые контактные зажимы <*>.
-------------------------------
<*> Допускается применение соединений других видов (пайка, сварка, втычные соединения при условии наличия дополнительного механического крепления провода или шнура в корпусе соединителя).
Разборные вилки и разборные переносные розетки должны иметь винтовые контактные зажимы.
Если применяют предварительно пропаянный гибкий провод, то следует его присоединять к винтовым контактным зажимам так, чтобы пропаянная часть находилась вне зажимаемого участка, когда присоединение происходит как при нормальной эксплуатации.
Детали для крепления проводов в зажимах не должны использоваться для крепления каких-либо других частей, хотя они могут удерживать контактный зажим на месте и препятствовать проворачиванию.
12.1.2. В опрессованных соединителях все соединения должны производиться пайкой, сваркой, обжатием или другим эквивалентным способом.
Винтовые и зажимные соединения в этих соединителях недопустимы. Соединения, выполненные скручиванием пропаянного гибкого провода, допустимы в случае, когда пропаянная часть находится за пределами участка скручивания.
12.1.3. &Проверку проводят внешним осмотром и испытаниями по 12.2 и
12.3.&
12.2. Винтовые контактные зажимы для наружных медных проводов
#12.2.1. Соединители должны иметь контактные зажимы, позволяющие присоединять медные провода сечением, указанным в таблице 3.
┌──────────────┬────────────────────────┬────────────────────────┐
│ Номинальный │ Жесткий одно- или │ Гибкий медный провод │
│ ток и тип │многопроволочный медный │ │
│ соединителя │ провод
<*> │ │
│ ├────────────┬───────────┼────────────┬───────────┤
│ │номинальное │наибольший │номинальное │наибольший │
│ │сечение, мм2│ диаметр │сечение, мм2│ диаметр │
│ │ │провода, мм│ │провода, мм│
├──────────────┼────────────┼───────────┼────────────┼───────────┤
│ 6 А │ - │ - │От 0,75 до │ 1,73 │
│ │ │ │1,50 включ. │ │
├──────────────┼────────────┼───────────┼────────────┼───────────┤
│ 10 А │От 1,0 до │ 2,13 │ - │ - │
│(стационарные)│2,5 включ. │ │ │ │
├──────────────┼────────────┼───────────┼────────────┼───────────┤
│ 10 А │ - │ - │От 0,75 до │ 1,73 │
│ (переносные) │ │ │1,50 включ. │ │
├──────────────┼────────────┼───────────┼────────────┼───────────┤
│ 16 А, │От 1,5 │ 2,13 │ - │ - │
│ 2P и │до 2Ч2,5 │ │ │ │
│ 2P + │ │включ.
<***>│ │ │ │
│ ─┴─ │ │ │ │ │
│ ─── │ │ │ │ │
│ - │ │ │ │ │
│(стационарные)│ │ │ │ │
├──────────────┼────────────┼───────────┼────────────┼───────────┤
│ 16 А, │ - │ - │От 0,75 до │ 1,73 │
│ 2P и │ │ │1,50 включ. │ │
│ 2P + │ │ │ │ │ │
│ ─┴─ │ │ │ │ │
│ ─── │ │ │ │ │
│ - │ │ │ │ │
│ (переносные) │ │ │ │ │
├──────────────┼────────────┼───────────┼────────────┼───────────┤
│16 А, иные чем│От 1,5 до │ 2,72 │От 1,00 до │ 2,21 │
│ 2P и │4,0 включ. │ │2,5 включ. │ │
│ 2P + │ │ │ │ │ │
│ ─┴─ │ │ │ │ │
│ ─── │ │ │ │ │
│ - │ │ │ │ │
├──────────────┼────────────┼───────────┼────────────┼───────────┤
│ 32 │От 2,5 до │ 4,32 │От 2,50 до │ 3,87 │
│ │10,0 включ. │ │6,00 включ. │ │
├──────────────┴────────────┴───────────┴────────────┴───────────┤
│ <*> Разрешается использование гибких проводников. │
│ <**> Контактный зажим должен допускать присоединение двух│
│проводов сечением 1,50 мм2 каждый диаметром 1,45 мм. │
│ <***> В некоторых странах используют бифилярные провода с│
│тремя проводниками сечением 2,50 мм2 или двумя проводниками│
│сечением 4,0 мм2. │
└────────────────────────────────────────────────────────────────┘
Пространство для присоединения проводов должно быть согласно
рисункам 2 -
5.
&Проверку проводят внешним осмотром, измерениями и присоединением проводов наименьшего и наибольшего сечений из вышеуказанных.&
12.2.2. Винтовые зажимы должны позволять присоединение проводов без специальной подготовки.
&Проверку проводят внешним осмотром.&
Термин "специальная подготовка" означает пропаивание жилы провода, использование кабельных наконечников и т.д., но не изменение формы проводника перед введением его в контактный зажим или скручивание гибкого проводника для укрепления его концов.
12.2.3. Винтовые контактные зажимы должны иметь соответствующую механическую прочность.
Винты и гайки контактных зажимов должны иметь метрическую резьбу по ГОСТ 8724.
Винты не должны изготавливаться из мягкого или легкоподдающегося деформации материала, например, цинка или алюминия.
&Проверку проводят внешним осмотром и испытанием по
12.2.6 и
12.2.7.&
Примечание. Резьбы S1, BA и UN считают эквивалентными по шагу и механическим нагрузкам метрической резьбе по ГОСТ 8724.
12.2.4. Контактные зажимы с крепежной гайкой должны быть устойчивы к коррозии. Контактные зажимы, выполненные из меди или медных сплавов, соответствующих
26.5, удовлетворяют настоящему требованию.
#12.2.5. Конструкция зажимов с крепежной гайкой должна исключать повреждение провода (проводов) при закреплении его (их) в зажиме(ах).
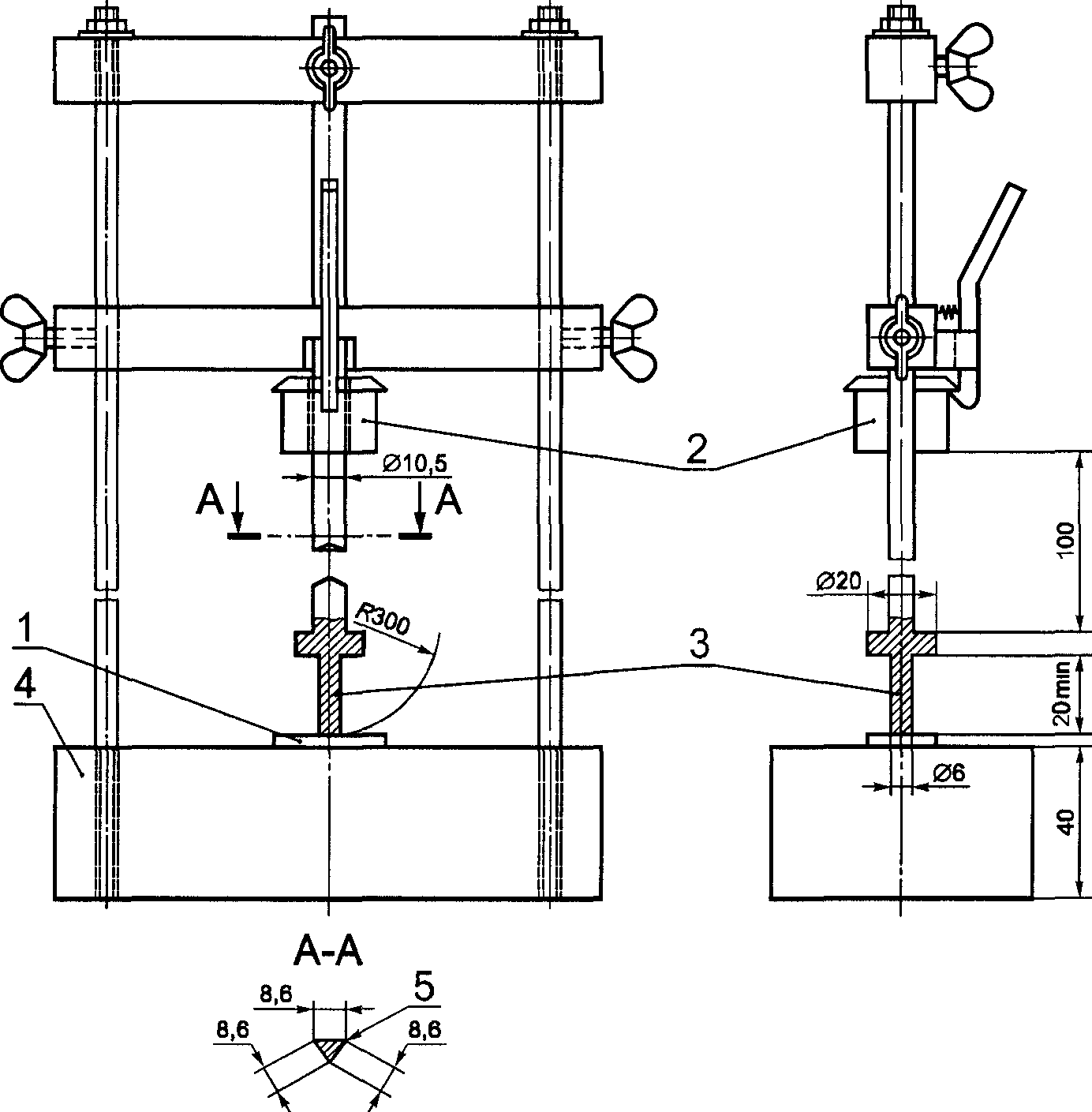
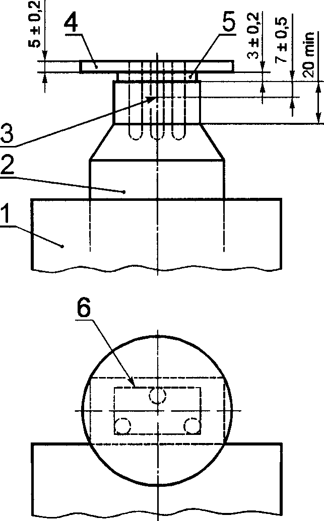
&Проверку проводят следующим испытанием (см. рисунок 11).&
1 - зажим; 2 - плата; 3 - втулка; 4 - груз
Примечание. Следует обратить внимание, что отверстие втулки изготовляют так, чтобы была уверенность, что усилие, прикладываемое к испытуемому кабелю, - это усилие натяжения, и передача вращающегося момента на жилы кабеля отсутствует.
Рисунок 11. Устройство для испытания прочности изоляции
проводов (повреждаемости проводов)
&К контактному зажиму присоединяют жесткий одно- или многопроволочный провод вначале наименьшего, а затем наибольшего сечений из указанных в
таблице 3. Зажимные винты или гайки следует затянуть крутящим моментом, указанным в
таблице 6.&
Длина проводника для испытаний должна быть на 75 мм больше, чем высота H, указанная в
таблице 9.
Конец проводника проходит через соответствующую втулку в платформе, расположенной на высоте H ниже места закрепления зажима, как приведено в
таблице 9. Втулка расположена в горизонтальной платформе так, что ее центр описывает окружность диаметром 75 мм относительно центра, являющегося проекцией прижимного узла на горизонтальную плоскость. Платформа должна вращаться с частотой (10 +/- 2) об./мин.
Расстояние между входом в прижимной узел и платформой должно быть (H +/- 15) мм. Втулка должна быть смазана для предотвращения повреждения изоляции проводника.
Груз массой, указанной в
таблице 9, подвешивают к концу проводника.
Продолжительность испытания - 15 мин.
За время испытания проводник не должен повреждаться прижимным узлом зажима до такой степени, чтобы было невозможно его дальнейшее использование.
Во время испытаний однопроволочный провод или отдельные проволоки многопроволочного провода не должны выходить из-под контактного зажима или обламываться.
#12.2.6. Конструкция контактных зажимов винтового типа должна обеспечивать закрепление проводника между металлическими поверхностями с достаточным контактным усилием.
&Проверку проводят внешним осмотром и следующим испытанием.
К контактным зажимам стационарных розеток присоединяют жесткие одно- или многопроволочные провода, а к вилкам и переносным розеткам - гибкие провода наименьшего и наибольшего сечений из указанных в
таблице 3. Винты контактных зажимов, в том числе и с шестигранной головкой, затягивают крутящим моментом, равным 2/3 от указанных в
таблице 6.
Если винт имеет шестигранную головку со шлицем, то прикладывают крутящий момент, равный 2/3 крутящего момента, указанного в графе II
таблицы 6.
Затем каждый провод подвергают натяжению силой, указанной в таблице 4, плавно, без рывков, в течение 1 мин, вдоль продольной оси провода.&
Таблица 4
Номинальное сечение проводников контакт- ного зажима, мм2 | От 0,75 до 1,50 включ. | От 1,50 до 2,50 включ. | От 2,50 до 4,00 включ. | От 4,00 до 6,00 включ. | От 6,00 до 10,00 включ. |
Сила натяжения, Н | 40 | 50 | 50 | 60 | 80 |
&Если контактный зажим предназначен для присоединения двух или трех проводов, то провода натягивают поочередно, каждый в отдельности.
За время испытаний жила провода не должна иметь заметных смещений в контактном зажиме.&
#12.2.7. Конструкция контактных зажимов винтового типа или их расположение в соединителе должны обеспечивать невозможность выхода жилы жесткого одно- и многопроволочного провода за пределы зажимов или гаек в затянутом положении.
&Проверку проводят следующим испытанием.
К контактным зажимам присоединяют провода наибольшего сечения из указанных в
таблице 3.
Контактные зажимы стационарных розеток проверяют как с жесткими однопроволочными, так и многопроволочными проводами.
Контактные зажимы вилок и переносных розеток проверяют с гибкими проводами.
Контактные зажимы, предназначенные для бифилярных подводов двух или трех проводов, проверяют с допустимым числом проводов.
К контактным зажимам присоединяют провода, указанные в таблице 5.&
Таблица 5
┌────────────┬───────────────────────────────────────────────────┐
│Номинальное │ Число проволок и их номинальный диаметр, мм │
│сечение, мм2├─────────────┬──────────────────┬──────────────────┤
│ │гибкий провод│жесткий одно- │жесткий много- │
│ │ │проволочный провод│проволочный провод│
├────────────┼─────────────┼──────────────────┼──────────────────┤
│ 0,75 │ 24Ч0,20 │ - │ - │
│ 1,00 │ 32Ч0,20 │ 1Ч1,13 │ 7Ч0,42 │
│ 1,50 │ 30Ч0,25 │ 1Ч1,38 │ 7Ч0,52 │
│ 2,50 │ 50Ч0,25 │ 1Ч1,78 │ 7Ч0,67 │
│ 4,00 │ 56Ч0,30 │ 1Ч2,25 │ 7Ч0,86 │
│ 6,00 │ 84Ч0,30 │ 1Ч2,76 │ 7Ч1,05 │
│ 10,00 │ - │ 1Ч3,57 │ 7Ч1,35 │
└────────────┴─────────────┴──────────────────┴──────────────────┘
&Перед вводом в зажимное устройство контактного зажима жилы жестких одно- и многопроволочных проводов выпрямляют. Жилы жестких многопроволочных проводов можно еще и скрутить.
Жилы гибких проводов скручивают в одном направлении так, чтобы был примерно одинаковый угол скручивания проволочек на длине около 20 мм.
Жилу провода вставляют в зажимное устройство контактного зажима на минимальную из рекомендуемых глубину или, если таких рекомендаций нет, до тех пор, пока провод не упрется в стенку контактного зажима, причем его положение должно быть наиболее благоприятным для выпадания.
Затем зажимной винт затягивают крутящим моментом, равным 2/3 от указанного в таблице 6.&
┌───────────────────┬────────────────────────────────────────────┐
│Номинальный диаметр│ Крутящий момент, Н x м │
│ резьбы, мм ├─────────────┬───────────────┬──────────────┤
│ │ I │ II │ III │
├───────────────────┼─────────────┼───────────────┼──────────────┤
│До 2,8 │ 0,20 │ 0,4 │ - │
│Св. 2,8 до 3,0 │ 0,25 │ 0,5 │ - │
│" 3,0 " 3,2 │ 0,30 │ 0,6 │ - │
│" 3,2 " 3,6 │ 0,40 │ 0,8 │ - │
│" 3,6 " 4,1 │ 0,70 │ 1,2 │ 1,2 │
│" 4,1 " 4,7 │ 0,80 │ 1,8 │ 1,2 │
│" 4,7 " 5,3 │ 0,80 │ 2,0 │ 1,4 │
└───────────────────┴─────────────┴───────────────┴──────────────┘
&Для гибких проводов испытание проводят также с другим проводом, жилу которого закручивают, как указано выше, но в обратном направлении.
После испытаний провод не должен выпадать из контактного зажима.&
#12.2.8. Контактные зажимы должны быть установлены или размещены так, чтобы при затянутых или ослабленных винтах и гайках контактные зажимы не перемещались.
Примечание. Требование не исключает смещения или поворачивания контактного зажима, но всякое смещение или поворачивание должно быть ограничено, чтобы не нарушались требования настоящего стандарта.
Использование компаунда или смолы считают достаточным для предотвращения выпадания контактного зажима при условии, что:
- компаунд или смола не подвергаются нагрузкам при нормальной эксплуатации;
- эффективность компаунда или смолы не ослабевает при температурах нагрева контактных зажимов в наиболее неблагоприятных условиях из указанных в настоящем стандарте.
&Проверку проводят внешним осмотром, измерением и следующим испытанием.
Жесткий однопроволочный медный провод наибольшего сечения из указанных в
таблице 3 закрепляют в контактном зажиме.
Винты и гайки следует затянуть и ослабить пять раз с помощью отвертки или гаечного ключа, специально используемых при испытаниях, причем прилагаемый момент должен быть равен указанному в
таблице 6 или в таблице соответствующего чертежа зажима, в зависимости от того, где значение момента будет больше.
Провод передвигают каждый раз, когда винт или гайку ослабляют. Значения графы I
таблицы 6 относят к винтам без головок, если винт в затянутом положении не выходит из отверстия, и к другим винтам, которые нельзя затягивать отверткой, имеющей лезвие шире диаметра винта.
Значения графы II относят к винтам других типов, которые затягивают с помощью отвертки, а также к винтам и гайкам, которые затягивают с помощью иных средств.
Значения графы III относят к гайкам колпачкового зажима, которые затягивают отверткой.
Если винт имеет шестигранную головку со шлицем, то проводят испытание только с помощью отвертки с крутящим моментом, указанным в графе II
таблицы 6.&
Во время испытания в зажимах не должен возникать люфт или какие-либо повреждения, например, излом винта или повреждение головки и шлица винта, что делает невозможным применение отвертки, резьбы, шайбы или скобы, выводящие зажим из строя.
Примечания. 1. В колпачковых зажимах специфический номинальный диаметр равен диаметру шпильки со шлицем.
2. Форма лезвия испытательной отвертки должна соответствовать размеру головки испытуемого винта.
3. Винты и гайки должны затягиваться плавно и без рывков.
12.2.9. Зажимные винты или гайки заземляющих винтовых контактных зажимов должны быть защищены от случайного ослабления. Следует исключить возможность самопроизвольного ослабления их без помощи инструмента.
&Проверку проводят вручную.
Примечание. Конструкции контактных зажимов, показанные на
рисунках 2 -
5, обеспечивают достаточную упругость, соответствующую настоящему требованию. Для других конструкций зажимов могут быть предусмотрены специальные меры, такие как использование достаточно упругой детали, которая гарантирует невозможность случайного ослабления винтов или гаек зажимов.&
12.2.10. Заземляющие винтовые зажимы не должны подвергаться коррозии при контактировании частей зажима с медным заземляющим проводом или любым другим металлом, находящимся в контакте с этими частями. Основание заземляющего зажима должно быть изготовлено из латуни или другого не менее коррозионно-устойчивого металла, если он не является частью металлического корпуса или крышки. Винты или гайки также должны быть выполнены из латуни или другого коррозиеустойчивого металла.
Если заземляющий контактный зажим является частью крышки или корпуса из сплавов алюминия, то следует принять меры защиты от коррозии при контактировании меди с алюминием или его сплавами.
&Проверку проводят внешним осмотром.&
Примечание. Винты или гайки, изготовленные из плакированной стали и выдержавшие испытание на коррозиеустойчивость, считают металлом не менее устойчивым к коррозии, чем латунь.
12.2.11. В торцевых контактных зажимах расстояние между зажимным винтом и концом жилы провода, полностью введенной в зажим, должно соответствовать указанному на
рисунке 2.
Примечание. Минимальное расстояние между зажимным винтом и концом жилы провода касается только торцевых зажимов, в которых провод не может пройти насквозь.
Для колпачковых зажимов расстояние между фиксирующей частью и концом жилы провода, полностью введенной в зажим, должно соответствовать указанному на
рисунке 2.
&Проверку проводят измерением после того, как однопроволочный провод наибольшего сечения из указанных в
таблице 3 полностью введен в зажим и надежно закреплен.&
12.3. Безвинтовые контактные зажимы для внешних медных проводов
12.3.1. Безвинтовые контактные зажимы могут применяться либо только с жесткими, либо с жесткими и гибкими медными проводами.
Для последнего варианта испытания следует проводить сначала с жесткими, а затем с гибкими проводами.
Примечание. Требование 12.3.1 не распространяется на розетки, имеющие:
- безвинтовые контактные зажимы, требующие специального приспособления к проводам до зажима их в безвинтовых контактных зажимах, например, плоские штыревые соединители (оконцеватели);
- безвинтовые контактные зажимы, требующие скручивания проводов, например, со скрученными стыками;
- безвинтовые контактные зажимы, обеспечивающие прямой контакт с жилой провода с помощью прокалывания изоляции.
12.3.2. Безвинтовые контактные зажимы должны иметь два зажимных элемента, предназначенные для соответствующего присоединения жесткого или жесткого и гибкого медных проводов, сечения которых указаны в таблице 7.
┌────────────┬───────────┬───────────────────────────────────────┐
│Номинальный │ Размер │ Провод │
│ ток, А │контактного├────────────┬────────────┬─────────────┤
│ │ зажима │номинальное │ наибольший │ наибольший │
│ │ │сечение, мм2│ диаметр │ диаметр │
│ │ │ │ жесткого │ гибкого │
│ │ │ │провода, мм │ провода, мм │
├────────────┼───────────┼────────────┼────────────┼─────────────┤
│ 10 │ 2 │От 1,5 до │ 2,13 │ 2,21 │
│ │ │2,5 включ. │ │ │
├────────────┴───────────┴────────────┴────────────┴─────────────┤
│ Примечание. Диаметр провода на 5% больше приведенного│
└────────────────────────────────────────────────────────────────┘
Если безвинтовой контактный зажим предназначен для присоединения двух проводов, то каждый из них должен быть введен в отдельное независимое зажимное устройство (не обязательно должно быть для каждого провода отдельное отверстие).
&Проверку проводят внешним осмотром, а также присоединением проводов наименьшего и наибольшего сечений, указанных в
таблице 7.&
12.3.3. Безвинтовые контактные зажимы должны обеспечивать присоединение проводов без их специальной подготовки.
&Проверку проводят внешним осмотром.&
Примечание. Термин "специальная подготовка" означает пропаивание жилы провода, использование наконечников и т.д., но не изменение формы проводника перед введением его в контактный зажим или скручивание гибкого провода для укрепления его концов.
12.3.4. Части безвинтовых контактных зажимов, через которые проходит ток, должны быть изготовлены из материалов, указанных в
26.5.
&Проверку проводят внешним осмотром и химическим анализом.&
Примечание. Пружины, упругие узлы, зажимные пластины и т.п. не считают частями, через которые проходит рабочее напряжение.
12.3.5. Безвинтовые контактные зажимы должны иметь такую конструкцию, чтобы зажимать провод достаточным контактным давлением без его повреждения.
Провод должен зажиматься между металлическими поверхностями.
Примечание. Провода считают неповрежденными, если они не имеют глубоких или острых надрезов.
&Проверку проводят внешним осмотром и испытанием по
12.3.10.&
12.3.6. Безвинтовой контактный зажим должен обеспечивать четкое простое присоединение и отсоединение жил проводов. При отсоединении провода должно быть ясно, какую операцию, исключающую прямое натяжение провода вручную, следует провести с помощью инструмента или без него. Отверстие для инструмента, применяемого для присоединения и отсоединения провода, должно четко отличаться от отверстия, предназначенного для самого провода.
&Проверку проводят внешним осмотром и испытанием по
12.3.10.&
12.3.7. Безвинтовые контактные зажимы, предназначенные для соединения двух или более проводов, должны иметь такую конструкцию, чтобы:
- в процессе ввода провода действие зажимного устройства одного из них было независимо от действия другого;
- в процессе отсоединения провода могли извлекаться из зажима одновременно или раздельно;
- каждый провод должен вводиться в отдельное зажимное устройство (не обязательно должно быть для каждого провода отдельное отверстие).
В зажиме должна быть обеспечена возможность безопасного зажатия любого числа проводов, которое указано в стандарте.
&Проверку проводят внешним осмотром или испытанием с соответствующими проводами (число и размер).&
12.3.8. Безвинтовые контактные зажимы стационарных розеток должны иметь такую конструкцию, чтобы исключить неправильное введение провода, приводящее к снижению путей утечки и/или воздушных зазоров менее значений, приведенных в
таблице 23, или ухудшению функционирования розетки.
Примечание. Требование обеспечивается тем, что на корпусе розетки или в инструкции к ней указывают длину изоляции, которую следует удалить перед вводом провода в безвинтовой контактный зажим.
&Проверку проводят внешним осмотром и испытанием по
12.3.10.&
12.3.9. Безвинтовые контактные зажимы должны быть надежно закреплены в розетках. Они не должны ослабевать при присоединении и отсоединении провода во время установки.
&Проверку проводят внешним осмотром и испытанием по 12.3.10.&
Примечание. Покрытие компаундом без других способов блокировки зажима не является достаточным. Самозатвердевающая смола может использоваться для крепления безвинтовых зажимов, которые не подвергаются механическим нагрузкам при нормальной эксплуатации.
12.3.10. Безвинтовые контактные зажимы должны выдерживать механические нагрузки, которые могут возникать при нормальной эксплуатации.
&Испытание проводят с неизолированными проводами на одном из безвинтовых контактных зажимов каждого образца соединителя, используя новый образец для каждого испытания.
Испытания проводят с медными однопроволочными жесткими проводами сначала наибольшего, а затем наименьшего сечений из указанных в
таблице 7.
Проводят пять циклов введения и отсоединения проводов, используя каждый раз новый провод, за исключением последнего цикла, когда после четвертого цикла провод оставляют на месте. Для каждого цикла провода или заталкивают по возможности дальше в контактный зажим, или вставляют так, чтобы произошло надежное соединение.
После каждого цикла провод натягивают с усилием, указанным в таблице 8. Натяжение провода должно производиться вручную без рывков в течение 1 мин вдоль продольной оси провода.&
Таблица 8
Номинальный ток, А | Растягивающее усилие, Н |
От 10 до 16 включ. | 30 |
&При приложении растягивающего усилия провод не должен выходить из контактного зажима.
Испытания повторяют с жесткими многопроволочными медными проводами наибольшего и наименьшего сечений из указанных в
таблице 7. Эти провода вставляют и отсоединяют только один раз.
Безвинтовой контактный зажим, предназначенный как для жестких, так и для гибких проводов, должен испытываться также гибкими проводами путем их пятикратного вставления и разъединения. Во время испытания провод не должен заметно выходить из контактного зажима. После испытания ни контактный зажим, ни зажимное устройство не должны ослабевать и провода не должны повредиться настолько, чтобы было невозможно их дальнейшее использование.
Для стационарных розеток с безвинтовыми контактными зажимами каждый проводник в течение 15 мин подвергают вращению с частотой (10 +/- 2) об./мин, используя, например, установку, показанную на
рисунке 11. На проводник воздействуют усилием натяжения согласно таблице 9.&
┌──────────────────┬──────────────────┬─────────────┬────────────┐
│ Номинальное │Диаметр отверстия │Высота H, мм │ Масса для │
│сечение проводника│ втулки
<**>, мм │ +/- 15 │проводника, │
├──────────────────┼──────────────────┼─────────────┼────────────┤
│ 0,50 │ 6,5 │ 260 │ 0,3 │
├──────────────────┤ │ │ │
│ 0,75 │ │ │ │
├──────────────────┤ │ ├────────────┤
│ 1,00 │ │ │ 0,4 │
├──────────────────┤ │ │ │
│ 1,50 │ │ │ │
├──────────────────┼──────────────────┼─────────────┼────────────┤
│ 2,50 │ 9,5 │ 280 │ 0,7 │
├──────────────────┤ │ ├────────────┤
│ 4,00 │ │ │ 0,9 │
├──────────────────┤ │ ├────────────┤
│ 6,00 │ │ │ 1,4 │
├──────────────────┤ │ ├────────────┤
│ 7,00 │ │ │ 2,0 │
├──────────────────┴──────────────────┴─────────────┴────────────┤
│ <*> Согласно МЭК 60999
[2]. │
│ <**> Если диаметр втулки недостаточен для проводника без│
│обвязки, то рекомендуется использовать больший диаметр. │
└────────────────────────────────────────────────────────────────┘
&В процессе испытания проводники не должны смещаться в прижимном устройстве.
После испытаний ни контактные зажимы, ни прижимные устройства не должны быть ослаблены, и испытуемые проводники не должны иметь повреждений.&
12.3.11. Безвинтовые контактные зажимы должны выдерживать электрические и тепловые нагрузки, возникающие при нормальной эксплуатации.
&Проверку проводят нижеследующими испытаниями на пяти безвинтовых контактных зажимах розеток, которые не подвергались ранее другим испытаниям.
Оба испытания проводят с новыми медными проводами.
а) Испытания проводят пропусканием переменного тока, указанного в
таблице 9, через контактный зажим в течение 1 ч, присоединяя жесткие однопроволочные провода длиной 1 мм и сечением, указанным в таблице 10. Испытания проводят на каждом зажимном устройстве.&
Ток в амперах
┌───────────────────┬────────────────────┬───────────────────────┐
│ Номинальный ток │ Испытательный ток │ Номинальное сечение │
│ │ │ проводника, мм2 │
├───────────────────┼────────────────────┼───────────────────────┤
│ 10 │ 17,5 │ 1,5 │
│ 16 │ 22,0 │ 2,5 │
├───────────────────┴────────────────────┴───────────────────────┤
│ Примечание. В розетках на номинальный ток менее 10 А│
│испытательный ток устанавливают в этой же пропорции, а сечение│
│провода выбирают равным 1,5 мм2. │
└────────────────────────────────────────────────────────────────┘
&Во время испытаний ток пропускают не через всю розетку, а только через безвинтовые контактные зажимы. Спустя 1 ч измеряют падение напряжения на каждом контактном зажиме при номинальном токе. Падение напряжения должно быть не более 15 мВ.
Измерения должны проводиться через каждый контакт и как можно ближе к месту контактирования.
Если невозможно повторное подключение контактного зажима, образцы должны быть соответствующим образом подготовлены изготовителем. Следует соблюдать меры предосторожности, чтобы не повлиять на работу контактного зажима. При испытании, включая измерения, провода и средства измерения не должны сдвигаться.
б) Безвинтовые контактные зажимы, уже проверенные на падение напряжения по
подпункту а), испытывают следующим образом.
Пропускают через зажим испытательный ток, указанный в
таблице 10. Все испытательное оборудование, включая провода, не должно перемещаться в процессе измерения падения напряжения.
Безвинтовые контактные зажимы подвергают 192 циклам испытаний, продолжительностью каждый 60 мин:
- 30 мин - прохождение тока;
- 30 мин - отключение тока.
Падение напряжения на каждом безвинтовом зажиме измеряют так же, как при испытании по
подпункту а), после каждых 24 циклов, и таким образом завершают полностью 192 цикла испытаний.
Падение напряжения не должно превышать наименьшего из двух значений: 22,5 мВ или двухкратного значения, полученного после 24-го цикла.
После этого испытания безвинтовой зажим подвергают внешнему осмотру, при котором не должны быть выявлены изменения, препятствующие его последующим испытаниям, например, трещины, деформации и т.п.
Затем зажим испытывают на механическую прочность в соответствии с
12.3.10. Все образцы должны выдержать это испытание.&
12.3.12. Безвинтовые контактные зажимы должны иметь такую конструкцию, чтобы присоединенный жесткий однопроволочный проводник был обжат даже в случае, если он погнут при монтаже (в коробке) и изгибающее усилие проводника воздействует на прижимное устройство.
&Проверку проводят следующим испытанием на трех образцах розеток, которые не использовались при других испытаниях.
Испытательное устройство, показанное на
рисунке 12а, должно отвечать следующим конструктивным требованиям:
- проводник, точно установленный в контактный зажим, подвергают последовательным изгибам в любом из 12 направлений с шагом (30 +/- 5)°;
- начальное положение может отличаться на 10 и 20° от первоначального.&
Примечание. Исходное направление не указывают.
Рисунок 12а. Принцип действия испытательной установки
для проверки на изгиб безвинтовых контактных зажимов
Рисунок 12б. Схема испытательной установки для измерения
падения напряжения во время испытаний на изгиб
безвинтовых контактных зажимов
А - амперметр; mV - милливольтметр; S - выключатель
1 - образец; 2 - испытуемое прижимное устройство;
3 - испытуемый проводник; 4 - испытуемый проводник
с прогибом; 5 - точка приложения усилия для прогиба
проводника; 6 - направление усилия прогиба
(перпендикулярно к проводнику в исходном состоянии)
Рисунок 12. Схема установки для испытания
проводника на прогиб
Изгиб проводника при переходе от прямого положения к испытательным положениям с изгибом должен быть выполнен с помощью подходящего устройства, передающего указанное усилие проводнику на определенном расстоянии от контактного зажима.
Устройство изгиба должно отвечать следующим конструктивным требованиям:
- усилие изгиба проводника перпендикулярно проводнику в неизогнутом положении;
- в процессе изгиба проводник не должен перемещаться в зажимном устройстве;
- при воздействии усилия изгиба проводят измерение падения напряжения.
Необходимо принять меры предосторожности при измерении величины падения напряжения в зажимном устройстве согласно
рисунку 12б.
Образец монтируют на неподвижной детали испытательного устройства так, чтобы указанный проводник, установленный в испытуемое зажимное устройство, мог бы быть легко изогнут.
Чтобы предотвратить окисление жилы проводника, влияющее на точность измерений, изоляцию проводника снимают перед самым испытанием.
Примечания. 1. При необходимости вставленный проводник мог бы обогнуть препятствие так, чтобы это не влияло на результаты испытаний.
2. В некоторых случаях, за исключением направляющих для проводника, при необходимости можно снять те части образца, которые не влияют на изгиб проводника прикладываемым усилием.
Прижимное устройство обеспечивают, как при нормальной эксплуатации, жестким одножильным проводником с наименьшим сечением согласно таблице 11 и проводят первую серию испытаний.
Таблица 11
Номинальный ток розетки, А | Сечение испытуемого проводника, мм2 |
первая серия испытаний | вторая серия испытаний |
До 6 включ. 10 | 1,0 <*> 1,5 | 1,5 2,5 |
<*> Только для стран, применяющих проводники сечением 1,0 мм2 для стационарных розеток. |
То же устройство применяют при второй серии испытаний, используя проводник с наибольшим сечением, если первая серия испытаний прошла успешно.
Усилие изгиба проводника согласно таблице 12, измеренное у входа в контактный зажим, включая направляющие для проводника, при их наличии, должно составлять 100 мм до точки приложения усилия к проводнику.
Сечение испытуемого проводника, мм2 | Усилие для прогиба испытуемого проводника <*>, Н |
1,0 1,5 2,5 | 0,25 0,50 1,00 |
<*> Усилие выбирают таким образом, чтобы оно было близко к пределу текучести материала проводника. |
Испытание проводят обязательно при наличии испытательного тока (т.е. его в процессе испытаний не прерывают).
Необходимо использовать подходящий источник питания и соответствующее электрическое сопротивление с такими параметрами, чтобы ток в цепи изменялся бы в пределах +/- 5% в процессе испытания.
При испытании испытательный ток, равный номинальному току розетки, пропускают через зажимное устройство. Усилием, в соответствии с
таблицей 12, воздействуют на испытуемый проводник, установленный в зажимное устройство, в одном из 12 направлений согласно
рисунку 12а и измеряют падение напряжения на зажимном устройстве. Затем усилие снимают.
Усилием изгиба воздействуют поочередно в каждом из оставшихся 11 направлений согласно
рисунку 12а, каждый раз измеряя падение напряжения.
Если в любом из 12 испытательных направлений падение напряжения более 25 мВ, то усилие удерживают в этом направлении до тех пор, пока падение напряжения не уменьшится до 25 мВ не более чем за 1 мин. После того как падение напряжения достигнет значения менее 25 мВ, усилие изгиба поддерживают в этом же направлении в течение 30 с. За этот период падение напряжения не должно увеличиться.
Два других образца испытывают аналогично, но при этом изменяют 12 направлений приложения усилия так, чтобы шаг составлял 10° для каждого образца.
Если один из образцов не прошел испытания в одном из направлений испытательного усилия, испытания повторяют на других образцах, причем все они должны пройти испытания.
#13. Конструкция стационарных розеток
13.1. Гнездовые контакты розеток должны иметь достаточную упругость для обеспечения соответствующего контактного нажатия на штыри вилки.
&Проверку проводят внешним осмотром и испытанием по
разделам 9,
21 и
22.&
13.2. Гнездовые контакты и штыри розеток должны обладать устойчивостью к коррозии и истиранию.
&Проверку проводят внешним осмотром и испытанием по
26.5.&
13.3. Изолирующие прокладки, перегородки и т.п. должны иметь соответствующую механическую прочность.
&Проверку проводят внешним осмотром и испытанием по
разделу 24.&
13.4. Конструкция розетки должна обеспечивать:
- легкое введение и присоединение проводов к контактным зажимам;
- удобное крепление к стене или монтажной коробке;
- правильное расположение проводов;
- наличие пространства между нижней поверхностью основания и поверхностью, на которой монтируют основание, или между боковыми поверхностями основания и корпусом (крышкой или монтажной коробкой), чтобы после установки розетки изоляция провода не соприкасалась с токоведущими частями разных фаз.
Примечание. Это требование не предполагает, что металлические части контактных зажимов обязательно защищены изолирующими перегородками или буртиками для избежания соприкосновения с изоляцией провода из-за неправильного монтажа металлических частей контактного зажима.
В розетках для открытой установки, устанавливаемых без монтажной коробки, проводящий провода канал должен отвечать данному требованию.
Розетки конструкции А должны позволять удобную установку и снятие крышки и закрывающей пластины, не нарушая при этом закрепление питающих проводов.
&Проверку проводят внешним осмотром и испытанием с проводами наибольшего сечения, установленного в
таблице 3 для контактных зажимов определенного размера.&
13.5. Розетки должны быть сконструированы таким образом, чтобы полному введению вилок в розетки не препятствовал какой-либо выступ (буртик) на рабочей поверхности розетки.
&Проверку проводят определением зазора между рабочей поверхностью розетки и вилкой, который должен быть не более 1 мм, когда вилка полностью вставлена в розетку.
Наличие на рабочей поверхности розетки маркировки не считают выступами.&
13.6. Если крышка розетки имеет проходные втулки вокруг вводных отверстий для штырей вилок, то не должно быть возможным их снятие снаружи, и они самопроизвольно не должны сниматься изнутри, когда крышка розетки снята.
13.7. Крышки или закрывающие пластины должны крепиться не менее чем в двух точках эффективными средствами, требующими для их снятия применение инструмента.
Крышки и закрывающие пластины могут крепиться и одним винтом, при условии, что они закрепляются на месте другим способом (например, буртиком, фиксирующим выступом).
Примечания. 1. Средства фиксации крышек и закрывающих пластин должны обеспечивать надежность закрепления.
Для обычных розеток средства фиксации крышек или закрывающих пластин не должны одновременно использоваться для закрепления иных частей.
2. Незакрепленные металлические детали, отделенные от токоведущих деталей таким образом, что воздушные зазоры и пути утечки тока соответствуют
таблице 23, не считают доступными для прикосновения, если это удовлетворяется требованиями настоящего стандарта.
Если для розеток типа А средства крепления крышек или закрывающих пластин используют также для крепления основания, это крепление должно быть надежно после снятия крышки и закрывающей пластины.
&Проверку требований к безопасности и конструкции проводят в соответствии с 13.7.1 -
13.7.3:&
13.7.1. Для крышек или закрывающих пластин с фиксаторами винтового типа - только внешним осмотром.
13.7.2. Для крышек или закрывающих пластин с фиксаторами безвинтового типа, смещение которых производят с приложением усилия в направлении, приблизительно перпендикулярном к монтажной поверхности (см.
таблицу 13):
- когда их смещение может привести к доступности прикосновения стандартным испытательным пальцем к токоведущим деталям - испытаниями по
24.14;
- когда их смещение может привести к доступности прикосновения стандартным испытательным пальцем к незаземленным металлическим деталям, отделенным от токоведущих деталей таким образом, что воздушные зазоры и пути утечки имеют значения согласно
таблице 23 - испытаниями по
24.15;
- когда их смещение может привести к доступности прикосновения стандартным испытательным пальцем;
- изолирующие детали или
- заземленные металлические детали, или
- металлические детали, отделенные от токоведущих деталей так, что воздушные зазоры и пути утечки имеют значения в два раза превышающие приведенные в
таблице 23, или
- токоведущие детали системы БСНН цепей с напряжением переменного тока не более 25 В - испытаниями по
24.16.
┌────────────────────┬──────────┬────────────────────────────────┐
│ Доступные для │Испытание │ Прикладываемое усилие, Н │
│ испытательного │ согласно ├────────────────┬───────────────┤
│ пальца после │ разделу │ розетки, │ розетки, не │
│ смещения крышек, │ │соответствующие │соответствующие│
│ или их деталей │ ├────────┬───────┼───────┬───────┤
│ │ │ не │должны │ не │должны │
│ │ │ должны │входить│должны │входить│
│ │ │входить │ │входить│ │
├────────────────────┼──────────┼────────┼───────┼───────┼───────┤
ИС МЕГАНОРМ: примечание.
В официальном тексте документа, видимо, допущена опечатка:
имеются в виду пункты 24.14, 24.15, 24.16, а пункты не 24, 14,
24, 15, 24, 16.
│ Токоведущие детали │
24, 14 │ 40 │ 120 │ 80 │ 120 │
├────────────────────┼──────────┼────────┼───────┼───────┼───────┤
│ Незаземленные │
24, 15 │ 10 │ 120 │ 20 │ 120 │
│металлические │ │ │ │ │ │
│детали, отделенные │ │ │ │ │ │
│от токоведущих │ │ │ │ │ │
│деталей воздушными │ │ │ │ │ │
│зазорами и путями │ │ │ │ │ │
│утечки согласно │ │ │ │ │ │
├────────────────────┼──────────┼────────┼───────┼───────┼───────┤
│ Изолирующие детали,│
24, 16 │ 10 │ 120 │ 10 │ 120 │
│заземленные металли-│ │ │ │ │ │
│ческие детали, │ │ │ │ │ │
│токоведущие детали │ │ │ │ │ │
│для цепей БСНН │ │ │ │ │ │
│переменного │ │ │ │ │ │
│напряжения или │ │ │ │ │ │
│металлические │ │ │ │ │ │
│детали, отделенные │ │ │ │ │ │
│от токоведущих │ │ │ │ │ │
│частей воздушными │ │ │ │ │ │
│зазорами и путями │ │ │ │ │ │
│утечки в два раза │ │ │ │ │ │
│превышающие приве- │ │ │ │ │ │
└────────────────────┴──────────┴────────┴───────┴───────┴───────┘
13.7.3. Для крышек или закрывающих пластин, которые фиксируются независимо от винтов и чье отсоединение осуществляется с помощью инструмента в соответствии с информацией изготовителя, приведенной в инструкции по эксплуатации или в каталоге:
- теми же испытаниями по
13.7.2, за исключением случаев, когда крышки, или закрывающие пластины, или их детали при прикладывании усилия не более 120 Н в направлениях, перпендикулярных монтажной опорной поверхности, не выходят из строя.
13.8. Закрывающие пластины, предназначенные для розеток с заземляющим контактом, не должны быть взаимозаменяемы с закрывающими пластинами для розеток без заземляющего контакта, если такая замена изменяет классификацию розетки в соответствии с
7.1.2.
Примечание. Требование распространяется на розетки одного изготовителя.
&Проверку на соответствие требованиям
13.6 - 13.8 проводят внешним осмотром и пробным монтажом.&
13.9. Розетки для открытой установки обычного типа должны иметь такую конструкцию, чтобы в собранном состоянии и с подключенными, как для нормальной эксплуатации, проводами в корпусе не было свободных отверстий, за исключением отверстий для ввода штырей вилки.
&Проверку проводят внешним осмотром и пробным монтажом с проводами наименьшего сечения из указанных в таблице 14.&
Примечание. Небольшими зазорами между крышкой и подсоединенными проводами, а также между крышкой и заземляющим контактом, если таковой имеется, следует пренебречь.
Номинальный ток, А | Сечение проводника, мм2 | Число проводников | Наружный размер кабеля, мм |
минимальный | максимальный |
10 | От 1,0 до 2,5 включ. | 2 | 6,4 | 13,5 |
3 | 14,5 |
16 | От 1,5 до 2,5 включ. | 2 | 7,4 | 13,5 |
3 | 14,5 |
От 1,5 до 4,0 включ. | 4 | 7,6 | 18,0 |
5 | 19,5 |
32 | От 2,5 до 10,0 включ. | 2 | 8,9 | 24,0 |
3 | 25,5 |
4 | 28,0 |
5 | 30,5 |
Примечание. Указанные пределы наружных размеров кабеля - 245-1, ГОСТ Р МЭК 245-4. |
13.10. Винты или иные средства монтажа розеток на поверхности или в монтажной коробке, или кожухе, должны быть легкодоступны с лицевой стороны и не должны служить одновременно для иных целей.
13.11. Многоместные розетки с общим основанием должны иметь фиксирующие звенья для параллельного соединения контактов; крепление этих звеньев должно быть независимым от присоединения питающих проводов.
13.12. Многоместные розетки на отдельных основаниях должны иметь такую конструкцию, чтобы обеспечивалось правильное положение каждого основания. Установка каждого основания должна быть независимой от установки всей розетки на монтажной поверхности.
&Проверку требований
13.10 и 13.12 проводят внешним осмотром.&
13.13. Монтажная пластина розеток для открытой установки должна иметь соответствующую механическую прочность.
&Проверку проводят внешним осмотром после испытаний по
13.4 и
24.3.&
13.14. Многоместные розетки и удлинители должны состоять из розеток, которые или имеют заземляющие контакты, или не имеют.
&Проверку проводят внешним осмотром.&
13.15. Розетки должны выдерживать боковые усилия при введении в них вилок или других приборов.
&Розетки на номинальный ток до 16 А и напряжение до 250 В включ. проверяют с помощью устройства, приведенного на рисунке 13.&
P - усилие.
Материал: сталь.
Примечания. 1. Размеры a и b подбирают в соответствии с определенным стандартным листом по
ГОСТ 7396.1.
2. Размеры и расположение штырей, соответствующие стандартным листам, - по
ГОСТ 7396.1.
Рисунок 13. Устройство для проверки сопротивления
стационарных розеток боковой деформации
&Каждую розетку устанавливают на вертикальной поверхности так, чтобы плоскость, проходящая через гнездовые контакты, была расположена горизонтально. Устройство вставляют до упора в гнездовые контакты розетки и навешивают на него груз, обеспечивающий силу 5 Н.
Через 1 мин устройство извлекают из розетки, а розетку поворачивают на 90° на монтажной поверхности. Испытание повторяют четыре раза, и каждый раз розетку поворачивают на 90°. В процессе испытания розетка не должна выходить из строя.
После испытаний розетка не должна иметь повреждений, нарушающих требования настоящего стандарта, и она должна соответствовать требованиям
раздела 22.&
Примечание. Другие розетки не испытывают.
13.16. Розетки не должны встраиваться в патрон.
&Проверку проводят внешним осмотром.&
13.17. Розетки, отличные по исполнению от обычных, без сочлененных с ними вилок, но имеющие ввинчиваемые изолирующие трубки, поливинилхлоридные оболочки или кабели с аналогичной изоляцией, должны быть полностью защищены.
Розетки для открытой установки, отличные от обычных, должны иметь открытые сливные отверстия диаметром не менее 5 мм или площадью 20 мм2 при ширине и длине не менее 3 мм. При наличии шторки, имеющей только одно монтажное положение, сливное отверстие должно функционировать в этом положении. Сливные отверстия должны функционировать по крайней мере в двух положениях розетки, смонтированной на вертикальной плоскости: при вводе провода сверху или снизу.
Пружины шторок, если таковые имеются, должны изготавливаться из коррозиестойкого металла, например, бронзы или нержавеющей стали.
&Проверку проводят внешним осмотром, измерениями и испытаниями по
16.2.&
Примечание. При невставленной вилке полная защита розетки должна обеспечиваться шторками. Данное требование не подразумевает, что шторки, если имеются, или вводные отверстия для штырей вилки должны быть закрыты при вынутой вилке при условии, что розетка выдержала соответствующие испытания по проверке проникновения в нее воды. Сливное отверстие в задней стенке корпуса розетки может быть эффективным, если конструкция розетки обеспечивает зазор между стеной и стенкой корпуса не менее 5 мм или предусматривает сливной канал указанных размеров.
13.18. Заземляющие штыри должны иметь соответствующую механическую прочность.
&Проверку проводят внешним осмотром, а для трубчатых штырей - также испытанием по
14.2, которые проводят после испытаний по
разделу 21.&
13.19. Заземляющие и нейтральные контакты розетки после ее разборки должны быть защищены от проворачивания и смещения без применения инструмента.
&Проверку проводят внешним осмотром и испытанием вручную.&
Примечание. Конструкция, позволяющая смещение контакта без применения инструмента после снятия крышки с помощью инструмента, недопустима.
13.20. Металлические заземляющие детали не должны иметь заусениц, которые могут повредить изоляцию питающих проводов.
&Проверку проводят внешним осмотром.&
13.21. Розетки, которые устанавливают в монтажной коробке, должны иметь такую конструкцию, чтобы концы провода можно было зачистить после того, как коробка уже смонтирована, но до установки розетки в коробку.
&Проверку проводят внешним осмотром.&
#13.22. Вводные отверстия розеток должны обеспечивать защиту изолирующих трубок или изоляции кабеля от механических повреждений.
Обычные розетки для открытой установки должны иметь такую конструкцию, чтобы изолирующие трубки или изоляция кабеля входили в корпус не менее чем на 1 мм. В этих розетках вводное отверстие для изолирующих трубок или два и более отверстий должны обеспечивать использование изолирующих трубок диаметрами 16, 20, 25 или 32 мм или комбинации не менее чем из двух этих размеров.
В розетках для открытой установки входные отверстия для ввода кабеля должны допускать возможность установки кабелей с размерами, указанными в
таблице 14 или определяемыми изготовителем.
&Проверку проводят внешним осмотром и измерениями.&
Примечание. Вводные отверстия соответствующего размера могут быть получены путем пробивки или использования дополнительных вводных деталей.
13.23. Диафрагмы вводных отверстий должны быть закреплены и не должны смещаться от механических или тепловых воздействий, которые могут возникнуть при нормальной эксплуатации.
&Проверку проводят следующим испытанием.
Диафрагму испытывают на розетке в собранном виде. Сначала розетку с диафрагмой испытывают по
16.1. Затем розетку помещают на 2 ч в термокамеру, как описано в
16.1, и выдерживают при температуре (40 +/- 2) °C. Сразу после этого прилагают в течение 5 с к различным частям диафрагмы силу 30 Н, применяя для этого стандартный испытательный палец по
рисунку 8.
В процессе испытания диафрагма не должна деформироваться до такой степени, чтобы токоведущие части оказались открытыми.
Диафрагму подвергают также осевому натяжению силой 30 Н в течение 5 с.
В процессе испытания диафрагма не должна выйти из строя. Затем последнее испытание проводят на диафрагмах, которые не подвергались нагреву в термокамере.&
13.24. Рекомендуется такая конструкция диафрагм входных отверстий и такой материал для их изготовления, чтобы ввод кабеля в розетку был возможен при низкой температуре окружающей среды.
Примечание. В некоторых странах проверку на соответствие данному требованию проводят методом установки диафрагм в холодных условиях.
&Проверку проводят следующим испытанием.
Розетку снабжают диафрагмой, которая не была подвергнута обработке на старение (т.е. нагреву в термокамере). Затем розетку выдерживают в течение 2 ч в холодильнике при температуре минус (15 +/- 2) °C.
По истечении 2 ч розетки вынимают из холодильника и сразу же, пока они не нагрелись, через диафрагму вводят кабель наибольшего сечения, при этом он должен войти без приложения усилий.
После испытания по
13.23 и
13.24 диафрагмы не должны иметь деформаций, царапин и повреждений, которые могут вызвать несоответствие требованиям настоящего стандарта.
14. Конструкция вилок и переносных розеток
14.1. Опрессованные вилка и переносная розетка должны соответствовать следующим требованиям:
- гибкий кабель, провод или шнур не должен отделяться от соединителя, не выводя его из строя;
- соединитель не должен открываться ни вручную, ни с помощью обычного инструмента, используемого по назначению, например, отвертки.
Примечание. Соединитель считают непригодным, если для повторной его сборки потребуются новые детали или материалы.
14.2. Штыри вилок и заземляющие штыри переносных розеток должны обладать достаточной механической прочностью.
&Проверку проводят испытаниями по
разделу 24. Если штыри трубчатые, то их подвергают следующему испытанию, которое проводят после испытания по
разделу 21.
Штыри укрепляют, как показано на рисунке 14. На штырь воздействуют силой 100 Н в течение 1 мин в направлении, перпендикулярном к его оси, с помощью стальной штанги диаметром 4,8 мм, при этом ось штанги также перпендикулярна оси штыря.&
1 - опора; 2 - стальная штанга; 3 - груз
Рисунок 14. Установка для испытания трубчатых штифтов
&Диаметр штыря в точке приложения силы не должен быть менее 0,15 мм. После снятия нагрузки максимальное изменение диаметра штыря в любом направлении не должно превышать 0,06 мм.&
14.3. Штыри и вилки должны быть:
- зафиксированы от проворачивания;
- несъемными без разборки вилки;
- соответствующим образом закреплены на корпусе, когда к ним присоединены питающие провода, как при нормальной эксплуатации.
Должна быть исключена возможность смещения заземляющего, нейтрального и фазных штырей вилки.
&Проверку проводят внешним осмотром и испытанием по
24.2 и
24.10.&
14.4. Заземляющие и нейтральные контакты переносных розеток должны быть зафиксированы от перемещения и сдвигаться только после разборки розетки.
&Проверку проводят внешним осмотром и, для одноместных переносных розеток, испытанием по
24.2.&
14.5. Гнездовые контакты розеток должны обладать достаточной упругостью для обеспечения необходимого контактного нажатия.
Требование распространяется также на розетки, в которых контактное нажатие обеспечивается изолирующими частями, если эти части выполняют следующие функции:
- обеспечение электробезопасности;
- поддержание постоянства контактирования в нормальных условиях эксплуатации с учетом их сжатия, старения и прогибания.
&Проверку проводят внешним осмотром и испытанием по
разделам 9,
21 и
22.&
14.6. Штыри вилок и гнездовые контакты розеток должны быть устойчивы к коррозии и обладать износостойкостью.
&Проверку проводят соответствующим испытанием, которое находится в стадии рассмотрения.&
14.7. Крышки разборных соединителей должны иметь площадь, достаточную для защиты контактных зажимов и концов гибкого кабеля, шнура или провода.
Конструкция должна обеспечивать правильное и надежное присоединение проводов, и, если провода присоединены к соединителю и готовы к нормальной эксплуатации, должно быть исключено:
- соприкосновение друг с другом жил проводов;
- касание жил проводов, присоединенных к контактным зажимам доступных металлических частей;
- касание жилы провода, присоединенного к заземляющему контактному зажиму токоведущих частей.
14.8. Разборные соединители должны иметь такую конструкцию, чтобы винты или гайки контактных зажимов создавали надежное контактирование, не ослабевали и не выпадали из углублений.
&Проверку требований
14.7 и 14.8 проводят внешним осмотром и пробным монтажом.&
14.9. Разборные соединители должны иметь такую конструкцию, чтобы обеспечивалось достаточное пространство для размещения заземляющего провода, а в случае ослабления его в контактном зажиме - последующее закрепление без нарушения присоединения фазных проводов. При непредусмотренных избыточных механических нагрузках заземляющий провод должен ломаться после фазных.
&Проверку проводят следующим испытанием.
Гибкий кабель, шнур или провод присоединяют к соединителю таким образом, чтобы фазные провода подводились от возможных мест ослабления к соответствующим контактным зажимам наиболее коротким путем.
После того, как фазные провода подсоединены, жилу заземляющего провода подводят к своему контактному зажиму, обрезают с припуском 8 мм и присоединяют к зажиму.
В результате этого должна иметься возможность свободно вставить петлю, образованную заземляющим проводом избыточной длины, в пространство для проводов без чрезмерных сжатий или сдавливания жилы, когда крышка соединителя заново монтируется и правильно закрепляется.
В опрессованных соединителях с заземляющим контактом длина проводников между контактными соединениями и местом устройства крепления шнура должна быть достаточной для соединения токопроводящих проводников с заземляющими проводниками в случае, если гибкий кабель скользит в устройстве крепления шнура.
Проверку проводят внешним осмотром.&
14.10. Контактные зажимы разборных соединителей и контактные соединения опрессованных соединителей должны быть так закреплены и защищены, чтобы при освобождении жил проводников из зажима или соединения не нарушалась бы электробезопасность соединителей.
Опрессованные соединители должны иметь устройства для предупреждения ослабления крепления жил проводников путем уменьшения длины снятой изоляции с проводников и контакта со всеми доступными для прикосновения наружными поверхностями соединителя, за исключением рабочей лицевой поверхности вилки.
&Проверку проводят следующим образом:
- для разборных соединителей - испытанием по 14.10.1;
- для опрессованных неформованных соединителей - испытанием по
14.10.2;
- для опрессованных формованных соединителей - испытанием по
14.10.3.
14.10.1. Гибкий провод минимального номинального сечения, указанного в
таблице 3, освобождает от изоляции на расстоянии 6 мм от края.
Провод вставляют в контактный зажим так, чтобы один из проводников жилы был выведен из зажима, а остальные провода полностью вводят в зажим и зажимают, как при нормальной эксплуатации.
Свободный проводник из зажима изгибают во всех возможных направлениях без натяжения и образования острых углов.&
Примечание. Недопустимость острых углов вокруг перегородки не подразумевает прямолинейности свободного проводника во время испытаний. Острые углы имеют место, когда предполагают их образование в нормальных условиях эксплуатации вилки или переносной розетки, например, после установки крышки.
&Свободная жила провода, присоединенного к заземляющему зажиму, не должна касаться других токоведущих частей.
При необходимости испытание повторяют со свободным проводником в другом положении.&
14.10.2. Изоляцию проводника длиной, эквивалентной максимальной заданной изготовителем, и дополнительной длиной 2 мм снимают с конца гибкого проводника соответствующего сечения.
Провод вставляют в контактный зажим так, чтобы один из проводников жилы был выведен из зажима, а остальные провода полностью вводят в зажим и зажимают, как при нормальной эксплуатации.
Свободный проводник изгибают во всех возможных направлениях без натяжения и образования острых углов.
Жила свободного проводника, присоединенная к токоведущему контактному зажиму, не должна касаться металлических частей или снижать пути утечки и воздушные зазоры при любом конструктивном зазоре менее 1,5 мм.
Жила свободного провода, присоединенного к заземляющему контактному зажиму, не должна касаться их токоведущих частей.
14.10.3. Опрессованные формованные соединители должны пройти визуальный осмотр, чтобы удостовериться в наличии средств для обеспечения защиты от жил свободных проводников и/или токоведущих деталей, снижающих минимальное изоляционное расстояние до наружной, доступной для прикосновения, поверхности до 1,5 мм (за исключением рабочей лицевой поверхности вилок).
Примечание. Проверка наличия "средств" может потребовать проверку конструкции соединителя или способа его сборки.
14.11. Для разборных вилок и переносных розеток:
- должно быть ясно, как осуществить ослабление натяжения и избежать скручивания провода;
- устройство для зажима изоляции провода или часть его должно быть несъемным или должно быть постоянно зафиксировано с одной из частей вилки или переносной розетки; недопустимо, например, завязывание кабеля или шнура в узел или привязывание концов;
- устройство для зажима изоляции должно быть пригодно для гибких проводов и шнуров различных типов, которые могут использоваться, и эффективность его не должна зависеть от сборки частей корпуса;
- устройство для зажима изоляции должно быть из изоляционного материала или снабжено изоляционной прокладкой, закрепленной на металлических деталях;
- металлические детали устройства для зажима изоляции, включающие зажимные винты, должны быть изолированы от заземляющей цепи.
Примечание. Это не исключает крышки, служащей для фиксации гибкого кабеля в устройстве крепления шнура, при условии, что кабель остается на месте в этом устройстве, когда крышка снята.
&Проверку проводят внешним осмотром и по возможности пробным монтажом.&
14.12. Изолирующие части, на которых закрепляются токоведущие детали, должны надежно присоединяться друг к другу, и должна исключаться возможность разборки соединителя без помощи инструмента.
&Проверку проводят внешним осмотром и испытанием пробным монтажом.&
14.13. Если крышки переносных розеток снабжены проходными втулками для ввода штырей вилки, эти втулки не должны перемещаться под действием извне.
14.14. Винты, предназначенные для обеспечения доступа к внутренним частям соединителя, кроме переносных розеток, должны быть предохранены от самопроизвольного выпадания.
Примечание. Использование шайб из картона или аналогичного материала является достаточным условием для выполнения этого требования.
&Проверку соответствия требованиям
14.13 и 14.14 проводят внешним осмотром.&
14.15. Рабочая поверхность вилки в собранном для нормальной эксплуатации состоянии не должна иметь выступов, препятствующих полному вставлению ее штырей в розетку.
&Проверку проводят внешним осмотром после присоединения провода наибольшего сечения из указанных в
таблице 3.&
Примечание. Заземляющий контакт не считают таковым выступом на рабочей поверхности.
14.16. Конструкция переносных розеток должна обеспечивать отсутствие на рабочей поверхности каких-либо выступов, препятствующих полному вставлению в них соответствующей вилки.
&Проверку проводят испытанием по
13.5.&
14.17. Вилки и розетки, отличные от обычных, должны иметь кабельный ввод с эластичным уплотнением или аналогичное устройство.
Вилки и розетки, отличные от обычных, должны быть полностью уплотнены, когда к ним присоединен гибкий кабель или шнур, как для нормальной эксплуатации.
Переносные розетки, отличные от обычных, должны быть уплотнены даже без вставленной вилки.
Пружины крышек, при их наличии, должны быть изготовлены из коррозиеустойчивого материала, такого как бронза или нержавеющая сталь.
&Проверку проводят внешним осмотром и испытанием по
16.2.&
Примечание. Полное уплотнение розетки без вставленной вилки обеспечивается подпружинной крышкой.
14.18. Конструкция переносных розеток, имеющих устройство для подвески их на стене или другой монтажной поверхности, должна обеспечивать невозможность прикосновения этих устройств к токоведущим частям розетки, и отдельные неполадки этого устройства во время испытаний не должны влиять на токоведущие части.
Не допускаются свободные отверстия между пространством, предназначенным для средств подвески, с помощью которых розетка крепится к стене, и токоведущими деталями.
&Проверку проводят внешним осмотром и испытанием по
24.11 -
24.13.&
14.19. Вилки и розетки, имеющие прерыватель тока, должны удовлетворять требованиям соответствующих конкретных стандартов.
&Проверку проводят по соответствующим стандартам.&
14.20. Конструкция переносных розеток должна обеспечивать невозможность встраивания их в патроны для ламп.
&Проверку проводят внешним осмотром.&
14.21. Вилки, классифицируемые исключительно как вилки для приборов класса защиты II, должны быть опрессованными.
Если они являются элементом удлинительного шнура, то последний должен иметь приборную розетку, предназначенную для присоединения к системе питания приборов класса защиты II.
Если вилки опрессованы с удлинительным шнуром, то последний должен использоваться с переносной розеткой класса защиты II, обеспечивающей подключение приборов класса защиты II.
Примечание. Вилки для приборов класса защиты II могут быть как опрессованными, так и разборными.
&Проверку проводят внешним осмотром.&
14.22. Встроенные в соединители выключатели и предохранители должны отвечать требованиям соответствующих стандартов.
&Проверку проводят внешним осмотром и, если необходимо, испытаниями встроенных элементов по соответствующему стандарту.&
14.23. Если вилка является составной частью прибора, то последний не должен допускать перегрев ее штырей или значительную механическую перегрузку стационарных розеток.
Примечание. 1. Примерами таких приборов являются электрическая бритва и фонарь с автономным источником питания.
Вилки на номинальный ток св. 16 А не должны являться составной частью приборов.
Двухполюсные вилки с заземляющим контактом или без него на номинальный ток до 16 А и напряжение 250 В включ. проверяют по 14.23.1 и
14.23.2.
Примечание. 2. Для вилок иных типов испытания разрабатываются.
14.23.1. Вилку, являющуюся встроенной частью прибора, вставляют в стационарную розетку, отвечающую требованиям настоящего стандарта. Розетка должна быть присоединена к сети напряжением, соответствующим наибольшему номинальному напряжению прибора.
По истечении 1 ч температура перегрева штырей вилки прибора не должна превышать 45 °C.
Примечание. Испытания вилок для приборов класса защиты 0 проводят со стационарными розетками без заземляющего контакта.
14.23.2. Стационарную розетку, соответствующую настоящему стандарту, с включенным в нее прибором следует вращать вокруг горизонтальной оси, проходящей через гнездовые контакты на расстоянии 8 мм за рабочей поверхностью розетки и параллельно этой поверхности.
Дополнительный крутящий момент, который прилагают к розетке со вставленным в нее прибором для удержания ее рабочей поверхности в вертикальной плоскости, должен быть не более 0,25 Н x м.
14.24. Вилка должна иметь такую форму и изготовлена из такого материала, чтобы ее легко и удобно можно было вынуть рукой из соответствующей розетки.
Кроме того, поверхность захвата должна быть такой, чтобы вилку можно было вынуть из розетки, не натягивая при этом кабель или шнур.
&Проверку проводят испытанием, которое находится в стадии рассмотрения.&
14.25. Для диафрагм вводных отверстий применимы требования
13.24 и
13.25.
15. Сблокированные розетки
Конструкция розетки, сблокированной с выключателем, должна исключать введение вилки в розетку или ее выведение из нее в то время, когда контактные гильзы находятся под напряжением, и подачу напряжения на контактные гильзы до тех пор, пока вилка не будет полностью введена в розетку.
&Проверку проводят внешним осмотром и испытанием вручную.&
16. Устойчивость к старению, защита от проникновения
воды и влагостойкость
#16.1. Устойчивость к старению
Соединители должны быть устойчивыми к старению.
Детали, предназначенные только для декоративных целей, например, крышки, следует снять перед испытанием.
&Проверку проводят следующим испытанием.
Соединители, смонтированные, как для нормальной эксплуатации, испытывают на старение в атмосфере, имеющей такие же состав и давление, что и окружающий воздух.
Образцы свободно подвешивают в тепловой камере, вентилируемой за счет естественной циркуляции воздуха.
Соединители, отличные от обычных, испытывают после монтажа и сборки, как описано в
16.2.
Температуру в тепловой камере доводят до (70 +/- 2) °C.
Образцы выдерживают в тепловой камере 7 сут (168 ч).
Рекомендуется использовать электрическую тепловую камеру.
Естественная циркуляция воздуха обеспечивается отверстиями в стенках камеры. После нагрева и необходимой выдержки при этой температуре образцы извлекают из камеры и выдерживают при комнатной температуре и относительной влажности от 45 до 55% по крайней мере 4 сут (96 ч).
При проверке образцы не должны иметь трещин и быть жирными или липкими.
Проверку последнего требования проводят следующим образом.
Указательным пальцем, обмотанным куском сухой грубой ткани, надавливают на испытуемый образец силой примерно 5 Н. На испытуемом образце не должно оставаться следов ткани, а сама ткань не должна прилипать к нему. После испытаний образец не должен иметь повреждений, которые могли бы вызвать несоответствие его настоящему стандарту.&
Примечание. Усилие примерно 5 Н достигают следующим образом.
Испытуемый образец помещают на чашу весов, а другую чашу нагружают грузом, равным весу образца плюс 500 г. Восстанавливая равновесие чаш весов нажатием на испытуемый образец указательным пальцем, обмотанным в сухую грубую ткань, получают необходимое усилие.
16.2. Защита от проникновения воды
Корпуса соединителей, отличные от обычных, должны иметь степень защиты от проникновения воды в соответствии с классификацией.
&Проверку проводят следующим испытанием.&
16.2.1. Розетки для открытой установки монтируют на испытательной вертикальной поверхности с открытым сливным отверстием в самом низком положении. Розетки для скрытой и полускрытой установки укрепляют в соответствующей монтажной коробке согласно инструкции изготовителя.
Если в инструкции изготовителя не указан другой тип испытательной стены, то используют стену согласно
рисунку 15.
-------------------------------
<*> Размер для справок.
1 - кирпич; 2 - строительный раствор;
3 - монтажная коробка; 4 - плоскость установки
Примечание. Все швы строительного раствора толщиной (10 +/- 5) мм, если не указано иное.
Рисунок 15. Блок испытательной стены для проведения
испытаний в соответствии с требованиями
16.2.1
Если в инструкции изготовителя указан другой тип стены, то она в качестве монтажной должна быть подробно описана и удовлетворять рассматриваемым испытаниям.
Испытательная стена, показанная на рисунке 15, изготовлена из кирпичей, имеющих гладкую поверхность.
Монтажную коробку, размещенную в стене, устанавливают вплотную к стене так, чтобы вода не могла просочиться между коробкой и стеной.
Примечания. 1. При использовании герметика для монтажа коробки в стену необходимо обратить внимание на то, чтобы герметик не влиял на изолирующие свойства образца.
2. На
рисунке 15 показан пример, как грани монтажной коробки установлены в соответствующей плоскости. Другие положения возможны согласно инструкции изготовителя.
Испытания проводят в вертикальной плоскости.
Стационарные розетки монтируют, как при нормальной эксплуатации, и к ним присоединяют кабели наибольшего и наименьшего сечений согласно
таблице 3.
Переносные розетки испытывают в горизонтальной плоскости, как при нормальной эксплуатации, так, чтобы не было натяжения гибкого кабеля. Розетки снабжают гибкими кабелями согласно
таблице 17, имеющими проводники наименьшего и наибольшего сечений согласно
таблице 3.
Винты, крепящие корпус или крышку, затягивают с крутящим моментом, равным 2/3 от значений, указанных в
таблице 6.
Уплотнительные элементы затягивают с крутящим моментом, равным 2/3 от значений, указанных в
24.6.
Примечание. Сальники не устанавливают с применением герметика.
Детали, снимаемые без помощи инструмента, должны быть сняты.
Во время испытания дренажное отверстие, при его наличии, розеток со степенью защиты выше IPX4 должно быть закрыто.
Стационарные розетки испытывают со вставленной вилкой и без нее.
Переносные розетки испытывают со вставленной вилкой.
Вилки испытывают полностью вставленными сначала в стационарные, а затем в переносные розетки такой же системы и степенью защиты от воды, как они определены в системе.
Примечание. В некоторых системах вилки и розетки не имеют одинаковых степеней защиты.
16.2.2. Брызгозащищенные соединители подвергают испытаниям, предписываемым для степени защиты IPX4 в соответствии с требованиями
ГОСТ 14254.
16.2.3. Струезащищенные соединители подвергают испытаниям, предписываемым для степени защиты IPX5 в соответствии с требованиями
ГОСТ 14254.
16.2.4. Следует обратить внимание на то, чтобы не повредить соединитель (сотрясением или постукиванием), что влияет на результаты испытаний.
При наличии дренажного отверстия у соединителя, что определяют визуальным осмотром, необходимо обеспечить слив воды без нарушения работоспособности соединителя.
Примечания. 1. Для степеней защиты более IPX4 рекомендуется открыть дренажные отверстия для осмотра.
2. При отсутствии дренажных отверстий в соединителе необходимо принять решение о недопущении скопления воды.
Образцы должны выдержать испытание на электрическую прочность изоляции согласно
17.2 спустя 5 мин после завершения испытаний по этому пункту.
Соединители должны быть устойчивы к воздействию влаги, которая может быть при нормальной эксплуатации.
&Проверку проводят непосредственно до измерения сопротивления изоляции и испытания на электрическую прочность по
разделу 16.
Кабельные вводы и вводные отверстия в корпусе, если таковые имеются, оставляют открытыми. Если предусмотрено пробивание отверстий, то одно из них должно быть вскрыто.
Снимаемые без применения инструмента детали снимают и подвергают проверке вместе с основной частью. Подпружиненные крышки во время проверки должны быть открытыми. Испытуемые образцы помещают в камеру влажности.
Проверку проводят при относительной влажности воздуха от 91 до 95%. Температуру воздуха поддерживают в пределах t = [(20 - 30) +/- 1] °C.
Перед помещением в камеру влажности испытуемые образцы доводят до температуры от t до (t + 4) °C.
Образцы выдерживают в камере влажности:
48 ч - для обычных вилок и розеток;
168 ч - для вилок и розеток, отличных от обычных.&
Примечания. 1. Выдержка образцов в камере должна заканчиваться не менее чем за 4 ч до проверки влагостойкости.
2. Относительная влажность воздуха от 91 до 95% может быть получена помещением в камеру влажности насыщенного раствора сульфата натрия (

) или нитрата калия (

) в воде, имеющих достаточно большую площадь соприкосновения с воздухом.
3. Для достижения нужных условий необходимо обеспечить постоянную циркуляцию воздуха в камере и использовать камеру с термоизоляцией.
После испытания образцы должны соответствовать требованиям настоящего стандарта.
17. Сопротивление и электрическая прочность изоляции
Сопротивление изоляции и электрическая прочность изоляции соединителей должны соответствовать нормируемым значениям.
&Проверку проводят следующим испытанием непосредственно после испытаний по
16.3 в камере влажности или помещении, в котором испытуемые образцы доводят до указанной температуры после установки частей, снимаемых без применения инструмента, которые снимались во время других испытаний.
17.1. Сопротивление изоляции измеряют при напряжении постоянного тока ~= 500 В.
Показания снимают по истечении 1 мин после приложения напряжения.
Сопротивление изоляции должно быть не менее 5 МОм.
17.1.1. Сопротивление изоляции для розеток измеряют последовательно между:
а) всеми полюсами, соединенными вместе, и корпусом, при вставленной вилке;
б) каждым полюсом поочередно и всеми остальными полюсами, соединенными с корпусом, при вставленной вилке;
в) металлическим корпусом и металлической фольгой, соприкасающейся с внутренней поверхностью изолирующей прокладки, если таковая имеется.
Это испытание проводят, если прокладка необходима для обеспечения изоляции;
г) любой металлической частью узла крепления шнура, включая зажимные винты, и заземляющими контактными зажимами или заземляющим контактом, при их наличии;
д) любой металлической частью узла крепления шнура переносных розеток и металлическим штырем того же диаметра, вставленного вместо провода (см.
таблицу 12).
Под термином "корпус", применяемым в
подпунктах а) и
б), понимают все доступные металлические части, металлическую арматуру для крепления основных розеток для скрытой установки, металлическую фольгу, соприкасающуюся с внешней стороной наружных частей из изоляционного материала, крепежные винты оснований, крышки и накладки, наружные сборочные винты и заземляющие зажимы или контакты.&
Примечания. 1. Измерения, указанные в
подпунктах в) -
д), не проводят на опрессованных переносных розетках.
2. При установке металлической фольги на наружную поверхность или внутреннюю часть изолирующих деталей ее прижимают к отверстиям или углублениям без чрезмерного усилия с помощью прямого испытательного щупа, аналогичного стандартному испытательному пальцу, приведенному на
рисунке 8.
&17.1.2. Сопротивление изоляции вилок измеряют последовательно между:
а) всеми соединенными вместе полюсами и корпусом;
б) каждым полюсом поочередно и всеми остальными полюсами, соединенными с корпусом;
в) любой металлической частью узла крепления шнура, включая зажимные винты, и заземляющим зажимом или контактом, при их наличии;
г) любой металлической частью узла крепления шнура переносных розеток и металлическим штырем того же диаметра, что и провод, вместо которого используют штырь (см.
таблицу 17).
Под термином "корпус", используемым в
подпунктах а) и
б), понимают все доступные металлические части, наружные крепежные винты, заземляющие зажимы и контакты, а также металлическую фольгу, соприкасающуюся с внешней поверхностью наружных частей из изоляционного материала, за исключением рабочей поверхности.&
Примечания. 1. Измерения, указанные в
подпунктах в) и
г), не проводят на опрессованных вилках.
2. При установке металлической фольги на наружную поверхность или на внутреннюю часть изолирующих деталей ее прижимают к отверстиям или углублениям без чрезмерного усилия с помощью прямого испытательного пальца, аналогично приведенному на
рисунке 8.
&17.2 Напряжение синусоидальной формы частотой 50 или 60 Гц прикладывают в течение 1 мин между частями, указанными в
17.1.
Испытательное напряжение должно быть:
- 1250 В - для соединителей на номинальное напряжение до 130 В включ.;
- 2000 В - для соединителей на номинальное напряжение св. 130 В. Вначале прилагают менее половины указанного напряжения, а затем его резко и быстро доводят до указанного.
В процессе испытания не должно быть пробоев и коротких замыканий.&
Примечания. 1. Трансформатор высокого напряжения, используемый для испытания, должен иметь такую конструкцию, чтобы при короткозамкнутых выходных контактных зажимах и при установленном выходном испытательном напряжении требуемой величины выходной ток был не менее 200 мА.
2. Реле не должно срабатывать при выходном токе менее 100 мА.
3. Рабочее значение испытательного напряжения должно измеряться с погрешностью +/- 3%.
4. Тлеющие разряды без падения напряжения не учитывают.
18. Работа заземляющего контакта
Заземляющие контакты должны обеспечивать достаточное контактное нажатие и не должны подвергаться износу при нормальных условиях эксплуатации.
&Проверку проводят испытанием по разделам 19 и
21.&
| | Применение на добровольной основе раздела 19 обеспечивает соблюдение требований Федерального закона от 22.07.2008 N 123-ФЗ "Технический регламент о требованиях пожарной безопасности" (Приказ Ростехрегулирования от 30.04.2009 N 1573). | |
19. Превышение температуры
Соединители должны иметь такую конструкцию, которая обеспечивает нормируемое превышение температуры при испытаниях.
&Опрессованные соединители испытывают в состоянии изготовления.
Разборные соединители испытывают с присоединенным проводом с поливинилхлоридной изоляцией номинальным сечением, указанным в таблице 15.&
Таблица 15
Номинальный ток соединителя, А | Номинальное сечение, мм2 |
гибкий провод для переносных соединителей | жесткий одно- или многопроволочный провод для стационарных соединителей |
До 10 | 1,0 | 1,5 |
Св. 10 до 16 | 1,5 | 2,5 |
Св. 16 | 4,0 | 6,0 |
&Винты и гайки контактных зажимов затягивают крутящим моментом, равным 2/3 значения, указанного в
12.2.8.&
Примечание. Для обеспечения нормального охлаждения контактных зажимов провод, присоединенный к ним, должен иметь длину 1 м.
&Соединители для скрытой проводки монтируют в монтажных коробках. Соединитель в коробке помещают в испытательный блок, изготовленный из массива сосны. Пространство вокруг коробки заполняют штукатуркой так, чтобы передняя часть соединения не выступала более чем на 5 мм относительно передней поверхности испытательного блока.&
Примечание. Испытательный блок после его изготовления должен высушиваться в естественных условиях не менее 7 сут.
&Испытательный блок должен передней частью выступать не менее чем на 25 мм за слой штукатурки толщиной от 10 до 15 мм, покрывающей коробку с соединителем с боковых, верхней, нижней и тыльной сторон.&
Примечание. Внутренние боковые полости испытательного блока могут иметь цилиндрическую форму.
&Кабель, присоединенный к розетке, должен проходить через крышку коробки, причем места входа должны быть изолированы, чтобы предотвратить циркуляцию воздуха. Длина каждого проводника в пределах коробки должна быть (80 +/- 10) мм.
Розетки для открытой установки должны быть смонтированы в центре деревянного блока с размерами: 20,0 мм - ширина, 500 мм - длина, 500 мм - толщина (высота).
Розетки других типов должны устанавливаться в соответствии с инструкцией изготовителя или, при ее отсутствии, в положении, как при нормальной эксплуатации, но в наиболее неблагоприятных условиях.
Испытательное устройство испытывают в условиях окружающей среды, без сквозняков.
Розетки испытывают, используя испытательную вилку с латунными штырями, имеющую минимальные нормируемые размеры.
Вилки испытывают, используя стационарные розетки, соответствующие настоящему стандарту и имеющие примерно средние характеристики из числа отобранных. Заземляющий штырь, если таковой имеется, должен иметь минимальные размеры. Вилку вставляют в розетку и пропускают в течение 1 ч переменный ток, указанный в
таблице 20.
В соединителях, имеющих три и более полюсов, ток во время испытания должен проходить по фазным контактам. Кроме того, проводят отдельные испытания, подключив к току нейтральный контакт, если таковой имеется, через соседний фазный контакт, а затем заземляющий контакт, если таковой имеется, также через соседний фазный контакт. При данном испытании заземляющие контакты, независимо от их числа, считают одним полюсом.
Для многоместных розеток испытание проводят на каждой розетке.
Температуру определяют с помощью плавящихся частиц, цветоизменяющихся индикаторов или термопар, которые подбирают и устанавливают так, чтобы они оказывали минимальное влияние на тепловой режим образцов.
Превышение температуры на контактных зажимах не должно быть более 45 °C.&
Примечания. 1. При испытании по
25.3 должно быть также определено превышение температуры внешних сторон изолирующих деталей, не служащих для крепления токоведущих частей и частей заземляющей цепи, даже если они находятся с ними в контакте.
2. Если соединители имеют реостаты, плавкие предохранители, выключатели, регуляторы мощности и т.п., эти элементы следует накоротко замкнуть при испытании.
Соединители должны выдерживать индуктивную нагрузку.
&Проверку проводят испытанием розеток и вилок с полыми трубчатыми штырями с помощью установки, показанной на
рисунке 16.&
1 - вилка; 2 - розетка; 3 - стальной шар
Пружины, отличные от пружины В, выбирают и регулируют так, чтобы при сжатии на 1/3 от первоначальной длины, создавалось усилие, равное 1, 2-кратному максимальному усилию, указанному в
разделе 22.
Рисунок 16. Установка для испытания соединителей
на нормальную работу
1 - металлическая опора
Рисунок 17. Схемы соединения для испытания
на нормальную работу
&Разборные соединители снабжают проводом, как указано в
разделе 19.&
Примечания. 1. Испытательное устройство, показанное на
рисунке 16, находится на рассмотрении.
2. В случае выхода из строя шторок испытания розеток со шторками продолжают вручную.
&Розетки испытывают, используя испытательные вилки с латунными штырями, имеющими изолированную часть, причем штыри должны быть максимальных размеров из указанных с допуском минус 0,06 мм и номинальное межосевое расстояние с допуском плюс 0,05 мм. Размеры изолированной части штыря не должны выходить за пределы допусков по
ГОСТ 7396.1.&
Примечания. 1. Изолированная часть штырей не важна для этого испытания при условии, что штыри соответствуют конкретному стандарту.
2. Требования к механическим свойствам, термообработке и твердости латуни CuZn39Pb2-M для штырей вилок - по ИСО 1639
[3].
3. Состав материала должен быть однородным.
&Концы круглых штырей должны быть скругленными.
Вилки испытывают с помощью стационарной розетки, соответствующей требованиям настоящего стандарта и имеющей усредненные характеристики из числа отобранных.
Штыри испытательной вилки перед началом испытаний должны быть в хорошем состоянии. Для испытаний соединителей с номинальным напряжением до 250 В включ. и токами до 16 А включ. длина хода подвижной части установки должна быть от 50 до 60 мм.&
Примечание. Длина хода (перемещение) для соединителей с другими номинальными значениями напряжения и тока разрабатывается.
&Вилку в розетку вставляют и вынимают из нее в течение 50 циклов (100 движений или раз) с частотой:
- 30 раз в 1 мин - для соединителей на номинальный ток до 16 А включ. и номинальное напряжение до 250 В включ.;
- 15 раз в 1 мин - для соединителей, рассчитанных на другие номинальные значения тока и напряжения.&
Примечание. Движением считают включение или отключение вилки.
&Испытательное напряжение устанавливают равным 1,1 номинального значения напряжения, а испытательный ток - 1,25 номинального тока.
Время с момента вставления вилки в розетку (при прохождении испытательного тока) до ее отключения должно быть:
- для соединителей до 16 А включ.

- для соединителей св. 16 А

.
Соединители испытывают переменным током в цепях с коэффициентом мощности 0,6 +/- 0,05.
Ток не должен пропускаться через заземляющую цепь при ее наличии.
Схема соединения при испытаниях показана на
рисунке 20. Двухполюсные соединители с нейтральным контактом (2P + N и 2P + N +

) присоединяют к двум фазам и нейтрали трехфазной электрической сети.
Не допускается параллельное присоединение активных и индуктивных сопротивлений, за исключением случаев, когда при применении индуктивного сопротивления без стального сердечника параллельно ему присоединяют активное сопротивление, забирающее ~= 1% тока, проходящего через индуктивность.
Допускается применение индуктивностей со стальным сердечником при условии, что ток имеет синусоидальную форму. При испытании трехполюсных соединителей следует использовать индуктивности с тремя сердечниками.
В двухполюсных соединителях доступные металлические части, металлическую опору и металлическую арматуру для крепления основания розеток при скрытой установке присоединяют через селекторный выключатель C к одному из полюсов источника питания для одной половины нормируемых испытательных циклов и к другому полюсу - для другой половины циклов.
Трехполюсные соединители присоединяют поочередно к каждой клемме источника для 1/3 общего нормируемого количества циклов.
Для многоместных розеток и удлинителей испытание проводят при номинальном токе на каждой розетке.
Во время испытаний не должно наблюдаться устойчивой электрической дуги. После испытаний не должно быть повреждений, препятствующих их дальнейшей работе, в частности, отверстий для штырей, которые могут повлиять на их безопасность согласно требованиям настоящего стандарта.&
Соединители должны выдерживать без повышенного износа или других неблагоприятных результатов механические, электрические и тепловые перегрузки, возникающие при их нормальной эксплуатации.
&Проверку проводят испытанием розеток с упругими заземляющими контактными гильзами и вилок с полыми трубчатыми штырями с помощью установки, показанной на
рисунке 16, используя и методики, описанные в
разделе 20.&
Примечание. Пересмотр испытательной установки, показанной на
рисунке 16, находится в стадии рассмотрения.
&Испытательные штыри (при испытаниях розеток) и стационарные розетки (при испытании вилок с полыми штырями и упругими заземляющими контактами) должны заменяться после 4500 и 9000 движений.&
Примечание. В случае выхода из строя шторок, испытание розеток со шторками могут быть проведены при 10000 движений и испытательном токе, предусмотренном для розеток без шторок, и с таким же количеством движений без тока для розеток со шторками, или вручную, как при нормальной эксплуатации.
&Розетки испытывают, используя испытательные вилки с латунными штырями, имеющими изолированную часть, причем штыри должны иметь максимальные размеры из указанных с допуском минус 0,006 мм и номинальное межосевое расстояние с допуском плюс 0,05 мм. Размеры изолированной части штыря не должны выходить за пределы допусков стандартных листов по
ГОСТ 7396.1.&
Примечания. 1. Форма штырей с изолированной частью не имеет значения при испытаниях при условии, что они соответствуют конкретному стандарту.
2. Требования к механическим свойствам, термообработке и твердости латуни CuZn39Pb2-M для штырей вилок - по ИСО 1639
[3].
3. Состав материала должен быть однородным.
4. Вилки испытывают с помощью стационарной розетки, соответствующей требованиям настоящего стандарта и имеющей усредненные характеристики из числа отобранных.
5. Штыри испытательной вилки перед началом испытаний должны быть в хорошем состоянии.
Концы штырей вилки закругляют.
&Вилку вставляют в розетку и вынимают из розетки в течение 5000 циклов (10000 движений или раз) с частотой:
- 30 раз в 1 мин - для соединителей на номинальный ток до 16 А включ. и номинальное напряжение до 250 В включ.;
- 15 раз в 1 мин - для соединителей, рассчитанных на другие номинальные значения тока и напряжения.&
Примечание. Движением считают включение и отключение вилки.
&Образцы испытывают переменным током, указанным в
таблице 20, в цепях с коэффициентом мощности

= 0,6 +/- 0,05, при номинальном напряжении.
Для соединителей на номинальные токи до 16 А включ. испытательный ток пропускают при каждом включении вилки. Во всех других случаях номинальный ток пропускают через один испытательный цикл. Вилки вставляют и извлекают без токовой нагрузки.
Время с момента вставления вилки в розетку (при прохождении испытательного тока) до ее изъятия должно быть:
- для соединителей до 16 А включ.

- для соединителей св. 16 А

.
Ток не пропускают через заземляющую цепь при ее наличии.
При испытании используют схему соединения, указанную в
разделе 20.
Управление селекторным выключателем C описывается там же.
Многоместные розетки испытывают при номинальном токе на розетке каждого типа.
Во время испытаний не должно наблюдаться устойчивой электрической дуги.
В результате испытания не должно быть:
- износа соединителей, препятствующего их дальнейшей работе;
- механического истирания корпуса, изоляционных прокладок или перегородок;
- повреждений вводных отверстий розеток для штырей вилок, которые препятствуют их дальнейшей работе;
- ослабления механических и электрических соединений;
- утечки заливочной массы.
Для проверки розеток со шторками следует использовать измерительный прибор, приведенный на
рисунке 10, наконечником которого воздействуют на входные отверстия, соответствующие токоведущим контактам, с силой 20 Н, последовательно в трех направлениях, не вынимая его после каждого движения. Затем подобным прибором, приведенным на
рисунке 9, с измерительным наконечником другой формы воздействуют с силой до 1 Н в трех направлениях независимыми движениями, но с извлечением наконечника после каждого движения. Измерительные наконечники приборов не должны касаться токоведущих деталей в процессе испытаний.
Электрический индикатор с рабочим напряжением не менее 40 и не более 50 В применяют для выявления контакта между наконечником прибора и деталью соединителя.
После испытаний образцы должны соответствовать требованиям
раздела 19 при испытательном токе по
разделу 21, и превышение температуры для образцов в любой точке должно быть не более 45 °C. Испытуемые образцы должны также выдерживать испытание на электрическую прочность изоляции по
17.2, при этом испытательное напряжение должно быть 1500 В для соединителей на номинальное напряжение 250 В и 1000 В - соединителей на номинальное напряжение 130 В.&
Примечание. В данном случае образцы не обрабатывают по
16.3 перед проверкой электрической прочности изоляции.
&После испытаний по данному разделу проводят испытания по
13.2 и
14.2.&
22. Усилие при разъеме штырей вилки
с гнездами розетки
Конструкция соединителей должна обеспечивать легкое вставление и извлечение вилки, а также и исключать ее самопроизвольное выпадание при нормальной эксплуатации.
В этом испытании заземляющие контакты независимо от их количества считают одним полюсом.
Соединители испытывают в разомкнутом положении.
&Проверку розеток проводят с целью определения:
- максимального усилия, необходимого для разъема испытательной вилки с розеткой и указанного в
таблице 16;
- минимального усилия, необходимого для разъема испытательной вилки с розеткой и указанного в
таблице 16.&
#22.1. Проверка максимального усилия разъема
&Розетку закрепляют в держателе монтажной плиты 1 установки, показанной на рисунке 18, таким образом, чтобы оси контактных гильз находились в вертикальной плоскости, а отверстия для штырей были ориентированы вниз.&
1 - держатель; 2 - образец; 3 - испытуемая вилка;
4 - захват; 5 - дополнительный груз; 6 - основной груз;
7 - опора
Рисунок 18. Установка для проверки усилия разъема штырей
вилки с гнездами розетки
&Испытательные вилки должны иметь полированные штыри из закаленной стали с шероховатостью поверхности 0,8 мкм на активной длине, а их межосевое расстояние должно быть номинальным с допуском +0,05 мм.
Диаметр круглых штырей и расстояние между контактными поверхностями для штырей иной формы должны иметь максимальные значения с допуском минус 0,01 мм.&
Примечание. 1. Максимальным из указанных значений является номинальный размер с максимальным допуском.
&Перед началом испытания штыри обезжиривают, соблюдая меры предосторожности.
Перед началом каждого испытания штыри обезжиривают, используя холодный химический обезжириватель, например, бензин.&
Примечание. 2. При использовании средств для обезжиривания должны быть приняты необходимые меры предосторожности.
&Испытательную вилку, имеющую максимальные размеры штырей для соответствующего номинального тока, в течение 10 циклов вставляют в розетку и вынимают из нее.
Для розеток на токи 10, 16 А и напряжение 250 В с боковыми заземляющими контактами расстояние между ними должно быть

мм.
Затем вилку вновь вставляют в розетку, при этом опору 7 для основного 6 и дополнительного груза 5 крепят к вилке захватом 4. Масса дополнительного груза должна обеспечивать силу, равную 1/10 максимальной нормируемой силы разъема, указанной в
таблице 16. Основной и дополнительные грузы, захват 4, опора и вилка должны обеспечивать усилие, равное максимальному нормируемому усилию разъема. Основной груз 6 навешивают таким образом, чтобы не вызвать сотрясение вилки, а дополнительный груз 5 с высоты 5 см сбрасывают на основной груз.
Вилка не должна оставаться в розетке.&
#22.2. Проверка минимального усилия разъема
&Испытательный калибр вилки, показанный на рисунке 19, применяют для каждого индивидуального розеточного контакта при горизонтально расположенной розетке, ориентированной, как в предыдущем испытании.&
Примечание. Масса калибра должна быть равномерно распределена относительно осевой линии.
Размеры калибра - по соответствующим стандартным листам
ГОСТ 7396.1.
Рисунок 19. Калибр для определения минимального усилия
при разъеме штырей вилки с гнездами розетки
&Влияние шторок на усилие разъема, при их наличии, необходимо исключить.
Испытательный калибр вилки изготовлен из закаленной стали с шероховатостью поверхности не более 0,8 мкм на активной длине.
Штырь вилки-калибра должен иметь размеры поперечного сечения, равные минимальным, в соответствии со стандартом, с допуском минус 0,01 мм и длину, достаточную для обеспечения контакта с розеткой. Общая масса калибра (усилие разъема) - по таблице 16.&
Номинальный ток соединителей, А | Число полюсов | Усилие разъема вилки с розеткой, Н |
многоштыревой калибр, максимальное | одиночный калибр, минимальное |
До 10 включ. | 2 | 40 | 1,5 |
3 | 50 |
Св. 10 до 16 включ. | 2 | 50 | 2,0 |
3 | 54 |
Св. 3 | 70 |
Св. 16 до 32 включ. | 2 | 80 | 3,0 |
3 |
Св. 3 | 100 |
Примечание. Если в розетку вставляют вилки со штырями других размеров, то они должны быть минимальными.
&Перед каждым испытанием штыри обезжиривают.
Затем испытательную вилку-калибр осторожно вставляют в гнезда розетки.
Испытательная вилка-калибр не должна выпадать из розетки в течение 30 с.&
23. Гибкие кабели, шнуры и их присоединение
23.1. Вилки, переносные розетки и удлинители должны иметь устройства, предназначенные для защиты присоединяемых проводов и шнуров от натяжения и скручивания в месте присоединения к контактным зажимам или вводам, а их изоляция должна быть защищена от истирания.
Оболочка шнура, если таковая имеется, должна также зажиматься данным устройством.
&Проверку проводят внешним осмотром.
#23.2. Эффективность устройства крепления провода или шнура проверяют следующим испытанием с использованием установки, приведенной на рисунке 20.&
1 - эксцентрик; 2 - ручка; 3 - образец
Рисунок 20. Установка для испытания узла крепления шнура
&Опрессованные соединители испытывают с тем кабелем или шнуром, который у них имеется. Испытания проводят на новых образцах.
Разборные соединители испытывают с жилами кабеля наименьшего, а затем наибольшего сечений из указанных в таблице 17.&
┌─────────────────────┬─────┬────────────┬──────┬────────────────┐
│ Номинальный ток │Число│ Тип кабеля │Число │ Наружный │
│ и напряжение │полю-│ или шнура │прово-│ диаметр кабеля │
│ │сов │ по ГОСТ Р │дов и │ или шнура, мм │
│ │ │ │наль- ├────────┬───────┤
│ │ │ │ные │ не │ не │
│ │ │ │сече- │ менее │ более │
│ │ │ │ния, │ │ │
│ │ │ │мм2 │ │ │
├─────────────────────┼─────┼────────────┼──────┼────────┼───────┤
│От 6 до 10 А включ., │ 2 │60227 IEC 42│2Ч0,75│2,7Ч5,4 │3,2Ч6,4│
│до 250 В включ.
<**> │ ├────────────┤ ├────────┼───────┤
│ │ │60227 IEC 53│ │3,8Ч6,0 │5,2Ч7,6│
├─────────────────────┼─────┼────────────┼──────┼────────┼───────┤
│От 6 до 10 А включ., │ 2 │60227 IEC 53│2Ч0,75│2,7Ч5,4 │3,2Ч6,4│
│до 250 В включ. │ │ ├──────┼────────┼───────┤
│ │ │ │2Ч1,00│ 6,4 │ 8,0 │
│ ├─────┤ ├──────┼────────┼───────┤
│ │ 3 │ │3Ч0,75│ 6,4 │ 8,4 │
│ │ │ ├──────┤ │ │
│ │ │ │3Ч1,00│ │ │
├─────────────────────┼─────┼────────────┼──────┼────────┼───────┤
│Св. 10 │ 2 │60227 IEC 42│2Ч0,75│2,7Ч5,4 │3,2Ч6,4│
│до 16 А включ., │ ├────────────┼──────┼────────┼───────┤
│до 250 В включ. │ │60227 IEC 53│2Ч1,50│ 7,4 │ 9,0 │
│ ├─────┼────────────┼──────┼────────┼───────┤
│ │ 3 │60227 IEC 53│3Ч0,75│ 6,4 │ 9,8 │
│ │ │ ├──────┤ │ │
│ │ │ │3Ч1,50│ │ │
├─────────────────────┼─────┼────────────┼──────┼────────┼───────┤
│16 А, св. 250 В │ 3 │60227 IEC 53│3Ч1,00│ 6,8 │ 12,0 │
│ │ │ ├──────┤ │ │
│ │ │ │3Ч2,50│ │ │
│ ├─────┤ ├──────┼────────┼───────┤
│ │ 4 │ │4Ч1,00│ 7,6 │ 13,0 │
│ │ │ ├──────┤ │ │
│ │ │ │4Ч2,50│ │ │
│ ├─────┤ ├──────┼────────┼───────┤
│ │ 5 │ │5Ч1,00│ 8,3 │ 14,0 │
│ │ │ ├──────┤ │ │
│ │ │ │5Ч2,50│ │ │
├─────────────────────┼─────┼────────────┼──────┼────────┼───────┤
│Св. 16 А, │ 2 │60227 IEC 53│2Ч2,50│ 8,9 │ 11,0 │
│до 440 В включ. │ │60227 IEC 66├──────┼────────┼───────┤
│ │ │ │2Ч6,00│ 13,5 │ 18,5 │
│ ├─────┤ ├──────┼────────┼───────┤
│ │ 3 │ │3Ч2,50│ 9,6 │ 12,0 │
│ │ │ ├──────┼────────┼───────┤
│ │ │ │3Ч6,00│ 14,5 │ 20,0 │
│ ├─────┤ ├──────┼────────┼───────┤
│ │ 4 │ │4Ч2,50│ 10,5 │ 13,0 │
│ │ │ ├──────┼────────┼───────┤
│ │ │ │4Ч6,00│ 16,5 │ 22,0 │
│ ├─────┤ ├──────┼────────┼───────┤
│ │ 5 │ │5Ч2,50│ 11,5 │ 14,0 │
│ │ │ ├──────┼────────┼───────┤
│ │ │ │5Ч6,00│ 18,0 │ 24,5 │
├─────────────────────┴─────┴────────────┴──────┴────────┴───────┤
│ <*> Заземляющие контакты, независимо от их числа, считают│
│одним полюсом. │
│ <**> Исключительно для двужильных проводов без общей│
│оболочки. │
└────────────────────────────────────────────────────────────────┘
&Соединители, предназначенные для эксплуатации исключительно с плоским гибким кабелем, испытывают только с плоскими гибкими кабелями.
Жилы гибкого кабеля или шнура разборных соединителей присоединяют к контактным зажимам, винты контактных зажимов затягивают так, чтобы исключить возможность изменения положения провода.
Устройство крепления шнура используют, как обычно, его зажимные винты, если таковые имеются, затягивают крутящим моментом, равным 2/3 от указанного в
12.2.8.
После повторной сборки испытуемого образца его части должны быть хорошо подогнаны, и должна быть исключена возможность продвижения кабеля или шнура в образец сверх установленного предела. Проверяемый образец устанавливают на испытательный прибор так, чтобы оси кабеля или шнура располагались вертикально в месте ввода их в образец.&
Затем к кабелю или шнуру прикладывают 100 раз усилие:
- 50 Н - для соединителей на номинальный ток 2,5 А;
- 60 Н - для соединителей на номинальный ток св. 2,5 А, но не более 16 А и номинальное напряжение до 250 В включ.;
- 80 Н - для соединителей на номинальный ток св. 2,5 А, но не более 16 А и номинальное напряжение св. 250 В;
- 100 Н - для соединителей на номинальный ток св. 16 А.
Силу прикладывают плавно, без рывков, каждый раз в течение 1 с.
Примечание. Сила должна прикладываться ко всем элементам (изоляция, оболочка, жила) гибкого кабеля или шнура одновременно.
Сразу же после этого гибкий кабель или шнур подвергают в течение 1 мин воздействию крутящего момента, указанного в таблице 18.
Таблица 18
Номинальный ток и напряжение вилок или переносных розеток | Крутящий момент, Н x м |
число жил Ч сечение |
2Ч0,50 | 2Ч0,75 | 3Ч0,50 | 3Ч0,75 | (2 или более) Ч1,00 |
До 16 А, 250 В | 0,1 | 0,15 | 0,15 | 0,25 | 0,250 |
16 А, св. 250 В | - | - | - | - | 0,350 |
Св. 16 А | - | - | - | - | 0,425 |
&Вилки со шнуром, обернутым фольгой, не подвергают испытаниям крутящим моментом.
После испытаний кабель или шнур не должен смещаться более чем на 2 мм.
В разборных соединителях жилы проводов не должны заметно смещаться в контактных зажимах. В опрессованных соединителях не должно быть разрывов в местах электрических соединений. Для измерения продольного смещения перед началом испытания наносят метку на кабель или шнур на расстоянии ~= 20 мм от края образца или ограничителя шнура.
Если опрессованные соединители не имеют четкого края образца или ограничителя шнура, то на корпусе образца наносят дополнительную метку. После испытания измеряют смещение метки на кабеле или шнуре относительно образца или ограничителя шнура, пока кабель или шнур еще находится под натяжением.
Кроме того, для разборных соединителей на номинальный ток до 16 А включ. необходимо проверить пробным монтажом пригодность присоединения к соединителям соответствующего кабеля согласно таблице 19.&
Таблица 19
┌─────────────┬─────┬────────────────┬──────────────┬────────────┐
│ Номинальный │Число│ Тип кабеля │Число проводов│Максимальные│
│ ток и │полю-│ или шнура по │и номинальные │ размеры │
│ напряжение │сов │ГОСТ Р МЭК 245-4│ сечения, мм2 │ гибкого │
│соединителей │
<*> │ │ │ кабеля, мм │
├─────────────┼─────┼────────────────┼──────────────┼────────────┤
│От 6 до 10 А │ 2 │ 245 IEC 51 │ 2Ч0,75 │ 8,0 │
│включ., │ │ │ │ │
│до 250 В │ │ │ │ │
├─────────────┼─────┼────────────────┼──────────────┼────────────┤
│От 6 до 10 А │ 2 │ 245 IEC 53 │ 2Ч1,00 │ 8,8 │
│включ., до ├─────┤ ├──────────────┼────────────┤
│250 В включ. │ 3 │ │ 3Ч1,00 │ 9,2 │
├─────────────┼─────┼────────────────┼──────────────┼────────────┤
│От 10 до 16 А│ 2 │ 245 IEC 53 │ 2Ч1,50 │ 10,5 │
│включ., до ├─────┤ ├──────────────┼────────────┤
│250 В включ. │ 3 │ │ 3Ч1,50 │ 11,0 │
├─────────────┼─────┼────────────────┼──────────────┼────────────┤
│16 А, │ 3 │ 245 IEC 53 │ 3Ч2,50 │ 13,0 │
│св. 250 В ├─────┤ ├──────────────┼────────────┤
│ │ 4 │ │ 4Ч2,50 │ 14,0 │
│ ├─────┤ ├──────────────┼────────────┤
│ │ 5 │ │ 5Ч2,50 │ 15,5 │
├─────────────┴─────┴────────────────┴──────────────┴────────────┤
│ <*> Заземляющие контакты, независимо от их числа, считают│
│одним полюсом. │
│ <**> Исключительно для двужильных проводов без общей│
│оболочки. │
└────────────────────────────────────────────────────────────────┘
| | ИС МЕГАНОРМ: примечание. Взамен ГОСТ Р МЭК 60227-5-2002 Приказом Ростехрегулирования от 26.06.2009 N 221-ст с 1 января 2010 года введен в действие ГОСТ Р МЭК 60227-5-2009. | |
23.3. К опрессованным вилкам и переносным розеткам присоединяют гибкий кабель или шнур по ГОСТ Р МЭК 60227-5 и ГОСТ Р МЭК 245-4. Сечения проводов в зависимости от номинальных параметров соединителя приведены в таблице 20.
Примечание. В таблице 20 также указан и испытательный ток для проверки превышения температуры и нормальной работы соединителей.
┌─────────────┬─────────┬────────┬──────────────┬────────────────┐
│ Номинальный │Разборный│Разбор- │Опрессованная │ Опрессованная │
│ ток и │стацио- │ный пе- │ переносная │ вилка │
│ напряжение │нарный │реносной│ розетка │ │
│соединителей │соедини- │соеди- │ │ │
│ │тель │нитель │ │ │
│ ├─────────┼────────┼────┬─────────┼──────┬─────────┤
│ │испыта- │испыта- │се- │испыта- │сече- │испыта- │
│ │тельный │тельный │че- │тельный │ние, │тельный │
│ │ток, А │ток, А │ние,│ток, А │мм2 │ток, А │
│ ├─────────┼────────┤мм2 ├─────────┤ ├─────────┤
│ │ раздел │ раздел │ │ раздел │ │ раздел │
│ ├────┬────┼────┬───┤ ├────┬────┤ ├────┬────┤
├─────────────┼────┼────┼────┼───┼────┼────┼────┼──────┼────┼────┤
│2,5 А, │ - │ - │ - │ - │ - │ - │ - │Фольга│1,0 │1,0 │
│130/250 В │ │ │ │ │ │ │ ├──────┼────┼────┤
│ │ │ │ │ │ │ │ │ 0,50 │2,5 │2,5 │
│ │ │ │ │ │ │ │ ├──────┼────┤ │
│ │ │ │ │ │ │ │ │ 0,75 │4,0 │ │
│ │ │ │ │ │ │ │ ├──────┤ │ │
│ │ │ │ │ │ │ │ │ 1,00 │ │ │
├─────────────┼────┼────┼────┼───┼────┼────┼────┼──────┼────┼────┤
│6 А, │ 9 │ 6 │ 8,4│ 6 │ - │ - │ - │Фольга│1,0 │1,0 │
│130/250 В │ │ │ │ │ │ │ ├──────┼────┼────┤
│ │ │ │ │ │ │ │ │ 0,50 │2,5 │2,5 │
│ │ │ │ │ │ │ │ ├──────┼────┼────┤
│ │ │ │ │ │ │ │ │ 0,75 │9,0 │6,0 │
│ │ │ │ │ │ │ │ ├──────┤ │ │
│ │ │ │ │ │ │ │ │ 1,00 │ │ │
├─────────────┼────┼────┼────┼───┼────┼────┼────┼──────┼────┼────┤
│10 А, │ 16 │ 10 │14,0│10 │0,75│10,0│10,0│ 0,50 │2,5 │2,5 │
│130/250 В │ │ │ │ ├────┼────┤ ├──────┼────┼────┤
│ │ │ │ │ │1,00│12,0│ │ 0,75 │10,0│10,0│
│ │ │ │ │ ├────┼────┤ ├──────┼────┤ │
│ │ │ │ │ │1,50│16,0│ │ 1,00 │12,0│ │
├─────────────┼────┼────┼────┼───┼────┼────┼────┼──────┼────┼────┤
│16 А, │ 22 │ 16 │20,0│16 │1,00│12,0│12,0│Фольга│1,0 │1,0 │
│130/250 В │ │ │ │ │ │ │ ├──────┼────┼────┤
│ │ │ │ │ │ │ │ │ 0,50 │2,5 │2,5 │
│ │ │ │ │ ├────┼────┼────┼──────┼────┼────┤
│ │ │ │ │ │1,50│16,0│16,0│ 0,75 │10,0│10,0│
│ │ │ │ │ │ │ │ ├──────┼────┼────┤
│ │ │ │ │ │ │ │ │ 1,00 │12,0│12,0│
│ │ │ │ │ │ │ │ ├──────┼────┼────┤
│ │ │ │ │ │ │ │ │ 1,50 │16,0│16,0│
├─────────────┼────┼────┼────┼───┼────┼────┼────┼──────┼────┼────┤
│16 А, │ 22 │ 16 │20,0│16 │1,50│16,0│16,0│ 1,50 │16,0│16,0│
│440 В │ │ │ │ │ │ │ ├──────┼────┼────┤
│ │ │ │ │ │ │ │ │ 2,50 │22,0│22,0│
├─────────────┼────┼────┼────┼───┼────┼────┼────┼──────┼────┼────┤
│32 А, │ 40 │ 32 │40,0│32 │2,50│2,5 │2,5 │ 2,50 │25,0│25,0│
│130/250/440 В│ │ │ │ │ │ │ ├──────┼────┼────┤
│ │ │ │ │ │ │ │ │ 4,00 │31,0│31,0│
│ │ │ │ │ │ │ │ ├──────┼────┼────┤
│ │ │ │ │ │ │ │ │ 6,00 │42,0│32,0│
├─────────────┴────┴────┴────┴───┴────┴────┴────┴──────┴────┴────┤
│ Примечания. 1. Шнуры, обернутые фольгой, и шнуры сечением│
│0,5 мм2 можно применять длиной не более 2 м. │
│ 2. Опрессованные вилки и удлинители испытывают, как указано│
│в соответствующих стандартах (данный стандарт для вилок,│
│соединитель испытывают независимо от другого). │
│ 3. Испытательный ток для соединителей, имеющих иные│
│номинальные токи, определяют интерполяцией между ближайшим│
│наименьшим и наибольшим номинальными значениями, за исключением│
│
раздела 19 для испытательных токов для разборных соединителей,│
│которые должны быть следующими: │
│ для I <= 10 А испытательный ток равен 1,4 I ; │
│ n n │
│ для I >= 10 А испытательный ток равен 1,25 I . │
│ n n │
└────────────────────────────────────────────────────────────────┘
Гибкие кабели или шнуры должны иметь такое же число проводов, как и число полюсов у вилки или розетки. Заземляющие контакты, если таковые имеются, считают одним полюсом, независимо от их числа. Провод, присоединенный к заземляющему контакту, должен быть обозначен комбинацией желтого и зеленого цветов.
&Проверку проводят внешним осмотром, измерениями и испытанием гибкого кабеля или шнура на соответствие ГОСТ Р МЭК 60227 (серия стандартов) и ГОСТ Р МЭК 245 (серия стандартов).&
23.4. Конструкция опрессованных вилок и переносных розеток должна обеспечивать защиту гибкого кабеля или шнура от чрезмерных изгибов на вводе в соединитель.
Предназначенное для этого ограничительное устройство должно быть из изолирующего материала и надежно укрепляться.
Примечание. Спиральные металлические пружины непокрытые или с изолирующим покрытием не должны использоваться в качестве ограничительного устройства.
&Проверку проводят внешним осмотром и испытанием на изгиб с помощью прибора, изображенного на рисунке 21.&
1 - устройство для закрепления образца;
2 - образец; 3 - груз
Регулировку устройств для закрепления образца для различных соединителей проводят в соответствии с
23.4.
Рисунок 21. Установка для испытания узла крепления шнура
&Испытания проводят на новых образцах.
Испытуемый образец укрепляют на приборе так, чтобы ось гибкого кабеля или шнура на вводе в образец располагалась вертикально, когда образец находится в середине амплитуды качания (на оси испытательного прибора).
Испытуемые образцы с плоским шнуром монтируют так, чтобы главная ось шнура была параллельна оси испытательного прибора.
Соединитель закрепляют в испытательном приборе следующим образом:
- вилку - на штырях;
- переносную розетку - на расстоянии от 4 до 5 мм (временные значения) от рабочей поверхности по направлению к шнуру. Испытательная вилка, имеющая максимальные размеры, должна в процессе испытания вставляться в переносную розетку.&
Изменяя расстояние между неподвижной частью прибора и осью этого прибора, соединитель располагают так, чтобы кабель или шнур совершал минимальные горизонтальные движения, когда прибор качается по полной амплитуде.
Примечания. 1. Для определения опытным путем монтажного положения шнура с минимальным горизонтальным движением в процессе испытания прибор выполняют таким образом, чтобы опорные части для соединителей, устанавливаемых на прибор, могли легко регулироваться.
2. Рекомендуются приспособления (например, прорезь или штыри), позволяющие наблюдать, совершает ли шнур минимальные горизонтальные движения.
&К кабелю или шнуру прикладывают силу:
- 20 Н - для соединителей с кабелем или шнуром номинальным сечением более 0,75 мм2;
- 10 Н - для соединителей с кабелем или шнуром номинальным сечением 0,75 мм2 и менее.
Через провод (шнур, кабель) пропускают ток, равный номинальному току соединителя, или один из следующих минимальных токов:
- 16 А - для соединителей с кабелем или шнуром номинальным сечением более 0,75 мм2;
- 10 А - для соединителей со шнуром номинальным сечением 0,75 мм2;
- 2,5 А - для соединителей со шнуром номинальным сечением менее 0,75 мм2.
Напряжение между проводами должно быть равно номинальному напряжению испытуемого образца.
Качающаяся часть должна иметь угол отклонения от 90 до 45° в каждую сторону от вертикали; число изгибов - 10000 при скорости 60 изгибов в 1 мин.&
Примечание. Изгиб - это одно движение вправо или влево.
&После 5000 изгибов испытуемые образцы с кабелем или шнуром круглого сечения проворачивают на 90° в качающейся части. Образцы с плоским шнуром изгибают только в направлении, перпендикулярном к оси провода.
В процессе испытания на изгиб не должны иметь место:
- прерывание тока;
- короткое замыкание между жилами проводов.&
Примечание. Короткое замыкание между жилами гибкого кабеля или шнура считают имеющим место, когда ток возрастает более чем в два раза относительно испытательного тока соединителя.
&Падение напряжения между каждым контактом и соответствующим проводом при значении испытательного тока, указанном в
разделе 21, должно быть не более 10 мВ.
После испытания ограничительное устройство, если таковое имеется, не должно отделяться от основания, а изоляция гибкого кабеля или шнура не должна иметь следов износа или потертостей. Сломанный провод многопроволочной жилы не должен прокалывать изоляцию, становясь тем самым доступным для прикосновения.
Испытание в настоящее время пересматривается.&
24. Механическая прочность
Соединители, выступающие монтажные коробки и ввинчиваемые уплотнения должны иметь соответствующую механическую прочность для того, чтобы выдерживать нагрузки, возникающие в процессе монтажа и эксплуатации.
&Проверку проводят соответствующим испытанием по
24.1 -
24.13 следующим образом:
а) для стационарных розеток - по
24.1 и
24.3;
б) для переносных одноместных розеток:
- с корпусами, крышками или основаниями не из эластомера или термопласта - по
24.2,
- с корпусами, крышками или основаниями из эластомера или термопласта - по
24.2,
23.4 и
24.5;
в) для удлинителей:
- с корпусами, крышками или основаниями не из эластомера или термопласта - по
24.9,
- с корпусами, крышками или основаниями из эластомера или термопласта - по
24.4 и
24.9;
г) для вилок:
- с корпусами, крышками или основаниями не из эластомера или термопласта - по
24.2 и
24.10,
- с корпусами, крышками или основаниями из эластомера или термопласта - по
24.2,
24.4,
24.5 и
24.10;
д) для ввинчиваемых уплотнителей соединителей, отличных от обычных - по
24.6;
е) для штырей вилок с частично опрессованной изоляционной частью - по
24.7;
ж) для розеток со шторками - по
24.8;
з) для монтажных коробок открытой установки - по 24.1;
и) для переносных розеток со средствами подвески на стене - по
24.11 -
24.13.
#24.1. Испытуемые образцы подвергают ударам с помощью маятниковой установки, указанной на
рисунках 22 -
25.&
1 - плита (рама); 2 - образец; 3 - монтажная опора
Рисунок 22. Установка для проверки
механической прочности соединителей
Материал деталей: 1 - полиамид; 2 - 5 - сталь
Рисунок 23. Ударный элемент
1 - ось вращения; 2 - фанерный лист; 3 - шарнир
Рисунок 24. Монтажная опора
1 - брусок из граба; 2 - фанера
Размер углублений в бруске из граба приведен ориентировочно.
Рисунок 25. Устройство для крепления розеток
для скрытой установки
Боек имеет полусферическую форму радиусом (10 +/- 1) мм и выполнен из полиамида, имеющего твердость 100 HRC и массу (0,150 +/- 0,001) кг.
&Боек жестко закрепляют в нижней части стальной трубки наружным диаметром 9 мм и толщиной стенок 0,5 мм, которая на шарнирах укреплена в верхней части таким образом, что может колебаться только в вертикальной плоскости.
Ось шарнира расположена на расстоянии (1000 +/- 1) мм на трубке вверх от оси бойка.
Твердость по Роквеллу бойка определяют с помощью шарика диаметром (12,700 +/- 0,0025) мм и рассчитывают на основную (100 +/- 2) Н и дополнительную (500 +/- 2,5) Н нагрузки.&
Примечание. Дополнительная информация по определению твердости по Роквеллу пластических материалов приведена в ГОСТ 24622.
&Конструкция маятника должна быть такой, чтобы с усилием от 1,9 до 2,0 Н, приложенным к торцевой поверхности бойка, можно было удержать маятник в горизонтальном положении.
Испытуемый образец устанавливают на квадратном листе фанеры со стороной размером 175 мм и толщиной 8 мм. Образец в верхнем и нижнем углах крепят к жестким кронштейнам.
Удлинители испытывают как стационарные розетки, но крепят на вспомогательных приспособлениях. Основание крепления установки должно иметь массу (10 +/- 1) кг и монтироваться на жесткой раме, которая зафиксирована на сплошной монолитной стене.
Конструкция установки должна обеспечивать:
- размещение испытуемого образца с точкой удара в вертикальной плоскости, проходящей через ось подвески;
- движение испытуемого образца в горизонтальном направлении и вращение его вокруг оси, перпендикулярной поверхности фанерной плиты;
- лист фанеры может поворачиваться на 60° в обоих направлениях от вертикальной оси.
Розетки для открытой установки, удлинители и монтажные коробки устанавливают на листе фанеры, как для нормальной эксплуатации.
Вводные отверстия под провод, которые не имеют пробиваемых отверстий, оставляют открытыми. Если имеются пробиваемые отверстия, то одно из них пробивают.
Розетки для скрытой установки устанавливают в углубление бруска из граба или аналогичной древесины, который крепят к листу фанеры, а не в монтажную коробку.
При использовании деревянных брусков направление их волокон должно быть перпендикулярно направлению удара.
Розетку для открытой установки с винтовым креплением следует крепить винтами к кронштейнам, утопленным в бруске. Аналогичные розетки с креплением с помощью распорных лапок с зубцами крепят к бруску с помощью заостренных зубцов.
Перед испытанием образцов все крепежные винты затягивают крутящим моментом, равным 2/3 от указанного в
таблице 6.
Испытуемые образцы устанавливают так, чтобы точка нанесения удара лежала в вертикальной плоскости, проходящей через ось шарнира.&
Боек должен падать с высоты, указанной в таблице 21.
Таблица 21
┌───────────────────┬────────────────────────────────────────────┐
│Высота падения, мм │ Часть корпуса, подвергаемая удару бойком │
│ ├────────────────────┬───────────────────────┤
│ │обычный соединитель │ остальные соединители │
├───────────────────┼────────────────────┼───────────────────────┤
│ 100 │ A и B │ - │
│ 150 │ C │ A и B │
│ 200 │ D │ C │
│ 250 │ - │ D │
├───────────────────┴────────────────────┴───────────────────────┤
│ Обозначение частей: │
│ A - части, находящиеся на лицевой поверхности, включая│
│части, имеющие углубления; │
│ B - части, которые не выступают более чем на 15 мм от│
│монтажной поверхности (расстояние от стены) после монтажа, как│
│при нормальной эксплуатации, за исключением частей A; │
│ C - части, которые выступают более чем на 15 мм, но не более│
│25 мм от монтажной поверхности (расстояние от стены) после│
│монтажа, как при нормальной эксплуатации, за исключением частей│
│A; │
│ D - части, которые выступают более чем на 25 мм от монтажной│
│поверхности (расстояние от стены) после монтажа, как при│
│нормальной эксплуатации, за исключением частей A. │
└────────────────────────────────────────────────────────────────┘
&На все части испытуемого образца, за исключением частей A, воздействуют энергией удара, определяемой той частью образца, которая более всего выступает над монтажной поверхностью.
Высота падения - это расстояние по вертикали между положением контрольной точки в момент опускания маятника и положением этой точки в момент удара. Контрольную точку отмечают на поверхности бойка в том месте, где линия, проходящая через точку пересечения оси стальной трубки маятника и оси бойка, перпендикулярна плоскости, проходящей через обе оси, и пересекает поверхность бойка.
Образцы подвергают ударам, которые равномерно распределяют по испытуемому образцу.
Удары не наносят по пробивным (для штырей вилок) отверстиям.
Наносят следующее число ударов:
а) для частей A - пять ударов: один удар в центре, после того как образец будет перемещен по горизонтали, по одному удару по неблагоприятным точкам между центром и краям, а затем, после того, как образец будет повернут на 90° по оси, перпендикулярной листу фанеры, по одному удару на подобные точки;
б) для частей B (насколько это приемлемо), C и D - четыре удара:
- два удара по каждой из двух сторон образца, по которым может быть нанесен удар после поворота листа фанеры на 60° в каждом противоположном направлении;
- два удара по каждой из двух сторон образца, по которым удар может быть нанесен после поворота образца на 90° относительно своей оси, перпендикулярной листу фанеры, и поворота листа фанеры на 60° в каждом противоположном направлении.
Если имеется вводное отверстие, то образец устанавливают таким образом, чтобы две точки нанесения ударов были как можно ближе и равноудалены от этого отверстия.
В многоместных стационарных розетках испытывают все крышки и накладки, однако по каждой точке наносят только один удар.
Для розеток, отличных от обычных, испытание проводят с закрытыми крышками. Кроме того, соответствующее количество ударов наносят по тем частям, которые обнажены при открытых крышках.
После испытаний не должно быть повреждений образцов, нарушающих требования настоящего стандарта. Не должны быть открытыми токоведущие части.
После испытания шторки могут иметь трещины и (или) выпасть, но не должно быть возможностей касания токоведущих частей:
- стандартным испытательным пальцем - при условиях, указанных в
10.1;
- стандартным испытательным пальцем - при условиях, указанных в
10.1, но с силой 10 Н;
- стальным наконечником устройства, приведенного на
рисунке 9, с силой 1 Н - для соединителей с усиленной защитой.
В случае сомнений проверяют возможность снятия и замены наружных частей, таких как коробки, корпуса, крышки и закрывающие пластины, без повреждения этих частей или их изолирующих прокладок. Если закрывающая пластина, опирающаяся на внутреннюю крышку, будет повреждена, то повторное испытание проводят на внутренней крышке, которая после испытаний должна остаться неповрежденной.&
Примечание. Не принимают во внимание повреждения поверхности, небольшие вмятины, которые не влияют на снижение величины путей утечки тока или воздушные зазоры ниже значений, указанных в
27.1, и мелкие осколки, которые не сказываются отрицательно на защите соединителя от электрического удара или на водонепроницаемость.
&Не принимают во внимание:
- трещины, не видимые невооруженным глазом, и поверхностные трещины волокнистых отливок и подобных им деталей;
- трещины или отверстия на наружной поверхности какой-либо части соединителя, если соединитель соответствует требованиям настоящего стандарта даже без этой части. Если декоративную крышку устанавливают на внутреннюю крышку, то скол декоративной крышки не принимают во внимание, если внутренняя крышка выдержит испытания при снятой декоративной крышке.&
#24.2. Образцы испытывают во вращающемся барабане, указанном на рисунке 26.
Рисунок 26. Барабан для испытания соединителей
на свободное падение
&Разборные соединители заряжают гибким кабелем или шнуром по
23.2 наименьшего сечения из указанных в
таблице 3 и длиной (100 +/- 5) мм.
Винты контактных зажимов и крепежные винты затягивают с крутящим моментом, равным 2/3 от указанного в
12.2.8.
Опрессованные соединители испытывают с кабелем или шнуром, с которым они опрессованы, длиной (100 +/- 5) мм.
Испытуемый образец сбрасывают с высоты (500 +/- 10) мм на стальную плиту толщиной 3 мм.
Число падений должно быть:
- 1000 - если масса образца без кабеля или шнура не более 100 г;
- 500 - если масса образца без кабеля или шнура более 100 г, но менее 200 г;
- 100 - если масса образца без кабеля или шнура более 200 г.
Барабан вращают с частотой 5 об./мин, что соответствует 10 падениям испытуемого образца в 1 мин.
В барабане испытывают только один образец.
После испытания образец не должен иметь повреждений, нарушающих требования настоящего стандарта. В особенности:
- ни одна из деталей не должна быть разъединена или ослаблено ее крепление;
- штыри вилки не должны иметь такие деформации, чтобы вилку нельзя было вставить в розетку, отвечающую требованиям соответствующего стандарта,
ГОСТ 7396.1 или
9.1 и
10.3;
- штыри вилки не должны проворачиваться при приложении крутящего момента 0,4 Н x м сначала в одном направлении в течение 1 мин, затем в противоположном направлении также в течение 1 мин.&
Примечания. 1. Во время проверки следует обращать внимание на присоединение гибкого кабеля или шнура.
2. Небольшие куски могут отламываться, если при этом не возникает опасности поражения электрическим током.
3. Не принимают во внимание повреждения поверхности или маленькие вмятины, которые не снижают величины путей утечки тока или воздушные зазоры ниже значений, указанных в
27.1.
&24.3. Обычные розетки для открытой установки сначала прикрепляют к цилиндру (из жесткого стального листа), имеющему радиус в 4,5 раза больший, чем расстояние между отверстиями для крепления, но не менее 200 мм.
Оси отверстия должны находиться в плоскости, перпендикулярной оси цилиндра и параллельной радиусу, проходящему через центр расстояния между отверстиями для крепления.
Крепежные винты постепенно затягивают максимальным крутящим моментом, равным 0,5 Н x м для винтов с диаметром резьбы до 3 мм включ. и 1,2 Н x м для винтов с большим диаметром резьбы. Затем розетки аналогичным образом крепят к плоскому стальному листу. В процессе и после испытания розетка не должна иметь повреждений, препятствующих ее дальнейшему использованию.
24.4. Образцы подвергают испытаниям на удар с помощью прибора, указанного на
рисунке 27.&
1 - боек массой (1000 +/- 2) г; 2 - образец;
3 - прижим массой 100 г; 4 - края закруглить
Рисунок 27. Устройство для проверки механической прочности
розеток, вилок, разветвителей и удлинителей
&Прибор устанавливают на пористую резину толщиной 40 мм и помещают вместе с испытуемыми образцами в холодильник, имеющий температуру минус (15 +/- 2) °C, на время не менее 16 ч.
Спустя 16 ч каждый образец по очереди устанавливают в положение, указанное на рисунке 27, и на него сбрасывают боек массой (1000 +/- 2) г с высоты 100 мм.
После испытания образцы не должны иметь повреждений, нарушающих требования настоящего стандарта.
24.5. Образцы подвергают испытаниям на сжатие, как показано на
рисунке 28. Температура прижимной пластины опорной плиты и образца должна быть (23 +/- 2) °C, а прикладываемая сила 300 Н.
Сначала образцы помещают в положение a) на рисунке 28 и подвергают давлению в течение 1 мин, затем - в положение b) и снова подвергают давлению в течение 1 мин. Через 15 мин после окончания испытания образец не должен иметь повреждений, нарушающих требования настоящего стандарта.&
P - усилие 150 Н; 1 - стальная прижимная пластина;
2 - образец; 3 - стальное основание
Рисунок 28. Установка для испытания на сжатие
&24.6. Ввинчивающийся уплотнитель должен соответствовать цилиндрическому металлическому стержню, имеющему диаметр, равный наименьшему внутреннему диаметру уплотнения.
Уплотнители затягивают соответствующим гаечным ключом, к которому в течение 1 мин прилагают момент, указанный в таблице 22.&
Таблица 22
Диаметр испытательного стержня, мм | Крутящий момент, Н x м |
металлический уплотнитель | уплотнитель из заливочного материала |
До 14 | 6,25 | 3,75 |
Св. 14 до 20 | 7,50 | 5,00 |
Св. 20 | 10,00 | 7,50 |
&После испытания уплотнитель не должен иметь повреждений, нарушающих требования настоящего стандарта.
24.7. Вилки с частично опрессованными штырями испытывают с помощью прибора, указанного на рисунке 29.&
1 - основание; 2 - образец; 3 - зажим; 4 - груз;
5 - стержень; 6 - ось; 7 - стальная проволока;
8 - штырь вилки
На сечении А - А показана конфигурация стальной проволоки
Рисунок 29. Установка для испытания на истирание
изоляционных трубок штырей вилок
&Прибор состоит из горизонтального стержня, имеющего в центре шарнир. Кусок стальной проволоки диаметром 1 мм, имеющий П-образную форму, жестко крепят обоими концами к концу стержня так, чтобы прямая часть выступала под стержнем и была параллельна оси вращения стержня.
Испытуемая вилка находится в зажимном устройстве в таком положении, чтобы прямая часть (перемычка) стальной проволоки была перпендикулярна оси штырей вилки.
Штыри вилки должны быть наклонены вниз под углом 10° к горизонтали. Стержень нагружают так, чтобы перемычка создавала на штыре вилки силу, равную 4 Н.
Вилка может сдвигаться назад или вперед по горизонтали в плоскости оси стержня так, чтобы перемычка проволоки скользила вдоль штыря.
Штырь вилки скользит ~= 9 мм, из них 7 мм перемычка должна скользить по опрессованной части штыря. Число циклов - 20000 (по 10000 в каждом направлении). Скорость движения перемычки - 30 движений в 1 мин.
Испытания проводят на одном штыре каждой вилки.
| | ИС МЕГАНОРМ: примечание. Текст приведен в соответствии с официальным текстом документа. | |
После испытания вилка не должна иметь повреждений, способных нарушить безопасность или препятствовать дальнейшей ее эксплуатации вилки, опрессованные части не должны иметь проколов или морщин.
24.8. Розетки с защитными шторками должны иметь шторки такой конструкции, чтобы они могли противостоять механическому усилию, которое может возникнуть при нормальной эксплуатации, например, когда штырь вилки окажется прижат к шторкам в отверстии розетки.
Проверку проводят следующим испытанием, которое проводят на образцах, ранее подвергнутых испытаниям по
разделу 20, и без предварительной обработки по
16.1.
Один штырь вилки той же системы, что и розетка, прижимают в течение 1 мин к отверстиям розетки с силой 40 Н перпендикулярно рабочей поверхности розетки.
Для шторок, которые являются единственным способом предотвращения однополюсного введения вилки в розетку, сила должна быть 75 Н вместо 40 Н.
Если конструкция розетки позволяет применять вилки различных типов, испытания проводят со штырями наибольшего размера.
Штырь вилки не должен контактировать с токоведущими деталями розетки.
Электрический индикатор с напряжением не менее 40 и не более 50 В используют для определения контактирования с соответствующими деталями розетки. После испытания образцы не должны иметь повреждений, нарушающих требования настоящего стандарта.&
Примечание. Небольшими сколами на поверхности розетки, которые не влияют на ее дальнейшую эксплуатацию, пренебрегают.
&24.9. Разборные многоместные переносные розетки снабжают самым легким гибким кабелем или шнуром наименьшего сечения из указанных в
таблице 3.
Свободный конец кабеля или шнура прикрепляют к стене на высоте 750 мм от пола, как показано на рисунке 30.&
Рисунок 30. Устройство для проверки механической прочности
переносных многоканальных розеток (удлинителей)
&Образец располагают так, чтобы ось кабеля или шнура была горизонтальна, а затем сбрасывают на пол восемь раз. Кабель или шнур должны при этом поворачиваться на угол 45° от первоначального положения.
После испытания образец не должен иметь повреждений, нарушающих требования настоящего стандарта. Детали не должны стираться или ослабевать. После этого разборные многоместные переносные розетки и удлинители, отличные от обычных, следует подвергнуть соответствующему испытанию по
16.2.
Небольшими сколами и вмятинами, которые не снижают защиту от поражения электрическим током или водостойкость, пренебрегают.
24.10. Вилку помещают на стальную жесткую плиту, имеющую отверстия для штырей вилки, как показано на рисунке 31.&
Рисунок 31. Устройство для проверки
механической прочности вилок
&Расстояние между центрами отверстий (например,

и

) должно быть таким же, как и расстояние между центрами окружностей, очерченных вокруг сечения каждого штыря вилки согласно стандартному листу по
ГОСТ 7396.1.
Каждое отверстие должно иметь диаметр, равный диаметру окружности, очерченной вокруг сечения штыря плюс (6 +/- 0,5) мм.
Вилка должна располагаться на стальной плите так, чтобы центры окружностей, очерченных вокруг штырей, совпадали с центрами отверстий.
Силу P, равную максимальной из указанных в
таблице 16, прилагают плавно, без рывков в течение 1 мин к каждому штырю по очереди, по направлению продольной оси штыря.
Испытание проводят в термокамере при температуре (70 +/- 2) °C спустя 1 ч после пребывания в ней вилки. После испытания вилку можно охладить до комнатной температуры, а затем убедиться, что штыри не сместились более чем на 1 мм.
Испытание проводят на новых образцах.
24.11. Перегородки между пространством, предназначенным для средств подвески, которые крепят к стене и токоведущим частям и которые могут подвергнуться механическому воздействию, когда переносную розетку, например, подвешенную на стене, испытывают следующим образом цилиндрическим стальным стержнем диаметром 3 мм с полусферическим концом, радиусом R, равным 1,5 мм, воздействуют перпендикулярно опорной поверхности розетки в самых неблагоприятных местах в течение 10 с на перегородку с силой, равной 1,5 от максимальной силы разъема вилки (как указано в
таблице 16).
Стержень не должен повреждать перегородку.
24.12. Переносную розетку со шнуром или гибким кабелем подвешивают на стене, как при нормальной эксплуатации, и аналогично
24.11 воздействуют стальным стержнем на проводники под перегородкой.
Для проверки крепления гибкого шнура на него воздействуют в течение 10 с силой, указанной в
23.2, в самом неблагоприятном месте. Во время испытания средства подвески переносной розетки на стене не должны иметь повреждений, а в случае повреждения токоведущие части не должны быть доступны для стандартного испытательного пальца.
24.13. Переносную розетку подвешивают на стене, как при нормальной эксплуатации, используя при этом винт М3 с круглой головкой, и испытывают на растяжение, прилагая максимальную силу натяжения, указанную для соответствующих вилок в
таблице 16. Силу прикладывают без рывков.
Силу выдергивания прилагают в течение 10 с перпендикулярно к лицевой стороне розетки, направляя при этом наибольшую силу на средство подвески.&
Во время испытания средства подвески переносной розетки на стене не должны иметь повреждений или в случае повреждений токоведущие части не должны быть доступны для стандартного испытательного пальца.
Примечание. Испытания согласно
24.11 -
24.13 проводят по каждому отдельному средству подвески в случае, если их более одного.
24.14. При испытании усилия, необходимые для проверки крепления крышек или закрывающих пластин, прилагают при условии, что:
- розетки для открытой установки монтируют, как при нормальной эксплуатации;
- розетки для скрытой установки монтируют в соответствующие монтажные коробки, которые устанавливают, как при нормальной эксплуатации.
При этом края коробок устанавливают заподлицо со стеной при смонтированных крышках или закрывающихся пластинах. Если крышки или закрывающие пластины снабжены фиксирующим устройством, функционирующим без применения инструмента, то устройства оставляют в свободном состоянии.
&Проверку проводят в соответствии с 24.14.1 и
24.14.2 (см.
13.7.2).&
24.14.1. Проверка прочности крепления крышек или закрывающих пластин
Усилия прикладывают плавно в направлении, перпендикулярном монтажной поверхности, таким образом, что результирующее усилие, воздействующее на центр крышек, закрывающих пластин или их составных деталей, соответственно составляет:
- 40 Н - для крышек, закрывающих пластин или их деталей, удовлетворяющих при испытаниях требованиям
24.17 или
24.18, или
- 80 Н - для других крышек, закрывающих пластин и их деталей.
Усилие прикладывают в течение 1 мин. Крышки или закрывающие пластины не должны отсоединяться в местах крепления согласно настоящему стандарту.
Затем испытания повторяют на новых образцах крышек или закрывающих пластин, смонтированных на стене после того, как лист твердого материала толщиной (1 +/- 0,1) мм устанавливают вокруг поддерживающей арматуры согласно рисунку 32.
Примечание. Лист твердого материала используют для имитации обоев, и он может состоять из отдельных кусков.
1 - лист жесткого материала; 2 - закрывающая пластина;
3 - опорная рама; 4 - монтажная коробка; 5 - стена
Рисунок 32. Устройство для испытания крышек
и закрывающих пластин (накладок)
После испытаний образцы не должны иметь повреждений, снижающих защиту от поражения электрическим током согласно требованиям настоящего стандарта.
24.14.2. Проверка вырыва крышек и закрывающих пластин с мест крепления
Усилие, не превышающее 120 Н, плавно прикладывают в направлении, перпендикулярном к монтажно-опорной поверхности, к крышкам и закрывающим пластинам или их деталям с помощью крюка, вставляемого по очереди в каждое отверстие, паз или другую аналогичную полость с целью вырыва с мест крепления.
Крышки и закрывающие пластины должны быть сорваны с мест крепления.
Испытания проводят 10 раз на каждой отделяемой детали, фиксация которой не зависит от винтового крепления (при равномерном распределении точек приложения).
Усилие вырыва создают с помощью крюка, вставляемого по очереди в каждое отверстие, паз или другую аналогичную полость, и последующим вырыванием им крышек или закрывающих пластин из мест их крепления.
Затем испытание повторяют на новых образцах. При этом крышки или закрывающие пластины устанавливают на стене, предварительно установив вокруг поддерживающей арматуры лист твердого материала толщиной (1 +/- 0,1) мм, как показано на
рисунке 32.
После испытания образцы не должны иметь повреждений, снижающих защиту от поражения электрическим током согласно требованиям настоящего стандарта.
24.15. Испытание проводят согласно требованиям
24.14, но при этом по
24.14.1 в процессе испытаний прикладывают следующие усилия:
- 10 Н - для крышек и закрывающих пластин, прошедших испытания по 24.17 и
24.18;
- 20 Н - для других крышек и закрывающих пластин.
24.16. Испытание проводят согласно требованиям
24.14, но при этом по
24.14.1 в процессе испытаний прикладывают усилие 10 Н для всех крышек или закрывающих пластин.
24.17. Калибром, приведенным на
рисунке 34, воздействуют на каждую сторону крышек или закрывающих пластин, установленных без винтового крепления на монтажной или опорной поверхности, как показано на
рисунке 33.
1 - монтажная поверхность; 2 - розетка;
3 - опорная поверхность; 4 - расположение детали,
имеющей ту же толщину, что и опорная часть
Рисунок 33. Пример применения калибра на рисунке 34
к стационарным крышкам без винтов крепления
к опорной или монтажной поверхности
Толщина - не более 2 мм.
Рисунок 34. Калибр для проверки габаритов крышек
или закрывающих пластин (накладок)
Калибр прикладывают под прямым углом к каждой испытуемой плоскости. При этом плоскость B находится на монтажной или опорной поверхности, а плоскость A перпендикулярна ей.
Если крышка/закрывающая пластина установлена без винтов на другой крышке, закрывающей пластине или монтажной коробке, имеющей те же габаритные размеры, то плоскость B калибра должна быть помещена на том же уровне, что и соединение. Габарит крышки или закрывающей пластины не должен превышать габарита опорной поверхности.
Расстояние между плоскостью C калибра и габаритом испытуемой стороны, измеренное параллельно плоскости B, не должно уменьшаться (за исключением пазов, отверстий, обратных конусов или тому подобных, размещенных на расстоянии менее 7 мм от плоскости, включающей плоскость B, и удовлетворяющих испытаниям по
24.18), когда измерения повторяют, начиная от точки x в направлении стрелки y (см.
рисунок 35).
d)
e)
f)
В случаях
a) и
b) - несоответствие.
В случаях
c) - f) соответствие, но оно должно быть подтверждено испытаниями по
24.18 с использованием калибра, изображенного на
рисунке 36.
Рисунок 35. Пример применения калибра (по
рисунку 37)
24.18. Калибр (см.
рисунок 36), прикладываемый с усилием 1 Н, не должен входить более чем на 1,0 мм от внешней поверхности детали в любые пазы, отверстия или обратные конуса или тому подобные отверстия, когда калибр прикладывают параллельно монтажной или опорной поверхности и под прямым углом к испытуемой детали, как показано на
рисунке 37.
Примечание. Проверку того, как калибр, показанный на рисунке 36, входит более чем на 1 мм, проводят с помощью поверхности, перпендикулярной к плоскости B и включающей верхнюю деталь габарита паза, отверстия, обратного конуса или тому подобное.
Рисунок 36. Калибр для проверки пазов,
отверстий и обратных конусов
1 - розетка; 2 - монтажная поверхность
Рисунок 37. Схема, показывающая направление приложения
Соединители должны иметь достаточную нагревостойкость.
&Проверку проводят:
а) для монтажных коробок, отдельных крышек и закрывающихся пластин - испытаниями по
25.3;
б) для переносных соединителей, за исключением частей, приведенных в подпункте а), - испытанием по 25.1,
25.4 и
25.3, кроме соединителей, изготовленных из натурального или синтетического каучука или их смеси;
в) для стационарных розеток, за исключением частей, приведенных в подпункте а), - испытанием по 25.1 -
25.3, кроме частей, изготовленных из натурального или синтетического каучука или их смеси. Части, предназначенные только для декоративных целей, не испытывают.
25.1. Испытуемые образцы на 1 ч помещают в термокамеру и нагревают до температуры (100 +/- 2) °C.
В процессе испытаний не должно произойти изменений, нарушающих требования настоящего стандарта, не должен плавиться компаунд, если таковой имеется, до такой степени, чтобы оголились токоведущие части.
После испытания образец охлаждают до комнатной температуры.
Затем проводят испытание стандартным испытательным пальцем, который прикладывают с силой 5 Н, при этом токоведущие части должны оставаться недоступными для прикосновения, когда соединитель смонтирован, как для нормальной эксплуатации.
Маркировка после испытаний должна быть четкой и легко читаемой. Изменением цвета, возникновением пузырей или небольшим вытеканием компаунда можно пренебречь, если при этом не нарушаются требования электробезопасности настоящего стандарта.
25.2. Детали из изоляционного материала, на которых крепят токоведущие части и детали заземляющей цепи, а также наружные части из термопластичного материала толщиной 2 мм, окружающие фазные и нейтральные вводные отверстия розеток, испытывают стальным шариком по
25.3 с помощью устройства, приведенного на
рисунке 38, за исключением изолирующих частей, на которых закрепляют заземляющий контактный зажим.&
Примечание. Если невозможно провести испытание на образце соединителя, то испытание проводят на образце материала толщиной 2 мм, взятом от образца.
Для достижения требуемой толщины могут быть использованы отдельные слои материала, но не более четырех. В каждом случае общая толщина слоев не должна быть менее 2,5 мм.
1 - стальной шарик диаметром 5 мм; 2 - образец
Рисунок 38. Установка для испытания прочности
материалов при нагревании
&Испытуемый образец размещают на стальной пластине толщиной не менее 3 мм в горизонтальном положении и стальной шарик диаметром (5 +/- 0,1) мм вдавливают в испытуемую поверхность с силой 20 Н.
Испытательную нагрузку и опорное устройство необходимо поместить в термокамеру на время, достаточное для того, чтобы они достигли устойчивой температуры до начала испытаний.
Испытание проводят в термокамере при температуре (125 +/- 2) °C.
Через 1 ч устройство убирают с образца, затем образец погружают в воду для охлаждения до комнатной температуры.
Диаметр оттиска должен быть не более 2 мм.
25.3. Части изоляционного материала, не предназначенные для крепления на них токоведущих частей, и детали заземляющей цепи, даже если они контактируют с ними, подвергают испытаниям шариком согласно
25.2, но испытание проводят при температуре (70 +/- 2) °C или (40 +/- 2) °C с учетом температуры перегрева, определяемой для соответствующих частей во время испытания по
разделу 19.
25.4. Образцы испытывают сдавливанием на установке, показанной на
рисунке 39. Испытание проводят в термокамере при температуре (80 +/- 2) °C.&
1 - направляющие; 2 - подвижный зажим; 3 - образец;
4 - неподвижный зажим; P - направление приложения силы
Рисунок 39. Установка для испытания на сжатие вилок
&Установка имеет два стальных кулачка цилиндрической формы с радиусом 25, шириной 15 и длиной 50 мм. Длина 50 мм может быть увеличена в зависимости от размера испытуемого соединителя.
Углы кулачка закругляют радиусом 2,5 мм.
Испытуемый образец зажимают между кулачками таким образом, чтобы они оказывали давление, как при нормальной эксплуатации, центральная линия кулачков должна совпадать, по возможности, с центром испытуемой площади образца. Сила давления равна 20 Н.
Через 1 ч кулачки снимают с образца. Образец не должен иметь повреждений, нарушающих требования настоящего стандарта.&
26. Винты, токоведущие части и соединения
26.1. Электрические и механические соединения должны выдерживать механические нагрузки, возникающие при нормальной эксплуатации.
Механические соединения, используемые при монтаже вилок и розеток, могут быть изготовлены с применением самонарезающих и самонарезающих формующих винтов при условии, что винты поставляются с деталью, в которую они должны вкручиваться. Кроме этого самонарезающие винты, используемые при монтаже, должны быть закреплены соответствующей деталью соединителя.
Винты и гайки, передающие контактное давление, должны ввинчиваться в металлическую резьбу.
&Проверку проводят внешним осмотром. Винты и гайки, передающие контактное давление или предназначенные для подключения к соединителям питающих проводов, подвергают следующим испытаниям.&
Примечание. Требования, предъявляемые к проверке контактных зажимов, указаны в
разделе 12.
&Винты или гайки затягивают и отпускают:
- 10 раз - для винтов, ввинчиваемых в резьбу из изолирующего материала, и винтов из изолирующего материала;
- 5 раз - во всех остальных случаях.
Винты или гайки, ввинчиваемые в резьбу из изолирующего материала, и винты из изолирующего материала каждый раз полностью ввинчивают и вывинчивают.
Испытания проводят с помощью соответствующих испытательной отвертки или инструмента с приложением крутящего момента, указанного в
12.2.8.&
Во время испытания не должны возникать повреждения, препятствующие дальнейшему использованию винтовых соединений, такие как излом винтов, повреждение шлица, резьбы, шайбы или хомутика.
Примечания. 1. К винтам или гайкам, применяемым при монтаже соединителя, относят винты для крепления крышек, закрывающих пластин и т.д. Однако к ним не относят соединительные детали для ввинчиваемых кабельных вводов и винты для крепления основания соединителя.
2. Форма лезвия испытательной отвертки должна соответствовать шлицу испытуемого винта. Винты или гайки следует затягивать плавно, без рывков. Повреждения крышек при этом не принимают во внимание.
3. Винтовые соединения после испытания по 21 и 24 считают частично прошедшими проверку.
26.2. Для винтов, ввинчивающихся в изолирующий материал и предназначенных для крепления соединителей при монтаже, должен быть обеспечен их правильный ввод в отверстие или гайку.
&Проверку проводят внешним осмотром и испытанием вручную.&
Примечание. Требование к правильному введению винта может быть соблюдено при наличии направляющего устройства на фиксируемой части, применением утопленной гаечной резьбы или винтов со снятой начальной резьбой.
26.3. Электрические соединения должны иметь такую конструкцию, чтобы контактное давление не передавалось через изолирующий материал, как то: керамику, чистую слюду или другие материалы с аналогичными свойствами, за исключением случаев, когда металлические детали обладают достаточной упругостью и могут при этом компенсировать возможную усадку и сжатие изолирующего материала.
Данное требование не должно препятствовать созданию конструкций соединителей шнуром, обмотанным фольгой, где контактное давление обеспечивается изолирующими частями или частями со свойствами, обеспечивающими постоянное и надежное контактирование при нормальной эксплуатации, учитывая в особенности усадку, износ или холодное течение изолирующих материалов.
Соединения, выполненные путем прокола изоляции шнура, обмотанного фольгой, должны быть надежными.
&Проверку проводят внешним осмотром и испытанием, которое разрабатывается.&
Примечание. Пригодность применяемых материалов рассматривают в отношении их устойчивости к стабильности размеров.
26.4. Винты и заклепки, служащие в качестве электрических и механических соединений, должны иметь устройство, препятствующее их ослаблению или развинчиванию.
&Проверку проводят внешним осмотром и испытанием вручную.&
Примечания. 1. В качестве устройства, препятствующего самоотвинчиванию, может служить пружинная шайба.
2. Для заклепок и некруглых заклепок достаточными условиями от ослабления являются наличие соответствующих канавок.
3. Компаунд, который при нагревании размягчается, может служить удовлетворительным средством от самоотвинчивания для тех винтовых соединений, которые при нормальной эксплуатации не должны отвинчиваться.
#26.5. Токоведущие части, включая контактные зажимы (также и заземляющие), должны изготовляться из металла, имеющего механическую прочность, электропроводность и устойчивость к коррозии, как при нормальной эксплуатации.
&Проверку проводят внешним осмотром и, при необходимости, химическим анализом.&
Примерами таких металлов, работающих в пределах допустимых температур при нормальных химических загрязнениях, являются:
- медь;
- сплав, содержащий не менее 58% меди для частей, изготавливаемых из холоднокатаных листов, или не менее 50% меди для других частей;
- нержавеющая сталь, содержащая не менее 13% хрома и не более 0,09% углерода;
- сталь, имеющая гальваническое цинковое покрытие в соответствии с ИСО 2081
[4]. Покрытие должно иметь толщину не менее:
5 мкм - рабочие условия N 1 для обычных соединителей,
12 мкм - рабочие условия N 2 для брызгозащищенных соединителей,
25 мкм - рабочие условия N 3 для струезащищенных соединителей;
- сталь, имеющая гальваническое никелевое покрытие в соответствии с ИСО 1456
[5]. Покрытие должно иметь толщину не менее:
20 мкм - рабочие условия N 2 для обычных соединителей,
30 мкм - рабочие условия N 3 для брызгозащищенных соединителей,
40 мкм - рабочие условия N 4 для струезащищенных соединителей;
- сталь, имеющая гальваническое оловянное покрытие в соответствии с ИСО 2093
[6]. Покрытие должно иметь толщину не менее:
12 мкм - рабочие условия N 2 для обычных соединителей,
20 мкм - рабочие условия N 3 для брызгозащищенных соединителей,
30 мкм - рабочие условия N 4 для струезащищенных соединителей.
Токоведущие части, которые в процессе эксплуатации могут подвергаться механическому износу, недопустимо изготовлять из стали с гальваническим покрытием.
Во влажных условиях металлы, обладающие значительными различиями электрохимического потенциала, не следует использовать в контакте друг с другом.
&Испытание разрабатывается.&
| | ИС МЕГАНОРМ: примечание. Нумерация пунктов примечания дана в соответствии с официальным текстом документа. | |
Примечание. 4. Требование пункта не распространяется на винты, гайки и шайбы, прижимные пластины и аналогичные части контактных зажимов.
26.6. Контакты, которые при номинальной эксплуатации подвергаются трению, должны изготовляться из коррозиеустойчивого материала.
&Соответствие требованиям
26.5 и 26.6 проверяют внешним осмотром и, при необходимости, химическим анализом.&
26.7. Самонарезающие и самонарезающие формующие винты не должны использоваться для соединения токоведущих частей соединителей.
Самонарезающие и самонарезающие формующие винты могут применяться в цепи заземления в случае, если при нормальной эксплуатации соединения не будут разъединяться и для каждого соединения будет использовано не менее двух винтов.
&Проверку проводят внешним осмотром.&
27. Пути утечки тока, воздушные зазоры
и расстояния через заливочную массу
27.1. Значения путей утечки тока, воздушных зазоров и расстояний через заливочную массу не должны быть менее значений, указанных в таблице 23.
┌──────────────────────────────────────────────────────┬─────────┐
│ Наименование │Значение,│
│ │ мм │
├──────────────────────────────────────────────────────┼─────────┤
│ Пути утечки тока │ │
│ 1. Между токоведущими частями различных фаз │ 4,0
<1> │
│ 2. Между токоведущими частями и доступными │ 3,0 │
│изолирующими частями, и заземленными металлическими │ │
│частями; частями заземляющей цепи; металлическими │ │
│рамами, поддерживающими основание розетки для скрытой │ │
│установки; винтами или устройствами для крепления │ │
│оснований, крышек и закрывающих пластин стационарных │ │
│розеток; наружными крепежными винтами, исключая винты,│ │
│которые находятся на рабочей поверхности вилки │ │
│и изолированы от заземляющей цепи │ │
│ 3. Между штырями вилки и металлическими частями, │ 6,0
<4> │
│присоединенными к ней при полном введении вилки │ │
│в розетку той же системы, имеющей доступные │ │
│прикосновению незаземленные металлические части
<2> │ │
│при самой неблагоприятной конструкции
<3> │ │
│ 4. Между доступными незаземленными металлическими │ 6,0
<4> │
│частями розетки и полностью вставленной вилкой этой │ │
│же системы, имеющей штыри и металлические части, │ │
│присоединенные к ним, при самой неблагоприятной │ │
│ 5. Между токоведущими частями розетки (без вилки) │ 6,0
<4> │
│и доступными для прикосновения незаземленными │ │
│металлическими частями
<2> │ │
│ Воздушные зазоры │ │
│ 6. Между токоведущими частями различной полярности │ 3,0 │
│ 7. Между токоведущими частями и доступными │ 3,0 │
│изолирующими частями и заземленными металлическими │ │
│частями заземляющей цепи; металлическими рамами, │ │
│поддерживающими основание розетки для скрытой │ │
│установки; винтами или устройствами для крепления │ │
│оснований, крышек или закрывающих пластин стационарных│ │
│розеток; наружными крепежными винтами, исключая винты,│ │
│которые находятся на рабочей поверхности вилки │ │
│и изолированы от заземляющей цепи │ │
│ 8. Между токоведущими частями и │ │
│ - заземленными металлическими коробками
<5>, │ 3,0 │
│смонтированными в наиболее неблагоприятном положении │ │
│ - незаземленными металлическими коробками без │ 4,5 │
│изолирующих прокладок, с розеткой, смонтированной │ │
│в наиболее неблагоприятном положении │ │
│ 9. Между токоведущими частями и поверхностью, на │ 6,0 │
│которой монтируют основание розетки для открытой │ │
│установки │ │
│ 10. Между токоведущими частями и дном паза для │ 3,0 │
│прохода проводов, если таковой имеется в основании │ │
│розетки для открытой установки │ │
│ Расстояние через заливочную массу │ │
│ 11. Между токоведущими частями, покрытыми слоем │ 4,0
<1> │
│заливочной массы толщиной не менее 2 мм, и │ │
│поверхностью, на которой монтируют основание розетки │ │
│для открытой установки │ │
│ 12. Между токоведущими частями, покрытыми слоем │ 2,5 │
│заливочной массы толщиной не менее 2 мм, и дном паза │ │
│для прохода проводов, если таковой имеется в основании│ │
│розетки для открытой установки │ │
├──────────────────────────────────────────────────────┴─────────┤
│ <1> Значение снижают до 3,0 мм для соединителей│
│с номинальным напряжением до 250 В. │
│ <2> За исключением винтов и т.п. деталей. │
│ <3> Наиболее неблагоприятные конструкции могут проверяться│
│калибром, который соответствует стандартному листу по│
│ <4> Значение снижают до 4,5 мм для соединителей, имеющих│
│номинальное напряжение до 250 В включ. │
│ <5> Металлические коробки предназначены только для монтажа в│
│условиях, где требуется их заземление. │
└────────────────────────────────────────────────────────────────┘
&Проверку проводят измерением.
Измерения проводят на соединителе с присоединенными проводами наибольшего сечения из указанных в
таблице 3 и на соединителе без проводов.
Проводник вставляют в контактный зажим таким образом, что изоляция проводника касается металлической детали зажима или, если изоляция проводника конструктивно защищена от прикосновения к металлическим частям зажима.
Для опрессованных соединителей измерения проводят в состоянии изготовления.
Розетки проверяют со вставленной вилкой и без нее.
Расстояния в пазах или отверстиях наружных частей изолирующего материала измеряют до металлической фольги, соприкасающейся с открытой поверхностью. Фольгу заталкивают в углы и другие аналогичные выемки с помощью неразъемного испытательного щупа, имеющего размеры, как и стандартный испытательный палец, изображенный на
рисунке 9, при этом фольга не должна вдавливаться в отверстие.
В розетки для открытой установки обычного типа наиболее неблагоприятный трубчатый ввод или кабель вводят на 1 мм в соответствии с
13.22. Если металлическая рама, поддерживающая основание розетки для скрытой установки подвижна, то раму устанавливают в наиболее неблагоприятное положение.&
Примечания. 1. При рассмотрении влияния утечки тока в пазе шириной менее 1 мм учитывают его ширину.
2. При подсчете полной величины воздушного зазора воздушный промежуток менее 1 мм не учитывают.
3. Поверхность, на которой монтируют основание соединителя для открытой установки, включает в себя любую поверхность, находящуюся в контакте с основанием при установке соединителя. Если на задней стенке основания имеется металлическая плата, то ее не считают поверхностью для установки соединителя.
27.2. Изолирующая заливочная масса не должна выходить за пределы полости, в которой ее помещают.
27.3. Соединители обычного типа для открытой установки не должны иметь на задней поверхности открытые для прикосновения токоведущие части.
&Проверка соответствия требованиям 27.2 и 27.3 пересматривается.&
28. Теплостойкость, огнестойкость и устойчивость
к токам поверхностного разряда
#28.1. Устойчивость к воздействию повышенной температуры и огня
Части из изолирующего материала, которые могут испытывать термические нагрузки под воздействием электрического тока и нарушение которых может привести к снижению электрической безопасности соединителя, не должны подвергаться чрезмерному воздействию повышенной температуры и огня.
&Проверку проводят испытанием по 28.1.1, для вилок с частично опрессованными штырями - по
28.1.2.
| | Применение на добровольной основе пункта 28.1.1 обеспечивает соблюдение требований Федерального закона от 22.07.2008 N 123-ФЗ "Технический регламент о требованиях пожарной безопасности" (Приказ Ростехрегулирования от 30.04.2009 N 1573). | |
28.1.1. Испытание раскаленной проволокой
Испытание проводят в соответствии с
разделами 4 и
10 ГОСТ 27483 при следующих условиях:
- для частей из изолирующего материала, на которых закрепляют токоведущие части и части заземляющей цепи, - при температуре 850 °C;
- для частей из изолирующего материала, на которых закрепляют токоведущие части и части заземляющей цепи переносных соединителей, - при температуре 750 °C;
- для частей из изолирующего материала, на которых не крепят токоведущие части и части заземляющей цепи, даже если они контактируют с ними, - при температуре 650 °C.
Если указанное испытание должно проводиться в нескольких местах одного и того же образца, необходимо обращать внимание на то, чтобы любые нарушения образца, вызванные предыдущими испытаниями, не повлияли на результат последующего испытания.
Мелкие детали, например, шайбы, поверхность которых полностью вписывается в круг диаметром 15 мм или часть поверхности не вписывается в этот круг и нет возможности вписать круг диаметром 8 мм в этой поверхности, указанному испытанию не подвергают (см.
рисунок 43).&
Примечание. При визуальной проверке поверхности выступы и отверстия диаметром не более 2 мм не принимают во внимание.
&Испытание не проводят на частях из керамики.&
Примечание. Испытание является проверкой того, что испытательная проволока, нагретая с помощью электрического тока, не вызовет загорания изолирующих деталей или часть из изолирующего материала, которая при определенных условиях может воспламениться от нагретой проволоки, будет гореть непродолжительное время, а огонь не перейдет в постоянное пламя и не произойдет выпадания из испытуемой детали горящих частей или капель на сосновую доску, покрытую тонкой бумагой.
&По возможности, в качестве испытуемого образца следует использовать собранный соединитель.&
Примечание. Если испытание нельзя провести на собранном образце, то испытанию подвергают вырезанную из него часть (фрагмент).
&Испытания проводят на одном образце.
В случае сомнения испытания проводят на двух образцах.
Раскаленную проволоку следует прикладывать только один раз. Образец во время испытания следует устанавливать в наиболее неблагоприятном положении (испытуемая поверхность должна находиться в вертикальном положении).
Конец раскаленной проволоки прикладывают к поверхности испытуемого образца, учитывая при этом условия предполагаемого использования, при которых нагретый элемент мог бы войти в контакт с образцом.
Образец считают прошедшим испытание, если:
- нет видимого пламени или тления;
- пламя и тление угасают через 30 с после удаления раскаленной проволоки.
Не должны иметь место загорание тонкой бумаги или подпаленные места на доске.
28.1.2. Образец вилки с частично опрессованными штырями испытывают с помощью устройства, показанного на
рисунке 40, которое состоит из изолирующей плиты 4 и металлической детали 2. Между этими двумя частями имеется воздушный промежуток 3 мм, достигаемый с помощью средств, которые препятствуют циркуляции воздуха вокруг штырей.&
1 - нагревательный элемент; 2 - металлическая часть
(деталь); 3 - термопара; 4 - изолирующая плита;
5 - прокладка; 6 - контур вилки
Примечания. 1. Максимальный контур вилки должен соответствовать
ГОСТ 7396.1.
2. Диаметр изолирующей плиты 4 должен быть в два раза больше максимально допустимого размера рабочей поверхности, указанной в соответствующем стандартом листе по
ГОСТ 7396.1.
Рисунок 40. Установка для испытания опрессованных вилок
с частично изолированными штырями
&Передняя поверхность плиты должна быть круглой с плоской поверхностью и иметь диаметр, равный двум максимальным размерам рабочей поверхности вилки, приведенным в соответствующем стандартом листе по
ГОСТ 7396.1.
Толщина плиты должна быть не менее 5 мм.
Деталь 2 должна быть изготовлена из латуни, иметь длину не менее 20 мм и такую же форму, что и контур вилки, соответствующий
ГОСТ 7396.1.
Деталь 2 должна иметь такую форму, чтобы испытуемая вилка нагревалась ею и при передаче тепла испытуемой вилке в процессе испытания конвенция или облучение были бы сведены до минимума.
Термопара 3 должна устанавливаться на расстоянии 7 мм от передней поверхности детали 2 симметрично, как показано на
рисунке 40.
Размеры отверстий для штырей вилки в детали 2 должны быть на 0,1 мм больше, чем максимальные размеры штырей, указанные в
ГОСТ 7396.1, и расстояние между штырями по
ГОСТ 7396.1. Глубина отверстий должна быть достаточной для полного введения в них вилки.&
Примечание. Деталь 2 может изготавливаться из двух или более частей для удобства их очистки.
&Испытуемые образцы вставляют в устройство в наиболее неблагоприятном горизонтальном положении, когда устройство достигает установившейся температуры, измеряемой с помощью термопары: (120 +/- 5) °C для вилок на номинальный ток 2,5 А, (180 +/- 5) °C для вилок, имеющих более высокий номинальный ток.&
Примечание. Значение (200 +/- 5) °C является временным.
&Температуру при этих значениях номинального тока поддерживают в течение 3 ч.
Испытуемые вилки вынимают из устройства и охлаждают до комнатной температуры в течение 4 ч.
Затем частично опрессованные штыри вилки подвергают испытанию на удар по
разделу 30, но при комнатной температуре, после чего проводят внешний осмотр.&
Примечание. При внешнем осмотре не должно быть обнаружено невооруженным глазом никаких трещин на изолирующих частях, а размеры этих частей не должны измениться до такой степени, чтобы была нарушена защита от случайного прикосновения к токоведущим деталям.
| | Применение на добровольной основе пункта 28.2 обеспечивает соблюдение требований Федерального закона от 22.07.2008 N 123-ФЗ "Технический регламент о требованиях пожарной безопасности" (Приказ Ростехрегулирования от 30.04.2009 N 1573). | |
28.2. Устойчивость к токам утечки
В соединителях, отличных от обычных, изолирующие части, на которые крепят токоведущие детали, должны быть изготовлены из материала, устойчивого к токам утечки.
&Для материалов, кроме керамических, соответствие данному требованию устанавливают следующим испытанием по
ГОСТ 27473:
- плоские поверхности испытуемой детали размером не менее 15 х 15 мм располагают в горизонтальном положении;
- закругленные края электродов должны касаться образца по всей их длине.
Сила прижима каждого электрода к поверхности испытуемого образца должна составлять примерно 1 Н.
Электроды включают в электрическую цепь переменного тока напряжением 175 В и частотой 50 - 60 Гц с интервалом (30 +/- 5) с.
Прежде чем на поверхность образца не будет нанесено 50 капель, между электродами не должно возникнуть короткое замыкание или пробой.&
Металлические части, включая крышки и монтажные коробки, должны быть надежно защищены от коррозии.
&Соответствие данному требованию проверяют следующим испытанием.
Смазочные вещества удаляют с испытуемых частей путем погружения их на 10 мин в раствор тетрахлорметана, трихлорэтана или аналогичного обезжиривающего вещества.
После этого испытуемые части погружают на 10 мин в 10%-ный раствор нашатырного спирта с водой температурой (20 +/- 5) °C.
Стряхнув капли, испытуемые части без просушки помещают на 10 мин в камеру при температуре (20 +/- 5) °C.
После того как испытуемые части будут просушены в термокамере при температуре (100 +/- 5) °C в течение 10 мин, на их поверхностях не должно быть следов коррозии.&
Примечания. 1. Следы коррозии на острых краях и желтоватую пленку, которую удаляют путем протирания, не учитывают.
2. Слой смазки, наносимый на небольшие пружины и аналогичные детали, а также на закрытые части, подверженные стиранию, может служить защитой от коррозии.
Указанные детали подвергают испытанию только в случае, если возникнет сомнение относительно эффективности смазочного покрытия. В этом случае испытание проводят без предварительного удаления с детали смазки.
30. Дополнительные испытания частично
опрессованных штырей вилки
Материал опрессования штырей вилки должен быть устойчив к нагрузкам, которые могут возникнуть при повышенных температурах в условиях, близких к ненадлежащему соединению, и низких температурах - в особых условиях эксплуатации.
&Проверку проводят следующим испытанием.
30.1. Испытание давлением при высокой температуре
Образцы испытывают с помощью прибора, приведенного на рисунке 41. Прибор имеет лезвие прямоугольной формы с концом шириной 0,7 мм для использования с цилиндрическими штырями или лезвие круглой формы диаметром 6 мм с концом шириной 0,7 мм - для всех остальных случаев.&
Вид спереди
1 - образец; 2 - опора
Рисунок 41. Установка для испытания давлением
при высокой температуре
&Образцы устанавливают, как показано на рисунке 41. Сила, прикладываемая к лезвию, равна 2,5 Н.
Прибор с испытуемым образцом содержат в термокамере при температуре (200 +/- 5) °C. Затем образец вынимают из прибора и в течение 10 с охлаждают в холодной воде.
Толщину изоляции измеряют сразу же в точке сжатия.
Толщина изоляции в точке сжатия должна быть не менее 50% от ее толщины до испытания.&
Примечание. Значения 2,5 Н и (200 +/- 5) °C являются временными.
&30.2. Нагревание горячим паром
Три образца подвергают двум циклам нагревания паром в соответствии с
ГОСТ 28216. После обработки паром и охлаждения до комнатной температуры образцы подвергают следующим испытаниям:
- на сопротивление изоляции и электрическую прочность - в соответствии с
разделом 17;
- на истирание - в соответствии с
24.7.
30.3. Испытания при низкой температуре
Три образца выдерживают при температуре минус (15 +/- 2) °C в течение 24 ч.
После охлаждения до комнатной температуры образец подвергают следующим испытаниям:
- на сопротивление изоляции и электрическую прочность - в соответствии с
разделом 17;
- на истирание - в соответствии с
24.7.
30.4. Испытание ударом при низкой температуре
Образцы подвергают испытанию ударом с помощью прибора, показанного на
рисунке 42. Масса падающего груза - (100 +/- 1) г.
1 - образец; 2 - груз массой (100 +/- 1) г;
3 - промежуточная стальная вставка массой (100 +/- 1) г;
4 - стальная опора массой (10 +/- 1) кг;
5 - края закруглить
Рисунок 42. Установка для испытания ударом
при низкой температуре
Рисунок 43. Схематическое изображение требований
28.1.1
Прибор на прокладке из пористой резины толщиной 4 см помещают вместе с испытуемыми образцами в холодильник при температуре минус (15 +/- 2) °C на 24 ч. Спустя 24 ч каждый образец по очереди укрепляют в положении, показанном на
рисунке 42, и на него сбрасывают груз с высоты 10 см. Четыре раза груз сбрасывают последовательно на один и тот же образец, поворачивая его на 90° после каждого удара.&
Примечания. 1. После испытания образцы доводят до комнатной температуры, а затем проводят внешний осмотр.
2. Повреждения опрессованной части штифта не должны быть заметны при внешнем осмотре.
3. Период охлаждения 24 ч, упомянутый в
30.3 и
30.4, включает в себя время, необходимое для охлаждения прибора.
(обязательное)
ПРИЕМОСДАТОЧНЫЕ ИСПЫТАНИЯ ПЕРЕНОСНЫХ СОЕДИНИТЕЛЕЙ
НА СООТВЕТСТВИЕ ТРЕБОВАНИЯМ БЕЗОПАСНОСТИ
(ЗАЩИТА ОТ ПОРАЖЕНИЯ ЭЛЕКТРИЧЕСКИМ ТОКОМ
И ПРАВИЛЬНАЯ ПОЛЯРНОСТЬ)
Все вилки и переносные розетки в состоянии поставки подвергают следующим испытаниям.
Схематическое представление испытаний соединителей показано в таблице А.1:
- двухполюсные поляризованные системы - по
А.1;
- более чем двухполюсные - по
А.1 -
А.3.
Таблица А.1
Схематическое представление установленных испытаний
Пункт | Число полюсов |
2 | св. 2 |
| Ч - - | Ч Ч Ч |
Оборудование для испытаний или технология изготовления должны обеспечивать непригодность для использования образцов после проведения испытаний. Бракованные соединители должны храниться отдельно от соединителей, поставляемых потребителю.
Примечание. "Непригодность для использования" означает, что изделие повреждено так, что не в состоянии выполнять свои функции.
При организации производства соединителей необходимо предусматривать необходимые испытания перед поставкой их потребителю.
При проведении испытаний соединителей на предприятии-изготовителе в ведомости испытаний регистрируют следующее:
- обозначение типа, которое может быть, например, каталожным номером;
- дату испытаний;
- наименование, товарный или отличительный знак предприятия - изготовителя соединителей;
- число испытанных образцов;
- число отбракованных образцов и порядок или результаты испытаний.
Измерительные системы и оборудование для испытаний калибруют перед каждым испытанием. При продолжительных циклах испытаний калибровку измерительных систем оборудования проводят не реже одного раза в сутки.
При проверке и настройке испытательного оборудования измерительные и исполнительные системы оборудования должны четко отбраковывать заведомо дефектные образцы.
Соединители подлежат поставке потребителю при положительных результатах предписанных испытаний.
Оборудование для испытаний подвергают государственной поверке в установленном порядке не реже одного раза в год. Результаты поверки оформляют протоколом и, при необходимости, в результаты испытаний вносят поправки.
А.1. Проверка полярности электрических цепей соединителей
Примечание. 1. Провод фазы обозначают L, провод нейтрали - N.
При испытаниях применяют БСНН, которым воздействуют не менее 2 с.
Примечание. 2. Время воздействия БСНН может быть уменьшено при наличии испытательного оборудования с автоматическим отсчетом времени подачи напряжения.
&Проверку проводят:
- для вилок и переносных розеток - между удаленным концом жилы проводника гибкого кабеля L и N и соответствующим штырем L и N вилки или соответствующими гнездовыми контактами розетки;
- для удлинителей - между штырями L и N вилки на одном конце и удаленным концом жилы соответствующего проводника гибкого кабеля - на другом конце.
Полярность проводников должна быть правильной.&
Примечание. 3. Могут быть использованы результаты аналогичных испытаний.
&Для вилок и переносных розеток трехфазной электрической сети испытание должно подтвердить правильность присоединения фазных проводников кабеля сети с учетом последовательности фаз.&
А.2. Проверка цепи заземления
При испытаниях применяют БСНН, которым воздействуют не менее 2 с.
Примечание. Время воздействия БСНН может быть уменьшено при наличии испытательного оборудования с автоматическим отсчетом времени.
&Проверку проводят:&
- для вилок и переносных розеток - между удаленным концом жилы проводника гибкого кабеля и штырем цепи заземления или заземляющими контактами розетки;
- для удлинителей - между соответствующим заземляющим штырем вилки на одном конце и заземляющим контактом розетки - на другом конце.
Непрерывность электрической цепи заземления должна соблюдаться.
Примечание. Могут быть использованы результаты аналогичных испытаний.
А.3. Сопротивление и электрическая прочность изоляции электрических цепей соединителей (между L или N и цепью заземления)
При испытаниях применяют источник электрического напряжения, которым воздействуют не менее 2 с.
Примечание. Время воздействия напряжения может быть уменьшено при наличии источника испытательного напряжения с автоматическим отсчетом времени.
Испытания проводят при напряжении:
- (1250 +/- 125) В - для соединителей на номинальное напряжение до 130 В включ.;
- (2000 +/- 200) В - для соединителей на номинальное напряжение св. 130 В или
- для всех нормированных напряжений с использованием установки с импульсным испытательным напряжением импульс с пиковым значением 4 кВ, длительностью 1,2/50 мкс. Прикладывают три импульса с интервалом не менее 1 с;
- между L и

;
- между N и

.
Примечание. Проводники цепи L и N для этого испытания могут быть закорочены.
В процессе испытания не должно быть пробоев и коротких замыканий.
(обязательное)
ДОПОЛНИТЕЛЬНЫЕ ТРЕБОВАНИЯ К СОЕДИНИТЕЛЯМ,
УСТАНАВЛИВАЕМЫЕ В СТАНДАРТАХ И ТЕХНИЧЕСКИХ УСЛОВИЯХ
НА СОЕДИНИТЕЛИ КОНКРЕТНЫХ ТИПОВ
В настоящем приложении изложены технические требования, правила приемки и методы испытаний, которые дополняют или изменяют соответствующие разделы и/или пункты МЭК 60884-1-94.
Нумерация пунктов и подпунктов настоящего приложения соответствует нумерации пунктов настоящего стандарта.
Б.1. Раздел 1. ОБЛАСТЬ ПРИМЕНЕНИЯ
Раздел дополнить абзацами:
Стандарт распространяется также на разветвители.
Номинальные значения климатических факторов - по
ГОСТ 15150 и ГОСТ 15543.
Виды климатических исполнений и номинальные значения климатических факторов должны устанавливаться в стандартах и технических условиях на соединители конкретных типов.
Б.2. Раздел 3. ОПРЕДЕЛЕНИЯ
Пункт 3.25 дополнить абзацем:
Номинальное напряжение указывают в
ГОСТ 7396.1 и технических условиях на соединители конкретных типов.
Пункт 3.26 дополнить абзацем:
Номинальный ток указывают в
ГОСТ 7396.1 и технических условиях на соединители конкретных типов.
Раздел дополнить определениями:
3.30. Электрический соединитель: по ГОСТ 21962.
3.33. Розетка для открытой установки: стационарная розетка, предназначенная для установки на открытых поверхностях при открытой проводке электрических сетей.
3.34. Розетка для скрытой установки: стационарная розетка, предназначенная для установки в монтажные коробки по
ГОСТ 8594 или специальные монтажные полости при скрытой проводке электрических сетей.
3.35. Основание розетки: часть розетки, служащая для крепления гнездовых контактов и снабженная деталями для крепления розетки присоединения ее к электрической сети.
3.36. Разветвитель: соединитель, представляющий собой армированные в одном корпусе вилку и многоместную розетку, гнездовые контакты которой электрически соединены со штырями вилки.
3.37. Узел крепления розетки: элемент розетки для скрытой установки, предназначенный для закрепления розетки в монтажной коробке или специальной монтажной полости.
3.38. Монтажная скоба: элемент узла крепления розетки для скрытой установки, на котором монтируют распорные лапки.
3.39. Распорные лапки: элемент узла крепления розетки для скрытой установки, при помощи которого осуществляют крепление розетки.
Б.3. Раздел 4. ОБЩИЕ ТРЕБОВАНИЯ
Раздел дополнить абзацами:
Соединители следует изготавливать в соответствии с требованиями настоящего стандарта и технических условий на соединители конкретных типов.
Внешний вид соединителей должен соответствовать требованиям настоящего приложения (см. дополнения к
разделам 13 и
14).
Б.4. Раздел 5. ОБЩИЕ ТРЕБОВАНИЯ К ИСПЫТАНИЯМ
Раздел дополнить абзацами:
Приемосдаточные испытания проводят на каждой партии соединителей.
За партию принимают соединители одного типа, изготовленные за одну смену.
Порядок проведения выборочного контроля - по
ГОСТ 18242 при уровне дефектности не более 2,5 и 1% (при проверке сопротивления изоляции по
17.1).
&Для народно-хозяйственной продукции в соответствии с
ГОСТ 16504 предусматриваются следующие виды испытаний: квалификационные, периодические, приемосдаточные, типовые и сертификационные. Программа типовых испытаний по МЭК 60884-1-94 является основой для разработки программ любых контрольных испытаний на соединители.
Порядок проведения испытаний должен соответствовать
ГОСТ 15.001.
Периодичность испытаний, программы испытаний и условия их проведения должны устанавливаться в стандартах и технических условиях на соединители конкретных типов.
Программы приемочных и квалификационных испытаний соединителей должны включать в себя полную программу типовых испытаний по настоящему стандарту, а также испытания на стойкость к внешним воздействующим факторам, проверку защитных покрытий, испытания на надежность по
ГОСТ 27.003 и
ГОСТ 27.410.
Испытания на воздействие климатических, механических внешних воздействующих факторов и специальных сред проводят в соответствии с
ГОСТ 16962.1,
ГОСТ 16962.2, ГОСТ 24683, и должны устанавливаться в стандартах и технических условиях на соединители конкретных типов.
Соединители должны сохранять свои параметры в процессе и после воздействия механических факторов по ГОСТ 17516.
Группа по ГОСТ 17516 должна быть указана в технических условиях на соединители конкретных типов.
Проверку проводят испытаниями по
ГОСТ 20.57.406 и следующим испытанием.
Испытание соединителей на виброустойчивость проводят методом 102.1 по
ГОСТ 20.57.406.
Результаты испытания считают удовлетворительными, если в процессе приложения вибрационных нагрузок отсутствует разрыв электрической цепи, частичное или полное выпадение вилки из гнезд розетки.
После приложения вибрационных нагрузок:
- отсутствуют механические повреждения, препятствующие дальнейшей эксплуатации соединения;
- соединители соответствуют требованиям
раздела 12;
- соединители обеспечивают функционирование в соответствии с требованиями
раздела 22.
Номинальные значения механических воздействующих факторов - по
ГОСТ 17516.1 и должны устанавливаться в стандартах и технических условиях на соединители конкретных типов.&
Испытания проводят в помещении с нормальными климатическими условиями по
ГОСТ 15150, если в методике испытаний нет других указаний.
Номинальные значения климатических факторов по ГОСТ 15543 и
ГОСТ 15150 для климатических исполнений У1, ХЛ1, УХЛ1, У2, ХЛ2, УХЛ2, УХЛ4, УХЛ5, Т1, Т2, Т5 и О4.
Примечание. Климатические исполнения У1, ХЛ1, У2, ХЛ2 в новых разработках не применять.
Конкретные климатические исполнения и категория размещения должны указывать в технических условиях на соединители конкретных типов.
Конкретные требования по воздействию механических факторов, отличающихся от приведенных в настоящем стандарте, должны соответствовать группам условий эксплуатации по ГОСТ 17515.1.
Если перед проведением периодических, типовых или квалификационных испытаний соединители находились в условиях, не соответствующих нормальным климатическим условиям испытаний, то до начала испытаний они должны быть выдержаны не менее 12 ч в помещении с нормальными климатическими условиями.
Приборы для контроля электрических параметров соединителей должны иметь класс точности не ниже 1,0 по
ГОСТ 22261.
Крутящий момент контролируют динамометрическим прибором, обеспечивающим погрешность, не превышающую 10% от номинального значения момента.
| | ИС МЕГАНОРМ: примечание. ГОСТ 24555-81 утратил силу на территории Российской Федерации с 1 июля 1998 года. Действует ГОСТ Р 8.568-97, утв. Постановлением Госстандарта РФ от 10.11.1997 N 364 (ИУС "Государственные стандарты", N 2, 1998). | |
Испытательное оборудование должно быть аттестовано по ГОСТ 24555.
| | ИС МЕГАНОРМ: примечание. Взамен ГОСТ 8.326-89, утратившего силу на территории Российской Федерации с 1 декабря 2001 года, действуют ПР 50.2.009-94 "ГСИ. Порядок проведения испытаний и утверждения типа средств измерений" (Постановление Госстандарта РФ от 27.09.2001 N 394-ст). | |
| | ИС МЕГАНОРМ: примечание. Взамен ГОСТ 8.002-86, утратившего силу на территории Российской Федерации с 1 декабря 2001 года, действуют ПР 50.2.002-94 "ГСИ. Порядок осуществления государственного метрологического надзора за выпуском, состоянием и применением средств измерений, аттестованными методиками выполнения измерений, эталонами и соблюдением метрологических правил и норм" (Постановление Госстандарта РФ от 27.09.2001 N 394-ст). | |
Средства измерений должны иметь свидетельства о метрологической аттестации по ГОСТ 8.326 или о периодической поверке по ГОСТ 8.002 и
ГОСТ 8.513.
Проверки соединителей, проводимые с помощью калибров при типовых и квалификационных испытаниях, допускается при приемосдаточных и периодических испытаниях проводить с помощью соответствующих шаблонов.
Визуальным контролем проверяют класс защиты, тип контактного зажима, правильность качества сборки соединителей, наличие и правильность маркировки соединителей и транспортной тары, соответствие упаковки и транспортной тары
ГОСТ 23216, внешний вид соединителей, а также наличие:
- пружинящего устройства для обеспечения постоянства контактного нажатия в контактных зажимах;
- фасок или закруглений на концах штырей вилок;
- устройств, предохраняющих гнездовые контакты от попадания посторонних предметов;
- пазов для прохода проводов у розеток для открытой установки;
- полости для монтажной скобы у крышек розеток для скрытой установки;
- отверстий в вилках и удлинителей для прохода проводов;
- сальниковых вводов и сливных отверстий у соединителей степени защиты выше IP20;
- винта заземляющего контактного зажима;
- шнуров с опрессованными вилками в удлинителях;
- устройств, предохраняющих винты от самопроизвольного выпадания.
Результаты испытаний считают удовлетворительными, если соединители соответствуют требованиям настоящего стандарта, а также технических условий на соединители конкретных типов, и оформляют протоколом согласно
Приложению В.
Б.5. Раздел 7. КЛАССИФИКАЦИЯ
Раздел дополнить абзацами и пунктами:
Классификация соединителей по степени защиты от воды и пыли - по
ГОСТ 14254.
На обычные соединители не наносят символы степени защиты от проникновения воды.
7.1.5. В зависимости от назначения:
- вилки;
- розетки;
- удлинители;
- разветвители.
7.4. Вилки классифицируют по вводу проводов:
- с прямым вводом;
- с боковым вводом.
7.5. Разветвители и удлинители классифицируют по ограничению потребляемого тока:
- с ограничительным устройством;
- без ограничительного устройства.
Б.6. Раздел 8. МАРКИРОВКА
Пункт 8.7 дополнить абзацем:
Б.7. Раздел 9. ПРОВЕРКА РАЗМЕРОВ
Пункт 9.1 дополнить абзацами и пунктами:
Размеры соединителей на номинальные токи до 20 А и напряжение до 277 В должны соответствовать требованиям
ГОСТ 7396.1.
Ввод вилки в стационарные и переносные розетки должен обеспечиваться соответствием требованиям
ГОСТ 7396.1.
Габаритные размеры соединителей должны соответствовать установленным в технических условиях на соединители конкретных типов.
9.1.1. Расстояние от верхнего края рабочей плоскости крышки до верхней точки гнездового контакта розеток, удлинителей и разветвителей проверяют калибром, указанным на рисунке Б.1, с размером d, равным:

мм - для соединителей на номинальные токи 2,5 А;

мм - для соединителей на номинальные токи до 16 А.
Рисунок Б.1. Калибр для проверки расстояния от верхнего
края рабочей плоскости крышки до верхней точки гнездового
контакта розеток
Корпус калибра из изоляционного материала, а также штыри из электропроводящего материала не должны иметь между собой электрической связи.
Калибр вставляют поочередно в каждое отверстие до упора сначала коротким, а затем длинным штырем. Определение касания штыря калибра с гнездовым контактом проводят с помощью электрической схемы со световой, звуковой или иной сигнализацией, указывающей на наличие электрического контакта между калибром и гнездовым контактом. Напряжение питания схемы - не более 12 В.
Результаты проверки считают удовлетворительными, если между коротким штырем калибра и гнездовым контактом отсутствует, а между длинным штырем калибра и гнездовым контактом имеется электрический контакт.
9.1.2. Расстояние между штырями вилок на номинальные токи до 16 А проверяют калибрами A и B, приведенными на рисунке Б.2.
Рисунок Б.2. Калибры для проверки расстояния
между штырями вилок
Штыри полностью собранной вилки вставляют сначала в калибр A, а затем в калибр B.
Результаты проверки считают удовлетворительными, если штыри свободно входят внутрь калибра A, а калибр B свободно проходит между штырями.
Расстояние между штырями вилок на номинальный ток 2,5 А следует проверять универсальным измерительным инструментом или проходным и непроходным калибрами.
9.1.3. Нормируемые диаметры штырей вилок на номинальные токи 16 А следует проверять проходными и непроходными калибрами, приведенными на рисунке Б.3.
Рисунок Б.3. Калибры для проверки диаметров штырей вилок
Таблица 21
┌───────────────────────┬────────────────────┬───────────────────┐
│ Номинальный ток, А │ a │ b │
│ │ +0,01 │ -0,01 │
├───────────────────────┼────────────────────┼───────────────────┤
│ 2,5 │ 4,06 │ 3,94 │
│ 6, 10 и 16 │ 4,86 │ 4,74 │
└───────────────────────┴────────────────────┴───────────────────┘
Результаты проверки считают удовлетворительными, если штырь вилки вводится в проходной калибр без усилия. Должна отсутствовать возможность введения штыря в непроходной калибр.
9.1.4. Размеры вилки с боковыми заземляющими контактами следует проверять калибром, указанным на рисунке Б.4.
Рисунок Б.4. Калибр для проверки размеров вилки
с заземляющими контактами
Полностью собранную вилку три раза вводят в калибр до упора.
Результаты проверки считают удовлетворительными, если вилка без усилий входит в калибр.
Перед испытаниями необходимо 10 раз вставить и вынуть из розетки вилку, соответствующую
ГОСТ 7396.1, с максимальными размерами штырей.
Б.8. Раздел 11. ЗАЗЕМЛЕНИЕ
Пункт 11.1 дополнить абзацами:
&Проверку проводят с использованием схемы, указанной на рисунке Б.5, при напряжении питания не более 12 В.&
1 - вилка; 2 - розетка
Рисунок Б.5. Схема для проверки соединителей с заземляющим
контактом на опережающее включение заземляющего контакта
&Результаты проверки считают удовлетворительными, если при введении вилки 1 в розетку 2 вначале загорается лампа Л3 (при этом лампы Л1 и Л2 не загораются и не мигают).
При полном введении вилки в розетку должны гореть все три лампы.
При выключении вилки из розетки первыми должны погаснуть лампы Л1 и Л2 (при этом лампа Л3 не мигает и не гаснет).&
Б.9. Раздел 12. КОНТАКТНЫЕ ЗАЖИМЫ
Пункт 12.2 дополнить абзацем:
Соединители должны иметь винтовые контактные зажимы по ГОСТ Р 50043.2.
Пункт 12.2.5 дополнить абзацем:
&Проводники считают поврежденными, если в многопроволочных проводах перерезаются более 25% проволок, а в однопроволочных деформация не превышает 50% диаметра провода.&
Б.10. Раздел 13. КОНСТРУКЦИЯ СТАЦИОНАРНЫХ РОЗЕТОК
Пункт 13.1 дополнить абзацем и подпунктом:
&Проверку проводят дополнительно по 13.1.1.
13.1.1. Проверку проводят на каждом гнездовом контакте розетки калибром массой (400 +/- 10) г, размеры которого указаны на рисунке Б.6.&
-------------------------------
<*> Размер для справок.
Рисунок Б.6. Калибр для проверки
контактного нажатия розеток
&Розетку устанавливают на приспособлении горизонтально, отверстиями для штырей вилки вниз.
Результаты проверки считают удовлетворительными, если соответствующий калибр, вставленный в каждый гнездовой контакт розетки, не выпадает под собственной массой в течение 10 с.&
Пункт 13.4 дополнить абзацем:
Наружные детали розеток должны иметь равномерную блестящую поверхность, т.е. поверхность наружных деталей (крышек и корпусов) не должна иметь сколов, вмятин, забоин, заусенцев, облоя, трещин, расслоения материалов, коррозии и других дефектов, портящих внешний вид и снижающих их качество.
&Проверку проводят визуальным осмотром.&
Пункт 13.5 дополнить абзацем:
&Наличие на рабочей поверхности розетки маркировки не считают выступами.&
Пункт 13.22 дополнить абзацем:
Розетки для открытой установки степени защиты IP21 и выше должны иметь ввод с резьбой G1/2-A по
ГОСТ 6357, обеспечивающий уплотнение проводов, шнуров и кабелей диаметром от 6 до 12 мм. По согласованию с заказчиком допускается применение вводов других типов.
Раздел дополнить пунктами:
13.25. Винты, крепящие крышки и другие детали (кроме винтов контактных зажимов), снимаемые при монтаже, должны быть защищены от выпадания.
&Проверку защиты винтов от выпадания проводят следующим образом.
Винты ослабляют до момента выхода из соединения с гаечной частью в соответствии с
таблицей 6. После проведения трех циклов ослабления-затягивания снимают крышку или другую съемную часть розетки вместе с винтами. Крышку или другую съемную часть розетки располагают таким образом, чтобы винты находились в вертикальной плоскости, головкой вниз, и удерживают в таком положении (10 +/- 2) с.
Результаты проверки считают удовлетворительными, если не произошло выпадания винтов из крышки или другой съемной части розетки.&
13.26. Узел крепления розетки для скрытой установки, закрепленной в монтажной коробке по
ГОСТ 8594, должен выдерживать усилие выдергивания не менее (180 +/- 5) Н.
&Прочность узла крепления розеток для скрытой установки проверяют при помощи приспособления, указанного на рисунке Б.7.&
-------------------------------
<*> Размеры для справок.
Рисунок Б.7. Калибр для проверки прочности крепления
розеток для скрытой установки
&Узел крепления проверяют со снятой крышкой. Резьбовые соединения затягивают динамометрическим инструментом с крутящим моментом, указанным в
таблице 6.
Измеряют расстояние между распорными лапками, которое должно соответствовать
ГОСТ 7396.1.
Затем резьбовые соединения узла крепления ослабляют и розетку устанавливают в приспособление. Резьбовые соединения узла крепления затягивают крутящим моментом, указанным в
таблице 6.
К основанию розетки с помощью специальных захватов (типа скобы или хомута) прикладывают силу, направленную вдоль оси приспособления, плавно увеличивая ее от нуля до (180 +/- 5) Н со скоростью, позволяющей проводить визуальный контроль величины прикладываемой силы.
После (60 +/- 5) с воздействия силу плавно уменьшают до нуля.
Резьбовые соединения узла крепления ослабляют и розетку извлекают из приспособления. Затем резьбовые соединения узла крепления розетки затягивают крутящим моментом, указанным в
таблице 6, и измеряют расстояние между распорными лапками.
Метод испытания розетки, имеющей способ крепления в монтажной коробке, отличный от указанного в
ГОСТ 7396.1, должен быть указан в технических условиях на розетки конкретных типов или групп.
Результаты проверки считают удовлетворительными, если:
- после приложения силы розетка осталась в приспособлении;
- расстояние между распорными лапками розетки до и после приложения силы соответствует указанному в
ГОСТ 7396.1;
- отсутствуют механические повреждения, препятствующие дальнейшей эксплуатации розеток.&
Б.11. Раздел 14. КОНСТРУКЦИЯ ВИЛОК И ПЕРЕНОСНЫХ РОЗЕТОК
Пункт 14.1 дополнить абзацами:
Наружные детали соединителей должны иметь равномерную блестящую поверхность, т.е. поверхность наружных деталей (крышек и корпусов) не должна иметь сколов, вмятин, забоин, заусенцев, облоя, трещин, расслоения материалов, коррозии и других дефектов, портящих внешний вид и снижающих ее качество.
&Проверку проводят визуальным осмотром.&
Пункт 14.14 дополнить абзацем:
&Дополнительную защиту винтов от выпадания следует проверять по
13.25.&
Пункт 14.15 дополнить абзацем:
&Наличие на рабочей поверхности вилки маркировки не считают выступами.&
Пункт 14.16 дополнить абзацем:
&Наличие на рабочей поверхности переносной розетки, разветвителя и удлинителя маркировки не считают выступами.&
Пункт 14.17 дополнить примечанием:
Примечание. Соединители степени защиты IR21 и выше должны иметь ввод с резьбой G1/2-A по
ГОСТ 6357, обеспечивающий уплотнение проводов, шнуров и кабелей диаметром от 6 до 12 мм. По согласованию с заказчиком допускается применение вводов других типов.
Раздел дополнить пунктами:
14.26. Удлинители должны иметь шнур, длина которого (от места выхода из удлинителя до рабочей поверхности вилки) должна быть указана в технических условиях на удлинители конкретных типов.
Присоединение шнуров в удлинителе должно осуществляться с помощью зажимов с крепежной головкой или пайки.
Примечание. Допускается применение втычных быстросоединяемых зажимов.
&Проверку проводят внешним осмотром.&
Допускается применение разборной вилки, если она содержит устройство для ограничения потребляемого тока.
14.27. Корпуса вилок степени защиты IR20 должны иметь отверстия для прохода проводов диаметром, равным диаметру вписанной окружности.
&Проверку проводят внешним осмотром и измерениями.&
14.28. Крышки розеток, удлинителей и разветвителей должны иметь фиксированное положение относительно гнездовых контактов.
Отверстия для прохода штырей вилок должны быть соосны гнездовым контактам.
&Наличие фиксированного положения крышек розеток, удлинителей и разветвителей проверяют внешним осмотром и пробным монтажом.
Соосность гнездовых контактов с отверстиями в крышке проверяют калибром:
- по рисунку Б.8 - для соединителей без заземляющего контакта;
- по
рисунку Б.9 - для соединителей с боковыми заземляющими контактами.&
Штыри на обеих сторонах калибра должны полностью входить в розетку без усилия.
Рисунок Б.8. Калибр для проверки соосности гнездовых
контактов с отверстиями в крышках розеток, удлинителей
и разветвителей без заземляющих контактов
Таблица 24
┌───────────────────┬──────────────┬───────────────┬─────────────┐
│Номинальный ток, А │ d │ L │ L │
│ │ -0,01 │ +0,02 │ 1 │
│ │ │ │ -0,02 │
├───────────────────┼──────────────┼───────────────┼─────────────┤
│ 2,5 │ 4,06 │ 14,90 │ 23,1 │
│ 6, 10 и 16 │ 4,86 │ 14,10 │ 23,9 │
└───────────────────┴──────────────┴───────────────┴─────────────┘
Рисунок Б.9. Калибр для проверки размеров розеток
и удлинителей с заземляющими боковыми контактами
&Калибр вставляют три раза в полностью собранную розетку, удлинитель и разветвитель.
При этом калибр по
рисунку Б.8 вставляют по три раза каждой стороной.
Результаты испытания считают удовлетворительными, если калибр входит в розетку, удлинитель и разветвитель до упора.
Б.12. Раздел 16. УСТОЙЧИВОСТЬ К СТАРЕНИЮ, ЗАЩИТА ОТ ПРОНИКНОВЕНИЯ ВОДЫ И ВЛАГОСТОЙКОСТЬ
Пункт 16.1 Восьмой абзац после слов "в тепловой камере 7 сут (168 ч)".
&Температура и продолжительность испытаний в тепловой камере составляют:
- (70 +/- 2) °C и 10 сут (240 ч) - для соединителей из резины;
- (80 +/- 2) °C и 7 сут (168 ч) - для соединителей из поливинилхлорида и аналогичных материалов.&
Пункт 16.2.3 дополнить абзацами:
&Степень защиты должна быть указана в технических условиях на соединители конкретных типов.
Пункт 16.3 дополнить абзацем:
&Соединители всех климатических исполнений, кроме УХЛ4, должны испытываться по
ГОСТ 20.57.406.&
Б.13. Раздел 17. СОПРОТИВЛЕНИЕ И ЭЛЕКТРИЧЕСКАЯ ПРОЧНОСТЬ ИЗОЛЯЦИИ
Раздел после слов "на время других испытаний" дополнить абзацем:
&Проверку сопротивления и электрической прочности изоляции дополнительно проводят в холодном обесточенном состоянии при нормальных климатических условиях испытаний по
ГОСТ 15150 при приемосдаточных, квалификационных и типовых испытаниях.&
Пункт 17.1 после слов "после приложения напряжения" дополнить абзацем:
&При приемосдаточных испытаниях отсчет допускается проводить непосредственно после установления показаний прибора.&
- После слов "быть менее 5 МОм" дополнить абзацами:
&Сопротивление изоляции должно быть не менее 20 МОм в холодном обесточенном состоянии при нормальных климатических условиях испытаний по
ГОСТ 15150.
При приемосдаточных испытаниях проводят проверку только между частями, указанными в
17.1.1 а,
б и
17.1.2 а,
б.&
Пункт 17.2. Четвертый абзац после слов "до указанного" дополнить абзацами:
&После (1 +/- 0,1) мин испытательное напряжение плавно снижают до нуля в течение не более 10 с.
При приемосдаточных испытаниях проводят проверку между частями, указанными в
17.1.1 а,
б и
17.1.2 а,
б.
При приемосдаточных испытаниях допускается длительность испытания (1 +/- 0,1) с при условии повышения испытательного напряжения на 25%.&
После примечаний дополнить абзацем:
&Токи поверхностного разряда, не вызывающие уменьшение испытательного напряжения более 20%, не учитывают при оценке результатов проверки.&
Б.14. Раздел 18. РАБОТА ЗАЗЕМЛЯЮЩЕГО КОНТАКТА
Раздел дополнить пунктом:
&18.1. Проверку контактного нажатия боковых заземляющих контактов розеток и удлинителей проводят на установке, указанной на рисунке Б.10.&
1 - ось рычага; 2 - поворотный рычаг; 3 - крючки;
4 - калиброванные кулачки; 5 - запирающий винт; 6 - корпус;
7 - возвратная пружина; 8 - штифты
Рисунок Б.10. Установка для проверки усилия контактного
нажатия боковых заземляющих контактов розеток
двухполюсных на 10 и 16 А, 250 В
&Установка имеет два поворотных рычага 2, нижние концы которых упираются в заземляющие боковые контакты розетки. Верхние концы снабжены крючками 3, к которым стандартным динамометром прикладывают силу. На верхних концах поворотных рычагов имеется метка "а", расположенная таким образом, что она и метка "б" на неподвижной части установки совпадали, когда расстояние между точкой A рычага и осью установки равняется 16 мм.
Установку вставляют в полость розетки или удлинителя и фиксируют запирающим винтом 5, при помощи которого три штифта 8 равномерно упираются в стенки полости розетки. Если концы рычагов не упираются в ту часть заземляющих контактов розетки или удлинителя, которая соприкасается с заземляющими контактами вилки, то правильное положение устройства в розетке регулируют при помощи кулачков 4, и которые подкладывают под нижний конец устройства. Затем поочередно к каждому крючку 3 прикладывают силу, значение которой измеряют во время совпадения меток "а" и "б". Испытание повторяют при повернутой на 180° розетке.
Результаты испытания считают удовлетворительными, если сила, необходимая для перемещения каждого контакта в отмеченное положение, составляет не менее 5 Н.&
Б.15. Раздел 19. ПРЕВЫШЕНИЕ ТЕМПЕРАТУРЫ
Первый абзац дополнить абзацами:
Требования не распространяются на разветвители.
Разборные удлинители испытывают в состоянии поставки.
Четвертый абзац (после примечания) дополнить абзацем:
&Соединитель должен находиться в рабочем положении. Если соединитель предназначен для работы в разных положениях, то проверку проводят в положении, в котором ожидают наибольшую температуру нагрева.&
Предпоследний абзац после слов "тепловой режим образцов" дополнить абзацем:
&Термопары закрепляют в местах, указанных в технических условиях на соединители конкретных типов или групп.&
Б.16. Раздел 20. ИНДУКТИВНАЯ НАГРУЗКА
Третий абзац (после примечаний) дополнить абзацем:
Испытания розеток со шторками и удлинителей со шторками проводят вручную.
| | ИС МЕГАНОРМ: примечание. В официальном тексте документа, видимо, допущена опечатка: имеется в виду последний абзац, а не предпоследний. | |
Предпоследний абзац после слов "устойчивой электрической дуги" дополнить абзацем:
&После испытаний превышение температуры контактных зажимов над температурой окружающей среды не должно быть более 40 °C при токе, равном 1,25 номинального значения, а усилие разъема гнездовых контактов соединителя с вилкой должно быть не менее 5 Н.&
Б.17. Раздел 22. УСИЛИЕ ПРИ РАЗЪЕМЕ ШТЫРЕЙ ВИЛКИ С ГНЕЗДАМИ РОЗЕТКИ
Пункт 22.2 (после таблицы 16) дополнить абзацами:
&Для испытательных вилок на номинальный ток 2,5 А и напряжение 250 В максимальный диаметр штырей равен

мм, минимальный -

мм.
Для вилок на номинальные токи до 16 А и напряжение 250 В максимальный диаметр штырей равен

мм, минимальный -

мм.&
Б.18. Раздел 23. ГИБКИЕ КАБЕЛИ, ШНУРЫ И ИХ ПРИСОЕДИНЕНИЕ
Пункт 23.2 (после таблицы 17) дополнить абзацем:
&Длину шнура, провода или кабеля от места приложения силы (крепления груза) до подвижной панели выбирают такой, чтобы за время не менее четверти и не более половины периода вращения эксцентрика груз находился на опорной поверхности установки. Частота вращения эксцентрика (30 +/- 5) об./мин.&
Дополнить абзацем (после таблицы 18):
&Проверку проводят на установке, указанной на рисунке Б.11, с жилами проводов (шнуров) минимального и максимального сечения.&
1 - испытуемый образец; 2 - зажимное приспособление;
3 - провод, шнур или кабель; 4 - груз
Рисунок Б.11. Установка для воздействия на провод
соединителя крутящим моментом
Б.19. Раздел 24. МЕХАНИЧЕСКАЯ ПРОЧНОСТЬ
Пункт 24.1 дополнить абзацем (после второго абзаца):
&Допускается изготовление бойка из древесины твердых пород.&
Пункт 24.2 дополнить абзацем (после первого абзаца):
&Разборные соединители заряжают гибким кабелем или шнуром по
23.2, имеющим наименьшее сечение из указанных в
таблице 3, и длиной (100 +/- 5) мм.
Опрессованные соединители испытывают с тем кабелем или шнуром, который у них имеется, при этом гибкий кабель или шнур следует оставить длиной (100 +/- 5) мм.&
Б.20. Раздел 25. НАГРЕВОСТОЙКОСТЬ
Раздел (после подпункта в) дополнить абзацем:
&Испытанию по
25.2 и
25.3 не подвергают детали из керамики, крышки розеток, удлинителей и разветвителей, если отверстия для ввода штырей вилки выполнены во втулках из термореактивных пластмасс или керамических материалов, а также на наружные части соединителей степени защиты выше IP20 и крышки вилок, если они не касаются токоведущих частей.&
Б.21. Раздел 26. ВИНТЫ, ТОКОВЕДУЩИЕ ЧАСТИ И СОЕДИНЕНИЯ
Пункт 26.5 дополнить примечанием 5:
5. Диаметр винта, ввертываемого в электроизоляционный материал, должен быть не менее 3 мм, при этом длина резьбовой части гайки должна быть не менее 3 мм + 1/3 номинального диаметра резьбы.
Б.22. Раздел 28. ТЕПЛОСТОЙКОСТЬ, ОГНЕСТОЙКОСТЬ И УСТОЙЧИВОСТЬ К ТОКАМ ПОВЕРХНОСТНОГО РАЗРЯДА
Пункт 28.1 дополнить абзацем (после первого абзаца):
Требование не распространяется на крышки розеток, удлинителей и разветвителей, если отверстия для ввода штырей вилки выполнены во втулках из керамических материалов.
Части из изолирующего материала должны соответствовать требованиям
ГОСТ 12.1.004.
Б.23. Раздел 29. КОРРОЗИЕУСТОЙЧИВОСТЬ
Раздел дополнить абзацами:
&Металлические детали соединителей должны иметь защитные покрытия в соответствии с нормальными условиями эксплуатации по
ГОСТ 15150.
Материалы или гальванические покрытия соприкасающихся между собой деталей контактных зажимов и присоединяемых проводников должны соответствовать требованиям
ГОСТ 9.005.
Проверку качества гальванических покрытий металлических деталей проводят по
ГОСТ 9.302. При приемосдаточных испытаниях проверяют наличие и внешний вид покрытий.&
Б.24. СИСТЕМА УСЛОВНЫХ ОБОЗНАЧЕНИЙ
Система условных обозначений должна указываться в стандартах или технических условиях, или каталогах предприятий на соединители конкретных типов.
Б.25. УПАКОВКА, ТРАНСПОРТИРОВАНИЕ И ХРАНЕНИЕ
Условия транспортирования, хранения и допустимые сроки сохраняемости должны устанавливаться в стандартах или технических условиях на соединители конкретных типов в соответствии с
ГОСТ 15150 и
ГОСТ 23216.
Б.26. ГАРАНТИИ ИЗГОТОВИТЕЛЯ
Изготовитель должен гарантировать соответствие соединителей требованиям настоящего стандарта, а также технических условий на соединители конкретных типов при условии соблюдения правил транспортирования, хранения и эксплуатации, установленных стандартами или техническими условиями на соединители конкретных типов.
Гарантийные сроки устанавливают в стандартах или технических условиях на соединители конкретных типов.
Б.27. РЕКОМЕНДАЦИИ ПО УЧЕТУ ДОПОЛНИТЕЛЬНЫХ ТРЕБОВАНИЙ
При разработке, изготовлении и эксплуатации соединителей учет требований действующих государственных стандартов должен осуществляться на основе опросных листов, в которых должен быть определен и согласован с потребителем перечень дополнительных требований и требований, изменяющих положения настоящего стандарта, исходя из условий функционирования и эксплуатации соединителей.
В настоящем приложении использованы ссылки на следующие стандарты:
ГОСТ Р 50043.2-92 (МЭК 998-2-1-90). Соединительные устройства для низковольтных цепей бытового и аналогичного назначения. Часть 2-1. Частные требования для соединительных устройств с винтовыми зажимами
| | ИС МЕГАНОРМ: примечание. Взамен ГОСТ 8.002-86, утратившего силу на территории Российской Федерации с 1 декабря 2001 года, действуют ПР 50.2.002-94 "ГСИ. Порядок осуществления государственного метрологического надзора за выпуском, состоянием и применением средств измерений, аттестованными методиками выполнения измерений, эталонами и соблюдением метрологических правил и норм" (Постановление Госстандарта РФ от 27.09.2001 N 394-ст). | |
ГОСТ 8.002-86. Государственная система измерений. Государственный надзор и ведомственный контроль за средствами измерений. Основные положения
ГОСТ 8.513-84. Государственная система измерений. Организация и порядок проведения
ГОСТ 9.302-88. Единая система защиты от коррозии и старения. Покрытия металлические и неметаллические неорганические. Методы контроля
ГОСТ 12.1.004-91. Система стандартов безопасности труда. Пожарная безопасность. Общие требования
ГОСТ 12.2.007.0-75. Система стандартов безопасности труда. Изделия электротехнические. Общие требования безопасности
ГОСТ 12.2.007.6-75. Система стандартов безопасности труда. Аппараты электрические коммутационные на напряжение до 1000 В. Требования безопасности
ГОСТ 15.001-88. Система разработки и постановки продукции на производство. Продукция производственно-технического назначения
ГОСТ 20.57.406-81. Комплексная система контроля качества. Изделия электронной техники, квантовой электроники и электротехнические. Методы испытаний
ГОСТ 27.003-90. Надежность в технике. Состав и общие правила задания требований по надежности
ГОСТ 27.410-87. Надежность в технике. Методы контроля показателей надежности и планы контрольных испытаний на надежность
ГОСТ 6357-81. Основы взаимозаменяемости. Резьба трубная цилиндрическая
ГОСТ 14254-96 (МЭК 529-89). Степени защиты, обеспечиваемые оболочками (код IP)
ГОСТ 15150-69. Машины, приборы и другие технические изделия. Исполнения для различных климатических районов. Категории, условия эксплуатации, хранения и транспортирования в части воздействия климатических факторов внешней среды
ГОСТ 15543.1-89. Изделия электротехнические. Общие требования в части стойкости к климатическим внешним воздействующим факторам
ГОСТ 16504-81. Система государственных испытаний продукции. Испытания и контроль качества продукции. Основные термины и определения
ГОСТ 16962.1-89 (МЭК 68-2-1-74). Изделия электротехнические. Методы испытаний на устойчивость к климатическим внешним воздействующим факторам
ГОСТ 16962.2-90. Изделия электротехнические. Методы испытаний на стойкость к механическим внешним воздействующим факторам
ГОСТ 17516-72. Изделия электротехнические. Условия эксплуатации в части воздействия механических факторов внешней среды
ГОСТ 17516.1-90. Изделия электротехнические. Общие требования в части стойкости к механическим внешним воздействующим факторам
ГОСТ 18242-72 <*>. Статистический приемочный контроль по альтернативному признаку. Планы контроля
-------------------------------
ГОСТ 21962-76. Соединители электрические. Термины и определения
ГОСТ 22261-94. Средства измерения электрических и магнитных величин. Общие технические условия
ГОСТ 23216-78. Изделия электротехнические. Общие требования к хранению, транспортированию, временной противокоррозионной защите и упаковке
| | ИС МЕГАНОРМ: примечание. ГОСТ 24555-81 утратил силу на территории Российской Федерации с 1 июля 1998 года. Действует ГОСТ Р 8.568-97, утв. Постановлением Госстандарта РФ от 10.11.1997 N 364 (ИУС "Государственные стандарты", N 2, 1998). | |
ГОСТ 24555-81. Система государственных испытаний продукции. Порядок аттестации испытательного оборудования
ГОСТ 24683-81. Изделия электротехнические. Методы контроля стойкости к воздействию специальных сред.
(справочное)
ТРЕБОВАНИЯ К ПРОТОКОЛУ ИСПЫТАНИЙ СОЕДИНИТЕЛЕЙ
В.1. Протокол испытаний должен содержать достоверные, объективные и точные результаты испытаний, данные об условиях испытаний и погрешности измерений, заключение о соответствии испытуемых соединителей требованиям нормативных документов и конструкторской документации, а также представлять точно, четко и недвусмысленно результаты испытаний и другую относящуюся к ним информацию.
В.2. Протокол испытаний должен содержать следующие основные сведения:
- наименование и адрес испытательной лаборатории;
- регистрационный номер, дату выдачи и срок действия аттестата аккредитации, наименование аккредитирующей организации, выдавшей аттестат;
- номер и дату регистрации протокола испытаний, подпись руководителя испытаний, печать испытательной лаборатории на каждой странице протокола испытаний, а также общее количество пронумерованных страниц;
- полное наименование соединителя;
- код ОКП;
- наименование организации или фамилию, имя, отчество заказчика и его адрес;
- дату получения заявки на испытания;
- дату проведения испытаний;
- место проведения испытаний (например, в случае договора подряда);
- климатические условия проведения испытаний (температура, влажность, давление);
- цель испытаний (приемосдаточные, контрольные, для целей сертификации и т.д.);
- программу испытаний (объем испытаний в виде перечисления пунктов (разделов) нормативного документа).
Примечание. Программа испытаний может быть приведена в приложении к протоколу испытаний;
- нормативный документ, на соответствие требованиям которого проведены испытания (стандарт, технические условия);
- перечень применяемого испытательного оборудования и средств измерений с указанием наименования и типа испытательного оборудования и средств измерений, диапазона и точности измерений, данных о номере метрологического аттестата или свидетельства и дату последней и очередной аттестации и государственной поверки;
- значения показателей по нормативным документам и допусков (при необходимости);
- фактическое значение показателей испытанных соединителей с указанием погрешности (не более +/- 10%) и достоверности измерений (не менее 0,9), при необходимости;
- наименование и тип устройства для калибровки измерительной цепи до и после проведения испытаний (при необходимости);
- вывод о соответствии нормативному документу по каждому показателю;
- информацию о дополнительном протоколе испытаний, выполненных на условиях субподряда (при его наличии);
- заключение о соответствии (или несоответствии) испытанных соединителей требованиям стандартов или других нормативных документов;
- подписи и должности лиц, ответственных за проведение испытаний и оформление протокола испытаний, включая руководителя испытательной лаборатории;
- печать испытательной лаборатории (или организации) на всех листах протокола;
- указание о недопустимости частичной или полной перепечатки или размножения без разрешения заказчика (или испытательной лаборатории)- на титульном листе.
В.3. Исправления и дополнения в тексте протокола испытаний после его выпуска не допускаются. При необходимости их оформляют только в виде отдельного документа "Дополнение к протоколу испытаний".
На испытания конкретных видов, например, при испытаниях по подряду, могут оформляться отдельные протоколы, входящие в состав общего протокола испытаний соединителей.
В.4. В протоколе испытаний не допускается помещать рекомендации и советы по устранению недостатков или совершенствованию испытанных соединителей.
В.5. Копии протоколов испытаний подлежат хранению в испытательной лаборатории не менее шести лет.
(справочное)
БИБЛИОГРАФИЯ <*>
-------------------------------
<*> Международные стандарты МЭК, ИСО и их переводы находятся во Всероссийском научно-исследовательском институте классификации, терминологии и информации по стандартизации и качеству (ВНИИКИ). Адрес: 103001, Москва, Гранатный пер., 4.
[1] МЭК 60719-92. Расчет нижнего и верхнего пределов средних наружных размеров кабелей с круглыми медными проводниками на номинальное напряжение 450/750 В включ.
[2] МЭК 60999-90. Присоединительные устройства. Требования безопасности к винтовым и безвинтовым зажимам для электрических медных проводников
[3] ИСО 1639-86. Металлическое покрытие: цинк на чугун или сталь электролитическим осаждением
[4] ИСО 2081-91. Металлическое покрытие: цинк на сталь электролитическим осаждением
[5] ИСО 1456-88. Металлическое покрытие: никель-хромовое и медно-никелевое покрытие электролитическим осаждением
[6] ИСО 2093-86. Металлическое покрытие: залуживание электролитическим осаждением. Спецификация и методы испытания.