Главная // Актуальные документы // ГОСТ Р (Государственный стандарт)СПРАВКА
Источник публикации
М.: Стандартинформ, 2020
Примечание к документу
С 01.07.2003 до вступления в силу технических регламентов акты федеральных органов исполнительной власти в сфере технического регулирования носят рекомендательный характер и подлежат обязательному исполнению только в части, соответствующей целям, указанным в
п. 1 ст. 46 Федерального закона от 27.12.2002 N 184-ФЗ.
Документ
введен в действие с 01.07.2001.
Название документа
"ГОСТ Р 51665-2000. Национальный стандарт Российской Федерации. Устройства сложения мощностей передатчиков низких, средних и высоких частот. Основные параметры. Общие технические требования. Методы измерений"
(утв. и введен в действие Постановлением Госстандарта России от 16.11.2000 N 300-ст)
"ГОСТ Р 51665-2000. Национальный стандарт Российской Федерации. Устройства сложения мощностей передатчиков низких, средних и высоких частот. Основные параметры. Общие технические требования. Методы измерений"
(утв. и введен в действие Постановлением Госстандарта России от 16.11.2000 N 300-ст)
Утвержден и введен в действие
Госстандарта России
от 16 ноября 2000 г. N 300-ст
НАЦИОНАЛЬНЫЙ СТАНДАРТ РОССИЙСКОЙ ФЕДЕРАЦИИ
УСТРОЙСТВА СЛОЖЕНИЯ МОЩНОСТЕЙ ПЕРЕДАТЧИКОВ
НИЗКИХ, СРЕДНИХ И ВЫСОКИХ ЧАСТОТ
ОСНОВНЫЕ ПАРАМЕТРЫ. ОБЩИЕ ТЕХНИЧЕСКИЕ
ТРЕБОВАНИЯ. МЕТОДЫ ИЗМЕРЕНИЙ
Power combiners for low, medium and high frequency
transmitters. Basic parameters. General technical
requirements. Methods of measurements
ГОСТ Р 51665-2000
Дата введения
1 июля 2001 года
1 РАЗРАБОТАН Самарским отраслевым научно-исследовательским институтом радио (СОНИИР)
2 ВНЕСЕН Министерством Российской Федерации по связи и информатизации
3 УТВЕРЖДЕН И ВВЕДЕН В ДЕЙСТВИЕ
Постановлением Госстандарта России от 16 ноября 2000 г. N 300-ст
4 ВВЕДЕН ВПЕРВЫЕ
5 ПЕРЕИЗДАНИЕ. Июль 2020 г.
Правила применения настоящего стандарта установлены в статье 26 Федерального закона от 29 июня 2015 г. N 162-ФЗ "О стандартизации в Российской Федерации". Информация об изменениях к настоящему стандарту публикуется в ежегодном (по состоянию на 1 января текущего года) информационном указателе "Национальные стандарты", а официальный текст изменений и поправок - в ежемесячном информационном указателе "Национальные стандарты". В случае пересмотра (замены) или отмены настоящего стандарта соответствующее уведомление будет опубликовано в ближайшем выпуске ежемесячного информационного указателя "Национальные стандарты". Соответствующая информация, уведомление и тексты размещаются также в информационной системе общего пользования - на официальном сайте Федерального агентства по техническому регулированию и метрологии в сети Интернет (www.gost.ru)
Настоящий стандарт распространяется на устройства сложения мощностей (УСМ) передатчиков низких частот (НЧ), средних частот (СЧ) и высоких частот (ВЧ). УСМ обеспечивает совместную работу нескольких передатчиков с одинаковой рабочей частотой и одинаковой программой на общую нагрузку (антенну, фидер) без взаимного влияния.
Настоящий стандарт не распространяется на УСМ, входящие в состав каскадов передатчиков.
В настоящем стандарте использованы нормативные ссылки на следующие стандарты:
ГОСТ 12.1.006 Система стандартов безопасности труда. Электромагнитные поля радиочастот. Допустимые уровни на рабочих местах и требования к проведению контроля
ГОСТ 12.1.030 Система стандартов безопасности труда. Электробезопасность. Защитное заземление, зануление
ГОСТ 12.2.007.0 Система стандартов безопасности труда. Изделия электротехнические. Общие требования безопасности
ГОСТ 12.3.019 Система стандартов безопасности труда. Испытания и измерения электрические. Общие требования безопасности
ГОСТ 27.410 Надежность в технике. Методы контроля показателей надежности и планы контрольных испытаний на надежность <1>
--------------------------------
<1> Действует
ГОСТ Р 27.403-2009 "Надежность в технике. Планы испытаний для контроля вероятности безотказной работы".
ГОСТ 11326.79 Кабели радиочастотные марок РК 75-17-17, РК 75-17-17-БГ, РК 75-17-17-Б, РК 75-17-17-Ба, РК 75-17-17-К. Технические условия
ГОСТ 15150 Машины, приборы и другие технические изделия. Исполнения для различных климатических районов. Категории, условия эксплуатации, хранения и транспортирования в части воздействия климатических факторов внешней среды
ГОСТ Р 50829 Безопасность радиостанций, радиоэлектронной аппаратуры с использованием приемо-передающей аппаратуры и их составных частей. Общие требования и методы испытаний
Примечание - При пользовании настоящим стандартом целесообразно проверить действие ссылочных стандартов в информационной системе общего пользования - на официальном сайте Федерального агентства по техническому регулированию и метрологии в сети Интернет или по ежегодному информационному указателю "Национальные стандарты", который опубликован по состоянию на 1 января текущего года, и по выпускам ежемесячного информационного указателя "Национальные стандарты" за текущий год. Если заменен ссылочный стандарт, на который дана недатированная ссылка, то рекомендуется использовать действующую версию этого стандарта с учетом всех внесенных в данную версию изменений. Если заменен ссылочный стандарт, на который дана датированная ссылка, то рекомендуется использовать версию этого стандарта с указанным выше годом утверждения (принятия). Если после утверждения настоящего стандарта в ссылочный стандарт, на который дана датированная ссылка, внесено изменение, затрагивающее положение, на которое дана ссылка, то это положение рекомендуется применять без учета данного изменения. Если ссылочный стандарт отменен без замены, то положение, в котором дана ссылка на него, рекомендуется применять в части, не затрагивающей эту ссылку.
3 Определения и сокращения
3.1 В настоящем стандарте применены следующие термины с соответствующими определениями:
3.1.1 устройство сложения мощностей передатчиков (УСМ): Устройство, предназначенное для обеспечения совместной работы нескольких передатчиков с одинаковой рабочей частотой и одинаковой программой на общую нагрузку (антенну, фидер) без взаимного влияния.
3.1.2 диапазон рабочих частот: Диапазон частот, в пределах которого электрические параметры устройства по каждому входу удовлетворяют требованиям настоящего стандарта и техническим условиям на изделие конкретного типа.
3.1.3 коэффициент бегущей волны (КБВ): Отношение амплитуды напряжения в узле к амплитуде напряжения в ближайшей к нему пучности на фидере, подключенном к соответствующему входу УСМ при согласованных нагрузках на остальных входах и выходе.
3.1.4 развязка: Отношение напряжения на входе устройства, к которому подключен передатчик (измерительный генератор), к напряжению на входе, к которому передатчик не подключен, при согласованных нагрузках на остальных входах (при их наличии) и выходе.
3.1.5 коэффициент асимметрии: Отношение однотактной (несимметричной) моды напряжения к двухтактной (симметричной).
3.1.6 коэффициент полезного действия (КПД): Отношение активной мощности на выходе УСМ к сумме активных мощностей на его входах в согласованном режиме при номинальных соотношениях мощностей и фаз на входах.
3.1.7 устройство обхода: Электрическая цепь, состоящая из высокочастотных переключателей и фидера, служащая для непосредственного соединения одного из передатчиков с антенным фидером, в обход УСМ.
3.2 В настоящем стандарте использованы следующие сокращения:
СИ - средство измерений;
ТУ - технические условия;
ЭМП - электромагнитное поле.
4.1 Номинальные значения мощности, подводимой к каждому входу УСМ, должны соответствовать ряду: 1, 5; (7,5); 10; (20); 25; 30; 50; (75); 100; 150; 250; (300); 500; (600); 1000; (1200) кВт.
В технически обоснованных случаях допускается использовать значения мощности, указанные в скобках.
4.2 УСМ должны быть рассчитаны на подключение к ним фидеров с волновыми сопротивлениями:
120, 150 или 300 Ом - для УСМ с симметричными входами и выходом;
50, 60 или 75 Ом - для УСМ с несимметричными входами и выходом.
В технически обоснованных случаях допускается изготовление и применение УСМ с несимметричными входами и выходом с волновым сопротивлением 150 Ом.
4.3 Диапазон рабочих частот указывают в технических условиях (ТУ) на изделие конкретного типа в соответствии с диапазоном частот передатчиков или антенн, с которыми предназначено работать УСМ.
4.4 КБВ на каждом входе УСМ при согласованных нагрузках на остальных входах и выходе должен быть не менее:
0,8 - для УСМ передатчиков диапазона ВЧ;
0,9 - для УСМ радиовещательных передатчиков диапазонов НЧ и СЧ.
4.5 Развязка между любыми двумя входами при согласованных нагрузках на остальных входах и выходе должна быть, дБ, не менее:
20 + 10 lg (P1/P2) - для УСМ передатчиков диапазона ВЧ;
30 + 10 lg (P1/P2) - Для УСМ радиовещательных передатчиков диапазонов НЧ и СЧ,
где
P1,
P2 - значения входной мощности в соответствии с
4.1 для входов, между которыми определяется развязка;
P1 - наибольшее значение мощности.
4.6 КПД при работе всех сфазированных передатчиков с номинальными мощностями должен быть не менее 0,9.
4.7 Коэффициент асимметрии для УСМ с симметричными входами и выходом должен быть не более 5%.
4.8 УСМ должны выдерживать указанную в
4.1 входную мощность по каждому входу при значениях КБВ, приведенных в
таблице 1.
Таблица 1
Минимально допустимые значения КБВ в выходном фидере УСМ
Входная мощность, кВт | КБВ, не менее |
До 5 | 0,25 |
От 5 до 30 | 0,30 |
Св. 30 до 100 | 0,60 |
Св. 100 до 250 | 0,70 |
Св. 250 | 0,80 |
5 Общие технические требования
5.1.1 УСМ должны соответствовать требованиям настоящего стандарта и ТУ на изделие конкретного типа.
5.1.2 УСМ должны оснащаться устройствами обхода с целью устранения потерь мощности при отключении одного или нескольких передатчиков. Требования к устройствам обхода приведены в
приложении А.
5.2 Требования надежности
5.2.1 Средняя наработка на отказ УСМ должна быть не менее 10 000 ч.
5.2.2 Срок службы УСМ, если это не оговорено особыми условиями, должен быть не менее 20 лет.
5.3 Требования к конструкции
5.3.1 Конструкция УСМ должна обеспечивать механическую прочность и выполнение норм на электрические параметры, установленные настоящим стандартом и ТУ на изделие конкретного типа.
5.3.2 Конструкция УСМ должна обеспечивать возможность и безопасность проведения технического обслуживания, профилактических и ремонтных работ.
5.3.3 Конструкция корпуса УСМ должна предусматривать возможность его заземления.
5.3.4 Масса, габаритные и установочные размеры УСМ должны быть указаны в ТУ на изделие конкретного типа. Рекомендуемые присоединительные размеры входов и выхода УСМ для подключения фидеров приведены в
приложении Б.
5.4 Требования к безопасности эксплуатации
5.4.2 В эксплуатационной документации на УСМ должны содержаться указания о безопасном выполнении работ, в том числе указания по обеспечению безопасности от воздействия высокочастотных полей.
5.4.3 Напряженность электромагнитного поля, создаваемая УСМ на рабочих местах обслуживающего персонала в помещениях, при номинальных значениях мощности должна соответствовать требованиям
ГОСТ 12.1.006,
[2] и быть не более:
- в диапазонах НЧ и СЧ:
- по электрической составляющей -

В/м,
- по магнитной составляющей -

А/м;
- в диапазоне ВЧ:
- по электрической составляющей -

В/м,
- по магнитной составляющей (в диапазоне 1,5 - 3,0 МГц) -

А/м,
где K - минимально допустимый КБВ для данного УСМ.
5.5 Требования стойкости к климатическим и механическим воздействиям
5.5.1 Параметры УСМ, предназначенных для эксплуатации в отапливаемых помещениях, должны быть не хуже приведенных в настоящем стандарте при следующих климатических воздействиях:
- снижении атмосферного давления до 79,5 кПа (на высоте 2000 м над уровнем моря);
- изменении температуры воздуха в помещении от 5 °C до 45 °C;
- повышении влажности воздуха до 80% при 20 °C.
5.5.2 Требования стойкости УСМ, устанавливаемого на антенном поле, к климатическим воздействиям должны соответствовать категории 1 исполнения УХЛ по
ГОСТ 15150.
5.5.3 Требования стойкости УСМ, устанавливаемого на антенном поле, к механическим воздействиям, соответствующим ветровым и гололедным районам по
[3], устанавливают в ТУ на изделие конкретного типа.
6.1.1 Параметры УСМ следует измерять в нормальных климатических условиях, если иные условия не оговорены в ТУ на изделие конкретного типа.
Нормальными климатическими условиями считают следующие:
- температура окружающего воздуха - от 288 до 308 К (от 15 °C до 35 °C);
- относительная влажность - от 45% до 80%;
- атмосферное давление - от 84 до 106,7 кПа (от 630 до 800 мм рт. ст.).
6.1.2 Параметры УСМ при воздействии дестабилизирующих факторов следует измерять теми же методами, что и в нормальных климатических условиях.
6.1.3 Допускается проведение прямых измерений, при которых непосредственно определяют значение параметра, и косвенных измерений, результаты которых получают после прямых измерений ряда величин, связанных с искомым значением параметра известной зависимостью.
6.1.4 При измерениях допускаются колебания напряжения питающей электросети в пределах +/- 5% и частоты в пределах +/- 1 Гц.
6.1.5 Измерения должны проводиться с соблюдением требований безопасности, установленных
ГОСТ 12.3.019.
6.2 Измерительная аппаратура
Параметры УСМ следует измерять с помощью СИ, основные характеристики которых приведены в
приложении В.
6.3.1 КБВ на каждом входе УСМ определяют путем измерения его входного сопротивления с помощью измерителя полных сопротивлений. Выход и остальные входы устройства должны быть подключены к согласованным нагрузкам. Коэффициент бегущей волны
K вычисляют по формулам:

, (1)

, (2)
где W - волновое сопротивление фидеров устройства, Ом;
R, X - активная и реактивная части измеренного входного сопротивления, Ом.
Измерения проводят на рабочей частоте УСМ, а для работающих в диапазоне частот - на средней и крайних частотах диапазона.
Измерения проводят для каждого входа УСМ. Наименьшее из всех вычисленных значений K принимают за фактическое значение КБВ по данному входу УСМ.
Измерение активной и реактивной составляющих сопротивления симметричного входа УСМ проводят измерителем полных сопротивлений с помощью симметрирующих полуволновых кабельных петель, выполненных согласно
приложению Г.
Допускается также выполнять измерения УСМ с симметричными входами/выходом сопротивлением 300 Ом при помощи вспомогательного широкополосного симметрирующего трансформатора с характеристиками, приведенными в
приложении Д.
Примечание - При использовании универсального радиочастотного моста измерение сопротивления симметричных и несимметричных входов УС проводят непосредственно.
6.3.2 Развязку между входами УСМ определяют по схеме, приведенной на
рисунке 1. При наличии у УСМ более двух входов свободные входы при измерениях нагружают на согласованные нагрузки - активные сопротивления, равные волновому сопротивлению фидеров.
1 - генератор сигналов ВЧ; 2 - селективный микровольтметр;
3, 4 - согласованные коаксиальные переходы; 6 - УСМ;
5, 7 - согласованные экранированные нагрузки;
8 - милливольтметр ВЧ
Рисунок 1 - Схема определения развязки между входами УСМ
Выходное сопротивление измерительного генератора и селективного микровольтметра согласуют с входами УСМ с помощью коаксиальных согласованных переходов.
Напряжение генератора должно быть не менее 1 В. При отсутствии в генераторе встроенного измерителя напряжения его напряжение измеряют внешним милливольтметром.
Для УСМ с симметричными входами выход генератора и вход микровольтметра симметрируют, как указано в
6.3.1.
Измерения проводят на рабочей частоте УСМ, а для устройств, работающих в диапазоне частот - на средней и крайних частотах рабочего диапазона.
Развязку B, дБ, вычисляют по формуле
B = 20 lg (U1/U2), (3)
где U1 - напряжение на входе, соединенном с генератором, мВ;
U2 - напряжение на входе, соединенном с микровольтметром, мВ.
Измерения и вычисления выполняют для всех пар входов, после чего выбирают наименьшее значение развязки, которое и принимают за фактическое значение развязки между двумя любыми входами УСМ.
6.3.3 КПД устройства сложения определяют следующим образом: к выходу устройства подключают генератор ВЧ, а к входам - согласованные нагрузки. Милливольтметром ВЧ с высокоомным входом измеряют напряжение
Uвых на выходе, соединенном с генератором, и напряжения
U1,
U2, ... на входах УСМ. На той же частоте с помощью измерителя полных сопротивлений измеряют, согласно
6.3.1, активную
R и реактивную
X составляющие сопротивления со стороны выхода УСМ. Коэффициент полезного действия

вычисляют по формулам:

, (4)

, (5)

, (6)
где R1, R2, ... n - сопротивления согласованных нагрузок, Ом.
При измерении КПД устройств сложения с симметричными входами и выходом генератор симметрируют, как указано в
6.3.1, согласованные нагрузки выполняют со средней точкой, а суммирование мощностей на входах УСМ осуществляют для всех половин нагрузок.
6.3.4 Коэффициент асимметрии для УСМ с симметричными входами и выходом измеряют по схеме, приведенной на
рисунке 2.
1 - генератор сигналов ВЧ; 2 - симметрирующее устройство; 3,
4 - согласованные нагрузки; 5 - УСМ; 6, 7 - несимметричные
нагрузки с волновым сопротивлением, равным половине
волнового сопротивления подключаемого фидера W/2);
8 - несимметричная нагрузка с волновым сопротивлением,
равным четверти волнового сопротивления подключаемого
фидера (W/4); 9 - милливольтметр ВЧ
Рисунок 2 - Схема измерения коэффициента асимметрии
Напряжения на выходе УСМ UA, UB, UC в точках A, B, C относительно корпуса измеряют с помощью милливольтметра ВЧ с высокоомным входом. Коэффициент асимметрии a, %, вычисляют по формуле
a = 2[UC/(UA + UB)]·100. (7)
Симметрирование сигнала генератора производят одним из способов, приведенных в
6.3.1. К остальным входам при этом должны быть присоединены согласованные нагрузки.
Измерения проводят для всех входов УСМ на рабочей частоте устройства, а для устройств, работающих в диапазоне частот, - на средней и крайних частотах рабочего диапазона. Наибольшее из всех вычисленных значений a принимают за коэффициент асимметрии УСМ.
6.3.5 Напряженность ЭМП, создаваемого УСМ на рабочих местах обслуживающего персонала, определяют по схеме, приведенной на
рисунке 3.
1 - генератор сигналов ВЧ; 2 - согласованный коаксиальный
переход; 3, 4, 8 - экранированные согласованные нагрузки;
5 - УСМ; 6 - измерительная антенна; 7 - измеритель
напряженности ЭМП; 9 - милливольтметр ВЧ
Рисунок 3 - Схема определения напряженности ЭМП
К одному из входов УСМ через согласованный коаксиальный переход подключают генератор ВЧ, к остальным входам и выходу - согласованные экранированные нагрузки. На генераторе устанавливают частоту, соответствующую рабочей частоте данного входа УСМ (для устройства, работающего в диапазоне частот, - нижнюю частоту рабочего диапазона), и напряжение выходного сигнала не менее 1 В.
Электрическую составляющую напряженности ЭМП измеряют для УСМ, работающих в диапазонах НЧ, СЧ и ВЧ. Магнитную составляющую напряженности ЭМП измеряют для УСМ, работающих в диапазонах НЧ и СЧ, а также в диапазоне ВЧ - до частоты 3,0 МГц.
Антенну измерителя напряженности ЭМП устанавливают таким образом, чтобы она принимала горизонтальную составляющую электрического поля, параллельную одной из сторон корпуса (экрана) УСМ, на расстоянии 0,5 м от его поверхности и на высоте 0,5 м от пола (опорной поверхности, на которой установлено испытуемое изделие). Перемещают антенну измерителя напряженности ЭМП вокруг корпуса УСМ и, не меняя ее ориентации, расстояния от корпуса УСМ и высоты над полом, находят максимальное значение составляющей электрического поля Exi. В этой же точке, ориентируя измерительную антенну для приема горизонтальной составляющей электрического поля, перпендикулярной к Exi, находят Eyi, затем, ориентируя измерительную антенну для приема вертикальной составляющей электрического поля, находят Ezi.
Суммарную напряженность электрического поля в i-точке рассчитывают по формуле

. (8)
Устанавливают измерительную антенну для приема горизонтальной составляющей электрического поля
Ey. Перемещая антенну вокруг корпуса УСМ так же, как и ранее, находят максимальное значение
Eyj. В этой же самой
j-й точке, ориентируя антенну соответствующим образом, измеряют
Exj и
Ezj. По
формуле (8) вычисляют суммарную напряженность электрического поля в
j-й точке
Eген j.
Устанавливают измерительную антенну для приема вертикальной составляющей электрического поля
Ez. Перемещая антенну вокруг корпуса УОР так же, как и ранее, находят максимальное значение
Ezk. В этой же
k-й точке, ориентируя антенну соответствующим образом, измеряют
Exk и
Eyk. По
формуле (8) находят суммарную напряженность электрического поля в
k-й точке
Eген k.
Аналогичные измерения выполняют на высоте над уровнем пола 1,0 и 1,7 м и из полученных девяти значений Eген i, Eген j, Eген k выбирают наибольшее Eген.
Таким же образом определяют максимально возможное значение напряженности магнитного поля Hген, обусловленного генератором ВЧ-сигналов.
Такие же измерения проводят на остальных рабочих частотах УСМ, а для устройств, работающих в диапазоне частот, - на средней и крайних частотах рабочего диапазона и выбирают максимальные значения.
При наличии внешних радиопомех допускается изменение частоты измерения в пределах +/- 2% от первоначального значения частоты измерения.
Напряженности электрического E, В/м, и магнитного H, А/м, полей, создаваемых УСМ при работе на согласованную нагрузку при номинальных значениях входной мощности, определяют по формулам:

, (9)

, (10)
где Eген, Hген - максимальные измеренные значения напряженности электрического и магнитного полей при работе генератора, В/м и А/м соответственно;
Pсумм - суммарная номинальная входная мощность УСМ, Вт;
Pген - мощность генератора, Вт.
Pген = U2/W, (11)
где U - напряжение генератора, измеренное милливольтметром на входе УСМ, В;
W - волновое сопротивление фидеров, подключаемых к входу УСМ, Ом.
6.3.6 Способность УСМ выдерживать номинальную входную мощность по каждому входу при заданном значении КБВ в выходном фидере проверяют по методике, которая должна быть указана в ТУ на изделие конкретного типа.
6.3.8 Параметры надежности УСМ проверяют по методам, приведенным в
ГОСТ 27.410.
6.3.9 Стойкость УСМ к климатическим и механическим воздействиям проверяют по методам, которые должны быть указаны в ТУ на изделие конкретного типа.
(рекомендуемое)
ОСНОВНЫЕ ТЕХНИЧЕСКИЕ ХАРАКТЕРИСТИКИ УСТРОЙСТВ ОБХОДА УСМ
А.1 Электрический тракт устройства обхода должен иметь параметры не хуже приведенных в настоящем стандарте для УСМ.
А.2 Устройство обхода должно быть рассчитано на наибольшую выходную мощность подключаемых к УСМ передатчиков.
А.3 Электропитание устройств обхода должно осуществляться от сети однофазного или трехфазного переменного тока частотой (50 +/- 2) Гц напряжением 220/380 В плюс 10%, минус 15%.
А.4 Устройства обхода должны иметь возможность осуществления дистанционного или автоматического управления.
А.5 Время обхода при автоматическом или дистанционном управлении при входной максимальной мощности (на один вход) УСМ должно соответствовать значениям, указанным в
таблице А.1.
Таблица А.1
Максимально допустимые значения времени коммутации
при дистанционном управлении УСМ
Входная мощность, кВт | Время коммутации, с, не более |
До 5 | 5 |
От 5 до 30 | 7 |
Св. 30 до 100 | 20 |
Св. 100 до 250 | 30 |
Св. 250 | 60 |
А.6 При кратковременном пропадании (до 60 с) электропитания должно сохраняться состояние устройства обхода, заданное до пропадания электропитания.
(рекомендуемое)
ПРИСОЕДИНИТЕЛЬНЫЕ РАЗМЕРЫ ВХОДОВ И ВЫХОДОВ УСМ
Б.1 При входной (выходной суммарной) мощности до 1 кВт включительно рекомендуются присоединительные размеры, соответствующие вилке СР-75-201
[4] (под коаксиальный кабель РК 75-17-17 ГОСТ 11326.79) для несимметричных входов и выходов УСМ с волновым сопротивлением 75 Ом.
Б.2 При входной (выходной суммарной) мощности до 5 кВт включительно рекомендуются присоединительные размеры, соответствующие изображенным на
рисунке Б.1 для входов и выходов с волновым сопротивлением 75 Ом.
Рисунок Б.1 - Присоединительные размеры несимметричных
входов (выходов) УСМ с волновым сопротивлением 75 Ом
и входной (выходной суммарной) мощностью до 5 кВт
Б.3 При входной (выходной суммарной) мощности до 30 кВт включительно рекомендуются присоединительные размеры, соответствующие изображенным на
рисунке Б.2 для входов и выходов с волновым сопротивлением 75 Ом.
Рисунок Б.2 - Присоединительные размеры несимметричных
входов (выходов) УСМ с волновым сопротивлением 75 Ом
и входной (выходной суммарной) мощностью до 30 кВт
Б.4 При входной (выходной суммарной) мощности до 30 кВт включительно рекомендуются присоединительные размеры, соответствующие изображенным на
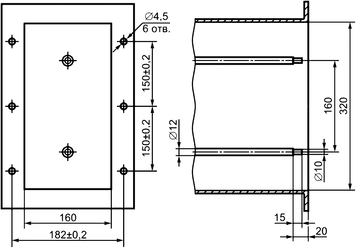
рисунке Б.3 для входов и выходов с волновым сопротивлением 300 Ом.
Рисунок Б.3 - Присоединительные размеры симметричных входов
(выходов) УСМ с волновым сопротивлением 300 Ом и входной
(выходной суммарной) мощностью до 30 кВт
Б.5 При входной (выходной суммарной) мощности до 100 кВт включительно рекомендуются присоединительные размеры, соответствующие изображенным на
рисунке Б.4 для входов и выходов с волновым сопротивлением 300 Ом.
Рисунок Б.4 - Присоединительные размеры симметричных входов
(выходов) УСМ с волновым сопротивлением 300 Ом и входной
(выходной суммарной) мощностью до 100 кВт
Б.6 При входной (выходной суммарной) мощности до 250 кВт включительно рекомендуются присоединительные размеры, соответствующие изображенным на
рисунке Б.5 для входов и выходов с волновым сопротивлением 300 Ом.
Рисунок Б.5 - Присоединительные размеры симметричных входов
(выходов) УСМ с волновым сопротивлением 300 Ом и входной
(выходной суммарной) мощностью до 250 кВт (изображена
половина симметричного двухкоаксиального фидера)
Б.7 При входной (выходной суммарной) мощности до 250 кВт включительно рекомендуются присоединительные размеры, соответствующие изображенным на
рисунке Б.6 для входов и выходов с волновым сопротивлением 120 Ом.
Рисунок Б.6 - Присоединительные размеры симметричных входов
(выходов) УСМ с волновым сопротивлением 120 Ом и входной
(выходной суммарной) мощностью до 250 кВт (изображена
половина симметричного двухкоаксиального фидера)
(рекомендуемое)
ОСНОВНЫЕ ТЕХНИЧЕСКИЕ ХАРАКТЕРИСТИКИ СИ
ДЛЯ ИЗМЕРЕНИЯ ПАРАМЕТРОВ УСМ
Таблица В.1
Наименование прибора | Основные параметры прибора | Значение параметра |
Измеритель полных сопротивлений | Диапазон частот, МГц | 0,5 - 110 |
Пределы измерения, Ом: | |
- по активной составляющей | 1 - 1·104 |
- по реактивной составляющей | 1 - 1·104 |
Погрешность измерения, %, не более | +/- 4 |
Генератор сигналов ВЧ | Диапазон частот, МГц | 0,1 - 300 |
Выходное напряжение, В | 0,001 - 10 |
Выходное сопротивление, Ом | 50; 75 |
Погрешность установки частоты, %, не более | +/- 1 |
Уровень побочных излучений, дБ, не более | -80 |
Селективный микровольтметр (измерительный приемник) | Диапазон частот, МГц | 0,1 - 30 |
Пределы измерения напряжения, В | 2·10-7 - 1 |
Ширина полосы пропускания на уровне 3 дБ, кГц | 8 |
Входное сопротивление, Ом | 50; 75 |
Погрешность измерения напряжения, дБ, не более | 2,0 |
Измеритель напряженности ЭМП | Диапазон частот, МГц | 0,1 - 30 |
Пределы измерения напряженности: | |
- электрического поля, В/м | 1·10-4 - 0,1 |
- магнитного поля, А/м | 2·10-4 - 0,1 |
Ширина полосы пропускания на уровне 3 дБ, кГц | 8 |
Входное сопротивление, Ом | 50; 75 |
Погрешность измерения, дБ, не более | 2,0 |
Милливольтметр ВЧ | Диапазон частот, МГц | 0,001 - 100 |
Диапазон измерения напряжения, В | 0,0003 - 300 |
Пределы основной погрешности, %, не более | +/- 2,5 |
Входное сопротивление, МОм, не менее | 20 |
(рекомендуемое)
ТРЕБОВАНИЯ К СИММЕТРИРУЮЩИМ ПЕТЛЯМ
Для соединения приборов и устройств, имеющих несимметричные входы (выходы), с симметричными входами или выходами УСМ могут быть применены полуволновые кабельные симметрирующие петли.
1 - несимметричный вход; 2 - симметричный выход;
3 - полуволновая петля
Рисунок Г.1 - Кабельная петля
Если электрическая длина петли точно равна половине длины волны, то петля сдвигает фазу напряжения на 180° и не трансформирует сопротивление. Таким образом, на несимметричной стороне оказывается параллельное включение обеих половин симметричной нагрузки, вследствие чего общая трансформация сопротивления получается 1 : 4 (например, 75 Ом - на несимметричной стороне и 300 Ом - на симметричной).
Поскольку коэффициент укорочения волны в паспортных данных кабеля обычно указывается недостаточно точно, электрическую длину петли следует проверить. Для этого отрезок кабеля, из которого изготавливают петлю, закорачивают на конце и измеряют частоту, на которой входное сопротивление отрезка минимально. Электрическая длина отрезка l в метрах будет равна
l = 150/F,
где F - частота, МГц.
Для упрощения процесса подгонки петли рекомендуется несколько изменить частоту измерения, взяв ее равной найденному значению F.
(рекомендуемое)
ТРЕБОВАНИЯ К СИММЕТРИРУЮЩЕМУ ТРАНСФОРМАТОРУ
Измерения параметров УСМ с симметричными входами и выходом с волновыми сопротивлениями 300 Ом могут быть выполнены с помощью вспомогательного широкополосного симметрирующего трансформатора. Основные характеристики его должны быть:
- собственный КБВ - не менее 0,95;
- коэффициент асимметрии - не более 1%;
- КПД - не менее 0,9.
Характеристики должны выдерживаться в пределах частотного диапазона использования симметрирующего трансформатора (при необходимости для перекрытия всего частотного диапазона УСМ может использоваться несколько симметрирующих трансформаторов).
Симметрирующий трансформатор с указанными выше характеристиками на диапазон частот 1,5 - 30 МГц может быть выполнен по патенту Российской Федерации
[5].
| | Правила по охране труда на радиопредприятиях Минсвязи России |
| | Санитарные правила и нормы. Электромагнитные излучения радиочастотного диапазона (ЭМИ РЧ) |
| | Строительные нормы и правила. Нагрузки и воздействия |
| ВРО.364.029 ТУ | Соединители радиочастотные коаксиальные |
| Патент Российской Федерации N 687499 Симметрирующее устройство |
УДК 621.396.9:006.354 | |
Ключевые слова: устройства сложения мощностей передатчиков низких, средних, высоких частот, основные параметры, общие технические требования, методы измерений |