Главная // Актуальные документы // ГОСТ Р (Государственный стандарт)СПРАВКА
Источник публикации
М.: Стандартинформ, 2020
Примечание к документу
С 01.07.2003 до вступления в силу технических регламентов акты федеральных органов исполнительной власти в сфере технического регулирования носят рекомендательный характер и подлежат обязательному исполнению только в части, соответствующей целям, указанным в
п. 1 ст. 46 Федерального закона от 27.12.2002 N 184-ФЗ.
Документ
введен в действие с 01.07.2001.
Название документа
"ГОСТ Р 51662-2000. Национальный стандарт Российской Федерации. Коммутаторы передающих антенн. Основные параметры. Общие технические требования. Методы измерений"
(утв. и введен в действие Постановлением Госстандарта России от 16.11.2000 N 297-ст)
"ГОСТ Р 51662-2000. Национальный стандарт Российской Федерации. Коммутаторы передающих антенн. Основные параметры. Общие технические требования. Методы измерений"
(утв. и введен в действие Постановлением Госстандарта России от 16.11.2000 N 297-ст)
Утвержден и введен в действие
Госстандарта России
от 16 ноября 2000 г. N 297-ст
НАЦИОНАЛЬНЫЙ СТАНДАРТ РОССИЙСКОЙ ФЕДЕРАЦИИ
КОММУТАТОРЫ ПЕРЕДАЮЩИХ АНТЕНН
ОСНОВНЫЕ ПАРАМЕТРЫ.
ОБЩИЕ ТЕХНИЧЕСКИЕ ТРЕБОВАНИЯ.
МЕТОДЫ ИЗМЕРЕНИЙ
Commutators of transmitting antennas. Basic parameters.
General technical requirements. Methods of measurements
ГОСТ Р 51662-2000
Дата введения
1 июля 2001 года
1 РАЗРАБОТАН Самарским отраслевым научно-исследовательским институтом радио (СОНИИР)
2 ВНЕСЕН Министерством Российской Федерации по связи и информатизации
3 УТВЕРЖДЕН И ВВЕДЕН В ДЕЙСТВИЕ
Постановлением Госстандарта России от 16 ноября 2000 г. N 297-ст
4 ВВЕДЕН ВПЕРВЫЕ
5 ПЕРЕИЗДАНИЕ. Июль 2020 г.
Правила применения настоящего стандарта установлены в статье 26 Федерального закона от 29 июня 2015 г. N 162-ФЗ "О стандартизации в Российской Федерации". Информация об изменениях к настоящему стандарту публикуется в ежегодном (по состоянию на 1 января текущего года) информационном указателе "Национальные стандарты", а официальный текст изменений и поправок - в ежемесячном информационном указателе "Национальные стандарты". В случае пересмотра (замены) или отмены настоящего стандарта соответствующее уведомление будет опубликовано в ближайшем выпуске ежемесячного информационного указателя "Национальные стандарты". Соответствующая информация, уведомление и тексты размещаются также в информационной системе общего пользования - на официальном сайте Федерального агентства по техническому регулированию и метрологии в сети Интернет (www.gost.ru)
Настоящий стандарт распространяется на коммутаторы стационарных передающих антенн для радиосвязи и радиовещания, работающие в диапазоне частот 1,5 - 30 МГц.
Настоящий стандарт не распространяется на коммутаторы антенн мощностью менее 1 кВт и коммутаторы антенн, установленных на подвижных объектах.
В настоящем стандарте использованы нормативные ссылки на следующие стандарты:
ГОСТ 12.1.006 Система стандартов безопасности труда. Электромагнитные поля радиочастот. Допустимые уровни на рабочих местах и требования к проведению контроля
ГОСТ 12.1.030 Система стандартов безопасности труда. Электробезопасность. Защитное заземление, зануление
ГОСТ 12.2.007.0 Система стандартов безопасности труда. Изделия электротехнические. Общие требования безопасности
ГОСТ 12.3.019 Система стандартов безопасности труда. Испытания и измерения электрические. Общие требования безопасности
ГОСТ 27.410 Надежность в технике. Методы контроля показателей надежности и планы контрольных испытаний на надежность <1>
--------------------------------
<1> Действует
ГОСТ Р 27.403-2009 "Надежность в технике. Планы испытаний для контроля вероятности безотказной работы".
ГОСТ 11326.79 Кабели радиочастотные марок РК 75-17-17, РК 75-17-17-БГ, РК 75-17-17-Б, РК 75-17-17-Ба и РК 75-17-17-К. Технические условия
ГОСТ 11326.82 Кабель радиочастотный марки РК 75-44-17. Технические условия
ГОСТ 15150 Машины, приборы и другие технические изделия. Исполнения для различных климатических районов. Категории, условия эксплуатации, хранения и транспортирования в части воздействия климатических факторов внешней среды
ГОСТ Р 50829 Безопасность радиостанций, радиоэлектронной аппаратуры с использованием приемо-передающей аппаратуры и их составных частей. Общие требования и методы испытаний
Примечание - При пользовании настоящим стандартом целесообразно проверить действие ссылочных стандартов в информационной системе общего пользования - на официальном сайте Федерального агентства по техническому регулированию и метрологии в сети Интернет или по ежегодному информационному указателю "Национальные стандарты", который опубликован по состоянию на 1 января текущего года, и по выпускам ежемесячного информационного указателя "Национальные стандарты" за текущий год. Если заменен ссылочный стандарт, на который дана недатированная ссылка, то рекомендуется использовать действующую версию этого стандарта с учетом всех внесенных в данную версию изменений. Если заменен ссылочный стандарт, на который дана датированная ссылка, то рекомендуется использовать версию этого стандарта с указанным выше годом утверждения (принятия). Если после утверждения настоящего стандарта в ссылочный стандарт, на который дана датированная ссылка, внесено изменение, затрагивающее положение, на которое дана ссылка, то это положение рекомендуется применять без учета данного изменения. Если ссылочный стандарт отменен без замены, то положение, в котором дана ссылка на него, рекомендуется применять в части, не затрагивающей эту ссылку.
3 Определения и сокращения
3.1 В настоящем стандарте применены следующие термины с соответствующими определениями:
3.1.1 диапазон рабочих частот: Диапазон частот, в пределах которого электрические параметры коммутатора удовлетворяют требованиям настоящего стандарта и техническим условиям (ТУ) на изделие конкретного типа.
3.1.2 коэффициент бегущей волны (КБВ): Отношение амплитуды напряжения в узле к амплитуде напряжения в ближайшей к нему пучности на фидере, подключенном к соответствующему входу коммутатора при согласованных нагрузках на остальных входах и выходах.
3.1.3 коэффициент асимметрии: Отношение однотактной (несимметричной) моды напряжения к двухтактной (симметричной).
3.1.4 развязка: Отношение напряжения на входе коммутатора, к которому подключен передатчик (измерительный генератор), к напряжению на входе, к которому передатчик не подключен, при согласованных нагрузках на остальных входах и выходах.
3.1.5 коэффициент полезного действия (КПД): Отношение выходной мощности какого-либо тракта коммутатора к входной мощности этого же тракта при работе тракта в согласованном режиме.
3.3 В настоящем стандарте использованы следующие сокращения:
СИ - средство измерений;
ТУ - технические условия;
ЭМП - электромагнитное поле.
4.1 Номинальные значения мощности, подводимой к каждому входу коммутатора, должны соответствовать ряду: 1; 5; 30; 100; 250; 400; 500; 1000 кВт.
4.2 Коммутаторы должны обеспечивать подключение к ним фидеров с волновыми сопротивлениями:
- 120, 150 или 300 Ом - для коммутаторов с симметричными входами и выходами;
- 50 или 75 Ом - для коммутаторов с несимметричными входами и выходами.
В технически обоснованных случаях допускается изготовление и применение коммутаторов на волновое сопротивление 60 Ом.
4.3 Диапазон рабочих частот должен быть:
- от 3,95 до 26,1 МГц - для коммутаторов с волновым сопротивлением трактов 60 или 120 Ом;
- от 1,5 до 30 МГц - для коммутаторов с волновым сопротивлением трактов 50, 75, 150, 300 Ом.
Для коммутаторов с волновым сопротивлением трактов 50 и 75 Ом по согласованию с заказчиком допускается устанавливать диапазон рабочих частот 1,5 - 60 МГц.
4.4 КБВ на каждом входе коммутатора при работе на согласованную нагрузку должен быть не менее:
- 0,9 - в диапазоне частот до 30 МГц;
- 0,8 - в диапазоне частот св. 30 до 60 МГц.
4.5 Развязка между любыми двумя входами при соединении выходов и остальных входов коммутатора на согласованные нагрузки должна быть не менее 60 дБ.
Примечание - В технически обоснованных случаях допускается снижение развязки до значений, согласованных с заказчиком.
4.6 КПД коммутатора должен быть не менее 0,95.
4.7 Коэффициент асимметрии для коммутаторов с симметричными входами и выходами должен быть не более 5%.
4.8 Коммутатор должен выдерживать указанную в
4.1 входную мощность по каждому входу при значениях КБВ, приведенных в
таблице 1.
Таблица 1
Минимально допустимые значения КБВ в выходном
фидере коммутатора
Входная мощность, кВт | КБВ, не менее |
До 5 | 0,25 |
От 5 до 30 | 0,30 |
Св. 30 до 100 | 0,60 |
Св. 100 до 250 | 0,70 |
Св. 250 | 0,80 |
4.9 Время коммутации при дистанционном управлении должно соответствовать значениям, указанным в
таблице 2.
Таблица 2
Максимально допустимые значения времени коммутации
при дистанционном управлении коммутатором
Входная мощность, кВт | Время коммутации, с, не более |
До 5 | 5 |
От 5 до 30 | 7 |
Св. 30 до 100 | 20 |
Св. 100 до 250 | 30 |
Св. 250 | 60 |
5 Общие технические требования
5.1.1 Коммутаторы должны соответствовать требованиям настоящего стандарта и ТУ на изделие конкретного типа.
5.1.2 Электропитание коммутаторов должно осуществляться от сети однофазного или трехфазного переменного тока частотой (50 +/- 2) Гц напряжением 220/380 В плюс 10%, минус 15%.
5.1.3 Управление коммутаторами должно осуществляться дистанционно с выносного пульта (стойки управления) с использованием выделенной аппаратуры телеуправления, телесигнализации, телеконтроля передатчиков или от программного устройства.
Примечание - В технически обоснованных случаях по согласованию с заказчиком допускается применение ручного управления.
5.1.4 В коммутаторе должны быть предусмотрены средства, обеспечивающие сигнализацию о состоянии коммутатора и блокировку дистанционного управления при производстве ремонтно-профилактических работ.
5.1.5 При кратковременном пропадании (до 60 с) электропитания должно сохраняться состояние коммутатора, заданное до пропадания электропитания.
5.2 Требования надежности
5.2.1 Средняя наработка на отказ коммутатора должна быть не менее 10 000 ч.
5.2.2 Срок службы коммутатора, если это не оговорено особыми условиями, должен быть не менее 20 лет.
5.3 Требования к конструкции
5.3.1 Конструкция коммутатора должна обеспечивать механическую прочность и выполнение норм на электрические параметры, установленные настоящим стандартом и ТУ на изделие конкретного типа.
5.3.2 Конструкция коммутатора должна обеспечивать возможность и безопасность проведения технического обслуживания и ремонтных работ.
5.3.3 Конструкция корпуса коммутатора должна предусматривать возможность его заземления.
5.3.4 Масса, габаритные и установочные размеры коммутатора должны быть указаны в ТУ на изделие конкретного типа. Рекомендуемые присоединительные размеры входов и выходов коммутаторов для подключения фидеров приведены в
приложении А.
5.4 Требования к безопасности эксплуатации
5.4.2 В эксплуатационной документации к коммутаторам должны содержаться указания о безопасном выполнении работ, в том числе указания по обеспечению безопасности от воздействия высокочастотных полей.
5.4.3 Напряженность электромагнитного поля (ЭМП), создаваемая коммутатором на рабочих местах обслуживающего персонала в помещениях, при номинальных значениях выходной мощности должна соответствовать требованиям
ГОСТ 12.1.006 и
[2] и быть не более:
- по электрической составляющей -

;
- по магнитной составляющей (в диапазоне 1,5 - 3,0 МГц) -

,
где K - минимально допустимый КБВ для данного фидерного тракта.
В случае расширения частотного диапазона коммутатора до 60 МГц напряженность ЭМП для тех же условий применения должна быть не более:
- по электрической составляющей (в диапазоне 30 - 60 МГц) -

;
- по магнитной составляющей (в диапазоне 30 - 50 МГц) -

.
5.5 Требования стойкости к климатическим и механическим воздействиям
5.5.1 Параметры коммутаторов, предназначенных для эксплуатации в отапливаемых помещениях, должны быть не хуже приведенных в настоящем стандарте при следующих климатических воздействиях:
- снижении атмосферного давления до 79,5 кПа (на высоте до 2000 м над уровнем моря);
- изменении температуры воздуха в помещении от 5 °C до 45 °C и влажности до 80% при 20 °C.
5.5.2 Требования стойкости к климатическим воздействиям коммутаторов, предназначенных для установки в неотапливаемых помещениях (антенных павильонах), должны соответствовать категории 3 исполнения УХЛ по
ГОСТ 15150.
5.5.3 Требования стойкости к климатическим воздействиям коммутаторов, предназначенных для установки на антенном поле, должны соответствовать категории 1 исполнения УХЛ по
ГОСТ 15150.
5.5.4 Требования стойкости коммутатора, устанавливаемого на антенном поле, к механическим воздействиям, соответствующим ветровым и гололедным районам по
[3], устанавливают в ТУ на изделие конкретного типа.
6.1.1 Параметры коммутаторов следует измерять в нормальных климатических условиях, если иные условия не оговорены в ТУ на изделие конкретного типа.
Нормальными климатическими условиями считают следующие:
- температура окружающего воздуха - от 288 до 308 К (от 15 °C до 35 °C);
- относительная влажность - от 45% до 80%;
- атмосферное давление - от 84 до 106,7 кПа (от 630 до 800 мм рт. ст.).
6.1.2 Параметры коммутаторов при воздействии дестабилизирующих факторов следует измерять теми же методами, что и в нормальных климатических условиях.
6.1.3 Допускается проведение прямых измерений, при которых непосредственно определяют значение параметра, и косвенных измерений, результаты которых получают после прямых измерений ряда величин, связанных с искомым значением параметра известной зависимостью.
6.1.4 При измерениях допускаются колебания напряжения питающей электросети в пределах +/- 5% и частоты в пределах +/- 1 Гц.
6.1.5 Измерения должны проводиться с соблюдением требований безопасности, установленных
ГОСТ 12.3.019.
6.2 Измерительная аппаратура
Параметры коммутаторов следует измерять с помощью СИ, основные характеристики которых приведены в
приложении Б.
6.3.1 КБВ на каждом входе коммутатора определяют путем измерения его входного сопротивления с помощью измерителя полных сопротивлений. Выходы и другие входы коммутатора должны быть подключены к согласованным нагрузкам. Коэффициент бегущей волны
K рассчитывают по формулам:

, (1)

, (2)
где R, X - активная и реактивная части измеренного входного сопротивления, Ом;
W - волновое сопротивление фидера коммутатора, Ом.
Измерения проводят на верхней частоте диапазона рабочих частот коммутатора. При наличии в тракте коммутатора нескольких коммутационных элементов, соединенных отрезками длинных линий, измерения должны проводиться на частотах, указанных в ТУ на конкретное изделие.
Измерения проводят для каждого тракта коммутатора. Наименьшее из всех вычисленных значений K принимают за фактическое значение КБВ для данного коммутатора.
Входное сопротивление коммутатора с симметричными входами и выходами может быть измерено измерителем полных сопротивлений с несимметричным входом с помощью симметрирующих полуволновых кабельных петель, выполненных согласно
приложению В.
Согласованные нагрузки для коммутаторов с симметричными входами и выходами выполняют из двух резисторов со средней точкой. Значение сопротивления каждого резистора W/2. При измерениях среднюю точку соединяют с корпусом коммутатора.
Допускается выполнение измерений КБВ коммутаторов с симметричными входами и выходами с волновым сопротивлением 300 Ом при помощи вспомогательного широкополосного симметрирующего трансформатора, выполненного согласно
приложению Г.
6.3.2 Развязку между входами коммутатора определяют по схеме, приведенной на
рисунке 1.
1 - генератор сигналов ВЧ; 2 - микровольтметр селективный;
3, 8, 9, 10 - согласованные нагрузки; 4 - милливольтметр ВЧ;
5, 6 - согласованные коаксиальные переходы; 7 - коммутатор
Рисунок 1 - Схема определения развязки
между входами коммутатора
Все незадействованные входы и выходы коммутатора нагружают на согласованные нагрузки - активные сопротивления, равные волновому сопротивлению подключаемых фидеров. Выходное сопротивление генератора сигналов ВЧ и входное сопротивление селективного микровольтметра согласуют с входами коммутатора с помощью коаксиальных согласованных переходов.
Напряжение генератора должно быть не менее 1 В. При отсутствии в генераторе встроенного измерителя напряжения его выходное напряжение измеряют внешним милливольтметром ВЧ. Измерения выполняют селективным микровольтметром на верхней частоте диапазона рабочих частот коммутатора. Развязку B, дБ, вычисляют по формуле
B = 20 lg (U1/U2), (3)
где U1 - напряжение на входе, соединенном с генератором, мВ;
U2 - напряжение на входе, соединенном с микровольтметром, мВ.
Для коммутаторов с симметричными входами и выходами симметрирование выхода генератора и входа микровольтметра, а также согласование нагрузок выполняют способами, указанными в
6.3.1.
Измерения выполняют для всех пар входов. Наименьшее из всех вычисленных значений B принимают за фактическое значение развязки между любыми двумя входами коммутатора.
Развязка при рассогласованных нагрузках может быть оценена расчетным путем согласно
приложению Д.
6.3.3 КПД определяют с помощью измерителя полных сопротивлений при замыкании накоротко выхода данного тракта коммутатора. Измеритель полных сопротивлений подключают ко входу измеряемого тракта и с его помощью находят резонансную частоту, на которой входное сопротивление максимально, после чего определяют, согласно
6.3.1, коэффициент бегущей волны
K на входе этого тракта.
При измерениях входы и выходы незадействованных трактов коммутатора должны быть подключены к согласованным нагрузкам.
Коэффициент полезного действия

вычисляют по формуле

. (4)
Измерения выполняют на той из резонансных частот, которая является ближайшей к верхней частоте рабочего диапазона коммутатора. Допускается выполнение измерений при разомкнутом тракте.
Аналогичные измерения и вычисления выполняют для всех трактов коммутатора. Наименьшее из всех вычисленных значений

принимают за КПД коммутатора.
6.3.4 Коэффициент асимметрии для коммутаторов с симметричными входами и выходами определяют по схеме, приведенной на
рисунке 2.
1 - генератор сигналов ВЧ; 2 - симметрирующее устройство; 3,
4 - согласованные нагрузки; 5 - коммутатор; 6,
7 - несимметричные нагрузки с волновым сопротивлением,
равным половине волнового сопротивления подключаемого фидера
(W/2); 8 - несимметричная нагрузка с волновым
сопротивлением, равным четверти волнового сопротивления
подключаемого фидера (W/4), 9 - милливольтметр ВЧ
Рисунок 2 - Схема определения коэффициента асимметрии
Напряжения UA, UB, UC в точках A, B, C на выходе измеряемого тракта коммутатора относительно корпуса измеряют с помощью милливольтметра ВЧ. Коэффициент асимметрии a, %, вычисляют по формуле
a = 2UC/(UA + UB)·100. (5)
Симметрирование сигнала генератора производят одним из способов, указанных в
6.3.1. К незадействованным входам и выходам коммутатора должны быть подключены согласованные нагрузки.
Измерения проводят на верхней частоте диапазона рабочих частот коммутатора. При наличии в коммутаторе m входов и n выходов измерения и вычисления проводят по каждому из m входов, коммутированному на каждый из n выходов (общее число измерений mn). При наличии в тракте коммутатора нескольких коммутационных элементов, соединенных отрезками длинных линий, измерения должны проводиться на частотах, указанных в ТУ на конкретное изделие.
Наибольшее из всех вычисленных значений a принимают за коэффициент асимметрии коммутатора.
6.3.5 Время коммутации измеряют с помощью секундомера. К входу и выходу измеряемого тракта коммутатора подключают миллиомметр (зажимы миллиомметра подсоединяют к внутреннему проводнику коммутатора с симметричными входами и выходами или к одному из двух внутренних проводников коммутатора с симметричными входами и выходами). До начала измерения тракт должен быть разомкнут. Отсчет времени начинают в момент подачи сигнала на коммутацию, а оканчивают, когда миллиомметр покажет наличие замкнутой цепи.
Измерения проводят для тракта с заведомо наибольшим временем коммутации (например, для тракта, содержащего наибольшее количество коммутирующих элементов).
6.3.6 Напряженность ЭМП, создаваемого коммутатором на рабочих местах обслуживающего персонала, определяют по схеме, приведенной на
рисунке 3.
1 - генератор сигналов ВЧ; 2 - согласованный коаксиальный
переход; 3, 4, 8, 9, 10 - экранированные согласованные
нагрузки; 5 - коммутатор; 6 - измерительная антенна;
7 - измеритель напряженности ЭМП
Рисунок 3 - Схема определения напряженности ЭМП
К одному из входов коммутатора через согласованный коаксиальный переход подключают генератор сигналов ВЧ, к остальным входам и выходам - согласованные экранированные нагрузки. Для симметричных фидеров сигнал от генератора симметрируют одним из способов, изложенных в
6.3.1. На генераторе устанавливают частоту, соответствующую нижней частоте рабочего диапазона коммутатора, и напряжение выходного сигнала не менее 1 В.
Антенну измерителя напряженности ЭМП устанавливают таким образом, чтобы она принимала горизонтальную составляющую электрического поля, параллельную одной из сторон корпуса (экрана) коммутатора на расстоянии 0,5 м от его поверхности и на высоте 0,5 м от пола (опорной поверхности, на которой установлен коммутатор). Перемещают антенну измерителя напряженности ЭМП вокруг корпуса коммутатора и, не меняя ее ориентации, расстояния от корпуса коммутатора и высоты над полом, находят максимальное значение составляющей электрического поля Exi. В этой же точке, ориентируя измерительную антенну для приема горизонтальной составляющей электрического поля, перпендикулярной Exi, находят Eyi, затем, ориентируя измерительную антенну для приема вертикальной составляющей электрического поля, находят Ezi.
Суммарную напряженность электрического поля в i-й точке рассчитывают по формуле

. (6)
Устанавливают измерительную антенну для приема горизонтальной составляющей электрического поля
Ey. Перемещая антенну вокруг корпуса коммутатора так же, как и ранее, находят максимальное значение
Eyj. В этой же самой
j-й точке, ориентируя антенну соответствующим образом, измеряют
Exj и
Ezj. По
формуле (6) находят суммарную напряженность электрического поля в
j-й точке
Eген j.
Устанавливают измерительную антенну для приема вертикальной составляющей электрического поля
Ez. Перемещая антенну вокруг корпуса коммутатора так же, как и ранее, находят максимальное значение
Ezk. В этой же
k-й точке, ориентируя антенну соответствующим образом, измеряют
Exk и
Eyk. По
формуле (6) находят суммарную напряженность электрического поля в
k-й точке
Eген k.
Аналогичные измерения выполняют на высоте 1,0 и 1,7 м над уровнем пола и из полученных девяти значений Eген i, Eген j, Eген k выбирают наибольшее Eген.
Таким же образом определяют максимально возможное значение напряженности магнитного поля Hген, обусловленного генератором ВЧ-сигналов.
Такие же измерения и вычисления проводят на средней и верхней частотах рабочего диапазона данного входа коммутатора. При наличии в коммутаторе m входов и n выходов измерения и вычисления проводят по каждому из m входов, скоммутированному на каждый из n выходов (общее число измерений mn). Из всех вычисленных значений выбирают наибольшие значения Eген и Hген.
При наличии внешних радиопомех допускается изменение частоты измерения в пределах +/- 2% от первоначального значения частоты измерения. Напряженности электрического E, В/м, и магнитного H, А/м, полей, создаваемых коммутатором при работе на согласованную нагрузку при номинальных значениях входной мощности, определяют по формулам:

, (7)

, (8)
где Eген и Hген - измеренные максимальные значения напряженности электрического и магнитного полей при работе генератора, В/м и А/м соответственно;
Pсумм - суммарная номинальная входная мощность коммутатора, Вт;
Pген - мощность генератора, Вт.
Pген = U2/W, (9)
где U - напряжение генератора, В;
W - волновое сопротивление фидеров, подключаемых к коммутатору, Ом.
6.3.7 Способность коммутатора выдерживать номинальную входную мощность по каждому входу при заданном значении КБВ в выходном фидере проверяют по методике, которая должна быть указана в ТУ на изделие конкретного типа.
6.3.9 Параметры надежности коммутатора проверяют по методам, приведенным в
ГОСТ 27.410.
6.3.10 Стойкость коммутатора к климатическим и механическим воздействиям проверяют по методам, которые должны быть указаны в ТУ на изделие конкретного типа.
(рекомендуемое)
ПРИСОЕДИНИТЕЛЬНЫЕ РАЗМЕРЫ ВХОДОВ И ВЫХОДОВ КОММУТАТОРОВ
А.1 При входной мощности до 1 кВт включ. рекомендуются присоединительные размеры, соответствующие вилке СР-75-201
[4] (под коаксиальный кабель РК 75-17, ГОСТ 11326.79) для несимметричных входов и выходов коммутаторов с волновым сопротивлением 75 Ом.
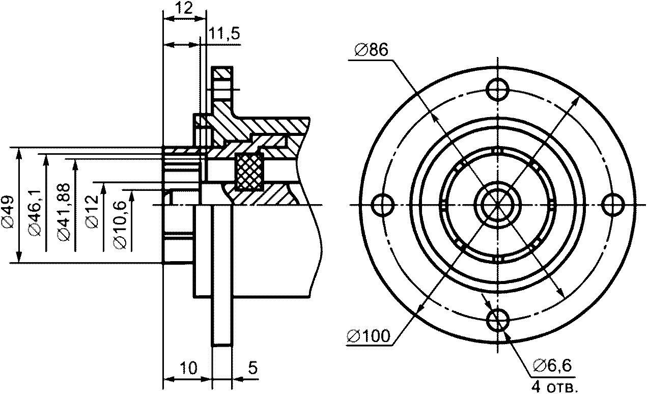
А.2 При входной мощности до 5 кВт включ. рекомендуются присоединительные размеры, соответствующие изображенным на
рисунке А.1 (под коаксиальный кабель РК 75-44, ГОСТ 11326.82) для несимметричных входов и выходов с волновым сопротивлением 75 Ом.
Рисунок А.1 - Присоединительные размеры несимметричных
входов (выходов) коммутаторов с волновым сопротивлением 75
Ом и входной мощностью до 5 кВт
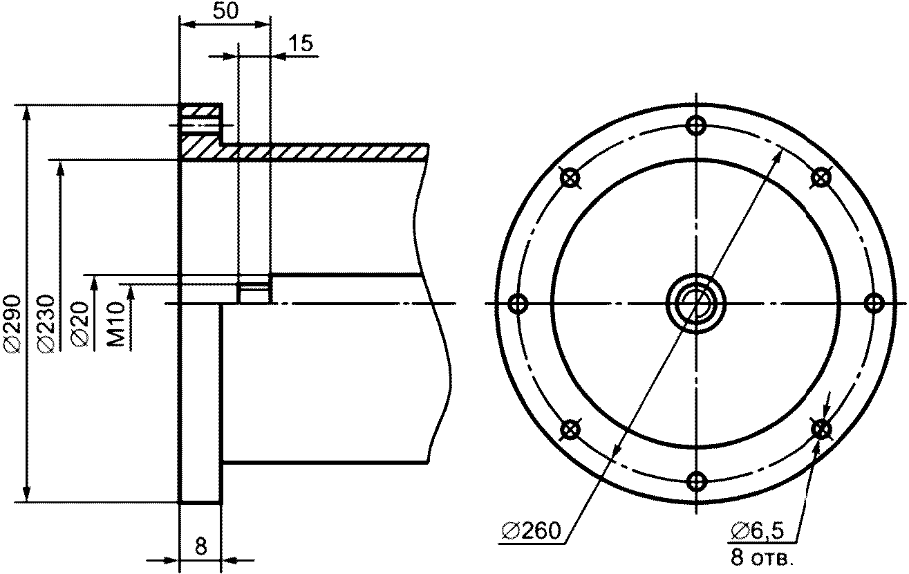
А.3 При входной мощности до 30 кВт включ. рекомендуются присоединительные размеры, соответствующие изображенным на
рисунке А.2 для несимметричных входов и выходов с волновым сопротивлением 75 Ом.
Рисунок А.2 - Присоединительные размеры несимметричных
входов (выходов) коммутаторов с волновым сопротивлением 75
Ом и входной мощностью до 30 кВт
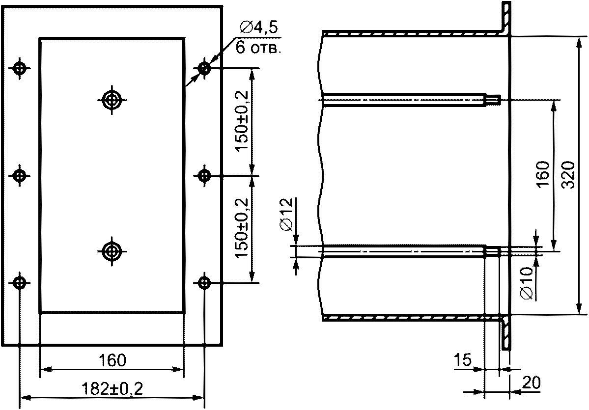
А.4 При входной мощности до 30 кВт включ. рекомендуются присоединительные размеры, соответствующие изображенным на
рисунке А.3 для симметричных входов и выходов с волновым сопротивлением 300 Ом.
Рисунок А.3 - Присоединительные размеры симметричных входов
(выходов) коммутаторов с волновым сопротивлением 300 Ом
и входной мощностью до 30 кВт
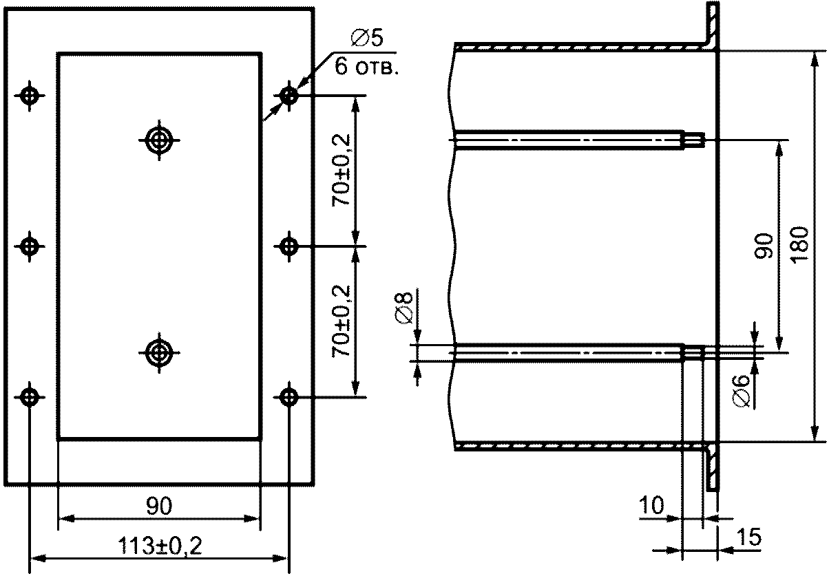
А.5 При входной мощности до 100 кВт включ. рекомендуются присоединительные размеры, соответствующие изображенным на
рисунке А.4 для симметричных входов и выходов с волновым сопротивлением 300 Ом.
Рисунок А.4 - Присоединительные размеры симметричных входов
(выходов) коммутаторов с волновым сопротивлением 300 Ом
и входной мощностью до 100 кВт
А.6 При входной мощности до 250 кВт включ. рекомендуются присоединительные размеры, соответствующие изображенным на
рисунке А.5 для симметричных входов и выходов с волновым сопротивлением 300 Ом. На
рисунке изображен один коаксиал симметричного двухкоаксиального фидера.
Рисунок А.5 - Присоединительные размеры симметричных входов
(выходов) коммутаторов с волновым сопротивлением 300 Ом
и входной мощностью до 250 кВт (изображена половина
симметричного двухкоаксиального фидера)
А.7 При входной мощности до 250 кВт включ. рекомендуются присоединительные размеры, соответствующие изображенным на
рисунке А.6 для симметричных входов и выходов с волновым сопротивлением 120 Ом. На
рисунке изображен один коаксиал симметричного двухкоаксиального фидера.
Рисунок А.6 - Присоединительные размеры симметричных входов
(выходов) коммутаторов с волновым сопротивлением 120 Ом
и входной мощностью до 250 кВт (изображена половина
симметричного двухкоаксиального фидера)
(рекомендуемое)
ОСНОВНЫЕ ТЕХНИЧЕСКИЕ ХАРАКТЕРИСТИКИ СИ ДЛЯ ИЗМЕРЕНИЯ
ПАРАМЕТРОВ КОММУТАТОРОВ
Таблица Б.1
Наименование прибора | Основные параметры прибора | Значение параметра |
Измеритель полных сопротивлений | Диапазон частот, МГц | 0,5 - 110 |
Погрешность измерения, %, не более | +/- 4 |
Пределы измерения, Ом: | |
- по активной составляющей | 1 - 1·104 |
- по реактивной составляющей | 1 - 1·104 |
Генератор сигналов ВЧ | Диапазон частот, МГц | 0,1 - 100 |
Выходное напряжение, В | 0,001 - 2 |
Выходное сопротивление, Ом | 50; 75 |
Погрешность установки частоты, %, не более | +/- 1 |
Уровень побочных излучений, дБ, не более | - 80 |
Селективный микровольтметр | Диапазон частот, МГц | 0,1 - 100 |
Пределы измерения напряжения, В | 2·107 - 1 |
Ширина полосы пропускания на уровне 3 дБ, кГц | 8 |
Входное сопротивление, Ом | 50; 75 |
Погрешность измерения напряжения, дБ, не более | 2,0 |
Миллиомметр | Пределы измерения, Ом | 0,0001 - 100 |
Погрешность, %, не более | +/- 1,5 |
Секундомер | Емкость шкалы, с | 30 |
Цена деления, с | 0,1 |
Измеритель напряженности ЭМП | Диапазон частот, МГц | 0,1 - 100 |
Пределы измерения напряженности: | |
- электрического поля, В/м | 1·10-4 - 0,1 |
- магнитного поля, А/м | 2·10-4 - 0,1 |
Ширина полосы пропускания на уровне 3 дБ, кГц | 8 |
Входное сопротивление, Ом | 50; 75 |
Погрешность измерения, дБ, не более | 2,0 |
Милливольтметр ВЧ | Диапазон частот, МГц | 0,001 - 100 |
Диапазон измерения напряжения, В | 0,0003 - 300 |
Пределы основной погрешности, %, не более | +/- 2,5 |
Входное сопротивление, МОм, не менее | 20 |
(рекомендуемое)
ТРЕБОВАНИЯ К СИММЕТРИРУЮЩИМ ПЕТЛЯМ
Для соединения приборов и устройств, имеющих несимметричные входы (выходы), с симметричными входами или выходами коммутаторов могут быть применены полуволновые кабельные симметрирующие петли.
1 - несимметричный вход; 2 - симметричный выход;
3 - полуволновая петля
Рисунок В.1 - Кабельная петля
Если электрическая длина петли точно равна половине длины волны, то петля сдвигает фазу напряжения на 180° и не трансформирует сопротивление. Таким образом, на несимметричной стороне оказывается параллельное включение обеих половин симметричной нагрузки, вследствие чего общая трансформация сопротивления получается 1:4 (например, 75 Ом - на несимметричной стороне и 300 Ом - на симметричной).
Поскольку коэффициент укорочения волны в паспортных данных кабеля обычно указывается недостаточно точно, электрическую длину петли следует проверить. Для этого отрезок кабеля, из которого изготавливают петлю, закорачивают на конце и измеряют частоту, на которой входное сопротивление отрезка минимально. Электрическая длина отрезка l в метрах будет равна
l = 150/F,
где F - частота, МГц.
Для упрощения процесса подгонки петли рекомендуется несколько изменить частоту измерения, взяв ее равной найденному значению F.
(рекомендуемое)
ТРЕБОВАНИЯ К СИММЕТРИРУЮЩЕМУ ТРАНСФОРМАТОРУ
Измерения параметров коммутаторов с симметричными входами и выходами и с волновыми сопротивлениями 300 Ом могут быть выполнены с помощью вспомогательного широкополосного симметрирующего трансформатора. Основные характеристики его должны быть:
- собственный КБВ - не менее 0,95;
- коэффициент асимметрии - не более 1%;
- КПД - не менее 0,9.
Эти характеристики должны выдерживаться в пределах частотного диапазона использования симметрирующего трансформатора (при необходимости для перекрытия всего частотного диапазона коммутатора может использоваться несколько симметрирующих трансформаторов).
Симметрирующий трансформатор с указанными выше характеристиками на диапазон частот 1,5 - 30 МГц может быть выполнен по патенту Российской Федерации
[5].
(рекомендуемое)
ОЦЕНКА РАЗВЯЗКИ ПРИ РАССОГЛАСОВАНИИ
Развязка при рассогласовании Bрас, дБ, может быть оценена по развязке, определенной в согласованном режиме, по формуле
Bрас >= 20 lg [1/(10-B/20 + p 10-G/20)], (Д.1)
где Bрас - развязка между входами трактов I и K при нагрузке тракта I, имеющей коэффициент бегущей волны, равный k;
p - абсолютная величина коэффициента отражения нагрузки;
p = (1 - k)/(1 + k); (Д.2)
B - развязка между входами трактов I и K, измеренная в согласованном режиме, дБ;
G - развязка между выходом тракта I и входом тракта K, измеренная в согласованном режиме, дБ.
| | Правила по охране труда на радиопредприятиях Минсвязи России, 1995 г. |
| | Санитарные правила и нормы. Электромагнитные излучения радиочастотного диапазона (ЭМИ РЧ) |
| | Строительные нормы и правила. Нагрузки и воздействия |
| ВРО.364.029 ТУ | Соединители радиочастотные коаксиальные |
| Патент Российской Федерации N 687499 Симметрирующее устройство |
УДК 621.3.06:621.396.6:006.354 | |
Ключевые слова: коммутаторы передающих антенн, основные параметры, общие технические требования, методы измерений |