Главная // Актуальные документы // ГОСТ Р (Государственный стандарт)СПРАВКА
Источник публикации
В данном виде документ опубликован не был.
Первоначальный текст документа опубликован в издании
М.: ИПК Издательство стандартов, 1996.
Информацию о публикации документов, создающих данную редакцию, см. в справке к этим документам.
Примечание к документу
С 1 июля 2003 года до вступления в силу технических регламентов акты федеральных органов исполнительной власти в сфере технического регулирования носят рекомендательный характер и подлежат обязательному исполнению только в части, соответствующей целям, указанным в
пункте 1 статьи 46 Федерального закона от 27.12.2002 N 184-ФЗ.
Изменение N 3, утв. Приказом Ростехрегулирования от 02.07.2008 N 133-ст, введено в действие с 1 сентября 2008 года.
Название документа
"ГОСТ Р 50940-96. Государственный стандарт Российской Федерации. Устройства электрошоковые. Общие технические условия"
(принят и введен в действие Постановлением Госстандарта России от 28.08.1996 N 548)
(ред. от 02.07.2008)
"ГОСТ Р 50940-96. Государственный стандарт Российской Федерации. Устройства электрошоковые. Общие технические условия"
(принят и введен в действие Постановлением Госстандарта России от 28.08.1996 N 548)
(ред. от 02.07.2008)
Принят и введен в действие
Постановлением Госстандарта России
от 28 августа 1996 г. N 548
ГОСУДАРСТВЕННЫЙ СТАНДАРТ РОССИЙСКОЙ ФЕДЕРАЦИИ
УСТРОЙСТВА ЭЛЕКТРОШОКОВЫЕ
ОБЩИЕ ТЕХНИЧЕСКИЕ УСЛОВИЯ
Electrochock batons.
General specifications
ГОСТ Р 50940-96
| | Список изменяющих документов Госстандарта РФ от 02.09.1997 N 294, Госстандарта России от 22.12.1999 N 654-ст, Ростехрегулирования от 02.07.2008 N 133-ст) | |
(в ред.
Изменения N 2, принятого Постановлением Госстандарта России от 22.12.1999 N 654-ст)
Дата введения
1 января 1997 года
1. Разработан Акционерным обществом "Научно-исследовательский институт стали".
2. Принят и введен в действие Постановлением Госстандарта России от 28 августа 1996 г. N 548.
3. Введен впервые.
Госстандарта РФ от 02.09.1997 N 294,
Госстандарта России от 22.12.1999 N 654-ст)
Настоящий стандарт распространяется на электрошоковые устройства отечественного производства (далее - ЭШУ) <*>, предназначенные для использования в целях самообороны, и защитные электрошоковые устройства отечественного производства (далее - ЗЭШУ), предназначенные для защиты (охраны) стационарных и подвижных объектов гражданского и ведомственного назначения от несанкционированного проникновения и воздействия.
(в ред.
Изменения N 3, утв. Приказом Ростехрегулирования от 02.07.2008 N 133-ст)
--------------------------------
<*> Согласовано с Министерством здравоохранения и социального развития Российской Федерации в части ЭШУ, относящихся к гражданскому оружию самообороны по Федеральному закону "Об оружии".
(сноска введена
Изменением N 2, принятым Постановлением Госстандарта России от 22.12.1999 N 654-ст, в ред.
Изменения N 3, утв. Приказом Ростехрегулирования от 02.07.2008 N 133-ст)
Термины и определения, применяемые в настоящем стандарте, приведены в
Приложении А.
Ростехрегулирования от 02.07.2008 N 133-ст)
В настоящем стандарте использованы нормативные ссылки на следующие стандарты:
ГОСТ Р 8.568-97. Государственная система обеспечения единства измерений. Аттестация испытательного оборудования. Основные положения
ГОСТ Р 15.201-2000. Система разработки и постановки продукции на производство. Продукция производственно-технического назначения. Порядок разработки и постановки продукции на производство
ГОСТ Р МЭК 335-1-94. Безопасность бытовых и аналогичных электрических приборов. Общие требования и методы испытаний
ГОСТ 15150-69. Машины, приборы и другие технические изделия. Исполнения для различных климатических районов. Категории, условия эксплуатации, хранения и транспортирования в части воздействия климатических факторов внешней среды
ГОСТ 23216-78. Изделия электротехнические. Хранение, транспортирование, временная противокоррозионная защита, упаковка. Общие требования и методы испытаний
ГОСТ 27542-87. Ткани суконные чистошерстяные и полушерстяные ведомственного назначения. Технические условия
ГОСТ 28215-89 (МЭК 68-2-29-87). Основные методы испытаний на воздействие внешних факторов. Часть 2. Испытания. Испытание Eb и руководство: Многократные удары
ГОСТ 30630.0.0-99. Методы испытаний на стойкость к внешним воздействующим факторам машин, приборов и других технических изделий. Общие требования.
3. ТЕХНИЧЕСКИЕ ТРЕБОВАНИЯ
3.1. Общие требования
3.1.1. Электрошоковые устройства должны быть разработаны и изготовлены в соответствии с требованиями настоящего стандарта, технических условий на ЭШУ (ЗЭШУ) конкретного типа,
ГОСТ 15.001, по конструкторской документации, утвержденной в установленном порядке.
(в ред.
Изменения N 3, утв. Приказом Ростехрегулирования от 02.07.2008 N 133-ст)
3.1.2. ЭШУ (ЗЭШУ) должны быть разработаны и изготовлены в климатическом исполнении УХЛ категории размещения 2 - по
ГОСТ 15150.
(в ред.
Изменения N 2, принятого Постановлением Госстандарта России от 22.12.1999 N 654-ст, в ред.
Изменения N 3, утв. Приказом Ростехрегулирования от 02.07.2008 N 133-ст)
При изготовлении ЭШУ (ЗЭШУ) для экспорта, кроме того, должны быть учтены требования заказа-наряда (контракта), а для экспорта в страны с тропическим климатом - требования
ГОСТ 15151. Комплектующие изделия должны быть изготовлены в том же исполнении, что и ЭШУ (ЗЭШУ).
(в ред.
Изменения N 3, утв. Приказом Ростехрегулирования от 02.07.2008 N 133-ст)
3.1.3. ЭШУ должны быть безопасными для жизни и здоровья объекта воздействия.
(п. 3.1.3 в ред.
Изменения N 3, утв. Приказом Ростехрегулирования от 02.07.2008 N 133-ст)
3.2. Типы и основные параметры
3.2.1. ЭШУ подразделяют:
- по электрическим параметрам (параметрам безопасности):
средней мощности воздействия;
напряжению искрового разряда на электродах;
совокупности параметров при эффективности воздействия;
- по функциональному использованию:
контактного воздействия (К);
дистанционно-контактного воздействия (ДК).
Характеристика и нормы основных параметров ЭШУ должны соответствовать таблице 1.
(п. 3.2.1 в ред.
Изменения N 2, принятого Постановлением Госстандарта России от 22.12.1999 N 654-ст)
Ростехрегулирования от 02.07.2008 N 133-ст)
Параметры безопасности | Характеристика, нормы | Тип | Группа | Класс |
Для ЭШУ средняя мощность воздействия при нагрузке 1 кОм, Вт | От 0,3 до 1,0 включ. | 3 | - | - |
Св. 1,0 " 2,0 " | 2 | - | - |
" 2,0 " 3,0 " | 1 | - | - |
Для ЗЭШУ средняя мощность воздействия при нагрузке 1 кОм, Вт | До 1,0 включ. | 3 | - | - |
Св. 1,0 до 2,0 " | 2 | - | - |
" 2,0 " 4,0 " | 1 | - | - |
Напряжение искрового разряда, генерируемое ЗЭШУ, кВ | До 12 включ. | - | 5 | - |
От 12 до 20 включ. | - | 4 | - |
Св. 20 " 45 " | - | 3 | - |
" 45 " 70 " | - | 2 | - |
Напряжение искрового разряда на электродах ЭШУ, кВ | До 12 включ. | - | 5 | - |
От 12 до 20 включ. | - | 4 | - |
Св. 20 " 45 " | - | 3 | - |
" 45 " 70 " | - | 2 | - |
" 70 " 90 " | - | 1 | - |
Совокупность параметров при эффективности воздействия | - | 1 | 1 | 1 |
1 | 2 | 2 |
1 | 3 | 3 |
1 | 4 | 4 |
1 | 5 | 5 |
2 | 1 | 2 |
2 | 2 | 2 |
2 | 3 | 3 |
2 | 4 | 4 |
2 | 5 | 5 |
3 | 1 | 3 |
3 | 2 | 3 |
3 | 3 | 3 |
3 | 4 | 4 |
3 | 5 | 5 |
3.2.2. Условное обозначение ЭШУ должно содержать наименование изделия, функциональное использование, класс, тип и группу, обозначение настоящего стандарта.
Пример условного обозначения электрошокового устройства "Шмель", контактного использования (К), 2-го класса, 2-го типа, 1-й группы:
ЭШУ Шмель К.221 ГОСТ Р 50940-96
(п. 3.2.2 в ред.
Изменения N 2, принятого Постановлением Госстандарта России от 22.12.1999 N 654-ст)
3.3. Конструктивные требования
3.3.1. Конструктивное исполнение ЭШУ (ЗЭШУ) в зависимости от их назначения и области применения определяет заказчик совместно с разработчиком.
(в ред.
Изменения N 3, утв. Приказом Ростехрегулирования от 02.07.2008 N 133-ст)
3.3.2. Габаритные размеры должны быть установлены в стандартах и (или) технических условиях на ЭШУ (ЗЭШУ) конкретного типа.
(в ред.
Изменения N 3, утв. Приказом Ростехрегулирования от 02.07.2008 N 133-ст)
3.3.3. Для приведения в действие ЭШУ должно быть снабжено устройством включения.
Воздействие ЭШУ на объект осуществляется через рабочие электроды, вмонтированные на (в) корпусе или через выбрасываемые контактные электроды, а также при непосредственном контакте с объектом.
(п. 3.3.3 в ред.
Изменения N 2, принятого Постановлением Госстандарта России от 22.12.1999 N 654-ст)
3.3.4. Расстояние между рабочими электродами не должно превышать 40 мм.
Расстояние между контактами дистанционно-контактных ЭШУ не должно превышать 300 мм.
При использовании ЗЭШУ контакт осуществляется по схеме "высоковольтный участок-нога-рука" или "высоковольтный участок-нога-нога", или "высоковольтный участок-рука-рука".
(п. 3.3.4 в ред.
Изменения N 2, принятого Постановлением Госстандарта России от 22.12.1999 N 654-ст, в ред.
Изменения N 3, утв. Приказом Ростехрегулирования от 02.07.2008 N 133-ст)
3.3.5. ЭШУ должно быть удобным для ношения и использования, а также должны быть предусмотрены меры, предотвращающие его случайное включение.
3.3.6. Для исключения несанкционированного применения (при попадании в чужие руки) ЭШУ 1-го и 2-го классов по требованию заказчика изготовляют с блокирующим устройством.
3.3.7. Время однократного воздействия не должно превышать 3 с.
Для ЗЭШУ время однократного воздействия (наличия напряжения на электризуемых элементах) не должно превышать 3 с. Время паузы между воздействиями должно быть не менее 1 с.
(абзац введен
Изменением N 3, утв. Приказом Ростехрегулирования от 02.07.2008 N 133-ст)
(п. 3.3.7 введен
Изменением N 2, принятым Постановлением Госстандарта России от 22.12.1999 N 654-ст)
3.4. Требования назначения
3.4.1. ЭШУ 1-го и 2-го классов должны обеспечивать воздействие на объект через одежду в период теплого и холодного времени года, 3-го класса - в период теплого времени года. При этом максимально допустимое снижение мощности воздействия на объект не должно быть более 25%.
3.5. Требования надежности
3.5.1. Надежность ЭШУ должна характеризоваться безотказностью, долговечностью и сохраняемостью.
3.5.2. Выбор норм показателей надежности должен соответствовать требованиям нормативных документов на ЭШУ конкретного типа.
3.5.3. Средняя наработка до отказа - не менее 3000 включений с вероятностью 0,98 без учета наработки до отказа элемента питания.
(в ред.
Изменения N 1, принятого Постановлением Госстандарта РФ от 02.09.1997 N 294)
3.6. Требования стойкости к внешним воздействиям
3.6.1. ЭШУ должны быть устойчивыми к воздействию механических ударов. Степень стойкости ЭШУ к воздействию механических ударов в зависимости от предполагаемых условий эксплуатации указывают в технических условиях на ЭШУ конкретного типа.
3.6.2. ЭШУ должны быть устойчивыми к вибрации при транспортировании.
3.6.3. ЭШУ должны сохранять работоспособность при температуре окружающего воздуха от минус 15 до плюс 50 °C.
3.6.4. ЭШУ должны сохранять работоспособность в воздушной атмосфере с относительной влажностью 98% при температуре плюс 25 °C.
3.6.5. ЭШУ должны сохранять работоспособность после воздействия дождя, верхнее значение интенсивности которого 3 мм/мин.
3.7. Требования к материалам
3.7.1. Марки материалов для изготовления электрошоковых устройств должны быть указаны в стандартах или технических условиях на ЭШУ конкретного типа.
3.7.2. Корпус ЭШУ должен быть изготовлен из материалов с высокими диэлектрическими и механическими свойствами.
3.8. Комплектность
3.8.1. В комплект поставки, исключая ЗЭШУ, должны входить: ЭШУ, перезаряжаемый или неперезаряжаемый источник питания, внешнее зарядное устройство, если оно предусмотрено конструкцией, чехол, паспорт и, при необходимости, руководство по эксплуатации.
(в ред.
Изменения N 3, утв. Приказом Ростехрегулирования от 02.07.2008 N 133-ст)
Комплект поставки ЗЭШУ регламентируется НД на него.
(в ред.
Изменения N 3, утв. Приказом Ростехрегулирования от 02.07.2008 N 133-ст)
3.8.2. Сопроводительная документация ЭШУ, предназначенных для экспорта, - по заказу-наряду (контракту).
(в ред.
Изменения N 3, утв. Приказом Ростехрегулирования от 02.07.2008 N 133-ст)
3.9. Маркировка
3.9.1. Каждое ЭШУ (ЗЭШУ) должно иметь маркировку, содержащую наименование страны - изготовителя ЭШУ (ЗЭШУ) (Россия), наименование предприятия-изготовителя (товарный знак), обозначение изделия, номера изделия и Знак соответствия системы сертификации.
(п. 3.9.1 в ред.
Изменения N 2, принятого Постановлением Госстандарта России от 22.12.1999 N 654-ст, в ред.
Изменения N 3, утв. Приказом Ростехрегулирования от 02.07.2008 N 133-ст)
3.9.2. Способ, место нанесения маркировки указывают в стандартах или технических условиях на ЭШУ (ЗЭШУ) конкретного типа.
(в ред.
Изменения N 3, утв. Приказом Ростехрегулирования от 02.07.2008 N 133-ст)
3.10. Упаковка
3.10.1. Способ упаковывания, транспортную маркировку упаковывания указывают в стандартах или технических условиях на ЭШУ (ЗЭШУ) конкретного типа.
(в ред.
Изменения N 2, принятого Постановлением Госстандарта России от 22.12.1999 N 654-ст, в ред.
Изменения N 3, утв. Приказом Ростехрегулирования от 02.07.2008 N 133-ст)
4.1. Для проверки соответствия ЭШУ требованиям настоящего стандарта предприятие-изготовитель должно проводить приемо-сдаточные, периодические сертификационные и типовые испытания.
(в ред.
Изменения N 2, принятого Постановлением Госстандарта России от 22.12.1999 N 654-ст)
4.2. Порядок предъявления к испытаниям, объем предъявляемых партий, состав испытаний, проверяемые параметры и технические свойства, а также последовательность их проверки должны быть указаны в стандартах или технических условиях на ЭШУ конкретного типа.
4.3. Исключен с 1 июля 2000 года. -
Изменение N 2, принятое Постановлением Госстандарта России от 22.12.1999 N 654-ст.
5.1. Испытания ЭШУ (ЗЭШУ) на соответствие требованиям настоящего стандарта проводят в нормальных климатических условиях по
ГОСТ 15150.
Испытание ЭШУ (ЗЭШУ) для определения электрических параметров, надежности и электробезопасности проводят в соответствии с
Приложением Б.
(п. 5.1 в ред.
Изменения N 2, принятого Постановлением Госстандарта России от 22.12.1999 N 654-ст, в ред.
Изменения N 3, утв. Приказом Ростехрегулирования от 02.07.2008 N 133-ст)
5.2. Проверку внешнего вида ЭШУ (ЗЭШУ) на соответствие требованиям настоящего стандарта проводят визуально сравнением с образцом-эталоном.
(в ред.
Изменения N 3, утв. Приказом Ростехрегулирования от 02.07.2008 N 133-ст)
5.3. Габаритные и установочные размеры ЭШУ (ЗЭШУ) проверяют сличением с чертежами и измерением мерительным инструментом, обеспечивающим требуемую чертежами точность.
(в ред.
Изменения N 3, утв. Приказом Ростехрегулирования от 02.07.2008 N 133-ст)
5.4. Качество материалов и изделий должно быть удостоверено сертификатами или другими документами предприятий-изготовителей.
5.5. Контроль маркировки проводят осмотром.
5.6. Общие требования к испытаниям на воздействие климатических факторов - по
ГОСТ 30630.0.0.
(п. 5.6 в ред.
Изменения N 3, утв. Приказом Ростехрегулирования от 02.07.2008 N 133-ст)
| | Изменением N 2, принятым Постановлением Госстандарта России от 22.12.1999 N 654-ст, в пункт 5.7 были внесены изменения. | |
5.7. Медико-биологические испытания эффективности и безопасности ЭШУ проводят в аккредитованных Ростехрегулированием России центрах испытаний по стандартным методикам, утвержденным Министерством здравоохранения и социального развития Российской Федерации с Ростехрегулированием России.
(п. 5.7 в ред.
Изменения N 1, принятого Постановлением Госстандарта РФ от 02.09.1997 N 294, в ред.
Изменения N 3, утв. Приказом Ростехрегулирования от 02.07.2008 N 133-ст)
6. ТРАНСПОРТИРОВАНИЕ И ХРАНЕНИЕ
Госстандарта России от 22.12.1999 N 654-ст)
6.1. Транспортирование и хранение ЭШУ (ЗЭШУ) должно производиться в транспортной таре.
(в ред.
Изменения N 3, утв. Приказом Ростехрегулирования от 02.07.2008 N 133-ст)
6.2. Допускается транспортирование ЭШУ (ЗЭШУ) транспортом любого вида в условиях, соответствующих группе С
ГОСТ 23216 в части воздействия механических факторов, группе 2
ГОСТ 15150 - в части климатических воздействий.
(в ред.
Изменения N 3, утв. Приказом Ростехрегулирования от 02.07.2008 N 133-ст)
6.3. Изделие следует хранить в соответствии с условиями хранения 2 по
ГОСТ 15150.
6.4. При длительном хранении (св. 6 мес) источники питания должны быть извлечены.
6.5. При хранении ЭШУ св. 6 мес должна быть проведена предпродажная проверка.
7. УКАЗАНИЯ ПО ЭКСПЛУАТАЦИИ
7.1. Сведения, необходимые для правильной эксплуатации, применения, хранения и технического обслуживания ЭШУ и ЗЭШУ и поддержания их в постоянной готовности к действию, должны быть указаны в паспорте или руководстве по эксплуатации.
(в ред.
Изменения N 2, принятого Постановлением Госстандарта России от 22.12.1999 N 654-ст, в ред.
Изменения N 3, утв. Приказом Ростехрегулирования от 02.07.2008 N 133-ст)
7.2. Исключен с 1 июля 2000 года. -
Изменение N 2, принятое Постановлением Госстандарта России от 22.12.1999 N 654-ст.
7.3. Следует избегать контакта рабочих электродов ЭШУ (ЗЭШУ) в области сердца, головы, шеи и солнечного сплетения объекта воздействия.
(в ред.
Изменения N 3, утв. Приказом Ростехрегулирования от 02.07.2008 N 133-ст)
7.4. Запрещается применение ЭШУ (ЗЭШУ) против лиц с явными признаками инвалидности, детей, пожилых людей и беременных женщин.
(в ред.
Изменения N 3, утв. Приказом Ростехрегулирования от 02.07.2008 N 133-ст)
7.5. При использовании ЗЭШУ на стационарных (подвижных) объектах наличие электризуемых элементов следует обозначать предупредительными табличками (надписями) установленного образца.
(п. 7.5 введен
Изменением N 3, утв. Приказом Ростехрегулирования от 02.07.2008 N 133-ст)
8.1. Изготовитель должен гарантировать соответствие ЭШУ (ЗЭШУ) требованиям настоящего стандарта, стандартам или техническим условиям на ЭШУ (ЗЭШУ) конкретного типа.
(в ред.
Изменения N 3, утв. Приказом Ростехрегулирования от 02.07.2008 N 133-ст)
8.2. Гарантийный срок эксплуатации - не менее 12 мес.
(справочное)
ТЕРМИНЫ И ОПРЕДЕЛЕНИЯ, ПРИМЕНЯЕМЫЕ В НАСТОЯЩЕМ СТАНДАРТЕ
Госстандарта России от 22.12.1999 N 654-ст)
А.1. Электрошоковое устройство: устройство контактного и дистанционно-контактного электрического воздействия, действие которого основано на генерировании электрических импульсов, выходные параметры которого соответствуют требованиям национальных стандартов Российской Федерации.
Виды электрошоковых устройств:
А.1.1. Гражданское оружие, ЭШУ: оружие, используемое в целях самообороны и защиты от несанкционированного воздействия.
Примечание. В качестве ЭШУ могут применяться искровые разрядники с аналогичными функциями.
А.1.2. Защитное электрошоковое устройство, ЗЭШУ: устройство, применяемое для защиты (охраны) стационарных и подвижных объектов гражданского и ведомственного назначения от несанкционированного проникновения и воздействия.
(п. А.1 в ред.
Изменения N 3, утв. Приказом Ростехрегулирования от 02.07.2008 N 133-ст)
А.2. Встроенное зарядное устройство ЭШУ (ЗЭШУ): зарядное устройство, установленное в ЭШУ (ЗЭШУ) и подключаемое к внешнему источнику тока.
(в ред.
Изменения N 3, утв. Приказом Ростехрегулирования от 02.07.2008 N 133-ст)
А.3. Внешнее зарядное устройство: зарядное устройство, подключаемое к внешнему источнику тока, в которое устанавливается (подключается) аккумулятор ЭШУ (ЗЭШУ).
(в ред.
Изменения N 3, утв. Приказом Ростехрегулирования от 02.07.2008 N 133-ст)
А.4. Неперезаряжаемый источник питания: источник питания одноразового использования или батарея.
А.5. Перезаряжаемый источник питания: источник питания многократного использования или аккумулятор.
А.6. Параметры безопасности ЭШУ (ЗЭШУ): основные технические характеристики ЭШУ (ЗЭШУ), установленные требованиями государственных стандартов Российской Федерации и нормами Министерства здравоохранения Российской Федерации.
(в ред.
Изменения N 3, утв. Приказом Ростехрегулирования от 02.07.2008 N 133-ст)
А.7. Напряжение искрового или дугового разряда на электродах ЭШУ (ЗЭШУ): напряжение, кВ, возникающее между электродами и приводящее к видимой дуге или разряду.
(в ред.
Изменения N 3, утв. Приказом Ростехрегулирования от 02.07.2008 N 133-ст)
А.8. Средняя мощность воздействия ЭШУ (ЗЭШУ): средняя мощность, Вт, развиваемая ЭШУ (ЗЭШУ) на эквиваленте нагрузки сопротивлением

.
(в ред.
Изменения N 3, утв. Приказом Ростехрегулирования от 02.07.2008 N 133-ст)
А.9. Время однократного воздействия ЭШУ: время воздействия ЭШУ, регламентируемое нормами Министерства здравоохранения Российской Федерации.
А.10. Скважность ЭШУ

: отношение периода следования импульсов

к длительности импульса

или отношение периода следования импульсов

к длительности импульса напряжения с наибольшей амплитудой.
(обязательное)
Госстандарта России от 22.12.1999 N 654-ст)
Настоящая методика применяется при испытаниях ЭШУ для определения электрических параметров. Методика устанавливает порядок и условия проведения испытаний ЭШУ по электрическим параметрам (параметрам безопасности), надежности и электробезопасности.
Испытания ЭШУ включают:
- определение средней мощности воздействия на эквивалент нагрузки;
- определение мощности воздействия на объект через одежду;
- определение напряжения возникновения искрового разряда;
- испытания на электробезопасность, в том числе определение электрической прочности изоляции ЭШУ, определение сопротивления изоляции встроенного зарядного устройства;
- испытания на надежность.
Испытания ЗЭШУ проводятся по настоящему стандарту и НД изготовителя.
(в ред.
Изменения N 3, утв. Приказом Ростехрегулирования от 02.07.2008 N 133-ст)
Б.1. Общие положения
Б.1.1. ЭШУ следует испытывать при нормальных климатических условиях по
ГОСТ 15150: температура окружающей среды должна быть (25 +/- 10) °C, относительная влажность воздуха - от 45 до 80%, атмосферное давление - от 84,0 до 106,7 кПа (от 630 до 800 мм рт. ст.).
Б.1.2. Испытательное оборудование, необходимое для проведения испытаний, должно быть аттестовано по
ГОСТ Р 8.568.
Б.1.3. Испытания проводятся аттестованными специалистами.
Б.1.4. На испытания предъявляют три образца ЭШУ, технические условия, паспорт или руководство по эксплуатации и, при необходимости, комплект конструкторской и технической документации.
Б.2. Испытательное оборудование
Б.2.1. Для испытаний ЭШУ применяют:
средства измерений:
- осциллограф двухлучевой запоминающий (типа С8-17 или аналогичного типа),
- вольтметр (типов С502 - С511 с пределами измерений 0 - 3,0 кВ или 0 - 1,5 кВ, С196 с пределами измерений 0 - 30 кВ или аналогичного типа с входным сопротивлением

и входной емкостью C <= 25 пФ);
испытательное оборудование:
- делитель высоковольтный импульсный (ДВИ),
- измерительная приставка к вольтметру (ИП),
- делитель (эквивалент нагрузки), собранный из безындукционных сопротивлений типа МЛТ или ТВО с сопротивлением

,
- стенд для испытания ЭШУ при определении мощности воздействия на объект через одежду,
источники питания:
- источник стабилизированного напряжения (U = 0 - 30 В,

- не менее 3 А).
Б.2.2. Требования к делителю ДВИ
Б.2.2.1. ДВИ выполняется из конденсаторов типа КВИ-3,

; сопротивлений типа КЭВ-1,
(см. рисунок Б.2).
Б.2.2.2. Суммарная емкость высоковольтного плеча не должна превышать 25 - 45 пФ (измеренная) на разных ступенях деления.
Б.2.2.3. Постоянные времени высоковольтного и низковольтного плечей ДВИ должны быть равны:
где

- суммарная емкость низковольтного плеча при открытом

диоде
где

- накопительная емкость.
Б.2.2.4. Суммарное сопротивление высоковольтного плеча - не менее 100 МОм.
Б.2.2.5. Делитель имеет два входа: т. 1 и т. 2 с разным коэффициентом деления

. Погрешность определения

- не более 1,5%.
Б.2.2.6. Измерительную приставку (ИП) к вольтметру выполняют из конденсатора типа КВИ-3 или К-5-15 с накопительной емкостью

,

; сопротивлений типа КЭВ-1,

и диодов типов КЦ105, КЦ106 (2Ц106) с

.
Б.3. Определение средней мощности воздействия ЭШУ на эквивалент нагрузки

.
Б.3.1. Средняя мощность, выделяемая на эквиваленте нагрузки

, не должна превышать значений, указанных в
таблице 1 настоящего стандарта в соответствии с заявленным классом. Среднюю мощность определяют расчетным путем по осциллограмме напряжения на

.
Б.3.2. Схема получения осциллограммы напряжения

приведена на рисунке Б.1.

- источник стабилизированного напряжения;

- делитель
Рисунок Б.1. Схема цепи для измерения средней мощности
воздействия ЭШУ на эквивалент нагрузки
сопротивлением

Б.3.3. Проведение испытаний
Снятие осциллограммы напряжения

проводят в два этапа.
На первом этапе определяют частоту повторения импульсов f (Гц) и период T (с).
На втором этапе снимают осциллограмму импульса напряжения

при двух подключениях контактов ЭШУ к

и

.
Б.3.4. Обработка результатов
Для обработки используют осциллограмму с большим значением амплитуды напряжения.
Расчет мощности по осциллограмме напряжения

для характерных кривых приведен в таблице Б.1.
Таблица Б.1
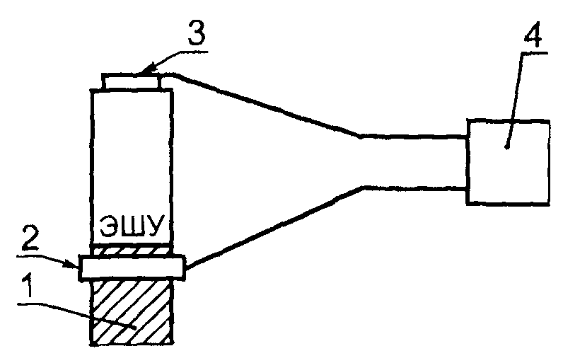
Вид осциллограммы | Измеряемые по осциллограмме параметры и форма аппроксимации | Формулы для расчета мощности |
|  - амплитуды полуволн, В;  - длительность полуволны в импульсе, с; T - период повторения импульсов, с. Затухающая синусоида  , где  - частота колебаний в импульсе |  , где n - количество полуволн, учитываемое в расчете с амплитудой не менее  |
|  и  - максимальные значения напряжения при аппроксимации положительной и отрицательной полуволн импульса, В; T - период повторения импульсов, с;  - частота, Гц;  - отношение максимального значения напряжения к минимальному;  - скважность;  - длительность импульса с большей амплитудой, с. Прямоугольная: | где  или |
| | ИС МЕГАНОРМ: примечание. Текст графы "Измеряемые по осциллограмме параметры и форма аппроксимации" дан в соответствии с официальным текстом документа. | |
|
| Максимальное значение напряжения, В; T - период повторения импульсов, с;  - частота, Гц;  - длительность импульса, с. Треугольник с основанием  | |
- | Для ЗЭШУ Импульсы произвольной формы: U - действующее значение напряжения за время T, В; T - период повторения импульсов, с; U(t) - мгновенное значение напряжения на  , В | |
(в ред. Изменения N 3, утв. Приказом Ростехрегулирования от 02.07.2008 N 133-ст) |
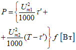
Б.3.5. Энергию за время воздействия t, с, определяют по формуле
Б.3.6. В случае невозможности подключения ЭШУ к внешнему источнику питания допускается использование штатного источника питания полностью заряженного (аккумулятор) или новой батареи питания.
Б.4. Определение мощности воздействия ЭШУ на объект через одежду
Б.4.1. Мощность воздействия определяют расчетным путем согласно
разделу 3 по мощности, выделяемой на эквиваленте нагрузки

.
Б.4.2. Для получения соответствующих осциллограмм напряжения необходимо обеспечить контакт рабочих электродов ЭШУ к измерительным электродам нагрузки через пакет, состоящий из двух слоев шинельной ткани по
ГОСТ 27542.
Б.4.3. Проведение испытаний
Снятие осциллограммы напряжения

на

проводят при подключении контактов ЭШУ к

через пакет ткани. Положение контактов ЭШУ соответствует принятому в
Б.3.4.
Б.4.4. Обработку результатов проводят по методике, изложенной в
Б.3.4.
Б.5. Определение напряжения искрового (дугового) разряда на электродах ЭШУ
Б.5.1. Напряжение искрового разряда не должно превышать значений, указанных в
таблице 1 настоящего стандарта в соответствии с заявленным классом.
Б.5.2. Напряжение искрового разряда на контактах ЭШУ определяют по показанию вольтметра

расчетным путем или по осциллограмме напряжения, полученной с помощью ДВИ.
Б.5.3. Схема подключения ЭШУ к испытательному оборудованию и измерительному вольтметру приведена на рисунке Б.2.
1 - ЭШУ; 2 - ДВИ - делитель высоковольтный
импульсный; 3 - защитный кожух делителя - диэлектрический;
4 - измерительная приставка (ИП) к вольтметру;
5 - вольтметр; C - емкость; R - сопротивление
Рисунок Б.2. Схема определения напряжения
искрового разряда на контактах ЭШУ
Б.5.4. Проведение испытания
Снятие осциллограммы напряжения искрового разряда проводят от штатного (полностью заряженного) источника питания.
Б.5.4.1. Для определения напряжения искрового разряда собирают схему
(рисунок Б.2). Провода, соединяющие ЭШУ с делителем, должны иметь минимальную длину. Делитель располагают непосредственно у вольтметра, измерительную приставку устанавливают на выводы вольтметра в соответствии с маркировкой ИП.
Б.5.4.2. Отсчет напряжения, возникающего на низковольтном плече ДВИ, производят по вольтметру. Длительность непрерывной работы ЭШУ - не более 3 с. Отсчет производят при успокоении светового "зайчика" на шкале вольтметра. Проводят два измерения при подключении к т. 1 - т. 4 делителя разных электродов ЭШУ. При получении максимального значения (в одном из положений) проводят не менее трех включений ЭШУ с паузой (5 - 10 мин), необходимой для восстановления штатного источника питания.
Б.5.4.3. При испытаниях ЭШУ должны быть соблюдены требования по электробезопасности в соответствии с
ГОСТ Р МЭК 60065.
(в ред.
Изменения N 3, утв. Приказом Ростехрегулирования от 02.07.2008 N 133-ст)
Примечание. Для исключения воздействия возникающего напряжения работающему с ЭШУ оператору следует надевать резиновую перчатку.
Б.5.5. Обработку полученных результатов проводят следующим образом:
- для ЭШУ с трансформаторным выходом
где

- показание вольтметра;

- коэффициент деления делителя;
- для ЭШУ с емкостным выходом
где

- выходная емкость ЭШУ;

- входная емкость делителя.
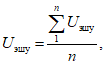
Результаты усредняют
где n - число экспериментов при выбранном положении рабочих электродов.
Если выходная емкость ЭШУ неизвестна, проводят расчет выходной емкости по осциллограмме напряжения

, полученной при определении мощности воздействия на эквивалент нагрузки.
Б.5.6. Определение напряжения генерируемого ЗЭШУ
(п. Б.5.6 в ред.
Изменения N 3, утв. Приказом Ростехрегулирования от 02.07.2008 N 133-ст)
Б.5.6.1. Напряжение искрового разряда на контактах ЗЭШУ не должно превышать значений, приведенных в
таблице 1 настоящего стандарта.
(п. Б.5.6.1 в ред.
Изменения N 3, утв. Приказом Ростехрегулирования от 02.07.2008 N 133-ст)
Б.5.6.2. Напряжение искрового разряда на контактах ЗЭШУ определяется по осциллограмме напряжения, полученной при помощи ДВИ.
(п. Б.5.6.2 в ред.
Изменения N 3, утв. Приказом Ростехрегулирования от 02.07.2008 N 133-ст)
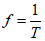
Б.5.6.3. Схема подключения ЗЭШУ к испытательному оборудованию и осциллографу приведена на рисунке Б.3.
(п. Б.5.6.3 введен
Изменением N 3, утв. Приказом Ростехрегулирования от 02.07.2008 N 133-ст)
1 - источник питания; 2 - ЗЭШУ; 3 - ДВИ - делитель
высоковольтный импульсный; 4 - осциллограф;
C1 - конденсатор; R1 - резистор
Рисунок Б.3.
Ростехрегулирования от 02.07.2008 N 133-ст)
Б.6. Электробезопасность
Б.6.1. Испытание электрической прочности изоляции - по ГОСТ Р МЭК 60065,
14.4.1,
14.10,
15.1.3, 9.17,
10.2.
(в ред.
Изменения N 3, утв. Приказом Ростехрегулирования от 02.07.2008 N 133-ст)
Б.6.2. Средства испытаний
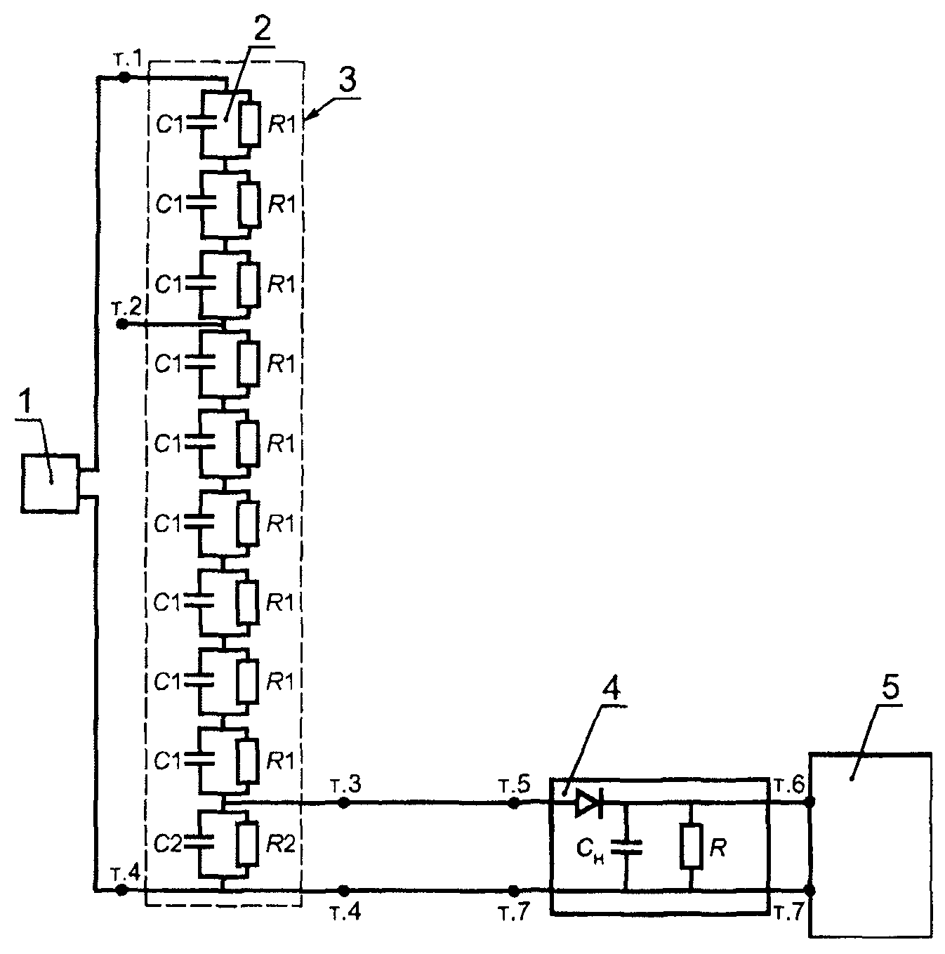
Б.6.2.1. Для всех типов ЭШУ испытание электрической прочности изоляции проводят по схеме рисунка Б.4.
1 - рукоятка; 2 - медная фольга;
3 - электроды; 4 - высоковольтный источник напряжения
Рисунок Б.4. Схема испытания электрической
прочности изоляции
Максимальное напряжение испытания должно превышать на 10% реальное напряжение возникновения искрового разряда испытуемого типа ЭШУ.
Б.6.3. Испытанию подвергают три образца.
Б.6.4. Проведение испытаний
Б.6.4.1. Испытание электрической прочности изоляции встроенного зарядного устройства проводят по ГОСТ Р МЭК 335-1,
13.3.
Б.6.4.2. Испытания сопротивления изоляции и электрической прочности проводят по ГОСТ Р МЭК 335-1,
раздел 16 (кроме
16.2) и ГОСТ 4677,
2.11.
Б.7. Испытание на надежность
Б.7.1. Испытание на надежность работы ЭШУ по требованиям
3.5.3 настоящего стандарта проводят на стенде, обеспечивающем циклическую работу с длительностью цикла, равным 6 с (включено 3 с, отключено 3 с) или 10 циклов в минуту.