Главная // Актуальные документы // ГОСТ Р (Государственный стандарт)
СПРАВКА
Источник публикации
М.: Стандартинформ, 2012
Примечание к документу
Документ введен в действие с 1 января 2013 года.
Название документа
"ГОСТ Р ИСО 22958-2011. Национальный стандарт Российской Федерации. Материалы текстильные. Водостойкость. Испытания на устойчивость к воздействию дождя. Воздействие горизонтальных водяных брызг"
(утв. и введен в действие Приказом Росстандарта от 12.09.2011 N 282-ст)

"ГОСТ Р ИСО 22958-2011. Национальный стандарт Российской Федерации. Материалы текстильные. Водостойкость. Испытания на устойчивость к воздействию дождя. Воздействие горизонтальных водяных брызг"
(утв. и введен в действие Приказом Росстандарта от 12.09.2011 N 282-ст)


Содержание


Утвержден и введен в действие
Приказом Федерального
агентства по техническому
регулированию и метрологии
от 12 сентября 2011 г. N 282-ст
НАЦИОНАЛЬНЫЙ СТАНДАРТ РОССИЙСКОЙ ФЕДЕРАЦИИ
МАТЕРИАЛЫ ТЕКСТИЛЬНЫЕ
ВОДОСТОЙКОСТЬ.
ИСПЫТАНИЯ НА УСТОЙЧИВОСТЬ К ВОЗДЕЙСТВИЮ ДОЖДЯ.
ВОЗДЕЙСТВИЕ ГОРИЗОНТАЛЬНЫХ ВОДЯНЫХ БРЫЗГ
Textiles. Water resistance. Rain tests.
Exposure to a horizontal water spray
ISO 22958:2005
Textiles - Water resistance - Rain tests:
exposure to a horizontal water spray
(IDT)
ГОСТ Р ИСО 22958-2011
Группа М09
ОКС 59.080.01
Дата введения
1 января 2013 года
Предисловие
Цели и принципы стандартизации в Российской Федерации установлены Федеральным законом от 27 декабря 2002 г. N 184-ФЗ "О техническом регулировании", а правила применения национальных стандартов Российской Федерации - ГОСТ Р 1.0-2004 "Стандартизация в Российской Федерации. Основные положения".
Сведения о стандарте
1. Подготовлен Техническим комитетом по стандартизации ТК 412 "Текстиль", Открытым акционерным обществом "Всероссийский научно-исследовательский институт сертификации" (ОАО "ВНИИС") на основе собственного аутентичного перевода на русский язык стандарта, указанного в пункте 4.
2. Внесен Управлением технического регулирования и стандартизации Федерального агентства по техническому регулированию и метрологии.
3. Утвержден и введен в действие Приказом Федерального агентства по техническому регулированию и метрологии от 12 сентября 2011 г. N 282-ст.
4. Настоящий стандарт идентичен международному стандарту ИСО 22958:2005 "Материалы текстильные. Водостойкость. Испытания на устойчивость к воздействию дождя. Воздействие горизонтальных водяных брызг" (ISO 22958:2005 "Textiles - Water resistance - Rain tests: exposure to a horizontal water spray").
При применении настоящего стандарта рекомендуется использовать вместо ссылочных международных стандартов соответствующие им национальные стандарты Российской Федерации, сведения о которых приведены в дополнительном Приложении ДА.
5. Введен впервые.
Информация об изменениях к настоящему стандарту публикуется в ежегодно издаваемом информационном указателе "Национальные стандарты", а текст изменений и поправок - в ежемесячно издаваемых информационных указателях "Национальные стандарты". В случае пересмотра (замены) или отмены настоящего стандарта соответствующее уведомление будет опубликовано в ежемесячно издаваемом информационном указателе "Национальные стандарты". Соответствующая информация, уведомление и тексты размещаются также в информационной системе общего пользования - на официальном сайте Федерального агентства по техническому регулированию и метрологии в сети Интернет.
1. Область применения
Настоящий стандарт распространяется на текстильные материалы, которые прошли или не прошли водостойкую или водоотталкивающую обработку. Настоящий стандарт устанавливает метод определения стойкости тканей к проникновению воды при воздействии водяных брызг. С его помощью можно спрогнозировать вероятное сопротивление текстильных материалов к проникновению дождя. Метод применим, главным образом, к бытовым тканям. Для получения полной картины сопротивления к проникновению воды отдельной ткани или комбинации тканей можно, используя соответствующее оборудование, провести испытания при различных уровнях интенсивности воздействия воды. Данное испытание в большей степени применяется для измерения сравнительно малых объемов воды, просачивающейся через водостойкие ткани.
2. Нормативные ссылки
В настоящем стандарте использована нормативная ссылка на следующий международный стандарт:
ИСО 139:2005. Текстиль. Стандартные атмосферные условия для кондиционирования и испытаний (ISO 139:2005, Textiles - Standard atmospheres for conditioning and testing).
3. Термины и определения
В настоящем стандарте применен следующий термин с соответствующим определением:
3.1. Водостойкость: характеристика, показывающая способность материала к сопротивлению проникновению воды и увлажнению.
4. Принцип проведения испытаний
Образец для испытаний на подкладке из взвешенной промокательной бумаги в течение 5 мин подвергают воздействию водяных брызг в контролируемых условиях. Затем промокательную бумагу повторно взвешивают, чтобы определить количество воды, которая просочилась через образец во время испытания.
5. Меры безопасности
При выполнении испытаний следует придерживаться надлежащей лабораторной практики. Во всех участках лаборатории необходимо носить защитные очки.
Примечание. Данные меры безопасности приведены только с ознакомительной целью как дополнение к методам испытаний и не являются исчерпывающими. Под личную ответственность пользователя остается выполнение безопасных и надлежащих техник при работе с материалами, указанными в настоящем международном стандарте. За дополнительной консультацией по мерам безопасности (например, по вопросам использования пластин для защиты материала) следует обратиться к изготовителям.
6. Аппаратура
6.1. Устройство для испытаний на устойчивость к воздействию дождя (Rain Tester) <1> (см. рисунки 1, 2 и 3). Обычно высоты гидростатического напора варьируются от 610 до 1830 мм.
--------------------------------
<1> Устройство для испытаний на устойчивость к воздействию дождя (Rain Tester) - торговое наименование устройства, которое поставляет AATCC, P.O. Box 12215, Research Triangle Park, NC 27709-2215, USA (Tel: +1-919-549-8141; Fax: +1-919-549-8933; www.aatcc.org). Данная информация предоставлена для удобства пользователей настоящего международного стандарта и не является свидетельством ИСО (рекомендацией) в пользу названного товара. Допустимо применение аналогичных устройств, если они позволяют получить идентичные результаты.
Рисунок 1. Устройство для испытаний
на устойчивость к воздействию дождя
--------------------------------
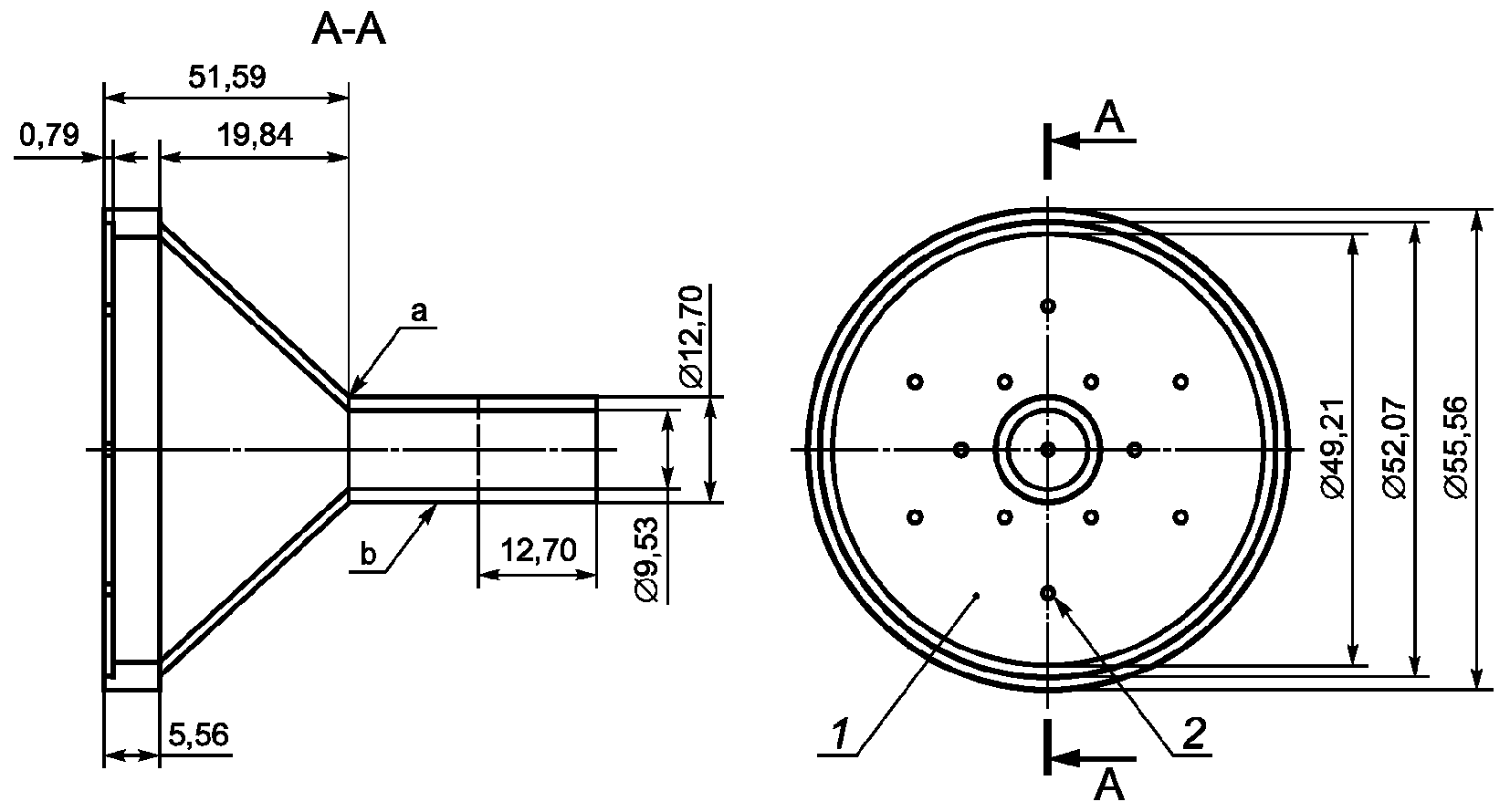
<a> Расстояние от насадки до образца для испытаний.
a) Боковая проекция
b) Схема держателя образцов для испытаний
1 - водослив; 2 - держатель образца для испытаний;
3 - насадка даметром 55,56 мм с 13 выпускными отверстиями
по (0,99 +/- 0,013) мм; 4 - ручка клапана; 5 - медный шток
клапана; 6 - водоприемник; 7 - трубка из пирекса;
8 - клапан на уровне 0,6 м; 9 - образец для испытаний
размерами 200 x 200 мм; 10 - промокательная бумага
размерами 152 x 152 мм; 11 - пружинные клеммы (2)
длиной 152 мм; 12 - планка из прозрачной
пластмассы или мазонита
Рисунок 2. Структурная схема устройства для испытаний
на устойчивость к воздействию дождя (Rain Tester)
--------------------------------
<a> В этой точке диаметр 12,78 мм.
<b> Коническая форма.
1 - диск толщиной 0,79 мм с одним отверстием по центру,
шестью отверстиями по кругу диаметром 18,26 мм и шестью
отверстиями по кругу диаметром 32,54 мм. Диск приклеен
к корпусу; 2 - 13 отверстий диаметром
(0,99 +/- 0,013) мм после покрытия
Отделка: черная, анодированная. Материал: алюминий
Рисунок 3. Схема насадки с отверстиями
6.2. Белая текстильная промокательная бумага толщиной около 0,7 мм, массой около (385 +/- 4,5) г/м2 и абсорбирующей способностью (200 +/- 30)%. <1>
--------------------------------
<1> Белая текстильная промокательная бумага (White Textile Blotting Paper) - торговое наименование товара, который поставляет AATCC, P.O. Box 12215, Research Triangle Park, NC 27709-2215, USA (Tel: +1-919-549-8141; Fax: +1-919-549-8933; www.aatcc.org). Данная информация предоставлена для удобства пользователей настоящего международного стандарта и не является свидетельством ИСО (рекомендацией) в пользу названного товара. Допустимо применение аналогичных изделий, если они позволяют получить идентичные результаты.
6.3. Вода температурой (27 +/- 1) °C или (20 +/- 2) °C. Жесткость воды и значение pH необходимо измерить и внести в протокол испытаний.
6.4. Лабораторные весы, измеряющие с точностью до 0,1 г.
7. Образцы для испытаний
Из испытуемой ткани вырезают не менее трех образцов размерами приблизительно 200 x 200 мм. Образцы для испытаний и промокательную бумагу кондиционируют в течение не менее 4 ч. Кондиционирование и испытания необходимо осуществлять в соответствии с ИСО 139. По соглашению кондиционирование и испытания можно проводить в атмосфере окружающей среды.
8. Метод испытаний
8.1. Образец для испытаний на текстильной промокательной бумаге размерами 150 x 150 мм, масса которой измерена с точностью до 0,1 г, закрепляют в держателе образцов. Данную конструкцию размещают в вертикальной жесткой опорной раме, установленной таким образом, что образец находится по центру разбрызгивателя на расстоянии 305 мм от торца распыляющей насадки.
8.2. Водяные струи направляют горизонтально на образец. Воздействие осуществляют в течение 5 мин при установленном значении высоты гидростатического напора.
Примечание. По большей части при проведении данного испытания используют установленную высоту гидростатического напора. Однако, как отмечено в 9.2, с целью получения полной картины сопротивления ткани прониканию воды могут быть использованы и другие высоты гидростатического напора.
8.3. По окончанию воздействия водой на образец промокательную бумагу аккуратно удаляют и незамедлительно взвешивают с точностью до 0,1 г.
8.4. Требуемое число образцов для испытаний в значительной степени определяется желаемой степенью точности, однако во всех случаях для испытаний необходимо использовать не менее трех образцов каждой ткани или каждого вида обработки.
9. Расчет
9.1. Рассчитывают показатель просачивания воды, определяемый по увеличению массы промокательной бумаги, которое происходит за 5-минутный период испытания. Затем в протоколе отмечают среднее значение показателей не менее чем для трех образцов. Отдельные результаты или средние значения, показывающие увеличение массы более чем на 5,0 г, в протоколе можно отметить как 5+ г или > 5 г.
9.2. Для того чтобы получить полную картину сопротивления ткани или комбинации тканей проникновению воды, необходимо получить средние значения показателей при нескольких насадках, создающих различные значения гидростатического давления. Высоту гидростатического давления изменяют с шагом 305 мм так, чтобы определить:
a) максимальную высоту, при которой не происходит проникновения;
b) изменение степени проникновения при использовании насадки, увеличивающей высоту гидростатического давления, и
c) минимальную высоту, необходимую для вызова "пробоя", то есть просачивания более 5 г воды. На каждой высоте гидростатического давления необходимо использовать не менее трех образцов для испытаний, по которым рассчитывают средний показатель для данной высоты.
10. Протокол испытаний
Протокол испытаний должен включать следующую информацию:
a) ссылку на настоящий стандарт;
b) число испытанных образцов;
c) информацию, необходимую для идентификации испытуемого материала;
d) атмосферные условия, используемые для кондиционирования и испытаний;
e) жесткость и значение pH используемой воды;
f) все отклонения от установленного метода испытаний;
g) результаты испытаний.
Приложение ДА
(справочное)
СВЕДЕНИЯ О СООТВЕТСТВИИ ССЫЛОЧНЫХ МЕЖДУНАРОДНЫХ СТАНДАРТОВ
НАЦИОНАЛЬНЫМ СТАНДАРТАМ РОССИЙСКОЙ ФЕДЕРАЦИИ
Таблица ДА.1
Обозначение ссылочного международного стандарта
Степень соответствия
Обозначение и наименование соответствующего национального стандарта
ИСО 139:2005
IDT
ГОСТ Р ИСО 139-2007 "Изделия текстильные. Стандартные атмосферные условия для кондиционирования и проведения испытаний"
Примечание. В настоящей таблице использовано следующее условное обозначение степени соответствия стандартов:
- IDT - идентичные стандарты.