Главная // Актуальные документы // ГОСТ Р (Государственный стандарт)СПРАВКА
Источник публикации
М.: Стандартинформ, 2014
Примечание к документу
Документ утрачивает силу с 01.01.2025 в связи с изданием
Приказа Росстандарта от 15.05.2024 N 606-ст. Взамен вводится в действие
ГОСТ Р ИСО 29463-3-2024.
Документ
введен в действие с 1 декабря 2013 года.
Название документа
"ГОСТ Р ЕН 1822-3-2012. Национальный стандарт Российской Федерации. Высокоэффективные фильтры очистки воздуха EPA, HEPA и ULPA. Часть 3. Испытания плоского фильтрующего материала"
(утв. и введен в действие Приказом Росстандарта от 08.11.2012 N 698-ст)
"ГОСТ Р ЕН 1822-3-2012. Национальный стандарт Российской Федерации. Высокоэффективные фильтры очистки воздуха EPA, HEPA и ULPA. Часть 3. Испытания плоского фильтрующего материала"
(утв. и введен в действие Приказом Росстандарта от 08.11.2012 N 698-ст)
Утвержден и введен в действие
по техническому регулированию
и метрологии
от 8 ноября 2012 г. N 698-ст
НАЦИОНАЛЬНЫЙ СТАНДАРТ РОССИЙСКОЙ ФЕДЕРАЦИИ
ВЫСОКОЭФФЕКТИВНЫЕ ФИЛЬТРЫ ОЧИСТКИ ВОЗДУХА EPA, HEPA И ULPA
ЧАСТЬ 3
ИСПЫТАНИЯ ПЛОСКОГО ФИЛЬТРУЮЩЕГО МАТЕРИАЛА
High efficiency air filters (EPA, HEPA
and ULPA). Part 3. Testing flat sheet filter media
EN 1822-3:2009
High efficiency air filters (EPA, HEPA and ULPA) - Part 3:
Testing flat sheet filter media
(IDT)
ГОСТ Р ЕН 1822-3-2012
Дата введения
1 декабря 2013 года
1 ПОДГОТОВЛЕН Общероссийской общественной организацией "Ассоциация инженеров по контролю микрозагрязнений" (АСИНКОМ) на основе собственного аутентичного перевода на русский язык стандарта, указанного в
пункте 4
2 ВНЕСЕН Техническим комитетом по стандартизации ТК 184 "Обеспечение промышленной чистоты"
3 УТВЕРЖДЕН И ВВЕДЕН В ДЕЙСТВИЕ
Приказом Федерального агентства по техническому регулированию и метрологии от 08.11.2012 N 698-ст
4 Настоящий стандарт идентичен международному стандарту ЕН 1822-3:2009 "Высокоэффективные фильтры очистки воздуха EPA, HEPA и ULPA. Часть 3. Испытания плоского фильтрующего материала" (EN 1822-3:2009 "High efficiency air filters (EPA, HEPA and ULPA) - Part 3: Testing flat sheet filter media")
При применении настоящего стандарта рекомендуется использовать вместо ссылочных международных стандартов соответствующие им национальные стандарты Российской Федерации, сведения о которых приведены в дополнительном
приложении ДА
5 ВВЕДЕН ВПЕРВЫЕ
Правила применения настоящего стандарта установлены в ГОСТ Р 1.0-2012
(раздел 8). Информация об изменениях к настоящему стандарту публикуется в ежегодном (по состоянию на 1 января текущего года) информационном указателе "Национальные стандарты", а официальный текст изменений и поправок - в ежемесячном информационном указателе "Национальные стандарты". В случае пересмотра (замены) или отмены настоящего стандарта соответствующее уведомление будет опубликовано в ближайшем выпуске информационного указателя "Национальные стандарты". Соответствующая информация, уведомление и тексты размещаются также в информационной системе общего пользования - на официальном сайте Федерального агентства по техническому регулированию и метрологии в сети Интернет (gost.ru)
Настоящий стандарт распространяется на испытания плоского фильтрующего материала. Отличие между настоящим стандартом и предыдущими стандартами состоит в методах определения интегральной эффективности. Вместо оценки массовой концентрации частиц эти методы основаны на счете частиц с наиболее проникающим размером (MPPS), размер которых составляет для микростекловолокнистых фильтров примерно от 0,12 до 0,25 мкм. Этот метод также позволяет испытывать сверхвысокоэффективные фильтры, что не достигалось при использовании прежних методов контроля из-за их недостаточной чувствительности. Методика испытаний мембранных фильтров дана в ЕН 1822-5:2009 (приложение А).
Стандарт предназначен для испытаний эффективных фильтров очистки воздуха (EPA), высокоэффективных фильтров очистки воздуха (HEPA) и сверхвысокоэффективных фильтров очистки воздуха (ULPA).
Комплекс международных стандартов ЕН 1822 "Высокоэффективные фильтры очистки воздуха EPA, HEPA и ULPA" состоит из следующих частей:
- часть 1. Классификация, методы испытаний, маркировка;
- часть 2. Генерирование аэрозолей, измерительные приборы, статистические методы обработки;
- часть 3. Испытания плоских фильтрующих материалов;
- часть 4. Обнаружение утечек в фильтрующих элементах (метод сканирования);
- часть 5. Определение эффективности фильтрующих элементов.
Настоящий стандарт относится к высокоэффективным фильтрам очистки воздуха по частицам HEPA и к сверхвысокоэффективным фильтрам очистки воздуха ULPA, используемым в вентиляции и кондиционировании воздуха и в технологических процессах, например, в чистых помещениях или фармацевтической промышленности.
Настоящий стандарт содержит методику определения эффективности на основе метода счета частиц с использованием контрольного аэрозоля с жидкими частицами и позволяет классифицировать фильтры в зависимости от их эффективности.
Настоящий стандарт устанавливает требования к плоским фильтрующим материалам, применяемым при изготовлении высокоэффективных фильтров. Он содержит методики испытания, требования к стендам и условиям проведения испытаний, порядок вычисления результатов.
В настоящем стандарте использованы нормативные ссылки на следующие стандарты:
ЕН 1822-1:2009 Высокоэффективные фильтры очистки воздуха EPA, HEPA и ULPA. Часть 1. Классификация, методы испытаний, маркировка (EN 1822-1:2009, High efficiency air filters (EPA, HEPA and ULPA) - Part 1: Classification, performance testing, marking)
| | ИС МЕГАНОРМ: примечание. В официальном тексте документа, видимо, допущена опечатка: имеется в виду EN 1822-2:2009, а не EN 1822-3:2009. | |
ЕН 1822-2:2009 Высокоэффективные фильтры очистки воздуха EPA, HEPA и ULPA. Часть 2. Генерирование аэрозолей, измерительные приборы, статистические методы обработки (EN 1822-3:2009, High efficiency air filters (EPA, HEPA and ULPA) - Part 2: Aerosol production, measuring equipment, particle counting statistics)
ЕН 14799:2007 Фильтры для общей очистки воздуха. Терминология (EN 14799:2007, Air filters for general air cleaning - Terminology)
В настоящем стандарте применены термины и определения, приведенные в ЕН 14799:2007.
4. Условные обозначения и сокращения
В таблице 1 приведены условные обозначения количественных показателей, получаемых в результате испытаний и расчетным путем. Величины, входящие в уравнения, используемые для этих вычислений, должны иметь заданную размерность (единицы измерения).
Таблица 1
Количественные показатели
Наименование | Обозначение | Единица измерения | Уравнение для вычисления параметра |
Измеряемые величины |
Площадь лицевой поверхности фильтрующего материала | A | см2 | |
Контролируемый расход воздуха (объемный расход) | | см3/с | |
Перепад давления | | Па | |
Средний диаметр частиц | | мкм | |
Число частиц | N | | |
Скорость отбора проб | Vs | см3/с | |
Время отбора проб | t | с | |
Расчетные показатели |
Номинальная скорость воздуха на лицевой поверхности фильтра | u | см/с | |
Средний перепад давления | | Па | |
Концентрация частиц | cN | см-3 | |
Проскок частиц в диапазоне размеров i | Pi | | |
Средний проскок | | | |
Средняя эффективность | | | |
Верхний или верхний 95%-й доверительные пределы числа частиц | N95% | - | См. раздел 7 ЕН 1822-2:2009 |
Проскок как верхний 95%-й доверительный предел | P95% | | |
Средний проскок как средний 95%-й доверительный предел | | | |
Средняя эффективность как нижний 95%-й доверительный предел | | | |
<a> Обычно выражается в процентах. <b> Индекс u относится к числу частиц на входе фильтра, а индекс d - на выходе. |
При испытаниях плоского фильтровального материала фракциональную эффективность определяют с помощью счета частиц. При испытаниях может быть использован монодисперсный или полидисперсный аэрозоль. Требования методики различаются в зависимости от способа получения аэрозоля и используемого счетчика частиц. При испытаниях следует измерять перепад давления при заданной скорости потока воздуха через фильтровальный материал.
Образцы плотного фильтровального материала устанавливают в стенд для контроля фильтров и на них подают контрольный поток воздуха с соответствующей скоростью. Контрольный аэрозоль от генератора аэрозолей должен быть подготовлен (например, растворитель переведен в парообразное состояние), нейтрализован статический заряд, аэрозоль перемешан до гомогенного состояния с фильтруемым контрольным воздухом и направлен на фильтр.
Для определения эффективности выполняют отбор проб из воздуха с заданным расходом до и после фильтрующего материала. При использовании счетчика частиц определяется счетная концентрация частиц для различных размеров частиц. Полученные результаты используют для построения графика эффективности по размерам частиц для данного фильтрующего материала и для определения размера частиц, при котором эффективность достигает минимального значения. Этот размер частиц называется размером наиболее проникающих частиц (MPPS).
При определении концентрации частиц до фильтрующего материала может потребоваться применение системы разбавления в целях снижения концентрации частиц до значений, совместимых со счетчиком частиц.
Для измерения абсолютного давления, температуры и относительной влажности контрольного аэрозоля и для измерения и контроля расхода воздуха может потребоваться дополнительное оборудование.
6. Образцы плоского фильтрующего материала
Испытания плоского фильтрующего материала следует выполнять не менее чем на пяти образцах.
При работе с образцами следует предусматривать меры предосторожности. Испытуемый участок материала не должен иметь складок, загибов, дыр или других повреждений.
Все образцы должны быть ясно и надежно маркированы с указанием:
a) наименования фильтрующего материала;
b) стороны фильтрующего материала, на которую должен подаваться фильтруемый воздух.
Испытательный стенд и схема соединений элементов контрольно-измерительных приборов показаны на рисунке 1 ЕН 1822-1:2009.
Основные требования к генерированию аэрозолей, их нейтрализации и требования к оборудованию установлены ЕН 1822-2.
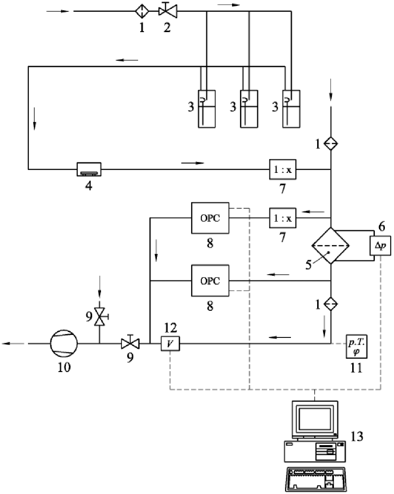
7.2. Порядок испытаний с помощью монодисперсного аэрозоля
Определение счетной концентрации частиц при испытаниях плоского фильтрующего материала с помощью монодисперсного аэрозоля выполняют методом общего счета с использованием счетчика ядер конденсации. Схема стенда показана на рисунке 1.
1 - фильтр; 2 - клапан давления; 3 - соленоидный клапан;
4 - струйный распылитель; 5 - нейтрализатор;
6 - дифференциальный анализатор подвижности; 7 - игольчатый
клапан; 8 - камера с контролируемым фильтром;
9 - дифференциальный манометр; 10 - система разбавления;
11 - счетчик ядер конденсации; 12 - датчики абсолютного
давления, температуры и относительной влажности;
13 - расходомер; 14 - вакуумный насос; 15 - компьютер
для контроля и хранения данных
Рисунок 1 - Схема стенда для контроля фильтра с помощью
монодисперсного аэрозоля
Генерирование контрольного аэрозоля выполняют в несколько этапов. На первом этапе генерируется первичный полидисперсный аэрозоль с помощью струйного распылителя и, например, раствора DEHS/изопропанола. Затем происходит уменьшение размеров частиц за счет испарения растворителя. Аэрозоль нейтрализуется и подается на дифференциальный анализатор подвижности. Квазимонодисперсный аэрозоль, получаемый на выходе дифференциального анализатора подвижности, снова нейтрализуется. Затем происходит гомогенное смешивание с контрольным воздухом для достижения однородности и объемного расхода, соответствующего скорости для фильтрующего материала.
Средний диаметр частицы в численном распределении может быть изменен регулированием напряжения между электродами дифференциального анализатора подвижности <*>.
--------------------------------
<*> Фактически регулирование напряжения дает режим численного распределения. Он может быть принят равным среднему значению с достаточной точностью.
Для достижения достаточно высокой концентрации частиц во всем контролируемом диапазоне от 0,04 до 0,8 мкм могут потребоваться несколько струйных распылителей с различными концентрациями субстанции аэрозолей в растворителе. Численные концентрации, значения которых слишком велики, могут регулироваться разбавлением контрольного аэрозоля до подачи на фильтр. Численная концентрация контрольного аэрозоля должна быть выбрана такой, чтобы не потребовалось разбавления при измерениях после фильтра.
Насос, вызывающий движение контрольного аэрозоля через фильтр, расположен после фильтра. Благодаря этому дифференциальный анализатор подвижности может всегда работать при почти одинаковых условиях независимо от перепада давления на фильтрующем материале. При работе системы под избыточным давлением утечки в ней не приводят к искажениям результатов контроля.
Счет частиц ведется до и после фильтра с использованием двух параллельных счетчиков ядер конденсации одновременно или одного счетчика для определения концентраций до и после фильтра в отдельности. Если значение концентрации частиц до фильтра превышает допустимые параметры счетчика, то между точкой отбора проб и счетчиком должна быть установлена система разбавления.
7.3. Порядок испытаний с помощью полидисперсного аэрозоля
Испытания плоского фильтрующего материала полидисперсным аэрозолем выполняют с помощью оптических счетчиков частиц, которые определяют численное распределение и численную концентрацию контрольного аэрозоля.
Испытания могут быть выполнены непосредственно первичным полидисперсным нейтральным аэрозолем. Для охвата всего диапазона контролируемых значений могут потребоваться несколько струйных распылителей с различными концентрациями субстанций аэрозоля в растворителе. Средний диаметр частиц численного распределения должен находиться в пределах от 0,04 до 0,8 мкм.
Схема стенда показана на рисунке 2. Оптические счетчики частиц используют для определения численного распределения и численной концентрации полидисперсного контрольного аэрозоля до и после фильтрующей среды вместо одного или двух параллельных счетчиков ядер конденсации.
1 - фильтр; 2 - сбрасывающий клапан; 3 - струйный
распылитель; 4 - распылитель; 5 - камера с контролируемым
фильтром; 6 - дифференциальный манометр; 7 - система
разбавления; 8 - оптический счетчик частиц; 9 - игольчатый
клапан; 10 - вакуумный насос; 11 - датчики абсолютного
давления температуры и относительной влажности;
12 - расходомер воздуха; 13 - компьютер
для хранения и контроля данных
Рисунок 2 - Стенд для испытаний с помощью полидисперсного
аэрозоля
При испытаниях с полидисперсным аэрозолем и счетом частиц необходимо регулировать счетную концентрацию контрольного аэрозоля с учетом характеристик счетчика частиц и при необходимости использовать систему разбавления.
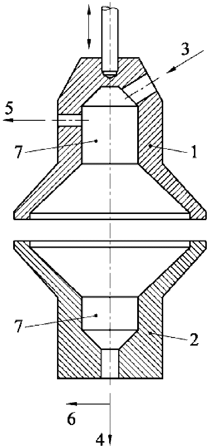
7.4. Камера с контролируемым фильтром
Камера состоит из подвижной верхней секции и фиксированной нижней секции, например, как показано на рисунке 3. Плоский фильтрующий материал должен иметь круглый участок для испытаний площадью 100 см2. Фильтрующий материал должен быть установлен так, чтобы утечки не влияли на результаты измерений. При использовании герметиков они не должны изменять площадь контролируемого участка.
1 - верхняя секция (подвижная); 2 - нижняя секция
(фиксированная); 3 - входные отверстия для контрольного
аэрозоля; 4 - выходные отверстия для контрольного аэрозоля;
5 - зона отбора проб до фильтра; 6 - зона отбора проб
после фильтра; 7 - точки измерения перепада давления
Рисунок 3 - Пример камеры для контролируемого фильтра
Контрольный аэрозоль подается через входное отверстие в верхней части камеры. Концентрация контрольного аэрозоля должна быть одинаковой по всему контролируемому участку (стандартное отклонение

). Выход аэрозоля осуществляется в нижней секции камеры.
Другие соединения служат для отбора проб контрольного аэрозоля до и после фильтра для счета частиц и измерения перепада давления.
Все материалы каркаса, с которыми контрольный аэрозоль приходит в контакт, должны быть чистыми, легко очищаемыми, устойчивыми к коррозии, проводить электричество и быть заземлены. Предпочтительными материалами являются нержавеющая сталь и анодированный алюминий.
Камера фильтра может иметь разную форму, но она должна удовлетворять всем требованиям настоящего стандарта.
7.4.2. Измерение перепада давления
Перепад давления на плоском фильтрующем материале измеряют дифференциальным манометром (см. ЕН 1822-2:2009, пункт 5.6), который подсоединяют к точкам до и после фильтра. В точках измерения должно определяться статическое давление.
Отверстия для измерения должны быть выполнены под прямым углом внутренней поверхности камеры для снижения влияния потока воздуха на результаты измерений. Внутренние края отверстий должны быть заточенными и не иметь заусенцев. Соединения от точек измерения к датчику давления должны быть герметичными и чистыми.
Следует убедиться, что величины концентрации частиц до и после фильтра являются представительными. Изокинетический отбор проб не является необходимым, поскольку ведется счет частиц малых размеров.
Соединения от точки отбора проб до измерительных приборов должны содержаться в чистоте, быть удобными для очистки, устойчивыми к коррозии, проводить электричество и быть заземленными. Во избежание потерь частиц важно, чтобы соединения были короткими.
Следует исключить влияние установленных в линии устройств клапанов, ограничителей и пр.
7.5. Определение скорости потока воздуха на лицевой поверхности фильтровальной среды
Скорость потока в фильтрующем материале не может быть измерена напрямую. Она определяется путем деления расхода контролируемого потока воздуха на площадь фильтра, через которую он проходит.
С учетом этого площадь лицевой поверхности фильтрующего материала, через который проходит поток, должна быть измерена с точностью +/- 2%.
При вычислении расхода контрольного потока воздуха в зависимости от расположения точки отбора после фильтра относительно точки измерения расхода потока может потребоваться учесть частичное отделение потока воздуха на счетчик частиц.
Расход контрольного потока может быть измерен поплавковым ротаметром, температурным массовым расходомером или другим прибором, который может быть калиброван (проверен). Этот прибор должен удовлетворять, как минимум, следующим требованиям:
- диапазон измерений до 800 см3/с;
- погрешность менее 5% измеряемой величины;
- воспроизводимость менее 1% измеряемой величины.
8. Требования к контролируемому воздуху
До смешивания с контрольным аэрозолем контролируемый воздух должен быть подготовлен так, чтобы его температура, относительная влажность и чистота соответствовали требованиям ЕН 1822-1:2009 (пункт 7.2).
Контролируемый воздух должен быть очищен от твердых или жидких компонентов с помощью фильтров высокой эффективности (например, имеющимися на рынке картриджными фильтрами), размер которых должен быть определен в зависимости от максимального объема контролируемого потока.
9.1. Подготовительные работы
После включения стенда до проведения контроля плоского фильтрующего материала необходимо проверить или зарегистрировать следующее:
- готовность приборов к работе.
Следует подготовить приборы к работе по инструкции производителя приборов (например, счетчики ядер конденсации должны быть наполнены рабочей жидкостью; скорость отбора проб должна соответствовать требованиям и т.д.).
Выполнить другие работы, рекомендованные изготовителем до проведения испытаний;
- нулевой счет счетчика частиц.
Следует проверить нулевой счет по концентрации частиц за фильтром при выключенном генераторе аэрозолей и установленном фильтрующем материале;
- чистоту контролируемого воздуха.
Следует проверить чистоту контролируемого воздуха по концентрации частиц до фильтра при выключенном генераторе аэрозолей;
- абсолютное давление, температуру и относительную влажность контролируемого воздуха.
Эти величины измеряются в контролируемом потоке воздуха после камеры.
При несоответствии этих параметров ЕН 1822-1 и ЕН 1822-2 следует принять необходимые меры.
Перед испытаниями фильтрующего материала рекомендуется подготовить эталонные образцы этого материала различных классов для измерений дифференциального давления и оценки эффективности. Сразу после этого следует провести такие же измерения для эталонного фильтровального материала того же класса, что и контролируемый материал. Тенденции, полученные при таких повторяемых проверках, позволяют судить о воспроизводимости результатов контроля всей системой с учетом внесенных в нее изменений и отказов.
9.2. Проведение испытаний
После выполнения подготовительных работ по
9.1 следует поместить контролируемый образец в камеру для фильтра. Следует убедиться, что рабочий диапазон измерений приборов с запасом включает минимум кривой фракциональной эффективности и таким образом размер MPPS.
9.2.2. Измерение перепада давления
Следует измерить перепад давления на фильтрующем материале до того, как фильтр будет испытан с аэрозолем. Расход воздуха должен быть установлен с такой точностью, чтобы расходы для отдельных образцов фильтрующей среды не изменялись более чем на +/- 2% требуемого значения. Измерения следует выполнять, когда система достигнет установившегося состояния.
9.2.3. Испытания с монодисперсным аэрозолем
Контрольный аэрозоль должен быть равномерно перемешан с контролируемым воздухом (см.
7.4). Для определения фракциональной эффективности следует провести измерения не менее чем в шести точках, приблизительно равномерно распределенных в логарифмическом масштабе в контролируемом диапазоне размеров частиц. При использовании дифференциального анализатора подвижности следует генерировать шесть квазимонодисперсных контрольных аэрозолей последовательно в соответствии со средними диаметрами частиц. Счетные концентрации должны быть определены до и после фильтрующей среды одновременно двумя счетчиками ядер конденсации, работающими параллельно, или одним счетчиком конденсации сначала до фильтра, а потом после него. Во втором случае следует предусмотреть период очистки счетчика ядер конденсации, чтобы до начала работы отбора пробы после фильтра концентрация частиц в счетчике снизилась до уровня, при котором концентрация частиц после фильтра будет надежно определена.
9.2.4. Испытания с полидисперсным аэрозолем
Вместо испытаний с монодисперсным аэрозолем можно определить численную концентрацию и численное распределение полидисперсного аэрозоля не менее чем в шести точках, приблизительно равномерно распределенных в логарифмическом масштабе в контролируемом диапазоне частиц. Для счета частиц следует использовать оптический счетчик частиц. Следует убедиться, особенно при определении численной концентрации и численного распределения до фильтра, что значения ошибки совпадения не будут превышены. Кроме того, разрешающая способность оптического счетчика частиц должна быть удовлетворительной для проведения испытаний.
9.3. Базовый метод контроля
Базовый метод контроля установлен в
9.2.3 (см. также ЕН 1822-1:2009, пункт 7.4.5).
Испытания по
разделу 5 должны быть выполнены последовательно для пяти образцов фильтрующего материала.
Следует вычислить среднее арифметическое значение результатов значений дифференциального давления.
При оценке числа частиц следует учесть статистику счета частиц по ЕН 1822-2:2009 (раздел 7), для наименее благоприятного значения предела доверительного интервала следует вычислить фракциональный проскок и эффективность.
По результатам индивидуальных измерений вычисляют следующие средние арифметические значения для каждой из шести или более точек интерполяции на кривой эффективности:
- средняя эффективность для обнаруженных частиц;
- средняя эффективность как нижний предел 95%-го доверительного интервала.
Эти значения эффективности должны быть представлены линиями на графике. Следует определить размер частиц в точке минимума кривой средней эффективности как нижнего предела 95%-го доверительного интервала. Это может быть выполнено математическими или графическими методами. Таким образом, учитывается как качество измерений, так и статистическая неопределенность при обработке данных о малых числах частиц.
Размер частиц, при котором эффективность является минимальной (MPPS), должен быть записан одновременно с эффективностью для этого размера частиц. Пример приведен в
приложении А.
Протокол испытаний плоского фильтрующего материала должен содержать по крайней мере следующие данные:
a) объект испытаний:
1) обозначение типа контролируемого фильтрующего материала;
2) число образцов;
b) контролируемые параметры:
1) скорость потока на лицевой поверхности фильтрующего материала;
2) тип оборудования для определения концентрации частиц;
3) характеристика контрольного аэрозоля;
c) результаты испытаний:
1) средний перепад давления на фильтрующем материале до начала испытаний;
2) размер MPPS;
3) эффективность в точке MPPS;
4) вычисленная средняя эффективность

как нижний предел 95%-го доверительного интервала (см.
А.2.4 и
таблицу А.3 настоящего стандарта);
5) диаграмма, показывающая среднюю эффективность

и значение нижнего предела средней эффективности

как функцию размера частиц (см. пример,
рисунок А.1 настоящего стандарта).
12. Техническое обслуживание и контроль
Техническое обслуживание оборудования и проверку (калибровку) приборов следует выполнять не реже чем с установленной ниже периодичностью. Результаты ежегодной калибровки должны быть оформлены в виде протоколов калибровки для каждого прибора отдельно.
Компоненты | Содержание и периодичность технического обслуживания и контроля |
Используемые материалы. | Проверка один раз в день. Замена израсходованных материалов. |
Генераторы аэрозолей. | Очистка один раз в месяц. |
Расходомер объема потока. | Ежегодная проверка и контроль нулевой точки или после каждой замены. |
Тракт прохождения аэрозоля. | Очистка один раз в год. |
Фильтры для контролируемого воздуха. | Замена один раз в год. |
Фильтры для использованного воздуха. | Замена один раз в год. |
Части оборудования, находящиеся под пониженным давлением. | Проверка на утечку, если нулевой счет частиц счетчикам частиц дал неудовлетворительные результаты. |
Переключающий клапан между контрольными точками (при его наличии). | Проверка на утечку один раз в год. |
Периодичность технического обслуживания оборудования и проверки (калибровки) приборов может быть установлена по ЕН 1822-2:2009 (таблица 2). Результаты калибровки приборов должны быть оформлены в виде протоколов калибровки на каждый прибор.
(справочное)
ПРИМЕНЕНИЯ МЕТОДИКИ ИСПЫТАНИЙ И РАСЧЕТ ПОКАЗАТЕЛЕЙ
А.1 Испытания плоского фильтрующего материала
А.1.1 Общие положения
После завершения регулировок и проверок параметров по
9.1 следует измерить перепад давления для каждого образца фильтрующего материала и определить число частиц при заданной скорости потока на его лицевой поверхности.
Ниже приведен пример для испытаний с монодисперсным аэрозолем по методу общего счета частиц для образца фильтрующего материала.
А.1.2 Измерение перепада давления
Измерение перепада давления на фильтрующем материале выполняют по
9.2.2:
- условия испытаний | площадь испытуемой зоны A = 100 см2; |
- расход потока контролируемого воздуха | |
- скорость потока на лицевой поверхности фильтрующего материала | U = 1,75 см/с; |
- результат испытаний | перепад давления  . |
А.1.3 Счет частиц
При испытаниях с монодисперсным аэрозолем счет частиц выполняют по
9.2.3. Для каждого среднего значения диаметра частицы

следует определить концентрации частиц до и после фильтра (
cN, u;
cN, d) в шести или более точках интерполяции, используемых для построения кривой эффективности. Численные концентрации могут быть, как правило, получены непосредственно счетчиком частиц и могут быть использованы для дальнейшей оценки без изменений. Проскок определяют по уравнению, приведенному в
разделе 4.
Для учета статистики

счета частиц по ЕН 1822-2:2009 (раздел 7) следует также определить число частиц
Nd после фильтра:
- условия испытаний | скорость потока на лицевой поверхности фильтровальной среды u = 1,75 см/с; |
- прибор для счета частиц | счетчик ядер конденсации; |
- контрольный аэрозоль | DEHS, монодисперсный; |
- результаты испытаний | результаты измерений и значения, вычисленные для фракционального проскока P1, приведены в таблице А.1. |
Таблица А.1
Первичные данные и вычисленные параметры при счете частиц
| 0,080 мкм | 0,100 мкм | 0,125 мкм | 0,160 мкм | 0,200 мкм | 0,250 мкм |
CN, u, 1 | 2,21 x 106 см-3 | 1,46 x 106 см-3 | 8,72 x 105 см-3 | 4,96 x 105 см-3 | 3,21 x 105 см-3 | 2,02 x 105 см-3 |
CN, d, 1 | 3,74 x 101 см-3 | 2,80 x 101 см-3 | 2,06 x 101 см-3 | 1,17 x 101 см-3 | 7,12 x 100 см-3 | 3,52 x 100 см-3 |
Nd, 1 | 3000 | 2228 | 1653 | 951 | 568 | 264 |
P1 | 0,00169% | 0,00192% | 0,00236% | 0,00237% | 0,00222% | 0,00174% |
Примечание - Индекс u относится к пробам, взятым после фильтра. Индекс d относится к пробам, взятым до фильтра. |
А.2 Вычисление средних арифметических значений
А.2.1 Общие положения
Следует испытать не менее пяти образцов плоского фильтрующего материала. Среднее арифметическое значение вычисляют по результатам оценки измерений (пример для одной пробы приведен в
А.1). Последующая оценка может быть выполнена аналогичным образом для обоих методов счета.
А.2.2 Средний перепад давления
Результаты измерений перепада давления на пяти образцах фильтрующего материала при скорости u = 1,75 см/с:
- перепад давления

; 110,1 Па; 109,4 Па; 109,8 Па; 109,6 Па;
| | ИС МЕГАНОРМ: примечание. Абзац дан в соответствии с официальным текстом документа. | |
- средний перепад давления

.
А.2.3 Средняя эффективность

При вычислении средней эффективности

для каждой точки интерполяции на кривой эффективности сначала определяют перепад давления для каждого из пяти образцов на фильтрующем материале.
Порядок вычисления и результаты показаны в таблице А.2.
Таблица А.2
Вычисленные величины для определения средней эффективности
| 0,080 мкм | 0,100 мкм | 0,125 мкм | 0,160 мкм | 0,200 мкм | 0,250 мкм |
P1 | 0,00169% | 0,00192% | 0,00236% | 0,00237% | 0,00222% | 0,00174% |
P2 | 0,00197% | 0,00209% | 0,00233% | 0,00231% | 0,00211% | 0,00186% |
P3 | 0,00199% | 0,00216% | 0,00233% | 0,00250% | 0,00255% | 0,00207% |
P4 | 0,00184% | 0,00217% | 0,00229% | 0,00227% | 0,00208% | 0,00178% |
P5 | 0,00179% | 0,00216% | 0,00235% | 0,00239% | 0,00221% | 0,00151% |
| 0,00186% | 0,00210% | 0,00233% | 0,00237% | 0,00223% | 0,00179% |
| 99,99814% | 99,99790% | 99,99767% | 99,99763% | 99,99777% | 99,99821% |
А.2.4 Значения средней эффективности

как нижнего предела 95%-го доверительного интервала
При вычислении средней эффективности

как нижнего предела 95%-го доверительного интервала следует учесть статистику счета частиц по EN 1822-2:2009 (раздел 7), в соответствии с которой каждый раз определяют наименее благоприятный предел доверительного интервала, используемый при вычислениях. В приведенном примере результаты определения числа частиц и концентрации частиц до фильтра не были статистически корректными. При большом числе частиц влиянием статистической неопределенности можно пренебречь, т.е. в этом примере
CN,u,95%,i =
CN,u,i.
Проскок P95% вычисляют с учетом концентрации частиц после фильтра с менее благоприятными значениями числа частиц для 95%-го доверительного интервала.
По результатам измерений для пяти образцов фильтровального материала сначала вычисляют средний проскок как верхний предел 95%-го доверительного интервала. По этим значениям вычисляют среднюю эффективность как нижний предел 95%-го доверительного интервала для каждой точки интерполяции кривой фракционной эффективности.
Вычисленные значения и результаты показаны в таблице А.3.
Таблица А.3
Вычисленные значения для определения средней эффективности
как нижнего предела 95%-го доверительного интервала
| 0,080 мкм | 0,100 мкм | 0,125 мкм | 0,160 мкм | 0,200 мкм | 0,250 мкм |
Nd,1 | 3000 | 2228 | 1653 | 951 | 568 | 264 |
Nd,95%,1 | 3107 | 2321 | 1733 | 1011 | 615 | 296 |
P95%,1 | 0,00175% | 0,00200% | 0,00247% | 0,00252% | 0,00240% | 0,00195% |
Nd,2 | 3036 | 2283 | 1665 | 953 | 546 | 302 |
Nd,95%,2 | 3144 | 2377 | 1745 | 1014 | 592 | 336 |
P95%,2 | 0,00204% | 0,00218% | 0,00244% | 0,00246% | 0,00229% | 0,00207% |
Nd,3 | 3194 | 2346 | 1603 | 948 | 673 | 379 |
Nd,95%,3 | 3305 | 2441 | 1681 | 1008 | 724 | 417 |
P95%,3 | 0,00206% | 0,00225% | 0,00244% | 0,00266% | 0,00274% | 0,00228% |
Nd,4 | 3090 | 2429 | 1638 | 958 | 581 | 320 |
Nd,95%,4 | 3199 | 2526 | 1717 | 1019 | 628 | 355 |
P95%,4 | 0,00190% | 0,00226% | 0,00240% | 0,00241% | 0,00225% | 0,00198% |
Nd,5 | 2938 | 2383 | 1678 | 1004 | 609 | 271 |
Nd,95%,5 | 3044 | 2479 | 1758 | 1066 | 657 | 303 |
P95%,5 | 0,00185% | 0,00225% | 0,00246% | 0,00254% | 0,00239% | 0,00169% |
| 0,00192% | 0,00219% | 0,00244% | 0,00252% | 0,00241% | 0,00199% |
| 99,99808% | 99,99781% | 99,99756% | 99,99748% | 99,99759% | 99,99801% |
А.3 Представление кривой эффективности
Для каждой точки интерполирования со средним диаметром

определяют значения средней эффективности

и средней эффективности

, показанные на графике в виде кривых зависимостей от размера частиц. В данном примере получены следующие значения для точки минимума на кривой (рисунок А.1):
- размер MPPS 0,16 мкм;
- эффективность для этого размера частиц 99,9975%.
Рисунок А.1 - Средняя эффективность

(-) и

(---)
как функция диаметра частиц
(справочное)
О СООТВЕТСТВИИ ССЫЛОЧНЫХ МЕЖДУНАРОДНЫХ СТАНДАРТОВ ССЫЛОЧНЫМ
НАЦИОНАЛЬНЫМ СТАНДАРТАМ РОССИЙСКОЙ ФЕДЕРАЦИИ
Таблица ДА.1
Обозначение ссылочного международного стандарта | Степень соответствия | Обозначение и наименование соответствующего национального стандарта |
ЕН 1822-1:2009 | IDT | ГОСТ Р ЕН 1822-1-2010 "Высокоэффективные фильтры очистки воздуха EPA, HEPA и ULPA. Часть 1. Классификация, методы испытаний, маркировка" |
ЕН 1822-2:2009 | | |
ЕН 14799-2007 | | |
<*> Соответствующий национальный стандарт отсутствует. До его утверждения рекомендуется использовать перевод на русский язык данного международного стандарта. Перевод данного международного стандарта находится в Федеральном информационном фонде технических регламентов и стандартов. Примечание - В настоящей таблице использовано следующее условное обозначение степени соответствия стандартов: - IDT - идентичный стандарт. |
[1] | EN 1822-5:2009 High efficiency air filters (EPA, HEPA and ULPA) - Part 5: Determining the efficiency of filter elements |