Главная // Актуальные документы // ГОСТ Р (Государственный стандарт)СПРАВКА
Источник публикации
М.: Стандартинформ, 2015
Примечание к документу
Документ
введен в действие с 1 декабря 2015 года.
Название документа
"ГОСТ Р ИСО 18437-4-2014. Национальный стандарт Российской Федерации. Вибрация и удар. Определение динамических механических свойств вязкоупругих материалов. Часть 4. Метод динамических жесткостей"
(утв. и введен в действие Приказом Росстандарта от 24.10.2014 N 1425-ст)
"ГОСТ Р ИСО 18437-4-2014. Национальный стандарт Российской Федерации. Вибрация и удар. Определение динамических механических свойств вязкоупругих материалов. Часть 4. Метод динамических жесткостей"
(утв. и введен в действие Приказом Росстандарта от 24.10.2014 N 1425-ст)
Утвержден и введен в действие
по техническому регулированию
и метрологии
от 24 октября 2014 г. N 1425-ст
НАЦИОНАЛЬНЫЙ СТАНДАРТ РОССИЙСКОЙ ФЕДЕРАЦИИ
ВИБРАЦИЯ И УДАР
ОПРЕДЕЛЕНИЕ ДИНАМИЧЕСКИХ МЕХАНИЧЕСКИХ СВОЙСТВ ВЯЗКОУПРУГИХ
МАТЕРИАЛОВ
ЧАСТЬ 4
МЕТОД ДИНАМИЧЕСКИХ ЖЕСТКОСТЕЙ
Mechanical vibration and shock. Characterization of the
dynamic mechanical properties of visco-elastic materials.
Part 4: Dynamic stiffness method
ISO 18437-4:2008
Mechanical vibration and shock - Characterization of the
dynamic mechanical properties of visco-elastic materials -
Part 4: Dynamic stiffness method
(IDT)
ГОСТ Р ИСО 18437-4-2014
Дата введения
1 декабря 2015 года
1. Подготовлен Открытым акционерным обществом "Научно-исследовательский центр контроля и диагностики технических систем" (АО "НИЦ КД") на основе собственного аутентичного перевода стандарта, указанного в пункте 4.
2. Внесен Техническим комитетом по стандартизации ТК 183 "Вибрация, удар и контроль технического состояния".
3. Утвержден и введен в действие
Приказом Федерального агентства по техническому регулированию и метрологии от 24 октября 2014 г. N 1425-ст.
4. Настоящий стандарт является идентичным по отношению к международному стандарту ИСО 18437-4:2008 "Вибрация и удар. Определение динамических механических свойств вязкоупругих материалов. Часть 4. Метод динамических жесткостей" (ISO 18437-4:2008 "Mechanical vibration and shock - Characterization of the dynamic mechanical properties of visco-elastic materials - Part 4: Dynamic stiffness method").
При применении настоящего стандарта рекомендуется использовать вместо ссылочных международных стандартов соответствующие им национальные стандарты Российской Федерации и межгосударственные стандарты, сведения о которых приведены в дополнительном
Приложении ДА.
5. Введен впервые.
Правила применения настоящего стандарта установлены в ГОСТ Р 1.0-2012
(раздел 8). Информация об изменениях к настоящему стандарту публикуется в ежегодном (по состоянию на 1 января текущего года) информационном указателе "Национальные стандарты", а официальный текст изменений и поправок - в ежемесячном информационном указателе "Национальные стандарты". В случае пересмотра (замены) или отмены настоящего стандарта соответствующее уведомление будет опубликовано в ближайшем выпуске информационного указателя "Национальные стандарты". Соответствующая информация, уведомление и тексты размещаются также в информационной системе общего пользования - на официальном сайте Федерального агентства по техническому регулированию и метрологии в сети Интернет (gost.ru).
Вязкоупругие материалы широко используются в разных системах, в частности для снижения вибрации в конструкциях посредством потери энергии (демпфирования) или изоляции компонентов и в акустических приложениях, связанных с преобразованием, передачей и поглощением энергии. Для оптимального функционирования таких систем зачастую необходимо, чтобы их элементы обладали заданными динамическими свойствами. Энергетические потери, имеющие место на межмолекулярном уровне, могут быть измерены через запаздывание между деформацией и напряжением в материале. Вязкоупругие свойства, модуль и коэффициент диэлектрических потерь большинства материалов зависят от частоты, температуры, амплитуды напряжения и предварительной деформации. В дополнение к модулю и коэффициенту диэлектрических потерь часто для предсказания динамических свойств материалов используют коэффициент Пуассона. Выбор материала для каждого конкретного применения определяет рабочие характеристики системы. Настоящий стандарт устанавливает один из методов измерения динамических свойств вязкоупругих материалов - метод динамических жесткостей. Этот метод предполагает линейность поведения систем при малых амплитудах напряжений.
Настоящий стандарт устанавливает прямой метод измерений комплексных модулей упругости (модуля Юнга, модуля сдвига, объемного модуля упругости и соответствующих им коэффициентов потерь при деформациях растяжения, сдвига и всестороннего сжатия) для полимерных материалов (резиноподобных и вязкоупругих, включая жесткие пластмассы) в широком диапазоне частот и температур. Принцип измерений основан на динамическом силовом воздействии на образец, во время которого с прикрепленных к образцу датчиков снимают электрические сигналы, пропорциональные силе и деформации.
Ограничения на диапазон частот испытаний определяются размерами испытуемого образца, требуемой точностью измерений динамических модулей упругости, соотношением между жесткостью вибровозбудителя и жесткостью образца, а также резонансами испытательной установки.
Метод, установленный настоящим стандартом, предполагает проведение измерений для предварительно нагруженного образца (включая образцы с нелинейной нагрузочной характеристикой), но при относительно малых деформациях, позволяющих оставаться в диапазоне линейности. Соотношения между модулями упругости зависят от предварительно приложенной нагрузки.
В настоящем стандарте использованы нормативные ссылки на следующие стандарты:
ИСО 472 Пластмассы. Словарь (ISO 472, Plastics - Vocabulary)
ИСО 483 Пластмассы. Небольшие контейнеры для кондиционирования и испытаний с использованием водных растворов для поддержания постоянной относительной влажности (ISO 483, Plastics - Small enclosures for conditioning and testing using aqueous solutions to maintain the humidity at a constant value)
ИСО 2041 Вибрация, удар и контроль технического состояния. Словарь (ISO 2041, Mechanical vibration, shock and condition monitoring - Vocabulary)
ИСО 4664-1 Резина вулканическая или термопластическая. Определение динамических свойств. Часть 1. Общее руководство (ISO 4664-1, Rubber, vulcanized or thermoplastic - Determination of dynamic properties - Part 1: General guidance)
ИСО 6721-1 Пластмассы. Определение динамических механических свойств. Часть 1. Общие принципы (ISO 6721-1, Plastics - Determination of dynamic mechanical properties - Part 1: General principles)
ИСО 6721-4 Пластмассы. Определение динамических механических свойств. Часть 4. Метод нерезонансных колебаний при растяжении (ISO 6721-1, Plastics - Determination of dynamic mechanical properties - Part 4: Tensile vibration - Nonresonance methods)
ИСО 6721-6 Пластмассы. Определение динамических механических свойств. Часть 6. Метод нерезонансных изгибных колебаний (ISO 6721-6, Plastics - Determination of dynamic mechanical properties - Part 6: Shear vibration - Nonresonance method)
ИСО 10112:1991 Демпфирующие материалы. Графическое представление комплексных модулей упругости, принципы (ISO 10112:1991, Damping materials - Graphical presentation of the complex modulus)
ИСО 10846-1:1997 Вибрация и акустика. Измерения виброакустических передаточных характеристик упругих элементов в лабораторных условиях. Часть 2. Общие принципы и руководство (ISO 10846-1:1997, Acoustics and vibration - Laboratory measurement of vibro-acoustic transfer properties of resilient elements - Part 2: Principles and guidelines)
ИСО 23529 Каучук и резина. Общие процедуры приготовления и кондиционирования образцов для физических методов испытаний (ISO 23529, Rubber - General procedures for preparing and conditioning test pieces for physical test methods)
Примечание. В ИСО 10846-1 рассматриваются общие методы измерений входной и переходной динамических жесткостей и механических сопротивлений устройств с упругими характеристиками (виброизоляторов). В настоящем стандарте основное внимание уделено определению модуля Юнга, модуля сдвига, объемного модуля упругости и соответствующих им коэффициентов потерь вязкоупругих материалов, используемых в виброизоляторах.
В целях настоящего стандарта применяют термины по ИСО 472, ИСО 483, ИСО 2041, ИСО 4664-1, ИСО 6721-1, ИСО 6721-4, ИСО 6721-6, ИСО 10846-1, ИСО 23259, а также следующие термины с соответствующими определениями.
3.1. динамические механические характеристики (вязкоупругие материалы) (dynamic mechanical properties): Основные величины (такие как модуль Юнга, модуль сдвига, объемный модуль упругости и соответствующие им коэффициенты потерь), характеризующие упругие свойства эластичных материалов.
3.2. демпфированная конструкция (damped structure): Конструкция, включающая в себя элементы, изготовленные из демпфирующих материалов.
3.3. модуль Юнга (Young modulus, modulus of elasticity) E: Отношение нормального напряжения к нормальной деформации.
Примечание 1. Определение модифицировано по отношению к
[9].
Примечание 2. Выражают в паскалях.
Примечание 3. Комплексный модуль Юнга E* для вязкоупругих материалов представляют в виде E* = E' + iE'', где E' - действительная часть комплексного модуля Юнга (модуль упругости), E'' - мнимая часть комплексного модуля Юнга (модуль потерь). Действительная часть характеризует получаемую и отдаваемую материалом энергию при сжатии (растяжении) и релаксации, а мнимая - потери при преобразовании энергии.
3.4. модуль сдвига (shear modulus, modulus of rigidity, Coulomb modulus) G: Отношение напряжения сдвига к деформации сдвига.
Примечание 1. Определение модифицировано по отношению к
[9].
Примечание 2. Выражают в паскалях.
Примечание 3. Комплексный модуль сдвига G* для вязкоупругих материалов представляют в виде G* = G' + iG'', где G' - действительная часть комплексного модуля сдвига (модуль упругости), G'' - мнимая часть комплексного модуля сдвига (модуль потерь).
3.5. объемный модуль упругости (bulk modulus, modulus of compression) K: Отношение давления к вызванной им объемной деформации, взятое с обратным знаком.
Примечание 1. Определение модифицировано по отношению к
[9].
Примечание 2. Выражают в паскалях.
Примечание 3. Комплексный объемный модуль упругости K* для вязкоупругих материалов представляют в виде K* = K' + iK'', где K' - действительная часть комплексного объемного модуля упругости (модуль упругости), K'' - мнимая часть комплексного объемного модуля упругости (модуль потерь).
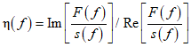
3.6. коэффициент потерь (loss factor)

: Частотно-зависимое отношение мнимой части комплексного модуля упругости к его действительной части.
Примечание. При наличии разности фаз или угла потерь при гармоническом изменении деформации и напряжения коэффициент потерь представляет собой тангенс этого угла.
3.7. абсолютная величина комплексного модуля упругости (magnitude of complex modulus): Модуль модуля упругости как комплексной величины.
Примечание. Для разных модулей упругости их абсолютная величина определяется следующим образом:
a) для модуля Юнга:

;
b) для модуля сдвига:

;
c) для объемного модуля упругости:

.
Выражают в децибелах.
3.8. температурно-временная суперпозиция (time-temperature superposition): Принцип эквивалентности для вязкоупругих материалов величин времени и температуры, согласно которому изменения температуры и времени вызывают одинаковое по значению, но противоположное по знаку изменение динамической характеристики материала.
3.9. фактор сдвига (shift factor): Значение сдвига вдоль логарифмической оси частот, при котором происходит совмещение кривой характеристики для одного постоянного значения температуры с кривой для другого постоянного значения температуры.
3.10. температура стеклования (glass transition temperature) Tg : Температура, при которой полимер переходит при охлаждении из высокоэластичного или вязкотекучего в стеклообразное состояние.
Примечание 1. Выражают в градусах Цельсия.
Примечание 2. Температура стеклования является характеристикой свойств материала. Ее обычно определяют по точке излома функциональной зависимости удельной теплоемкости от температуры.
Примечание 3. Tg не является температурой, при которой наблюдается максимум коэффициента потерь. Максимум потерь приходится на температуру, значение которой превышает Tg и зависит от частоты возбуждаемых колебаний.
3.11. линейность (вязкоупругие материалы) (linearity): Свойство динамического поведения упругих материалов, при котором соблюдается принцип суперпозиции.
Примечание 1. Принцип суперпозиции формулируется следующим образом: если откликом системы на входной процесс x
1(t) является выходной процесс y
1(t), а откликом на входной процесс x
2(t) - выходной процесс y
2(t), принцип суперпозиции для данной системы имеет место в том случае, если откликом на входной процесс

(

и

- некие константы) будет выходной процесс

, причем указанное равенство должно соблюдаться при всех значениях

,

, x
1(t) и x
2(t).
Примечание 2. Проверка на линейность способом, непосредственно вытекающим из формулировки принципа суперпозиции, непрактична. Часто для проверки на линейность достаточно проводить измерения модуля упругости для ряда значений в диапазоне возможных входных величин. Если в условиях заданного предварительного нагружения динамический передаточный модуль номинально инвариантен к перестановке входных и выходных величин, то такую систему считают линейной. По сути, проверку на линейность часто заменяют проверкой пропорциональности между откликом системы и ее возбуждением.
4. Принцип метода измерений
Метод основан на измерениях частотных характеристик комплексных динамических модулей упругости вязкоупругих материалов с использованием образцов малых размеров, закрепленных на соответствующей испытательной установке.
Перед проведением измерений образцы материала подготавливают и размещают на испытательной установке, где они подвергаются деформации посредством вибровозбудителя. С помощью датчика силы измеряют силу F(f), воздействующую на образец, а с помощью датчика перемещения - деформацию образца s(f) (f - частота возбуждения). Размеры образца должны быть такими, чтобы его импеданс полностью определялся упругими силами в образце во всем диапазоне частот измерений, т.е. влияние сил инерции в образце должно быть пренебрежимо мало. Чтобы удовлетворить данному требованию, размеры образца выбирают таким образом, чтобы первая частота его собственных колебаний была в три - пять раз выше верхней границы диапазона частот измерений.
Использование разных испытательных установок позволяет создавать деформации образца трех видов в зависимости от определяемого модуля упругости. Форму образца выбирают в соответствии с используемой испытательной установкой.
Общее выражение для определения комплексных модулей упругости имеет вид

, (1)
где

- отношение полученного модуля упругости испытуемого материала к жесткости образца, подвергнутого соответствующей деформации (продольной, поперечной, всестороннему сжатию).
Примечание. Метод расчета

приведен в
разделе 6;
F(f)/s(f) - отношение комплексной выходной силы к комплексному перемещению.
Соответственно, действительную и мнимую части комплексных модулей упругости можно представить в виде:

, (2)

. (3)
Абсолютную величину модуля упругости вычисляют по формуле

, (4)
а коэффициент потерь по формуле

. (5)
5. Испытательное оборудование
5.1. Общие положения
Для проведения измерений в соответствии с настоящим стандартом используют следующее испытательное оборудование:
- двухканальный анализатор быстрого преобразования Фурье (БПФ-анализатор) для измерения комплексных частотных характеристик;
- датчик силы и исполнительное устройство вибростенда с соответствующими усилителями;
- компьютер;
- вибростенд, исполнительное устройство которого воспроизводит заданные перемещения.
При измерении зависимости модуля упругости (коэффициента потерь) от температуры используют соответствующий датчик температуры (например, в виде термопары). Устройство управления температурой образца может составлять часть испытательной установки. Устройство управления и датчик температуры должны позволять измерять температуру внутри термостата в диапазоне от минус 60 °C до плюс 70 °C с шагом 5 °C.
5.2. Испытательная установка
Типичная измерительная установка, используемая для измерений механических характеристик полимерных материалов, таких как динамические модули упругости и соответствующие им коэффициенты потерь, изображена на
рисунках 1 и
2. Диапазон частот измерений зависит от испытуемого материала и вида установки и может достигать 10 кГц.
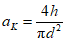
1 - испытательная сборка; 2 - датчик силы; 3 - образец;
4 - исполнительное устройство; 5 - усилитель сигнала <*>;
6 - усилитель мощности; 7 - двухканальный БПФ-анализатор;
8 - компьютер; 9 - делитель напряжения; A - канал измерения
перемещения, создаваемого исполнительным устройством;
B - канал измерения силы от датчика силы; C - канал
задающего сигнала управления вибростендом
--------------------------------
<*> Усилитель служит для усиления или ослабления электрического сигнала. Если выходной сигнал усилителя мощности слишком большой для данного усилителя сигнала, то для ослабления входного сигнала усилителя сигнала используют делитель напряжения. Делитель напряжения не должен вносить в сигнал фазовые искажения, превышающие 0,05°.
Рисунок 1. Схема испытательной установки
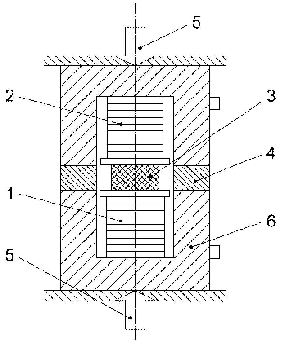
1 - исполнительное устройство; 2 - датчик силы; 3 - образец
и датчик температуры; 4 - кольцевая прокладка;
5 - устройство предварительного статического нагружения;
6 - рамная конструкция
Рисунок 2. Испытательная сборка
Если испытуемый материал предназначен для применения в виброизолирующих элементах, то его испытывают в диапазоне частот до 500 Гц (см. ИСО 10846-1).
Испытательная установка включает в себя:
- жесткую опорную (рамную) конструкцию;
- средства фиксации образца;
- два электромеханических преобразователя: исполнительное устройство и датчик силы. Первое преобразует электрический сигнал на выходе усилителя мощности в перемещения исполнительного устройства, находящегося в контакте с поверхностью образца и вызывающего деформацию этой поверхности. Второе преобразует силу, действующую на образец, в электрический сигнал (см.
рисунок 2);
- кольцевые прокладки для регулировки зазора между датчиком силы и исполнительным устройством при проведении испытаний с заданным предварительным нагружением образца;
- внешнее устройство создания известного статического сжатия образца при его соединении с электромеханическими преобразователями.
Далее при ссылке на элемент испытательной установки используется его позиция, указанная на
рисунке 2.
Образец (3), жесткость которого много меньше жесткости исполнительного устройства (1), датчика силы (2), кольцевой прокладки (4) и опорной конструкции (6), помещают между исполнительным устройством и датчиком силы.
Если характеристики образца необходимо измерить в условиях предварительного статического нагружения, то требуемое нагружение регулируют с помощью кольцевых прокладок, помещаемых между стенками опорной конструкции. Прокладки параллельны поверхностям образца, к которым прикладывается возбуждение и нагрузка. Если измерения необходимо провести при отсутствии статической деформации, то высота прокладки должна быть на 3 - 5% меньше, чем высота образца.
При проведении измерений с помощью испытательной сборки, показанной на
рисунке 2, действительные части модулей упругости E'(f), G'(f) и K'(f) рассчитывают по формуле

, (6)
Мнимые части модулей упругости рассчитывают по формуле

. (7)
Абсолютные величины модулей рассчитывают по формуле

. (8)
Коэффициенты потерь рассчитывают по формуле

. (9)
Комплексную функцию

, описывающую характеристики исполнительного устройства и датчика силы при отсутствии кольцевых прокладок и испытуемого образца, рассчитывают по формуле

, (10)
где |Ks| - модуль коэффициента преобразования исполнительного устройства, м/В;

- модуль коэффициента преобразования датчика силы, В/Н;

- сдвиг фаз (в градусах) между выходным сигналом датчика силы и входным сигналом исполнительного устройства в условиях, когда их измерительные поверхности жестко соединены друг с другом.
Величины, находящиеся в правой части формулы (10), определяют в процессе калибровки исполнительного устройства и датчика силы.
Комплексную функцию H(f), определяемую при установленном в испытательную установку образце (см.
рисунок 1), рассчитывают по формуле
где UF(f) - комплексный выходной сигнал датчика силы, В;
Us(f) - комплексный входной сигнал исполнительного устройства, В.
Сигнал UF(f) через усилитель поступает на канал A, а сигнал Us(f) - на канал B двухканального БПФ-анализатора.
При проведении измерений модулей упругости в диапазоне частот от 10 Гц до 10 кГц с использованием испытательной сборки, показанной на
рисунке 2, расширенная неопределенность не будет превышать 2,5 - 3% при соблюдении требований, указанных в таблице 1.
Таблица 1
Требования к характеристикам испытательного оборудования
Оборудование | Требования |
Диапазоны | Точность |
Двухканальный БПФ-анализатор с генератором сигналов (шум, гармонический сигнал) | От 5 Гц до 10 кГц, от 100 мкВ до 100 В (по среднеквадратичному значению) | Допуск на частотную характеристику 2% Разность фаз между каналами менее 0,02° |
Усилители сигналов | От 10 Гц до 10 кГц, уровень электрического шума менее 5 мкВ | Допуск на частотную характеристику 1% Разность фаз между входом и выходом менее 0° |
Усилитель мощности | От 10 Гц до 10 кГц | Коэффициент гармонических искажений менее 10% |
Если сдвиг фаз между каналами превышает указанный в
таблице 1, то в сигналы необходимо вносить соответствующие поправки.
6. Рекомендуемые установки для создания деформаций разного
вида и вычисления показателей

6.1. Выбор размера образца
Размер образца выбирают, принимая во внимание:
- допустимую неопределенность измерений модулей упругости и коэффициентов потерь;
- верхнюю границу диапазона частот измерений 10 кГц;
- применяемые предварительные статические нагружения (не допуская чрезмерного сжатия образца).
6.2. Испытательные сборки для жестких пластмасс
6.2.1. Измерения модуля Юнга
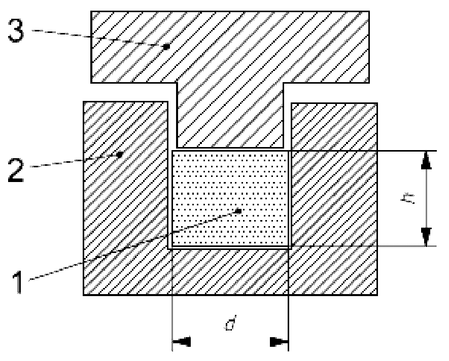
В случае жестких пластмасс образцы для испытаний с целью определения модуля Юнга и соответствующего коэффициента потерь рекомендуется брать цилиндрической формы (см. рисунок 3).
1 - образец; 2 - прокладка
Рисунок 3. Испытательная сборка для измерений модуля Юнга
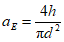
В этом случае показатель aE рассчитывают по формуле

, (12)
где h - высота цилиндрического образца;
d - диаметр цилиндрического образца.
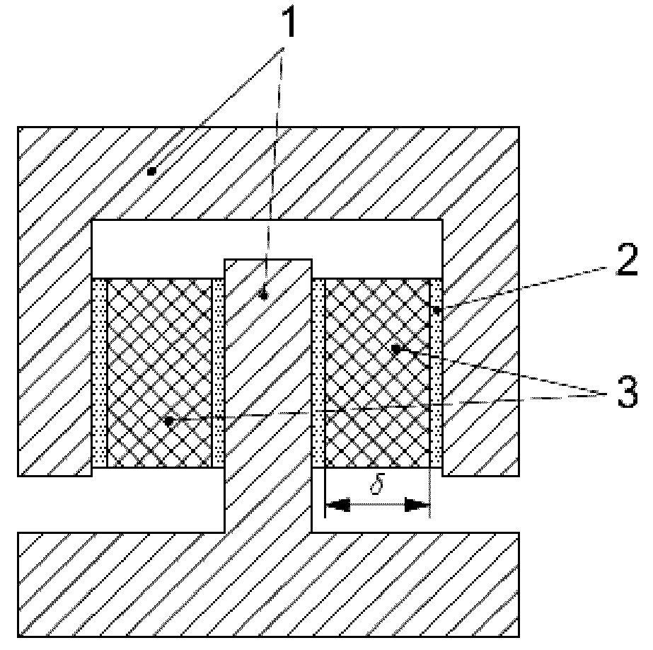
6.2.2. Измерения модуля сдвига
Для испытаний в целях определения модуля сдвига и соответствующего коэффициента потерь применяют образцы в форме прямоугольного параллелепипеда (см.
рисунок 4). Размеры образца выбирают таким образом, чтобы его общий сдвиг был в пределах диапазона испытательной сборки.
a)
b)
1 - бандажная лента; 2 - плита; 3 - образец
Рисунок 4. Испытательная сборка для измерений модуля сдвига
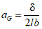
В этом случае показатель aG рассчитывают по формуле

, (13)
где l - длина образца;
b - ширина образца;

- толщина образца.
Для образца с квадратным основанием формула (13) принимает вид

. (14)
Чтобы коррекция на изгиб образца была незначительной, его длина должна по крайней мере в четыре раза превышать толщину (см. ИСО 6721-6 и
[4]).
6.3. Испытательные сборки для резиноподобных материалов
6.3.1. Измерения модуля Юнга
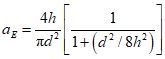
В случае резиноподобных материалов и образцов цилиндрической формы показатель a
E рассчитывают по формуле (см.
[2],
[3])

, (15)
где h - высота цилиндрического образца;
d - диаметр цилиндрического образца.
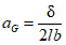
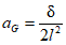
6.3.2. Измерения модуля сдвига
Для испытаний в целях определения модуля сдвига обычно применяют образцы в форме прямоугольного параллелепипеда. Размеры образца выбирают таким образом, чтобы его общий сдвиг был в пределах диапазона испытательной сборки. Показатель aG рассчитывают по формуле

, (16)
где l - длина образца;
b - ширина образца;

- толщина образца.
Для образца с квадратным основанием
формула (13) принимает вид

. (17)
Чтобы коррекция на изгиб образца была незначительной, его длина должна по крайней мере в четыре раза превышать толщину (см. ИСО 6721-6 и
[4]).
6.4. Испытательные сборки для вязкоупругих материалов
6.4.1. Измерения модуля Юнга
В случае резиноподобных материалов и образцов цилиндрической формы показатель a
E рассчитывают по формуле (см.
[5])

, (18)
где h - высота цилиндрического образца;
d - диаметр цилиндрического образца.
6.4.2. Измерения модуля сдвига
Измерения модуля сдвига и коэффициента потерь выполняют аналогично измерениям для резиноподобных материалов. Показатель a
G рассчитывают по
формулам (16) и
(17). Применяют испытательную сборку, показанную на
рисунке 4.
Если с помощью сборки, показанной на
рисунке 4, не удается обеспечить требуемый верхний предел диапазона частот измерений, то можно использовать альтернативную конфигурацию испытательной сборки, показанную на
рисунке 5. В этом случае испытуемый образец имеет форму полого цилиндра.
a) Испытательная сборка
b) Образец
1 - поддерживающий цилиндр; 2 - поршень; 3 - образец
Рисунок 5. Альтернативная испытательная сборка
для измерений модуля сдвига
Динамическая вязкость некоторых материалов такова, что для них измерения модулей упругости можно проводить только с использованием сборки, показанной на рисунке 5 (и нельзя с использованием сборки, изображенной на
рисунке 4). Альтернативную конструкцию, показанную на рисунке 5, применяют при испытаниях вязкоупругих пластичных материалов. Испытуемый образец получают сдавливанием материала между поршнем и поддерживающим цилиндром.
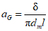
В случае испытательной сборки, показанной на рисунке 5, показатель aG рассчитывают по формуле

, (19)
где

- толщина стенок полого цилиндра (образца);
dm - диаметр полого цилиндра, dm = (de + di)/2;
de - внешний диаметр полого цилиндра;
di - внутренний диаметр полого цилиндра;
l - длина образца.
6.5. Определение объемного модуля упругости для всех материалов
Чтобы определить объемный модуль упругости и соответствующий коэффициент потерь для резиноподобного или вязкоупругого материала, испытуемый образец цилиндрической формы помещают в испытательную сборку, показанную на
рисунке 6. Показатель a
K рассчитывают по формуле

, (20)
где h - высота цилиндрического образца;
d - диаметр цилиндрического образца.
Примечание. Если приложенное к образцу давление мало, то полученная оценка объемного модуля упругости будет заниженной до тех пор, пока образец не будет подвергнут полному гидростатическому давлению.
a) Испытательная сборка
b) Образец
1 - образец; 2 - корпус; 3 - поршень
Рисунок 6. Измерения объемного модуля упругости
7.1. Выбор формы и размеров образца
Форма и размеры образца должны удовлетворять следующим условиям:
a) соответствовать диапазону применяемой испытательной сборки;
b) обеспечивать пружиноподобное поведение образца во всем диапазоне частот измерений.
Размеры образца должны учитывать возможные значения модулей упругости материала. В общем случае для испытаний материалов с низким модулем упругости выбирают образцы большой толщины, а для материалов с высоким модулем упругости - малой.
7.2. Изготовление и подготовка образцов
7.2.1. Общие положения
На
рисунке 7 показаны образцы различных видов, используемые в испытаниях для определения комплексных модуля Юнга, модуля сдвига, объемного модуля упругости и соответствующих коэффициентов потерь.
b) прямоугольный параллелепипед
Рисунок 7. Форма образцов для измерений комплексных
модулей упругости
Технология изготовления образца разрабатывается совместно с изготовителем соответствующего материала.
Для изготовления образцов из вязкоупругих полимерных материалов используют промышленные образцы материалов.
7.2.2. Форма и подготовка образцов для определения модуля Юнга
Для измерений комплексного модуля Юнга и соответствующего коэффициента потерь необходимы образцы цилиндрической формы.
Если определяют модуль Юнга жестких пластмасс, то рекомендуется следующее соотношение между высотой h и диаметром d:

. (21)
Чтобы повысить точность измерений при определении комплексного модуля Юнга резиноподобных и вязкоупругих материалов, рекомендуется выполнение условия

. (22)
После механической обработки материала для придания образцу нужной формы поверхности оснований цилиндра полируют, следя за сохранением их параллельности и контролируя высоту цилиндра. Геометрические размеры образца должны быть соблюдены с точностью +/- 0,005 мм. Перед испытаниями к поверхностям оснований цилиндра приклеивают металлические пластины минимальной толщины.
Для приклеивания пластин применяют отвердевающие клеи, не изменяющие структуру материала образца (например, цианоакрилат). Слой клея должен быть максимально тонким, а его жесткость должна в десять и более раз превышать ожидаемую жесткость испытуемого образца.
7.2.3. Форма и подготовка образцов для определения модуля сдвига
Для измерений комплексного модуля сдвига и соответствующего коэффициента потерь необходимы два образца одинаковых размеров в форме прямоугольного параллелепипеда [см.
рисунок 7 b)] или полого цилиндра [см.
рисунок 7 c)].
Согласно ИСО 6721-6, если не выполнено условие

, то необходимо вводить поправку на толщину образца. Поэтому образец, какой бы формы он ни был, должен иметь малую толщину.
Контактные поверхности образца в форме параллелепипеда полируют, следя за сохранением их параллельности и контролируя высоту образца. Геометрические размеры образца должны быть соблюдены с точностью +/- 0,005 мм.
Перед испытаниями к контактным поверхностям образца приклеивают металлические пластины минимальной толщины.
Для приклеивания пластин применяют отвердевающие клеи, не изменяющие структуру материала образца (например, цианоакрилат). Слой клея должен быть максимально тонким, а его жесткость должна в десять и более раз превышать ожидаемую жесткость испытуемого образца.
Образец в форме полого цилиндра приклеивают к внутренней боковой поверхности поддерживающего цилиндра и к внешней боковой поверхности поршня (см.
рисунок 5). При достаточной пластичности испытуемого материала допускается применить метод штамповки, заполняя материалом рабочее пространство между поддерживающим цилиндром и поршнем испытательной сборки.
При испытаниях образца в форме полого цилиндра значение жесткости CG при сдвиговой деформации вдоль центральной оси цилиндра рассчитывают по формуле

, (23)
где

- толщина стенок полого цилиндра (образца),

;
dm - диаметр полого цилиндра, dm = (de + di)/2;
de - внешний диаметр полого цилиндра;
di - внутренний диаметр полого цилиндра;
l - длина образца;
G - модуль сдвига.
7.2.4. Форма и подготовка образцов для определения объемного модуля упругости
Для измерений комплексного объемного модуля упругости и соответствующего коэффициента потерь необходим образец в форме цилиндра высотой h и диаметром d [см.
рисунок 7 a)].
Высота образца h должна быть по возможности минимальна. Это условие упрощает испытания и улучшает условия установки образца в испытательной сборке (позволяет более точно контролировать условия контакта и уменьшить объем воздуха в испытательной зоне), что понижает вероятность ошибок при выполнении испытаний.
8. Кондиционирование образца
8.1. Хранение
Интервал времени между процессом отливки (вулканизации) образца и его испытаниями, а также время выдерживания образца в заданных условиях перед испытаниями - в соответствии с ИСО 23529.
8.2. Температура
Перед каждой серией испытаний образцы выдерживают при заданной температуре. Время выдержки должно быть достаточным, чтобы привести образец в тепловое равновесие с воздухом в климатической камере, но не более необходимого и без перегрева, чтобы не допустить искусственного старения образца. Время выдержки зависит от размеров образца и от температуры испытания. Подробное руководство приведено в ИСО 23529.
8.3. Механическая обработка
Проводят предварительную механическую обработку образца, позволяющую удалить остаточную "память" материала. Эта обработка состоит в создании не менее шести раз максимальных деформаций при температуре, соответствующей температурному режиму предстоящих испытаний. После обработки образец перед испытаниями выдерживают не менее 12 ч для релаксации структуры материала.
Механическую обработку обычно не проводят, если создаваемая в процессе испытаний деформация очень мала.
8.4. Влажность
Известно, что влажность влияет на физические свойства многих упругих материалов, особенно уретанов. Чтобы обеспечить воспроизводимость результатов испытаний, образец выдерживают в контролируемых условиях влажности в течение недели перед испытаниями. Эти условия обеспечивают, помещая образец в закрытый контейнер с поддерживаемой относительной влажностью воздуха от 50% до 55%. Температура в контейнере при этом должна находиться в интервале от 20 °C до 25 °C. Подробное руководство приведено в ИСО 483.
8.5. Внешние условия во время измерений
Измерения проводят в нормальных условиях комнатной температуры (20 +/- 5) °C при относительной влажности воздуха от 50% до 55%.
9. Основные источники ошибок
При проведении измерений модулей упругости методом динамических жесткостей возможны следующие ошибки, ведущие к недостоверным результатам измерений:
a) отсутствие полного акустического контакта при измерении объемного модуля упругости;
b) ошибки в изготовлении испытуемого образца;
c) неправильный выбор геометрических размеров образца;
d) большой фазовый сдвиг между каналами измерения силы и деформации.
Если акустический контакт между элементами испытательной сборки и испытуемым образом недостаточно плотный, то оценка жесткости образца будет заниженной.
Чтобы убедиться в правильности созданного акустического контакта, рекомендуется провести предварительные измерения, показывающие независимость получаемых результатов измерений жесткости от приложенной статической деформации. Перемещение поверхности образца при статическом нагружении определяется как разность между высотой образца и общей толщиной кольцевых прокладок.
Ошибки в изготовлении испытуемого образца могут привести к тому, что перемещения поверхности образца будут отличаться от заданных и, таким образом, результаты измерений нельзя будет сопоставить с измеряемым перемещением. Чтобы избежать ошибок такого рода, следует тщательно контролировать параллельность поверхностей образца, контактирующих с элементами испытательной сборки, а также его симметрию, не допуская отклонений осей образца от направлений приложения нагрузки.
Отступление от требований, установленных в
7.1, может привести, например, к следующим ошибкам:
- если жесткости испытуемого образца и элементов испытательной сборки сопоставимы, то это может значительно влиять на результаты измерений;
- если жесткость образца мала, то сигнал датчика силы будет сопоставим по уровню с фоновым электрическим шумом в канале измерения;
- если не выполнено требование, чтобы импеданс образца определялся только его жесткостными свойствами, то на результаты измерений могут влиять резонансы образца.
10. Результаты измерений и их обработка
10.1. Температурно-временная суперпозиция
В некоторых случаях желательно определить упругие свойства материала в более широком диапазоне частот, чем был использован при проведении измерений. Для определения характеристик упругости в расширенном диапазоне частот используют принцип температурно-временной суперпозиции, в соответствии с которым полученные результаты измерений подвергают следующей обработке:
a) для каждой группы данных (соответствующих одной температуре измерения) строят сегмент кривой, отображающей зависимость логарифма действительной части модуля упругости от частоты, также откладываемой в логарифмическом масштабе. Оба логарифма берут по основанию 10;
b) выбирают температуру приведения Tref, для которой сегмент кривой имеет наибольшую крутизну, т.е. где производная логарифма действительной части модуля упругости по логарифму частоты максимальна. Положение сегмента кривой, соответствующей Tref, фиксируют в координатных логарифмических осях;
c) последовательно перемещают сегменты кривых для каждой следующей температуры вдоль логарифмической оси частот до тех пор, пока начало кривой следующего сегмента не будет наложено на конец кривой предыдущего сегмента. Поскольку наложение никогда не бывает идеальным, положение следующего сегмента кривой выбирают так, чтобы минимизировать сумму квадратов расстояний между налагаемыми участками. Величину сдвига сегмента кривой, при котором достигнуто наилучшее совпадение налагаемых участков, называют фактором сдвига aT.
Примечание 1. Подгонку осуществляют по сегментам кривых для действительной части модуля упругости, поскольку эта величина измеряется с большей точностью и имеет меньший разброс значений, чем коэффициент потерь;
d) при построении зависимости для коэффициента потерь для каждого значения температуры соответствующий ей сегмент кривой для коэффициента потерь сдвигают вдоль оси частот на ту же величину aT, что была получена для данной температуры при построении графика для действительной части модуля упругости.
Примечание 2. Материал, для которого применима вышеописанная процедура температурно-временной суперпозиции, называют термореологически простым. Материал, для которого процедура последовательных наложений сегментов кривых неприменима, например вследствие его многофазности или высокой кристалличности, называют термореологически сложным;
e) в результате определения положения всех сегментов кривых вдоль логарифмической оси частот получают обобщенные кривые зависимости действительной части модуля упругости и коэффициента потерь от частоты, определенные в широком диапазоне частот, для температуры приведения Tref.
Примечание 3. Для типичных вязкоупругих материалов обобщенная кривая может быть определена в диапазоне частот от 10-5 до 1010 Гц;
f) строят график зависимости натурального логарифма фактора сдвига a
T от температуры и подгоняют эту зависимость под теоретическую кривую, описываемую формулой (см.
[8])

, (24)
где c10, c20 - константы для данного полимера;
T - температура;
Tref - температура приведения;
g) для температуры

, отличной от температуры приведения T
ref, обобщенную кривую получают следующим образом. По
формуле (5) определяют значение lga
T для

. Для каждого сегмента кривой полученное значение вычитают из логарифма смещения по частоте, определенное при построении обобщенной кривой для T
ref. Сдвигая соответствующим образом каждый сегмент вдоль логарифмической оси частот, получают обобщенную кривую для

.
Примечание 4. Нижний предел выбора температуры приведения

почти равен температуре стеклования T
g, а верхний превышает ее приблизительно на 100 °C. Для разных полимеров значение верхнего предела будет неодинаково. Наличие верхнего предела обусловлено тем, что
формула (24) справедлива только в области перехода материала в стеклообразное состояние.
10.2. Представление данных
Данные, полученные в соответствии с настоящим стандартом, представляют в виде трех графиков:
a) зависимости логарифма (по основанию 10) коэффициента потерь от логарифма (по основанию 10) абсолютной величины модуля упругости;
b) зависимости фактора сдвига от температуры;
c) обобщенных кривых для коэффициента потерь и действительной части модуля упругости при заданной температуре приведения (например, комнатной).
Чтобы облегчить интерпретацию обобщенных кривых для температур, отличных от температуры приведения, рекомендуется данные для коэффициента потерь и модуля упругости представить в виде номограммы, как указано в ИСО 10112.
10.3. Протокол испытаний
Протокол испытаний должен включать в себя следующую информацию:
a) ссылку на настоящий стандарт;
b) подробное описание испытуемого материала, включая его тип, происхождение, указания завода-изготовителя и историю обращения с данным образцом (при ее наличии);
c) направление оси изотропии (при ее наличии);
d) дату проведения испытаний;
e) форму и размеры образца;
f) метод подготовки образца к испытаниям;
g) условия кондиционирования образца;
h) число образцов, для которых были проведены испытания;
i) внешние условия, включая относительную влажность и температуру воздуха;
j) описание испытательной установки;
k) последовательность изменения температуры при испытаниях, включая указание начальной и конечной температуры, скорость (или шаг) изменения температуры;
l) таблицу результатов испытаний, включая зависимости действительной и мнимой частей модуля упругости и коэффициента потерь от частоты для каждой температуры, при которой проводились испытания;
m) графики, составленные в соответствии с
10.2.
(справочное)
СВЕДЕНИЯ О СООТВЕТСТВИИ ССЫЛОЧНЫХ МЕЖДУНАРОДНЫХ СТАНДАРТОВ
НАЦИОНАЛЬНЫМ СТАНДАРТАМ РОССИЙСКОЙ ФЕДЕРАЦИИ И ДЕЙСТВУЮЩИМ
В ЭТОМ КАЧЕСТВЕ МЕЖГОСУДАРСТВЕННЫМ СТАНДАРТАМ
Таблица ДА.1
Обозначение ссылочного международного стандарта | Степень соответствия | Обозначение и наименование соответствующего национального стандарта |
ИСО 472 | - | |
ИСО 483 | - | |
ИСО 2041 | IDT | |
ИСО 4664-1 | - | |
ИСО 6721-1 | - | |
ИСО 6721-4 | - | |
ИСО 6721-6 | - | |
ИСО 10112 | IDT | ГОСТ Р ИСО 10112-2002 "Материалы демпфирующие. Графическое представление комплексных модулей упругости" |
ИСО 10846-1 | IDT | ГОСТ Р ИСО 10846-1-2010 "Вибрация. Измерения виброакустических передаточных характеристик упругих элементов конструкций в лабораторных условиях. Часть 1. Общие принципы измерений" |
ИСО 23529 | IDT | ГОСТ ISO 23529-2013 "Резина. Общие методы приготовления и кондиционирования образцов для определения физических свойств" |
<*> Соответствующий национальный стандарт отсутствует. До его утверждения рекомендуется использовать перевод на русский язык данного международного стандарта. Перевод данного международного стандарта находится в Федеральном информационном фонде технических регламентов и стандартов. Примечание. В настоящей таблице использовано следующее условное обозначение степени соответствия стандартов: - IDT - идентичный стандарт. |
[1] POPKOV, V.I., MYSHINSKY, E.L., POPKOV, O.l. Vibroacoustical diagnostic in shipbuilding. Sudostroenie, 1983.
[2] LINA, C. The measurement of the dynamic properties of visco-elastic materials with the aid of a viscoelasticity meter. Dardilli, France.
[3] SNOWDON, J.C. Vibration isolation: Use and characterization. J. Acoust. Soc. Am. 1979, 66, p. 1245 - 1274.
[4] GANERIWALA S., HARTUNG, H. Fourier transform mechanical analysis and phenomenological representation of visco-elastic material behavior. In: CORSARO, R.D., SPERLING, L.H., editors. Sound and vibration damping with polymers, p. 92 - 110. American Chemical Society, Washington, DC, 1990 (ACS Symposium Series, 424.)
[5] POTURAEV, V.N., DYRDA, V.I. Rubber components of machines. Machinostroenie, Moscow, 1977.
[6] SIM, S., KIM, K.J. A method to determine the complex modulus and Poisson's ratio of viscoelastic materials for FEM applications. J. Sound Vibration 1990, 141, p. 71 - 82.
[7] LANGLOIS, C., PANNETON, R., ATALLA, N. Polynomial relations for quasi-static mechanical characterization of isotropic poroelastic materials. J. Acoust. Soc. Am. 2001, 110, p. 3031 - 3040.
[8] FERRY, J.D. Viscoelastic properties of polymers, 3rd edition. Wiley, New York, 1980. 641 p.
[9] ISO 80000-4, Quantities and units - Part 4: Mechanics.