Главная // Актуальные документы // ГОСТ Р (Государственный стандарт)СПРАВКА
Источник публикации
М.: Стандартинформ, 2015
Примечание к документу
Документ
введен в действие с 1 декабря 2015 года.
Название документа
"ГОСТ Р ИСО 18437-3-2014. Национальный стандарт Российской Федерации. Вибрация и удар. Определение динамических механических свойств вязкоупругих материалов. Часть 3. Метод изгибных колебаний консольно закрепленного образца"
(утв. и введен в действие Приказом Росстандарта от 24.10.2014 N 1425-ст)
"ГОСТ Р ИСО 18437-3-2014. Национальный стандарт Российской Федерации. Вибрация и удар. Определение динамических механических свойств вязкоупругих материалов. Часть 3. Метод изгибных колебаний консольно закрепленного образца"
(утв. и введен в действие Приказом Росстандарта от 24.10.2014 N 1425-ст)
Утвержден и введен в действие
по техническому регулированию
и метрологии
от 24 октября 2014 г. N 1425-ст
НАЦИОНАЛЬНЫЙ СТАНДАРТ РОССИЙСКОЙ ФЕДЕРАЦИИ
ВИБРАЦИЯ И УДАР
ОПРЕДЕЛЕНИЕ ДИНАМИЧЕСКИХ МЕХАНИЧЕСКИХ СВОЙСТВ
ВЯЗКОУПРУГИХ МАТЕРИАЛОВ
ЧАСТЬ 3
МЕТОД ИЗГИБНЫХ КОЛЕБАНИЙ КОНСОЛЬНО ЗАКРЕПЛЕННОГО ОБРАЗЦА
Mechanical vibration and shock. Characterization of the
dynamic mechanical properties of visco-elastic materials.
Part 3: Cantilever shear beam method
ISO 18437-3:2005
Mechanical vibration and shock - Characterization of the
dynamic mechanical properties of visco-elastic materials -
Part 3: Cantilever shear beam method
(IDT)
ГОСТ Р ИСО 18437-3-2014
Дата введения
1 декабря 2015 года
1. Подготовлен Открытым акционерным обществом "Научно-исследовательский центр контроля и диагностики технических систем" (АО "НИЦ КД") на основе собственного аутентичного перевода стандарта, указанного в пункте 4.
2. Внесен Техническим комитетом по стандартизации ТК 183 "Вибрация, удар и контроль технического состояния".
3. Утвержден и введен в действие
Приказом Федерального агентства по техническому регулированию и метрологии от 24 октября 2014 г. N 1425-ст.
4. Настоящий стандарт является идентичным по отношению к международному стандарту ИСО 18437-3:2005 "Вибрация и удар. Определение динамических механических свойств вязкоупругих материалов. Часть 3. Метод изгибных колебаний консольно закрепленного образца" (ISO 18437-3:2005 "Mechanical vibration and shock - Characterization of the dynamic mechanical properties of visco-elastic materials - Part 3: Cantilever shear beam method").
При применении настоящего стандарта рекомендуется использовать вместо ссылочных международных стандартов соответствующие им национальные стандарты Российской Федерации и межгосударственные стандарты, сведения о которых приведены в дополнительном
Приложении ДА.
5. Введен впервые.
Правила применения настоящего стандарта установлены в ГОСТ Р 1.0-2012
(раздел 8). Информация об изменениях к настоящему стандарту публикуется в ежегодном (по состоянию на 1 января текущего года) информационном указателе "Национальные стандарты", а официальный текст изменений и поправок - в ежемесячном информационном указателе "Национальные стандарты". В случае пересмотра (замены) или отмены настоящего стандарта соответствующее уведомление будет опубликовано в ближайшем выпуске информационного указателя "Национальные стандарты". Соответствующая информация, уведомление и тексты размещаются также в информационной системе общего пользования - на официальном сайте Федерального агентства по техническому регулированию и метрологии в сети Интернет (gost.ru).
Вязкоупругие материалы широко используются в разных системах, в частности для снижения вибрации в конструкциях посредством потери энергии (демпфирования) или изоляции компонентов и в акустических приложениях, связанных с преобразованием, передачей и поглощением энергии. Для оптимального функционирования таких систем зачастую необходимо, чтобы их элементы обладали заданными динамическими свойствами. Энергетические потери, имеющие место на межмолекулярном уровне, могут быть измерены через запаздывание между деформацией и напряжением в материале. Вязкоупругие свойства (модуль упругости и коэффициент потерь) большинства материалов зависят от частоты, температуры и амплитуды деформации. Выбор материала для каждого конкретного применения определяет рабочие характеристики системы. Настоящий стандарт устанавливает один из методов измерения динамических свойств вязкоупругих материалов - метод изгибных колебаний консольно закрепленного образца. Этот метод предполагает линейность поведения систем при малых амплитудах деформаций.
Настоящий стандарт устанавливает метод изгибных колебаний консольнозакрепленного образца для определения в лабораторных условиях динамических механических свойств эластичных материалов, используемых в виброизоляторах. Особенностью метода является крепление к концам образца специальных установочных блоков, предотвращающих его угловые движения в устройствах зажима и появление связанных с таким движением ошибок. Диапазон частот измерений в соответствии с данным методом - от долей герца до приблизительно 20 кГц.
Настоящий стандарт распространяется на упругие материалы, используемые в виброизоляторах с целью уменьшения:
a) передачи вибрации от машин, сооружений, транспорта, которая впоследствии может излучаться в виде звуковых волн в окружающую среду (воздух, жидкость);
b) передачи низкочастотной вибрации, способной (если уровень вибрации достаточно высок) негативно воздействовать на людей, сооружения или чувствительное оборудование;
Полученные в результате измерений результаты могут быть использованы в целях:
- проектирования эффективных виброизоляторов;
- выбора оптимального материала для виброизолятора;
- теоретических расчетов передачи вибрации через виброизоляторы;
- обеспечения необходимой информацией при изготовлении продукции;
- предоставления необходимой информации предприятиям-изготовителям и поставщикам;
- контроля качества продукции.
Условием применимости метода измерений является линейность динамического поведения виброизолятора. Такой виброизолятор может включать в себя упругие элементы с нелинейной характеристикой зависимости прогиба от статической нагрузки при условии, что под данной статической нагрузкой все эти элементы демонстрируют линейность отклика при воздействиях малых амплитуд.
Измерения с использованием метода, установленного настоящим стандартом, проводят в диапазоне частот, охватывающем одну или две декады, при разных значениях температуры материала. Применение принципа температурно-временной суперпозиции позволяет затем распространить полученные результаты измерений на гораздо более широкий диапазон частот (обычно от 10-3 до 109 Гц для опорного значения температуры), чем тот, в котором реально проводят измерения при данной температуре.
Примечание. В настоящем стандарте под динамическими механическими свойствами понимают функциональные зависимости основных параметров, характеризующих упругие свойства материала, таких как комплексный модуль Юнга, от температуры, частоты и при необходимости от предварительного нагружения.
В настоящем стандарте использованы нормативные ссылки на следующие стандарты:
ИСО 472 Пластмассы. Словарь (ISO 472, Plastics - Vocabulary)
ИСО 2041 Вибрация, удар и контроль состояния. Словарь (ISO 2041, Mechanical vibration, shock and condition monitoring - Vocabulary)
ИСО 4664-1 Резина вулканизированная или термопластичная. Определение динамических свойств. Часть 1. Общее руководство (ISO 4664-1, Rubber, vulcanized or thermoplastic - Determination of dynamic properties - Part 1: General guidance)
ИСО 6721-1 Пластмассы. Определение механических свойств при динамическом нагружении. Часть 1. Общие принципы (ISO 6721-1, Plastics - Determination of dynamic mechanical properties - Part 1: General principles)
ИСО 10112 Демпфирующие материалы. Графическое представление комплексных модулей упругости (ISO 10112, Damping materials - Graphical presentation of the complex modulus)
ИСО 10846-1 Вибрация и акустика. Измерения виброакустических передаточных характеристик упругих элементов в лабораторных условиях. Часть 1. Общие принципы и руководство (ISO 10846-1, Acoustics and vibration - Laboratory measurement of vibro-acoustic transfer properties of resilient elements - Part 1: Principles and guidelines)
ИСО 23529 Каучук и резина. Общие процедуры приготовления и кондиционирования образцов для физических методов испытаний (ISO 23529, Rubber - General procedures for preparing and conditioning test pieces for physical test methods)
В настоящем стандарте применены термины по ИСО 472, ИСО 2041, ИСО 4664-1, ИСО 6721-1, ИСО 10112, ИСО 10846-1 и ИСО 23529, а также следующие термины с соответствующими определениями.
3.1. модуль Юнга (Young modulus) E*: Отношение нормального напряжения (при сжатии или растяжении материала) к вызывающей его нормальной деформации или относительному изменению длины.
Примечание 1. Выражают в паскалях.
Примечание 2. Для вязкоупругих материалов модуль Юнга E* является комплексной величиной, включающей в себя действительную E' и мнимую E" части.
Примечание 3. С физической точки зрения действительная часть модуля Юнга характеризует энергию, накапливаемую при деформации, а мнимая часть - возникающие при этом потери энергии (см. 3.2).
3.2. коэффициент потерь (loss factor): Отношение мнимой части модуля Юнга для данного материала к его действительной части (т.е. тангенс фазового угла комплексного модуля упругости).
Примечание. При наличии потерь энергии в материале изменения механического напряжения запаздывают относительно механической деформации на фазовый угол

. Коэффициент потерь равен

.
3.3. температурно-временная суперпозиция (time-temperature superposition): Принцип эквивалентности для вязкоупругих материалов величин времени и температуры, согласно которому кривую, построенную по данным при одном значении температуры, распространяют на данные, соответствующие другой температуре, посредством сдвига соответствующей кривой вдоль оси частот.
3.4. коэффициент смещения (shift factor): Значение сдвига вдоль логарифмической (по основанию 10) оси частот, при котором происходит совмещение кривой характеристики для одного постоянного значения температуры с кривой для другого постоянного значения температуры.
3.5. температура стеклования (glass transition temperature) Tg: Температура, соответствующая точке излома на графике зависимости удельного объема от температуры, при которой полимер переходит из высокоэластичного в стеклообразное состояние.
Примечание 1. Выражают в градусах Цельсия.
Примечание 2. Температура стеклования является характеристикой свойств материала. Ее обычно определяют по точке излома функциональной зависимости удельной теплоемкости от температуры.
Примечание 3. Tg не является температурой, при которой наблюдается максимум коэффициента потерь. Максимум потерь приходится на температуру, значение которой превышает Tg и зависит от частоты возбуждаемых колебаний.
3.6. упругий материал (resilient material): Вязкоупругий материал, предназначенный для ослабления передачи вибрации, удара или шума.
Примечание. Ослабление может осуществляться упругим материалом, работающим в режиме растяжения, сжатия, кручения, сдвига или в смешанном режиме.
3.7. линейность (linearity): Свойство динамического поведения упругих материалов, при котором соблюдается принцип суперпозиции.
Примечание 1. Принцип суперпозиции формулируется следующим образом: если откликом системы на входной процесс x
1(t) является выходной процесс y
1(t), а откликом на входной процесс x
2(t) - выходной процесс y
2(t), то принцип суперпозиции для данной системы имеет место в том случае, если откликом на входной процесс

(

и

- некие константы) будет выходной процесс

, причем указанное равенство должно соблюдаться при всех значениях

,

, x
1(t) и x
2(t).
Примечание 2. Проверка на линейность способом, непосредственно вытекающим из формулировки принципа суперпозиции, непрактична. Часто для проверки на линейность достаточно проводить измерения модуля упругости для ряда значений в диапазоне возможных входных величин. Если в условиях заданного предварительного нагружения динамический передаточный модуль номинально инвариантен к перестановке входных и выходных величин, то такую систему считают линейной. По сути, проверку на линейность часто заменяют проверкой пропорциональности между откликом системы и ее возбуждением.
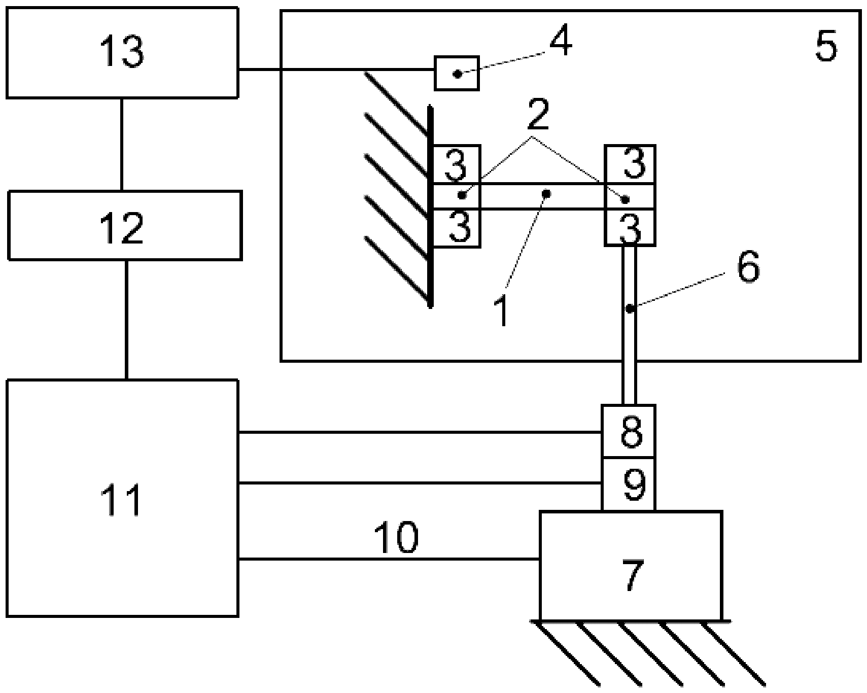
4. Испытательное оборудование
(См. рисунок 1)
1 - балка (образец); 2 - установочный блок;
3 - устройство зажима; 4 - датчик температуры;
5 - климатическая камера; 6 - штанга вибровозбудителя;
7 - электродинамический вибростенд; 8 - датчик силы;
9 - датчик перемещения; 10 - сигнал управления;
11 - система управления; 12 - компьютер;
13 - блок управления температурой
Примечание. Штанга, передающая возбуждение от вибростенда, жестко соединена с зажимным устройством образца.
Рисунок 1. Схема испытательной установки
4.1. Электродинамический вибростенд
Электродинамический вибростенд должен создавать гармонические колебания конца консольной балки на заданной частоте за счет приложения силы, достаточной для создания перемещения с заданной амплитудой вдоль вертикальной оси. Обычно используемый в испытаниях вибростенд обладает следующими характеристиками:
- диапазон частот от 0,3 до 30 Гц;
- номинальная сила более 10 Н;
- амплитуда перемещения около 100 мкм.
4.2. Измерения силы
Обычно значения силы получают по результатам измерений амплитуды и фазы силы тока в управляющей катушке вибростенда. Калибровку вибростенда выполняют с применением грузов известной массы. Как правило, при измерениях силы должны быть выполнены следующие требования:
- диапазон частот от 0,3 до 30 Гц;
- неопределенность менее 0,5%.
4.3. Датчик перемещения
Для уменьшения влияния инерционности датчика предпочтительно использовать датчик бесконтактного типа (например, оптический или вихретоковый), позволяющий измерять амплитуду и фазу перемещения образца и удовлетворяющий следующим требованиям:
- диапазон частот от 0,3 до 30 Гц;
- неопределенность менее 0,5%.
4.4. Устройства для зажима балки
Один конец образца жестко зажимают к раме, используя для этого установочный блок (см.
5.1). Другой конец образца с прикрепленным к нему установочным блоком зажимают с помощью специального устройства, через которое посредством штанги передается возбуждение от вибростенда.
Жесткость штанги и устройства зажима должны в десятки или сотни раз превосходить изгибную жесткость образца, чтобы измеряемое перемещение характеризовало деформацию только самого образца.
Система зажимов должна обеспечить вынужденные изгибные колебания образца как балки с защемленными концами. Вид наблюдаемой при этом деформации показан на рисунке 2.
1 - балка (образец); 2 - установочный блок;
3 - устройство зажима; 4 - штанга вибровозбудителя
Рисунок 2. Принцип деформации образца
Применение установочных блоков (не использовавшихся в прежние годы применения метода) признано необходимым для обеспечения точности и воспроизводимости результатов испытаний (см.
[1]).
4.5. Климатическая камера
В климатической камере образец охлаждают для проведения испытаний при температуре ниже комнатной. Температура должна поддерживаться постоянной до достижения образцом равновесного состояния. После проведения испытаний при заданной температуре ее повышают с шагом 5 °C. Камера должна обеспечивать создание и поддержание температуры в диапазоне от минус 60 °C до плюс 70 °C в пределах 0,5 °C. Датчик температуры должен быть соответствующим образом калиброван.
Примечание 1. Указанный диапазон температур применим для испытаний вязкоупругих материалов с температурой стеклования выше минус 45 °C. Для материалов с более низкой температурой стеклования начальная температура должна быть ниже.
Примечание 2. Некоторые материалы чувствительны к относительной влажности, что может потребовать ее контроля в ходе испытаний.
4.6. Компьютер
Компьютер применяют для автоматизации процедур калибровки, сбора и накопления данных, а также для их обработки.
5.1. Подготовка образца и его установка
Образцы для испытаний, как правило, вырезают из листовой отливки требуемой толщины с помощью ленточной пилы. Установлено, что механическая обработка исходного материала для изготовления образца заданной толщины способна изменить свойства материала. Образец должен быть однородным по каждой оси и иметь концы прямоугольной формы для приклеивания к ним установочных блоков. Размеры образца зависят от его жесткости и от размеров испытательной установки. Типичный образец имеет размеры 15 x 10 x 3 мм.
Размеры образца определяют согласно ИСО 23529 перед его соединением с установочными блоками. Измерения проводят трижды вдоль каждой оси, после чего результаты измерений усредняют и представляют с точностью до четырех значащих цифр.
5.1.2. Установочные блоки
Установочные блоки из стали или алюминия крепят к концам образца и помещают в устройства зажима. Размеры установочных блоков зависят от размеров и конструкции зажимных устройств, но обычно для образцов по
5.1.1 используют блоки 20 x 15 x 5 мм.
5.1.3. Подготовка образца
Образец соединяют с установочными блоками с помощью отвердевающих клеев, таких как эпоксидная смола, уретановая смола или цианоакрилат. Модуль упругости клеящего средства должен быть выше, чем у испытуемого образца, и оставаться неизменным во всем диапазоне температур испытаний. Перед склеиванием поверхность установочных блоков очищают с помощью денатурированного спирта или другого подходящего обезжиривателя. После нанесения клеящего средства следует удалить его излишки, не допуская при этом повреждений образца или установочных блоков.
5.1.4. Установка образца
Образец закрепляют в зажимах для создания деформации, как показано на
рисунке 1. К устройствам зажима не предъявляют каких-либо специальных требований, за исключением того, что они должны быть достаточно жесткими, чтобы обеспечить требуемую деформацию образца. Образец устанавливают в испытательной установке так, чтобы устройства зажима находились в контакте только с установочными блоками. Зажим установочных блоков должен быть плотным, не допускающим проскальзываний.
5.2. Кондиционирование образца
5.2.1. Хранение
Интервал времени между процессом отливки (вулканизацией) образца и его испытаниями, а также время выдерживания образца в заданных условиях перед проведением испытаний - в соответствии с ИСО 23529.
5.2.2. Температура
Перед каждой серией испытаний образцы выдерживают при заданной температуре. Время выдержки должно быть достаточным, чтобы привести образец в тепловое равновесие с воздухом в климатической камере, но не более необходимого и без перегрева, чтобы не допустить искусственного старения образца. Время выдержки зависит от размеров образца и от температуры испытаний. Подробное руководство приведено в ИСО 23529.
5.2.3. Механические воздействия
Обычно механическим воздействиям образец при его кондиционировании не подвергают, поскольку при испытаниях для обеспечения условий свободных колебаний достаточно однократного создания незначительной деформации. Однако в случае больших деформаций следует иметь в виду, что динамические свойства многих вязкоупругих материалов чувствительны к имевшим место ранее механическим и температурным воздействиям. Такие материалы с целью обеспечения воспроизводимости результатов испытаний рекомендуется подвергать предварительному механическому воздействию, позволяющему удалить остаточную "память" материала. Это воздействие состоит в создании не менее шести раз максимальных деформаций при температуре, соответствующей температурному режиму предстоящих испытаний. После механической обработки образец перед испытаниями выдерживают не менее 12 ч для релаксации структуры материала.
5.2.4. Влажность
Известно, что влажность влияет на физические свойства многих упругих материалов, особенно уретанов. Чтобы обеспечить воспроизводимость результатов испытаний, образец выдерживают в контролируемых условиях влажности в течение недели перед испытаниями. Для этого образец помещают в закрытый контейнер с поддерживаемой относительной влажностью воздуха от 50% до 55%. Температура в контейнере при этом должна находиться в интервале от 20 °C до 25 °C. Подробное руководство приведено в ИСО 483.
5.3. Теоретические основы метода
Для реализации метода изгибных колебаний консольно закрепленного образца необходимо приложение силы, обеспечивающей измеримые перемещения образца, как показано на
рисунке 2. Создаваемое заданной силой с амплитудой F, Н, перемещение x(t), м, конца штанги вибровозбудителя зависит от модулей упругости образца и может быть определено решением уравнения

, (1)
где

- угловая частота,

, рад/с;
M - приводимая в движение масса системы, кг;
E' и E" - соответственно, действительная и мнимая части комплексного модуля Юнга образца, Па;
S' и S" - соответственно, действительная и мнимая части комплексной жесткости системы, определяемой при ее калибровке, Па;

- коэффициент вязкого затухания (преимущественно воздушного) системы, определяемый при ее калибровке;

- коэффициент формы образца;
w - ширина образца, м;
t - толщина образца, м;
l - длина образца, м;

- коэффициент Пуассона образца (обычно для эластомеров его полагают равным от 0,45 до 0,49).
Если комплексный модуль Юнга представить в виде

, (2)
то решение
уравнения (1) позволяет получить модули упругости E' и потерь E" в виде:

, (3)

, (4)
где

- фазовый угол между сигналами деформации и напряжения (обусловленный как свойствами материала образца, так и элементами испытательной установки);
K = F/x - эффективная жесткость образца при максимальной силе;

- коэффициент потерь образца.
Примечание 1. Коэффициент потерь

иногда называют "тангенс

" материала.
Примечание 2. Если отношение t/l мало, то погрешность в определении k, вызванная неточным знанием значения коэффициента Пуассона, также мала.
5.4. Калибровка и измерения
Перед тем, как проводить измерения для оценки упругих свойств материала, необходимо определить комплексную жесткость подвески вибровозбудителя и коэффициент вязкого демпфирования по результатам предварительных измерений при отсутствии образца, т.е. при E' = E" = 0. Предварительные измерения выполняют как с установочным блоком (который в данном случае играет роль дополнительной нагружающей массы), так и без него на низкой (обычно 1 Гц) и на высокой (обычно 30 Гц) частотах возбуждения. Четыре возможных сочетания частоты возбуждения и дополнительной массы позволяют исходя из
формулы (1) получить четыре уравнения, решая которые находят комплексную жесткость системы и коэффициент вязкого демпфирования. Указанную процедуру повторяют десять раз, после чего результаты измерений усредняют. Подобную калибровку системы выполняют каждый раз в день проведения испытаний по определению упругих свойств материала.
Кроме того, при каждом проведении калибровки с помощью весов определяют массу подвижной системы вибровозбудителя с точностью до четырех значащих цифр.
После калибровки системы проводят измерения с образцом, закрепленным в испытательной установке согласно
5.1. Сила, прилагаемая к образцу со стороны вибровозбудителя, должна обеспечить заданную амплитуду перемещения конца образца, обычно 64 мкм. Измерения повторяют при разных заданных температурах на разных дискретных частотах в пределах двух декад: обычно на частотах 0,3; 1; 3; 10 и 30 Гц. Для каждого сочетания температуры и частоты возбуждения определяют из
уравнения (1) с известным значением коэффициента формы k комплексный модуль Юнга.
Результаты измерений при одном значении температуры и разных частотах в пределах двух декад образуют отдельную группу данных. Для полного определения динамических механических свойств упругого материала необходимо иметь набор таких групп данных для разных температур вплоть до температуры стеклования.
Примечание. Требования к жесткости подвески и диапазону частот испытательной установки зависят от геометрических размеров испытуемых образцов и диапазонов измерения модулей упругости. Ориентировочно можно указать следующие возможные диапазоны изменения указанных величин: от 0,1 МПа до 3 ГПа для модуля Юнга, от 90 Н/м до 15 МН/м для жесткости и от 0,3 до 30 Гц для частоты возбуждения.
5.4. Число образцов для испытаний
Чтобы получить представление о возможном разбросе значений характеристик упругих свойств материала рекомендуется проводить испытания на не менее чем трех образцах материала.
5.5. Температурный цикл
Измерения выполняют в диапазоне температур обычно от минус 60 °C до плюс 70 °C, изменяя температуру образца по следующему циклу:
- охлаждают закрепленный в испытательной установке образец до температуры минус 60 °C;
- после достижения температурного равновесия выдерживают образец при указанной температуре в пределах +/- 0,1 °C не менее 15 мин, после чего проводят измерения;
- для проведения следующих измерений последовательно повышают температуру образца с шагом 5 °C;
- при каждом новом значении температуры, при которой выполняют измерения, выдерживают образец после достижения температурного равновесия не менее 6 мин. Во время выдержки температура не должна изменяться более чем на +/- 0,1 °C.
6.1. Температурно-временная суперпозиция
Группы данных для модуля упругости и коэффициента потерь, полученные в соответствии с
5.3, подвергают следующей обработке:
a) для каждой группы данных (соответствующих одной температуре измерения) строят сегмент кривой, отображающей зависимость логарифма действительной части модуля Юнга от частоты, также откладываемой в логарифмическом масштабе. Оба логарифма берут по основанию 10;
b) выбирают температуру приведения T0, для которой сегмент кривой имеет наибольшую крутизну, т.е. где производная логарифма действительной части модуля Юнга по логарифму частоты максимальна. Положение сегмента кривой, соответствующей T0, фиксируют в координатных логарифмических осях;
c) последовательно перемещают сегменты кривых для каждой следующей температуры вдоль логарифмической оси частот до тех пор, пока начало кривой следующего сегмента не будет наложено на конец кривой предыдущего сегмента. Поскольку наложение никогда не бывает идеальным, положение следующего сегмента кривой выбирают так, чтобы минимизировать сумму квадратов расстояний между налагаемыми участками. Величину сдвига сегмента кривой, при котором достигнуто наилучшее совпадение налагаемых участков, называют коэффициентом смещения

.
Примечание 1. Подгонку осуществляют по сегментам кривых для действительной части модуля Юнга, поскольку эта величина измеряется с большей точностью и имеет меньший разброс значений, чем коэффициент потерь;
d) при построении зависимости для коэффициента потерь для каждого значения температуры соответствующий ей сегмент кривой для коэффициента потерь сдвигают вдоль оси частот на ту же величину

, что была получена для данной температуры при построении графика действительной части модуля Юнга.
Примечание 2. Материал, для которого применима вышеописанная процедура температурно-временной суперпозиции, называют термореологически простым. Материал, для которого процедура последовательных наложений сегментов кривых неприменима, например вследствие его многофазности или высокой кристалличности, называют термореологически сложным;
e) в результате определения положения всех сегментов кривых вдоль логарифмической оси частот получают обобщенные кривые зависимости действительной части модуля Юнга и коэффициента потерь от частоты, определенные в широком диапазоне частот, для температуры приведения T0.
Примечание 3. Для типичных вязкоупругих материалов обобщенная кривая может быть определена в диапазоне частот от 10-3 до 109 Гц;
f) Строят график зависимости натурального логарифма коэффициента смещения

от температуры и подгоняют эту зависимость под теоретическую кривую, носящую название уравнения Уильямса-Лэндела-Ферри и описываемую формулой (см.
[5]):

, (5)
где c10, c20 - константы для данного полимера;
T - температура;
T0 - температура приведения;
g) Для температуры T
ref, отличной от температуры приведения T
0, обобщенную кривую получают следующим образом. По формуле (5) определяют значение

для T = T
ref. Для каждого сегмента кривой полученное значение вычитают из логарифма смещения по частоте, определенного при построении обобщенной кривой для T
0. Сдвигая соответствующим образом каждый сегмент вдоль логарифмической оси частот, получают обобщенную кривую для T
ref.
Примечание 4. Нижний предел выбора температуры приведения Tref почти равен температуре стеклования Tg, а верхний превышает ее приблизительно на 100 °C. Для разных полимеров значение верхнего предела неодинаково. Наличие верхнего предела обусловлено тем, что уравнение Уильямса-Лэндела-Ферри справедливо только в области перехода материала в стеклообразное состояние.
6.2. Представление данных
Данные, полученные в соответствии с настоящим стандартом, представляют в виде трех графиков:
a) зависимости логарифма (по основанию 10) коэффициента потерь от логарифма (по основанию 10) модуля упругости (действительной части модуля Юнга);
b) зависимости коэффициента смещения от температуры;
c) обобщенных кривых для коэффициента потерь и модуля упругости при заданной температуре приведения (например, комнатной).
Примечание. График зависимости логарифма коэффициента потерь от логарифма модуля упругости содержит все данные безотносительно к температуре и частоте. Этот график служит для проверки непротиворечивости данных. Точки, значительно отклоняющиеся от ожидаемой кривой в виде "перевернутого U", следует отбросить.
Чтобы облегчить интерпретацию обобщенных кривых для температур, отличных от температуры приведения, рекомендуется данные для коэффициента потерь и модуля упругости представить в виде номограммы, как указано в ИСО 10112.
6.3. Протокол испытаний
Протокол испытаний должен включать в себя следующую информацию:
a) ссылку на настоящий стандарт;
b) подробное описание испытуемого материала, включая его тип, происхождение, код завода-изготовителя и историю обращения с данным образцом (при ее наличии);
c) направление оси изотропии (при ее наличии);
d) дату проведения испытаний;
e) форму и размеры образца;
f) метод подготовки образца к испытаниям;
g) условия кондиционирования образца;
h) число образцов, для которых были проведены испытания;
i) внешние условия, включая относительную влажность воздуха;
j) описание испытательной установки;
k) последовательность изменения температуры при испытаниях, включая указание начальной и конечной температуры, скорость (или шаг) изменения температуры;
l) таблицу результатов испытаний, включая зависимости действительной и мнимой частей модуля Юнга и коэффициента потерь от частоты для каждой температуры, при которой проводились испытания;
m) графики, построенные в соответствии с
6.2.
(справочное)
ЛИНЕЙНОСТЬ УПРУГИХ МАТЕРИАЛОВ
В общем случае динамические свойства виброизолятора зависят от предварительного статического нагружения, амплитуды вибрации, частоты и температуры.
Предположение о линейности подразумевает выполнение принципа суперпозиции и независимость динамической жесткости на данной частоте от амплитуды возбуждения. Для многих виброизоляторов это предположение можно считать обоснованным, если при соответствующем статическом нагружении амплитуда деформации мала по сравнению со статическим прогибом. Однако соблюдение принципа линейности зависит от материалов, из которых изготовлены виброизоляторы, поэтому необходимо выполнять простую проверку, наблюдая за тем, изменяется ли динамическая жесткость образца с изменением уровня входного возбуждения. Если не изменяется, то поведение образца считают линейным.
В
[6] приведены сведения о модуле и фазе динамического модуля сдвига бутилкаучука в зависимости от амплитуды деформации при разных долях саженаполнителя в материале. Для относительных амплитуд менее 10
-3 модуль и фазовый сдвиг частотной характеристики слабо зависят от амплитуды вибрации. Однако для амплитуд, превышающих 2 x 10
-3, наблюдается существенное понижение динамической жесткости, особенно для материалов с высоким содержанием сажи.
Поэтому для проведения проверки виброизоляторов на линейность необходимо знать, какие уровни деформации имеют место в условиях применения. Условия испытаний должны соответствовать условиям применения виброизоляторов. Если в условиях применения относительная деформация не превышает 10-3, то с большой долей уверенности можно говорить о соблюдении принципа линейности (подразумевая под этим независимость жесткости от амплитуды возбуждения и соблюдение принципа взаимности).
В последнее время, особенно в автомобилестроении, все более широкое распространение получают гидравлические опоры. Поведение виброизоляторов такого типа может характеризоваться значительным отклонением от линейности, когда жесткость опоры будет существенно зависеть от амплитуды вибрации. Поскольку гидравлические опоры выполняют двойную функцию: защищают двигатель от вибрации, обусловленной неровностями дорожного покрытия, и защищают корпус автомобиля от более высокочастотной вибрации, создаваемой двигателем, - испытания таких виброизоляторов с применением соответствующих амплитуд возбуждения следует проводить в разных диапазонах частот, соответствующих этим функциям (см.
[7] -
[10]).
Иногда заранее известно, что принцип линейности для виброизолятора данного вида не соблюдается. В таких случаях еще возможно получение необходимой информации о частотных характеристиках виброизолятора с применением методов, установленных в ИСО 10846-1. При этом, как правило, необходимо определить, какие частотные характеристики при каких значениях предварительного нагружения и амплитуд должны быть получены.
(справочное)
ТЕМПЕРАТУРНО-ВРЕМЕННАЯ СУПЕРПОЗИЦИЯ
Предполагается, что результаты измерений комплексного модуля упругости достоверны, т.е. получены в полном соответствии с применяемым методом. С целью проверки непротиворечивости данных, соответствующих разным значениям температуры и частоты, их отображают в виде графика зависимости логарифма коэффициента потерь от логарифма модуля упругости (действительной части модуля Юнга). Если данные получены для термореологически простого материала и в них отсутствует разброс, то они лягут на одну гладкую кривую, по форме напоминающую дугу. Поскольку на графике отложены исходные данные (без внесения сдвига), то возможный разброс точек относительно гладкой кривой нельзя отнести за счет процедуры сдвига.
Построенный график полезен для качественной оценки достоверности экспериментальных данных. Вследствие некоторого разброса данных график будет иметь вид не гладкой линии, а полосы, ширина которой характеризует степень разброса. При этом по построенному графику нельзя вынести суждение о точности измерений температуры или частоты, а также о наличии какого-либо смещения данных.
В общем случае комплексный модуль Юнга E* вязкоупругого материала является функцией частоты f и температуры T, т.е.
E* = E*(f, T). (B.1)
В случае термореологически простого материала формулу (B.1) можно представить в виде зависимости от произведения частоты f на время релаксации

, которое, в свою очередь, зависит от температуры, т.е.

. (B.2)
Из формулы (B.2) следует, что одно и то же изменение E* может быть получено как за счет изменения частоты, так и за счет изменения температуры. Это позволяет ввести фактор сдвига

в виде отношения времени релаксации при данной температуре T к времени релаксации при температуре приведения T
0, т.е.

. (B.3)
Тогда комплексный модуль Юнга может быть представлен как

, (B.4)
что позволяет ввести понятие приведенной частоты fR:

. (B.5)
Комплексный модуль может, таким образом, быть представлен двумя эквивалентными способами:

, (B.6)
так что значение модуля, измеренное при частоте f и температуре T, будет равно значению модуля при приведенной частоте f
R и температуре приведения T
0. Приведенная частота может быть много больше (на множитель

) частоты измерения f, поэтому результаты измерений, выполненных при разных температурах на одной частоте, будут эквивалентны данным в более широком диапазоне частот.
Вышеприведенные рассуждения демонстрируют теоретическое обоснование введения фактора сдвига

. Значение фактора сдвига и смысл наименования данной функции могут быть проиллюстрированы графически. Рассмотрим построенные в логарифмических координатах графики зависимости экспериментальных данных E' от частоты как набор изотерм. Возьмем одну из таких изотерм, соответствующую температуре приведения. График, соответствующий следующей изотерме, можно постепенно сдвигать вдоль оси частот до тех пор, пока начальный участок его кривой не наложится (совпадет) на конечный участок предыдущей изотермы. Эту процедуру повторяют последовательно со всеми изотермами при температурах как выше, так и ниже температуры приведения. Результатом будет функция E', известная как обобщенная кривая, определенная на широком интервале частот. Величина сдвига изотермы вдоль оси частот, необходимая для перекрытия кривых, является функцией температуры. График этой функции может быть сопоставлен с теоретической зависимостью Уильямса-Лэндела-Ферри (
[3],
[8]).
Более подробное руководство по построению обобщенной кривой можно найти в
[9], где изложены теория выборочных данных, метода сдвига, определения фактора сдвига, аналитического и графического представления данных в форме частотно-температурной номограммы для стандартного материала.
(справочное)
СВЕДЕНИЯ О СООТВЕТСТВИИ ССЫЛОЧНЫХ МЕЖДУНАРОДНЫХ СТАНДАРТОВ
НАЦИОНАЛЬНЫМ СТАНДАРТАМ РОССИЙСКОЙ ФЕДЕРАЦИИ И ДЕЙСТВУЮЩИМ
В ЭТОМ КАЧЕСТВЕ МЕЖГОСУДАРСТВЕННЫМ СТАНДАРТАМ
Таблица ДА.1
Обозначение ссылочного международного стандарта | Степень соответствия | Обозначение и наименование соответствующего национального стандарта |
ИСО 472 | - | |
ИСО 2041 | IDT | |
ИСО 4664-1 | - | |
ИСО 6721-1 | - | |
ИСО 10112 | IDT | ГОСТ Р ИСО 10112-2002 "Материалы демпфирующие. Графическое представление комплексных модулей упругости" |
ИСО 10846-1 | IDT | ГОСТ Р ИСО 10846-1-2010 "Вибрация. Измерения виброакустических передаточных характеристик упругих элементов конструкций в лабораторных условиях. Часть 1. Общие принципы измерений" |
ИСО 23529 | IDT | ГОСТ ISO 23529-2013 "Резина. Общие методы приготовления и кондиционирования образцов для определения физических свойств" |
<*> Соответствующий национальный стандарт отсутствует. До его утверждения рекомендуется использовать перевод на русский язык данного международного стандарта. Перевод данного международного стандарта находится в Федеральном информационном фонде технических регламентов и стандартов. Примечание. В настоящей таблице использовано следующее условное обозначение степени соответствия стандартов: - IDT - идентичный стандарт. |
[1] DLUBAC, J.J., LEE, G.F., DUFFY, J.V., DEIGAN, R.J. and LEE, J.D. Sound and Vibration Damping with Polymers. Edited by R.D. Corsatro and L.H. Sperling, ACS Symposium Series No. 424, 1990, pp. 49 - 62
[2] ROARK, R.J. Formulas for Stress and Strain. 3rd ed. New York, McGraw-Hill 1954
[3] FERRY, J.D. Visco-elastic Properties of Polymers. 3rd ed., John Wiley & Sons, New York, 1980
[4] FREAKLEY, P.K. and PAYNE, A.R. Theory and practice of engineering with rubber: Applied Science Publishers, London, 1978
[5] HARTEL, V. and HOFMANN, M. Latest design for engine mountings. VDI-Berichte 499. Dusseldorf: VDIVerlag, 1983 (in German)
[6] FLOWER, W.C. Understanding hydraulic mounts for improved vehicle noise, vibration and ride qualities. SAE paper 8509075. Soc. Autom. Eng., Inc., Warrendale, PA 15096, May 1985
[7] CREDE, C.E. Vibration and Shock Isolation. John Wiley & Sons, New York, 1951
[8] Shock and Vibration Handbook. 5th edition. Edited by C.M. Harris and A.G. Piersol. McGraw Hill, 2002
[9] ANSI S2.24-2001, American National Standard Graphical Presentation of the Complex Modulus of Visco-elastic Materials
[10] ISO 483:1988, Plastics - Small enclosures for conditioning and testing using aqueous solutions to maintain relative humidity at constant value
[11] ISO 18437-2:2005, Mechanical vibration and shock - Characterization of the dynamic mechanical properties of visco-elastic materials - Part 2: Resonance method