Главная // Актуальные документы // ГОСТ Р (Государственный стандарт)СПРАВКА
Источник публикации
М.: Стандартинформ, 2016
Примечание к документу
Документ
введен в действие с 1 мая 2017 года.
Название документа
"ГОСТ Р 57204-2016. Национальный стандарт Российской Федерации. Ткани с резиновым или пластмассовым покрытием для авиационных надувных средств спасения. Общие технические требования и методы испытаний"
(утв. и введен в действие Приказом Росстандарта от 01.11.2016 N 1562-ст)
"ГОСТ Р 57204-2016. Национальный стандарт Российской Федерации. Ткани с резиновым или пластмассовым покрытием для авиационных надувных средств спасения. Общие технические требования и методы испытаний"
(утв. и введен в действие Приказом Росстандарта от 01.11.2016 N 1562-ст)
Утвержден и введен в действие
агентства по техническому
регулированию и метрологии
от 1 ноября 2016 г. N 1562-ст
НАЦИОНАЛЬНЫЙ СТАНДАРТ РОССИЙСКОЙ ФЕДЕРАЦИИ
ТКАНИ С РЕЗИНОВЫМ ИЛИ ПЛАСТМАССОВЫМ ПОКРЫТИЕМ
ДЛЯ АВИАЦИОННЫХ НАДУВНЫХ СРЕДСТВ СПАСЕНИЯ
ОБЩИЕ ТЕХНИЧЕСКИЕ ТРЕБОВАНИЯ И МЕТОДЫ ИСПЫТАНИЙ
Fabrics with rubber or plastic coating for aviation
inflatable survival equipment. General technical
requirements and test methods
ГОСТ Р 57204-2016
Дата введения
1 мая 2017 года
1 РАЗРАБОТАН Федеральным государственным унитарным предприятием "Всероссийский научно-исследовательский институт авиационных материалов" совместно с Автономной некоммерческой организацией "Центр нормирования, стандартизации и классификации композитов" при участии Объединения юридических лиц "Союз производителей композитов"
2 ВНЕСЕН Техническим комитетом по стандартизации ТК 497 "Композиты, конструкции и изделия из них"
3 УТВЕРЖДЕН И ВВЕДЕН В ДЕЙСТВИЕ
Приказом Федерального агентства по техническому регулированию и метрологии от 1 ноября 2016 г. N 1562-ст
4 ВВЕДЕН ВПЕРВЫЕ
Правила применения настоящего стандарта установлены в статье 26 Федерального закона от 29 июня 2015 г. N 162-ФЗ "О стандартизации в Российской Федерации". Информация об изменениях к настоящему стандарту публикуется в ежегодном (по состоянию на 1 января текущего года) информационном указателе "Национальные стандарты", а официальный текст изменений и поправок -
в ежемесячном информационном указателе "Национальные стандарты". В случае пересмотра (замены) или отмены настоящего стандарта соответствующее уведомление будет опубликовано в ежемесячном информационном указателе "Национальные стандарты". Соответствующая информация, уведомление и тексты размещаются также в информационной системе общего пользования -
на официальном сайте Федерального агентства по техническому регулированию и метрологии в сети Интернет (www.gost.ru)
Задаче обеспечения безопасности полетов пассажиров и членов экипажа в условиях с ограниченным аварийным покиданием воздушного судна придают большое значение. Согласно данным статистики летных происшествий одной из основных причин гибели людей при летных происшествиях является пожар, возникающий вследствие аварийного приземления воздушного судна. В настоящее время в конструкции воздушного судна широко применяют полимерные материалы, которые при возникновении пожара легко воспламеняются с выделением при горении большого количества тепла и дыма. Эвакуацию людей из салона самолета проводят по аварийно-спасательным трапам. За рубежом материалы, используемые для изготовления спасательных трапов - надувной оболочки, дорожки скольжения, должны отвечать требованиям технического стандарта TSO-C69c
[1].
В настоящее время на российских самолетах и вертолетах применяют отечественные спасательные средства на основе прорезиненных тканей или зарубежные материалы на основе тканей с двухсторонним полиуретановым покрытием. Недостатками отечественных спасательных средств являются несоответствие требованиям по массе, стойкости к воздействию теплового излучения (для надувной оболочки), горючести (для дорожки скольжения), газопроницаемости и технологичности (для баллонетов). Поэтому требуется регламентировать уровень показателей свойств тканей (или материалов), применяемых для авиационных надувных средств спасения.
Настоящий стандарт распространяется на ткани с резиновым или пластмассовым покрытием, применяемые для изготовления авиационных надувных средств спасения пассажиров и членов экипажа самолетов и вертолетов: аварийного спасательного трапа, баллонетов (далее - ткани с покрытием).
В настоящем стандарте использованы нормативные ссылки на следующие стандарты:
ГОСТ 9.048 Единая система защиты от коррозии и старения. Изделия технические. Методы лабораторных испытаний на стойкость к воздействию плесневых грибов
ГОСТ 9.049 Единая система защиты от коррозии и старения. Материалы полимерные и их компоненты. Методы лабораторных испытаний на стойкость к воздействию плесневых грибов
ГОСТ 6768 Резина и прорезиненная ткань. Метод определения прочности связи между слоями при расслоении
ГОСТ 10354 Пленка полиэтиленовая. Технические условия
ГОСТ 17316 Кожа искусственная. Метод определения разрывной нагрузки и удлинения при разрыве
ГОСТ 24957 Кожа искусственная и синтетическая. Маркировка, упаковка, транспортирование и хранение
ГОСТ 28787 (ИСО 3303-90) Ткани с резиновым или пластмассовым покрытием. Определение прочности на прорыв
ГОСТ 29062 (ИСО 2231-89) Ткани с резиновым или пластмассовым покрытием. Стандартные условия кондиционирования и испытания
ГОСТ 30303 (ИСО 1421-77) Ткани с резиновым или пластмассовым покрытием. Определение разрывной нагрузки и удлинения при разрыве
Примечание - При пользовании настоящим стандартом целесообразно проверить действие ссылочных стандартов в информационной системе общего пользования - на официальном сайте Федерального агентства по техническому регулированию и метрологии в сети Интернет или по ежегодному информационному указателю "Национальные стандарты", который опубликован по состоянию на 1 января текущего года, и по выпускам ежемесячного информационного указателя "Национальные стандарты" за текущий год. Если заменен ссылочный стандарт, на который дана недатированная ссылка, то рекомендуется использовать действующую версию этого стандарта с учетом всех внесенных в данную версию изменений. Если заменен ссылочный стандарт, на который дана датированная ссылка, то рекомендуется использовать версию этого стандарта с указанным выше годом утверждения (принятия). Если после утверждения настоящего стандарта в ссылочный стандарт, на который дана датированная ссылка, внесено изменение, затрагивающее положение, на которое дана ссылка, то это положение рекомендуется применять без учета данного изменения. Если ссылочный стандарт отменен без замены, то положение, в котором дана ссылка на него, рекомендуется применять в части, не затрагивающей эту ссылку.
В настоящем стандарте применены следующие термины с соответствующими определениями:
3.1 аварийный трап (emergency ladder): Средство, применяемое для облегчения спуска пассажиров из аварийных выходов, расположенных на уровне пола кабины, или с поверхности крыла воздушного судна после аварийной посадки на землю.
3.2 баллонет (ballonet): Надувное средство спасения, защищающее членов экипажа вертолета от травм при аварийной эвакуации.
3.3 ткань (fabric): Текстильное полотно, изготовленное на ткацком станке переплетением двух систем нитей, расположенных взаимно перпендикулярно или под другим заданным углом.
3.4 покрытие (covering): Нанесенный на объект относительно тонкий поверхностный слой из другого материала.
3.5 ткани прорезиненные (fabrics with a rubber coating): Ткани, покрытые с одной или двух сторон резиной.
3.6 ткань с покрытием (coated fabric): Ткань, покрытая или пропитанная композицией, как правило, на основе высокомолекулярных органических соединений.
3.7 разрывная нагрузка (explosive loading): Максимальная нагрузка в ньютонах, приложенная к испытуемому образцу в момент его разрыва.
3.8 отслаивание (delamination): Процесс разделения слоев (например, ткани от покрытия).
3.9 прочность связи между слоями при расслаивании (communication durability between layers when stratifying): Сила, необходимая для расслаивания многослойного образца при заданных условиях испытания, отнесенная к ширине образца.
3.10 прочность при отслаивании, предел прочности при отслаивании, прочность на отслаивание (peel strength): Разрушающая нагрузка клеевого соединения гибкой и жесткой подложек при приложении усилия под углом от 90° до 180° к продольной оси жесткой подложки, приведенная к ширине клеевого шва.
3.11 горючесть (combustibility): Способность веществ (материалов) к горению, то есть к сложному физико-химическому окислительному процессу, сопровождающемуся интенсивным выделением тепла.
3.12 стойкость к воздействию теплового потока (resistance to influence of a thermal stream): Время, в течение которого материал сохраняет герметичность при воздействии теплового потока.
3.13 газопроницаемость (gas permeability): Способность пленочных материалов пропускать газ при наличии перепада давления.
3.14 гидролиз (hydrolysis): Разложение различных химических соединений и материалов водой.
3.15 стойкость к гидролизу (resistance to hydrolysis): Устойчивость материала к воздействию воды при заданных условиях испытания.
3.16 биостойкость, грибостойкость (biofirmness, fungiresistance): Способность материала противостоять действию продуктов жизнедеятельности живых организмов, микроорганизмов и грибов.
3.17 электрическая проводимость, проводимость (electrical conductance, conductivity): Способность тела проводить электрический ток, а также физическая величина, характеризующая эту способность.
3.18 прочность на прорыв (durability on a puncture): Сила в ньютонах, необходимая для прорыва испытуемого образца пробойником.
3.19 барботер (bubbler): Устройство для пропускания через слой жидкости пузырьков газа или пара, диспергируемых погруженными в жидкость специальными конструктивными элементами - перфорированными трубами, тарелками с отверстиями, колпачками и т.п.
3.20 пленочный материал (film material): Сплошной тонколистовой гибкий материал, очень малой толщины.
4.1 Классификация по области применения
Ткани с покрытием в зависимости от назначения подразделяют на три вида:
- вид 1: для надувной оболочки спасательного трапа;
- вид 2: для дорожки скольжения спасательного трапа;
- вид 3: для баллонета.
4.2 Классификация по технологии изготовления
4.2.1 В зависимости от числа слоев текстильного материала: однослойные, двухслойные, многослойные (от трех слоев и более) и диагонально дублированные ткани.
4.2.2 В зависимости от нанесения покрытия: ткани с односторонним и двухсторонним покрытием.
4.2.3 В зависимости от применяемой текстильной основы под покрытие: на технической ткани, трикотажном полотне, нетканом полотне.
5.1 Ткань с покрытием, предназначенная для изготовления надувной оболочки трапа, должна соответствовать основным требованиям, указанным в таблице 1.
Таблица 1
Наименование показателя | Норма | Подраздел методов испытаний |
1 Разрывная нагрузка, Н, основа/уток при ширине рабочего участка 50 мм, не менее | 1700/1700 | |
2 Прочность связи покрытия с основой, Н/мм, не менее | 0,87 | |
3 Горючесть | Самозатухающий | |
4 Стойкость к воздействию теплового потока 1,7 Вт/см2, с, не менее | 180 | |
5 Газопроницаемость по водороду, л/(м2·сут), не более | 10 | |
| Потеря давления в образцах не должна быть выше потери давления образцов перед гидролизом (исходных) | |
7 Грибостойкость, балл, не более | 2 | |
8 Воздухонепроницаемость на техническом устройстве типа "Градовец" | Не течет | |
5.2 Ткань с покрытием, предназначенная для изготовления дорожки скольжения трапа, должна соответствовать основным требованиям, указанным в таблице 2.
Таблица 2
Наименование показателя | Норма | Подраздел методов испытаний |
1 Разрывная нагрузка, Н, основа/уток при ширине рабочего участка 50 мм, не менее | 1700/1700 | |
2 Прочность связи покрытия с основой, Н/мм, не менее | 0,87 | |
3 Горючесть | Самозатухающий | |
4 Грибостойкость, балл, не более | 2 | |
5 Электрическая проводимость, мОм, не более | 0,1 | |
6 Предел прочности на прорыв Разрушающее усилие, Н (прочность на прорыв), не менее | 270 | |
5.3 Ткань с покрытием, предназначенная для изготовления баллонетов, должна соответствовать основным требованиям, указанным в таблице 3.
Таблица 3
Наименование показателя | Норма | Подраздел методов испытаний |
1 Разрывная нагрузка, Н, основа/уток при ширине рабочего участка 50 мм, не менее | 1700/1700 | |
2 Прочность связи покрытия с основой, Н/мм, не менее | 0,87 | |
3 Газопроницаемость по водороду, л/(м 2·сут), не более | 8 | |
4 Грибостойкость, балл, не более | 2 | |
5 Воздухонепроницаемость на техническом устройстве типа "Градовец" | Не течет | |
5.4 Ткани с покрытием, применяемые для изготовления авиационных надувных средств спасения, после воздействия теплового старения должны сохранять не менее 90% свойств, указанных в 5.1 (
показатели 1 -
6), 5.2 (
показатели 1 -
5), 5.3 (
показатели 1 -
3).
5.5 Поверхность ткани с покрытием должна быть ровной, без утолщений и расслоений, не липкой. На поверхности ткани с покрытием не допускают надрывов, складок, нарушения и отслоения покрытия. Недопустимые дефекты отмечают с обеих сторон клеймом со штемпельной или другой несмываемой быстровысыхающей краской контрастного цвета со знаком "X", что означает условный вырез. В общую длину производственного куска участки условного выреза не входят.
Для оценки внешнего вида тканей с покрытием допускается применение контрольных образцов, утвержденных в установленном порядке.
6.1 Ткани с покрытием должны быть плотно и ровно намотаны в рулоны лицевой стороной внутрь на картонные или деревянные ролики, обернутые в полиэтиленовую пленку по
ГОСТ 10354. Диаметр картонных роликов должен быть не менее 60 мм, а деревянных - не менее 35 мм. Ширина рулона определяется шириной ткани и должна составлять не менее 90 см и не более 200 см. Рулоны оборачивают в полиэтиленовую пленку в соответствии с ГОСТ 24957. В рулоне допускается несколько отрезов, длина наименьшего отреза 5 м. На отрезах не допускаются условные вырезы, содержащие недопустимые дефекты согласно
5.5. Масса упаковочной единицы не должна превышать 50 кг.
6.2 На внешнем конце каждого рулона материала должна быть наклеена этикетка, содержащая:
- наименование предприятия-изготовителя;
- наименование материала;
- номер партии;
- количество ткани с покрытием в рулоне, м (погонной длины);
- количество отрезов, шт.;
- номер рулона;
- дату изготовления (число, месяц, год);
- гарантийный срок хранения;
- обозначение настоящего стандарта.
7.1 Определение разрывной нагрузки
Образцы кондиционируют по ГОСТ 29062.
Разрывную нагрузку определяют по ГОСТ 30303 (арбитражный) или ГОСТ 17316 на готовых образцах тканей с покрытием.
7.2 Определение прочности связи покрытия с основой
Образцы кондиционируют по ГОСТ 29062.
Прочность связи покрытия с основой определяют по
ГОСТ 6768 на готовых образцах тканей с покрытием.
7.3 Определение горючести
7.3.1 Горючесть определяют по авиационным правилам (АП-25) приложение F, часть 1
[2].
Определение горючести тканей с покрытием рекомендуется проводить на готовых образцах по авиационным правилам (АП-25) приложение F, часть 1
[2].
Сущность метода заключается в воздействии пламени газовой горелки на образец и установлении продолжительности времени горения и тления образца после удаления газовой горелки, потери массы образца, максимальной длины обугленного участка.
7.3.2 Испытания проводят на образцах длиной 290 мм и шириной 70 мм по основе и утку. Количество образцов должно быть не менее трех в каждом направлении.
Образцы перед испытанием кондиционируют в течение не менее 24 ч при относительной влажности (50 +/- 10)% и температуре (23 +/- 2) °C. Допускается проводить кондиционирование при влажности (65 +/- 5)% и температуре (20 +/- 2) °C.
7.3.3 Испытания образца проводят в специальной камере. Температура в камере прибора перед началом испытаний должна быть не более 60 °C.
Устанавливают высоту пламени газовой горелки 40 мм. Температура пламени должна быть не менее 840 °C.
7.3.4 Испытания проводят при вертикальном расположении образца и времени воздействия пламени 12 с.
Для проведения испытания образец зажимают в металлическую рамку за две длинные стороны и вставляют в держатель, расположенный в верхней части. К середине нижнего торца образца подводят зажженную горелку таким образом, чтобы пламя было параллельно плоскости образца, и образец был погружен в него на глубину 20 мм. В тот же момент включают секундомер. После воздействия пламени газовой горелки в течение 12 с горелку удаляют и наблюдают за самостоятельным горением и тлением. После окончания горения и тления секундомер выключают.
7.3.5 Для каждого испытуемого образца определяют следующие показатели, характеризующие норму горючести: время воспламенения образца, время самостоятельного горения, время тления, продолжительность горения капель, длину обуглившейся части образца, потерю массы образца.
7.3.6 Испытуемые в вертикальном положении материалы по степени горючести классифицируются по следующим группам:
- группа 1. Трудносгорающие - материалы, у которых после удаления источника пламени не наблюдается остаточное горение и тление, а средняя длина прогоревшей части равна менее 170 мм;
- группа 2. Самозатухающие - материалы, у которых после удаления источника пламени остаточное горение и тление длится не более 15 с, а средняя длина прогоревшей части равна менее 203 мм.
Все материалы, не удовлетворяющие требованиям вышеуказанных категорий, классифицируют как сгорающие.
7.3.7 Протокол испытаний
Протокол испытаний должен содержать:
- наименование, марку и толщину ткани с покрытием;
- предприятие-изготовитель и заказчика испытаний;
- условия кондиционирования образцов;
- продолжительность экспозиции пламенем горелки, с;
- продолжительность остаточного горения, тления, с;
- длину обугливания, мм;
- продолжительность горения капель, с;
- классификацию по
7.3.6;
- дату испытания и фамилию лица, проводившего испытания.
7.4 Определение стойкости к воздействию теплового потока мощностью 1,7 Вт/см2
7.4.1 Сущность метода
Сущность метода заключается в создании необходимого задаваемого избыточного давления в герметичном модуле, лицевая стенка которого является образцом испытуемой ткани с покрытием. На испытуемый образец воздействует постоянный по величине тепловой поток заданной интенсивности. По уменьшению давления в герметичном модуле судят о времени сохранения работоспособности ткани с покрытием.
7.4.2 Аппаратура и материалы
Испытания проводят на установке, схема которой приведена на рисунке 1.
1 - испытательный модуль с образцом; 2 - образец
герметичного тканевого материала; 3 - крепежное кольцо;
4 - датчик для измерения давления в испытательном модуле;
5 - подача сжатого воздуха в испытательный модуль;
6 - электрическая печь (источник теплового потока);
7 - калориметр
Рисунок 1 - Схема установки для определения стойкости
к воздействию теплового потока (вид сбоку)
Испытуемый образец ткани с покрытием (диаметром 180 мм) монтируют на испытательном модуле (1) и создают в модуле избыточное давление заданной величины при помощи магистрали сжатого воздуха. Модуль на опорной раме крепят таким образом, чтобы на образец воздействовал тепловой поток заданной интенсивности от электропечи (6). В процессе испытания наблюдают за изменением давления в испытательном модуле при помощи датчика давления (4).
При проведении испытаний используют сжатый воздух давлением 101325 Па (1 атм).
7.4.3 Регистрируемые параметры и критерии оценки
При проведении испытаний регистрируют изменение давления в испытательном модуле. Рекомендуется использовать систему с непрерывной регистрацией давления. Допускается измерение регистрации давления с интервалом не реже 1 раза в 10 с.
За потерю работоспособности материала принимают момент времени, при котором начинает регистрироваться уменьшение избыточного давления в испытательном модуле.
Время сохранения работоспособности при заданной величине теплового потока - продолжительность времени от начала воздействия теплового потока на образец материала и до момента потери работоспособности.
7.4.4 Подготовка образцов
Для испытания должно быть подготовлено не менее трех образцов.
Образцы кондиционируют при температуре (23 +/- 2) °C и относительной влажности (50 +/- 10)% не менее 24 ч. Каждый образец должен оставаться в кондиционированных условиях до тех пор, пока он не будет подвергнут испытаниям.
7.4.5 Подготовка оборудования
Включают оборудование и прогревают для выхода на рабочий режим в течение не менее 0,5 ч.
Устанавливают калориметр перед электропечью (на расстоянии не менее 5 см) и, регулируя подаваемое напряжение, выводят электропечь на режим, обеспечивающий необходимую величину заданного теплового потока. Измерение величины теплового потока проводят не менее чем через 0,5 ч после каждого изменения напряжения.
7.4.6 Проведение испытаний
Устанавливают образец на испытательном модуле между герметизирующими прокладками и закрепляют его при помощи крепежного кольца и гаек.
В испытательный модуль подают сжатый воздух до создания в нем необходимого рабочего избыточного давления (заданного условиями испытаний, указанного в нормативной документации на конструкцию изделия). Проверяют наличие герметичного соединения, падение давления воздуха в испытательном модуле за 10 мин не должно превышать 5%.
Проверяют расстояние от электропечи до поверхности образца, оно должно быть равным расстоянию от электропечи до калориметра, которое составляет не менее 5 см.
Устанавливают калориметр перед электропечью и проверяют величину падающего на образец теплового потока.
Помещают испытательный модуль с образцом перед электропечью. Включают секундомер и начинают отсчет времени от начала испытания.
Регистрируют момент начала падения давления в испытательном модуле. Момент падения давления - это уменьшение показания давления на 5% от предыдущего показания давления.
7.4.7 Протокол испытаний
Протокол испытаний должен содержать:
- наименование, марку и толщину материала;
- предприятие-изготовитель и заказчика испытаний;
- условия кондиционирования образцов;
- величину теплового потока, Вт/см2;
- величину рабочего давления, Па;
- время сохранения работоспособности, с;
- расстояние от электропечи до образца, см;
- дату испытания и фамилию лица, проводившего испытания.
7.5 Определение газопроницаемости по водороду
7.5.1 Сущность метода
Сущность метода заключается в измерении объемной концентрации водорода, прошедшего за определенный промежуток времени через заданную площадь образца в верхнюю камеру устройства.
7.5.2 Подготовка образцов
Образцы для испытания должны быть вырезаны на расстоянии не менее 0,1 м от кромки и не менее 1 м от конца рулона или куска. Образцы должны иметь форму круга диаметром (135 +/- 2) мм. На поверхности образцов не допускается загрязнений, влаги, неровностей и пропусков покрытий. Количество образцов для испытания должно быть не менее четырех от одного куска ткани.
7.5.3 Аппаратура и материалы
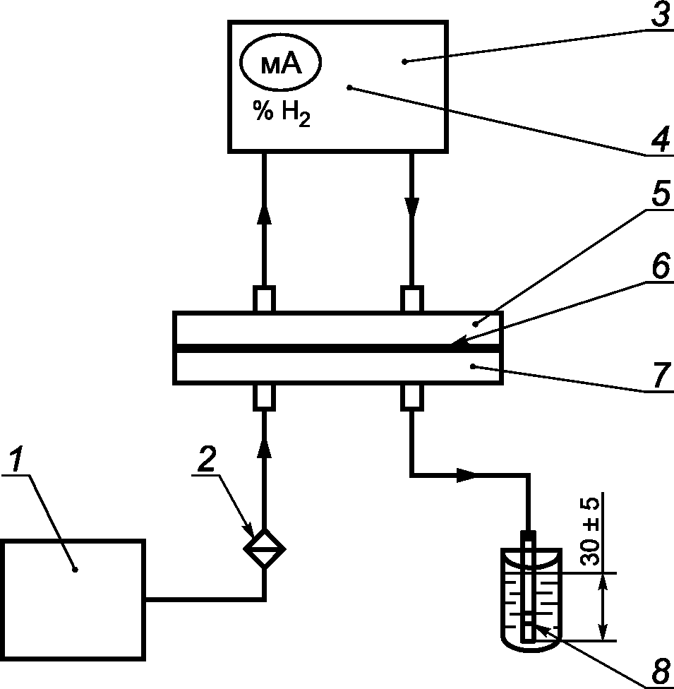
Испытания образцов проводят на техническом устройстве по определению водородопроницаемости пленочного текстиля типа приборов "ПВПТ", изображенного на рисунке 2.
1 - генератор водорода; 2 - кран регулирующий скорость
подачи водорода; 3 - газоанализатор; 4 - узел индикации;
5 - верхняя камера; 6 - образец; 7 - нижняя камера;
8 - барботер
Рисунок 2 - Схема соединений технического устройства
типа "ПВПТ" для определения водородопроницаемости
Нижняя (7) и верхняя (5) камеры, объем верхней камеры, внутренних полостей газоанализатора, соединительных трубок являются постоянными величинами и используются для расчета водородопроницаемости.
Газоанализатор (3) с узлом индикации (4) должен обеспечивать измерение концентрации водорода в верхней камере (5) в пределах от 0% до 1% с погрешностью не более 0,05%.
Барботер (8) должен представлять собой стеклянную трубку с нанесенными метками 30 и 50 мм и внутренним диаметром (7,0 +/- 0,5) мм, опущенную вертикально в стеклянный сосуд с водой на (30 +/- 5) мм. Стеклянная трубка должна вставляться в пробку, в которой должно быть отверстие для выпуска газа.
7.5.4 Проведение испытаний
Для подачи водорода открывают кран газогенератора и осуществляют продувку нижней камеры в течение 30 с. Устанавливают постоянную скорость подачи водорода, контролируемую по числу пузырьков газа в барботере, равную (25 +/- 3) пузырька за 10 с. Затем включают секундомер и через каждые 2 мин снимают показания объемной концентрации водорода в процентах по шкале индикатора газоанализатора с точность до 0,01%. Определяют значение объемной концентрации водорода в процентах за 20 мин, как разность между показаниями индикатора газоанализатора, полученными на 24-й и 4-й минутах испытания. Если в течение 20 мин испытания показания объемной концентрации водорода по индикатору приближаются к 1%, то продолжительность испытания можно сократить до 10 мин.
Водородопроницаемость, П, л/(м2·сут), рассчитывают по формуле

(1)
где C - увеличение содержания объемной концентрации водорода за время (определяется как разность показаний газоанализатора между 24-й и 4-й минутами испытания), %;
V - объем измерительной системы, см3 (приводится в паспорте на установку);
P - атмосферное давление, Па;
S - проницаемая площадь образца, см2 (приводится в паспорте на установку);
t - температура испытания, К;
T - продолжительность испытания (20 или 10 мин).
В
формуле (1) водородопроницаемость, прошедшая в верхнюю камеру, приведена к нормальным условиям: 273 К (0 °C), 101300 Па (760 мм рт. ст.).
144/100 - коэффициент, полученный при переводе показателя водородопроницаемости в л/(м2·сут).
За результат испытания принимают среднеарифметическое значение всех испытуемых образцов.
При водородопроницаемости не менее 5 л/(м2·сут) отклонение каждого значения от среднеарифметического не должно превышать +/- 10% при доверительной вероятности 95%. При водородопроницаемости менее 5 л/(м2·сут) допускается отклонение каждого из значений от среднеарифметического не более 0,5 л/(м2·сут). Образцы, у которых отклонение превышает эту величину, не учитывают, испытания проводят заново.
7.5.5 Протокол испытаний
Протокол испытаний должен содержать:
- наименование, марку ткани с покрытием;
- среднюю толщину каждого образца, мм;
- проницаемую площадь образца, см2;
- объем измерительной системы, см3;
- температуру испытания, °C;
- атмосферное давление, Па;
- объемную концентрацию водорода, полученную на 24-й минуте, %;
- объемную концентрацию водорода, полученную на 4-й минуте, %;
- значение водородопроницаемости каждого образца, л/(м2·сут);
- среднеарифметическое значение показателя, л/(м2·сут);
- дату испытания и фамилию лица, проводившего испытания.
7.6 Определение стойкости к гидролизу
7.6.1 Сущность метода
Сущность метода заключается в воздействии температуры и влажности в течение определенного времени на испытуемый материал, предназначенный для изготовления надувной оболочки трапа и определения сохранения стойкости к воздействию теплового потока материалом после испытания на стойкость к гидролизу.
7.6.2 Подготовка образцов
Для испытания должно быть подготовлено не менее трех образцов каждого вида материала. Минимальное время между изготовлением и испытанием образцов не менее 48 ч. До проведения испытаний образцы кондиционируют при температуре (21 +/- 3) °C, относительной влажности (50 +/- 5)% не менее 24 ч и испытывают на сохранение давления (герметичность) согласно
7.4 без воздействия теплового потока.
7.6.3 Проведение испытаний
Испытуемые образцы подвешивают в камеру и подвергают воздействию температуры 60 +/- 2 °C и относительной влажности

в течение 50 дней. Образцы не должны касаться стенок и дверок камеры.
После испытания образцы извлекают из камеры и сушат в свободном состоянии не менее 48 ч, до полного высыхания.
Далее образцы испытывают на сохранение давления (герметичность) согласно
7.4 без воздействия теплового потока.
Потеря давления в образцах после гидролиза не должна превышать потери давления для образцов перед гидролизом.
7.7 Определение грибостойкости
Испытания на воздействие плесневых грибов - по ГОСТ 9.049-91
(раздел 2). Оценку грибостойкости проводят в соответствии с 6-балльной шкалой по
ГОСТ 9.048.
7.8 Определение электрического сопротивления
7.8.1 Сущность метода
Сущность метода заключается в измерении электрического сопротивления токопроводящих покрытий и гибких материалов постоянному току с помощью измерительной квадратной колодки с латунными электродами или резино-фольговыми электродами. Допускается проведение измерений с помощью любого измерительного прибора, обеспечивающего измерение сопротивления в диапазоне от 1 до 106 Ом с классом точности не ниже 2,5. Напряжение в измеряемой цепи должно быть не более 15 В.
7.8.2 Подготовка образцов
Измерение проводят на плоских больших образцах, в т.ч. на рулонах тканей с покрытием. Минимальное время между изготовлением и испытанием образцов составляет не менее 48 ч.
Размеры испытуемых образцов должны быть не менее 200 мм по основе и утку при применении измерительной колодки с латунными электродами и не менее 100 мм по основе и утку - с резино-фольговыми электродами.
7.8.3 Проведение испытаний
Прибор включают в сеть и прогревают согласно времени, указанному в документации на него.
Испытуемый образец помещают на плоскую ровную поверхность - на непроводящую резину. Электроды устанавливают на поверхность образца и замеряют его сопротивление постоянному току.
На одном квадратном или погонном метре следует проводить измерение не менее чем в 10 точках. В случае нехватки материала допускается проведение измерений в трех точках.
За результат измерений принимают среднеарифметическое значение всех произведенных измерений.
7.8.4 Протокол испытаний
Протокол испытаний должен содержать:
- наименование, марку ткани с покрытием;
- среднюю толщину каждого образца, мм;
- тип колодки;
- размер измеряемого образца, мм;
- температуру (°C) и влажность при испытании (%);
- значение электрического сопротивления каждого замера, Ом;
- среднеарифметическое значение;
- дату испытания и фамилию лица, проводившего испытания.
7.9 Определение прочности на прорыв
Определение прочности на прорыв проводят в соответствии с ГОСТ 28787.
7.10 Метод определения воздухонепроницаемости на техническом устройстве типа "Градовец"
7.10.1 Сущность метода
Сущность метода заключается в создании и поддержании в течение определенного времени избыточного давления воздуха, воздействующего на испытуемый образец.
7.10.2 Подготовка образцов
Испытание проводят на образцах диаметром 505 мм. На поверхности образцов не допускается загрязнений, влаги, неровностей и пропусков покрытий. Количество образцов для испытания должно быть не менее трех.
7.10.3 Проведение испытаний
Испытуемый образец диаметром 505 мм (диаметр рабочего участка 350 мм) размещают между камерой и упорным кольцом технического устройства и зажимают под воздействием избыточного давления воздуха, создаваемого пневмоцилиндром. В рабочую камеру подают воздух до достижения избыточного давления (заданного условиями испытаний) и поддерживаемого в течение заданного времени. Утечку воздуха или герметичность контролируют, нанося мыльный раствор на поверхность образца и наблюдая за появлением или отсутствием пузырьков на поверхности образца.
За результат испытаний принимают поведение образца при испытании: образец считается воздухонепроницаемым при отсутствии мест протекания, контролируемых путем его обмыливания.
Если хотя бы один образец пропускает воздух ("протекает"), то проводят дополнительные испытания на трех образцах.
7.10.4 Протокол испытаний
Протокол испытаний должен содержать:
- наименование, марку ткани с покрытием;
- среднюю толщину каждого образца, мм;
- проницаемую площадь образца, см2;
- температуру испытания, °C;
- атмосферное давление, Па;
- величину избыточного давления, Па;
- время испытания, с;
- поведение образца при испытании;
- дату испытания и фамилию лица, проводившего испытания.
| Технический стандарт TSO-C69c | Средства спасения при экстренной эвакуации (Emergency evacuation slides, ramps, ramp/slides, and slide/rafts) |
| Авиационные правила АП-25 ( Приказ Минтранса России от 5 июля 1994 г. N 48) | Нормы летной годности самолетов транспортной категории |