Главная // Актуальные документы // ГОСТ Р (Государственный стандарт)
СПРАВКА
Источник публикации
М.: Стандартинформ, 2020
Примечание к документу
Документ введен в действие с 01.11.2020.
Название документа
"ГОСТ Р 58873-2020. Национальный стандарт Российской Федерации. Сальники приборные судовые для ввода одиночных электрических кабелей. Технические условия"
(утв. и введен в действие Приказом Росстандарта от 28.05.2020 N 243-ст)

"ГОСТ Р 58873-2020. Национальный стандарт Российской Федерации. Сальники приборные судовые для ввода одиночных электрических кабелей. Технические условия"
(утв. и введен в действие Приказом Росстандарта от 28.05.2020 N 243-ст)


Содержание


Утвержден и введен в действие
Приказом Федерального
агентства по техническому
регулированию и метрологии
от 28 мая 2020 г. N 243-ст
НАЦИОНАЛЬНЫЙ СТАНДАРТ РОССИЙСКОЙ ФЕДЕРАЦИИ
САЛЬНИКИ ПРИБОРНЫЕ СУДОВЫЕ
ДЛЯ ВВОДА ОДИНОЧНЫХ ЭЛЕКТРИЧЕСКИХ КАБЕЛЕЙ
ТЕХНИЧЕСКИЕ УСЛОВИЯ
Ship instrument gland for the entry of single
electric cables. Specifications
ГОСТ Р 58873-2020
ОКС 47.020.60
Дата введения
1 ноября 2020 года
Предисловие
1 РАЗРАБОТАН рабочей группой, состоящей из представителей Научно-исследовательского института стандартизации и сертификации "Лот" (НИИ "Лот"), Центрального научно-исследовательского института судовой электротехники и технологии (ЦНИИ "СЭТ") Федерального государственного унитарного предприятия "Крыловский государственный научный центр" (ФГУП "Крыловский государственный научный центр"), Общества с ограниченной ответственностью "Группа компаний "КОНДИ" (ООО "ГК "КОНДИ")
2 ВНЕСЕН Техническим комитетом по стандартизации ТК 5 "Судостроение"
3 УТВЕРЖДЕН И ВВЕДЕН В ДЕЙСТВИЕ Приказом Федерального агентства по техническому регулированию и метрологии от 28 мая 2020 г. N 243-ст
4 ВВЕДЕН ВПЕРВЫЕ
Правила применения настоящего стандарта установлены в статье 26 Федерального закона от 29 июня 2015 г. N 162-ФЗ "О стандартизации в Российской Федерации". Информация об изменениях к настоящему стандарту публикуется в ежегодном (по состоянию на 1 января текущего года) информационном указателе "Национальные стандарты", а официальный текст изменений и поправок - в ежемесячном информационном указателе "Национальные стандарты". В случае пересмотра (замены) или отмены настоящего стандарта соответствующее уведомление будет опубликовано в ближайшем выпуске ежемесячного информационного указателя "Национальные стандарты". Соответствующая информация, уведомление и тексты размещаются также в информационной системе общего пользования - на официальном сайте Федерального агентства по техническому регулированию и метрологии в сети Интернет (www.gost.ru)
1 Область применения
Настоящий стандарт распространяется на сальники приборные с квадратным фланцем, предназначенные для ввода одиночных электрических кабелей, рассчитанные на перепад давления воды или воздуха до 0,15 МПа (1,5 кгс/см2).
Сальники соответствуют климатическому исполнению ОМ категории размещения 1 по ГОСТ 15150.
2 Нормативные ссылки
В настоящем стандарте использованы нормативные ссылки на следующие стандарты:
ГОСТ 8.051 Государственная система обеспечения единства измерений (ГСИ). Погрешности, допускаемые при измерении линейных размеров до 500 мм
ГОСТ 9.014 Единая система защиты от коррозии и старения (ЕСЗКС). Временная противокоррозионная защита изделий. Общие требования
ГОСТ 9.301 Единая система защиты от коррозии и старения (ЕСЗКС). Покрытия металлические и неметаллические неорганические. Общие требования
ГОСТ 9.302 Единая система защиты от коррозии и старения (ЕСЗКС). Покрытия металлические и неметаллические неорганические. Методы контроля
ГОСТ 9.306 Единая система защиты от коррозии и старения (ЕСЗКС). Покрытия металлические и неметаллические неорганические. Обозначения
ГОСТ 1583 Сплавы алюминиевые литейные. Технические условия
ГОСТ 7338 Пластины резиновые и резинотканевые. Технические условия
ГОСТ 8828 Бумага-основа и бумага двухслойная водонепроницаемая упаковочная. Технические условия
ГОСТ 9433 Смазка ЦИАТИМ-221. Технические условия
ГОСТ 9569 Бумага парафинированная. Технические условия
ГОСТ 1050 Металлопродукция из нелегированных конструкционных качественных и специальных сталей. Общие технические условия
ГОСТ 14192 Маркировка грузов
ГОСТ 15150 Машины, приборы и другие технические изделия. Исполнения для различных климатических районов. Категории, условия эксплуатации, хранения и транспортирования в части воздействия климатических факторов внешней среды
ГОСТ 16511 Ящики деревянные для продукции электротехнической промышленности. Технические условия
ГОСТ 16962.1 Изделия электротехнические. Методы испытаний на устойчивость к климатическим внешним воздействующим факторам
ГОСТ 16962.2 Изделия электротехнические. Методы испытаний на устойчивость к механическим внешним воздействующим факторам
ГОСТ 18321 Статический контроль качества. Методы случайного отбора выборок штучной продукции
ГОСТ 19537 Смазка пушечная. Технические условия
ГОСТ 23216 Изделия электротехнические. Хранение, транспортирование, временная противокоррозионная защита, упаковка. Общие требования и методы испытаний
ГОСТ 30893.1 Основные нормы взаимозаменяемости. Общие допуски. Предельные отклонения линейных и угловых размеров с неуказанными допусками
Примечание - При пользовании настоящим стандартом целесообразно проверить действие ссылочных стандартов в информационной системе общего пользования - на официальном сайте Федерального агентства по техническому регулированию и метрологии в сети Интернет или по ежегодному информационному указателю "Национальные стандарты", который опубликован по состоянию на 1 января текущего года, и по выпускам ежемесячного информационного указателя "Национальные стандарты" за текущий год. Если заменен ссылочный стандарт, на который дана недатированная ссылка, то рекомендуется использовать действующую версию этого стандарта с учетом всех внесенных в данную версию изменений. Если заменен ссылочный стандарт, на который дана датированная ссылка, то рекомендуется использовать версию этого стандарта с указанным выше годом утверждения (принятия). Если после утверждения настоящего стандарта в ссылочный стандарт, на который дана датированная ссылка, внесено изменение, затрагивающее положение, на которое дана ссылка, то это положение рекомендуется применять без учета данного изменения. Если ссылочный стандарт отменен без замены, то положение, в котором дана ссылка на него, рекомендуется применять в части, не затрагивающей эту ссылку.
3 Технические требования
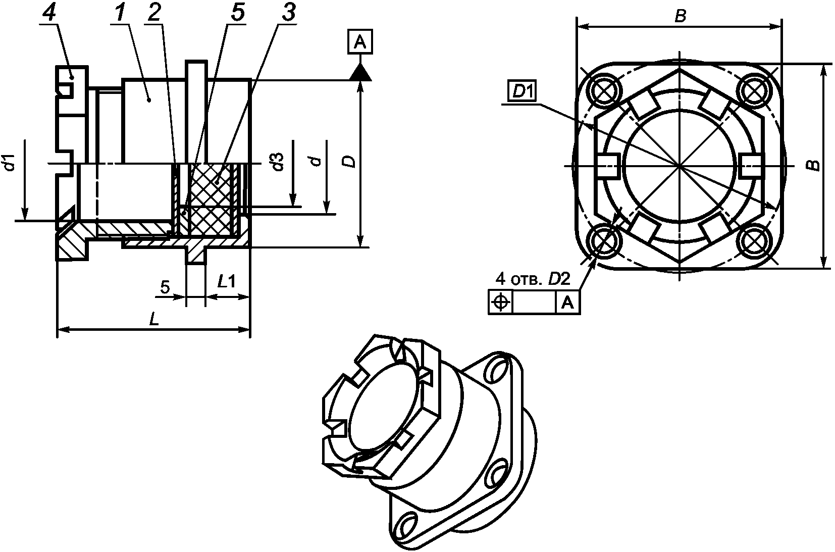
3.1 Конструкция и размеры сальников приведены на рисунке 1 и в таблице 1.
1 - гнездо; 2 - заглушка; 3 - прокладка; 4 - гайка;
5 - шайба
Рисунок 1 - Конструкция сальников
Примечание - В рамке обозначения допуска формы и расположения помещают числовое значение допуска из таблицы 1 для соответствующего сальника.
Таблица 1
Размеры сальников с квадратным фланцем
Размеры в миллиметрах
Тип
Наружный диаметр кабеля (в месте уплотнения)
Кол-во шайб
d
d1
d2
d3
D
D1
L
L1
B
Масса, г, не более
Номин.
Пред. откл.
1
от 4 до 8
1
8
10
4,5
+0,4
8
20
30
28
9
32
26
2
от 6 до 12
1
12
14
5,5
12
24
37
31
10
38
38
3
от 8 до 12
2
16
20
32
45
37
12
44
69
4
от 10 до 16
1
16
65
5
от 12 до 18
2
22
25
18
38
51
41
48
99
6
от 14 до 22
1
22
92
7
от 14 до 20
2
28
32
6,6
+0,5
20
46
59
53
56
194
8
от 16 до 24 <*>
2
24
188
9
от 20 до 28
1
28
175
10
от 16 до 24 <*>
2
32
36
24
54
68
62
239
11
от 20 до 28 <*>
2
28
233
12
от 24 до 32
1
32
206
13
от 20 до 28 <*>
2
38
40
28
58
76
57
68
294
14
от 24 до 32
2
32
284
15
от 28 до 38
1
38
260
<*> Тип сальника выбирается по согласованию с потребителем.
3.2 Поверхности деталей не должны иметь забоин, сколов, вмятин, рисок, а также заусенцев, рваных и острых кромок, трещин, расслоений материалов, следов коррозии. Резьба на деталях должна быть чистой, без разрывов и повреждений.
3.3 Масса сальников должна соответствовать значениям, указанным в таблице 1.
3.4 Уплотнение сальников должно обеспечивать:
- водонепроницаемость при воздействии гидростатического давления до 0,15 МПа (1,5 кгс/см2);
- непроницаемость при кратковременном воздействии повышенного давления воздуха до 0,3 МПа (3 кгс/см2).
3.5 Гнездо, гайка изготавливаются из материалов плотностью не менее 2,5 x 103 кг/м3 (сплав АК12, АЛ2) по ГОСТ 1583 с нанесением защитного покрытия Ан. Окс. эмт по ГОСТ 9.306 либо другого по согласованию с потребителем. Шайба, заглушка изготавливаются из стали марки 10кп плотностью 7,82 x 103 кг/м3 по ГОСТ 1050 с покрытием Кд15хр по ГОСТ 9.306 либо другого по согласованию с потребителем. Прокладка изготавливается из резины марки ТМКЩ класса 1 по ГОСТ 7338.
Примечание - Толщина защитного покрытия металлических деталей сальников выбирается предприятием-изготовителем; по согласованию с потребителем допускается изготовление деталей сальников без защитного покрытия с последующим покрытием самой конструкции.
3.6 Структура условного обозначения сальника приведена в приложении А.
3.7 Срок службы сальников - не менее 15 лет. Сальники ремонтопригодны. Среднее время на восстановительный ремонт - не более 0,2 ч.
3.8 Средняя наработка на отказ - не менее 20 тыс. ч.
3.9 Срок сохраняемости сальников - не менее 15 лет с переконсервацией через 2 года.
3.10 Сальники должны сохранять работоспособность при следующих воздействиях:
- температура окружающей среды от минус 40 до плюс 70 °C;
- относительная влажность воздуха до 100% при температуре 35 °C;
- синусоидальная вибрация в диапазоне частот от 1 до 2000 Гц с ускорением до 49 м/с2 (5g);
- механические удары многократного действия с ускорением до 392 м/с2 (40g) при длительности удара от 2 до 10 мс;
- механические удары одиночного действия с ускорением до 9800 м/с2 (1000g) при длительности удара от 0,2 до 1 мс.
3.11 Комплектность поставки сальника:
- гнездо;
- заглушка;
- прокладка;
- гайка;
- шайба;
- паспорт.
Примечание - В зависимости от исполнения комплектность поставки может включать 2 шайбы.
3.12 Маркировку сальников следует производить ярлыками. Место маркировки выбирается предприятием-изготовителем. На ярлыке должно быть указано условное обозначение и наименование предприятия-изготовителя и/или его товарный знак. На всех деталях сальников должен быть поставлен штамп: "клеймо ОТК".
3.13 Металлические детали сальников перед упаковкой должны быть покрыты консервирующей смазкой в соответствии с ГОСТ 9.014, завернуты в парафинированную бумагу по ГОСТ 9569 и упакованы в деревянные ящики по ГОСТ 16511, предварительно выложенные внутри водонепроницаемой бумагой по ГОСТ 8828. Допускается применение пластиковой смазки ПВК по ГОСТ 19537.
3.14 Транспортная маркировка груза
3.14.1 Транспортную маркировку следует производить по ГОСТ 14192.
На свободное от транспортной маркировки место должны быть нанесены наименование и условное обозначение сальников или их деталей и дата изготовления.
3.14.2 Маркировка должна быть нанесена на ящик на одну из боковых сторон.
3.14.3 Транспортная маркировка должна быть нанесена на каждое грузовое место.
4 Правила приемки
4.1 Для проверки соответствия качества сальников требованиям настоящего стандарта их подвергают приемо-сдаточным и периодическим испытаниям.
4.2 Состав приемо-сдаточных и периодических испытаний приведен в таблице 2.
Таблица 2
Наименование вида испытаний
Вид испытаний
Номер подраздела, пункта, подпункта стандарта
Приемо-сдаточные
Периодические
Технических требований
Метода контроля
Проверка внешнего вида, конструкции и размеров сальников
+
-
Проверка массы изделия
+
-
Контроль защитного покрытия деталей сальников
+
-
Проверка маркировки
+
-
Испытание на водонепроницаемость при воздействии гидростатического давления
+
+
Испытание на непроницаемость при кратковременном воздействии повышенного давления воздуха
+
+
Контроль комплектности поставки, упаковки и транспортной маркировки
+
+
Испытания на устойчивость к климатическим внешним воздействующим факторам
-
+
Испытания на стойкость к механическим воздействиям
-
+
4.3 Приемо-сдаточным испытаниям должна быть подвергнута каждая партия сальников. За партию принимают сальники одного типа.
При приемо-сдаточных испытаниях проверяют 0,5% сальников от партии, но не менее 5 и не более 10 шт.
Сальники отбираются методом наибольшей объективности по ГОСТ 18321. Результаты распространяются на всю партию.
Приемо-сдаточные испытания проводит предприятие-изготовитель.
Примечание - По согласованию с потребителем допускается устанавливать другие объемы выборки сальников из партии.
4.4 Периодические испытания проводят при запуске в производство или один раз в два года на сальниках, прошедших приемо-сдаточные испытания.
4.5 Количество сальников, подвергаемых периодическим испытаниям, а также возможность распространения результатов испытаний на различные типы сальников согласовывают с потребителем.
4.6 При получении неудовлетворительных результатов проверки хотя бы по одному показателю проводят повторную проверку удвоенного числа сальников того же типа. Результаты повторной проверки распространяются на все сальники.
Если после повторного испытания получены положительные показатели, все сальники считаются годными.
При неудовлетворительных повторных результатах испытаний приемку и отгрузку сальников приостанавливают. После устранения причин дефектов и получения положительных результатов испытаний приемка сальников должна быть возобновлена.
Примечание - Допускается проводить периодические испытания сальников в составе электрооборудования и аппаратуры, в которой они применяются.
5 Методы контроля
5.1 Все испытания проводят в нормальных климатических условиях по ГОСТ 15150, если в методах испытаний по настоящим техническим условиям не указаны иные условия проведения испытаний. Все испытания проводят на одних и тех же образцах.
5.2 Проверку внешнего вида, конструкции и размеров проводят сличением с чертежами и измерением размеров с помощью средств измерений, погрешность которых не превышает допустимую по ГОСТ 8.051.
5.3 Контроль массы изделия проводят взвешиванием на весах с погрешностью не более 5%.
5.4 Соответствие защитного покрытия деталей сальников проводят по ГОСТ 9.301 и ГОСТ 9.302 неразрушающим методом, принятым на предприятии-изготовителе.
5.5 Для проведения испытаний на водонепроницаемость при воздействии гидростатического давления и непроницаемость при воздействии повышенного давления воздуха сальники должны быть закреплены на стенке герметичной коробки.
Коробка должна иметь штуцеры для установки манометра и подачи воздуха.
Для проведения испытания в сальнике должен быть уплотнен кабель или заменяющий его стержень.
Кабель в коробке может быть проложен на проход через два сальника.
5.6 Испытание на водонепроницаемость при воздействии гидростатического давления проводят по ГОСТ 16962.1, метод 216.
Сальники считают выдержавшими испытание, если после извлечения из ванны и вскрытия коробки в ней отсутствуют следы воды.
5.7 Испытание на непроницаемость при кратковременном воздействии повышенного давления воздуха проводят следующим способом.
Коробку с сальниками и уплотненными в них кабелями помещают в ванну с водой и подают в коробку воздух в течение 1 мин, доведя его давление до 0,3 МПа (3 кгс/см2).
Давление должно поддерживаться постоянным в течение 5 мин.
Сальники считают выдержавшими испытание, если в течение всего времени испытания не будет наблюдаться выхода пузырьков воздуха через сальники.
5.8 Проверка маркировки
Проверку наличия и внешнего вида маркировки сальников, разборчивости знаков проводят внешним осмотром.
5.9 Контроль комплектности поставки, упаковки и транспортной маркировки
Комплектность поставки и транспортную маркировку проверяют внешним осмотром.
Качество упаковки контролируют по ГОСТ 23216:
- проверкой конструкции и размеров упаковки;
- испытанием упаковки и упакованных сальников на прочность при транспортировании. Ящик с упакованными сальниками жестко крепят к столу ударного стенда. Способ крепления приведен в приложении Б. Испытание производится при воздействии ударов в вертикальном направлении по нормам, приведенным в таблице 3;
- испытанием упаковки и упакованных сальников на удар при свободном падении. Испытание производится сбрасыванием транспортной тары с упакованными сальниками на дно, боковую стенку и на ребро с высоты 0,25 м по одному разу.
Таблица 3
Нормы ударных воздействий при испытании упаковки
на прочность при транспортировании
Пиковое ударное ускорение, g (м/с2)
Длительность действия ударного ускорения, мс
Число ударов, тыс.
15 (150)
5 - 20
20
Испытаниям подвергают одну единицу транспортной тары.
По окончании испытаний упаковки сальники распаковывают, производят их внешний осмотр и производят испытание на устойчивость к воздействию рабочего гидростатического давления по 5.6.
Упаковку с сальниками считают выдержавшими испытания, если после испытаний при внешнем осмотре не обнаружены механические повреждения упаковки, механические повреждения сальников, устойчивость сальников к воздействию гидростатического давления удовлетворяет требованиям 3.4.
5.10 Испытания сальников на устойчивость к климатическим внешним воздействующим факторам проводят без электрической нагрузки по ГОСТ 16962.1:
- испытание на воздействие повышенной температуры - метод 201-1, время выдержки при верхнем значении температуры - 4 ч;
- испытание на воздействие пониженной температуры - метод 203-1, время выдержки при нижнем значении температуры - 4 ч;
- испытание на воздействие повышенной влажности - метод 208-2, продолжительность испытаний - 96 ч.
Сальники считают выдержавшими испытания, если после испытаний отсутствуют следы коррозии на металлических деталях и повреждения защитного покрытия.
5.11 Испытания сальников на стойкость к механическим воздействиям проводят без электрической нагрузки по ГОСТ 16962.2:
- испытание на воздействие синусоидальной вибрации - метод 103-2.1 (испытание методом фиксированных частот);
- испытания на воздействие механических ударов многократного действия - метод 104-1;
- испытания на воздействие ударов одиночного действия - метод 106-1.
Сальники считают выдержавшими испытания, если после испытаний отсутствуют механические повреждения.
5.12 Испытания на сохраняемость проводят на сальниках, изготовленных в течение первого года серийного производства методом длительного хранения на предприятии-изготовителе.
6 Указания по эксплуатации
6.1 При выборе типа сальника для ввода экранированного кабеля принимать по таблице 1 наружный диаметр кабеля (в месте уплотнения) меньше фактического диаметра кабеля на 1 - 2 мм.
При этом внутренний диаметр шайбы должен быть больше диаметра экранированного кабеля не менее чем на 2 мм.
6.2 Расстояние между фланцами сальников должно быть не менее 2 мм.
6.3 Диаметры отверстий выполнять с предельными отклонениями по ГОСТ 30893.1: H14.
6.4 Установку сальников на корпус осуществлять с нанесением непрерывного концентрического слоя герметика по периметру корпуса под фланцем. Герметик должен удовлетворять условиям эксплуатации изделия.
6.5 Уплотнение кабелей производить по документации, действующей на монтирующем предприятии.
6.6 Перед уплотнением резьбу сальника смазать смазкой ЦИАТИМ-221 по ГОСТ 9433.
6.7 При проектировании и производстве уплотнительных изделий для кабелей рекомендуется использовать рабочие альбомы типовых конструкций.
7 Транспортирование и хранение
7.1 Транспортирование
7.1.1 Сальники (детали сальников) следует транспортировать любыми видами транспорта (кроме негерметизированных отсеков самолетов) в соответствии с правилами перевозки грузов, действующими на каждом виде транспорта.
7.1.2 В каждый ящик должны быть уложены сальники или детали сальников одного типоразмера. Масса брутто не должна быть более 45 кг.
7.1.3 В каждый ящик должен быть вложен товаросопроводительный документ, содержащий:
- наименование предприятия-изготовителя и/или его товарный знак;
- условное обозначение изделий;
- количество изделий;
- месяц и год упаковывания изделий;
- штамп службы технического контроля.
7.2 Хранение
7.2.1 Сальники и детали сальников следует хранить в закрытом помещении при содержании коррозионно-активных агентов в воздухе не более, чем это предусмотрено для атмосферы типов I или III по ГОСТ 15150. Сальники (детали сальников) следует хранить в упаковке изготовителя.
7.2.2 Сальники, установленные на аппаратуре, предназначенной для хранения и транспортирования, должны быть собраны с прокладкой из листовой резины по ГОСТ 7338 и металлической заглушкой.
7.3 По согласованию с заказчиком могут быть установлены другие условия транспортирования и хранения.
8 Гарантии изготовителя
8.1 Изготовитель гарантирует соответствие сальников требованиям настоящего стандарта при соблюдении потребителем условий хранения и транспортирования.
8.2 Гарантийный срок службы (сохраняемости) - 5 лет с даты изготовления.
8.3 Гарантийная наработка - 10 тыс. ч в пределах гарантийного срока эксплуатации.
Приложение А
(обязательное)
СТРУКТУРА УСЛОВНОГО ОБОЗНАЧЕНИЯ САЛЬНИКА
Сальник X - X ГОСТ Р 58873-2020
───┬─── ─┬─ ─┬─ ─┬─ ───────┬─────────
│ │ │ │ │ Обозначение настоящего
│ │ │ │ └────────────────────────────────────
│ │ │ │ стандарта
│ │ │ │ Внутренний диаметр шайбы
│ │ │ └───────────────────────────────────────────────
│ │ │ Разделительный знак
│ │ └────────────────────────────────────────────────────
│ │ Тип сальника
│ └─────────────────────────────────────────────────────────
│ Слово "Сальник"
└─────────────────────────────────────────────────────────────────
Пример записи в конструкторской документации и при заказах: сальник типа 5 с внутренним диаметром шайбы 18 мм:
Сальник 5-18 ГОСТ Р 58873-2020
Приложение Б
(справочное)
СПОСОБ КРЕПЛЕНИЯ ЯЩИКА С САЛЬНИКАМИ ПРИ ИСПЫТАНИЯХ
НА МЕХАНИЧЕСКИЕ ВОЗДЕЙСТВИЯ ПРИ ТРАНСПОРТИРОВАНИИ
1 - ящик с сальниками; 2 - прокладка фанерная (2 шт.);
3 - скоба крепежная стальная; 4 - гайка крепежная (4 шт.);
5 - болт крепежный (2 шт.); 6 - платформа стенда
Рисунок Б.1
УДК [62-762/83:621.315.2:629.5]:006.354
ОКС 47.020.60
Ключевые слова: сальники, квадратный фланец, электрический кабель, основные параметры, размеры, технические требования