Главная // Актуальные документы // ГОСТ Р (Государственный стандарт)СПРАВКА
Источник публикации
М.: Стандартинформ, 2021
Примечание к документу
Документ
введен в действие с 01.04.2021.
Название документа
"ГОСТ Р 59255-2020. Национальный стандарт Российской Федерации. Угли бурые, каменные и антрацит. Ускоренный метод определения максимальной влагоемкости"
(утв. и введен в действие Приказом Росстандарта от 15.12.2020 N 1310-ст)
"ГОСТ Р 59255-2020. Национальный стандарт Российской Федерации. Угли бурые, каменные и антрацит. Ускоренный метод определения максимальной влагоемкости"
(утв. и введен в действие Приказом Росстандарта от 15.12.2020 N 1310-ст)
Утвержден и введен в действие
агентства по техническому
регулированию и метрологии
от 15 декабря 2020 г. N 1310-ст
НАЦИОНАЛЬНЫЙ СТАНДАРТ РОССИЙСКОЙ ФЕДЕРАЦИИ
УГЛИ БУРЫЕ, КАМЕННЫЕ И АНТРАЦИТ
УСКОРЕННЫЙ МЕТОД ОПРЕДЕЛЕНИЯ МАКСИМАЛЬНОЙ ВЛАГОЕМКОСТИ
Brown coals, hard coals and anthracite. Accelerated method
for the determination of moisture-holding capacity
ГОСТ Р 59255-2020
Дата введения
1 апреля 2021 года
1 РАЗРАБОТАН Федеральным государственным автономным образовательным учреждением высшего образования "Национальный исследовательский технологический университет "МИСиС" (НИТУ "МИСиС")
2 ВНЕСЕН Техническим комитетом по стандартизации ТК 179 "Топливо твердое минеральное"
3 УТВЕРЖДЕН И ВВЕДЕН В ДЕЙСТВИЕ
Приказом Федерального агентства по техническому регулированию и метрологии от 15 декабря 2020 г. N 1310-ст
4 ВВЕДЕН ВПЕРВЫЕ
Правила применения настоящего стандарта установлены в статье 26 Федерального закона от 29 июня 2015 г. N 162-ФЗ "О стандартизации в Российской Федерации". Информация об изменениях к настоящему стандарту публикуется в ежегодном (по состоянию на 1 января текущего года) информационном указателе "Национальные стандарты", а официальный текст изменений и поправок - в ежемесячном информационном указателе "Национальные стандарты". В случае пересмотра (замены) или отмены настоящего стандарта соответствующее уведомление будет опубликовано в ближайшем выпуске ежемесячного информационного указателя "Национальные стандарты". Соответствующая информация, уведомление и тексты размещаются также в информационной системе общего пользования - на официальном сайте Федерального агентства по техническому регулированию и метрологии в сети Интернет (www.gost.ru)
Настоящий стандарт распространяется на бурые угли (в т.ч. лигниты), каменные угли и антрацит (далее - уголь) и устанавливает ускоренный метод определения максимальной влагоемкости, характеризующей влажность свежедобытого угля при полном насыщении его водой, но без поверхностной влаги.
В настоящем стандарте использованы нормативные ссылки на следующие стандарты:
ГОСТ 1770 (ИСО 1042-83, ИСО 4788-80) Посуда мерная лабораторная стеклянная. Цилиндры, мензурки, колбы, пробирки. Общие технические условия
ГОСТ 3306 Сетки с квадратными ячейками из стальной рифленой проволоки. Технические условия
ГОСТ 3956 Силикагель технический. Технические условия
ГОСТ 4145 Реактивы. Калий сернокислый. Технические условия
ГОСТ 4233 Реактивы. Натрий хлористый. Технические условия
ГОСТ 6318 Натрий сернокислый технический. Технические условия
ГОСТ 6613 Сетки проволочные тканые с квадратными ячейками. Технические условия
ГОСТ 6709 Вода дистиллированная. Технические условия
ГОСТ 9147 Посуда и оборудование лабораторные фарфоровые. Технические условия
ГОСТ 9293 (ИСО 2435-73) Азот газообразный и жидкий. Технические условия
ГОСТ 11014-2001 Угли бурые, каменные, антрацит и горючие сланцы. Ускоренные методы определения влаги
ГОСТ 12026 Бумага фильтровальная лабораторная. Технические условия
ГОСТ 25336 Посуда и оборудование лабораторные стеклянные. Типы, основные параметры и размеры
ГОСТ 27313 Топливо твердое минеральное. Обозначение показателей качества и формулы пересчета результатов анализа на различные состояния топлива
ГОСТ ISO 13909-2 Уголь каменный и кокс. Механический отбор проб. Часть 2. Уголь. Отбор проб из движущихся потоков
ГОСТ ISO 13909-3 Уголь каменный и кокс. Механический отбор проб. Часть 3. Уголь. Отбор проб от стационарных партий
ГОСТ OIML R 76-1 Государственная система обеспечения единства измерений. Весы неавтоматического действия. Часть 1. Метрологические и технические требования. Испытания
ГОСТ Р 55661 (ИСО 1171:2010) Топливо твердое минеральное. Определение зольности
ГОСТ Р 59248 Угли бурые, каменные, антрацит, горючие сланцы и угольные брикеты. Методы отбора и подготовки проб для лабораторных испытаний
ГОСТ Р 59252 Угли бурые, каменные, антрацит и горючие сланцы. Метод отбора пластовых проб
ГОСТ Р 59253 Угли бурые, каменные, антрацит и горючие сланцы. Метод отбора эксплуатационных проб
ГОСТ Р 59254 Угли бурые и каменные. Метод отбора проб бурением скважин
Примечание - При пользовании настоящим стандартом целесообразно проверить действие ссылочных стандартов в информационной системе общего пользования - на официальном сайте Федерального агентства по техническому регулированию и метрологии в сети Интернет или по ежегодному информационному указателю "Национальные стандарты", который опубликован по состоянию на 1 января текущего года, и по выпускам ежемесячного информационного указателя "Национальные стандарты" за текущий год. Если заменен ссылочный стандарт, на который дана недатированная ссылка, то рекомендуется использовать действующую версию этого стандарта с учетом всех внесенных в данную версию изменений. Если заменен ссылочный стандарт, на который дана датированная ссылка, то рекомендуется использовать версию этого стандарта с указанным выше годом утверждения (принятия). Если после утверждения настоящего стандарта в ссылочный стандарт, на который дана датированная ссылка, внесено изменение, затрагивающее положение, на которое дана ссылка, то это положение рекомендуется применять без учета данного изменения. Если ссылочный стандарт отменен без замены, то положение, в котором дана ссылка на него, рекомендуется применять в части, не затрагивающей эту ссылку.
В настоящем стандарте применены термины по
ГОСТ 17070.
4 Ускоренный метод определения максимальной влагоемкости бурых углей (в т.ч. лигнитов)
4.1 Сущность метода
Метод основан на определении содержания влаги в лабораторной пробе угля после насыщения ее водой и удаления поверхностной влаги путем обработки силикагелем.
4.2 Средства измерения, испытательное и вспомогательное оборудование
4.2.3 Стекло часовое диаметром 80 мм.
4.2.4 Аппарат для встряхивания жидкостей.
Примечание - Допускается применение насосов другой модификации для фильтрования под вакуумом.
4.2.6 Колбы конические Кн-2-250-34 ТХС по
ГОСТ 25336.
4.2.7 Воронка Бюхнера для фильтрования осадков под вакуумом по
ГОСТ 9147.
4.2.8 Колба с тубусом для фильтрования под вакуумом 1-1000 по
ГОСТ 25336.
4.2.9 Стаканчики для взвешивания с крышками СН-85/15 по
ГОСТ 25336.
4.2.10 Цилиндры стеклянные 1-100-2 по
ГОСТ 1770 или из полипропилена, имеющие аналогичные параметры.
4.2.11 Сито с размером стороны квадратных ячеек 3 мм по
ГОСТ 3306.
4.2.12 Шкаф сушильный с электронагревом, терморегулятором и регулируемой вентиляцией, обеспечивающий устойчивые температуры нагрева во всем диапазоне применяемых температур.
4.2.14 Бумага фильтровальная ФС-III по
ГОСТ 12026 или фильтры "красная лента".
4.2.15 Шпатель.
4.2.16 Емкости для хранения проб из некорродирующих материалов, герметично закрывающиеся крышками.
4.3 Реактивы
4.3.2 Раствор сернокислого натрия (сульфата натрия Na
2SO
4) с массовой долей 0,2%, приготовленный из сернокислого натрия по
ГОСТ 6318.
4.3.3 Раствор хлористого натрия (хлорида натрия NaCl) с массовой долей 0,2%, приготовленный из хлористого натрия по
ГОСТ 4233.
4.4 Отбор и подготовка проб
4.4.1 Пробы для определения максимальной влагоемкости отбирают от угля, добытого не более чем за 7 сут до проведения испытания.
Лабораторная проба для испытаний должна полностью проходить через сито с размером ячейки 3 мм
(4.2.11), т.е. иметь размер зерен менее 3 мм.
4.4.3 Пробы для определения максимальной влагоемкости, которые после измельчения не могут быть немедленно подвергнуты испытанию, во избежание их окисления и потери ими влаги, следует хранить в атмосфере азота
(4.3.5) под вакуумом или в емкостях
(4.2.16), наполненных углем не менее чем на 4/5 объема.
4.5 Проведение анализа
4.5.1 Лабораторную пробу угля, подготовленную по
4.4.2, тщательно перемешивают в открытой емкости
(4.2.16) шпателем на всю глубину.
После этого отбирают в несколько приемов (10 - 15 раз) на разной глубине две навески массой по (50 +/- 0,1) г каждая, взвешивая на весах по
4.2.2.
4.5.2 В коническую колбу вместимостью 250 см
3 (4.2.6) помещают навеску угля и при помощи цилиндра
(4.2.10) прибавляют 150 см
3 воды
(4.3.4) вначале небольшими порциями, постоянно перемешивая до образования однородной суспензии. Затем колбу закрывают пробкой и встряхивают в течение 5 мин на аппарате для встряхивания жидкостей
(4.2.4) или вручную.
4.5.3 После встряхивания содержимое колбы переносят на смоченный водой фильтр
(4.2.14), помещенный на воронку Бюхнера
(4.2.7), и фильтруют под вакуумом, используя колбу
(4.2.8) и водоструйный насос
(4.2.5). Чтобы избежать подсушки пробы после удаления основной массы воды, воронку Бюхнера накрывают влажной тканью.
Фильтрование продолжают до тех пор, пока каплепадение из носика воронки не будет превышать двух-трех капель в минуту, после чего отсасывание продолжают еще в течение 10 мин.
Если угольная суспензия трудно фильтруется, то вместо воды при обработке угля по
4.5.2 применяют 150 см
3 0,2%-ного раствора Na
2SO
4 (4.3.2) или NaCl
(4.3.3).
4.5.4 Силикагель
(4.3.1) предварительно просеивают через сито с размером ячейки 3 мм
(4.2.11). Для работы используют силикагель, оставшийся на сите (размер гранул не менее 3 мм).
4.5.5 Отфильтрованный по
4.5.3 уголь из воронки переносят в стакан вместимостью 400 см
3 (4.2.13) и добавляют в него 30 г силикагеля, подготовленного по
4.5.4. Стакан покрывают часовым стеклом
(4.2.3) и содержимое перемешивают вручную встряхиванием в разных направлениях в течение 2 мин (примерно 70 - 80 колебаний в минуту). При такой интенсивности перемешивания не разрушаются гранулы силикагеля.
После встряхивания смесь угля с силикагелем переносят на сито с размером стороны ячейки 3 мм
(4.2.11) и отсеивают уголь.
4.5.6 Уголь, прошедший через сито, тщательно перемешивают. Затем из нескольких мест отбирают в предварительно взвешенные стаканчики
(4.2.9) две навески массой по 10 г, разравнивают уголь легким встряхиванием, закрывают крышкой и взвешивают.
Для определения влаги взвешивание пустых стаканчиков и стаканчиков с навесками проб проводят на весах по
4.2.1 и записывают массу с точностью до 0,1 мг.
4.5.7 Определяют содержание влаги по ГОСТ 11014-2001
(пункт 6.4.3) высушиванием в сушильном шкафу
(4.2.12).
4.5.8 Перед испытанием следующих проб силикагель промывают на сите
(4.2.11) сильной струей воды и просушивают в сушильном шкафу
(4.2.12) при температуре 200 °C в течение 3 мин.
5 Ускоренный метод определения максимальной влагоемкости каменных углей и антрацита
5.1 Сущность метода
Метод основан на насыщении аналитической пробы угля водой, удалении поверхностной влаги обработкой силикагелем, доведении содержания влаги до состояния равновесия с атмосферой кондиционирования (относительная влажность воздуха 96%, температура 30 °C) и определении содержания влаги высушиванием в сушильном шкафу до постоянной массы.
5.2 Средства измерения, испытательное и вспомогательное оборудование
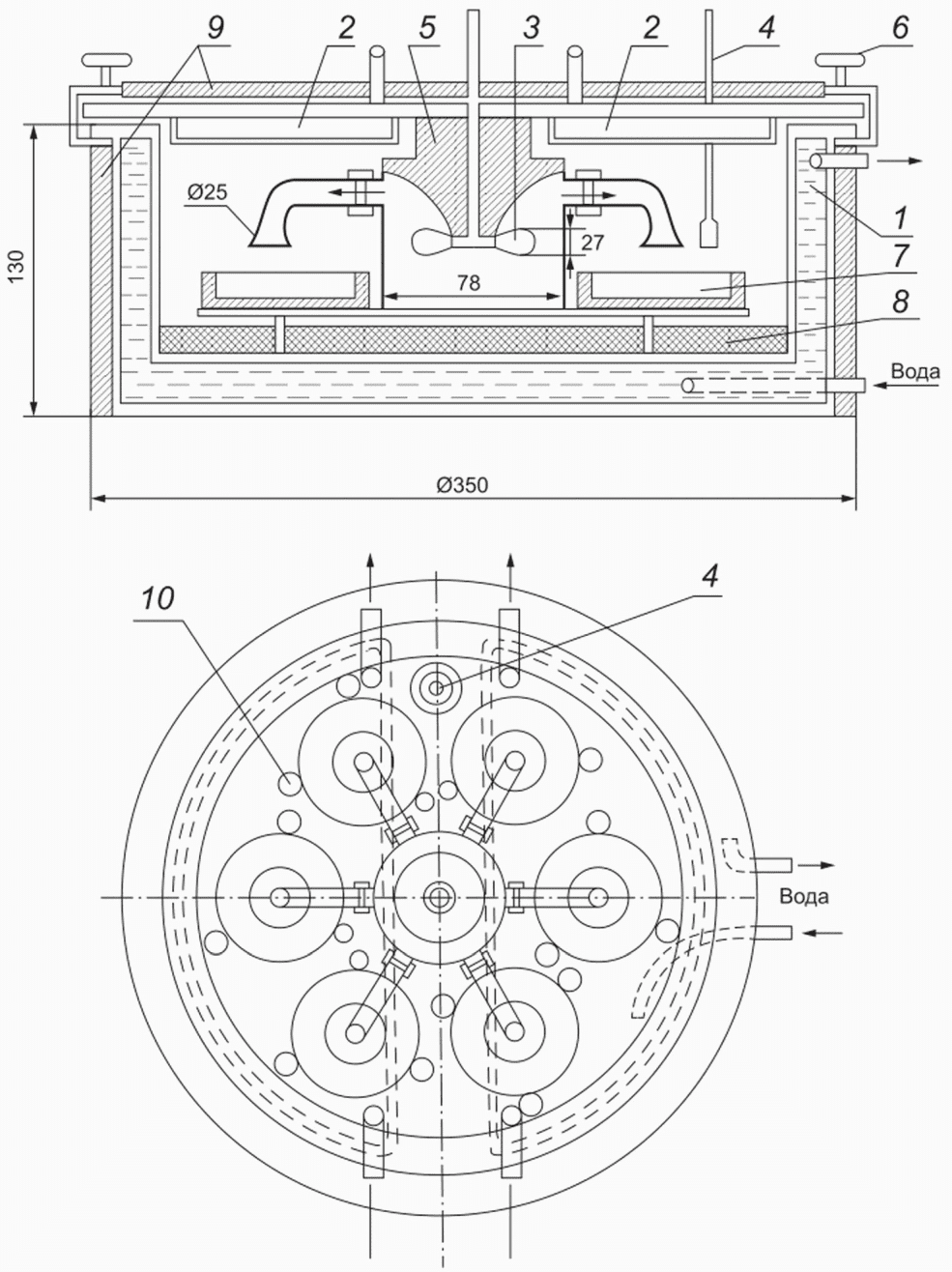
5.2.1 Аппарат для кондиционирования, показанный на
рисунке 1.
1 - сосуд с двойными стенками; 2 - крышка, состоящая из двух
частей; 3 - пропеллер; 4 - термометр; 5 - бронзовый
подшипник; 6 - винтовые зажимы; 7 - стаканчики с пробой;
8 - насыщенный раствор сульфата калия; 9 - теплоизолирующий
материал; 10 - фиксирующие болты
Рисунок 1 - Аппарат для кондиционирования
5.2.2 Электродвигатель с частотой вращения 1500 мин-1 для вращения двулопастного пропеллера в аппарате для кондиционирования.
5.2.3 Термостат, обеспечивающий постоянную температуру кондиционирования в воздушной камере (30,0 +/- 0,1) °C.
5.2.6 Аппарат для встряхивания жидкостей.
5.2.8 Колбы конические Кн-2-250-34 ТХС по
ГОСТ 25336.
5.2.9 Цилиндры стеклянные 1-100-2 по
ГОСТ 1770.
5.2.10 Колба с тубусом для фильтрования в вакууме 1-1000 по
ГОСТ 25336.
5.2.11 Воронка Бюхнера для фильтрования осадков под вакуумом по
ГОСТ 9147.
5.2.12 Стаканчики для взвешивания СН-85/15 (высота 50 мм) по
ГОСТ 25336.
5.2.13 Сита лабораторные с сетками, имеющими размеры стороны ячейки 0,2 мм и 1 мм по
ГОСТ 6613, и с размерами стороны ячейки 3 мм по
ГОСТ 3306.
5.2.14 Шкаф сушильный с электронагревом, терморегулятором и регулируемой вентиляцией, обеспечивающий поддержание температуры в диапазоне от 50 °C до 200 °C с погрешностью не более +/- 5 °C.
5.2.15 Термометр ртутный с ценой деления 0,1 °C.
Примечание - Допускается использовать термопары совместно с терморегуляторами с соответствующими характеристиками для регулирования нагрева циркулирующей в термостате
(5.2.3) воды с целью обеспечения условий кондиционирования.
5.2.16 Бумага фильтровальная ФС-III по
ГОСТ 12026 или фильтры "красная лента".
5.3 Реактивы
5.3.2 Пересыщенный (кашицеобразный) раствор сернокислого калия (сульфата калия K
2SO
4), приготовленный из K
2SO
4 по
ГОСТ 4145.
Для приготовления пересыщенного раствора сернокислого калия берут такое количество соли K
2SO
4 и воды (5.3.3), чтобы после перемешивания получить смесь кашицеобразной консистенции в объеме, достаточном, чтобы залить в аппарат для кондиционирования в соответствии с
рисунком 1.
5.4 Метод отбора и подготовки проб
5.5 Проведение анализа
5.5.1 Аналитическую пробу угля, приготовленную по
5.4.2, тщательно перемешивают в открытой емкости шпателем на всю глубину. Затем отбирают несколькими порциями (10 - 15 раз) из различных мест две навески массой по (20,0 +/- 0,1) г каждая. Взвешивание проводят на весах по
5.2.5.
5.5.2 Навеску помещают в коническую колбу вместимостью 250 см
3 (5.2.8) и небольшими порциями, при помощи цилиндра
(5.2.9) приливают 100 см
3 воды
(5.3.3), постоянно перемешивая до образования однородной массы. После этого колбу закрывают пробкой и встряхивают в течение 5 мин на аппарате для встряхивания жидкостей
(5.2.6) или вручную.
5.5.3 Затем содержимое колбы переносят на смоченный фильтр
(5.2.16), помещенный на воронку Бюхнера
(5.2.11), и отфильтровывают воду под вакуумом, используя колбу
(5.2.10) и водоструйный насос
(5.2.7). Уголь промывают двумя-тремя порциями воды
(5.3.3) объемом приблизительно 25 см
3 каждая, не отключая вакуума.
После удаления основной массы воды, во избежание подсушивания пробы, воронку накрывают влажной тканью. Процесс фильтрования под вакуумом продолжают до тех пор, пока из воронки будет капать не более двух-трех капель в 1 мин.
5.5.4 Уголь с фильтром переносят из воронки в открытую чашку
(5.2.17) и разрыхляют многократным перемешиванием.
5.5.5 Затем уголь помещают в коническую колбу
(5.2.8), туда же добавляют 30 г гранулированного силикагеля с размером зерен не менее 3 мм, приготовленного по
4.5.4, и перемешивают вручную встряхиванием в различных направлениях в течение 10 мин. Интенсивность встряхивания должна быть такой, чтобы избежать механического разрушения гранул силикагеля. По мере встряхивания уголь становится более легким, сыпучим и в конце обработки свободно отделяется от гранул силикагеля.
5.5.6 После обработки уголь отсеивают от силикагеля через сито с размером ячейки 1 мм
(5.2.13) и быстро перемешивают.
5.5.7 Чистые и сухие стаканчики с крышками
(5.2.12) взвешивают.
5.5.8 Во взвешенные стаканчики помещают две представительно отобранные навески угля, полученного по
5.5.6, массой 1 - 2 г каждая, разравнивают уголь легким встряхиванием и взвешивают стаканчики с пробами и крышками.
Взвешивания по
5.5.7 и
5.5.8 проводят на весах
(5.2.4), записывая массу с точностью до 0,1 мг.
5.5.9 В аппарат для кондиционирования
(5.2.1) заливают пересыщенный (кашицеобразный) раствор сульфата калия, приготовленный по
5.3.2, и устанавливают в термостате
(5.2.3) температуру циркулирующего воздуха (30,0 +/- 0,1) °C.
5.5.10 Стаканчики с углем (см.
5.5.8) без крышек устанавливают в аппарат так, чтобы патрубки для циркуляции воздуха находились над стаканчиками. Аппарат закрывают крышкой, крепят ее винтовыми зажимами и включают пропеллерную мешалку. В таких условиях уголь в стаканчиках выдерживают не менее 2 ч для достижения состояния равновесия с атмосферой кондиционирования.
5.5.11 После кондиционирования стаканчики вынимают, закрывают крышками и взвешивают на весах
(5.2.4). Записывают массу с точностью до 0,1 мг.
5.5.12 Далее открытые стаканчики и крышки помещают в сушильный шкаф
(5.2.14) для определения содержания влаги в соответствии с ГОСТ 11014-2001
(подраздел 6.3).
При поступлении в лабораторию углей, влагоемкость которых ранее не определялась, или окисленных углей их максимальную влагоемкость определяют при различной продолжительности кондиционирования для контроля достижения состояния равновесия насыщенного водой угля с атмосферой кондиционирования.
6 Требования безопасности при проведении испытаний
При проведении испытаний необходимо соблюдать требования безопасности в соответствии с
[1].
7.1 Максимальную влагоемкость Wmax, %, вычисляют по формуле

(1)
где
m2 - масса стаканчика с крышкой и навеской после обработки силикагелем по
4.5.6 [для бурых углей (в т.ч. лигнитов)] или навеской, кондиционированной по
5.5.11 (для каменных углей и антрацитов), г;
m3 - масса стаканчика с крышкой и навеской, высушенной в сушильном шкафу по
4.5.7 [для бурых углей (в т.ч. лигнитов)] или по
5.5.12 (для каменных углей и антрацитов), г;
m1 - масса пустого стаканчика с крышкой, г.
При определении максимальной влагоемкости беззольного топлива

, %, для целей классификации расчет проводят в соответствии с
ГОСТ 27313 по формуле

(2)
где
Wmax - максимальная влагоемкость угля, вычисленная по
формуле (1), %;
Ar - зольность угля с влажностью, равной максимальной влагоемкости, %, вычисляемая по формуле

(3)
где
Aa - зольность аналитической воздушно-сухой пробы угля, определяемая по
ГОСТ Р 55661, %;
Wa - массовая доля влаги в аналитической воздушно-сухой пробе угля, определяемая по
ГОСТ 11014, %.
7.2 Максимальную влагоемкость угля определяют параллельно в двух навесках. За окончательный результат принимают среднее арифметическое результатов параллельных определений, расхождение между которыми не превышает предела повторяемости r, указанного в таблице 1.
Таблица 1
Пределы повторяемости и воспроизводимости результатов
определения максимальной влагоемкости в углях
при доверительной вероятности P = 0,95
Диапазоны значений максимальной влагоемкости, % | Максимально допускаемое расхождение между результатами определения, % |
Предел повторяемости r | Предел воспроизводимости R |
До 5 включ. | 0,3 | 0,5 |
Св. 5 до 15 включ. | 0,5 | 1,0 |
Св. 15 до 30 включ. | 1,0 | 1,5 |
Св. 30 до 40 включ. | 1,5 | 2,0 |
Св. 40 | 2,0 | 2,5 |
Если расхождение между результатами двух параллельных определений превышает предел повторяемости, проводят третье определение и за окончательный результат принимают среднее арифметическое двух результатов, расхождение между которыми находится в пределах максимально допускаемых расхождений.
Если результат третьего определения находится в пределах максимально допускаемых расхождений по отношению к результатам каждого из двух предыдущих определений, то за окончательный результат принимают среднее арифметическое результатов трех определений.
Вычисление результата анализа проводят до второго десятичного знака и округляют до первого десятичного знака.
Прецизионность метода характеризуется повторяемостью и воспроизводимостью полученных результатов.
8.1 Предел повторяемости
Расхождение результатов двух параллельных определений, проведенных в пределах короткого промежутка времени в одной лаборатории одним и тем же исполнителем, с использованием одной и той же аппаратуры на представительных навесках, отобранных от одной и той же пробы, не должно превышать предела повторяемости
r, указанного в
таблице 1.
8.2 Предел воспроизводимости
Расхождение двух результатов, каждый из которых представляет собой среднеарифметическое значение результатов параллельных определений, полученных в двух разных лабораториях на дубликатах одной и той же пробы, не должно превышать предела воспроизводимости
R, указанного в
таблице 1.
| | Методические рекомендации. Техника безопасности при работе в аналитических лабораториях (общие положения) |
УДК 662.62:543.613.22:006.352 | |
Ключевые слова: уголь, максимальная влагоемкость, ускоренный метод |