Главная // Актуальные документы // ГОСТ Р (Государственный стандарт)СПРАВКА
Источник публикации
М.: ФГБУ "РСТ", 2022
Примечание к документу
Документ
введен в действие с 01.10.2022.
Название документа
"ГОСТ Р 70051-2022. Национальный стандарт Российской Федерации. Изделия строительные теплоизоляционные. Методы определения стабильности размеров в лабораторных условиях (при температуре +23 °C и относительной влажности 50%)"
(утв. и введен в действие Приказом Росстандарта от 30.03.2022 N 170-ст)
"ГОСТ Р 70051-2022. Национальный стандарт Российской Федерации. Изделия строительные теплоизоляционные. Методы определения стабильности размеров в лабораторных условиях (при температуре +23 °C и относительной влажности 50%)"
(утв. и введен в действие Приказом Росстандарта от 30.03.2022 N 170-ст)
Утвержден и введен в действие
агентства по техническому
регулированию и метрологии
от 30 марта 2022 г. N 170-ст
НАЦИОНАЛЬНЫЙ СТАНДАРТ РОССИЙСКОЙ ФЕДЕРАЦИИ
ИЗДЕЛИЯ СТРОИТЕЛЬНЫЕ ТЕПЛОИЗОЛЯЦИОННЫЕ
МЕТОДЫ ОПРЕДЕЛЕНИЯ СТАБИЛЬНОСТИ РАЗМЕРОВ
В ЛАБОРАТОРНЫХ УСЛОВИЯХ (ПРИ ТЕМПЕРАТУРЕ +23 °C
И ОТНОСИТЕЛЬНОЙ ВЛАЖНОСТИ 50%)
Thermal insulating products. Methods for determination
of dimensional stability under constant normal laboratory
conditions (at temperature +23 °C and relative humidity 50%)
ГОСТ Р 70051-2022
Дата введения
1 октября 2022 года
1 ПОДГОТОВЛЕН Обществом с ограниченной ответственностью "ПСМ-Стандарт" (ООО "ПСМ-Стандарт") и Некоммерческой организацией "Ассоциация производителей и поставщиков пенополистирола" (Ассоциация производителей и поставщиков пенополистирола) на основе собственного перевода на русский язык немецкоязычной версии стандарта, указанного в
пункте 4
2 ВНЕСЕН Техническим комитетом по стандартизации ТК 144 "Строительные материалы и изделия"
3 УТВЕРЖДЕН И ВВЕДЕН В ДЕЙСТВИЕ
Приказом Федерального агентства по техническому регулированию и метрологии от 30 марта 2022 г. N 170-ст
4 Настоящий стандарт идентичен стандарту ДИН ЕН 1603:2013 "Изделия теплоизоляционные строительные. Определение стабильности размеров при постоянных нормальных условиях (23 °C/50% относительной влажности)" (DIN EN 1603:2013 "Thermal insulating products for building applications Determination of dimensional stability under constant normal laboratory conditions (23 °C/50% relative humidity", IDT).
Наименование настоящего стандарта изменено относительно наименования указанного стандарта для приведения в соответствие с ГОСТ Р 1.5-2012
(пункт 3.5).
При применении настоящего стандарта рекомендуется использовать вместо ссылочных европейских стандартов соответствующие им межгосударственные стандарты, сведения о которых приведены в дополнительном
приложении ДА
Правила применения настоящего стандарта установлены в статье 26 Федерального закона от 29 июня 2015 г. N 162-ФЗ "О стандартизации в Российской Федерации". Информация об изменениях к настоящему стандарту публикуется в ежегодном (по состоянию на 1 января текущего года) информационном указателе "Национальные стандарты", а официальный текст изменений и поправок -
в ежемесячном информационном указателе "Национальные стандарты". В случае пересмотра (замены) или отмены настоящего стандарта соответствующее уведомление будет опубликовано в ближайшем выпуске ежемесячного информационного указателя "Национальные стандарты". Соответствующая информация, уведомление и тексты размещаются также в информационной системе общего пользования -
на официальном сайте Федерального агентства по техническому регулированию и метрологии в сети Интернет (www.rst.gov.ru)
Настоящий стандарт определяет средства измерений и методы для установления необратимых изменений размеров испытуемых образцов и изделий из строительных теплоизоляционных материалов в габаритах при поставке в зависимости от времени при нормальных климатических условиях.
В настоящем стандарте использованы нормативные ссылки на следующие стандарты [для датированных ссылок применяют только указанное издание ссылочного стандарта, для недатированных - последнее издание (включая все изменения)]:
EN 822,

das Bauwesen - Bestimmung der

und Breite (Thermal insulating products for building applications - Determinations of length and width) (Материалы теплоизоляционные строительные. Определение длины и ширины)
EN 825,

das Bauwesen - Bestimmung der Ebenheit (Thermal insulating products for building applications - Determinations of flatness) (Материалы теплоизоляционные строительные. Определение перпендикулярности)
В настоящем стандарте применены следующие термины с соответствующими определениями:
3.1
длина l (length
<*>;
<**>): Линейный размер испытуемого образца в продольном направлении, совпадающим с направлением наибольшего линейного размера лицевой поверхности изделия.
3.2
ширина b (width
<*>; Breite
<**>): Меньший линейный размер наибольшей поверхности испытуемого образца, измеренный перпендикулярно длине.
3.3
отклонение от плоскостности S (deviation from flatness
<*>; Abweichung von der Ebenheit
<**>): Максимальное расстояние между испытуемым образцом, находящимся на ровном основании выпуклой поверхностью вверх, и данным ровным основанием.
3.4
нормальные условия (normal conditions
<*>; Normalklima
<**>): Температура (23 +/- 2) °C и относительная влажность (50 +/- 5)%.
--------------------------------
Измерение длины, ширины и отклонения от плоскостности испытуемых образцов проводят через разные интервалы времени до достижения стабильности размеров при выдерживании образцов в нормальных климатических условиях.
Стабильность размеров определяют, применяя один или несколько из перечисленных ниже методов:
- метод A: определение размеров готовых к поставке изделий;
- метод B: определение размеров изделий с использованием испытуемых образцов, имеющих размеры меньшие, чем размеры готовых к поставке изделий;
- метод C: определение отклонения от плоскостности готовых к поставке изделий.
Метод A: средства измерений в соответствии с ЕН 822.
Метод B: рама, закрепленная на ровной базовой поверхности с микрометром (предел допускаемой погрешности - 0,01 мм) или другими средствами измерений (оптическими, электрическими и т.п.), пределы допускаемых погрешностей которых составляют 0,1 мм/м (см.
рисунки 1 и
2);
или
Метод B1: металлические круглые пластины диаметром не менее 20 мм (см.
рисунок 1). Диаметр следует выбирать таким образом, чтобы давление, оказываемого микрометром, составляло менее 2 кПа;
или
Метод B2: металлическая проволока (см.
рисунок 2).
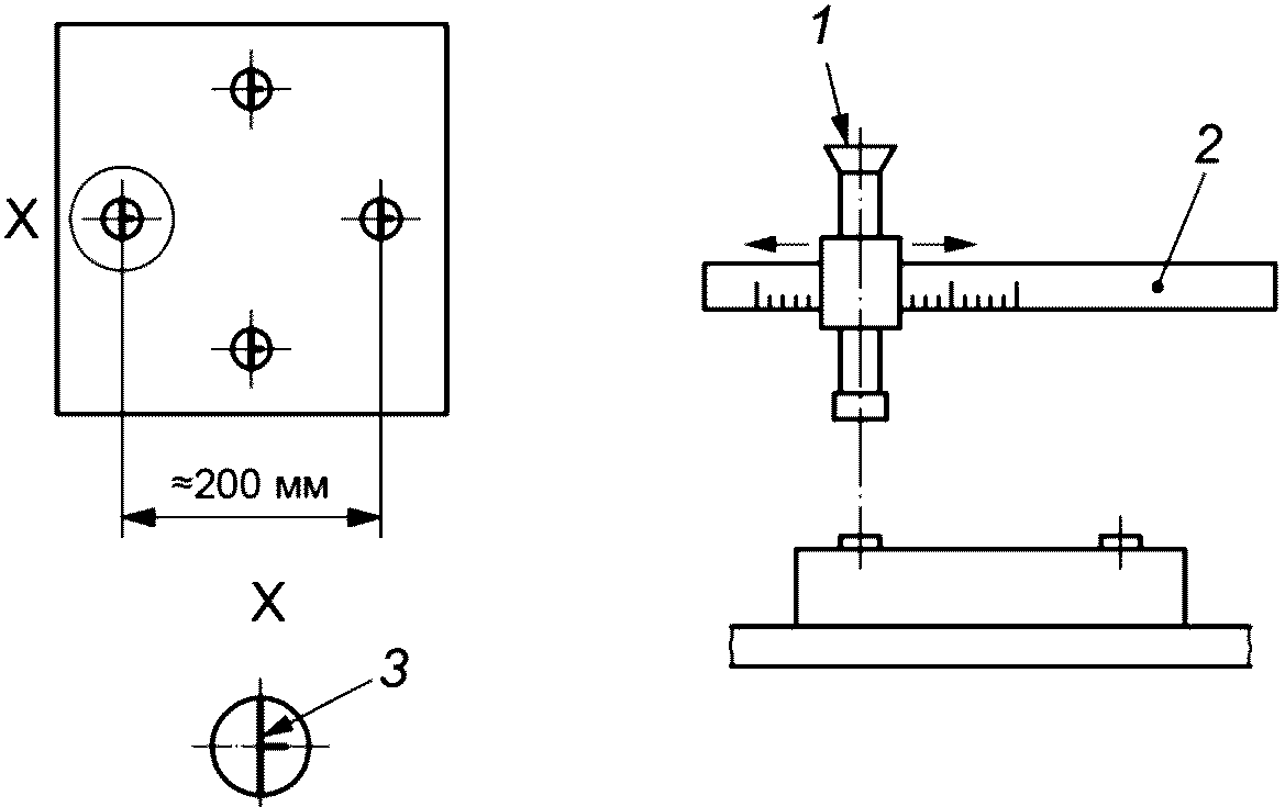
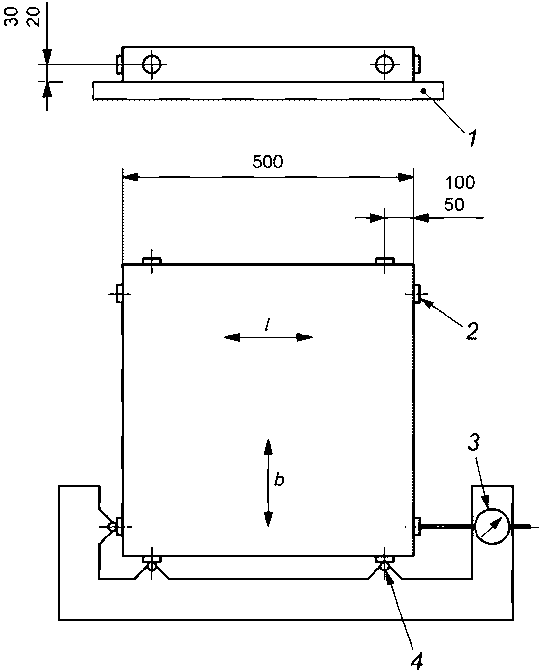
Размеры в миллиметрах
1 - ровная базовая поверхность; 2 - металлическая пластина;
3 - микрометр; 4 - металлический стержень
Рисунок 1 - Схема измерительного оборудования для метода B1
1 - оптическое или электрическое измерительное оборудование;
2 - шкала измерения; 3 - металлическая проволока
Рисунок 2 - Схема измерительного оборудования для метода B2
Метод C: средства измерений в соответствии с ЕН 825.
Допускается применение любых средств измерений, которые позволяют получить результат такой же точности.
Толщина образцов должна быть равна толщине поставляемого изделия.
Метод A: размеры образцов соответствуют размерам поставляемого изделия.
Метод B1: образцы размерами 500 x 500 мм или любых возможных размеров, если размеры изделия составляют менее 500 x 500 мм. В любом случае размеры образцов должны быть более 250 x 250 мм.
Метод B2: образцы размерами 250 x 250 мм.
Метод C: размеры образцов соответствуют размерам поставляемого изделия.
При испытаниях готовых к поставке изделий число образцов должно соответствовать числу, указанному в соответствующем стандарте на продукцию. Если измерения проводятся на образцах, отбираемых из готовых к поставке изделий, то испытания проводят на не менее чем трех образцах.
При отсутствии соответствующего стандарта на изделие или иной технической документации число образцов может быть согласовано заинтересованными сторонами.
6.3 Изготовление образцов
Испытуемые образцы вырезают с сохранением первоначальной структуры изделия.
Если размеры образцов не соответствуют размерам готовых к поставке изделий, то на образцах указывают направления длины и ширины.
Метод отбора образцов указывают в соответствующем стандарте на конкретную продукцию.
При отсутствии стандарта на изделие или иной технической документации метод отбора образцов может быть согласован заинтересованными сторонами.
Образцы выдерживают в течение не менее 24 ч при температуре (23 +/- 2) °C и относительной влажности воздуха (50 +/- 5)%.
Испытания проводят при температуре (23 +/- 2) °C и относительной влажности воздуха (50 +/- 5)%.
Образцы для испытаний располагают вертикально или горизонтально таким образом, чтобы их наибольшие граничные поверхности подвергались климатическим видам испытаний, например, удерживая образцы на расстоянии от стен испытательной камеры металлической сеткой.
Стабильность размеров определяют методом A или B, или C. Применяемый метод испытаний установлен в соответствующем стандарте на конкретное изделие.
При отсутствии соответствующего стандарта на изделие или иной технической документации применяемый метод может быть согласован заинтересованными сторонами.
Длину, ширину и отклонение от плоскостности определяют в начале испытаний (l0, b0, S0), а затем через 28 суток (lt, bt, St). Общая продолжительность испытаний составляет не менее 28 суток.
При необходимости получения более точного графика изменения размеров допускается проведение дополнительных измерений через 1, 3, 7 и 14 дней.
Измерения продолжают до тех пор, пока разность между результатами двух последних измерений не составит менее 10% от допустимого изменения размеров. Допустимое изменение размеров

устанавливается, как правило, в соответствующем стандарте на конкретную продукцию.
В случае отсутствия такого требования допустимое изменение размеров

может быть согласовано заинтересованными сторонами.
Предел допускаемой погрешности средства измерений не должен превышать

.
- метод A применяют, если

;
- метод B применяют, если

, но > 0,1%;
- метод C требует погрешности средства измерений 0,5 мм.
Метод A: длину и ширину испытуемого образца, соответствующих размерам готового к поставке изделия, измеряют в соответствии с ЕН 822.
Метод B1: на боковые поверхности испытуемого образца наклеивают металлические пластины, как показано на
рисунке 1. Размеры образца определяют с точностью до 0,01 мм.
Метод B2: на наибольшие поверхности испытуемого образца наклеивают металлическую проволоку, как показано на
рисунке 2. Размеры образца определяют с точностью до 0,005 мм.
Метод C: отклонение от плоскостности определяют в соответствии с ЕН 825.
8 Обработка и оформление результатов испытаний
Изменения размеров

и

, приведенное в процентах и

, приведенное в мм/м, рассчитывают для каждого отдельного измерения по формулам:

(1)

(2)

(3)
где

,

- измеренное значение отклонения длины и ширины, мм;

- измеренное значение отклонения от плоскости, мм;
l0, b0 - измеренные первоначальные значения длины и ширины.
Средние значения каждого изменения размеров образцов

,

,

рассчитывают по результатам отдельных испытаний.
Для метода A значения изменений размеров образцов

и

округляют до 0,5%, а для метода B до 0,1%. Значения отклонений от плоскостности

округляются до целого миллиметра на метр.
9 Точность метода испытаний
На основании результатов межлабораторных испытаний с применением аналогичного испытательного оборудования и средств измерений при одинаковой точности измерений, одинаковых условий подготовки образцов точность измерения стабильности размеров

и

оценивают следующим образом:
- предел повторяемости r с доверительной вероятностью 95%: ~= 0,4%;
- предел воспроизводимости R с доверительной вероятностью 95%: ~= 0,7%.
На вышеприведенные термины и определения распространяются положения
[1].
Отчет об испытаниях должен содержать следующую информацию:
a) ссылка на настоящий стандарт;
b) маркировка изделия:
1) наименование изделия, наименование изготовителя или поставщика;
2) код изделия;
3) вид изделия;
4) вид упаковки;
5) форма поставки изделия в лабораторию;
6) другая информация, например, номинальная толщина, кажущаяся плотность;
c) проведение испытаний:
1) предыстория и порядок отбора образцов, например, кто и в каком месте проводил отбор образцов;
2) предварительная подготовка;
3) отклонения от положений
6 и
7;
4) дата проведения испытания;
5) общие сведения об испытании: какой применен метод испытания;
6) особые обстоятельства, которые могут повлиять на результаты испытания. В лаборатории должны быть в наличии сведения о средствах испытаний и операторе, но в отчет их включать не должны;
d) результаты испытания: все отдельные значения и средние значения.
(справочное)
СВЕДЕНИЯ О СООТВЕТСТВИИ ССЫЛОЧНЫХ ЕВРОПЕЙСКИХ СТАНДАРТОВ
МЕЖГОСУДАРСТВЕННЫМ СТАНДАРТАМ
Таблица ДА.1
Обозначение ссылочного европейского стандарта | Степень соответствия | Обозначение и наименование соответствующего межгосударственного стандарта |
EN 822 | IDT | ГОСТ EN 822-2011 "Изделия теплоизоляционные, применяемые в строительстве. Методы определения длины и ширины" |
EN 825 | IDT | ГОСТ EN 825-2011 "Изделия теплоизоляционные, применяемые в строительстве. Метод определения отклонения от плоскостности" |
Примечание - В настоящей таблице использовано следующее условное обозначение степени соответствия стандартов: - IDT - идентичные стандарты. |
| DIN ISO 5725-2 | Accuracy (trueness and precision) of measurement methods and results - Part 2: Basic method for the determination of repeatability and reproducibility of a standard measurement method (Точность (правильность и прецизионность) методов и результатов измерений. Часть 2. Основной метод определения повторяемости и воспроизводимости стандартного метода измерения) |
УДК 662.998.3:006.354 | |
Ключевые слова: теплоизоляционные изделия, стабильность размеров, условия испытаний, методика проведения испытаний, нормальные климатические условия |