N п/п | Наименование показателя | Описание |
Общие показатели | ||
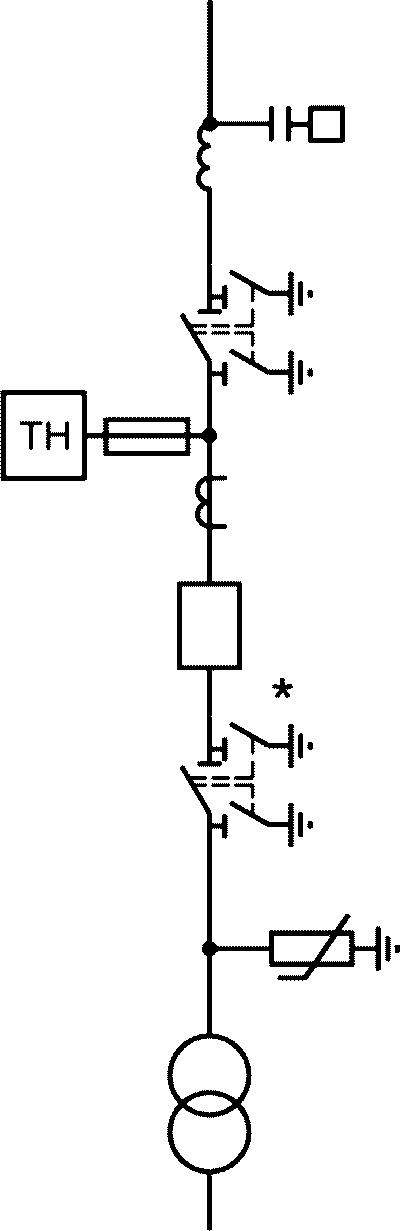
1 | Наименование и эскиз схемы | Блок (линия-трансформатор) с разъединителем |
2 | Номер схемы | |
3 | Область применения | РУ от 35 до 220 кВ |
4 | Тип подстанции | Тупиковая |
Количество присоединений | Один Т (АТ) и одна линия | |
6 | Этапность развития | Возможно расширение практически до любой схемы. Первым этапом расширения является схема блока (линия-трансформатор) с выключателем или схема "мостиков" |
Условия обоснования и выбора | ||
7 | Основные условия применения | Тупиковая однотрансформаторная подстанция, подключаемая к линии, которая не имеет ответвительных подстанций. При этом обеспечивается надежная передача управляющих воздействий релейной защиты на отключение выключателя питающей линии |
8 | Экономические критерии применения | а) Не требует ячеек выключателей. б) Занимает минимальные отчуждаемые площади с учетом (пункт 5) количества присоединений. в) Наиболее дешевая схема с учетом (пункт 5) количества присоединений |
9 | Критерии надежности | Отказ Т (АТ) или линии приводит к обесточиванию стороны НН и СН (при наличии). Следовательно, схема является недостаточно надежной. Для повышения надежности электроснабжения потребители могут резервироваться по стороне НН и СН (при наличии). В полном объеме оно нецелесообразно. Поэтому применение рассматриваемой схемы должно быть ограничено |
10 | Эксплуатационные критерии | в) Как следствие [перечисления а) и б)] минимизированы отказы по вине персонала |
11 | Техническая гибкость | - |
12 | Критерии безопасности | а) Электрооборудование, токоведущие части, изоляторы, крепления, ограждения, несущие конструкции, изоляционные и другие расстояния должны быть выбраны и установлены таким образом, чтобы: - вызываемые нормальными условиями работы электроустановки усилия, нагрев, электрическая дуга или иные сопутствующие ее работе явления (искрение, выброс газов и т.п.) не могли причинить вред обслуживающему персоналу, а также привести к повреждению оборудования и возникновению КЗ; - при выводе в ремонт какого-либо присоединения, относящиеся к нему аппараты, токоведущие части и конструкции могли подвергаться безопасному техническому обслуживанию и ремонту без нарушения нормальной работы соседних цепей; - была обеспечена возможность удобного транспортирования оборудования; - при нарушении нормальных условий работы электроустановки была обеспечена необходимая локализация повреждений, обусловленных действием КЗ. б) Напряженность электрического и магнитного полей на маршрутах обхода для осмотра оборудования и на рабочих местах у оборудования, где возможно длительное присутствие персонала для проведения профилактических и ремонтных работ, не должна превышать допустимую. в) Должны быть выполнены требования нормативно-технических документов по электромагнитной совместимости |
Расстановка оборудования | ||
13 | Расстановка разъединителей | а) Во всех цепях РУ должна быть предусмотрена установка разъединяющих устройств с видимым разрывом, обеспечивающих возможность отсоединения всех аппаратов [в данном случае - Т (АТ) и линии] в каждой цепи со всех ее сторон, откуда может быть подано напряжение. б) Данное требование [перечисление а)] не распространяется на ВЧ-заградители и конденсаторы связи, а также ограничители перенапряжений, устанавливаемые на выводах Т (АТ). в) На разъединителях 110 кВ и выше предусматривается привод с дистанционным управлением. г) С учетом перечислений а) и б) разъединитель устанавливается в цепи блока между Т (АТ) и линией |
14 | Расстановка стационарных заземлителей | а) Стационарные заземлители должны быть размещены так, чтобы были не нужны переносные заземления и чтобы персонал, работающий на токоведущих частях любых участков присоединений, был защищен заземлителями со всех сторон, откуда может быть подано напряжение. б) На заземлителях предусматривается привод с дистанционным управлением. в) С учетом перечисления а) стационарные заземлители устанавливаются по два комплекта на разъединителе блока |
15 | Расстановка ТТ | Наиболее предпочтительными являются встроенные в оборудование трансформаторы тока (трансформаторы тока также необходимы в нейтралях трансформаторов 110 кВ и выше и автотрансформаторов 220 кВ и выше) |
16 | Расстановка ТН | - |
17 | Расстановка ОПН | а) В цепях Т (АТ) должны быть установлены ОПН без коммутационных аппаратов между ними и защищаемым оборудованием. б) Для защиты нейтралей обмоток 110 кВ силовых трансформаторов, имеющих изоляцию, пониженную относительно изоляции линейного конца обмотки и допускающую работу с разземленной нейтралью, в ней следует устанавливать ОПН |
N п/п | Наименование показателя | Описание |
Общие показатели | ||
1 | Наименование и эскиз схемы | Блок (линия-трансформатор) с выключателем |
2 | Номер схемы | |
3 | Область применения | РУ от 35 до 500 кВ |
4 | Тип подстанции | Тупиковая или ответвительная |
Количество присоединений | Один Т (АТ) и одна линия | |
6 | Этапность развития | Начальный этап развития более сложных схем. Последующим этапом развития является схема "мостик" или "многоугольник" |
Условия обоснования и выбора | ||
7 | Основные условия применения | Тупиковая или ответвительная однотрансформаторная подстанция, подключенная к линии, от которой запитаны и другие подстанции |
8 | Экономические критерии применения | а) Требует одну ячейку выключателя на два присоединения [Т (АТ) и линия]. б) Занимает минимальные отчуждаемые площади с учетом (пункт 5) количества присоединений. в) Наиболее дешевая схема с учетом (пункт 5) количества присоединений |
9 | Критерии надежности | а) Отказ Т (АТ) или линии приводит к обесточиванию стороны НН и СН (при наличии) рассматриваемой подстанции. Для повышения надежности электроснабжения потребители могут резервироваться по стороне НН и СН (при наличии). Однако в полном объеме оно нецелесообразно. б) Отказ линии или выключателя какой-либо подстанции приводит к отключению всех Т (АТ) подстанций, подключенных к линии. в) Как следствие [перечисления а) и б)] схема является недостаточно надежной, и ее следует рассматривать как начальный, временный этап развития подстанции |
10 | Эксплуатационные критерии | в) Как следствие [перечисления а) и б)] минимизированы отказы по вине персонала |
11 | Техническая гибкость | - |
12 | Критерии безопасности | а) Электрооборудование, токоведущие части, изоляторы, крепления, ограждения, несущие конструкции, изоляционные и другие расстояния должны быть выбраны и установлены таким образом, чтобы: - вызываемые нормальными условиями работы электроустановки усилия, нагрев, электрическая дуга или иные сопутствующие ее работе явления (искрение, выброс газов и т.п.) не могли причинить вред обслуживающему персоналу, а также привести к повреждению оборудования и возникновению КЗ; - при выводе в ремонт какого-либо присоединения, относящиеся к нему аппараты, токоведущие части и конструкции могли подвергаться безопасному техническому обслуживанию и ремонту без нарушения нормальной работы соседних цепей; - была обеспечена возможность удобного транспортирования оборудования; - при нарушении нормальных условий работы электроустановки была обеспечена необходимая локализация повреждений, обусловленных действием КЗ. б) Напряженность электрического и магнитного полей на маршрутах обхода для осмотра оборудования и на рабочих местах у оборудования, где возможно длительное присутствие персонала для проведения профилактических и ремонтных работ, не должна превышать допустимую. в) Должны быть выполнены требования нормативно-технических документов по электромагнитной совместимости |
Расстановка оборудования | ||
13 | Расстановка разъединителей | а) Во всех цепях РУ должна быть предусмотрена установка разъединяющих устройств с видимым разрывом, обеспечивающих возможность отсоединения всех аппаратов (выключателей с ТТ, предохранителей, ТН и т.д.) в каждой цепи со всех ее сторон, откуда может быть подано напряжение. б) Данное требование [перечисление а)] не распространяется на ВЧ-заградители и конденсаторы связи, ТН, устанавливаемые на отходящих линиях, а также ограничители перенапряжений, устанавливаемых на выводах Т (АТ) и ШР и на отходящих линиях. в) Видимый разрыв может отсутствовать в комплектных РУ заводского исполнения (в том числе с заполнением элегазом - КРУЭ) с выкатными элементами и/или при наличии надежного механического указателя гарантированного положения контактов. г) На разъединителях 110 кВ и выше предусматривается привод с дистанционным управлением. д) С учетом перечислений а) и б) разъединители устанавливаются с обеих сторон выключателя при установке трехобмоточного Т (АТ) (т.е. возможно питание потребителей со стороны среднего напряжения при отключенной обмотке ВН). При установке двухобмоточного трансформатора разъединитель со стороны последнего не предусматривается |
14 | Расстановка стационарных заземлителей | а) Стационарные заземлители должны быть размещены так, чтобы были не нужны переносные заземления и чтобы персонал, работающий на токоведущих частях любых участков присоединений, был защищен заземлителями со всех сторон, откуда может быть подано напряжение. На случай отключения в процессе ремонта разъединителя с заземлителями или только заземлителя этого разъединителя должны быть предусмотрены заземлители у других разъединителей на данном участке схемы, расположенные со стороны возможной подачи напряжения. Поэтому на любых участках присоединений предусматривается установка двух заземлителей разных разъединителей. б) На заземлителях предусматривается привод с дистанционным управлением, кроме того в ячейках КРУЭ заземлители со стороны линий должны быть быстродействующими. в) С учетом перечисления а) стационарные заземлители устанавливаются по два комплекта на линейном разъединителе. На разъединителе трехобмоточного Т (АТ), заземляющий нож устанавливается только со стороны выключателя, поскольку в этом случае возможно питание потребителей со стороны среднего напряжения при отключенной обмотке ВН Т (АТ) |
15 | Расстановка ТТ | а) ТТ устанавливаются в каждом присоединении. Наиболее предпочтительными являются встроенные в оборудование ТТ [ТТ также необходимы в нейтралях трансформаторов 110 кВ и выше и Т (АТ) 220 кВ и выше]. - для подключения приборов коммерческого и/или технического учета электроэнергии используется отдельная вторичная обмотка ТТ, при этом также отдельная обмотка предусматривается для средств измерений (не входящих в АИИС КУЭ), т.е. отдельно друг от друга и от цепей защит; - основная и резервная защиты должны питаться от разных вторичных обмоток ТТ; - количество вторичных обмоток ТТ должно быть достаточным для присоединения к ним в общем случае основных и резервных защит двух элементов, например, ВЛ и СШ. в) При установке ТТ с меньшим количеством вторичных обмоток, чем требуется [перечисление б)], возникает необходимость в установке второго дополнительного ТТ |
16 | Расстановка ТН | а) ТН устанавливают на блоке. б) ТН предусматриваются с тремя вторичными обмотками, одна из которых предназначена для подключения приборов коммерческого и/или технического учета электроэнергии. в) При выборе ТН необходимо учитывать возможность возникновения феррорезонанса, рекомендуется применять антиферрорезонансные типы ТН. г) На ЛЭП 330 кВ и выше для резервирования защит по цепям напряжения устанавливаются два ТН (по обе стороны разъединителя линии) |
17 | Расстановка ОПН | а) В цепях Т (АТ) должны быть установлены ОПН без коммутационных аппаратов между ними и защищаемым оборудованием. б) Для защиты нейтралей обмоток 110 кВ силовых трансформаторов, имеющих изоляцию, пониженную относительно изоляции линейного конца обмотки и допускающую работу с разземленной нейтралью, в ней следует устанавливать ОПН. в) Необходимость установки ОПН на линейных присоединениях определяется сравнением расстояний по ошиновке от ОПН у силовых Т (АТ) до самого удаленного присоединения, с наибольшим допустимым расстоянием |
N п/п | Наименование показателя | Описание |
Общие показатели | ||
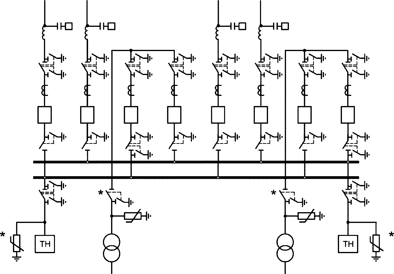
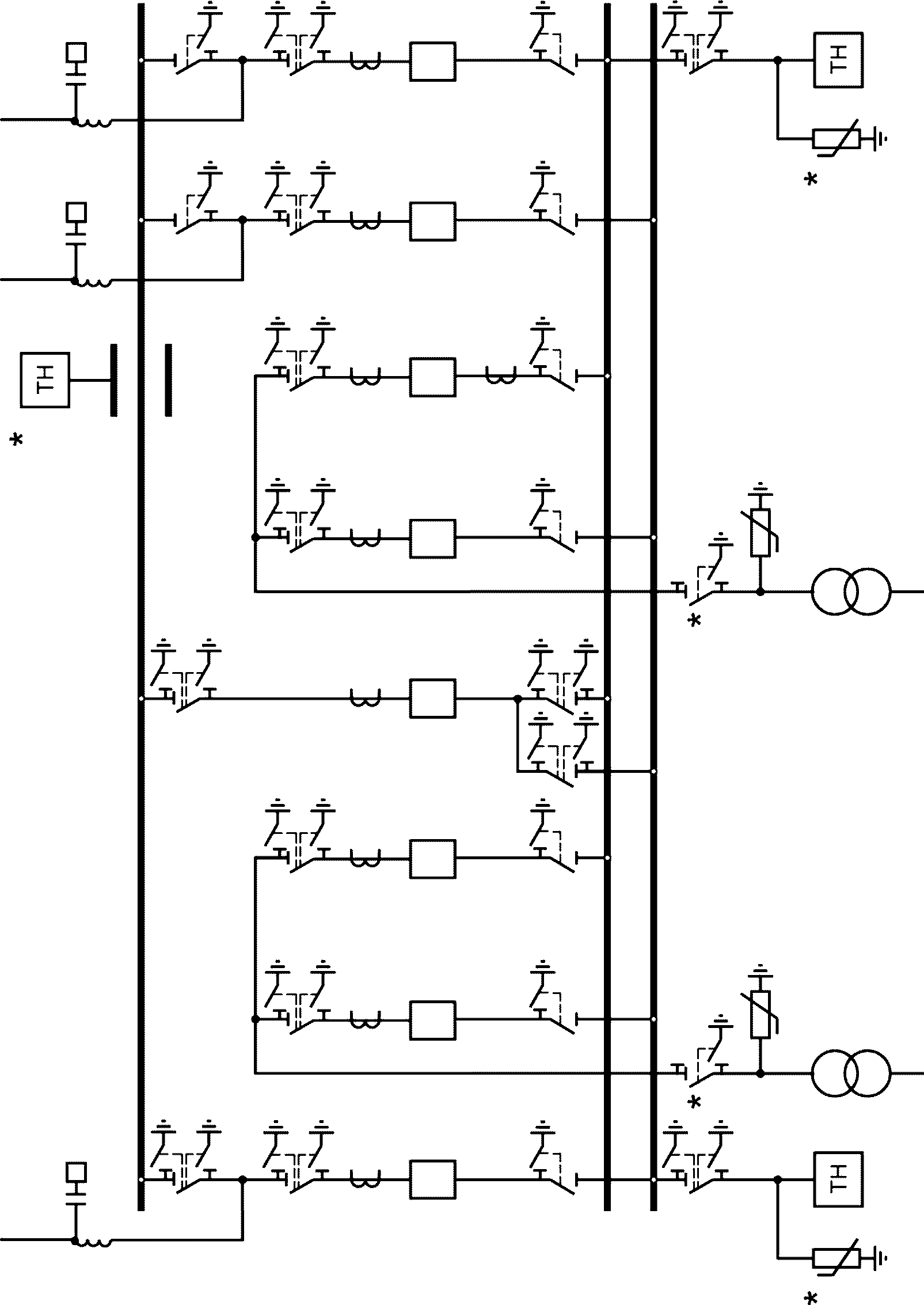
1 | Наименование и эскиз схемы | Два блока с выключателями и неавтоматической перемычкой со стороны линий ![]() |
2 | Номер схемы | |
3 | Область применения | РУ от 35 до 220 кВ |
4 | Тип подстанции | Тупиковая или ответвительная |
Количество присоединений | Два Т (АТ) и две линии | |
6 | Этапность развития | Возможно расширение до схемы с одной или двумя СШ (с ОСШ либо без нее). При этом учитываются следующие конструктивные особенности. Под каждое присоединение, включая перемычку, предусматривают отдельную ячейку, аналогично компоновкам схем с одной-двумя СШ. Каждый участок ошиновки между выключателями и ремонтной перемычкой выполняют в виде отдельной СШ или ССШ (типовые решения для схем с одной-двумя СШ). Разъединители со стороны присоединения линий и Т (АТ) устанавливаются под выходными линейными порталами. При поэтапном расширении секционный или шиносоединительный выключатель устанавливается в ячейке перемычки |
Условия обоснования и выбора | ||
7 | Основные условия применения | Тупиковая или ответвительная подстанция с одно- или двухсторонним питанием, подключенная к двухцепной линии, от которой запитаны и другие подстанции |
8 | Экономические критерии применения | а) Требует две ячейки выключателей на четыре присоединения [два Т (АТ) и две линии]. б) Занимает минимальные отчуждаемые площади с учетом (пункт 5) количества присоединений. в) Наиболее дешевая схема с учетом (пункт 5) количества присоединений |
9 | Критерии надежности | а) Отказ линии или выключателя приводит к отключению по одному Т (АТ) на всех смежных подстанциях, подключенных к данной линии. Рассматриваемые отказы не должны приводить к ограничению электроснабжения потребителей при достаточной нагрузочной способности оставшихся в работе Т (АТ), а также действии автоматического ввода резерва на стороне НН и СН (при наличии) Т (АТ). б) При трех-четырех и более ответвительных подстанций, подключенных к линиям с двухсторонним питанием, рекомендуется рассмотреть целесообразность секционирования этих линий за счет использования на одной из подстанций соответствующей схемы, например, "заход-выход". в) Неавтоматическую перемычку со стороны линий следует устанавливать только при наличии технико-экономических обоснований с учетом фактора надежности, поскольку плановые и аварийные простои линий от 35 до 220 кВ непродолжительны, а параметр потока отказов Т (АТ) - один из самых низких среди элементов электрических сетей. г) Является лучшей схемой с позиций надежности и экономичности для тупиковых или ответвительных двухтрансформаторных подстанций при использовании современных элегазовых (вакуумных) выключателей для подстанций от 35 до 220 кВ |
10 | Эксплуатационные критерии | в) Как следствие [перечисления а) и б)] минимизированы отказы по вине персонала |
11 | Техническая гибкость | - |
12 | Критерии безопасности | а) Электрооборудование, токоведущие части, изоляторы, крепления, ограждения, несущие конструкции, изоляционные и другие расстояния должны быть выбраны и установлены таким образом, чтобы: - вызываемые нормальными условиями работы электроустановки усилия, нагрев, электрическая дуга или иные сопутствующие ее работе явления (искрение, выброс газов и т.п.) не могли причинить вред обслуживающему персоналу, а также привести к повреждению оборудования и возникновению КЗ; - при выводе в ремонт какого-либо присоединения, относящиеся к нему аппараты, токоведущие части и конструкции могли подвергаться безопасному техническому обслуживанию и ремонту без нарушения нормальной работы соседних цепей; - при нарушении нормальных условий работы электроустановки была обеспечена необходимая локализация повреждений, обусловленных действием КЗ. б) Напряженность электрического и магнитного полей на маршрутах обхода для осмотра оборудования и на рабочих местах у оборудования, где возможно длительное присутствие персонала для проведения профилактических и ремонтных работ, не должна превышать допустимую. в) Должны быть выполнены требования нормативно-технических документов по электромагнитной совместимости |
Расстановка оборудования | ||
13 | Расстановка разъединителей | а) Во всех цепях РУ должна быть предусмотрена установка разъединяющих устройств с видимым разрывом, обеспечивающих возможность отсоединения всех аппаратов (выключателей с ТТ, предохранителей, ТН и т.д.) в каждой цепи со всех ее сторон, откуда может быть подано напряжение. б) Данное требование [перечисление а)] не распространяется на ВЧ-заградители и конденсаторы связи, ТН, устанавливаемые на отходящих линиях, а также ограничители перенапряжений, устанавливаемые на выводах Т (АТ) и на отходящих линиях. в) Видимый разрыв может отсутствовать в комплектных РУ заводского исполнения (в том числе с заполнением элегазом - КРУЭ) с выкатными элементами и/или при наличии надежного механического указателя гарантированного положения контактов. г) На разъединителях 110 кВ и выше предусматривается привод с дистанционным управлением. д) С учетом перечислений а) и б) разъединители устанавливаются: - в цепях линий; - с обеих сторон выключателей при использовании трехобмоточных Т (АТ); при установке двухобмоточных трансформаторов разъединитель в его цепи не предусматривается; - два последовательно включенных разъединителя в неавтоматической перемычке (для выполнения их ремонта без полного обесточения РУ) |
14 | Расстановка стационарных заземлителей | а) Стационарные заземлители должны быть размещены так, чтобы были не нужны переносные заземления и чтобы персонал, работающий на токоведущих частях любых участков присоединений, был защищен заземлителями со всех сторон, откуда может быть подано напряжение. На случай отключения в процессе ремонта разъединителя с заземлителями или только заземлителя этого разъединителя должны быть предусмотрены заземлители у других разъединителей на данном участке схемы, расположенные со стороны возможной подачи напряжения. Поэтому на любых участках присоединений предусматривается установка двух заземлителей разных разъединителей. б) На заземлителях предусматривается привод с дистанционным управлением, кроме того в ячейках КРУЭ заземлители со стороны линий должны быть быстродействующими. в) С учетом перечисления а) стационарные заземлители устанавливаются по два комплекта на каждом разъединителе, кроме разъединителей Т (АТ) со стороны перемычки, где установлен один комплект со стороны выключателя |
15 | Расстановка ТТ | а) ТТ устанавливаются в каждом присоединении. Наиболее предпочтительными являются встроенные в оборудование ТТ (ТТ также необходимы в нейтралях трансформаторов 110 кВ и выше и АТ 220 кВ и выше). - для подключения приборов коммерческого и/или технического учета электроэнергии используется отдельная вторичная обмотка ТТ, при этом также отдельная обмотка предусматривается для средств измерений (не входящих в АИИС КУЭ), т.е. отдельно друг от друга и от цепей защит; - основная и резервная защиты должны питаться от разных вторичных обмоток ТТ; - оно должно быть достаточным для присоединения к ним в общем случае основных и резервных защит двух элементов, например, ВЛ и СШ. в) При установке ТТ с меньшим количеством вторичных обмоток, чем требуется [перечисление б)], возникает необходимость в установке второго дополнительного ТТ |
16 | Расстановка ТН | а) ТН устанавливают на каждом блоке. б) ТН предусматриваются с тремя вторичными обмотками, одна из которых предназначена для подключения приборов коммерческого и/или технического учета электроэнергии. в) При выборе ТН необходимо учитывать возможность возникновения феррорезонанса, рекомендуется применять антиферрорезонансные типы ТН |
17 | Расстановка ОПН | а) В цепях Т (АТ) должны быть установлены ОПН без коммутационных аппаратов между ними и защищаемым оборудованием. б) Для защиты нейтралей обмоток 110 кВ силовых трансформаторов, имеющих изоляцию, пониженную относительно изоляции линейного конца обмотки и допускающую работу с разземленной нейтралью, в ней следует устанавливать ОПН. в) Необходимость установки ОПН на линейных присоединениях определяется сравнением расстояний по ошиновке от ОПН у силовых Т (АТ) до самого удаленного присоединения, с наибольшим допустимым расстоянием |
N п/п | Наименование показателя | Описание | ||||
Общие показатели | ||||||
1 | Наименование и эскиз схемы | "Мостик" с выключателями в цепях линий и ремонтной перемычкой со стороны линий ![]() | ||||
2 | Номер схемы | |||||
3 | Область применения | РУ от 35 до 220 кВ | ||||
4 | Тип подстанции | Проходная | ||||
Количество присоединений | Два Т (АТ) и две линии | |||||
6 | Этапность развития | Возможно расширение до схемы с одной или двумя СШ (с ОСШ либо без нее). При этом учитываются следующие конструктивные особенности. Сооружается участок ошиновки между разъединителями перемычки в виде СШ. В последующем она может преобразовываться в ОСШ. Под каждое присоединение, а также под секционный выключатель предусматриваются отдельные ячейки, установленные в один ряд. Остальное оборудование и порталы устанавливаются по привязкам компоновки схемы с одной-двумя СШ | ||||
Условия обоснования и выбора | ||||||
Основные условия применения | Проходная подстанция с двухсторонним питанием | |||||
8 | Экономические критерии применения | а) Требует три ячейки выключателей на четыре присоединения (два Т (АТ) и две линии). б) Занимает минимальные отчуждаемые площади с учетом (пункт 5) количества присоединений. в) Наиболее дешевая схема с учетом (пункт 5) количества присоединений для заданной конфигурации сети | ||||
| ||||||
9 | Критерии надежности | а) При отказе нормально включенного "среднего" выключателя возможно полное обесточение РУ. При этом теряется транзит мощности через сторону ВН подстанции. При заданной в перечислении а), пункт 7 схеме присоединения подстанций к энергосистеме (двухстороннее питание) потеря транзита не приводит к ограничению электроснабжения потребителей на смежных подстанциях. Транзит мощности будет потерян и при отказе выключателя в цепи линии. Транзит мощности прерывается и при отказе силового Т (АТ). Однако этот перерыв непродолжительный и определяется временем оперативных переключений в схеме. Кроме того, частота отказов Т (АТ) рассматриваемого класса напряжения сравнительно невелика (параметр потока отказов равен 0,005 - 0,02 1/год). Поэтому данное событие принимается во внимание при выборе схем лишь при наличии достаточных технико-экономических обоснований с учетом фактора надежности. б) Установка второго последовательно включенного выключателя или переход к схеме "четырехугольник" для исключения обесточения РУ [перечисление а)] нецелесообразна с технико-экономических позиций с учетом фактора надежности. в) К одной линии с двусторонним питанием рекомендуется подключать не более трех-четырех проходных подстанций, в том числе по условиям надежной работы релейной защиты в части селективности. г) При прочих равных условиях в рассматриваемой схеме, в отличие от схемы "мостик" с выключателями в цепях трансформаторов и ремонтной перемычкой со стороны трансформаторов, коммутация линий выполняется одним выключателем. Это благоприятно сказывается на надежности РУ, поскольку коммутация ЛЭП в нормальных, ремонтных и аварийных режимах осуществляется значительно чаще, чем Т (АТ). д) С учетом перечислений а) и г) является лучшей схемой с позиций надежности и экономичности для проходных подстанций при использовании современных элегазовых (вакуумных) выключателей для подстанций от 35 до 220 кВ | ||||
10 | Эксплуатационные критерии | в) Как следствие [перечисления а) и б)] минимизированы отказы по вине персонала | ||||
11 | Техническая гибкость | - | ||||
12 | Критерии безопасности | а) Электрооборудование, токоведущие части, изоляторы, крепления, ограждения, несущие конструкции, изоляционные и другие расстояния должны быть выбраны и установлены таким образом, чтобы: - вызываемые нормальными условиями работы электроустановки усилия, нагрев, электрическая дуга или иные сопутствующие ее работе явления (искрение, выброс газов и т.п.) не могли причинить вред обслуживающему персоналу, а также привести к повреждению оборудования и возникновению КЗ; - при выводе в ремонт какого-либо присоединения, относящиеся к нему аппараты, токоведущие части и конструкции могли подвергаться безопасному техническому обслуживанию и ремонту без нарушения нормальной работы соседних цепей; - при нарушении нормальных условий работы электроустановки была обеспечена необходимая локализация повреждений, обусловленных действием КЗ. б) Напряженность электрического и магнитного полей на маршрутах обхода для осмотра оборудования и на рабочих местах у оборудования, где возможно длительное присутствие персонала для проведения профилактических и ремонтных работ, не должна превышать допустимую. в) Должны быть выполнены требования нормативно-технических документов по электромагнитной совместимости | ||||
Расстановка оборудования | ||||||
13 | Расстановка разъединителей | а) Во всех цепях РУ должна быть предусмотрена установка разъединяющих устройств с видимым разрывом, обеспечивающих возможность отсоединения всех аппаратов (выключателей с трансформаторами тока, предохранителей, ТН и т.д.) в каждой цепи со всех ее сторон, откуда может быть подано напряжение. б) Данное требование [перечисление а)] не распространяется на ВЧ-заградители и конденсаторы связи, ТН, устанавливаемые на отходящих линиях, а также ограничители перенапряжений, устанавливаемые на выводах Т (АТ) и на отходящих линиях. в) Видимый разрыв может отсутствовать в комплектных РУ заводского исполнения (в том числе с заполнением элегазом - КРУЭ) с выкатными элементами и/или при наличии надежного механического указателя гарантированного положения контактов. г) На разъединителях 110 кВ и выше предусматривается привод с дистанционным управлением. д) С учетом перечислений а) и б) разъединители устанавливаются: - в цепях Т (АТ); - в цепях выключателей с обеих сторон; - два последовательно включенных разъединителя в ремонтной перемычке (для выполнения их ремонта без полного обесточения РУ) | ||||
14 | Расстановка стационарных заземлителей | а) Стационарные заземлители должны быть размещены так, чтобы были не нужны переносные заземления и чтобы персонал, работающий на токоведущих частях любых участков присоединений, был защищен заземлителями со всех сторон, откуда может быть подано напряжение. На случай отключения в процессе ремонта разъединителя с заземлителями или только заземлителя этого разъединителя должны быть предусмотрены заземлители у других разъединителей на данном участке схемы, расположенные со стороны возможной подачи напряжения. Поэтому на любых участках присоединений предусматривается установка двух заземлителей разных разъединителей. б) На заземлителях предусматривается привод с дистанционным управлением, кроме того в ячейках КРУЭ заземлители со стороны линий должны быть быстродействующими. в) С учетом перечисления а) стационарные заземлители устанавливаются по два комплекта на каждом разъединителе, кроме разъединителей Т (АТ), где установлен один комплект со стороны трансформатора | ||||
15 | Расстановка ТТ | а) ТТ устанавливаются в каждом присоединении, а также в ремонтной перемычке. Наиболее предпочтительными являются встроенные в оборудование ТТ (ТТ также необходимы в нейтралях трансформаторов 110 кВ и выше и АТ 220 кВ и выше). - для подключения приборов коммерческого и/или технического учета электроэнергии используется отдельная вторичная обмотка ТТ, при этом также отдельная обмотка предусматривается для средств измерений (не входящих в АИИС КУЭ), т.е. отдельно друг от друга и от цепей защит; - основная и резервная защиты должны питаться от разных вторичных обмоток ТТ; - оно должно быть достаточным для присоединения к ним в общем случае основных и резервных защит двух элементов, например, ВЛ и СШ. в) При установке ТТ с меньшим количеством вторичных обмоток, чем требуется [перечисление б)], возникает необходимость в установке второго дополнительного ТТ | ||||
16 | Расстановка ТН | а) ТН рекомендуется устанавливать на каждом линейном присоединении мостика. б) ТН предусматриваются с тремя вторичными обмотками, одна из которых предназначена для подключения приборов коммерческого и/или технического учета электроэнергии. в) При выборе ТН необходимо учитывать возможность возникновения феррорезонанса, рекомендуется применять антиферрорезонансные типы ТН | ||||
17 | Расстановка ОПН | а) В цепях Т (АТ) должны быть установлены ОПН без коммутационных аппаратов между ними и защищаемым оборудованием. б) Для защиты нейтралей обмоток 110 кВ силовых трансформаторов, имеющих изоляцию, пониженную относительно изоляции линейного конца обмотки и допускающую работу с разземленной нейтралью, в ней следует устанавливать ОПН. в) Необходимость установки ОПН на линейных присоединениях определяется сравнением расстояний по ошиновке от ОПН у силовых Т (АТ) до самого удаленного присоединения, с наибольшим допустимым расстоянием | ||||
N п/п | Наименование показателя | Описание | ||||
Общие показатели | ||||||
1 | Наименование и эскиз схемы | "Мостик" с выключателями в цепях трансформаторов и ремонтной перемычкой со стороны трансформаторов ![]() | ||||
2 | Номер схемы | |||||
3 | Область применения | РУ от 35 до 220 кВ | ||||
4 | Тип подстанции | Проходная | ||||
Количество присоединений | Два Т (АТ) и две линии | |||||
6 | Этапность развития | Возможно расширение до схемы с одной или двумя СШ (с ОСШ либо без нее). При этом учитываются следующие конструктивные особенности. Сооружается участок ошиновки между разъединителями перемычки в виде СШ. В последующем она может преобразовываться в ОСШ. Под каждое присоединение, а также под секционный выключатель предусматриваются отдельные ячейки, установленные в один ряд. Остальное оборудование и порталы устанавливаются по привязкам компоновки схемы с одной-двумя СШ | ||||
Условия обоснования и выбора | ||||||
Основные условия применения | Проходная подстанция с двухсторонним питанием при необходимости частых включений-отключений Т (АТ) при неравномерном графике нагрузки для снижения потерь мощности и электроэнергии в Т (АТ) | |||||
8 | Экономические критерии применения | а) Требует три ячейки выключателей на четыре присоединения (два Т (АТ) и две линии). б) Занимает минимальные отчуждаемые площади с учетом (пункт 5) количества присоединений. в) Наиболее дешевая схема с учетом (пункт 5) количества присоединений для заданной конфигурации сети | ||||
| ||||||
9 | Критерии надежности | а) При отказе нормально включенного "среднего" выключателя возможно полное обесточение РУ. При этом теряется транзит мощности через сторону ВН подстанции. При заданной в перечислении а), пункт 7 схеме присоединения подстанций к энергосистеме (двухстороннее питание) потеря транзита не приводит к ограничению электроснабжения потребителей на смежных подстанциях. Транзит мощности будет потерян и при отказе выключателя в цепи Т (АТ). б) Установка второго последовательно включенного выключателя или переход к схеме "четырехугольник" для исключения обесточения РУ [перечисление а)] нецелесообразны с технико-экономических позиций с учетом фактора надежности. в) К одной линии с двусторонним питанием рекомендуется подключать не более трех-четырех проходных подстанций, в том числе по условиям надежной работы релейной защиты в части селективности. г) При ремонте секционного выключателя схема позволяет сохранить транзит мощности по присоединенным линиям через ремонтную перемычку, а также сохранить в работе оба Т (АТ) при аварийном отключении одной из отходящих линий. д) При прочих равных условиях в рассматриваемой схеме, в отличие от схемы "мостик" с выключателями в цепях линий и ремонтной перемычкой со стороны линий, коммутация линии выполняется двумя выключателями. Поэтому схему "мостик" с выключателями в цепях трансформаторов и ремонтной перемычкой со стороны трансформаторов следует использовать в случаях значительной неравномерности графика нагрузки, когда могут быть оправданы частые включения-отключения Т (АТ) для снижения потерь мощности и электроэнергии в них | ||||
10 | Эксплуатационные критерии | в) Как следствие [перечисления а) и б)] минимизированы отказы по вине персонала | ||||
11 | Техническая гибкость | - | ||||
12 | Критерии безопасности | а) Электрооборудование, токоведущие части, изоляторы, крепления, ограждения, несущие конструкции, изоляционные и другие расстояния должны быть выбраны и установлены таким образом, чтобы: - вызываемые нормальными условиями работы электроустановки усилия, нагрев, электрическая дуга или иные сопутствующие ее работе явления (искрение, выброс газов и т.п.) не могли причинить вред обслуживающему персоналу, а также привести к повреждению оборудования и возникновению КЗ; - при выводе в ремонт какого-либо присоединения, относящиеся к нему аппараты, токоведущие части и конструкции могли подвергаться безопасному техническому обслуживанию и ремонту без нарушения нормальной работы соседних цепей; - при нарушении нормальных условий работы электроустановки была обеспечена необходимая локализация повреждений, обусловленных действием КЗ. б) Напряженность электрического и магнитного полей на маршрутах обхода для осмотра оборудования и на рабочих местах у оборудования, где возможно длительное присутствие персонала для проведения профилактических и ремонтных работ, не должна превышать допустимую. в) Должны быть выполнены требования нормативно-технических документов по электромагнитной совместимости | ||||
Расстановка оборудования | ||||||
13 | Расстановка разъединителей | а) Во всех цепях РУ должна быть предусмотрена установка разъединяющих устройств с видимым разрывом, обеспечивающих возможность отсоединения всех аппаратов (выключателей с трансформаторами тока, предохранителей, ТН и т.д.) в каждой цепи со всех ее сторон, откуда может быть подано напряжение. б) Данное требование [перечисление а)] не распространяется на ВЧ-заградители и конденсаторы связи, ТН, устанавливаемые на отходящих линиях, а также ограничители перенапряжений, устанавливаемых на выводах Т (АТ) и на отходящих линиях. в) Видимый разрыв может отсутствовать в комплектных РУ заводского исполнения (в том числе с заполнением элегазом - КРУЭ) с выкатными элементами и/или при наличии надежного механического указателя гарантированного положения контактов. г) На разъединителях 110 кВ и выше предусматривается привод с дистанционным управлением. д) С учетом перечислений а) и б) разъединители устанавливаются: - в цепях линий; - с обеих сторон каждого выключателя; - два последовательно включенных разъединителя в ремонтной перемычке (для выполнения их ремонта без полного обесточения РУ) | ||||
14 | Расстановка стационарных заземлителей | а) Стационарные заземлители должны быть размещены так, чтобы были не нужны переносные заземления и чтобы персонал, работающий на токоведущих частях любых участков присоединений, был защищен заземлителями со всех сторон, откуда может быть подано напряжение. На случай отключения в процессе ремонта разъединителя с заземлителями или только заземлителя этого разъединителя должны быть предусмотрены заземлители у других разъединителей на данном участке схемы, расположенные со стороны возможной подачи напряжения. Поэтому на любых участках присоединений предусматривается установка двух заземлителей разных разъединителей. б) На заземлителях предусматривается привод с дистанционным управлением, кроме того в ячейках КРУЭ заземлители со стороны линий должны быть быстродействующими. в) С учетом перечисления а) стационарные заземлители устанавливаются по два комплекта на каждом разъединителе, кроме разъединителей в цепях выключателя присоединений, где установлен один комплект со стороны выключателя | ||||
15 | Расстановка ТТ | а) ТТ устанавливаются в каждом присоединении, а также в ремонтной перемычке. Наиболее предпочтительными являются встроенные в оборудование ТТ [ТТ также необходимы в нейтралях трансформаторов 110 кВ и выше и Т (АТ) 220 кВ и выше]. - для подключения приборов коммерческого и/или технического учета электроэнергии используется отдельная вторичная обмотка ТТ, при этом также отдельная обмотка предусматривается для средств измерений (не входящих в АИИС КУЭ), т.е. отдельно друг от друга и от цепей защит; - основная и резервная защиты должны питаться от разных вторичных обмоток ТТ; - оно должно быть достаточным для присоединения к ним в общем случае основных и резервных защит двух элементов, например, ВЛ и СШ. в) При установке ТТ с меньшим количеством вторичных обмоток, чем требуется [перечисление б)], возникает необходимость в установке второго дополнительного ТТ | ||||
16 | Расстановка ТН | а) ТН рекомендуется устанавливать на каждом линейном присоединении "мостик". б) ТН предусматриваются с тремя вторичными обмотками, одна из которых предназначена для подключения приборов коммерческого и/или технического учета электроэнергии. в) При выборе ТН необходимо учитывать возможность возникновения феррорезонанса, рекомендуется применять антиферрорезонансные типы ТН | ||||
17 | Расстановка ОПН | а) В цепях Т (АТ) должны быть установлены ОПН без коммутационных аппаратов между ними и защищаемым оборудованием. б) Для защиты нейтралей обмоток 110 кВ силовых трансформаторов, имеющих изоляцию, пониженную относительно изоляции линейного конца обмотки и допускающую работу с разземленной нейтралью, в ней следует устанавливать ОПН. в) Необходимость установки ОПН на линейных присоединениях определяется сравнением расстояний по ошиновке от ОПН у силовых Т (АТ) до самого удаленного присоединения, с наибольшим допустимым расстоянием | ||||
N п/п | Наименование показателя | Описание |
Общие показатели | ||
1 | Наименование и эскиз схемы | "Заход-выход" ![]() |
2 | Номер схемы | |
3 | Область применения | РУ 110 и 220 кВ |
4 | Тип подстанции | Проходная |
Количество присоединений | Один Т (АТ) и две линии | |
6 | Этапность развития | Начальный этап развития схемы "мостик", "треугольник" или другой более сложной схемы при одном Т (АТ) и двух линиях. Также используется на двух трансформаторных подстанциях в виде двух не связанных между собой "заходов-выходов" и в этом случае является законченным этапом развития схемы |
Условия обоснования и выбора | ||
7 | Основные условия применения | Проходная подстанция с двухсторонним питанием, подключенная к двухцепной линии |
8 | Экономические критерии применения | а) Требует две ячейки выключателей на три присоединения [один Т (АТ) и две линии]. б) Занимает минимальные отчуждаемые площади с учетом (пункт 5) количества присоединений. в) Сравнительно дешевая схема с учетом (пункт 5) количества присоединений для заданной конфигурации сети |
9 | Критерии надежности | а) При отказе любого выключателя теряется "заход-выход" линии и питание трансформатора. б) Схему "заход-выход" целесообразно рассматривать для секционирования двухцепной линии с двухсторонним питанием, к которой подключено более трех ответвительных подстанций по схеме блока для повышения надежности электроснабжения потребителей и работы устройств релейной защиты |
10 | Эксплуатационные критерии | в) Как следствие [перечисления а) и б)] минимизированы отказы по вине персонала |
11 | Техническая гибкость | Т (АТ) подключаются к двум источникам питания через развилку выключателей, что является дополнительным преимуществом схемы в ремонтных и послеаварийных режимах |
12 | Критерии безопасности | а) Электрооборудование, токоведущие части, изоляторы, крепления, ограждения, несущие конструкции, изоляционные и другие расстояния должны быть выбраны и установлены таким образом, чтобы: - вызываемые нормальными условиями работы электроустановки усилия, нагрев, электрическая дуга или иные сопутствующие ее работе явления (искрение, выброс газов и т.п.) не могли причинить вред обслуживающему персоналу, а также привести к повреждению оборудования и возникновению КЗ; - при выводе в ремонт какого-либо присоединения относящиеся к нему аппараты, токоведущие части и конструкции могли подвергаться безопасному техническому обслуживанию и ремонту без нарушения нормальной работы соседних цепей; - при нарушении нормальных условий работы электроустановки была обеспечена необходимая локализация повреждений, обусловленных действием КЗ. б) Напряженность электрического и магнитного полей на маршрутах обхода для осмотра оборудования и на рабочих местах у оборудования, где возможно длительное присутствие персонала для проведения профилактических и ремонтных работ, не должна превышать допустимую. в) Должны быть выполнены требования нормативно-технических документов по электромагнитной совместимости |
Расстановка оборудования | ||
13 | Расстановка разъединителей | а) Во всех цепях РУ должна быть предусмотрена установка разъединяющих устройств с видимым разрывом, обеспечивающих возможность отсоединения всех аппаратов (выключателей с ТТ, предохранителей, ТН и т.д.) в каждой цепи со всех ее сторон, откуда может быть подано напряжение. б) Данное требование [перечисление а)] не распространяется на ВЧ-заградители и конденсаторы связи, ТН, устанавливаемые на отходящих линиях, а также ограничители перенапряжений, устанавливаемых на выводах Т (АТ) и на отходящих линиях. в) Видимый разрыв может отсутствовать в комплектных РУ заводского исполнения (в том числе с заполнением элегазом - КРУЭ) с выкатными элементами и/или при наличии надежного механического указателя гарантированного положения контактов. г) На разъединителях 110 кВ и выше предусматривается привод с дистанционным управлением. д) С учетом перечислений а) и б) разъединители устанавливаются: - в цепях Т (АТ); - с обеих сторон каждого выключателя; - два последовательно включенных разъединителя в ремонтной перемычке [для выполнения их ремонта без отключения одного Т (АТ)] |
14 | Расстановка стационарных заземлителей | а) Стационарные заземлители должны быть размещены так, чтобы были не нужны переносные заземления и чтобы персонал, работающий на токоведущих частях любых участков присоединений, был защищен заземлителями со всех сторон, откуда может быть подано напряжение. На случай отключения в процессе ремонта разъединителя с заземлителями или только заземлителя этого разъединителя должны быть предусмотрены заземлители у других разъединителей на данном участке схемы, расположенные со стороны возможной подачи напряжения. Поэтому на любых участках присоединений предусматривается установка двух заземлителей разных разъединителей. б) На заземлителях предусматривается привод с дистанционным управлением, кроме того в ячейках КРУЭ заземлители со стороны линий должны быть быстродействующими. в) С учетом перечисления а) стационарные заземлители устанавливаются по два комплекта на каждом разъединителе, кроме разъединителей Т (АТ), где установлен один комплект со стороны Т (АТ) |
15 | Расстановка ТТ | а) ТТ устанавливаются в каждом присоединении, а также в ремонтной перемычке. Наиболее предпочтительными являются встроенные в оборудование ТТ (ТТ также необходимы в нейтралях трансформаторов 110 кВ и выше и АТ 220 кВ и выше). - для подключения приборов коммерческого и/или технического учета электроэнергии используется отдельная вторичная обмотка ТТ, при этом также отдельная обмотка предусматривается для средств измерений (не входящих в АИИС КУЭ), т.е. отдельно друг от друга и от цепей защит; - основная и резервная защиты должны питаться от разных вторичных обмоток ТТ; - оно должно быть достаточным для присоединения к ним в общем случае основных и резервных защит двух элементов, например, ВЛ и СШ. в) При установке ТТ с меньшим количеством вторичных обмоток, чем требуется [перечисление б)], возникает необходимость в установке второго дополнительного ТТ |
16 | Расстановка ТН | а) ТН устанавливают на каждом плече "захода-выхода". б) ТН предусматриваются с тремя вторичными обмотками, одна из которых предназначена для подключения приборов коммерческого и/или технического учета электроэнергии. в) При выборе ТН необходимо учитывать возможность возникновения феррорезонанса, рекомендуется применять антиферрорезонансные типы ТН |
17 | Расстановка ОПН | а) В цепях Т (АТ) должны быть установлены ОПН без коммутационных аппаратов между ними и защищаемым оборудованием. б) Для защиты нейтралей обмоток 110 кВ силовых трансформаторов, имеющих изоляцию, пониженную относительно изоляции линейного конца обмотки и допускающую работу с разземленной нейтралью, в ней следует устанавливать ОПН. в) Необходимость установки ОПН на линейных присоединениях определяется сравнением расстояний по ошиновке от ОПН у силовых Т (АТ) до самого удаленного присоединения, с наибольшим допустимым расстоянием |
N п/п | Наименование показателя | Описание | ||||
Общие показатели | ||||||
1 | Наименование и эскиз схемы | "Четырехугольник" ("треугольник") ![]() | ||||
2 | Номер схемы | |||||
3 | Область применения | РУ от 110 до 750 кВ | ||||
4 | Тип подстанции | Проходная | ||||
Количество присоединений | Один или два Т (АТ) и две линии | |||||
6 | Этапность развития | Возможно расширение до схемы трансформаторы-шины с присоединением линий через два выключателя или полуторным присоединением линий, до полуторной схемы в зависимости от выделенных площадей и примененной компоновки, например, одно-, двух-, трехрядного расположения выключателей | ||||
Условия обоснования и выбора | ||||||
Основные условия применения | Проходная подстанция с двухсторонним питанием по двум линиям | |||||
8 | Экономические критерии применения | а) Требует четыре (три) ячейки выключателей на четыре (три) присоединения [два или один Т (АТ) и две линии]. б) Занимает минимальные отчуждаемые площади с учетом (пункт 5) количества присоединений. в) Сравнительно дешевая схема с учетом (пункт 5) количества присоединений для заданной конфигурации сети | ||||
| ||||||
9 | Критерии надежности | а) При отказе любого выключателя отключается не более одной линии и одного Т (АТ). При этом теряется транзит мощности через сторону ВН подстанции. При заданной [перечисление а), пункт 7] схеме присоединения подстанций к энергосистеме (двухстороннее питание) потеря транзита не приводит к ограничению электроснабжения потребителей на смежных подстанциях. б) Схема "четырехугольник" является альтернативой схеме "мостик", в которой при отказе "среднего" выключателя возможно полное обесточение РУ. в) Схему "четырехугольник" наиболее предпочтительно использовать для двухтрансформаторных подстанций 500 и 750 кВ с двумя линиями; для подстанций от 110 до 330 кВ эта схема применяется при наличии соответствующих технико-экономических обоснований с учетом фактора надежности | ||||
10 | Эксплуатационные критерии | в) Как следствие [перечисления а) и б)] минимизированы отказы по вине персонала | ||||
11 | Техническая гибкость | Т (АТ) подключаются к двум источникам питания через развилку выключателей, что является дополнительным преимуществом схемы в ремонтных и послеаварийных режимах | ||||
12 | Критерии безопасности | а) Электрооборудование, токоведущие части, изоляторы, крепления, ограждения, несущие конструкции, изоляционные и другие расстояния должны быть выбраны и установлены таким образом, чтобы: - вызываемые нормальными условиями работы электроустановки усилия, нагрев, электрическая дуга или иные сопутствующие ее работе явления (искрение, выброс газов и т.п.) не могли причинить вред обслуживающему персоналу, а также привести к повреждению оборудования и возникновению КЗ; - при выводе в ремонт какого-либо присоединения, относящиеся к нему аппараты, токоведущие части и конструкции могли подвергаться безопасному техническому обслуживанию и ремонту без нарушения нормальной работы соседних цепей; - при нарушении нормальных условий работы электроустановки была обеспечена необходимая локализация повреждений, обусловленных действием КЗ. б) Напряженность электрического и магнитного полей на маршрутах обхода для осмотра оборудования и на рабочих местах у оборудования, где возможно длительное присутствие персонала для проведения профилактических и ремонтных работ, не должна превышать допустимую. в) Должны быть выполнены требования нормативно-технических документов по электромагнитной совместимости | ||||
Расстановка оборудования | ||||||
13 | Расстановка разъединителей | а) Во всех цепях РУ должна быть предусмотрена установка разъединяющих устройств с видимым разрывом, обеспечивающих возможность отсоединения всех аппаратов (выключателей с ТТ, предохранителей, ТН и т.д.) в каждой цепи со всех ее сторон, откуда может быть подано напряжение. б) Данное требование [перечисление а)] не распространяется на ВЧ-заградители и конденсаторы связи, ТН, устанавливаемые на отходящих линиях, а также ограничители перенапряжений, устанавливаемых на выводах Т (АТ) и на отходящих линиях. в) Видимый разрыв может отсутствовать в комплектных РУ заводского исполнения (в том числе с заполнением элегазом - КРУЭ) с выкатными элементами и/или при наличии надежного механического указателя гарантированного положения контактов. г) На разъединителях 110 кВ и выше предусматривается привод с дистанционным управлением. д) С учетом перечислений а) и б) разъединители устанавливаются: - в цепях линий и Т (АТ); - с обеих сторон каждого выключателя | ||||
14 | Расстановка стационарных заземлителей | а) Стационарные заземлители должны быть размещены так, чтобы были не нужны переносные заземления и чтобы персонал, работающий на токоведущих частях любых участков присоединений, был защищен заземлителями со всех сторон, откуда может быть подано напряжение. На случай отключения в процессе ремонта разъединителя с заземлителями или только заземлителя этого разъединителя должны быть предусмотрены заземлители у других разъединителей на данном участке схемы, расположенные со стороны возможной подачи напряжения. Поэтому на любых участках присоединений предусматривается установка двух заземлителей разных разъединителей. б) На заземлителях предусматривается привод с дистанционным управлением, кроме того в ячейках КРУЭ заземлители со стороны линий должны быть быстродействующими. в) С учетом перечисления а) стационарные заземлители устанавливаются: - два комплекта на всех разъединителях, расположенных с обеих сторон каждого выключателя; - один комплект на разъединителях в цепях линий и Т (АТ) со стороны указанных присоединений | ||||
15 | Расстановка ТТ | а) ТТ устанавливаются в каждом присоединении. Наиболее предпочтительными являются встроенные в оборудование ТТ (ТТ также необходимы в нейтралях трансформаторов 110 кВ и выше и АТ 220 кВ и выше). б) Может предусматриваться дополнительный ТТ в цепи линии, для организации АИИС КУЭ, так как при его отсутствии включение на сумму токов двух измерительных трансформаторов повышает суммарную погрешность измерений электроэнергии. Последнее ведет к невозможности получения класса точности измерений выше, чем у контрагентов. в) При выборе количества вторичных обмоток ТТ должны учитываться следующие положения: - для подключения приборов коммерческого и/или технического учета электроэнергии используется отдельная вторичная обмотка ТТ, при этом также отдельная обмотка предусматривается для средств измерений (не входящих в АИИС КУЭ), т.е. отдельно друг от друга и от цепей защит; - основная и резервная защиты должны питаться от разных вторичных обмоток ТТ; - оно должно быть достаточным для присоединения к ним в общем случае основных и резервных защит двух элементов, например, ВЛ и СШ. г) При установке ТТ с меньшим количеством вторичных обмоток, чем требуется [перечисление б)], возникает необходимость в установке второго дополнительного ТТ. Он устанавливается с другой стороны выключателя | ||||
16 | Расстановка ТН | а) ТН устанавливают на каждой линии. При АПВ с контролем наличия напряжения или синхронизма ТН устанавливаются в каждой вершине "четырехугольник". б) ТН предусматриваются с тремя вторичными обмотками, одна из которых предназначена для подключения приборов коммерческого и/или технического учета электроэнергии. в) При выборе ТН необходимо учитывать возможность возникновения феррорезонанса, рекомендуется применять антиферрорезонансные типы ТН. г) На ЛЭП 330 кВ и выше для резервирования защит по цепям напряжения устанавливаются два ТН | ||||
17 | Расстановка ОПН | а) В цепях Т (АТ) должны быть установлены ОПН без коммутационных аппаратов между ними и защищаемым оборудованием. б) Для защиты нейтралей обмоток 110 кВ силовых трансформаторов, имеющих изоляцию, пониженную относительно изоляции линейного конца обмотки и допускающую работу с разземленной нейтралью, в ней следует устанавливать ОПН. в) Необходимость установки ОПН на линейных присоединениях определяется сравнением расстояний по ошиновке от ОПН у силовых Т (АТ) до самого удаленного присоединения, с наибольшим допустимым расстоянием | ||||
N п/п | Наименование показателя | Описание |
Общие показатели | ||
1 | Наименование и эскиз схемы | "Шестиугольник" ("Пятиугольник") ![]() |
2 | Номер схемы | |
3 | Область применения | РУ от 110 до 330 кВ |
4 | Тип подстанции | Узловая |
Количество присоединений | Два Т (АТ) и четыре линии (или другое сочетание присоединений) | |
6 | Этапность развития | Возможно расширение до схемы трансформаторы-шины с полуторным присоединением линий и полуторной схемы |
Условия обоснования и выбора | ||
7 | Основные условия применения | а) Узловая подстанция с пятью-шестью присоединениями |
8 | Экономические критерии применения | а) Требует шесть ячеек выключателей на шесть присоединений. б) Занимает минимальные отчуждаемые площади с учетом (пункт 5) количества присоединений. в) Сравнительно дешевая схема с учетом (пункт 5) количества присоединений для заданной конфигурации сети |
9 | Критерии надежности | а) При отказе любого выключателя теряется, как правило, не более одной линии и одного Т (АТ), двух линий или двух Т (АТ). б) При анализе возможности применения схемы необходимо выполнить оценку возможных режимных ограничений при возникновении аварийных возмущений в схеме при ремонте одного из выключателей и/или присоединений. в) Схема "шестиугольник" является альтернативой схеме "заход-выход" при секционировании двухцепной линии с двухсторонним питанием, к которой подключено более трех-четырех ответвительных подстанций по схеме блока для повышения надежности электроснабжения потребителей и работы устройств релейной защиты. В схеме "шестиугольник" на две ячейки выключателей больше, чем в схеме "заход-выход". Однако схема "шестиугольник" обеспечивает более равномерное распределение потоков мощности по участкам двухцепной линии, что снижает потери мощности и энергии в электрической сети. Данный критерий следует учитывать при технико-экономическом сравнении этих схем |
10 | Эксплуатационные критерии | в) Как следствие [перечисления а) и б)] минимизированы отказы по вине персонала |
11 | Техническая гибкость | а) Т (АТ) подключаются к двум источникам питания через развилку выключателей, что является дополнительным преимуществом схемы в ремонтных и послеаварийных режимах. б) Требует сложного учета набора различных перетоков мощности в ремонтных и послеаварийных режимах (разрыв кольца) при выборе параметров срабатывания релейной защиты |
12 | Критерии безопасности | а) Электрооборудование, токоведущие части, изоляторы, крепления, ограждения, несущие конструкции, изоляционные и другие расстояния должны быть выбраны и установлены таким образом, чтобы: - вызываемые нормальными условиями работы электроустановки усилия, нагрев, электрическая дуга или иные сопутствующие ее работе явления (искрение, выброс газов и т.п.) не могли причинить вред обслуживающему персоналу, а также привести к повреждению оборудования и возникновению КЗ; - при выводе в ремонт какого-либо присоединения, относящиеся к нему аппараты, токоведущие части и конструкции могли подвергаться безопасному техническому обслуживанию и ремонту без нарушения нормальной работы соседних цепей; - при нарушении нормальных условий работы электроустановки была обеспечена необходимая локализация повреждений, обусловленных действием КЗ. б) Напряженность электрического и магнитного полей на маршрутах обхода для осмотра оборудования и на рабочих местах у оборудования, где возможно длительное присутствие персонала для проведения профилактических и ремонтных работ, не должна превышать допустимую. в) Должны быть выполнены требования нормативно-технических документов по электромагнитной совместимости |
Расстановка оборудования | ||
13 | Расстановка разъединителей | а) Во всех цепях РУ должна быть предусмотрена установка разъединяющих устройств с видимым разрывом, обеспечивающих возможность отсоединения всех аппаратов (выключателей с ТТ, предохранителей, ТН и т.д.) в каждой цепи со всех ее сторон, откуда может быть подано напряжение. б) Данное требование [перечисление а)] не распространяется на ВЧ-заградители и конденсаторы связи, ТН, устанавливаемые на отходящих линиях, а также ограничители перенапряжений, устанавливаемых на выводах Т (АТ) и на отходящих линиях. в) Видимый разрыв может отсутствовать в комплектных РУ заводского исполнения (в том числе с заполнением элегазом - КРУЭ) с выкатными элементами и/или при наличии надежного механического указателя гарантированного положения контактов. г) На разъединителях 110 кВ и выше предусматривается привод с дистанционным управлением. д) С учетом перечислений а) и б) разъединители устанавливаются: - в цепях линий и Т (АТ); - с обеих сторон каждого выключателя |
14 | Расстановка стационарных заземлителей | а) Стационарные заземлители должны быть размещены так, чтобы были не нужны переносные заземления и чтобы персонал, работающий на токоведущих частях любых участков присоединений, был защищен заземлителями со всех сторон, откуда может быть подано напряжение. На случай отключения в процессе ремонта разъединителя с заземлителями или только заземлителя этого разъединителя должны быть предусмотрены заземлители у других разъединителей на данном участке схемы, расположенные со стороны возможной подачи напряжения. Поэтому на любых участках присоединений предусматривается установка двух заземлителей разных разъединителей. б) На заземлителях предусматривается привод с дистанционным управлением, кроме того в ячейках КРУЭ заземлители со стороны линий должны быть быстродействующими. в) С учетом перечисления а) стационарные заземлители устанавливаются: - два комплекта на всех разъединителях, расположенных с обеих сторон каждого выключателя; - один комплект на разъединителях в цепях линий и Т (АТ) со стороны указанных присоединений |
15 | Расстановка ТТ | а) ТТ устанавливаются в каждом присоединении. Наиболее предпочтительными являются встроенные в оборудование ТТ (ТТ также необходимы в нейтралях трансформаторов 110 кВ и выше и АТ 220 кВ и выше). б) Может предусматриваться ТТ в цепи линии, для организации АИИС КУЭ, так как при его отсутствии включение на сумму токов двух измерительных трансформаторов повышает суммарную погрешность измерений электроэнергии. Последнее ведет к невозможности получения класса точности измерений выше, чем у контрагентов. в) При выборе количества вторичных обмоток ТТ должны учитываться следующие положения: - для подключения приборов коммерческого и/или технического учета электроэнергии используется отдельная вторичная обмотка ТТ, при этом также отдельная обмотка предусматривается для средств измерений (не входящих в АИИС КУЭ), т.е. отдельно друг от друга и от цепей защит; - основная и резервная защиты должны питаться от разных вторичных обмоток ТТ; - оно должно быть достаточным для присоединения к ним в общем случае основных и резервных защит двух элементов, например, ВЛ и СШ. г) При установке ТТ с меньшим количеством вторичных обмоток, чем требуется [перечисление б)], возникает необходимость в установке второго дополнительного ТТ. Он устанавливается с другой стороны выключателя |
16 | Расстановка ТН | а) ТН устанавливают на каждой линии. При АПВ с контролем наличия напряжения или синхронизма ТН устанавливаются в каждой вершине "шестиугольник". б) ТН предусматриваются с тремя вторичными обмотками, одна из которых предназначена для подключения приборов коммерческого и/или технического учета электроэнергии. в) При выборе ТН необходимо учитывать возможность возникновения феррорезонанса, рекомендуется применять антиферрорезонансные типы ТН. г) На ЛЭП 330 кВ и выше для резервирования защит по цепям напряжения устанавливаются два ТН |
17 | Расстановка ОПН | а) В цепях Т (АТ) должны быть установлены ОПН без коммутационных аппаратов между ними и защищаемым оборудованием. б) Для защиты нейтралей обмоток 110 кВ силовых трансформаторов, имеющих изоляцию, пониженную относительно изоляции линейного конца обмотки и допускающую работу с разземленной нейтралью, в ней следует устанавливать ОПН. в) Необходимость установки ОПН на линейных присоединениях определяется сравнением расстояний по ошиновке от ОПН у силовых Т (АТ) до самого удаленного присоединения, с наибольшим допустимым расстоянием |
N п/п | Наименование показателя | Описание |
Общие показатели | ||
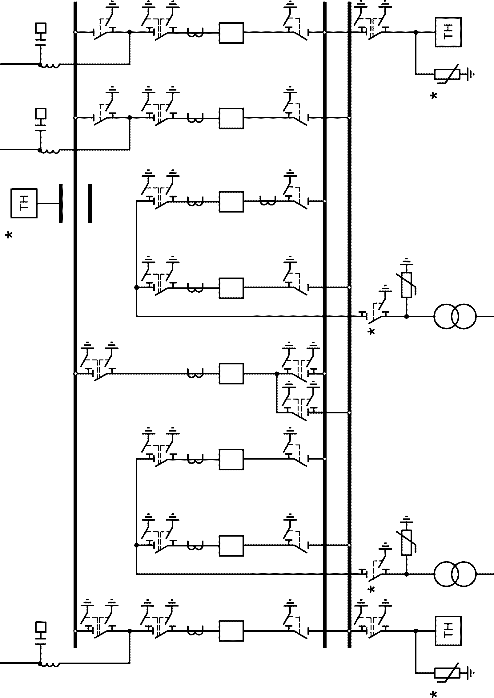
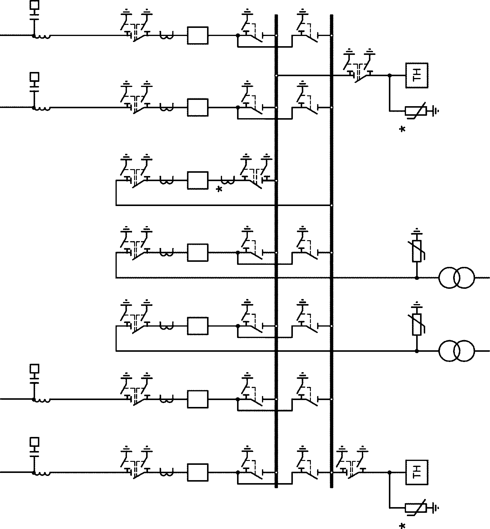
1 | Наименование и эскиз схемы | Схема с одной секционированной СШ ![]() |
2 | Номер схемы | |
3 | Область применения | РУ от 35 до 220 кВ |
4 | Тип подстанции | Узловая |
Количество присоединений | Два Т (АТ) и три линии с возможностью увеличения числа присоединений (т.е. расширения подстанции) свыше шести; при расширении до шести присоединений используется схема "шестиугольник". Вопросы расширения подстанции анализируются при выборе схем электрических сетей на перспективу от 5 до 10 лет | |
6 | Этапность развития | Возможно расширение до схемы с одной секционированной СШ и с ОСШ, а также до схемы с двумя СШ и с ОСШ либо без нее |
Условия обоснования и выбора | ||
7 | Основные условия применения | а) Наличие попарно резервируемых линий (попарно резервируемые линии, подключенные к различным секциям РУ; при отключении одной линии ее нагрузка перераспределится на оставшуюся в работе линию), а также линий, резервируемых от других подстанций. б) Отсутствует необходимость сохранения в работе всех присоединений к каждой секции при ее отключении. в) Перечисления а) и б) должны подтверждаться расчетами установившихся режимов при поочередном отключении каждого присоединения, а также ССШ. При этом в расчетных ремонтных и послеаварийных режимах в энергосистеме должны обеспечиваться: сохранение статической устойчивости; требуемые уровни напряжения по узлам сети; допустимые токовые нагрузки проводников и аппаратов |
8 | Экономические критерии применения | а) Требует k + 1 ячейку выключателя, где k - количество присоединений. б) Занимает минимальные отчуждаемые площади с учетом (пункт 5) количества присоединений. в) Наиболее дешевая схема с учетом (пункт 5) количества присоединений |
9 | Критерии надежности | б) Установка второго последовательно включенного секционного выключателя для исключения обесточения РУ [перечисление а)] нецелесообразна с технико-экономических позиций. в) Предпочтительна установка двух последовательно включенных секционных выключателей с включением в развилку из них одного присоединения (в том числе и нерезервируемого) для исключения обесточения РУ при единичном отказе секционного выключателя без увеличения количества выключателей в схеме. г) Является лучшей схемой с позиций надежности и экономичности при использовании современных элегазовых (вакуумных) выключателей для подстанций от 35 до 220 кВ. То же относится и к КРУЭ |
10 | Эксплуатационные критерии | в) Как следствие [перечисления а), б)] минимизированы отказы по вине персонала |
11 | Техническая гибкость | Жесткая фиксация присоединений по секциям; попарно резервированные присоединения необходимо подключать к разным секциям |
12 | Критерии безопасности | а) Электрооборудование, токоведущие части, изоляторы, крепления, ограждения, несущие конструкции, изоляционные и другие расстояния должны быть выбраны и установлены таким образом, чтобы: - вызываемые нормальными условиями работы электроустановки усилия, нагрев, электрическая дуга или иные сопутствующие ее работе явления (искрение, выброс газов и т.п.) не могли причинить вред обслуживающему персоналу, а также привести к повреждению оборудования и возникновению КЗ; - при выводе в ремонт какого-либо присоединения, относящиеся к нему аппараты, токоведущие части и конструкции могли подвергаться безопасному техническому обслуживанию и ремонту без нарушения нормальной работы соседних цепей; - при нарушении нормальных условий работы электроустановки была обеспечена необходимая локализация повреждений, обусловленных действием КЗ. б) Напряженность электрического и магнитного полей на маршрутах обхода для осмотра оборудования и на рабочих местах у оборудования, где возможно длительное присутствие персонала для проведения профилактических и ремонтных работ, не должна превышать допустимую. в) Должны быть выполнены требования нормативно-технических документов по электромагнитной совместимости |
Расстановка оборудования | ||
13 | Расстановка разъединителей | а) Во всех цепях РУ должна быть предусмотрена установка разъединяющих устройств с видимым разрывом, обеспечивающих возможность отсоединения всех аппаратов (выключателей с ТТ, предохранителей, ТН и т.д.) в каждой цепи со всех ее сторон, откуда может быть подано напряжение. б) Данное требование [перечисление а)] не распространяется на ВЧ-заградители и конденсаторы связи, ТН, устанавливаемые на отходящих линиях, а также ТН емкостного типа, присоединяемые к СШ, ограничители перенапряжений, устанавливаемых на выводах Т (АТ) и на отходящих линиях. в) Видимый разрыв может отсутствовать в комплектных РУ заводского исполнения (в том числе с заполнением элегазом - КРУЭ) с выкатными элементами и/или при наличии надежного механического указателя гарантированного положения контактов. г) На разъединителях 110 кВ и выше предусматривается привод с дистанционным управлением. д) С учетом перечислений а) и б) разъединители устанавливаются: - с обеих сторон выключателей в цепях линий, Т (АТ) и секционного выключателя; - в цепях ТН электромагнитного типа на ССШ |
14 | Расстановка стационарных заземлителей | а) Стационарные заземлители должны быть размещены так, чтобы были не нужны переносные заземления и чтобы персонал, работающий на токоведущих частях любых участков присоединений и сборных шин, был защищен заземлителями со всех сторон, откуда может быть подано напряжение. На случай отключения в процессе ремонта разъединителя с заземлителями или только заземлителя этого разъединителя должны быть предусмотрены заземлители у других разъединителей на данном участке схемы, расположенные со стороны возможной подачи напряжения. Поэтому на любых участках присоединений и сборных шин предусматривается установка двух заземлителей разных разъединителей. б) Каждая секция СШ 35 кВ и выше должна иметь два комплекта заземлителей. При наличии ТН заземление сборных шин следует осуществлять заземлителями разъединителей ТН. в) На заземлителях предусматривается привод с дистанционным управлением, кроме того в ячейках КРУЭ заземлители со стороны линий должны быть быстродействующими. г) С учетом перечислений а) и б) стационарные заземлители устанавливаются: - по два комплекта на линейных разъединителях, в том числе разъединителях Т (АТ), разъединителях секционных выключателей и разъединителях ТН, подключенных к ССШ; - по одному комплекту на шинных разъединителях линий и Т (АТ) в сторону выключателей |
15 | Расстановка ТТ | а) ТТ устанавливаются в каждом присоединении, а также в цепи секционного выключателя. Наиболее предпочтительными являются встроенные в оборудование ТТ (ТТ также необходимы в нейтралях трансформаторов 110 кВ и выше и АТ 220 кВ и выше). - для подключения приборов коммерческого и/или технического учета электроэнергии используется отдельная вторичная обмотка ТТ, при этом также отдельная обмотка предусматривается для средств измерений (не входящих в АИИС КУЭ), т.е. отдельно друг от друга и от цепей защит; - основная и резервная защиты должны питаться от разных вторичных обмоток ТТ; - оно должно быть достаточным для присоединения к ним в общем случае основных и резервных защит двух элементов, например, ВЛ и СШ. в) При установке ТТ с меньшим количеством вторичных обмоток, чем требуется [перечисление б)], возникает необходимость в установке второго дополнительного ТТ. Он устанавливается с другой стороны выключателя. г) Расстановку ТТ относительно выключателей присоединений необходимо выполнять так, чтобы выключатели входили в зону дифференциальной защиты шин |
16 | Расстановка ТН | а) ТН устанавливают на каждой ССШ, которые могут работать раздельно. б) ТН предусматриваются с тремя вторичными обмотками, одна из которых предназначена для подключения приборов коммерческого и/или технического учета электроэнергии. в) При выборе ТН необходимо учитывать возможность возникновения феррорезонанса, рекомендуется применять антиферрорезонансные типы ТН. г) На ЛЭП 110 кВ и выше предусматривается установка шкафов отбора напряжения или однофазных ТН для АПВ с контролем наличия напряжения и/или синхронизма, обоснованных проектной документацией |
17 | Расстановка ОПН | а) В цепях Т (АТ) должны быть установлены ОПН без коммутационных аппаратов между ними и защищаемым оборудованием. б) Для защиты нейтралей обмоток 110 кВ силовых трансформаторов, имеющих изоляцию, пониженную относительно изоляции линейного конца обмотки и допускающую работу с разземленной нейтралью, в ней следует устанавливать ОПН. в) Необходимость установки ОПН на шинах (в ячейках ТН), а также на линейных присоединениях определяется сравнением расстояний по ошиновке от ОПН у силовых Т (АТ) до самого удаленного присоединения, с наибольшим допустимым расстоянием |
N п/п | Наименование показателя | Описание |
Общие показатели | ||
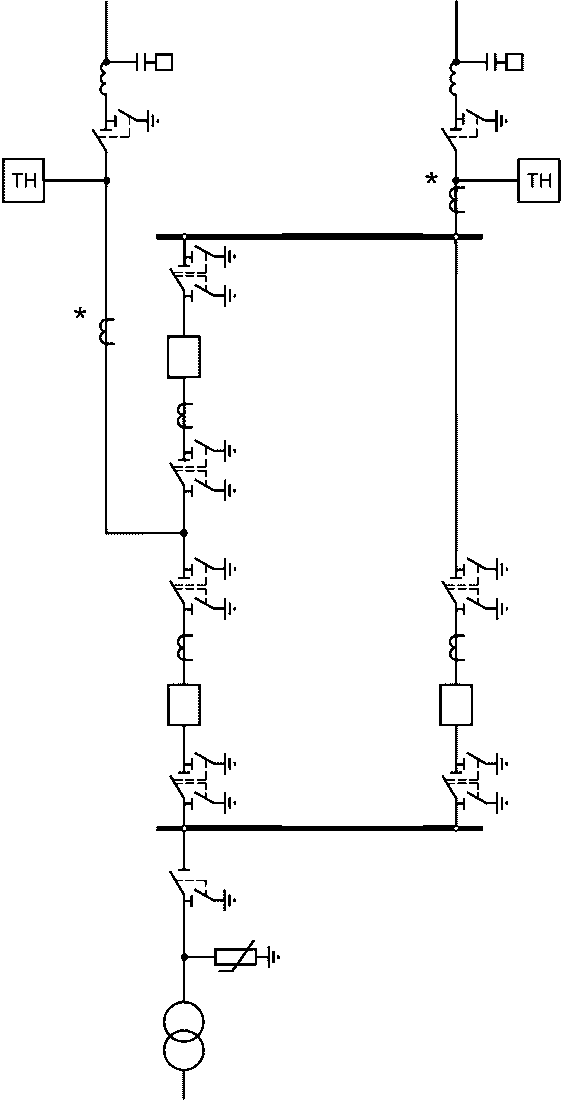
1 | Наименование и эскиз схемы | Схема с одной секционированной СШ и с подключением трансформаторов через развилку из выключателей ![]() |
2 | Номер схемы | |
3 | Область применения | РУ 110 и 220 кВ |
4 | Тип подстанции | Узловая |
Количество присоединений | Два Т (АТ) и три линии с возможностью увеличения числа присоединений (т.е. расширения подстанции) свыше шести; при расширении до шести присоединений используется схема "шестиугольник". Вопросы расширения подстанции анализируются при выборе схем электрических сетей на перспективу 5 - 10 лет | |
6 | Этапность развития | Возможно развитие до аналогичной схемы с ОСШ |
Условия обоснования и выбора | ||
7 | Основные условия применения | а) Наличие попарно резервируемых линий (попарно резервируемые линии, подключенные к различным секциям РУ; при отключении одной линии ее нагрузка перераспределится на оставшуюся в работе линию), а также линий, резервируемых от других подстанций. б) Отсутствует необходимость сохранения в работе всех присоединений к каждой секции при ее отключении. в) Перечисления а) и б) должны подтверждаться расчетами установившихся режимов при поочередном отключении каждого присоединения, а также ССШ. При этом в расчетных ремонтных и послеаварийных режимах в энергосистеме должны обеспечиваться: сохранение статической устойчивости; требуемые уровни напряжения по узлам сети; допустимые токовые нагрузки проводников и аппаратов |
8 | Экономические критерии применения | а) Требует k + 2 ячейки выключателей, где k - количество присоединений, т.е. на одну ячейку больше, чем в схеме с одной секционированной СШ. б) Наиболее дешевая и компактная схема с учетом (пункт 5) количества присоединений после схемы с одной секционированной СШ |
9 | Критерии надежности | а) Наличие двух развилок из выключателей для подключения Т (АТ) исключает полное обесточение РУ 110 или 220 кВ при единичном отказе любого выключателя схемы. Поэтому надежность рассматриваемой схемы выше, чем схемы с одной секционированной СШ. б) С учетом фактора надежности переход от схемы с одной секционированной СШ (k + 1 ячейка выключателя) к схеме с одной секционированной СШ и с подключением Т (АТ) через развилку из выключателей (k + 2 ячейки выключателей) требует технико-экономических обоснований с учетом фактора надежности для подстанций с высшим напряжением 110 и 220 кВ. в) С учетом фактора надежности схему с одной секционированной СШ и с подключением Т (АТ) через развилку из выключателей наиболее предпочтительно использовать для РУ 110 и 220 кВ подстанций с высшим напряжением 500 и 750 кВ, т.е. на стороне среднего напряжения крупных подстанций основной сети энергосистем. Тем самым обеспечивается подключение АТ 500 и 750 кВ через два выключателя, как со стороны ВН, так и СН |
10 | Эксплуатационные критерии | в) Как следствие [перечисления а) и б)] минимизированы отказы по вине персонала |
11 | Техническая гибкость | а) Т (АТ) подключаются к двум источникам питания через развилку выключателей, что является дополнительным преимуществом схемы в ремонтных и послеаварийных режимах. б) Жесткая фиксация присоединений по секциям; попарно резервированные линии необходимо подключать к разным секциям |
12 | Критерии безопасности | а) Электрооборудование, токоведущие части, изоляторы, крепления, ограждения, несущие конструкции, изоляционные и другие расстояния должны быть выбраны и установлены таким образом, чтобы: - вызываемые нормальными условиями работы электроустановки усилия, нагрев, электрическая дуга или иные сопутствующие ее работе явления (искрение, выброс газов и т.п.) не могли причинить вред обслуживающему персоналу, а также привести к повреждению оборудования и возникновению КЗ; - при выводе в ремонт какого-либо присоединения, относящиеся к нему аппараты, токоведущие части и конструкции могли подвергаться безопасному техническому обслуживанию и ремонту без нарушения нормальной работы соседних цепей; - при нарушении нормальных условий работы электроустановки была обеспечена необходимая локализация повреждений, обусловленных действием КЗ. б) Напряженность электрического и магнитного полей на маршрутах обхода для осмотра оборудования и на рабочих местах у оборудования, где возможно длительное присутствие персонала для проведения профилактических и ремонтных работ, не должна превышать допустимую. в) Должны быть выполнены требования нормативно-технических документов по электромагнитной совместимости |
Расстановка оборудования | ||
13 | Расстановка разъединителей | а) Во всех цепях РУ должна быть предусмотрена установка разъединяющих устройств с видимым разрывом, обеспечивающих возможность отсоединения всех аппаратов (выключателей с ТТ, предохранителей, ТН и т.д.) в каждой цепи со всех ее сторон, откуда может быть подано напряжение. б) Данное требование [перечисление а)] не распространяется на ВЧ-заградители и конденсаторы связи, ТН, устанавливаемые на отходящих линиях, а также ТН емкостного типа, присоединяемые к СШ, ограничители перенапряжений, устанавливаемых на выводах Т (АТ) и на отходящих линиях. в) Видимый разрыв может отсутствовать в комплектных РУ заводского исполнения (в том числе с заполнением элегазом - КРУЭ) с выкатными элементами и/или при наличии надежного механического указателя гарантированного положения контактов. г) На разъединителях 110 кВ и выше предусматривается привод с дистанционным управлением. д) С учетом перечислений а) и б) разъединители устанавливаются: - с обеих сторон выключателей в цепях линий и Т (АТ); - в цепях ТН электромагнитного типа на ССШ; - в цепях Т (АТ) |
14 | Расстановка стационарных заземлителей | а) Стационарные заземлители должны быть размещены так, чтобы были не нужны переносные заземления и чтобы персонал, работающий на токоведущих частях любых участков присоединений и сборных шин, был защищен заземлителями со всех сторон, откуда может быть подано напряжение. Поэтому на любых участках присоединений и сборных шин предусматривается установка двух заземлителей разных разъединителей. б) Каждая секция СШ 35 кВ и выше должна иметь два комплекта заземлителей. При наличии ТН заземления сборных шин следует осуществлять заземлителями разъединителей ТН. в) На заземлителях предусматривается привод с дистанционным управлением, кроме того в ячейках КРУЭ заземлители со стороны линий должны быть быстродействующими. г) С учетом перечислений а) и б) стационарные заземлители устанавливаются: - по два комплекта на линейных разъединителях, в том числе разъединителях Т (АТ) в развилке со стороны Т (АТ), на одном из шинных разъединителей развилок выключателей для подключения Т (АТ), разъединителях ТН, подключенных к ССШ; - по одному комплекту на шинных разъединителях линий, разъединителях Т (АТ) и на одном из шинных разъединителей развилок выключателей для подключения Т (АТ) |
15 | Расстановка ТТ | а) ТТ устанавливаются в каждом присоединении. Наиболее предпочтительными являются встроенные в оборудование ТТ (ТТ также необходимы в нейтралях трансформаторов 110 кВ и выше и АТ 220 кВ и выше). - для подключения приборов коммерческого и/или технического учета электроэнергии используется отдельная вторичная обмотка ТТ, при этом также отдельная обмотка предусматривается для средств измерений (не входящих в АИИС КУЭ), т.е. отдельно друг от друга и от цепей защит; - основная и резервная защиты должны питаться от разных вторичных обмоток ТТ; - оно должно быть достаточным для присоединения к ним в общем случае основных и резервных защит двух элементов, например, ВЛ и СШ. в) При установке ТТ с меньшим количеством вторичных обмоток, чем требуется [перечисление б)], возникает необходимость в установке второго дополнительного ТТ. Он устанавливается с другой стороны выключателя. г) Расстановку ТТ относительно выключателей присоединений необходимо выполнять так, чтобы выключатели входили в зону дифференциальной защиты шин |
16 | Расстановка ТН | а) ТН устанавливают на каждой ССШ, которые могут работать раздельно. б) ТН предусматриваются с тремя вторичными обмотками, одна из которых предназначена для подключения приборов коммерческого и/или технического учета электроэнергии. в) При выборе ТН необходимо учитывать возможность возникновения феррорезонанса, рекомендуется применять антиферрорезонансные типы ТН. г) На ЛЭП 110 кВ и выше предусматривается установка шкафов отбора напряжения или однофазных ТН для АПВ с контролем наличия напряжения и/или синхронизма, обоснованных проектной документацией |
17 | Расстановка ОПН | а) В цепях Т (АТ) должны быть установлены ОПН без коммутационных аппаратов между ними и защищаемым оборудованием. б) Для защиты нейтралей обмоток 110 кВ силовых трансформаторов, имеющих изоляцию, пониженную относительно изоляции линейного конца обмотки и допускающую работу с разземленной нейтралью, в ней следует устанавливать ОПН. в) Необходимость установки ОПН на шинах (в ячейках ТН), а также на линейных присоединениях определяется сравнением расстояний по ошиновке от ОПН у силовых Т (АТ) до самого удаленного присоединения, с наибольшим допустимым расстоянием |
N п/п | Наименование показателя | Описание |
Общие показатели | ||
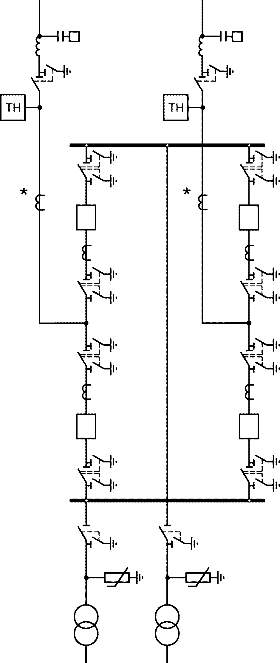
1 | Наименование и эскиз схемы | Схема с одной секционированной СШ и с подключением присоединений через полуторную цепочку ![]() |
2 | Номер схемы | |
3 | Область применения | РУ 110 и 220 кВ |
4 | Тип подстанции | Узловая |
5 | Количество присоединений | Два Т (АТ) и три линии с возможностью увеличения числа присоединений (т.е. расширения подстанции) свыше шести; при расширении до шести присоединений используется схема "шестиугольник". Вопросы расширения подстанции анализируются при выборе схем электрических сетей на перспективу от 5 до 10 лет |
6 | Этапность развития | Возможно развитие до схемы трансформаторы-шины с полуторным присоединением линий или полуторной схемы |
Условия обоснования и выбора | ||
7 | Основные условия применения | а) Наличие не более двух нерезервированных линий (включаются в полуторные цепочки), т.е. при отключении такой линии подстанции, подключенные к ней, обесточиваются. Остальные линии должны быть попарно резервируемыми (попарно резервируемые линии, подключенные к различным секциям РУ; при отключении одной линии ее нагрузка перераспределится на оставшуюся в работе линию), а также линиями, резервируемыми от других подстанций. б) Отсутствует необходимость сохранения в работе всех присоединений к каждой секции при ее отключении. в) Перечисления а) и б) должны подтверждаться расчетами установившихся режимов при поочередном отключении каждого присоединения, а также ССШ. При этом в расчетных ремонтных и послеаварийных режимах в энергосистеме должны обеспечиваться: сохранение статической устойчивости; требуемые уровни напряжения по узлам сети; допустимые токовые нагрузки проводников и аппаратов |
8 | Экономические критерии применения | а) Требует k + 2 ячейки выключателей, где k - количество присоединений. б) Наиболее дешевая и компактная схема с учетом количества присоединений, в том числе нерезервируемых [перечисление а), пункт 7]. При прочих равных условиях ее использование более предпочтительно по сравнению со схемой с одной секционированной СШ и с СШ |
9 | Критерии надежности | Наличие полуторных цепочек исключает полное обесточение РУ 110 или 220 кВ при единичном отказе любого выключателя схемы. Поэтому схема достаточно надежна |
10 | Эксплуатационные критерии | а) Схема менее простая и наглядная, по сравнению со схемами с одной секционированной СШ (с подключением Т (АТ) через развилку из выключателей или без нее). б) Оперативные блокировки и операции с разъединителями не однотипны. в) Требует жесткой фиксации присоединений ЛЭП по секциям (снижение гибкости схемы), при этом попарно резервированные присоединения необходимо подключать к разным секциям |
11 | Техническая гибкость | а) Т (АТ) подключаются в схеме через развилку из двух выключателей, что является дополнительным преимуществом схемы в ремонтных и послеаварийных режимах. б) Жесткая фиксация присоединений по секциям; попарно резервированные линии необходимо подключать к разным секциям |
12 | Критерии безопасности | а) Электрооборудование, токоведущие части, изоляторы, крепления, ограждения, несущие конструкции, изоляционные и другие расстояния должны быть выбраны и установлены таким образом, чтобы: - вызываемые нормальными условиями работы электроустановки усилия, нагрев, электрическая дуга или иные сопутствующие ее работе явления (искрение, выброс газов и т.п.) не могли причинить вред обслуживающему персоналу, а также привести к повреждению оборудования и возникновению КЗ; - при выводе в ремонт какого-либо присоединения, относящиеся к нему аппараты, токоведущие части и конструкции могли подвергаться безопасному техническому обслуживанию и ремонту без нарушения нормальной работы соседних цепей; - при нарушении нормальных условий работы электроустановки была обеспечена необходимая локализация повреждений, обусловленных действием КЗ. б) Напряженность электрического и магнитного полей на маршрутах обхода для осмотра оборудования и на рабочих местах у оборудования, где возможно длительное присутствие персонала для проведения профилактических и ремонтных работ, не должна превышать допустимую. в) Должны быть выполнены требования нормативно-технических документов по электромагнитной совместимости |
Расстановка оборудования | ||
13 | Расстановка разъединителей | а) Во всех цепях РУ должна быть предусмотрена установка разъединяющих устройств с видимым разрывом, обеспечивающих возможность отсоединения всех аппаратов (выключателей с ТТ, предохранителей, ТН и т.д.) в каждой цепи со всех ее сторон, откуда может быть подано напряжение. б) Данное требование [перечисление а)] не распространяется на ВЧ-заградители и конденсаторы связи, ТН, устанавливаемые на отходящих линиях, а также ТН емкостного типа, присоединяемые к СШ, ограничители перенапряжений, устанавливаемых на выводах трансформаторов и на отходящих линиях. в) Видимый разрыв может отсутствовать в комплектных РУ заводского исполнения (в том числе с заполнением элегазом - КРУЭ) с выкатными элементами и/или при наличии надежного механического указателя гарантированного положения контактов. г) На разъединителях 110 кВ и выше предусматривается привод с дистанционным управлением. д) С учетом перечислений а) и б) разъединители устанавливаются: - с обеих сторон выключателей в цепях линий; - с обеих сторон выключателей, установленных в полуторных цепочках; - в цепях линий и Т (АТ), подключенных к полуторным цепочкам; - в цепях ТН электромагнитного типа на ССШ |
14 | Расстановка стационарных заземлителей | а) Стационарные заземлители должны быть размещены так, чтобы были не нужны переносные заземления и чтобы персонал, работающий на токоведущих частях любых участков присоединений и сборных шин, был защищен заземлителями со всех сторон, откуда может быть подано напряжение. На случай отключения в процессе ремонта разъединителя с заземлителями или только заземлителя этого разъединителя должны быть предусмотрены заземлители у других разъединителей на данном участке схемы, расположенные со стороны возможной подачи напряжения. Поэтому на любых участках присоединений и сборных шин предусматривается установка двух заземлителей разных разъединителей. б) Каждая секция СШ 35 кВ и выше должна иметь два комплекта заземлителей. При наличии ТН заземления сборных шин следует осуществлять заземлителями разъединителей ТН. в) На заземлителях предусматривается привод с дистанционным управлением, кроме того в ячейках КРУЭ заземлители со стороны линий должны быть быстродействующими. г) С учетом перечислений а) и б) стационарные заземлители устанавливаются: - по два комплекта на линейных разъединителях, на разъединителях в полуторных цепочках (кроме шинных разъединителей), одном из шинных разъединителей линии на каждой секции, разъединителях ТН, подключенных к секциям СШ; - по одному комплекту на шинных разъединителях (кроме одного на каждой секции для их заземления в двух местах - см. выше), выходных разъединителях линий и Т (АТ), которые включены в полуторную цепочку |
15 | Расстановка ТТ | а) ТТ устанавливаются в каждом присоединении. Наиболее предпочтительными являются встроенные в оборудование ТТ (ТТ также необходимы в нейтралях трансформаторов 110 кВ и выше и АТ 220 кВ и выше). б) Может предусматриваться ТТ в цепи линии, подключенной к полуторной цепочке для организации АИИС КУЭ, так как при его отсутствии включение на сумму токов двух измерительных трансформаторов повышает суммарную погрешность измерений электроэнергии. Последнее ведет к невозможности получения класса точности измерений выше, чем у контрагентов. в) При выборе количества вторичных обмоток ТТ должны учитываться следующие положения: - для подключения приборов коммерческого и/или технического учета электроэнергии используется отдельная вторичная обмотка ТТ, при этом также отдельная обмотка предусматривается для средств измерений (не входящих в АИИС КУЭ), т.е. отдельно друг от друга и от цепей защит; - основная и резервная защиты должны питаться от разных вторичных обмоток ТТ; - оно должно быть достаточным для присоединения к ним в общем случае основных и резервных защит двух элементов, например, ВЛ и СШ. г) При установке ТТ с меньшим количеством вторичных обмоток, чем требуется [перечисление б)], возникает необходимость в установке второго дополнительного ТТ. Он устанавливается с другой стороны выключателя. д) Расстановку ТТ относительно выключателей присоединений необходимо выполнять так, чтобы выключатели входили в зону дифференциальной защиты шин |
16 | Расстановка ТН | а) ТН устанавливают на каждой ССШ, которые могут работать раздельно. б) ТН предусматриваются с тремя вторичными обмотками, одна из которых предназначена для подключения приборов коммерческого и/или технического учета электроэнергии. в) При выборе ТН необходимо учитывать возможность возникновения феррорезонанса, рекомендуется применять антиферрорезонансные типы ТН. г) На ЛЭП 110 кВ и выше предусматривается установка шкафов отбора напряжения или однофазных ТН для АПВ с контролем наличия напряжения и/или синхронизма, обоснованных проектной документацией |
17 | Расстановка ОПН | а) В цепях Т (АТ) должны быть установлены ОПН без коммутационных аппаратов между ними и защищаемым оборудованием. б) Для защиты нейтралей обмоток 110 кВ силовых трансформаторов, имеющих изоляцию, пониженную относительно изоляции линейного конца обмотки и допускающую работу с разземленной нейтралью, в ней следует устанавливать ОПН. в) Необходимость установки ОПН на шинах (в ячейках ТН), а также на линейных присоединениях определяется сравнением расстояний по ошиновке от ОПН у силовых Т (АТ) до самого удаленного присоединения, с наибольшим допустимым расстоянием |
N п/п | Наименование показателя | Описание |
Общие показатели | ||
1 | Наименование и эскиз схемы | Схема с одной секционированной СШ и с ОСШ ![]() |
2 | Номер схемы | |
3 | Область применения | РУ 110 и 220 кВ |
4 | Тип подстанции | Узловая |
5 | Количество присоединений | Два Т (АТ) и три линии с возможностью увеличения числа присоединений (т.е. расширения подстанции) свыше шести; при расширении до шести присоединений используется схема "шестиугольник". Вопросы расширения подстанции анализируются при выборе схем электрических сетей на перспективу 5 - 10 лет |
6 | Этапность развития | Возможно развитие до схемы с двумя СШ и с ОСШ |
Условия обоснования и выбора | ||
7 | Основные условия применения | а) Наличие нерезервированных присоединений, причем не более одного на секцию, при этом ОСШ включена в схему плавки гололеда на ВЛ. Остальные присоединения должны быть резервированы. б) Отсутствие необходимости сохранения в работе всех присоединений к секции при ее отключении с учетом перечисления а). в) Перечисления а) и б) должны подтверждаться расчетами установившихся режимов при поочередном отключении каждого присоединения, а также секции СШ. При этом в расчетных ремонтных и послеаварийных режимах должны обеспечиваться: сохранение статической устойчивости в энергосистеме; требуемые уровни напряжения по узлам сети; допустимые токовые нагрузки проводников и аппаратов |
8 | Экономические критерии применения | а) Требует k + 2 ячейки выключателей, где k - количество присоединений. б) По сравнению со схемой с одной секционированной СШ: - требует установки на каждом присоединении [линии или Т (АТ)] обходного разъединителя, стоимость которого составляет 15 - 25% стоимости выключателя; - увеличивает отчуждаемые земельные участки за счет ОСШ на 20 - 30% в зависимости от числа присоединений. в) При использовании современных элегазовых (вакуумных) выключателей ОСШ, как правило, не окупает себя с позиций снижения потерь мощности и электроэнергии в сети при плановых ремонтах коммутационных аппаратов. г) При отсутствии необходимости плавки гололеда и при прочих равных условиях более предпочтительно использовать схему с одной секционированной СШ и с подключением ответственных присоединений через полуторную цепочку |
9 | Критерии надежности | б) Установка второго последовательно включенного секционного выключателя для исключения обесточения РУ [перечисление а)] нецелесообразна с технико-экономических позиций с учетом фактора надежности. в) Предпочтительна установка двух последовательно включенных секционных выключателей с включением в развилку из них одного присоединения (в том числе и нерезервируемого) для исключения обесточения РУ при единичном отказе секционного выключателя без увеличения количества выключателей в схеме |
10 | Эксплуатационные критерии | Оперативные блокировки и операции с разъединителями не однотипны |
11 | Техническая гибкость | Жесткая фиксация присоединений по секциям; попарно резервированные присоединения необходимо подключать к разным секциям |
12 | Критерии безопасности | а) Электрооборудование, токоведущие части, изоляторы, крепления, ограждения, несущие конструкции, изоляционные и другие расстояния должны быть выбраны и установлены таким образом, чтобы: - вызываемые нормальными условиями работы электроустановки усилия, нагрев, электрическая дуга или иные сопутствующие ее работе явления (искрение, выброс газов и т.п.) не могли причинить вред обслуживающему персоналу, а также привести к повреждению оборудования и возникновению КЗ; - при выводе в ремонт какого-либо присоединения, относящиеся к нему аппараты, токоведущие части и конструкции могли подвергаться безопасному техническому обслуживанию и ремонту без нарушения нормальной работы соседних цепей; - при нарушении нормальных условий работы электроустановки была обеспечена необходимая локализация повреждений, обусловленных действием КЗ. б) Напряженность электрического и магнитного полей на маршрутах обхода для осмотра оборудования и на рабочих местах у оборудования, где возможно длительное присутствие персонала для проведения профилактических и ремонтных работ, не должна превышать допустимую. в) Должны быть выполнены требования нормативно-технических документов по электромагнитной совместимости |
Расстановка оборудования | ||
13 | Расстановка разъединителей | а) Во всех цепях РУ должна быть предусмотрена установка разъединяющих устройств с видимым разрывом, обеспечивающих возможность отсоединения всех аппаратов (выключателей с ТТ, предохранителей, ТН и т.д.) в каждой цепи со всех ее сторон, откуда может быть подано напряжение. б) Данное требование [перечисление а)] не распространяется на ВЧ-заградители и конденсаторы связи, ТН, устанавливаемые на отходящих линиях, а также ТН емкостного типа, присоединяемые к СШ, разрядники и ограничители перенапряжений, устанавливаемых на выводах трансформаторов и ШР и на отходящих линиях. в) Видимый разрыв может отсутствовать в комплектных РУ заводского исполнения (в том числе с заполнением элегазом - КРУЭ) с выкатными элементами и/или при наличии надежного механического указателя гарантированного положения контактов. г) На разъединителях 110 кВ и выше предусматривается привод с дистанционным управлением. д) С учетом перечислений а) и б) разъединители устанавливаются: - с обеих сторон выключателей в цепях линий, Т (АТ), секционного и обходного выключателей, а также обходные разъединители; - в цепях ТН электромагнитного типа на ССШ |
14 | Расстановка стационарных заземлителей | а) Стационарные заземлители должны быть размещены так, чтобы были не нужны переносные заземления и чтобы персонал, работающий на токоведущих частях любых участков присоединений и сборных шин, был защищен заземлителями со всех сторон, откуда может быть подано напряжение. На случай отключения в процессе ремонта разъединителя с заземлителями или только заземлителя этого разъединителя должны быть предусмотрены заземлители у других разъединителей на данном участке схемы, расположенные со стороны возможной подачи напряжения. Поэтому на любых участках присоединений и сборных шин предусматривается установка двух заземлителей разных разъединителей. б) Каждая секция СШ 35 кВ и выше должна иметь два комплекта заземлителей. При наличии ТН заземления сборных шин следует осуществлять заземлителями разъединителей ТН. в) На заземлителях предусматривается привод с дистанционным управлением. г) С учетом перечислений а) и б) стационарные заземлители устанавливаются: - по два комплекта на линейных разъединителях, в том числе разъединителях Т (АТ), разъединителях ТН, подключенных к ССШ, на шинных и обходном разъединителях обходного выключателя, а также на одном обходном разъединителе присоединения; - по одному комплекту на шинных разъединителях линий и Т (АТ), а также разъединителях секционного выключателя |
15 | Расстановка ТТ | а) ТТ устанавливаются в каждом присоединении, а также в цепи секционного и обходного выключателей. Наиболее предпочтительными являются встроенные в оборудование ТТ (ТТ также необходимы в нейтралях трансформаторов 110 кВ и выше и АТ 220 кВ и выше). - для подключения приборов коммерческого и/или технического учета электроэнергии используется отдельная вторичная обмотка ТТ, при этом также отдельная обмотка предусматривается для средств измерений (не входящих в АИИС КУЭ), т.е. отдельно друг от друга и от цепей защит; - основная и резервная защиты должны питаться от разных вторичных обмоток ТТ; - оно должно быть достаточным для присоединения к ним в общем случае основных и резервных защит двух элементов, например, ВЛ и СШ. в) При установке ТТ с меньшим количеством вторичных обмоток, чем требуется [перечисление б)], возникает необходимость в установке второго дополнительного ТТ. Он устанавливается с другой стороны выключателя. г) Расстановку ТТ относительно выключателей присоединений необходимо выполнять так, чтобы выключатели входили в зону дифференциальной защиты шин |
16 | Расстановка ТН | а) ТН устанавливают на каждой ССШ, которые могут работать раздельно. б) ТН предусматриваются с тремя вторичными обмотками, одна из которых предназначена для подключения приборов коммерческого и/или технического учета электроэнергии. в) При выборе ТН необходимо учитывать возможность возникновения феррорезонанса, рекомендуется применять антиферрорезонансные типы ТН. г) На ЛЭП 110 кВ и выше предусматривается установка шкафов отбора напряжения или однофазных ТН для АПВ с контролем наличия напряжения и/или синхронизма, обоснованных проектной документацией |
17 | Расстановка ОПН | а) В цепях Т (АТ) должны быть установлены ОПН без коммутационных аппаратов между ними и защищаемым оборудованием. б) Для защиты нейтралей обмоток 110 кВ силовых трансформаторов, имеющих изоляцию, пониженную относительно изоляции линейного конца обмотки и допускающую работу с разземленной нейтралью, в ней следует устанавливать ОПН. в) Необходимость установки ОПН на шинах (в ячейках ТН), а также на линейных присоединениях определяется сравнением расстояний по ошиновке от ОПН у силовых Т (АТ) до самого удаленного присоединения, с наибольшим допустимым расстоянием |
N п/п | Наименование показателя | Описание |
Общие показатели | ||
1 | Наименование и эскиз схемы | Схема с одной секционированной СШ и с ОСШ, с подключением трансформаторов через развилку из выключателей ![]() |
2 | Номер схемы | |
3 | Область применения | РУ 110 и 220 кВ |
4 | Тип подстанции | Узловая |
5 | Количество присоединений | Два Т (АТ) и три линии с возможностью увеличения числа присоединений (т.е. расширения подстанции) свыше шести; при расширении до шести присоединений используется схема "шестиугольник". Вопросы расширения подстанции анализируются при выборе схем электрических сетей на перспективу от 5 до 10 лет |
6 | Этапность развития | - |
Условия обоснования и выбора | ||
7 | Основные условия применения | а) Наличие нерезервируемых присоединений, причем не более одного на секцию, при этом ОСШ включена в схему плавки гололеда на ВЛ. Остальные присоединения должны быть резервируемы. б) Отсутствие необходимости сохранения в работе всех присоединений к секции при ее отключении с учетом перечисления а). в) Перечисления а) и б) должны подтверждаться расчетами установившихся режимов при поочередном отключении каждого присоединения, а также ССШ. При этом в расчетных ремонтных и послеаварийных режимах должны обеспечиваться: сохранение статической устойчивости в энергосистеме; требуемые уровни напряжения по узлам сети; допустимые токовые нагрузки проводников и аппаратов |
8 | Экономические критерии применения | а) Требует k + 3 ячейки выключателей, где k - количество присоединений. б) По сравнению со схемой с одной секционированной СШ: - требует установки на каждом присоединении (кроме присоединений, подключенных через развилку выключателей) обходного разъединителя, стоимость которого составляет 15 - 25% стоимости выключателя; - увеличивает отчуждаемые земельные участки за счет ОСШ на 20 - 30% в зависимости от числа присоединений. в) При использовании современных элегазовых (вакуумных) выключателей ОСШ, как правило, не окупает себя с позиций снижения потерь мощности и электроэнергии в сети при плановых ремонтах коммутационных аппаратов. То же относится к КРУЭ. г) При отсутствии необходимости плавки гололеда и при прочих равных условиях более предпочтительно использовать схему с одной секционированной СШ и с подключением трансформаторов через развилку из выключателей |
9 | Критерии надежности | а) Наличие двух развилок из выключателей для подключения Т (АТ) исключает полное обесточение РУ 110 или 220 кВ при единичном отказе любого выключателя схемы. Поэтому надежность рассматриваемой схемы выше, чем схемы с одной секционированной СШ и с ОСШ. б) С учетом фактора надежности переход от схемы с одной секционированной СШ и с ОСШ (k + 2 ячейка выключателя) к схеме с одной секционированной СШ и с ОСШ с подключением трансформаторов через развилку из выключателей (k + 3 ячейки выключателей) требует технико-экономических обоснований с учетом фактора надежности для подстанций с высшим напряжением 110 и 220 кВ. в) С учетом фактора надежности схему с одной секционированной СШ и с ОСШ с подключением трансформаторов через развилку из выключателей целесообразно использовать для РУ 110 и 220 кВ подстанций с высшим напряжением 500 и 750 кВ, т.е. на стороне среднего напряжения крупных подстанций основной сети энергосистем. Тем самым обеспечивается подключение АТ 500 и 750 кВ через два выключателя, как со стороны ВН, так и СН |
10 | Эксплуатационные критерии | Оперативные блокировки и операции с разъединителями не однотипны |
11 | Техническая гибкость | Жесткая фиксация присоединений по секциям; попарно резервированные присоединения необходимо подключать к разным секциям |
12 | Критерии безопасности | а) Электрооборудование, токоведущие части, изоляторы, крепления, ограждения, несущие конструкции, изоляционные и другие расстояния должны быть выбраны и установлены таким образом, чтобы: - вызываемые нормальными условиями работы электроустановки усилия, нагрев, электрическая дуга или иные сопутствующие ее работе явления (искрение, выброс газов и т.п.) не могли причинить вред обслуживающему персоналу, а также привести к повреждению оборудования и возникновению КЗ; - при выводе в ремонт какого-либо присоединения, относящиеся к нему аппараты, токоведущие части и конструкции могли подвергаться безопасному техническому обслуживанию и ремонту без нарушения нормальной работы соседних цепей; - при нарушении нормальных условий работы электроустановки была обеспечена необходимая локализация повреждений, обусловленных действием КЗ. б) Напряженность электрического и магнитного полей на маршрутах обхода для осмотра оборудования и на рабочих местах у оборудования, где возможно длительное присутствие персонала для проведения профилактических и ремонтных работ, не должна превышать допустимую. в) Должны быть выполнены требования нормативно-технических документов по электромагнитной совместимости |
Расстановка оборудования | ||
13 | Расстановка разъединителей | а) Во всех цепях РУ должна быть предусмотрена установка разъединяющих устройств с видимым разрывом, обеспечивающих возможность отсоединения всех аппаратов (выключателей с ТТ, предохранителей, ТН и т.д.) в каждой цепи со всех ее сторон, откуда может быть подано напряжение. б) Данное требование [перечисление а)] не распространяется на ВЧ-заградители и конденсаторы связи, ТН, устанавливаемые на отходящих линиях, а также ТН емкостного типа, присоединяемые к СШ, ограничители перенапряжений, устанавливаемых на выводах Т (АТ) и на отходящих линиях. в) Видимый разрыв может отсутствовать в комплектных РУ заводского исполнения (в том числе с заполнением элегазом - КРУЭ) с выкатными элементами и/или при наличии надежного механического указателя гарантированного положения контактов. г) На разъединителях 110 кВ и выше предусматривается привод с дистанционным управлением. д) С учетом перечислений а) и б) разъединители устанавливаются: - с обеих сторон выключателей в цепях линий, Т (АТ), а также обходного выключателя; - в цепях ТН электромагнитного типа на ССШ; - обходных разъединителей всех присоединений |
14 | Расстановка стационарных заземлителей | а) Стационарные заземлители должны быть размещены так, чтобы были не нужны переносные заземления и чтобы персонал, работающий на токоведущих частях любых участков присоединений и сборных шин, был защищен заземлителями со всех сторон, откуда может быть подано напряжение. На случай отключения в процессе ремонта разъединителя с заземлителями или только заземлителя этого разъединителя должны быть предусмотрены заземлители у других разъединителей на данном участке схемы, расположенные со стороны возможной подачи напряжения. Поэтому на любых участках присоединений и сборных шин предусматривается установка двух заземлителей разных разъединителей. б) Каждая секция СШ 35 кВ и выше должна иметь два комплекта заземлителей. При наличии ТН заземления сборных шин следует осуществлять заземлителями разъединителей ТН. в) На заземлителях предусматривается привод с дистанционным управлением. г) С учетом перечислений а) и б) стационарные заземлители устанавливаются: - по два комплекта на линейных разъединителях, в том числе разъединителях Т (АТ), разъединителях трансформаторов напряжения, подключенных к ССШ на шинных и обходном разъединителях обходного выключателя, на обходном разъединителе одного из присоединений; - по одному комплекту на шинных разъединителях линий, включая обходные разъединители |
15 | Расстановка ТТ | а) ТТ устанавливаются в каждом присоединении, а также в цепи обходного выключателя. Наиболее предпочтительными являются встроенные в оборудование ТТ (ТТ также необходимы в нейтралях трансформаторов 110 кВ и выше и АТ 220 кВ и выше). - для подключения приборов коммерческого и/или технического учета электроэнергии используется отдельная вторичная обмотка ТТ, при этом также отдельная обмотка предусматривается для средств измерений (не входящих в АИИС КУЭ), т.е. отдельно друг от друга и от цепей защит; - основная и резервная защиты должны питаться от разных вторичных обмоток ТТ; - оно должно быть достаточным для присоединения к ним в общем случае основных и резервных защит двух элементов, например, ВЛ и СШ. в) При установке ТТ с меньшим количеством вторичных обмоток, чем требуется [перечисление б)], возникает необходимость в установке второго дополнительного ТТ. Он устанавливается с другой стороны выключателя. г) Расстановку ТТ относительно выключателей присоединений необходимо выполнять так, чтобы выключатели входили в зону дифференциальной защиты шин |
16 | Расстановка ТН | а) ТН устанавливают на каждой ССШ, которые могут работать раздельно. б) ТН предусматриваются с тремя вторичными обмотками, одна из которых предназначена для подключения приборов коммерческого и/или технического учета электроэнергии. в) При выборе ТН необходимо учитывать возможность возникновения феррорезонанса, рекомендуется применять антиферрорезонансные типы ТН. г) На ЛЭП 110 кВ и выше предусматривается установка шкафов отбора напряжения или однофазных ТН для АПВ с контролем наличия напряжения и/или синхронизма, обоснованных проектной документацией |
17 | Расстановка ОПН | а) В цепях Т (АТ) должны быть установлены ОПН без коммутационных аппаратов между ними и защищаемым оборудованием. б) Для защиты нейтралей обмоток 110 кВ силовых трансформаторов, имеющих изоляцию, пониженную относительно изоляции линейного конца обмотки и допускающую работу с разземленной нейтралью, в ней следует устанавливать ОПН. в) Необходимость установки ОПН на шинах (в ячейках ТН), а также на линейных присоединениях определяется сравнением расстояний по ошиновке от ОПН у силовых Т (АТ) до самого удаленного присоединения, с наибольшим допустимым расстоянием |
N п/п | Наименование показателя | Описание |
Общие показатели | ||
1 | Наименование и эскиз схемы | Схема с двумя СШ ![]() |
2 | Номер схемы | |
3 | Область применения | РУ 110 и 220 кВ |
4 | Тип подстанции | Узловая |
Количество присоединений | Два Т (АТ) и три линии с возможностью увеличения числа присоединений (т.е. расширения подстанции) свыше шести; при расширении до шести присоединений используется схема "шестиугольник". Вопросы расширения подстанции анализируются при выборе схем электрических сетей на перспективу 5 - 10 лет | |
6 | Этапность развития | Возможно развитие до схемы с двумя СШ и с ОСШ, а также до схемы с двумя секционированными СШ и с ОСШ |
Условия обоснования и выбора | ||
7 | Основные условия применения | Более двух нерезервируемых присоединений на подстанции и, как следствие, необходимость их сохранения в работе при плановом отключении СШ |
8 | Экономические критерии применения | а) Требует k + 1 ячейку выключателя, где k - количество присоединений. б) По сравнению со схемой с одной секционированной СШ требует установки на каждом присоединении второго шинного разъединителя, стоимость которого составляет 15 - 25% стоимости выключателя. в) Занимает минимальные отчуждаемые площади с учетом (пункт 5) количества присоединений при килевой установке одного шинного разъединителя на каждом присоединении |
9 | Критерии надежности | а) При отказе нормально включенного шиносоединительного выключателя возможно полное обесточение РУ. б) При оперативных переключениях сборные шины имеют непосредственную электрическую связь на развилках из шинных разъединителей, и при возникновении отказов возможно полное обесточение РУ. в) По статистике 20 - 30% отказов на сборных шинах приводят к полному обесточению РУ, при этом параметр потока отказов, приводящих к данному событию, составляет 0,001 - 0,004 1/год на одно присоединение. Таким образом, на крупных системных подстанциях, например, 500 кВ, имеющих на стороне 110 или 220 кВ в среднем 10 присоединений параметр потока отказов, приводящих к полному обесточению РУ, составит 0,04 1/год или раз в 25 лет, т.е. надежность данной схемы недостаточно высокая. г) По сравнению со схемой с одной секционированной СШ на порядок увеличивает математическое ожидание недоотпуска электроэнергии потребителям при прочих равных условиях. д) Как следствие [перечисления б) и г)] является вынужденным решением, требующим в проектной документацией дополнительного обоснования с режимных позиций |
10 | Эксплуатационные критерии | б) Управление разъединителями даже в пределах одной ячейки выключателя не однотипное и громоздкое: пофазное управление разъединителя с килевой установкой и трехфазное - для второго разъединителя. в) Следствием [перечисления а) и б)] является значительное число инцидентов по вине персонала, а также отказов оборудования вследствие большого количества технологических операций при оперативных переключениях. г) Не требуется жесткой привязки присоединений по СШ - высокая эксплуатационная гибкость схемы |
11 | Техническая гибкость | Гибкая фиксация присоединений по СШ |
12 | Критерии безопасности | а) Электрооборудование, токоведущие части, изоляторы, крепления, ограждения, несущие конструкции, изоляционные и другие расстояния должны быть выбраны и установлены таким образом, чтобы: - вызываемые нормальными условиями работы электроустановки усилия, нагрев, электрическая дуга или иные сопутствующие ее работе явления (искрение, выброс газов и т.п.) не могли причинить вред обслуживающему персоналу, а также привести к повреждению оборудования и возникновению КЗ; - при выводе в ремонт какого-либо присоединения, относящиеся к нему аппараты, токоведущие части и конструкции могли подвергаться безопасному техническому обслуживанию и ремонту без нарушения нормальной работы соседних цепей; - при нарушении нормальных условий работы электроустановки была обеспечена необходимая локализация повреждений, обусловленных действием КЗ. б) Напряженность электрического и магнитного полей на маршрутах обхода для осмотра оборудования и на рабочих местах у оборудования, где возможно длительное присутствие персонала для проведения профилактических и ремонтных работ, не должна превышать допустимую. в) Должны быть выполнены требования нормативно-технических документов по электромагнитной совместимости |
Расстановка оборудования | ||
13 | Расстановка разъединителей | а) Во всех цепях РУ должна быть предусмотрена установка разъединяющих устройств с видимым разрывом, обеспечивающих возможность отсоединения всех аппаратов (выключателей с ТТ, предохранителей, ТН и т.д.) в каждой цепи со всех ее сторон, откуда может быть подано напряжение. б) Данное требование [перечисление а)] не распространяется на ВЧ-заградители и конденсаторы связи, ТН, устанавливаемые на отходящих линиях, а также ТН емкостного типа, присоединяемые к СШ, ограничители перенапряжений, устанавливаемых на выводах Т (АТ) и на отходящих линиях. в) Видимый разрыв может отсутствовать в комплектных РУ заводского исполнения (в том числе с заполнением элегазом - КРУЭ) с выкатными элементами и/или при наличии надежного механического указателя гарантированного положения контактов. г) На разъединителях 110 кВ и выше предусматривается привод с дистанционным управлением. д) С учетом перечислений а) и б) разъединители устанавливаются: - с обеих сторон выключателей в цепях линий и Т (АТ) (шинные и линейные разъединители), а также шиносоединительного выключателя; - в цепях ТН электромагнитного типа, подключенных к СШ |
14 | Расстановка стационарных заземлителей | а) Стационарные заземлители должны быть размещены так, чтобы были не нужны переносные заземления и чтобы персонал, работающий на токоведущих частях любых участков присоединений и сборных шин, был защищен заземлителями со всех сторон, откуда может быть подано напряжение. На случай отключения в процессе ремонта разъединителя с заземлителями или только заземлителя этого разъединителя должны быть предусмотрены заземлители у других разъединителей на данном участке схемы, расположенные со стороны возможной подачи напряжения. Поэтому на любых участках присоединений и сборных шин предусматривается установка двух заземлителей разных разъединителей. б) Каждая секция СШ 35 кВ и выше должна иметь два комплекта заземлителей. При наличии ТН заземления сборных шин следует осуществлять заземлителями разъединителей ТН. в) На заземлителях предусматривается привод с дистанционным управлением, кроме того в ячейках КРУЭ заземлители со стороны линий должны быть быстродействующими. г) С учетом перечислений а) и б) стационарные заземлители устанавливаются: - по два комплекта на линейных разъединителях, в том числе разъединителях Т (АТ), разъединителях шиносоединительного выключателя и разъединителях ТН, подключенных к СШ; - по одному комплекту на шинных разъединителях линий и Т (АТ) |
15 | Расстановка трансформаторов тока | а) ТТ устанавливаются в каждом присоединении, а также в цепи шиносоединительного выключателя. Наиболее предпочтительными являются встроенные в оборудование ТТ (ТТ также необходимы в нейтралях трансформаторов 110 кВ и выше и АТ 220 кВ и выше). - для подключения приборов коммерческого и/или технического учета электроэнергии используется отдельная вторичная обмотка ТТ, при этом также отдельная обмотка предусматривается для средств измерений (не входящих в АИИС КУЭ), т.е. отдельно друг от друга и от цепей защит; - основная и резервная защиты должны питаться от разных вторичных обмоток ТТ; - оно должно быть достаточным для присоединения к ним в общем случае основных и резервных защит двух элементов, например, ВЛ и СШ. в) При установке ТТ с меньшим количеством вторичных обмоток, чем требуется [перечисление б)], возникает необходимость в установке второго дополнительного ТТ. Он устанавливается с другой стороны выключателя. г) Расстановку ТТ относительно выключателей присоединений необходимо выполнять так, чтобы выключатели входили в зону дифференциальной защиты шин |
16 | Расстановка ТН | а) ТН устанавливают на каждой ССШ, которые могут работать раздельно. б) ТН предусматриваются с тремя вторичными обмотками, одна из которых предназначена для подключения приборов коммерческого и/или технического учета электроэнергии. в) При выборе ТН необходимо учитывать возможность возникновения феррорезонанса, рекомендуется применять антиферрорезонансные типы ТН. г) На ЛЭП 110 кВ и выше предусматривается установка шкафов отбора напряжения или однофазных ТН для АПВ с контролем наличия напряжения и/или синхронизма, обоснованных проектной документацией |
17 | Расстановка ОПН | а) В цепях Т (АТ) должны быть установлены ОПН без коммутационных аппаратов между ними и защищаемым оборудованием. б) Для защиты нейтралей обмоток 110 кВ силовых трансформаторов, имеющих изоляцию, пониженную относительно изоляции линейного конца обмотки и допускающую работу с разземленной нейтралью, в ней следует устанавливать ОПН. в) Необходимость установки ОПН на шинах (в ячейках ТН), а также на линейных присоединениях определяется сравнением расстояний по ошиновке от ОПН у силовых Т (АТ) до самого удаленного присоединения, с наибольшим допустимым расстоянием |
N п/п | Наименование показателя | Описание |
Общие показатели | ||
1 | Наименование и эскиз схемы | Схема с двумя СШ и с ОСШ ![]() |
2 | Номер схемы | |
3 | Область применения | РУ 110 и 220 кВ |
4 | Тип подстанции | Узловая |
5 | Количество присоединений | Два Т (АТ) и три линии с возможностью увеличения числа присоединений (т.е. расширения подстанции) свыше шести; при расширении до шести присоединений используется схема "шестиугольник". Вопросы расширения подстанции анализируются при выборе схем электрических сетей на перспективу 5 - 10 лет |
6 | Этапность развития | Возможно развитие до схемы с двумя секционированными СШ и с ОСШ |
Условия обоснования и выбора | ||
7 | Основные условия применения | Более двух нерезервируемых присоединений на подстанции и, как следствие, необходимость их сохранения в работе при плановом отключении СШ, при этом ОСШ включена в схему плавки гололеда на ВЛ |
8 | Экономические критерии применения | а) Требует k + 2 ячейки выключателей, где k - количество присоединений. б) По сравнению со схемой с одной секционированной СШ и с ОСШ требует установки на каждом присоединении [линии или Т (АТ)] второго шинного разъединителя, стоимость которого составляет 15 - 25% стоимости выключателя. в) По сравнению со схемой с двумя СШ увеличивает отчуждаемые земельные участки за счет ОСШ на 20 - 30% в зависимости от числа присоединений. г) Требует значительных отчуждаемых площадей и затрат на коммутационное оборудование. За счет этого является одной из наиболее дорогих схем |
9 | Критерии надежности | а) При отказе нормально включенного шиносоединительного выключателя возможно полное обесточение РУ. б) При оперативных переключениях сборные шины имеют непосредственную электрическую связь на развилках из шинных разъединителей, и при возникновении отказов возможно полное обесточение РУ. в) По статистике 20 - 30% отказов на сборных шинах приводит к полному обесточению РУ, при этом параметр потока отказов, приводящих к данному событию, составляет 0,001 - 0,004 1/год на одно присоединение. Таким образом, на крупных системных подстанциях, например 500 кВ, имеющих на стороне 110 или 220 кВ в среднем 10 присоединений, параметр потока отказов, приводящих к полному обесточению РУ, составит 0,04 1/год или раз в 25 лет, т.е. надежность данной схемы недостаточно высокая. г) По сравнению со схемой с одной секционированной СШ и с ОСШ на порядок увеличивает математическое ожидание недоотпуска электроэнергии потребителям при прочих равных условиях. д) Как следствие [перечисления б) и г)] является вынужденным решением, требующим в проектной документации дополнительного обоснования с режимных позиций |
10 | Эксплуатационные критерии | б) Управление разъединителями даже в пределах одной ячейки выключателя не однотипное и громоздкое: пофазное управление разъединителя с килевой установкой и трехфазное - для второго разъединителя. в) Большое количество разъединителей и их заземляющих ножей - четыре и пять соответственно на каждом присоединении. г) Следствием [перечисления а) и в)] является значительное число инцидентов по вине персонала, а также отказов оборудования вследствие большого количества технологических операций при оперативных переключениях |
11 | Техническая гибкость | Гибкая фиксация присоединений по СШ |
12 | Критерии безопасности | а) Электрооборудование, токоведущие части, изоляторы, крепления, ограждения, несущие конструкции, изоляционные и другие расстояния должны быть выбраны и установлены таким образом, чтобы: - вызываемые нормальными условиями работы электроустановки усилия, нагрев, электрическая дуга или иные сопутствующие ее работе явления (искрение, выброс газов и т.п.) не могли причинить вред обслуживающему персоналу, а также привести к повреждению оборудования и возникновению КЗ; - при выводе в ремонт какого-либо присоединения, относящиеся к нему аппараты, токоведущие части и конструкции могли подвергаться безопасному техническому обслуживанию и ремонту без нарушения нормальной работы соседних цепей; - при нарушении нормальных условий работы электроустановки была обеспечена необходимая локализация повреждений, обусловленных действием КЗ. б) Напряженность электрического и магнитного полей на маршрутах обхода для осмотра оборудования и на рабочих местах у оборудования, где возможно длительное присутствие персонала для проведения профилактических и ремонтных работ, не должна превышать допустимую. в) Должны быть выполнены требования нормативно-технических документов по электромагнитной совместимости |
Расстановка оборудования | ||
13 | Расстановка разъединителей | а) Во всех цепях РУ должна быть предусмотрена установка разъединяющих устройств с видимым разрывом, обеспечивающих возможность отсоединения всех аппаратов (выключателей с ТТ, предохранителей, ТН и т.д.) в каждой цепи со всех ее сторон, откуда может быть подано напряжение. б) Данное требование [перечисление а)] не распространяется на ВЧ-заградители и конденсаторы связи, ТН, устанавливаемые на отходящих линиях, а также ТН емкостного типа, присоединяемые к СШ, ограничители перенапряжений, устанавливаемых на выводах Т (АТ) и на отходящих линиях. в) Видимый разрыв может отсутствовать в комплектных РУ заводского исполнения (в том числе с заполнением элегазом - КРУЭ) с выкатными элементами и/или при наличии надежного механического указателя гарантированного положения контактов. г) На разъединителях 110 кВ и выше предусматривается привод с дистанционным управлением. д) С учетом перечислений а) и б) разъединители устанавливаются: - с обеих сторон выключателей в цепях линий, Т (АТ), шиносоединительного и обходного выключателей, а также со стороны ОСШ; - в цепях ТН электромагнитного типа, подключенных к СШ |
14 | Расстановка стационарных заземлителей | а) Стационарные заземлители должны быть размещены так, чтобы были не нужны переносные заземления и чтобы персонал, работающий на токоведущих частях любых участков присоединений и сборных шин, был защищен заземлителями со всех сторон, откуда может быть подано напряжение. На случай отключения в процессе ремонта разъединителя с заземлителями или только заземлителя этого разъединителя должны быть предусмотрены заземлители у других разъединителей на данном участке схемы, расположенные со стороны возможной подачи напряжения. Поэтому на любых участках присоединений и сборных шин предусматривается установка двух заземлителей разных разъединителей. б) Каждая секция СШ должна иметь два комплекта заземлителей. При наличии ТН заземления сборных шин следует осуществлять заземлителями разъединителей ТН. в) На заземлителях предусматривается привод с дистанционным управлением. г) С учетом перечислений а) и б) стационарные заземлители устанавливаются: - по два комплекта на линейных разъединителях, в том числе разъединителях Т (АТ), разъединителях обходного выключателя (в том числе обходной) и разъединителях ТН, подключенных к СШ, а также на одном обходном разъединителе присоединения; - по одному комплекту на шинных разъединителях линий и Т (АТ), на обходных разъединителях указанных присоединений, а также на разъединителях шиносоединительного выключателя |
15 | Расстановка ТТ | а) ТТ устанавливаются в каждом присоединении, а также в цепях шиносоединительного и обходного выключателей. Наиболее предпочтительными являются встроенные в оборудование ТТ (ТТ также необходимы в нейтралях трансформаторов 110 кВ и выше и АТ 220 кВ и выше). - для подключения приборов коммерческого и/или технического учета электроэнергии используется отдельная вторичная обмотка ТТ, при этом также отдельная обмотка предусматривается для средств измерений (не входящих в АИИС КУЭ), т.е. отдельно друг от друга и от цепей защит; - основная и резервная защиты должны питаться от разных вторичных обмоток ТТ; - оно должно быть достаточным для присоединения к ним в общем случае основных и резервных защит двух элементов, например, ВЛ и СШ. в) При установке ТТ с меньшим количеством вторичных обмоток, чем требуется [перечисление б)], возникает необходимость в установке второго дополнительного ТТ. Он устанавливается с другой стороны выключателя. г) Расстановку ТТ относительно выключателей присоединений необходимо выполнять так, чтобы выключатели входили в зону дифференциальной защиты шин |
16 | Расстановка ТН | а) ТН устанавливают на каждой ССШ, которые могут работать раздельно. б) ТН предусматриваются с тремя вторичными обмотками, одна из которых предназначена для подключения приборов коммерческого и/или технического учета электроэнергии. в) При выборе ТН необходимо учитывать возможность возникновения феррорезонанса, рекомендуется применять антиферрорезонансные типы ТН. г) На ЛЭП 110 кВ и выше предусматривается установка шкафов отбора напряжения или однофазных ТН для АПВ с контролем наличия напряжения и/или синхронизма, обоснованных проектной документацией |
17 | Расстановка ОПН | а) В цепях Т (АТ) должны быть установлены ОПН без коммутационных аппаратов между ними и защищаемым оборудованием. б) Для защиты нейтралей обмоток 110 кВ силовых трансформаторов, имеющих изоляцию, пониженную относительно изоляции линейного конца обмотки и допускающую работу с разземленной нейтралью, в ней следует устанавливать ОПН. в) Необходимость установки ОПН на шинах (в ячейках ТН), также на линейных присоединениях определяется сравнением расстояний по ошиновке от ОПН у силовых Т (АТ) до самого удаленного присоединения, с наибольшим допустимым расстоянием |
N п/п | Наименование показателя | Описание |
Общие показатели | ||
1 | Наименование и эскиз схемы | Схема с двумя секционированными СШ и с ОСШ ![]() |
2 | Номер схемы | |
3 | Область применения | РУ 110 и 220 кВ |
4 | Тип подстанции | Узловая |
5 | Количество присоединений | Значительное количество присоединений: не менее двух - четырех Т (АТ) и 12 - 14 отходящих линий |
6 | Этапность развития | - |
Условия обоснования и выбора | ||
7 | Основные условия применения | а) Более двух нерезервируемых присоединений на подстанции и, как следствие, необходимость их сохранения в работе при плановом отключении СШ, при этом ОСШ включена в схему плавки гололеда на ВЛ. б) Недопустимость полного обесточения РУ при отказах выключателей и сборных шин по условию сохранения устойчивости энергосистемы (без воздействия ПА) при указанных расчетных возмущениях |
8 | Экономические критерии применения | а) Требует k + 6 ячеек выключателей, где k - количество присоединений. б) По сравнению со схемой с одной секционированной СШ и с ОСШ требует установки на каждом присоединении [линии или Т (АТ)] второго шинного разъединителя, стоимость которого составляет 15 - 25% стоимости выключателя. в) По сравнению со схемой с двумя СШ увеличивает отчуждаемые земельные участки за счет ОСШ на 20 - 30% в зависимости от числа присоединений. г) Требует значительных отчуждаемых площадей и затрат на коммутационное оборудование. За счет этого является одной из наиболее дорогих схем. Например, при 12 присоединениях в схеме с двумя секционированными СШ и с ОСШ необходимо 18 ячеек выключателей. Столько же ячеек требуется для более надежной и экономичной (за счет значительно меньшего количества разъединителей) схемы 3/2 |
9 | Критерии надежности | а) По сравнению со схемой с двумя СШ (с ОСШ либо без нее) за счет их секционирования исключена потенциальная возможность полного обесточения РУ из-за отказов шиносоединительных выключателей и отказов на развилках из шинных разъединителей. Таким образом, секционирование сборных шин повышает надежность схемы. б) При оперативных переключениях сборные шины имеют непосредственную электрическую связь на развилках из шинных разъединителей, и при возникновении отказов возможно обесточение одновременно двух секций обеих СШ. в) Надежность схемы остается недостаточно высокой. Причина заключается в том, что попарно резервируемые линии 110 и 220 кВ располагаются в смежных ячейках РУ, чтобы исключить их пересечение. Поэтому отказы шиносоединительных выключателей и отказы на развилках из шинных разъединителей могут привести к обесточению половины присоединений и соответственно потребителей подстанции. г) По сравнению со схемой с двумя СШ и с ОСШ дополнительная установка двух секционных, шиносоединительного и обходного выключателей (всего четыре выключателя) для исключения обесточения подстанции, как правило, нецелесообразна с технико-экономических позиций с учетом фактора надежности. д) Как следствие [перечисления б) и г)] является вынужденным решением, требующим в проектной документации дополнительного обоснования с режимных позиций. В частности, область применения схемы следует ограничить РУ 110 и 220 кВ подстанций с высшим напряжением 500 кВ. Тем самым обеспечивается подключение АТ 500 кВ через два выключателя, как со стороны ВН, так и СН |
10 | Эксплуатационные критерии | б) Управление разъединителями даже в пределах одной ячейки выключателя не однотипное и громоздкое: пофазное управление разъединителя с килевой установкой и трехфазное - для второго разъединителя. в) Большое количество разъединителей и их заземляющих ножей - четыре и пять соответственно на каждом присоединении. г) Следствием [перечисления а) и в)] является значительное число инцидентов по вине персонала, а также отказов оборудования вследствие большого количества технологических операций при оперативных переключениях |
11 | Техническая гибкость | Гибкая фиксация присоединений по ССШ |
12 | Критерии безопасности | а) Электрооборудование, токоведущие части, изоляторы, крепления, ограждения, несущие конструкции, изоляционные и другие расстояния должны быть выбраны и установлены таким образом, чтобы: - вызываемые нормальными условиями работы электроустановки усилия, нагрев, электрическая дуга или иные сопутствующие ее работе явления (искрение, выброс газов и т.п.) не могли причинить вред обслуживающему персоналу, а также привести к повреждению оборудования и возникновению КЗ; - при выводе в ремонт какого-либо присоединения, относящиеся к нему аппараты, токоведущие части и конструкции могли подвергаться безопасному техническому обслуживанию и ремонту без нарушения нормальной работы соседних цепей; - при нарушении нормальных условий работы электроустановки была обеспечена необходимая локализация повреждений, обусловленных действием КЗ. б) Напряженность электрического и магнитного полей на маршрутах обхода для осмотра оборудования и на рабочих местах у оборудования, где возможно длительное присутствие персонала для проведения профилактических и ремонтных работ, не должна превышать допустимую. в) Должны быть выполнены требования нормативно-технических документов по электромагнитной совместимости |
Расстановка оборудования | ||
13 | Расстановка разъединителей | а) Во всех цепях РУ должна быть предусмотрена установка разъединяющих устройств с видимым разрывом, обеспечивающих возможность отсоединения всех аппаратов (выключателей с ТТ, предохранителей, ТН и т.д.) в каждой цепи со всех ее сторон, откуда может быть подано напряжение. б) Данное требование [перечисление а)] не распространяется на ВЧ-заградители и конденсаторы связи, ТН, устанавливаемые на отходящих линиях, а также ТН емкостного типа, присоединяемые к СШ, ограничители перенапряжений, устанавливаемых на выводах Т (АТ) и на отходящих линиях. в) Видимый разрыв может отсутствовать в комплектных РУ заводского исполнения (в том числе с заполнением элегазом - КРУЭ) с выкатными элементами и/или при наличии надежного механического указателя гарантированного положения контактов. г) На разъединителях 110 кВ и выше предусматривается привод с дистанционным управлением. д) С учетом перечислений а) и б) разъединители устанавливаются: - с обеих сторон выключателей в цепях линий, Т (АТ), шиносоединительных, секционных и обходных выключателей, а также со стороны ОСШ; - в цепях ТН электромагнитного типа на ССШ |
14 | Расстановка стационарных заземлителей | а) Стационарные заземлители должны быть размещены так, чтобы были не нужны переносные заземления и чтобы персонал, работающий на токоведущих частях любых участков присоединений и сборных шин, был защищен заземлителями со всех сторон, откуда может быть подано напряжение. На случай отключения в процессе ремонта разъединителя с заземлителями или только заземлителя этого разъединителя должны быть предусмотрены заземлители у других разъединителей на данном участке схемы, расположенные со стороны возможной подачи напряжения. Поэтому на любых участках присоединений и сборных шин предусматривается установка двух заземлителей разных разъединителей. б) Каждая секция СШ 35 кВ и выше должна иметь два комплекта заземлителей. При наличии ТН заземления сборных шин следует осуществлять заземлителями разъединителей ТН. в) На заземлителях предусматривается привод с дистанционным управлением. г) С учетом перечислений а) и б) стационарные заземлители устанавливаются: - по два комплекта на линейных разъединителях, в том числе разъединителях Т (АТ), разъединителях обходных выключателей (в том числе обходной) и разъединителях ТН, подключенных к СШ, а также на одном обходном разъединителе присоединения каждой ССШ; - по одному комплекту на шинных разъединителях линий и Т (АТ), на обходных разъединителях указанных присоединений, а также на разъединителях шиносоединительных и секционных выключателей |
15 | Расстановка ТТ | а) ТТ устанавливаются в каждом присоединении, а также в цепях шиносоединительных, секционных и обходных выключателей. Наиболее предпочтительными являются встроенные в оборудование ТТ (ТТ также необходимы в нейтралях трансформаторов 110 кВ и выше и АТ 220 кВ и выше). - для подключения приборов коммерческого и/или технического учета электроэнергии используется отдельная вторичная обмотка ТТ, при этом также отдельная обмотка предусматривается для средств измерений (не входящих в АИИС КУЭ), т.е. отдельно друг от друга и от цепей защит; - основная и резервная защиты должны питаться от разных вторичных обмоток ТТ; - оно должно быть достаточным для присоединения к ним в общем случае основных и резервных защит двух элементов, например, ВЛ и СШ. в) При установке ТТ с меньшим количеством вторичных обмоток, чем требуется [перечисление б)], возникает необходимость в установке второго дополнительного ТТ. Он устанавливается с другой стороны выключателя. г) Расстановку ТТ относительно выключателей присоединений необходимо выполнять так, чтобы выключатели входили в зону дифференциальной защиты шин |
16 | Расстановка ТН | а) ТН устанавливают на каждой ССШ, которые могут работать раздельно. б) ТН предусматриваются с тремя вторичными обмотками, одна из которых предназначена для подключения приборов коммерческого и/или технического учета электроэнергии. в) При выборе ТН необходимо учитывать возможность возникновения феррорезонанса, рекомендуется применять антиферрорезонансные типы ТН. г) На ЛЭП 110 кВ и выше предусматривается установка шкафов отбора напряжения или однофазных ТН для АПВ с контролем наличия напряжения и/или синхронизма, обоснованных проектной документацией |
17 | Расстановка ОПН | а) В цепях Т (АТ) должны быть установлены ОПН без коммутационных аппаратов между ними и защищаемым оборудованием. б) Для защиты нейтралей обмоток 110 кВ силовых трансформаторов, имеющих изоляцию, пониженную относительно изоляции линейного конца обмотки и допускающую работу с разземленной нейтралью, в ней следует устанавливать ОПН. в) Необходимость установки ОПН на шинах (в ячейках ТН), а также на линейных присоединениях определяется сравнением расстояний по ошиновке от ОПН у силовых Т (АТ) до самого удаленного присоединения, с наибольшим допустимым расстоянием |
N п/п | Наименование показателя | Описание |
Общие показатели | ||
1 | Наименование и эскиз схемы | Трансформаторы-шины ![]() |
2 | Номер схемы | |
3 | Область применения | РУ от 330 до 750 кВ |
4 | Тип подстанции | Узловая |
Количество присоединений | Два АТ и три-четыре линии | |
6 | Этапность развития | - |
Условия обоснования и выбора | ||
7 | Основные условия применения | а) Узловая подстанция с количеством присоединений до шести. б) По условиям устойчивости энергосистемы недопустима одновременная потеря двух или более линий |
8 | Экономические критерии применения | а) Требует восемь ячеек выключателей на шесть присоединений. б) Наиболее экономичная схема с учетом (пункт 5) количества присоединений и фактора надежности |
9 | Критерии надежности | а) При отказе выключателя теряется не более одной линии и одного АТ, что допустимо с позиций устойчивости. Поэтому схему предпочтительно использовать в основных сетях 500 и 750 кВ с позиций сохранения устойчивости в энергосистеме при расчетных возмущениях (в том числе при единичном отказе любого элемента схемы), которые не должны сопровождаться работой ПА. Таким образом, схема достаточно надежная. б) Является лучшей схемой с технико-экономических позиций с учетом фактора надежности для РУ 500 и 750 кВ большинства подстанций (так, 74% подстанций 500 кВ имеют не более двух АТ, а 93% - не более четырех линий, при этом около 50% подстанций выполнены по схеме "четырехугольник" ("треугольника") - начальный этап развития схемы трансформаторы-шины) |
10 | Эксплуатационные критерии | в) Как следствие [перечисления а) и б)] минимизированы отказы по вине персонала |
11 | Техническая гибкость | Каждая линия подключается через развилку из выключателей, что является дополнительным преимуществом схемы в ремонтных и послеаварийных режимах |
12 | Критерии безопасности | а) Электрооборудование, токоведущие части, изоляторы, крепления, ограждения, несущие конструкции, изоляционные и другие расстояния должны быть выбраны и установлены таким образом, чтобы: - вызываемые нормальными условиями работы электроустановки усилия, нагрев, электрическая дуга или иные сопутствующие ее работе явления (искрение, выброс газов и т.п.) не могли причинить вред обслуживающему персоналу, а также привести к повреждению оборудования и возникновению КЗ; - при выводе в ремонт какого-либо присоединения, относящиеся к нему аппараты, токоведущие части и конструкции могли подвергаться безопасному техническому обслуживанию и ремонту без нарушения нормальной работы соседних цепей; - при нарушении нормальных условий работы электроустановки была обеспечена необходимая локализация повреждений, обусловленных действием КЗ. б) Напряженность электрического и магнитного полей на маршрутах обхода для осмотра оборудования и на рабочих местах у оборудования, где возможно длительное присутствие персонала для проведения профилактических и ремонтных работ, не должна превышать допустимую. в) Должны быть выполнены требования нормативно-технических документов по электромагнитной совместимости |
Расстановка оборудования | ||
13 | Расстановка разъединителей | а) Во всех цепях РУ должна быть предусмотрена установка разъединяющих устройств с видимым разрывом, обеспечивающих возможность отсоединения всех аппаратов (выключателей с ТТ, ТН и т.д.) в каждой цепи со всех ее сторон, откуда может быть подано напряжение. б) Данное требование [перечисление а)] не распространяется на ВЧ-заградители и конденсаторы связи, ТН, устанавливаемые на отходящих линиях, а также ограничители перенапряжений, устанавливаемых на выводах Т (АТ) и на отходящих линиях. в) Видимый разрыв может отсутствовать в комплектных РУ заводского исполнения (в том числе с заполнением элегазом - КРУЭ) с выкатными элементами и/или при наличии надежного механического указателя гарантированного положения контактов. г) На разъединителях 110 кВ и выше предусматривается привод с дистанционным управлением. д) С учетом перечислений а) и б) разъединители устанавливаются: - в цепях АТ и ТН электромагнитного типа на СШ; - с обеих сторон каждого выключателя |
14 | Расстановка стационарных заземлителей | а) Стационарные заземлители должны быть размещены так, чтобы были не нужны переносные заземления, и чтобы персонал, работающий на токоведущих частях любых участков присоединений, был защищен заземлителями со всех сторон, откуда может быть подано напряжение. На случай отключения в процессе ремонта разъединителя с заземлителями или только заземлителя этого разъединителя должны быть предусмотрены заземлители у других разъединителей на данном участке схемы, расположенные со стороны возможной подачи напряжения. Поэтому на любых участках присоединений предусматривается установка двух заземлителей разных разъединителей. б) Каждая секция СШ 35 кВ и выше должна иметь два комплекта заземлителей. При наличии ТН заземления сборных шин следует осуществлять заземлителями разъединителей ТН. в) На заземлителях предусматривается привод с дистанционным управлением. г) С учетом перечислений а) и б) стационарные заземлители устанавливаются: - два комплекта на линейных разъединителях и разъединителях ТН, подключенных к СШ; - один комплект на разъединителях в цепях АТ со стороны указанных присоединений |
15 | Расстановка ТТ | а) ТТ устанавливаются в каждом присоединении. Наиболее предпочтительными являются встроенные в оборудование ТТ (ТТ также необходимы в нейтралях трансформаторов 110 кВ и выше и АТ 220 кВ и выше). б) Может предусматриваться ТТ в цепи линии, для организации АИИС КУЭ, так как при его отсутствии включение на сумму токов двух измерительных трансформаторов повышает суммарную погрешность измерений электроэнергии. Последнее ведет к невозможности получения класса точности измерений выше, чем у контрагентов. в) При выборе количества вторичных обмоток ТТ должны учитываться следующие положения: - для подключения приборов коммерческого и/или технического учета электроэнергии используется отдельная вторичная обмотка ТТ, при этом также отдельная обмотка предусматривается для средств измерений (не входящих в АИИС КУЭ), т.е. отдельно друг от друга и от цепей защит; - основная и резервная защиты должны питаться от разных вторичных обмоток ТТ; - оно должно быть достаточным для присоединения к ним в общем случае основных и резервных защит двух элементов, например, ВЛ и СШ. г) При установке ТТ с меньшим количеством вторичных обмоток, чем требуется [перечисление б)], возникает необходимость в установке второго дополнительного ТТ. Он устанавливается с другой стороны выключателя. д) Расстановку ТТ относительно выключателей присоединений необходимо выполнять так, чтобы выключатели входили в зону дифференциальной защиты шин |
16 | Расстановка ТН | а) ТН устанавливают на каждой СШ, которая может работать раздельно. б) ТН предусматриваются с тремя вторичными обмотками, одна из которых предназначена для подключения приборов коммерческого и/или технического учета электроэнергии. в) При выборе ТН необходимо учитывать возможность возникновения феррорезонанса, рекомендуется применять антиферрорезонансные ТН, устойчивые или не подверженные феррорезонансу. г) На ЛЭП 330 кВ и выше для резервирования защит по цепям напряжения устанавливаются два ТН. Два ТН рекомендуется устанавливать на сборных шинах 330 кВ и выше для надежной работы релейной защиты и АИИС КУЭ |
17 | Расстановка ОПН | а) В цепях АТ должны быть установлены ОПН без коммутационных аппаратов между ними и защищаемым оборудованием. б) Необходимость установки ОПН на шинах (в ячейках ТН), а также на линейных присоединениях определяется сравнением расстояний по ошиновке от ОПН у силовых АТ до самого удаленного присоединения, с наибольшим допустимым расстоянием |
N п/п | Наименование показателя | Описание |
Общие показатели | ||
1 | Наименование и эскиз схемы | Трансформаторы-шины с полуторным присоединением линий ![]() |
2 | Номер схемы | |
3 | Область применения | РУ от 220 до 750 кВ |
4 | Тип подстанции | Узловая |
Количество присоединений | Два Т (АТ) и пять-шесть линий | |
6 | Этапность развития | - |
Условия обоснования и выбора | ||
7 | Основные условия применения | а) Узловая подстанция с количеством присоединений до восьми. б) По условиям устойчивости энергосистемы допустима потеря одновременно двух линий при отказе любого выключателя в схеме |
8 | Экономические критерии применения | а) Требует девять ячеек выключателей на восемь присоединений. б) Достаточно экономичная схема с учетом (пункт 5) количества присоединений |
9 | Критерии надежности | а) При отказе выключателя со стороны сборных шин теряется не более одной линии и одного Т (АТ), что допустимо с позиций устойчивости. б) При отказах выключателей "среднего" ряда одновременно отключаются две линии. Поэтому для основных сетей энергосистем 500 и 750 кВ необходима проверка сохранения устойчивости в энергосистеме при данных расчетных возмущениях, которые не должны сопровождаться работой ПА (на подстанциях 500 и 750 кВ страны имеется, как правило, не более шести линий) |
10 | Эксплуатационные критерии | в) Как следствие [перечисления а) и б)] минимизированы отказы по вине персонала |
11 | Техническая гибкость | Каждая линия подключается через развилку выключателей, что является дополнительным преимуществом схемы в ремонтных и послеаварийных режимах |
12 | Критерии безопасности | а) Электрооборудование, токоведущие части, изоляторы, крепления, ограждения, несущие конструкции, изоляционные и другие расстояния должны быть выбраны и установлены таким образом, чтобы: - вызываемые нормальными условиями работы электроустановки усилия, нагрев, электрическая дуга или иные сопутствующие ее работе явления (искрение, выброс газов и т.п.) не могли причинить вред обслуживающему персоналу, а также привести к повреждению оборудования и возникновению КЗ; - при выводе в ремонт какого-либо присоединения, относящиеся к нему аппараты, токоведущие части и конструкции могли подвергаться безопасному техническому обслуживанию и ремонту без нарушения нормальной работы соседних цепей; - при нарушении нормальных условий работы электроустановки была обеспечена необходимая локализация повреждений, обусловленных действием КЗ. б) Напряженность электрического и магнитного полей на маршрутах обхода для осмотра оборудования и на рабочих местах у оборудования, где возможно длительное присутствие персонала для проведения профилактических и ремонтных работ, не должна превышать допустимую. в) Должны быть выполнены требования нормативно-технических документов по электромагнитной совместимости |
Расстановка оборудования | ||
13 | Расстановка разъединителей | а) Во всех цепях РУ должна быть предусмотрена установка разъединяющих устройств с видимым разрывом, обеспечивающих возможность отсоединения всех аппаратов (выключателей с ТТ, ТН и т.д.) в каждой цепи со всех ее сторон, откуда может быть подано напряжение. б) Данное перечисление а) не распространяется на ВЧ-заградители и конденсаторы связи, ТН, устанавливаемые на отходящих линиях, а также ограничители перенапряжений, устанавливаемых на выводах Т (АТ) и на отходящих линиях. в) Видимый разрыв может отсутствовать в комплектных РУ заводского исполнения (в том числе с заполнением элегазом - КРУЭ) с выкатными элементами и/или при наличии надежного механического указателя гарантированного положения контактов. г) На разъединителях 110 кВ и выше предусматривается привод с дистанционным управлением. д) С учетом перечислений а) и б) разъединители устанавливаются: - в цепях линий, Т (АТ) и ТН электромагнитного типа на СШ; - с обеих сторон каждого выключателя |
14 | Расстановка стационарных заземлителей | а) Стационарные заземлители должны быть размещены так, чтобы были не нужны переносные заземления и чтобы персонал, работающий на токоведущих частях любых участков присоединений, был защищен заземлителями со всех сторон, откуда может быть подано напряжение. На случай отключения в процессе ремонта разъединителя с заземлителями или только заземлителя этого разъединителя должны быть предусмотрены заземлители у других разъединителей на данном участке схемы, расположенные со стороны возможной подачи напряжения. Поэтому на любых участках присоединений предусматривается установка двух заземлителей разных разъединителей. б) Каждая секция СШ 35 кВ и выше должна иметь два комплекта заземлителей. При наличии ТН заземления сборных шин следует осуществлять заземлителями разъединителей ТН. в) На заземлителях предусматривается привод с дистанционным управлением. г) С учетом перечислений а) и б) стационарные заземлители устанавливаются: - два комплекта на линейных разъединителях в полуторных цепочках и разъединителях ТН, подключенных к СШ; - один комплект на выходных линейных разъединителях со стороны линий, а также на шинных разъединителях со стороны присоединений |
15 | Расстановка ТТ | а) ТТ устанавливаются в каждом присоединении. Наиболее предпочтительными являются встроенные в оборудование ТТ (ТТ также необходимы в нейтралях трансформаторов 110 кВ и выше и АТ 220 кВ и выше). б) Может предусматриваться ТТ в цепи линии, для организации АИИС КУЭ, так как при его отсутствии включение на сумму токов двух измерительных трансформаторов повышает суммарную погрешность измерений электроэнергии. Последнее ведет к невозможности получения класса точности измерений выше, чем у контрагентов. в) При выборе количества вторичных обмоток трансформаторов тока должны учитываться следующие положения: - для подключения приборов коммерческого и/или технического учета электроэнергии используется отдельная вторичная обмотка ТТ, при этом также отдельная обмотка предусматривается для средств измерений (не входящих в АИИС КУЭ), т.е. отдельно друг от друга и от цепей защит; - основная и резервная защиты должны питаться от разных вторичных обмоток ТТ; - оно должно быть достаточным для присоединения к ним в общем случае основных и резервных защит двух элементов, например, ВЛ и СШ. г) При установке ТТ с меньшим количеством вторичных обмоток, чем требуется [перечисление б)], возникает необходимость в установке второго дополнительного ТТ. Он устанавливается с другой стороны выключателя. д) Расстановку ТТ относительно выключателей присоединений необходимо выполнять так, чтобы выключатели входили в зону дифференциальной защиты шин |
16 | Расстановка ТН | а) ТН устанавливают на каждой СШ, которая может работать раздельно. б) ТН предусматриваются с тремя вторичными обмотками, одна из которых предназначена для подключения приборов коммерческого и/или технического учета электроэнергии. в) При выборе ТН необходимо учитывать возможность возникновения феррорезонанса, рекомендуется применять антиферрорезонансные типы ТН. г) На ЛЭП 330 кВ и выше для резервирования защит по цепям напряжения устанавливаются два ТН. Два ТН рекомендуется устанавливать на сборных шинах 330 кВ и выше для надежной работы релейной защиты и АИИС КУЭ. д) На ЛЭП 220 кВ предусматривается установка шкафов отбора напряжения или однофазных ТН для АПВ с контролем наличия напряжения и/или синхронизма, обоснованных проектной документацией |
17 | Расстановка ОПН | а) В цепях АТ должны быть установлены ОПН без коммутационных аппаратов между ними и защищаемым оборудованием. б) Необходимость установки ОПН на шинах (в ячейках ТН), а также на линейных присоединениях определяется сравнением расстояний по ошиновке от ОПН у силовых АТ до самого удаленного присоединения, с наибольшим допустимым расстоянием |
N п/п | Наименование показателя | Описание |
Общие показатели | ||
1 | Наименование и эскиз схемы | Полуторная схема ![]() |
2 | Номер схемы | |
3 | Область применения | РУ от 220 до 750 кВ |
4 | Тип подстанции | Узловая |
5 | Количество присоединений | Шесть и более |
6 | Этапность развития | - |
Условия обоснования и выбора | ||
7 | Основные условия применения | а) Узловая подстанция с количеством присоединений шесть и более. б) Нецелесообразно использовать иные схемы (трансформаторы-шины, трансформаторы-шины с полуторным присоединением линий); например, данная схема имела наибольшую эффективность на подстанции 750 кВ с тремя АТ и тремя линиями, на которой с позиций устойчивости недопустимо одновременно терять два АТ или две линии при отказе выключателя |
8 | Экономические критерии применения | Необходимо три выключателя на каждые два присоединения, поэтому схема достаточно затратная и должна требовать обоснования |
9 | Критерии надежности | а) При отказе выключателя со стороны сборных шин теряется не более одной линии или одного Т (АТ), что допустимо с позиций устойчивости. б) При отказах выключателей "среднего" ряда одновременно отключаются два присоединения, поэтому для основных сетей энергосистем 500 и 750 кВ необходима проверка сохранения устойчивости в энергосистеме при данных расчетных возмущениях, которые не должны сопровождаться работой ПА. в) Секционирование сборных шин в схеме 3/2 осуществляется в целях недопущения снижения максимально допустимых перетоков активной мощности в контролируемых сечениях и обеспечения надежности функционирования подстанции при возникновении аварийных возмущений. Необходимость секционирования определяется на основании результатов расчетов электрических режимов с учетом технико-экономических показателей соответствующей схемы РУ |
10 | Эксплуатационные критерии | в) Как следствие [перечисления а) и б)] минимизированы отказы по вине персонала |
11 | Техническая гибкость | Каждое присоединение подключается через развилку выключателей, что является дополнительным преимуществом схемы в ремонтных и послеаварийных режимах |
12 | Критерии безопасности | а) Электрооборудование, токоведущие части, изоляторы, крепления, ограждения, несущие конструкции, изоляционные и другие расстояния должны быть выбраны и установлены таким образом, чтобы: - вызываемые нормальными условиями работы электроустановки усилия, нагрев, электрическая дуга или иные сопутствующие ее работе явления (искрение, выброс газов и т.п.) не могли причинить вред обслуживающему персоналу, а также привести к повреждению оборудования и возникновению КЗ; - при выводе в ремонт какого-либо присоединения, относящиеся к нему аппараты, токоведущие части и конструкции могли подвергаться безопасному техническому обслуживанию и ремонту без нарушения нормальной работы соседних цепей; - при нарушении нормальных условий работы электроустановки была обеспечена необходимая локализация повреждений, обусловленных действием КЗ. б) Напряженность электрического и магнитного полей на маршрутах обхода для осмотра оборудования и на рабочих местах у оборудования, где возможно длительное присутствие персонала для проведения профилактических и ремонтных работ, не должна превышать допустимую. в) Должны быть выполнены требования нормативно-технических документов по электромагнитной совместимости |
Расстановка оборудования | ||
13 | Расстановка разъединителей | а) Во всех цепях РУ должна быть предусмотрена установка разъединяющих устройств с видимым разрывом, обеспечивающих возможность отсоединения всех аппаратов (выключателей с ТТ, ТН и т.д.) в каждой цепи со всех ее сторон, откуда может быть подано напряжение. б) Данное требование [перечисление а)] не распространяется на ВЧ-заградители и конденсаторы связи, ТН, устанавливаемые на отходящих линиях, а также ограничители перенапряжений, устанавливаемых на выводах Т (АТ) и на отходящих линиях. в) Видимый разрыв может отсутствовать в комплектных РУ заводского исполнения (в том числе с заполнением элегазом - КРУЭ) с выкатными элементами и/или при наличии надежного механического указателя гарантированного положения контактов. г) На разъединителях 110 кВ и выше предусматривается привод с дистанционным управлением. д) С учетом перечислений а) и б) разъединители устанавливаются: - в цепях линий, Т (АТ) и ТН электромагнитного типа на СШ; - с обеих сторон каждого выключателя |
14 | Расстановка стационарных заземлителей | а) Стационарные заземлители должны быть размещены так, чтобы были не нужны переносные заземления и чтобы персонал, работающий на токоведущих частях любых участков присоединений, был защищен заземлителями со всех сторон, откуда может быть подано напряжение. На случай отключения в процессе ремонта разъединителя с заземлителями или только заземлителя этого разъединителя должны быть предусмотрены заземлители у других разъединителей на данном участке схемы, расположенные со стороны возможной подачи напряжения. Поэтому на любых участках присоединений предусматривается установка двух заземлителей разных разъединителей. б) Каждая секция СШ 35 кВ и выше должна иметь два комплекта заземлителей. При наличии ТН заземления сборных шин следует осуществлять заземлителями разъединителей ТН. в) На заземлителях предусматривается привод с дистанционным управлением. г) С учетом перечислений а) и б) стационарные заземлители устанавливаются: - два комплекта на линейных разъединителях в полуторных цепочках и разъединителях ТН, подключенных к СШ; - один комплект на выходных линейных разъединителях со стороны присоединений, а также на шинных разъединителях со стороны присоединений |
15 | Расстановка ТТ | а) ТТ устанавливаются в каждом присоединении. Наиболее предпочтительными являются встроенные в оборудование ТТ (ТТ также необходимы в нейтралях трансформаторов 110 кВ и выше и АТ 220 кВ и выше). б) Может предусматриваться ТТ в цепи линии, для организации АИИС КУЭ, так как при его отсутствии включение на сумму токов двух измерительных трансформаторов повышает суммарную погрешность измерений электроэнергии. Последнее ведет к невозможности получения класса точности измерений выше, чем у контрагентов. в) При выборе количества вторичных обмоток ТТ должны учитываться следующие положения: - для подключения приборов коммерческого и/или технического учета электроэнергии используется отдельная вторичная обмотка ТТ, при этом также отдельная обмотка предусматривается для средств измерений (не входящих в АИИС КУЭ), т.е. отдельно друг от друга и от цепей защит; - основная и резервная защиты должны питаться от разных вторичных обмоток ТТ; - оно должно быть достаточным для присоединения к ним в общем случае основных и резервных защит двух элементов, например, ВЛ и СШ. г) При установке ТТ с меньшим количеством вторичных обмоток, чем требуется [перечисление б)], возникает необходимость в установке второго дополнительного ТТ. Он устанавливается с другой стороны выключателя. д) Расстановку ТТ относительно выключателей присоединений необходимо выполнять так, чтобы выключатели входили в зону дифференциальной защиты шин |
16 | Расстановка ТН | а) ТН устанавливают на каждой СШ, которая может работать раздельно. б) ТН предусматриваются с тремя вторичными обмотками, одна из которых предназначена для подключения приборов коммерческого и/или технического учета электроэнергии. в) При выборе ТН необходимо учитывать возможность возникновения феррорезонанса, рекомендуется применять антиферрорезонансные типы ТН. г) На ЛЭП 330 кВ и выше для резервирования защит по цепям напряжения устанавливаются два ТН. Два ТН рекомендуется устанавливать на сборных шинах 330 кВ и выше для надежной работы релейной защиты и АИИС КУЭ. д) На ЛЭП 220 кВ предусматривается установка шкафов отбора напряжения или однофазных ТН для АПВ с контролем наличия напряжения и/или синхронизма, обоснованных проектной документацией |
17 | Расстановка ОПН | а) В цепях АТ должны быть установлены ОПН без коммутационных аппаратов между ними и защищаемым оборудованием. б) Необходимость установки ОПН на шинах (в ячейках ТН), а также на линейных присоединениях определяется сравнением расстояний по ошиновке от ОПН у силовых АТ до самого удаленного присоединения, с наибольшим допустимым расстоянием |
N п/п | Наименование схемы | Номер схемы | Номер рисунка |
1 | Блок (линия-трансформатор) с разъединителем | ||
2 | Блок (линия-трансформатор) с выключателем | ||
3 | Два блока (линия-трансформатор) с выключателями и неавтоматической перемычкой со стороны линий | ||
4 | "Мостик" с выключателями в цепях линий и ремонтной перемычкой со стороны линии | ||
5 | "Мостик" с выключателями в цепях трансформаторов и ремонтной перемычкой со стороны трансформаторов | ||
6 | Одна рабочая секционированная выключателем СШ |






N п/п | Наименование схемы | Номер схемы | Номер рисунка |
1 | Блок (линия-трансформатор) с разъединителем | ||
2 | Блок (линия-трансформатор) с выключателем | ||
3 | Два блока (линия-трансформатор) с выключателями и неавтоматической перемычкой со стороны линий | ||
4 | "Мостик" с выключателями в цепях линий и ремонтной перемычкой со стороны линий | ||
5 | "Мостик" с выключателями в цепях трансформаторов и ремонтной перемычкой со стороны трансформаторов | ||
6 | "Заход-выход" | ||
7 | "Треугольник" | ||
8 | "Четырехугольник" | ||
9 | "Шестиугольник" | ||
10 | Одна рабочая секционированная выключателем СШ | ||
11 | Одна рабочая секционированная СШ с подключением трансформаторов через развилку из выключателей | ||
12 | Одна рабочая секционированная СШ с подключением ответственных присоединений через полуторную цепочку | ||
13 | Одна рабочая секционированная выключателем и обходная СШ | ||
14 | Одна рабочая секционированная выключателями и обходная СШ с подключением трансформаторов к обеим секциям шин через два выключателя | ||
15 | Две рабочие СШ | ||
16 | Две рабочие и обходная СШ | ||
17 | Две рабочие секционированные выключателями и обходная СШ с двумя обходными и двумя шиносоединительными выключателями |

















N п/п | Наименование схемы | Номер схемы | Номер рисунка |
1 | Блок (линия-трансформатор) с разъединителем | ||
2 | Блок (линия-трансформатор) с выключателем | ||
3 | Два блока (линия-трансформатор) с выключателями и неавтоматической перемычкой со стороны линий | ||
4 | "Мостик" с выключателями в цепях линий и ремонтной перемычкой со стороны линий | ||
5 | "Мостик" с выключателями в цепях трансформаторов и ремонтной перемычкой со стороны трансформаторов | ||
6 | "Заход-выход" | ||
7 | "Треугольник" | ||
8 | "Четырехугольник" | ||
9 | "Шестиугольник" | ||
10 | Одна рабочая секционированная СШ | ||
11 | Одна рабочая секционированная СШ с подключением трансформаторов через развилку из выключателей | ||
12 | Одна рабочая секционированная СШ с подключением ответственных присоединений через полуторную цепочку | ||
13 | Одна рабочая секционированная выключателем и обходная СШ | ||
14 | Одна рабочая секционированная выключателями СШ с подключением трансформаторов через развилку из выключателей | ||
15 | Две рабочие СШ | ||
16 | Две рабочие и обходная СШ | ||
17 | Две рабочие секционированные выключателями и обходная СШ с двумя обходными и двумя шиносоединительными выключателями | ||
18 | Трансформаторы-шины с полуторным присоединением линий | ||
19 | Полуторная схема |



















N п/п | Наименование схемы | Номер схемы | Номер рисунка |
1 | Блок (линия-трансформатор) с выключателем | ||
2 | "Треугольник" | ||
3 | "Четырехугольник" | ||
4 | "Шестиугольник" | ||
5 | Трансформаторы-шины с присоединением линий через два выключателя | ||
6 | Трансформаторы-шины с полуторным присоединением линий | ||
7 | Полуторная схема |







N п/п | Наименование схемы | Номер схемы | Номер рисунка |
1 | Блок (линия-трансформатор) с выключателем | ||
2 | "Треугольник" | ||
3 | "Четырехугольник" | ||
4 | Трансформаторы-шины с присоединением линий через два выключателя | ||
5 | Трансформаторы-шины с полуторным присоединением линий | ||
6 | Полуторная схема |






N п/п | Наименование схемы | Номер схемы | Номер рисунка |
1 | "Треугольник" | ||
2 | "Четырехугольник" | ||
3 | Трансформаторы-шины с присоединением линий через два выключателя | ||
4 | Трансформаторы-шины с полуторным присоединением линий | ||
5 | Полуторная схема |





N п/п | Наименование схемы | Номер схемы | Номер рисунка |
1 | Подключение ШР (УШР) к шинам РУ | - | |
2 | Подключение ШР (УШР) к РУ по схеме 12 (12Н) | - | |
3 | Подключение ШР (УШР) к РУ по схеме 13 | - | |
4 | Подключение ШР (УШР) к РУ по схеме 13Н (14) | - | |
5 | Подключение ШР (УШР) к РУ по схеме 16 (17) | - | |
6 | Подключение комплектной конденсаторной установки 35 кВ к шинам РУ | - | |
7 | Подключение ШКБ к шинам РУ | - | |
8 | Подключение ШКБ к РУ по схеме 12 (12Н) | - | |
9 | Подключение ШКБ к РУ по схеме 13 | - | |
10 | Подключение ШКБ к РУ по схеме 13Н (14) | - | |
11 | Подключение ШКБ к РУ по схеме 16 (17) | - | |
12 | Подключение ШР к обмотке низкого напряжения АТ | - | |
13 | Подключение ШР (УШР) к ВЛ через выключатель | - | |
14 | Подключение ШР (УШР) с компенсационным реактором к ВЛ через выключатель | - |














- | Трансформатор | |
- | Выключатель | |
- | Разъединитель с двумя заземляющими ножами | |
- | Разъединитель с одним заземляющим ножом | |
![]() | - | Нелинейный ограничитель перенапряжений |
- | Трансформатор тока | |
- | Трансформатор напряжения | |
- | Высокочастотный заградитель | |
- | Конденсатор связи | |
- | Шунтирующий реактор | |
![]() | - | Шунтовая конденсаторная батарея |
- | Заземлитель |

Приказ Минэнерго России от 3 августа 2018 г. N 630 "Об утверждении требований к обеспечению надежности электроэнергетических систем, надежности и безопасности объектов электроэнергетики и энергопринимающих установок "Методические указания по устойчивости энергосистем" | |
Правила устройства электроустановок (все действующие разделы ПУЭ-6 и ПУЭ-7) (утверждены приказом Минэнерго России от 8 июля 2002 г. N 204) |
УДК 621.3:006.354 | ОКС 27.010 |
Ключевые слова: схемы принципиальные, подстанция, распределительное устройство | |