Главная // Актуальные документы // ГОСТ Р (Государственный стандарт)СПРАВКА
Источник публикации
М.: ФГБУ "РСТ", 2022
Примечание к документу
Документ
введен в действие с 01.09.2022.
Название документа
"ГОСТ Р ИСО 2553-2022. Национальный стандарт Российской Федерации. Сварка и родственные процессы. Условные обозначения на чертежах. Сварные соединения"
(утв. и введен в действие Приказом Росстандарта от 30.06.2022 N 547-ст)
"ГОСТ Р ИСО 2553-2022. Национальный стандарт Российской Федерации. Сварка и родственные процессы. Условные обозначения на чертежах. Сварные соединения"
(утв. и введен в действие Приказом Росстандарта от 30.06.2022 N 547-ст)
Утвержден и введен в действие
агентства по техническому
регулированию и метрологии
от 30 июня 2022 г. N 547-ст
НАЦИОНАЛЬНЫЙ СТАНДАРТ РОССИЙСКОЙ ФЕДЕРАЦИИ
СВАРКА И РОДСТВЕННЫЕ ПРОЦЕССЫ
УСЛОВНЫЕ ОБОЗНАЧЕНИЯ НА ЧЕРТЕЖАХ
СВАРНЫЕ СОЕДИНЕНИЯ
Welding and allied processes.
Symbolic representation on drawings. Welded joints
(ISO 2553:2019, IDT)
ГОСТ Р ИСО 2553-2022
Дата введения
1 сентября 2022 года
1 ПОДГОТОВЛЕН Саморегулируемой организацией Ассоциация "Национальное Агентство Контроля Сварки" (СРО Ассоциация "НАКС") на основе собственного перевода на русский язык англоязычной версии стандарта, указанного в
пункте 4
2 ВНЕСЕН Техническим комитетом по стандартизации ТК 364 "Сварка и родственные процессы"
3 УТВЕРЖДЕН И ВВЕДЕН В ДЕЙСТВИЕ
Приказом Федерального агентства по техническому регулированию и метрологии от 30 июня 2022 г. N 547-ст
4 Настоящий стандарт идентичен международному стандарту ИСО 2553:2019 "Сварка и родственные процессы. Условные обозначения на чертежах. Сварные соединения" (ISO 2553:2019 "Welding and allied processes - Symbolic representation on drawings - Welded joints", IDT).
Международный стандарт разработан Техническим комитетом ISO/TC 44 "Сварка и родственные процессы", подкомитетом SC 7 "Обозначения и термины".
При применении настоящего стандарта рекомендуется использовать вместо ссылочных международных стандартов соответствующие им национальные стандарты, сведения о которых приведены в дополнительном
приложении ДА
Правила применения настоящего стандарта установлены в статье 26 Федерального закона от 29 июня 2015 г. N 162-ФЗ "О стандартизации в Российской Федерации". Информация об изменениях к настоящему стандарту публикуется в ежегодном (по состоянию на 1 января текущего года) информационном указателе "Национальные стандарты", а официальный текст изменений и поправок - в ежемесячном информационном указателе "Национальные стандарты". В случае пересмотра (замены) или отмены настоящего стандарта соответствующее уведомление будет опубликовано в ближайшем выпуске ежемесячного информационного указателя "Национальные стандарты". Соответствующая информация, уведомление и тексты размещаются также в информационной системе общего пользования - на официальном сайте Федерального агентства по техническому регулированию и метрологии в сети Интернет (www.rst.gov.ru)
Настоящий стандарт устанавливает правила обозначения сварных соединений на технических чертежах. Они могут включать информацию о геометрии, производстве, качестве и испытаниях сварных швов. Положения настоящего стандарта могут применять и к соединениям, полученным пайкой твердым или мягким припоем.
На мировом рынке существуют два различных способа обозначения на чертежах стороны указанной стрелкой и обратной стороны. В настоящем стандарте:
- пункты, таблицы и рисунки с буквой "A" применимы только к системе условного обозначения, основанной на двойной линии полки;
- пункты, таблицы и рисунки с буквой "B" применимы только к системе условного обозначения, основанной на одинарной линии полки;
- пункты, таблицы и рисунки, не имеющие букв "A" или "B" применимы к обеим системам.
Обозначения, определяемые настоящим стандартом, допускается комбинировать с другими обозначениями, применяемыми на технических чертежах, например с обозначениями требований к чистовой обработке поверхности.
Представлен также альтернативный метод условного обозначения, который допускается применять для обозначения сварных соединений на чертежах, указав необходимую информацию о конструкции, такую как размеры сварного шва, уровни качества и т.д. Подготовка соединения и процесс(ы) сварки определяются производственным подразделением для соответствия установленным требований.
Примечание - Приведенные в настоящем стандарте примеры, включая размеры, являются поясняющими и предназначены для демонстрации применения положений.
В настоящем стандарте использованы нормативные ссылки на следующие стандарты [для недатированных ссылок применяют последнее издание ссылочного стандарта (включая все изменения)]:
ISO 128 (all parts), Technical drawings - General principles of presentation (Технические чертежи. Основные положения)
ISO 129-1, Technical product documentation (TPD) - Presentation of dimensions and tolerances - Part 1: General principles (Техническая документация на продукцию. Указание размеров и допусков. Часть 1. Основные положения)
ISO 3098-2, Technical product documentation - Lettering - Part 2: Latin alphabet, numerals and marks (Техническая документация на продукцию. Надписи. Часть 2. Латинский алфавит, цифры и знаки)
ISO 4063, Welding and allied processes - Nomenclature of processes and reference numbers (Сварка и родственные процессы. Перечень и условные обозначения процессов)
ISO/TR 25901 (all parts), Welding and related processes - Vocabulary (Сварка и родственные процессы. Словарь)
В настоящем стандарте применены термины в соответствии с ISO/TR 25901 (все части), а также следующие термины с соответствующими определениями.
ИСО и МЭК поддерживают терминологические базы данных для использования в стандартизации по следующим адресам:
- платформа онлайн-просмотра ИСО: доступна по адресу http://www.iso.org/obp;
- Электропедия МЭК: доступна по адресу http://www.electropedia.org/.
3.1
условное обозначение сварного соединения (welding symbol): Обозначение, состоящее из линии стрелки
(3.3) и линии полки
(3.4), которое может включать начальные обозначения
(3.8) и вспомогательные обозначения
(3.9), размеры и/или "хвост", применяемые на технических чертежах.
3.2
основное условное обозначение сварного соединения (basic welding symbol): Обозначение, состоящее из линии стрелки
(3.3), линии полки
(3.4) и "хвоста", применяемое тогда, когда сварное соединение точно не определено, а только указано, что оно должно быть выполнено.
3.3
линия стрелки (arrow line): Выносная линия, применяемая для указания соединения, которое должно быть выполнено, обычно вычерчиваемая под углом 135° к линии полки
(3.4).
3.4
линия полки (reference line): Часть условного обозначения сварного соединения
(3.1), представляющая линию, на которой расположены начальные обозначения
(3.8), обычно вычерчиваемая параллельно нижнему краю чертежа.
3.5
"хвост" (tail): V-образный элемент, добавляемый на конце линии полки
(3.4) противоположном линии стрелки
(3.3).
3.6
сторона, указанная стрелкой (arrow side): Сторона соединения, на которую указывает линия стрелки
(3.3).
3.7
обратная сторона (other side): Сторона соединения, противоположная стороне, указанной линией стрелки
(3.6).
3.8
начальное обозначение (elementary symbol): Обозначение, образующее часть условного обозначения сварного соединения
(3.1) и расположенное на линии полки
(3.4) для указания типа сварного шва и подготовки соединения.
3.9
вспомогательное обозначение (supplementary symbol): Обозначение, применяемое в сочетании с начальными обозначениями
(3.8) для указания добавочной информации о соединении.
3.10
дополнительная информация (complementary information): Информация, не содержащая обозначения и относящаяся к выполнению сварных швов, которая может быть включена в "хвост"
(3.5) условного обозначения сварного соединения
(3.1).
3.11
прерывистый шов (intermittent weld): Ряд участков сварного шва, выполненных с промежутками по длине соединения.
[ISO/TR 25901-1:2016, 2.1.6.15]
Примечание 1 - См.
5.3.2.
3.11.1
цепной прерывистый шов (chain intermittent weld): Двусторонний прерывистый шов
(3.11), у которого заваренные участки с обеих сторон расположены друг против друга вдоль соединения.
Примечание 1 - Как правило, это угловые швы в тавровых и нахлесточных соединениях.
[ISO/TR 25901-1:2016, 2.1.6.17, изменено - примечание 2 адаптировано]
3.11.2
шахматный прерывистый шов (staggered intermittent weld): Двусторонний прерывистый шов
(3.11), у которого заваренные с одной стороны участки находятся напротив незаваренных участков с обратной стороны
(3.7) вдоль соединения.
Примечание 1 - Как правило, это угловые швы в тавровых и нахлесточных соединениях.
[ISO/TR 25901-1:2016, 2.1.6.16, изменено - примечание 2 адаптировано]
3.12
смещение (offset): Расстояние между началом сварки на лицевой стороне шахматного прерывистого шва
(3.11.2) и началом сварки на обратной стороне
(3.7).
3.13 подварочный валик (Нрк. уплотняющий валик) (back run): Последний валик, наплавляемый со стороны корня сварного шва.
[ISO/TR 25901-1:2016, 2.1.8.21]
3.14 подварочный шов (backing weld): Подварка в виде сварного шва.
3.15 номинальная длина сварного шва (nominal weld length): Расчетная длина сварного шва.
Примечание 1 - Номинальная длина сварного шва - это длина, на которой сварной шов имеет номинальный размер.
3.15.1 номинальная длина участков сварного шва (nominal length of weld elements): Номинальная длина каждого участка сварного шва (для прерывистых швов).
Примечание 1 - Номинальная длина сварного шва - это длина, на которой сварной шов имеет номинальный размер.
3.16 номинальная толщина углового шва a (nominal throat thickness): Расчетное значение высоты наибольшего равнобедренного треугольника, который можно вписать в сечение углового шва.
Примечание 1 - Если указаны другие номинальные толщины углового шва, например угловые швы с различными катетами шва (см.
таблицу 6, N 2.3), их необходимо четко указывать. В таких случаях обозначение
a не используют.
[ISO/TR 25901-1:2016, 2.1.7.8, изменено - добавлено обозначение a. Примечание 1 изменено]
3.17 катет углового шва z (leg length): Расстояние от фактического или предполагаемого пересечения расплавляемых поверхностей до границы углового шва на расплавляемой поверхности.
[ISO/TR 25901-1:2016, 2.1.7.5, изменено - добавлено обозначение z]
3.18 толщина проплавления (Нрк. толщина сваренного металла) (penetration depth, deposit thickness): Толщина металла шва, исключая любую выпуклость.
[ISO/TR 25901-1:2016, 2.1.7.4]
3.19 толщина углового шва с глубоким проплавлением s (deep penetration throat thickness): Номинальная толщина углового шва или эффективная толщина углового шва с добавлением некоторой величины глубины проплавления.
[ISO/TR 25901-1:2016, 2.1.7.9, изменено - добавлено обозначение s. Примечание 1 удалено]
3.20 шов между закругленной и плоской деталями (flare-bevel weld): Стыковой шов между двумя деталями, у которых поверхность у одной закруглена, а у другой плоская.
[ISO/TR 25901-1:2016, 2.1.6.18]
3.21 шов между двумя закругленными деталями (flare-V weld): Стыковой шов между двумя деталями с закругленными поверхностями.
[ISO/TR 25901-1:2016, 2.1.6.19]
3.22 монтажный шов (field weld): Сварной шов, выполняемый за пределами цеха, как правило, на месте монтажа конструкции.
[ISO/TR 25901-1:2016, 2.1.8.40]
3.23 столбчатый шов (stake weld): Сварной шов таврового соединения, полученный при воздействии лазерного или электронного луча от горизонтального листа/фланца к вертикальному листу/стенке.
Примечание 1 - Вертикальные листы могут быть различной формы, например рифленые панели и гофрированные листы.
4 Условное обозначение сварного соединения
Линия полки и линия стрелки являются обязательными элементами. Для передачи специальной информации могут быть включены дополнительные элементы.
Условное обозначение сварного соединения рекомендуется располагать на той стороне соединения, где расположен шов, т.е. со стороны, указанной стрелкой (см.
4.7).
Толщины линии стрелки, линии полки, начальных обозначений и надписей должны соответствовать ИСО 128 (все части) и ИСО 3098-2.
Ссылки следует приводить в примечаниях к чертежу или в другой проектной документации, чтобы не перегружать чертеж.
4.2 Основное условное обозначение сварного соединения
Если детали соединения точно не определены и единственным требованием является то, что соединение должно быть сварным, применяют основное условное обозначение, показанное на
рисунке 1. В данном случае для системы
A (см.
4.7.1 A) не требуется двойной линии полки, поскольку характеристики сварного шва не указывают.
Основное условное обозначение сварного соединения должно включать линию стрелки, линию полки и "хвост".
1 - линия стрелки; 2 - линия полки; 3 - "хвост"
Примечание - Данное обозначение часто применяют для указания расположения прихваток.
Рисунок 1 - Основное условное обозначение сварного
соединения (характеристики и тип соединения не определены)
4.3 Системы условных обозначений сварного соединения
Настоящий стандарт устанавливает две различные системы - A и B, для стороны, указанной стрелкой и обратной стороны, обозначенные на чертежах.
Система A основана на двойной линии полки, состоящей из сплошной и штриховой линий (см.
4.7).
Система B основана на одной линии полки (см.
4.7).
Разделы, таблицы и рисунки с буквами "A" или "B" применяют только к системе A или системе B соответственно.
Разделы, таблицы и рисунки без букв применимы к обеим системам.
Системы A и B не следует совмещать, на чертежах должно быть указано, какая система применена, включая единицы измерения в соответствии с ИСО 129-1.
Примеры подробных условных обозначений сварного соединения, показывающие положение элементов, приведены на
рисунке A.1.
4.4 Начальные обозначения
4.4.1 Общие положения
Начальные обозначения в соответствии с
таблицей 1 могут быть добавлены к линии полки в системах A и B для указания типа сварного шва, который должен быть выполнен.
Начальные обозначения являются частью условного обозначения сварного соединения и должны быть размещены на линии полки, обычно в ее середине.
Начальные обозначения могут быть дополнены:
- дополнительной информацией.
Положение начальных обозначений должно соответствовать
таблицам 1 -
3.
В
приложении B приведены указания по допускам и обозначения для стыковых, торцевых и угловых соединений.
Если привести пояснения с помощью обозначений невозможно, может быть дано поперечное сечение сварного шва с размерами.
Таблица 1
N | Наименование (тип сварного шва) | Изображение типа сварного шва (штриховые линии показывают подготовку соединения к сварке) | |
| Стыковой шов без скоса кромок <b> | | |
2 | Стыковой шов с односторонней V-образной разделкой двух кромок <b> | | |
3 | Стыковой шов с односторонней V-образной разделкой и притуплением двух кромок <b> | | |
| Стыковой шов с односторонней V-образной разделкой одной кромки <b> | | |
5 | Стыковой шов с односторонней V-образной разделкой и притуплением одной кромки <b> | | |
6 | Стыковой шов с односторонней U-образной разделкой двух кромок <b> | | |
7 | Стыковой шов с односторонней J-образной разделкой одной кромки <b> | | |
8 | Шов между двумя закругленными деталями | | |
9 | Шов между закругленной и плоской деталями | | |
| Угловой шов | | |
11 | Пробочный шов | | |
12.1 | Точечный при контактной сварке сопротивлением <c> | | |
12.2 | Шов контактной рельефной сварки | | Система A |
Система B |
13 | Точечный при сварке плавлением | | |
14 | Роликовый при контактной шовной сварке <c> | | |
15 | Роликовый при сварке плавлением | | |
16 | Приварка шпильки | | |
17 | Стыковой шов с односторонней V-образной крутой разделкой двух кромок <b> (в узкую разделку) | | |
18 | Стыковой шов с односторонней V-образной крутой разделкой одной кромки <b> (в узкую разделку) | | |
| | | |
20.1 | Стыковой шов с отбортовкой кромок (см. также таблицу 4) | | |
20.2 | Угловой шов с отбортовкой кромок | | |
21 | Наплавка | | |
22 | | | |
<a> Серая линия не является частью обозначения. Она указывает положение линии полки. <b> Стыковые швы являются сварными швами с полным проплавлением, если отсутствуют иные указания по размерам на обозначении сварного соединения или ссылки на другую информацию, например на технические требования к процедуре сварки WPS. <c> Обозначение допускается применять для соединения двух и более стержней. |
4.4.2 Комбинации начальных обозначений
Начальные обозначения допускается комбинировать для обозначения конкретного сварного соединения.
4.4.3 Двусторонние стыковые швы
Если начальные обозначения использованы для обозначения двусторонних стыковых швов, их следует располагать друг напротив друга на линии полки, включая всю необходимую информацию,
В случае симметричных двусторонних сварных швов с одинаковыми обозначениями и размерами, штриховую линию полки для системы A следует удалить (см.
таблицу 2).
Пример асимметричного двустороннего сварного шва показан в
таблице A.3.
Таблица 2
Комбинированные начальные обозначения
для симметричных двусторонних сварных швов
N | Тип сварного шва | Изображение сварного шва <b> | |
1 | Стыковой шов с двусторонней V-образной разделкой двух кромок | | |
2 | Стыковой шов с двусторонней V-образной разделкой одной кромки | | |
3 | Стыковой шов с двусторонней U-образной разделкой двух кромок | | |
4 | Стыковой шов двусторонний с разделкой двух кромок (с широким притуплением) и угловые швы | | или |
<a> Сварные швы могут быть с полным или неполным проплавлением, на что указывают размеры на условном обозначении сварного соединения (см. таблицу 6, N 1.1, 1.2) или ссылка на другую информацию, например на технические требования к процедуре сварки WPS. <b> Серая линия не является частью обозначения. Она указывает положение линии полки. |
4.5 Вспомогательные обозначения
4.5.1 Общие положения
Для добавочной информации о требуемом соединении применяют вспомогательные обозначения в соответствии с таблицей 3. Вспомогательные обозначения могут содержать информацию о форме сварного шва или способе выполнения сварного соединения.
Таблица 3
Вспомогательные обозначения
N | Наименование | | | Изображение шва |
1 | Выпуклость снята (плоский) <b> | | | |
2 | | | | |
3 | | | | |
4 | Лицевая поверхность шва с плавным переходом <c> | | | Нет примера |
5 | a) Подварочный шов <d> (выполнен после стыкового шва с односторонней V-образной разделкой двух кромок) | | | |
b) Корневой шов <d> (выполнен до стыкового шва с односторонней V-образной разделкой двух кромок) | |
6 | Выпуклость корня шва (стыковые швы) <e> | | | |
7a | Подкладка (не определена) | | | |
7b | | |
7c | Съемная/временная подкладка <f> | |
8 | | | | |
9 | | | | a) соединение со вставкой |
b) сварное соединение с корневым валиком (вставка включена в корень шва). Стыковой шов с односторонней V-образной разделкой двух кромок не показан |
10 | Сварка по замкнутому контуру | | | Пример A |
Пример B |
Пример C |
11 | Шов между двумя точками (см. 4.5.3) | | или или | |
12 | Монтажный шов | | | Нет примера |
| Шахматные прерывистые швы <h> | | или | |
<a> Серая линия не является частью обозначения. Она только указывает положение относительно линии полки и/или линии стрелки. <b> Сварные швы, имеющие плоскую, выпуклую или вогнутую лицевую поверхности без обработки после сварки, задаются с помощью обозначений плоской, выпуклой или вогнутой форм. Сварные швы, имеющие обработанную заподлицо, выпуклую или вогнутую лицевую поверхности с применением обработки после сварки или требующие плоской, но не обработанной заподлицо поверхности, задаются с помощью дополнительной информации, например добавления примечания в "хвосте" обозначения сварного соединения. Допускается использовать другие обозначения в соответствии с ИСО 1302 для определения обработки поверхности. <c> Кромки лицевой поверхности швов должны быть сглажены при сварке или обработке. Допускается устанавливать детали обработки в рабочих инструкциях или в технических требованиях к процедуре сварки WPS. <d> Последовательность выполнения проходов может быть указана на чертеже, например с помощью нескольких линий полки, примечанием в "хвосте" или ссылкой на технические требования к процедуре сварки. <e> В системе B также используют для обозначения соединения с отбортовкой кромок/угловых сварных швов (см. 4.5.6). <f> M - материал, из которого будет изготовлено окончательное сварное соединение; MR - материал, который будет удален после сварки. Дополнительную информацию о материале допускается включать в "хвост" или другое место. <g> Материал и размеры плавящейся вставки или разделителя могут быть указаны в "хвосте" обозначения или на чертеже. <h> Пояснения a, z, n, l и ( e) приведены в разделе 5. |
4.5.2 Обозначения сварки по замкнутому контуру
Обозначение сварки по замкнутому контуру, добавленное в место соединения стрелки с линией полки, допускается использовать для обозначения непрерывной сварки, односторонней или двусторонней, продолжающейся вокруг серии связанных соединений (см.
таблицу 3).
Серия соединений может иметь различные указания и лежать в нескольких плоскостях, но сварной шов должен всегда быть одного и того же типа и размера.
Обозначение сварки по замкнутому контуру не применяют, если:
a) сварной шов начинается и заканчивается не в одной точке, т.е. не является непрерывным (см.
4.5.3);
b) изменяется тип сварного шва, например с углового на стыковой;
c) изменяется размер сварного шва, например номинальная толщина углового шва. В этом случае каждый сварной шов должен иметь отдельное условное обозначение сварного соединения.
Примечание - Обозначение сварки по замкнутому контуру не применяют для указания того, что швы должны быть выполнены везде.
Сварные швы, выполняемые по окружности круглого сечения/отверстия или продолговатого отверстия (прорези), не требуют применения обозначения сварки по замкнутому контуру для обозначения непрерывного шва.
4.5.3 Сварные швы одного типа, выполненные от точки к точке
Обозначение сварного шва между двумя точками допускается применять для обозначения непрерывного шва (остановка и возобновление разрешены, если не указано иное) одного типа, выполняемого между двумя точками. В этом случае сварной шов начинается и заканчивается не в одной и той же точке, применять обозначение сварки по замкнутому контуру не следует (см.
4.5.2). Конечные точки сварного шва должны быть четко указаны, а обозначение сварки по замкнутому контуру должно четко указывать на сварное соединение, которое необходимо выполнить.
На
рисунке 2 приведен пример того, как такой сварной шов обозначается с помощью одного условного обозначения сварного соединения.
4.5.4 Монтажные швы
Монтажные сварные швы следует обозначать добавлением обозначения монтажного шва в место соединения линии стрелки и линии полки (см.
таблицу 3). Обозначение располагают перпендикулярно к линии полки и над линией полки. Это обозначение добавляют в полное условное обозначение сварного соединения.
4.5.5 Выпуклость корня шва - стыковые односторонние швы
Обозначение выпуклости корня шва следует применять при одностороннем стыковом соединении с полным проплавлением и установленном минимальном размере выпуклости корня шва (см.
рисунок 3).
Обозначение выпуклости корня шва следует располагать напротив начального обозначения и с другой стороны линии полки.
4.5.6 Сварные швы стыковых и угловых соединений с отбортовкой кромок
Для сварных швов стыковых и угловых соединений с отбортовкой кромок применяют обозначения в соответствии с
таблицей 4.
1 - условное обозначение сварного соединения;
2 - изображение (сварка выполнена в соответствии
с условным обозначением сварного соединения);
A, B - конечные положения сварки
(при наличии требований, необходимо обозначить)
Примечание 1 - От точки B до точки A сварного шва нет (угловой шов невозможен).
Примечание 2 - Допускается использовать любой идентификатор для обозначения конечных положений сварного шва, например A, B и X, У и т.д.
Рисунок 2 - Пример условного обозначения сварного соединения
для углового шва, выполненного между двумя точками A и B
Рисунок 3 - Пример сварного шва
с установленной выпуклостью корня
Таблица 4
Сварные швы стыковых и угловых соединений
с отбортовкой кромок
N | Тип сварного шва | Условное обозначение сварного соединения в системе A | Изображение шва | Условное обозначение сварного соединения в системе B |
Стыковые соединения с отбортовкой кромок |
1 | Торцевой | | | |
2 | Стыковой с отбортовкой | | | |
Угловые соединения с отбортовкой кромок |
3 | Торцевой | | | |
4 | Угловой с отбортовкой | | | |
4.6.1 Общие положения
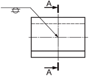
Линию стрелки применяют для указания того, что данное соединение должно быть сварным.
Линия стрелки должна:
- указывать на сплошную линию, обозначающую часть соединения на чертеже (видимая линия) и касаться ее;
- вычерчиваться под углом к линии полки, касаться ее и завершаться стрелкой, закрытой и закрашенной.
Линия стрелки может быть присоединена к любому концу линии полки.
4.6.2 Несколько линий стрелки
Две и более линий стрелки допускается комбинировать с одной линией полки для указания расположения идентичных сварных швов (см. рисунок 4).
Рисунок 4 - Примеры применения нескольких линий стрелки
4.6.3 Ломаная линия стрелки
Для стыковых швов при сварке листов (за исключением T-образных соединений), когда требуется подготовить конкретный элемент соединения (например, односторонние стыковые сварные швы со скосом одной кромки или с J-образной кромкой), применяют ломаную линию стрелки, указывающую на элемент соединения.
Линию стрелки не требуется выполнять ломаной, если она очевидна или не задана подготовка одного из элементов соединения.
Примеры применения ломаных линий стрелки приведены в
таблице A.1.
4.7 Линия полки и расположение сварного шва
4.7.1 Линия полки
Линию полки в сочетании с начальными обозначениями применяют для указания стороны соединения, на которой следует выполнять сварной шов.
Примечание - Линию полки допускается чертить параллельно правому краю чертежа (условное обозначение сварного соединения поворачивают на 90°), но только в случае, если место на чертеже не позволяет провести линию полки параллельно нижнему краю.
4.7.1A Линия полки. Система A Линия полки состоит из двух параллельных линий равной длины: сплошной и штриховой (см. примеры в приложении A). Штриховую линию допускается проводить выше или ниже сплошной линии, но предпочтительно ниже. Штриховую линию не проводят для симметричных швов и для точечных и роликовых швов, выполненных по стыку между двумя деталями. | 4.7.1B Линия полки. Система B |
4.7.2 Расположение сварного шва
4.7.2.1 Сторона, указанная стрелкой/обратная сторона
Сторона стрелки является стороной соединения, на которую указывает стрелка (см.
таблицу 5).
Обратная сторона является стороной, противоположной стороне соединения, на которую указывает стрелка. Сторона, указанная стрелкой, и обратная сторона всегда образуют часть одного и того же соединения.
Обратную сторону соединения не следует путать со скрытой частью другого соединения, образующей сварной шов.
Примеры обозначения швов со стороны, указанной стрелкой, и обратной стороны соединения приведены в
таблице A.2.
4.7.2.1A Сторона, указанная стрелкой/обратная сторона. Система A Начальные обозначения располагают на сплошной линии, если сварной шов выполняют на стороне соединения, указанной стрелкой. Начальные обозначения располагают на штриховой линии, если сварной шов выполняют на обратной стороне соединения. | 4.7.2.1B Сторона, указанная стрелкой/обратная сторона. Система B Начальные обозначения располагают ниже линии полки, если сварной шов выполняют на стороне соединения, указанной стрелкой. Начальные обозначения располагают выше линии полки, если сварной шов выполняют на обратной стороне соединения. |
Таблица 5
Примеры условных обозначений сварного соединения на стороне,
указанной стрелкой и на обратной стороне
Расположение шва | Система A | Сварной шов, выполненный с использованием четырех вариантов | Система B |
Сторона соединения, указанная стрелкой | Обозначение на сплошной линии полки | | Обозначение под линией полки |
Обратная сторона | Обозначение на штриховой линии полки | Обозначение на линии полки |
Примечание 1 - В системе A линия полки, на которой расположено начальное обозначение, определяет сторону соединения, подлежащего сварке, штриховую линию допускается провести выше или ниже сплошной линии. Примечание 2 - В системе B положение начального обозначения под линией полки или на ней определяет сторону соединения, подлежащего сварке. |
4.7.2.2 Пробочный, точечный, роликовый и рельефный сварные швы
Линия стрелки должна указывать на лицевую поверхность одного из элементов соединения на средней линии требуемого сварного шва.
Для сварных швов, выполненных на стыке двух элементов, начальное обозначение располагают по центру линии полки (см.
таблицу A.2) независимо от стороны указанной стрелкой/обратной стороны. В этом случае штриховую линию полки в системе A обозначения сварного соединения можно опустить.
4.7.2.2A Рельефные швы. Система A Линия стрелки указывает на лист с рельефом, а начальное обозначение следует располагать по центру линии полки (см. таблицу A.2). Процесс рельефной сварки обозначают, например в "хвосте" (например, ИСО 4063 процесс 23 или ИСО 4063-23). | 4.7.2.2B Рельефные швы. Система B Линия стрелки указывает на свариваемые листы, а начальное обозначение следует располагать выше или ниже линии полки, чтобы показать, какой из листов с рельефом (см. таблицу A.2). Процесс рельефной сварки обозначают, например, в "хвосте" (например, PW). |
4.7.3 Несколько линий полки
Допускается использовать две и более линий полки для указания ряда операций. Первая операция должна быть указана на линии полки, ближайшей к стрелке. Последующие операции следует указывать последовательно на других линиях полки (см.
рисунок 5).
Для соединений с разделителями обозначение разделителя располагают на линии полки, ближайшей к стрелке
Примечание - Для соединений, требующих несколько типов сварных швов, допускается применять комбинированные обозначения (см.
таблицу 2).
1 - первая операция; 2 - вторая операция;
3 - третья операция
Примечание - 1, 2 и 3 показаны для обозначения порядка выполнения сварочных операций, на чертежах их не показывают.
Рисунок 5 - Несколько линий полки
"Хвост" является необязательным элементом, который может быть добавлен в конце сплошной линии полки (см.
рисунок 6), если включена дополнительная информация как часть условного обозначения сварного соединения, например:
a) уровень качества, например, в соответствии с ИСО 5817, ИСО 10042, ИСО 13919 и т.д.;
b) процесс сварки, например, номер в соответствии с ИСО 4063 или аббревиатура;
c) присадочный материал, например, в соответствии с ИСО 14171, ИСО 14341 и т.д.;
d) положение при сварке, например, в соответствии с ИСО 6947;
e) дополнительная информация, которую следует учитывать при выполнении соединения.
Информацию указывают и отделяют знаком "/" [см.
рисунок 6 a)].
Закрытый "хвост" следует применять только для указания ссылки на конкретную инструкцию, например ссылку на технические требования к процедуре сварки WPS, протокол аттестации процедуры сварки WPQR или другой документ [см.
рисунок 6 b)].
Необходимо избегать дублирования дополнительной информации обозначениями на чертеже. Вместо этого дают одно общее примечание на чертеже.
Рисунок 6 - Примеры применения "хвоста"
для условных обозначений сварного соединения
Размеры указывают на той же стороне линии полки, что и соответствующее начальное обозначение (см.
таблицу 6 и
рисунок A.1).
На чертежах четко указывают единицы измерения. Следует избегать двойных единиц измерения. Если необходимо показать перевод из одной системы измерений в другую, то на чертеже следует поместить таблицу переводов.
5.2 Размеры поперечного сечения
Размеры поперечного сечения располагают слева от начального обозначения. Буквы должны соответствовать размерам поперечного сечения угловых швов (см.
5.5).
5.3.1 Общие положения
Номинальные размеры длины сварного шва указывают справа от начального обозначения.
При отсутствии размера длины, сварной шов должен быть непрерывным по всей длине соединения, за исключением случаев, когда используют обозначение сварного шва от точки к точке, где сварной шов выполнен только между двумя определенными точками.
Начальная и конечная точки швов, непрерывных по всей длине соединения, не должны быть частью условного обозначения сварного соединения, но должны быть четко указаны на чертеже.
5.3.2.1 Общие положения
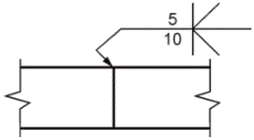
Размеры прерывистых швов располагают справа от начального обозначения (см.
таблицу 6):
a) количество участков шва n;
b) длина каждого участка шва l;
c) расстояние между участками шва e (в скобках).
Между числом участков n и длиной участков l ставят знак умножения. Если число участков шва не указано, прерывистый шов выполняют по всей длине соединения.
Примечание - Другие методы, применяемые в странах Тихоокеанского бассейна для обозначения прерывистых швов, показаны в
приложении C.
5.3.2.2 Цепные прерывистые швы
Для цепных прерывистых швов, выполненных с обеих сторон соединения, включают всю информацию.
5.3.2.3 Шахматные прерывистые швы
Шахматные прерывистые швы, выполненные с обеих сторон соединения, обозначают
Z по линии полки (см.
таблицу 3, N 13) и включают всю информацию. При отсутствии информации о смещении, центры свариваемых участков на одной стороне соединения должны соответствовать центрам промежутков на противоположной стороне соединения. В ином случае смещение следует устанавливать в "хвосте" обозначения или другом месте.
5.3.2.4 Объем сварки
Дополнительные длины сварных швов на концах прерывистых швов устанавливают с применением отдельных обозначений сварного соединения.
На чертеже должны быть заданы незаваренные длины участков на концах прерывистых швов.
5.4.1 Глубина проплавления
Значение требуемой глубины проплавления должно быть расположено слева от начального обозначения (см.
таблицу 6, N 1).
Если размеры поперечного сечения сварных швов не установлены, стыковые швы всегда должны быть с полным проплавлением.
Если геометрия соединения или подготовка соединения под сварку не установлены, допускается использовать для представления стыковых швов на чертежах альтернативное обозначение с указанием требуемого качества шва, см.
раздел 7.
Если установлена выпуклость корня шва, минимальный размер этой выпуклости следует располагать слева от обозначения выпуклости корня шва (см.
рисунок 3).
В двусторонних сварных швах размеры каждого шва должны быть указаны отдельно.
Примечание - Для симметричных стыковых швов с полным проплавлением размеры не указывают.
5.4.3 Стыковые швы с отбортовкой кромок
Стыковые швы с отбортовкой кромок всегда являются швами с полным проплавлением (отбортованные кромки полностью проплавляют). Для этих швов размеры не указывают.
5.4.4 Шов между двумя закругленными деталями и шов между закругленной и плоской деталями
Для шва между двумя закругленными деталями и шва между закругленной и плоской деталями всегда указывают размеры. Примеры простановки размеров для таких типов швов, приведены в
таблице 6, N 1.6 и
N 1.7.
5.5.1 Размер шва
Буквы номинальной толщины шва
a или катета
z располагают перед размером слева от начального обозначения (см.
таблицу 6, N 2.1).
Для угловых швов с различными катетами включают размеры каждого катета с буквой
z, например
z14
z28 (см.
таблицу 6, N 2.3). Если требуемые длины катетов невозможно определить с помощью условного обозначения сварного соединения, то на чертеже или в других документах представляют дополнительные рисунки или указания.
Для угловых швов, выполненных с обеих сторон соединения, размеры обоих швов указывают и для идентичных (симметричных) сварных швов.
5.5.2 Угловые швы с глубоким проплавлением
Букву
s необходимо поместить перед требуемой толщиной сварного шва с глубоким проплавлением. Ее проставляют перед номинальной толщиной шва
a и его размером, как показано в
таблице 6, N 2.2.
5.6 Пробочные швы в круглые отверстия
Значение диаметра
d следует располагать перед требуемым диаметром сварной пробки на сопрягаемой при сварке поверхности и слева от обозначения шва (см.
таблицу 6, N 3).
Если при сварке пробочными швами отверстие должно заполняться наплавленным металлом не полностью, то глубину заполнения указывают в начальном обозначении. Если размер глубины не задан, сварная пробка должна полностью заполнить отверстие (см.
таблицу 6, N 3.1 и
N 3.2).
Пробочные швы в круглые отверстия обозначают дополнительно числом и межцентровым расстоянием справа от начального обозначения (см.
таблицу 6, N 3.3).
Примечание - Обозначение пробочного шва не используют для обозначения угловых швов в отверстия (прорезных швов).
5.7 Пробочные швы в продолговатые отверстия (прорези)
Обозначение ширины
c располагают перед требуемой шириной продолговатого отверстия на сопрягаемой при сварке поверхности слева от обозначения шва (см.
таблицу 6, N 4). Положение продолговатых отверстий указывают на чертеже или в другом месте.
Если при сварке продолговатое отверстие должно заполняться наплавленным металлом не полностью, то глубину заполнения указывают внутри начального обозначения (см.
таблицу 6, N 4.2). Если размер глубины заполнения не указан, то продолговатое отверстие должно заполняться полностью.
Пробочные швы в продолговатые отверстия дополнительно обозначают числом, длиной и расстоянием между центрами сварных швов справа от начального обозначения (см.
таблицу 6, N 4.3).
Примечание - Обозначение пробочного шва не применяют для обозначения угловых швов в продолговатые отверстия (прорезных швов).
Значение требуемого диаметра точечного шва
d следует располагать слева от обозначения точечного шва (см.
таблицу 6, N 5).
Сварные швы в серии обозначают количеством и расстоянием между швами справа от начального обозначения (см.
таблицу 6, N 5.1 и
N 5.2).
Требуемое значение ширины шва
c на сопрягаемой при сварке поверхности должно быть расположено слева от обозначения роликового шва (см.
таблицу 6, N 6).
Прерывистые швы дополнительно обозначают количеством, длиной и расстоянием между участками шва справа от начального обозначения (см.
таблицу 6, N 6.1).
Требуемое значение толщины наплавленного металла торцевого шва располагают слева от обозначения торцевого шва (см.
таблицу 6, N 7).
Требуемое значение диаметра шпильки
d располагают слева от обозначения приваренной шпильки (см.
таблицу 6, N 8).
Последовательные швы (серии швов) обозначают их количеством и расстоянием между ними справа от начального обозначения.
Требуемое значение толщины наплавленного слоя располагают слева от обозначения наплавки (см.
таблицу 6, N 9).
Требуемое значение размера сварного шва на прилегающей поверхности располагают слева от обозначения столбчатого шва (см.
таблицу 6, N 5.3).
Таблица 6
N | Тип сварного шва | Изображение | | Примечание |
| Стыковой |
| Шов с полным проплавлением | | | s - глубина проплавления. Отсутствие размера слева от начального обозначения указывает на то, что стыковые сварные швы должны быть с полным проплавлением. Отсутствие размера справа от начального обозначения указывает на то, что стыковые швы должны быть непрерывными |
| Шов с неполным проплавлением | | | s - глубина проплавления. Обозначение s необходимо заменить требуемым размером. Отсутствие размера справа от начального обозначения указывает на то, что стыковые швы должны быть непрерывными |
| |
1.3 | Прерывистый шов | | | n - количество участков шва; l - номинальная длина каждого участка шва; e - расстояние между участками шва. n, l и e заменяют на требуемые значения. Отсутствие размера слева от начального обозначения указывает на то, что стыковые швы должны быть с полным проплавлением |
1.4 | Цепной прерывистый шов | | | n - количество участков шва; l - номинальная длина каждого участка шва; e - расстояние между участками шва. n, l и e заменяют на требуемые значения. Отсутствие размера слева от начального обозначения указывает на то, что стыковые швы должны быть с полным проплавлением |
1.5 | Шахматный шов | | |
| Шов между двумя закругленными деталями | | | s - глубина проплавления. Обозначение s необходимо заменить требуемым размером |
| Шов между закругленной и плоской деталями | | | |
2 | Угловой |
| Угловой шов | | или | a - номинальная толщина; z - катет шва. a и z включают в условное обозначение сварного шва с требуемыми значениями |
| Шов с глубоким проплавлением | | | s - глубина проплавления. s и a включают в условное обозначение сварного шва с требуемыми значениями |
| Шов с различными катетами | | | z1 /= z2. z1 и z2 включают в обозначение сварного шва с требуемой длиной катета, например z14 z28. Если требуемый размер катета невозможно определить по условному обозначению сварного соединения, необходимо дать дополнительные эскизы или указания на чертеже или в других документах |
2.4 | Прерывистый шов | | или | n - количество участков шва; l - номинальная длина каждого участка шва; e - расстояние между участками шва. a или z включают в условное обозначение сварного соединения с требуемым значением. n, l и e заменяют требуемыми значениями |
2.5 | Цепной прерывистый шов | | или | n - количество участков шва; l - номинальная длина каждого участка шва; e - расстояние между участками шва. a или z включают в обозначение сварного соединения с требуемым значением. n, l и e заменяют требуемыми значениями |
2.6 | Шахматный прерывистый шов | | или | n - количество участков шва; l - номинальная длина каждого участка шва; e - расстояние между участками шва. a или z включают в обозначение сварного соединения с требуемым значением. n, l и e заменяют требуемыми значениями |
| Пробочные швы в круглые отверстия |
| Шов с полным заполнением | | | d - диаметр пробки на сопрягаемой при сварке поверхности; s - глубина заполнения, применяют, если отверстие заполнено частично; e - расстояние между участками шва (от центра до центра); n - количество участков шва. d включают в условное обозначение сварного соединения с требуемым значением. s, n и e заменяют требуемыми значениями |
| Шов с частичным заполнением | | |
| Прерывистый шов | | |
| Пробочные швы в продолговатые отверстия (прорези) |
4.1 | Шов с полным заполнением | | | c - ширина прорези на сопрягаемой поверхности; s - глубина заполнения; n - количество участков шва; l - номинальная длина каждого участка шва; e - расстояние между участками шва. c включают в условное обозначение сварного соединения с требуемым значением. s, n, l и e заменяют требуемыми значениями |
| Шов с частичным заполнением | | |
| Прерывистый шов | | |
| Точечные |
| Швы контактной сварки сопротивлением | | | d - требуемый диаметр точечного шва на сопрягаемой поверхности; e - расстояние между швами (от центра до центра); n - число швов. d заменяют требуемым диаметром точечного шва. n и e заменяют требуемыми размерами |
| Швы сварки плавлением | | | d - требуемый диаметр точечной сварки на сопрягаемой поверхности; e - расстояние между сварными швами (от центра к центру); n - количество сварных швов. d подлежит замене на необходимый диаметр точечной сварки. n и e должны быть заменены необходимыми размерами |
| Столбчатый шов | | | d - требуемый размер сварного шва на сопрягаемой поверхности |
| Роликовый |
| Прерывистый шов контактной сварки сопротивлением | | | c - требуемая ширина шва на сопрягаемой поверхности; n - количество участков шва; l - номинальная длина каждого участка шва; e - расстояние между участками шва. Для непрерывных роликовых швов при контактной сварке устанавливают только требуемую ширину роликового шва |
6.2 | Сварка плавлением | | | c - требуемая ширина шва на сопрягаемой поверхности. Прерывистые сварные швы должны быть обозначены, используя n, l и e как для сварных швов при контактной сварке |
| Торцевой |
7.1 | Нахлесточный шов | | | s - толщина металла сварного шва (минимальное расстояние от внешней поверхности сварного шва до дна проплавления) |
7.2 | Стыковой шов с отбортовкой кромок | | | |
7.3 | Угловой шов с отбортовкой кромок | |
| Приварка шпилек |
8.1 | Серии швов | | | d - размер шпильки; n - количество шпилек; e - расстояние между шпильками (от центра до центра) |
| Наплавка |
9.1 | Наплавка | | | s - толщина наплавки |
<a> Серая линия не является частью обозначения. Она указывает на положение линии полки. |
6 Размеры подготовки соединения
Информацию о размерах и геометрии соединения перед сваркой допускается включать как часть условного обозначения сварного соединения или задавать ее, например, ссылкой на соответствующую часть ИСО 9692 или на технические требования к процедуре сварки WPS.
Если информация о размерах соединения включена в обозначение, она не должна перегружать чертеж. Следует рассмотреть указание ссылок на другие документы для исключения включения этой информации как части условного обозначения.
Зазор
b стыкового соединения может быть указан внутри начального обозначения (см.
таблицу 7).
Зазор в разделке показывают только на одной стороне линии полки.
Таблица 7
Примеры обозначения зазора
N | Тип сварного шва | Изображение | Обозначение |
1 | Стыковой шов без скоса кромок | | |
2 | Стыковой шов с односторонней V-образной разделкой двух кромок | | |
3 | С двусторонней V-образной разделкой одной кромки | | |
|
Угол (угол разделки кромок)

стыкового соединения допускается располагать вне начального обозначения (см.
таблицу 8).
Для двусторонних соединений, включая симметричные соединения, угол (углы) разделки кромок должен (должны) быть указан(ы) с обеих сторон условного обозначения сварного соединения.
Таблица 8
Примеры обозначения угла разделки кромок
N | Тип сварного шва | Изображение | Обозначение |
1 | Стыковой шов с односторонней V-образной разделкой двух кромок | | |
2 | Стыковой шов с односторонней V-образной разделкой одной кромки | | |
3 | Стыковой шов с двусторонней V-образной разделкой одной кромки (симметричный) | | |
4 | Стыковой шов с двусторонней V-образной разделкой двух кромок (асимметричный) | | |
6.4 Радиус и размер притупления U-образных и J-образных разделок кромок стыковых соединений
Радиусы и размеры притуплений U-образных и J-образных разделок кромок стыковых соединений не указывают в условном обозначении сварного соединения, а указывают в другом месте, на поперечном сечении, на детали или в другом документе, например в соответствующей части ИСО 9692, на которую приводят ссылку в "хвосте" условного обозначения сварного соединения.
6.5 Глубина разделки кромок под сварку
Глубина разделки кромок под сварку V-образных, со скосом одной кромки, U-образных, J-образных стыковых швов, может быть указана слева от начального обозначения. За глубиной разделки кромок под сварку, которой предшествует буква
h, должна следовать требуемая глубина проплавления, перед которой ставят букву
s (см.
таблицу 9).
Примечание - Глубина разделки кромок в стыковых швах может быть больше, равна или меньше глубины проплавления.
Таблица 9
Примеры обозначения глубины разделки кромок
N | Тип сварного шва | Изображение | Обозначение |
1 | Стыковой шов с односторонней V-образной разделкой двух кромок | | h и s должны быть включены в условное обозначение сварного шва с требуемыми значениями, например h6s8 |
2 | Стыковой шов с двусторонней V-образной разделкой двух кромок | | h и s должны быть включены в условное обозначение сварного шва с требуемыми значениями, например h6s8 |
|
h должно быть включено в условное обозначение сварного шва с требуемыми значениями, например h6 s может быть включено в условное обозначение сварного шва с требуемыми значениями, например h6 s8, но симметричные стыковые сварные швы с полным проплавлением не требуют обозначения (см. 5.4.2) |
<a> Корневая сторона на изображениях увеличена, чтобы проиллюстрировать использование букв h и s. |
6.6 Угол разделки кромок для пробочных швов
Угол разделки кромок под сварку пробочных швов указывают путем расположения требуемого размера над начальным обозначением (см. таблицу 10).
Таблица 10
Угол разделки кромок для пробочных швов
N | Тип сварного шва | | Изображение |
1 | Пробочные швы в круглые отверстия | | |
2 | Пробочные швы в продолговатые отверстия (прорези) | |
<a> c и d измеряют на сопрягаемых поверхностях (см. 5.6 и 5.7) и указывают на чертеже в соответствии с таблицей 6, N 3 и N 4. |
7 Альтернативное условное обозначение стыкового шва с требуемым качеством
| | ИС МЕГАНОРМ: примечание. В официальном тексте документа, видимо, допущена опечатка: имеется в виду таблица 11, а не таблица 10. | |
Альтернативное условное обозначение в соответствии с
таблицей 10 допускается применять только для стыковых швов для указания требуемого качества сварного шва. Вся дополнительная информация должна быть обозначена в соответствии с настоящим стандартом.
При использовании данного метода подготовка соединения под сварку и процесс(ы) сварки определяют производственное подразделение для соблюдения установленных требований к качеству сварного шва.
Примечание - Всю остальную информацию указывают в технических требованиях к процедуре сварки WPS или в другой документации для имеющегося оборудования. Различные технологические требования к процедуре сварки WPS могут быть использованы на других производствах с различным оборудованием, но технический чертеж не пересматривают для каждого производства.
Таблица 11
Альтернативное условное обозначение стыкового шва
с требуемым качеством
Обозначение | Описание |
| Стыковой шов, где разделка кромок под сварку не определена |
Пример условного обозначения на основе требуемого качества сварки показан на
рисунке 7.
Сварные швы с полным проплавлением не требуют простановки размеров (см.
раздел 5).
Примечание - Пример соответствует системе A. Для системы B штриховой линией следует пренебречь.
Рисунок 7 - Пример обозначения, включающий требования
к качеству сварки
(справочное)
ПРИМЕРЫ ПРИМЕНЕНИЯ УСЛОВНОГО ОБОЗНАЧЕНИЯ СВАРНОГО СОЕДИНЕНИЯ
Примеры, приведенные в приложении A, являются справочными и предназначены для демонстрации правил черчения. Они не переназначены для представления передовой практики проектирования или замены норм и технических требований.
На рисунке A.1 показаны примеры подробных условных обозначений сварного соединения, показывающие расположение участков шва.
1 - начальное обозначение (угловой шов); 2 - вспомогательное
обозначение (угловой шов вогнутого контура, монтажный шов,
шов по замкнутому контуру); 3 - дополнительная информация
(сварка ручная дуговая плавящимся электродом SMAW)/процесс
111 в соответствии с ИСО 4063); 4 - размеры (прерывистый
угловой шов номинальной толщиной 5 мм, состоящий из четырех
участков шва длиной 100 мм с расстоянием между участками
200 мм); 5 - "хвост"; 6a - линия полки (сплошная);
6b - штриховая линия (только для системы A)
Рисунок A.1 - Примеры подробных условных обозначений
сварного соединения
Примечание - На
рисунках a) и
b) показаны подробные обозначения одного и того же прерывистого углового шва, выполненного на монтаже со стрелкой со стороны соединения: с номинальной толщиной 5 мм, состоящего из четырех участков шва длиной 100 мм с расстоянием между участками 200 мм.
В таблицах A.1 -
A.3 приведены примеры применения условных обозначений сварного соединения. В системе A штриховую линию полки допускается проводить выше или ниже сплошной линии (см.
4.7.2.1A). Примеры показывают предпочтительный вариант, когда штриховая линия проведена ниже сплошной линии.
Таблица A.1
Примеры применения ломаных линий стрелки
N | Условное обозначение сварного соединения в системе A | Изображение сварного шва | Условное обозначение сварного соединения в системе B |
1 | | | |
2 | | | |
3 | | | |
Таблица A.2
Примеры стороны, указанной стрелкой и обратной стороны
N | Тип сварного шва | Сторона | Условное обозначение сварного соединения в системе A | Изображение сварного шва | Условное обозначение сварного соединения в системе B |
1 | Стыковой шов с односторонней V-образной разделкой одной кромки | Указанная стрелкой | | | |
Угловой | Обратная |
Стыковой шов с односторонней J-образной разделкой одной кромки | Указанная стрелкой |
Стыковой шов с односторонней V-образной разделкой одной кромки (с притуплением) | Обратная |
2 a) | Стыковой шов с односторонней V-образной разделкой двух кромок | Указанная стрелкой | | | |
2 b) | Стыковой шов с односторонней V-образной разделкой двух кромок | Обратная | | |
3 a) | Точечный шов при сварке плавлением | Указанная стрелкой | | | |
3 b) | Точечный шов при сварке плавлением | Обратная | | |
4 a) | Пробочный шов в круглые отверстия | Указанная стрелкой | | | |
4 b) | Пробочный шов в круглые отверстия | Обратная | | |
5 a) | Пробочный шов в продолговатые отверстия (прорези) <b> | Указанная стрелкой | | | |
5 b) | Пробочный шов в продолговатые отверстия (прорези) <b> | Обратная | | | |
6 a) | Роликовый при сварке плавлением | Указанная стрелкой | | | |
6 b) | Роликовый при сварке плавлением | Обратная | | | |
7 a) | Столбчатый шов | Указанная стрелкой | | | |
7 b) | Столбчатый шов | Обратная | | | |
8 | Точечный шов при контактной сварке | Для контактной сварки внахлест сторона шва не имеет значения | | | |
9 | Роликовый шов при контактной шовной сварке | Для контактной сварки внахлест сторона шва не имеет значения | | | |
10 | Шов контактной рельефной сварки | Стрелка указывает на лист с рельефом | | | |
<a> Для пробочных швов в круглые отверстия необходимо включение буквы d с размером требуемого диаметра отверстия на сопрягаемой поверхности. <b> Для сварных швов в продолговатые отверстия (прорези) необходимо включение буквы c с размером требуемой ширины продолговатого отверстия на сопрягаемой поверхности. Ориентацию прорези указывают на чертеже или в другом месте. |
Таблица A.3
Примеры условного обозначения асимметричных швов
N | Тип сварного шва | Условное обозначение сварного соединения в системе A <a> | Изображение сварного шва | Условное обозначение сварного соединения в системе B |
1 | Стыковой шов | | | |
2 | | | | |
<a> Для асимметричных швов необходима простановка размеров независимо от того, являются они швами с полным или неполным проплавлением (см. раздел 6). <b> Если указана номинальная толщина сварного шва, то используют вместо обозначения z обозначение a. |
(справочное)
ДОПУСКИ И ОБОЗНАЧЕНИЯ ДЛЯ РАЗЛИЧНЫХ ТИПОВ СВАРНЫХ ШВОВ
Тип соединения | Тип сварного шва | Обозначение/допуск | | Обозначение |
Стыковое | Стыковой | | От 135° до 180° включительно | |
Угловое | Угловой | | Свыше 30° и менее 135° | |
Торцевое | Угловой | | От 0° до 30° включительно | |
Под углом | Стыковой | | От 45° до 90° включительно | |
Под углом | Угловой | | Более 5° и менее 45° | |
Нахлесточное | Угловой | | От 0° до 5° включительно | |
Примечание - Взято из ИСО 17659. |
(справочное)
АЛЬТЕРНАТИВНЫЕ МЕТОДЫ ОБОЗНАЧЕНИЯ
ПРЕРЫВИСТЫХ СТЫКОВЫХ И УГЛОВЫХ СВАРНЫХ ШВОВ
C.1 Общие положения
Альтернативные методы обозначения прерывистых стыковых и угловых сварных швов приведены только для информации. Эти методы используют или они адаптированы в AWS A2.4:2012, AS 1101.3:2005 и JIS C Z 3021:2016. В этих стандартах можно найти информацию о том, как обозначать иные типы прерывистых сварных швов.
C.2 Стыковые сварные швы
C.2.1 Прерывистые стыковые швы
Шаг прерывистого стыкового шва определяют как расстояние между центрами соседних участков шва на одной стороне соединения. Шаг прерывистых стыковых швов указывают справа от размера длины после дефиса (см.
таблицу C.1).
C.2.2 Цепные прерывистые стыковые швы
Размеры цепных прерывистых стыковых швов указывают по обе стороны от линии полки. Участки цепных прерывистых стыковых швов выполняют примерно друг напротив друга по стыку (см.
таблицу C.1).
C.2.3 Шахматные прерывистые стыковые швы
Размеры шахматных стыковых швов указывают по обе стороны от линии полки, а обозначения стыкового шва смещают в противоположные от линии полки стороны (см.
таблицу C.1).
C.3 Угловые сварные швы
C.3.1 Прерывистые угловые швы
Шаг прерывистых угловых швов определяют как расстояние между центрами соседних участков на одной стороне соединения. Шаг прерывистых угловых швов указывают после дефиса справа от размера длины (см.
таблицу C.2).
C.3.2 Цепные прерывистые угловые швы
Размеры цепных прерывистых угловых швов указывают по обе стороны от линии полки. Участки цепных прерывистых угловых швов выполняют примерно друг напротив друга по соединению (см.
таблицу C.2).
C.3.3 Шахматные прерывистые угловые швы
Размеры шахматных угловых швов указывают по обе стороны от линии полки, а обозначения угловых швов смещают на противоположные от линии полки стороны (см.
таблицу C.2).
Таблица C.1
N | Тип сварного шва | Изображение шва | Условное обозначение сварного соединения | Примечания |
1 | Прерывистый | | | l - номинальная длина участка шва; e - шаг прерывистых сварных швов - расстояние между центрами соседних участков шва на одной стороне стыка. l и e должны быть заменены требуемыми значениями |
2 | Цепной прерывистый | | |
| Шахматный | | |
Таблица C.2
N | Тип сварного шва | Изображение шва | Условное обозначение сварного соединения | Примечания |
1 | Прерывистый | | | l - номинальная длина участка шва; e - шаг прерывистых сварных швов - расстояние между центрами соседних участков шва на одной стороне стыка. l и e следует заменить требуемыми значениями |
2 | Цепной прерывистый | | |
| Шахматный прерывистый | | |
(справочное)
СВЕДЕНИЯ О СООТВЕТСТВИИ ССЫЛОЧНЫХ МЕЖДУНАРОДНЫХ СТАНДАРТОВ
НАЦИОНАЛЬНЫМ СТАНДАРТАМ
Таблица ДА.1
Обозначение ссылочного международного стандарта, документа | Степень соответствия | Обозначение и наименование соответствующего национального стандарта |
ISO 128 (all parts) | - | |
ISO 129-1 | - | |
ISO 3098-2 | - | |
ISO 4063 | IDT | |
ISO/TR 25901 (all parts) | IDT | ГОСТ Р 58904-2020/ISO/TR 25901-1:2016 "Сварка и родственные процессы. Словарь. Часть 1. Общие термины" ГОСТ Р 58905-2020/ISO/TR 25901-3:2016 "Сварка и родственные процессы. Словарь. Часть 3. Сварочные процессы" ГОСТ Р 58906-2020/ISO/TR 25901-4:2016 "Сварка и родственные процессы. Словарь. Часть 4. Дуговая сварка" |
<*> Соответствующий межгосударственный стандарт отсутствует. До его принятия рекомендуется использовать перевод на русский язык данного международного стандарта. Примечание - В настоящей таблице использовано следующее условное обозначение степени соответствия стандартов: - IDT - идентичные стандарты. |
[1] | ISO 1302 | Geometrical Product Specifications (GPS) - Indication of surface texture in technical product documentation (Геометрические характеристики изделий (GPS). Обозначение текстуры поверхности в технической документации на продукцию) |
[2] | | Welded, brazed and soldered joints - Symbolic representation on drawings (Соединения сварные и паяные твердым и мягким припоем. Условные обозначения на чертежах) |
[3] | ISO 5817 | Welding - Fusion-welded joints in steel, nickel, titanium and their alloys (beam welding excluded) - Quality levels for imperfections [Сварка. Сварные соединения из стали, никеля, титана и их сплавов, полученные сваркой плавлением (исключая лучевые способы сварки). Уровни качества] |
[4] | ISO 6947 | Welding and allied processes - Welding positions (Сварка и родственные процессы. Положения при сварке) |
[5] | ISO 9692 (all parts) | Welding and allied processes - Types of joint preparation (Сварка и родственные процессы. Типы подготовки соединений) |
[6] | ISO 10042 | Welding - Arc-welded joints in aluminium and its alloys - Quality levels for imperfections (Сварка. Сварные соединения алюминия и его сплавов, полученные дуговой сваркой. Уровни качества для дефектов) |
[7] | ISO 13919 (all parts) | Welding - Electron and laser beam welded joints - Guidance on quality levels for imperfections (Сварка. Соединения, полученные электронно-лучевой и лазерной сваркой. Руководство по оценке уровня качества для дефектов) |
[8] | ISO 14171 | Welding consumables - Solid wire electrodes, tubular cored electrodes and electrode/flux combinations for submerged arc welding of non alloy and fine grain steels - Classification (Материалы сварочные. Проволоки сплошного сечения, порошковые проволоки и комбинации проволока/флюс для дуговой сварки под флюсом нелегированных и мелкозернистых сталей. Классификация) |
[9] | ISO 14341 | Welding consumables - Wire electrodes and weld deposits for gas shielded metal arc welding of non alloy and fine grain steels - Classification (Материалы сварочные. Проволоки и наплавленный металл дуговой сварки плавящимся электродом в защитном газе нелегированных и мелкозернистых сталей. Классификация) |
[10] | ISO 14731 | Welding coordination - Tasks and responsibilities (Координация сварки. Задачи и обязанности) |
[11] | ISO 17659 | Welding - Multilingual terms for welded joints with illustrations (Сварка. Многоязычные термины для сварных соединений с иллюстрациями) |
[12] | AWS A2.4:2012 | Standard Symbols for Welding, Brazing, and Nondestructive Examination (Стандартные обозначения для сварки, пайки и неразрушающего контроля) |
[13] | AS 1101-3:2005 | Graphical symbols for welding engineering - Part 3: Welding and non-destructive examination (Графические обозначения для проектирования в сварке. Часть 3. Сварка и неразрушающий контроль) |
[14] | JIS Z 3021:2016 | Welding and allied processes - Symbolic representations (Сварка и родственные процессы. Условные обозначения) |
[15] | | GREgoRy E. N., & ARMstRong A. A. Welding symbols on drawings, Abington, Cambridge: Woodhead Publishing Limited. ISBN 1-85573-589-X (Грегори Э.Н., Армстронг А.А. Обозначения сварки на чертежах, Абингтон, Кембридж: Woodhead Publishing Limited. ISBN 1-85573-589-X) |
--------------------------------
УДК 621.791:006.354 | |
Ключевые слова: сварка и родственные процессы, условные обозначения на чертежах, сварные соединения, сварные и паяные швы |