Главная // Пожарная безопасность // Пожарная безопасность (обновление 01.03.2026 по 01.04.2026) // ГОСТ Р (Государственный стандарт)СПРАВКА
Источник публикации
М.: ФГБУ "Институт стандартизации", 2026
Примечание к документу
Документ
введен в действие с 01.03.2026.
Название документа
"ГОСТ Р 72475-2025. Национальный стандарт Российской Федерации. Оборудование противодымной защиты зданий и сооружений. Устройства регулирования параметров систем противодымной вентиляции. Метод испытаний на огнестойкость"
(утв. и введен в действие Приказом Росстандарта от 22.12.2025 N 1763-ст)
"ГОСТ Р 72475-2025. Национальный стандарт Российской Федерации. Оборудование противодымной защиты зданий и сооружений. Устройства регулирования параметров систем противодымной вентиляции. Метод испытаний на огнестойкость"
(утв. и введен в действие Приказом Росстандарта от 22.12.2025 N 1763-ст)
Утвержден и введен в действие
агентства по техническому
регулированию и метрологии
от 22 декабря 2025 г. N 1763-ст
НАЦИОНАЛЬНЫЙ СТАНДАРТ РОССИЙСКОЙ ФЕДЕРАЦИИ
ОБОРУДОВАНИЕ ПРОТИВОДЫМНОЙ ЗАЩИТЫ ЗДАНИЙ И СООРУЖЕНИЙ
УСТРОЙСТВА РЕГУЛИРОВАНИЯ ПАРАМЕТРОВ
СИСТЕМ ПРОТИВОДЫМНОЙ ВЕНТИЛЯЦИИ
МЕТОД ИСПЫТАНИЙ НА ОГНЕСТОЙКОСТЬ
The equipment of smoke control systems. Devices
for regulating system parameters smoke-free ventilation.
The test method for the fire resistance
ГОСТ Р 72475-2025
Дата введения
1 марта 2026 года
1 РАЗРАБОТАН Федеральным государственным бюджетным учреждением "Всероссийский ордена "Знак Почета" научно-исследовательский институт противопожарной обороны" МЧС России (ФГБУ ВНИИПО МЧС России)
2 ВНЕСЕН Техническим комитетом по стандартизации ТК 274 "Пожарная безопасность"
3 УТВЕРЖДЕН И ВВЕДЕН В ДЕЙСТВИЕ
Приказом Федерального агентства по техническому регулированию и метрологии от 22 декабря 2025 г. N 1763-ст
4 ВВЕДЕН ВПЕРВЫЕ
Правила применения настоящего стандарта установлены в статье 26 Федерального закона от 29 июня 2015 г. N 162-ФЗ "О стандартизации в Российской Федерации". Информация об изменениях к настоящему стандарту публикуется в ежегодном (по состоянию на 1 января текущего года) информационном указателе "Национальные стандарты", а официальный текст изменений и поправок - в ежемесячном информационном указателе "Национальные стандарты". В случае пересмотра (замены) или отмены настоящего стандарта соответствующее уведомление будет опубликовано в ближайшем выпуске ежемесячного информационного указателя "Национальные стандарты". Соответствующая информация, уведомление и тексты размещаются также в информационной системе общего пользования - на официальном сайте Федерального агентства по техническому регулированию и метрологии в сети Интернет (www.rst.gov.ru)
1.1 Настоящий стандарт устанавливает метод испытаний на огнестойкость устройств, предназначенных для регулирования параметров систем вытяжной противодымной вентиляции (далее - устройства регулирования).
Применение устройств регулирования в каналах (воздуховодах) систем вытяжной противодымной вентиляции предназначено для приведения фактических параметров данных систем после их монтажа к проектным значениям (с учетом допустимой невязки). Устройства регулирования могут применяться как при пуско-наладочных работах, так и при проведении приемо-сдаточных и периодических испытаний. При этом пожарно-технические характеристики устройств регулирования должны быть подтверждены проведением испытаний на огнестойкость по методу, установленному данным стандартом.
1.2 Требования настоящего стандарта распространяются на устройства регулирования различного конструктивного исполнения, применяемые в составе систем вытяжной противодымной вентиляции с механическим побуждением тяги.
1.3 Требования настоящего стандарта не распространяются на устройства регулирования, представляющие собой пластины из стали и металлических сплавов, устанавливаемые в межфланцевых соединениях воздуховодов (не имеющих корпуса), на устройства регулирования различного конструктивного исполнения, применяемые в составе систем вытяжной противодымной вентиляции с естественным побуждением тяги, а также в составе систем приточной противодымной вентиляции (как с механическим, так и с естественным побуждением тяги).
В настоящем стандарте использованы нормативные ссылки на следующие стандарты:
ГОСТ 12.1.019 Система стандартов безопасности труда. Электробезопасность. Общие требования и номенклатура видов защиты
ГОСТ 12.2.003 Система стандартов безопасности труда. Оборудование производственное. Общие требования безопасности
ГОСТ 12.3.018 Система стандартов безопасности труда. Системы вентиляционные. Методы аэродинамических испытаний
ГОСТ 6616 Преобразователи термоэлектрические. Общие технические условия
ГОСТ 30247.1-94 (ИСО 834-75) Конструкции строительные. Методы испытаний на огнестойкость. Несущие и ограждающие конструкции
ГОСТ 34720-2021 Клапаны противопожарные вентиляционных систем. Метод испытания на огнестойкость
ГОСТ Р 8.585 Государственная система обеспечения единства измерений. Термопары. Номинальные статические характеристики преобразования
ГОСТ Р 53302 Оборудование противодымной защиты зданий и сооружений. Вентиляторы. Метод испытаний на огнестойкость
Примечание - При пользовании настоящим стандартом целесообразно проверить действие ссылочных стандартов в информационной системе общего пользования - на официальном сайте Федерального агентства по техническому регулированию и метрологии в сети Интернет или по ежегодному информационному указателю "Национальные стандарты", который опубликован по состоянию на 1 января текущего года, и по выпускам ежемесячного информационного указателя "Национальные стандарты" за текущий год. Если заменен ссылочный стандарт, на который дана недатированная ссылка, то рекомендуется использовать действующую версию этого стандарта с учетом всех внесенных в данную версию изменений. Если заменен ссылочный стандарт, на который дана датированная ссылка, то рекомендуется использовать версию этого стандарта с указанным выше годом утверждения (принятия). Если после утверждения настоящего стандарта в ссылочный стандарт, на который дана датированная ссылка, внесено изменение, затрагивающее положение, на которое дана ссылка, то это положение рекомендуется применять без учета данного изменения. Если ссылочный стандарт отменен без замены, то положение, в котором дана ссылка на него, рекомендуется применять в части, не затрагивающей эту ссылку.
В настоящем стандарте применены следующие термины с соответствующими определениями:
3.1 устройство регулирования: Устройство, устанавливаемое в каналах (воздуховодах) систем вытяжной противодымной вентиляции, предназначенное для регулирования скорости потока продуктов горения путем дросселирования проходного сечения каналов (воздуховодов) с целью приведения параметров этих систем к заданным значениям по расходу.
3.2 корпус: Неподвижный элемент устройства регулирования, устанавливаемый в каналах (воздуховодах) систем вытяжной противодымной вентиляции и являющийся направляющим элементом для заслонки (заслонок) устройства.
Примечание - По конструктивному исполнению корпус устройства может быть выполнен как круглого, так и прямоугольного поперечного сечения.
3.3 заслонка: Подвижный элемент конструкции устройства регулирования, установленный в корпусе с возможностью частичного перекрытия его проходного сечения.
Примечание - Конструкция заслонки может быть поворотной, откидной, сдвигающейся и пр. При этом в составе устройства может быть предусмотрена как одна, так и несколько заслонок, в зависимости от площади перекрываемого сечения канала.
3.4 регулирующий механизм: Конструктивный узел, входящий в состав устройства регулирования, предназначенный для перевода заслонки (заслонок) в заданное положение с ее последующей фиксацией при завершении регулирования параметров систем противодымной вентиляции.
Наступление предельных состояний по огнестойкости для устройств регулирования определяют по следующим признакам (независимо от того, какой признак наступит ранее):
- изменение более чем на 15% перепада давления на испытуемой конструкции образца в процессе огневых испытаний по отношению к значению, полученному на начальном этапе испытаний перед моментом начала теплового воздействия на образец при температуре окружающей среды. Изменение перепада давления на образце при проведении испытания может характеризоваться как деформацией заслонки (заслонок), так и ее самопроизвольным перемещением, а также деформацией корпуса устройства;
- проникновение продуктов горения и открытого пламени через корпус или соединительные элементы (фланцы) устройства регулирования в результате образования сквозных трещин, зазоров, отверстий, приводящих к воспламенению тампона, размещаемого в соответствии с ГОСТ 30247.1-94
(пункт 8.1.3).
Цифровой показатель в обозначении предела огнестойкости должен соответствовать одному из чисел следующего ряда: 15, 30, 60.
5 Сущность метода и режим испытаний
5.1 Сущность метода заключается в определении времени, по истечении которого наступают предельные состояния по огнестойкости в соответствии с
разделом 4.
5.2 Температура газовой среды, перемещаемой через образец, должна соответствовать одному из температурных режимов (с допускаемыми отклонениями), установленных ГОСТ 34720-2021 (
пункты 6.2,
6.3). При этом выбор температурного режима определяется производителем с учетом функционального назначения испытуемого устройства регулирования - для установки в системах вытяжной противодымной вентиляции, обеспечивающих удаление продуктов горения из помещений (см. ГОСТ 34720-2021,
пункт 6.2) или из коридоров (см. ГОСТ 34720-2021,
пункт 6.3).
Фиксация в заданном выше положении осуществляется регулирующим механизмом образца.
5.3 Скорость газа, перемещаемого через образец, после начала теплового воздействия, должна быть равна 6,0 м/с +/- 10% и поддерживаться в течение всего времени испытания. Регистрация указанного значения скорости подлежит в точке установки приемника динамического давления.
5.4 Если изготовителями устройств регулирования заявляются более высокие значения минимальной скорости воздушного потока, то значение скорости на образце, приведенное в
5.3, подлежит увеличению до минимально необходимой с сохранением предельно допустимого отклонения +/- 10%.
6 Стендовое оборудование и измерительная аппаратура
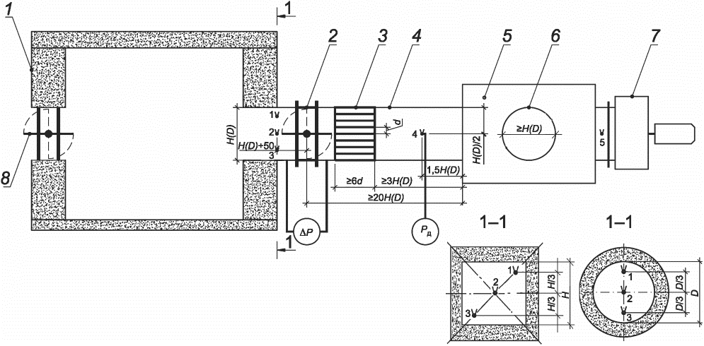
6.1 Стенд для проведения испытаний устройств регулирования приведен на
рисунках А.1,
А.2 и состоит из огневой камеры с внутренними размерами не менее (2,0 x 2,0 x 2,5) м, с проемом для подключения воздуховода, смесительной камеры размерами не менее (1,5 x 1,5 x 2,0) м с боковым проемом, перекрытым регулирующим шибером и вентилятора, подключенного к смесительной камере.
6.2 Вентилятор стенда для проведения испытаний должен иметь подтвержденный по
ГОСТ Р 53302 предел огнестойкости 2,0 ч/600 °C. Подача вентилятора должна обеспечивать расход воздуха (при 20 °C) не менее 40 000·
Sуст, м
3/ч (
Sуст - площадь проходного сечения испытуемого образца устройства).
Напор вентилятора подбирают (рассчитывают) с учетом фактического сопротивления вентиляционной сети.
6.3 Боковой проем смесительной камеры должен иметь площадь не менее площади проходного сечения испытуемого образца. В обоснованных случаях допускается устройство проема с меньшей площадью.
6.4 Испытательный стенд оснащается средствами измерения температуры, интервалов времени, расхода газов и давлений.
6.5 Для измерения температуры используют термоэлектрический преобразователь (ТЭП) типа ТХА (технические условия по
ГОСТ 6616), номинальные статистические характеристики и пределы допускаемых отклонений термоэлектродвижущей силы которых должны соответствовать
ГОСТ Р 8.585 или ТЭП с индивидуальной градуировкой.
6.6 Для измерения температуры на входе в образец используют ТЭП с диаметром электродов не менее 1,0 мм. Места установки ТЭП приведены на
рисунках А.1,
А.2.
Для измерения температуры перед вентилятором стенда, а также на комбинированном приемнике давления (КПД) используют ТЭП с диаметром электродов от 0,5 до 0,7 мм.
6.7 Допускается применять при испытаниях другие типы ТЭП при соответствии их технических характеристик
6.5.
6.8 Регистрацию температур осуществляют приборами с диапазоном измерения от 0 °C до 1300 °C, класса точности не менее 1,0.
6.9 Для измерения статического давления в мерном сечении следует устанавливать не менее четырех приемников в виде металлических штуцеров (трубок) с внутренним диаметром от 2,0 до 5,0 мм, расположенных равномерно по периметру воздуховода на его внешней поверхности. Приемники статического давления должны быть соединены между собой трубкой с диаметром, превышающим диаметр отверстий приемников более чем в два раза.
6.10 Для регистрации давления газовой среды следует применять приборы (дифференциальные манометры, микроманометры и т.п.) класса точности не ниже 1,0. Для регистрации допускается применять цифровые дифференциальные манометры с погрешностью измерения:
- не более +/- 25% от измеряемого значения в диапазоне измеряемых значений от 20 до 50 Па;
- не более +/- 20% от измеряемого значения в диапазоне измеряемых значений от 51 до 200 Па.
6.11 Для измерения расхода газа, перемещаемого через образец, используют КПД по
ГОСТ 12.3.018 с диаметром приемной части, не превышающим 8% внутреннего диаметра круглого или ширины прямоугольного воздуховода. При этом мерный участок воздуховода должен быть прямым и иметь длину не менее 20
D (гидравлических диаметров мерного участка). Допускается уменьшение длины мерного участка воздуховода до 3
D, при условии установки выравнивающего устройства, осевая длина каждой ячейки которого должна быть не менее 6
d (гидравлических диаметров ячейки). Расстояние от входа в смесительную камеру до мерного сечения во всех случаях должно быть равным 1,5
D.
6.12 Для измерения интервалов времени должны использоваться секундомеры класса точности не менее 2,0.
6.13 Испытательное оборудование, применяемое при проведении испытаний, должно быть аттестовано в установленном порядке.
6.14 Средства измерений, используемые при проведении испытаний, должны быть поверены в установленном порядке и внесены в "Государственный реестр системы средств измерений".
7 Подготовка к испытаниям
7.1 К испытаниям допускаются образцы, укомплектованные необходимыми для установочного монтажа узлами и деталями в соответствии с технической документацией завода-изготовителя.
Регулирующий механизм образца должен иметь читаемую градуировку, позволяющую выставить заслонку в заданное
8.2 положение.
7.2 Образцы, поставленные для испытаний, должны соответствовать конструкторской документации. Степень соответствия устанавливается входным контролем.
7.3 Габаритные размеры испытуемых образцов не должны превышать установочные размеры монтажных проемов испытательного стенда.
7.4 Испытуемый образец устройства регулирования подлежит подключению (монтажу) на испытательном стенде в соответствии с одной из приведенных в
приложении А схем.
8 Последовательность проведения испытаний
8.1 Испытания должны проводиться при температуре окружающей среды от 0 °C до 40 °C, если в технической документации на изделие не приведены другие условия испытания.
8.2 Перед тепловым воздействием заслонка устройства регулирования должна быть установлена в пределах рабочего диапазона, указанного в технической документации на изделие, и зафиксирована регулирующим механизмом на следующую величину:
- на угол 45° относительно закрытого положения (для заслонок поворотного и откидного типов);
- на 50% относительно площади проходного сечения в полностью открытом положении (для заслонок сдвижного типа).
8.3 До теплового воздействия на образец необходимо включить вентилятор стенда, а также открыть боковой проем смесительной камеры.
8.4 Перед началом теплового воздействия на образец следует посредством регулирующего шибера стенда установить значение скорости воздушного потока через образец по
5.3 (с учетом
5.4), при этом температура на входе в вентилятор не должна превысить 200 °C. Допускается краткосрочное превышение температуры на входе в вентилятор до значения не более 300 °C на время не более 180 с.
8.5 Началом испытания является момент включения горелок огневой камеры испытательного стенда.
8.6 В процессе теплового воздействия проводят контроль и осуществляют измерения следующих параметров:
- температуры на входе в испытуемый образец устройства регулирования;
- температуры на КПД;
- температуры на вентиляторе стенда;
- перепада давления на испытуемом образце;
- динамического давления на КПД;
- момента образования сквозных трещин, зазоров, отверстий в корпусе и/или в соединительных элементах (фланцах) образца, с появлением горячих газов и пламени на внешних поверхностях.
8.7 Окончание испытания соответствует моменту наступления одного из предельных состояний, установленных в
разделе 4.
8.8 При превышении одного из перечисленных в
8.4 значений температуры газа (200 °C и 300 °C), в т.ч. обоих значений, либо при невозможности их соблюдения, после окончания огневого испытания и остывания корпуса вентилятора до температуры окружающей среды, требуется осуществить проверку его состояния на наличие деформаций корпуса, рабочего колеса, оплавления разъемов питания клеммной коробки, состояния смазки в подшипниках и пр. При необходимости следует провести его техническое обслуживание или заменить вентилятор на другой с аналогичными характеристиками (с учетом
6.2).
9 Смесительная камера стенда
9.1 Для определения требуемых параметров смесительной камеры могут быть применены расчеты по
формулам (1) -
(4).
9.2 Температуру смеси на входе в вентилятор Tсм, К, вычисляют по формуле

, (1)
где Cpг - удельная теплоемкость газа на входе в смесительную камеру, кДж/кг·К;
Cpв - удельная теплоемкость воздуха, поступающего в смесительную камеру через боковой проем, кДж/кг·К;
Tг - температура газа на входе в смесительную камеру, К;
Gг - расход газа на входе в смесительную камеру, кг/с;
Gв - расход воздуха, поступающего в смесительную камеру через боковой проем, кг/с;
Tв - температура воздуха на входе в смесительную камеру, К;
Cpсм - теплоемкость газа на входе в вентилятор, кДж/кг·К;
Gсм - расход газа на входе в вентилятор, кг/с.
9.3 Удельную теплоемкость газа Cpi, кДж/кг·К, при температуре Ti, К, вычисляют по формуле
Cpi = a(1 + exp(b - cTi))-1/d, (2)
где a, b, c, d - коэффициенты, равные 1,3615; 7,0066; 0,0053; 20,7611 соответственно.
9.4 Плотность газа

, кг/м
3, вычисляют по формуле

. (3)
9.5 Расход газа Gг, кг/с, вычисляют по формуле

, (4)
где V - скорость газа в мерном сечении, м/с;
Dмс - диаметр мерного сечения, м.
10 Обработка результатов измерений
Скорость газового потока V, м/с, вычисляют по формуле

, (5)
где t4 - температура газового потока на КПД, °C;
Kт - коэффициент преобразования динамического давления КПД;
Pд - динамическое давление на КПД, Па.
11 Оценка результатов испытания
11.1 Результаты испытаний действительны для устройств регулирования аналогичной конструкции, гидравлический диаметр которых меньше гидравлического диаметра испытанного образца (без ограничения) или больше гидравлического диаметра испытанного образца, при этом удовлетворяет соотношению
Dмакс <= 1,25Dисп, (6)
где Dисп - гидравлический диаметр испытанного образца, мм;
Dмакс - гидравлический диаметр устройства регулирования, на который могут быть распространены результаты испытаний, мм.
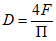
Гидравлический диаметр D должен определяться по соотношению

, (7)
где F и П - соответственно площадь и периметр устройства регулирования.
11.2 Результаты испытаний регулировочных устройств прямоугольного сечения не могут быть распространены на конструкции круглого сечения и, соответственно, наоборот.
11.3 Для устройств регулирования, которые могут устанавливаться как горизонтально, так и вертикально, следует определять их работоспособность в двух положениях по схемам, представленным на
рисунках А.1 и
А.2. При этом результаты испытаний образцов, испытанных горизонтально, не могут быть распространены на образцы, устанавливаемые вертикально, и, соответственно, наоборот.
Принципиальные схемы испытаний для устройств регулирования, которые могут устанавливаться под другими углами (отличными от схем, представленных на
рисунках А.1 и
А.2, должны быть изменены с учетом фактического угла расположения такой конструкции.
12.1 Отчет об испытании должен содержать следующие данные:
- наименование организации, проводящей испытания;
- наименование и адрес заказчика;
- характеристика объекта испытаний;
- метод испытания (описание или ссылка);
- описание процедуры испытания;
- характеристики испытательного оборудования;
- результаты испытаний;
- оценка результатов испытаний.
12.2 Пример записи в протоколе испытаний:
"Фактический предел огнестойкости устройства регулирования систем вытяжной противодымной вентиляции с механическим побуждением тяги, предназначенных для удаления продуктов горения из помещений, типа УРПДВ-1, подлежащего установке горизонтально, составляет 30 мин".
13.1 При проведении испытаний должны соблюдаться требования безопасности и производственной санитарии согласно
ГОСТ 12.2.003 и
ГОСТ 12.1.019.
13.2 К испытанию допускаются лица, ознакомленные с техническим описанием и инструкцией по эксплуатации испытательного стенда.
13.3 Перед проведением испытаний необходимо проверить надежность креплений и соединений испытательного оборудования.
13.4 Все быстродвижущиеся и вращающиеся части стендовой установки должны иметь ограждения.
(обязательное)
СХЕМЫ СТЕНДОВ ДЛЯ ПРОВЕДЕНИЯ ИСПЫТАНИЙ
Примечание - С учетом
6.11.
1 - огневая камера стенда (печь); 2 - испытуемый образец
вертикально установленного устройства регулирования;
3 - выравнивающее устройство; 4 - соединительный воздуховод;
5 - смесительная камера; 6 - боковой проем смесительной
камеры с регулирующим шибером (задвижкой); 7 - вентилятор;
8 - воздухоприточный шибер;

- перепад давления
на испытуемом образце; Pд - динамическое давление на КПД;
D - диаметр мерного участка соединительного воздуховода
при испытаниях образцов круглого проходного сечения;
H - высота мерного участка соединительного воздуховода
при испытаниях образцов прямоугольного проходного сечения;
d - гидравлический диаметр ячейки выравнивающего устройства;

- ТЭП, установленные:
1 -
3 - в огневой камере;
4 - на КПД; 5 - на входе в вентилятор
Рисунок А.1 - Схема стенда для проведения испытаний
на огнестойкость устройства регулирования,
установленного вертикально
Примечание - С учетом
6.11.
1 - огневая камера стенда (печь); 2 - испытуемый образец;
3 - соединительный воздуховод; 4 - выравнивающее устройство;
5 - смесительная камера; 6 - боковой проем смесительной
камеры с регулирующим шибером (задвижкой); 7 - вентилятор;
8 - воздухоприточный шибер;

- перепад давления
на испытуемом образце; Pд - динамическое давление на КПД;
D - диаметр мерного участка соединительного воздуховода
при испытаниях образцов круглого проходного сечения;
H - высота мерного участка соединительного воздуховода
при испытаниях образцов прямоугольного проходного сечения;
d - гидравлический диаметр ячейки выравнивающего устройства;

- ТЭП, установленные:
1 -
3 - в огневой камере;
4 - на КПД; 5 - на входе в вентилятор
Рисунок А.2 - Схема стенда для проведения испытаний
на огнестойкость устройства регулирования,
установленного горизонтально
УДК 614.841:006.354 | |
Ключевые слова: устройство регулирования, смесительная камера, огнестойкость, метод испытаний |