Скачать ГОСТ 24700-81 Окна и балконные двери деревянные со стеклопакетами для жилых и общественных зданий. Типы, конструкция и размерыДата актуализации: 01.01.2021
|
| Обозначение: | ГОСТ 24700-81 |
| Обозначение англ: | GOST 24700-81 |
| Статус: | заменен |
| Название рус.: | Окна и балконные двери деревянные со стеклопакетами для жилых и общественных зданий. Типы, конструкция и размеры |
| Название англ.: | Wooden windows and balcony doors with double glazing units for dwelling and public buildings. Types, structure and dimensions |
| Дата добавления в базу: | 01.10.2014 |
| Дата актуализации: | 01.01.2021 |
| Дата введения: | 01.01.1984 |
| Дата окончания срока действия: | 01.01.2001 |
| Область применения: | Стандарт распространяется на деревянные окна и балконные двери со стеклопакетами, предназначаемые для жилых и общественных зданий, а также для вспомогательных зданий и помещений предприятий различных отраслей народного хозяйства. |
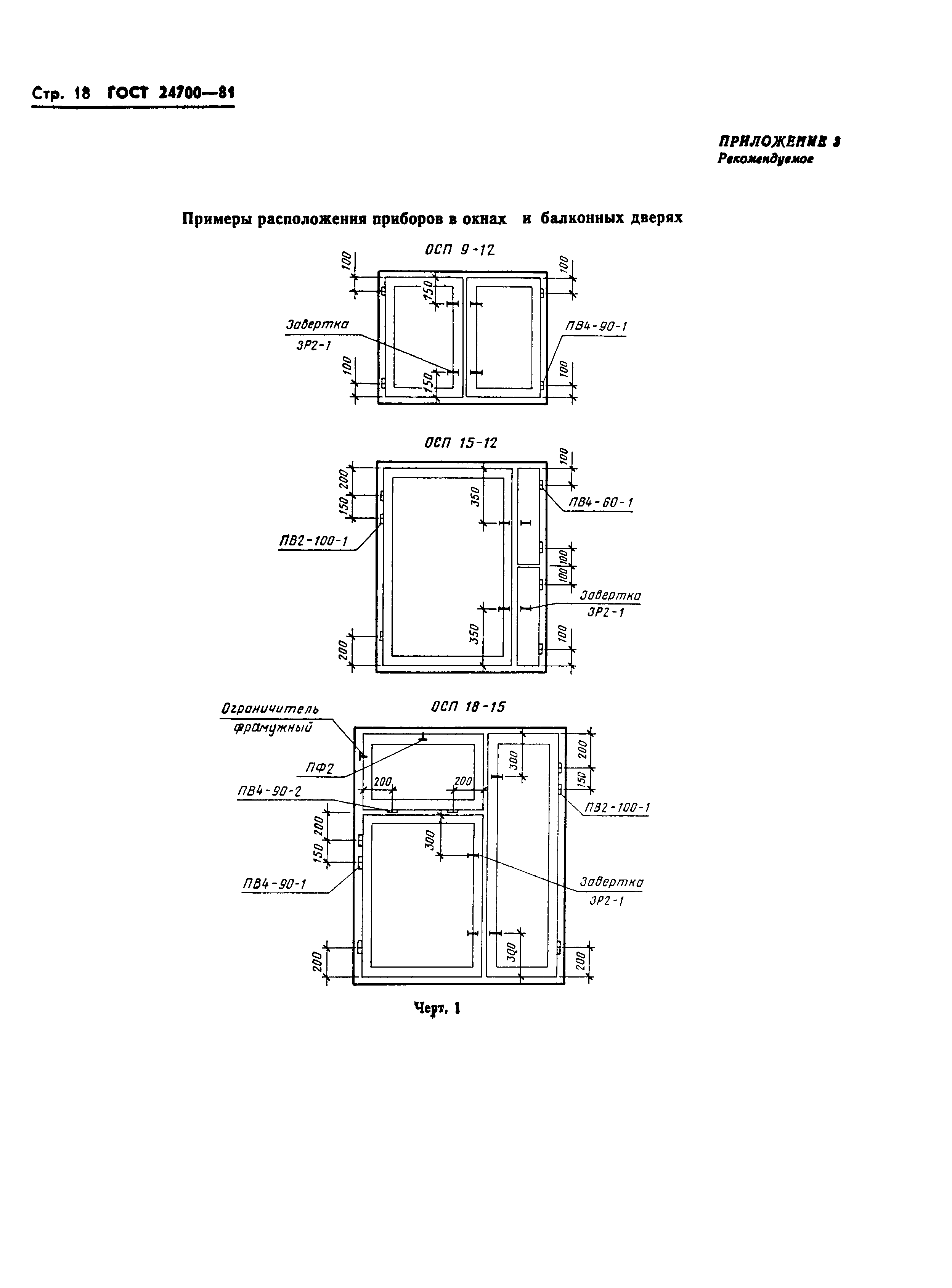
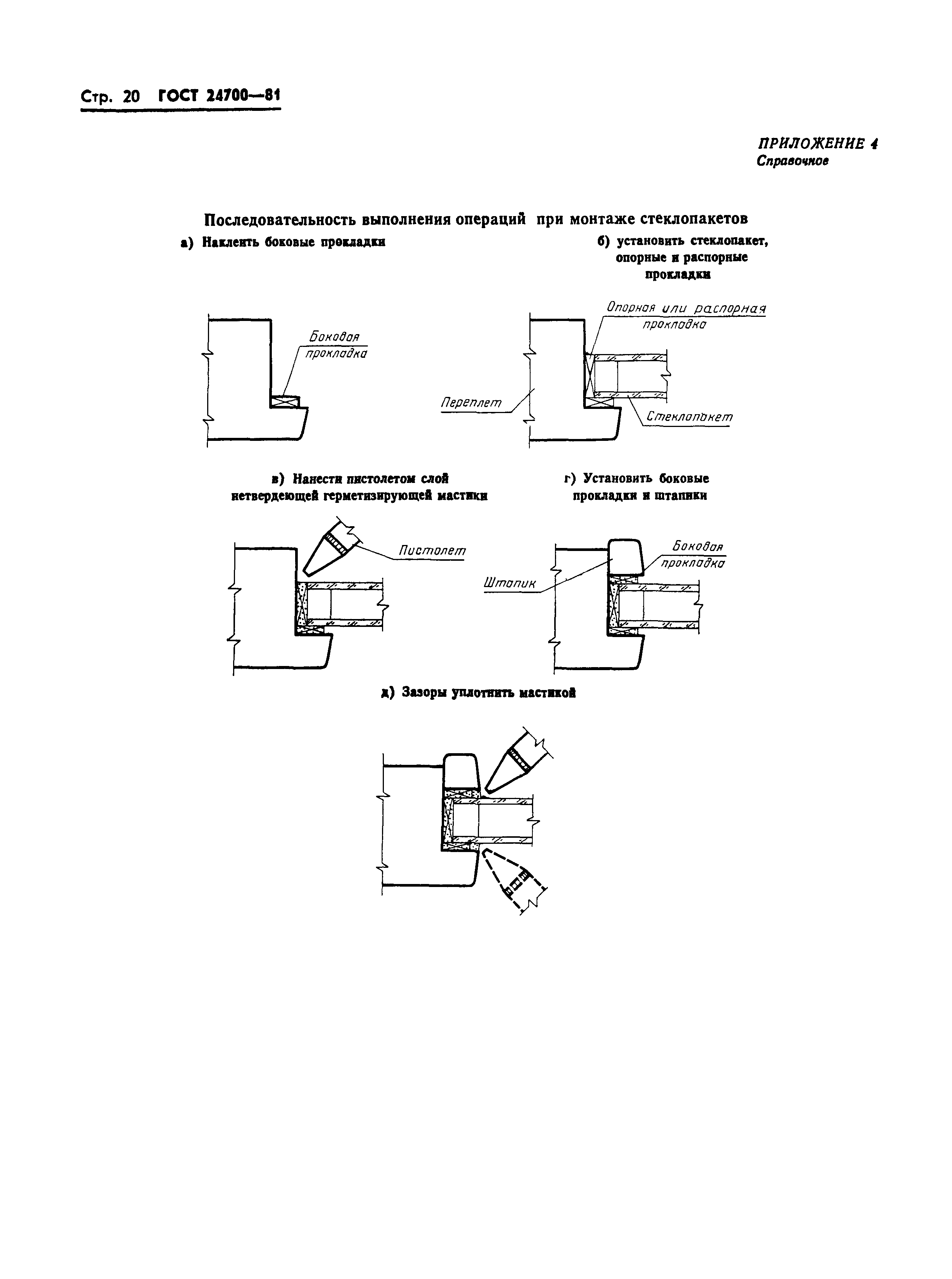
| Оглавление: | 1. Типы, размеры и марки 2. Требования к конструкции Приложение 1 (справочное) Габариты проемов окон и балконных дверей в наружных стенах жилых зданий Приложение 2 (справочное) Габариты проемов окон и балконных дверей в наружных стенах общественных зданий Приложение 3 (рекомендуемое) Примеры расположения приборов в окнах и балконных дверях Приложение 4 (справочное) Последовательность выполнения операций при монтаже стеклопакетов Приложение 5 (справочное) Расположение опорных, распорных и боковых прокладок, устанавливаемых по периметру стеклопакетов Приложение 6 (рекомендуемое) Облицовка клапана обшивкой Приложение 7 (справочное) Спецификация стеклопакетов для окон и балконных дверей жилых зданий Приложение 8 (справочное) Спецификация стеклопакетов для окон и балконных дверей общественных зданий |
| Разработан: | Государственный комитет по гражданскому строительству и архитектуре при Госстрое СССР |
| Утверждён: | 03.02.1981 Государственный комитет СССР по делам строительства (11) |
| Издан: | Издательство стандартов (1981 г. ) |
| Нормативные ссылки: |
|

























