Скачать ГОСТ 13218.3-80 Корпуса типа УМ подшипников качения диаметром от 80 до 150 мм. Конструкция и размеры

Дата актуализации: 01.01.2021

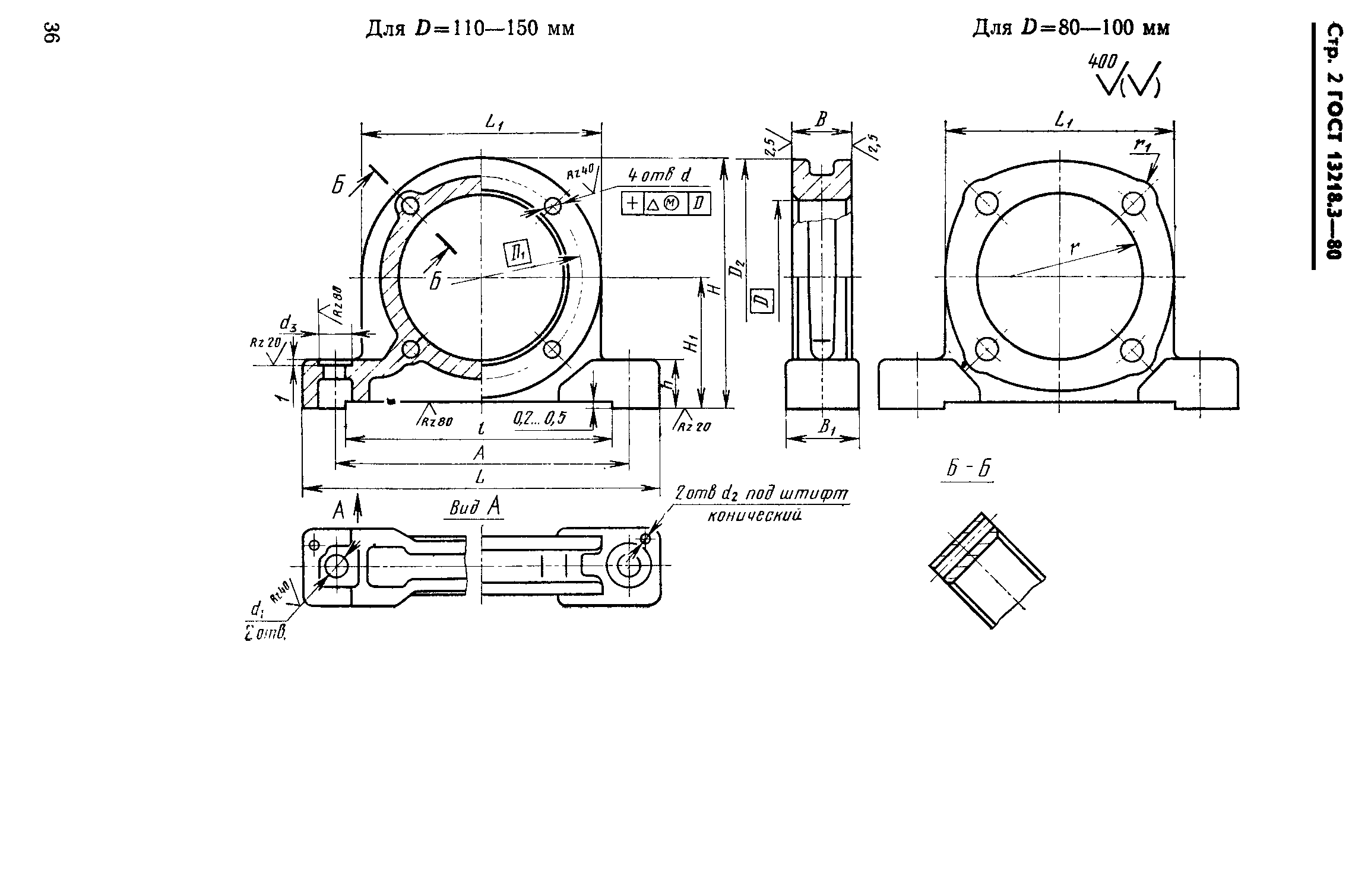
ГОСТ 13218.3-80

Корпуса типа УМ подшипников качения диаметром от 80 до 150 мм. Конструкция и размеры

Обозначение: ГОСТ 13218.3-80
Обозначение англ: GOST 13218.3-80
Статус:взамен
Название рус.:Корпуса типа УМ подшипников качения диаметром от 80 до 150 мм. Конструкция и размеры
Название англ.:Pillow blocks of serie Уm for rollings of diametters from 80 till 150 mm. Basic dimensions
Дата добавления в базу:01.09.2013
Дата актуализации:01.01.2021
Дата введения:01.01.1982
Область применения:Стандарт распространяется на неразъемные узкие корпуса УМ со сквозным отверстием для подшипников качения.
Утверждён:30.09.1980 Госстандарт СССР (USSR Gosstandart 4892)
Издан: Издательство стандартов (1981 г. )
Заменяет собой:
  • ГОСТ 13218.3-67 «Корпуса серии УМ подшипников качения диаметром от 80 до 150 мм. Основные размеры»
Нормативные ссылки:
ГОСТ 13218.3-80ГОСТ 13218.3-80ГОСТ 13218.3-80ГОСТ 13218.3-80